SHIMANO SWAN1 Wireless Module User Manual 20120508 Users Manual Rev E
SHIMANO INC. Wireless Module 20120508 Users Manual Rev E
SHIMANO >
Manual

8 May 2012 Rev.E
SHIMANO INC. Confidential
SHIMANO INC. 1/11
SWAN-1
Wireless Module
SWAN-1
User’s Manual

8 May 2012 Rev.E
SHIMANO INC. Confidential
SHIMANO INC. 2/11
SWAN-1
TABLE OF CONTENTS
Introduction ................................................3
General description ...................................3
Block diagram ............................................3
Software install...........................................4
Operating procedure..................................4 - 6
Regulatory information..............................7 - 11
Rev. Record
07 Mar. 2012> Rev A
03 Apr. 2012> Rev B
23 Apr. 2012> Rev C
26 Apr. 2012> Rev D
08 May 2012> Rev E

8 May 2012 Rev.E
SHIMANO INC. Confidential
SHIMANO INC. 3/11
SWAN-1
Introduction
This document describes the system operation of SWAN-1 –ANT module, as well as driver installation and
the use of control software.
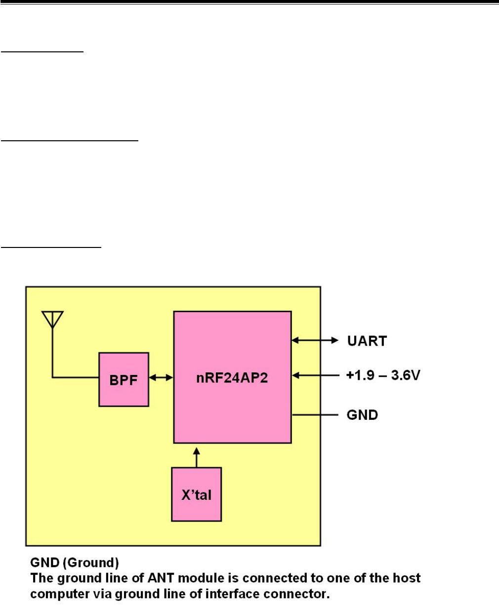
General description
SWAN-1 is an ANT module which has UART interface. This module can support a range of +1.9V ~ +3.6V
power supply and regulated in main chip, nRF24AP2. A reference clock is used in the device, which is of
16MHz.
Block diagram

8 May 2012 Rev.E
SHIMANO INC. Confidential
SHIMANO INC. 4/11
SWAN-1
Software install
1. USB Driver
Connect EVB and PC by USB cable.
Run USBXpressInstaller.exe in “USB Board Drivers” folder
2. ANTware
Run ANTwareII_v3.0.11.msi.
Operating procedure
1. Continuous transmission
a. Connect EVB and PC by USB cable. Run ANTware. Click and open right window.
b. Click “General” tab and uncheck “Increment last byte every message”.
c. Click “Broadcast” tab. Type in “1ba84b3e1ba84b3e” and click “Set Broadcast”.
d. Set frequency and click “Set Radio Frequency”.
e. Type in “256” instead of 8192 and click “Set Channel Period”
f. Click “Auto-Open”

8 May 2012 Rev.E
SHIMANO INC. Confidential
SHIMANO INC. 5/11
SWAN-1
2. Continuous reception
a. Connect EVB and PC by USB cable. Run ANTware. Click and open right window.
b. Check “Slave (Receive)”.
c. Click “Auto-Open” then click “Close”
d. Set frequency and click “Set Radio Frequency”.
e. Click “Advanced” tab and click “Open in Scan Mode”

8 May 2012 Rev.E
SHIMANO INC. Confidential
SHIMANO INC. 6/11
SWAN-1
3. Communication
a. Connect EVB (TX) and PC by USB cable. Run ANTware. Click and open right window.
b. Type in “512” and click “Set Message Period”
c. Set frequency and click “Set Radio Frequency”.
d. Click “Auto-Open”.
e. Connect EVB (RX) and PC by USB cable. Run another ANTware. Click and open right
window
f. RX - Check “Slave (Receive)”.
g. Type in “512” instead of 8192 and click “Set Message Period”
h. Set frequency and click “Set Radio Frequency”.
i. Click “Auto-Open”.
j You can see received data in window.

8 May 2012 Rev.E
SHIMANO INC. Confidential
SHIMANO INC. 7/11
SWAN-1
Regulatory information
1) Canada regulatory information
- This device complies with Industry Canada license-exempt RSS standards.
Operation is subject to the following two conditions:
(1) this device may not cause interference, and
(2) this device must accept any interference, including interference that may cause undesired operation of
the device.
- Le présent appareil est conforme aux CNR d'Industrie Canada applicables aux appareils radio
exempts de licence. L'exploitation est autorisée aux deux conditions suivantes :
(1) l'appareil ne doit pas produire de brouillage, et
(2) l'utilisateur de l'appareil doit accepter tout brouillage radioélectrique subi, même si le brouillage est
susceptible d'en compromettre le fonctionnement.
- Please display “Contains Transmitter module IC: 8117A-SWAN1”, “Contains IC: 8117A-SWAN1” or similar
wording expresses same meaning on outside of device into which “SWAN-1” is installed.
2) FCC regulatory information
- This device complies with 47 CFR Part 15 of the FCC rules. Operation is subject to 1) this device may not
cause harmful interference and 2) this device must accept any interference received, including
interference that may cause undesired operation.
- Please display “Contains Transmitter Module FCC ID: WY7-SWAN1”, “Contains FCC ID: WY7-SWAN1” or
similar wording expresses same meaning on outside of device into which “SWAN-1” is installed.
[CAUTION] To maintain compliance with FCC’s RF exposure guidelines, use only the supplied antenna.
Unauthorized antenna, modification, or attachments could damage the transmitter and may violate FCC
regulations.
3) CE regulatory information

8 May 2012 Rev.E
SHIMANO INC. Confidential
SHIMANO INC. 8/11
SWAN-1
Българин[Bulgarian] С настоящето [SHIMANO INC.] декларира, че [SWAN-1] отговаря на
съществените изисквания и другите приложими изисквания на
Директива 1999/5/ЕС.
Česky [Czech] [SHIMANO INC.] tímto prohlašuje, že tento [SWAN-1] je ve shodě se
základními požadavky a dalšími příslušnými ustanoveními směrnice
1999/5/ES.
Dansk [Danish] Undertegnede [SHIMANO INC.] erklærer herved, at følgende udstyr
[SWAN-1] overholder de væsentlige krav og øvrige relevante krav i
direktiv 1999/5/EF.
Deutsch [German] Hiermit erklärt [SHIMANO INC.], dass sich das Gerät [SWAN-1] in
Übereinstimmung mit den grundlegenden Anforderungen und den
übrigen einschlägigen Bestimmungen der Richtlinie 1999/5/EG befindet.
Eesti [Estonian] Käesolevaga kinnitab [SHIMANO INC.] seadme [SWAN-1] vastavust
direktiivi 1999/5/EÜ põhinõuetele ja nimetatud direktiivist tulenevatele
teistele asjakohastele sätetele.
English Hereby, [SHIMANO INC.], declares that this [SWAN-1] is in compliance
with the essential requirements and other relevant provisions of Directive
1999/5/EC.
Español [Spanish] Por medio de la presente [SHIMANO INC.] declara que el [SWAN-1]
cumple con los requisitos esenciales y cualesquiera otras disposiciones
aplicables o exigibles de la Directiva 1999/5/CE.
Ελληνική [Greek] ΜΕ ΤΗΝ ΠΑΡΟΥΣΑ [SHIMANO INC.] ΔΗΛΩΝΕΙ ΟΤΙ [SWAN-1]
ΣΥΜΜΟΡΦΩΝΕΤΑΙ ΠΡΟΣ ΤΙΣ ΟΥΣΙΩΔΕΙΣ ΑΠΑΙΤΗΣΕΙΣ ΚΑΙ ΤΙΣ
ΛΟΙΠΕΣ ΣΧΕΤΙΚΕΣ ΔΙΑΤΑΞΕΙΣ ΤΗΣ ΟΔΗΓΙΑΣ 1999/5/ΕΚ.
Français [French] Par la présente [SHIMANO INC.] déclare que l'appareil [SWAN-1] est
conforme aux exigences essentielles et aux autres dispositions
pertinentes de la directive 1999/5/CE.
Italiano [Italian] Con la presente [SHIMANO INC.] dichiara che questo [SWAN-1] è
conforme ai requisiti essenziali ed alle altre disposizioni pertinenti stabilite
dalla direttiva 1999/5/CE.
Latviski [Latvian] Ar šo [SHIMANO INC.] deklarē, ka [SWAN-1] atbilst Direktīvas 1999/5/EK
būtiskajām prasībām un citiem ar to saistītajiem noteikumiem.
Lietuvių [Lithuanian] Šiuo [SHIMANO INC.] deklaruoja, kad šis [SWAN-1] atitinka esminius
reikalavimus ir kitas 1999/5/EB Direktyvos nuostatas.

8 May 2012 Rev.E
SHIMANO INC. Confidential
SHIMANO INC. 9/11
SWAN-1
Nederlands [Dutch] Hierbij verklaart [SHIMANO INC.] dat het toestel [SWAN-1] in
overeenstemming is met de essentiële eisen en de andere relevante
bepalingen van richtlijn 1999/5/EG.
Malti [Maltese] Hawnhekk, [SHIMANO INC.], jiddikjara li dan [SWAN-1] jikkonforma
mal-ħtiġijiet essenzjali u ma provvedimenti oħrajn relevanti li hemm
fid-Dirrettiva 1999/5/EC.
Magyar [Hungarian] Alulírott, [SHIMANO INC.] nyilatkozom, hogy a [SWAN-1] megfelel a
vonatkozó alapvetõ követelményeknek és az 1999/5/EC irányelv egyéb
elõírásainak.
Polski [Polish] Niniejszym [SHIMANO INC.] oświadcza, że [SWAN-1] jest zgodny z
zasadniczymi wymogami oraz pozostałymi stosownymi postanowieniami
Dyrektywy 1999/5/EC.
Português [Portuguese] [SHIMANO INC.] declara que este [SWAN-1] está conforme com os
requisitos essenciais e outras disposições da Directiva 1999/5/CE.
Român [Romanian]
Prin prezenta, [SHIMANO INC.], declară că aparatul [SWAN-1] este în
conformitate cu cerinţele esenţiale şi cu alte prevederi pertinente ale
Directivei 1999/5/CE.
Slovensko [Slovenian] [SHIMANO INC.] izjavlja, da je ta [SWAN-1] v skladu z bistvenimi
zahtevami in ostalimi relevantnimi določili direktive 1999/5/ES.
Slovensky [Slovak] [SHIMANO INC.] týmto vyhlasuje, že [SWAN-1] spĺňa základné
požiadavky a všetky príslušné ustanovenia Smernice 1999/5/ES.
Suomi [Finnish] [SHIMANO INC.] vakuuttaa täten että [SWAN-1] tyyppinen laite on
direktiivin 1999/5/EY oleellisten vaatimusten ja sitä koskevien direktiivin
muiden ehtojen mukainen.
Svenska [Swedish] Härmed intygar [SHIMANO INC.] att denna [SWAN-1] står I
överensstämmelse med de väsentliga egenskapskrav och övriga
relevanta bestämmelser som framgår av direktiv 1999/5/EG.
4) Russia regulatory information
Подтверждение соответствия Мининформсвязи России:
Декларация соответствия No.Д-РД-XXXX от DD.MM.YYYY года, действительна до DD.MM.YYYY года,
зарегистрирована в Федеральном агентстве связи DD.MM.YYYY года
5) Taiwan regulatory information

8 May 2012 Rev.E
SHIMANO INC. Confidential
SHIMANO INC. 10/11
SWAN-1
Note:
1. 本模組於取得認證後將依規定於模組本體標示審驗合格標籤
2. 系統廠商應於平台上標示「本產品內含射頻模組: CCXXXXYYyyyZzW」字樣
6) Korean regulatory information
“SWAN-1” has been radio-type approved under condition described below.
Applicant name: NANUX Inc.
Equipment name: Wireless Module
Model number: SWAN-1
Manufactured date (Monty, Year) : refer to serial no. on equipment
Manufacturer: SHIMANO INC.
Country of origin: Japan
KCC-REI-ABC-XXXXXXXXXXXXXX
7) Mexico regulatory information
SWAN-1” has been radio-type approved under condition described below.
Brand name: SHIMANO INC.

8 May 2012 Rev.E
SHIMANO INC. Confidential
SHIMANO INC. 11/11
SWAN-1
Model name: SWAN-1
COFETEL homologation number: XXXXXXXXXX
Country of manufacturing: Hecho en Japon
8) Singapore regulatory information
Complies with
IDA Standards
ID:XXXXXXX (dealer No)