SRT Acquisition BSHDT Base Station Transeiver User Manual Base Station Installation
SRT Acquisition Base Station Transeiver Base Station Installation
Installation manual

NERA Telecommunications PRELIMINARY
Base Station Installation Issue #0.1, August, 2000
Preliminary Document – Not for Duplication
Page 1 of 17
1 BASE STATION INSTALLATION: Velocity2000™ WLL System
1.1 General
This document provides installation and reference information for the Remote Base Station
Controller components of the Velocity2000™ Wireless Local Loop System. Components
included are: the Host Digital Terminal (HDT), Cooling Fan Unit (CFU), Power Supply (PS),
and the Fuse Panel (FP). All this equipment mounts in a standard 19” rack assembly, which
is then housed in a Central Office (CO) or an enclosed Remote Base Station (RBS).
1.1.1 Host Digital Terminal (HDT)
The Host Digital Terminal (HDT) is an EMI protected chassis. It is designed to house eight
types of cards with standard plug-in modules (circuit cards). A lockable front door pulls down
to provide access. Air from the CFU enters the HDT through the front and exists out the top.
An air deflector is integrated into the bottom of the chassis to prevent preheated air from
entering the chassis. Dual 48V input power is provided through a protected screw terminal
block in the rear. Chassis and signal ground are strapped together with a bus bar in the rear.
A #10-32 single point ground terminal is provided to tie to earth ground. Nominal power
consumption is 130W (including fans and power supplies). Two dB9 connectors on the rear
panel provide an RS232 interface. Two shielded RJ45 connectors provide a 10 base T
interface and 1 shielded RJ45 provides a 10/100 base T interface. Eight 50-position shielded
telephone connectors provide 4 T1, E1 or low voltage digital timing interface, and 4
expansion options. The first HDT chassis (mounted in the topmost position) is considered
the master unit and all others are considered slave units. The antenna interface uses a type
N bulkhead connector (jack). All incoming signals to the HDT require primary lightning
protection.
1.1.2 Cooling Fan Unit (CFU)
A fan assembly is mounted directly above each of the HDT chassis. A single pigtail cable is
provided to tie the fan power to the rear of the HDT chassis. The CFU is turned on/off by the
HDT power supplies as needed. The fan chassis runs on 48V and consumes 20W of power.
1.1.3 Power Supply (PS)
The Power Supply (PS) is a 150W 48-volt dual input, redundant 5V/1.2V out switching
supply. The power supply connects to the backplane with a DIN standard, type F connector.
The supply provides alarms for excess temperature, current, and voltage. A temperature
sensor on the PS controls the fan activation. The power dissipated by a single supply (not
sharing) is 37W.
1.1.4 Fuse Panel (FP)
The Fuse Panel is equipped with built in “or-ing” diodes (i.e. supply “A” or “B” will power the
HDT). The FP uses GMT type fuses. Terminal blocks are provided on the rear for input (6
AWG) and output wiring (12 AWG).
Warning: Modifications not expressly approved by the manufacturer could render the equipment
non-compliant with FCC regulations and thus invalidate the user's right to operate the equipment.

NERA Telecommunications PRELIMINARY
Base Station Installation Issue #0.1, August, 2000
Preliminary Document – Not for Duplication
Page 2 of 17
2 ELECTRO STATIC DISCHARGE (ESD) PROCEDURE
2.1 General
When you see this symbol in text, be aware that you are working with ESD-sensitive
components. Take the recommended precautions.
2.1.1 Wear A Grounding Wrist Strap
Wear a grounding wrist strap when installing or removing components.
NOTE: To properly use a grounding wrist strap, perform the following test using an
ohmmeter:
1. Set the Ohmmeter to the maximum resistance scale
2. Connect one meter-lead to the contact point of the wrist strap and the other lead to the
clip or banana plug on the far end of the wrist strap. Hold one lead (not both) while
performing this measurement.
A resistance reading in the vicinity of 1 megohm (one million ohms) indicates that the wrist
strap is acceptable. A reading of less than 900,000 ohms indicates that the wrist strap is
inadequate and may not provide proper protection. An “open” reading indicates that the
internal resistance of the wrist strap has failed and it will not protect the equipment from ESD
damage.
2.1.2 Use
Attach the wrist strap securely to your wrist and clip the far end to a ground post on the
equipment rack or elsewhere on the metal mounting assembly. (Alternatively, insert the
banana plug into the jack provided on the equipment rack or metal mounting assembly.)
Momentarily touch the grounded equipment rack to discharge any static build-up before
handling modules or other static sensitive devices. Momentarily touch the anti-static storage
bag to the grounded equipment rack before removing or re-inserting a component. Always
store unused and spare ESD-sensitive devices and components in their original anti-static
storage bags.
DO NOT touch any circuit traces or board components during installation. Hold the boards
and assemblies by the front panel or by the board edges.
2.1.3 Caution
To reduce the risk of electric shock or energy hazards:
1. Connect to a reliably grounded Safety Extra Low Voltage (SELV) source.
2. Rate the branch circuit over current protection at a maximum of 15A.
3. Use 12 AWG or 14 AWG solid copper conductors only.
4. Incorporate a readily accessible disconnect device that is suitably approved and
rated in the field wiring.
5. Install in a restricted access area in accordance with the NEC or the authority
having jurisdiction.

NERA Telecommunications PRELIMINARY
Base Station Installation Issue #0.1, August, 2000
Preliminary Document – Not for Duplication
Page 3 of 17
3 MECHANICAL INSTALLATION
3.1 General
Following the order outlined here facilitates mechanical installation. Install the Fuse Panel
(FP), Cooling Fan Unit (CFU), and Host Digital Terminal (HDT), from top to bottom in the
rack. Figure 1 shows the arrangement of the rack assembly.
Fuse Panel
Cooling Fan Unit
Host Digital Terminal
Figure 1 – Rack Assembly

NERA Telecommunications PRELIMINARY
Base Station Installation Issue #0.1, August, 2000
Preliminary Document – Not for Duplication
Page 4 of 17
3.1.1 Fuse Panel (FP)
Following the order outlined here facilitates mechanical installation. Install the Fuse Panel
(FP), Cooling Fan Unit (CFU), and Host Digital Terminal (HDT), from top to bottom in the
rack. Figure 1 shows the arrangement of the rack assembly.
Figure 3 – Cooling Fan and Host Digital Terminal
Figure 2 – Fuse Panel
3.1.2
Cooling Fan Unit (CFU)
The Cooling Fan Unit (CFU) mounts in the same manner as the FP and PS and is just
below the PS in the equipment rack.
3.1.3 Host Digital Terminal (HDT)
The Host Digital Terminal (HDT) mounts directly below the CFU and requires eight
screws to mount into the equipment rack. Figure 3 shows the CFU and HDT mounted.
Note: Additional equipment is added (where required), in the order CFU, HDT, CFU,
HDT, etc. Figure 3 shows the CFU and HDT terminal.

NERA Telecommunications PRELIMINARY
Base Station Installation Issue #0.1, August, 2000
Preliminary Document – Not for Duplication
Page 5 of 17
4 ELECTRICAL INSTALLATION
4.1 General
Following the order outlined here facilitates the electrical installation. Install the Fuse Panel
(FP), System Interface Panel (SIP) (Optional), Cooling Fan Unit (CFU), Host Digital Terminal
(HDT), and the Power Supply (PS).
Wear a ground strap for all of the electrical installation procedures in this section. Do not
connect Central Office (CO) or Remote Base Stations (RBS) power mains to the equipment
until all equipment rack wiring has been completed and checked.
4.1.1 Fuse Panel (FP)
Terminal blocks are provided, at the rear of the FP, for A-side and B-side power connections
(A-side shown). Follow the steps to apply power lines to the Fuse Panel. Figure 4 shows the
rear view of the fuse panel.
Figure 4 – Fuse Panel – Rear View
1. Loosen the 8-32 ground screw terminal at the right rear of the panel.
2. Insert a 6AWG ground wire into the terminal and tighten.
3. Route the ground lead down the equipment rack to the master ground connection and
terminate there. (This step assumes that the CO or Base Station has been configured
with appropriate ground line distribution.)
4. Loosen the Battery +/– INPUT terminal screws and dress power cables to these points.
5. Attach 6AWG wires to the terminals and tighten the screws.
6. Loosen the Battery +/– OUTPUT terminal screws and dress power cables to these
points.
7. Attach 12AWG wires to the terminals and tighten the screws.
Detail of Equipment
Rack Ground Block
48V DC Supply Source Markings
In accordance with Sub-Clause 3.4, Annex NAA and UL’s Bulletin to the
Industry dated May 14, 1993.
Equipment intended to receive power from a 48V DC source will be
considered connected to a branch circuit, with SELV circuit
characteristics, if it can be determined that.
(1) The supply potential will be operating at SELV levels and
(2) The supply is electrically isolated from an AC source.
If the above-mentioned conditions were met, the equipment would
therefore not be subject to the requirements for wiring terminals for
external primary power supply conductor, Sub-Clause 3.3.

NERA Telecommunications PRELIMINARY
Base Station Installation Issue #0.1, August, 2000
Preliminary Document – Not for Duplication
Page 6 of 17
4.1.2 Cooling Fan Unit (CFU)
At the rear of the CFU, there is a pigtail cable that connects to the rear panel of the HDT.
Route this cable down to the HDT connector labeled “FAN” and connect there. Figure 5
shows the top and front views of the cooling Fan.
Figure 5 – Cooling Fan- Top and Front View
4.1.3 Host Digital Terminal (HDT)
At the rear of the HDT a terminal block is provided for dual 48-volt input power. Follow the
steps to apply power lines to the Host Digital Terminal. Figure 6 shows the rear view of the
Host Digital Terminal and Figure 7 shows the detail of the Terminal Block.
Top View
Front View

NERA Telecommunications PRELIMINARY
Base Station Installation Issue #0.1, August, 2000
Preliminary Document – Not for Duplication
Page 7 of 17
Figure 6 – Host Digital Terminal – Rear View
1. Remove the screws that secure the protective plastic panel and remove the panel.
2. Loosen the 8-32 ground screw terminal at the right rear of the panel.
3. Insert a 6AWG ground wire into the terminal and tighten the screw.
4. Loosen the Battery +/– INPUT terminal screws and dress power cables to these points.
5. Attach 16AWG wires to the terminals and tighten the screws.
6. Replace the protective cover.
4.1.4 Figure 7 – Detail of Terminal Block

NERA Telecommunications PRELIMINARY
Base Station Installation Issue #0.1, August, 2000
Preliminary Document – Not for Duplication
Page 8 of 17
4.1.5 Power Supply (PS)
The Power Supply is a plug-in module that inserts in the leftmost slot of the HDT. Figure 8
shows the Power Supply Module.
Using ESD Procedures for modules, insert the PS into the HDT and confirm proper seating.
Figure 8 – Power Supply Module
5 LIGHTNING PROTECTION
5.1 General
Following the order outlined here facilitates the lightning protection for: the Electro Motive
Pulse (EMP)/Lightning Arrestor, Host Digital Terminal (HDT), Cable Specifications, and Link
Budget and Link Range (2.4 GHZ).
Note: It is important that a qualified technician perform the installation.
The unit must be located in a secure enclosure. The installer is responsible for meeting FCC
and EIRP limits.

NERA Telecommunications PRELIMINARY
Base Station Installation Issue #0.1, August, 2000
Preliminary Document – Not for Duplication
Page 9 of 17
5.1.1 Electro Motive Pulse (EMP)/Lightning Arrestor
Electro Motive Pulse (EMP) protection is provided at the top of the shelf enclosure or at the
access port of the Remote Base Station shelter. An earth ground conductor is required.
Figure 9 shows component arrangement and ground wire path(s).
Figure 9 – WLL Rack/Shelf
The lightning arrestor connection is made directly to the antenna terminal on the back of the
HDT and is tied into the master earth ground system. The RF handles 20kA of surge-current
with activation at a nominal 600 VDC threshold, within 3nsec.
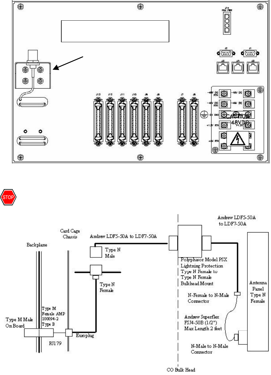
5.1.2 Host Digital Terminal (HDT)
Lightning protection is applied to the RF connector on the back panel of the HDT, after it is
mounted into the rack assembly. Figure 10 shows the position of the RF connector. Figure
11 shows RF Cable and Lightning Arrestor ground wiring.
FAP
Standard
6 foot
Rack
Network/E1 interface
Network/E1 interface
Network/E1 interface
RF Antenna Cable
Termination 1/2 inch Foam Core COAX
w/Type N connector
Lightning arrestor
CO Bulkhead
HDTs
RF Connectors

NERA Telecommunications PRELIMINARY
Base Station Installation Issue #0.1, August, 2000
Preliminary Document – Not for Duplication
Page 10 of 17
Figure 10 – Location of RF Antenna Connector
WARNING: To comply with the FCC RF exposure operating configurations, the antenna
shall be mounted to ensure the antenna/person separation distance of at least 2 meters.
Figure 11 – RF Cable Route and Lightning Protection
RF Antenna Connector
MUST be lightning protected.

NERA Telecommunications PRELIMINARY
Base Station Installation Issue #0.1, August, 2000
Preliminary Document – Not for Duplication
Page 11 of 17
5.1.3 Cable Specifications
Table 1 shows the Coaxial Cable – 50-ohm, Foam Dielectric.
Heliax Coaxial Cable – 50-ohm, Foam Dielectric, LDF
7/8 inches 1-1/4 inches 1-5/8 inches
Standard Cables
Standard Black Jacket LDF5-50A LDF6-50 LDF7-50A
Fire Retardant Cables
CATVX, VW-1, IEC 332-1
CATV, UL1581, IEC 332-3 IEEE 383
CATVR, UL1666 (Riser)
LDF5RN-50A
LDF5RN-50A
LDF5RN-50A
LDF6RN-50
LDF6RN-50
LDF6RN-50
LDF7RN-50A
LDF7RN-50A
LDF7RN-50A
Low VSWR Cables, Specially Tested
Standard Black Jacket LDF5P- 50A-(**) LDF6P- 50-(**) LDF7P- 50A-(**)
Fire Retardant (CATVR), 824-894 MHz, 1.20
VSWR maximum 41690-76 41690-73
Characteristics
Maximum Operating Frequency, MHz
Peak Power Rating, KW
Relative Propagation Velocity, %
Minimum Bend Radius, in (mm)
5000
91
89
10 (250)
3300
205
89
15 (380)
2500
315
88
20 (510)
Attenuation, dB/100 ft (dB/100 m) Standard Conditions: VSWR 1.0; Ambient Temperature 24°C (75° F)
2300 MHz 2.15 (7.05) 1.58 (5.18) 1.37 (4.48)
Average Power Rating, kW Standard Conditions: VSWR 1.0; Ambient Temperature 40°C (104° F);
Inner Conductor Temperature 100°C (212° F); No Solar Loading
2300 MHz 1.29 1.95 2.53
Table 1 – Coaxial Cable – 50-ohm, Foam Dielectric
5.1.4 Link Budget And Link Range (2.4 GHz)
The following link budget is based on a modified ground reflection propagation model. This
model divides the link into two sections. The initial section has R2 propagation loss. The
following factors were included in the calculation:
• Base station EIRP 30 dBm (FCC limit is 1W EIRP)
• Base station antenna height 50 meters (typical)
• 24 CDMA channels (loss of 10 log (24) = -14.1 dB)
• Subscriber antenna height 3 meters (typical)
• Subscriber antenna gain 10 dBi

NERA Telecommunications PRELIMINARY
Base Station Installation Issue #0.1, August, 2000
Preliminary Document – Not for Duplication
Page 12 of 17
• Subscriber sensitivity = -100 dBm for BER = 10-5
• 2.483 GHz frequency/lambda (wave length) = 12 cm
The first step is to calculate the distance, D0, for which the propagation is proportional to R2.
D0 = (4 x Hbase station x Hsubscriber)/lambda = 4966 meters
The frequency corrected propagation R2 loss at D0 would be is –114.25 dB.
Table 2 shows the link calculation for log distance with R4 propagation loss.
TX EIRP (dBm) +30
CDMA channel loss (dB) - 14.1
Fade margin (dB) - 10
D0 propagation loss at 2.483 GHz -114.25
Receiver gain + 10
1/Receiver sensitivity +100
Additional prop distance (R4)1.64
Table 2 – Link calculation for log distance with R4 propagation loss
The additional propagation at R4 loss is:
Propagation distance = D0 x 101.64/40 = 5458 Meters
The other limiting factor is the round trip RX/TX propagation delay relative to the guard time
in the TDD frame structure. The subscriber terminal TX burst has 3 symbols of guard time.
Each symbol represents 12.5 usec or 37.5 usec total. As the subscriber distance from the
base station increases, the subscriber transmitter must advance the start of the TX burst to
achieve alignment with the base station. The total propagation delay is 2 times the one-way
delay. Only half the guard time can be allocated to RX or TX burst delays. Due to limitations
in TX power ramp up and RX ramp down, roughly ½ a symbol or 6 µsec of this guard time
must be reserved.
Table 3 provides calculation of one way, round trip, and guard time slack.
Subscriber distance (KM) RX propagation
delay (µsec) TX/RX propagation
delay (µsec) Guard time slack
symbols
13.3 6.6 2.4
26.6 13.3 1.9
3 10 20 1.4
413.3 26.6 0.864
4.5 15 30 0.6
4.75 15.8 31.6 0.46
Limit of TX ramp up
Table 3 – Calculation of one-way, round trip, and guard time slack

NERA Telecommunications PRELIMINARY
Base Station Installation Issue #0.1, August, 2000
Preliminary Document – Not for Duplication
Page 13 of 17
6 SECTORAL ANTENNA
6.1 General
The TA-2304-2 Adjustable Sectoral Antenna is a vertically polarized sectoral antenna. It can
be ordered with three different kinds of side panels, depending on the horizontal beamwidth
required: fixed at 45 degrees, fixed at 180 degrees or field adjustable to 60, 90, 120, or 160
degrees. Radiating elements are protected by a weatherproof radome for operation under
severe weather conditions (icing, salt air, acid rain, etc.) and are at DC ground for lightning
protection.
It is imperative that a qualified technician performs the installation. The unit must be located
in a secure enclosure and the installer is responsible for meeting FCC and EIRP limits.
Referring to the back of the Host Digital Terminal – Rear View in Figure 10 on page 11, the
installer will use an RF Power meter attached to the RF Antenna Connector to gage the
power output of the transmitter. The installer can refer to the example and calculation
worksheet and formula on pages 15-17 to determine if the power output of the transmitter is
too high or too low. To adjust the power output of the use the gain control. Table 4 shows
the Adjustable Sectoral Antenna Specifications.

NERA Telecommunications PRELIMINARY
Base Station Installation Issue #0.1, August, 2000
Preliminary Document – Not for Duplication
Page 14 of 17
Electrical Specifications
Frequency Range 2300 – 2500 MHz
Gain 18.5 dBi for 45 degree sector;
17.5 dBi for 60 degree sector;
15.5 dBi for 90 degree sector;
14.5 dBi for 120 degree sector;
13.0 dBi for 160 degree sector;
12.5 dBi for 180 degree sector
VSWR 1.5:1 maximum
Polarization Vertical
Power Rating 25 watts
H-Plane Beamwidth (-3 dB) Fixed at 45 degrees;
Fixed at 180 degrees;
Or field adjustable to 60, 90, 120,
or 160 degrees (nominal mid-band
values)
E-Plane Beamwidth (-3 dB) 7.2 degrees
Cross-Polarization Discrimination 20 dB minimum
Impedance 50 ohms nominal
Termination Type N female (7/16 jack optional)
Mechanical Specifications
Length 40 in. (1016 mm)
Width 4.9 in. (124 mm)
Depth 4.6 in. (117 mm)
Weight Including Clamps 8 lb. (3.6 kg)
Rated Wind Velocity 125 mph (200 km/hr)
Horizontal Thrust at Rated Wind 86 lb. (39 kg)
Mounting Mounts to a 0.75 – 3.0 O.D.
(19 – 76 mm) pipe using the
clamps supplied
Materials
Radiating Elements Tin plated copper on PCB
Radome White ASA, UV stabilized
Reflector Irridited aluminum
Clamps Hot dip galvanized steel
Table 4 – Adjustable Sectoral Antenna Specifications

NERA Telecommunications PRELIMINARY
Base Station Installation Issue #0.1, August, 2000
Preliminary Document – Not for Duplication
Page 15 of 17
Example Calculation Worksheet
Table 5 shows an example of the calculation worksheet filled out.
Cable Loss Calculation
Cable Type LDF 7/8”
Cable Loss/100 feet 2.15
Length of Cable in feet 200
Cable Loss (dB) 4.3
Antenna Gain Information
Model Number TA-2304-2
Sector Angle (degrees) 45
Antenna Gain (dBi) 18.5
FCC Section 15.247 (b)(i) Power Adjustment
Antenna Gain (dBi) 18.5
Antenna Gain Exceeds 6 dB 12.5
FCC Sec. 15.247 (b)(i) Adjustment 4.2
Basic Equation
Calculated Transmitter Power (dBm) 13.0
FCC Sec. 15.247 (b)(i) Adjustment 4.2
Cable Loss (dB) 4.3
Antenna Gain (dBi) 18.5
Power Amplifier Output Power (dBm) 23
Power Amplifier Output Power (watts) 0.2
Calculated Transmitter Power
(PT dBm = 30 dBm + Adj. + LC – GA)13.0
Measured Transmitter Power 10
Difference -3.0
Table 5 – Example Calculation Worksheet
NOTE:
Formula PT = PO – GA + LC + Adj. is implemented in this worksheet.
Refer to Heliax Coaxial Cable – 50 –ohm, Foam Dielectric, LDF Specifications on page 11
and TA-2304-2 Adjustable Sectoral Antenna Specifications on page 14 for data used in this
example calculation worksheet.

NERA Telecommunications PRELIMINARY
Base Station Installation Issue #0.1, August, 2000
Preliminary Document – Not for Duplication
Page 16 of 17
Calculation Worksheet
Table 6 shows an example of the calculation worksheet to be filled out.
Cable Loss Calculation
Cable Type
Cable Loss/100 feet
Length of Cable in feet
Cable Loss (dB)
Antenna Gain Information
Model Number
Sector Angle (degrees)
Antenna Gain (dBi)
FCC Section 15.247 (b)(i) Power Adjustment
Antenna Gain (dBi)
Antenna Gain Exceeds 6 dB
FCC Sec. 15.247 (b)(i) Adjustment
Basic Equation
Calculated Transmitter Power (dBm)
FCC Sec. 15.247 (b)(i) Adjustment
Cable Loss (dB)
Antenna Gain (dBi)
Power Amplifier Output Power (dBm)
Power Amplifier Output Power (watts)
Calculated Transmitter Power
(PT dBm = 30 dBm + Adj. + LC – GA)
Measured Transmitter Power
Difference
Table 6 – Calculation Worksheet
NOTE:
Formula PT = PO – GA + LC + Adj. is implemented in this worksheet.
Refer to Heliax Coaxial Cable – 50 –ohm, Foam Dielectric, LDF Specifications on page 11
and TA-2304-2 Adjustable Sectoral Antenna Specifications on page 13 and 14 for data used
in this example calculation worksheet.

NERA Telecommunications PRELIMINARY
Base Station Installation Issue #0.1, August, 2000
Preliminary Document – Not for Duplication
Page 17 of 17
Formula
In order to calculate the maximum power being delivered to the antenna, based on the antenna gain,
use the formula:
Determining the transmitter output power, subtracting the cable loss, adding the antenna gain, and
subtracting the FCC Section 15.247 (b)(i) adjustment will give you the power output of the antenna.
Worksheet
Cable Loss (dB)
PT
LC
G
A
PO
PT – LC + GA – Adj. = PO
– + – =
PT LC GA Adj. PO
FCC Adj.
Tx Antenna