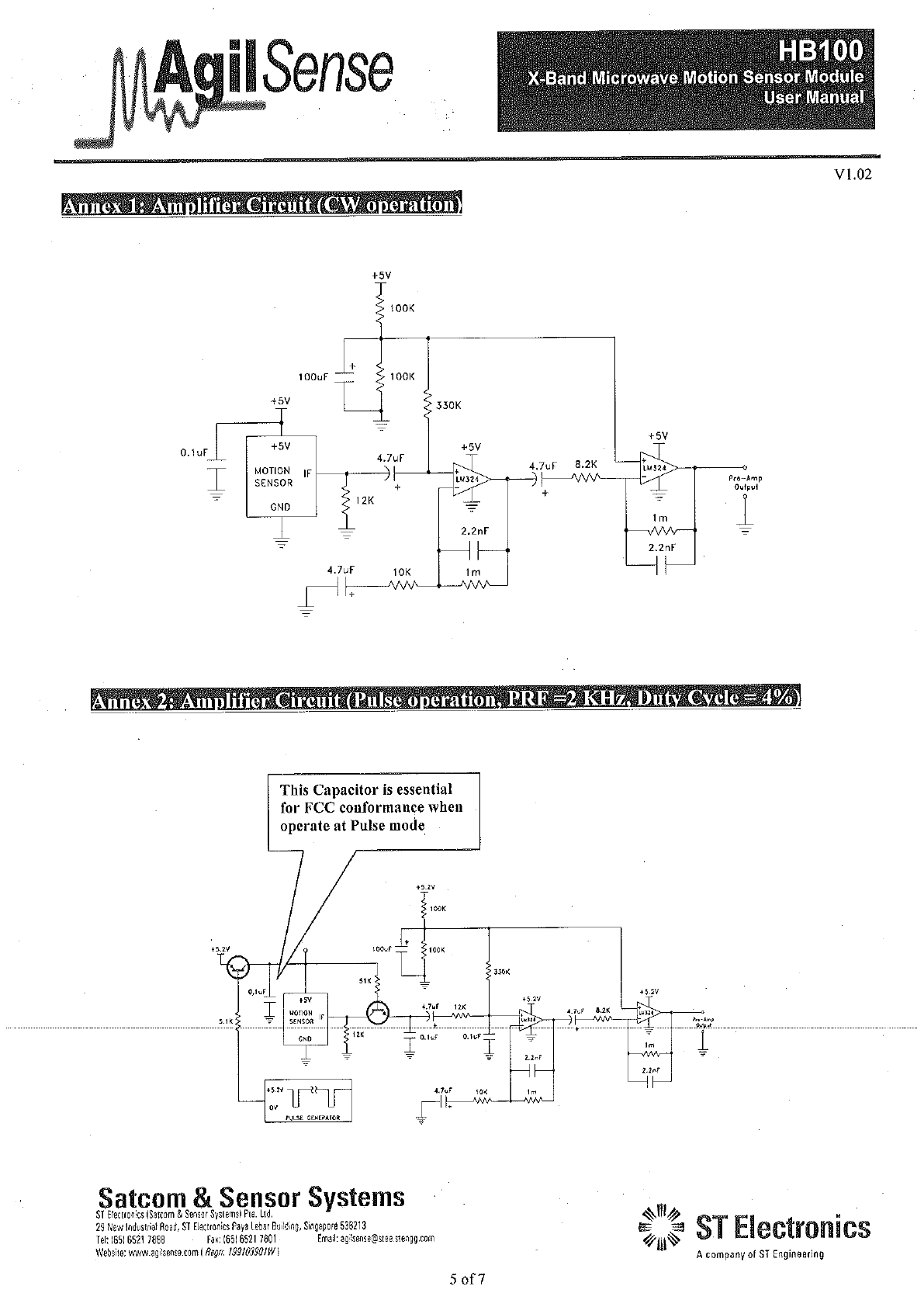
ST Electronics HB100 X-Band Microwave Motion Sensor Module User Manual
ST Electronics (Satcom & Sensor Systems) Pte Ltd X-Band Microwave Motion Sensor Module
UserManual.wiki
>
ST Electronics
>
HB100 User Manual HTML Version
User Manual
Navigation menu
Upload a User Manual
Namespaces
Wiki Guide
HTML
PDF
Info
Views
User Manual
Discussion / Help
Navigation