Samson L2400 Users Manual
L3200 to the manual 20f04824-0926-4383-9502-4c2a71d5d0d5
2015-02-02
: Samson Samson-L2400-Users-Manual-444640 samson-l2400-users-manual-444640 samson pdf
Open the PDF directly: View PDF
.
Page Count: 28

Front of House Mixing Consoles
4 BUS MIXING CONSOLE
WITH USB I/O & DUAL 24BIT DIGITAL EFFECTS

Safety Instructions/Consignes de sécurité/Sicherheitsvorkehrungen
ACHTUNG: Um die Gefahr eines Brandes oder Stromschlags zu verringern, sollten Sie dieses Gerät weder Regen noch Feuchtigkeit aussetzen.Um die Gefahr eines
Stromschlags zu verringern, sollten Sie weder Deckel noch Rückwand des Geräts entfernen. Im Innern befinden sich keine Teile, die vom Anwender gewartet
werden können. Überlassen Sie die Wartung qualifiziertem Fachpersonal.Der Blitz mit Pfeilspitze im gleichseitigen Dreieck soll den Anwender vor nichtisolierter
“gefährlicher Spannung” im Geräteinnern warnen. Diese Spannung kann so hoch sein, dass die Gefahr eines Stromschlags besteht. Das Ausrufezeichen im gleich-
seitigen Dreieck soll den Anwender auf wichtige Bedienungs- und Wartungsanleitungen aufmerksam machen, die im mitgelieferten Informationsmaterial näher
beschrieben werden.
Wichtige Sicherheitsvorkehrungen
1. Lesen Sie alle Anleitungen, bevor Sie das Gerät in Betrieb nehmen.
2. Bewahren Sie diese Anleitungen für den späteren Gebrauch gut auf.
3. Bitte treffen Sie alle beschriebenen Sicherheitsvorkehrungen.
4. Befolgen Sie die Anleitungen des Herstellers.
5. Benutzen Sie das Gerät nicht in der Nähe von Wasser oder Feuchtigkeit.
6. Verwenden Sie zur Reinigung des Geräts nur ein feuchtes Tuch.
7. Blockieren Sie keine Belüftungsöffnungen. Nehmen Sie den Einbau des Geräts nur entsprechend den Anweisungen des Herstellers vor.
8. Bauen Sie das Gerät nicht in der Nähe von Wärmequellen wie Heizkörpern, Wärmeklappen, Öfen oder anderen Geräten (inklusive Verstärkern) ein, die Hitze
erzeugen.
9. Setzen Sie die Sicherheitsfunktion des polarisierten oder geerdeten Steckers nicht außer Kraft. Ein polarisierter Stecker hat zwei flache, unterschiedlich breite
Pole. Ein geerdeter Stecker hat zwei flache Pole und einen dritten Erdungsstift. Der breitere Pol oder der dritte Stift dient Ihrer Sicherheit. Wenn der vorhan-
dene Stecker nicht in Ihre Steckdose passt, lassen Sie die veraltete Steckdose von einem Elektriker ersetzen.
10. Schützen Sie das Netzkabel dahingehend, dass niemand darüber laufen und es nicht geknickt werden kann. Achten Sie hierbei besonders auf Netzstecker,
Mehrfachsteckdosen und den Kabelanschluss am Gerät.
11. Ziehen Sie den Netzstecker des Geräts bei Gewittern oder längeren Betriebspausen aus der Steckdose.
12. Überlassen Sie die Wartung qualifiziertem Fachpersonal. Eine Wartung ist notwendig, wenn das Gerät auf irgendeine Weise, beispielsweise am Kabel oder
Netzstecker beschädigt wurde, oder wenn Flüssigkeiten oder Objekte in das Gerät gelangt sind, es Regen oder Feuchtigkeit ausgesetzt war, nicht mehr wie
gewohnt betrieben werden kann oder fallen gelassen wurde.
WARNING: To reduce the risk of fire or electric shock, do not expose this unit to rain or moisture. To reduce the hazard of electrical shock, do not remove cover or
back. No user serviceable parts inside. Please refer all servicing to qualified personnel.The lightning flash with an arrowhead symbol within an equilateral triangle,
is intended to alert the user to the presence of uninsulated "dangerous voltage" within the products enclosure that may be of sufficient magnitude to constitute
a risk of electric shock to persons. The exclamation point within an equilateral triangle is intended to alert the user to the presence of important operating and
maintenance (servicing) instructions in the literature accompanying the product.
Important Safety Instructions
1. Please read all instructions before operating the unit.
2. Keep these instructions for future reference.
3. Please heed all safety warnings.
4. Follow manufacturers instructions.
5. Do not use this unit near water or moisture.
6. Clean only with a damp cloth.
7. Do not block any of the ventilation openings. Install in accordance with the manufacturers instructions.
8. Do not install near any heat sources such as radiators, heat registers, stoves, or other apparatus (including amplifiers) that produce heat.
9. Do not defeat the safety purpose of the polarized or grounding-type plug. A polarized plug has two blades with one wider than the other. A grounding type
plug has two blades and a third grounding prong. The wide blade or third prong is provided for your safety. When the provided plug does not fit your outlet,
consult an electrician for replacement of the obsolete outlet.
10. Protect the power cord from being walked on and pinched particularly at plugs, convenience receptacles and at the point at which they exit from the unit.
11. Unplug this unit during lightning storms or when unused for long periods of time.
12. Refer all servicing to qualified personnel. Servicing is required when the unit has been damaged in any way, such as power supply cord or plug damage, or if
liquid has been spilled or objects have fallen into the unit, the unit has been exposed to rain or moisture, does not operate normally, or has been dropped.
ATTENTION: Pour éviter tout risque d’électrocution ou d’incendie, ne pas exposer cet appareil à la pluie ou à l’humidité. Pour éviter tout risque d’électrocution, ne
pas ôter le couvercle ou le dos du boîtier. Cet appareil ne contient aucune pièce remplaçable par l'utilisateur. Confiez toutes les réparations à un personnel qualifié.
Le signe avec un éclair dans un triangle prévient l’utilisateur de la présence d’une tension dangereuse et non isolée dans l’appareil. Cette tension constitue un
risque d’électrocution. Le signe avec un point d’exclamation dans un triangle prévient l’utilisateur d’instructions importantes relatives à l’utilisation et à la mainte-
nance du produit.
Consignes de sécurité importantes
1. Veuillez lire toutes les instructions avant d’utiliser l’appareil.
2. Conserver ces instructions pour toute lecture ultérieure.
3. Lisez avec attention toutes les consignes de sécurité.
4. Suivez les instructions du fabricant.
5. Ne pas utiliser cet appareil près d’une source liquide ou dans un lieu humide.
6. Nettoyez l’appareil uniquement avec un tissu humide.
7. Veillez à ne pas obstruer les fentes prévues pour la ventilation de l’appareil. Installez l’appareil selon les instructions du fabricant.
8. Ne pas installer près d’une source de chaleur (radiateurs, etc.) ou de tout équipement susceptible de générer de la chaleur (amplificateurs de puissance par
exemple).
9. Ne pas retirer la terre du cordon secteur ou de la prise murale. Les fiches canadiennes avec polarisation (avec une lame plus large) ne doivent pas être modi-
fiées. Si votre prise murale ne correspond pas au modèle fourni, consultez votre électricien.
10. Protégez le cordon secteur contre tous les dommages possibles (pincement, tension, torsion,, etc.). Veillez à ce que le cordon secteur soit libre, en particulier à
sa sortie du boîtier.
11. Déconnectez l’appareil du secteur en présence d’orage ou lors de périodes d’inutilisation prolongées.
12. Consultez un service de réparation qualifié pour tout dysfonctionnement (dommage sur le cordon secteur, baisse de performances, exposition à la pluie, pro-
jection liquide dans l’appareil, introduction d’un objet dans le boîtier, etc.).

PRECAUCION: Para reducir el riesgo de incendios o descargas, no permita que este aparato quede expuesto a la lluvia o la humedad. Para reducir el riesgo de
descarga eléctrica, nunca quite la tapa ni el chasis. Dentro del aparato no hay piezas susceptibles de ser reparadas por el usuario. Dirija cualquier reparación al
servicio técnico oficial. El símbolo del relámpago dentro del triángulo equilátero pretende advertir al usuario de la presencia de “voltajes peligrosos” no aislados
dentro de la carcasa del producto, que pueden ser de la magnitud suficiente como para constituir un riesgo de descarga eléctrica a las personas. El símbolo de
exclamación dentro del triángulo equilátero quiere advertirle de la existencia de importantes instrucciones de manejo y mantenimiento (reparaciones) en los
documentos que se adjuntan con este aparato.
Instrucciones importantes de seguridad
1. Lea todo este manual de instrucciones antes de comenzar a usar la unidad.
2. Conserve estas instrucciones para cualquier consulta en el futuro.
3. Cumpla con todo lo indicado en las precauciones de seguridad.
4. Observe y siga todas las instrucciones del fabricante.
5. Nunca utilice este aparato cerca del agua o en lugares húmedos.
6. Limpie este aparato solo con un trapo suave y ligeramente humedecido.
7. No bloquee ninguna de las aberturas de ventilación. Instale este aparato de acuerdo a las instrucciones del fabricante.
8. No instale este aparato cerca de fuentes de calor como radiadores, calentadores, hornos u otros aparatos (incluyendo amplificadores) que produzcan calor.
9. No anule el sistema de seguridad del enchufe de tipo polarizado o con toma de tierra. Un enchufe polarizado tiene dos bornes, uno más ancho que el otro.
Uno con toma de tierra tiene dos bornes normales y un tercero para la conexión a tierra. El borne ancho o el tercero se incluyen como medida de seguridad.
Cuando el enchufe no encaje en su salida de corriente, llame a un electricista para que le cambie su salida anticuada.
10. Evite que el cable de corriente quede en una posición en la que pueda ser pisado o aplastado, especialmente en los enchufes, receptáculos y en el punto en
el que salen de la unidad.
11. Desconecte de la corriente este aparato durante las tormentas eléctricas o cuando no lo vaya a usar durante un periodo de tiempo largo.
12. Dirija cualquier posible reparación solo al servicio técnico oficial. Deberá hacer que su aparato sea reparado cuando esté dañado de alguna forma, como si
el cable de corriente o el enchufe están dañados, o si se han derramado líquidos o se ha introducido algún objeto dentro de la unidad, si esta ha quedado
expuesta a la lluvia o la humedad, si no funciona normalmente o si ha caído al suelo.
Instrucciones de seguridad / Istruzioni di Sicurezza
ATTENZIONE: per ridurre il rischio di incendio o di scariche elettriche, non esponete questo apparecchio a pioggia o umidità. Per ridurre il pericolo di scariche
elettriche evitate di rimuoverne il coperchio o il pannello posteriore. Non esistono all'interno dell'apparecchio parti la cui regolazione è a cura dell'utente. Per even-
tuale assistenza, fate riferimento esclusivamente a personale qualificato. Il fulmine con la punta a freccia all'interno di un triangolo equilatero avvisa l'utente della
presenza di "tensioni pericolose" non isolate all'interno dell'apparecchio, tali da costituire un possibile rischio di scariche elettriche dannose per le persone. Il punto
esclamativo all'interno di un triangolo equilatero avvisa l'utente della presenza di importanti istruzioni di manutenzione (assistenza) nella documentazione che
accompagna il prodotto.
Importanti Istruzioni di Sicurezza
1. Prima di usare l'apparecchio, vi preghiamo di leggerne per intero le istruzioni.
2. Conservate tali istruzioni per una eventuale consultazione futura.
3. Vi preghiamo di rispettare tutte le istruzioni di sicurezza.
4. Seguite tutte le istruzioni del costruttore.
5. Non usate questo apparecchio vicino ad acqua o umidità.
6. Pulite l'apparecchio esclusivamente con un panno asciutto.
7. Evitate di ostruire una qualsiasi delle aperture di ventilazione. Posizionatelo seguendo le istruzioni del costruttore.
8.
Non posizionatelo vicino a sorgenti di calore come radiatori, scambiatori di calore, forni o altri apparecchi (amplificatori compresi) in grado di generare calore.
9. Non disattivate la protezione di sicurezza costituita dalla spina polarizzata o dotata di collegamento a terra. Una spina polarizzata è dotata di due spinotti, uno
più piccolo ed uno più grande. Una spina dotata di collegamento a terra è dotata di due spinotti più un terzo spinotto di collegamento a terra. Questo terzo
spinotto, eventualmente anche più grande, viene fornito per la vostra sicurezza. Se la spina fornita in dotazione non si adatta alla vostra presa, consultate un
elettricista per la sostituzione della presa obsoleta.
10. Proteggete il cavo di alimentazione in modo che non sia possibile camminarci sopra né piegarlo, con particolare attenzione alle prese, ai punti di collegamento
e al punto in cui esce dall'apparecchio.
11. Staccate l'apparecchio dalla alimentazione in caso di temporali o tempeste o se non lo usate per un lungo periodo.
12. Per l'assistenza, fate riferimento esclusivamente a personale qualificato. È necessaria l'assistenza se l'apparecchio ha subito un qualsiasi tipo di danno, come
danni al cavo o alla spina di alimentazione, nel caso in cui sia stato versato del liquido o siano caduti oggetti al suo interno, sia stato esposto a pioggia o
umidità, non funzioni correttamente o sia stato fatto cadere.
Copyright 2008 - Samson Technologies Corp.
Printed March, 2008 v1.2
Samson Technologies Corp.
45 Gilpin Avenue
Hauppauge, New York 11788-8816
Phone: 1-800-3-SAMSON (1-800-372-6766)
Fax: 631-784-2201
www.samsontech.com
Table of Contents
Introduction . . . . . . . . . . . . . . . . . . . . . . . . . . . . . . . . . . . . . . . . . . .1
L2400 And L3200 Features . . . . . . . . . . . . . . . . . . . . . . . . . . . . . . . . .2
Controls And Functions . . . . . . . . . . . . . . . . . . . . . . . . . . . . . . . . 3 - 11
Input Channel Section . . . . . . . . . . . . . . . . . . . . . . . . . . . . . . . . . . .3
24 Bit Digital Effect Section . . . . . . . . . . . . . . . . . . . . . . . . . . . . . . . .6
Master Auxiliary Send Section . . . . . . . . . . . . . . . . . . . . . . . . . . . . . .7
Stereo Aux Return Input . . . . . . . . . . . . . . . . . . . . . . . . . . . . . . . . . .8
Meter Section . . . . . . . . . . . . . . . . . . . . . . . . . . . . . . . . . . . . . . . .9
Talkback Section. . . . . . . . . . . . . . . . . . . . . . . . . . . . . . . . . . . . . . 10
Group Output Section . . . . . . . . . . . . . . . . . . . . . . . . . . . . . . . . . . 10
Mono/subwoofer Output Section. . . . . . . . . . . . . . . . . . . . . . . . 10 - 11
Main Output Section . . . . . . . . . . . . . . . . . . . . . . . . . . . . . . . . . . . 11
L2400 And L3200 Input and Output Connections . . . . . . . . . . . . . . 12 - 13
Using The USB I/O . . . . . . . . . . . . . . . . . . . . . . . . . . . . . . . . . . . . . . 15
Getting Started With Windows XP . . . . . . . . . . . . . . . . . . . . . . . . . . 15
Getting Started With Mac OS X . . . . . . . . . . . . . . . . . . . . . . . . . . . . 16
Recording From The L Series’ USB I/O. . . . . . . . . . . . . . . . . . . . . . . . . 17
Playing Back From The L Series’ USB I/O . . . . . . . . . . . . . . . . . . . . . . . 17
L2400 And L3200 Wiring Guide . . . . . . . . . . . . . . . . . . . . . . . . . . . . . 18
Specifications . . . . . . . . . . . . . . . . . . . . . . . . . . . . . . . . . . . . . . 19 - 20
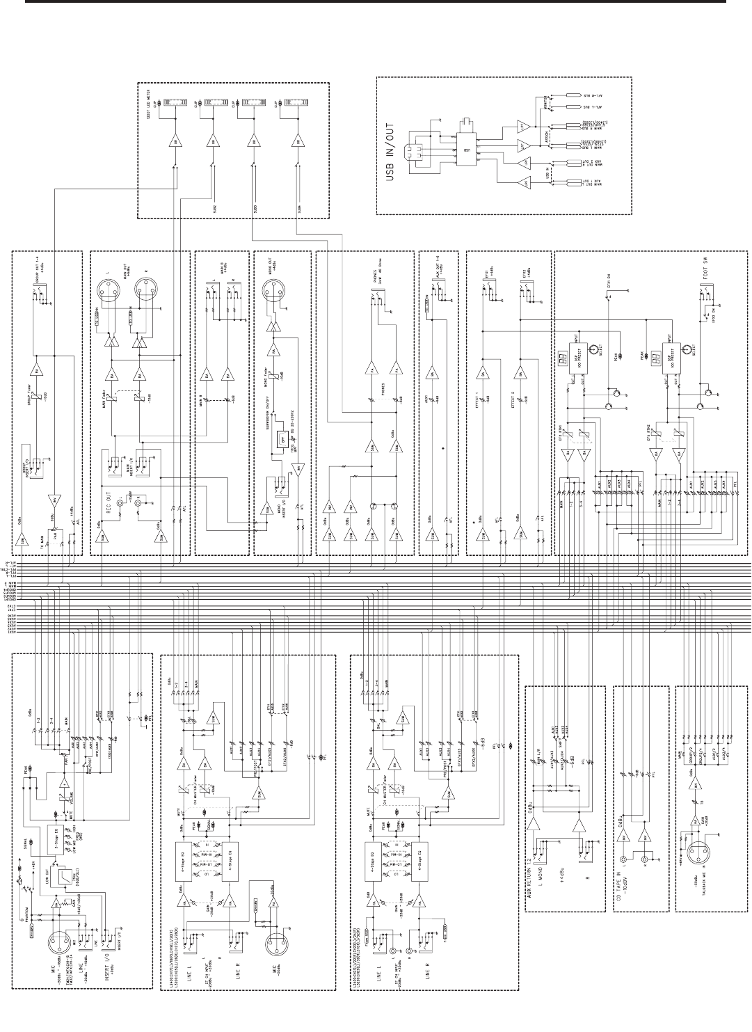
Block Diagram. . . . . . . . . . . . . . . . . . . . . . . . . . . . . . . . . . . . . . . . . 21

1
Congratulations on your purchase of the Samson
L2400 or L3200 mixing console! The L2400 and
L3200 are twenty-four and thirty-two channel,
true 4 bus consoles, with USB input and outputs
in ergonomically correct, attractively appointed
enclosures. The L Series include professional
features such as high quality mic pre amplifiers,
3-band, swept mid EQ, 100 mm faders and 6
auxiliary busses, with up to eight mixes possible.
Connecting all your microphones and instruments is
simple, with 16 mic/line inputs plus four additional
stereo channels on the L2400, and 24mic/line
inputs plus four additional stereo channels on the
L3200. In addition, each console has two extra mic
preamplifiers on the stereo channels, bringing the
total number of mic inputs to 18 on the L2400 and
26 on the L3200. There are also dedicated stereo
effects returns for the onboard digital effects. And
the effects! You can add one of 100 dazzling digital
studio quality effects, which include Delays, Chorus,
Flanging, and of course, lush Reverbs to your vocals
or instruments using the onboard 24-bit multi-
effects processor. It’s easy to dial up your favorite
effects preset with the large seven-segment LED
display. Need more effects? The L Series’ employs
two onboard 24-bit multi-effects processors. Plus,
the L Series mixers have extensive auxiliary busses,
allowing you to have complex combinations of
effects on all the channels, or two different effects
on different groups of channels. The auxiliary buses
are also extremely flexible when it comes to monitor
mixes and up to six simultaneous monitor mixes
are possible. The L series consoles also feature
a sophisticated onboard USB digital interface
allowing you to record and playback digital audio
from virtually any PC running most any recording
software. The flexible routing option lets you
assign the USB output to send the signal from the
Main stereo mix, or use the aux sends to record a
completely independent mix. The L2400 and L3200
will give you clean, clear sound reproduction thanks
to the advanced circuit topology, high quality
components, low noise microphone preamps and
super clean, low impedance mix bus design. The
super-tough steel construction ensures reliable,
high quality sound from venue-to-venue and
performance-to-performance day in, and night out.
Introduction
Perfectly suited for recording, live sound
reinforcement and commercial installations, the
L2400 and L3200 mixers are ideal solutions that
offer plenty of inputs, sweet sounding effects and
studio quality sound in a convenient package.
In these pages, you’ll find a detailed description
of the features of the L Series consoles, as well
as a guided tour through its control panel, step-
by-step instructions for its setup and use, and
full specifications. You’ll also find a warranty card
enclosed—please don’t forget to fill it out and mail
it in so that you can receive online technical support
and so we can send you updated information
about these and other Samson products in the
future. Also, be sure to check out our website (www.
samsontech.com) for complete information about
our full product line.
With proper care and adequate air circulation,
your L-Series mixer will operate trouble free for
many years. We recommend you record your serial
number in the space provided below for future
reference.
Serial number: _________________________
Date of purchase: _______________________
Should your unit ever require servicing, a Return
Authorization number (RA) must be obtained before
shipping your unit to Samson. Without this number,
the unit will not be accepted. Please call Samson
at 1-800-3SAMSON (1-800-372-6766) for a Return
Authorization number prior to shipping your unit.
Please retain the original packing materials and if
possible, return the unit in the original carton and
packing materials. If you purchased your Samson
product outside the United States, please contact
your local distributor for warranty information and
service.

2
2
L2400 and L3200 Features
The Samson L2400 and L3200 consoles are
comprehensive and great sounding making them
suitable for a variety of live sound and recording
applications. Here are some of their main features:
• The L2400 and L3200 are twenty four and thirty
two channel mixers in ergonomically correct,
table-top enclosures providing easy to see and
easy to operate front panel controls.
• Ample inputs, the L2400 has sixteen mic/line
inputs plus four stereo line inputs, while the L3200
features twenty four mic/line inputs plus four
stereo line inputs. Plus dedicated stereo returns
for the onboard effects.
• Two additional mic preamplifiers on the stereo
channels brings the total number of mic inputs to
18 on the L2400 and 26 on the L3200.
• On board, bi-directional USB interface for
recording to a computer based Hard disk system.
The Output routing can be selectedfrom MAIN
mix or AUX 1 - 2, and the Input routing can be
from the MAIN mix or last stereo channel.
• Custom designed, long throw (100mm) faders on
all channels, busses, mono and left and right main
outputs.
• The L series have two onboard 24-bit DSP (Digital
Signal Processor) multi-effects processors with
100 selectable presets offering dazzling studio
quality effects including Reverb, Delay, Chorus
and Flanging.
• The L Series mixers feature high-quality, low-noise
microphone pre-amplifiers that can accept signals
from most any standard microphone. Condenser
microphones are connected easily using the
available 48 Volt Phantom Power.
• Each of the L2400 and L3200’s mic / line channels
feature Gain control, Low Cut filter, a three-
band equalizer with variable mid-range control
enabling you to tailor the tonal response of each
input, and a convenient Insert Point jack to patch
in external effects.
• The L Series has 6 auxiliary sends. Two dedicated
pre -fader Aux sends for monitors, plus a second
pair of Aux sends that can be set up to be either a
monitor send or an effects send using the Pre/Post
switch, and two additional EFX sends for sending
to the dual internal multi-effects processors. For
added flexibility, the EFX sends can be routed to
the AUX 5-6 output instead of the internal effects
allowing you to set up 8 different aux mixes.
• Dedicated Mono/Subwoofer Output with variable
Low-pass Filter controlled by a 100mm long throw
fader.
• Two pairs of twelve segment LED Meters which
can be switched to display Main left and right
with AFL and PFL, or Groups 1 - 4 output levels.
• A comprehensive Talkback section including XLR
mic input with phantom power, Level control and
routing switches to Aux 1/2, Aux 3/4, Group 1/2,
Group 3/4 and Main mix outputs.
• The brilliant sound quality is achieved thanks
to the advanced circuit design, utilizing low-
noise operational amplifiers and low impedance
bussing.
• Durable steel enclosure is road tough insuring
reliable performance from night to night and
venue to venue.
• Three-year extended warranty.

3
Controls and Functions
INPUT CHANNEL SECTION
The following section details each part of the L2400
and L3200’s INPUT CHANNELS including the 3-BAND
EQ, the MONITOR and EFX sends, PAN, GAIN and
VOLUME controls.
1 – SIGNAL LED
The L2400 and L3200’s MIC/LINE pre-amp also
includes a SIGNAL LED which, when illuminated,
indicates that a signal is present at the input.
2 - GAIN Control Knob
The L2400 and L3200’s pre-amp stage has a variable
GAIN control with a range of -6 to -50dB on the MIC
input and +14 to -30dB on the LINE input.
3 - LOW CUT Switch
Each of the L Series’ channels include a LOW CUT (or
high pass) filter which rolls off the low frequencies
from 75Hz and below at the rate of 18dB per octave.
Auxiliary Buses ( 4 - 8 )
The L Series include several auxiliary signal paths,
or buses, that can be used to create independent
mixes for sending to the internal or external effects
processors, or to an external monitor system.
These buses start by sending the signal from each
individual channel, which is set with one of the
auxiliary control knobs. Then, the mix of all the
channels auxiliary level is ultimately sent to either
an internal effects processor, or to an output jack to
connect to an external effect or monitor system. To
help you control your effects and monitor mixes, the
L series has six auxiliary buses, with switching to give
you a possibility of 8 mixes.
PRE….? POST….? What’s That?
In order to operate your mixer correctly, it is
important to understand the concept of PRE and
POST fader sends. An auxiliary bus that is set up
as PRE Fader routes, or sends, the signal to its
output from a point in the channels’ circuit that is
electronically before the channel Fader. That means
the channel Fader has no effect on the PRE aux
level. A Pre Fader send is what you want to use for
a monitor mix, so when the level is changed for
the mix in the main PA speakers using the channel
Fader, the level in the monitor set by the aux control
knob remains the same. An auxiliary bus that is set
up as POST Fader routes, or sends, the signal to its
output from a point in the channels’ circuit that is
electronically after the channel Fader.
1
GAIN
LOW CUT
75Hz
18dB/OCT
PAN
PEAK
PFL
1-2
3-4
MAIN
SIGNAL
CH 1
CH
1
10
-10
-30
5
0
5
10
15
20
30
40
PRE /
POST
AUX 1
AUX 2
AUX 3
AUX 4
EFX 1
EFX 2
AUX 5
AUX 6
FREQ
Hz
LF
80
MF
HF
12K
800
100 8k
2
1
3
4
5
6
7
8
9
10
11
13
12
14
15
16
17
SIGNAL
BALANCE
GAIN
0
-30
-20
-10 +20
CH 17/18
CH
17/18
LO-MID
500
LF
80
HI-MID
3K
HF
12K
PRE /
POST
AUX 1
AUX 2
AUX 3
AUX 4
EFX 1
EFX 2
AUX 5
AUX 6
25/26
PEAK
PFL
1-2
3-4
MAIN
10
5
0
5
10
15
20
30
40
1 to 24 on the L3200
1 to 16 on the L2400
25/26 to 31/32 on the L3200
17/18 to 23/24 on the L3200
Mono Inputs Stereo Inputs

4
Controls and Functions
5
INPUT CHANNEL SECTION - continued
That means that the channel Fader also affects the
level of a POST aux send. A POST Auxiliary bus is
what you want to use (almost always) for sending
to an effects processor, either internal or external.
When using the POST aux sends, (while turning the
channel Fader up or down) the level of effects will
track the channel level correctly.
4 – AUX 1-2 Pre Fader Send
Each of the L series’ input channels include a pair
of Pre Fader Auxiliary sends; AUX 1-2 and their
control knobs adjust the amount of that channel’s
signal that is sent to the AUX 1-2 Output. The signal
feeding AUX 1-2 is sent before, or pre, the channel
Fader, so the channel Fader has no effect on the AUX
1-2 output levels. The AUX 1-2 busses are usually
used to create a separate mix for a floor monitor
system.
5 – AUX 3-4 – Pre/Post Fader
Each of the L series’ input channels include a pair
Auxiliary sends which can switch from Pre to Post
sends; AUX 3-4 and their control knobs adjust the
amount of that channel’s signal that is sent to the
AUX 3-4 Output. Aux 3-4 can be configured for pre
or post fader send using the PRE/POST switch (6).
The AUX 3-4 bus is usually used to create a separate
mix for a floor monitor system, but you can set the
Pre/Post switch to Post to use the send as en effects
bus to an external processor.
6- PRE/POST - switch
The PRE/POST switch is used to select the point that
the AUX 3-4 bus uses to send the signal. When the
PRE/POST switch is set to PRE, the signal feeding
AUX 3-4 is sent before the fader, so the channel
Fader has no effect on that level. This is the normal
setting when using AUX 3-4 as a monitor send.
When the PRE/POST switch is set to POST, the
signal feeding AUX 3-4 is sent after the fader, so the
channel Fader has an effect on that level, meaning
the Aux level tracks up and down with the channel
Fader. This is the normal setting for using AUX 3-4
as an effects send, since when you set the channel
loude,r you normally want the effect to get louder.
Channel Fader up or down the level of effects will
track the channel level correctly.
7 – EFX1-2 / AUX 5-6 - Post Fader Send
The L series provide high quality, 24 Bit digital
effects, and the level of effects can be set
6
7
independently on each channel. The channel’s EFX1-
2 knob controls the amount of signal that is sent to
each the two EFX bus feeding the two internal DSP
effect processors. For additional flexibility, the EFX1-
2 signal can also be sent to an external effect device
connected to the AUX 5-6 Output jacks located on
the rear panel jack field.
8 – AUX 5-6 - switch
The AUX 5-6 switch is used to select the point that
the EFX1-2 / AUX 5-6 uses to send the signal. When
a channel’s AUX 5-6 switch is set to on (down), the
signal from that channel is routed to the AUX 5-6
bus. This separate mix can be sent to an external
effect device connected to the AUX 5-6 jacks located
on the rear panel jack field.
9 - Channel Equalizer - Mono Channels
The L2400 and L3200 mic/line input channels
incorporate a 3-band, swept-mid equalizer
allowing you to adjust the high, mid-range, and
low frequencies independently on each channel.
The frequency centers, range of boost or cut, and
equalizer type for each band are described in the
following section:
HF (HIGH FREQUENCY) 12kHz +/- 15dB Shelving
type
The channel’s HIGH frequency response is flat when
the knob is in the “12:00” position. Rotating the
knob towards the right will boost the channel's high
frequency response at 12 kHz by 15dB, and rotating
it towards the left will cut the high frequency by
15dB.
MF (MID FREQUENCY) CUT & BOOST
The MF knob is used in conjunction with the
FREQ knob to create the tonal shape in the mid-
range frequency when using the mono channel’s
equalizers. You can adjust the frequency on the
mid-range control with the FREQ knob, and use the
MF control to either boost or cut that frequency by
plus or minus 15dB. The channel’s MID frequency
response is flat when the MF knob is in the “12:00”
position.
FREQ (MID FREQUENCY) Variable 100Hz – 8K
The FREQ is a control enabling you enhanced
capabilities in the tonal shaping of the input channel
signal. Thanks to the FREQ control, you have a
variable mid-range equalizer, allowing you to pin
point the exact frequency you want to boost or cut.
The MID SWEEP has a “fixed Q” of two octaves (the
amount, or width, of frequencies

5
Controls and Functions
INPUT CHANNEL SECTION - continued
around the center point that are effected by the MID
CUT & BOOST control) and can be set in a range from
100Hz to 8Khz.
LF (LOW FREQUENCY) 80Hz +/- 15dB shelving
type
The channel’s LOW frequency response is flat when
the knob is in the “12:00” position. Rotating the
knob towards the right will boost the channel's low
frequency response at 80 Hertz by 15dB, and rotating
it towards the left will cut the frequency by 15dB.
9 - Channel Equalizer - Stereo Channels
The L2400 and L3200 Stereo input channels feature
a 4-band equalizer allowing you to adjust the high,
mid, and low frequencies independently on each
channel. The stereo channel equalizer is laid out like
a mono input on the control panel input strip, but
internally, the equalizer is affecting a stereo signal
path. The channel’s frequency response is flat when
the knobs are in the “12:00” position. Rotating the
knob towards the right will boost the corresponding
frequency band by 15dB, and rotating it towards the
left will cut the frequency by 15dB. The frequency
centers, range of boost or cut, and equalizer type for
each band are as follows:
High: 12kHz +/- 15dB shelving type
High Mid: 3kHz +/- 15dB peaking type
Lo Mid: 500 kHz +/- 15dB peaking type
Low: 80Hz +/- 15dB shelving type
10 - PAN Control
The L2400 and L3200’s PAN control is used to place
or position the mono signal into the stereo main Left
and Right MIX bus. You can create a stereo image by
panning some input signals to the left and others
to the right. The L2400 and L3200’s PAN control is a
Power-Pan circuit, which includes a 3dB dip in the
center position. This is desirable since there’s a 3dB
increase in gain when the mono input signal is heard
in both the Left and Right MIX bus.
11 - MUTE switch
The Mono Input channels feature a large, backlit
MUTE switch allowing you to easily turn that channel
on or off. When MUTE switch is illuminated, the
channel is off. Conversely, when the backlight is off,
the channel is on.
12 – PEAK LED
The L2400 and L3200’s MIC/LINE pre-amp also
includes a PEAK LED which when illuminated,
indicates that the signal is peaking or overloading.
To reduce distortion, lower the GAIN control to keep
this LED from staying on.
13 - PFL (Pre Fader Listen) switch
The Mono Input channel’s PFL, or Pre Fader Listen
switch allows you to listen, or “solo” a channel or
group of channels in the headphones. When the
PFL switch is pressed down, the channel is assigned
to the solo bus and can be heard in headphones
plugged in to the PHONES connector located in
the front panel jack field. Since the signal is sent
pre fader, you can hear the signal regardless of the
position of the channel volume Fader. This allows
you to listen to a channel by itself: (let's say) to see
if an artist is out of tune, or to cue up a channel
without having to play it through the main PA
speakers.
14 - 1-2 Group Assign switch
The 1-2 Group assign switch is used to assign the
input channel to the 1-2 Group output bus.
Note: The Group output follows the channel’s PAN
control, so if a channel is panned all the way to the
left it will only feed Group Output 1. Conversely, if a
channel is panned all the way to the right, it will only
feed Group Output 2.
15 – 3-4 Group Assign switch
The 3-4 Group assign switch is used to assign the
input channel to the 3-4 Group output bus.
Note: The Group output follows the channel’s PAN
control so if a channel is panned all the way to the
left, it will only feed Group Output 3. Conversely, if a
channel is panned all the way to the right, it will only
feed Group Output 4.
16 –MAIN Assign switch
The MAIN assign switch is used to assign the input
channel to the left and right stereo bus outputs.
17- VOLUME - Fader Level Control
The VOLUME Fader control adjusts the level of each
mono input channel.

6
Controls and Functions
TO
AUX 1
TO
AUX 2
TO
AUX 3
TO
AUX 4
EFFECTS
00-09
PERFORMANCE
10-19
HALL REVERB
20-29
PLATE REVERB
30-39
SPRING REVERB
40-49
ECHO
50-59
FLANGE+VERB
60-69
CHORUS+VERB
70-79
ECHO+VERB
80-89
CHORUS
90-99
FLANGE
PROGRAM 1
TO
AUX 1
TO
AUX 2
TO
AUX 3
TO
AUX 4
00-09
PERFORMANCE
10-19
HALL REVERB
20-29
PLATE REVERB
30-39
SPRING REVERB
40-49
ECHO
50-59
FLANGE+VERB
60-69
CHORUS+VERB
70-79
ECHO+VERB
80-89
CHORUS
90-99
FLANGE
PROGRAM 2
RTN 1
EFX
1
RTN 2
EFX
2
5
0
5
PEAK
PFL
1-2
3-4
MAIN
10
10
15
20
30
40
5
0
5
PEAK
PFL
1-2
3-4
MAIN
10
10
15
20
30
40
18
19
20
21
22
23
24
25
26
27
28
29
30
31
32
24 BIT DIGITAL EFFECT SECTION 24BIT DIGITAL EFFECT SECTION
The L2400 and L3200 feature built-in, 24 Bit Digital Multi-
effects Processor(s) with 100 dazzling, studio quality
effects like Delay, Chorus, Flanging and lush Reverbs
including Halls, Plates and Rooms. In addition, there are
multi-effects presets that have two effects combined
together. For example, Delay and Reverb or Reverb and
Chorus, to name a few. The following section describes
the features control knobs and layout of the powerful on-
board digital Multi-effects section.
18 - Program Effects Display
The L Series mixers Multi-effects Processors feature a
dual digit, seven-segment numerical Effects Display for
showing the effects PROGRAM number from 00 - 99. You
will see the PROGRAM numbers change as you scroll
through the effects pre-set using the DSP SELECT control.
When the Effects Display shows two straight lines through
the center of each segment, the effects are turned off
and the EFX ON switch is in the out position. See section
number 25 below.
19 - Effect PROGRAM List
This section identifies the ten banks of built-in DSP
effects presets. The first bank of 10 presets have been
programmed with common effects for live performance,
and the following banks are set up in groups by the types
of effects.
20- SELECT control knob
The SELECT control knob is a continuously variable
encoder, or tweaker, that allows you to call up one of
the 100 built-in digital effects presets. Simply rotate the
SELECT knob to scroll through the preset programs using
the Effects Display to choose the effect number you want.
21 - TO AUX 1 - Effects Return to Aux 1 control knob
The TO AUX 1 control is used to adjust the level of the
effects from the built-in digital Multi-effect that’s being
sent to the AUX 1 monitor bus. This allows you to add the
DSP effects to the signal in your monitor speakers. Turn
this knob up if you want to hear the effect in the AUX 1
monitor mix.
22 – TO AUX 2 - Effects Return Control
The TO AUX 2 control is used to adjust the level of the
effects from the built-in digital Multi-effect being that’s
being sent to the AUX 2 monitor bus. This allows you
to add the DSP effects to the signal in your monitor
speakers. Turn this knob up if you want to hear the effect
in the AUX 3 monitor mix.
23 – TO AUX 3- Effects Return Control
The TO AUX 3 control is used to adjust the level of the
effects from the built-in digital Multi-effect being that’s
being sent to the AUX 2 monitor bus. This allows you
to add the DSP effects to the signal in your monitor
speakers. Turn this knob up if you want to hear the effect
in the AUX 3 monitor mix.

7
Controls and Functions
24BIT DIGITAL EFFECT SECTION - continued
24 – TO AUX 4- Effects Return Control
The TO AUX 4 control is used to adjust the level of the
effects from the built-in digital Multi-effect that’s being
sent to the AUX 4 monitor bus. This allows you to add the
DSP effects to the signal in your monitor speakers. Turn
this knob up if you want to hear the effect in the AUX 4
monitor mix.
25 – EFX ON switch
The EFX ON switch is used to turn the internal Digital
Effect on and off. The effects are by-passed when the
switch is in the out position and the Effects Display shows
two dashes.
26– PEAK - LED
The L2400 and L3200’s DSP section also includes a
PEAK LED which when illuminated, indicates that
the signal is peaking or overloading. To reduce
distortion, lower the EFX controls to keep this LED
from staying on.
27 - PFL EFX RTN 1 (Pre Fader Listen) - switch
The EFX RTN 1’s PFL, or Pre Fader Listen switch allows you
to listen, or “solo” the EFX 1 Return or group of channels
in the headphones. When a stereo input channel’s PFL
switch is pressed down, the EFX RTN 1 signal is assigned
to the solo bus and can be heard in headphones plugged
in to the PHONES connector located in the front panel
jack field. Since the signal is sent pre fader, you can hear
the signal regardless of the position of the EXF RTN 1
volume Fader. This allows you to listen a EFX RTN 1 by
itself: (let's say) to see if a reverb is long enough, or to cue
up an echo without having to play it through the main PA.
28 - 1-2 RTN1 Group Assign switch
The 1-2 Group assign switch is used to assign the
DSP RTN1 to the 1-2 Group output bus.
29 – 3-4 RTN 1 Group Assign switch
The 3-4 assign switch is used to assign the DSP RTN
1 to the 3-4 Group output bus.
30 –MAIN Assign switch
The MAIN assign switch is used to assign the DSP
RTN 1to the left and right stereo bus outputs.
31- RTN1 - Fader Level Control
The RTN1 Fader control adjusts the level of the DSP 1
effects in the MAIN left and right mix.
33 - AUX 1 - 8 Master Send Fader
Each of the L Series AUX 1-8 buses has a master con-
trol knob, which is used to adjust the overall level
of that AUX bus output. The Aux 1-8 signals from
mono and stereo input channels, along with the DSP
returns are mixed together and sent to the AUX 1-8
Output respectively. Use the AUX 1-8 level controls
to set the amount of signal being sent to Aux 1-8
Output.
34 - AUX 1 - 8 AFL switch
The AUX 1-8 master send output’s AFL, or After Fader
Listen switch allows you to listen, or “solo” an AUX
send in the headphones. When any the AUX 1-8 AFL
switch is pressed down, that Aux’s signal is assigned
to the solo bus and can be heard in headphones
plugged in to the PHONES connector located in the
front panel jack field. This allows you to listen to an
AUX send by itself, let’s say, to check that a signal is
not distorted before it gets to the power amplifier.
Since the signal is sent after the Aux 1 level fader,
you hear the signal with the added gain from the
AUX 1 Level control.
AFL
AFL
AFL
AFL
AFL
AFL
AFL
AFL
EFX 2
EFX 1
AUX 6
AUX 5
AUX 4
AUX 3
AUX 2
AUX 1
AUX SEND
33
34
Master Auxiliary Send Section
32 – Effect 2 control strip
Same as functions 18 – 31 for DSP Multi-effects number 2.

8
STEREO AUX RETURN Input
The L Series feature two additional STEREO AUX RETURN
inputs that can be used to return the outputs of the an
external effects processor, or to connect the output of
any stereo line level device. The STEREO AUX RETURN can
be routed to the MAIN mix, or to a pair of AUX outputs,
allowing you to send the signal to a monitor mix.
35 - AUX 1/AUX 3 - control knob
Each of the L Series STEREO AUX RETURN include an AUX
1 / AUX 3 control knob, which controls the amount of that
AUX RETURN’S signal that is sent to the AUX output. Use
the SHIFT switch (38) to select between AUX 1 and AUX 3.
The signal feeding AUX 1 / AUX 3 is sent before, or pre, the
channel Level control, so the channel Level has no effect
on the AUX 1 and AUX 3 level.
36 - AUX 2/AUX 4 - control knob
Each of the L Series STEREO AUX RETURN include an AUX
2 / AUX 4 control knob, which controls the amount of
that channel’s signal that is sent to the AUX output. Use
the SHIFT switch (38) to select between AUX 2 and AUX 4.
The signal feeding AUX 2/AUX 4 is sent before, or pre, the
channel Level control, so the channel Level has no effect
on the AUX 2 and AUX 4 level.
37 - MAIN – control knob
The L Series’ STEREO AUX RETURN MAIN control knob
is used to adjust the overall level of the STEREO AUX
RETURN to the MAIN left and right bus.
38 SHIFT - switch
You can use the SHIFT switch to select which pair of AUX
buses the STEREO AUX RETURN will feed. When the SHIFT
switch is in the up position, the STEREO AUX
RETURN feeds AUX1 / AUX2. When the SHIFT switch is in
the down position, the STEREO AUX RETURN feeds AUX3
/ AUX4.
39 - PFL switch
The STEREO AUX RETURN’s PFL, or Pre Fader Listen switch,
allows you to listen to, or “solo”, the STEREO AUX RETURN
in the headphones. When the stereo input channel’s PFL
switch is pressed down, the STEREO AUX RETURN signal is
assigned to the solo bus and can be heard in headphones
plugged in to the PHONES connector located in the front
panel jack field. Since the signal is sent pre fader, you can
hear the signal regardless of the position of the channel
Level control. This allows you to listen to a channel by
itself: (let's say), to check the reverb decay time, or to cue
up an echo without having to play it through the main PA
speakers.
40 -CD/TAPE – control
The L2400 and L3200 have a dedicated line level CD/TAPE
LEVEL input to connect a CD, Tape or MP3 player. The
CD/TAPE Level control is used to adjust the volume of the
signal connected to the CD/TAPE input.
41 - PFL switch
The CD/TAPE input channel’s PFL, or Pre Fader Listen
switch allows you to listen to, or “solo”, the CD/TAPE input
in the headphones. When the CD/TAPE input channel’s
PFL switch is pressed down, that channel’s signal is
assigned to the solo bus and can be heard in headphones
plugged in to the PHONES connector located in the front
panel jack field. Since the signal is sent pre fader, you can
hear the signal regardless of the position of the channel
Level control. This allows you to listen to a channel by
itself: (let's say), to cue up a song on a CD player without
having to play it through the main PA speakers.
PFL
STEREO
AUX RETURN
MAIN
AUX 1
SHIFT
1
AUX 2
35
38
39
36
37
Controls and Functions
LEVEL
CD /TAPE
PFL
40 41
LEVEL
PHONES
42
43
PFL
DEFEAT

9
Controls and Functions
42 - PHONES – control knob
This control adjusts the overall level of the
Headphone Output.
43 – PFL DEFEAT – switch
You can defeat all the channels in PFL by using the
PFL DEFEAT switch. When the switch is pressed
down it will illuminate, indicating the PFL and AFL
are temporarily turned off. At that point you will
hear the MAIN mix in the headphones until the PFL
DEFEAT is turned off and you will now hear the SOLO
bus again in the headphones.
USB I/O Section
The L series consoles incorporate a sophisticated
USB I/O with on board AD and DA converters
providing a digital audio path for connecting to a
PC running most any recording and/or playback
software. The INPUT and ASSIGN switch give you
added flexibility in routing the digital audio signal to
and from the PC.
44 – SEND – USB input send switch
The USB INPUT switch allows you to select one of
two stereo (or two channel) signal paths to feed the
USB output to send to the connected PC. When the
INPUT switch is in the up position, the USB signal will
feed from the MAIN left right mix. When the INPUT
switch is in the down position, the USB signal will
feed from the AUX 1 and AUX 2 buses which enables
you to create a unique mix to send to the PC.
45 – RETURN – USB return switch
The USB RETURN switch allows you to select one of
two stereo return paths to receive USB audio from
the connected PC. When the ASSIGN switch is in the
up position, the USB signal will return to the MAIN
mix bus. When the ASSIGN switch is in the down
position, the USB signal will return to the last pair
of stereo channels which enables you to playback a
recorded
46
44
45
track in the MAIN mix, and you can use the channels
AUX sends to feed any of the AUX buses. This will
let you hear the USB playback tracks in the monitor
mixes.
46 – MONITOR – USB headphone enable switch
Press the USB MONITOR switch down if you want
to hear the signal from the USB return in the
headphones.
Meter Section
47 - CLIP LEDs
The left and right CLIP LED’s illuminate when the
signal from the selected bus is beginning to reach
a level where distortion occurs. If the CLIP lights
stay on, your mix is too hot and you need to lower
the level control. It is okay for the PEAK light to
occasionally light, however they should go off
quickly and not stay on.
48 - LED VU METER
The OUTPUT LEVEL METER allows you to monitor
the level of the signal, which is being sent to the
MIX OUT jacks. Depending on the position of the
Meter select switch, the meters will display the MAIN
MIX with PFL and AFL, or display the level from the
GROUP 1–4 outputs.
49 - PFL/AFL LED - indicator
The LED will illuminate whenever any PFL or AFL
switch is pressed.
50 – Meter select switch
The Meter select switch allows you to configure the
Meters for MAIN MIX with PFL and AFL, or to display
the level from the GROUP 1–4 outputs. When the
METER select switch is up, the MAIN MIX, PFL and
AFL are displayed. When the METER select switch is
down, the GROUP output are displayed.
47
48
49
50

10
51 - PHANTOM POWER – switch
The PHANTOM POWER switch is used to activate
the phantom power on the microphone channels
enabling the use most any condenser microphone.
TALKBACK Section
The L2400 and L3200’s TALKBACK section provides
an XLR input with phantom power, allowing you
to connect most any microphone. By using the
TALKBACK assign switch, the sound engineer can
communicate with on-stage performers, crew and
even the audience using the AUX, GROUP and MAIN
outputs.
52 – TALKBACK ASSIGN – switches
Use these switches to assign the TALKBACK
microphone to the AUX, GROUP and MAIN outputs.
53 – TALKBACK Level - control knob
The TALKBACK Level control is used to control the
volume level of the TALKBACK microphone.
Group Output Section
54 – TO MAIN – switch
The TO MAIN switch is used to assign the GROUP to
the MAIN stereo mix. If you want to send the GROUP
mix to the stereo mix press the TO MAIN switch
down.
55 – PAN – control knob
If any GROUP is assigned to the MAIN mix, use the
PAN control to position the signal in the stereo field.
56 – AFL - switch
The GROUP 1-4 output’s AFL, or After Fader Listen
switch allows you to listen to, or “solo”, a GROUP
send in the headphones. When any of the GROUP
1-4 AFL switches are pressed down, that GROUP’s
signal is assigned to the solo bus and can be heard
in headphones plugged in to the PHONES connector
located in the front panel jack field. This allows you
to listen to a GROUP send by itself, let’s say, to check
that a signal is not distorted before it gets to the
connected power amplifier.
57 – Group Level - fader control
The Group level fader is used to control the overall
level of the GROUP mix.
MONO/SUBWOOFER Output Section
The L2400 and L3200 have a MONO output that
can be used to send to a secondary speaker zone.
You can also configure the MONO Output to drive a
subwoofer system by using the built-in variable Low
Pass Filter.
Controls and Functions
51
TO MAIN TO MAIN
GROUP 1 GROUP 2 GROUP 3 GROUP 4
PAN PAN
TO MAIN
PAN
TO MAIN
PAN
AFL AFL AFL AFL
5
0
5
10
10
15
20
30
40
5
0
5
10
10
15
20
30
40
5
0
5
10
10
15
20
30
40
5
0
5
10
10
15
20
30
40
54
55
56
57
MAIN
LEVEL
MIC
GROUP 3/4
GROUP 1/2
AUX 3/4
AUX 1/2
TALKBACK
53
52

11
MONO/SUBWOOFER Output Section - continued
58 - SUBWOOFER ON/OFF – switch
Used to engage the Low Pass Filter and turn the
MONO output into a subwoofer output.
59 - FREQUENCY – control knob
The L Series mixers have an onboard Low Pass Filter
to make it simple to connect a subwoofer. Use the
FREQUENCY control to adjust the crossover point
for the Low Pass Filter in a range of 20 Hz to 200 Hz.
The FREQUENCY control knob is active when the
SUBWOOFER ON/OFF switch is set to ON.
60 - AFL - switch
The MONO output’s AFL, or After Fader Listen switch
allows you to listen to, or “solo”, the MONO signal
in the headphones. When the MONO AFL switch
is pressed down, the left/right mix will be heard in
headphones plugged in to the PHONES connector
located in the front panel jack field. Since the signal
is sent after the MONO level fader, you hear the
signal with the added gain from the MONO Level
control.
61 - MONO - fader control
The MONO level fader control is used to adjust the
volume of the signal connected to the MONO/SUB
output.
ON/OFF
SUB
WOOFER
FREQUENCY
20Hz 200Hz
MONO
AFL
5
0
5
10
10
15
20
30
40
58
59
60
61
MAIN Output Section
62 - MAIN MIX B – control knob
The L Series mixers provide a second set of output
connectors carrying a duplicate of the MAIN MIX
signal for the purpose of feeding another speaker
zone or recorder. The MAIN MIX B control knob is
used to set the volume of the MAIN Mix B output.
63 - AFL (MAIN MIX) – switch
The MAIN MIX output’s AFL, or After Fader Listen
switch allows you to listen to, or “solo”, the MAIN MIX
in the headphones. When the MAIN MIX AFL switch
is pressed down, the left/right mix will be heard in
headphones plugged in to the PHONES connector
located in the front panel jack field. This allows you
to listen to the stereo mix , (let’s say), to check that
a signal is not distorted before it gets to the power
amplifier. Since the signal is sent after the MAIN MIX
level fader, you hear the signal with the added gain
from the MAIN MIX Level control.
64 - MAIN MIX (left and right) - Level fader
The MAIN MIX Level fader adjusts the level of MAIN
left and right stereo mix.
MAIN B
LEVEL
MAIN MIX
AFL
5
0
5
10
10
15
20
30
40
62
63
64
Controls and Functions

12
L2400 and L3200 Input and Output Connections
CHANNEL - MONO MIC/LINE INPUTS
The L Series mixers offer plenty of mono mic/line
and stereo line input channels, sixteen on the L2400
and twenty four on the L3200’s, for connecting a
variety of signal sources from microphones to line
level devices such as synthesizers, drum machines
and direct boxes. The mono mic/line inputs each
have a LINE level, Hi-Z (High Impedance) input, a
MIC level, Low-Z (Low Impedance) input; and an
Insert connector for effects. Both LINE and MIC
inputs are balanced, with MIC inputs compatible
with microphones of output impedance 50-600
Ohms and LINE inputs compatible with line level
devices of 600 Ohms. Following is a description of
the Mic/Line input connectors:
1 – INSERT - Send and Return jack
The L2400 and L3200 have a 1/4-inch, TRS (TIP/
RING/SLEEVE) Insert jack for connecting outboard
effects processors directly on the channel input. The
signal is sent on the tip (the Send) and returns on
the ring (the Return) of the connector.
2 – LINE - Line Level Input
Use these inputs to connect high impedance micro-
phones, synthesizers and drum machines. The LINE
inputs have a nominal operating level of -40dBV
through - 10dBV. TRS phone jack connector pin-out
- Sleeve: Ground, Tip: Hot (+), Ring: Cold (-)
NOTE: It is not possible to simultaneously use both
the LINE and MIC inputs on the same channel. For
each channel, use only one of the inputs as appro-
priate for the input source.
3 - MIC - Microphone Input
Use these inputs to connect Low Impedance micro-
phones and low-level signals from direct boxes.
The MIC inputs have a nominal operating level of
–50dBV through -20dBV. The MIC inputs also feature
+48V phantom power, allowing you to use condens-
er microphones. The Phantom Power is switched
LINE
INSERT
1
MIC
1
2
3
on/off simultaneously for channels 1 through 20(28).
XLR connector pin-out - Pin 1: Ground, Pin 2: Hot (+),
Pin 3: Cold (-)
Stereo Input Channels - 1/4-inch and XLR
Each of the L Series mixers has four stereo line level
input channels for connecting stereo signals like
those from CD or MP3 players, electronic keyboards,
drum machines and other line level signals. The first
two stereo inputs also include an extra mic pream-
plifier. Use these for connecting stereo signals like
those from CD or MP3 players, electronic keyboards,
drum machines and other line level signals. The
remaining stereo inputs have both 1/4-inch and RCA
connectors for connecting your gear. Following is a
description of the Mic/Line input connectors:
4 - Stereo Inputs - 1/4-inch jacks
The L2400 and L3200 have two pairs of 1/4-inch
jacks for connecting stereo line level sources. For
stereo inputs use the LINE L to connect the left chan-
nel and the LINE R to connect the right channel.
Use these inputs to connect high impedance micro-
phones, synthesizers and drum machines. The LINE
inputs have a nominal operating level of -40dBV
through - 10dBV. TRS phone jack connector pin-out
- Sleeve: Ground, Tip: Hot (+), Ring: Cold (-)
5 - XLR mic input
Use these inputs to connect Low Impedance micro-
phones and low-level signals from direct boxes.
The MIC inputs have a nominal operating level of
–50dBV through -20dBV. The MIC inputs also feature
+48V phantom power, allowing you to use condens-
er microphones. The Phantom Power is switched
on/off simultaneously for channels 1 through 20(28).
XLR connector pin-out - Pin 1: Ground, Pin 2: Hot (+),
Pin 3: Cold (-)
LINE 20
LINE 19
19/20
MIC
5
4

13
23/24
LINE 24
LINE 23
24
23
6
7
6 - Stereo Inputs - 1/4-inch jacks
The L Series second two stereo channels have 1/4-
inch jacks for connecting stereo line level sources.
For stereo inputs, use the LINE L to connect the left
channel and the LINE R to connect the right channel.
If you are using the inputs for a mono line input, use
the LINE L input, (channels 17 or 19 on the L2400
and channels 25 or 27 on the L3200), only so that
the signal feeds both the right and left Main mix bus.
Use these inputs to connect high impedance micro-
phones, synthesizers and drum machines. The LINE
inputs have a nominal operating level of -40dBV
through - 10dBV. TRS phone jack connector pin-out
- Sleeve: Ground, Tip: Hot (+), Ring: Cold (-)
7 - Stereo Inputs - RCA jacks
The L Series second two stereo channels also have
RCA connectors that accept signals from stereo line
devices. The RCA line level inputs have a nominal
operating level of -40dBV through - 10dBV.
Master Input and Output Section
The TXM mixer's Master Input and Output section
has the connectors for interfacing the FOOTSWITCH,
MAIN OUT, MAIN OUT B, MAIN INSERT POINTS,
GROUP OUTS, GROUP INSERT POINTS, and the AUX
OUT’s.
MONO OUT
FOOT SWITCH
INSERT
INSERT
GROUP OUT
MAIN OUT
MAIN B
INSERTINSERT INSERT
INSERT
INSERT
8
12
13
14 15
9
10
11
8 - MAIN OUT B - 1/4-inch jacks
In a live sound application, you can drive a second
speaker system using the MAIN OUT B outputs con-
nected to a power amplifier or powered speakers. In
a recording application, the MAIN OUT B outputs are
used to connect a stereo device such as computer
sound card, MP3, or cassette recorder. The signal at
the MAIN OUT jacks follows the MAIN OUT B level
control knob allowing you to set a different level
to the recorder. TR phone jack connector pin-out -
Sleeve: Ground, Tip: Hot (+).
9 – FOOTSWITCH - 1/4-inch jack
With a footswitch connected to this jack, you can
turn on and off the on-board digital effects by sim-
ply stepping on the footswitch.
10 - MAIN INSERT (Left and Right) - 1/4-inch Send
and Return jack
Send and return patch point on TRS (TIP/RING/
SLEEVE) jack for interfacing external effects proces-
sors on Left and Right MIX bus. The signal is sent on
the tip (the Send) and returns (the Return) on the
ring of the connector.
11 - MAIN OUT – XLR
In a live sound application, you can drive a speaker
system using the MAIN OUT outputs connected to a
power amplifier or powered speakers. The signal at
the MAIN OUT jacks follows the MAIN volume fader.
XLR connector pin-out - Pin 1: Ground, Pin 2: Hot (+),
Pin 3: Cold (-)
12 - MONO/SUB OUT- XLR
The Left and Right Mix outputs are summed
together and sent to the MONO/SUB output. The
volume of the Mono signal can be adjusted using
the MONO/SUB OUT level fader control and used to
feed a speaker zone in a fixed installation. For added
flexibility, the MONO/SUB OUT can be used to feed
a subwoofer using the onboard variable Low Pass
Filter. XLR connector pin-out - Pin 1: Ground, Pin 2:
Hot (+), Pin 3: Cold (-)
13 - MONO INSERT (Left and Right) - 1/4-inch
Send and Return jack
Send and return patch point on TRS (TIP/RING/
SLEEVE) jack for interfacing external effects proces-
sors on MONO MIX bus. The signal is sent on the tip
(the Send) and returns (the Return) on the ring of
the connector.
L2400 and L3200 Input and Output Connections

14
14 - GROUP OUT - XLR 1/4" jacks
In a live sound application, you can connect
additional zone speaker systems using GROUP OUT
outputs connected to a power amplifier or powered
speakers. The signal at the GROUP OUT jacks follows
the GROUP volume fader.TRS phone jack connector
pin-out - Sleeve: Ground, Tip: Hot (+), Ring: Cold (-)
15 - GROUP INSERT - 1/4-inch Send and Return
jack
Send and return patch point on TRS (TIP/RING/
SLEEVE) jack for interfacing external effects
processors on GROUP bus outputs. The signal is sent
on the tip (the Send) and returns (the Return) on the
ring of the connector.
16 – AUX RETURNS
The L2400 and L3200 have two pairs of 1/4-inch
jacks for connecting stereo line level sources like
those from the outputs of effects processors. The
LINE inputs have a nominal operating level of -
40dBV through - 10dBV. TRS phone jack connector
pin-out - Sleeve: Ground, Tip: Hot (+), Ring: Cold (-)
17 - AUX OUT (1 and 2) - 1/4-inch jacks
The signal present at the AUX 1and Aux 2 outputs
are sent from the AUX 1 and AUX 2 bus, which is
fed from the AUX 1 and AUX 2 control knobs on the
input channels. The AUX 1 and AUX 2 are normally
used as a MONITOR MIX bus in a live sound situation
by connecting the output to a power amp and
monitor speaker. TR phone jack connector pin-out
- Sleeve: Ground, Tip: Hot (+).
18 - CD/TAPE Inputs - RCA jacks
The L Series mixers feature a stereo line level input
on RCA connectors for connecting the output of
devices such as MP3, CD, computer soundcard,
cassette player, or any other line level device.
19 - Record Out - RCA jacks
The signal present at this connector is the MAIN bus
signal before it has passed through the MASTER
level control and graphic equalizer. The nominal
output level is -10dBV and the impedance is 100
Ohms.\
20 - EFX OUT 1 -2 - 1/4-inch jack
The EFX OUT 1 -2 output is used to send a signal
to an external signal processor such as a delay
or reverb. The signal present at the EFX OUT 1 -
2 output is sent from the EFX OUT 1 -2/EFX 1- 2
bus, which is fed from the EFX OUT 1 -2 /EFX 1- 2
bus send on the input channels. TRS phone jack
connector pin-out - Sleeve: Ground, Tip: Hot (+),
Ring: Cold (-)
21 – USB PORT Connect standard standard USB
cable here.
22– PHONES - 1/4-inch jack (front Panel)
Connect standard stereo headphone, 60 to 600
Ohms, here.
23 - USB BUS POWER – socket
Plug any USB bus powered lamp here.
L2400 and L3200 Input and Output Connections
CD/TAPE
IN
REC
OUT
1 2
3 4
5 6
1 2
AUX SEND
EFX OUT
AUX RETURN1 2
16 17
20
19
18
USB
21
PHONES
22
23

15
Using the USB I/O
The L series consoles have a built-in stereo USB
audio interface allowing you to record and playback
from a PC using virtually any digital recording
software. In addition, the L series consoles feature
powerful routing options that let you route your USB
digital recording and playback.
Connecting the L series to your computer is a simple
procedure that takes just a few minutes. Since the
L Series consoles are USB compliant, you can use
either a MAC or PC, connect the included USB cable
and plug IN and play. You will be able to control your
L series using the standard audio interface controls
in the MAC or Windows operating system. You will
find detailed instructions on setting up with MAC
OS and Windows in the following sections of this
manual.
Getting Started with Windows XP
1. The first time you plug the L series into a USB port,
Windows will install the universal drivers for that
port. A balloon tip will pop up, telling you it has
found the USB Audio codec (figure 1).
2. When it is finished installing the drivers, it will say
“Your new hardware is installed and ready to use”
(figure 2).
Note: This balloon will not pop up again for the same
USB port.
3. Most of the time, you’ll want the output volume
from the computer at the maximum position, but
sometimes it defaults to the middle of the slider,
making the output very quiet. The volume can be
increased in several ways. The simplest is to click the
loudspeaker icon (figure 3) in the system tray and
drag the slider to the top (figure 4).
4. If the icon is not there, the volume can be changed
by going to Control Panel and opening Sounds and
Audio Devices (figure 5).
Figure 1
Figure 2
Figure 3
Figure 4
Using the USB I/O
Figure 5

16
Getting Started with Windows XP - continued
5. To use the L Series as your default input/output
device (for system sounds and programs like Sound
Recorder), ensure that it is set for playback and
recording in the Audio tab (figure 6).
6. The volume can then be set by pressing the
Volume button (figure 7).
7. To prevent system sounds from coming through
the L Series, select a different sound card for the
system default, and then choose the L Series
manually within your DAW software.
Getting Started with MAC OS X
1. Connect the L Series console to your mac using
a standard USB cable. The LED will light to indicate
it is receiving USB power. The MAC will recognize
the USB audio device and automatically install a
universal driver.
Figure 7
2. To select the L SERIES as the computer's audio
input, open the System Preferences from the dock
or the main Apple Menu (figure 8).
3. Next open the Sound preference (figure 9).
4. Now, click in the Input tab and select USB Audio
Codec (figure 10). You may notice that the Volume
slider sets itself to the full level. This will allow you to
have full range using L Series’s hardware input level
controls.
USB AUDIO CODEC
Figure 9
Figure 8
Figure 10
Figure 6
Using the USB I/O

17
Getting Started with MAC OS X - continued
5. Next, click in the Output tab and select USB Audio
Codec (figure 11). You may notice that the Volume
slider sets itself to the full level. This will allow you
to have full range using L Series’ hardware MAIN
Volume control.
At this point you can begin using your L Series console
with most any audio recording software, but you need
to select it as an input and output device within the
DAW. When selecting the inputs and outputs just look
for and select the USB Audio Codec.
Recording from the L Series’ USB I/O
For recording a live performance, you can send the
MAIN Left and Right mix signal to the USB out for
recording exactly the same mix as you hear in the
sound system.
Be sure that the USB SEND switch is set to MAIN (up
position) to send the MAIN Left and Right mix to the
USB input.
The USB I/O is always active and it will send a stereo
signal based on the position on the USB SEND
switch. When the USB SEND switch is set to MAIN,
the signal sent to the computer will be comprised
of the input channels that are assigned to the MAIN
Left and Right Bus. The mix level follows the channel
FADER and the stereo image set by the channel’s
PAN control.
Figure 11
You can also assign the USB out to feed from the
AUX1 and AUX2 outputs enabling you to build a
stereo mix for recording that’s independent from
the house sound system.
Press the USB SEND switch down to send the AUX1
and AUX2 mix to the USB input.
Playing Back From the L Series’ USB I/O
Press the USB MONITOR switch down if you want to
hear the USB playback in the headphones.
For playback, you can return the USB stereo signal
directly into the Main left and right mix bus so that
the playback from the PC sums with the MAIN mix
on the console.
You can also use the USB RETURN switch TO route
the signal from the USB output to the last stereo
channels.
To hear the USB playback in the MAIN mix, be
sure that the USB SEND switch is set to MAIN (up
position).
For added flexibility, you can assign the USB stereo
playback signal to the last stereo channels (23/24
on the L2400 and 31/32 on the L3200). This gives
you the ability to mix the signal in the MAIN mix,
and also, you can assign to the Auxiliary sends and
Bus outputs so you can mix the playback in floor
monitors or isolate the playback to a mix zone.
Press the USB RETURN switch down to return the
USB input to the last stereo input.
Using the USB I/O

18
L2400 and L3200 Wiring Guide
Unbalanced 1/4” Connector
XLR Balanced Wiring Guide
CONNECTING THE L2400 and L3200
There are several ways to interface the L2400 and L3200 to support a variety of applications. The L2400 and L3200 fea-
ture balanced inputs and outputs, so connecting balanced and unbalanced signals is possible.
Balanced TRS 1/4” Connector
1/4” Insert Cable

19
Specifications
Maximum Output Level
(0.5% T.H.D at 1kHz)
+24dB(MAIN L/R) @10k +20dB(GROUP, AUX/EFX, CTRL ROOM) @10k
+20dB(INSERT) @10k More than 100mW(HEADPHONES) @33
T.H.D
<0.1% @+14dB 20Hz ~ 20kHz (MAIN L/R, GROUP, AUX /EFX SEND) @10k
Frequency Response
20Hz ~ 20kHz, +1/-2dB (MIX L/R, GROUP, AUX /EFX SEND) @10k
-128dBu
equivalent input noise ( Rs=150 )
-95dBu
Residual noise (MAIN L/R, MONO, MAIN B, GROUP, AUX ,EFX OUT)
-83dBu
MAIN, MONO, GROUP * Master fader at nominal level and all channel fader
Minimum.
Hum and Noise
Input GAIN=Maximum
Input sensitivity
-50dBu
-76dBu
AUX Master control at nominal level and all channel control Minimum.
Maximum Voltage Gain
74dB MIC IN TO MAIN L/R, GROUP, MONO
66dB MIC IN TO AUX (PRE)
76dB MIC IN TO AUX (POST) / EFX SEND
52.2dB MIC IN TO REC L/R
54dB LINE IN TO Main L/R, GROUP, MONO
46dB LINE IN TO AUX (PRE)
56dB LINE IN TO AUX (POST) / EFX SEND
44dB ST IN TO MAIN L/R, GROUP, MONO
16dB AUX RETURN IN TO MAIN L/R
27.8dB TAPE IN TO MAIN L/R
Crosstalk (at 1kHz)
-70dB between input channels
-70dB between input/output channels (CH INPUT)
Gain Control(mono Input
Channel)
44dB Variable (-50dB ~ -6dB), (-30dB ~ +14dB)
Gain (stereo Input CH)
40dB Variable (-20dB ~ +20dB)
High Pass Filter
75Hz, 18 dB/Octave
Input Channel
Equalization
HIGH: 12kHz shelving 15 dB
MID : 100~8kHz peaking 15 dB
LOW: 80Hz shelving 15 dB
Input Channel
Equalization
HIGH: 12kHz shelving 15 dB
HI- MID : 3kHz peaking 15 dB
LO-MID : 500Hz peaking 15 dB
LOW: 80Hz shelving 15 dB
LED Meters
12-point LEDx2 MAIN L/R, PFL/AFL,GROUP(1~4)
2 x 24 BIT DSP, 100 selectable presets
Internal Digital Eects
FOOT switch (ON/OFF)
Channel Indicators
Peak: An indicator for each channel turns on when the pre-channel fader signal is 5dB
below clipping.
Phantom Power
+48V DC
USB Bus Power
+5V DC 0.5A max USB A-TYPE FEMALE
Power Source/Power
Consumption
AC 120V/230V/240V, 50/60Hz L2400:60W, L3200: 75W
Weight
L2400 : 35.6 lb. (16.2kg), L3200 : 40 lb. (18.1kg)
Dimensions
L2400 : 31.5” (W) x 21” (D) x 6.25” (H) / 798(W) x 533(D) x 162(H)mm,
L3200 : 40.4” (W) x 21” (D) x 6.25” (H) / 1014(W) x 533(D) x 162(H)mm
Where 0dBu= 0.775V and 0dBV=1V
Measured with 12.7kHz, -6dB/oct. low pass lter

20
Specifications
- Input Specications
Input Connector
Input
Impedance
Nominal Load
Impedance
Rated Input
Level
Connector Type
CH Mic
4k
50 ~ 600
-50dBu
XLR Type Balanced
CH Line
10k
600
-30dBu
Phone Jack (TRS) T = Hot R =
Cold S = GND
Stereo Input Mic
3k
600
-50dBu
XLR Type Balanced
Stereo Input
5k
600
-20dBu
Unbalanced Phone Jack
Mono Channel Insert Input
10k
600
+0dBu
Unbalanced Phone Jack
Mono Channel Insert Input
10k
600
0dBu
Phone Jack (TRS) T = Out R =
In S = GND
RETURN
10k
600
+4dBu
Unbalanced Phone Jack
TALK BACK
3k
50-600
-50dBu
XLR Type Balanced
Tape In
10k
600
-10dBV
RCA pin Jack
- Output Specications
Output Connector
Output
Impedance
Nominal Load
Impedance
Rated Output
Level
Connector type
MAIN L/R
200
600
+4dBu
XLR-3-32 type(balanced)
GROUP
150
600
+4dBu
Phone Jack (TRS)
Impedance balanced
[T: hot ; R: cold; S: ground]
Aux Send
75
10k
+4dBu
Phone Jack (TRS)
Impedance balanced
[T: hot ; R: cold; S: ground]
CH INSERT OUT
100
10k
0dBu
Phone Jack (TRS)T = Out R = In S = GND
Main L/R INSERT OUT
GROUP INSERT OUT
(1~4)
100
10k
0dBu
Phone Jack (TRS) T = Out R = In S = GND
Rec Out
600
10k
-10dBV
RCA pin Jack
Phones Out
100
33
100mW
Stereo Phone Jack
* Specications and design subject to change without notice.

21
Block Diagram

22
Notes

Samson Technologies Corp.
45 Gilpin Avenue
Hauppauge, New York 11788-8816
Phone: 1-800-3-SAMSON (1-800-372-6766)
Fax: 631-784-2201
www.samsontech.com