Samson Portable Pa System Xp308I Users Manual
XP308i to the manual 8295fe74-3acf-4062-a72b-52ee7d412324
2015-02-02
: Samson Samson-Samson-Portable-Pa-System-Xp308I-Users-Manual-444585 samson-samson-portable-pa-system-xp308i-users-manual-444585 samson pdf
Open the PDF directly: View PDF
.
Page Count: 20

300 PORTABLE PA SYSTEM
WITH iPod DOCK
XP308i
Portable PA System
MP3

Safety Instructions/Consignes de sécurité/Sicherheitsvorkehrungen
ACHTUNG: Um die Gefahr eines Brandes oder Stromschlags zu verringern, sollten Sie dieses Gerät weder Regen noch Feuchtigkeit aussetzen.Um die Gefahr eines
Stromschlags zu verringern, sollten Sie weder Deckel noch Rückwand des Geräts entfernen. Im Innern befinden sich keine Teile, die vom Anwender gewartet
werden können. Überlassen Sie die Wartung qualifiziertem Fachpersonal.Der Blitz mit Pfeilspitze im gleichseitigen Dreieck soll den Anwender vor nichtisolierter
“gefährlicher Spannung” im Geräteinnern warnen. Diese Spannung kann so hoch sein, dass die Gefahr eines Stromschlags besteht. Das Ausrufezeichen im gleich-
seitigen Dreieck soll den Anwender auf wichtige Bedienungs- und Wartungsanleitungen aufmerksam machen, die im mitgelieferten Informationsmaterial näher
beschrieben werden.
Wichtige Sicherheitsvorkehrungen
1. Lesen Sie alle Anleitungen, bevor Sie das Gerät in Betrieb nehmen.
2. Bewahren Sie diese Anleitungen für den späteren Gebrauch gut auf.
3. Bitte treffen Sie alle beschriebenen Sicherheitsvorkehrungen.
4. Befolgen Sie die Anleitungen des Herstellers.
5. Benutzen Sie das Gerät nicht in der Nähe von Wasser oder Feuchtigkeit.
6. Verwenden Sie zur Reinigung des Geräts nur ein feuchtes Tuch.
7. Blockieren Sie keine Belüftungsöffnungen. Nehmen Sie den Einbau des Geräts nur entsprechend den Anweisungen des Herstellers vor.
8. Bauen Sie das Gerät nicht in der Nähe von Wärmequellen wie Heizkörpern, Wärmeklappen, Öfen oder anderen Geräten (inklusive Verstärkern) ein, die Hitze
erzeugen.
9. Setzen Sie die Sicherheitsfunktion des polarisierten oder geerdeten Steckers nicht außer Kraft. Ein polarisierter Stecker hat zwei flache, unterschiedlich breite
Pole. Ein geerdeter Stecker hat zwei flache Pole und einen dritten Erdungsstift. Der breitere Pol oder der dritte Stift dient Ihrer Sicherheit. Wenn der vorhan-
dene Stecker nicht in Ihre Steckdose passt, lassen Sie die veraltete Steckdose von einem Elektriker ersetzen.
10. Schützen Sie das Netzkabel dahingehend, dass niemand darüber laufen und es nicht geknickt werden kann. Achten Sie hierbei besonders auf Netzstecker,
Mehrfachsteckdosen und den Kabelanschluss am Gerät.
11. Ziehen Sie den Netzstecker des Geräts bei Gewittern oder längeren Betriebspausen aus der Steckdose.
12. Überlassen Sie die Wartung qualifiziertem Fachpersonal. Eine Wartung ist notwendig, wenn das Gerät auf irgendeine Weise, beispielsweise am Kabel oder
Netzstecker beschädigt wurde, oder wenn Flüssigkeiten oder Objekte in das Gerät gelangt sind, es Regen oder Feuchtigkeit ausgesetzt war, nicht mehr wie
gewohnt betrieben werden kann oder fallen gelassen wurde.
WARNING: To reduce the risk of fire or electric shock, do not expose this unit to rain or moisture. To reduce the hazard of electrical shock, do not remove cover or
back. No user serviceable parts inside. Please refer all servicing to qualified personnel.The lightning flash with an arrowhead symbol within an equilateral triangle,
is intended to alert the user to the presence of uninsulated "dangerous voltage" within the products enclosure that may be of sufficient magnitude to constitute
a risk of electric shock to persons. The exclamation point within an equilateral triangle is intended to alert the user to the presence of important operating and
maintenance (servicing) instructions in the literature accompanying the product.
Important Safety Instructions
1. Please read all instructions before operating the unit.
2. Keep these instructions for future reference.
3. Please heed all safety warnings.
4. Follow manufacturers instructions.
5. Do not use this unit near water or moisture.
6. Clean only with a damp cloth.
7. Do not block any of the ventilation openings. Install in accordance with the manufacturers instructions.
8. Do not install near any heat sources such as radiators, heat registers, stoves, or other apparatus (including amplifiers) that produce heat.
9. Do not defeat the safety purpose of the polarized or grounding-type plug. A polarized plug has two blades with one wider than the other. A grounding type
plug has two blades and a third grounding prong. The wide blade or third prong is provided for your safety. When the provided plug does not fit your outlet,
consult an electrician for replacement of the obsolete outlet.
10. Protect the power cord from being walked on and pinched particularly at plugs, convenience receptacles and at the point at which they exit from the unit.
11. Unplug this unit during lightning storms or when unused for long periods of time.
12. Refer all servicing to qualified personnel. Servicing is required when the unit has been damaged in any way, such as power supply cord or plug damage, or if
liquid has been spilled or objects have fallen into the unit, the unit has been exposed to rain or moisture, does not operate normally, or has been dropped.
ATTENTION: Pour éviter tout risque d’électrocution ou d’incendie, ne pas exposer cet appareil à la pluie ou à l’humidité. Pour éviter tout risque d’électrocution, ne
pas ôter le couvercle ou le dos du boîtier. Cet appareil ne contient aucune pièce remplaçable par l'utilisateur. Confiez toutes les réparations à un personnel qualifié.
Le signe avec un éclair dans un triangle prévient l’utilisateur de la présence d’une tension dangereuse et non isolée dans l’appareil. Cette tension constitue un
risque d’électrocution. Le signe avec un point d’exclamation dans un triangle prévient l’utilisateur d’instructions importantes relatives à l’utilisation et à la mainte-
nance du produit.
Consignes de sécurité importantes
1. Veuillez lire toutes les instructions avant d’utiliser l’appareil.
2. Conserver ces instructions pour toute lecture ultérieure.
3. Lisez avec attention toutes les consignes de sécurité.
4. Suivez les instructions du fabricant.
5. Ne pas utiliser cet appareil près d’une source liquide ou dans un lieu humide.
6. Nettoyez l’appareil uniquement avec un tissu humide.
7. Veillez à ne pas obstruer les fentes prévues pour la ventilation de l’appareil. Installez l’appareil selon les instructions du fabricant.
8. Ne pas installer près d’une source de chaleur (radiateurs, etc.) ou de tout équipement susceptible de générer de la chaleur (amplificateurs de puissance par
exemple).
9. Ne pas retirer la terre du cordon secteur ou de la prise murale. Les fiches canadiennes avec polarisation (avec une lame plus large) ne doivent pas être modi-
fiées. Si votre prise murale ne correspond pas au modèle fourni, consultez votre électricien.
10. Protégez le cordon secteur contre tous les dommages possibles (pincement, tension, torsion,, etc.). Veillez à ce que le cordon secteur soit libre, en particulier à
sa sortie du boîtier.
11. Déconnectez l’appareil du secteur en présence d’orage ou lors de périodes d’inutilisation prolongées.
12. Consultez un service de réparation qualifié pour tout dysfonctionnement (dommage sur le cordon secteur, baisse de performances, exposition à la pluie, pro-
jection liquide dans l’appareil, introduction d’un objet dans le boîtier, etc.).

PRECAUCION: Para reducir el riesgo de incendios o descargas, no permita que este aparato quede expuesto a la lluvia o la humedad. Para reducir el riesgo de
descarga eléctrica, nunca quite la tapa ni el chasis. Dentro del aparato no hay piezas susceptibles de ser reparadas por el usuario. Dirija cualquier reparación al
servicio técnico oficial. El símbolo del relámpago dentro del triángulo equilátero pretende advertir al usuario de la presencia de “voltajes peligrosos” no aislados
dentro de la carcasa del producto, que pueden ser de la magnitud suficiente como para constituir un riesgo de descarga eléctrica a las personas. El símbolo de
exclamación dentro del triángulo equilátero quiere advertirle de la existencia de importantes instrucciones de manejo y mantenimiento (reparaciones) en los
documentos que se adjuntan con este aparato.
Instrucciones importantes de seguridad
1. Lea todo este manual de instrucciones antes de comenzar a usar la unidad.
2. Conserve estas instrucciones para cualquier consulta en el futuro.
3. Cumpla con todo lo indicado en las precauciones de seguridad.
4. Observe y siga todas las instrucciones del fabricante.
5. Nunca utilice este aparato cerca del agua o en lugares húmedos.
6. Limpie este aparato solo con un trapo suave y ligeramente humedecido.
7. No bloquee ninguna de las aberturas de ventilación. Instale este aparato de acuerdo a las instrucciones del fabricante.
8. No instale este aparato cerca de fuentes de calor como radiadores, calentadores, hornos u otros aparatos (incluyendo amplificadores) que produzcan calor.
9. No anule el sistema de seguridad del enchufe de tipo polarizado o con toma de tierra. Un enchufe polarizado tiene dos bornes, uno más ancho que el otro.
Uno con toma de tierra tiene dos bornes normales y un tercero para la conexión a tierra. El borne ancho o el tercero se incluyen como medida de seguridad.
Cuando el enchufe no encaje en su salida de corriente, llame a un electricista para que le cambie su salida anticuada.
10. Evite que el cable de corriente quede en una posición en la que pueda ser pisado o aplastado, especialmente en los enchufes, receptáculos y en el punto en
el que salen de la unidad.
11. Desconecte de la corriente este aparato durante las tormentas eléctricas o cuando no lo vaya a usar durante un periodo de tiempo largo.
12. Dirija cualquier posible reparación solo al servicio técnico oficial. Deberá hacer que su aparato sea reparado cuando esté dañado de alguna forma, como si
el cable de corriente o el enchufe están dañados, o si se han derramado líquidos o se ha introducido algún objeto dentro de la unidad, si esta ha quedado
expuesta a la lluvia o la humedad, si no funciona normalmente o si ha caído al suelo.
Instrucciones de seguridad / Istruzioni di Sicurezza
ATTENZIONE: per ridurre il rischio di incendio o di scariche elettriche, non esponete questo apparecchio a pioggia o umidità. Per ridurre il pericolo di scariche
elettriche evitate di rimuoverne il coperchio o il pannello posteriore. Non esistono all'interno dell'apparecchio parti la cui regolazione è a cura dell'utente. Per even-
tuale assistenza, fate riferimento esclusivamente a personale qualificato. Il fulmine con la punta a freccia all'interno di un triangolo equilatero avvisa l'utente della
presenza di "tensioni pericolose" non isolate all'interno dell'apparecchio, tali da costituire un possibile rischio di scariche elettriche dannose per le persone. Il punto
esclamativo all'interno di un triangolo equilatero avvisa l'utente della presenza di importanti istruzioni di manutenzione (assistenza) nella documentazione che
accompagna il prodotto.
Importanti Istruzioni di Sicurezza
1. Prima di usare l'apparecchio, vi preghiamo di leggerne per intero le istruzioni.
2. Conservate tali istruzioni per una eventuale consultazione futura.
3. Vi preghiamo di rispettare tutte le istruzioni di sicurezza.
4. Seguite tutte le istruzioni del costruttore.
5. Non usate questo apparecchio vicino ad acqua o umidità.
6. Pulite l'apparecchio esclusivamente con un panno asciutto.
7. Evitate di ostruire una qualsiasi delle aperture di ventilazione. Posizionatelo seguendo le istruzioni del costruttore.
8.
Non posizionatelo vicino a sorgenti di calore come radiatori, scambiatori di calore, forni o altri apparecchi (amplificatori compresi) in grado di generare calore.
9. Non disattivate la protezione di sicurezza costituita dalla spina polarizzata o dotata di collegamento a terra. Una spina polarizzata è dotata di due spinotti, uno
più piccolo ed uno più grande. Una spina dotata di collegamento a terra è dotata di due spinotti più un terzo spinotto di collegamento a terra. Questo terzo
spinotto, eventualmente anche più grande, viene fornito per la vostra sicurezza. Se la spina fornita in dotazione non si adatta alla vostra presa, consultate un
elettricista per la sostituzione della presa obsoleta.
10. Proteggete il cavo di alimentazione in modo che non sia possibile camminarci sopra né piegarlo, con particolare attenzione alle prese, ai punti di collegamento
e al punto in cui esce dall'apparecchio.
11. Staccate l'apparecchio dalla alimentazione in caso di temporali o tempeste o se non lo usate per un lungo periodo.
12. Per l'assistenza, fate riferimento esclusivamente a personale qualificato. È necessaria l'assistenza se l'apparecchio ha subito un qualsiasi tipo di danno, come
danni al cavo o alla spina di alimentazione, nel caso in cui sia stato versato del liquido o siano caduti oggetti al suo interno, sia stato esposto a pioggia o
umidità, non funzioni correttamente o sia stato fatto cadere.
Copyright 2009 - Samson Technologies Corp.
Printed March, 2009 v1.1
Samson Technologies Corp.
45 Gilpin Avenue
Hauppauge, New York 11788-8816
Phone: 1-800-3-SAMSON (1-800-372-6766)
Fax: 631-784-2201
www.samsontech.com
Table of Contents
Introduction. . . . . . . . . . . . . . . . . . . . . . . . . . . . . . . . . . . . . . . . . . . . . . . . . . . . . . . . . . . . 1
XP308i Features . . . . . . . . . . . . . . . . . . . . . . . . . . . . . . . . . . . . . . . . . . . . . . . . . . . . . . . . . 2
XP308i Speaker Layout . . . . . . . . . . . . . . . . . . . . . . . . . . . . . . . . . . . . . . . . . . . . . . . . . . . . . 3
XP308i Front View Layout . . . . . . . . . . . . . . . . . . . . . . . . . . . . . . . . . . . . . . . . . . . . . . . . . . . 3
XP308i Quick Start. . . . . . . . . . . . . . . . . . . . . . . . . . . . . . . . . . . . . . . . . . . . . . . . . . . . . . . . 4
Speaker Placement . . . . . . . . . . . . . . . . . . . . . . . . . . . . . . . . . . . . . . . . . . . . . . . . . . . . . . . 5
XP308i Mixer Layout . . . . . . . . . . . . . . . . . . . . . . . . . . . . . . . . . . . . . . . . . . . . . . . . . . . . . 6-7
Operating the XP308i. . . . . . . . . . . . . . . . . . . . . . . . . . . . . . . . . . . . . . . . . . . . . . . . . . . . 8-10
Setting up The XP308i system . . . . . . . . . . . . . . . . . . . . . . . . . . . . . . . . . . . . . . . . . . . . . . 8
Connecting Microphones And Instruments . . . . . . . . . . . . . . . . . . . . . . . . . . . . . . . . . . . . . 8
Using The Reverb Effect . . . . . . . . . . . . . . . . . . . . . . . . . . . . . . . . . . . . . . . . . . . . . . . . . . 9
Using Monitor Speakers.. . . . . . . . . . . . . . . . . . . . . . . . . . . . . . . . . . . . . . . . . . . . . . . . . . 9
Using The iPod Docking Station . . . . . . . . . . . . . . . . . . . . . . . . . . . . . . . . . . . . . . . . . . . . 10
Recording Your Performance From The Xp308i . . . . . . . . . . . . . . . . . . . . . . . . . . . . . . . . . . 10
Configuring the XP308i for Carry Case . . . . . . . . . . . . . . . . . . . . . . . . . . . . . . . . . . . . . . . . . . 11
XP308i System Set-up . . . . . . . . . . . . . . . . . . . . . . . . . . . . . . . . . . . . . . . . . . . . . . . . . . . . 12
XP308i Wiring Guide . . . . . . . . . . . . . . . . . . . . . . . . . . . . . . . . . . . . . . . . . . . . . . . . . . . . . 13
Specifications. . . . . . . . . . . . . . . . . . . . . . . . . . . . . . . . . . . . . . . . . . . . . . . . . . . . . . . . . . 14
Block Diagram . . . . . . . . . . . . . . . . . . . . . . . . . . . . . . . . . . . . . . . . . . . . . . . . . . . . . . . . . 15

11
Introduction
Thank you for purchasing the Expedition XP308i
portable PA system from Samson! The XP308i
features a compact 8-channel mixer with 300
watts of onboard power and dual 2-way speakers,
making it an ideal solution for a variety of small to
medium size PA applications. A clean, clear sound
is produced thanks to the high quality components
and cleaver electronic design. Plus, the XP308i is
extremely portable since all the system components
connect together to create a small, easy to move
single unit. While the system is small and portable,
it also boasts many professional features. The 8-
channel mixer can be removed from the speaker for
tabletop use. The XP308i gives you plenty of inputs.
It features 4 inputs for connecting microphones,
plus two inputs for connecting stereo signals like
those from a CD player or electronic keyboard
There’s also a built-in digital effects processor to
add to reverb to your voice. For music playback,
the XP308i feature an convenient iPod dock. The
mixer also provides a robust output with 300
watts of total power from the lightweight, Class D
amplifier section. The XP308i employs a matched
speaker system with dual 2-way enclosures that
have proprietary 8-inch woofers and 1-inch
titanium tweeters. To help project the sound
to larger audience, the XP308i speakers can be
mounted on standard speaker stands, with no
additional adapters, thanks to the integral pole
mount receptacles. The XP308i is constructed using
durable ABS, high impact plastic making it super
road tough, and at the same time, lightweight.
If you need a PA sound system or coffee houses,
small clubs, schools, trade show, county fair, office
cafeteria or house of worship the Expedition XP308i
is the ideal solution delivery high quality sound in
an extremely portable, easy to move package.
In these pages, you’ll find a detailed description
of the features of the XP308i PA system, as well
as a description of its front and rear panels, step-
by-step instructions for its setup and use, and
full specifications. You’ll also find a warranty card
enclosed—please don’t forget to fill it out and mail
it in so that you can receive online technical support
and so we can send you updated information
about these and other Samson products in the
future. Also, be sure to check out our website (www.
samsontech.com) for complete information about
our full product line.
With proper care and adequate air circulation, your
XP308i will operate trouble free for many years. We
recommend you record your serial number in the
space provided below for future reference.
Serial number:_______________________________
Date of purchase:____________________________
Should your unit ever require servicing, a Return
Authorization number (RA) must be obtained before
shipping your unit to Samson. Without this number,
the unit will not be accepted. Please call Samson
at 1-800-3SAMSON (1-800-372-6766) for a Return
Authorization number prior to shipping your unit.
Please retain the original packing materials and if
possible, return the unit in the original carton and
packing materials. If you purchased your Samson
product outside the United States, please contact
your local distributor for warranty information and
service.

2
2
XP308i Features
The Expedition XP308i PA system is an ideal
solution for a variety of live sound applications.
Here are some of its main features:
• The XP308i is a compact PA system with dual
2-way speakers, onboard mixer and 300 watt
power amplifier.
• The XP308i is the ultimate in portable design.
The lightweight and the clever design allow you
to connect all the pieces together into a single
easy to move case.
• The internal 2 x 150 watt lightweight Class D
power amplifier produces a clean, loud, stereo
sound.
• The speakers are 2-way vented enclosures with
a heavy duty 8-inch woofers for deep bass
complimented by a 1-inch titanium tweeter
set in a custom horn with a 60 x 90 degree
coverage pattern producing a clean and clear
sound.
• The XP308i’s 8-channel mixer can be removed
from the speaker for tabletop use and you
can use the kick stand to set the mixer on an
ergonomically correct angle.
• The mixer features four Mic/Line inputs allowing
you to connect microphones or line signals, plus
two stereo inputs for connecting line signals
from keyboards, drum machine and MP3/CD
players. You can engage the Phantom Power
switch if you are using condenser microphones.
MP3
• On each of the mixer’s channel inputs there is a
Bass and Treble control allowing you to contour
the tone of the individual inputs.
• To create a lush vocal effect, you can use the
internal effects processor to add Digital Reverb
to any of the microphones channels.
• The XP308i features a built-in iPod dock
allowing you to easily connect most iPod
models for seamless music playback. You
can use the ipod to simply play music, add
background tracks, or repeat a commercial
message at a fair or trade show.
• An overall system equalization contour can be
set using the Music/Speech switch. Setting the
switch to Speech adds a tone contour that will
help articulate the voice and when the switch
is set to Music a tone contour with slightly
enhanced lows and highs is engaged.
• The six-segment Level Meter with LIMITER
indicator helps you set a good clean level with
minimal distortion.
• You can record your performance by
connecting the RCA Record Outputs to an
external recorder.
• For added flexibility, the XP308i’s mixer has
a Monitor Out on two, ¼ inch jacks allowing
you to connect to external powered monitor
speakers.

3
XP308i Speaker Layout
XP308i Front View Layout
A
B
D
C
E
F
G
A. Wide Dispersion Horn – 1 inch throat, 60
x 90 degree wide dispersion horn provides
extensive coverage and linear off- axis
response.
B. Titanium Tweeter Driver – 135 inch
(34mm), titanium diaphragm with 1 inch
opening.
C. Handle – One of two ultra over sized
rubber grip carry handles.
D. Enclosure – Thick-wall, rugged PVC plastic
enclosure.
E. 8-inch Driver – Custom designed, high
sensitivity,heavy-duty, 8” low frequency
driver provides deep bass.
F. Steel Grill – Durable steel grill provides
protection for, and easy access to LF driver.
G. Bass Port– Two precision tuned, low
frequency port tubes extend the bass
response.
H. Powered Mixer – The XP308i’s eight-chan-
nel, 300 watt powered mixer fits conve-
niently inside the one speaker enclosure.
I. Quarter Turn Screw – The mixer and
accessory compartment panel are easily
opened and closed using the built-in quar-
ter turn screws.
J. Accessory Compartment – You can store
your speaker cables or microphones inside
one speaker enclosure by removing the
accessory door using the quarter turn
screws.
K. INPUT - 1/4-inch phone jack – Each speak-
er enclosure has an input on a 1/4-inch
phone jack.
L. Pole Mount – The XP308i has integral 1 3/8
(35mm) speaker stand receptacle allow-
ing the speakers to be set on standard
speaker stands with no additional adapters
required.
H
I I
J
LL
KK
XP308i Rear View Layout

4
Using a Microphone
Be sure that the XP308i’s Power switch is set to the off
position.
• Turn all of the channel VOLUME (VOL) controls fully
counterclockwise to the “0” position.
• If the speakers are not connected, connect the
speaker’s wire as described in the previous section.
• Next, connect the power cable to an AC socket.
• Using a standard XLR cable, plug a microphone
into the XP308i’s Channel 1 MIC INPUT.
• Switch the XP308i’s Power switch to the ON
position.
• Set the Channel 1 VOLUME (VOL) control to about
half way.
• While speaking into the microphone, slowly raise
the MASTER level control until you have reached
the desired level.
XP308i Quick Start
In the following pages of this manual, you will find a
detailed eXPanation of all the XP308i’s functions and
controls, but if you just want to get started quickly
you can follow the steps below.
Unpacking and Setting Up the XP308i
• Unpack all the system components fromthe
shipping carton and save all the packing material
in (the unlikely) case your unit ever needs to be
returned for service.
• Remove the mixer by turning the quarter turn
screw counter clockwise towards the RELEASE
position.
IMPORTANT NOTE! – In order to ensure proper
ventilation, always remove the mixer before
powering it on.
• Remove the accessory compartment cover by
turning the quarter turn screw counter clockwise
towards the RELEASE position and remove the
included speaker cables.
• Replace the accessory panel by aligning the
bottom of the panel into the slots, make sure the
quarter turn screw is in the RELEASE position, then
close the panel and turn the quarter turn screw
clockwise to LOCK.
• Position the speakers on the floor or on stands and
using one of the included speaker cables, connect
the mixer’s LEFT SPEAKER OUT to the left speaker’s
input connector. Next use the second included
speaker cable to connect the RIGHT SPEAKER OUT
to the right speaker’s input connector.

5
Using a Line Level Signal
• Be sure that the XP308i’s Power switch is set to the
OFF position.
• Turn the VOLUME controls fully counterclockwise
to the off position.
• Connect the power cable to an AC socket.
• Using standard ¼-inch cables, connect a line
level signal from akeyboard into the XP308i’s LINE
INPUTS.
• Switch the XP308i’s Power switch to the ON
position.
• Now, play your guitar or keyboard and slowly raise
the channel control and the MASTER level control
until you have reached the desired VOLUME.
Microphone Positioning - How to Reduce
Feedback
Feedback is the annoying howling and squealing
that is heard when the microphone gets too
close to the speaker and the volume is high. You
get feedback when the microphone picks up
the amplified signal from the speaker, and then
amplifies through the speaker again, and then picks
it up again, and so on and so on. In general, it is
always recommended that any LIVE mic (a mic that’s
on) is positioned behind the speaker enclosures. This
will give you the best level from your system before
Electric Acoustic
Guitar
XP308i Quick Start
feedback. One possible exception is when you are
adjusting the sounds of the microphones, since
you want to listen in front of the speaker to hear
properly. To do this, lower your mixers MASTER
VOLUME while setting the EQ and effect from in
front of the speakers. Once you have the sound you
like, move the microphones to behind the speakers
and raise the MASTER volume.
Speaker Placement
Whenever possible, it is a good idea to raise the
speakers above the heads of the listening audience.
The XP308i enclosures’ feature standard 1 3/8” pole
mount receptacles, which are compatible with
speaker stands from a variety of manufacturers
including the models LS2, TS50 and TS100 from
Samson. In a smaller setting like a school cafeteria,
library, or a mall kiosk, you can also use the XP308i
on its side in the tilt back monitor position, which
will improve the projection of the speakers and may
eliminate the need for speaker stands.

6
XP308i Mixer Layout
XP308i Front View Layout
9 10 11 12 13
14
17
18
19
2423222120
16
15
2
1
3
4
5
6
7
8
1. MIC – XLR connector (channels 1 - 4)
Use these XLR jacks to connect low impedance
microphones to the XP308i’s built-in mic preamps.
2. LINE - ¼-inch phone connector (channels 1 - 4)
Use these 1/4” jacks to connect instrument or audio
source with line-level signals to the XP308i. You can
connect the outputs from acoustic guitar pickups,
keyboards, drum machines, CD/MP3/TAPE players
and other units with line level outputs here.
3. MIC/LINE – switch (channels 1 - 4)
The MIC position changes the gain of both input
jacks to MiC level. The LINE position reduces the
gain of both jacks by 30dB to line level.
4. HIGH FREQUENCY(HF) – control knob
The HF knob controls the amount of treble
applied to that channel. The channel’s HIGH
frequency response is flat when the knob is in
the “12:00” position. Rotating the knob towards
the right will boost the channel’s high frequency
response above 10 kHz by 15dB, and rotating
it towards the left will cut the high frequency by
15dB.
5. LOW FREQUENCY (LF) – control knob
The LF knob controls the amount of bass applied
to that channel. The channel’s LOW frequency
response is flat when the knob is in the “12:00”
position. Rotating the knob towards the right will
boost the channel’s low frequency response below
100 Hertz by 15dB, and rotating it towards the left
will cut the frequency by 15dB.
6. REVERB – switch (channels 1 - 4)
Use the REVERB switch to add a reverb effect to
a mic or line input on any of the inputs 1 – 4. The
REVERB switch is used in conjunction with the mas-
ter REVERB return control knob #23.
7. REVERB LED – indicator (channels 1 - 4)
The REVERB LED will illuminate when the REVERB
switch is pressed down indicating the channel is set
to add reverb. See number 6 above.
8. VOLUME (VOL) – control knob
Sets the overall level for the Mic or Line input.
9. Stereo Inputs (channels 5 / 6)
The XP308i has a pair of 1/4-inch jacks for connect-
ing stereo line level sources. For stereo inputs ,use
the LINE L to connect the left channel and the LINE
R to connect the right channel. Use these inputs to
connect high impedance microphones, synthesizers,
drum machines, MP3, CD, tape players or any other
line level device.

7
10. Stereo Inputs RCA (channels 5 / 6 and 7 / 8)
The XP308i mixer features stereo line level inputs
using RCA connectors on channels 5/6 and 7/8.
Use these RCA inputs for connecting the output
of devices such as MP3, CD, computer soundcard,
cassette player, or any other line level device.
11. MONITOR OUT - 1/4-inch phone jacks
The signal present at the MONITOR OUT jacks is
sent from the MONITOR level control knob, which
is fed from the input channels. In many live sound
situations, a monitor speaker is set up facing
the performer or speaker. The XP308i provides a
dedicated output, with level control (see 21) to send
the stereo mix to a monitor speaker or speakers. To
run a monitor from it XP308i, use the MONITOR OUT
by connecting the to a powered monitor or power
amp and monitor speaker.
12. REC OUT – RCA jacks
This output is used to send the main mix to
an external recorder. The signal present at this
connector is the MAIN bus signal before it has
passed through the MASTER level control. The
nominal output level is -10dBV and the impedance
is 100 Ohms.
13. SPEAKER OUT - 1/4-inch phone jacks
The XP308i has two 1/4-inch phone connectors,
which are powered outputs used to connect your
left and right speaker. Use the included speaker
cables to connect the speakers.
CAUTION: The total impedance load for each side
of the amplifier must not exceed 4 Ohms, therefore
do not connect additional speakers to the XP308i
mixer.
14. AC - IEC inlet
Connect the supplied heavy-gauge 3-pin “IEC”
power cable here.
15. POWER - switch
Use this to turn power to the XP30i on or off.
16. iPod DOCK - connector
The XP308i has a built in iPod dock which can be
used to connect most of the latest iPod models.
17. Phantom LED indicator
The LED will illuminate whenever the Phantom
Power switch is pressed.
XP308i Mixer Layout
18. PHANTOM - switch
The XP308i features an onboard, 48-Volt Phantom
power supply to operate condenser microphones.
When the switch is engaged, the LED will illuminate
indicating that phantom power is now available on
the microphone pre-amps.
IMPORTANT NOTE: To avoid a loud pop, be sure
to turn down the MASTER level controls before
plugging and unplugging the mic cables when the
phantom power is active.
19. POWER LED - indicator
The Power LED will illuminate when the MAIN power
switch is turned on.
20. SPEECH /MUSIC – switch
The SPEECH MUSIC switch is use to change the
overall frequency response, or tone contour for the
XP308i sound system. The SPEECH setting boosts
the mid a little for vocal articulation, while the
MUSIC setting boost the lows and highs for a more
hi-fi sound. If your application is mainly for MUSIC,
press the switch down to select the MUSIC response
curve. If your application is mainly for speech, leave
the switch up to select the speech response curve.
21. MONITOR – control knob
The MONITOR volume control is used to control the
overall level sent to the MONITOR OUT, which can be
used to send to a second set of powered speakers
for monitors.
22. MASTER – control knob
The Master volume knob controls the overall output
level. This knob determines the final output signal
level. Signals from all eight channels are routed
here just before being routed to the built-in power
amplifiers and Left and Right output jacks (see #13
above).
23. REVERB - control knob
The REVERB control knob is use to adjust the total
amount of reverb added to any channels with their
REVERB switch (see #6 above) pressed down.
24. METER - LED indicators
This six-segment bar meter shows the XP308i’s
output level. For optimum signal-to-noise ratio,
set the Volume control so that program material is
usually at or around +3 to +6 VU, with occasional
but not steady excursions to the red “LIMIT”
segment.

8
most any speaker stands without the need for any
additional adapters. The LS2, TS50 and TS100 speaker
stands from Samson are recommended.
• Using one of the included speaker cables
connect the mixer’s LEFT SPEAKER OUT to the
left speaker’s input connector.
• Next use the second included speaker cable to
connect the RIGHT SPEAKER OUT to the right
speaker’s input connector.
Connecting Microphones And Instruments
1. Before connecting your microphones or
instruments, make sure that the power of all
your systems components, including the XP308i,
is turned off. Also, make sure that the VOLUME
controls of each channel of the XP308i and the
MASTER level control are turned all the way
down.
2. Connect the cables to your microphones and
instruments, and insert the other end of the
cable firmly into the appropriate input on the
XP308i.
3. Switch on the power of any peripheral devices,
and then power up the XP308i.
NOTE: Since the XP308i contains two power
amplifiers, it is important to remember the Golden
Rule of audio … “ LAST ON, FIRST OFF”. Translated,
this means that when turning on your system, you
should always turn your power amplifiers on LAST,
and when turning your system off, turn your power
amps off FIRST. This helps avoid any loud pops
caused by in rush current at power up or power
down, which can sometimes damage loudspeakers.
Operating the XP308i
Electric Acoustic
Guitar
Setting up The XP308i system
1. Remove the accessory compartment cover
by turning the quarter turn screw counter
clockwise towards the RELEASE position and
remove the included speaker cables.
2. Remove the mixer by turning the quarter turn
screw counter clockwise towards the RELEASE
position.
IMPORTANT NOTE! – In order to ensure proper
ventilation, always remove the mixer before
powering it on.
3. Place the mixer on a table-top and extend
the kickstand to provide a comfortable,
ergonomically correct mixing angle. For added
flexibility, you can attach a standard mic
stand adapter to the bottom of the mixer for
mounting on a standard microphone stand.
4. Plug the power cable into an available power
source but keep the mixer’s POWER switch off
for now.
Note: The XP308i’s power supply is a universal voltage,
switching supply, so it will operate on any voltage from
100 to 240 volts.
5. Position the speakers on the floor or on stands.
In order to minimize the possibility of feedback,
be sure to carefully consider where you locate
the speakers. It’s always a good idea to place
the speakers in front of any live microphones. If
possible, use speakers stands to help project the
sound above the audience. Since the XP308i’s
speakers include built-in standard,1 3/8-inch
(35mm) speaker stand receptacles, you can use

9
4. Set the MASTER level control to about halfway
up.
5. While speaking into the mic (or playing the
instrument), adjust the channel GAIN control
so that the “PEAK” LED of the channel lights
occasionally, then back it down slightly.
6. Slowly adjust the channel VOLUME control until
the desired level is reached.
7. If you wish to adjust the tone of each channel,
adjust the LF and HF equalizer controls as
desired. If you add a lot of EQ, you may have to
re-adjust the channel VOLUME.
8. Use the MASTER level control and SPEECH /
MUSIC switch to adjust the overall volume and
tone.
Using The Reverb Effect
The XP308i features a built-in, high quality, Reverb
effect that you can add to channels 1 through 4.
You can use the REVERB to create a studio effect by
simply following the steps below.
1. Connect a mic or instrument to the desired
channel, and adjust the volume and equalizer to
your liking.
2. Now press the REVERB switch down on the
channel you want to add the reverb effect to.
4. Once you have selected the channels for effects
by using the channel REVERB switch, raise the
REVERB main level control to apply the amount
of reverb effect.
NOTE: If the effect sound is distorted, lower the
REVERB main level.
Using Monitor Speakers.
In many live sounds applications, it’s necessary
to have a monitor system to help the performers
hear their performance. A monitor system includes
a dedicated signal from the main mixer feeding
amps and monitor speakers, or powered monitor
speakers, facing the performers on stage.
Monitor speakers are typically angled enclosures
and can be miniature stand mounted monitors used
in small situations, or for medium to large PA set-ups
floor monitors are used.
The XP308i’s mixer provides a MONITOR OUT on
two ¼-inch phone jacks for connecting additional
speakers.
Follow these steps to connect your monitor
speakers.
Be sure to select the correct type of monitor
speakers. The MONITOR OUT is a line level, un-
powered output so you must use a powered
monitor (like the Samson LIVE 612M) or a passive
monitor with a power amp.
Place the monitor in position.
Connect a standard, shielded instrument type cable
with ¼-inch phone plugs from the MONITOR OUT
Left and Right jacks to the input of each monitor as
shown in the diagram below.
Operating the XP308i
Powered Monitor Powered Monitor

10
Using The iPod Docking Station
The XP308i has a built-in iPod docking station fit
neatly into the top of the XP308i’s mixer allowing
you to interface the latest iPod MP3 players
to provide background music for meetings or
performances. Follow the steps below to install your
MP3 player.
1. Before you connect your iPod, check to see if it
came with a dock adapter. If your iPod player
came with a dock adapter, fit it in the XP308i’s
docking station.
2. Next, simply place the iPod player in the dock.
3. If an optional iPod MP3 player is installed, its
output arrives at 7/8, so use the channel 7/8
VOLUME control to adjust the iPod’s playback
volume.
MP3
MP3
Operating the XP308i
Recording Your Performance From The Xp308i
You can record the audio from the XP308i’s mixer
section including the MIC, LINE, TAPE IN and AUX
inputs to a cassette deck, MD, DAT, iPod or any other
type of recorder using the record outputs. Simply
connect the XP308i’s REC OUT jacks to the input
jacks of the recorder as shown in the diagram below.
Electric Acoustic
Guitar

11
Configuring the XP308i for Carry Case
You can easily carry your sound system using the
XP308i’s “Slide and Lock” feature. The “Slide and
Lock” speaker enclosures allow you to connect
booth speakers together into a single easy to carry
unit. Follow these simple steps to configure the
XP308i for easy transport.
• Place one speaker on the floor and set it on its
side.
• Grab the second speaker and while holding it
above the first speaker, line up the “slide and
lock” tracks and grooves so they are parallel with
the speaker on the floor.
Configuring the XP308i for Carry Case
• Slide the second speaker into the speaker on the
floor making certain that the two speakers stay
parallel to each other.
• You will feel a slight click when the two speakers
are in place.
Operating the XP308i

12
XP308i System Set-ups
Electric Acoustic
Guitar
This example shows a typical PA system for a band using the XP308i with microphones, acoustic guitar and keyboards connected. A
separate signal from the XP308i mixer’s MONITOR OUT is sent to two Samson LIVE 612M powered floor monitors.
Live Band PA System With Monitors

13
XP308i Wiring Guide
Unbalanced 1/4” Connector
XLR Balanced Wiring Guide
CONNECTING THE XP308i
There are several ways to interface the XP308i to support a variety of applications. The XP308i feature balanced inputs
and outputs, so connecting balanced and unbalanced signals is possible.
Balanced TRS 1/4” Connector

14
Specifications
Input Specifications
Input Connector
Input Impedance
Nominal Load
Impedance
Rated Input Level Connector Type
CH Mic 3.6K / 7.5K 50~600 / 600 -36dBu / -26dBu
XLR Type Balanced /
Phone Jack(TRS)T=Hot
R=Cold S=GND
CH Line 3.6K / 7.5K 50~600 / 600 -6dBu / +4dBu
XLR Type Balanced /
Phone Jack(TRS)T=Hot
R=Cold S=GND
Stereo Input 10K 600 -10dBu Unbalanced Phone Jack
Stereo Input 10K 600 -10dBu RCA pin Jack
Output Specifications
Output Connector
Output
Impedance
Norminal Load
Impedance
Rated Output
Level
Connector type
MONITOR L/R 1K 600 +4dBu
Phone Jack (TRS) Impedance
balanced [T:hot; R:Cold;
S:groud]
Rec Out 600 10K -10dBu
RCA pin Jack
Speaker Output 100 8 110W
Phone Jack
Maximum Output Level
(0.5% T.H.D at 1KHz
T.H.D
Frequency Response
-112dBu equivalent input noise ( Rs=150 )
-90dBu Residual noise (MONITOR L/R) all Level at Minimum
-80dBu
MONITOR VR at naminal level and all channel Level Minimum.
-70dBu
MONITOR VR at Maximum level and all channel Level Minimum.
SPEECH/MUSIC
REVERB indicators
LED Meters
LIMITER Indicators
Phantom Power
Power Source/Power
Consumption
Weight
Dimensions
Where 0dBu=0.775V and 0dBV=1V
+22dBu(MONITOR L/R) @10K +14dBu(REC) @10K
More than 110W(SPEAKER) @8
+15V DC
AC INPUT 100V~240V,50/60Hz 360W
5-point LED,SPEAKER OUT
REVERB:An indicator for mic each channel Reverb turns on when the reverb sw is
within.
75Hz, 18dB/Octave
<0.1% @+14dB 20Hz~20KHz (MONITOR L/R,REC L/R) @10K
<1% @ 110W 20Hz~20KHz (SPEAKER OUTPUT) @8
20Hz~20KHz,+1/-2dB(MONITOR L/R,REC L/R,SPEAKER OUTPUT) @10K
34dB LINE(XLR) IN TO MONITOR L/R
37.43Ib.(16.8Kg)
20.1''(W)*10.6''(D)*19.1''(H) , 510mm(W)*270mm(D)*485mm(H)
LIMITER:An indicator for master turns on when the speaker output below clipping.
Input Channel Equalization
LOW:100Hz shelving ± 15dB
HIGH:10KHz shelving ± 15dB
Hum and Noise Input
GAIN=Maximum Input
sensitity -50dBu
-70dB between input/output channels (CH INPUT)
Crosstalk (at 1KHz)
-70dB between input channels
28dB ST LINE IN TO MONITOR L/R
38dB MIC(XLR) IN TO REC L/R
Maximum Voltage Gain
54dB MIC(PHONE TRS) IN TO MONITOR L/R
24dB LINE(PHONE TRS) IN TO MONITOR L/R
64dB MIC(XLR) IN TO MONITOR L/R
System Specifications
Specifications are subject to change without notice.

15
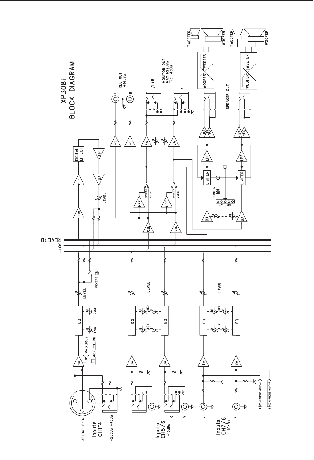
Block Diagram

Samson Technologies Corp.
45 Gilpin Avenue
Hauppauge, New York 11788-8816
Phone: 1-800-3-SAMSON (1-800-372-6766)
Fax: 631-784-2201
www.samsontech.com