Samsung Electronics Co MG7980 Micro wave Oven User Manual
Samsung Electronics Co Ltd Micro wave Oven
USER MANUAL

.............
Owner’s
Instructions
M I C ROWAV E OV E N
M G 7 9 8 0 W
-Front Cover 6/15/98 8:22 AM Page 1

P
RECAUTIONS TO AVOID
POSSIBLE EXPOSURE TO
EXCESSIVE MICROWAVE
ENERGY
:
(a) Do not attempt to operate this oven with the door open
since open-door operation can result in harmful exposure
to microwave energy. It is important not to defeat or tamper
with the safety interlocks.
(b) Do not place any object between the oven front face and
the door or allow soil or cleaner residue to accumulate on
sealing surfaces.
(c) Do not operate the oven if it is damaged. It is particularly
important that the oven door close properly and that there
is no damage to the:
(1) Door (bent)
(2) Hinges and latches (broken or loosened)
(3) Door seals and sealing surfaces
(d) The oven should not be adjusted or repaired by anyone
except properly qualified service personnel.
WARNING
Always observe Safety Precautions when using your oven. See
“Important Safety Instructions” on the next page.
Never try to repair the oven on your own – dangerous voltage is
inside. If the oven needs to be repaired, call 1-800-SAMSUNG
for the name of an authorized service center near you.
Please record the serial number from the back of your Samsung
microwave oven and the date of purchase in the space provided
below.
We recommend that you keep your purchase receipt with this
manual for easy warranty service.
Model Number _______________________________
Serial Number _______________________________
Date Purchased _______________________________
Dealer _______________________________
T
1. IFC 6/15/98 8:23 AM Page 1

S
AFETY
1
Thank You for Choosing Samsung
Thank you for choosing Samsung! Your new oven represents the very latest in
microwave and convection cooking technology. This oven is a full-featured,
easy-to-use appliance built to strict quality standards set by Samsung — the
highest in the industry. We’re proud to offer you a product that will provide
convenient, dependable service for years to come.
I
MPORTANT
S
AFETY
I
NSTRUCTIONS
When Using Any Electrical Appliance
• When using any electrical appliance, basic safety precautions should be
followed, including the following:
WARNING:
To reduce the risk of burns, electric shock, fire,
injury to persons or exposure to excessive microwave energy:
1.Read all safety instructions before using the appliance.
2.Read and follow the specific “P
RECAUTIONS TO AVOID EXPOSURE TO EXCESSIVE
MICROWAVE ENERGY
” inside the front cover of this manual.
3.This appliance must be grounded. Connect only to properly grounded
outlets. See “Grounding Instructions” on page Safety.3.
4.Install or locate this appliance only in accordance with the installation
instructions provided.
5.Some products, such as whole eggs and sealed containers, may explode if
heated in this oven.
6.Use this appliance only for its intended use as described in the manual. Do
not use corrosive chemicals or vapors in this appliance. This type of oven is
specifically designed to heat, cook, or dry food. It is not designed for
industrial or laboratory use.
7.As with any appliance, close supervision is necessary when used by
children.
8.Do not operate this appliance if it has a damaged cord or plug, if it is not
working properly, or if it has been damaged or dropped.
9.This appliance should be serviced only by qualified service personnel.
Contact the nearest authorized service facility for examination, repair, or
adjustment.
10.Do not cover or block any of the openings on the appliance.
11.Do not store this appliance outdoors. Do not use this product near
water – for example, near a kitchen sink, in a wet basement, or near a
swimming pool, and the like.
SAVE THESE INSTRUCTIONS
MG 6876W-3 4/27/98 5:14 AM Page 1

2S
AFETY
When Using Any Electrical Appliance (cont.)
12. Do not immerse cord or plug in water.
13. Keep cord away from heated surfaces.
14. Do not let cord hang over edge of table or counter.
15. When cleaning door and oven surfaces, use only mild, non-abrasive
soaps or detergents applied with a sponge or soft cloth.
16. To reduce the risk of fire in the oven cavity:
a. Do not overcook food. Carefully attend appliance if paper, plastic,or other
combustible materials are placed inside the oven to facilitate cooking.
b.Remove wire twist-ties from plastic cooking bags before placing bags
in oven.
c.If materials inside the oven ignite, keep the oven door closed, turn
the oven off, disconnect the power cord, or shut off the power at the
fuse or circuit breaker panel.
d.Do not use the oven compartment for storage purposes. Do not leave
paper products, cooking utensils, or food in the oven when not in
use.
17.Do not cook without the ceramic tray in place on the oven floor as
food will not cook properly.
18.Do not defrost frozen beverages in narrow-necked bottles. The
container may break.
19.Dishes and containers can become hot. Handle with care.
20.Carefully remove utensil coverings, directing steam away from hands
and face.
21.Remove lids from baby food before heating. After heating, stir well
and test temperature.
Combination Microwave/Broil Ovens:
1. Oversized foods or oversized metal utensils should not be inserted in
a microwave/broil oven as they may create a fire or risk of electric shock.
2. Do not clean with metal scouring pads. Pieces can burn off the pad
and touch electrical parts invoiving a risk of electric shock.
3. Do not use paper products when appliance is operated in the broil mode.
4. Do not store any materials,other than manufacturer’s recommended
accessories, in this oven when not in use.
5. Do not cover racks or any other part of the oven with metal foil. This
will cause overheating of the oven.
S
AVE
T
HESE
I
NSTRUCTIONS
MG 6876W-3 4/27/98 5:14 AM Page 2

S
AFETY
3
G
ROUNDING
I
NSTRUCTIONS
This appliance must be grounded. In the event of an electrical short cir-
cuit, grounding reduces the risk of electric shock by providing an escape
wire for the electrical current. This appliance is equipped with a cord hav-
ing a grounding wire with a grounding plug. The plug must be plugged
into an outlet that is properly installed and grounded.
WARNING:
Improper use of the grounding can result in a
risk of electric shock. Consult a qualified electrician or serviceman if you do
not understand the grounding instructions or if you are not sure if the appli-
ance is properly grounded.
WARNING:
Do not cut or remove the third (ground)
prong from the power cord under any circumstances.
Preferred method of grounding
Plug the three-prong power cord into a properly grounded outlet of standard
115-120 voltage, 60 Hz. Your oven should be the only appliance on this
circuit.
Using an adapter
Due to potential safety hazards, we strongly recommend against the use of an
adapter plug. However, if you still elect to use an adapter, where local codes
may permit, a TEMPORARY CONNECTION may be made to a properly
grounded 2-prong wall receptacle by the use of a UL-listed adapter, which is
available at most hardware stores.
S
AVE
T
HESE
I
NSTRUCTIONS
Use of Extension Cords
A short power-supply cord is provid-
ed to reduce the risks resulting from
becoming entangled in or tripping
over a longer cord.
Longer cord sets or extension cords
are available and may be used if care
is exercised in their use.
If a long cord or extension cord is used-
1. The marked electrical rating of the
cord set or extension cord should be at
least as great as the electrical rating of
the appliance.
2. The extension cord must be a
grounding-type 3-wire cord and it must
be plugged into a 3-slot outlet.
3. The longer cord should be arranged
so that it will not drape over the counter
top or tabletop where it can be pulled
on by children or tripped over uninten-
tionally.
If you use an extension cord, the interi-
or light may flicker and the blower may
vary when the microwave oven is on.
Cooking times may be longer, too.
MG 6876W-3 4/27/98 5:14 AM Page 3

A.4
A
PPENDIX
Care and Cleaning
Follow these instructions to care for and clean your microwave oven.
• Keep the inside of the oven clean. Food particles and spilled liquids can stick to the oven
walls and absorb microwaves, causing the oven to work less efficiently.
• To avoid staining, wipe up spills immediately. Clean spills with a damp cloth and mild
soap. Do not use harsh detergents or abrasives.
• To help loosen baked on food particles or spilled liquids, heat two cups of water in a
four-cup measuring glass at HIGH power for five minutes or until boiling. Let stand in
the oven for one or two minutes. To keep the oven smelling fresh, add the juice of one
lemon to the water before heating it.
• Remove the glass tray from the oven when cleaning the oven or tray. To prevent the tray
from breaking, handle it carefully and do not place it into water just after cooking. Wash
the tray carefully in warm sudsy water or in the dishwasher.
• Clean the outside surface of the oven with soap and a damp cloth. Dry with a soft cloth.
To prevent damage to the operating parts of the oven, don’t let water seep into the open-
ings.
• Wash the door window with very mild soap and water. Be sure to use a soft cloth to
avoid scratching.
• If steam accumulates inside or outside the oven door, wipe with a soft cloth. Steam can
accumulate when operating the oven in high humidity and in no way indicates
microwave leakage.
• Never operate the oven without food in it; this can damage the magnetron tube or glass
tray. You may wish to leave a cup of water in the oven when it is not in use to prevent
damage if the oven is accidentally turned on.
Specifications
AP P E N D I X
A
Model Number MG7980W
Oven Cavity 1.2cu.ft
Controls 10 power levels, including defrost
Timer 99 minutes, 99 seconds
Power Source 120 VAC, 60 Hz
Power Output MWO 930 Watts Heater 1300 Watts
Outside Dimensions
2 1 2 9/3 2” ( W ) X 1 2 1 1/3 2” ( H ) X 1 7 1 5 /3 2” ( D )
Oven Cavity Dimensions
1 42 5 //3 2” ( W ) X 91/3 2” ( H ) X 1 5 1 3/3 2” ( D )
Net/Gross Weight 41.9/47.4 lbs
7. CHAPTER 5/Appendix 6/15/98 10:16 AM Page 4

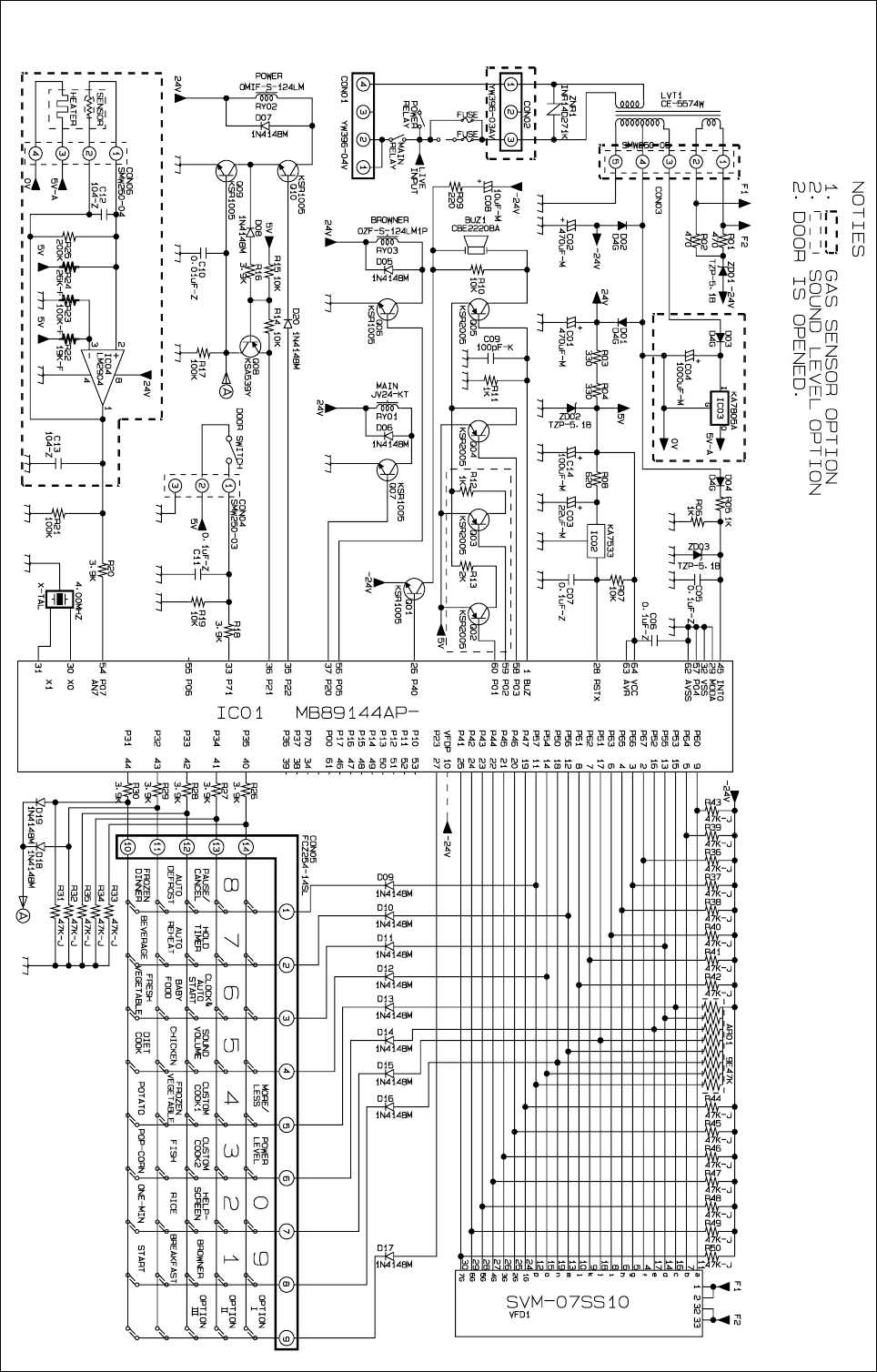
MB6774W
MG7980W P.C.B Diagrams

VARISTOR
HEATER GRILL
TCO
GRILL
RELAY
L.V.TRANS
LAMP
MAIN RELAY
POWER RELAY
(SECONDARY INTERLOCK)
PRIMARY S/W
CAVITY
TCO
FAN
MOTOR
D/MOTOR
MONITOR
SWITCH
H. V. TRANSFORMER
H. V. CAPACITOR
120V
0V FFA
MAGNETRON
POWER CORD
AC 120V/60Hz
BLK BLK
BLK
BLK
BLU
BLK
BLK
BLK BLK
BLK
YEL
YEL
FUSE
250V20A
WHT WHT
WHT
WHT WHT
WHT
ORG
ORG
POWER MUST BE DISCONNECTED
BEFORE SERVICING THIS APPLIANCE
WARNING
NOTE: CIRCUIT SHOWN WITH DOOR IS OPENED POSITION.
NOTE: FOR SERVICE REPLACEMENT USE 16 GA 105 C
THERMOPLASTIC COVERED WIRE EXCEPT
FOR HIGH VOLTAGE LEADS OR AS NOTED ON SPECIAL LEADS.
1. INPUT : 120V 60HZ
2. DOOR : OPEN
3. LAMP : ON
4. : P.C.B PATTERN
5. : P.C.B IN/OUT POINT
MGT
TCO
COM
NC
120V
130V
40W
21V
0V NO
L
FM DM
MG7980W Schematic Diagrams
