Samsung Electronics Co SMM-2LD0581900 Remote Radio Head User Manual rev
Samsung Electronics Co Ltd Remote Radio Head Users Manual rev
Users Manual rev

EPB
ED.
Smart MBS
System Description/Introduction

Copyright
All text and images in this document are subject to the copyright of SAMSUNG Electronics Co., Ltd.
This document may not be reproduced, distributed, or modified without the written permission of SAMSUNG
Electronics Co., Ltd.
Trademark
The marks appearing on this document are trademarks of SAMSUNG Electronics Co., Ltd, its subsidiaries,
or affiliates.
This manual should be read and used as a guideline for properly installing and operating the product.
This manual may be changed for the system improvement, standardization and other technical reasons without prior
notice.
If you need updated manuals or have any questions concerning the contents of the manuals, contact our Document
Center at the following address or Web site:
Address: Document Center 3rd Floor Jeong-bo-tong-sin-dong. Dong-Suwon P.O. Box 105, 416, Maetan-3dong
Yeongtong-gu, Suwon-si, Gyeonggi-do, Korea 442-600
Homepage: http://www.samsungdocs.com
©2011 SAMSUNG Electronics Co., Ltd. All rights reserved.

Smart MBS System Description
© SAMSUNG Electronics Co., Ltd. I
INTRODUCTION
Purpose
This document introduces characteristics, features, and structure for Smart MBS Base Station of the
Samsung Multi-Modal System.
Document Content and Organization
This document consists of 4 CHAPTERS, APPENDIX, and ACRONYMS.
Chapter 1. Samsung Multimodal System Abstract
Explains the following…
Smart MBS System Introduction
Samsung Multimodal System Network Configuration
Samsung Multimodal System Feature
Chapter 2. Smart MBS Abstract
Explains the following…
Smart MBS System’s Characteristics
Smart MBS ‘s Main Feature
Smart MBS ‘s Specification
Operation manual on Backhaul Interface
Chapter 3. HW Architecture of Smart MBS
Explains the following…
System Internal Structure
UADU (Universal Platform Digital Unit)
RRH (Remote Radio Head)
Thermal Radiation Structure

INTRODUCTION
II © SAMSUNG Electronics Co., Ltd.
Chapter 4. SW Architecture of Smart MBS
Explains the following…
Smart MBS SW Structure
Loading Flow
ABBREVIATION
Provides definition for acronyms used in this document.
Conventions
Following symbols are used in this document. The information provided along with this symbol should
be familiarized for safe operation/handling of the system.
Additional Reference
Provides reference in addition to the main contents.
Revision History
Rev. Date Note
1.0 2011.06 First Edition
Reference

Smart MBS System Description
© SAMSUNG Electronics Co., Ltd. III
TABLE OF CONTENTS
INTRODUCTION I
Purpose ..................................................................................................... I
Document Content and Organization ....................................................................... I
Conventions .................................................................................................... II
Revision History ................................................................................................. II
Chapter 1. Samsung Multi-ModalSystem Abstract 1-1
1.1 Introduction to Smart MBS System........................................................................... 1-1
1.2 Samsung Multi-Modal System Network Architecture ....................................................... 1-4
1.2.1 CDMA System Network Architecture ......................................................... 1-5
1.2.2 LTE System Network Structure ................................................................ 1-6
1.3 Samsung Multi-Modal System Feature ....................................................................... 1-9
1.3.1 CDMA System Feature .......................................................................... 1-9
1.3.2 LTE System Feature ........................................................................... 1-10
Chapter 2. Smart MBS Abstract 2-1
2.1 Smart MBS System Description .............................................................................. 2-1
2.1.1 Smart MBS CDMA System Feature .............................................................. 2-3
2.1.3 Smart MBS LTE System Feature ................................................................. 2-3
2.2 Smart MBS Main Feature ..................................................................................... 2-6
2.2.1 Physical layer Processing Feature ................................................................ 2-6
2.2.2 Call Processing Feature ............................................................................ 2-9
2.2.3 IP Processing Feature ............................................................................ 2-10
2.2.4 Convenient Operation and Maintenance Feature ............................................ 2-11
2.3 Smart MBS Specification .................................................................................... 2-14
2.4 Backhaul Interface Operation ................................................................................... 2-17
Chapter 3. Smart MBS’s Hardware Structure 3-1
3.1 Internal System Architecture ...................................................................................... 3-4
3.1.1 CDMA Internal System Architecture .......................................................... 3-4

TABLE OF CONTENTS
IV © SAMSUNG Electronics Co., Ltd.
3.1.2 LTE Internal System Structure ................................................................. 3-6
3.2 UADU(Universal Platform Digital Unit) .......................................................................... 3-8
3.3 RRH (Remote Radio Head) ...................................................................................... 3-14
3.4 Cooling Mechanism .............................................................................................. 3-17
3.4.1 Digital Unit (DU) ................................................................................ 3-17
3.4.2 RRH (Remote Radio Head) ................................................................... 3-17
3.5 Interface structure ................................................................................................ 3-18
Chapter 4. Smart MBS Software Architecture 4-1
4.1 Smart MBS SW Architecture ...................................................................................... 4-1
4.1.1 CDMA System Basic SW architecture ........................................................... 4-1
4.1.2 LTE System Basic SW Architecture .............................................................. 4-4
4.2 Loading Flow .................................................................................................. 4-7
ABBREVIATION I

Smart MBS System Description
© SAMSUNG Electronics Co., Ltd. V
LIST OF FIGURES
Figure 1.1 Smart MBS System Schematic .................................................................... 1-2
Figure 1.2 Samsung Multi-modal Network Architecture ..................................................... 1-4
Figure 1.3 CDMA Network Architecture of Samsung Multi-Modal System ................................. 1-5
Figure 1.4 Samsung Multi-Mode System’s LTE Network Architecture ...................................... 1-7
Figure 1.5 CDMA System Functional Structure .............................................................. 1-9
Figure 1.6 Function of E-UTRAN and EPC ................................................................ 1-10
Figure 3.1 UADU Configuration - CDMA Single mode ..................................................... 3-2
Figure 3.2 UADU Configuration - LTE Single mode ......................................................... 3-2
Figure 3.3 UADU Configuration - CDMA + LTE dual mode ................................................ 3-2
Figure 3.4 RRH-C2 (800MHz) ................................................................................ 3-3
Figure 3.5 RRH-P4(1.9GHz) .................................................................................. 3-3
Figure 3.6 Smart MBS CDMA Internal Block Diagram ...................................................... 3-4
Figure 3.7 Smart MBS LTE’s Internal Block Diagram ....................................................... 3-6
Figure 3.8 UADU Configuration - CDMA Only ........................................................... 3-12
Figure 3.9 UADU Configuration - CDMA Only(Two UADU) ............................................ 3-13
Figure 3.10 UADU Configuration - LTE Only ............................................................. 3-13
Figure 3.11 UADU Configuration - CDMA+LTE Dual Mode ............................................. 3-13
Figure 3.12 UADU Configuration - CDMA+LTE Dual Mode(Two UADU) .............................. 3-13
Figure 3.13 UADU’s FAN Structure ........................................................................ 3-17
Figure 3.14 UADU’s Cooling Mechanism .................................................................. 3-17
Figure 3.15 HW Interface structure of UADU(CDMA) .................................................... 3-18
Figure 3.16 HW Interface structure of UADU(LTE) ....................................................... 3-19
Figure 3.17 HW Interface structure of RRH-C2 ............................................................ 3-19
Figure 3.18 HW Interface structure of RRH-P4 ............................................................ 3-20
Figure 4.1 Smart MBS CDMA Software Architecture ....................................................... 4-1
Figure 4.2 CDMA Common Software Architecture .......................................................... 4-2
Figure 4.3 CDMA OAM Software Architecture .............................................................. 4-3
Figure 4.4 CDMA Call Processing Software Structure ....................................................... 4-3
Figure 4.5 Smart MBS LTE Software Architecture ........................................................... 4-4
Figure 4.6 Smart MBS' Loading Signal Flow ................................................................. 4-8

TABLE OF CONTENTS
VI © SAMSUNG Electronics Co., Ltd.
This page is intentionally left blank.

Smart MBS System Description
© SAMSUNG Electronics Co., Ltd. 1-1
Chapter 1. Samsung Multi-Modal
System Abstract
1.1 Introduction to Smart MBS System
As mobile telecommunication technology has experienced rapid growth from “Analog Mobile
Telecommunication(1st Generation)” to “Digital Mobile Telecommunication(2nd Generation)” to “CDMA
2000(3rd Generation)”, and into “LTE(4th Generation)”, voice service is being expanded into data service.
Especially, “wire/wireless hybrid service”, “smartphone”, and “mobile terminal” increased the demands
for the high speed wireless technology. Along with the enhancement of various mobile
telecommunication networks, it is now becoming common for a single terminal to support different
mobile technologies.
“Smart MBS System” is multi-mode base station that will satisfy such needs of mobile
telecommunication market by integrating Voice(1X), Data(EVDO), LTE(4G) into a single base station
equipment.
Smart MBS System mounts common DU(Digital Unit) Platform, and RRH (per each frequency
bandwidth) that operator can decide to configure it with either single or multiple mobile technology.
Smart MBS System provides CDMA(w/ FDD), LTE(w/FDD), and TD-LTE(w/TDD).
Smart MBS System supports the following telecommunication technologies.
CDMA2000 1X/1X Advanced
Having CDMA2000 1X as a reference, integrate the system (w/ EVRC-B, RLIC, QOF, New RC
algorithm) and the terminal(w/ (e)QLIC, MRD, New RC algorithm) to support 1X Advanced. As
a result, voice capacity enhancement will be provided.
CDMA2000 1xEV-DO Rev.A
Smart MBS supports CDMA2000 1xEV-DO Rev.A service and data service of CDMA
network.
LTE (Long Term Evolution)
Samsung LTE System is a wireless network system that supports 3GPP LTE(Long Term
Evolution)(a.k.a. LTE). It improves the existing 3GPP mobile telecommunication system(low
data throughput, but high in cost) to a next generation wireless network system which provides a
high speed data service with minimal cost. Samsung LTE System supports “Downlink

Samsung Multi-ModalSystem Abstract
1-2 © SAMSUNG Electronics Co., Ltd.
OFDMA”(Orthogonal Frequency Division Multiple Access) with either FDD(Frequency
Division Duplex) or TDD(Time Division Duplex), “Uplink SC(Single Carrier) FDMA”, and
“Scalable Bandwidth(for various spectrum allocation)” to provide high speed data service. Also,
high-end hardware is implemented to improve system performance and capacity that various high
speed data feature/service can be provided.
Figure 1.1 Smart MBS System Schematic
Samsung Multimodal System consists of following major features.
Enhancement of CDMA Service Quality
In case “Smart MBS System” is operating CDMA, it provides “EVDO Rev.0/Rev.A and 1X
Advanced” in order to improve the low throughput and limited voice capacity. In addition, “2branch Rx
Diversity” and “4branch Rx diversity” feature is provided that CDMA network coverage is enhanced for
versatile CDMA service.
Ease of Expanding 4G Service
Legacy base stations consist of “3G CDMA 1X” for voice calls, “EVDO” for Data, “Battery”, and
“Rectifier”. If 4G service was to be supplied, additional 4G base station equipment had to be installed.
Nevertheless, “Smart MBS Base Station” only requires DU(Digital Unit) cabinet and Battery cabinet to
provide existing service as well as 4G Service with minimal board replacements and software upgrades.
Therefore, Smart MBS Basestations utilizes the cables, rectifiers, and batteries of the existing basestation
system. Its ease of 4G installation will bring about efficient network implementation in the future
commercial 4G service.
Green Solution
Smart MBS Basestation combines “3G BS equipment” and the “next generation 4G BS equipment” into
a single Base Station, and also contains the rectifier within the DU cabinet. Meanwhile, RRH(Remote
Radio Head) (TX/RX processing device) is separated apart from BS equipment for natural air cooling
that it can minimize footprint, power usage, and carbon dioxide emissions.
SamsungSmartMBS
기존 기지국 시스템
2.5GHz
(WiMAX/LTE)
800MHz
(CDMA/LTE)
1.9GHz
(CDMA/LTE)
800MHz (CDMA/LTE)
1.9GHz (CDMA/LTE)
2.5GHz (WiMAX/LTE)

Smart MBS System Description
© SAMSUNG Electronics Co., Ltd. 1-3
Provides Efficient Backhaul Operation
Smart MBS Basestation provides functionality that can operate multiple telecommunication technologies
into a single physical backhaul network for reducing backhaul expenses. In addition, it supports an
efficient backhaul operation by providing a “per-technology” sectional network operation by logically
separating the backhaul, minimizing traffic interference between different technologies.
About Smart MBS
Smart MBS is basestation of Samsung Multi-Modal System that will provide BTS,
RAS, and eNB which will respectively serve the functionality of CDMA, and LTE.
It is controlled by its respective upper NE (BSC for CDMA, EPC for LTE) to
handle CDMA/LTE calls. For detailed description of function and structure of
Smart MBS CDMA/LTE, please refer to Chapter 2,3,4 of this document. For the
function and structure of Smart MBS , please refer to the additional document.

Samsung Multi-ModalSystem Abstract
1-4 © SAMSUNG Electronics Co., Ltd.
1.2 Samsung Multi-Modal System Network Architecture
Samsung Multi-Modal System is configured as shown in following Figure 1.2.
Figure 1.2 Samsung Multi-modal Network Architecture
As shown in Figure 1.2, Smart MBS system plays a role as CDMA/LTE basestation in a Samsung Multi-
Modal System network where CDMA and LTE systems co-exist.
When operating as CDMA, Smart MBS communicates with BSC(CDMA controller), and operator may
use BSM(EMS of CDMA) to control and manage CDMA portion of Smart MBS..When operating as
LTE, it communicates with EPC, and operator may use LSM-R(EMS or LTE) to control and manage LTE
portion of Smart MBS.
Following network structure describes the type of each technology supported by Smart MBS.

Smart MBS System Description
© SAMSUNG Electronics Co., Ltd. 1-5
1.2.1
CDMA System Network Architecture
CDMA system network of “Samsung Multi-Modal System” consists of AN(Access Networks) for
terminal access, VCN(Voice Core Network) for voice service, and PCN(Packet Core Network) for packet
data service.
AN consists of BTS, BSC(BTS controller), IP Network, Transport Network, and finally BSM to manage
these components. AN communicates with VCN(MGW, MSC/MSCe) and PCN(AN-AAA, PDSN) to
provide voice/data communication service to mobile subscribers.
Figure 1.3 CDMA Network Architecture of Samsung Multi-Modal System
CDMA Network Architecture of Samsung Multi-Modal System(where Smart MBS is operated as CDMA
BTS) is shown in Figure 1.3. Following describes the feature per each CDMA network devices.
BTS (Base Transceiver Station)
BTS(CDMA Basestation) is a system that handles wireless interface with mobile terminals in accordance
with CDMA2000 1X and 1xEV-DO standards. It receives data from mobile terminal and forwards it to
Core network through BSC, and receives data from Core via BSC and forwards it to mobile terminal. In
order to play a role as wireless transceiver, BS manages RF resources such as CA(Carrier Allocation),
Walsh. Also, it supports RF(Radio Frequency) Scheduling and Power Control Functionality.
BSC (Base Station Controller)
A2p
IS2000,
IS856
Pro
p
rietar
y
A12
Proprietary
A1p
,A10,A11
Pro
p
rietar
y
ESM
AN-AAA
MSCe
Smart MBS Smart MBS
UE UE
MGW
PDSN
BSC
Internet
Proprietary
BSM

Samsung Multi-ModalSystem Abstract
1-6 © SAMSUNG Electronics Co., Ltd.
Through various backhaul interfaces, BSC coordinates with multiple BTS, and provides resources that
are required for communicating with BTS. BSC communicates with VCN to process “Voice/Circuit Data
Calls”, and coordinates with PCN to process “Packet Data Calls”. Also, it carries out
operation/maintenance function in conjunction with BSM. It executes RLP(Radio Link Protocol) and
SDU(Selection and Distribution Unit) function that Hand-Off will be available for mobile terminals.
BSC also has PCF/(SC/MM) feature that “session control and mobility management function” is
executed in 1xEV-DO network.
BSM (BSS System Manager)
BSM provides “operator interface” that operators can control and manage BCS and BTS. For
Operation/Maintenance of BSC and BTS, BSM provides required commands such as
“alarm/status/performance display”, “Configuration Management”, and “Parameter Control” of the
system.
PDSN (Packet Data Serving Node) System
PDSN is a system which connects PCN to CDMA2000 1X (or 1xEV-DO), and it
enables/maintains/disables the PPP to mobile terminal. PDSN particularly carries out functionality as
FA(Foreign Agent) for HA(Home Agent) to provide mobile IP service.
AN-AAA (Access Network-Authorization, Authentication and Accounting)
AN-AAA is a server that performs authentication for subscribers in CDMA2000 1xEV-DO network. AN-
AAA executes authentication based on NAI(Network Access Identifier), and manages the “mapping
data” of IMSI and terminal NAI.
MSC (Mobile service Switching Center)/MSCe (MSC emulator)
MSC(e) is a system component which provides “switching” role in CDMA2000 network. It provides
additional services by connecting subscribers to additional equipments or other network(PSTN)
MGW (Media Gateway)
MGW is an equipment that provides “bearer gateway functionality” (Media conversion and handling) in
a CDMA 2000 network. MGW exchanges PCM data(which is based on TDM) with PSTN, and
exchanges voice frame(which is based on IP) with BSC.
1.2.2
LTE System Network Structure
LTE network of Samsung Multi-Modal System incorporates Basestation(eNB), packet core(EPC), and
LSM/(MSS). The system consists of multiple basestations(eNB: Evolved UTRAN Node-B) and Gateway
(EPC: Evolved Packet Core, MME, S-GW/P-GW), and provides functionality for UE to connect to
external network.
In addition, LTE system provides LTE System Manager(LSM) and Self-Optimization Server Feature for
Operation/Maintenance of Basestation(eNB).

Smart MBS System Description
© SAMSUNG Electronics Co., Ltd. 1-7
Figure 1.4 Samsung Multi-Mode System’s LTE Network Architecture
LTE network architecture of Samsung Multi-Modal System, where the Smart MBS is operated as LTE’s
Basestation(eNB), is as shown in the Figure 1.4, and following features are available for each LTE
network equipment.
eNB (Evolved UTRAN Node-B)
LTE Basestation(eNB) is a system located between UE and EPC, and it handles the packet calls by
connecting to UE wirelessly in accordance with “LTE Air standard”. eNB executes various functions
including Tx/Rx of Wireless signal, Modulation/Demodulation of packet traffic, packet scheduling for
efficient use of RF resources, HARQ (Hybrid Automatic Repeat Request) and ARQ (Automatic Repeat
Request) process, PDCP(Packet Data Convergence Protocol) of compressed packet header, and wireless
resource control. Also, it synchronizes with EPC to execute Handover.
EPC (Evolved Packet Core)
EPC is a system between Basestation(eNB) and PDN. It incorporates MME(Mobility Management
Entity), S-GW (Serving Gateway), and PDN Gateway(P-GW).
MME handles control message via basestation(eNB) and NAS signaling protocol, and management of
mobility for terminal, management of Tracking Area List, bearer and session management.
S-GW plays role as “anchor” on subscriber plane between 2G, 3G Access system, and LTE system. It
manages/modifies packet transmit layer of downlink/uplink data.
P-GW allocates IP Address to UE, plays role as “anchor” for mobility between “LTE System” and “non-
3GPP Access Systems”, manages billing charges for different service levels, and handles
EMS
LSM-C
EPC
P-GW
OCS
PCRF
CG
PDN
HSS/SPR
MMES-GW
TL1
SNMP/FTP/UDP X2-C
X2-U
S1
S1-
MME
S1-U
Gz
Gz
S5/S8
S11
S10
Gy
Gx
Sp
S6a
EMS
LSM-R
MSS
RMI
Smart MBS Smart MBS
UE UE
Uu

Samsung Multi-ModalSystem Abstract
1-8 © SAMSUNG Electronics Co., Ltd.
management/modification of the throughput rate.
LSM (LTE System Manager)
LSM provides a synchronized interface for operator that Operation/Maintenance can be performed for
Basestaion(eNB) by operator. It also provides Software management, configuration management,
performance management, and alarm management features.
HSS(Home Subscriber Server)
HSS is a database management system that stores the parameter and geographical data of entire
subscribers. HSS manages important data including access availability, basic service, and additional
service of the subscriber. It also performs “Rooting Feature” for subscribers receiving calls.
MSS(Master SON Server)
MSS is a higher node of Local SON server. It synchronizes with Local SON Server to optimize the
synchronization in regards to Multi-LSM. MSS is a function that is compatible with the operator OSS,
and the availability of this function will be decided after discussion with operator.
PCRF(Policy Charging & Rule Function)
PCRF may generate policy rule in order to apply “QoS/Billing Policies per each Service Flow”
dynamically. Or it may generate Policy rule that is applied uniformly to multiple Service Flow.
Since IP edge contains PCEF(Policy and Charging Enforcement Function), Policy Rules(received from
PCRF) can be applied per each Service Flow.
OCS (Online Charging System)
If subscribers (with Online Billing information) makes call, subscriber’s billing information is
sent/received.
CG (Charging Gateway)
Stores the generated billing data, and provides billing data per each subscriber.

Smart MBS System Description
© SAMSUNG Electronics Co., Ltd. 1-9
1.3
Samsung Multi-Modal System Feature
Following is the feature supported by each mobile technology of Samsung Multi-Modal System.
1.3.1
CDMA System Feature
Following Figure shows CDMA system(BSC, BTS)based on 1X/1xEV-DO.
Figure 1.5 CDMA System Functional Structure
BSC works with voice core equipments (MSCe, MGW) to manage signaling and bearer process for voice
service. In BSC, SUA Handler is responsible for Alp signaling with MSCe, and Voice Handler sends the
voice bearer traffic to MGW. In addition, it works with PDSN for 1X data and 1xEV-DO data service.
A10 Handler manages the bearer traffic of such data 1X Data and 1xEV-DO Data service. A11 Handler
manages signaling for data service. RLP Handler manages ARQ feature for data communication.
For Authentication of 1xEV-DO terminal, AN-AAA client is responsible for synchronization with AN-
AAA. SC/MM executes session control and mobility management for 1xEV-DO.
BTS is responsible for Radio Resource Control and terminal communication. Through CAI(Common Air
Interface), it provides features such as high speed data service, multimedia service, new hand off, in
accordance with standards defined in 3GPP2 C.S0024-0_v4.0, 3GPP2 C.S0024-A_v3.0, and 3GPP2
C.S0024-B_v3.0, 3GPP2 C.S0063-B_v1.0
Abis
BSC
BTS
MAC
PHY
IP Packet Forwarding
Packet Classification
HARQ
L3
Voice Handler
SUA Handler
AN-AAA Client
SC/MM
A11 Handler
A10 Handler
RLP Handler
1X Voice
1xEV-DO
Paging Controller
IP Packet Forwarding
Packet Classification
ARQ

Samsung Multi-ModalSystem Abstract
1-10 © SAMSUNG Electronics Co., Ltd.
1.3.2
LTE System Feature
Following Figure shows functional separation between eNB, MME, S-GW, P-GW of E-UTRAN in
accordance with 3GPP standard. Generally, eNB manages “Connected mode” at AS(Access Stratum)
level. MME manages Idle mode terminals in NAS(Non-Access Stratum) level. Both S-GW and P-GW
performs “user data management” and provide the “link to foreign network”.
Following displays the functionality of eNB, MME, S-GW, and P-GW.
Figure 1.6 Function of E-UTRAN and EPC
eNB
eNB manages E-UTRAN(Evolved UTRAN), the wireless access network of LTE system. Multiple eNB are
connected via X2 interface, and these eNB are connected to EPC(Evolved Packet Core) via S1 interface.
Wireless protocol layer of eNB can be divided into Layer1, Layer2, and Layer 3. Layer 3 contains RRC
layer, Layer 2 contains three layers(MAC layer(sublayer), RLC layer, PDCP layer) where each layer
executes an independent process. RRC layer belongs to layer 3 of the wireless protocol. Generally, RRC
Layer is responsible for maintenance and control of RB(Radio Bearer), RRC connectivity, and Exchange of
System Data. Meanwhile, PDCP layer is responsible for header compression of IP packet, security features
like “ciphering/integrity check”, and “selective transmission feature” which can increase the efficiency of
“radio resource”
RLC Layer is responsible a) for segmentation and reassembly at MAC Layer for data which was received
from PDCP layer; b) of restoring the tx failure(at lower level) via retransmission (ARQ); and c) of
reordering which can be caused because by (HARQ in MAC layer)
For each bearer, MAC Layer distributes RF resources according to priority, multiplexes the data received
S1
EPC
eNB(E-UTRAN)
RRC
PDCP
RLC
MAC
PHY
MME
NAS Security
Idle State Mobility
Handling
EPS Bearer Control
S-GW
Mobility Anchoring
P-GW
UE IP address
allocation
Packet Filtering
Inter Cell RRM
RB Control
Connection Mobility Control
Radio Admission Control
eNB Measurement Configuration & Provision
Dynamic Resource Allocation (Scheduler)

Smart MBS System Description
© SAMSUNG Electronics Co., Ltd. 1-11
from various “Upper Logical Channels”, and performs HARQ(Hybrid ARQ).
MME(Mobility Management Entity)
MME works in conjunction with E-UTRAN(eNB) to handle “S1-AP signaling message”(of SCTP base;
used to control connection between MME and eNB) AND “NAS Signaling message” (of SCTP base; used
to control mobility and connection between terminal and EPC.) In addition, it works in conjunction with
HSS to obtain subscriber information, modification, and authentication. It can work in conjunction with S-
GW, as utilizing GTP-C protocol, to allocate bearer path (for data routing and forwarding, release, and
modification)
It can also work in conjunction with SGSN(of 2G, 3G) and MSC to provide Mobility, HO, CS fallback, and
SMS service.
MME can handle mobility, idle mode UE reachability, TA list management, P-GW/S-GW selection,
authentication, and bearer management.
MME supports mobility for handover between eNB, and supports handover between MME. Also, SGSN
selection is supported when it hands over to 2G, 3G, or 3GPP network.
S-GW(Serving Gateway)
S-GW plays role as mobility anchor when handover is executed between eNB, and 3GPP. As a supported
function, packet data is “Routed”, “Forwarded”. Billing Policy can be configured differently per each of
UE, PDN, and QCN. It can manage and modify the “packet transport layer” of the uplink/datalink data.
In addition, S-GW supports GTP and PMIP protocol in conjunction with MME, P-GW, and SGSN.
P-GW(PDN Gateway)
P-GW can execute Billing/Bearer policy in conjunction with PCRF, and per its policy. Billing, QoS, can be
managed/modified per service level. P-GW provides Packet filtering feature per each subscriber, and
allocates IP address to each UE. P-GW can manage/modify packet transport layer of the downlink Data.

Samsung Multi-ModalSystem Abstract
1-12 © SAMSUNG Electronics Co., Ltd.
This page is intentionally left blank.

Smart MBS System Description
© SAMSUNG Electronics Co., Ltd. 2-1
Chapter 2. Smart MBS Abstract
2.1 Smart MBS System Description
Smart MBS is the Basestation of Samsung Multi-Modal System. It is managed by packet core (either BSC,
ACR, or EPC), and makes call to terminal to create CDMA/LTE links.
Smart MBS interfaces with UE via either CDMA(3GPP2 CDMA2000 1X Advanced and 1xEV-DO
Rev.0/Rev.A (20110408)), LTE(3GPP LTE Rel.8/9). It provides broadband high speed data service and
multimedia services.
In order to implement this, Smart MBS can perform Modulation/Demodulation (for voice or packet
traffic), assign Scheduling and Wireless Bandwidth (for efficient use of RF resources and to guarantee
QoS), handle ARQ(Automatic Repeat request), perform ranging feature, provide connection control
feature (for sending Smart MBS information and enable/maintain/disable the call), Synchronize
BSC/ACR/EPC, provides Power Control, and executes system operation management.
By Fast Ethernet/Gigabit Ethernet backhaul, Smart MBS synchronize the control station to transceive
reliable control signal and traffic signal.
Smart MBS is separated into UADU(Universal Platform Digital Unit, an indoor DU) and the
RRH(Remote Radio Head, a combined RF unit). UADU is mounted in the outdoor DU cabinet(along
with the rectifier) to support outdoor environment.
UADU is a digital component for 19” shelf. It can be mounted onto either indoor or outdoor 19 inch
commercial rack, and one UADU can provide the following maximum capacity. Based on operator’s
setup, it can be operated as omni type or sector type.
- CDMA 1X / EVDO : Max 8Carrier/3Sector(2Br)
Max 6Carrier/3Sector(4Br)
- LTE (FDD) : Max 5Carrier/3Sector
- LTE (TDD) : Max 3Carrier/3Sector
RRH is RF component that is built into a single module. It can be mounted onto Walls, Poles, or Stands
in outdoor environments.
Depending on Frequency bandwidth and duplexing type, RRH can be classified into following types.

Smart MBS Abstract
2-2 © SAMSUNG Electronics Co., Ltd.
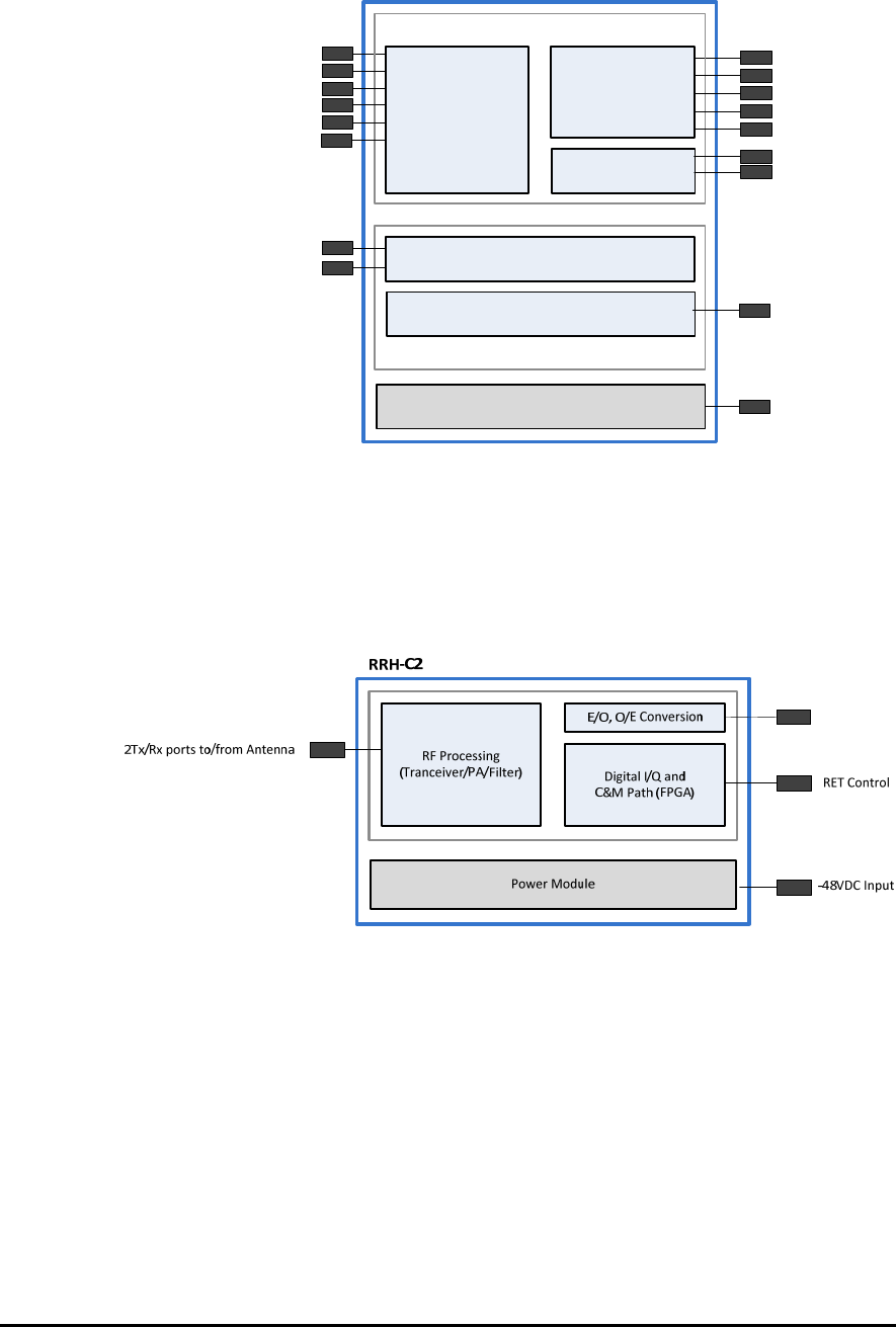
- RRH-C2: 800MHz Cellular band, 2Tx/2Rx RF path
- RRH-P4 : 1.9GHz PCS band, 4Tx/4Rx RF path
Smart MBS has other features provided as below.
Common Platform DU/RRH
Digital boards of each wireless technology, to be mounted in Smart MBS, share the common DU
platform. Therefore, different boards(for multiple technology) may be mounted in a single DU, and
operator can mount up to 4 DU in outdoor DU cabinet to implement various configuration.
RRH of Smart MBS can simultaneously support multiple technologies in the same duplexing type with
the same bandwidth.
RRH(Remote Radio Head) separated from DU(Digital Unit)
In order to provide ease of installation and various network structure, Smart MBS has separated RRH
from DU. Between RRH and DU, a fiber optic ‘Baseband I/Q and C&M’ interface, based on
CPRI(Common Public Radio Interface), is used to send/receive “data traffic signal” and “OAM data”. DU
and RRH gets -48VDC from rectifier inside the outdoor DU cabinet.
Provide Easy Installation
RRH integrates optic-sync component and RF signal processor, and is a small & light weight single
module. RRH can be mounted onto Walls, Poles, or Stands. In addition, distance between RRH and
Antenna is minimized that RF signal loss(caused by Feeder Line) is decreased. Therefore, it can provide
improved RF performance when compared to Basestation that has Digital Unit and RF Unit altogether.
Natural Cooling Mechanism
RRH(Remote Radio Head) may be installed in outdoor environment, and its thermal-dynamic design
efficiently dissipates heat without requirement of additional cooling mechanism. Also, no maintenance cost
is required for RRH cooling.
Feature for Loop-Back Test of the line between DU and RRH
In order to check functionality of the “Base-band I/Q and OAM interface” between DU and RRH, Smart
MBS provides Loop-back Test.
Provides Remote Firmware Downloading
RRH may be replaced with firmware to enhance service and upgrade new features. At this time, Site visit
is not required as firmware can be downloaded from basestation operation server (such as
BSM/WSM/LSM-R). Therefore, operator can minimize the site visit, reduce the maintenance cost, and
easily operate the system.
Provides Monitoring Port.
Through debug port of RRH, operator can monitor the information about the unit.

Smart MBS System Description
© SAMSUNG Electronics Co., Ltd. 2-3
Support for Smooth Migration
Smart MBS can provide migration from CDMA to 4G LTE )wireless telecommunication by either adding
“traffic processor card and channel card” or “software upgrade”.
In case of RRH, in the same frequency band, simple Software upgrade would allow conversion into 4G
wireless telecommunication. Also, simultaneous operation of 3G and 4G is possible.
Furthermore, following are the Smart MBS features per each wireless technology.
2.1.1 Smart MBS CDMA System Feature
Support for 1X Advanced
In order to improve voice capacity and data rate, Smart MBS supports “1X Advanced”.
In case of “1X Advanced”, EVRC-B, RLIC, QOF, New RC, QLIC, and MRD are implemented for voice
capacity enhancement.
QChat
Smart MBS supports QChat(Qualcomm Chat) which is a PTT service that is based on 1xEV-DO.
For QChat service, BSC/BTS runs in conjunction with QAS(QChat Application Server) and PDSN
to exchange “signaling and bearer traffic” with terminal. QChat can support 1:1 call and group call,
and reserve QoS(Quality of Service).
Provides Dual Band
Dual band is a feature that allows single basestation to provide different services in 2 different RF
bandwidths. Smart MBS can simultaneously provide service on 800MHz band and 1.9GHz band. With
exception of RRH, Smart MBS can utilize entire hardware to be shared for 2 bands. Smart MBS’s Digital
Unit can provide up to maximum capacity of 12 Carrier/3 Sector(2Br) or 6Carrier/3Sector(4Br). For
1.9GHz, Smart MBS supports 4Br.
Tx/RX Diversity Support
In order to improve RRH-C2 and RRH-P4, Smart MBS optionally provides TDTD(Time Delay Transmit
Diversity) feature that will transmit “CDMA Modem output of 1Tx” from “RF path of 2Tx”.
Also, in order to improve receive performance, RRH-C2 and RRH-P4 provides 2 Branch receive
diversity (which provides 2 receive path per each sector) as a standard. Optionally, Operator may choose
that RRH-P4 can provide 4 Branch receive Diversity which will provide 4 receive paths.
2.1.3 Smart MBS LTE System Feature
OFDMA/SC-FDMA Technology
Smart MBS can handle downlink OFDMA/uplink SC-FDMA channel processing that supports the
Physical Layer of LTE standard.
Downlink OFDMA can use sub-carrier, which are assigned to each subscriber, to simultaneously send
data to multiple users. Also, in accordance with the requested data transfer rate, it can assign single(or

Smart MBS Abstract
2-4 © SAMSUNG Electronics Co., Ltd.
multiple) sub-carrier to particular subscriber for data transmission. Also, when entire sub-carriers are
shared by multiple subscribers, OFDMA can dynamically determine well-matched sub-carrier for each
subscriber, so that resource can be assigned efficiently to enhance data throughput.
Uplink SC-FDMA is basically similar to Mod/Demodulation algorithm of OFDMA. However, DFT
process is handled per each subscriber during Tx Modulation, then on contrary, IDFT process is handled
during Demodulation to minimize potential PAPR that can occur during the transmission. Also it is
responsible for assigning the particular frequency resource to particular subscriber continuously. As a
result, it will reduce the power that is dissipated by terminal.
Support for Broadband Channel Bandwidth
Smart MBS provides wide bandwidth of up to 20MHz and high speed/high capacity packet service.
Support for MIMO
Smart MBS uses multi antenna to support 2x2 or 4x4 MIMO. MIMO has following algorithms
SFBC (Space Frequency Block Coding)-Downlink
Increases Link Reliability, This technology implements STBC(Space Time Block Coding) on
frequency domain rather than time domain.
a) 2 Tx Case : STBC(Alamouti codes) algorithm is used.
b) 4 Tx Case : SFBC and FSTD(Frequency Switched Transmit Diversity) are used together.
SM (Spatial Multiplexing)-Downlink
This algorithm sends different data to different antenna path to increase peak data rate. (each path
uses same time/frequency resource)
a) SU(Single User)-MIMO: This is the SM between Basestation and single UE. It increases the
peak data rate of a single UE.
b) Open-loop SM: If channel changes often, or channel information is not available because UE
travels in high speed, this is the SM algorithm that works without PMI(Precoding Matrix
Indicator) feedback.
c) Closed-loop SM: If channel information is available because UE travels in low speed, this is the
SM algorithm(codebook-based precoding) that works after receiving UE’s PMI(Precoding
Matrix Indicator) feedback from basestation.
UL Transmit Antenna Selection-Uplink
This is the algorithm (Closed-loop selection of Tx antenna) that indicates terminal to use 1 RF chain,
2 Tx antenna, and which antenna to use.
MU(Multi-User) MIMO or Collaborative MIMO-Uplink
There is no increase in peak data rate, but this algorithm increases the total cell throughput. This is
SM algorithm in which 2 terminals use the same time/frequency resource for UL, where basestation
use single Tx antenna, and two orthogonal terminals are used.

Smart MBS System Description
© SAMSUNG Electronics Co., Ltd. 2-5
System feature and projected date to deliver new feature
For each feature described in this system description and its projected delivery,
please refer to the additional document.

Smart MBS Abstract
2-6 © SAMSUNG Electronics Co., Ltd.
2.2 Smart MBS Main Feature
Smart MBS is a basestation that supports CDMA/LTE technology which provides physical layer, and call
processing feature. Regardless of the operated technology, IP processing feature and
operation/maintenance feature is integrated.
2.2.1 Physical layer Processing Feature
2.2.1.1 CDMA Processing Feature
1X & 1xEV-DO
Smart MBS’s CDMA operation can be classified into 1X or 1xEV-DO per each carrier.
The purpose of 1X is for voice service while 1xEV-DO is for Data service. Their algorithms have
following differences.
Specification 1X 1xEV-DO
Peak data rate 307.2kbps 3.1Mbps
Frame Duration 20ms 26.67ms
Traffic Channel Fundamental/Supplemental
/Dedicated Control Channel Traffic Channel
BS Tx power Controlled power Always Full power
Pilot channel Continuous pilot Burst pilot
Channel encoding Convolution & turbo code Turbo code
Modulation BPSK, QPSK BPSK ~ 16QAM
Channel Encoding/Decoding
Using Convolution Code and Turbo Code, Smart MBS encodes the “downlink packet” which was
generated from the upper system. On the other hand, SMART MBS demodulates the “uplink packet”
which was received from UE, then decodes it.
Modulation/Demodulation
Smart MBS encodes the “downlink packet” which was received from upper system, and modulates it. On
the other hand, Smart MBS demodulates “uplink packet” which was received from UE, then decodes it.
RF Scheduler
Smart MBS provides RF scheduling feature in order to efficiently distribute system’s RF resource, and to
guarantee system quality. “Call Admission Control(CAC)/ Burst Operation Control(BOC)/ Overload
control” feature is provided in case of 1X, but “Proportional Fair/ Round Robin/ QoS Scheduler” is
provided in case of DO.
Power Control

Smart MBS System Description
© SAMSUNG Electronics Co., Ltd. 2-7
In order to maximize the system capacity, smart MBS should control the terminal’s power so that
minimal “signal to noise ratio” is obtained for each terminal. Throughout such power control, Smart MBS
can minimize the noise, provide good voice quality, and provide increased system capacity.
2.2.1.2 LTE Processing Feature
Downlink Reference Signal Generation and Transmission
Reference Signal is used for demodulation of downlink signal at UE, and also utilized for measuring the
channel characteristic for scheduling, link adaptation, and handoff.
In case of sending Non-MBSFN, there are two reference signals, namely “cell-specific reference signal
and UE-specific reference signal”
Cell-specific reference signal is used for Channel Quality Measurement, MIMO Rank Calculation,
MIMO precoding matrix selection, and signal threshold for handoff. For MIMO, different reference
signal is sent per each antenna path.
Downlink Synchronization Signal Generation and Transmission
Synchronization signal is used by UE when obtaining the initial synchronization before communicating
with basestation. It has two signals, namely Primary Synchronization Signal(PSS) and Secondary
Synchronization Signal(SSS). Cell identity information can be identified by synchronization signal. UE
can obtain additional information(other than cell information) via Broadcast Channel. Synchronization
signal and Broadcast channel are transmitted through the exact center of channel bandwidth of the cell,
which is 1.08 MHz band. This is to allow UE to identify cell’s basic information(such as cell ID)
regardless of basestation’s transmission bandwidth range.
Channel Encoding / Decoding
Smart MBS executes channel encoding/decoding function which is designed to correct the error
generated on wireless channel environment. LTE uses turbo coding and 1/3 tail-biting convolutional
coding. Turbo coding is generally used to send relatively large data of downlink/uplink, while
convolutional coding is used for control data transmission(downlink and uplink) or used as broadcast
channel.
Modulation/Demodulation
In case of downlink, Smart MBS receive data from upper layer, process it with baseband (of physical
layer), and sends it out onto wireless channel. At this time, baseband signal is modulated to higher
bandwidth in order to transmit it to longer distance. Also, in case of uplink, basestation receives the data
via wireless channel, demodulate it into baseband signal, and decodes it.
Resource Allocation & Scheduling
With LTE, Smart MBS uses multi link scheme. OFDMA is used for downlink while SC-FDMA is used
for uplink. Both schemes allocate 2-dimensional(time & frequency) resources into multiple
terminals(without overlapping to each other) that communication link is allocated to multiple terminals.
In exceptional case of MU-MIMO mode, same resource can be shared among multiple terminals. Such
allocation of resources onto multiple terminal, is referred to as scheduling, and individual scheduler of
each cell can process this.
LTE Scheduler of Smart MBS can analyze channel environment of each terminal, demanded data transfer

Smart MBS Abstract
2-8 © SAMSUNG Electronics Co., Ltd.
rate, and various QoS to optimize the resource allocation to maximize the cell’s total throughput. Also, in
order to reduce the interference with other cells, it can exchange information with other cell’s scheduler
via X2 Interface.
Link Adaptation
Wireless channel condition can change either rapidly or slowly, either improve or deteriorate. When
channel’s condition can be expected, it can be used to increase the data transfer rate, or maximize the
entire cell’s throughput. This is called “Link Adaption”. Particularly, MCS(Modulation and Coding
Scheme) can adjust modulation scheme and channel coding rate at different channel’s conditions. For
example, good channel environment will utilize high-order modulation(such as 64 QAM) to enlarge the
number of transmitted bit per unit symbol, but bad channel environment will utilize low-order modulation
and low coding rate to minimize the channel error.
In channel environment where MIMO is supported, MIMO Mode is utilized to either increase the user’s
peak data rate or cell throughput. In cases when channel condition is incorrectly reported, or if higher
ordered modulation or coding rate is used, error can occur. This can be efficiently corrected by Hybrid-
ARQ feature.
Hybrid-ARQ (H-ARQ)
H-ARQ is a physical layer retransmission scheme which utilizes stop-and-wait protocol.
Smart MBS executes H-ARQ to minimize the potential impact due to change in either wireless channel
environment or noise signal level. It improves throughput by “retranmitting” or “combining” the frame in
physical layer.
LTE uses H-ARQ technique based on incremental redundancy(IR), and considers “chase
combining(CC)” scheme as one specific method of IR. In case of Downlink, Smart MBS uses
asynchronous scheme, but uplink uses synchronous scheme.
Power Control
The purpose of power control is to adjust the power level to transmit particular data rate. Excessive power
would cause interference while insufficient power would increase error rate that either retransmission or
delay is created.
When compared to the CDMA, power control is not as important in LTE. However, appropriate power
control can improve the LTE system’s performance.
In case of LTE uplink, SC-FDMA does NOT create near-far problem as in CDMA. However, high power
level from nearby cell can still deteriorate the uplink performance. Therefore, UE should transmit with
appropriate power level to prevent it from radiating interference to nearby cells. In case of LTE uplink,
UE’s power level may be adjusted to lower “inter-cell interference level”. In case of Downlink, Smart
MBS can transmit with appropriate power depending on terminal’s location and MCS so that inter-cell
interference can be minimized. As a result total cell throughput can be improved.
MIMO
In order to provide high performance data service, Smart MBS supports various types of MIMO through
multi Antenna(2Tx/2Rx or 4Tx/4Rx) of RRH as described in above section 2.2.3

Smart MBS System Description
© SAMSUNG Electronics Co., Ltd. 2-9
2.2.2 Call Processing Feature
2.2.2.1 CDMA Processing Feature
Call Process and RF Resource Allocation Feature
Smart MBS allows UE to connect to, or disconnect from the network.
When UE is either connected or disconnected from the network, Smart MBS communicates with UE
using “3GPP2 1X/1xEV-DO interface”, or communicates with BSC using “Samsung proprietary standard
interface”, to exchange signaling messages required for call processing.
Execution of Handoff
Smart MBS provides feature to process signaling (required for softer hand-off between sectors, and
soft/hard handoff between basestations) and bearer. Softer handoff is performed between different
sectors of the same basestation. Also, handoffs between basestations are performed in conjunction with
BSC.
CAC (Call Admission Control) Feature
In order to maintain efficient use of RF resources and high performance service, Smart MBS provides
feature for mobile terminal or basestation to accept/deny the demand for wireless resource allocation.
Also, to accept particular RF resource demand, it may modify the characteristics of different wireless
resources.
2.2.2.3 LTE Processing Feature
Cell Data Transmission Feature
Smart MBS should periodically send MIB(Master Information Block) and SIBs(System Information
Blocks) within the cell region, that the UE (which received this information) will be able to execute
appropriate call processes.
Call Control and Wireless Resource Allocation Feature
Smart MBS allows UE to either connect to, or disconnect from the network.
Via Uu interface (for UE) or S1 interface (for EPC), Smart MBS exchanges signaling messages required
for call processing at UE’s network entry or release.
Smart MBS should execute the call control and resource allocation that is necessary for UE during
network entry. Then, at network release, it should collect the previously assigned resource, and release it.
Execution of Handover (HO)
Smart MBS can support intra frequency, inter-frequency, or intra-eNB cell HO, X2 HO between eNB, S1
HO between eNB, and executes signaling and bearer processing feature required for HO. HO related
messages are transmitted via following interfaces : Intra-eNB HO via interface inside eNB, X2 HO via
X2 interface, and S1 HO via S1 interface.
At X2 and S1 HO, Smart MBS executes data forwarding feature in order to minimize the traffic
interruption. Source eNB provides 2 schemes i) of direct forwarding using X2 interface, or ii) of indirect

Smart MBS Abstract
2-10 © SAMSUNG Electronics Co., Ltd.
forwarding using S1 interface, to forward to target eNB. Via Data forwarding, smart MBS should make
sure that UE receives the traffic without interruption during the HO.
AC(Admission Control) Feature
For Bearer Setup request from EPC, Smart MBS should provide the admission control(based on QoS)
that system is not overloaded. Capacity and QoS based admission control is executed as follows.
Admission control based on capacity
This contains the threshold for the maximum number of UE (new call/handover call) and the
maximum number of bearer. When the requested call is accepted, number of UE and number of
Bearer will need to be compared to the threshold before the acceptance is confirmed.
Admission control based on QoS
In accordance with the estimated PRB usage of newly requested bearer, PRB usage statistics of the
bearers in service, and maximum capacity of PRB(per bearer type, per QCI type, UL/DL ), Smart
MBS determines the call acceptance.
RLC ARQ Feature
Smart MBS can execute ARQ feature only for RLC AM(acknowledged mode). At packet data exchange,
RLC should divide the SDU into RLC PDU unit, before sending it. Depending on the received ARQ
feedback data, RLC should retransmit the packet to improve the reliability of data communication.
QoS Support Feature
Smart MBS should receive QCI(QoS Class Identifier) which defines QoS characteristics, GBR, MBR,
AMBR(Aggregated Maximum Bit Rate) from EPC. Also, it should provide QoS between wireless
interface between UE and eNB, and on the backhaul between the eNB and S-GW.
Wireless interface should perform retransmission in order to satisfy “rate control based on
GBR/MBR/AMBR values”, “bearer priority defined in QCI”, and “scheduling considered packet delay
budget”, and “PLER(Packet Loss Error Rate)”.
For QoS in Backhaul, “Packet classification(QCI based)”, “QCI to DSCP mapping”, and “marking”
should be executed. Queuing should be provided in accordance with the result of the mapping, and each
Queues should send the packets to EPC per strict priority.
In case of EMS, other than the previously defined QCI, configuration for operator specific QCI and QCI-
to-DSCP mapping can be configured.
2.2.3 IP Processing Feature
IP QoS Feature
Smart MBS should support DiffServ(Differentiated Services) that backhaul QoS can be provided when
communicating with control stations such as BSC/ACR/EPC.
Smart MBS can support Diffserv of 8 class, and also can support the mapping between “user traffic
service class” and “DiffServ Service class”.
In addition, Smart MBS can support the mapping between “DSCP (Differentiated Services Code Point)”
and “802.3 Ethernet MAC service”.

Smart MBS System Description
© SAMSUNG Electronics Co., Ltd. 2-11
IP Routing Feature
Since Smart MBS provides multiple Ethernet interfaces, it stores the IP packet’s routing information(what
Ethernet interface to use) into routing table.
Smart MBS’s Routing table is enabled by operator’s configuration, its configuration method is similar to
router’s standard configuration method.
Smart MBS only supports static routing, and it does not provide routing feature for traffics received from
external network.
Ethernet/VLAN Interface Feature
Smart MBS provides Ethernet interface, and supports “static link grouping feature”, “VLAN(Virtual
Local Area Network) feature”, and “Ethernet CoS” feature in accordance with IEEE 802.3ad. At this time,
MAC bridge feature(IEEE 802.1D) is omitted.
Smart MBS can configure multiple VLAN ID on single Ethernet interface. In order to support Ethernet
CoS, DSCP value and CoS value(of Ethernet header) is mapped on Tx packet.
2.2.4 Convenient Operation and Maintenance Feature
In conjunction with management system, Smart MBS executes System initialization and reset, system
configuration management, operation parameter management, system resource and service alarm/status
management, statistics management for system resource and various performance data, diagnostic
management for system resources and services, and system access and security management.
Graphic and Text based Interface
Samsung Multi-Modal System has management server as BSM/WSM/LSM which utilizes
DBMS(Database Management System) to manage CDMA access system and LTE system. Smart MBS
is managed with such operational servers.
Operational servers provide graphic and text based interface for intuitive and convenient use of operation
and maintenance.
Also, operators can use graphic and text based interface to display information, configure, and access
alarm status via various commands on Smart MBS. However, for resource GROW, DEGROW, or
neighbor list configuration where several NE needs to be configured, each of the respective
BSM/WSM/LSM-R should to be used to make such changes.
Operator Authentication Feature
Smart MBS provides authentication and restricted management feature for operator who manages
Samsung Multi-modal system. Operator can access Smart MBS via console terminal with ID and
Password, and Smart MBS acknowledges corresponding user’s operation level. Smart MBS logs the
history at access success, failure, or login.
Maintenance Feature with Improved Security
When communicating with BSM/WSM/LSM-R, Smart MBS supports SNMP(Simple Network
Management Protocol version), FTP and SFTP(SSH File Transfer Protocol) for security. When

Smart MBS Abstract
2-12 © SAMSUNG Electronics Co., Ltd.
communicating with console terminal, it supports HTTPs(Hyper Text Transfer Protocol over SSL), and
SSH(Secure Shell).
For operation and maintenance, Smart MBS provides secured management features for display and
configuration for operational parameter, alarm status management, statistics for various performance data,
diagnostics for resource and services, call trace, and system access and operation.
On-line Software Upgrade
When Software package is upgraded, Smart MBS can upgrade the package while the existing software
package is running. Package upgrade is processed as ‘new package download(Prepare) => Change to new
package(Change)=>Remove the former package(Complete)’.
At package upgrade, since existing process needs to be terminated during ‘change to new package’ step to
allow new process to run, service is temporarily interrupted. However, since OS does not need to be reset,
service can be provided within few minutes.
After Software upgrade, Smart MBS should update package stored in the nonvolatile storage. Also, Smart
MBS may re-execute the ‘change to new package’ step to roll back to the package prior to the upgrade.
Call Trace Feature
Smart MBS can support call trace feature for specific UE(User Equipment)
Operator can configure trace for specific UE via BSC/MME or ACR/BS. At this time, trace result(such as
signaling message) are sent to operational server (such as BSM/WSM/LSM-R).
TCA(Threshold Cross Alert) Control
Operational Servers such as BSM/WSM/LSM-R defines under/over threshold for statistical items. If the
total statistical values(obtained periodically per configured Bucket interval : 15, 30, or 60 min ) are
smaller than under threshold, under TCA alarm is triggered. If it is greater than over threshold, over TCA
alarm is triggered. Per classification of each statistical group, TCA can configure threshold per each
severity.
IEEE 802.3ah
Smart MBS provides IEEE 802.3ah Ethernet OAM feature for backhaul interface. Although IEEE
802.3ah OAM is considered as PHY layer, it is located in MAC layer to allow it to be applied to entire
IEEE 802.3 PHY layer. As defined in the standard, it generates and processes 802.3ah OAM frame.
Ethernet OAM features include discovery (which discovers each other’s link, continuously monitors
connectivity, and sends major link event such as “Dying Gasp”), remote loopback, link monitoring(which
monitors error packets to send event notification if it is greater than the threshold ), variable retrieval for
802.3ah standard MIB.
Smart MBS supports 802.3ah Ethernet OAM passive mode features including “response and loopback
mode for 802.3ah OAM feature which is triggered from external Active Mode entity”, and “event
notification transmission”.

Smart MBS System Description
© SAMSUNG Electronics Co., Ltd. 2-13
OAM Traffic Throttling
Per operator’s command, Smart MBS provides feature that can limit the OAM related traffic which can
be caused from system. At this time, the target OAM traffic includes “alarm trap message” which is used
for alarm report, and periodically collected statistical file.
In case of alarm trap, operator can use alarm inhibition command to limit the alarm for entire system
alarm or particular alarm traps. Therefore, amount of alarm traffic can be controlled. In case of statistical
file, operator can use statistics collection command to disable the collection feature, and adjust the size of
statistical file.

Smart MBS Abstract
2-14 © SAMSUNG Electronics Co., Ltd.
2.3 Smart MBS Specification
Capacity
Smart MBS can provide the following capacity.
Classification System Capacity
Channel Bandwidth CDMA : 1.25MHz
LTE : 5MHz
RF Bandwidth CDMA/LTE FDD
: 862MHz~869MHz(DL), 817MHz~824MHz(UL) @ Cellular Band
1,930MHz~1,995MHz(DL), 1,850~1,915MHz (UL)@ PCS Band
Number of maximum
Carrier/Sector Per each
UADU
CDMA : 8Carrier 3Sector(2Br) or 6Carrier 3Sector(4Br) or mix
LTE : 5Carrier 3Sector @ 5MHz channel BW
Number of UADU per
DU cabinet
Maximum 4
Backhaul Interface 100/1000Base-T
1000Base-SX/LX
Air Technology CDMA : SIMO (1Tx/2Rx,1TX/4R) or RRH TDTD(2Tx/2Rx,2T4R)
LTE : MIMO (2x2, 4x2, 4x4)
Output Per Antenna Port
CDMA : 20W/Carrier for SIMO or (10W+10W)/Carrier for TDTD
LTE FDD : (5W x 4Tx)/Carrier @ 5MHz channel BW
RF Output
Output of LTE can change depending on channel bandwidth.
Power Input
Following is the power specification for Smart MBS.
Type Standard
Board and Module Input Voltage a) -48 VDC (Voltage Variation Range: -40~-56 VDC)
a) UADU(Digital Unit) and RRH(Remote Radio Head) are supplied with -48VDC power from DU
cabinet’s rectifier.
Rack Dimension and Weight
Following is dimension and weight of the Smart MBS.
Type Standard
Dimension DU(Digital Unit) 434(W) x 385(D) x 88 (H) mm

Smart MBS System Description
© SAMSUNG Electronics Co., Ltd. 2-15
RRH
(Remote Radio Head)
RRH-C2 : 280(W) x 390(D) x 460(H) mm
(Ext. Filter : 268(W) x 75(D) 291(H) mm)
RRH-P4 : 227.5(W) x 350(D) x 604(H) mm
Weight
DU(Digital Unit) Approximately. 12kg
RRH
(Remote Radio Head)
RRH-C2 : 27kg (Ext. Filter 4kg)
RRH-P4 : 27kg
[Note] Smart MBS’s Outdoor DU cabinet has following dimension and weight.
- Dimension : 700(W) × 1035(D) × 1800(H)
- Weight : 251kg or less(Except DU)
Environmental Requirements
Following indicates temperature, humidity, and other environmental requirements where Smart MBS can
be operated on.
(1) DU (Digital Unit)
Type Range
Temperature a) 0~50°C(32~122°F)
Humidity a) 5~90%
Assuming 1kg of air contains water vapor NOT exceeding 0.024 kg.
Altitude -60~1,800 m(-197~6,000 ft)
Vibration GR-63-CORE Sec.4.4
- Earthquake
- Office Vibration
- Transportation Vibration
Zone 3
Zone 4 (After installing guide rail at the bottom)
Sound Pressure Level At 1.5 m height, 0.6 m distance, it should be less than or equal to 60
dBA
EMI FCC Title47 Part 15 Class A
a) For temperature/humidity, measurement is in reference to 1.5m(59 in.) above the ground, and
400mm(15.8in.) away from the front of DU.

Smart MBS Abstract
2-16 © SAMSUNG Electronics Co., Ltd.
(2) RRH-C2 (800MHz)
Type Range
Temperature a) -40~55°C(-40~131°F) without solar load
Humidity a) 10~95%
Assuming 1kg of air contains water vapor NOT exceeding 0.024 kg.
Altitude 0~1,800 m(0~6, 000 ft)
Vibration GR-63-CORE Sec.4.4
Earthquake
Office Vibration
Transportation Vibration
sound pressure level At 1.0 m(3 ft) height, 1.5 m(5 ft) distance, it should be less than or
equal to 65 dBA
EMI FCC Title47 Part 15 Class B
US Federal Regulation FCC Title47 Part90
a) For temperature/humidity, measurement is in reference to 1.5m(59 in.) above the ground, and
400mm(15.8in.) away from the front of RRH.
(3) RRH-P4(1.9GHz)
Type Range
Temperature a) -40~55°C(-40~131°F) without solar load
Humidity a) 10~95%
Assuming 1kg of air contains water vapor NOT exceeding 0.024 kg.
Altitude 0~1,800 m(0~6, 000 ft)
Vibration GR-63-CORE Sec.4.4
Earthquake
Office Vibration
Transportation Vibration
sound pressure level At 1.0 m(3 ft) height, 1.5 m(5 ft) distance, it should be less than or
equal to 65 dBA
EMI FCC Title47 Part 15 Class B
US Federal Regulation FCC Title47 Part27
a) For temperature/humidity, measurement is in reference to 1.5m(59 in.) above the ground, and
400mm(15.8in.) away from the front of RRH.

Smart MBS System Description
© SAMSUNG Electronics Co., Ltd. 2-17
2.4 Backhaul Interface Operation
Smart MBS can support backhaul standard of Copper (Ethernet), Optic (Ethernet).
Smart MBS only supports Ethernet(optic and copper) and T1 interface. If operator wishes to use
Microwave backhaul, Smart MBS should place the microwave equipment in the DU cabinet’s internal
auxiliary space to support microwave backhaul.
Interface Type Number of port per
each board
CDMA 100/1000Base-T 1
1000Base-SX/LX 1
LTE 10/100/1000Base-T 2
1000Base-SX/LX 2
Smart MBS provides the function where multiple communication technology is utilizing a single
backhaul network. In order to overcome potential issue due to this, following mechanisms are supported.
- Scheme to separate network per RAN technology
: Scheme to assign different VLAN ID per each RAN technology, and separate it into different logical
NW.
- QoS Feature
: Ethernet CoS and Deffserv Feature
- Minimal Traffic interference between RAN technology
: Traffic shaping feature per each RAN technology
For Cell Sites with Smart MBS, in some cases, CSR(Cell Site Router) is mounted within the auxiliary
space within the DU cabinet. In this case, backhaul interface aggregation is provided by CSR.
Ethernet interface is “static link aggregation” based on 802.3ad(static), and multiple links are operated.
The interface for general user traffic is shared to provide the interface for operation and maintenance, and
is operated as in-band method.

Smart MBS System Description
© SAMSUNG Electronics Co., Ltd. 3-1
Chapter 3. Smart MBS’s Hardware Structure
Smart MBS is designed in a divided architecture that consists of UADU(digital unit) and RRH(combined
RF module). UADU can be mounted on 19 inch outdoor or indoor commercial rack, RRH can be
mounted on walls, poles, or stands.
Outdoor DU cabinet
For Outdoor DU Cabinet and its specification and diagram, refer to ‘Installation
Manual’.
DU
UADU consists of Digital board, FAN, and backboards. UADU consists of combination of the following
digital boards.
- CIMA(CDMA Management board Assembly)
: CDMA main processor board
- UAMA(Universal Platform Management board Assembly)
: LTE main processor board
- CICA (CDMA IP Channel card board Assembly)
. CICA-A: CDMA 1X Advanced Channel Card
. CICA-D: CDMA 1X Advanced & DO rev.0/rev.A Channel Card
- L9CA (LTE eNB Channel card board Assembly)
: LTE Channel Card
UADU allows OAM for Smart MBS, allows Smart MBS to synchronize with upper
controllers(BSC/ACR/EPC) and packet core, and provides communication paths between each
processors within the system. UADU receives synchronization signal from GPS, create signal for system
synchronization(such as reference clock, Even, SFN(System Frame Number), or TDD), and supply this
to lower hardware blocks.
UADU interfaces with RRH to exchange data traffic, and executes signal processing for subscriber signal.
Also, UADU can receive alarm from external devices (such as RRH, lower module, rectifier, or battery),
and control them.

Smart MBS’s Hardware Structure
3-2 © SAMSUNG Electronics Co., Ltd.
Figure 3.1 UADU Configuration - CDMA Single mode
Figure 3.2 UADU Configuration - LTE Single mode
Figure 3.3 UADU Configuration - CDMA + LTE dual mode
RRH
The UADU(which is the DU unit of Smart MBS) and the RRH(which can be synchronized) can be
classified into 3 types depending on the operating frequency, and duplexing technique.
- RRH-C2 : 862 ~ 869MHz (DL), 817 ~ 824MHz (UL), FDD
- RRH-P4 : 1,930~1,995MHz (DL), 1,850~1,915MHz (UL), FDD
RRH is a RF combined module. It is physically isolated from UADU, but synchronized through a fiber
optic cable. RRH is mounted right before the antenna.
In case of Downlink, RRH converts the data traffic, ‘Digital I/Q and C & M’(received from UADU), into
RF signal to send it via external antenna. At this time, the Transmit RF power from antenna ports is as
follows.
- RRH-C2 : 20W/Carrier or (10W+10W)/Carrier @ CDMA
(10W + 10W)/Carrier @ LTE FDD
- RRH-P4 : 20W/Carrier for SIMO or (10W+10W)/Carrier for TDTD @ CDMA
(5W x 4Tx)/Carrier @ LTE FDD 5MHz channel BW
In case of uplink, on the other hand, RRH converts the received RF signal into ‘Digital I/Q and C & M’ data

Smart MBS System Description
© SAMSUNG Electronics Co., Ltd. 3-3
traffic, to send it to UADU.
Via ‘Digital I/Q and C & M’ interface, RRH receives UADU clock information, and exchanges alarm and
control messages.
Figure 3.4 RRH-C2 (800MHz)
Figure 3.5 RRH-P4(1.9GHz)

Smart MBS’s Hardware Structure
3-4 © SAMSUNG Electronics Co., Ltd.
3.1 Internal System Architecture
Following is the internal block Figure for each communication technology of Smart MBS.
3.1.1
CDMA Internal System Architecture
Figure 3.6 Smart MBS CDMA Internal Block Diagram

Smart MBS System Description
© SAMSUNG Electronics Co., Ltd. 3-5
A. CDMA Traffic Architecture
Transmit path
When User Data is received from BSC via Public Network, it goes through Network Synchronization
Module, and sent out to CICA via Ethernet Switch of CIMA(Main board).
The transmitted data goes through Digital Processing of the Baseband level, then converted to
E/O(Electrical to Optic) in form of [Baseband I/Q and C&M interface] which is based on CPRI interface
in CIMA. The converted signal is then sent out to remote RRH. RRH converts the received optic signal
via O/E(Optic to Electrical) process. The converted broadband baseband signal is then converted to
analog signal, and goes through amplifier for amplification. The amplified signal is then filtered through
the band pass filter of the operating frequency, and transmitted.
Receive Path
The RF signal that was transmitted from Antenna is filtered by RRH, and amplified via LNA. This signal
then goes through “RF Down-Conversion” and “Digital Down-Conversion” to be converted into
baseband signal. This signal is in form of [Baseband I/Q and C&M interface] which is based on CPRI
interface, and goes through E/O(Electrical to Optic) conversion once again. The converted signal is then
sent to CIMA-A via fiber optic cable, it is converted into Ethernet frame by CDMA baseband signal
processor of CICA, and sent to CIMA-A(main board). Finally, it goes through network synchronization
module to be sent out to BSC.
B. CDMA Clock Architecture
UCCM of CIMA-A receives GPS signal from external GPS Antenna, and create the necessary
synchronization clock, and distributes it into system’s hardware blocks.
When CIMA-A is operated with LTE, CIMA-A provides clock to LTE digital boards. CIMA-A
provides 10MHz, PP2S, and SFN(System frame number) to each slot via backboard. CICA and LTE
Digital boards use this to generate the required clock.
C. CDMA Alarm Architecture
CDMA Alarm is based on CIMA-A. CIMA-A collects the alarm from Smart MBS, and reports it to
upper layer, and can provide Board Reset.
SmartPack collects the outdoor cabinet’s environmental alarm and battery monitoring information, and
report to CIMA-A via EAIU4-U. EAIU4-U is mounted inside the Outdoor DU cabinet to synchronize
SmartPack, and collect UDA.
RRH uses CPRI interface to exchange alarm and control signal with CIMA-A.

Smart MBS’s Hardware Structure
3-6 © SAMSUNG Electronics Co., Ltd.
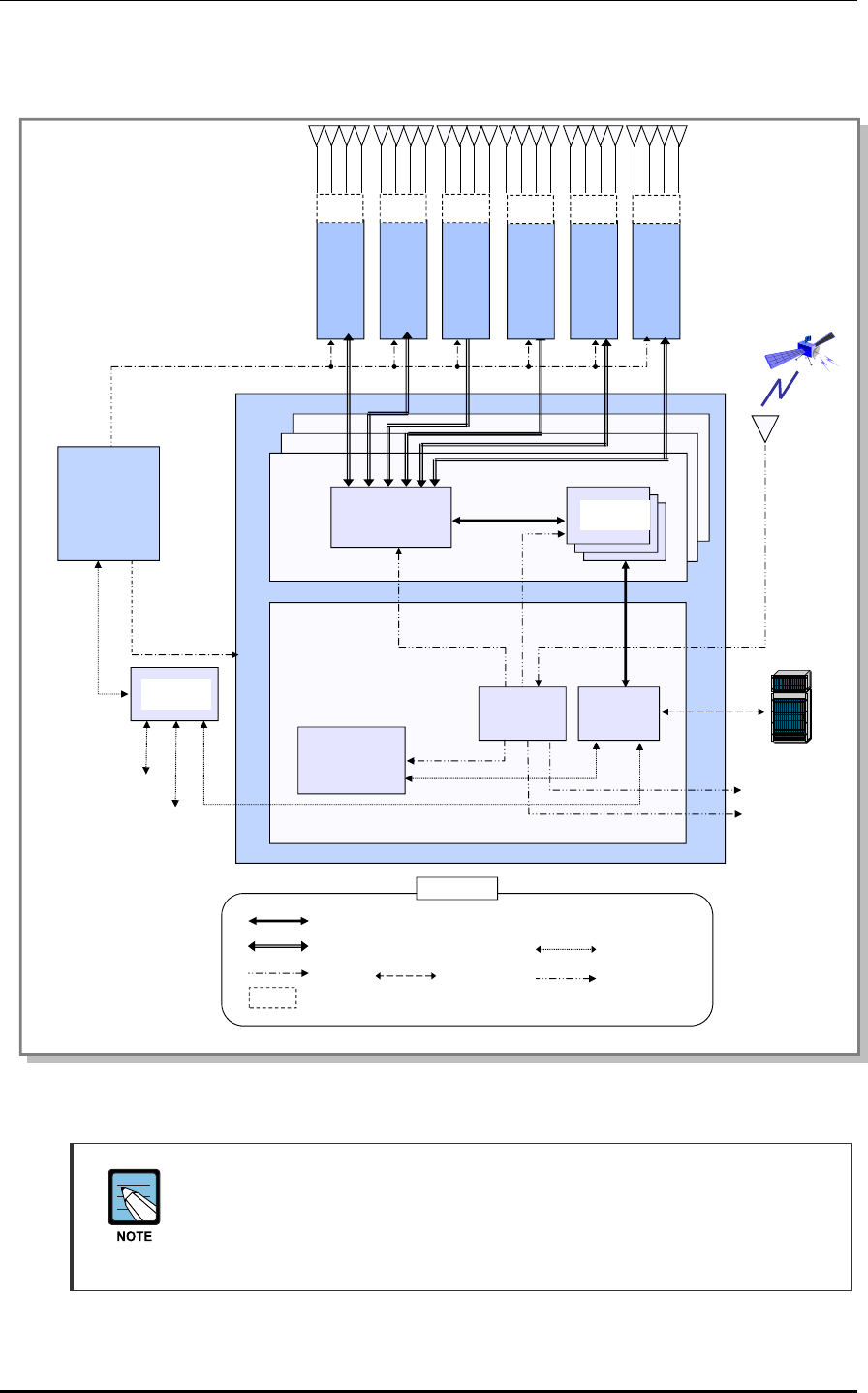
3.1.2
LTE Internal System Structure
Figure 3.7 Smart MBS LTE’s Internal Block Diagram
Outdoor Rectifier
Rectifier is mounted inside the Outdoor DU cabinet along with UADU
The interface, between Smart MBS and rectifier, is provided by additional
module(EAUI) which collects external environmental alarm of UADU
UADU
GPS
EPC
FE/GE
Ethernet
Switch
Main
Processor
UAMA
L9CA #0
SoC
UCCM
Analog 10MHz
1pps
L9CA #1
L9CA #2
Index
Clock
Backhaul
Power
Alarm/ControlBaseband I/Q and C&M (Optic)
Option Item
Data Traffic+ Alarm/Control (Ethernet)
Rectifier
Modules
&
SmartPack
UDA
Rectifier
Control
(SNMP)
Power
(-48VDC)
EAIU4-T
Environment
Alarm
R
R
H
(0)
R
R
H
(1)
R
R
H
(2)
R
R
H
(3)
R
R
H
(4)
R
R
H
(5)
RET RET RET RET RET RET
FPGA
(CPRI)
Modem
EAI4_U

Smart MBS System Description
© SAMSUNG Electronics Co., Ltd. 3-7
A. LTE Traffic Architecture
Transmit Path
When User Data is received from EPC via Public Network, it goes through Network Synchronization
Module, and sent out to L9CA via Ethernet Switch. The transmitted data goes through Digital Processing
of the Baseband level, then converted to E/O(Electrical to Optic) in form of [Baseband I/Q and C&M
interface] which is based on CPRI interface. The converted signal is then sent out to remote RRH. RRH
converts the received optic signal via O/E(Optic to Electrical) process. The converted broadband
baseband signal is then converted to analog signal, and goes through amplifier for amplification. The
amplified signal is then filtered through the band pass filter of the operating frequency, and transmitted
from Antenna.
Receive Path
The RF signal that was transmitted from Antenna is filtered by RRH, and amplified via LNA. This signal
then goes through “RF Down-Conversion” and “Digital Down-Conversion” to be converted into
baseband signal. This signal is in form of [Baseband I/Q and C&M interface] which is based on CPRI
interface, and goes through E/O(Electrical to Optic) conversion once again. The converted signal is then
sent to remote L9CA via fiber optic cable. After the data goes through OFDMA signal processing in
L9CA, it is converted into Gigabit Ethernet frame, and sent to EPC via network synchronization module
B. LTE Clock Architecture
UCCM of UAMA receives reference signal from external GPS Antenna, and generate PP2S, Digital 10
MHz, SFN(System Frame Number), and distribute them into L9CA in the system. L9CA then receives
PP2s, Digital 10 MHz clock. It should use its own PLL to generate system clock (30.72MHz), CPRI
Reference Clock(122.88MHz), and 10msec clock to distribute it to RRH.
At synchronization of UADU and RRH, RRH receives the necessary system clock and sync clock that
are required for CPRI interface, from L9CA.
If LTE system is mounted DU Shelf identical to CDMA, it is supplied the clock for operation from
CIMA-A
C. LTE Alarm Architecture
LTE Alarm is based on UAMA. UAMA collects the alarm from Smart MBS, and reports it to upper
layer, and can provide Board Reset.
SmartPack collects the outdoor cabinet’s environmental alarm and battery monitoring information, and
report to UAMA via EAIU4-U. EAIU4-U is mounted inside the Outdoor DU cabinet to synchronize
with SmartPack, and collect UDA.
RRH uses CPRI interface to exchange alarm and control signal with UAMA.

Smart MBS’s Hardware Structure
3-8 © SAMSUNG Electronics Co., Ltd.
3.2 UADU(Universal Platform Digital Unit)
UADU is the digital unit of Smart MBS which supports OAM of Smart MBS, synchronization between
Smart MBS, BSC(CDMA), EPC(LTE), and RRH(Remote Radio Head). It supports the interface between
each processor in the system, alarm collection and control for lower boards including RRH. Also, UADU
generates clock, and distribute it to lower hardware blocks. It is responsible for channel processing for
subscriber’s signal.
When Smart MBS sends signal to UE, UADU should modulate the traffic signal received from the
respective controller(BSC/ACR/EPC), convert this into optical signal via ‘Baseband I/Q and C&M’
converter to send it to remote RRH. On the other hand, when Smart MBS is receiving signal from UE,
UADU should receive ‘Baseband I/Q and C&M’ signal from Remote RRH, demodulate it, and send it to
controller(BSC/ACR/EPC).
Main Function
Clock generation and Distribution
Synchronization of Fast Ethernet/Gigabit Ethernet with the controller(BSC/ACR/EPC)
Diagnosis, collection, and control of Alarm
Alarm Reporting Feature
Management of Channel Resources
Baseband Signal processing (Modem)
Optical Synchronization with RRH(Remote Radio Head) and Loop-back Test function.
UDA to provide UDE feature and synchronize external devices.
UADU is mainly classified into Cabinet(DU shelf, Fan module, backboard), Main Boards (CIMA for
CDMA-A Main Processor board, UAMA for common traffic processor board), and Channel cards for
each technology(CICA for CDMA, L9CA for LTE)

Smart MBS System Description
© SAMSUNG Electronics Co., Ltd. 3-9
Board Name Quantity
(Count) Function
Back
Board
UADB 1 Universal platform Digital Backboard
- UADU’s Backboard
- Handles Signal routing for Traffic, Control, Signal, Clock, and Power.
Main
Board
CIMA 1 CDMA Management board Assembly
- System management processor
- Resource Assignment, OAM
- Alarm Collection, and report to BSM
- Backhaul Support (GE/FE)
- Handles UADU FAN alarm
- Provides external environment alarm interface(EAIU4-U Sync)
- Generate and Distribute GPS clock (Sync In & out)
- Provide Loop-back test between UADU and RRH.
UAMA 1
Universal platform Management board Assembly
- System management, traffic processor
- Resource Allocation and OAM
- Alarm Collection and WSM/LSM Report
- Backhaul Support (GE/FE)
- Provides non-volatile memory.
- Handles UADU FAN alarm
- Provide external environmental alarm interface (EAIU4-U Sync)
- Provide UDE(User Defined Ethernet), UDA(User Defined Alarm)
- Generate and Distribute GPS clock (Sync In & out)
Channel
Card
CICA-A Max. 3 CDMA IP Channel card board Assembly- type A
- Handles subscriber signal
- 1X, 1X Advanced
- Support 1X Adv DL 2560CE/ UL 2048CE per each channel card.
CICA-D Max. 3 CDMA IP Channel card board Assembly- type D
- Handles Subscriber Signal
- 1X, 1X Advanced & EVDO Rev.0/A /B Phase 2
- Support 1X Adv DL 1280CE / UL 1024CE and EVDO DL 284CE / UL
284CE per each channel card
L9CA Max. 3 LTE eNB Channel card board Assembly
- Call Processing, Resource allocation, and OAM
- OFDMA/SC-FDMA Channel Processing
- CPRI Optic interface to RRH
- Supports synchronization with Optic CPRI RRH
(E/O, O/E conversion within CPRI Mux)
- Provides Loop-Back test between UADU and RRH.
CIMA-A(CDMA Management board Assembly-type A)
CIMA-A executes function as main processor, GPS signal receiver and clock distributor, and as network
interface.

Smart MBS’s Hardware Structure
3-10 © SAMSUNG Electronics Co., Ltd.
Main processor feature
CDMA Main processor of Smart MBS plays role as the highest layer. It is responsible for
communication path configuration between UE and BSC, Ethernet Switching functionality for
internal Smart MBS, and System OAM.
Also, it manages entire hardware and software status within the Smart MBS, allocates/manages
resources, and report the status information to BSM(BSS System Manager).
Network Interface Feature
CIMA-A directly synchronize with BSC via Gigabit Ethernet/Fast Ethernet or T1. In case of
Ethernet, 1 Optic and 1 copper port is supported. In case of T1, total 8 T1 ports are supported.
External Interface Feature
Via Fast Ethernet interface of UADU, CIMA-A can provide paths to external alarm information
(such as Rectifier alarm/control, battery monitoring information or UDE/UDA) that is collected by
external environmental monitoring device(EAIU4-U)
Clock Generation and Distribution
CIMA-A’s UCCM generates 10 MHz, Even, and SFN(System Frame Number) based on the sync
signal which was received from GPS, and distributes this to the Hardware block of the system. This
clock maintains the internal synchronization of Smart MBS, and used for system operation. Also,
CIMA-A can provide Analog 10 MHz, 80ms signal as support for external devices such as
measurement equipments. UCCM can forward “time data” and “location data” via TOD Path.
If GPS signal was not received for some reason, UCCM provides holdover feature that can maintain
the normal clock for specified time period.
RRH Optical interface and Loopback Test
CIMA-A incorporates E/O(Electrical to Optic) Converter and O/E(Optic to Electrical) Converter
that remote RRHs can exchange optical ‘Digital I/Q and C & M’. In addition, CIMA-A can perform
Loopback test in order to check if the interfaces between CIMA-A and RRH, are in normal status.
Combiner Feature
CIMA-A provides feature that collects Digital baseband signals which was sent from channel cards,
and forwards them to the same RRH. On the other hand, it also provides feature to receive Digital
baseband signal from RRH, and distribute it to channel cards.
UAMA (Universal platform Management board Assembly)
UAMA plays role as main processor, GPS signal receiver and distributor, and as a network interface.
Main Processor Feature
UAMA, the main processor(for LTE) of Smart MBS plays role as the highest layer. It is responsible
for communication path configuration between UE and ACR/EPC, Ethernet Switching functionality
for internal Smart MBS, and System OAM.
Also, it manages entire hardware and software status within the Smart MBS, allocates/manages
resources, and collect/report the alarm status information to LSM(LTE System Manager).

Smart MBS System Description
© SAMSUNG Electronics Co., Ltd. 3-11
Network Interface Feature
UAMA is Gigabit Ethernet/Fast Ethernet, and it interfaces with ACR or EPC.
Depending on the provided interface, UAMA can be classified as following types, and operator can
choose the interface to use.
100/1000 Base-T Copper (RJ-45) 2 Port
1000Base-X SFP(Small Form factor Pluggable) 2 Port
External Interface Feature
UAMA can provide Ethernet interface for User Defined Ethernet(UDE) within UADU. Via Fast
Ethernet interface of UADU, UAMA can provide paths to external alarm information (such as
Rectifier alarm/control, battery monitoring data or UDE/UDA) that is collected by external
environmental monitoring device(EAIU4-U). This alarm information is then sent to either WSM or
LSM.
Clock Generation and Distribution
UAMA’s UCCM generates 10 MHz, Even, and SFN(System Frame Number) based on the sync
signal which was received from GPS, and distributes this to the Hardware block of the system. This
clock maintains the internal synchronization of Smart MBS, and used for system operation. Also,
UAMA can provide Analog 10 MHz, 80ms signal as support for external devices such as
measurement equipments. UCCM can forward “time data” and “location data” via TOD Path.
If GPS signal was not received for some reason, UCCM provides holdover feature that can maintain
the normal clock for specified time period.
CICA-A (CDMA Advanced Channel card board Assembly – type A)
CICA-A can provide Modem functionality for CDMA 1X Advanced Service.
Subscriber Channel Process
Channel card can handle baseband signal for CDMA service. CICA-A can handle Voice and Data
signal channel. CICA-A modulates the received packet data, and send it out to CIMA (via
backboard), then to RF. On the other hand, it receives RF data from CIMA, demodulates it, and
converts it in accordance with the CDMA standard(physical layer standard), and sends it to upper
processor.
CDMA Service Support
Channel card can support “IS-95” and “CDMA 2000 1X/1X Advanced” service.
Clock Generation Feature
CICA-A receives PP2S, Digital 10MHz clocks from CIMA, generates system clocks of 30.72MHz
and 1.25ms using its own PLL circuit, and distributes it to internal components(Modem and
processors).
CICA-D (CDMA Advanced Channel card board Assembly – type D)
CICA-D can provide Modem functionality for CDMA 1X Advanced service and EVDO.

Smart MBS’s Hardware Structure
3-12 © SAMSUNG Electronics Co., Ltd.
Subscriber Channel Processing Feature
Channel Card can handle baseband signal for CDMA service. CICA-D handles Voice and Data
signal channel. CICA-D modulates the packet data (which was received from upper processor), and
send it to CIMA via backboard, then to RF. On the other hand, it receives RF data from CIMA,
demodulates it, and converts it in accordance with the CDMA standard(physical layer standard), and
sends it to upper processor.
CDMA Service Support
Channel Card can support “IS-95” and “CDMA 2000 1X/1X Advanced” service. Also, it can
simultaneously support CDMA 2000 EVDO service.
Clock Generation Feature
CICA-D receives PP2S, Digital 10MHz clock from CIMA, and generate system clock of 30.72MHz,
1.25ms, 1.67ms clocks, and distributes them to internal components(Modem and processors)
L9CA ( LTE eNB Channel card board Assembly)
L9CA provides Modem functionality and RRH interface.
Subscriber Channel Processing Feature
L9CA modulates the packet data(which was received from upper processor), and sends it to RF via
CPRI. On the other hand, it demodulates the data received from RF, converts it into the type defined
as in LTE Physical layer standard, to send it to upper processor.
RRH Fiber Optic Interface and Loopback Test
L9CA incorporates E/O(Electrical to Optic) converter and O/E(Optic to Electrical)converter that
optical ‘Digital I/Q and C & M’ signal can be exchanged between RRHs. In addition, L9CA can
perform Loopback test in order to check if the interfaces between L9CA and RRH, are in normal
status.
Clock Generation Feature
L9CA receives PP2S, Digital 10MHz clock from UAMA, and generate system clock of 30.72MHz,
CPRI clock 122.88MHz clock via its own PLL circuit, and distributes them to internal
components(Modem, CPRI FPGA).
According to the supported technology, UADU can be configured as below.
CDMA and LTE boards are mosimultaneously, CIMA-A is mounted at main card location.
Figure 3.8 UADU Configuration - CDMA Only
CICA-A/CICA-D (2)
CICA-A/CICA-D (1)
CICA-A/CICA-D (0)
CIMA-A

Smart MBS System Description
© SAMSUNG Electronics Co., Ltd. 3-13
Figure 3.9 UADU Configuration - CDMA Only(Two UADU)
Figure 3.10 UADU Configuration - LTE Only
Figure 3.11 UADU Configuration - CDMA+LTE Dual Mode
Figure 3.12 UADU Configuration - CDMA+LTE Dual Mode(Two UADU)
L9CA (2)
L9CA (1)
L9CA (0)
UAMA
CICA-A/CICA-D (2)
CICA-A/CICA-D (1)
CICA-A/CICA-D (0)
CIMA-A
CICA-A/CICA-D (2)
CICA-A/CICA-D (1)
CICA-A/CICA-D (0)
CIMA-A
L9CA
CICA-A/CICA-D (1)
UAMA
CIMA-A
L9CA
CICA-A/CICA-D (1)
UAMA
CIMA-A
CICA-A/CICA-D (2)
CICA-A/CICA-D (1)
CICA-A/CICA-D (0)
CIMA-A

Smart MBS’s Hardware Structure
3-14 © SAMSUNG Electronics Co., Ltd.
3.3 RRH (Remote Radio Head)
RF component of Smart MBS consists of Remote Radio Head(RRH).
RRH is a RF module that interfaces with UADU via optical cable, and it is located before Antenna.
Depending on duplexing technology, RRH is classified into 2 types (FDD or TDD), and each type
provides following frequency range and number of RF paths.
- FDD RRH : CDMA/LTE FDD
1) RRH-C2 : 862 ~ 869MHz (DL), 817 ~ 824MHz (UL)
2) RRH-P4 : 1930 ~ 1995MHz (DL), 1850 ~ 1915MHz (UL)
RRH provides the following functions.
Main Functions
Amplification of RF Transmit signal.
Interfaces with UADU via optical ‘Baseband I/Q and C&M’. It interfaces traffic, alarm, control si
gnal, and clock data.
Change to Higher / Lower Frequency
Transmit/Receive RF signal from Antenna
Prevents spurious frequencies radiated from Transmit/Receive RF signal.
Low Noise Amplification of receive RF signal that is band passed.
FDD Filtering Feature for RF Tx/Rx path. (RRH-C2, RRH-P4)
Remote Electrical Tilting(RET) Feature (Optional)
Maximum output power, per each technology, is listed below.
CDMA
Type Qnty. Capacity RF Path Antenna Output Power
RRH-C2 Max. 3 5Carrier/1Sector 2Tx/2Rx 10W+10W/Carrier
RRH-P4 Max. 3 8Carrier/1Sector 4Tx/4Rx 20W/Carrier for SIMO or
(10W+10W)/Carrier for TDTD
LTE FDD

Smart MBS System Description
© SAMSUNG Electronics Co., Ltd. 3-15
Type Qnty. Capacity RF Path Antenna Output Power
RRH-C2 Max. 3 1Carrier/1Sector @ 5MHz 2Tx/2Rx
(MIMO)
10W+10W/Carrier (Total 20W/Carrier)
RRH-P4 Max. 3 4Carrier/1Sector@5MHz
2Carrier/1Sector@10MHz
4Tx/4Rx
(MIMO)
5W x 4Tx/Carrier (Total 20W/Carrier)
@5MHz
10W x 4Tx/Carrier (Total 40W/Carrier)
@10MHz
In case of downlink signal, RRH receives baseband signal via optical ‘Digital I/Q and C & M’ from Channel
card of UADU, and converts it with O/E(Optic to Electrical). The converted signal is then sent through
DAC(Digital to Analog Conversion) to be converted to analog RF signal, and amplified by amplifier. The
amplified signal goes through filter and sent to Antenna.
In case of uplink signal, the signal is received after it goes through RRH’s filter. It is then sent to
LNA(Low Noise Amplifier) to change to lower frequency, and goes through ADC(Analog to Digital
Conversion) and get converted to baseband signal. This baseband signal is in ‘Digital I/Q and C & M’
type. Then, this is converted as E/O, and sent to channel card of UADU.
RRH-C2 (Remote Radio Head – Cellular band 2Tx/2Rx)
RRH–C2 is a combined FDD RF module which incorporates digital transceiver (2Tx/2Rx RF path per
sector), power amplifier, and duplex filter.
It interfaces with UADU via optical ‘Digital I/Q and C & M’ interface, and supports up to two 2.5 Gbps
CPRI interfaces.
RRH-C2 supports the following types.
CDMA, LTE FDD single mode, or multi mode
Supports 2Tx/2Rx RF Paths
- Operates CDMA’s 1Tx/2Rx or 2Tx(TDTD)/2Rx
- Operates LTE FDD’s 2Tx/2Rx
Supports 7MHz instantaneous bandwidth
Supports 50W + 50W (total 100W)
Supports RET(Remote Electrical Tilting) Feature
RRH-P4 (Remote Radio Head – PCS band 4Tx/4Rx RF path)

Smart MBS’s Hardware Structure
3-16 © SAMSUNG Electronics Co., Ltd.
RRH-P4 is a combined FDD RF module which incorporates digital transceiver (4Tx/4Rx RF path per
sector), power amplifier, and duplex filter.
It interfaces with UADU via optical ‘Digital I/Q and C & M’, and it can support up to four 2.5Gbps CPRI
interfaces.
RRH-P4 supports the following configurations.
Supports CDMA, LTE FDD single mode, or multi mode.
Supports 4Tx/4Rx RF paths
- Operates CDMA’s 1Tx(SIMO)/2Rx, 1Tx(SIMO)/4Rx, 2Tx(TDTD)/2Rx, or 2Tx(TDTD)/4Rx
- Operates LTE FDD’s 2Tx/4Rx, or 4Tx/4Rx
Supports 65MHz instantaneous bandwidth.
Outputs 40W(1x:20W+EV-DO:20W) x 4Tx (total 160W)
Supports RET(Remote Electrical Tilting) Feature

Smart MBS System Description
© SAMSUNG Electronics Co., Ltd. 3-17
3.4 Cooling Mechanism
3.4.1
Digital Unit (DU)
UADU(The digital unit of Smart MBS) incorporates 1 set of system cooling fan(FANM-C4) to maintain
appropriate temperature for shelf, and ensures that system is operated normally even when the external
temperature changes .
FANM-C4 contains temperature sensor, and 3 fans which operate according to the measured temperature.
Figure 3.13 UADU’s FAN Structure
UADU has following cooling mechanism.
Figure 3.14 UADU’s Cooling Mechanism
3.4.2
RRH (Remote Radio Head)
RRH(Remote Radio Head) of Smart MBS is designed with natural cooling mechanism for outdoor
environment that it does not require additional fan or heater.
FANM
Filter
FANM
Filter

Smart MBS’s Hardware Structure
3-18 © SAMSUNG Electronics Co., Ltd.
3.5 Interface structure
Following is each unit and board’s external interface of the Smart MBS.
Figure 3.15 HW Interface structure of UADU(CDMA)

Smart MBS System Description
© SAMSUNG Electronics Co., Ltd. 3-19
MainProcessing&
ExternalAlarm
(RETControl)
UADU
UAMA-A41
UDE1(RJ-45,FE/GE)
UDE0(RJ-45,FE/GE)
GPSReceiver
GPSAntenna
Backhaul
1PPS(1PPSout)
10M(10MHzout)
Backhaul(RJ-45,FE/GE)
BasebandProcessing
L9CA-B4T
PowerFilter&Distribution
RectifierInterface(RJ-45,RS-485)
Debug(USB)
Backhaul(SFP,GE)
Open/ShortforUDA(Champ,Rx:9,Tx:2)
Debug(RJ-45)
Debug(USB)
E/O,O/EConversion
DigitalI/QandC&M(Optic)
From/toRRH
-48VDCInput
Debug(RJ-45)
CLK1(Clockout)
CLK0(Clockin)
Figure 3.16 HW Interface structure of UADU(LTE)
Figure 3.17 HW Interface structure of RRH-C2

Smart MBS’s Hardware Structure
3-20 © SAMSUNG Electronics Co., Ltd.
Figure 3.18 HW Interface structure of RRH-P4
External interface of CIMA
Interface Type Connector Type Quantity Description
Copper Backhaul RJ-45 1 100/1000Base-T
Optic Backhaul SFP 1 1000Base-LX/SX
UDE RJ-45 2 User Defined Ethernet (100/1000Base-T)
CPRI Optic 6 RRH IF (CPRI 4.0)
SW Debug USB 2 UART CPU/GPS
GPS In SMA 1 GPS Input (to UCCM)
Ref. Clock Out SMA 1 Analog 10MHz
SMA 1 80ms
CLK0 - 1 CLOCK IN
CLK1 - 1 CLOCK OUT
Reset Reset 1 System reset
LED LED 2 SYS, GPS
External interface of UAMA
Interface Type Connector Type Quantity Description
Copper Backhaul RJ-45 2 100/1000Base-T
Optic Backhaul SFP 2 1000Base-LX/SX
UDE RJ-45 2 User Defined Ethernet (100/1000Base-T)
Rectifier IF RJ-45 1 RS-485 1 port
SW Debug USB 1 UART CPU
RJ-45 1 100/1000Base-T
UDA Champ 1 User Defined Alarm (Rx: 9 port, Tx: 2 port)
GPS In SMA 1 GPS Input (to UCCM)
Ref. Clock Out SMA 1 Analog 10MHz
SMA 1 1PPS

Smart MBS System Description
© SAMSUNG Electronics Co., Ltd. 3-21
CLK0 - 1 CLOCK IN
CLK1 - 1 CLOCK OUT
Reset Reset 1 System reset
LED LED 2 SYS, GPS
Interface of CICA-A
Interface Type Connector Type Quantity Description
SW Debug USB 2 UART Debug
Reset Reset 1 Board reset
LED LED 1 SYS
Interface of CICA-D
Interface Type Connector Type Quantity Description
SW Debug USB 2 UART Debug
Reset Reset 1 Board reset
LED LED 1 SYS
Interface of L9CA
Interface Type Connector Type Quantity Description
CPRI Optic 6 RRH IF (CPRI 4.0)
SW Debug USB 2 UART DSP Debug
RJ-45 1 100/1000Base-T
Reset Reset 1 Board reset
LED LED 1 SYS
External interface of RRH-C2
Interface Type Connector Type Quantity Description
CPRI Optic LC/PC 2 DU interface
Antenna DIN-type female 2 2Tx2Rx
DC Power Naked Wire 1 -48VDC
GND 1 Frame ground
External interface of RRH-P4
Interface Type Connector Type Quantity Description
CPRI Optic LC/PC 4 DU interface
Antenna DIN-type female 4 4Tx4Rx
DC Power Naked Wire 1 -48VDC
GND - 1 Frame ground

Smart MBS System Description
© SAMSUNG Electronics Co., Ltd. 4-1
Chapter 4. Smart MBS Software Architecture
4.1 Smart MBS SW Architecture
Software Architecture for each technology is described as follows.
4.1.1 CDMA System Basic SW architecture
CDMA SW Block of Smart MBS consists of Common software, O&M software, and Call software
Figure 4.1 Smart MBS CDMA Software Architecture
Common Software
Common Software consists of System Software, and IP Software (which handles IP routing and Traffic)
Smart MBS
LINUX
SYSTEM S/W IP&NP
APPLICATION
CALL OAM
Hardware

Smart MBS Software Architecture
4-2 © SAMSUNG Electronics Co., Ltd.
Figure 4.2 CDMA Common Software Architecture
1) System Software
Optimized for each CDMA board of Smart MBS System, following features are provided.
- Linux kernel
- Middleware
- Utility specialized for high capacity BSS
- Redundancy
- Common Device Driver for each board
2) IP Software
IP Software is flexible with Smart MBS and external IP environment, and provides following feature for
future expansion.
- IPRS software
- Bearer Traffic Process S/W
- Other IP protocol
- Ethernet NP Software
OAM SW
OAM Software of Smart MBS consists of OP(Operating Processing), and MA(Maintenance Processing).
1) OP (Operating Processing)
OP is classified into Configuration, Loading, Statistics, and UI Blocks.
Configuration Block is responsible for “modification, display of various BSC data”, and “addition,
deletion, and management of the system”. Loading Block manages initialization of BSC, and Statistical
Block collects statistical data from BSS, and displays it.
Via GUI, UI provides various data required for system operation.
2) MA(Maintenance Processing)
MA provides OAM feature in conjunction with Call Software, OP, and COMMON.
Throughout “status data process”, “error process”, and “diagnostics feature” for various processor and
device of BSC, system error can be accurately and quickly maintained that CMP, COMMON Subsystem
feature can be processed normally. Also, throughout OP(Operating Processing), necessary operating data
Common SW
System SW IP SW
OS MW D/D IPRS Ethernet NP
HAS

Smart MBS System Description
© SAMSUNG Electronics Co., Ltd. 4-3
can be provided to operator.
Figure 4.3 CDMA OAM Software Architecture
Call Processing SW
Among the Network Elements of BSS(which composes Access Network), CDMA 1x EVDO Call
software(CMP) is composed of Basestation(BTS) and call processing software blocks of BSC(PCF). It is
also responsible for connecting Access Terminal and IP Network.
On each NE, there are Signal-processing SW Block and Bearer-processing SW Block.
In case of base station(BTS), there are Signal-processing BCC/BRC, and Bearer-processing CEC. In case
of Controller(BSC), there are Signal-processing MCC and Bearer-Processing SDU. Also, in case of
Controller(BSC), there is “A1p Protocol-processing SUA block” for MSCe.
Figure 4.4 CDMA Call Processing Software Structure
Common SW
System SW IP SW
OS MW D/D IPRS Ethernet NP
HAS
BSC
Call Processing SW
BTS
MCC SDU
SUA
DCC
DMC
CRM
RPC SMC
PRM
1xE
V
-DO
1
X
BRC
CEC
DRH
DEC

Smart MBS Software Architecture
4-4 © SAMSUNG Electronics Co., Ltd.
4.1.2 LTE System Basic SW Architecture
LTE eNB Software is composed of Kernel Space (OS/DD), Forwarding Space (Network Processing and
Control), and User Space (Call Processing, OAM, IPRS, MW). Detailed description for each of
components is shown below.
Figure 4.5 Smart MBS LTE Software Architecture
OS(Operating System).
OS can initialize and control hardware devices, and allows softwares to operate on hardware devices. It is
composed of Booter, Kernel, RFS (Root File System), and Utility.
Booter: It is a module that is responsible for initialization of board. It performs initialization of
CPU, L1/L2 Cache, UART, MAC. Also, initialization of CPLD, and RAM devices are
managed. Finally, u-boot is executed here.
Kernel: It provides various “primitives” to efficiently utilize the limited resources, and manages
the various software processes.
RFS: Store and manage “Binary, Library, and configuration files”, which are required for
Software execution and operation, according to FHS(File-system Hierarchy Standard 2.2)
Hardware
OAM
CPS
Kernel Space
OS DD
SNMP
User Space
Forwarding Space
MW
IPRS
IPRS
DUS
MDS
ENSMFS
HASTHS
NP
NP Control
SwM
WEB/CLI
TM/TrM
OSAB
PM
CM
FM
GTPB
PDCB
MACB
RLCB
ECMB
ECCB
SCTB
IPSS
DHCP CSAB

Smart MBS System Description
© SAMSUNG Electronics Co., Ltd. 4-5
standard.
Utility: Provides feature to manage CPLD, LED, Watchdog, Environment and Inventory data
management, CPU load measurement/display, and Fault data store in case of Processor Down.
MW(Middleware)
MW allows smooth communication between OS and Application under various hardware environments.
For such purpose, it provides “message delivery service, debugging utility service, event and notification
service” between applications. Also, it provides “high availability service, task handling service” for
redundancy and data backup.
Message delivery service (MDS): Provides entire service relating to sending and receiving
messages.
Debugging utility service (DUS): Provides function to send debugging data and commands
between Application and User.
Event notification service (ENS): Provides function to register various events(such as timer,
etc), manage events, and send event message to target when necessary.
High availability service (HAS): Provides Data synchronization and redundancy state
management.
Miscellaneous function service (MFS): Manages miscellaneous hardware-dependable
functions.(such as accessing hardware’s physical address)
Task handling service (THS): Provides function to generate/terminate, or display Task.
DD(Device Driver)
Device Driver allows Application to operate normally for particular devices which are not controlled by
OS. It is composed of Physical Device Driver and Virtual Device Driver.
Physical Device Driver: Provides interface where upper application can
configure/control/monitor hardware device which are outside of processor. (such as Switch
Device Driver, or Ethernet MAC Driver)
Virtual Device Driver: Abstract the physical network interfaces on Kernel, and allow upper
application to control this abstracted interface rather than directly controlling the physical
network interface.
NP(Network Processing)
Network Processing is software that processes packet which is required for backhaul interface. It
performs the following feature.
Packet RX and TX
IPv4 and IPv6
Packet queuing and scheduling
MAC filtering
IP Packet forwarding
IP fragmentation and reassembly
Link aggregation

Smart MBS Software Architecture
4-6 © SAMSUNG Electronics Co., Ltd.
VLAN termination
Access control list (ACL)
NPC(Network Processing Control)
Network Processing Control interfaces with upper process (such as IPRS, and OAM) to create/manage
various tables which are required for packet process. And it collects Network performance, and performs
status management.
IPRS(IP Routing Software)
IPRS(IP Routing Software) is software that provides IP Routing and IP Security function in regards to
eNB Backhaul. It is composed of IPRS(IP Routing Software), IPSS(IP Security Software), DHCP
(Dynamic Host Configuration Protocol), and each function executes following feature.
IPRS : Provides Function to collect/manage System Configuration required for IP Routing, a
nd generate Routing Data based on this information.
- Ethernet, VLAN-TE, Link Aggregation management feature
- Ethernet OAM Feature
- IP Address Management Feature
- IP Routing Data Management Feature
- QoS Management Feature
IPSS: It is software that performs security for IP layer, and provides following function.
- IP Address, TCP/UDP port number, Filtering Function based on protocol type.
DHCP : DHCP is Software Block that executes automatic IP address assignment, and provid
es the following function.
- Interfaces with DHCP Server to automatically obtain IP.
CPS(Call Processing Control)
CPS is software subsystem which executes call processing in LTE eNB. It interfaces with UE, and EPC.
CPS is responsible for data transmission in order to provide wireless data service such as MAC
scheduling, air link control, ARQ processing, S1, and X2 message processing.
OAM(Operation And Maintenance)
For interface with LSM and Web-EMT, OAM provides standardized interface(SNMPv2c, SNMPv3, SFTP,
HTTPs, or SSH) with improved security. Also, for OAM of LTE eNB, it performs call processing, collects
performance data, manages system configuration and resource, manages software/hardware resources,
manages alarm, and performs diagnosis.

Smart MBS System Description
© SAMSUNG Electronics Co., Ltd. 4-7
4.2 Loading Flow
Loading is the process where each processors and devices downloads the required software and data from
IS. In Smart MBS, Loading is executed during the system initialization. Also, if particular board is newly
mounted onto the system, or if hardware reset is executed, or manually reset by upper management
system, loading will be executed.
Loading can be classified into two types : loading using Non-volatile storage, or loading using remote IS.
At first system initialization, Smart MBS uses remote IS to execute loading. At this time, it stores the
corresponding data in its internal storage that unnecessary loading will be prevented in the future. After
first initialization, if additional loading is executed, it should compare the version. If the stored data is of
the latest version, remote loading will NOT be executed. If stored data is NOT the latest, it will execute
remote loading from BSM.
Loading file contains Software image(consists of executable file and script file), PLD(related to
configuration data and operation parameter), and other configuration files. Among these, all the necessary
data, for the static Routing function of Smart MBS, is stored in its own storage as ENV (CDMA) file, and
that the required data will be provided at the initialization.
Loading Procedure
At initialization of Smart MBS, Loader first executes the following tasks in order to execute loading
procedure. (Pre-loading)
Boot-up
: Booter of Flash ROM copies “kernel and RFS(Root File System)” from Flash ROM to RAM
Disk, to execute kernel.
IP Configuration
: In order to communicate with upper management system for the first time, IP address data is
obtained from flash ROM, and configured. In case of auto initialization, Smart MBS automatically
obtains L3 information (such as IP address, subnet mask, and gateway IP) using DHCP.
Registration
: Register NE using RS, and obtain IP address of IS during the registration.
Version Comparison
: Except for the case of forced loading, “Software image and PLD versions”, stored in remote IS
and internal storage, are compared to determine where to execute the loading.
File List Download
: Download the list of files needs to be loaded per each board.
Loading Message Flow
After executing Pre-Loading step, loading method is determined. Main OAM(which is responsible for
OAM of entire Smart MBS) should execute loading from either the corresponding IS or from its storage
using SFTP. After this, Main OAM’s loader now becomes “internal IS” to lower boards, and rest of the
loading is executed. The loaded software information of Smart MBS can be checked from upper

Smart MBS Software Architecture
4-8 © SAMSUNG Electronics Co., Ltd.
management system.
Loading message flow is shown in the following diagram.
Figure 4.6 Smart MBS' Loading Signal Flow
Smart MBS
Board
Processor
Main
Processor
BSM/WSM/LSM-R
(RS/IS)
Registration
Image Loading
RS/IS
Non-volatile
storage

Smart MBS System Description
© SAMSUNG Electronics Co., Ltd. I
ABBREVIATION
A
AAA Authentication, Authorization, Accounting
ACR Access Control Router
ADC Analog to Digital Conversion
AGC Automatic Gain Control
AISG Antenna Interface Standards Group
AMC Adaptive Modulation and Coding
API Application Programming Interface
ARQ Automatic Repeat request
ASN Access Service Network
B
BE Best Effort
BCMCS BroadCast MultiCast Service
BCP Base station Control Processor
BIP Base station Interface Processor
BSC Base Station Controller
BSM Base Station Manager
BSS Base Station System
BTS Base Transmitter System
C
CAC Call Admission Control
CICA CDMA Advanced Channel card board Assembly
CC Call Control
CC Convolution Code
CDMA Code Division Multiple Access
CEP Channel Element Processor
CID Connection Identifier
CLEI Common Language Equipment Identifier
CLI Command Line Interface
CLIM Command Line Interface Management
CLLI Common Language Location Identifier
CM Configuration Management
CMAS Commercial Mobile Alert Service
CMIP Client Mobile IP
CoS Class of Service
CP Cyclic Prefix

ABBREVIATION
II © SAMSUNG Electronics Co., Ltd.
CPRI Common Public Radio Interface
CR Code Rate
CSN Connectivity Service Network
CTC Convolution Turbo Code
D
DAM Diameter AAA Management
DD Device Driver
DHCP Dynamic Host Configuration Protocol
DL Downlink
DMB Digital Main Block
DPM-FI DC Power Module -Flexible Indoor
DST Daylight Saving Time
E
EAIU4-T External Alarm Interface Unit – type U
EAP Extensible Authentication Protocol
EMC Electromagnetic Compatibility
EMI Electro-Magnetic Interference
EMI EMS Interface
EMS Element Management System
eNB Evolved UTRAN Node-B
ertPS extended real time Polling Service
EPC Evolved packet core
EPS Evolved packet system
E-UTRAN Evolved UMTS Terrestrial Radio Access Network
EVRC Enhanced Variable Rate Codec
F
FA Foreign Agent
FA Frequency Allocation
FAN-FD48 FAN-Flexible Digital Unit -48VDC
FDD Frequency Division Duplex
FE Fast Ethernet
FEC Forward Error Correction
FFT Fast Fourier Transform
FRP Frequency Reuse Pattern
FTP File Transfer Protocol
FUSC Full Usage of Sub-Channels
G
GBIC Gigabit Interface Converter
GE Gigabit Ethernet
GPS Global Positioning System
GPSR GPS Receiver
GRE Generic Routing Encryption
GTP GPRS Tunneling Protocol

Smart MBS System Description
© SAMSUNG Electronics Co., Ltd. III
GTP-U GTP-User
GUI Graphical User Interface
GW Gateway
H
HA Home Agent
H-ARQ Hybrid-Automatic Repeat Request
HO Handover
HRPD High Rate Packet Data
HSS Home Subscriber Server
HTTPs Hypertext Transfer Protocol over SSL
I
ICMP Internet Control Message Protocol
IEEE Institute of Electrical and Electronics Engineers
IETF Internet Engineering Task Force
IMISH Integrated Management Interface Shell
IOS Inter Operability System
IP Internet Protocol
IPRS IP Routing Software
IPS Intrusion Prevention System
IPv4 Internet Protocol version 4
IPv6 Internet Protocol version 6
IS Image Server
L
L9CA LTE eNB Channel card board Assembly
LTE Long Term Evolution
M
MAC Medium Access Control
MIMO Multiple Input Multiple Output
MIP Mobile IP
MLPPP Multi Link Point to Point Protocol
MMBS Multi Modal Base Station
MMC Man Machine Command
MME Mobility Management Entity
MSC-e Mobile Switching Center-emulator
MTBF Mean Time Between Failures
MTTR Mean Time To Repair
MW Middleware
N

ABBREVIATION
IV © SAMSUNG Electronics Co., Ltd.
NE Network Element
NP Network Processor
NPS Network Processor Software
NWG Network Working Group
O
OAGS Common SNMP Agent Subagent
OAM Operation and Maintenance
OCM Common Configuration Management
OER Common Event Router
OFDMA Orthogonal Frequency Division Multiple Access
OPM Common Performance Management
OS Operating System
OSSM Common Subscription Service Management
P
PBA Panel Board Assembly
PCB Printed Circuit Board
PCRF Policy & Charging Rules Function
PDU Protocol Data Unit
PF Proportional Fair
PGID Paging Cycle, Paging Offset
PHY Physical Layer
PLD Programmable Loading Data
PMIP Proxy Mobile IP
PP2S Pulse Per 2 Seconds
PPP Point to Point Protocol
Q
QAM Quadrature Amplifier Modulation
QCS Quick Connection Setup
QoS Quality of Service
R
RAS Radio Access Station
RDM RAS Diagnosis Management
RET Remote Electrical Tilting
RFB RF Block
RFS Root File System
RRC RAS Resource Controller
RRH Remote Radio Head
RS Registration Server
RSC RAS Service Controller
RSSI Received Signal Strength Indicator
RTC RAS Traffic Controller

Smart MBS System Description
© SAMSUNG Electronics Co., Ltd. V
S
SAE System Architecture Evolution
SBC Subscriber Station Basic Capacity
SDU Service Data Unit
SFF Small Form Factor Fixed
SFP Small Form Factor Pluggable
SFTP Secure Shell File Transfer Protocol
SNMP Simple Network Management Protocol
SNMPD SNMP Daemon
SSH Secure Shell
SSL Secure Sockets Layer
T
TCA Threshold Cross Alert
TDD Time Division Duplex
U
UCCM Universal Core Clock Module
UDA User Defined Alarm
UDE User Define Ethernet
UDP User Datagram Protocol
UFM Common Fault Management
UL Uplink
ULM Universal Loading Management
V
VIF Virtual Interface
VLAN Virtual Local Area Network
W
Web-EMT Web-based Element Maintenance Terminal
WLAN Wireless Local Area Network

ABBREVIATION
VI © SAMSUNG Electronics Co., Ltd.
This page is intentionally left blank.

Smart MBS
System Description
©2011 Samsung Electronics Co., Ltd.
All rights reserved.
All text and images in this document are subject to the copyright of
SAMSUNG Electronics Co., Ltd.
This document may not be reproduced, distributed, or modified
without the written permission of SAMSUNG Electronics Co., Ltd.

MPE Information
ⓒ SAMSUNG Electronics Co., Ltd.
Warning: Exposure to Radio Frequency Radiation The radiated output power
of this device is far below the FCC radio frequency exposure limits.
Nevertheless, the device should be used in such a manner that the potential
for human contact during normal operation is minimized. In order to avoid
the possibility of exceeding the FCC radio frequency exposure limits, human
proximity to the antenna should not be less than 900cm during normal
operation. The gain of the antenna is 20 dBi. The antenna(s) used for this
transmitter must not be co-located or operating in conjunction with any other
antenna or transmitter.