Samsung Electronics Co WDN221M Wi-Fi Transceiver User Manual Users manual
Samsung Electronics Co Ltd Wi-Fi Transceiver Users manual
Users manual

Regulatory Module Integration Instructions
This WDN221M has been granted modular approval for mobile applications. OEM integrators for host products may
use the module in their final products without additional FCC / IC (Industry Canada) certification if they meet the
following conditions. Otherwise, additional FCC / IC approvals must be obtained.
•The host product with the module installed must be evaluated for simultaneous transmission requirements.
•The user’s manual for the host product must clearly indicate the operating requirements and conditions
that must be observed to ensure compliance with current FCC / IC RF exposure guidelines.
•To comply with FCC / IC regulations limiting both maximum RF output power and human exposure to RF
radiation, use this module only with the included onboard antenna.
•A label must be affixed to the outside of the host product with the following statements:
Product Name : WDN221M
Contains FCCID: A3LWDN221M
Contains IC: 649E-WDN221M
The final host / module combination may also need to be evaluated against the FCC Part 15B criteria for unintentional
radiators in order to be properly authorized for operation as a Part 15 digital device.
Version 1.0 Xuguang Tech. page 1 of 9

Device Classifications
Since host devices vary widely with design features and configurations module integrators shall follow the guidelines
below regarding device classification and simultaneous transmission, and seek guidance from their preferred regulatory
test lab to determine how regulatory guidelines will impact the device compliance. Proactive management of the
regulatory process will minimize unexpected schedule delays and costs due to unplanned testing activities.
The module integrator must determine the minimum distance required between their host device and the user’s body.
The FCC provides device classification definitions to assist in making the correct determination. Note that these
classifications are guidelines only; strict adherence to a device classification may not satisfy the regulatory requirement
as near-body device design details may vary widely. Your preferred test lab will be able to assist in determining the
appropriate device category for your host product and if a KDB or PBA must be submitted to the FCC.
Note, the module you are using has been granted modular approval for mobile applications. Portable applications may
require further RF exposure (SAR) evaluations. It is also likely that the host / module combination will need to undergo
testing for FCC Part 15 regardless of the device classification. Your preferred test lab will be able to assist in
determining the exact tests which are required on the host / module combination.
FCC Definitions
Portable: (§2.1093) — A portable device is defined as a transmitting device designed to be used so that the radiating
structure(s) of the device is / are within 20 centimeters of the body of the user.
Mobile: (§2.1091) (b) — A mobile device is defined as a transmitting device designed to be used in other than fixed
locations and to generally be used in such a way that a separation distance of at least 20 centimeters is normally
maintained between the transmitter’s radiating structure(s) and the body of the user or nearby persons. Per
§2.1091d(d)(4) In some cases (for example, modular or desktop transmitters), the potential conditions of use of a device
may not allow easy classification of that device as either Mobile or Portable. In these cases, applicants are responsible
for determining minimum distances for compliance for the intended use and installation of the device based on
evaluation of either specific absorption rate (SAR), field strength, or power density, whichever is most appropriate.
Version 1.0 Xuguang Tech. page 2 of 9

Simultaneous Transmission Evaluation
This module has not been evaluated or approved for simultaneous transmission as it is impossible to determine the
exact multi-transmission scenario that a host manufacturer may choose. Any simultaneous transmission condition
established through module integration into a host product must be evaluated per the requirements in
KDB447498D01(8) and KDB616217D01,D03 (for laptop, notebook, netbook, and tablet applications).
These requirements include, but are not limited to:
•Transmitters and modules certified for mobile or portable exposure conditions can be incorporated in mobile
host devices without further testing or certification when:
•The closest separation among all simultaneous transmitting antennas is >20 cm,
Or
•Antenna separation distance and MPE compliance requirements for ALL simultaneous transmitting antennas
have been specified in the application filing of at least one of the certified transmitters within the host device.
In addition, when transmitters certified for portable use are incorporated in a mobile host device, the antenna(s)
must be >5 cm from all other simultaneous transmitting antennas.
•All antennas in the final product must be at least 20 cm from users and nearby persons.
Version 1.0 Xuguang Tech. page 3 of 9

OEM Instruction Manual Content
Consistent with §2.909(a), the following text must be included within the user’s manual or operator instruction guide for
the final commercial product
Operating Requirements and Conditions:
The design of ( WDN221M) complies with U.S. Federal Communications Commission (FCC) guidelines respecting
safety levels of radio frequency (RF) exposure for Mobile devices.
Note: In the case where the Host / Module combination has been re-certified the FCCID shall appear in the product
manual as follows:
FCCID: ( A3LWDN221M )
Mobile Device RF Exposure Statement (If Applicable):
RF Exposure - This device is only authorized for use in a mobile application. At least 20 cm of separation distance
between the transmitting antenna device and the user's body must be maintained at all times.
Caution Statement for Modifications:
CAUTION: Any changes or modifications not expressly approved by GE Appliance could void the user’s authority to
operate the equipment.
FCC Part 15 Statement (Only Include if FCC Part 15 is Required on the End Product):
Note: This equipment has been tested and found to comply with the limits for a Class B digital device, pursuant to Part
15 of the FCC Rules.
Note 2 : This device complies with part 15 of the FCC Rules.
Operation is subject to the following two conditions.
1) This device may not cause harmful interference, and
2) This device must accept any interference received, including interference that may cause undesired operation.
a. That module is limited to OEM installation ONLY.
b. That OEM integrators are responsible for ensuring that the end-user has no manual instructions to remove or install
module.
c. That module is limited to installation in mobile or fixed applications, according to Part 2.1091(b).
d. That separate approval is required for all other operating configurations, including portable
configurations with respect to Part 2.1093 and different antenna configurations.
e. That grantee shall provide guidance to the host manufacturer for compliance with Part 15 subpart B requirements.
This device complies with Industry Canada’s license-exempt RSSs. Operation is subject to the following two conditions:
(1) This device may not cause interference; and
(2) This device must accept any interference, including interference that may cause undesired
operation of the device.
Information
Le présent appareil est conforme aux CNR d’Industrie Canada applicable aux appareils radio exempts de licence.
L’exploitation est autorisée aux deux conditions suivantes :
(1) l’appareil ne doit pas produire de brouillage, et
(2) l’utilisateur de l’appareil doit accepter tout brouillage radioélectrique subi, même
Version 1.0 Xuguang Tech. page 4 of 9

si le brouillage est susceptible d’en compromettre le fonctionnement.
Cet équipement est conforme aux limites d’exposition aux rayonnements énoncées pour un environnement non
contrôlé et respecte les règles les radioélectriques (RF) de la FCC lignes directrices d’exposition et d’exposition aux
frequencies radioélectriques (RF) CNR-102 de l’IC. Cet équipement émet une énergie RF très faible qui est considérée
conforme sans évaluation du débit d’absorption spécifique (DAS).
Version 1.0 Xuguang Tech. page 5 of 9

Operation Description of WDN221M
1. Introduction
WDN221M is a Wi-Fi module compliant with IEEE802.11 b/g/n MAC/baseband/radio optimized for low-
power applications.
The core chipset is from MTK, part number MT7603UN.
2. Hardware Architecture:
2.1 Main Chipset Information
Item
Vendor
Part Number
IEEE802.11 b/g/n
mac/baseband/radio
MTK MT7603UN
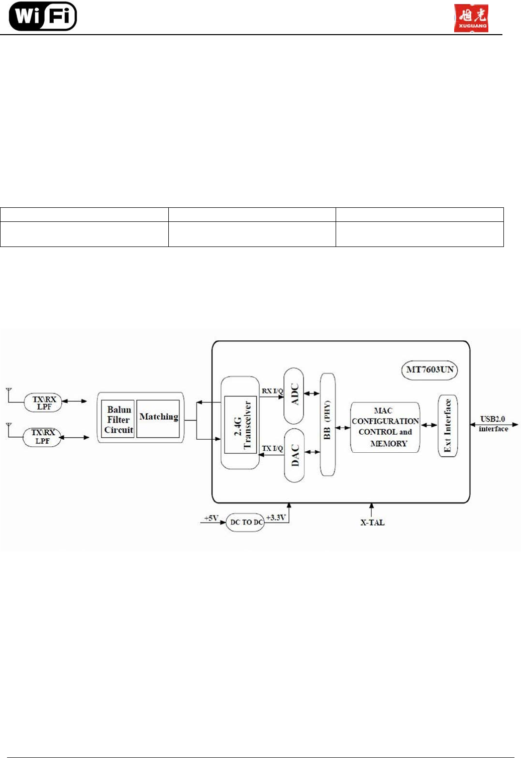
2.2 Circuit Block Diagram
The major internal and external block diagram of WDN221M is illustrated in Figure 1-1.
Figure 1-1 WDN221M block diagram and System Interface
3. Operational Description
WDN221M is the 802.11b/g/n module that acts as a communication controller for users of a wireless device
to connect to SMART TV.
- Features
>IEEE 802.11b/g/n compliant.
>Single-band 2.4GHz
>2T2R MIMO mode with support of 300Mbps PHY rate.
>Integrated LNA, PA, and T/R switch.
>Adaptive frequency hopping (AFH) for reducing radio frequency interference.
2400-2483.5MHz
2400-2483.5MHz
Version 1.0 Xuguang Tech. page 6 of 9

-Time base of the RF frequency
For IF and RF frequency, a crystal (40MHz) is a clock reference.
-Synthesizer
Synthesizer inside Transceiver. Internal voltage controlled oscillator (VCO) provides the desired LO Signal
base on the phase-locked loop (PLL) with a relatively wide tuning range for this application. Internal
fractional nPLL allows support for a wide range of reference clock frequencies
-WIFI Transmission
Baseband data is modulated and up-converted to the 2.4GHz ISM. Linear on chip power amplifier are
included, which are capable of delivering high output powers while IEEE802. /b/g/n specifications without
the need for external Pas. When using the internal Pas, closed-loop output power control is completely
integrated. Base-band Processing (BBP) IC has DSSS (BPSK/QPSK/CCK) and OFDM
(BPSK/QPSK/16QAM/64QAM) modulation function, Digital data signal will be converted to analog
(TX IQ) signals through DAC in BBP IC, TX IQ pass through to low pass filter. TX I/Q signal use direct
conversion (zero-IF) architecture converter to generate carrier frequency signal. Transceiver IC and
internal PA magnify output power.
-WIFI Receiver
The MT7603UN has a wide dynamic range, direct conversion receiver that employs high-order on-chip
channel filtering to ensure reliable operation in the noisy 2.4GHz ISM band. Reverse direction isolation of
LNA inside Transceiver IC suppresses unwanted radiation. Then RF signal will be directly down to IF signal
(RX IQ) and high frequency spurious emissions are suppressed by LPF. At last RX IQ signal will be
demodulated digital data.
-Adaptive Frequency Hopping
The WDN221M gathers link quality statistics on a channel by basis to facilitate channel assessment and
Channel map selection. The link quality is determined using both RF and baseband signal processing to
Provide a more accurate frequency-hop map.
-Product Details
> Data Modulation
DSSS: CCK, BPSK, QPSK for 802.11b
OFDM: BPSK, QPSK, 16QAM, 64QAM for 802.11 g/n,
> Frequency Range
2400-2483.5MHz
Version 1.0 Xuguang Tech. page 7 of 9

- 802.11n+HT20 spec
- 802.11n+HT40 spec
-Output Power tolerance
Output power
±
2.5dB
Version 1.0 Xuguang Tech. page 8 of 9

Recommended operating conditions
Min
Typ.
Max
Unit
Operating voltage
4.5
5
5.5
V
Operating temperature(ambient)
-20 25
50
°C
AS Information
Company Name: CHENGDU XUGUANG TECHNOLOGY CO.,LTD.
FAX: +86-28-84841628
Tel: +86-28-84841628
Add: 2 section of park road Longquanyi Chengdu China
Version 1.0 Xuguang Tech. page 9 of 9