Samsung Electronics Co WISP30 Wireless Audio Transmitter Module User Manual
Samsung Electronics Co Ltd Wireless Audio Transmitter Module Users Manual
Users Manual

Wireless audio Module
Version 1.0 Samsung Electronics page 1 of 8
Manual for 5GHz dual-band
Wireless Audio module
Samsung
Copyright notice
The information furnished herein by Samsung is proprietary and confidential and it shall not be
duplicated, published or disclosed to any third party in whole or in part without the prior written
consent of Samsung.
Version Number
Version No. Date Comments
1.0 2010.10.27 First issued
Revision History
Revision No. Date Comments

Wireless audio Module
Version 1.0 Samsung Electronics page 2 of 8
1. Introduction
This features an embedded 8052 MCU, new low-power modes and support for the 5 GHz dual-band RF
receivers. This supports up to 4 stereo audio streams and comes together with additional features such as: data
encryption, pairing functionality, bi-directional control data messages, full autonomy for receivers,
low-power audio snooze mode, WLAN detection and automatic frequency allocation. This module itself
provides the basic functions of audio processing and buffering, Data Link Layer and Physical Layer.
This enables the module to provide the digital interfaces on one side and the radio interfaces on the other side.
The core chipset is from STS, part number DARR 83. This application is designed for DVD/BD-HTS, and all
kinds of AV-R model.
2. Hardware Architecture:
2.1 Main Chipset Information
Item Vendor Part Number
BBIC STS DARR 83
RFIC Airoha AL 5230
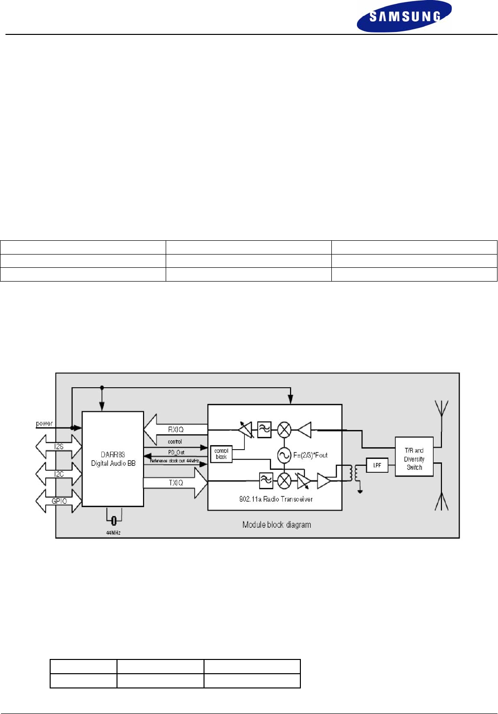
2.2 Circuit Block Diagram
The major internal and external block diagram of Samsung 5GHz dual-band wireless audio module is
illustrated in Figure 1-1.
Figure 1-1 Samsung 5GHz dual-band wireless audio module block diagram and System Interface
2.3 Module output power information
- Module output power within filter
Class type TX power(typ.) Data rate
Class2 + 10dBm 22Mbps

Wireless audio Module
Version 1.0 Samsung Electronics page 3 of 8
3. Operational Description
Samsung wireless audio module is the 5GHz dual band RF Module that provide users of a wireless audio
system to connect to TV. This uses 5GHz RF 2 channels. (5.2GHz band (5180, 5210, 5240 MHz), 5.8GHz
band (5736, 5762, 5814MHz)) This enables a wide range of digital wireless audio applications. This
wireless audio technology has been known for its extreme wireless fidelity and audio quality. This module
further extends this offering a high level of integration resulting in a very low-cost complete wireless
system solution, without any sacrifice to the main technology drivers: Audio Quality and Wireless Fidelity.
- Time base of the RF frequency
For Zero IF and RF frequency, a crystal (44MHz) is a clock reference.
- Synthesizer
Synthesizer inside transceiver internal voltage controlled oscillator (VCO) provides the desired LO
Signal base on the phase-locked loop (PLL) with a relatively wide tuning range for this application.
- Transmission
In transmit mode, the audio engine controlled I2S, transforms the audio data into packetized digital IQ
signals. These are in turn pulse-shaped before conversion by a 10 bits 44Msps DAC to match to the analog
IQ inputs of the radio IC. The radio IC has programmable baseband filters to lower the RF spectrum side
lobes and to suppress the DAC image and the DAC spurious. The output power is programmable. A power
detector (PD_out) on the radio IC enables close-loop TX power control. The differential RF PA outputs are
connected via a balun and low pass filter to a transmit/receive switch with TX diversity option to the
antenna outputs.
- Receiver
In receive mode, antenna diversity is supported. The single ended output of the TR switch is connected
to the RF LNA input through a matching network. Filtering and amplification is all performed by the
radio transceiver. The gain setting is controlled by the BB. The analog IQ outputs are sampled by the
BB by its integrated 22 Msps dual channel 8bit ADC. This received data is demodulated and fed to the
audio processing engine controlling the I2S connections.
- Power Control Level
The integrated PA for this device can transmit at a maximum power of +4dBm for class 2 operation.
- Transmit/Receive Switch
DUT has Transmit/Receive Switch. End user can’t select any power setting.
3. Application for Wireless audio module
With bidirectional audio stream transmission feature and stream broadcast/Unicast mode supported, this module supports
unidirectional Audio Ack, NAck, Bidirectional Audio NAck, Headset Ack applications.

Wirel
e
Version 1.0
5. Pin des
c
1.2 VDD
6.RESE
T
7. I2C_S
C
8. I2C_S
D
12, 24. G
R
13. BCK
14. LRC
K
15. DAT
_
16. DAT
_
6. Installat
i
This modul
e
And the loc
7. Brief s
ys
This radios
e
ss aud
i
c
ription
: 5V powe
r
T
# : it is us
e
C
L_S : I2C
D
A_S: I2C
R
OUND
K
_
W
_
X
i
on
e
must be i
n
ation of ins
t
s
tem block
d
system blo
c
i
o Mod
u
r
supply inp
u
e
d to 5V po
w
serial clock
data conne
c
n
stalled in a
t
allation is
a
Fig
u
d
ia
g
ram
c
k diagram i
Woofer
u
le
Sa
m
ut
w
er supply
i
connection
c
tion.
device and
n
a
s follows F
i
u
re 6-1 The
l
s as follow
s
Sou
n
m
sung Elect
i
nput.
.
n
ot allow th
i
gure 6-1.
l
ocation of i
n
s
figure 7-1
n
d Ba
r
ronics
e user to re
p
n
stallation
p
lace nor m
o
o
dify i
t
.
page 4 o
f
f
8

Wireless audio Module
Version 1.0 Samsung Electronics page 5 of 8
8. Notice
FCC Statement
Federal Communication Commission Interference Statement
This equipment has been tested and found to comply with the limits for a Class B digital device,
pursuant to Part 15 of the FCC Rules. These limits are designed to provide reasonable protection
against harmful interference in a residential installation. This equipment generates, uses and can
radiate radio frequency energy and, if not installed and used in accordance with the instructions,
may cause harmful interference to radio communications. However, there is no guarantee that
interference will not occur in a particular installation. If this equipment does cause harmful
interference to radio or television reception, which can be determined by turning the equipment
off and on, the user is encouraged to try to correct the interference by one of the following
measures:
● Reorient or relocate the receiving antenna.
● Increase the separation between the equipment and receiver.
● Connect the equipment into an outlet on a circuit different from that to which the receiver is
connected.
● Consult the dealer or an experienced radio/TV technician for help.
FCC Caution: Any changes or modifications not expressly approved by the party responsible
for compliance could void the user’s authority to operate this equipment.
This device complies with Part 15 of the FCC Rules. Operation is subject to the following two
conditions: (1) This device may not cause harmful interference, and (2) this device must accept
any interference received, including interference that may cause undesired operation.
This device and its antenna(s) must not be co-located or operation in conjunction with any other
antenna or transmitter.
This device is going to be operated in 5.15~5.25GHz frequency range, it is restricted in indoor
environment only.
IMPORTANT NOTE:
FCC Radiation Exposure Statement:
This equipment complies with FCC radiation exposure limits set forth for an uncontrolled
environment. This equipment should be installed and operated with minimum distance 20cm
between the radiator & your body.
IMPORTANT NOTE:
This module is intended for OEM integrator. The OEM integrator is still responsible for the FCC
compliance requirement of the end product, which integrates this module.

Wireless audio Module
Version 1.0 Samsung Electronics page 6 of 8
20cm minimum distance has to be able to be maintained between the antenna and the users for
the host this module is integrated into. Under such configuration, the FCC radiation exposure
limits set forth for a population/uncontrolled environment can be satisfied.
Any changes or modifications not expressly approved by the manufacturer could void the user's
authority to operate this equipment.
USERS MANUAL OF THE END PRODUCT:
In the users manual of the end product, the end user has to be informed to keep at least 20cm
separation with the antenna while this end product is installed and operated. The end user has to
be informed that the FCC radio-frequency exposure guidelines for an uncontrolled environment
can be satisfied. The end user has to also be informed that any changes or modifications not
expressly approved by the manufacturer could void the user's authority to operate this equipment.
If the size of the end product is smaller than 8x10cm, then additional FCC part 15.19 statement is
required to be available in the users manual: This device complies with Part 15 of FCC rules.
Operation is subject to the following two conditions: (1) this device may not cause harmful
interference and (2) this device must accept any interference received, including interference that
may cause undesired operation.
LABEL OF THE END PRODUCT:
The final end product must be labeled in a visible area with the following " Contains TX FCC ID:
A3LWISP30 ". If the size of the end product is larger than 8x10cm, then the following FCC part
15.19 statement has to also be available on the label: This device complies with Part 15 of FCC
rules. Operation is subject to the following two conditions: (1) this device may not cause harmful
interference and (2) this device must accept any interference received, including interference that
may cause undesired operation.

Wireless audio Module
Version 1.0 Samsung Electronics page 7 of 8
IC Statement
This Class B digital apparatus complies with Canadian ICES-003.
Operation is subject to the following two conditions: (1) this device may not cause interference,
and (2) this device must accept any interference, including interference that may cause
undesired operation of the device.
Cet appareil numérique de la classe B est conforme á la norme NMB-003 du Canada.
This device and its antenna(s) must not be co-located or operation in conjunction with any other
antenna or transmitter.
The device could automatically discontinue transmission in case of absence of information to
transmit, or operational failure. Note that this is not intended to prohibit transmission of control or
signaling information or the use of repetitive codes where required by the technology.
The device for the band 5150-5250 MHz is only for indoor usage to reduce potential for harmful
interference to co-channel mobile satellite systems.
IMPORTANT NOTE:
IC Radiation Exposure Statement:
This equipment complies with IC RSS-102 radiation exposure limits set forth for an uncontrolled
environment. This equipment should be installed and operated with minimum distance 20cm
between the radiator & your body.
IMPORTANT NOTE:
This module is intended for OEM integrator. The OEM integrator is still responsible for the IC
compliance requirement of the end product, which integrates this module.
20cm minimum distance has to be able to be maintained between the antenna and the users for
the host this module is integrated into. Under such configuration, the IC RSS-102 radiation
exposure limits set forth for an population/uncontrolled environment can be satisfied.
Any changes or modifications not expressly approved by the manufacturer could void the user's
authority to operate this equipment.
USERS MANUAL OF THE END PRODUCT:
In the users manual of the end product, the end user has to be informed to keep at least 20cm
separation with the antenna while this end product is installed and operated. The end user has to
be informed that the IC radio-frequency exposure guidelines for an uncontrolled environment can
be satisfied. The end user has to also be informed that any changes or modifications not
expressly approved by the manufacturer could void the user's authority to operate this equipment.

Wireless audio Module
Version 1.0 Samsung Electronics page 8 of 8
IC statement is required to be available in the users manual: This Class B digital apparatus
complies with Canadian ICES-003. Operation is subject to the following two conditions: (1) this
device may not cause harmful interference and (2) this device must accept any interference
received, including interference that may cause undesired operation.
LABEL OF THE END PRODUCT:
The final end product must be labeled in a visible area with the following " Contains TX IC :
649E-WISP30 ".