Samsung Electronics Co WISP40A Wireless Audio Transceiver Module User Manual AV6200 Manual
Samsung Electronics Co Ltd Wireless Audio Transceiver Module AV6200 Manual
Users Manual

Manual for Wireless Audio Module
December 15, 2011
Confidential
© 2008 Avnera Corporation

Avnera Corporation Samsung Module Manual
Samsung Module PRD AVNERA CONFIDENTIAL page 2 of 10
REVISION HISTORY
Version Purpose \ Changes Date
1.0 Initial release December 15, 2011

Avnera Corporation Samsung Module Manual
Samsung Module PRD AVNERA CONFIDENTIAL page 3 of 10
1. Introduction
This features is a highly integrated, single-chip, wireless audio solution. This integrates the following: a complete
2.4 GHz RF transceiver, the VMI™ wireless communication system PHY & MAC, advanced power management,
audio DSP, I2S interfaces and a full complement of programmable digital interfaces to support a wide range of
end-product user communication requirements.
2. Hardware Architecture:
2.1 Main Chipset Information
Item Vendor Part Number
BBIC + RFIC AVNERA AV6200
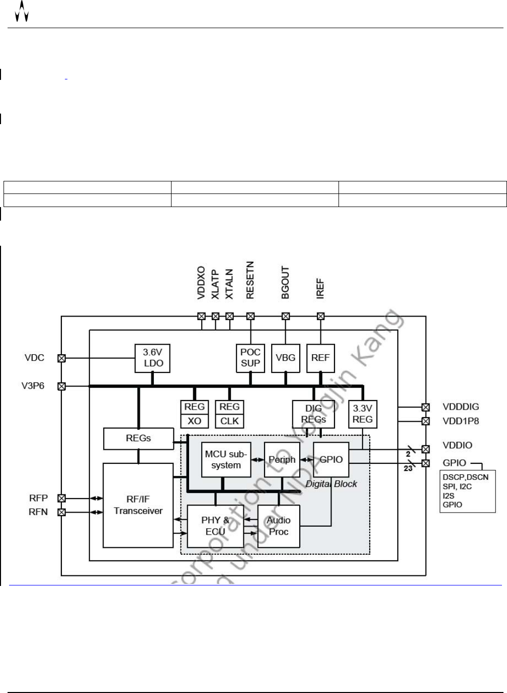
2.2 Circuit Block Diagram
3. Operation Description
Samsung wireless audio module is the 2.4GHz band RF Module that provide users of a wireless audio
system to connect to TV. This enables a wide range of digital wireless audio applications. This
wireless audio technology has been known for its extreme wireless fidelity and audio quality. This module
further extends this offering a high level of integration resulting in a very low-cost complete wireless
system solution, without any sacrifice to the main technology drivers: Audio Quality and Wireless Fidelity.

Avnera Corporation Samsung Module Manual
Samsung Module PRD AVNERA CONFIDENTIAL page 4 of 10
- Time base of the RF frequency
For Zero IF and RF frequency, a crystal (16MHz) is a clock reference.
- Synthesizer
Synthesizer inside transceiver internal voltage controlled oscillator (VCO) provides the desired LO
Signal base on the phase-locked loop (PLL) with a relatively wide tuning range for this application.
- Transmission
In transmit mode, the audio engine controlled I2S, transforms the audio data into packetized digital IQ
signals. These are in turn pulse-shaped before conversion by a 10 bits 44Msps DAC to match to the analog
IQ inputs of the radio IC. The radio IC has programmable baseband filters to lower the RF spectrum side
lobes and to suppress the DAC image and the DAC spurious. The output power is programmable. A power
detector (PD_out) on the radio IC enables close-loop TX power control. The differential RF PA outputs are
connected via a balun and low pass filter to a transmit/receive switch with TX diversity option to the
antenna outputs.
- Receiver
In receive mode, antenna diversity is supported. The single ended output of the TR switch is connected
to the RF LNA input through a matching network. Filtering and amplification is all performed by the
radio transceiver. The gain setting is controlled by the BB. The analog IQ outputs are sampled by the
BB by its integrated 22 Msps dual channel 8bit ADC. This received data is demodulated and fed to the
audio processing engine controlling the I2S connections.
- Power Control Level
The integrated PA for this device can transmit at a maximum power of +4dBm for class 2 operation.
- Transmit/Receive Switch
DUT has Transmit/Receive Switch. End user can’t select any power setting.
4. Application for Wireless audio module
The application for the Tx and Rx modules is for the wireless link between a Samsung Sound Bar and a sub-
woofer.

Avnera Corporation Samsung Module Manual
Samsung Module PRD AVNERA CONFIDENTIAL page 5 of 10
5. Pin description

Avnera Corporation Samsung Module Manual
Samsung Module PRD AVNERA CONFIDENTIAL page 6 of 10
6. Pairing Algorithm
The system has both “auto-pairing” and manual pairing capabilities. Auto-pairing can be used at the factory for
testing purposes but all units are shipped from the factory with “auto-pairing” enabled. This means the user can
unpack the sound bar and sub woofer and they will link immediately without user interaction. It does present an
issue if there is another unit close by as erroneous operation can result if a sound bar connects to the wrong sub
woofer. Auto-pairing persists for up to 30 seconds after units are powered up.
There is also the capability to manually pair the sub woofer to the sound bar. This is accomplished by turning on
the sound bar and setting it to pair mode via the IR remote (push the mute button for > 5 seconds). The sub
woofer can be put into manual pairing mode by pushing the button on the back panel for > 5 seconds when it is
not in a link. If the sub woofer is already linked it is not possible to enter pairing mode.
The Tx command set with the sound bar module includes a method to return the system back to auto pairing
mode but this is not a user feature – only for factory use.
7. Installation
This module must be installed in a device and not allow the user to replace nor modify it. And the location is ad
follows Figure.

Avnera Corporation Samsung Module Manual
Samsung Module PRD AVNERA CONFIDENTIAL page 7 of 10
8. Brief system block diagram
This radios system block diagram is ad follows figure.

Avnera Corporation Samsung Module Manual
Samsung Module PRD AVNERA CONFIDENTIAL page 8 of 10
Notice
FCC Statement
Federal Communication Commission Interference Statement
This equipment has been tested and found to comply with the limits for a Class B digital device,
pursuant to Part 15 of the FCC Rules. These limits are designed to provide reasonable protection
against harmful interference in a residential installation. This equipment generates, uses and can
radiate radio frequency energy and, if not installed and used in accordance with the instructions,
may cause harmful interference to radio communications. However, there is no guarantee that
interference will not occur in a particular installation. If this equipment does cause harmful
interference to radio or television reception, which can be determined by turning the equipment off
and on, the user is encouraged to try to correct the interference by one of the following measures:
● Reorient or relocate the receiving antenna.
● Increase the separation between the equipment and receiver.
● Connect the equipment into an outlet on a circuit different from that to which the receiver is
connected.
● Consult the dealer or an experienced radio/TV technician for help.
FCC Caution: Any changes or modifications not expressly approved by the party responsible
for compliance could void the user’s authority to operate this equipment.
This device complies with Part 15 of the FCC Rules. Operation is subject to the following two
conditions: (1) This device may not cause harmful interference, and (2) this device must accept
any interference received, including interference that may cause undesired operation.
This device and its antenna(s) must not be co-located or operation in conjunction with any other
antenna or transmitter.
IMPORTANT NOTE:
FCC Radiation Exposure Statement:
This equipment complies with FCC radiation exposure limits set forth for an uncontrolled
environment. This equipment should be installed and operated with minimum distance 20cm
between the radiator & your body.
IMPORTANT NOTE:
This module is intended for OEM integrator. The OEM integrator is still responsible for the FCC
compliance requirement of the end product, which integrates this module.
20cm minimum distance has to be able to be maintained between the antenna and the users for
the host this module is integrated into. Under such configuration, the FCC radiation exposure limits
set forth for a population/uncontrolled environment can be satisfied.
Any changes or modifications not expressly approved by the manufacturer could void the user's
authority to operate this equipment.

Avnera Corporation Samsung Module Manual
Samsung Module PRD AVNERA CONFIDENTIAL page 9 of 10
USERS MANUAL OF THE END PRODUCT:
In the user manual of the end product, the end user has to be informed to keep at least 20cm
separation with the antenna while this end product is installed and operated. The end user has to
be informed that the FCC radio-frequency exposure guidelines for an uncontrolled environment
can be satisfied. The end user has to also be informed that any changes or modifications not
expressly approved by the manufacturer could void the user's authority to operate this equipment.
If the size of the end product is smaller than 8x10cm, then additional FCC part 15.19 statement is
required to be available in the user manual: This device complies with Part 15 of FCC rules.
Operation is subject to the following two conditions: (1) this device may not cause harmful
interference and (2) this device must accept any interference received, including interference that
may cause undesired operation.
LABEL OF THE END PRODUCT:
The final end product must be labeled in a visible area with the following " Contains FCC ID:
A3LWISP40A ". If the size of the end product is larger than 8x10cm, then the following FCC part
15.19 statement has to also be available on the label: This device complies with Part 15 of FCC
rules. Operation is subject to the following two conditions: (1) this device may not cause harmful
interference and (2) this device must accept any interference received, including interference that
may cause undesired operation.
IC Statement
This Class B digital apparatus complies with Canadian ICES-003.
Operation is subject to the following two conditions: (1) this device may not cause interference, and
(2) this device must accept any interference, including interference that may cause undesired
operation of the device.
Cet appareil numérique de la classe B est conforme á la norme NMB-003 du Canada.
This device and its antenna(s) must not be co-located or operation in conjunction with any other
antenna or transmitter.
IC Radiation Exposure Statement
This device is in compliance with SAR for general population/uncontrolled exposure limits in IC
RSS-102 and has been tested in accordance with the measurement methods and procedures
specified in IEEE 1528. This equipment should be installed and operated with a minimum
separation distance of 20 cm between the device and your body. The device and its antenna must
not be co-located or operated in conjunction with any other antenna or transmitter.

Avnera Corporation Samsung Module Manual
Samsung Module PRD AVNERA CONFIDENTIAL page 10 of 10
IMPORTANT NOTE:
This module is intended for OEM integrator. The OEM integrator is still responsible for the IC
compliance requirement of the end product, which integrates this module.
20cm minimum distance has to be able to be maintained between the antenna and the users for
the host this module is integrated into. Under such configuration, the IC RSS-102 radiation
exposure limits set forth for a population/uncontrolled environment can be satisfied.
Any changes or modifications not expressly approved by the manufacturer could void the user's
authority to operate this equipment.
USERS MANUAL OF THE END PRODUCT:
In the user manual of the end product, the end user has to be informed to keep at least 20cm
separation with the antenna while this end product is installed and operated. The end user has to
be informed that the IC radio-frequency exposure guidelines for an uncontrolled environment can
be satisfied. The end user has to also be informed that any changes or modifications not expressly
approved by the manufacturer could void the user's authority to operate this equipment. IC
statement is required to be available in the user manual: This Class B digital apparatus complies
with Canadian ICES-003. Operation is subject to the following two conditions: (1) this device may
not cause harmful interference and (2) this device must accept any interference received, including
interference that may cause undesired operation.
LABEL OF THE END PRODUCT:
The final end product must be labeled in a visible area with the following "Contains IC : 649E-
WISP40A".