Samsung Rf267Ae Service Manual ManualsLib Makes It Easy To Find Manuals Online!
2014-12-11
: Samsung Samsung-Rf267Ae-Service-Manual-121162 samsung-rf267ae-service-manual-121162 samsung pdf
Open the PDF directly: View PDF
.
Page Count: 118 [warning: Documents this large are best viewed by clicking the View PDF Link!]

MODEL NAME :RF267AE**
RF26XAE**
MODEL CODE :RF267AERS/XAA
RF267AEPN/XAA
RF267AEBP/XAA
RF267AEWP/XAA
RF26XAERS/XAA
RF26XAEPN/XAA
REFRIGERATOR
REFRIGERATOR CONTENTS
1. PRECAUTIONS(SAFETY WARNINGS) ··4
2. PRODUCT SPECIFICATIONS ················8
3. DISASSEMBLY AND REASSEMBLY ····20
4. TROUBLESHOOTING ······························46
5 . EXPLODED VIEW & PARTS LIST ········83
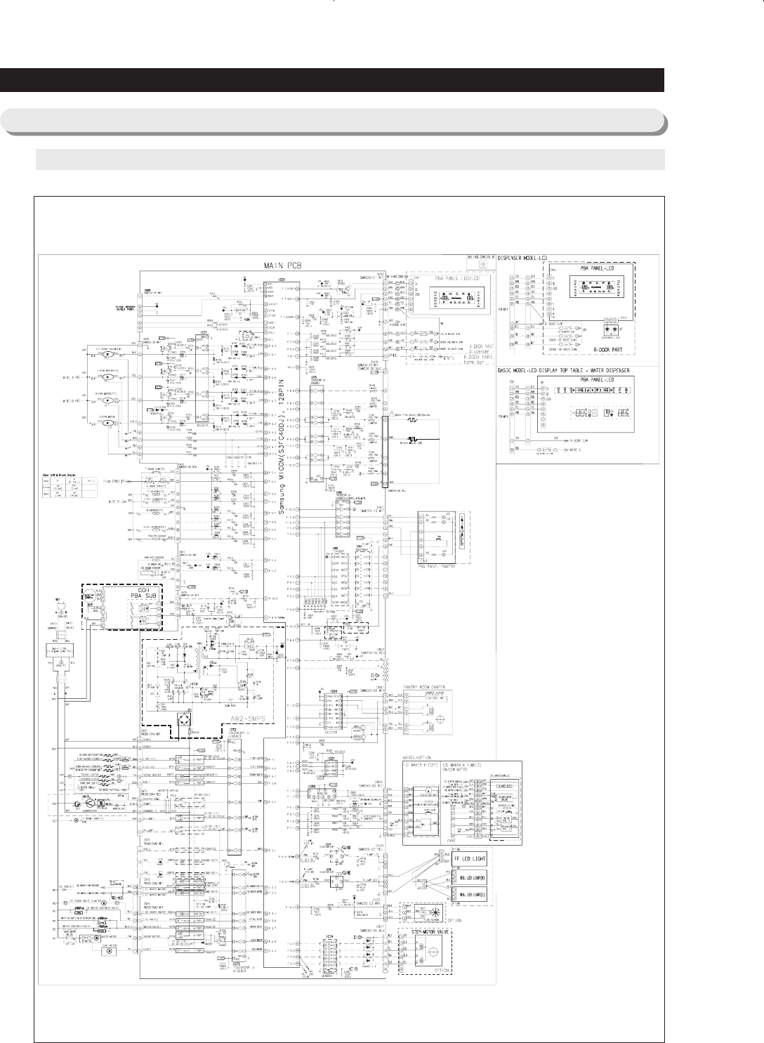
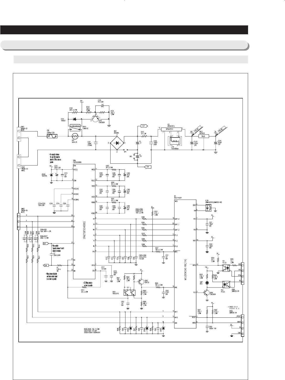
6. PCB DIAGRAM ······································105
7. WIRING DIAGRAM ································111
8. SCHEMATIC DIAGRAM ························113
For the latest parts information, Please access to our service web site
(●North America : http://service.samsungportal.com)
AW-SEM Transform(RF267,2#3957D8 2009.8.20 4:49 PM 페이지1 i n

IMPORTANT SAFETY NOTICE
The service guide is for service men with adequate backgrounds of
electrical, electronic, and technician experience. Any attempt to repair a
major appliance may result in personal injury and property damage.
The manufacturer or dealer cannot be responsible for the interpretation
of this information.
SAMSUNG ELECTRONICS AMERICA, INC.
Technical Service Guide
Copyright ⓒ2009
All rights reserved. This service guide may not be reproduced in whole or in
part in any form without written permission from the SAMSUNG ELECTRONICS
Company.
WARNING
AW-SEM Transform(RF267,2#3957D8 2009.8.20 4:49 PM 페이지3 i n

Contents
1. PRECAUTIONS(SAFETY WARNINGS) ··············································4
2. PRODUCT SPECIFICATIONS ····················································8
2-1) INTRODUCTION OF MAIN FUNCTION ···········································9
2-2) SPECIFICATIONS ························································10
2-3) INTERIOR VIEWS (RF267) ··················································11
2-3) INTERIOR VIEWS (RF26V) ··················································12
2-4) MODEL SPECIFICATION &SPECIFICATION CHART ·································13
2-5) DIMENSIONS OF REFRIGERATOR ············································16
2-6) OPTIONAL MATERIAL SPECIFICATION ·········································17
2-8) REFRIGERANT ROUTE IN REFRIGERATION CYCLE ·································18
2-9) COOLING AIR CIRCULATION ················································19
3. DISASSEMBLY AND REASSEMBLY ···············································20
3-1) PRECAUTION ··························································21
3-2) REFRIGERATOR DOOR ···················································22
3-3) DOOR HANDLE ·························································24
3-4) REFRIGERATOR LIGHT ····················································25
3-5) COVER-DISPLAY & WATER-DISPENSER ········································25
3-6) WATER-DISPENSER ······················································26
3-7) GLASS SHELF ··························································27
3-8) FOLDABLE GLASS SHELF ·················································· 28
3-9) VEGETABLE & FRUIT DRAWERS SHELF ········································28
3-10) COOL SELECT PANTRY ··················································29
3-11) WATER TANK ·························································30
3-12) MOTOR DAMPER ······················································· 32
3-13) WATER FILTER (DISASSEMBLY) ·············································32
3-14) WATER FILTER (REASSEMBLY) ·············································33
3-15) GALLON DOOR BIN ·····················································33
3-16) VERTICAL HINGED SECTION ···············································34
3-17) EVAPORATOR COVER IN REFRIGERATOR ······································35
3-18) EVAPORATOR IN REFRIGERATOR ···········································36
3-19) FREEZER DOOR ························································37
3-20) PULL OUT DRAWER ·····················································38
3-21) ICE-MAKER ···························································39
3-22) FREEZER LIGHT ·······················································40
3-23) DOOR SWITCH IN FREEZER ················································40
3-24) EVAPORATOR COVER IN FREEZER ···········································41
3-25) EVAPORATOR IN FREEZER ················································41
3-26) MACHINE COMPARTMENT ·················································42
3-27) ELECTRIC BOX ························································45
4. TROUBLESHOOTING ························································46
4-1) FUNCTION FOR FAILURE DIAGNOSIS ··········································47
4-1-1. TEST MODE (MANUAL OPERATION / MANUAL DEFROST FUNCTION) ··················47
4-1-2. DISPLAY FUNCTION OF COMMUNICATION ERROR ······························48
4-1-3. SELF-DIAGNOSTIC FUNCTION ···········································49
4-1-4. DISPLAY FUNCTION OF LOAD CONDITION ···································52
4-1-5. EXHIBITION MODE SETTING FUNCTION ·····································53
4-1-6. OPTION SETTING FUNCTION ············································53
4-1-7. OPTION TABLE ······················································56
AW-SEM Transform(RF267,2#3957D8 2009.8.20 4:49 PM 페이지4 i n

Contents
4-2) DIAGNOSTIC METHOD ACCORDING TO THE TROUBLE SYMPTOM(FLOW CHART) ············57
4-2-1. IF THE TROUBLE IS DETECTED BY SELF-DIAGNOSIS ····························58
4-2-2. IF FAN DOES NOT OPERATE(F, R, C - FAN) ···································68
4-2-3. IF ICE ROOM FAN DOES NOT OPERATE ·····································69
4-2-4. IF ICE MAKER DOES NOT OPERATE ········································70
4-2-5. IF DEFROST DOES NOT OPERATE (F,R DEF HEATER) ···························71
4-2-6. IF POWER IS NOT SUPPLIED ············································72
4-2-7. IF COMPRESSOR DOES NOT OPERATE ·····································73
4-2-8. WHEN ALARM SOUND CONTINUOUS WITHOUT STOP(RELATED WITH BUZZER SOUND) ····74
4-2-9. IF PANEL PCB DOES NOT WORK NORMALLY ··································76
4-2-10. IF PANTRY PANEL PCB IS NOT WORKING NORMALLY ···························77
4-2-11. WHEN REFRIGERATOR ROOM LAMP DOES NOT LIGHT UP ·······················78
4-2-12. IF ICE WATER IS NOT SUPPLIED ·········································79
4-2-13. IF WATER IS NOT SUPPLIED ············································80
4-2-14. IF CUBED OR CRUSHED ICE IS NOT SUPPLIED ·······························81
4-2-15. IF COVER ICE ROUTE MOOR(GEARD MOTOR) IS NOT WORKING NORMALLY ···········82
5 . EXPLODED VIEW & PARTS LIST ················································83
5-1) FREEZER ·····························································84
5-2) REFRIGERATOR ························································87
5-3) CABINET ·····························································93
5-4) DISASSEMBLY OF FREEZE DOOR ············································97
5-5) DISASSEMBLY OF REFRIGERATOR DOOR LEFT ·································100
5-6) DISASSEMBLY OF REFRIGERATOR DOOR RIGHT ·································103
6. PCB DIAGRAM ···························································105
6-1) PCB LAYOUT WITH PART POSITION ··········································106
6-2) PCB LAYOUT WITH PART POSITION (INVERTER BOARD)·····························107
6-3) CONNECTOR LAYOUT WITH PART POSITION (MAIN BOARD) ·························108
6-4) PCB LAYOUT WITH PART POSITION (MAIN BOARD) ································109
6-5) CONNECTOR LAYOUT WITH PART POSITION (INVERTER BOARD) ······················110
7. WIRING DIAGRAM ·························································111
7-1) MODEL : RF267AD·······················································111
7-2) MODEL : RF26VAD ······················································112
8. SCHEMATIC DIAGRAM ······················································113
8-1) WHOLE BLOCK DIAGRAM ·················································113
8-1-1. MODEL : RF267AD ···················································113
8-1-2. MODEL : RF26VAD ···················································114
8-1-3. INVERTER BOARD ···················································115
8-2) CIRCUIT DIAGRAM ······················································111
8-2-1. MODEL : RF267AD / RF26VAD ···········································116
8-2-2. INVERTER BOARD ···················································117
AW-SEM Transform(RF267,2#3957D8 2009.8.20 4:49 PM 페이지5 i n

4
1. PRECAUTIONS(SAFETY WARNINGS)
●
Before servicing the refrigerator or replacing parts, unplug the unit from the
wall outlet.
→
Shock Hazard, observe basic safety rules.
●
Be sure to use the specified generic parts when servicing the product.
→
Confirm the Model Number on Product itself.
Inspect the mew part and assembly for Voltage, Current and temperature
specifications.
●
During the Diagnostic and Troubleshooting phase it is recommended to do a
visual inspection of all the connections of the wiring harness to the PCB ASSY.
●
Check the traces of water infiltration at the electric parts.
→
If there is a trace of water infiltration it is necessary for you to replace the
insulation tape or harness.
●
Check the assemble status of parts after troubleshooting.
→
It should be done indiscriminately as before the repair.
●
Check the use circumstance of refrigerator.
→
If the refrigerator is installed at the place that is damp or wet, or
status of installation is unstable, change the installation place.
●
Do earth in case of need.
→
Particularly, Be sure to earth when there is a risk of an electric
leakage by humidity or wetness.
●
Do not use multi plugs in a plug socket at the same time.
Check if the power cord and socket is damaged, pressed, squeezed,
or fired.
→
If the plug or plug socket is damaged, repair or exchange that
immediately.
●
Do not allow consumers to repair the appliance by themselves.
●
Do not store other materials except the foods.
→
Drugs or scientific materials : difficult to keep precise temperature.
→
The inflammables(alcohol, benzene, ether, LP gas, butane gas etc.):
have risk of explosion.
AW-SEM Transform(RF267,2#3957D8 2009.8.20 4:49 PM 페이지4 i n

5
PRECAUTIONS(SAFETY WARNINGS)
Read all instructions before repairing the product and follow the instructions
in order to prevent danger or property damage.
CAUTION/WARNING SYMBOLS DISPLAYED
SYMBOLS
Indicates that a
danger of death
or serious injury
exists.
Indicates that a risk
of personal injury
or material damage
exists.
means “Prohibited”.
means “Do not disassemble”.
means “No contact”.
means ”Warning or Caution”.
means “Earth or Ground”.
means “Unplug the unit before
preforming service”
Pull the power plug out to
exchange the interior lamp
of the refrigerator.
●
It may cause electric shock.
Warning
Warning & Caution
Caution
Unplug
Use the rated components
on the replacement.
●
Check the correct model, rated
voltage, rated current, operating
temperature and so on.
On repair, make sure that the
wires such as harness are
bundled tightly.
●
Bundle tightly wires in order not to be
detached by the external force and then not
to be wetted.
Check if there is any trace
indicating the permeation
of water.
●
If there is that kind of trace, change
the related components or do the
necessary treatment
such as taping
using the
insulating tape.
After repair, check the
assembled state of components.
●
It must be in the same assembled state
when compared with the state before
disassembly.
On repair, remove completely dust
or other things of housing parts,
harness parts, and check parts.
●
Cleaning may prevent the possible fire by
tracking or short.
Rated
components
AW-SEM Transform(RF267,2#3957D8 2009.8.20 4:49 PM 페이지5 i n

6
PRECAUTIONS(SAFETY WARNINGS)
❈
Please let users know following warnings & cautions in detail.
Do not allow users to put bottles or
kinds of glass in the freezer.
●
Freezing of the contents may inflict a wound.
Do not allow users to store narrow
and lengthy bottles or foods in a
small multi-purpose room.
●
It may hurt you when refrigerator door is
opened and closed resulting in falling stuff
down.
Do not allow users to store
pharmaceutical products, scientific
materials, etc., in the refrigerator.
●
The products which temperature control
should not be stored in the refrigerator.
Do not allow users to store
articles on the product.
●
Opening or closing the door may cause
things to fall down, which may cause
injury.
Prohibition
Warning & Caution
Do not allow users to
disassemble, repair or alter.
●
It may cause fire or abnormal
operation which leads to injury.
Do not
disassemble
Do not allow users to insert the
power plugs for many products
at the same time.
●
May cause abnormal generation of
heat or fire.
Prohibition
Do not allow users to bend the
power cord with excessive force
or do not have the power cord
pressed by heavy article.
●
May cause fire.
Do not allow users to install the
refrigerator in the wet place or
the place where water splashes.
●
Deterioration of insulation of electric
parts may cause electric shock or fire.
Make sure of the earth.
●
Be sure the product is properly grounded.
Earth
AW-SEM Transform(RF267,2#3957D8 2009.8.20 4:49 PM 페이지6 i n

7
PRECAUTIONS(SAFETY WARNINGS)
For proper installation, this refrigerator must be
placed on a level surface of hard material that is
the same height as the rest of the flooring. This
surface should be strong enough to support a fully
loaded refrigerator, or approximately
660lbs(299kg).
FLOORING
Protect the finish of the flooring. Cut a large
section of the cardboard carton and place
under the refrigerator where you are working.
When moving, be sure to pull the unit straight
out and push back in straight.
MOVING
AW-SEM Transform(RF267,2#3957D8 2009.8.20 4:49 PM 페이지7 i n

8
2. PRODUCT SPECIFICATIONS
2-1) INTRODUCTION OF MAIN FUNCTION ·······································9
2-2) SPECIFICATIONS ···················································10
2-3) INTERIOR VIEWS ···················································11
2-4) MODEL SPECIFICATION ···············································12
2-5) MODEL SPECIFICATION &SPECIFICATION CHART ·····························13
2-6)DIMENSIONS OF REFRIGERATOR (INCHES) ··································16
2-7) OPTIONAL MATERIAL SPECIFICATION ·····································17
2-8) REFRIGERANT ROUTE IN REFRIGERATION CYCLE ····························18
2-9) COOLING AIR CIRCULATION ············································19
AW-SEM Transform(RF267,2#3957D8 2009.8.20 4:49 PM 페이지8 i n

2. PRODUCT SPECIFICATIONS
●●A newly Developed SAMSUNG bottom mount freezer in 2009 has the following
characteristics.
2-1) Introduction of main function
9
Surround Multi Flow
●●Uniform cooling for each shelf and even in corner in fresh
food compartment by centerpositioned fan and duct with
multiple flow effluences
Twin Cooling System
●●The refrigerator and the freezer have two evaporators.
Given this independent system, the freezer and the
refrigerator are cooled individually as required and are,
therefore, more efficient.
Food odor from the refrigerator does not affect food in the
freezer due to separate air flow circulation.
16" Pizza Corner
●●Can be used for 16" pizza if stand flip tilting pocket.
Ice and Water Dispenser
●●The ice and water dispenser provides ice and cold water at
any time.
Secure Auto Close Door System
●●Secure Auto Close Door System
●●Cool tight doors
●●Energy saving
●●Preventing sweat on fridge doors
Easy Handle System
●●Ez-open Freezer Door
●●Ergonomic Door Design
Electronic control from outside of Pantry Cover
●●Adjustable temperature control ((around 41℉(5℃) : Deli /
around 38℉(3℃) : Fresh / around 34℉(1℃) Chilled )
Temperature control from outside of the Pantry : user
friendly design helps keep foods fresh for longer
AW-SEM Transform(RF267,2#3957D8 2009.8.20 4:49 PM 페이지9 i n

Defrost Control From 24 to 32 hrs
Thermo Bimetal Protector 140°F(60℃)(off) 104°F(40℃)(on)
Defrost Thermistor(502AT) 50°F(10℃)(off)
Electrical Rating AC115V 60Hz 11.6 Amps
Maximum Current Leakage 0.25 mA
Maximum Ground Path Resistance 0.1 Ohm
Energy Consumption 540KWh/year
Ambient Temperature 70℉(21℃)90℉(32℃)
Refrigerator,℉34℉(1℃)∼46℉(8℃) 34℉(1℃)∼46℉(8℃)
Freezer,℉-14℉(-26℃)∼8℉(-13℃) -14℉(-26℃)∼8℉(-13℃)
Run Time,% 40 60
Refrigerant Charge (R134a) 5.64 oz(160g)
Compressor(BK190CL2C/E02) 897 Btu/hr(0.263kw)
Compressor oil Freol α-10
Capillary tube(Dia, Length) 0.032"",118""((00..8811mmmm,, 22999977mmmm))
Dryer Molecular Sieve XH-9
Clearance must be provided for air circulation
AT TOP 2"
((5500mmmm))
AT SIDES 33/4"(95mm)
AT REAR 2"((5500mmmm))
Compressor
C-Fan Noise FilterDryer
condenser Water Valve
10
2-2) Specifications
PRODUCT SPECIFICATIONS
Fan
Fan
Fan
Fan
Fan
Fan
(Air inlet)
(Air inlet)
(Air inlet)(Air inlet)
(Air inlet)
(Air inlet)
Heat exchanger
Heat exchanger
Heat exchanger
Fan
(Air inlet)
Fan
Fan
(Air inlet)(Air inlet)
Heat exchanger
FanFanFan
(Air inlet)(Air inlet)(Air inlet)
Heat exchanger
ELECTRICAL SPECIFICATIONS
Freezer
Refrigerator
NO LOAD PERFORMANCE
REFRIGERATION SYSTEM
INSTALLATION
AW-SEM Transform(RF267,2#3957D8 2009.8.20 4:50 PM 페 이 지 1 0 i n

11
PRODUCT SPECIFICATIONS
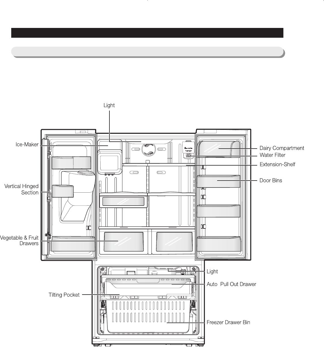
2-3) Interior Views (RF267)
Freezer
Refrigerator
Auto Door Closer
Water Filter
Dairy Compartment
Door Bins
Cool Select PantryTM
Light
Vertical Hinged
Section
Vegetable & Fruit
Drawers
Tilting Pocket
Light
Pull Out Drawer
Freezer Drawer Bin
Slide-Shelf
Quick-Space
Glass Shelf
Ice-Maker
Foldable-Shelf
Slide-Shelf
AW-SEM Transform(RF267,2#3957D8 2009.8.20 4:50 PM 페 이 지 1 1 i n

12
2-3) Interior Views (RF26X)
PRODUCT SPECIFICATIONS
AW-SEM Transform(RF267,2#3957D8 2009.8.20 4:50 PM 페 이 지 1 2 i n

ModelITEM
External size
Net
Capacity
Weight
Packing
D
H
W
Efficiency of volume
W/O Hinge Cap
With Hinge Cap
Total
Freezer
Refrigerator
Set
Packing
Width
Depth
Height
Compressor
Rated Frequency and Frequency
Refrigerant
Foaming agent
Refrigerant Input Amount
Kind of Refrigerator
Motor Rated Consumption Power
Electric Heater Rated Consumption Power
RF267 / RF26X
35 3/4 inch (908mm)
29 1/8 inch (740mm)
35 5/8 inch (905mm)
68 5/8 inch (1744mm)
70 Inch (1778mm)
26 Cu.ft (733.4ℓ)
8.2 Cu.ft(232.2ℓ)
17.7 Cu.ft(501.2ℓ)
50.17%
330 Pounds (150kg)
363 Pounds (165kg)
38 5/8 Inch (980mm)
39 13/32 Inch (1001mm)
75 3/4 Inch (1923mm)
reciprocate
AC 115V/60Hz
R 134a
C-Pantane
5.64 oz (160g)
Indirect Cooling Method Refrigerator
155A
380W
13
2-4) Model Specification &Specification Chart
PRODUCT SPECIFICATIONS
AW-SEM Transform(RF267,2#3957D8 2009.8.20 4:50 PM 페 이 지 1 3 i n

Items
Model
14
PRODUCT SPECIFICATIONS
Compressor
Evaporator
Model
First Defrost Cycle (Concurrent defrost of F and R)
Defrost Cycle(FRE)
Defrost Cycle(REF)
Pause time
THERMISTOR
(F-SENSOR)
502AT
Temperature Selection
-8℉(-22℃)
-2℉(-19℃)
8℉(-13℃)
Model
THERMISTOR
(R-SENSOR)
502AT
F Defrost-Sensor
R Defrost-Sensor
F Bimetal-thermo
Protector
R Bimetal-thermo
Protector
Temperature Selection
34℉(1℃)
38℉(3℃)
46℉(8℃)
Model
SPEC
Model
SPEC
Rated
Operating temperature
Rated
Operating temperature
Condenser
Dryer
Capillary tube(Dia x Length)
Refrigerant
Model
Starting type
Oil Charge
Freezer
Refrigerator
BK190CL2C/E02
R.S.C.R
FREOL α- 10
SPLIT FIN TYPE
SPLIT FIN TYPE
Forced and natural convection type
Molecular sieve XH-9
0.032” x 118” (0.81mm x 2997mm)
R134a
11hr ±10min
11~22hr(vary according to the conditions used)
6~11hr(vary according to the conditions used)
12 ±1min
THERMISTOR (502AT)
5.0 ㏀at 77℉(25℃)
THERMISTOR (502AT)
5.0 ㏀at 77℉(25℃)
AC 125V 10A
Off : 140℉(60℃) / On : 104℉(40℃)
AC 125V 10A
Off : 140℉(60℃) / On : 104℉(40℃)
ON(℉)
-2℉(-19℃)
1℉(-17℃)
11℉(-12℃)
ON(℉)
36℉(2℃)
40℉(4℃)
48℉(9℃)
OFF(℉)
-13℉(-25℃)
-5℉(-21℃)
5℉(-15℃)
OFF(℉)
32℉(0℃)
36℉(2℃)
44℉(7℃)
Specification
RF267 / RF26X
Components for FreezerDefrost Related Components
FreezerRefrigeratorDefrost Cycle
Defrost SensorBimetal
Room Temperature Sensor Components
AW-SEM Transform(RF267,2#3957D8 2009.8.20 4:50 PM 페 이 지 1 4 i n

15
PRODUCT SPECIFICATIONS
Items
Model
Defrost Heater(FRE)
Defrost Heater(REF)
DISPENSER Heater
FRENCH Heater
ICE Duct Heater
Water Tank Heater
Interlock with French Heater
-
Interlock with Defrost Heater (FRE)
-
Model
Temp.ON
Temp.OFF
Over load Relay
Rated Voltage
MOTOR-BLDC(FRE)
MOTOR BLDC(ICE ROOM)
MOTOR-BLDC(REF)
MOTOR-BLDC(CIRCUIT)
MOTOR-DAMPER(PANTRY)
Lamp(FRE)
Lamp(REF)
Conducting af F Defrost
Conducting at R Defrost
Door Switch
FRE
REF
REF(ICE ROOM)
Power cord
Earth Screw
Bimetal thermo For Preventing Overheating of Refrigerator Lamp
Specification
RF267 / RF26X
Electric Components
AC 115V, 240W
AC115V, 120W
AC115V, 2W
AC115V, 8W
AC115V, 4W
DC 12V, 2W
AC125V 10A / 140℉(60℃) / On : 104℉(40℃)
4TM445PHBYY-82
257℉±9℉(125℃±5℃)
156℉±16℉(69℃±9℃)
AC 115V/ 60Hz
DC12V / DREP5020LC
DC12V / DREP5020LB
DC12V / DREP5020LC
DC 12V / DRCP5030LA
DC12V / NSBY001TA1
AC 120V / 60W(1EA)
AC 120V / 60W(2EA)
AC 125V 1.5A (1EA)
DC200V 1.5A / MS-406-SS-01(2EA)
125~250V /11A, EMB606
AC125V 15A
BSBN (BRASS SCREW)
AW-SEM Transform(RF267,2#3957D8 2009.8.20 4:50 PM 페 이 지 1 5 i n

16
PRODUCT SPECIFICATIONS
29 3/32"(739mm)
3 3/8"(86mm)
21 5/8"(549mm)
41 11/16"(1059mm)
19/32"(15mm)
70"(1778mm)
1.3"(34mm)
1/5"(5mm)
32 29/32"(836mm)
35 5/8"(905mm)
35 3/4"(908mm)
24 9/32"(617mm)
3 3/8"(86mm)
54 1/2"(1384mm)
18 11/16"(475mm)
47 25/32"(1214mm)
2-6)Dimensions of Refrigerator
AW-SEM Transform(RF267,2#3957D8 2009.8.20 4:50 PM 페 이 지 1 6 i n

17
PRODUCT SPECIFICATIONS
2-7) Optional Material Specification
Part Name
FILTER
WATER-ASSY DA29-00003B
ASSY-PACKING
SUB DA99-00240S
LAMP INCANDENT 4713-001223
Part Code AMOUNT
1
1
3
AW-SEM Transform(RF267,2#3957D8 2009.8.20 4:50 PM 페 이 지 1 7 i n

18
Compressor →condenser →Hot Pipe →Dryer →Capillary Tube →Refrigerator Evaporator →Freezer
Evaporator→Suction Pipe →Compressor
Refrigerator
Evaporator
PRODUCT SPECIFICATIONS
2-8) Refrigerant Route in Refrigeration cycle
Freezer
Evaporator
Suction Pipe
Capillary Tube
Accumulator
Compressor
Condenser
Hot Pipe
Muffler
AW-SEM Transform(RF267,2#3957D8 2009.8.20 4:50 PM 페 이 지 1 8 i n

19
Refrigerator
PRODUCT SPECIFICATIONS
2-9) Cooling Air Circulation
Freezer
AW-SEM Transform(RF267,2#3957D8 2009.8.20 4:50 PM 페 이 지 1 9 i n

20
3. DISASSEMBLY AND REASSEMBLY
3-1) PRECAUTION ·····································21
3-2) REFRIGERATOR DOOR ································22
3-3) DOOR HANDLE ····································24
3-4) REFRIGERATOR LIGHT ·································25
3-5) COVER-DISPLAY & WATER-DISPENSER ·························25
3-6) WATER-DISPENSER ··································26
3-7) GLASS SHELF ·····································27
3-8) FOLDABLE GLASS SHELF ······························· 28
3-9) VEGETABLE & FRUIT DRAWERS SHELF ·························28
3-10) COOL SELECT PANTRY ································29
3-11) WATER TANK ·····································30
3-12) MOTOR DAMPER ··································· 32
3-13) WATER FILTER (DISASSEMBLY) ····························32
3-14) WATER FILTER (REASSEMBLY) ····························33
3-15) GALLON DOOR BIN ··································33
3-16) VERTICAL HINGED SECTION ······························34
3-17) EVAPORATOR COVER IN REFRIGERATOR ·······················35
3-18) EVAPORATOR IN REFRIGERATOR ···························36
3-19) FREEZER DOOR ···································37
3-20) PULL OUT DRAWER ··································38
3-21) ICE-MAKER ······································39
3-22) FREEZER LIGHT ···································40
3-23) DOOR SWITCH IN FREEZER ······························40
3-24) EVAPORATOR COVER IN FREEZER ··························41
3-25) EVAPORATOR IN FREEZER ······························41
3-26) MACHINE COMPARTMENT ·······························42
3-27) ELECTRIC BOX ····································45
AW-SEM Transform(RF267,2#3957D8 2009.8.20 4:50 PM 페 이 지 2 0 i n

21
ASSEMBLY & DISASSEMBLY
• Unplug the refrigerator before cleaning and making repairs.
• Remove any foreign matter or dust from the power plug pins.
- Otherwise there is a risk of fire.
• Do not use a cord that shows cracks or abrasion damage along its length or at either end.
• Do not plug several appliances into the same multiple power board. The refrigerator should always be
plugged into its own individual electrical which has a voltage rating that matched the rating plate.
- This provides the best performance and also prevents overloading house wiring circuits, which could
cause a fire hazard from overheated wires.
• Do not install the refrigerator in a damp place or place where it may come in contact with water.
- Deteriorated insulation of electrical parts may cause an electric shock or fire.
• The refrigerator must be grounded.
- You must ground the refrigerator to prevent any power leakages or electric shocks caused by current
leakage from the refrigerator.
• Do not put bottles or glass containers in the freezer.
- When the contents freeze, the glass may break and cause personal injury.
• Do not store volatile or flammable substances in the refrigerator.
- The storage of benzene, thinner, alcohol, ether, LP gas and other such products may cause
explosions.
- NEED TOOL
3-1) PRECAUTION
IMAGE ITEM USE
Phillips Head Driver Use for assembling and
disassembling of screw
Flat Head Driver
Use for assembling and disassembling
of HomeBar, Dispenser, Deli
Cartessen Box, Main PBA etc...
Hex Wrench Ø5mm Use for assembling and
disassembling of Middle Hinge
Socket Wrench Ø10mm Use for assembling and
disassembling of Door Hinge
AW-SEM Transform(RF267,2#3957D8 2009.8.20 4:50 PM 페 이 지 2 1 i n

22
Part Name How To Do Descriptive Picture
3-2) Refrigerator Door
DISASSEMBLY AND REASSEMBLY
Refrigerator
Door
1. With the door opened, remove
the Top Table cap() with a Flat
head screwdriver, and close the
door.
3. Disconnect a earth wire(),
electronic connector() and a
water()coupling .
The blue and red clips are not
on the coupling at first, but must
be put at installation().
Remove the 3 hex head bolts on
the upper hinge with 10mm
wrench.
2. Remove the 3 screw holding
down the Top Table and remove
the Top Table().
4. Remove the 3 hex head bolts()
found attatched to the upper left
and right door hinges with a
Wrench(10mm).
With a Philips head screwdriver,
remove the ground screw() found
attatched to the upper left and right
door hinges. Remove the upper left
and right door hinges().
AW-SEM Transform(RF267,2#3957D8 2009.8.20 4:50 PM 페 이 지 2 2 i n

23
DISASSEMBLY AND REASSEMBLY
Refrigerator
Door
Part Name How To Do Descriptive Picture
5. Lift the door straight up to
remove.
6.Remove 2 hex head bolts( )
with 5mm Allen Wrench(3/16")
and an screw( ) with Philips
screwdriver.
AW-SEM Transform(RF267,2#3957D8 2009.8.20 4:50 PM 페 이 지 2 3 i n

24
DISASSEMBLY AND REASSEMBLY
3-3) Door Handle
Door Handle
Freezer
Part Name How To Do Descriptive Picture
1. Remove the Cap Door with a
flat-blade(-) screwdriver.
2. Remove 4 screws
3. Lift up the handle to have the
Slider Handle Fre() pushed
back.
4. After having the Slider Handle
Fre() pushed back, screw up
at the hole.
5. Remove the door handle by
lifting it up.
AW-SEM Transform(RF267,2#3957D8 2009.8.20 4:50 PM 페 이 지 2 4 i n

25
DISASSEMBLY AND REASSEMBLY
3-4) Refrigerator Light
3-5) Cover-display & water-dispenser
Cover-display
Part Name How To Do Descriptive Picture
1. Insert a flat-blade screwdriver
on the slot as shown in the
picture, and unlock the tabs.
2. Remove the display cover by
pushing it to the right side and
pulling it up.
3. Disengage the housing connect
of display cover
Refrigerator
Light
Part Name How To Do Descriptive Picture
1. Remove the lamp cover by
pulling it down as pushing the
rear of lamp cover.
2. Remove the screw. And
separate the LED panel.
①
②
AW-SEM Transform(RF267,2#3957D8 2009.8.20 4:51 PM 페 이 지 2 5 i n

26
DISASSEMBLY AND REASSEMBLY
Cover-display
Part Name How To Do Descriptive Picture
4. Remove 4 screws of cover-
display
3-6) Water-dispenser
Water-dispenser
Part Name How To Do Descriptive Picture
1. Disengage the 3 Housing
Connect.
2. Remove 2 screws of the
CaseIce,Route Assy.
3. Pull the Case-Ice,Route Assy.
4. Push the hook and remove the
Micro Switch.
AW-SEM Transform(RF267,2#3957D8 2009.8.20 4:51 PM 페 이 지 2 6 i n

27
DISASSEMBLY AND REASSEMBLY
Water-dispenser
Part Name How To Do Descriptive Picture
1. Assembly shall be the contrary
order from the disassemble.
Case-Ice and Route shall be
assembled inside of hose.
Otherwise, assemble cannot be
accomplished.
2. When assembling Cover-
Display, first insert it from
leftside and then assemble to
rightside.
Otherwise, the tab can be
broken.
3-7) Glass Shelf
Glass Shelf
Part Name How To Do Descriptive Picture
Remove the shelf by lifting the
front plane of the shelf up and
pulling it out.
AW-SEM Transform(RF267,2#3957D8 2009.8.20 4:51 PM 페 이 지 2 7 i n

28
DISASSEMBLY AND REASSEMBLY
3-9) Vegetable & Fruit Drawers Shelf
3-8) Foldable Glass Shelf
Foldable Glass
Shelf
Part Name How To Do Descriptive Picture
Remove 2 screws of the Fold
Glass Shelf
Vegetable & Fruit
Drawers Shelf
Part Name How To Do Descriptive Picture
1. Remove the vegetable & fruit
drawer by pulling the roller part
and lifting it up.
2. Remove the vegetable & fruit
drawers shelf by pulling it out.
(Refer to the picture)
AW-SEM Transform(RF267,2#3957D8 2009.8.20 4:51 PM 페 이 지 2 8 i n

29
DISASSEMBLY AND REASSEMBLY
3-10) Cool Select Pantry
Cool Select Pantry
Part Name How To Do Descriptive Picture
1. Remove the cool select pantry
by pulling the roller part and
lifting it up.
Cool Select Pantry
Cover
1. Remove the cool select pantry
cover by lifting the central part
of the cover while pushing it to
the left.
Cool Select Pantry
Shelf
1. Remove the cool select pantry
shelf by lifting the front part of
the shelf while pulling it.
Cool Select Pantry
Rail
1. Remove the cool select pantry
rail by unscrewing the 3 screw
parts and pulling the rail.
2. Disconnect the housing
connector from the internal rail
part.
(Refer to the picture)
AW-SEM Transform(RF267,2#3957D8 2009.8.20 4:51 PM 페 이 지 2 9 i n

30
DISASSEMBLY AND REASSEMBLY
3-11) Water Tank
Water Tank
Part Name How To Do Descriptive Picture
The Water Tank is located in the
lower part of the fridge. Before
disassembling the Water Tank take
out shelf and drawers and pantry
located in front of the Water Tank.
1. Remove 2 screw of the Water
Tank cover.
2. Disengage the housing
connector.
One water Tube is located in the
machine compartment of the
refrigerator. Before disassembling
the Water Tube, take out the
compressor cover.
5. Remove the water valve fixed by
the screw.
AW-SEM Transform(RF267,2#3957D8 2009.8.20 4:51 PM 페 이 지 3 0 i n

9. Remove the Water Tank by
pulling the Water Tube.
31
DISASSEMBLY AND REASSEMBLY
Water Tank
Part Name How To Do Descriptive Picture
6. Disconnect the water tube by
pushing the tube fitting apart as
shown in the picture.
The other Water Tube is located in
the Top Table of the refrigerator.
Before disassembling the Water
Tube, take out the Top table.
7. Remove the blue cap of water
coupler with other tools.
8. Disconnect the water coupler by
pushing as shown in the picture.
AW-SEM Transform(RF267,2#3957D8 2009.8.20 4:51 PM 페 이 지 3 1 i n

32
DISASSEMBLY AND REASSEMBLY
3-12) Motor Damper
Motor Damper
Part Name How To Do Descriptive Picture
1. Remove the cool select pantry.
Remove the screw part of lower
motor damper part and then
push the motor damper down.
2. Disengage 2 housing
connectors from the rear motor
damper.
(Refer to the picture)
Water Filter
Part Name How To Do Descriptive Picture
1. Remove the shelf by lifting the
front plane of the shelf up and
pulling it out.
2. Remove the water filter by
turning it Counterclockwise.
(Refer to the picture)
3-13) Water Filter (Disassembly)
AW-SEM Transform(RF267,2#3957D8 2009.8.20 4:51 PM 페 이 지 3 2 i n

33
DISASSEMBLY AND REASSEMBLY
3-14) Water Filter (Reassembly)
3-15) Gallon Door Bin
Gallon Door Bin
Part Name How To Do Descriptive Picture
1. Remove the gallon door bin by
lifting it up.
(Refer to the picture)
Water
Filter
Part Name How To Do Descriptive Picture
1. Place the part of (ⓐ) arrow (that
is indicating in the picture) in the
middle of the front filter cover
and push it up.
2. Turn the water filter
counterclockwise until central
horizontal line of filter cover and
both ends of water filter label
are made all of the same width.
(Refer to the picture.)
AW-SEM Transform(RF267,2#3957D8 2009.8.20 4:52 PM 페 이 지 3 3 i n

34
DISASSEMBLY AND REASSEMBLY
3-16) Vertical Hinged Section
Vertical Hinged
Section
Part Name How To Do Descriptive Picture
1. Remove 2 screw cap parts with
a flat-blade(-) screwdriver.
(Refer to the picture)
2. Unscrew 2 screws.
3. Disengage the internal housing
connector of the vertical hinge.
4. Remove the vertical hinged
section by lifting the vertical
hinge up.
(Refer to the picture)
AW-SEM Transform(RF267,2#3957D8 2009.8.20 4:52 PM 페 이 지 3 4 i n

35
DISASSEMBLY AND REASSEMBLY
3-17) Evaporator Cover In Refrigerator
Evaporator Cover
In Refrigerator
Part Name How To Do Descriptive Picture
1. Remove the angle cap with a
flat-blade screwdriver.
(Refer to the picture)
2. Unscrew 4 screws.
3. Remove the the lower part of
angle mid by pulling it out and
pushing it down.
(Refer to the picture)
4. Remove the hook by pulling it
from the lower part and pushing
the cover down.
(Refer to the picture)
5. Disconnect the housing
connector of the rear plane.
(Refer to the picture)
AW-SEM Transform(RF267,2#3957D8 2009.8.20 4:52 PM 페 이 지 3 5 i n

36
DISASSEMBLY AND REASSEMBLY
3-18) Evaporator In Refrigerator
Evaporator
In Refrigerator
Part Name How To Do Descriptive Picture
1. Remove the the housing cover
by pushing both lateral sides of
the housing cover and pulling it
out.
(Refer to the picture)
2. Disconnect the housing
connector part.
(Refer to the picture)
3. Unscrew 2 screws.
4. Remove the evaporator by lifting
the bottom side of it up and
pulling it out.
(Refer to the picture)
AW-SEM Transform(RF267,2#3957D8 2009.8.20 4:52 PM 페 이 지 3 6 i n

37
DISASSEMBLY AND REASSEMBLY
3-19) Freezer Door
Freezer
Door
Part Name How To Do Descriptive Picture
1. Open the freezer door.
Remove the tilting pocket by
pushing it to the left.
(Refer to the picture)
2. Remove the 2 support tilting
pockets with temporary force.
(Refer to the picture)
3. Remove the freezer drawer bin
by lifting the bottom part of it up.
(Refer to the picture)
4. Remove 4 internal bolts at both
lateral sides of rail part.
(Refer to the picture)
5. Remove the freezer door by
tilting the bottom part of it and
lifting it up.
AW-SEM Transform(RF267,2#3957D8 2009.8.20 4:52 PM 페 이 지 3 7 i n

38
DISASSEMBLY AND REASSEMBLY
3-20) Pull Out Drawer
Door
Handle
Freezer
Part Name How To Do Descriptive Picture
1. Slide the drawer in as much as
possible
2. Lift the drawer up
3. Remove the pull out drawer by
lifting the bottom part of drawer
bin and pulling it out.
AW-SEM Transform(RF267,2#3957D8 2009.8.20 4:52 PM 페 이 지 3 8 i n

39
3-21) Ice-Maker
DISASSEMBLY AND REASSEMBLY
Ice Maker
Part Name How To Do Descriptive Picture
2. Remove 1 screw of the Cover
1. Pull the Ice-Bucket lever and out
3. Disassemble the cover with a
flat-blade(-) screwdriver and pull
it out.
4. Disengage the 2 housing
connector.
5. Push hook and pull the Ice-
Maker out.
6. To disassemble, push the tab
and pull the case-auger and the
motor out.
lever
lever
lever
lever
lever
lever
lever
lever
lever
lever
lever
lever
lever
lever
lever
lever
lever
lever
lever
lever
lever
lever
lever
lever
lever
lever
lever
lever
lever
lever
lever
lever
lever
lever
AW-SEM Transform(RF267,2#3957D8 2009.8.20 4:52 PM 페 이 지 3 9 i n

40
DISASSEMBLY AND REASSEMBLY
3-22) Freezer Light
3-23) Door Switch In Freezer
Door Switch In
Freezer
Part Name How To Do Descriptive Picture
1. Remove the freezer drawer bin
by using a flat-blade(-)
screwdriver.(Refer to the
picture)
2. Disconnect the housing
connector part.
Freezer Light
Part Name How To Do Descriptive Picture
1. Remove the light by pulling the
light cover down while pushing
the rear plane of light cover.
AW-SEM Transform(RF267,2#3957D8 2009.8.20 4:52 PM 페 이 지 4 0 i n

41
DISASSEMBLY AND REASSEMBLY
3-24) Evaporator Cover In Freezer
3-25) Evaporator In Freezer
Evaporator In
Freezer
Part Name How To Do Descriptive Picture
1. Remove the housing cover by
pushing both lateral sides of
housing cover part and pulling it
out.
Remove the housing connector
part.
2. Remove the evaporator by
pulling the lower part of the
evaporator while lifting it up.
Evaporator Cover
In
Freezer
Part Name How To Do Descriptive Picture
1. Remove the freezer door and
freezer drawer bin by pulling out
the drawer and then unscrewing
2 screws.
2. Lift up the evaporator cover.
3. Disengage the 3 housing
connector and remove the
evaporator cover.
AW-SEM Transform(RF267,2#3957D8 2009.8.20 4:52 PM 페 이 지 4 1 i n

42
DISASSEMBLY AND REASSEMBLY
3-26) Machine Compartment
Motor Fan
Part Name How To Do Descriptive Picture
1. Unscrew 5 screws of cover
compressor.
2. Disengage the housing
connector.
(Refer to the picture)
3. Remove the hooker of support
circuit motor by lifting the hooker
up and pulling it out.
4. Remove the spring with a flat-
blade screwdriver.
(Refer to the picture)
5. Remove the motor fan by pulling
the fan out while grasping the
motor part.
(Refer to the picture)
6. Unscrew 2 screws fixed in the
motor.
7. Remove the hook of the motor
cover with a flat-blade (-)
screwdriver and then remove
the motor.
AW-SEM Transform(RF267,2#3957D8 2009.8.20 4:53 PM 페 이 지 4 2 i n

43
DISASSEMBLY AND REASSEMBLY
Relay O/L
Water Valve
Part Name How To Do Descriptive Picture
1. Disengage the housing
connector.
2.Remove Cover Relay
3. Remove the relay O/L with a
flat-blade screwdriver.
(Refer to the picture)
1. Unscrew the water valve fixed
by the screw.
2. Remove the the hook part of the
hose by pushing it down.
3. Remove 2 water hose parts
while pushing the upper
part of ①.
(Refer to the picture)
4. Disengage 2 housing connector
parts.
5. Remove the hose connected by
the nut with a wrench(8mm).
AW-SEM Transform(RF267,2#3957D8 2009.8.20 4:53 PM 페 이 지 4 3 i n

44
DISASSEMBLY AND REASSEMBLY
Power Cord &
Noise Filter
Part Name How To Do Descriptive Picture
1. Unscrew 2 screws.
2. Disengage the housing
connector.
3. Unscrew 2 earth screws.
4. Remove the cover by pushing
the hook up using a flat
screwdriver.
(Refer to the picture)
5. Disengage the housing
connector to separate the
power cord and noise filter.
AW-SEM Transform(RF267,2#3957D8 2009.8.20 4:53 PM 페 이 지 4 4 i n

45
DISASSEMBLY AND REASSEMBLY
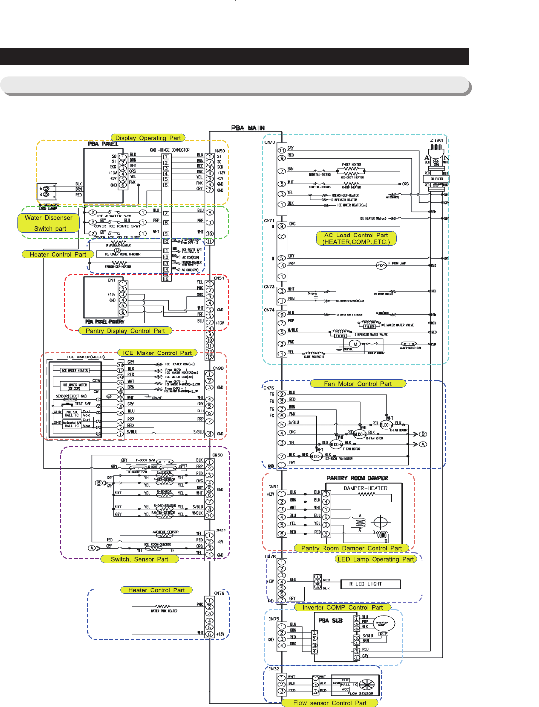
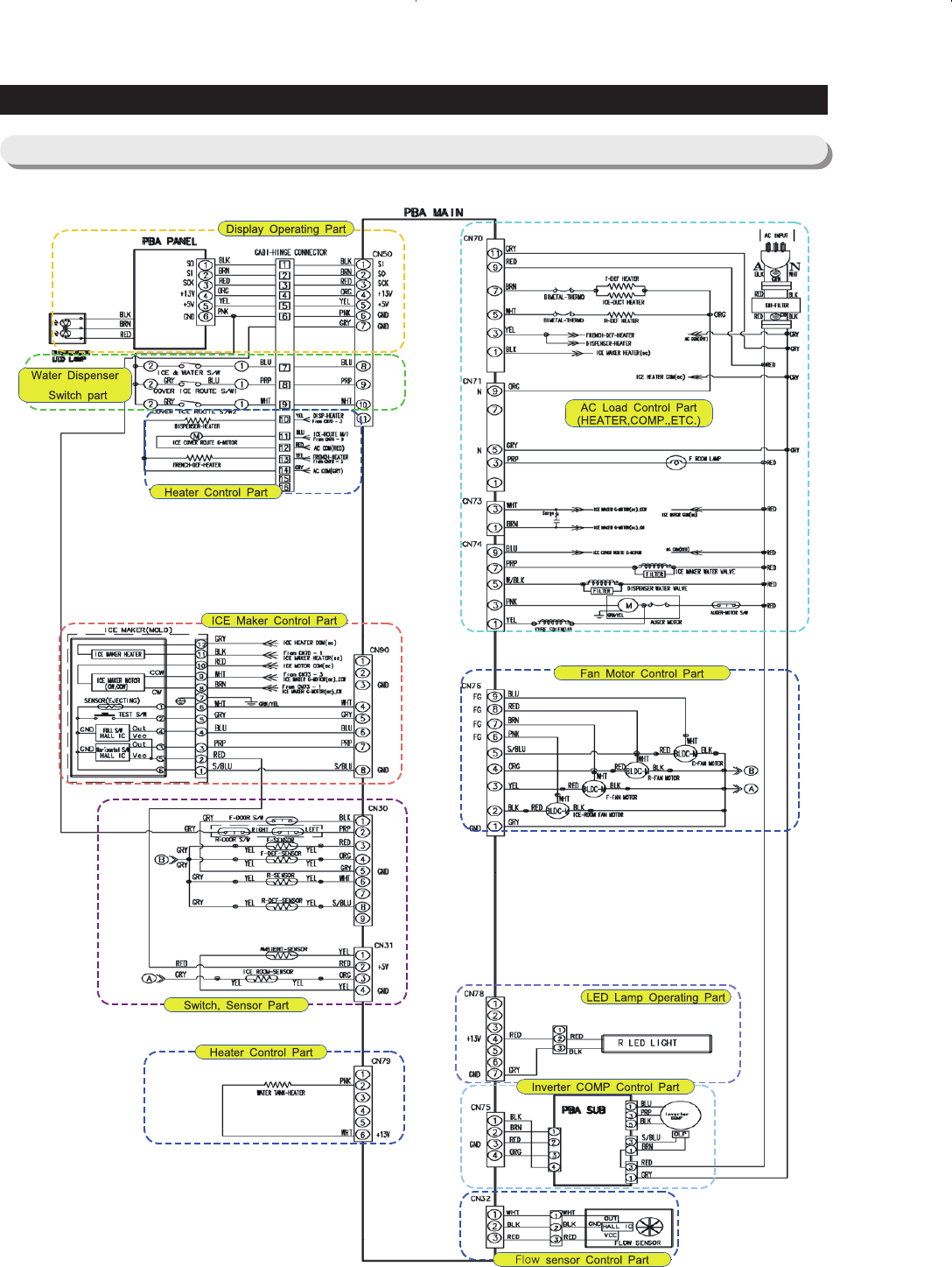
3-27) Electric Box
PBA Main
PBA INVERTER
Part Name How To Do Descriptive Picture
1. Pull the refrigerator forward to
have enough space to work on
the rear side of the appliance.
2. Unscrew 2 screws for the
PCB cover.
3. Disengage all housing
connectors connected with
PBA MAIN.
4. Remove the PBA MAIN while
lifting the upper part of the
hook up.
(Refer to the picture)
1. Remove cover and the all
connectors on the PBA MAIN.
Remove the PBA INVERTER
while pushing
AW-SEM Transform(RF267,2#3957D8 2009.8.20 4:53 PM 페 이 지 4 5 i n

46
4. TROUBLESHOOTING
4-1) FUNCTION FOR FAILURE DIAGNOSIS ······················47
4-1-1. TEST MODE (MANUAL OPERATION / MANUAL DEFROST FUNCTION) ·········47
4-1-2. DISPLAY FUNCTION OF COMMUNICATION ERROR ·····················48
4-1-3. SELF-DIAGNOSTIC FUNCTION ··································49
4-1-4. DISPLAY FUNCTION OF LOAD CONDITION ··························52
4-1-5. EXHIBITION MODE SETTING FUNCTION ····························53
4-1-6. OPTION SETTING FUNCTION ···································53
4-1-7. OPTION TABLE ·············································56
4-2)
DIAGNOSTIC METHOD ACCORDING TO THE TROUBLE SYMPTOM(FLOW CHART)
57
4-2-1. IF THE TROUBLE IS DETECTED BY SELF-DIAGNOSIS ···················58
4-2-2. IF FAN DOES NOT OPERATE(F, R, C - FAN) ··························68
4-2-3. IF ICE ROOM FAN DOES NOT OPERATE ····························69
4-2-4. IF ICE MAKER DOES NOT OPERATE ·······························70
4-2-5. IF DEFROST DOES NOT OPERATE (F,R DEF HEATER) ···················71
4-2-6. IF POWER IS NOT SUPPLIED ····································72
4-2-7. IF COMPRESSOR DOES NOT OPERATE ····························73
4-2-8. W
HEN ALARM SOUND CONTINUOUS WITHOUT STOP(RELATED WITH BUZZER SOUND)
·74
4-2-9. IF PANEL PCB DOES NOT WORK NORMALLY ·························76
4-2-10. IF PANTRY PANEL PCB IS NOT WORKING NORMALLY ··················77
4-2-11. WHEN REFRIGERATOR ROOM LAMP DOES NOT LIGHT UP ··············78
4-2-12. IF ICE WATER IS NOT SUPPLIED ································79
4-2-13. IF WATER IS NOT SUPPLIED ···································80
4-2-14. IF CUBED OR CRUSHED ICE IS NOT SUPPLIED ······················81
4-2-15. IF COVER ICE ROUTE MOOR(GEARD MOTOR) IS NOT WORKING NORMALLY ··82
AW-SEM Transform(RF267,2#3957D8 2009.8.20 4:53 PM 페 이 지 4 6 i n

47
TROUBLESHOOTING
4-1) Function for failure diagnosis
● If Energy Saver Key + Fridge Key on the front of panel are pressed simultaneously for 8 seconds, it
will be changed to the test mode and all displays on the front of panel will be off.
● If any key on the front of panel is pressed within 15 seconds after the test mode, it will be operated
as below sequence : manual operation(Freezer compartment 1) →manual operation(Freezer
compartment 2) →manual operation(Freezer compartment 3) →manual defrost of fresh food
and freezer compartments(Fd) →Cancel(Display all off).
● If any key on the front of panel is not pressed within 15 seconds after the test mode, the test mode
will be canceled and it will be returned to previous mode.
● If the test mode is canceled, Recommend the power off and reactivate the refrigerator.
1) Manual operation function
①If Energy Saver Key + Fridge/Power Cool Key are pressed simultaneously for
8 seconds, (displays are all off)
It will be changed to the test mode (manual operation) by pressing any key
4-1-1. Test mode (manual operation / manual defrost function)
1-1) If any key is pressed once in test mode, blinks "FF-1" on the display and it indicates the
refrigerator has entered the manual operation. At this moment, buzzer beeps as an alarm.
Compulsion working 1: 3600RPM Compulsion working 2 : 2450RPM Compulsion working 3: 2200RPM
1-2) If any key is pressed once at the manual operation1 status, FF-2 will be displayed. And if any
key is pressed one more time, FF-3 will be displayed. FF-2 and FF-3 means manual
operation2 and 3 separately. These 3 functions operate with different RPM of COMP.
1-3) If manual operation is selected, compressor will run at once without 7 minutes delay in any
mode. If the refrigerator is on the defrost cycle at the moment, defrost will be finished and
manual operation will begin. (Be careful if manual operation get started at the moment of
compressor off, over load could be occurred.)
1-4) If manual operation works, compressor & f-fan operate continuously for 24 hours and fresh
food compartment will be controlled by the setting temperature.
1-5) When the manual operation runs, setting temperature will be selected automatically as
below: freezer compartment -8℉(-22℃), fresh food compartment 32℉(1℃).
1-6) During manual operation, Power Freeze & Power Cool function will not be worked. If a
function is selected, the power function icon of the selected function will be off.
①①
①①
AW-SEM Transform(RF267,2#3957D8 2009.8.20 4:53 PM 페 이 지 4 7 i n

48
TROUBLESHOOTING
4-1-2. Display function of Communication error
2) Simultaneous manual defrost(fresh food and freezer compartments) function
3) Test cancel mode
2-1) If any key is pressed one more time during manual operation(fresh food compartment), "Fd"
shows in the display and then manual operation will be canceled at once and fresh food and
freezer compartment will be defrosted.
2-2) At this moment, alarm beeps for 3 seconds (0.1 sec ON/ 1 sec OFF) during manual defrost
function of fresh food and freezer compartment.
3-1) During defrosting of fresh food and freezer compartments simultaneously, if the display panel
change to the test mode and test button is pressed one more time, defrosting of fresh food and
freezer compartments will be canceled at the same time and will return to the normal operation.
Or, all test functions will be canceled by turning main power ON and OFF.
1-1) If there is no answer for 10 seconds after the panel micom received the requirement of
communication, "Pc - Er" display on the panel PCB will be ON/OFF alternately until the
communication error is canceled.(0.5 sec ALL ON, 0.5 sec ALL OFF alternately)
1-2) “Pc - E” display on the Pantry Room Display will be ON/OFF alternately until the communication
error is canceled. (0.5 sec ALL ON, 1.5 sec ALL OFF alternately)
1) Display function when Panel ↔MAIN MICOM communication has error
2-1) “OP - Er” code is repeatedly ON/OFF until Option error settles down.
2) Display function when Panel ↔MAIN MICOM OPTION has error
AW-SEM Transform(RF267,2#3957D8 2009.8.20 4:53 PM 페 이 지 4 8 i n

49
TROUBLESHOOTING
4-1-3. Self-diagnostic function
1-1) Micom operates self-diagnostic function to check the temperature sensor condition
within 1 second when the refrigerator turned On initially.
1-2) If bad sensor is detected by the self-diagnostic function, the applicable display LED will
blink for 0.5 sec.
At this moment, there is no beep sound.(Refer to self-diagnostic CHECK LIST)
1-3) Self-diagnostic button is recognized only when the error is displayed by the bad sensor.
Display does not operate normally but temperature control will be controlled by the
emergency operation.
1-4) When the error is detected by self-diagnosis, the error can be canceled automatically if
all troubled sensors are corrected or Self-diagnostic function key (Energy Saver Key +
Alarm/Lighting Key ) are pressed simultaneously for 8 seconds.
(Return to normal display mode)
2-1) If Energy Saver Key + Alarm/Lighting Key are pressed simultaneously for 6 seconds
during normal operation, the temperature setting display will operate for 2 seconds
(ON/OFF 0.5sec each).
If Energy Saver Key + Alarm/Lighting Key are pressed simultaneously for 8 seconds
(including above 2 seconds), self-diagnostic function will be selected.
2-2) At this moment, self-diagnostic function will be returned with buzzer sound 'ding-dong'.
If there is an error, display of error will be operated for 30 seconds and then return to
normal condition whether problem is corrected or not.
(Refer to self-diagnosis CHECK LIST)
2-3) Input by button is not accepted during self-diagnostic function.
1) Self-diagnostic function in the Initial power ON
2) Self-diagnostic function during normal operation
①If Energy Saver Key + Alarm/Lighting Key are pressed simultaneously
for 8 seconds, the error mode by self-diagnosis will be canceled.
2¢(-17¡) is recommended 38¢(3¡) is recommended
2¢(-17¡) is recommended 38¢(3¡) is recommended
①①①①
①①①①
AW-SEM Transform(RF267,2#3957D8 2009.8.20 4:53 PM 페 이 지 4 9 i n

50
TROUBLESHOOTING
Self-diagnosis CHECK LIST
NO
Trouble item Trouble contents
Display LED
1
2
3
4
5
6
7
8
9
10
11
12
13
14
15
16
17
18
Ice Maker Sensor Error
R-Sensor Error
R-DEF-Sensor Error
R-FAN Error
Ice Maker Error
R-DEF, Heater Error
Ambient-Sensor Error
F-Sensor Error
F-DEF-Sensor Error
F-FAN Error
C-FAN Error
Ice Room-Sensor Error
F-DEF.-Heater Error
Ice Room FAN Error
Pantry-Damper-Heater Error
Pantry-Sensor Error
Panel↔Main Micom Error
Water Tank-Heaer Error
R-1-ⓐ
R-1-ⓑ
R-1-ⓒ
R-1-ⓓ
R-1-ⓔ
R-1-ⓖ
F-1-ⓐ
F-1-ⓑ
F-1-ⓒ
F-1-ⓓ
F-1-ⓔ
F-1-ⓕ
F-1-ⓖ
F-10-ⓑ
R-10-ⓐ
R-10-ⓑ
F-10-ⓖ
R-10-ⓖ
ICE MAKER SENSOR part error
R SENSOR part error
R defrost SENSOR part error
R inner part error
ICE MAKER operation error
R defrost part error
external SENSOR part error
F SENSOR part error
F defrost SENSOR part error
F inner fan motor part error
machine room fan motor part error
ICE ROOM SENSOR part error
F defrost part error
ICE ROOM inner fan motor part error
Damper Heater open/wire error
Pantry Room SENSOR part error
Panel↔Mai Micom communication error
Water Tank Heater open/wire error
2¢(-17¡) is recommended 38¢(3¡) is recommended
F-1
F-10
R-1
R-10
AW-SEM Transform(RF267,2#3957D8 2009.8.20 4:53 PM 페 이 지 5 0 i n

51
Self-diagnostics check list
TROUBLESHOOTING
LED
R-1-ⓐ
R-1-ⓑ
R-1-ⓒ
R-1-ⓓ
R-1-ⓔ
R-1-ⓖ
F-1-ⓐ
F-1-ⓑ
F-1-ⓒ
F-1-ⓓ
F-1-ⓔ
F-1-ⓕ
F-1-ⓖ
F-10-ⓑ
R-10-ⓐ
R-10-ⓑ
R-10-ⓖ
F-10-ⓖ
Item
Ice Maker Sensor Error
R-Sensor Error
R-DEF-Sensor Error
R-FAN Error
Ice Maker Error
R-DEF. Error
Ambient-Sensor Error
F-Sensor Error
DEF-Sensor Error
F-FAN Error
C-FAN Error
Ice Room Sensor Error
F-DEF. Error
Ice Room-FAN Error
Pantry-Damper-Heater Error
Pantry-Sensor Error
Water Tank-Heater Error
Panel↔Main communication Error
Trouble contents Diagnostic method
Display error : separation of sensor housing
part, contact error, disconnection, short
circuit
Display error of detecting temperature of
sensor: more than 149℉(+65°C) or less
than -58℉(-50°C)
Display error : sensor housing separation,
contact error, disconnection, short circuit
Display error by detecting temperature of
sensor: more than 149℉(+65°C) or less
than -58℉(-50°C)
Display "oP/LC-Er" in the panel with alarm :
MICOM MAIN ↔LOAD communication error
MICOM MAIN ↔PANEL communication error
LC-Er is displayed when the Option is not
equivalent with the right value
Actually, it is desirable to recheck the condition with
the oscilloscope(1G Hz) after replacing Main and
Panel PCB.
When checking the voltage of MAIN PCB CN90
#8↔CN90#4 : should be between 4.5V~1.0V.
When checking the voltage of MAIN PCB
CN30#6↔CN76#1: should be between 4.5V~1.0V
When checking the voltage of MAIN PCB
CN30#8↔CN76#1 : should be between 4.5V~1.0V
Voltage of MAIN PCB CN76#4(Orange) ↔
CN76#1(Gray) should be between 7V~12V
After replacing ice maker, check the operation
by turning the appliance ON again.
When checking the voltage of MAIN PCB
CN31#1↔#4 : should be between 4.5V~1.0V.
When checking the voltage of MAIN PCB
CN30#3↔CN76#1: should be between 4.5V~1.0V
When check the voltage of MAIN PCB
CN30#4↔CN76#1: should be between 4.5V~1.0V
Voltage of MAIN PCB CN76#3(Yellow)↔
CN76#1(Gray) should be between 7V~12V.
Voltage of MAIN PCB CN76#5(SkyBlue) ↔
CN76#1(Gray) should be between 7V~12V.
When check the voltage of MAIN PCB
CN31#3
↔
CN76#1: should be between 4.5V~1.0V
When checking the voltage of MAIN PCB
CN30#9 ↔CN76#1 : should be between 4.5V~1.0V.
After separating MAIN PCB CN79 from PCB, check the resistance
value between Black
↔
brown wire should be 72 ohm 7%.
Check 0 Ohm : heater short,
∞
Ohm : wire / bimetal Open.
Display error : separation of fresh food compartment defrost heater
housing part, contact error, disconnection, short circuit or temperature
fuse error. Display error : the defrosting does not finish though fresh food
compartment defrost is heating continuously for more than 80 minutes.
After separating MAIN PCB CN70,CN71 from PCB, check the resistance value
between CN70 White ↔CN71 Orange should be 102(441) ohm ±7%.
(resistance value is varied by the input power)
Check 0 Ohm : heater short, ∞Ohm : wire / bimetal Open.
After separating MAIN PCB CN70,CN71 from PCB, check the
resistance value between CN70 brown ↔CN71 Orange should be
55(115v)ohm ±7%. (resistance value is varied by input power)
Check 0 Ohm : heater short, ∞Ohm : wire / bimetal Open.
After separating MAIN PCB CN91from PCB, check the resistance
value between Black ↔brown wire should be 145 ohm ±7%.
Check 0 Ohm : heater short, ∞Ohm : wire / bimetal Open.
Voltage of MAIN PCB CN76#2(Black) ↔
CN75 : should be between 6V~12V.
Display error : separation of freezer compartment defrost heater housing
part , contact error, disconnection, short circuit or temperature fuse error.
Display error : the defrosting does not finish though fresh food compartment
compartment defrost is heating continuously for more than 70 minutes.
Display error during operation of applicable
fan motor : Feed Back signal line contact
error, separation of motor wire, motor error
Display error : ice making kit is harvested
more than 3 times and level error
** Apply to the applicable Ice Maker model.
Display error during operation of applicable
fan motor : Feed Back signal line contact
error, motor wire separation, motor error
Display error during operation of applicable
fan motor : Feed Back signal line contact
error, motor wire separation, motor error
Display error : sensor housing separation,contact error,
disconnection, short circuit.
Display error by detecting temperature of sensor: more
than 149℉(+65°C) or less than -58℉(-50°C)
Display error when open error is detected by damper
heater : separation of Damper Heater housing part,
contact error, disconnection, short circuit
Display error during operation of applicable fan motor :
Feed Back signal line contact error, motor wire separation,
motor error
Display error : separation of sensor housing, contact error,
disconnection, short circuit.
Display error by detecting temperature of sensor: more than 149℉
(+65°C) or less than -58℉(-50°C)
Display error when open error is detected by Water Tank
Heater : separation of Water Tank Heater housing
part,contact error, disconnection, short circuit
AW-SEM Transform(RF267,2#3957D8 2009.8.20 4:53 PM 페 이 지 5 1 i n

52
TROUBLESHOOTING
4-1-4. Display function of Load condition
1) If Power Energy Saver Key + Alarm/Lighting key are pressed simultaneously for 6 seconds during normal
operation, the temperature setting display of fresh food and freezer compartments will blink ALL ON/OFF
with 0.5 for 2 seconds.
2) At this moment, If Fridge/Power Cool Key after Energy Saver Key + Alarm/Lighting Key is pressed, load
condition display mode will be returned with alarm.
3) Load condition display mode shows the load that micom signal is outputting.
However, It means that micom signal is outputting, it does not mean whether load is operating or not.
That is to say that though load operation is displayed, load could not be operated by actual load error or
PCB relay error etc. (This function would be applied at A/S.)
4) Load condition display function will maintain for 30 seconds and then normal condition will be returned
automatically.
5) Load condition display is as below.
①If Energy Saver Key + Alarm/Lighting key are pressed simultaneously for 6 seconds, ALL ON/OFF will blink with
0.5interval for 2 seconds.
②If take the finger off from above keys and press Fridge/Power Cool Key, load condition mode will be started.
2¢(-17¡) is recommended 38¢(3¡) is recommended
2¢(-17¡) is recommended 38¢(3¡) is recommended
F-1
F-10
R-1
R-10
Load mode Check list
Display LED
R-1-ⓐ
R-1-ⓑ
R-1-ⓒ
R-1-ⓓ
R-1-ⓔ
R-1-ⓕ
F-1-ⓔ,ⓕALL LED Off
R1-ⓖ
F-1-ⓐ
F-1-ⓑ
F-1-ⓒ
F-1-ⓓ
R-10-ⓔ
R-10-ⓕ
F-1-ⓖ
F-10-ⓐ
F-10-ⓓ
F-10-ⓔ
F-10-ⓖ
R-10-ⓐ
Operation contents
When fresh food compartment fan high operates, applicable LED ON
When fresh food compartment fan low operates, applicable LED ON
When fresh food compartment defrost heater operates, LED ON
Initial power ON refrigerator, LED ON
When ambient temperature is more than 93℉(34°C), LED ON
When ambient temperature is less than 72℉(22°C), LED ON
When ambient temperature is between 73℉(23°C) ~ 91℉(33°C), LED ON
Display mode, LED ON
When compressor operates, applicable LED ON
When freezer compartment fan high operates, applicable LED ON
When freezer compartment fan low operates, applicable LED ON
When freezer compartment defrost heater operates, LED ON
When compressor fan high operates, applicable LED ON
When compressor fan low operates, applicable LED ON
When Dispenser Heater operates LED ON.
When Water Tank Heater operates LED ON.
When Ice Room-FAN High operates LED ON.
When Ice Room-FAN Low operates LED ON.
When French Heater operates LED ON
When Damper opens LED ON.
Display contents
R-FAN High
R-FAN Low
R-DEF Heater
Start Mode
Overload condition
Low temperature condition
Normal Condition
Exhibition Mode
COMP.
F-FAN High
F-FAN Low
F-DEF Heater
C-FAN High
C-FAN Low
Dispenser Heater
Water Tank Heater
Ice Room-FAN High
Ice Room-FAN Low
French Heater
Pantry Room Damper Open
①①①①
②②
AW-SEM Transform(RF267,2#3957D8 2009.8.20 4:53 PM 페 이 지 5 2 i n

53
TROUBLESHOOTING
4-1-5. Cooling off mode setting function
1) If Energy Saver Key + Freezer/Power Freeze are pressed simultaneously for 3 seconds during
normal operation, Cooling off mode will be started with buzzer sound(ding-dong).
2) If above Energy Saver Key + Freeze/Power Freeze are pressed one more time, Cooling off
mode will be canceled.
3) If Cooling off mode is selected, blinks "OF-OF" on the temperature setting display of the panel
and it indicates the refrigerator has entered the Cooling off mode.
4) During Cooling off mode, if fresh food and freezer compartments sensors are higher than 149℉
(65℃) Cooling off mode will be canceled automatically and freezing operation will be returned.
(There is no buzzer sound when the Cooling off mode is canceled by the temperature)
5) Operation contents of Cooling off mode
- Display, Fan motor and etc operate normally, not to operate compressor only.
- Defrost is not operated. (including french heater)
- Display function of the initial real temperature is finished.
- Under the condition of Cooling off mode, Cooling off mode will be operated when Power On
after Power OFF.
①If Energy Saver Key + Power Freeze Key are pressed for 3 seconds, Cooling off mode will be
started.
2¢(-17¡) is recommended 38¢(3¡) is recommended
4-1-6. Option setting function
●If Freezer/Power Freeze Key+ Alarm/lighting Key are pressed simultaneously for 12 seconds during
normal operation, fresh food and freezer compartments temperature display will be changed to
option setting mode.
①If Freezer/Power Freeze Key+ Alarm/lighting Key are pressed simultaneously for 12 seconds,
option setting mode will be started.
2¢(-17¡) is recommended 38¢(3¡) is recommended
KEY operation method for changing to option mode
①①
①①
AW-SEM Transform(RF267,2#3957D8 2009.8.20 4:53 PM 페 이 지 5 3 i n

54
TROUBLESHOOTING
1) For example, if you want to change freezer compartment standard temperature to -4℉(-2°C)
by operating option, do as below.
This function is for changing the standard temperature.
In -2℉(-19°C) of current temperature of freezer compartment, if you make the temperature
lower to -4℉(-2°C) by the option, the standard temperature would be controlled -6℉(-21°C)
Therefore, if you change the setting of temperature option to -2℉(-19°C) on the panel, the
appliance will be operated with -6℉(-21°C).
It means that standard temperature is controlled -4℉(-2°C) less than setting temperature in
the display.
●If the display changes to option setting mode, all displays will be off except freezer and
fridge compartments temperature display as below.
(Fresh food and freezer compartments case will be explained only because all options are
operated with the same method according to the option table.)
Code Up Code Reference
Value Reference
Value Up
Code Down Reference Value Down
2¢(-17¡) is recommended 38¢(3¡) is recommended
KEY control method after converting to option mode
Key control in option mode
Energy Saver
Freezer/Power Freeze
Alarm/Lighting
Fridge/Power Cool
Code Down key
Code Up key
Reference Value down key
Reference Value Up key
Reference ValueCode
2¢(-17¡) is recommended 38¢(3¡) is recommended
Basically, option function has cleared data at shipping process.
Therefore, almost all setting value are "0".
Check the product information manual or specifications because setting value could be
changed particularly for the purpose of improving product at mass producing process.
NOTE
AW-SEM Transform(RF267,2#3957D8 2009.8.20 4:53 PM 페 이 지 5 4 i n

55
TROUBLESHOOTING
2) After changing to the option mode, fresh food compartment "0" , freezer compartment "0" will be
displayed. ( Basically fresh food compartment "0", freezer "0" would be set at shipping process,
but setting value could be changed for the purpose of improving product at mass producing
process.)
- If fresh food compartment "0" shows only, temperature reference value of freezer compartment
will be set and current freezer compartment temperature code will be displayed on the freezer
temperature display.
3) If freezer compartment "4" is set as below freezer compartment code after fresh food
compartment "0 is set, standard temperature of freezer compartment will be lower than -4℉(-
2.0°C).
(Refer to the picture "changing the freezer compartment temperature")
: If you wait for 20 seconds after completing the setting, MICOM will save the setting value to
the EEPROM and normal display will be returned and the option setting mode will be
canceled.
4) Option changing method as above is the same as all RF267**/RF26V** model.
5) By the same method as above, it is possible to control the fresh food compartment temperature,
water supply, ice-maker harvest temperature/time, defrost return time, hysteresis by
temperature, notch gap by temperature etc.
6) Option function is set in the EEPROM at shipping process in the factory.
You would better not to change the option of your own.
Completing the setting is that option function return to normal display after 20 seconds.
Do not turn off the appliance before returning to the normal display mode.
Reference ValueCode
2¢(-17¡) is recommended 38¢(3¡) is recommended
Option setting function exists in the other items.
We will skip the explanation of the other functions by the option because it is associated with
refrigerator control function and is not needed at SERVICE.
(Please do not set the other options except above SERVICE Manual.)
NOTE
AW-SEM Transform(RF267,2#3957D8 2009.8.20 4:53 PM 페 이 지 5 5 i n

56
Reference ValueCode
2¢(-17¡) is recommended 38¢(3¡) is recommended
TROUBLESHOOTING
4-1-7. Option TABLE
1) Temperature changing table of freezer compartment
ex) If you want to change the freezer standard temperature to -4℉(-2°C)
Set item Freezer Temp Shift
MODEL RF267/RF26V
Fridge Room 7-SEG
0
Setting value
Temp.
compensation
0
1
2
3
4
5
6
7
8
9
10
11
12
13
14
15
0
- 1℉(-0.5°C)
- 2℉(-1.0°C)
- 3℉(-1.5°C)
- 4℉(-2.0°C)
- 5℉(-2.5°C)
- 6℉(-3.0°C)
- 7℉(-3.5°C)
+ 1℉(+0.5°C)
+ 2℉(+1.0°C)
+ 3℉(+1.5°C)
+ 4℉(+2.0°C)
+ 5℉(+2.5°C)
+ 6℉(+3.0°C)
+ 7℉(+3.5°C)
+ 8℉(+4.0°C)
FZ
compartment
Code
Reference
Value
Reference ValueCode
2¢(-17¡) is recommended 38¢(3¡) is recommended
2) Temperature changing table of fresh food compartment
ex) If you want to change the freezer compartment
standard temperature to 4℉(2°C)
Set item Freezer Temp Shift
MODEL RF267/RF26V
Fridge Room 7-SEG
1
Setting value
Temp.
compensation
0
1
2
3
4
5
6
7
8
9
10
11
12
13
14
15
0
- 1℉(-0.5°C)
- 2℉(-1.0°C)
- 3℉(-1.5°C)
- 4℉(-2.0°C)
- 5℉(-2.5°C)
- 6℉(-3.0°C)
- 7℉(-3.5°C)
+ 1℉(+0.5°C)
+ 2℉(+1.0°C)
+ 3℉(+1.5°C)
+ 4℉(+2.0°C)
+ 5℉(+2.5°C)
+ 6℉(+3.0°C)
+ 7℉(+3.5°C)
+ 8℉(+4.0°C)
FZ
compartment
Code
Reference
Value
AW-SEM Transform(RF267,2#3957D8 2009.8.20 4:53 PM 페 이 지 5 6 i n

57
TROUBLESHOOTING
4-2) Diagnostic method according to the trouble symptom(Flow Chart)
DATA1.Temperature table
Resistance value and MICOM port voltage of sensor according to the temperature
SENSOR CHIP : based on PX41C
-50
-49
-48
-47
-46
-45
-44
-43
-42
-41
-40
-39
-38
-37
-36
-35
-34
-33
-32
-31
-30
-29
-28
-27
-26
-25
-24
-23
-22
-21
-20
-19
-18
-17
-16
-15
-14
-13
-12
-11
-10
-9
-8
-7
-6
-58
-56.2
-54.4
-52.6
-50.8
-49
-47.2
-45.4
-43.6
-41.8
-40
-38.2
-36.4
-34.6
-32.8
-31
-29.2
-27.4
-25.6
-23.8
-22
-20.2
-18.4
-16.6
-14.8
-13
-11.2
-9.4
-7.6
-5.8
-4
-2.2
-0.4
1.4
3.2
5
6.8
8.6
10.4
12.2
14
15.8
17.6
19.4
21.2
4.694
4.677
4.659
4.641
4.622
4.602
4.581
4.560
4.537
4.514
4.490
4.465
4.439
4.412
4.385
4.356
4.326
4.296
4.264
4.232
4.199
4.165
4.129
4.093
4.056
4.018
3.980
3.940
3.899
3.858
3.816
3.773
3.729
3.685
3.640
3.594
3.548
3.501
3.453
3.405
3.356
3.307
3.258
3.208
3.158
153319
144794
136798
129294
122248
115631
109413
103569
98073
92903
88037
83456
79142
75077
71246
67634
64227
61012
57977
55112
52406
49848
47431
45146
42984
40938
39002
37169
35433
33788
32230
30752
29350
28021
26760
25562
24425
23345
22320
21345
20418
19537
18698
17901
17142
℃℉
Voltage
Resistance
-5
-4
-3
-2
-1
0
1
2
3
4
5
6
7
8
9
10
11
12
13
14
15
16
17
18
19
20
21
22
23
24
25
26
27
28
29
30
31
32
33
34
35
36
37
38
39
23
24.8
26.6
28.4
30.2
32
33.8
35.6
37.4
39.2
41
42.8
44.6
46.4
48.2
50
51.8
53.6
55.4
57.2
59
60.8
62.6
64.4
66.2
68
69.8
71.6
73.4
75.2
77
78.8
80.6
82.4
84.2
86
87.8
89.6
91.4
93.2
95
96.8
98.6
100.4
102.2
3.107
3.057
3.006
2.955
2.904
2.853
2.802
2.751
2.700
2.649
2.599
2.548
2.498
2.449
2.399
2.350
2.301
2.253
2.205
2.158
2.111
2.064
2.019
1.974
1.929
1.885
1.842
1.799
1.757
1.716
1.675
1.636
1.596
1.558
1.520
1.483
1.447
1.412
1.377
1.343
1.309
1.277
1.253
1.213
1.183
16419
15731
15076
14452
13857
13290
12749
12233
11741
11271
10823
10395
9986
9596
9223
8867
8526
8200
7888
7590
7305
7032
6771
6521
6281
6052
5832
5621
5419
5225
5039
4861
4690
4526
4369
4218
4072
3933
3799
3670
3547
3428
3344
3204
3098
℃℉
Voltage
Resistance
40
41
42
43
44
45
46
47
48
49
50
51
52
53
54
55
56
57
58
59
60
61
62
63
64
65
66
67
68
69
70
71
72
73
74
75
76
77
78
79
80
81
82
83
84
104
105.8
107.6
109.4
111.2
113
114.8
116.6
118.4
120.2
122
123.8
125.6
127.4
129.2
131
132.8
134.6
136.4
138.2
140
141.8
143.6
145.4
147.2
149
150.8
152.6
154.4
156.2
158
159.8
161.6
163.4
165.2
167
168.8
170.6
172.4
174.2
176
177.8
179.6
181.4
183.2
1.153
1.124
1.095
1.068
1.040
1.014
0.988
0.963
0.938
0.914
0.891
0.868
0.846
0.824
0.803
0.783
0.762
0.743
0.724
0.706
0.688
0.670
0.653
0.636
0.620
0.604
0.589
0.574
0.560
0.546
0.532
0.519
0.506
0.493
0.481
0.469
0.457
0.446
0.435
0.424
0.414
0.404
0.394
0.384
0.375
2997
2899
2805
2714
2627
2543
2462
2384
2309
2237
2167
2100
2036
1973
1913
1855
1799
1745
1693
1642
1594
1547
1502
1458
1416
1375
1335
1297
1260
1225
1190
1157
1125
1093
1063
1034
1006
978
952
926
902
877
854
832
810
℃℉
Voltage
Resistance
AW-SEM Transform(RF267,2#3957D8 2009.8.20 4:53 PM 페 이 지 5 7 i n

58
TROUBLESHOOTING
- The error of sensor will be displayed on the front of display.
when the error of sensor is detected at initial power ON, the appliance will not operated and display of abnormal
sensor part will blink.
- The appliance will not stop operating when the error of sensor is detected during operation of the appliance.
But normal freezing might be not operated if the appliance is operated by the emergency operation mode. You
would better to check the appliance according to the self-diagnosis of the manual.
4-2-1. If the trouble is detected by self-diagnosis
1) If ICE Maker Sensor has trouble
Bad contact of connector/ insert correctly
Is MAIN PCB Connector
CN90 inserted correctly?
Is ICE Maker Sensor
unit normal?
Is the voltage between
MAIN PCB ConnectorCN90#4
(White) and REG1
Is input voltage of IC01
MICOM #78 normal?
Start
NO
YES
YES
YES
YES
Replace the ICE Maker
NO
Check the contact of PCB & Wire Terminal
NO(0.6V > Measurement < 4.6V)
Check the iced-solder, solder bridging,
disturbed solder.
NO
No trouble with PCB and temperature sensor.
Recheck the bad contact of the connection.
** Measuring point of resistance value according to
Sensor **
ICE MAKER : CN90#8 ↔#4 measuring resistance value
** 0Ω: Short trouble / ∞Ω: Open trouble
Sensor MICOM/Connector number
Voltage measured between 4.6V ~ 0.6V.
Measuring voltage of IC01 MICOM #78,
CN90-"4"(White) and REG1, HEAT SINK
from PCB typical Ground part are similar.
↔Check the measure on the SENSOR
MARKING #9(R901) due to the SMD MICOM
☞Checking method of ICE Maker Sensor resistance CN90#
"8(Sky-blue) ↔#4"(White)
- Compare the temperature table after the measure.
DATA1.
Temperature table
ERROR Code
Refer to circuit diagram in the manual
ICE
Maker Connector CN90#"4"(White) and
REG1 HEAT PCB common Ground
typical PCB Ground
REG1 HEAT-SINK
2¢(-17¡) is recommended 38¢(3¡) is recommended
☞Checking method of ICE Maker Sensor voltage
- Measure the voltage of Sensor Check Point #9(IC01 MICOM #78)
or CN90#4(White)↔REG1, HEAT SINK.
- Compare the temperature table after the measure. Measuring
voltage of CN90#4(White) ↔REG1, HEAT SINK are below.
AW-SEM Transform(RF267,2#3957D8 2009.8.20 4:53 PM 페 이 지 5 8 i n

59
TROUBLESHOOTING
2) If R Sensor has trouble
Bad contact of connector/ insert correctly
Is MAIN PCB
Connector CN30 to CN76 inserted
correctly?
Is R Sensor
unit normal?
Is the voltage between
MAIN PCB Connector CN30#6 (White) and
REG1, HEAT SINK normal?
Is the input voltage to
IC01 MICOM #76 normal?
Start
NO
YES
YES
YES
YES
Replace the temperature sensor
NO
Check the contact of PCB & Wire Terminal correctly.
NO(0.6V > Measurement < 4.6V)
Check the iced-solder, solder bridging,
disturbed solder. Replace the PCB
NO
No trouble with PCB and temperature sensor.
Recheck the bad contact of the connection.
** Measuring point of resistance value according to
Sensor **
R : CN30#6 ↔CN76#1 measuring resistance value
** 0Ω: Short trouble / ∞Ω: Open trouble
Sensor MICOM/Connector number
Voltage measured between 4.6V ~ 0.6V.
Measuring voltage of IC01 MICOM #76,
CN30-"6"(White) and REG1, HEAT SINK from
PCB common Ground part are similar.
→Check the measure on the SENSOR MARKING
#3(R311) due to the SMD MICOM
☞Checking method of R Sensor resistance
CN30#6(White) ↔CN76#1(Gray) Compare the
temperature table after the measure.
DATA1.
Temperature table
ERROR Code
Refer to circuit diagram in the manual
RConnector Cn30#6(White) to
REG1 HEAT-SINK PCB common Ground
☞Checking method of R Sensor voltage
-
Measure the voltage of Sensor Check Point #3(IC01
MICOM #76) or CN30#6(White)
↔
REG1, HEAT SINK.
- Compare the temperature table after the measure.
Measuring voltage of CN30#6(White)
↔
REG1,
HEAT SINK are below.
typical PCB Ground
REG1 HEAT-SINK
2¢(-17¡) is recommended 38¢(3¡) is recommended
AW-SEM Transform(RF267,2#3957D8 2009.8.20 4:53 PM 페 이 지 5 9 i n

60
TROUBLESHOOTING
3) If R DEF Sensor has trouble
Bad contact of connector/ insert correctly
Is MAIN PCB
Connector CN30 to CN76 inserted
correctly?
Is R DEF Sensor
unit normal?
Is the voltage between
MAIN PCB Connector CN30#8(Sky-blue) and
REG1, HEAT SINK normal?
Is the input voltage of IC01
MICOM #74 normal?
Start
NO
YES
YES
YES
YES
Replace the temperature sensor
NO
Check the contact of PCB & Wire Terminal correctly.
NO(0.6V > Measurement < 4.6V)
Check the iced-solder, solder bridging,
disturbed solder. Replace the PCB
NO
No trouble with PCB and temperature sensor.
Recheck the bad contact of the connection.
** Measuring point of resistance value according to
Sensor **
R-DEF : CN30#8 ↔CN76#1 measuring
resistance value
** 0Ω: Short trouble / ∞Ω: Open trouble
Sensor MICOM/Connector Number
Voltage measured between 4.6V ~ 0.6V.
Measuring voltage of IC01 MICOM #74,
CN30-"8"(Sky-blue) and REG1, HEAT SINK from
PCB typical Ground part are similar.
→Check the measure on the SENSOR
MARKING #5(R313) due to the SMD MICOM
☞Checking method of R Sensor resistance
CN30#7(Sky-blue) ↔CN76#1(Gray)
- Compare the temperature table after the
measure.
DATA1.
Temperature table
ERROR Code
Refer to circuit diagram in the manual
R DEF Connector Cn30#8(Sky-blue) to REG1
HEAT-SINK PCB common Ground
☞Checking method of R DEF Sensor voltage
- Measure the voltage of Sensor Check Point #5(IC01 MICOM #74)
or CN30#8(Sky-blue)
↔
REG1, HEAT SINK.
- Compare the temperature table after the measure. Measuring
voltage of CN30#8(Sky-blue)
↔
REG1, HEAT SINK are below.
typical PCB Ground
REG1 HEAT-SINK
2¢(-17¡) is recommended 38¢(3¡) is recommended
Start
YES
YES
YES
AW-SEM Transform(RF267,2#3957D8 2009.8.20 4:53 PM 페 이 지 6 0 i n

61
TROUBLESHOOTING
4) If Ambient Sensor has trouble
Bad contact of connector/ insert correctly
Is MAIN PCB
Connector CN31 inserted
correctly?
Is Ambient Sensor
unit normal?
Is the voltage between
MAIN PCB Connector CN31#1(Yellow) and REG1,
HEAT SINK normal?
Is the input voltage of
IC01 MICOM #72 normal?
Start
NO
YES
YES
YES
YES
Replace the temperature sensor
NO
Check the contact of PCB & Wire Terminal correctly.
NO(0.6V > Measurement < 4.6V)
Check the iced-solder, solder bridging,
disturbed solder. Replace the PCB
NO
No trouble with PCB and temperature sensor
Recheck the bad contact of the connection
** Measuring point of resistance value according to
Sensor **
Ambient : CN31#1 ↔#4 measuring resistance value
** Placed in the right top table of upper hinge.
** 0Ω: Short trouble / ∞Ω: Open trouble
Sensor MICOM/Connector number
Voltage measured between 4.6V ~ 0.6V.
Measuring voltage of IC01 MICOM #72,
CN31-"1"(Yellow) and REG1, HEAT SINK from
PCB typical Ground part are similar.
→Check the measure on the SENSOR MARKING
#7(R307) due to the SMD MICOM
☞Checking method of Ambient Sensor resistance
CN31#1(Yellow) ↔#4(Yellow)
- Compare the temperature table after the
measure
DATA1.
Temperature table
ERROR Code
Refer to circuit diagram in the manual
Ambient Connector Cn31#1(Yellow) to REG1
HEAT-SINK PCB common Ground
☞Checking method of Ambient Sensor voltage
- Measure the voltage of Sensor Check Point #7
(IC01 MICOM #72) or CN31#1(Yellow) ↔REG1, HEAT SINK.
- Compare the temperature table after the measure. Measuring
voltage of CN31#1(Yellow) ↔REG1, HEAT SINK are below.
typical PCB Ground
REG1 HEAT-SINK
2¢(-17¡) is recommended 38¢(3¡) is recommended
Start
YES
YES
YES
AW-SEM Transform(RF267,2#3957D8 2009.8.20 4:53 PM 페 이 지 6 1 i n

62
TROUBLESHOOTING
5) If F Sensor has trouble
Bad contact of connector/ insert correctly
Are MAIN PCB
Connector CN30 to CN76 inserted
correctly?
Is F Sensor
unit normal?
Is the voltage between
MAIN PCB Connector CN30#3 (Red) and REG1,
HEAT SINK normal?
Is the input voltage of
IC01 MICOM #81 normal?
Start
NO
YES
YES
YES
YES
Replace temperature sensor
NO
Check the contact of PCB & Wire
Terminal correctly.
NO(0.6V > Measurement < 4.6V)
Check the iced-solder, solder bridging,
disturbed solder. Replace the PCB
NO
No trouble with PCB and temperature sensor
Recheck the bad contact of the connection
** Measuring point of resistance value according to
Sensor **
F : CN30#3 ↔CN76#1 measuring resistance value
** 0Ω: Short trouble / ∞Ω: Open trouble
Sensor MICOM/Connector number
Voltage measured between 4.6V ~ 0.6V.
Measuring voltage of IC01 MICOM #81,
CN30-"3"(Yellow) and REG1, HEAT SINK from PCB
typical Ground part are similar.
→Check the measure on the SENSOR MARKING
#1(R309) due to the SMD MICOM
☞Checking method of F Sensor resistance
CN30#3(Red) ↔CN76#1(Gray)
-
Compare the temperature table after the measure
DATA1.
Temperature table
ERROR Code
Refer to circuit diagram in the manual
FConnector Cn30#3(Red) to
REG1 HEAT-SINK PCB common Ground
☞Checking method of F Sensor voltage
- Measure the voltage of Sensor Check Point #1
(IC01 MICOM #81) or CN30#3(Red) ↔REG1, HEAT SINK.
- Compare the temperature table after the measure. Measuring
voltage of CN30#3(Red) ↔REG1, HEAT SINK are below.
typical PCB Ground
REG1 HEAT-SINK
2¢(-17¡) is recommended 38¢(3¡) is recommended
Start
YES
YES
YES
AW-SEM Transform(RF267,2#3957D8 2009.8.20 4:53 PM 페 이 지 6 2 i n

63
TROUBLESHOOTING
6) If F DEF Sensor has trouble
Bad contact of connector/ insert correctly
Are MAIN PCB
Connector CN30 to CN76 insert
correctly?
Is F DEF Sensor
unit normal?
Is the voltage between
MAIN PCB Connector CN30#4 (Orange) and
REG1, HEAT SINK normal?
Is the input voltage of
IC01 MICOM #77 normal?
Start
NO
YES
YES
YES
YES
Replace temperature sensor
NO
Check the contact of PCB & Wire
Terminal correctly.
NO(0.6V > Measurement < 4.6V)
Check the iced-solder, solder bridging,
disturbed solder. Replace the PCB
NO
No trouble with PCB and temperature sensor.
Recheck the bad contact of the connection.
** Measuring point of resistance value according to
Sensor **
F-DEF : CN30#4 ↔CN76#1 measuring resistance
value
** 0Ω: Short trouble / ∞Ω: Open trouble
Sensor MICOM/Connector number
Voltage measured between 4.6V ~ 0.6V.
Measuring voltage of IC01 MICOM #77,
CN30-"4"(Orange) and REG1, HEAT SINK from
PCB typical Ground part are similar.
→Check the measure on the SENSOR MARKING
#2(R310) due to the SMD MICOM
☞Checking method of F DEF Sensor resistance
CN30#4(Orange) ↔CN76#1(Gray)
- Compare the temperature table after the
measure.
DATA1.
Temperature table
ERROR Code
Refer to circuit diagram in the manual
F DEF Connector Cn30#4(Orange) to REG1
HEAT-SINK PCB common Ground
typical PCB Ground
REG1 HEAT-SINK
Start
YES
YES
YES
☞Checking method of F DEF Sensor voltage
- Measure the voltage of Sensor Check Point #2(IC01 MICOM #77)
on PCB or CN30#4(Orange) ↔REG1, HEAT SINK
- Compare the temperature table after measurement. Measuring
voltage of CN30#4(Orange) ↔REG1, HEAT SINK are asbelow
AW-SEM Transform(RF267,2#3957D8 2009.8.20 4:53 PM 페 이 지 6 3 i n

64
TROUBLESHOOTING
7) If Ice Room Sensor has trouble
Bad contact of connector/ insert correctly
Is MAIN PCB
ConnectorCN31 and CN76
inserted correctly?
Is Ice Room Sensor
unit normal?
Is the voltage between
MAIN PCB Connector CN31#3 (Orange) and
REG1, HEAT SINK normal?
Is the input voltage of
IC01 MICOM #71 normal?
Start
NO
YES
YES
YES
YES
Replace temperature sensor
NO
Check the contact of PCB & Wire
Terminal correctly.
NO(0.6V > Measurement < 4.6V)
Check the iced-solder, solder bridging,
disturbed solder. Replace the PCB
NO
No trouble with PCB and temperature sensor.
Check the bad connections.
** Measuring point of resistance value according to
Sensor **
Ambient : CN31#3 ↔CN76#1 Measure the resistance
value
** 0Ω: Short trouble / ∞Ω: Open trouble
Sensor MICOM/Connector number
Voltage measured between 4.6V ~ 0.6V.
Measuring voltage of IC01 MICOM #77,
CN30-"4"(Orange) and REG1, HEAT SINK from PCB
typical Ground part are similar.
→Check the measure on the SENSOR MARKING
#8(R308) due to the SMD MICOM
☞Checking Mehod of Ice Room Sensor voltage
CN31-”3”(Orange) ↔CN76-”1” (Gray)
- Compare with the temperature table after
measurement.
DATA1.
Temperature table
ERROR Code
Refer to the circuit diagram in this manual
Ice Room
Connector Cn31#3(Orange) to REG1
HEAT-SINK PCB common Ground
☞Checking method of Ice Room Sensor voltage
- Measure the voltage of Sensor Check Point #8
(IC01 MICOM #71) on PCB or CN31#3(Orange) ↔REG1, HEAT SINK
- Compare the temperature table after measurement. Measuring
voltage of CN31#3(Orange) ↔REG1, HEAT SINK are as below
typical PCB Ground
REG1 HEAT-SINK
2¢(-17¡) is recommended 38¢(3¡) is recommended
Start
YES
YES
YES
AW-SEM Transform(RF267,2#3957D8 2009.8.20 4:54 PM 페 이 지 6 4 i n

65
TROUBLESHOOTING
8) If Pantry Sensor has trouble
Bad contact of connector/ insert correctly
Is MAIN PCB
Connector CN30 and CN76 insert
correctly?
Is Pantry Sensor
normal?
Is the voltage between
MAIN PCB Connector CN30#9 (White-black) and
REG1, HEAT SINK normal?
Is the input voltage of IC01
MICOM Pin #73 normal?
Start
NO
YES
YES
YES
YES
Replace temperature sensor
NO
Check the contact of PCB & Wire
Terminal correctly.
NO(0.6V > Measurement < 4.6V)
Check the iced-solder, solder bridging,
disturbed solder. Replace the PCB
NO
No trouble with PCB and temperature sensor.
Recheck the bad contact of the connection.
** Measuring point of resistance value according to
Sensor **
Pantry : CN30#9 ↔CN76#1 measuring resistance
value
** 0Ω: Short trouble / ∞Ω: Open trouble
Sensor MICOM/Connector number
Voltage measured between 4.6V ~ 0.6V.
Measuring voltage of IC01 MICOM #73,
CN30-"9"(White-black) and REG1, HEAT SINK from
PCB typical Ground part are similar.
→Check the measure on the SENSOR MARKING
#6(R314) due to the SMD MICOM
☞Checking method of Pantry Sensor resistance
CN30#9(White-black) ↔CN76#1(Gray)
-
Compare the temperature table after the measure
DATA1.
Temperature table
ERROR Code
Refer to circuit diagram in the manual
Pantry Connector Cn30#9(White-black) to REG1
HEAT-SINK PCB common Ground
☞Checking method of Pantry Sensor voltage
- Measure the voltage of Sensor Check Point #6(IC01 MICOM #73) on
PCB or CN30#9(White-black) ↔REG1, HEAT SINK
- Compare the temperature table after measurement. Measuring voltage
of CN30#9(White-black) ↔REG1, HEAT SINK are as below
typical PCB Ground
REG1 HEAT-SINK
2¢(-17¡) is recommended 38¢(3¡) is recommended
Start
YES
YES
YES
AW-SEM Transform(RF267,2#3957D8 2009.8.20 4:54 PM 페 이 지 6 5 i n

66
TROUBLESHOOTING
9) If Pantry Room Damper Heater has trouble
Replace Damper
Is Damper Heater
normal?(about145ohm)
Is MAIN PCB connector
(CN91) inserted correctly?
Is the input voltage of
IC02 MICOM #42 normal?
Start
NO
YES
YES
YES
Bad contact of connector/ insert correctly
NO
1) Recheck the wire
2) Replace PCB MAIN
NO
Normal(recheck)
Measure the resistance
between ①-②after
CN91 connector open 145ohm ±7%
ERROR Code
☞Checking method of Pantry Room Damper
resistance CN91#1(Black) ↔#2(Brown)
** ∞Ω: Open(wire disconnection, heater
disconnection) trouble 0Ω: Short trouble
2¢(-17¡) is recommended 38¢(3¡) is recommended
Start
YES
YES
YES
Initial
power On Damper
heater off Damper
heater On
3.5V~4.8V
MICOM
#42
condition 3.5V~4.8V 0V
Heat MICOM
(IC01) Initial Power
On Heater Off Working
Heater
Water tank #6 3.5V ~ 4.8V 3.5V ~ 4.8V 0V
Ice Pipe #3 3.5V ~ 4.8V 3.5V ~ 4.8V 0V
AW-SEM Transform(RF267,2#3957D8 2009.8.20 4:54 PM 페 이 지 6 6 i n

67
TROUBLESHOOTING
10) If Tank Water Heater has trouble
Bad contact of connector/
insert correctly
1) Wire connector
2) Replace Heater
Is MAIN PCB connector
(CN79) inserted correctly?
Is Tank Water Heater
normal?(about72ohm)
Is the input voltage of
IC01 MICOM #6 normal?)
Start
NO
YES
YES
YES
NO
1) Recheck the wire
2) Replace PCB MAIN
NO
Normal(recheck)
Measure the resistance between
#6~#10 after CN79 connector
open 72ohm ±7%
ERROR Code
☞Checking method of Tank Water Heater
resistance CN79#6(Pink) ↔#10(White)
** ∞Ω: Open(wire disconnection, heater
disconnection) trouble 0Ω: Short trouble
☞Checking method of Tank Water Heater
resistance CN78#5(Black) ↔#4(Brown)
** ∞Ω: Open(wire disconnection, heater
disconnection) trouble 0Ω: Short trouble
Start
YES
YES
YES
Initial
power On Heater off Working
heater
3.5V~4.8V
MICOM
#6 3.5V~4.8V 0V
AW-SEM Transform(RF267,2#3957D8 2009.8.20 4:54 PM 페 이 지 6 7 i n

68
TROUBLESHOOTING
- The refrigerator of this model has BLDC FAN motor. BLDC motor is driven by DC 7~12V.
- On the normal condition of COMP ON, it operates together with F-FAN motor.
If door is opened and closed once at a high ambient temperature, it will be operated after 1 minute
delay.
Therefore, you are advised not to taken it for an error.
-. If there is a trouble, you should select the self-diagnostic function to check the trouble before power off.
4-2-2. If FAN does not operate(F, R, C - FAN)
Start
Is COMPRESSOR ON ?
Door & MICOM State
Door
F FAN pulse voltage
CN76#7(Brown)
The voltage measured around 2~3V
with multi-meter though the voltage is
very weak because of pulse signal
☞Display for checking the self-diagnostic function
R FAN ERROR
Typical PCB Ground
REG1 Heater Sink
F
MICOM
(#83)
Close
Open
5V(High)
0V(Low)
0V(Low)
5V(High)
R MICOM(#82)
Right and Left
Excute manualoperation.
If initial temperature of F Room
is under the 41
℉
(5
℃
), waitng
7 minutes and then activate.
FAN work normally
Repair the connection
of Door switch
Replace MAIN PCB
1) F-FAN 2) R-FAN 3) C-FAN
Typical PCB Ground
REG1 Heater Sink
Power on with about 7
minutes delay after power
OFF. (For preventing the
over load of compressor)
◆Expected causes
①Check that if FAN-MOTOR has failure
itself.
②Check that if wiring connection has bad
contact.
③Check the input of the fan motor rotation
pulse when motor fan operates.
CN76-7(F),8(R),9(C)will generate the pulse signal when motor rotates.
These signals will be inputted into MICOM.
Unless signals are not inputted during motor operating, will be ON 10
seconds after fan Off. But if signals are not still entered, the above operation
will restart four times more.
If signals are not entered continuously, the motor will be restarted after 10
seconds.
This function is effective when the normal operation of motor would be
restrained by foreign matters such as ice.
☞Checking method of R,F,C FAN Motor voltage
The voltage between PCB typical Ground REG1 Heater Sink and
F FAN ; CN76#3(Yellow) shall be less than DC 7~12V.
R FAN ; CN76#4(Orange) shall be less than DC 7~12V.
C FAN ; CN76#5(Sky-blue) shall be less than DC 7~12V.
- Motor rpm could be changed by capability without previous.
Is the voltage between MAIN
PCB REG1 Heater Sink and CN76#3
(Yellow) around DC7~12V?
Is the voltage between MAIN
PCB REG1,Heater Sink and CN76#4
(Orange) around DC7~12V?
Is the voltage between MAIN
PCB REG1, HEAT SINK and
CN76#5(Sky -blue) around DC7~12V?
Is the external temperature above
66.2 ℉(19℃)?
Recheck after 7 minutes
(Time could be delayed
depending on the
temperatures. If the
temperature is lower, It
may not operate : about
59℉(below 15℃)
Is the voltage between MAIN
PCB REG1,Heater Sink and
CN30#2 (Purple) around 0V?
Is the voltage between MAIN
PCB REG1 Heater Sink and CN30#1
(Black) around 4.5~5V?
Does DC7~12V alternate with
below DC 2V between MAIN PCB REG1
Heater Sink and CN76 #3(Yellow)
Does DC7~12V alternate with below
DC 2V between MAIN PCB REG1 Heater
Sink and CN76#4(Orange)
Does DC7~12V alternate with below
DC 2V between MAIN PCB REG1 Heater
Sink and CN76#5(Sky-blue)
In initial power to appliance, the compressor
and fans of fresh food/ freezer, compressor
fan operate. If freezer temperature is
sensed of 41℉by momentary power
failure, fans will operate after 5 minutes.
Reference
F FAN ERROR
C FAN ERROR
AW-SEM Transform(RF267,2#3957D8 2009.8.20 4:54 PM 페 이 지 6 8 i n

69
TROUBLESHOOTING
4-2-3. If ICE Room Fan does not operate
- This refrigerator has BLDC FAN motor. BLDC motor is driven by DC7~12V.
- When COMP ON, normally operates with F-FAN motor.
- If there is any trouble, you should select the self-diagnostic function to check the trouble before power off.
Start
Execute manual operation
No
Yes
Yes
No
Yes
Yes
No
No
Is COMPRESSOR ON ?
Is the Ice Room
temperature suitable for
the Fan working?
◆Predicted Cause
①FAN-MOTOR troubles itself
②Bad wiring connections.
③Wrong Input of the fan motor rotation pulse
Reference
CN76 #6 will generate the pulse signal when motor rotates.
These signals will be input into MICOM.
Unless signals are not input during motor operating, will be ON
10seconds after fan OFF. But if signals are not still taken, the
above operation will be retried four times more. If signals are not
taken continuously, the motor will be restarted after 10 minutes.
This function is against the case that motor movement would be
restrained by foreign matters like ice.
- When pressing the ICE TEST S/W for a certain period of time
(over 1.5sec), the function is accomplished. After beginning of
TEST mode, Ice maker heater turns on for initial 2 minutes, if the
ice making temperature is below 0℃.
- If it exceeds 0℃, Ice maker heater turns on for initial 30 seconds.
- After Ice maker heater turns on for 30 seconds, it turns off and
then Ice maker motor turns on.
- As the Ice maker motor turns on, TEST MODE COUNT
operates. (6 minutes count)
Condition
- Ambient temperature : 32℃/75%
- Notch : 2℉/38℉(-19.0℃/3.3℃)
Initial full of ice bucket capacity : 794 g, 58ea
Is the voltage between
MAIN PCB REG1 Heater Sink and
CN76-”2” (Black) around
DC7~12V?
Does DC7~12V alternate
with below DC2V between MAIN PCB REG1
Heater Sink and CN76-”2”(Black)?
FAN works normally
Operation
temperature/ready
Replace MAIN PCB
FAN pulse voltage
CN76-”6”(Pink) Typical PCB Ground
REG1 Heater Sink
Ice Room control temperature
Ice ON 8.6℉(-13℃)
Ice OFF 26.6℉(-3℃)
The voltage is variable due to pulse
signal but measured about 2~3V with the
Multi-Meter.
☞Display for checking the self-diagnostic function
Ice Room FAN ERROR
☞Checking method of Ice Room FAN Motor Voltage with the voltage between typical
PCB Ground REG1 Heater Sink and Ice Room FAN ; CN76-”2”(Black) shall be less
than DC 6~12V.
- Additional check if resistance values are different after measurement.
Typical PCB Ground
REG1 Heater Sink
1) Ice Room - FAN
AW-SEM Transform(RF267,2#3957D8 2009.8.20 4:54 PM 페 이 지 6 9 i n

70
TROUBLESHOOTING
1. Water is automatically supplied to the Ice Maker depending on temperature & time condition and Ice Maker Dispenses
cubed or crushed ice.
2. Power is applied to the one end of wires. Be careful when disassembling and shall refer to its exploded diagram in any
case.
3. Ice Maker operation shall be checked after pressing the Ice Maker testing switch.
(Freezer Ice Maker) It is not possible to check when the power is disengaged.
4. We recommend that TWO PEOPLE check the PCB and Ice Maker because they are located at front and rear side each.
5. Be careful! The Ice Maker Heater can cause personal injury like burn.
6. Ice maker could operate not only genuine rotate but also reverse rotate, so it is not out of order that reverse rotate.
4-2-4. If Ice Maker does not operate
☞Checking Method of ICE Maker Voltage
With typical PCB Ground REG1 Heater Sink and
1) Test Switch operation (press selected) : CN75-”5” (Black) shall be DC 0V.
Test Switch ready ; CN75-”5” (Black) shall be less than DC 5V.
☞Checking Method of ICE Maker Voltage
With typical PCB Ground REG1 Heater Sink and
2) IC02 MICOM #39 voltage ; Ready(0V) →Rotate (4.9V) →Before
complete(4.9V) →Return(0V)
* MICOM #39 voltage is same as Connector CN90-”7”(Purple)
3) IC02 MICOM #38 voltage ; Ready(0V) →Rotate (0V) →Before
complete(4.9V) →Return(0V)
* MICOM #38 voltage is same as Connector CN90-”6”(Blue)
1)Test Switch operating 2)Test Switch ready Typical PCB Ground
REG1 Heater Sink
Displays ERROR Code
Start
1) Replace the Ice Maker Kit
2) Check/Replace the Main PCB
input signal
(Micom IC01 Pin #37 - “0V”)
Does Ice Maker
rotate when pressing the Ice Maker
testing switch(over 1.5 sec)?
No
1) Check the wiring connections.
2) Replace Ice Maker Kit
3) Replace MAIN PCB
Is the input voltage of IC01
MICOM #38,#39 normal?
No
1) Replace the Water Valve
* Refer to the operation
condition of Water Valve
2) Replace the Main PCB
Is the water supplied in 6
minutes (After sensing ice bucket
fully)?
No
1) Repair the Ice Maker Sensor
* Refer to the solution “If Ice
Maker Sensor has trouble”
No trouble with PCB and temperature sensor,
Check the bad wiring connections.
Is the Ice Maker Sensor unit normal? No
Operating Condition when motor rotates
Operating Status of Micom(IC01)
Heater operates differently according to the conditions.
Test Mode operation will be 30 sec.
Operation
5V
5V
5V
Ready
0V
0V
0V
Motor Load (#56)
Heater Load (#57)
Heater Load (#67)
MICOM(IC02) Operation Status
#37
(Test Switch)
Operation
5V
Ready
0V
MICOM(IC01) Operation Status
#39
(Blade Ice Scoop)
#38
(Guide Ice Full)
Ready Rotation Before
Complete Returning
0V 4.9V 4.9V 0V
0V 0V 4.9V 0V
☞Check the ICE Maker Heater & Motor Resistance
1) Measuring the Ice Maker Heater
resistance values
Resistance value : 91(364)Ohm±7%
CW/CCW Resistance value : 200KOhm ± 30%
CW : 13P #11(White) and CN70#9(Red)
CCW : 13P #13(Pink) and CN70#9(Red)
CN70#11(Gray) - #1(Black)
2) Measuring the Ice Maker Motor
resistance values
Yes
Yes
Yes
Yes
AW-SEM Transform(RF267,2#3957D8 2009.8.20 4:54 PM 페 이 지 7 0 i n

71
TROUBLESHOOTING
4-2-5. If defrost does not operate (F,R DEF Heater)
- If defrost has trouble, select the self-diagnostic function to detect the error of defrost heater before
Power Off. (Check the function with the self-diagnostic function)
R DEF ERROR F DEF ERROR
Start
Are the all deforst
heater normal?
Check the bimetal, heater
disconnection, wiring connection etc.
Refer to self-diagnostic
function in the manual
Replace the
applicable sensor
manual operation for a certain time
Manual defrosting of fresh food
and freezer compartments
operate simultaneously.
Resistance value of sensor according to temperature
If you need the
temperature with detail,
refer to DATA1.
temperature
table
**Measuring point of resistance value according to sensor **
F-DEF : CN30#4 ↔CN76#1 measuring resistance value
R-DEF : CN30#8 ↔CN76#1 measuring resistance value
** 0Ω: Short trouble / ∞Ω: Open trouble
**Measuring point of resistance value according to heater**
F-DEF(Ice Duct parallel) : CN70#7(Brown) ↔CN71#9
(Orange) measuring resistance value(55 ohm ±7%)
R-DEF : CN70#5(White)↔CN71#9(Orange)
measuring resistance value(110 ohm ±7%)
** 0Ω: Short trouble / ∞Ω: Open(bimetal, heater) trouble
86℉(30℃)
68℉(20℃)
50℉(10℃)
32℉(0℃)
14℉(-10℃)
-4℉(-20℃)
-22℉(-30℃)
4.22㏀
6.05㏀
8.87㏀
13.29㏀
20.42㏀
32.23㏀
52.41㏀
If Energy Saver + Fridge key are pressed
simultaneously for 8 seconds and select any key.
4thtest mode(manual defrosting will be operated).
Is the temperature of
defrost sensor lower
than 53.6℉(12°C)?
Is defrost sensor by
self-diagnostic normal?
Is power applied to
each defrost heaters?
Is connection terminal of
MAIN PCB part normal?
Recheck the applicable
sensor.
**Measuring point of resistance value according to sensor **
F-DEF : CN30#4 ↔CN76#1 measuring resistance value
R-DEF : CN30#8 ↔CN76#1 measuring resistance value
** 0V: Short trouble / 5V: Open trouble
Normal
Repair connection terminal
Reference If defrost sensor
temperatures of fresh food and
freezer compartments are higher
than 50℉(10℃), 53.6℉(12℃) by
the heating from heater, heating
would be finished and will return
to cooling operation after a pause.
Check bimetal, heater itself,
disconnection etc.
Replace failure Relay or
replace PCB ASS'Y
Does the system return
to cooling operation after
heating for specified time?
☞
Checking method of F,R DEF Heater resistance value
F DEF ; CN70#7(Brown) ↔CN71#9(Orange)
R DEF ; CN70#5(White) ↔CN71#9(Orange)
-
Recheck if resistance values are different after the test
1) F DEF Heater 2) R DEF Heater
AW-SEM Transform(RF267,2#3957D8 2009.8.20 4:54 PM 페 이 지 7 1 i n

72
TROUBLESHOOTING
4-2-6. If Power is not supplied
Caution
At the power of main PCB, the
AC115V power and a high-voltage
over DC 170V are occurred.Please
take care of yourself during repair
and measurement.
Check in SMPS PBA
Start
- Refer to the function and
reference parts in the manual
when check the MAIN PCB
Connect plug again,
check the plug loosening
Check the assembly and wire
connection
1) Replace FUSE AC 250V 2.0A
2) Replace PCB ASS’Y
Replace PCB ASS'Y
Replace PCB ASS'Y
1) Check REG1 (KA7805)
2) Replace PCB ASS'Y
1) Check assembly wire and repair
2) Replace Panel PCB
1) Solder again
2) Replace PCB MAIN
- Check MAIN PCB connection
- Check the connections between
cabinet and door
- Check the connections between
door and panel PCB
1) Check the contact of lead wire
2) Replace the applicable relay / PCB MAIN
1) Check PCB PATTERN and replace BD1
2) Replace PCB ASS'Y
Is the plug connected in?
Is power 115V applied to the
both terminals of SMPS PCB
CN70 #11-#9?
Is fuse on the SMPS
PCB down?
Is DC170V
applied to the both
terminals of BD1+,-
Is DC5.8V
applied between TOP
switch 246Y C and S?
Is 13V applied to the both
terminals of C107?
Is 5V applied to the both
terminals of C109?
Does Panel PCB
operate normally?
Is the load (i.e. Relay)
normal?
Is there any PCB
soldering, short,
breakage?
Normal(Recheck)
☞Checking method of voltage
CN70 input ; CN70#9(Red) ↔#11(Gray)
AC voltage
☞Checking method of DC 2nd output voltage
REG1 input ; Regulator 7805 →same as C107
terminals.
DC 13.0V ±0.8V
☞Checking method of DC 2nd output voltage
REG1 output ; Regulator 7805 →same as C109
terminals.
DC 5V ±0.5V
AW-SEM Transform(RF267,2#3957D8 2009.8.20 4:54 PM 페 이 지 7 2 i n

73
TROUBLESHOOTING
4-2-7. If compressor does not operate
Start
Did 7 mins pass
after Compressor
OFF ?
Does compressor work
with manual operation?
Is IC02 MICOM #8
High?(5V)
normal
Is IC72 #15 about
0.8V?
Is CN71 connector
normal?
Is COMP ASS'Y
normal?
Normal (recheck)
Replace COMP ASS'Y
Check bad contact of
connector
Check after
7minutes
Refer to test function
in the manual
1) Replace MICOM
2) Replace PCB
Refer to circuit diagram
in the manual
1) Replace IC72 Driver IC(TD62083AP)
2) Replace PCB
Did buzzer of manual operation sound?
(Check certainly after manual operation)
☞Checking method of voltage PCB typical
Ground CN1#3(Black) and
1) IC02 MICOM #8 ; voltage High(5V ±0.5V)
IC02 MICOM #8, COMP operating
☞Checking method of voltage
PCB typical Ground CN1#3(Black) and
1) IC72 #15 : Voltage Low(0V)
typical PCB Ground
CN1#3(Black)
AW-SEM Transform(RF267,2#3957D8 2009.8.20 4:54 PM 페 이 지 7 3 i n

74
TROUBLESHOOTING
4-2-8. When alarm sound continuous without stop(related with buzzer sound)
Start
Door is ajar
Start
Is door closed
completely?
Is water penetrated
into the door switch?
Is the door
switch unit normal?
Is the connector(CN30)
inserted correctly?
Is manual operation
/defrost selected?
Does buzzer sounds
when power On again?
Is the input
voltage of main #83 and #82
changed at door-open and close
status?
①If 'ding-dong'sound continuously
②If 'beep-beep' sounds continuously
Remove causes after comprehending
the conditions of interferance by door
gasket, food etc,
Replace Door S/W
Repair wire connection and
Door S/W
Normal
Recheck and Replace Panel
PCB
MAIN PCB & Door S/W is normal.
Recheck and replace Panel PCB
Seperate the door switch andcheck if
the measured value of unit is
changed from 0Ωto ∞Ω
according to switch ON/OFF.
* FF Door Switch is magnetic switch.
(It can be operated when door
magnet is combined with it.) Replace Door S/W
Connector is not inserted,
Repair disconnect part
Enforce the cancelation the
manual operation/ defrost function
or power On after power Off
Door & MICOM State
Door
F
MICOM
(#83)
Close
Open
5V(High)
0V(Low)
0V(Low)
5V(High)
R MICOM(#82)
Right and Left
AW-SEM Transform(RF267,2#3957D8 2009.8.20 4:54 PM 페 이 지 7 4 i n

75
TROUBLESHOOTING
③If buzzer does not sound
Buzzer is installed on the panel PCB in this model.
If buzzer does not sound when button is pressed, manual operation is started and door is opened,
should separate panel PCB and check the breakage of buzzer and bad soldering.
It is very hard to repair the panel PCB because it consists of SMD assemblies.
It is recommended to replace assembly PCB when the failure associated with panel is occurred
except the minor error such as switch pressing error, surface peeling off and so on.
Start
Does it sound
'dingdong' if press a button
on the front panel?
Is the damage
or breakage of the buzzer in
the panel PCB?
Did lead of a component
fall on the vibration plate of
buzzer?
Does it make a
sound of 'dooropen' alarm when
you are opening the door of freezer or
fridge more than 3 minutes?
MAIN PCB normal,
BUZZER normal
Check the panel PCB with reference
of <how to check Panel Display>
Replace(repair) buzzer
Replace Panel PCB
Replace buzzer
Replace Panel PCB
Recheck the button pressing
force and mechanical problem
AW-SEM Transform(RF267,2#3957D8 2009.8.20 4:54 PM 페 이 지 7 5 i n

76
TROUBLESHOOTING
4-2-9. If Panel PCB does not work normally
①When lighting of Panel PCB is disabled or only some LED Lamp are disabled
Be careful to repair because display of this model is installed in the MICOM of internal PCB.
It is recommend to replace PCB MAIN after checking except specified solder touch.
Start
Is the connector of
upper hinge cover
inserted correctly?
Is MAIN PCB
connector (CN50)
inserted correctly?
Is Upper Hinge
Panel PCB connector
inserted correctly?
Is lighting operate
normally when replace
Panel-PCB?
Are one or more keys
pressed continuously?
Is the PCB system
still operated by separating
of the mechanism?
Is the lighting operated
normally when replace the
Panel-PCB ?
Refer to electronic circuit
diagram in the manual or
circuit diagram on the back
side of the appliance Reinsert connector,
Repair bad contact
Reinsert connector of MAIN PCB
Reinsert connector,
Repair bad contact
Panel PCB itself has trouble.
Reassemble the PCB ASS'Y /
Enforce the cancelation of pressed keys
Reassemble the PCB ASS'Y /
Enforce the cancelation of pressed keys
Panel PCB itself has trouble.
①Check the wire of Dispenser part - Upper Hinge Panel - disconnection, short between wires
②Check the wires between fresh food compartment upper cabinet - MAIN PCB - disconnection, short between wires
①Check the wires of Dispenser part - Upper Hinge Panel - disconnection, short between wires.
②Check the wires of fresh food compartment upper cabinet - disconnection, short between wires.
③Check the short/open of the panel communication and power supply circuit in MAIN PCB.
②If Panel PCB KEY is not selected
※If it is not repaired with using the basic checking method as above
AW-SEM Transform(RF267,2#3957D8 2009.8.20 4:54 PM 페 이 지 7 6 i n

77
TROUBLESHOOTING
4-2-10. If Pantry Panel PCB is not working normally
You should check the display after door opening because the display of this model operates only
when the fresh food compartment door is opened.
Start
Does fresh food
compartment door switch
operate normally?
Is the connector of
pantry room in fresh food
compartment inserted
correctly?
Is MAIN PCB
Connector (CN51), CN79
inserted correctly?
Is signal of
MAIN PCB CN51, CN79
normal?
Is the lighting
operated when replace Pantry
Panel-PCB?
Is a key pressed
continuously?
Is the PCB system
still operated by separating
of the mechanism?
Is the lighting operated
after replacing the Pantry
Panel-PCB?
Is a normal voltage
outputted from MAIN PCB IC51, CN79
during the key operating?
Check and repair the switch
* Refer to<how to repair door switch>
Reinsert Connector,
Repair bad contact
Reinsert connector in MAIN PCB
Check voltage/Replace MAIN PCB
Panel PCB itself has trouble.
Reassemble PCB ASS'Y /
Enforce the cancelation of
pressed keys
Reassemble PCB ASS'Y /
Enforce the cancelation of
pressed keys
Convertible compartment Panel
PCB itself has trouble.
①Replace MAIN PCB
②Check the short of MAIN
Panel wire
①Check the wires of Pantry Room - disconnection, short between wires
②Recheck the control circuit of MAIN PCB Pantry Panel
③Check the wire assembling between Panel and MAIN
①Check the wire of Pantry Room - disconnection, short
between wires
②Check the short/open of the pantry panel lighting
circuit in MAIN PCB.
②If Panel PCB Key is not selected
If Panel Key is not selected
※If it is not repaired with the above basic checking method
Typical PCB Ground
REG1 Heater Sink
☞Checking method of voltage Based on
PCB typical Ground REG1 Heater Sink
1) Key voltage ; CN51#6"(Purple)
2) LED part voltage ; CN51-"1"(Yellow),
"2"(Pink),"3"(Orange) →Voltage of CN51
is same as IC50 #14,#13,#12 voltage.
1) select(operating) (0V) 2) normal(about5.0V ±0.5V)
- Display On (0.7V±0.5V) - Display Off (11V±1V)
AW-SEM Transform(RF267,2#3957D8 2009.8.20 4:54 PM 페 이 지 7 7 i n

78
TROUBLESHOOTING
4-2-11. When refrigerator ROOM Lamp does not light up
1. When you replace the lamp of freezer, please power OFF to avoid an electric shock.
2. Please keep in mind you could get burnt by the excessive heating of an incandescent light bulb.
3. Bimetal is installed in the refrigerator LAMP. Check that if LAMP may be turned OFF by bimetal.
※We only explaine about Fresh Food compartment in this page.
Because it is possible to repair the other room lamps with the same method.
1) AC Lamp
(Option) Start
Is the inside lamp
filament cut?
Is Lamp OFF by
bimetal operating?
Is the connection
point of R-door switch
normal?
Is the control relay
of the inside lamp in PCB
normal?(RY75)
Repair the inside lamp
Fresh food compartment
AC Lamp is applied only.
Repair door switch
Replace PCB and
Replace Relay
Check the connection of RDoor
switch and repair the inside lamp
socket
Reference
* The interior lamp relay operates lighting/lightout
according to door open / close.
* If interior lamp does not light, check the noise of relay
operation.
* Noise of relay operation sounds every Door Open /
Close.
* F-LAMP Relay -- RY74
* R-LAMP Relay -- RY75
Reference
If the door is opened, the contact of door switch will be opened and MICOM will get applied 5V to finally sense Open.
If 5V has been sensed over tree minutes afterwards, Door-Open alarm will sound ‘Ding-Dong’for 10 seconds in a one minutes cycle.
For that reason, if the door switch has failure, the refrigerator can make a “Ding-Dong”sound with oneminute cycle. Please note the
step for its service.
Wait for returning time
of bimetal
☞When measure lamp resistance to the Wire
→Resistance can be changed by Lamp input voltage.
(Actual measurement is below, it can be changed by
performance)
☞Checking method of Door Switch voltage
- Measuring voltage of CN30#2(Purple), CN30#1(black) and REG1, HEAT SINK
from PCB typical Ground part
→See the R DOOR Switch at the following picture.
Wire color changed from
the following picture
☞Fresh food
compartment lamp
CN70#9(Red) ↔
CN71#1 (Blue) ;
10Ohm±5%
Lamp ; 60W + 60W
☞Freezer
compartment lamp
CN70#9(Red) ↔
CN71#3 (Gray) ;
15Ohm±5%
Lamp ; 60W
Typical PCB Ground REG1 Heater Sink
CLOSE
OPEN
Door & MICOM State
Door
F
MICOM
(#83)
Close
Open
5V(High)
0V(Low)
0V(Low)
5V(High)
R(Option)
R MICOM(#82)
Right and Left
AW-SEM Transform(RF267,2#3957D8 2009.8.20 4:54 PM 페 이 지 7 8 i n

79
TROUBLESHOOTING
4-2-12. If ICE Water is not supplied
Start
Is the confirming sound of
the valve operation heard when
Ice maker(R) test switch pushed?
Does Main PCB MICOM
#54 have high (5V)output?
Does Main PCB IC73
#15 have about 0.7V
output?
Is the contact point of main
PCB RELAY RY78 normal?
MAIN PCB normal
-- Need to check the other parts
①Check the wire between Ice
water valve↔MAIN PCB
②Ice water valve itself has trouble
or bad contact of connector
③Check the connection hose
Normal(Check Ice
water valve hose)
Check soldering
short/Replace PCB
Check soldering
short/Replace PCB
Check soldering
short/Replace PCB
Typical PCB Ground REG1 Heater Sink
☞Checking method of voltage Based on
PCB typical Ground REG1 Heater Sink
1) Check the voltage of IC73#4(same voltage
as IC01 #54)
- ICE Water valve operating (about 5V±0.5V)
Based on PCB typical Ground REG1 Heater Sink
2) IC73 #15 voltage
- ICE Water valve Waiting (about 13V±0.8V)
- ICE Water valve operating (about 0.7V±0.5V)
3) Check the voltage of Fridge Ice Water Valve
operating(AC voltage)
=> For checking the Relay RY78 operating.
CN73 and CN74 combined and use same connector(13p)
CN70#9(Red) ↔13P#7(Purple)
- ICE Water valve waiting (about AC 0V)
- ICE Water valve operating (about AC 115V ±20%)
1. Please shut the water supplying prior to repair.
2. Power is applied to the one end of wires. Be careful when disassembling not to get an electric shock.
AW-SEM Transform(RF267,2#3957D8 2009.8.20 4:54 PM 페 이 지 7 9 i n

80
TROUBLESHOOTING
4-2-13. If Water is not supplied
☞Checking method of Valve resistance (Must
power off for checking)
Resistance can be changed by input voltage.
CN70#1 (Red) ↔CN73#5 (White-black)
- resistance value ; 388(1.6k)Ohm ±7%)
** 0Ω: Short trouble / ∞Ω: Open trouble
Start
Is the confirming sound of
the valve operation heard
when dispenser switch
pushed?
Is the valve unit normal?
Is the voltage of PCB IC01
MICOM #15 changed 0V~5V
according to switch On/Off?
Does Main PCB IC73 #3
have about 5V input?
Does Main PCB IC73 #14
have about 0.7V output?
Is the contact point of main
PCB RELAY RY7A normal?
MAIN PCB normal
-- Need to check the other parts
①Check the wire between water valve ↔
MAIN PCB
②Ice water valve itself has trouble or bad
contact of connector
③Check the connection hose
④Check the operation between Panel PCB
and MAIN PCB for Communication.
Normal(Check Ice
water valve hose)
Replace Valve
Check soldering
short/Replace PCB
Check soldering
short/Replace PCB
Check soldering
short/Replace PCB
1) Check the dispensing
lever
2) Check switch unit/ wiring
connection
3) Replace PCB
typical PCB Ground CN1#3(Black)
☞Checking method of voltage
Based on PCB typical Ground CN1#3(Black)
1) Check voltage of IC73# (same voltage as
IC01#64)
- Water valve operating (about 5V±0.5V)
Based on PCB typical Ground CN1#3(Black)
2) IC73 #14 voltage
- Water valve operating (about 0.7V±0.5V)
3) Check the voltage of Water Valve operating
(AC voltage)
=> For checking the Relay RY7A operating.
CN70#1(Red) ↔CN73#5(White-black)
- ICE Water valve waiting (about AC 0V)
- ICE Water valve operating (about AC 110(230)V ±20%)
AW-SEM Transform(RF267,2#3957D8 2009.8.20 4:55 PM 페 이 지 8 0 i n

TROUBLESHOOTING
4-2-14. If Cubed or Crushed Ice is not supplied
81
Start
①Check the Ice making switch
②Check the DOOR Switch
③Check the Ice moving motor
④Check the wiring connections of Ice moving motor
⑤Check if the COVER ICE ROUTE opens
⑥Check the Q706 movement related with
AUGER_MOTOR safety ①Check the water pipe
: bending / Shut off
②heck route of ice check solenoid
③Check he Ice Maker wiring
Freezer door shall be
closed during operation.
If MAIN PCB is normal
- Need to check the other parts
①AUGER MOTOR ↔MAIN PCB
Check the door wiring connections.
②CUBE MOTOR ↔MAIN PCB
Check the door wiring connections/trouble their own or bad wiring connections.
Normal Operation status
Are Ices ejected?
Which mode is
selected?
Is Cubed Ice ejected?
No
Cubed Ice ejected
Crushed Ice
Cubed Ice selected
Is Cubed Ice mode
selected on the
panel PCB?
No
Cubed Ice
No
Yes
Yes
Yes
Yes
Yes
Yes
Yes
Check the wire connections/
Cube Solenoid
Is the CUBE MOTOR
positioned at cubed
ice mode?
No
- Check the Ice switch has trouble itself
- Check the wire connections
- Replace the MAIN PCB
- ICE S/W self diagnosis
- Check the connecting wires.
- MAIN PCB failure : Replace
Is MICOM IC01 #103
change into 0V when
press Ice switch?
No
Is the Dispenser
Cover opened?
No
Replace the MAIN PCB
(Errors on IC01)
Is IC73 #1,2 changed
into 5V when pressing
Ice Switch?
No
- RY7A, RY7B RELAY Error
- Replace the MAIN PCB
After disconnecting the
CN70, CN71and 13P
(CN73, CN74) measure
the both ends of contact
points of RY7A, RY7B
After disconnecting the
CN70, CN71 and 13P
(CN72, CN73), measure
the both ends of contact
points of RY7A.
Is the contact
point of RY7A & RY7B RELAY
changed into 0Ω
No
No
No
Yes
Yes
No
Yes
Yes
Yes
Yes
Yes
Yes
No
No
No
No
No
Normal Operation status
Cancel the “Ice Off”
Is Crushed Ice ejected?
Crushed Ice selected
Is Crushed Ice mode
selected on the
panel PCB?
Check the wire connections/
Motor Cube
Is the CUBE MOTOR
positioned at cubed
ice mode?
- Check the Ice switch has trouble itself
- Check the wire connections
- Replace the MAIN PCB
Is MICOM IC01 #103
change into 0V when
press Ice switch?
check the WIRE & Motor
check Cover ice route S/W 1,2
Replace the MAIN PCB
Is the Dispenser
Cover opened?
Replace the MAIN PCB
(Errors on IC01)
Is IC73 #2 changed
into 5V when pressing
Ice Switch?
- RY7A RELAY Error
- Replace the MAIN PCB
Is the contact
point of RY7A RELAY
changed into 0Ω
Are Ices in the Ice bucket?
Is “Ice Off” mode
selected on the display
panel?
No
AW-SEM Transform(RF267,2#3957D8 2009.8.20 4:55 PM 페 이 지 8 1 i n

82
TROUBLESHOOTING
4-2-15. If Cover Ice Route Moor(Geard Motor) is not working normally
Start
Replace the MOTOR
Does GEARED MOTOR
work properly?
No
Yes
Cubed or Crushed Ice is selected
on the LED PANEL PCB
Is Cubed or Crushed
Ice mode selected on the
LED PANEL?
No
Yes
Select the DISPENSER switch
Is the DISPENSER
switch selected?
No
Yes
Check the WIRE
Does the wiring at the
both sides of motor connected
properly?
No
Yes
When the MOTOR
rotates.
Check the MOTOR/Check any
interference on MOTOR rotation
①CN73 and CN74 combined and use same connector(13P).
Check 13P-”9” Connector / Re-connect
②Check the short/open for the SSR75 of Cover Ice Motor on Main PCB.
③Check the resistance of parallel Connector 13P-”9”, CN70-”9”.
(Definitely plug out prior to repair)
Caution
1. When replacing the Cover Ice Motor, pull out the plug to avoid an electric shock.
2. Be careful! When disassemble the Cover Ice Motor, spring can jumped out and may cause personal injury.
3. Motor will rotate continuously when the Motor Switch is not sensed.
①Main PCB - Check the wire OPEN/SHORT between the Cover Ice Motor Rotation sensing switches.
②Check the Short of Cover Ice Motor Control Circuit SSR75 in the MAIN PCB.
③Replace the MAIN PCB or the Dispenser Cover Motor.
Is the AC input voltage
applied to the both ends
of the motor?
Yes
No
Check/Repair the Housing
connector
Is the sensing
SWITCH connection
normal?
No
Yes
Check/Repair the Motor Rotation
pressing area
Is the switch
pressed area normal when
motor rotates?
No
Yes
Normal
Are the voltage
REG1 Heater Sink and CN50-”9”,
“10” normal?
Yes
No
Operating Condition of Dispenser
Open/Close
CN50 - Switch 1,2 Operating
OpeningClose
Ice Route Switch 1
CN50 - “9” (Purple)
Ice Route Switch 2
CN50 - “10” (White)
0V 0V5V
0V 0V5V
☞Checking Mehod of Cover Ice Route Motor
Resistance
(Make sure to work after Power Off)
The Resistance is variable according to
the input voltage.
CN73 and CN74 combined and use same
connector(13P)
CN70#9(RED) ↔13P#9(Blue)
** 0Ω: Short trouble / ∞Ω: Open trouble
AW-SEM Transform(RF267,2#3957D8 2009.8.20 4:55 PM 페 이 지 8 2 i n

83
5 . EXPLODED VIEW& PARTS LIST
5-1) FREEZER ··························································84
5-2) REFRIGERATOR ·····················································87
5-3) CABINET ··························································93
5-4) DISASSEMBLY OF FREEZE DOOR ·········································97
5-5) DISASSEMBLY OF REFRIGERATOR DOOR LEFT ······························100
5-6) DISASSEMBLY OF REFRIGERATOR DOOR RIGHT ·····························103
AW-SEM Transform(RF267,2#3957D8 2009.8.20 4:55 PM 페 이 지 8 3 i n

84
EXPLODED VIEW& PARTS LIST
5-1) Freezer
1-4
1-7
1-6
1-5
1-9
1-8
1-21-1
1-3
5-8
5-7
5-8
5-7
AW-SEM Transform(RF267,2#3957D8 2009.8.20 4:55 PM 페 이 지 8 4 i n

85
EXPLODED VIEW& PARTS LIST
NNOO
1
1-1
1-2
1-3
1-4
1-5
1-6
1-7
2
3
4
5
5-1
5-2
5-3
5-4
5-5
5-6
5-7
6
7
7-1
7-2
8
8-1
8-2
8-3
8-4
8-5
8-6
8-7
8-8
9
9-1
9-2
10
10-1
10-2
11
12
12-1
12-2
12-3
12-4
13
14
15
15-1
15-2
15-3
16
17
CCOODDEE--NNOO
DA96-00515B
6501-000123
DA32-00006Q
DA47-00243B
DA47-00244A
DA59-00382A
DA61-04799A
DA61-03644A
DA63-04629A
DA63-04606A
4713-001223
DA97-05037C
DA59-00294A
DA60-10132A
DA61-00954B
DA61-01800A
DA61-03213B
DA63-02183A
DA63-02284B
DA63-04582A
DA97-06992A
DA61-04757A
DA67-02115A
DA97-07040A
DA63-04625A
DA63-04620A
DA63-04638A
DA61-04813A
DA66-00639A
DA63-40167A
DA61-04804A
DA61-04805A
DA97-07022A
DA61-04804A
DA61-04811A
DA97-07023A
DA61-04804A
DA61-04812A
DA63-04604A
DA97-07005A
DA34-00049A
DA61-04801A
DA61-03158A
DA66-00636A
DA66-00437A
DA67-02138A
DA97-07004A
DA61-04801A
DA61-03333A
DA66-00635A
DA63-04605A
DA97-07024A
RREEMMAARRKKPPAARRTT NNAAMMEE
ASSY EVAP FRE
CABLE TIE
SENSOR TEMP-F-DEF
THERMO BIMETAL-PROTECTOR
HEATER-METAL SHEATH
EVAP FRE
FIXER-SENSOR EVAP
PLATE-EVAP HEATER
COVER-FIXER HOUSING V
COVER-LAMP FRE
LAMP-INCANDESCENT
ASSY-SUPPORT ICE MAKER
ICE MAKER-ASSY
SCREW-TAPPING
GUIDE-ICE FULL
FIXER-SENSOR(ICE MAKER)
SUPPORT-ICE MAKER
COVER-SENSOR
TRAY ICE
COVER-ICE MAKER
ASSY CASE-ICE CUBE
CASE-ICE CUBE
SCOOP ICE
ASSY TRAY-FRE UPP
COVER-TRAY FRE UPP A
COVER-TRAY FRE UPP B
TRAY FRE-UPP
FIXER-ROLLER TRAY FRE UPP
ROLLER-TRAY FRE UPP
GROMMET-COVER CHIL
ROLLER-FRE
FIXER-ROLLER
ASSY RAIL-SLIDE UPP L
ROLLER-FRE
RAIL-SLIDE UPP L
ASSY RAIL-SLIDE UPP R
ROLLER-FRE
RAIL-SLIDE UPP R
COVER-RAIL LOW L
ASSY RAIL-SLIDE LOW L
SWITCH PRESSURE
FIXER-GEAR
RAIL-SLIDE LOW L
GEAR-L
SHAFT-GEAR
CAP-HINGE HOLE
ASSY RAIL-SLIDE LOW R
FIXER-GEAR
RAIL-SLIDE LOW R
GEAR-R
COVER-RAIL LOW R
ASSY TRAY-DRAWER BOX
SSPPEECC
AW-PJT(265,636)115V,240W
DACT-140,W3.6,L146,NTR,NYLON66
502AT,08'AW-PJT,5V,F DEF Sensor,YEL,500MM
AW-PJT(F),BT-121-M,PW-5M1N,100㏁
AW-PJT,240W,115V,1Ω,F-ROOM, Sealed Connector
AW-PJT(265,266)
AW-PJT,PP,NATURAL
AW-PJT,GALVA,T0.3
AW-PJT,GALVA,
AW-PJT,PC,TRANSPARENCY
120V,500mA,60W,47x84mm
AW-PJT
NTGN,DC12V
PH,+,PI3,L15,PASS,STS430,2S
AW,ABS,NTR
AD,URETHANE
AW-PJT,ABS / SR-0340M,T2.5,112,280,WHITE
AD,PP,T1.0,WHITE
AD,PP,NTR,BJ73SLW180
AW,265,HIPS,COOL WHITE
AW-SEM
AW,PP,COOL WHITE
AW-SEM,PP,COOL WHITE
AW-PJT(265,266)
AW-PJT,HIPS,COOL WHITE
AW,GPPS,NATURAL
AW-PJT(265,266),HIPS,COOL WHITE
AW-PJT,NY-66,NATURAL
POM,NATURAL
SILICON,WHITE
POM,NATURAL
NY-66Å,NATURAL
AW-PJT
AW-PJT,NY-66,NATURAL
AW-PJT,ABS,COOL WHITE
AW-PJT
AW-PJT,NY-66,NATURAL
AW-PJT,ABS,COOL WHITE
AW-PJT,ABS,COOL WHITE
AW-PJT
AW-PJT,COOL WHITE
AW-PJT,POM,NATURAL
AW-PJT,STS430
AW-PJT,POM,NATURAL
AW-PJT,SM25C
AW-PJT,ABS,BLACK
AW-PJT
AW-PJT,POM,NATURAL
AW-PJT,STS430
AW-PJT,POM,NATURAL
AW-PJT,ABS,COOL WHITE
AW-PJT
■■Parts List of Freezer
QQUUAANN
TTIITTYY
1
3
1
1
1
1
1
1
1
1
1
1
1
1
1
1
1
1
1
1
1
1
1
1
1
1
1
2
2
2
2
2
1
1
1
1
1
1
1
1
1
1
1
1
1
1
1
1
1
1
1
1
SSGGEECC CCOODDEE
DA96-00460A
same as SEM
same as SEM
same as SEM
same as SEM
DA59-00358A
DA61-02901A
DA61-04149A
DA63-02902B
DA63-04296A
same as SEM
same as SEM
same as SEM
same as SEM
same as SEM
same as SEM
same as SEM
same as SEM
same as SEM
DA63-03613A
DA97-04845A
DA61-03189A
DA67-01231A
DA97-06259A
DA63-04115A
DA63-03436A
DA63-04113A
DA61-04154A
DA66-00554A
same as SEM
DA66-10104A
DA71-20145A
DA97-06083A
DA66-10104A
DA61-04108A
DA97-06084A
DA66-10104A
DA61-04109A
DA63-03414A
DA97-04836A
DA34-00047A
DA61-03154A
same as SEM
DA66-00436A
same as SEM
DA67-00859C
DA97-04835A
DA61-03154A
same as SEM
DA66-00435A
DA63-03415A
DA97-06258A
AW-SEM Transform(RF267,2#3957D8 2009.8.20 4:55 PM 페 이 지 8 5 i n

86
EXPLODED VIEW& PARTS LIST
NNOO
17-1
17-2
17-3
17-4
18
19
20
20-1
20-2
QQUUAANN
TTIITTYY
6
2
1
2
1
1
1
1
1
CCOODDEE--NNOO
6002-000213
DA61-04824A
DA63-04618A
DA63-04313A
DA34-10120E
DA61-04796A
DA97-02019B
DA63-10467B
DA32-00011U
RREEMMAARRKKPPAARRTT NNAAMMEE
SCREW-TAPPING
REINF-DRAWER BOX
TRAY-DRAWER BOX
GROMMET-TRAY DRAWER BOX
SWITCH DOOR-F
GUIDE-DRAWER BOX
ASSY COVER-SENSOR
COVER-SENSOR
SENSOR TEMP
SSPPEECC
TH,+,1,M4,L12,ZPC(WHT),SWRCH18A
AW-PJT,SHP1,T2.0,BLACK
AW-PJT,PP,COOL WHITE
AW2,SILICON,WHITE
slide,250V,0.5A,cool white
AW-PJT,PP,COOL WHITE
AW-SEM
TALC PP,COOL WHITE(SC-02740R)
PX-41C,AW-PJT,5V,F-SENSOR,YEL
■■Parts List of Freezer
SSGGEECC CCOODDEE
same as SEM
DA61-03160A
DA63-04116A
same as SEM
same as SEM
DA61-03416A
same as SEM
same as SEM
same as SEM
AW-SEM Transform(RF267,2#3957D8 2009.8.20 4:55 PM 페 이 지 8 6 i n

87
EXPLODED VIEW& PARTS LIST
5-2) Refrigerator
37
37-1
37-2
39
39-1
39-2
39-3
39-4
38
38-1
38-6
38-4
38-8
38-3 38-5
40
40-2
40-4
40-1
40-3
38-2
38-7
AW-SEM Transform(RF267,2#3957D8 2009.8.20 4:55 PM 페 이 지 8 7 i n

88
EXPLODED VIEW& PARTS LIST
NNOO
1
1-1
1-2
1-3
1-4
1-5
1-6
1-7
1-8
2
3
3-1
3-2
3-3
3-4
3-5
3-6
3-7
3-8
3-9
3-10
3-11
3-12
3-13
3-14
3-15
3-16
3-17
3-18
3-19
3-20
3-21
4
4-1
4-2
4-3
4-4
5
6
7
8
9
10
10-1
10-2
10-3
10-4
11
11-1
11-2
11-3
11-4
CCOODDEE--NNOO
DA96-00516B
6501-000123
DA32-00006S
DA47-00243C
DA47-00244B
DA59-00381A
DA61-04800A
DA61-04815A
DA61-03644A
DA63-04629A
DA97-07190D
6002-000213
6002-000215
DA31-00230A
DA31-00146H
DA39-00060K
DA61-04849A
DA61-03182A
DA61-04854A
DA61-20128A
DA62-02055A
DA62-02053A
DA62-02058A
DA62-02050A
DA63-01146A
DA63-01808A
DA63-04651A
DA63-04653A
DA63-40167A
DA64-02065A
DA61-04856A
DA32-10105X
DA97-07008A
DA61-04797A
DA61-04818A
DA47-40001D
DA47-00243D
DA63-04608A
4713-001223
DA61-04781A
DA61-04847B
DA67-02130A
DA97-07051A
6002-001397
DA67-01606A
DA67-02133A
DA67-02132A
DA97-07019A
6002-000213
DA01-00400B
DA61-04809A
DA61-04823A
RREEMMAARRKKPPAARRTT NNAAMMEE
ASSY EVAP REF
CABLE TIE
SENSOR TEMP-R-DEF
THERMO BIMETAL-PROTECTOR
HEATER-METAL SHEATH
EVAP REF
FIXER-SENSOR
PLATE-DRAIN REF
PLATE-EVAP HEATER
COVER-FIXER HOUSING V
ASSY COVER-EVAP REF
SCREW-TAPPING
SCREW-TAPPING
FAN-AX100W4CC-T1
MOTOR BLDC
ASSY-HARNESS MOTOR
CASE-MOTOR REF
GUIDE-INS EVAP REF
PLATE-INS EVAP REF
SPRING ETC-FAN
INSULATION-EVAP REF
INSULATION-EVAP REAR
INSULATION-EVAP SUB
INSULATION-EVAP DUCT
GROMMET-MOTOR,REAR
GROMMET-MOTOR,FRONT
COVER MOTOR-BLDC
COVER-EVAP REF
GROMMET-COVER CHIL
TRIM-COVER EVAP REF
PLATE-HOUSING REF
SENSOR TEMP
ASSY CASE LAMP-REF
CASE-LAMP REF
PLATE-LAMP REF
LAMP HOLDER-ASSY
THERMO BIMETAL-PROTECTOR
COVER-LAMP REF
LAMP-INCANDESCENT
ANGLE-SHELF SIDE R
ANGLE-SHELF REF MID
CAP-ANGLE
ASSY SHELF-GLASS REF FIX
SCREW-TAPPING
SHELF-GLASS REF FIX
SHELF-HANGER REF L
SHELF-HANGER REF R
ASSY COVER-VEG REF
SCREW-TAPPING
GLASS-COVER VEG
FIXER-COVER VEG
REINF-COVER VEG
SSPPEECC
AW-PJT,115V
DACT-140,W3.6,L146,NTR,NYLON66
AW-PJT,-40~110℃,5V,R-DEF-SENSOR,YEL,400MM
BT-121-M,PW-5M1N,125/250V,10/5A,100㏁
AW-PJT,120W,115V.2Ω,R-ROOM,Sealed Connector
AW-PJT
AW-PJT,PP,NATURAL
AW-PJT,GALVA,T0.3
AW-PJT,AL,T0.7
AW-PJT,GALVA,T0.3
AW-SEM('08)
TH,+,M4,L12,ZPC(WHT),SWRCH18A
TH,+,M4.0,L16,ZPC(WHT),SWRCH18A
AW-SEM,ABS
DC12V,150mA,2.1W
AW-PJT,R-Fan/ F-Fan
AW-SEM,PP,NATURAL
AW-PJT,ABS,NTR
AW-SEM,GALVALUME,T0.3
STS304,PI7.8,OD1.0,FD
AW-SEM,FOAM-PS
AW-SEM,FOAM-PS
AW-SEM,FOAM-PS
AW-SEM,FOAM-PS
A-TOP,NBR,ID6.5,OD42,BLACK,BLDC,H20
A-TOP,NBR,ID6.5,OD42,BLACK,BLDC,H20
AW-SEM,PP,NATURAL
AW-SEM,PP,COOL WHITE
SILICON,WHITE
AW-PJT,ABS
AW-PJT,GALVALUME,T0.3
502AT,AW-PJT,-40~110℃,5V,F DEF Sensor
AW-SEM
AW-SEM,ABS,COOL WHITE
AW-SEM,SBHG1,T0.4
E26,250V,660W,TE5006F
BT-121-M,PW-5M1N,10/5A,100㏁
AW-SEM,PC,NATURAL
120V,500mA,60W,47x84mm
AW-SEM,SECC1,T2.0,COOL WHITE
AW-SEM,SECC1,T2.0,COOL WHITE
AW-SEM,HIPS,COOL WHITE
AW-SEM
TH,+,B,M4,L8,ZPC(WHT),SWRCH18A,HD6.5,HT2
AW,PP,INSERT
AW-SEM,SECC1,WHITE
AW-SEM,SECC1,WHITE
AW-SEM
TH,+,M4,L12,ZPC(WHT),SWRCH18A
756*343,T3.2,1° PRINT
AW-SEM,TALC PP,COOL WHITE
AW-SEM,SHP1,T2.0,BLACK
■■Parts List of Refrigerator
QQUUAANN
TTIITTYY
1
4
1
1
1
1
1
1
1
1
1
3
4
1
1
1
1
1
1
1
1
1
1
2
1
1
1
1
1
1
1
1
1
1
1
2
1
1
2
2
1
1
4
6
1
1
1
1
4
1
2
1
SSGGEECC CCOODDEE
DA96-00461A
same as SEM
same as SEM
same as SEM
same as SEM
DA59-00357B
DA61-03683A
DA61-04148A
same as SEM
DA63-02902B
DA97-06197A
same as SEM
same as SEM
DA31-00124A
DA31-00146C
same as SEM
DA61-03181A
same as SEM
DA61-03186A
same as SEM
DA62-01760A
DA62-01382A
DA62-01383A
DA62-01423A
same as SEM
same as SEM
DA63-01809A
DA63-04139A
same as SEM
same as SEM
DA61-03599A
same as SEM
DA97-04842E
DA61-03163A
DA61-03169A
same as SEM
same as SEM
DA63-03773A
same as SEM
DA61-03180A
DA61-03179A
DA67-01688A
DA97-04850A
same as SEM
same as SEM
DA67-01608A
DA67-01609A
DA97-05382A
same as SEM
same as SEM
DA61-03166A
DA61-03173A
AW-SEM Transform(RF267,2#3957D8 2009.8.20 4:55 PM 페 이 지 8 8 i n

89
EXPLODED VIEW& PARTS LIST
NNOO
11-5
11-6
11-7
11-8
12
12-1
12-2
13
13-1
13-2
14
14-1
14-2
14-3
14-4
15
15-1
15-2
15-3
15-4
16
17
17-1
17-2
17-3
17-4
18
18-1
18-2
18-3
19
20
21
22
22-1
22-2
22-3
23
23-1
23-2
23-3
24
24-1
24-2
24-3
24-4
25
26
27
28
29
29-1
QQUUAANN
TTIITTYY
1
2
2
2
1
1
1
1
1
1
1
1
1
2
2
1
1
1
2
2
1
1
2
1
1
1
1
1
1
1
1
1
1
1
2
1
1
1
1
1
2
1
1
1
1
1
1
1
1
1
1
1
CCOODDEE--NNOO
DA63-04609A
DA64-00817A
DA66-00638A
DA61-04804A
DA97-07006A
DA61-04802A
DA61-04804A
DA97-07007A
DA61-04803A
DA61-04804A
DA97-07009A
DA61-04798A
DA63-04610A
DA61-04804A
DA61-04805A
DA97-07018A
DA61-04807A
DA63-04613A
DA61-04804A
DA61-04805A
DA97-07021A
DA97-07129B
6002-000213
DA63-04674A
DA63-04677A
DA97-07150B
DA97-06995A
DA63-04587A
DA64-02734A
DA73-00230A
DA61-04756A
DA66-00626A
DA34-00011A
DA97-07020A
DA63-40167A
DA63-04614A
DA63-04615A
DA97-07015A
DA61-04822A
DA67-02139A
DA64-02740A
DA97-07189A
DA31-00071C
DA32-00006R
DA62-02057A
DA63-04655A
DA61-04795A
DA63-04150B
DA97-06317A
DA61-04794A
DA97-07016A
DA61-03176A
RREEMMAARRKKPPAARRTT NNAAMMEE
COVER-VEG REF
KNOB-HUMIDITY
LEVER-HUMIDITY
ROLLER-FRE
ASSY RAIL-VEG L
RAIL-VEG L
ROLLER-FRE
ASSY RAIL-VEG R
RAIL-VEG R
ROLLER-FRE
ASSY CASE-VEG REF
CASE-VEG REF
COVER-VEG FRONT
ROLLER-FRE
FIXER-ROLLER
ASSY CASE-VEG REF R
CASE-VEG REF R
COVER-VEG FRONT R
ROLLER-FRE
FIXER-ROLLER
ASSY PARTITION-VEG
ASSY COVER T/WATER
SCREW-TAPPING
COVER-HEATER WATER TANK
COVER-WATER TANK
ASSY TANK WATER
ASSY COVER-DISPENSER
COVER-DISPENSER
BUTTON-COVER DISPENSER
RUBBER-COVER-DISPENSER
FIXER-WATER HOSE
LEVER-CASE DISPENSER
SWITCH-MICRO
ASSY COVER-SLIDE PANTRY
GROMMET-COVER CHIL
COVER-SLIDE PANTRY A
COVER-SLIDE PANTRY B
ASSY SHELF-PANTRY
REINF-SHELF PANTRY
SHELF-PANTRY
WINDOW-SHELF PANTRY
ASSY COVER-MOTOR DAMPER
MOTOR DC-MOTOR-DAMPER
SENSOR TEMP-PANTRY
INSULATION-MOTOR DC DAMPER
COVER-MOTOR DC DAMPER
GUIDE-FRENCH
COVER-FILTER
ASSY CASE-FILTER
GUIDE-PANTRY
ASSY COVER-RAIL PANTRY L
SUPPORT-ROLLER PANTRY
SSPPEECC
AW-SEM,HIPS,COOL WHITE
QUEEN,ABS
AW-SEM,TALC PP,COOL WHITE
AW-SEM,POM,NATURAL
AW-SEM
AW-SEM,TALC PP,COOL WHITE
AW-SEM,POM,NATURAL
AW-SEM
AW-SEM,TALC PP,COOL WHITE
AW-SEM,POM,NATURAL
AW-SEM
AW-SEM,SAN,NATURAL
AW-SEM,HIPS,COOL WHITE
AW-SEM,POM,NATURAL
AW-SEM,NY-66,NATURAL
AW-SEM
AW-SEM,SAN,NATURAL
AW-SEM,HIPS,COOL WHITE
AW-SEM,POM,NATURAL
AW-SEM,NY-66,NATURAL
AW-SEM
AW-PJT
TH,+,M4,L12,ZPC(WHT),SWRCH18A
AW-PJT,PP,NATURAL
AW-PJT,PP,COOL WHITE
AW-PJT
AW-SEM
AW-SEM,ABS,COOL WHITE
AW-SEM,PP,COOL WHITE
AW-PJT,SILICON,40±5° ,GRAY
AW,PP,COOL WHITE
AW-SEM,POM,NTR
VP533A-OF-5,MICRO,250V,15A,PBT,GP1006F
AW-SEM
SILICON,WHITE
AW-SEM(SAMSUNG),GPPS,NATURAL
AW-SEM(SAMSUNG),ABS,COOL WHITE
AW-SEM
AW-SEM,SECC1,T1.0,BLACK
AW-SEM,HIPS,COOL WHITE
AW-SEM,GPPS,NATURAL
AW-SEM
DC 12V,MAX 600mA
PX-41C, 502AT,AW-PJT,-40~110℃,5V
AW-SEM,FOAM-PS
AW-SEM,PP,COOL WHITE
AW-SEM,PC-ABS,COOL WHITE
AW-SEM,HIPS,COOL WHITE
AW-PJT
AW-SEM,TALC PP,COOL WHITE
AW-PJT
AW-PJT,NBR,PVC
■■Parts List of Refrigerator
SSGGEECC CCOODDEE
DA63-03761A
same as SEM
DA66-00438A
DA66-10104A
DA97-04839A
DA61-03172A
DA66-10104A
DA97-04840A
DA61-03177A
DA66-10104A
DA97-04846A
DA61-03165A
DA63-03426A
DA66-10104A
DA71-20145A
DA97-05381A
DA61-03652A
DA63-03760A
DA66-10104A
DA71-20145A
DA97-05465A
same as SEM
same as SEM
same as SEM
same as SEM
same as SEM
DA97-04952B
DA63-03516B
DA64-02113A
same as SEM
DA61-03327A
DA66-00451A
same as SEM
DA97-05383C
same as SEM
DA63-03764A
DA63-03765A
DA97-05370A
DA61-03174A
DA67-01781A
DA64-02235A
DA97-06324A
same as SEM
same as SEM
DA62-01380A
DA63-04274A
DA61-03202A
DA63-04150A
same as SEM
DA61-03167A
DA97-05371B
same as SEM
AW-SEM Transform(RF267,2#3957D8 2009.8.20 4:55 PM 페 이 지 8 9 i n

90
EXPLODED VIEW& PARTS LIST
NNOO
29-2
29-3
30
30-1
30-2
30-3
30-4
30-5
30-6
31
31-1
31-2
31-3
31-4
31-5
31-6
32
QQUUAANN
TTIITTYY
1
1
1
6
1
2
1
1
1
1
1
1
1
1
1
1
1
CCOODDEE--NNOO
DA63-04611A
DA97-05932A
DA97-07011A
6002-000213
DA61-04806A
DA97-05931A
DA97-07013A
DA97-07001A
DA66-00637A
DA97-07017A
6002-000630
DA41-00423C
DA64-02246C
DA61-03176A
DA63-04612A
DA97-05932A
DA29-00003B
RREEMMAARRKKPPAARRTT NNAAMMEE
COVER-RAIL PANTRY L
ASSY-ROLLER A
ASSY CASE-PANTRY
SCREW-TAPPING
CASE-PANTRY
ASSY-ROLLER B
ASSY RAIL-PANTRY L
ASSY RAIL-PANTRY R
ROLLER-PANTRY
ASSY COVER-RAIL PANTRY R
SCREW-TAPPING
PBA PANEL-PANTRY
INLAY-CONTROL PANEL
SUPPORT-ROLLER PANTRY
COVER-RAIL PANTRY R
ASSY-ROLLER A
FILTER WATER-ASSY
SSPPEECC
AW-SEM,HIPS,COOL WHITE
AW2-PJT, 24mm
AW-SEM
TH,+,M4,L12,ZPC(WHT),SWRCH18A
AW-SEM,HIPS,COOL WHITE
AW2-PJT, 17mm
AW-SEM
AW-SEM
AW-PJT,POM,NATURAL
AW-SEM
PH,+,2S,M3,L8,ZPC(WHT),SWRCH18A
AW-PJT,PANTRY ROOM BLUE WIN,12V
AW-PJT
AW-PJT,NBR,PVC
AW-SEM,HIPS,COOL WHITE
AW2-PJT, 24mm
A-TOP,86*86*167,NSF53
■■Parts List of Refrigerator
SSGGEECC CCOODDEE
DA63-03762A
same as SEM
DA97-04847D
same as SEM
DA61-03164A
same as SEM
DA97-04837A
DA97-04838A
DA66-00580A
DA97-05384C
same as SEM
same as SEM
same as SEM
same as SEM
DA63-03763A
same as SEM
same as SEM
AW-SEM Transform(RF267,2#3957D8 2009.8.20 4:55 PM 페 이 지 9 0 i n

91
EXPLODED VIEW& PARTS LIST
5-3) Cabinet
38
4-5
4-6
40
27-1
27-2
27-4
27-3
27
23
18
39
37
AW-SEM Transform(RF267,2#3957D8 2009.8.20 4:55 PM 페 이 지 9 1 i n

92
EXPLODED VIEW& PARTS LIST
NNOO
1
1
1
1
1
1
2
2-1
2-2
2-3
2-4
2-5
2-6
2-7
2-8
2-9
2
2-1
2-2
2-3
2-4
2-5
2-6
2-7
2-8
2-9
2
2-1
2-2
2-3
2-4
2-5
2-6
2-7
2-8
2-9
3
3
3
4
4-1
4-2
4-3
4-4
4-5
4
4-1
4-2
4-3
4-4
4-5
4
QQUUAANN
TTIITTYY
1
1
1
1
1
1
1
3
2
2
1
1
1
1
1
1
1
3
2
2
1
1
1
1
1
1
1
3
2
2
1
1
1
1
1
1
1
1
1
1
1
1
1
1
1
1
1
1
1
1
1
1
CCOODDEE--NNOO
DA90-05502A
DA90-05502B
DA90-05502C
DA90-05501A
DA90-05501B
DA90-05501C
DA97-07049K
6002-000630
6002-001122
DA34-00043B
DA41-00412H
DA61-04793A
DA61-04783A
DA64-02736A
DA64-02738A
DA64-02076E
DA97-07049L
6002-000630
6002-001122
DA34-00043B
DA41-00412H
DA61-04793A
DA61-04783A
DA64-02736B
DA64-02738A
DA64-02076E
DA97-07049M
6002-000630
6002-001122
DA34-00043B
DA41-00412H
DA61-04793A
DA61-04783A
DA64-02736C
DA64-02738A
DA64-02076E
DA67-02131A
DA67-02131B
DA67-02131C
DA97-06998A
DA60-00162A
DA61-04771A
DA61-03301A
DA97-07026A
DA63-03673A
DA97-06998B
DA60-00162A
DA61-04771A
DA61-03301A
DA97-07026B
DA63-03673A
DA97-06998C
RREEMMAARRKKPPAARRTT NNAAMMEE
ASSY CABINET FORM
ASSY CABINET FORM
ASSY CABINET FORM
ASSY CABINET FORM
ASSY CABINET FORM
ASSY CABINET FORM
ASSY-TOP TABLE
SCREW-TAPPING
SCREW-TAPPING
SWITCH REED-ASS'Y
PBA PANEL
CASE-PBA DISPLAY
PLATE-TOP TABLE
TOP TABLE
BUTTON-CONTROL
INLAY-DISPLAY
ASSY-TOP TABLE
SCREW-TAPPING
SCREW-TAPPING
SWITCH REED-ASS'Y
PBA PANEL
CASE-PBA DISPLAY
PLATE-TOP TABLE
TOP TABLE
BUTTON-CONTROL
INLAY-DISPLAY
ASSY-TOP TABLE
SCREW-TAPPING
SCREW-TAPPING
SWITCH REED-ASS'Y
PBA PANEL
CASE-PBA DISPLAY
PLATE-TOP TABLE
TOP TABLE
BUTTON-CONTROL
INLAY-DISPLAY
CAP-TOP TABLE
CAP-TOP TABLE
CAP-TOP TABLE
ASSY HINGE UPP-L
FASTENER-RING
HINGE-UPP L
SPRING ETC-AUTO CLOSE
ASSY LEVER-AUTO CLOSE
GROMMET-LEVER
ASSY HINGE UPP-L
FASTENER-RING
HINGE-UPP L
SPRING ETC-AUTO CLOSE
ASSY LEVER-AUTO CLOSE
GROMMET-LEVER
ASSY HINGE UPP-L
SSPPEECC
AW-SEM(INVERTER),RF266,REAL STAINLESS,PLATINUM INOX
AW-SEM(INVERTER),RF266,BLACK
AW-SEM(INVERTER),RF266,SNOW WHITE
AW-SEM(INVERTER),RF265,REAL STAINLESS,PLATINUM INOX
AW-SEM(INVERTER),RF265,BLACK
AW-SEM(INVERTER),RF265,SNOW WHITE
AW-SEM(265,266)- Inverter,CREAMY-STS
PH,+,2S,M3,L8,ZPC(WHT),SWRCH18A
FH,+,M4,L14,ZPC(WHT),SWRCH18A
200VDC,0.5A,MDCG-4 type
AW INVERTER(℉)BLUE LED,(℉),12V, 5V,60Hz,N
AW-SEM,ABS,COOL WHITE
AW-SEM(265),SBHG1,T0.3
AW-SEM(265),ABS,CREAMY-STS
AW-SEM,GPPS,NTR,GPPS (HF-2660S)
AW-PJT,PC,0.25,28,300
AW-SEM(265,266)- Inverter,i-BLACK
PH,+,2S,M3,L8,ZPC(WHT),SWRCH18A
FH,+,M4,L14,ZPC(WHT),SWRCH18A
200VDC,0.5A,MDCG-4 type
300*24.5*1.6T,BLUE LED,12V, 5V,60Hz
AW-SEM,ABS,COOL WHITE
AW-SEM(265),SBHG1,T0.3
AW-SEM(265),ABS,i-BLACK
AW-SEM,GPPS,NTR,GPPS (HF-2660S)
AW-PJT,PC,0.25,28,300
AW-SEM(265.266)- Inverter,Snow-White
PH,+,2S,M3,L8,ZPC(WHT),SWRCH18A
FH,+,M4,L14,ZPC(WHT),SWRCH18A
200VDC,0.5A,MDCG-4 type
300*24.5*1.6T,BLUE LED,12V, 5V,60Hz
AW-SEM,ABS,COOL WHITE
AW-SEM(265),SBHG1,T0.3
AW-SEM(265),ABS,SNOW WHITE
AW-SEM,GPPS,NTR,GPPS (HF-2660S)
AW-PJT,PC,0.25,28,300
AW-SEM,ABS,CREAMY STS
AW-SEM,ABS,BLACK
AW-SEM,ABS,WHITE
AW-SEM,CREAMY STS
AW-PJT,STS304,ID5,T0.5,OD11,BLACK
AW-SEM,SHP1,T2.9,BLACK,ELECTRODEPOSITON
AW-PJT,STS604,1.4,9.2,12,-,24,
AW-SEM,CREAMY STS(SC-07009R)
AW-PJT,NBR,BLACK
AW-SEM,BLACK
AW-PJT,STS304,ID5,T0.5,OD11,BLACK
AW-SEM,SHP1,T2.9,BLACK,ELECTRODEPOSITON
AW-PJT,STS604,1.4,9.2,12,-,24,
AW-SEM,I-BLACK(SC-00477R)
AW-PJT,NBR,BLACK
AW-SEM,WHITE
■■Parts List of Cabinet
SSGGEECC CCOODDEE
DA90-03646V
DA90-03646V
DA90-03646V
DA90-03646Q
DA90-03646Q
DA90-03646Q
DA97-04901M
same as SEM
same as SEM
same as SEM
same as SEM
DA61-03194B
DA61-04052A
DA64-02066B
same as SEM
same as SEM
DA97-04901M
same as SEM
same as SEM
same as SEM
same as SEM
DA61-03194B
DA61-04052A
DA64-02066B
same as SEM
same as SEM
DA97-04901M
same as SEM
same as SEM
same as SEM
same as SEM
DA61-03194B
DA61-04052A
DA64-02066B
same as SEM
same as SEM
DA67-01613B
DA67-01613B
DA67-01613B
DA97-04874B
same as SEM
DA61-03239A
same as SEM
DA97-04903B
same as SEM
DA97-04874B
same as SEM
DA61-03239A
same as SEM
DA97-04903B
same as SEM
DA97-04874B
AW-SEM Transform(RF267,2#3957D8 2009.8.20 4:55 PM 페 이 지 9 2 i n

93
EXPLODED VIEW& PARTS LIST
NNOO
4-1
4-2
4-3
4-4
4-5
5
5-1
5-2
5-3
5-4
5-5
5
5-1
5-2
5-3
5-4
5-5
5
5-1
5-2
5-3
5-4
5-5
6
7
8
9
10
11
11-1
11-2
12
12
12
13
13-1
13-2
13-3
14
14-1
14-2
14-3
14-4
14-5
14-5-1
14-5-2
14-5-3
14-5-4
14-5-5
14-5-6
14-5-7
14-6
QQUUAANN
TTIITTYY
1
1
1
1
1
1
1
1
1
1
1
1
1
1
1
1
1
1
1
1
1
1
1
2
1
1
2
2
2
2
2
1
1
1
1
2
2
1
1
4
1
2
2
1
2
1
1
1
2
1
1
1
CCOODDEE--NNOO
DA60-00162A
DA61-04771A
DA61-03301A
DA97-07026C
DA63-03673A
DA97-07002A
DA60-00162A
DA61-04774A
DA61-03301A
DA97-07026A
DA63-03673A
DA97-07002B
DA60-00162A
DA61-04774A
DA61-03301A
DA97-07026B
DA63-03673A
DA97-07002C
DA60-00162A
DA61-04774A
DA61-03301A
DA97-07026C
DA63-03673A
DA63-04599A
DA97-06572A
DA97-06573A
DA61-04702A
DA61-01920A
DA97-06977A
DA61-04721A
DA61-03217A
DA63-05079A
DA63-05079B
DA63-05079C
DA97-06969A
DA66-00649A
DA61-04703A
DA64-02735A
DA97-07825A
6009-001252
DA63-05078A
DA63-40128A
DA63-40171B
DA97-07824A
6003-000003
DA31-00146B
DA61-05343A
DA61-04764A
DA63-01146A
DA63-40167A
DA96-00042A
DA97-06988A
RREEMMAARRKKPPAARRTT NNAAMMEE
FASTENER-RING
HINGE-UPP L
SPRING ETC-AUTO CLOSE
ASSY LEVER-AUTO CLOSE
GROMMET-LEVER
ASSY HINGE UPP-R
FASTENER-RING
HINGE-UPP R
SPRING ETC-AUTO CLOSE
ASSY LEVER-AUTO CLOSE
GROMMET-LEVER
ASSY HINGE UPP-R
FASTENER-RING
HINGE-UPP R
SPRING ETC-AUTO CLOSE
ASSY LEVER-AUTO CLOSE
GROMMET-LEVER
ASSY HINGE UPP-R
FASTENER-RING
HINGE-UPP R
SPRING ETC-AUTO CLOSE
ASSY LEVER-AUTO CLOSE
GROMMET-LEVER
GROMMET HINGE-MID R
ASSY HINGE MID-L
ASSY HINGE MID-R
CASTER-FRONT
CASTER-RIVET
ASSY SUPPORT-FOOT FRONT
FOOT-FRONT
SUPPORT-FOOT FRONT
COVER-LEG FRONT
COVER-LEG FRONT
COVER-LEG FRONT
ASSY CHASSIS-COMP
SHAFT-CASTER
CASTER-REAR
CHASSIS COMP
ASSY TRAY DRAIN WATER
SCREW-SPECIAL
TRAY DRAIN-WATER
GROMMET-SUB COND
GROMMET-SUCT PIPE A
ASSY SUPPORT-CIRCUIT MOTOR
SCREW-TAPPING
MOTOR BLDC
SUPPORT-CIRCUIT MOTOR
BRACKET-CIRCUIT MOTOR
GROMMET-MOTOR,REAR
GROMMET-COVER CHIL
ASSY-HARNESS MOTOR
ASSY PIPE-SPIRAL COND
SSPPEECC
AW-PJT,STS304,ID5,T0.5,OD11,BLACK
AW-SEM,SHP1,T2.9,BLACK,ELECTRODEPOSITON
AW-PJT,STS604,1.4,9.2,12,-,24,
AW-SEM,SNOW WHITE
AW-PJT,NBR,BLACK
AW-SEM(BEST),T2.9,CREAMY STS(SC-07009R)
AW-PJT,STS304,ID5,T0.5,OD11,BLACK
AW-SEM,SHP1,T2.9,BLACK,ELECTRODEPOSITON
AW-PJT,HSWR,1.4,9.2,12,17 3/4
AW-SEM,CREAMY STS(SC-07009R)
NBR,BLACK
AW-SEM(BEST),T2.9,I-BLACK(SC-00477R)
AW-PJT,STS304,ID5,T0.5,OD11,BLACK
AW-SEM,SHP1,T2.9,BLACK,ELECTRODEPOSITON
AW-PJT,HSWR,1.4,9.2,12,17 3/4
AW-SEM,I-BLACK(SC-00477R)
NBR,BLACK
AW-SEM(BEST),T2.9,SNOW WHITE
AW-PJT,STS304,ID5,T0.5,OD11,BLACK
AW-SEM,SHP1,T2.9,BLACK,ELECTRODEPOSITON
AW-PJT,HSWR,1.4,9.2,12,17 3/4
AW-SEM,SNOW WHITE
NBR,BLACK
AW-SEM,POM,WHITE
AW-PJT,T4.5,Ni-Cr Plated
AW-PJT,T4.5,Ni-Cr Plated
AW-PJT,NTR,PP+TPE
ZPC2,MSWR10,OD8.0,L54
AW-PJT
AW-PJT,PP,NTR
AW-PJT,SHP1,T4.0,BLACK
AW-SEM(INVERTER),PP,Creamy STS,DA63-03434A
AW-SEM(INVERTER),PP,I-BLACK(SC-00477R)
AW-SEM(INVERTER),PP,SNOW WHITE
AW-PJT
AW-PJT,MSWR10,L46,OD8.2,ZPC2
AW-PJT,PP,NTR,PP+TPE
AW-PJT,SGHC,T1.4
AW-SEM
PH,+,M4.0,L20(12),ZPC(WHT),SWRCH18A,TAPP 1
AW-SEM,PP,NATURAL
NBR,DARK-GRAY
NBR,OD20,ID4,L20,Brow
AW-SEM
BH,+,B,M4,L10,ZPC(BLK),SWRCH18A
DRCP5030LA,1560,DC12V,230mA,2.7W
AW-SEM,ABS,NATURAL
AW-SEM,ABS,NATURAL
A-TOP,NBR,ID6.5,OD42,BLK,BLDC
SILICON,WHITE
A-TOP, UL(MOTOR),C-FAN,350MM
AW-SEM
■■Parts List of Cabinet
SSGGEECC CCOODDEE
same as SEM
DA61-03239A
same as SEM
DA97-04903B
same as SEM
DA97-04875B
same as SEM
DA61-03240A
same as SEM
DA97-04903B
same as SEM
DA97-04875B
same as SEM
DA61-03240A
same as SEM
DA97-04903B
same as SEM
DA97-04875B
same as SEM
DA61-03240A
same as SEM
DA97-04903B
same as SEM
DA63-02905A
same as SEM
same as SEM
DA61-40115B
DA60-90124A
DA97-05016A
DA61-00805C
same as SEM
DA63-03434B
DA63-03434B
DA63-03434B
DA97-02064B
DA60-90146A
DA61-40126B
DA64-01170A
DA97-05043B
same as SEM
DA63-03450A
same as SEM
same as SEM
DA97-03145K
same as SEM
same as SEM
DA61-02349B
DA61-02355B
same as SEM
same as SEM
same as SEM
DA97-05093A
AW-SEM Transform(RF267,2#3957D8 2009.8.20 4:55 PM 페 이 지 9 3 i n

94
EXPLODED VIEW& PARTS LIST
NNOO
15
15-1
15-2
16
17
18
19
20
21
22
23
24
25
26
27
28
27-1
27-2
27-3
27-4
29
29-1
29-2
30
31
32
33
33
34
35
36
37
38
39
QQUUAANNTTIITTYY
1
1
1
4
1
1
1
2
1
1
1
1
2
1
1
DA97-05147A
same as SEM
same as SEM
DA63-02907C
same as SEM
1
1
1
1
1
1
1
1
1
1
1
1
1
4
CCOODDEE--NNOO
DA96-00504A
DA31-00228A
DA61-20128A
DA63-02617A
BK190CL2C/E02
DA39-00154D
DA63-40171B
DA63-40171D
DA62-01514A
DA61-04945A
DA97-07957A
DA61-04713A
DA97-06970A
DA62-01477A
DA39-20389S
DA97-07854A
6002-000217
DA27-00019D
DA63-05081A
DA39-10165E
DA97-00209H
DA63-02928A
DA73-00134B
DA97-06990A
DA97-06987A
DA97-07852A
DA41-00651A
DA41-00651B
DA41-00404E
DA61-04712A
DA63-04579A
DA62-00914B
DA34-00004D
DA63-04553A
RREEMMAARRKKPPAARRTT NNAAMMEE
ASSY FAN-CIRCUIT
FAN-TURBO
SPRING ETC-FAN
GROMMET COMP
COMPRESSOR
WIRE HARNESS-COMP
GROMMET-SUCT PIPE A
GROMMET-SUCT PIPE B
DRYER
CLIP-DRYER
ASSY PIPE CONNECT-SUCTION
FIXER-HOSE(VALVE)
ASSY CAP-DRAIN
VALVE WATER-ONE WAY FITTING
WIRE HARNESS-EARTH
ASSY COVER-NOISE FILTER
SCREW-TAPPING
COIL FILTER-EMI
COVER-NOISE FILTER
CBF-POWER CORD
ASSY PIPE-WATER
GROMMET-WATER PIPE FILL,IN
PIPE-WATER FRE ASSY
ASSY COVER-PIPE WATER REAR
ASSY COVER COMP
ASSY COVER-PCB PANEL
PBA MAIN
PBA MAIN
PBA SUB-PBA INVERTER
FIXER-HOSE
COVER-TUBE FILTER
VALVE WATER-FITTING
RELAY PROTECTOR O/L
COVER RELAY
SSPPEECC
AW-SEM
AW-SEM,ABS+GLASSFIBER
STS304,PI7.8,OD1.0
USP05,EPDM,OD18.5,BLACK
115V~60HZ,BLDC,FAN,BK-II
PVC TUBE,YLP-06V,360, 300,KS IEC 30/0.18
NBR,OD20,ID4,L20,Brown
RAIL L19.5,NR,OD20,ID6,Brown
C1220T,OD18.70,L114
AW-PJT,SBHG1,T0.4
AW-SEM,Inverter,DA97-00918A
AW-SEM,PP,NATURAL
AW-PJT
265
GREEN/YEL,UL 1015 AWG18
AW-SEM(INVERTER)
TH,+,M4,L8,ZPC(WHT),SWRCH18A
FA2107L-B,5mH,+50%,-30%,10A,38*50,CAN TYPE
AW-SEM,PP,NON-FLAMMABLE
ET-PJT,SVT-3,SVT-3,125V,15A,L=2300,BLACK,UL
ET-PJT,115V
NEXT,SILICON,NTR,FINAL
W2-05,ASSY,L295
AW-SEM
AW-SEM
AW-SEM,INVERTER
266, INVERTER
265, INVERTER
INVERTER BOARD
AW,PP
AW-SEM,PP
266
2000-S501,4TM435RFBYY,ST16.5A,UT4.28A
NORYL,T2.0,SSEC,BLACK,HOOK, E-PTC
■■Parts List of Cabinet
SSGGEECC CCOODDEE
DA31-00010D
DA31-00015C
same as SEM
same as SEM
MK172DR2U/E09
same as SEM
same as SEM
same as SEM
same as SEM
DA61-02657A
DA97-06085A
DA61-02434A
DA97-04049A
same as SEM
same as SEM
same as SEM
same as SEM
same as SEM
DA97-05029B
DA97-06321A
DA97-05031B
same as SEM
same as SEM
same as SEM
DA61-03467A
DA63-00586B
same as SEM
same as SEM
same as SEM
COMP ACCESARY
COMP ACCESARY
AW-SEM Transform(RF267,2#3957D8 2009.8.20 4:55 PM 페 이 지 9 4 i n

95
EXPLODED VIEW& PARTS LIST
5-4) Disassembly of Freeze Door
8-1
8-2
7-1
7-2
AW-SEM Transform(RF267,2#3957D8 2009.8.20 4:56 PM 페 이 지 9 5 i n

96
EXPLODED VIEW& PARTS LIST
NNOO
1
1-1
1-2
1
1-1
1-2
1
1-1
1-2
1
1-1
1-2
2
2
3
4
5
6
6-1
6-2
6-3
6-4
6-5
6
6-1
6-2
6-3
6-4
6-5
6
6-1
6-2
6-3
6-4
6-5
6
6-1
6-2
6-3
6-4
6-5
7
7-1
7-2
8
8-1
8-2
9
9-1
9-2
10
11
QQUUAANN
TTIITTYY
1
1
1
1
1
1
1
1
1
1
1
1
1
1
1
1
2
1
1
1
1
2
4
1
1
1
1
2
4
1
1
1
1
2
4
1
1
1
1
2
4
1
1
1
1
1
1
1
1
1
2
2
CCOODDEE--NNOO
DA91-02826A
DA67-02143A
DA67-02142A
DA91-02826B
DA67-02143A
DA67-02142A
DA91-02826C
DA67-02143B
DA67-02142B
DA91-02826D
DA67-02143C
DA67-02142C
DA97-07192A
DA97-07192B
DA61-04840A
DA61-04841A
DA61-04836A
DA97-06429F
DA64-02527F
DA67-02060B
DA67-02061B
DA66-00579A
6002-000213
DA97-06429H
DA64-02527H
DA67-02060B
DA67-02061B
DA66-00579A
6002-000213
DA97-06429E
DA64-02527E
DA67-02060A
DA67-02061A
DA66-00579A
6002-000213
DA97-06429G
DA64-02527G
DA67-02060C
DA67-02061C
DA66-00579A
6002-000213
DA97-07036A
DA61-04828A
DA63-40167A
DA97-07035A
DA61-04828A
DA63-40167A
DA97-07031A
DA63-04628A
DA63-04627A
DA61-04837A
DA61-04838A
RREEMMAARRKKPPAARRTT NNAAMMEE
ASSY DOOR FOAM FRE
CAP DOOR-FRE SUB L
CAP DOOR-FRE SUB R
ASSY DOOR FOAM FRE
CAP DOOR-FRE SUB L
CAP DOOR-FRE SUB R
ASSY DOOR FOAM FRE
CAP DOOR-FRE SUB L
CAP DOOR-FRE SUB R
ASSY DOOR FOAM FRE
CAP DOOR-FRE SUB L
CAP DOOR-FRE SUB R
ASSY-GASKET DOOR FRE
ASSY-GASKET DOOR FRE
HANGER-RAIL FRONT L
HANGER-RAIL FRONT R
SUPPORT-DOOR POSITION IN
ASSY HANDLE-BAR FRE
HANDLE-BAR FRE
CAP-HANDLE FRE L
CAP-HANDLE FRE R
SHAFT-CAP HANDLE
SCREW-TAPPING
ASSY HANDLE-BAR FRE
HANDLE-BAR FRE
CAP-HANDLE FRE L
CAP-HANDLE FRE R
SHAFT-CAP HANDLE
SCREW-TAPPING
ASSY HANDLE-BAR FRE
HANDLE-BAR FRE
CAP-HANDLE FRE L
CAP-HANDLE FRE R
SHAFT-CAP HANDLE
SCREW-TAPPING
ASSY HANDLE-BAR FRE
HANDLE-BAR FRE
CAP-HANDLE FRE L
CAP-HANDLE FRE R
SHAFT-CAP HANDLE
SCREW-TAPPING
ASSY SUPPORT-GUARD FRE L
SUPPORT-GUARD FRE L
GROMMET-COVER CHILL
ASSY SUPPORT-GUARD FRE R
SUPPORT-GUARD FRE R
GROMMET-COVER CHILL
ASSY GUARD FRE
GUARD-FRE
GUARD-FRE FLIP
FIXER-SHAFT HANDLE L
FIXER-SHAFT HANDLE R
SSPPEECC
AW-SEM,REAL STAINLESS
AW-PJT,ABS,CREAMY STS(SC-07009R)
AW-PJT,ABS,CREAMY STS(SC-07009R)
AW-SEM,PLATINUM INOX
AW-PJT,ABS,CREAMY STS(SC-07009R)
AW-PJT,ABS,CREAMY STS(SC-07009R)
AW-SEM,BLACK
AW-PJT,ABS,I-BLACK(SC-00477R)
AW-PJT,ABS,I-BLACK(SC-00477R)
AW-SEM,WHITE
AW-PJT,ABS,SNOW WHITE
AW-PJT,ABS,SNOW WHITE
AW-SEM,GRAY
AW-SEM,BLACK
AW-PJT,SECC1,COOL WHITE
AW-PJT,SECC1,COOL WHITE
AW-PJT,HIPS,NATURAL
AW-PJT,AL,NEW VERSAILLES-SILVER
AW-PJT,AL,724,Versailles-Silver
AW-PJT,PC-ABE,CREAMY-STS
AW-PJT,PC-ABE,CREAMY-STS
AW-PJT,MSWR10,108,5,ZPC3(Y)
TH,+,1,M4,L12,ZPC(WHT),SWRCH18A
AW-PJT,AL,724,Versailles-Silver(sanding)
AW-PJT,AL,724,Versailles-Silver(sanding)
AW-PJT,PC-ABE,CREAMY-STS
AW-PJT,PC-ABE,CREAMY-STS
AW-PJT,MSWR10,108,5,ZPC3(Y)
TH,+,1,M4,L12,ZPC(WHT),SWRCH18A
AW-PJT,AL,MATURE-BLACK
AW-PJT,AL,724,MATURE-BLACK
AW1-PJT,PC-ABS,I-BLACK
AW1-PJT,PC-ABS,I-BLACK
AW-PJT,MSWR10,108,5,ZPC3(Y)
TH,+,1,M4,L12,ZPC(WHT),SWRCH18A
AW-PJT,AL,SNOW-WHITE
AW-PJT,AL,SNOW-WHITE
AW-PJT,PC,SNOW WHITE
AW-PJT,PC,SNOW WHITE
AW-PJT,MSWR10,108,5,ZPC3(Y)
TH,+,1,M4,L12,ZPC(WHT),SWRCH18A
AW-SEM
AW-PJT,HIPS,COOL WHITE
SILICON,L16,WHITE
AW-SEM
AW-PJT,HIPS,COOL WHITE
SILICON,L16,WHITE
AW-SEM
AW-PJT,HIPS,COOL WHITE
AW-PJT,TALC PP,COOL WHITE
AW-PJT,POM,NATURAL
AW-PJT,POM,NATURAL
■■Parts List of Freezer Door
SSGGEECC CCOODDEE
DA91-02719E
DA67-02055B
DA67-02054B
DA91-02719E
DA67-02055B
DA67-02054B
DA91-02719E
DA67-02055B
DA67-02054B
DA91-02719E
DA67-02055B
DA67-02054B
DA97-05557B
DA97-05557B
DA61-03153B
DA61-03155B
DA61-02904B
same as SEM
same as SEM
same as SEM
same as SEM
same as SEM
same as SEM
same as SEM
same as SEM
same as SEM
same as SEM
same as SEM
same as SEM
same as SEM
same as SEM
same as SEM
same as SEM
same as SEM
same as SEM
same as SEM
same as SEM
same as SEM
same as SEM
same as SEM
same as SEM
NEW
DA61-03763A
same as SEM
NEW
DA61-03763A
same as SEM
DA97-04880A
DA63-03458A
DA63-03459A
DA61-04254A
DA61-04255A
AW-SEM Transform(RF267,2#3957D8 2009.8.20 4:56 PM 페 이 지 9 6 i n

97
EXPLODED VIEW& PARTS LIST
NNOO
12
12
12
13
13
13
14
14
14
15
QQUUAANN
TTIITTYY
2
1
1
1
1
1
1
1
1
2
CCOODDEE--NNOO
DA61-04839A
DA61-04839B
DA61-04839C
DA63-04640A
DA63-04640B
DA63-04640C
DA63-04641A
DA63-04641B
DA63-04641C
DA61-04335B
RREEMMAARRKKPPAARRTT NNAAMMEE
SLIDER-HANDLE FRE
SLIDER-HANDLE FRE
SLIDER-HANDLE FRE
COVER-HANDLE FRE L
COVER-HANDLE FRE L
COVER-HANDLE FRE L
COVER-HANDLE FRE R
COVER-HANDLE FRE R
COVER-HANDLE FRE R
SPRING ETC-EASY HANDLE
SSPPEECC
AW-SEM,POM,CREAMY STS(SC-07009R)
AW-SEM,POM,I-BLACK(SC-00477R)
AW-SEM,POM,NTR
AW-PJT,ABS,CREAMY STS(SC-07009R)
AW-PJT,ABS,I-BLACK(SC-00477R)
AW-PJT,ABS,SNOW WHITE
AW-PJT,ABS,CREAMY STS(SC-07009R)
AW-PJT,ABS,I-BLACK(SC-00477R)
AW-PJT,ABS,SNOW WHITE
AW-PJT,HSWR
■■Parts List of Freezer Door
SSGGEECC CCOODDEE
DA61-04258C
DA61-04258C
DA61-04258C
DA63-04247B
DA63-04247B
DA63-04247B
DA63-04248B
DA63-04248B
DA63-04248B
same as SEM
AW-SEM Transform(RF267,2#3957D8 2009.8.20 4:56 PM 페 이 지 9 7 i n

98
EXPLODED VIEW& PARTS LIST
5-5) Disassembly of Refrigerator DoorLeft
8
12
12-1
12-2
14
13
15
10
9-14
9-13
AW-SEM Transform(RF267,2#3957D8 2009.8.20 4:56 PM 페 이 지 9 8 i n

99
EXPLODED VIEW& PARTS LIST
NNOO
1
1
1
1
2
2
2
3
3
3
4
4
5
6
6-1
6-2
6-3
6-4
6
6-1
6-2
6-3
6-4
6
6-1
6-2
6-3
6-4
6
6-1
6-2
6-3
6-4
7
8
9
9-1
9-2
9-3
9-4
9-5
9-6
9-7
9-8
9-9
9-10
9-11
9-12
9-13
9-14
9
9-1
QQUUAANN
TTIITTYY
1
1
1
1
1
1
1
1
1
1
1
1
2
1
2
1
1
1
1
2
1
1
1
1
2
1
1
1
1
2
1
1
1
3
1
1
1
1
2
1
1
1
2
2
1
1
1
1
1
1
1
1
CCOODDEE--NNOO
DA91-02827A
DA91-02827B
DA91-02827C
DA91-02827D
DA61-02738F
DA61-02738E
DA61-02738A
DA66-00641A
DA66-00641B
DA66-00641C
DA97-07191A
DA97-07191B
DA61-04871A
DA97-04417J
6002-000215
DA64-01979E
DA67-01527F
DA67-01528F
DA97-04417K
6002-000215
DA64-01979B
DA67-01527F
DA67-01528F
DA97-04417N
6002-000215
DA64-01979A
DA67-01527E
DA67-01528E
DA97-04417D
6002-000215
DA64-01979D
DA67-01527D
DA67-01528D
DA63-04621A
DA63-04639A
DA97-07276A
DA47-00245C
DA61-04869A
DA61-04866A
DA61-04848A
DA62-02048A
DA63-04645A
DA63-03508B
DA67-02146A
DA67-02154A
DA81-01345A
DA81-01346A
6002-000213
DA67-02181A
6003-000333
DA97-07276B
DA47-00245C
RREEMMAARRKKPPAARRTT NNAAMMEE
ASSY DOOR FOAM REF L
ASSY DOOR FOAM REF L
ASSY DOOR FOAM REF L
ASSY DOOR FOAM REF L
MAGNET-ASSY
MAGNET-ASSY
MAGNET-ASS'Y
CAM-AUTO CLOSE L
CAM-AUTO CLOSE L
CAM-AUTO CLOSE L
ASSY-GASKET DOOR REF
ASSY-GASKET DOOR REF
FIXER-HANDLE
ASSY HANDLE-BAR(REF)
SCREW-TAPPING
HANDLE BAR
CAP-HANDLE UPP
CAP-HANDLE LOW
ASSY HANDLE-BAR(REF)
SCREW-TAPPING
HANDLE BAR
CAP-HANDLE UPP
CAP-HANDLE LOW
ASSY HANDLE-BAR
SCREW-TAPPING
HANDLE BAR
CAP-HANDLE UPP
CAP-HANDLE LOW
ASSY HANDLE-BAR
SCREW-TAPPING
HANDLE BAR
CAP-HANDLE UPP
CAP-HANDLE LOW
GUARD REF
TRAY-UTILITY
ASSY-FRENCH
HEATER CORD-FRENCH
PLATE-FRENCH
HINGE-FRENCH
CASE-FRENCH
INSULATION-FRENCH
COVER-HEATER FRENCH
GASKET-FRENCH
CAP-CASE FRENCH
CAP-CASE FRENCH MID
SPRING-ETC FRENCH
PIN-FRENCH SPRING
SCREW-TAPPING
CAP-GUIDE FRENCH UPP
SCREW-TAPTITE
ASSY-FRENCH
HEATER CORD-FRENCH
SSPPEECC
AW-SEM,REAL STAINLESS,RF266,265
AW-SEM,PLATINUM INOX,RF266,265
AW-SEM,BLACK,RF266,265
AW-SEM,WHITE,RF266,265
AW,ABS,5mm,7mm,18mm,CREAMY-STS
AW,ABS,5mm,7mm,18mm,I-BLACK
CORE-PJT,T5,W7,L18,WHITE
AW-PJT,NY-66,CREAMY STS
AW-PJT,NY-66,I-BLACK
AW-PJT,NY-66,SNOW WHITE
AW-SEM,GRAY
AW-SEM,BLACK
AW-PJT,NY-66,NATURAL
AW-PJT,VERSAILLES SILVER
TH,+,1,M4.0,L16,ZPC(WHT),SWRCH18A
A-TOP 06,AL(A6063),VERSAILLES SILVER,VERTICAL HAIR LINE
A-TOP06,ABS,NOBLE-GRAY,VERSAILLES SILVER
A-TOP06,ABS,NOBLE-GRAY,VERSAILLES SILVER
AW-PJT,PLATIUNEM STS
TH,+,1,M4.0,L16,ZPC(WHT),SWRCH18A
A-TOP06,AL(A6063),VERSAILLES SILVER
A-TOP06,ABS,NOBLE-GRAY,VERSAILLES SILVER
A-TOP06,ABS,NOBLE-GRAY,VERSAILLES SILVER
AW-PJT,MATURE BLACK
TH,+,1,M4.0,L16,ZPC(WHT),SWRCH18A
A-TOP 06,AL(A6063),BLACK,BLACK COATING
A-TOP06,ABS,I-BLACK(SC-00477R),MATURE-BLACK(SC-03106S)
A-TOP06,ABS,I-BLACK(SC-00477R),MATURE-BLACK(SC-03106S)
A-TOP06,AL(0603),L876,SNOW-WHITE
TH,+,1,M4.0,L16,ZPC(WHT),SWRCH18A
A-TOP06,AL(A6063),SNOW WHITE(SC-97527T)
A-TOP06,ABS,SNOW-WHITE(SC-97572R)
A-TOP06,ABS,SNOW-WHITE(SC-97572R)
AW-PJT,PP,COOL WHITE
AW-PJT,GPPS,NTR
AW-SEM,THAI SILVER
AW-PJT,P-CORD,8W,115V,1653ߟ,FRENCH
AW-PJT,SECC1,THAI SILVER
AW-PJT,PC,COOL WHITE
AW-PJT,ABS,COOL WHITE
AW-SEM,FOAM-PS
AW-PJT,PC,COOL WHITE
AW-PJT,SILICONE,W9.9,L41.1,GRAY
AW-PJT,ABS,COOL WHITE
AW-PJT,ABS,COOL WHITE
STS304,PI1.4
RD-PVC,WHITE
TH,+,1,M4,L12,ZPC(WHT),SWRCH18A
AW,POM,WHITE
RH,+,2S,M3,L10,ZPC(WHT),SWRCH18A
AW-SEM,BLACK
AW-PJT,P-CORD,8W,115V,1653ߟ,FRENCH
■■Parts List of Refrigerator Door-Left
SSGGEECC CCOODDEE
DA91-02460J
DA91-02460J
DA91-02460J
DA91-02460J
same as SEM
same as SEM
same as SEM
DA66-00442B
DA66-00442B
DA66-00442B
DA97-05253B
DA97-05253B
DA61-02984A
same as SEM
same as SEM
same as SEM
same as SEM
same as SEM
same as SEM
same as SEM
same as SEM
same as SEM
same as SEM
same as SEM
same as SEM
same as SEM
same as SEM
same as SEM
same as SEM
same as SEM
same as SEM
same as SEM
same as SEM
DA63-03467A
DA63-04396A
DA97-05021P
same as SEM
DA61-03207B
DA61-03230B
DA61-03234A
DA62-01387A
DA63-03454B
same as SEM
DA67-01650A
DA67-01701A
same as SEM
same as SEM
same as SEM
NEW
same as SEM
DA97-05021P
same as SEM
AW-SEM Transform(RF267,2#3957D8 2009.8.20 4:56 PM 페 이 지 9 9 i n

100
EXPLODED VIEW& PARTS LIST
NNOO
9-2
9-3
9-4
9-5
9-6
9-7
9-8
9-9
9-10
9-11
9-12
9-13
9-14
9
9-1
9-2
9-3
9-4
9-5
9-6
9-7
9-8
9-9
9-10
9-11
9-12
9-13
9-14
10
QQUUAANN
TTIITTYY
1
2
1
1
1
2
2
1
1
1
1
1
1
1
1
1
2
1
1
1
2
2
1
1
1
1
1
1
2
CCOODDEE--NNOO
DA61-04869B
DA61-04866A
DA61-04848A
DA62-02048A
DA63-04645A
DA63-03508A
DA67-02146A
DA67-02154A
DA81-01345A
DA81-01346A
6002-000213
DA67-02181A
6003-000333
DA97-07276C
DA47-00245C
DA61-04869C
DA61-04866A
DA61-04848A
DA62-02048A
DA63-04645A
DA63-03508C
DA67-02146A
DA67-02154A
DA81-01345A
DA81-01346A
6002-000213
DA67-02181A
6003-000333
DA67-02153A
RREEMMAARRKKPPAARRTT NNAAMMEE
PLATE-FRENCH
HINGE-FRENCH
CASE-FRENCH
INSULATION-FRENCH
COVER-HEATER FRENCH
GASKET-FRENCH
CAP-CASE FRENCH
CAP-CASE FRENCH MID
SPRING-ETC FRENCH
PIN-FRENCH SPRING
SCREW-TAPPING
CAP-GUIDE FRENCH UPP
SCREW-TAPTITE
ASSY-FRENCH
HEATER CORD-FRENCH
PLATE-FRENCH
HINGE-FRENCH
CASE-FRENCH
INSULATION-FRENCH
COVER-HEATER FRENCH
GASKET-FRENCH
CAP-CASE FRENCH
CAP-CASE FRENCH MID
SPRING-ETC FRENCH
PIN-FRENCH SPRING
SCREW-TAPPING
CAP-GUIDE FRENCH UPP
SCREW-TAPTITE
CAP-SCREW
SSPPEECC
AW-PJT,SECC1,ALL BLACK
AW-PJT,PC,COOL WHITE
AW-PJT,ABS,COOL WHITE
AW-SEM,FOAM-PS
AW-PJT,PC,COOL WHITE
AW-PJT,SILICONE,BLACK
AW-PJT,ABS,COOL WHITE
AW-PJT,ABS,COOL WHITE
STS304,PI1.4
RD-PVC,WHITE
TH,+,1,M4,L12,ZPC(WHT),SWRCH18A
AW,POM,WHITE
RH,+,2S,M3,L10,ZPC(WHT),SWRCH18A
AW-SEM,SNOW WHITE
AW-PJT,P-CORD,8W,115V,1653ߟ,FRENCH
AW-PJT,SECC1,SNOW WHITE
AW-PJT,PC,COOL WHITE
AW-PJT,ABS,COOL WHITE
AW-SEM,FOAM-PS
AW-PJT,PC,COOL WHITE
AW-PJT,SILICON,W9.9,L41.1,WHITE
AW-PJT,ABS,COOL WHITE
AW-PJT,ABS,COOL WHITE
STS304,PI1.4
RD-PVC,WHITE
TH,+,1,M4,L12,ZPC(WHT),SWRCH18A
AW,POM,WHITE
RH,+,2S,M3,L10,ZPC(WHT),SWRCH18A
AW-PJT,PP,SNOW WHITE
■■Parts List of Refrigerator Door-Left
SSGGEECC CCOODDEE
DA61-03207B
DA61-03230B
DA61-03234A
DA62-01387A
DA63-03454B
same as SEM
DA67-01650A
DA67-01701A
same as SEM
same as SEM
same as SEM
NEW
same as SEM
DA97-05021P
same as SEM
DA61-03207B
DA61-03230B
DA61-03234A
DA62-01387A
DA63-03454B
same as SEM
DA67-01650A
DA67-01701A
same as SEM
same as SEM
same as SEM
NEW
same as SEM
DA67-30218R
AW-SEM Transform(RF267,2#3957D8 2009.8.20 4:56 PM 페 이 지 1 0 0 i n

101
EXPLODED VIEW& PARTS LIST
5-6) Disassembly of Refrigerator Door Right
9
AW-SEM Transform(RF267,2#3957D8 2009.8.20 4:56 PM 페 이 지 1 0 1 i n

102
EXPLODED VIEW& PARTS LIST
NNOO
1
1
1
1
2
2
2
3
3
3
4
4
5
6
6-1
6-2
6-3
6-4
6
6-1
6-2
6-3
6-4
6
6-1
6-2
6-3
6-4
6
6-1
6-2
6-3
6-4
7
8
QQUUAANN
TTIITTYY
1
1
1
1
1
1
1
1
1
1
1
1
2
1
2
1
1
1
1
2
1
1
1
1
2
1
1
1
1
2
1
1
1
2
1
CCOODDEE--NNOO
DA91-02829A
DA91-02829B
DA91-02829C
DA91-02829D
DA61-02738F
DA61-02738E
DA61-02738A
DA66-00640A
DA66-00640B
DA66-00640C
DA97-07191A
DA97-07191B
DA61-04871A
DA97-04417J
6002-000215
DA64-01979E
DA67-01527F
DA67-01528F
DA97-04417K
6002-000215
DA64-01979B
DA67-01527F
DA67-01528F
DA97-04417N
6002-000215
DA64-01979A
DA67-01527E
DA67-01528E
DA97-04417D
6002-000215
DA64-01979D
DA67-01527D
DA67-01528D
DA97-07030A
DA97-07032A
RREEMMAARRKKPPAARRTT NNAAMMEE
ASSY DOOR FOAM REF-R
ASSY DOOR FOAM REF-R
ASSY DOOR FOAM REF-R
ASSY DOOR FOAM REF-R
MAGNET-ASSY
MAGNET-ASSY
MAGNET-ASS'Y
CAM-AUTO CLOSE R
CAM-AUTO CLOSE R
CAM-AUTO CLOSE R
ASSY-GASKET DOOR REF
ASSY-GASKET DOOR REF
FIXER-HANDLE
ASSY HANDLE-BAR(REF)
SCREW-TAPPING
HANDLE BAR
CAP-HANDLE UPP
CAP-HANDLE LOW
ASSY HANDLE-BAR(REF)
SCREW-TAPPING
HANDLE BAR
CAP-HANDLE UPP
CAP-HANDLE LOW
ASSY HANDLE-BAR
SCREW-TAPPING
HANDLE BAR
CAP-HANDLE UPP
CAP-HANDLE LOW
ASSY HANDLE-BAR
SCREW-TAPPING
HANDLE BAR
CAP-HANDLE UPP
CAP-HANDLE LOW
ASSY GUARD REF
ASSY GUARD-DAIRY
SSPPEECC
AW-SEM,REAL STAINLESS
AW-SEM,PLATINUM INOX
AW-SEM,BLACK
AW-SEM,SNOW WHITE
AW,ABS,5mm,7mm,18mm,CREAMY-STS
AW,ABS,5mm,7mm,18mm,I-BLACK
CORE-PJT,T5,W7,L18,WHITE
AW-PJT,NY-66,CREAMY STS
AW-PJT,NY-66,I-BLACK
AW-PJT,NY-66,SNOW WHITE
AW-SEM,GRAY
AW-SEM,BLACK
AW-PJT,NY-66,NATURAL
AW-PJT,VERSAILLES SILVER
TH,+,1,M4.0,L16,ZPC(WHT),SWRCH18A
AL(A6063),VERSAILLES SILVER,VERTICAL HAIR LINE
A-TOP06,ABS,NOBLE-GRAY,VERSAILLES SILVER
A-TOP06,ABS,NOBLE-GRAY,VERSAILLES SILVER
AW-PJT,PLATIUNEM STS
TH,+,1,M4.0,L16,ZPC(WHT),SWRCH18A
A-TOP06,AL(A6063),VERSAILLES SILVER
A-TOP06,ABS,NOBLE-GRAY,VERSAILLES SILVER
A-TOP06,ABS,NOBLE-GRAY,VERSAILLES SILVER
AW-PJT,MATURE BLACK
TH,+,1,M4.0,L16,ZPC(WHT),SWRCH18A
A-TOP 06,AL(A6063),BLACK,BLACK COATING
ABS,I-BLACK(SC-00477R),MATURE-BLACK(SC-03106S)
ABS,I-BLACK(SC-00477R),MATURE-BLACK(SC-03106S)
A-TOP06,AL(0603),L876,SNOW-WHITE
TH,+,1,M4.0,L16,ZPC(WHT),SWRCH18A
A-TOP06,AL(A6063),SNOW WHITE(SC-97527T)
A-TOP06,ABS,SNOW-WHITE(SC-97572R)
A-TOP06,ABS,SNOW-WHITE(SC-97572R)
AW-SEM
AW-SEM
■■Parts List of Refrigerator Door-Right
SSGGEECC CCOODDEE
DA91-02461F
DA91-02461F
DA91-02461F
DA91-02461F
same as SEM
same as SEM
same as SEM
DA66-00441B
DA66-00441B
DA66-00441B
DA97-05253B
DA97-05253B
DA61-02984A
same as SEM
same as SEM
same as SEM
same as SEM
same as SEM
same as SEM
same as SEM
same as SEM
same as SEM
same as SEM
same as SEM
same as SEM
same as SEM
same as SEM
same as SEM
same as SEM
same as SEM
same as SEM
same as SEM
same as SEM
DA97-04878D
DA97-04881B
AW-SEM Transform(RF267,2#3957D8 2009.8.20 4:56 PM 페 이 지 1 0 2 i n

103
6. PCB DIAGRAM
6-1) PCB LAYOUT WITH PART POSITION ···························106
6-2) PCB LAYOUT WITH PART POSITION (INVERTER BOARD) ·················107
6-3) CONNECTOR LAYOUT WITH PART POSITION (MAIN BOARD) ···············108
6-4) PCB LAYOUT WITH PART POSITION (MAIN BOARD) ···················109
6-5) CONNECTOR LAYOUT WITH PART POSITION (INVERTER BOARD) ············110
AW-SEM Transform(RF267,2#3957D8 2009.8.20 4:56 PM 페 이 지 1 0 3 i n

104
PCB DIAGRAM
6-1) PCB Layout with part position
1. DC13V, 5V, GND supplied from SMPS PCB
2. Circuit for controlling Step-Valve (3-Way Valve) * Option
3. FAN MOTOR control part : To supply the power from 8.3V ~ 12V according to the motor types. (F,R,C,ICE)
4. EEPROM : Save and record every kinds of data.
5. Transmit inputted signals from every sensor into MICOM after eliminate the noise.
6. Micom : control the regrigerator Ceramic resonator : generate the basic frequency of Micom operation.
Reset IC : make Micom reset if input voltage of Micom is detected less than the specified voltage
7. PLC input/output
- PLC (Power Line communication) * Option(PLC module is not inserted unless specified occasion)
8. Operate ICE-MAKER, supply power to MOTOR, and sense the variation of switch.
9. Main Micom
Panel Micom serial communication circuit
- Dispenser option input part (Water & Cover Ice route switch)
10. Pantry room display control part : display LED, detect KEY state.
11. Control Pantry room damper & Damper heater
12. Water Tank Heater Controls (also controls other options)
13. LED LAMP Control Circuit (F, R LAMP) * Option
14. Relay parts that controls AC load and receives Micom operating signal through Sink IC.
15. Connector with AC load
a. Diode option setting area
b. Inverter COMP controlling signal
c. Sensing part of Flow Sensor.
AW-SEM Transform(RF267,2#3957D8 2009.8.20 4:56 PM 페 이 지 1 0 4 i n

105
PCB DIAGRAM
6-2) PCB Layout with part position (Inverter Board)
1. Inrush current protecting area : It prevents an instant inrush of current generated in
condenser when plug in.
2. PCB Power Bus : power bus (Hybrid IC). It supplies DC15V and 5V to MICOM.
3. Location detecting resistance area : It detects motor location through the current detected.
4. Current detecting area : It detects the current from the SHUNT resistance and controls
PWM DUTY.
5. COMP operating Signal area : It receives COMP operating signal from Main PCB and
conduct it.
6. BOOTSTRAP live part : Charging circuit that 1GBT of SPM can On/Off securely.
AW-SEM Transform(RF267,2#3957D8 2009.8.20 4:56 PM 페 이 지 1 0 5 i n

PCB DIAGRAM
106
6-3) Connector Layout with part position (Main Board)
6-3-1. RF267AE
AW-SEM Transform(RF267,2#3957D8 2009.8.20 4:56 PM 페 이 지 1 0 6 i n

107
PCB DIAGRAM
6-4) PCB Layout with part position (Main Board)
6-3-2. RF26XAE
AW-SEM Transform(RF267,2#3957D8 2009.8.20 4:56 PM 페 이 지 1 0 7 i n

108
PCB DIAGRAM
6-5) Connector Layout with part position (Inverter Board)
①: VDD
②: VSS
③: RPM
④: FB
①U ②V ③W
POWER(110V)
OLP
AW-SEM Transform(RF267,2#3957D8 2009.8.20 4:56 PM 페 이 지 1 0 8 i n

109
7. WIRING DIAGRAM
7-1) Model : RF267AE
AW-SEM Transform(RF267,2#3957D8 2009.8.20 4:56 PM 페 이 지 1 0 9 i n

110
WIRING DIAGRAM
7-2) Model : RF26XAE
AW-SEM Transform(RF267,2#3957D8 2009.8.20 4:56 PM 페 이 지 1 1 0 i n

111
8. SCHEMATIC DIAGRAM
8-1) Whole block diagram
8-1-1. MODEL : RF267AE
AW-SEM Transform(RF267,2#3957D8 2009.8.20 4:56 PM 페 이 지 1 1 1 i n

112
SCHEMATIC DIAGRAM
8-1) Whole block diagram
8-1-2. MODEL : RF26XAE
AW-SEM Transform(RF267,2#3957D8 2009.8.20 4:56 PM 페 이 지 1 1 2 i n

113
8-1) Whole block diagram
SCHEMATIC DIAGRAM
8-1-3. Inverter Board
AW-SEM Transform(RF267,2#3957D8 2009.8.20 4:56 PM 페 이 지 1 1 3 i n

114
8-2) CIRCUIT DIAGRAM
SCHEMATIC DIAGRAM
8-2-1. MODEL : RF267AE / RF26XAE
AW-SEM Transform(RF267,2#3957D8 2009.8.20 4:56 PM 페 이 지 1 1 4 i n

115
8-2) CIRCUIT DIAGRAM
SCHEMATIC DIAGRAM
8-2-2. INVERTER BOARD
AW-SEM Transform(RF267,2#3957D8 2009.8.20 4:56 PM 페 이 지 1 1 5 i n

116
R F 26 7 A PN / XAA
PRODUCT : F-FRENCH DOOR
S-SBS
M-MULTI DOOR
B-BMF
8: Twin Ice Maker
7: Best
X: Defeature (TRANSFORM)
6: Better
3: Good (TRANSFORM)
Capacity : CU.FT
MAIN OPTION
COLOR
CABI : BLACK (EMBO)
CABI : SNOW WHITE (EMBO)
CABI : NOBLE STS (EMBO)
CABI : NOBLE STS (EMBO)
BP DOOR : BLACK (PCM)
WP DOOR : SNOW WHITE
RS DOOR : REAL STS (UNCOATED)
PN DOOR : Platinum Inox
SUB OPTION
AA: 1st Generation
AB: 2nd Generation made in korea
AC: 2nd Generation made in mexico
AD:3rd Generation with inverter
AE:4rd Generation with TRANSFORM
BUYER NAME
Model code
AW-SEM Transform(RF267,2#3957D8 2009.8.20 4:56 PM 페 이 지 1 1 6 i n

Mexico Av. Benito Juarez No.119,
Parque Ind. Queretaro Km 28.5
Carr. Qro. S.L.P Mz.11 LT.12,
C.P.76220 Santa Rosa de
Jauregui, Santiago de Queretaro,
Queretaro Mexico
TEL : 52-442-296-9000(9408)
FAX : 52-442-240-9072
©
Samsung Electronics Co., Ltd.
Refrigerator Division 2009
Printed in Mexico
-
This Service Manual is a property of Samsung Electronics Co., Ltd.
Any unauthorized use of Manual can be punished under applicable
International or domestic law.
AW-SEM Transform(RF267,2#3957D8 2009.8.20 4:56 PM 페 이 지 1 1 7 i n