Samsung Dvr Svr 1640A Users Manual 1650_1640_950 합본매뉴얼_영문__080530
SVR-1650E to the manual 30c387e6-537c-4af8-bd23-a2aa7952c403
2015-01-23
: Samsung Samsung-Samsung-Dvr-Svr-1640A-Users-Manual-278304 samsung-samsung-dvr-svr-1640a-users-manual-278304 samsung pdf
Open the PDF directly: View PDF
.
Page Count: 116 [warning: Documents this large are best viewed by clicking the View PDF Link!]

Premium Security
Digital Video Recorder SVR-1650E/1640A/950E User’s Manual
Thank you for purchasing a Samsung Digital Video Recorder.
Before attempting to connect or operate this product,
please read these instructions carefully and save this manual for future use.
ENGLISH

1
I
In
nt
tr
ro
od
du
uc
ct
ti
io
on
n
Thank you for purchasing the SVR-1650E/1640A/950E.
This is a user manual for SVR-1650E/1640A/950E. Before product installation and operation, please
become thoroughly familiar with this user manual and other manuals referenced by this manual.
This user manual and the software and hardware described here are protected by the copyright law.
Therefore, with the exception of copying for general use within the copyright law, copying and reprinting the
user manual, either partially or in its entirety, or translating it into another language without the consent of
Samsung Techwin, Inc. is prohibited.
This specification may be changed without prior notice for improvement of product performance.
Product warranty and limits of responsibility
The manufacturer does not assume any other responsibility concerning the sale of this product and does not
delegate any right to a third party to take any responsibility on its behalf. Product warranty does not cover
cases of accidents, negligence, alteration, misuse or abuse. In addition, no warranty is offered for any
attachments or parts not supplied by the manufacturer.
The warranty period for this product will be for 2 years from the date of purchase. The following cases are
not covered by the warranty and payment is required for repairs.
Malfunction due to negligence in handling by the user
Deliberate disassembly and replacement by the user
Connection of a power source other than a properly rated power source
Malfunction caused by natural disasters (fire, flood, tidal wave, etc.)
Replacement of expendable parts(HDD, FAN, etc.)
Warranty only refers to the warranty covering products that have been paid for.
After expiration of the warranty period (2 years), examination and repair will be provided for a fee. Even
during the warranty period, repair and examination of items outside the preceding warranty scope will
require a payment.
Please inquire at the point of purchase or the local service center for repairs requiring a payment.
This product is not for exclusive use of crime prevention but for assitance unit such as a
fire or theft. Therefore, the manufacturer never take any responsibility for the damage
from any incident.
※ This User Manual is maked out on the basis of F/W version 2.8.

2
Table of Contents
Introduction ............................................................ 1
Product warranty and limits of responsibility ...........................................1
Chapter1. Safety Cautions .......................................... 5
Symbols displayed for each item .........................................................5
Chapter2. Summary .................................................. 8
2.1 Features ...............................................................................8
2.2 Components ........................................................................ 11
2.3 Name and Function of Each Part................................................. 11
2.3.1 Front panel ...........................................................................11
2.3.2 Back connector terminals ............................................................14
2.3.3 Remote Controller....................................................................15
2.4 Product specification ............................................................... 16
Chapter3. Installation method ...................................21
3.1 Overall connection.................................................................. 21
3.1.1 Front connection method ...........................................................21
3.1.2 Back connection method ............................................................22
3.2 Detailed connection ................................................................ 23
3.2.1 Rack mount...........................................................................23
3.2.2 Video/Audio connection.............................................................24
3.2.3 External connector ...................................................................26
Chapter4. Operation method.....................................34
4.1 Preoperation inspection items...................................................... 34
4.2 Connection of power supply ...................................................... 34
4.3 Live screen .......................................................................... 34
4.3.1 FUNCTION screen display .........................................................35
4.3.2 Single channel screen display........................................................35
4.3.3 Multi screen display ..................................................................36
4.4 Recording ........................................................................... 37
4.4.1 General recording ....................................................................37
4.4.2 Scheduled recording ..................................................................37
4.5 Search ............................................................................... 38

SVR-1650E/1640A/950EUser Manual
3
4.5.1 Time search .......................................................................... 38
4.5.2 Event search ......................................................................... 40
4.5.3 Log search............................................................................ 41
4.6 Recording file playback .............................................................41
4.6.1 Jog dial / shuttle ring............................................................... 42
4.7 Live / Playback screen conversion .................................................42
4.8 Digital zoom ........................................................................44
4.9 Copy .................................................................................44
4.9.1 SLiM Player .......................................................................... 46
4.10 PTZ ................................................................................48
4.10.1 PTZ adjustment .................................................................... 48
4.10.2 Preset setup ......................................................................... 49
4.10.3 Preset utilization .................................................................... 49
4.10.4 Using OSD for the Speed Dome Camera....................................... 49
4.11 Quick setup ........................................................................50
4.12 PIP .................................................................................51
4.13 System information ................................................................52
4.14 SPOT...............................................................................53
Chapter5. Setup method .......................................... 54
5.1 Menu organization ..................................................................54
5.2 Initial value setup ...................................................................56
5.3 Operation description ...............................................................65
5.4 FUNCTION menu .................................................................66
5.4.1 LIVE/PLAY mode .................................................................. 66
5.4.2 FUNCTION operation description................................................. 66
5.5 Menu screen description............................................................70
5.6 Screen setup .........................................................................71
5.6.1 Screen................................................................................. 71
5.6.2 Sequencing............................................................................ 72
5.6.3 Display................................................................................ 75
5.6.4 Covert................................................................................. 76
5.6.5 SPOT ................................................................................. 76
5.7 Record setup ........................................................................77
5.7.1 Record mode......................................................................... 77
5.7.2 Record program...................................................................... 79
5.7.3 Recording time table ................................................................ 80
5.8 Event setup..........................................................................82
5.8.1 Event ................................................................................. 82
5.8.2 Motion detection..................................................................... 83

4
5.8.3 Relay...................................................................................84
5.8.4 TEXT .................................................................................84
5.8.5 EVENT-PRESET ....................................................................85
5.9 Communication setup .............................................................. 86
5.9.1 NETWORK ..........................................................................86
5.9.2 RS-232.................................................................................88
5.9.3 RS-422/485 ...........................................................................89
5.9.4 E-MAIL ...............................................................................90
5.9.5 DDNS.................................................................................91
5.9.6 DDNS Registration...................................................................92
5.10 System setup....................................................................... 96
5.10.1 System ...............................................................................96
5.10.2 HDD.................................................................................99
5.10.3 Password ........................................................................... 100
5.10.4 Date setup.........................................................................102
5.10.5 PTZ ................................................................................103
5.11 Video recording search.......................................................... 104
5.11.1 Time search ....................................................................... 104
5.11.2 Event search.......................................................................105
5.11.3 Log search......................................................................... 106
5.12 Copy ............................................................................. 107
5.13 Exit .............................................................................. 108
Chapter6. Trobleshooting........................................109
Product Specifications ................................................................ 111
For more information on network manager program, please see network
manager quick guide and manual file enclosed with CD.

5
C
Ch
ha
ap
pt
te
er
r1
1.
.
S
Sa
af
fe
et
ty
y
C
Ca
au
ut
ti
io
on
ns
s
Symbols displayed for each item
Refers to information users need to know in order to prevent serious injury or death.
Provides information users need to know in order to prevent minor injury or product
damage.
Before installation
9 Verify the supplied voltage (AC100V~AC240V) before connecting the power supply.
9 Make sure the power supply is off before installation.
9 Do not install in a very humid environment. Doing so may cause an electric shock or fire.
9 Make sure ground line is connected to reduce electric shock risk.
During operation
9 Do not open the product cover except qualified personnel or system installer. Opening the
product cover may cause an electric shock.
9 Do not plug multiple appliances into one power outlet. Doing so may cause fire.
9 Do not place dishes containing water or heavy objects on the product. Doing so may cause a
malfunction.
9 Do not use in areas containing inflammable materials like propane gas and gasoline or in areas
that generate dust. Doing so may cause an explosion or fire.
9 Do not touch the power line with a wet hand. Doing so may cause an electric shock.
9 Do not insert a hand into the opening of the DVD. Doing so may cause an injury.
9 Make sure conduction materials do not enter the cooling ventilator opening.

6
9 Do not apply excessive force when pulling on the power cord. Damaging the cord may cause an
electric shock or fire.
9 Random replacement of built-in battery by other types of batteries may cause explosion.
9 The battery shall be replaced by the same battery.
9 The used batteries shall be disposed carefully because they can cause environment pollutions.
Dismantling and cleaning
9 Do not dismantle, repair or modify the product deliberately. Doing so may cause a damage, an
electric shock or an injury.
9 Do not use water, thinner or organic solvent for cleaning the product exterior. Doing so may
cause a malfunction or an electric shock. Use a dry cloth to clean the exterior.
During installation
9 To get adequate ventilation, install the product with at least 15cm of space between the cooling
ventilation opening and a wall.
9 To prevent falling, install the product in a flat area . Dropping the product may cause an injury or
a malfunction.
9 Avoid areas exposed to sun light or heat since they may cause deformation or a malfunction.
9 If a camera is installed while the DVR is recording, image in another channel may be disrupted.
Start the storage after installing the camera is recommended.
During use
9 Make sure the product is not exposed to shocks or shaking when using the product or during
moving.
9 Do not move the product while it is in operation, and apply strong shocks to the product or
throw the product.
9 If hard disk drives other than those recommended are used additionally, abnormal operation
may occur. Inquire at the point of purchase of the product before installing such a hard disk
drive.
9 Product warranty will not cover deliberate additional use of such hard disk drives.
9 This product is a supplementary rather than primary means for preventing fire and theft. Our
company is not responsible for incidence of incident or damage that may occur.

SVR-1650E/1640A/950EUser Manual
7
1
Correct Disposal of This Product
(Waste Electrical & Electronic Equipment)
(Applicable in the European Union and other European countries with separate
collection systems) This marking shown on the product or its literature, indicates
that it should not be disposed with other household wastes at the end of its
working life. To prevent possible harm to the environment or human health from
uncontrolled waste disposal, please separate this from other types of wastes and
recycle it responsibly to promote the sustainable reuse of material resources.
Household users should contact either the retailer where they purchased this
product, or their local government office, for details of where and how they can
take this item for environmentally safe recycling. Business users should contact their
supplier and check the terms and conditions of the purchase contract. This product
should not be mixed with other commercial wastes for disposal.
Samsung Techwin cares for the environment at all product manufacturing
stages to preserve the environment, and is taking a number of steps to
provide customers with more environment-friendly products.The Eco
mark represents Samsung Techwin s will to create environment-friendly
products, and indicates that the product satisfies the EU RoHS Directive.
FCC Compliance Statement
Caution : Any changes or modification in construction of this device which are not
expressly approved the party responsible for compliance could void the user’s
authority to operate the equipment.
NOTE : This equipment has been tested and found to comply with the limits for a
Class A digital device, pursuant to part 15 of the FCC Rules. These limits are
designed to provide reasonable protection against harmful interference when
the equipment is operated in a commercial environment. This equipment
generates, uses, and can radiate radio frequency energy and, if not installed
and used in accordance with the instruction manual, may cause harmful
interference to radio communications. Operation of this equipment in a
residential area is likely to cause harmful interference in which cause the user
will be required to correct the interference at his own expense.

8
C
Ch
ha
ap
pt
te
er
r2
2.
.
S
Su
um
mm
ma
ar
ry
y
2.1 Features
Monitoring Screen
Vivid live video with high image quality is realized and various observation screens are provided for each
channel.
Implementation of real time MPEG-4 video
y NTSC : 480 frames(SVR-1650E/1640A)/270 frames(SVR-950E)
y PAL : 400 frames(SVR-1650E/1640A)/225 frames(SVR-950E)
Various observation screen modes:
y SVR-1650E/1640A : Single, 4 DIVISION, 9 DIVISION, 16 DIVISION
y SVR-950E : Single, 4 DIVISION, 9 DIVISION
Automatic screen conversion (AUTO)
Various monitor output supported [3 Composite (including 1 Spot), 1 VGA, 1 RCA]
Pan, Tilt, Digital Zoom, PIP(Picture in Picture; view screen within a screen)
Voice recording
Real time voice input and recording function is provided.
Real time, simultaneous recording of 4 channels voice input possible
(1, 2, 3, 4 channel fixed)
Input: 4 channels (4 back side), Output: 2 (1 back side/ 1 front side)
Simultaneous recording and playback is possible
T
his product is a digital video recorder that digitizes 16 channels of video input and stores it in the
built-in hard disk drive. Product functions can be setup conveniently using the mouse and buttons on
the front panel.
Samsung SVR-1650E/1640E/1640A/950Eis a digital image recorder that can be used as security
equipment in banks, apartments, and government and public offices. It is a stand-alone product with
proven performance and stability. Since a hard disk drive is used for storage instead of a video tape, high
quality can be maintained for even repetitive recordings and fast retrieval of digital files is also possible.
This is a user friendly digital device with a diverse array of functions including a high quality video, a
large capacity storage, perfect simultaneous implementation of recording/playback/backup functions,
motion detection, PTZ (Pan, Tilt, Zoom) control function, password setup, real time voice data storage,
an event list with up to 10,000 events and log file storage.

SVR-1650E/1640A/950E User Manual
9
2
Video recording
High image quality MPEG4 video recording is possible. Up to 480 frames(SVR-1650E)/120 frames(SVR-
1640A/950E) per second of recorded video can be stored and pre-event recording can be done for up to 5
seconds before an event occurs. In addition, privacy is protected by the COVERT (image hiding) function.
MPEG-4 video recording with high image quality
4 steps video recording resolution setup to adjust storage capacity
Multiple recordings possible for manual & events or schedule & events
Simultaneous execution of the following 4 functions:
recording/playback/backup/network.
Easy setup of video recording resolution and motion detection for each channel.
Video recording setup of up to 480(NTSC : SVR-1650E)/120(NTSC :SVR-
1640A/950E) or 400(PAL : SVR-1650E)/100(PAL : SVR-1640A/950E) frames per
second possible
(352×240 or 352x288(CIF) based),
Manual and scheduled recording possible
Video loss detection function
Record events(sensor, video loss, motion detection and text) in the event list
Up to 5 seconds of pre-alarm event recording for each channel possible
Search/Playback
A wide range of convenient functions for search and playback are provided.
Playback by time, by date, by channel
Convenient search using the mouse
Still image step up/down playback
Playback based on EVENT(sensor, video loss, motion detection and text) list
Easy search using the remote controller and jog/shuttle
Digital zoom in playback screen

10
Storage device
A built-in hard disk drive is provided. User may also select to use DVD±RW, CD-RW and USB memory for
backup.
Standard storage: Built-in hard disk drive
Various backup devices available: DVD±RW, DVD±R, CD-RW, CD-R and USB
memory
HDD Extension Unit (external extendable storage device) : SVS-5 (Sold separately
as a designated device)
Network
Various networks including LAN, xDSL is supported. Key functions of the product may be manipulated
easily and maintained remotely using the dedicated viewer for PC.
If an EVENT occurs, transmit by E-mail through TCP/IP, DHCP
Live image viewing from a remote location is possible (entire or 4 DIVISION screen
selection is possible)
PC playback, storage, search function and DVR control function using the network
viewer is possible
Search and playback by time or by event from a remote location is possible
10/100Mbps Ethernet/xDSL support
Multiple DVR connection
Others
GUI and mouse for user convenience
Convenient firmware upgrade function using USB memory
PTZ CONTROL (SPEED DOME), PRE-SET support
Multiple language support: Korean, English, Italian, Spanish, Japanese, etc.
Video recorded image backup function (still images/video) using the USB port
16 DVRs may be controlled conveniently using one remote controller

SVR-1650E/1640A/950E User Manual
11
2
2.2 Components
DVR package contains the main body and the following accessories. Please verify whether all accessories are
included at the time of purchase. If any accessory is missing, inquire at the point of purchase.
2.3 Name and Function of Each Part
2.3.1 Front panel
1 2 5 6 7 8 9
34
10 11
12 16
13 14
15
17
19
20
21
22
23
24
25 26
18
27
SVR-1650E
/
1640
A
SVR-950E

12
Backup(Copy) section
Category Function
1. DVD-Multi : DVR for
backup Used to backup recorded/stored images on DVD/CD media.
Jog/shuttle section
Category Function
2. JOG/SHUTTLE
Menu setup values can be adjusted and STEP function can be
controlled with JOG. SHUTTLE can be used for moving items
between menus, increasing or decreasing playback speed, changing
playback direction and for controlling PTZ.
Display section
Category Function
REC display LED Indicates whether recording is in progress.
HDD display LED Indicates whether hard disk drive is in operation.
NETWORK display LED Indicates whether network is in connection.
ALARM display LED Indicates whether event is in detection.
3.
COPY display LED Indicates whether COPY is in progress.
Power supply section
Category Function
4. Stand-by button Turn product ON or OFF.
Playback and recording section
Category Function
5. REC Start or stop the manual mode video recording.
6. STEP Start 1 Frame playback.
7. PLAY/PAUSE Start playback or pause momentarily.
8. STOP Stop playback and return to live screen mode.
9. FAST Playback is carried out faster than the normal playback speed.
10. DIR Used to change the playback direction.

SVR-1650E/1640A/950E User Manual
13
2
Function button section
Category Function
11. ▲ Used for movement in the upper direction.
12. ▼ Used for movement in the lower direction.
13. ◀ Used for movement to the left
MENU
14. ▶ Used for movement to the right
15. + Used to increase value to be setup or move to another page.
16. - Used to decrease value to be setup or move to another page.
17.COPY Display the copy menu. Store data in DVD/CD and USB Memory
Stick at the preset time.
18. SEARCH Select data search mode.
19. MULTI Convert to a divided screen.
20. FUNCTION Display the LIVE screen menu for FUNCTION.
21. PTZ Select PTZ mode.
22. ENTER Store or execute the select options.
23. ESC. Return to the previous stage menu.
USB, Audio/Video section
Category Function
24. USB1, USB2, USB3 Connection port for mouse, USB Memory Stick and DVD+RW
25. AUDIO OUT Output port for connecting speaker.
26. VIDEO OUT Output port to connect TV monitor.
Channel button section
Category Function
27. CH1~16(SVR-1650E/1640A) /
CH1 ~ 9 (SVR-950E)
Display selection button of each channel
(Live/Playback), Select single mode and PIP channel.

14
2.3.2 Back connector terminals
No. I/O terminal names Function
1 CH1~16
(SVR-950E: CH1~9)
BNC input connector terminal for the camera.
2 LOOP OUT BNC output (loop) connector terminal for the camera.
3 RS-232C RS-232C terminal.
4 MONITOR A2 BNC connector terminal for monitor output.
5 MONITOR A1 BNC connector terminal for monitor output.
6 MONITOR B BNC connector terminal for SPOT monitor output.
7 GROUND Ground terminal for DVR main body and external equipment.
8 POWER IN Socket for AC100V ~ AC240V power supply cord.
9 SENSOR IN Input terminal for external alarm sensor.
10 RELAY OUT Relay output terminal.
11 CONSOLE SVR-1650E/1640A : Auxiliary port
SVR-950E : Terminal for ATM/POS
12 RS-485/422 Terminal to connect expansion controller, speed dome camera,
SRX-100B connector.
13 TERMINATION Switch for RS-485 termination resistor setup.
14 USB Terminal to connect external equipment
(DVD+RW, CD-RW, etc.).
15 VGA OUTPUT Output port to connect the PC monitor.
16 ETHERNET(Main) LAN connection terminal.
17 AUDIO OUT Terminal for speaker output.
18 AUDIO IN Terminal for microscope input.
19 SATA1~4 This is a connection terminal for HDD Extension Unit
18
5 6 7
2
11 12
13
14 15
18
17
16
10
9
4
3
SVR-1650E
/
1640E/1640A
SVR-950E
19

SVR-1650E/1640A/950E User Manual
15
2
Refer to ‘Chapter 3. Installation method’ and ‘Chapter 4. Operation method’ for
detailed description about setup and utilization.
If you make a connection to ATM/POS or HDD Extension Unit, please refer to
the manual.
2.3.3 Remote Controller
Button names Function
1. MENU Menu screen conversion
2. STATUS System setup information display
3. AUTO Automatic screen conversion
4. D.ZOOM Digital zoom execution
5. SPOT SPOT monitor screen conversion
6. AUX Auxiliary
7. PTZ PTZ mode conversion
8. COPY Copy menu display, store the image through
USB
9. PIP View picture in picture
10. RECORD( ) Start or stop general video recording
11. SEARCH( ) Search menu display
12. STOP( ) Cancel playback mode
13. STEP( ) Playback 1 frame
14. PLAY/PAUSE( ) Playback and pause
15. FAST( ) High speed playback
16. DIR( ) Change playback direction
(forward direction or reverse direction)
17. (▲) Move cursor up in the setup menu
18. (▼) Move cursor down in the setup menu
19. (◀) Move cursor to the left in the setup menu
20. (▶) Move cursor to the right in the setup menu
21. ENTER Setup value selection, execution
22. MULTI Divided screen selection
23. (-) Reduce setup value, move to another page.
24. (+) Increase setup value, move to another page.
25. ESC Cancel the setup, exit the menu
26. Channel button Camera channel selection
27. Remote controller ID Remote controller ID selection

16
2.4 Product specification
Video
Items Specification
Input method Composite input 16 channels
(SVR-1650E/1640A) / 9 channels(SVR-950E)
Video input level 1.0 Vp–p, composite
Live screen presentation
speed
NTSC
- SVR-1650E/1640A : 480 frames/sec
- SVR-950E : 270 frames/sec
PAL
- SVR-1650E/1640A : 400 frames/sec
- SVR-950E : 225 frames/sec
Live screen resolution NTSC : 720(horizontal) × 480(vertical) pixels, if entire screen selected
PAL : 720(horizontal) × 576(vertical) pixels, if entire screen selected
Monitor output
1.0Vp–p Composite, 75Ω output
Back : 2 terminals(BNC : composite),
1 terminal(BNC : SPOT composite)
Front : 1 terminal(RCA : composite)
Loop(BNC) 16 CH(SVR-1650E/1640A) / 9CH(SVR-950E) output
VGA output
(PC monitor) RGB output
PIP screen PIP screen size: 240×160(Fixed on left top side)
PIP screen organization: Small live screen inside the live entire screen
Audio
Items Specification
Audio 4 channel audio input
Line input level 1.0V / 20kΩ
Line output level 1.0V / 1kΩ
Storage method PCM method
Electric Specification
Items Specification
Power supply AC 100V ~ 240V, (50/60Hz), Max, 2A
Power consumption About 75W (if one hard disk drive used)

SVR-1650E/1640A/950E User Manual
17
2
Connector terminals
Items Specification
Video input BNC(SVR-1650E/1640A: 16, SVR-950E: 9)
Loop output BNC(SVR-1650E/1640A: 16, SVR-950E: 9)
Monitor output BNC(2), RCA(Front 1)
SPOT Monitor output BNC(1)
VGA output
(PC monitor) 15 pin VGA
Audio RCA input (4), RCA output (2 - including the front)
25 pin DSUB(2) Sensor input (SVR-1650E/1640A: 16, SVR-950E: 9), relay output(4)
Dual RJ-45 RS-422/485(2)
9 pin DSUB RS-232C(1)
USB port Front (2), back (1)
RJ-45 Network (Ethernet)-10/100M bps supported
SATA output HDD Extension Unit (external extendable storage device) connection
terminal (4 units)
Alarm
Items Specification
Input 16 channels(SVR-1650E/1640A) / 9channels(SVR-950E)
Output 4 relay outputs(video loss, power off, motion detection, sensor)
user setup possible
Operation environment
Items Specification
Operating temperature 5°C ∼ 40°C
Storage temperature –10°C ∼ 60°C
Humidity 30% ∼ 90%
Exterior appearance
Items Specification
Material Metal case, Front(aluminum, plastic)
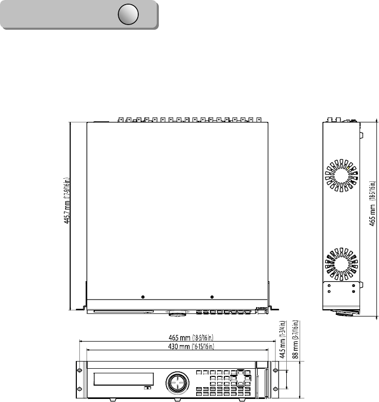
Dimensions 430(width) × 465(length) × 88(height) mm
Weight About 8.9kg(1 HDD)
Controller
Item Specification
Remote controller Infrared LED(Max. 5m)
Mouse(USB) Menu setup and DVR setup handling possible
Dedicated controller SCC-3100A(RS-485)

18
Hard disk drive
Items Specification
Max. no. of mounts 4
Basic mount 1 (built-in)
Hard disk drive type EIDE(ULTRA DMA-133)
Min. speed 7200rpm
Recommended product Seagate series, Maxtor series, Samsung Electronics
The recommended models are as follows.
Manufacturer HDD capacity Buffer Interface
Seagate 250G 8M PATA
Seagate 500G 16M PATA
Seagate 160G 2M PATA
※ If other products are used, HDD operation error may occur.
※ Please, refer to the manual HDD Extension Unit (external
extendable storage device) if you wish to use a Hard Disk.
Video recording
Specification
Items SVR-1650E SVR-1640A/950E
Compression method MPEG-4
Video recording method 2 video recording modes: schedule & event, manual & event
Maximum number of
frames per second
(resolution)
NTSC(704×480) : 120 frames/sec
NTSC(704×240) : 240 fields/sec
NTSC(352×240) : 480 fields/sec
PAL(704×576) : 100 frames/sec
PAL(704×288) : 200 fields/sec
PAL(352×288) : 400 fields/sec
30 frames/sec
60 fields/sec
120fields/sec
25 frames/sec
50 fields/sec
100 fields/sec
Picture quality 4 levels of picture quality: User setup possible
(SUPER, HIGH, MID, LOW)
Pre Alarm Setup possible within maximum 5 seconds
Post Alarm Setup possible within maximum 5 minuets
Countries using NTSC : USA, Canada, Japan, Korea, Taiwan, Mexico, etc.
Countries using PAL : Australia, Austria, Belgium, China, Denmark,
Finland, Germany, England, Nederland, Italy, Kuwait,
Malaysia, New Zealand, Singapore, Spain, Sweden,
Switzerland, Thailand, Norway, etc.

SVR-1650E/1640A/950E User Manual
19
2
Copy
Item Specification
Digital copy DVD±RW, DVD±R , CD-RW, CD-R and External USB memory
DVD±RW, DVD±R, CD-RW and CD-R media may be used.
Search and playback
Item Specification
Search mode
Search by time : year, month, day, hour, minute, second
Search by channel : For each channel
Search by event : sensor, motion detection, video loss and text
Log file Power ON/OFF, video recording start/stop, display miscellaneous
information
Event item Alarm, motion detection, video loss
Playback speed and
direction Forward direction, reverse direction
High speed search Fast forward (×2, ×4, ×8, Max), reverse(×2, ×4, ×8, MAX)
Pause and frame playback Playback screen pause function, function to reproduce one frame at a
time from the paused state
Password
Item Specification
2 stage password
8 digit numeric code
Admin: Control all functions
User: Connect through the network
Network
Items Specification
General
Compression method : MPEG-4
Connection method: Dedicated viewer
Supported protocols: TCP/IP, DHCP
Supported interfaces: Ethernet(10M/100M bps), xDSL
PC requirements
CPU: Pentium IV 3.0GHz or higher (Hyper Threading recommended)
Memory: Over 512MB recommended
Video Card : Memory over 128MB recommended
Hard Disk : Size larger than 120GB is recommended
OS: Windows 2000 or higher versions recommended
Monitor: Over 1,024×768 pixels(1280×1024 recommended)
LAN interface: 10/100 Base–T Network card

20
Accessories
Item Specification
Supplied accessories
Network viewer program CD
User manual
Quick guide manual
Remote controller
Mouse (Not included in SVR-950E)
Cable core
RJ-45 cable (2 cable)
Rack mount and screw
D-Sub 25p Connector (2 ea)
Power supply cable

21
C
Ch
ha
ap
pt
te
er
r3
3.
.
I
In
ns
st
ta
al
ll
la
at
ti
io
on
n
m
me
et
th
ho
od
d
3.1 Overall connection
3.1.1 Front connection method
Connection organization diagram for DVR front side terminals are as follows.
Mouse
Memory stick
Speaker TV Monitor
*Use onl
y
DVD+RW/CD-RW Media
SVR-1650/1640E
/
1640A
SVR-950E External DVD

22
3.1.2 Back connection method
The organization chart for DVR and monitors, CCTV cameras and external devices is as follows.
If you make a connection to ATM/POS, please refer to the manual.
Sensor
Warning
LED ATM
/
POS
S
p
eed Dome Camera
S
p
eaker
Audio
(
Line In
p
ut
)
USB
VGA Monitor
Camera 1~16 Main Monitor
SPOT
PC
LAN
/
WAN
SCC-3100A
SVR-1650E/1640E/1640A
SVR-950E
HDD Extension Unit

SVR-1650E/1640A/950E User Manual
23
3
3.2 Detailed connection
3.2.1 Rack mount
To mount the product, the enclosed rack must be mounted first. Mount sequence is as follows.
The enclosed rack mount is mounted on the product.
The product is mounted on the 19 inch rack.
SVR-1650/1640E/1640A
SVR-950E
SVR-1650E/1640E/1640A
SVR-950E

24
3.2.2 Video/Audio connection
1. Camera
Up to 16(SVR-950E: Up to 9) CCTV cameras can be connected to DVR.
Connect the BNC terminal for each camera to the CAMERA IN terminal in the back of this product.
If BNC terminal is only connected to CAMERA IN, a 75Ω terminating resistor is
setup internally.
If connected to both CAMERA IN and CAMERA OUT, the device receiving the
output must setup a terminating resistor of 75Ω.
Since CAMERA OUT terminal is a loop output for the camera input, it should only
be connected and used when there is an image input in CAMERA IN terminal.
If cable connected to the CAMERA OUT terminal is not connected to an external
device and is left exposed, image quality may be adversely affected.
Input video system type (NTSC/PAL) is recognized automatically when the
product power button is pushed. However, if a CCTV using a different system
type is connected to a CAMERA IN terminal during product operation, the
product must be turned OFF and ON again for proper automatic recognition of
the input video system type .
1. Camera
3. Voice
2. Monitor
VGA Monitor
Speake
Main Monitor
Spot Monitor
i
Audio(Line input)
SVR-1650/1640E/1640A
SVR-950E

SVR-1650E/1640A/950E User Manual
25
3
Image input from each camera is output simultaneously to the external device
connected to the MONITOR OUT terminal in the back of the product.
2. Monitor
To output screen information to the main monitor, connect the VGA terminal for monitor output in the
back of the product and the monitor BNC terminal with a BNC cable. There are 5 monitor output terminals
[BNC 3(SPOT 1), RCA 1, VGA 1) and up to 5 auxiliary monitors can be connected.
Monitor outputs are labeled A and B. If one monitor is used, it is connected to
MONITOR A. MONITOR B is used to connect the SPOT monitor.
3. Voice connection
This product has a function to store input voice information. Appropriate devices must be connected to
store or output voice information.
Voice input
Connect a RCA voice input terminal (like a line level input) to the AUDIO IN terminal in the back of the
product.
To setup voice input, set [AUDIO] to ON in the record setup screen in the Setup
menu. Refer to ‘5.7 Record setup’ for details.
Four voice inputs are each synchronized 1:1 with CH1~CH4 and voice output is
only possible in the single screen mode. In the multi screen mode, CH1 voice
output is default. Voice is not output even during single mode double speed
playback. In addition, on the network multi-screen, voice output is available
when one of CH1~CH4 is selected.
Voice output
Connect a RCA voice output terminal (like a monitor with a speaker) to the AUDIO OUT terminal in the
back and front of the product.

26
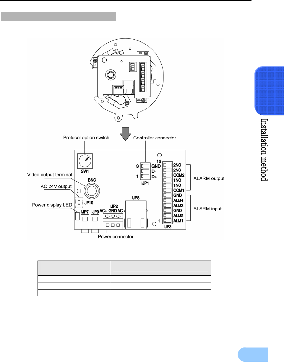
3.2.3 External connector
If you make a connection to HDD Extension Unit, please refer to the manual.
MONITOR A2
CH16
CH15
CH14
CH13
CH12
CH11
CH10
CH9
CH8
CH7
CH6
CH5
CH4
CH3
CH2
CH1
MONITOR A1MONITOR B
RS-422/485
VGA
USB3,4
TERM 2
TERM 1
CONSOLE
RELAY OUT
SENSOR IN
ETHERNET
AUDIO IN 1 AUDIO IN 2
AUDIO IN 3
AUDIO
OUTAUDIO IN 4
RS-232C
1 2 3 4
1 2 3 4
3. RS-422/485 6. LAN(Ethernet)
5. VGA Monitor
1. Sensor In 4. RS-232C
2. Relay Out
SVR-1650/1640E/1640A
SVR-950E
95
SATA Output

SVR-1650E/1640A/950E User Manual
27
3
1. Sensor input (SENSOR IN)
This is an external sensor connection terminal used to input information from the connected sensors or
devices to the product.
Sensor input type can be setup in the Event setup screen in the Main menu.
Refer to ‘5.8.1 Event setup’ for details.
※ For SVR-950E, sensors 10 to 16 are not connected (NC)
No. Description No. Description
1 S1 SENSOR 1 14 S14 SENSOR 14
2 S2 SENSOR 2 15 S15 SENSOR 15
3 S3 SENSOR 3 16 S16 SENSOR 16
4 S4 SENSOR 4 17 GND Ground
5 S5 SENSOR 5 18 GND Ground
6 S6 SENSOR 6 19 GND Ground
7 S7 SENSOR 7 20 GND Ground
8
9
10
11
12
13
S8
S9
S10
S11
S12
S13
SENSOR 8
SENSOR 9
SENSOR 10
SENSOR 11
SENSOR 12
SENSOR 13
21
22
23
24
25
GND
GND
GND
GND
GND
Ground
Ground
Ground
Ground
Ground

28
2. Relay output (RELAY OUT)
This is an alarm output terminal used to output alarms for sensor, motion detection, video loss and power
OFF to external devices.
For operation of each relay output, refer to the main menu event setup in
‘5.8.3 Relay setup’.
No. Description No. Description
1 NO1 Normal Open 14 D_IO 0 Digital I/O
2 CM1 Common 15 D_IO 1 Digital I/O
3 NC1 Normal Close 16 D_IO 2 Digital I/O
4 NO2 Normal Open 17 D_IO 3 Digital I/O
5 CM2 Common 18 D_IO 4 Digital I/O
6 NC2 Normal Close 19 D_IO 5 Digital I/O
7 NO3 Normal Open 20 D_IO 6 Digital I/O
8
9
10
11
12
13
CM3
NC3
NO4
CM4
NC4
GND
Common
Normal Close
Normal Open
Common
Normal Close
Ground
21
22
23
24
25
D_IO 7
GND
GND
GND
GND
Digital I/O
Ground
Ground
Ground
Ground

SVR-1650E/1640A/950E User Manual
29
3
3. External control equipment (RS-422/485)
This is a terminal for connecting external control equipment.
The switch labeled TERM is used to turn ON/OFF terminating resistance for RS–422/485 communication
equipment.
PORT No. RS-422 RS-485
1 RX+ (+Data Receive) Data+
2 RX- (-Data Receive) Data-
3 N/C (Not connected) N/C (Not connected)
4 N/C (Not connected) N/C (Not connected)
5 GND(Ground) GND(Ground)
6 N/C (Not connected) N/C (Not connected)
7 Tx-(-Data Send) Data-
PORT A
(Controller
SCC-3100A Control)
8 Tx+(+Data Send) Data+
9 Rx+(+Data Receive) Data+
10 Rx-(-Data Receive) Data-
11 N/C (Not connected) N/C (Not connected)
12 N/C (Not connected) N/C (Not connected)
13 GND(Ground) GND(Ground)
14 N/C (Not connected) N/C (Not connected)
15 Tx-(-Data Send) Data-
PORT B
(Speed Dome Control)
16 Tx+(+Data Send) Data+
TERM 1 switch controls PORT A, TERM 2 Switch controls PORT B
1, 2 : ON → RS-485 MODE, OFF .→ RS-422 MODE
3, 4 : ON → Termination On, OFF → Termination Off

30
PORT A : SCC-3100A terminal
※ RS-422/485 connection can be selected from the SW1 switch.
To connect RS-485: SW1 switch 1, 2 are turned ON.
To connect RS-422: SW1 switch 1, 2 are turned OFF
DVR PORT A Controller Terminal
( PORT 1) RS-485 RS-422
RX+ 1 or 8 8
RX- 2 or 7 7
TX+ 1
TX- 2

SVR-1650E/1640A/950E User Manual
31
3
PORT B : SPD-2200 terminal
Speed dome
terminal DVR PORT B
D + 9 or 16
D - 10 or 15
GND 13
※ If GND is connected, a much sharper image quality can be seen.
TERM2 switch 1, 2 must be set to ON.

32
SPD-2500 terminal
Speed dome terminal DVR PORT B
D + 9 or 16
D - 10 or 15
GND 13
※ If GND is connected, a much sharper image quality can be seen.
TERM2 switch 1, 2 must be set to ON.
SPD-2300/3000/3300 terminal
DVR PORT B
Speed dome terminal RS-485 RS-422
RXD+ 9 or 16 16
RXD- 10 or 15 15
TXD+ 9
TXD- 10
GND 13
TX Terminal for RS-232 communication
RX Terminal for RS-232 communication
※ If GND is connected, a much sharper image quality can be seen.
RS-422/485 connection can be selected from the TERM2 switch.

SVR-1650E/1640A/950E User Manual
33
3
4. Communication port (RS-232C)
This is a port used to connect to the PC to control the product.
External devices ATM/POS may be connected and used.
- SVR-1650E/1640A : RS-232C
- SVR-950E : CONSOLE.
5. Monitor output (VGA)
This is an output connector for the VGA monitor.
6. LAN connection (Ethernet)
This is a port to connect to the network.
When connecting network cable, we recommend installation with the cable core as below to improve
communication quality.
No. Description No. Description
1 N/C(Not connected) 6 N/C(Not connected)
2 RxD(Data receive) 7 N/C(Not connected)
3 TxD(Data send) 8 N/C(Not connected)
4 N/C(Not connected) 9 N/C(Not connected)
5 GND(Ground)
No. Description No. Description
1 Red signal(75Ω, 0.7Vp–p) 9 N/C(Not connected)
2 Green signal(75Ω, 0.7Vp–p) 10 GND
3 Blue signal(75Ω, 0.7Vp–p) 11 GND
4 N/C(Not connected) 12 N/C(Not connected)
5 GND 13 HSYNC(Horizontal synchronization)
6 GND 14 VSYNC(Vertical synchronization)
7 GND 15 N/C(Not connected)
8 GND
No. Description No. Description
1 TX+ (Data send) 5 N/C (Not connected)
2 TX- (Data send) 6 RX-(Data receive)
3 RX+(Data receive) 7 N/C (Not connected)
4 N/C (Not connected) 8 N/C (Not connected)

34
C
Ch
ha
ap
pt
te
er
r4
4.
.
O
Op
pe
er
ra
at
ti
io
on
n
m
me
et
th
ho
od
d
4.1 Preoperation inspection items
Make sure you verify the input power source voltage before turning on the power.
If product used for NTSC is used with a PAL device, it may malfunction
initially(recognize as a NTSC device). In this case, if power is turned OFF and ON
again, it will recognize the PAL device properly.
4.2 Connection of power supply
After connecting the product with other equipment including the power supply cable,
turn ON the power by pressing the stand-by switch button in front of the product.
When product is turned ON, video signal presence is recognized automatically.
Even if there is a sudden power failure, all setup value will be maintained.
If the product is setup to input a password when product is turned ON and OFF,
enter the password. Product cannot be turned ON or OFF without entering the
password in this case.
4.3 Live screen
When the product is turned ON, live screen, which is a surveillance screen, is displayed.
STAND-BY SWITCH
SVR-1650/1640E/1640A
SVR-950E

SVR-1650E/1640A/950E User Manual
35
4
4.3.1 FUNCTION screen display
If Channel 1~16(SVR-950E: Channel 1~9) is setup as screen mode and FUNCTION button is pressed,
icons for FUNCTION-LIVE will be activated. FUNCTION icon can be used to setup SPOT, PTZ and PIP.
In the FUNCTION-PLAY screen, the following play screen will be displayed.
4.3.2 Single channel screen display
If Channel 1~16(SVR-950E: Channel 1~9) button is pressed, each channel is displayed using the entire
screen.

36
4.3.3 Multi screen display
If MULTI button is pressed, 16 channels are displayed as a 16 DIVISION screen (For SVR-950E, channel 9
is partitioned into 9 segments on the screen.). If MULTI button is pressed once again, a 4 DIVISION
screen is displayed. Each time MULTI button is pressed, a divided screen is displayed following the order for
divided screen types setup in [Screen Setup]-[SEQUENCING].
If Multi button is pressed in order, display is changed in the following order :
16 DIVISION→ 4 DIVISION→ 9 DIVISION screen.
(SVR-950E: 9 DIVISION→ 4 DIVISION)

SVR-1650E/1640A/950E User Manual
37
4
4.4 Recording
4.4.1 General recording
If REC button is pressed, red LED is turned ON, N is displayed in the upper right corner and video
recording is started. If REC is pressed again, video recording is stopped.
[RECORD-OFF] is set to ON in password function, password input is needed to
stop REC.
4.4.2 Scheduled recording
If [Scheduled video recording] is setup for [Record Setup]–[RECORD]–[RECORD MODE] in the menu,
scheduled video recording is carried out automatically according to the reservation setup. REC button is not
operational during scheduled video recording.
Video recording status display ([NNNN]), shown on the screen, when the
corresponding channel is not being recorded, “0” is displayed and if there are
no images, "-" is displayed.
N: Normal video recording in progress
S: Scheduled video recording in progress
E: Event video recording in progress (motion detection video loss , sensor )
REC button is not operational during scheduled video recording.

38
4.5 Search
If SEARCH button is pressed, the following search menu is displayed. Video recorded items can be searched
by time, by event and by date using the menu and played. Log file search is also possible.
4.5.1 Time search
If [TIME] is selected after SEARCH button is pressed, images stored in the basic built-in HDD can be
setup by ‘TIME’ or ‘CALENDAR’ and played.
In case of ‘TIME’, date and time video recording was carried out is displayed. If the desired date and time is
entered and [OK] button is pressed, images recorded for each channel during this time period can be viewed.
In case of ‘CALENDAR’, recorded images can be conveniently found and viewed by using calendar.

SVR-1650E/1640A/950E User Manual
39
4
In case of ‘TIME’, recorded images are viewed by selected time period.
In case of ‘CALENDAR’, calendar helps to search recorded images conveniently through data and time
table.
After the date on the left calendar and the hour and channel on the right table are selected, minute can be
selected.
In the CALENDAR table, green section means event recording and Yellow
section means normal recording.
SV
R
-1650E
/
1640E
/
1640A
SV
R
-950E

40
4.5.2 Event search
If [EVENT] is selected after SEARCH button is pressed, a screen for selecting the event to search for is
displayed. User can search by event and play the result as needed.
Channel : Select a channel for event search.
9 SVR-1650E/1640A : CH1~16
9 SVR-950E : CH1~9
Event type : Event type can be filtered for all events or
[SENSOR/V-LOSS/MD/TEXT].
9 SENSOR : Sensor events
9 V-LOSS : Video loss events
9 MD : Motion detection events
9 TEXT : Text input events
If number of video recording items exceeds the number that can be displayed
on one screen, use the (+)/(-) buttons on the remote controller or the main
body to move between pages.
If a video recording item is selected and ENTER button is pressed, the
corresponding video recording will be played.
To return to the EVENT LIST, press the ECS button again.

SVR-1650E/1640A/950E User Manual
41
4
4.5.3 Log search
Log history can be searched to verify the time for video recording start and stop, power ON/OFF, system
time change (CLOCK), menu setup change (SETUP).
[LOG] only provides a list and does not play recordings.
Press the ESC button to exit the list.
Select the modified Setup on [CONTENTS] and press ENTER button to verify
authority and submenu information.
4.6 Recording file playback
Files found by video recording search can be view through the playback related buttons shown in the figure
below. Function for each playback related button is as follows.
9 STEP(Frame play) : Press the STEP button from the video recorded screen to play it in a frame.
Each time the button is pressed, a small frame is played.
9 PLAY/PAUSE : If PAUSE button is pressed from the PLAY screen, the PLAY screen is
paused momentarily. If the button is pressed again, PLAY is resumed.
9 STOP : Press the STOP button from the PLAY screen to exit the PLAY mode.
9 FAST(FAST PLAY) : Press the FAST button from the PLAY screen to play at a faster speed
than the normal speed (2x, 4x, 8x, MAX).
9 DIR(Play direction conversion) : Press the DIR button from the PLAY screen to convert play
direction to forward direction or reverse direction.
Playback button

42
4.6.1 Jog dial / shuttle ring
9 Shuttle ring: Used to increase/decrease play speed and to change play direction, to move
between menus
9 Jog dial: Used to search still images in paused state.
4.7 Live / Playback screen conversion
If there is a video recording, press the PLAY/PAUSE button from the LIVE screen to get to the PLAY
screen. Press the STOP button from the PLAY screen to return to the LIVE screen.
Conversion from live to playback screen is only possible if a file for a video recording that occurred one
minute ago, with respect to end time, exists. If such a file does not exist, a ‘No Data’ message is outputted.
PLAY LIVE
Jog/Shuttl

SVR-1650E/1640A/950E User Manual
43
4
< Image freeze and copy function while LIVE or playback mode.>
(USB memory stick is necessary.)
Images can be paused and saved to USB memory stick while LIVE or playback
mode. The still image is saved as bitmap (*.bmp) file.
How to capture still image while LIVE mode.
How to capture still image while playback mode.
Notes for image capture

44
4.8 Digital zoom
If FUNCTION button is pressed and digital zoom icon is clicked, zoom function can be used.
9 To move in the expanded screen, use the up/down/left/right buttons.
9 D-ZOOM button operates in the single screen mode for channel 1~16
(SVR-950E: channel 1~9).
9 To cancel, press the mouse right button or the ESC key.
4.9 Copy
If COPY button is pressed, HDD content can be stored in other storage medium including
DVD±RW/DVD±R/CD-RW/CD-R and USB memory stick. The device connected to the product will be
automatically recognized and displayed on the menu.

SVR-1650E/1640A/950E User Manual
45
4
After selecting a storage medium, select the channel for which COPY will be carried out and the image
information [START-REC TIME /END-REC TIME]. Press ‘FORMAT’ to format media and then press
‘COPY’ to copy recorded images to the media from HDD.
-If a recording is in progress, it is continued even during the time COPY is
carried out.
-Network backup and network playback function are not supported during
the time COPY is carried out.
-If NORMAL COPY is carried out using a USB memory, the maximum
amount that can be copied with one USB memory is 200MB.
1. Before COPY, storage device formatting must be carried out first.
-DVD±RW/CD-RW: Use after executing the DVR Format Menu
-USB memory stick : Use after executing the Format Menu in FAT
format from the PC. (FAT32 format may not operate normally.)
2. Recommended media
-DVD : Mitsubishi, TDK, Imation (1~4X recommended)
-CD : Mitsubishi, TDK, Imation (4~12X recommended)
-USB memory stick : SanDisk, Transcend (512MB recommended)
3. If you wish to use an external DVD, you should use one of the
recommended models as follows.
4. Please make sure only authentic products are used.
If inauthentic products are used, problems may occur.
Using new media products is recommended. If DVD and CD
are used over a long period of time, error may occur.
5. If one of the messages below is displayed, COPY has not been
completed normally. Please follow directions to complete the COPY
operation normally.
“Copy is terminated. Try it over again after formatting the media, or
continue to copy from the termination time with new media.”
Manufacturer Model
DVD LG GSA-H10N
5.25” External DVD case SAEROTECK FCD-524

46
4.9.1 SLiM Player
SLIM Player is a program that is automatically saved when making a backup copy of a movie file on a CD or
USB using the copy function of the DVR. You may replay a backup copy of the data on a PC without
installing a separate Player program on a PC.
This function is only supported by DVR firmware version 1.8 or higher.
Button Name Function
1 Select Folder
Clicking on the button, the program will be executed and the folder
will appear. At this moment, if you click on the folder where the
recorded file is located, the list of recorded files in the folder will
appear.
The list of recorded files will be arranged and displayed in the order
of channel or time.
2 All list check or not check Select every file or cancel the selection.
3 Selected list check Select a file.
4 Selected list not check Cancel the selection of a file.
5 Play Play the selected files in order.
6 Stop Stop playing the file and canceling all the selections made.

SVR-1650E/1640A/950E User Manual
47
4
Button Name Function
7 Channel Info Display the information of the channel that is saved.
8 Time Info Display the information on the recording time for the file being
played.
9 Control of playback speed Adjust the playing speed.(1x/2x/4x/8x)
10 Control of playback
functions
These are functions related to ‘play’.
- Move to the previous frame.
- Play in the reverse direction.
- Temporary stop.
- Play in the forward direction.
- Move to the next frame.
11 Control of playback Image
size
Adjusting the size of the screen for playing the content.
- 1x zoom/2x zoom/Entire screen
- Images with resolutions, 704x240 or 704x288 will not change its
size even with 2x zooming.
12 Save as JPEG Save the screen being played as a JPEG file.
13 Invert Rotate the screen being played by 180°.
14 Audio ON/OFF Turn the audio function ON/OFF.
15 Playback File List
: Getting ready for playing
: forward play
: reverse play
: pause
■ : stop playing
16 Watermark detector Turn the watermark detector ON/OFF.

48
4.10 PTZ
From the selected LIVE entire screen SINGLE mode, press the PTZ button to adjust camera Pan, Tilt,
Zoom or view the screen in preset (PTZ value for camera setup in advance) state. There are no PTZ related
buttons on the remote controller.
4.10.1 PTZ adjustment
9 After pressing the PTZ button from the single screen, put the cursor on the button and
adjust using the shuttle.
9 To adjust camera TILT, after pressing the PTZ button from the single screen, put the cursor on
the button and adjust using the shuttle.
9 To adjust camera ZOOM, after pressing the PTZ button from the single screen, put the cursor
on the button and adjust using the shuttle.
9 To adjust camera focus, put the cursor on the button and adjust using the shuttle.
Jog dial can only cause movement in 1x speed. By increasing the shuttle ring
rotation angle, movement in 2x, 4x, 8x speed is possible for the shuttle ring.
9 After adjusting, if the button is pressed with the mouse or if the ENTER button, located
on the front of DVR, is pressed after the A button is selected, focus is adjusted automatically.
9 To exit the PTZ mode, press the mouse right button or the ESC key.
PTZ mode can only be used in LIVE screen and cannot be setup in MULTI mode.
It must be setup as SINGLE mode in the LIVE screen.
P
T
Z
F
A

SVR-1650E/1640A/950E User Manual
49
4
4.10.2 Preset setup
9 Select a desired channel from channel 1~16(SVR-950E: channel 1~9) in the LIVE screen and
select the entire screen mode.
9 Press PTZ to select the PTZ mode (PTZ is displayed in the upper right corner of the screen.)
9 Press (PAN) / (TILT) / (ZOOM) and use the mouse and jog/shuttle to take the screen to the
desired PTZ state.
9 Use PRESET located below PTZ and setup the value with the mouse (1~255).
1. If PTZ (P-Set) is displayed in the upper part of the screen, Channel 1∼16
(SVR-950E: channel1~9) displays the preset number to setup (1~255) rather
than the corresponding channel.
2. Preset may be setup by pressing the ‘ENTER’ key, located in the front of DVR,
or the mouse button after moving the cursor to .
4.10.3 Preset utilization
9 Select a desired channel from channel 1~16(SVR-950E: channel 1~9) and select the entire
screen mode.
9 Press PTZ to select the PTZ mode (PTZ is displayed in the upper right corner of the screen.)
9 Use the mouse on PRESET, located below PTZ on the screen, to setup the value (1~255).
9 If the desired button between Channel 1~16(SVR-950E: channel 1~9) is pressed, the cursor is
moved to the button and the ENTER key located on the front of DVR is pressed, the
camera operates with preset values setup in advance.
4.10.4 Using OSD for the Speed Dome Camera
9 After pressing the PTZ button from the single screen, if either the ENTER key in the front of
the DVR or the mouse button is pressed after moving the cursor to ……, OSD for the speed
dome camera and the following message will be displayed: ‘PTZ OSD’.
9 OSD cursor for the speed dome camera may be moved up/down and left/right by using
▲▼ keys in the front of the DVR.◀▶
9 Changes in OSD for the speed dome camera may be setup or cancelled by using ENTER and
ESC keys in the front of the DVR.
9 OSD function for the speed dome camera can be terminated by pressing the PTZ button in the
front of the DVR.
S
M
o

50
4.11 Quick setup
Collection of frequently used menu items that can be used to modify setup values quickly. It can move to the
[Quick Setup] screen by pressing the MENU button on the front of the product.
9 RECORDE MODE : Manual & Event or Schedul & Event setup item.
9 EVENT CHECK : Can be set to OFF, ALWAYS or TIMEZONE.
9 TIME SETUP : Setup the system time.
9 DATE FORMAT : Setup the date display format.
9 LANGUAGE : Language can be selected.
9 AUDIO : Select whether to store voice information along with images.
Press the ESC button after completing the setup to move to the completion screen. If [SAVE] is selected
here, setup items are saved.

SVR-1650E/1640A/950E User Manual
51
4
4.12 PIP
If FUNCTION button is pressed in entire screen mode, the FUNCTION screen is displayed. If the PIP
icon is pressed from here, another screen can be viewed together.
SVR-1650E/1640A SVR-950E
Live PIP from Live screen
1. Press the FUNCTION button and select the PIP icon.
2. From the menu on the right side of the live screen, select the desired channel.
3. If the desired channel is selected with the mouse, a small screen is displayed inside the screen.
4. If mouse right button or the ESC button is pressed, PIP mode is cancelled.
Play PIP from PLAY screen
Same as PIP setup item in live screen.

52
4.13 System information
If FUNCTION button is pressed, the FUNCTION screen is displayed. If the STATUS icon is clicked
from here, system related information is displayed as shown below.
SVR-1650E SVR-1640A
SVR-950E
9 TOTAL RECORDABLE TIME : The time duration that can be allocated to the entire portion
of HDD for a given amount of image data received by the DVR in one minute.
9 CURRENT RECORDABLE TIME : The time duration that can be allocated to the unrecorded
portion of HDD for a given amount of image data received by the DVR in one minute.
As shown on the screen above, video recording program information and version, IP address, MAC address,
voice information can be verified. If mouse right button or ESC button is pressed, the information screen is
closed.

SVR-1650E/1640A/950E User Manual
53
4
4.14 SPOT
If FUNCTION button is pressed, the FUNCTION screen is displayed. If the SPOT icon is clicked
from here, the following screen is displayed. If SPOT monitor is used, it can be used like the MULTI
function for the main monitor.
SVR-1650E/1640A
SVR-950E

54
C
Ch
ha
ap
pt
te
er
r5
5.
.
S
Se
et
tu
up
p
m
me
et
th
ho
od
d
5.1 Menu organization
Menu organization for DVR is as follows.
Quick Setup
Screen Setup
Record Setup
Event Setup
Communication
System Setup
Search
Copy
Exit

SVR-1650E/1640A/950EUser Manual
55
5
Menu organization is as follows. Refer to‘5.5 ~ 5.10’ for details.
SAVE
DO NOT SAVE
NETWORK
RS232C
RS422/485
E-MAIL
SCREEN
SEQUENCING
DISPLAY
COVERT
SPOT
RECORD
PROGRAM
EVENT
MD
RELAY
TEXT SYSTEM
HDD
PASSWORD
DATE-SETUP
PTZ
TIME
EVENT
LOG
COPY
STATUS
Screen Setup
Record S
Event Setup
Communication
System Setup
Search
Copy
Exit

56
5.2 Initial value setup
DVR product is shipped with the initial value setup listed below. If the initial values have been changed and
the user wants to get back the initial values the product was shipped with, click [System Setup]-[System] in
the menu and set [DEFAULT] to [Yes].
Screen setup
Initial value
Main menu Lower menu SVR-1650E/1640A SVR-950E
SCREEN
CH NUMBER
TITLE
BRIGHTNESS
CONTRAST
SHARPNESS
VIDEO OUTPUT
SELECT
CH1~16
1~16
0
0
0
Enhanced COMPOSITE
CH1~9
1~9
0
0
0
Enhanced COMPOSITE
SEQUENCIN
G
DWEEL TIME
ORDER
MULTI MODE
VIDEO LOSS SKIP
3 sec (CH1 ~ 16)
CH1…→CH16→4DIV A…→
4DIV E→9DIV A→9DIV B→
16DIV
4DIV : CH1,CH5,CH9,CH13
9DIV : CH8 ~ CH16
OFF
3 sec (CH1 ~9)
CH1…→CH9→4DIV A→
4DIV B→4DIV C→9DIV
4DIV : CH1,CH2,CH3,CH9
OFF
DISPLAY
DATE & TIME
HDD FREE SPACE
RECORD STATUS
TITLE
REMOTE ID
ON
ON
ON
ON
ON
ON
ON
ON
ON
ON
COVERT
CH NUMBER
LIVE COVERT
PLAY COVERT
CH1~16
OFF
OFF
CH1~9
OFF
OFF
SPOT
TITLE DISPLAY
SPOT MODE
SPOT EVENT
SCREEN
ON
MANUAL
OFF
No function available
MANUAL
OFF

SVR-1650E/1640A/950EUser Manual
57
5
Record setup
Main menu Lower menu Initial value
RECORD
RECORD MODE
PROGRAM
PRE EVENT DURATION
POST EVENT DURATION
REPEAT RECORD MODE
WARNING LEVEL
AUDIO
M&E
PROGRAM K
3 sec
10 sec
ON
5%
OFF
PROGRAM PROGRAM K
IMAGE SIZE 704 x 240(NTSC)
SVR-1650E : M=5, Q=H, E=10, Q=S
SVR-1640A:M=1, Q=H, E=3, Q=S
SVR-950E : M=2, Q=H, E=3, Q=S
(Refer to ‘5.7.2 Record program’ for
details.)

58
Record program (SVR-1650E)
NTSC PAL
Order
SIZE MANUAL QUALITY EVENT QUALITY SIZE MANUAL QUALITY
EVENT QUALITY
A 704 X 480 5 S 7 S 704 X 576 5 S 6 S
B 704 X 480 3 S 4 S 704 X 576 3 S 5 S
C 704 X 480 5 H 7 S 704 X 576 5 H 6 S
D 704 X 480 3 H 4 H 704 X 576 3 H 5 H
E 704 X 480 1 H 3 H 704 X 576 1 H 3 H
F 704 X 240 10 S 15 S 704 X 288 10 S 15 S
G 704 X 240 5 S 20 S 704 X 288 5 S 20 S
H 704 X 240 3 S 10 S 704 X 288 3 S 10 S
I 704 X 240 10 H 20 S 704 X 288 10 H 20 S
J 704 X 240 10 H 15 S 704 X 288 10 H 15 S
K 704 X 240 5 H 10 S 704 X 288 5 H 10 S
L 704 X 240 5 H 10 H 704 X 288 5 H 10 H
M 704 X 240 3 H 5 H 704 X 288 3 H 5 H
N 704 X 240 5 M 15 S 704 X 288 5 M 15 S
O 704 X 240 3 M 10 H 704 X 288 3 M 10 H
P 352 X 240 30 S 30 S 352 X 288 25 S 25 S
Q 352 X 240 20 H 20 S 352 X 288 15 H 15 S
R 352 X 240 10 H 15 H 352 X 288 10 H 15 H
S 352 X 240 25 M 25 S 352 X 288 20 M 20 S
T 352 X 240 10 M 10 H 352 X 288 10 M 10 H
■ Matters that require attention
-Initial value is currently set to K.
-Value that corresponds to the program above can be applied to all 16 channels.

SVR-1650E/1640A/950EUser Manual
59
5
Record program (SVR-1640A)
NTSC PAL
Order
SIZE MANUAL QUALITY EVENT QUALITY SIZE MANUAL QUALITY
EVENT QUALITY
A 704 X 480 1 H 5 S 704 X 576 1 H 5 S
B 704 X 480 1 H 3 H 704 X 576 1 H 3 H
C 704 X 480 1 H 1 H 704 X 576 1 H 1 H
D 704 X 240 3 S 9 S 704 X 288 3 S 4 S
E 704 X 240 3 H 5 S 704 X 288 3 H 3 S
F 704 X 240 3 H 3 H 704 X 288 3 H 3 H
G 704 X 240 1 H 3 S 704 X 288 1 H 3 S
H 704 X 240 3 M 9 S 704 X 288 3 M 4 S
I 704 X 240 3 M 5 H 704 X 288 3 M 3 H
J 704 X 240 1 M 3 S 704 X 288 1 M 3 S
K 704 X 240 1 H 3 S 704 X 288 1 H 3 S
L 352 X 240 7 S 9 S 352 X 288 6 S 7 S
M 352 X 240 5 H 10 S 352 X 288 4 H 5 S
N 352 X 240 3 H 5 S 352 X 288 3 H 5 S
O 352 X 240 7 H 9 H 352 X 288 5 H 10 H
P 352 X 240 3 H 5 H 352 X 288 3 H 5 H
Q 352 X 240 1 H 5 S 352 X 288 1 H 5 S
R 352 X 240 7 M 9 S 352 X 288 6 M 7 S
S 352 X 240 5 M 10 H 352 X 288 3 M 10 H
T 352 X 240 3 M 5 S 352 X 288 3 M 5 S
■ Matters that require attention
-Initial value is currently set to K.
-Value that corresponds to the program above can be applied to all 16 channels.

60
Record program (SVR-950E)
NTSC PAL
Order
SIZE MANUAL QUALITY EVENT QUALITY SIZE MANUAL QUALITY
EVENT QUALITY
A 704 X 480 2 H 5 S 704 X 576 2 H 5 S
B 704 X 480 1 H 3 H 704 X 576 1 H 3 H
C 704 X 480 1 H 2 H 704 X 576 1 H 2 H
D 704 X 240 5 S 9 S 704 X 288 5 S 5 S
E 704 X 240 3 H 5 S 704 X 288 3 H 5 S
F 704 X 240 3 H 3 H 704 X 288 3 H 3 H
G 704 X 240 1 H 3 S 704 X 288 1 H 3 S
H 704 X 240 5 M 9 S 704 X 288 5 M 5 S
I 704 X 240 3 M 5 H 704 X 288 3 M 5 H
J 704 X 240 1 M 3 S 704 X 288 1 M 3 S
K 704 X 240 2 H 3 S 704 X 288 2 H 3 S
L 352 X 240 10 S 12 S 352 X 288 7 S 10 S
M 352 X 240 5 H 10 S 352 X 288 5 H 10 S
N 352 X 240 3 H 5 S 352 X 288 3 H 5 S
O 352 X 240 10 H 12 H 352 X 288 7 H 10 H
P 352 X 240 5 H 10 H 352 X 288 5 H 10 H
Q 352 X 240 2 H 5 S 352 X 288 2 H 5 S
R 352 X 240 10 M 12 S 352 X 288 7 M 10 S
S 352 X 240 5 M 10 H 352 X 288 5 M 7 H
T 352 X 240 3 M 5 S 352 X 288 3 M 5 S
■ Matters that require attention
-Initial value is currently set to K.
-Value that corresponds to the program above can be applied to all 9 channels.

SVR-1650E/1640A/950EUser Manual
61
5
Event setup
Main menu
Lower menu Initial value
EVENT
CHECK
MESSAGE
BUZZER
SWITCH TO EVENT SCREEN
EVENT DISPLAY MIN TIME
EVENT DISPLAY MAX TIME
TEXT MONITORING
SENSOR TYPE
- CH1~16(SVR-1650E/1640A)
- CH1~9(SVR-950E)
OFF
ON
OFF
OFF
3 sec
5 sec
OFF
NO
MD
MD CHANNEL
ALL AREA SET
CH1~16
(SVR-1650E/1640A)/
CH1~9(SVR-950E), ALL
-
RELAY SENSOR, MD, V-LOSS,POWER OFF
TEXT
SYNC CHANNEL
DEVICE
CHECK PROTOCOL
LINES
CH1
NORMAL
OFF
1
EVENT-
PRESET
SENSOR PRESET
MD PRESET
CH1/PRESET 0
CH1/PRESET 0

62
Communication
Main menu Lower menu Initial value
NETWORK
TYPE
DHCP
IP ADDRESS
SUBNET MASK
GATEWAY
DNS
PORT
SWR
Ethernet
OFF
000.000.000.000
255.255.255.000
000.000.000.000
000.000.000.000
4000
OFF
RS232
BAUD RATE
DATA BIT
PARITY BIT
STOP BIT
9600
8
NONE
1
RS422/
485
SYSTEM ID
PORT TYPE
BAUD RATE
DATA BIT
PARITY BIT
STOP BIT
0
PORT A
9600
8
NONE
1
E-MAIL
E-MAIL CHECK
TO
SMTP SERVER
AUTHENTICATION
ID, PW
OFF
-
-
OFF
-
DDNS
SWR
DDNS
SERVER
ID
PW
OFF
OFF
-
-
-

SVR-1650E/1640A/950EUser Manual
63
5
System setup
Main menu Lower menu Initial value
SYSTEM
LANGUAGE
KEY BUZZER
DEFAULT
LOAD/SAVE CONFIGURATION
FIRMWARE DOWNLOAD
REMOTE SETUP
DVR ALIAS
REMOTE ID
REMOTE LIVE MODE
(Function exclusively for SVR-1650E/1640A)
CH 1 ~ 16 (NTSC)
CH 1 ~ 16 (PAL)
ENGLISH
ON
-
LOAD
-
ENABLE
-
ALL
SINGLE
7
6
HDD
INTERNAL HDD
HDD Format
HDD
EXTERNAL HDD
HDD Format
HDD
-
HDD1
-
PORT1-HDD1
PASSWORD
USER AUTHORIZATION
USER PASSWORD
BUZZER IF CHECKING FAILS
-
-
OFF
DATE-SETUP
TIME SETUP
DATE FORMAT
DAYLIGHT SAVING
NTP CHECK
NTP SERVER
-
YY/MM/DD
OFF
OFF
time.windows.com
PTZ
CH NUMBER
CAMERA ID
MODEL
CH1~16
(SVR-1650E/1640A) /
CH1~9 (SVR-950E)
0
NONE
Search
Main menu Lower menu Initial value
TIME TIME
CALENDAR
-
-
EVENT CHANNEL
EVENT TYPE
ALL
ALL
LOG -

64
Copy
Main menu Lower menu Initial value
COPY
COPY
STATUS
1.NONE(GSA-H55N)
2.NONE
3.NONE
4.NONE
NO DATA
Exit
Main menu Lower menu Initial value
- SAVE
DO NOT SAVE
-
-

SVR-1650E/1640A/950EUser Manual
65
5
5.3 Operation description
DVR can be setup easily using the USB mouse.
Operation using the mouse
9 Left button : It is used to select menu or check the setting value. Used to selelet menu, verify
setup values and cancel the popup menu.of main menu.
9 Right button : Used to Function or cancel popup menu.
9 Mouse wheel : Used to change setup values and display popup menu.
Operation using the main body buttons
9 ◀▶ : Move the cursor to the left and to the right.
9 ▲▼ : Move the cursor up and down.
9 +, - : Used to increase or decrease the value to be setup.
9 Move the cursor and press the ENTER button to select the corresponding characters.
9 Press the ESC button to exit the current menu being setup.
9 To move between character rows, use the up/down arrow buttons.
Operation using the remote controller
9 Move left/right within the menu : Push the ◀ ▶ button.
9 Menu selection : Press the ENTER button.
9 Setup value modification : Press the (–) (+) button.
DVR does not support double-click of left mouse button.
Right Button
Left Button
Mouse Wheel

66
5.4 FUNCTION menu
5.4.1 LIVE/PLAY mode
For SINGLE mode setup in the LIVE screen, all LIVE functions are activated and displayed. For MULTI
mode setup in the LIVE screen, D-ZOOM, PIP, PTZ are inactivated and cannot be setup.
If PLAY/PAUSE button is pressed, conversion to the PLAY screen occurs. For single screen mode setup in
the PLAY screen, PLAY functions SPOT, MULTI, D-ZOOM and PIP can be setup
If PLAY/PAUSE button is pressed while in MULTI mode, D-ZOOM function cannot be setup.
5.4.2 FUNCTION operation description
MAIN
If MAIN button is pressed from FUNCTION-LIVE, the convenient setup screen, shown below, is
displayed. If MAIN Menu setup is desired, press the MAIN button.
MENU STATUS SPOT MULTI AUTO D-ZOOM PIP PTZ
PLAY/
PAUSE
STEP STOP FAST DIR

SVR-1650E/1640A/950EUser Manual
67
5
STATUS
If STATUS button is clicked, information related to the system is displayed.
9 SYSTEM INFORMATION 1 : Displays video recording program status information.
9 SYSTEM INFORMATION 2 : Displays VERSION, IP ADDRESS, MAC ADDRESS and
AUDIO information.
SVR-1650E SVR-1640A
SVR-950E

68
SPOT
If SPOT button is clicked, the SPOT setup screen is displayed. SPOT monitor can be used to view SINGLE
or divided screen.
DISPLAY
If MULTI button is clicked, the MULTI setup screen is displayed. Main monitor can be used for live
observation in SINGLE screen or divided screen.
SV
R
-1650E
/
1640E
/
1640A
SV
R
-950E

SVR-1650E/1640A/950EUser Manual
69
5
AUTO
If AUTO button is pressed, each channel and 4 DIVISION screen, 9 DIVISION screen and 16 DIVISION
screen(SVR-950E: 4 DIVISION screen, 9 DIVISION screen) are automatically converted and displayed in
time interval which was setup in [Screen Setup]–[SEQUENCING] in the conversion menu.
In automatic screen conversion state, input from other buttons is not
recognized. Push the AUTO button and cancel the Automatic screen conversion
function before using other function buttons.
If an Event is generated and [EVENT]–[SWITCH TO EVENT SCREEN] is [ON] for
[Event Setup], Automatic screen conversion function is halted for [EVENT
DISPLAY MAX TIME] before resuming operation.
D-ZOOM
If D-ZOOM button is clicked, zoom function for the installed camera can be used.
D-ZOOM is scalable by 8 times.
PIP
If PIP button is clicked, screen within a screen can be viewed in SINGLE mode. PIP function can be setup
for every 16 channels(SVR-950E: 9 channels).
PTZ
If PTZ button is clicked, detailed PRESET setup and PAN, TILT, ZOOM function for the dome camera
that has already been installed can be used.

70
5.5 Menu screen description
Organization of the menu screen is as follows.
Description of all menu screen setup value selection and modification is based
on the assumption that the mouse is used.
9 Main menu : Main menu corresponding to each tab can be selected.
9 Sub menu : Lower menu that can be setup from the main menu can be selected.
9 Setup items : Setup items for the lower menu can be modified.
9 Useage method : Usage method for the selected menu.
9 Record setup may take some time. Please wait until it is completed.
Main menu
Sub menu
Setup items
Usage method

SVR-1650E/1640A/950EUser Manual
71
5
5.6 Screen setup
If [Screen Setup] tab is clicked, lower menu related to [Screen Setup] is displayed as shown below. In screen
setup, [SCREEN], [SEQUENCING], [DISPLAY], [COVERT], [SPOT] related setup values may be
modified.
5.6.1 Screen
Select a channel among the 16 available(SVR-950E: select a channel among the 9 available) and setup the
channel name, brightness and contrast for that channel. Each channel can be setup separately like this.
9 TITLE : User can setup a title for each channel. A channel name consists of 8 characters
including the channel number.

72
VIDEO OUTPUT SELECT
9 Enhanced COMPOSITE: May be selected when current mode is 'Enhanced VGA'. Both
COMPOSITE output and VGA output is possible and values from -9 to 9 may be setup for
‘CONTRAST'. In 'Enhanced COMPOSITE', image quality for VGA output may degrade slightly.
9 Enhanced VGA : May be selected when current mode is 'Enhanced COMPOSITE'. Only VGA
output is possible and values from -7 to 7 may be setup for ‘CONTRAST’. Better image quality
than that for VGA output in 'Enhanced COMPOSITE' may be obtained.
When 'Enhanced VGA' is selected and VGA output cannot be viewed, press the
following keys in order from the DVR front panel to change to 'Enhanced
COMPOSITE': ‘+’, ‘1’, ‘2’, ‘3’, ‘4’, ‘2’, ‘3’, ‘4’, ‘1’, ‘ENTER’
5.6.2 Sequencing
Automatic screen conversion function for the live screen can be setup.
Channels are displayed after every set time interval, after automatic conversion, in the following order:
[MULTI MODE]
9 SEQ. CH NUMBER : Setup the screen display duration for each channel. Setup range is
Channel 1~16(SVR-950E: channel 1~9), ALL.

SVR-1650E/1640A/950EUser Manual
73
5
9 DWELL TIME : Setup the conversion display duration. Setup range is SKIP, 1~99 sec.
SVR-1650E/1640A SVR-950E
9 ORDER : Setup whole channels that will be converted.
9 User defined screen
- 4DIV C : SVR-950E
4DIV E : SVR-1650E/1640A
It sets the user defined screen with 4-partitioned segments for 4 channels.
- 9DIV B : It sets the user defined screen with 9-partitioned segments for 9 channels.
(This function is not supported by a SVR-950E series.)

74
VIDEO LOSS SKIP [ON/OFF] : If setup as[ON], channels without image signals
will be skipped automatically and only channels with image signals will be
displayed in the screen.

SVR-1650E/1640A/950EUser Manual
75
5
5.6.3 Display
Information to be displayed on the live screen can be selected.
9 DATE & TIME [ON/OFF] : If setup as [ON], current time is displayed in the live screen.
9 HDD FREE SPACE [ON/OFF] : If setup as [ON], remaining capacity for the mounted hard
disk drive is displayed.
9 RECORD STATUS [ON/OFF] : If setup as [ON], video recording status display([NNNN]) is
displayed in the upper right area of the screen during video recording.
9 TITLE [ON/OFF] : If setup as [ON], titles for Channel 1∼16(SVR-950E: channel 1~9), set by
the user in the channel name lower menu, is displayed in the live screen.
9 REMOTE ID [ON/OFF] : If setup as [ON], ID number of the remote controller is displayed
on the screen.
For details on video recording status display, refer to ‘5.4 Record setup’.

76
5.6.4 Covert
One channel among the 16 available(SVR-950E: among the 9channel) may be selected to setup the image
hiding function.
9 LIVE COVERT : If image hiding is turned ON, image is not shown for live screen as in V-
LOSS and privacy can be protected.
9 PLAYBACK COVERT : If Playback Covert is turned ON, recorded images stored in HDD
cannot be played back.
5.6.5 SPOT
Setup items for the SPOT monitor.
9 TITLE DISPLAY : Determines if title is to be displayed in the SPOT monitor.
(This function is not supported by a SVR-950E series.)
9 SPOT MODE : If you have set it to "MANUAL" and you want to switch to a different channel,
then press the FUNCTION button located on the front panel of the product and then select the
SPOT menu. For MANUAL setup, screen channel is converted by the button located in front of
the product. For SEQUENCE setup, screen is converted automatically in setup order to the
SPOT monitor.
9 SPOT EVENT SCREEN : If setup as ON and an event is generated, it is converted to that
screen.

SVR-1650E/1640A/950EUser Manual
77
5
5.7 Record setup
If the mouse is moved over the [Record Setup] tab, a video recording related lower menu is displayed as
shown below. If ‘ENTER’ key, located in the front of DVR, is pressed or if lower level menu is selected
with the mouse, detailed items may be viewed.
5.7.1 Record mode
Record mode setups manual and scheduled recording mode.
9 M & E : Manual setup. If REC button is pressed, video recording is carried out.
9 S & E : Video recording is carried out automatically according to the setup reserved schedule.
9 PRE EVENT DURATION : The amount of time before an event is setup and automatic video
recording is carried out for this amount of time.
9 POST EVENT DURATION : The amount of time after an event is setup and automatic video
recording is carried out for this amount of time.
9 REPEAT RECORD MODE : If HDD capacity is used up during video recording, recording
will by continued by overwriting the data at the front of the HDD.
ON: If there is no more space left in the HDD, repetitive video recording will be
carried out by over writing the oldest data.
OFF: If there is no more space left in the HDD, video recording will be halted.

78
9 WARNING LEVEL : If available space in the hard disk drive reaches the setup percentage, a
warning message will be displayed to the user. Possible setup range is 1 ∼ 10% and 5∼10% is
generally used.
9 AUDIO : Select whether to store voice information.
Scheduled video recording mode can be used to setup the date and time when video recording will be carried
out automatically.
Setting Method
9 As you set INDEX, DAY, PROGRAM and HOUR, then the content will be immediately
displayed in the table.
9 If you select the start time and the stop time for recording in the table and click on them in
order, the content will be displayed in INDEX, DAY, PROGRAM and HOUR.
Deletion Method
9 Select the desired INDEX and then click on the Delete button. If you click on the Delete
button before selecting INDEX, then the content of INDEX that was selected previously will
be deleted first. After that, the content in the highest INDEX will be deleted and then others
INDEX will be deleted in the increasing order of INDEX.
Editing Method
9 Select the INDEX to be edited and then change DAY, PROGRAM and HOUR on your own.
9 If all the INDEX fields up to INDEX 50 are already set, then click on the time in the table to be
edited with your mouse. Click on the hour in the table to be changed, again with your mouse.
The previous setting will be deleted and overwritten with the change that you have just made.
Caution
9 If the same time is set twice then ‘!’ will be displayed in the table.
9 When you set the region of time, you may not include the existing time that is set previously.

SVR-1650E/1640A/950EUser Manual
79
5
5.7.2 Record program
SVR-1650E SVR-1640A
9 In the SVR-1650E series, it is possible to assign a different resolution to each group.
9 Each group is comprised of the four channels as follows.
Group1: Channel1~4, Group2: Channel5~8, Group3: Channel9~12, Group4: Channel13~16
SVR-950E
[PROGRAM] can be used to adjust the FRAME RATE, QUALITY and RESOLUTION to setup video
recording for M&E and S&E.
A program may be selected or directly setup depending on the desired number of frames and resolution. For
event recording, setup is possible for up to the maximum number of frames that can be stored in one
channel.
If events occur in more than two channels, the number of frames recorded can be adjusted automatically.
- Video recording quality can be setup as Low, Middle, High or Super.
When an event occurs, an image quality above High is recommended.
- M : Manual Framerate, Q : Manual Quality, E : Event Framerate,
Q : Event Quality
- Program : Each video recording quality and channel values have A~T
program.

80
5.7.3 Recording time table
NTSC (Installed Hard disk : 250G) FRAME, Recording capacity
by picture quality
SVR-1650E
704 x 480 SUPER HIGH MID LOW
120 1 Day 5 Hour 1 Day 16 Hour 2 Day 14 Hour 7 Day 15 Hour
80 1 Day 10 Hour 1 Day 23 Hour 3 Day 10 Hour 11 Day 11 Hour
64 1 Day 19 Hour 2 Day 11 Hour 4 Day 7 Hour 14 Day 8 Hour
30 3 Day 20 Hour 5 Day 5 Hour 9 Day 4 Hour 30 Day 14 Hour
16 7 Day 5 Hour 9 Day 20 Hour 17 Day 5 Hour 57 Day 9 Hour
8 14 Day 11 Hour 19 Day 16 Hour 34 Day 10 Hour 114 Day 18 Hour
4 28 Day 23 Hour 39 Day 8 Hour 68 Day 20 Hour 229 Day 13 Hour
704 x 240 SUPER HIGH MID LOW
240 1 Day 4 Hour 1 Day 15 Hour 2 Day 14 Hour 7 Day 15 Hour
180 1 Day 13 Hour 2 Day 4 Hour 3 Day 11 Hour 10 Day 4 Hour
120 2 Day 8 Hour 3 Day 6 Hour 5 Day 5 Hour 15 Day 7 Hour
60 3 Day 16 Hour 5 Day 2 Hour 8 Day 8 Hour 30 Day 14 Hour
32 6 Day 21 Hour 9 Day 13 Hour 15 Day 15 Hour 57 Day 9 Hour
16 13 Day 18 Hour 19 Day 3 Hour 31 Day 7 Hour 114 Day 18 Hour
8 27 Day 13 Hour 38 Day 6 Hour 62 Day 14 Hour 229 Day 13 Hour
4 55 Day 2 Hour 76 Day 12 Hour 125 Day 5 Hour 459 Day 3 Hour
352 x 240 SUPER HIGH MID LOW
480 1 Day 4 Hour 1 Day 13 Hour 2 Day 13 Hour 7 Day 15 Hour
320 1 Day 19 Hour 2 Day 8 Hour 3 Day 19 Hour 11 Day 11 Hour
240 2 Day 9 Hour 3 Day 3 Hour 5 Day 2 Hour 15 Day 7 Hour
120 4 Day 19 Hour 6 Day 7 Hour 10 Day 4 Hour 30 Day 14 Hour
64 6 Day 21 Hour 9 Day 13 Hour 15 Day 15 Hour 57 Day 9 Hour
32 13 Day 18 Hour 19 Day 3 Hour 31 Day 7 Hour 114 Day 18 Hour
16 27 Day 13 Hour 38 Day 6 Hour 62 Day 14 Hour 229 Day 13 Hour
8 55 Day 2 Hour 76 Day 12 Hour 125 Day 5 Hour 459 Day 3 Hour
4 110 Day 4 Hour 153 Day 1 Hour 250 Day 10 Hour 918 Day 7 Hour
SVR-1640A/950E(※ Basic mount HDD of SVR-950E is 160GB.)
704 x 480 SUPER HIGH MID LOW
30 3 Day 22 Hour 5 Day 14 Hour 9 Day 14 Hour 30 Day 5 Hour
16 7 Day 14 Hour 9 Day 22 Hour 17 Day 14 Hour 57 Day 22 Hour
8 14 Day 5 Hour 19 Day 20 Hour 34 Day 5 Hour 114 Day 21 Hour
4 28 Day 11 Hour 39 Day 16 Hour 68 Day 10 Hour 229 Day 19 Hour
704 x 240 SUPER HIGH MID LOW
60 3 Day 3 Hour 2 Day 22 Hour 4 Day 21 Hour 15 Day 23 Hour
32 6 Day 10 Hour 4 Day 18 Hour 7 Day 19 Hour 22 Day 22 Hour
16 13 Day 21 Hour 9 Day 13 Hour 15 Day 15 Hour 45 Day 21 Hour
8 27 Day 18 Hour 19 Day 3 Hour 31 Day 7 Hour 91 Day 19 Hour
4 55 Day 13 Hour 38 Day 6 Hour 62 Day 14 Hour 183 Day 15 Hour
352 x 240 SUPER HIGH MID LOW
120 2 Day 3 Hour 2 Day 20 Hour 4 Day 19 Hour 16 Day 16 Hour
64 4 Day 1 Hour 5 Day 9 Hour 9 Day 1 Hour 31 Day 7 Hour
32 6 Day 21 Hour 9 Day 13 Hour 15 Day 15 Hour 45 Day 21 Hour
16 13 Day 18 Hour 19 Day 3 Hour 31 Day 7 Hour 91 Day 19 Hour
8 27 Day 13 Hour 38 Day 6 Hour 62 Day 14 Hour 183 Day 15 Hour
4 55 Day 2 Hour 76 Day 12 Hour 125 Day 5 Hour 367 Day 7 Hour

SVR-1650E/1640A/950EUser Manual
81
5
PAL (Installed Hard disk : 250G)
SVR-1650E
704 x 480 SUPER HIGH MID LOW
100 1 Day 5 Hour 1 Day 13 Hour 2 Day 10 Hour 7 Day 20 Hour
50 2 Day 0 Hour 2 Day 18 Hour 4 Day 9 Hour 13 Day 18 Hour
25 4 Day 0 Hour 5 Day 12 Hour 8 Day 19 Hour 27 Day 13 Hour
16 6 Day 6 Hour 8 Day 14 Hour 13 Day 18 Hour 43 Day 1 Hour
8 12 Day 12 Hour 17 Day 5 Hour 27 Day 13 Hour 86 Day 2 Hour
4 25 Day 1 Hour 34 Day 10 Hour 55 Day 2 Hour 172 Day 4 Hour
704 x 240 SUPER HIGH MID LOW
200 1 Day 5 Hour 1 Day 12 Hour 2 Day 12 Hour 7 Day 20 Hour
100 2 Day 10 Hour 3 Day 1 Hour 5 Day 0 Hour 15 Day 17 Hour
50 3 Day 16 Hour 5 Day 4 Hour 8 Day 19 Hour 27 Day 13 Hour
32 5 Day 17 Hour 8 Day 2 Hour 13 Day 18 Hour 43 Day 1 Hour
16 11 Day 11 Hour 16 Day 4 Hour 27 Day 13 Hour 86 Day 2 Hour
8 22 Day 22 Hour 32 Day 9 Hour 55 Day 2 Hour 172 Day 4 Hour
4 45 Day 21 Hour 64 Day 19 Hour 110 Day 4 Hour 344 Day 8 Hour
352 x 240 SUPER HIGH MID LOW
400 1 Day 2 Hour 1 Day 12 Hour 2 Day 12 Hour 7 Day 20 Hour
200 2 Day 4 Hour 3 Day 1 Hour 5 Day 0 Hour 15 Day 17 Hour
100 4 Day 9 Hour 6 Day 2 Hour 10 Day 0 Hour 31 Day 11 Hour
48 7 Day 15 Hour 10 Day 10 Hour 16 Day 9 Hour 57 Day 9 Hour
32 11 Day 11 Hour 15 Day 15 Hour 24 Day 14 Hour 86 Day 2 Hour
16 22 Day 22 Hour 31 Day 7 Hour 49 Day 4 Hour 172 Day 4 Hour
8 45 Day 21 Hour 62 Day 14 Hour 98 Day 9 Hour 344 Day 8 Hour
4 91 Day 19 Hour 125 Day 5 Hour 196 Day 18 Hour 688 Day 17 Hour
SVR-1640A/950E
704 x 480 SUPER HIGH MID LOW
25 2 Day 0 Hour 2 Day 18 Hour 4 Day 9 Hour 11 Day 0 Hour
16 3 Day 3 Hour 4 Day 7 Hour 6 Day 21 Hour 17 Day 5 Hour
8 6 Day 6 Hour 8 Day 14 Hour 13 Day 18 Hour 34 Day 10 Hour
4 12 Day 12 Hour 17 Day 5 Hour 27 Day 13 Hour 68 Day 20 Hour
704 x 240 SUPER HIGH MID LOW
50 2 Day 2 Hour 2 Day 22 Hour 4 Day 21 Hour 14 Day 16 Hour
32 2 Day 20 Hour 4 Day 1 Hour 6 Day 21 Hour 17 Day 5 Hour
16 5 Day 17 Hour 8 Day 2 Hour 13 Day 18 Hour 34 Day 10 Hour
8 11 Day 11 Hour 16 Day 4 Hour 27 Day 13 Hour 68 Day 20 Hour
4 22 Day 22 Hour 32 Day 9 Hour 55 Day 2 Hour 137 Day 17 Hour
352 x 240 SUPER HIGH MID LOW
100 2 Day 0 Hour 2 Day 22 Hour 4 Day 21 Hour 14 Day 16 Hour
48 4 Day 4 Hour 6 Day 2 Hour 10 Day 4 Hour 30 Day 14 Hour
32 5 Day 17 Hour 7 Day 19 Hour 12 Day 7 Hour 34 Day 10 Hour
16 11 Day 11 Hour 15 Day 15 Hour 24 Day 14 Hour 68 Day 20 Hour
8 22 Day 22 Hour 31 Day 7 Hour 49 Day 4 Hour 137 Day 17 Hour
4 45 Day 21 Hour 62 Day 14 Hour 98 Day 9 Hour 275 Day 11 Hour

82
5.8 Event setup
For event video recording, a lower menu like the one shown below can be setup. If ‘ENTER’ key, located in
the front of DVR, is pressed or if lower level menu is selected with the mouse, detailed items may be viewed.
5.8.1 Event
9 CHECK : Setup whether to check and store
events. [Application time setup] will be activated
only if [Event application time] is setup as [Time
application ].
9 MESSAGE [ON/OFF] : Select whether to display
event items on screen with text.
9 BUZZER : Select whether to sound the buzzer
when an alarm is generated.
9 SWITCH TO EVENT SCREEN : Setup whether
to convert the screen to the corresponding
channel when an event occurs.
9 EVENT DISPLAY MIN TIME : Min. retention time for the screen when an event occurs
(Amount of time to ignore an event if consecutive events are generated) is set within 0 ∼ 5
seconds.
9 EVENT DISPLAY MAX TIME : Max. retention time for the screen when an event occurs is set
within 0 ∼ 99 seconds or allways. [Maintain current state] During setup, display the screen in
which the event was generated continuously.
9 TEXT MONITORING : Determine whether to save characters input from external devices
through RS-232.
9 SENSOR TYPE : Setup the sensor type for the channel.(NO/NC)
NO : Open type (Normal Open) sensor.
NC : Closed type (Normal Close) sensor.
[Max. retention time] cannot be setup with a smaller value than [Min.
retention time].

SVR-1650E/1640A/950EUser Manual
83
5
5.8.2 Motion detection
Analyze the image input by the camera to detect motion. If any change is detected, it is counted as an event.
9 MD CHANNER : Setup the channel for
which motion detection will be carried out.
9 MD SETUP : Setup whether to detect motion
for channel that will be used for motion
detection.
9 AREA SETUP : Setup motion detection for
each channel and specify the sensitivity and
area with the mouse.
9 AREA DISPLAY : If motion is detected, area
related to motion can be displayed.
Area selection can be carried out by clicking the mouse icon on the screen or
by turning the shuttle ring on the product to the right. To cancel, rotate the
shuttle ring to the left.
Press the right button of mouse or ESC button on the front panel to go back to
the main menu
Min SENSITIVITY: 1, Max SENSITIVITY : 5

84
5.8.3 Relay
When an event occurs, you can generate RELAY during sensor, movement detection, lost images, power
alarm and record off using the output device connected to the RELAY OUT terminal on the back side of
the product.
Blinking green box indicates the state before selection. After selection, it turns
yellow.
5.8.4 TEXT
This setup allows material input with equipment like a POS System to be viewed with DVR equipment. To
match protocol with the input equipment, HEADER and DELIMITER are assigned and line to output to
the screen is setup.

SVR-1650E/1640A/950EUser Manual
85
5
5.8.5 EVENT-PRESET
This function allows each Speed Dome Camera wired to the DVR for quick setup of event detection and
positioning to the initial location allocated per each event such as sensor input or motion detection.
9 SENSOR PRESET: Determine a preset number of each specific event sensor. When the preset
sensor detects input signal, determine a PRESET number of each channel to command
PRESET MOVE.
9 MD PRESET: Determine a preset number of each specific sensor of MD event. When the
preset channel tracks MD event, determine a PRESET number of channel to command
PRESET MOVE.
- The system ignores repeated events detected in a channel within the time
interval designated in the ‘LEAST HALT TIME’ zone of submenu ‘EVENT’ of
‘EVENT CONFIGURATION’ menu.
- In case that the Speed Dome Camera receives consecutive PRESET MOVE
commands issued by events with short time interval, delay of MOVE
command execution or command cancellation can happen owing to reaction
speed limitation of the camera.
- SPD Model: The system will cancel any new PRESET MOVE command during
execution of previous PRESET MOVE command, i.e. , the system executes any
new PZT command only after the completion of ongoing MOVE command.
- It is recommended not use PRESET MOVE function of ‘ALRAM MANAGER’
menu of Network Manager Program during execution of EVENT-PRESET
function of DVR.
- During manual execution of PTZ control with controller, remote network
program, touch panel key and so forth, Event-Preset command issued by new
event may collide with ongoing manual PTZ control, hence, required PRESET
MOVE command or manual PTZ control may not function.
If you have installed Speed Dome Cameras from multiple suppliers, you are
strongly recommended to use single program protocol for all.

86
5.9 Communication setup
Setup items needed to connect a computer to a network. Communication setup screen is as shown below. If
‘ENTER’ key, located in the front of DVR, is pressed or if lower level menu is selected with the mouse,
detailed items may be viewed.
5.9.1 NETWORK
9 DHCP [ON/OFF]: DVR is automatically
granted IP by DHCP server, it activates DHCP
function. ‘DHCP’ is used in LAN environment
where DHCP server operates. Generally for the
middle/large size, DHC server is operated by
LAN and for the small size, DHCP function of
IP router is generally used.
9 DHCP [ON/OFF] : Select whether to get the
IP address automaticcally using the Dynamic
Host Configuration Protocol.
9 TYPE [Ethernet/xDSL] : Select the network type connected to the DVR.
You are recommended to reboot your DVR when changing the type of
communication line.
Especially, when switching to Ethernet from xDSL or DHCP, first switch the
line type to Ethernet and the save the changes.
Then, reboot your DVR. When rebooting is completed, make sure to check
whether the line has been successfully switched to an Ethernet-type.
After that, enter the IP Address that you want to use.

SVR-1650E/1640A/950EUser Manual
87
5
9 SUBNET MASK : Input the [SUBNET MASK] address obtained from the internet service
company of the user.
9 GATEWAY : Input the [GATEWAY] address obtained from the internet service company of
the user.
9 DNS : Input the [DNS] address obtained from the internet service company of the user.
9 PORT : [PORT] assigned when connecting to a computer can be changed. If port is changed in
the DVR, When the network setup is changed, it takes time to setup the network module again.
Connect after 1~2 minutes. Port number can be setup depending on network conditions
(firewall etc.).
DEFAULT PORT : 4000
9 SWR : If the product is connected to a cable modem or a xDSL modem, IP address will
change each time connection to ISP (User’s communicaton company server) is attempted. In this
case, the user will not know the changed IP address. If a product using a floating IP is
registered on the SWR server, the changed IP can be found when attempting connection with
the product. To register an IP address on the SWR, setup [SWR] item to ON. Changed IP
address can be verified from FUNCTION-STATUS (SYSTEM INFORMATION 2).

88
If using network by connecting the DVR body with IP router, you should
designate a port for DVR from the Setup Menu of the IP router. The main body
of SVR-1650E/1640A/950Euses 2 ports for TCP communication. In addition, it
uses DHCP function supported by IP router. Even if dynamically allocating IP
address to the main body of DVR for use, you should designate a port for IP,
which DVR receives from the Setup Menu of IP router. If using a IP router,
previously designate IP allocated to the DVR main body and port numbers
from the Setup Menu of the IP router, not using DHCP function, and set access
mode to the static IP in the DVR main body, and it is recommended to directly
input IP designated to the IP router.
For method to set IP router, refer to manual of IP router or contact the
manufacturer.
5.9.2 RS-232
Setup items needed to connect with the computer connected to the product through the serial port.
9 BAUD RATE : Setup the data transmission speed per second.
9 DATA BIT : Setup the data transmission bit.
9 PARITY BIT : Setup the error check method for data transmission.
9 STOP BIT : Setup bit to include when data transmission has been completed.

SVR-1650E/1640A/950EUser Manual
89
5
5.9.3 RS-422/485
Setup items needed to connect the product with surveillance equipment like camera and CCTV.
9 SYSTEM ID : Setup ID for DVR main body when connecting the product with equipment like
a controller.
9 PORT TYPE: Setup type of port to use.
-PORT A: Connect the SCC-3100A controller.
-PORT B: Connect the speed dome.
-Control method
-Controller : Connect PORT A and controller with RS422/485.
Setup the SYSTEM ID corresponding to the connected SCC-3100A.
(Refer to page 30)
-Speed dome : Connect PORT B and speed dome with RS422/485.
After moving SYSTEM → PTZ, setup protocol for each channel and the ID
for the speed dome. (Refer to page 103)
9 BAUD RATE : Setup the data transmission speed per second.
9 DATA BIT : Setup the data transmission bit.
9 PARITY BIT : Setup the error check method for data transmission.
9 STOP BIT : Setup bit to include when data transmission has been completed.

90
5.9.4 E-MAIL
The manager can verify details related to the generated event through the email.
9 E-MAIL CHECK : If turned [ON], E-MAIL notice function is activated.
9 to .… : Setup the E-MAIL address to receive a transmission if an event occurs.
.. Ex) to : user@yahoo.com
9 SMTP SERVER : This is a standard protocal for transmitting e-mail and used to prevent e-mail
from spam mail. You must have a User ID for using e-mail.
Ex) SMTP SERVER : kornet.net
9 AUTHENTICATION: Used during user account registration.

SVR-1650E/1640A/950EUser Manual
91
5
5.9.5 DDNS Configuration
9 SWR : Decide the use of SWR function.
The SWR provides same function as below (DDNS), but this mode doesn't support connection
by using ID.
9 DDNS : Decide the use of DDNS function.
The DDNS function supports to connect web-server directly regardless of change of IP.
9 SERVER : Enter the DDNS server address.
Ex) SMTP SERVER : kornet.net
9 Enter the ID & Password used to register product at iPOLIS website.
Please take notice that user of SVR-1640A and SVR-950E must reboot after
changing network configuration.

92
5.9.6 DDNS Registration
DDNS Registration Procedure
Step1) Sign up at iPOLiS website
The website : www.samsungipolis.com

SVR-1650E/1640A/950EUser Manual
93
5
Step2) The product registration is possible after sign up.
’

94

SVR-1650E/1640A/950EUser Manual
95
5
Step3) Configuration DDNS at DVR
Select [Network] > [DDNS] on OSD Menu.
9 DDNS > ‘ON’
9 SERVER > Enter the DDNS server address(Default:www.samsungipolis.com)
9 ID & PW > Enter the ID(Domain) & Password using the product registration at iPOLiS website.
The DDNS configuration is completed.
Step4) The connection status of selected product can check
on product list.
9 [VIEW]: See the log-in page of selected product
9 [Edit]/[Delete]: Edit/Delete the selected product, password is needed for checking
The product ‘ID(domain)’ can not change at registered status.
When the product needs to change the ID, first of all, delete the desired
product, and register product again.

96
5.10 System setup
System setup screen is as shown below. If ‘ENTER’ key, located in the front of DVR, is pressed or if lower
level menu is selected with the mouse, detailed items may be viewed.
5.10.1 System
9 LANGUAGE : Select a language for the menu
screen.
9 KEY BUZZER [ON/OFF] : Select whether
to generate sound for key strokes when using
the remote controller or when manipulating
keys.
9 DEFAULT : Use to get back the initial setup
values the product was shipped with.
9 If [Yes] is selected from the following screen,
it will be initialized.

SVR-1650E/1640A/950EUser Manual
97
5
LOAD/SAVE CONFIGURATION
9 LOAD: Call the setup file stored in the USB Memory Stick and change the DVR setup value.
9 SAVE: Store the DVR setup value in the USB Memory Stick
This function is not compatible between SVR-1650E, SVR-1640A and SVR-
950E.
It may not be compatible with other firmware versions.
Firmware version may be verified by pressing the "FUNC" button in front of the
DVR.
USB Memory Stick formatted in FAT32 format may not work.
9 FIRMWARE DOWNLOAD : Download the firmware for upgrading the product software.
In general a user cannot upgrade. Upgrade must be carried out by a certified
expert.
9 If [Yes] is selected from the following screen, it will be upgraded.

98
9 REMOTE LIVE MODE
Determines the frame and video quality of each channel of the network board.
There are single mode and quad mode. When single mode is selected, a window for setting the
framerate and bitrate that is sent to the network for each channel can be displayed.
In auto mode, the network transmit data is regularly monitored and when the amount that is
transferred drops, it automatically reduces the bitrate to compute the optimal transmission
conditions.
(This mode is supported in only SVR-1650E/1640A.)
9 REMOTE SETUP[ON/OFF] : Used to determine remote setup mode.
9 DVR ALIAS : Used to identify network name.
The resolution and framerate of REMOTE LIVE MODE is different according to
Recording Setup (SVR-950E)

SVR-1650E/1640A/950EUser Manual
99
5
5.10.2 HDD
‘HDD’ setups information for the mounted hard disk drive. Basic information related to HDD is displayed
on the screen. Information for up to 4 hard disk drives can be viewed.
9 INTERNAL HDD : You may view the information on the HDD included in the DVR.
9 HDD FORMAT : Select whether to format the built-in, fixed HDD. If ‘YES' is clicked in the
confirmation dialog window, formatting is carried out.
9 HDD : Setup can be for HDD1~HDD4 or ALL. Selection of HDD for format and
information for the selected item will be displayed.
9 EXTERNAL HDD : You may view the information on the external HDD connected to the
outside of the DVR through HDD Extension Unit. (The Function it will be able to use to only
the case which will connect the HDD Extension Unit)
9 It is possible to select one from PORT1-HDD1~4, PORT2-HDD1~4, PORT3-HDD1~4,
PORT4-HDD1~4, PORT1-ALL, PORT2-ALL, PORT3-ALL, PORT4-ALL. If you select the
HDD to be formatted then the information on the HDD will be displayed.
The four functions from PORT1-ALL to PORT4-ALL are used to divide a total of 16 units of
HDD into four different groups in order.
If HDD is initialized (formatted), all information stored in the disk is deleted.
(Initialization is not possible during video recording.)

100
5.10.3 Password
Setup password for user and manager to give authorization needed to use the product and to modify the
setup. If ‘ENTER’ key, located in the front of DVR, is pressed or if lower level menu is selected with the
mouse, detailed items may be viewed. One ‘ADMIN’ and 10 ‘USER’ are supported. (10 users are displayed as
‘USER1’~’USER10’)
9 USER AUTHORIZATION: Setup all user’s password and authority. ‘PASSWORD CHECK’ is
should be “O” in the authorization table to setup authotiry of a specific function. (※Only
‘ADMIN’ is permitted.)
MENU: Setup the authority of menu.
PTZ: Setup the authority of PTZ.
R/OFF: Setup the authority of Reconing off
PB: Setup the authourity of playback.
P/OFF: Setup the authority of power off.
P/ON: Setup the authority of power on.
N/MIC: Setup the authority of bidirectinonal audio.
- “X” (yellow color): That function is permitted to all users.
(Password is unnecessary.)
- “O” (yellow color): Only authorized user is permitted though know the
password.
9 USER PASSWORD : Setup the user password. Passwords can only be setup using the buttons
on DVR. Mouse cannot be used to setup passwords.
9 BUZZER IF CHECKING FAILS : If wrong password is entered three times, the buzzer will go
off.

SVR-1650E/1640A/950EUser Manual
101
5
System user authorization
– ADMIN: All system setup is allowed.
– USER1~USER10: Only allowed by authority.
Factory default password
- Modified password should be saved on MENU to affect after rebooting.
Previous ADMIN’s and USER1’s password is kept after firmware upgrade.
ADMIN 11111111
USER1 22222222 USER2 33333333
USER3 44444444 USER4 55555555
USER5 66666666 USER6 77777777
USER7 88888888 USER8 99999999
USER9 12344321 USER10 43211234

102
5.10.4 Date setup
It is used to setup date and time for the product.
When setup is completed and stored, it is displayed on the live screen.
9 TIME SETUP : Setup the date, time and deffernce from GMT. From the dialog box shown
above, use the mouse wheel or the buttons on the front of the product to modify the setup value.
Then select [SET] to make the assignment.
9 DATE FORMAT : Setup format to use for date notation. Select from [year/month/day],
[month/day/year], [day/month/year].
9 DAYLIGHT SAVING : Setup whether to apply daylight savings time.
9 NTP CHECK: Setup whether use network time protocol function or not.
9 NTP SERVER: Input the name (ex. time.windows.com) or IP address of NTP server.
NTP means network time protocol that synchronizes the time of device or
equipment through internet. DVR accesses to public NTP server and
automatically synchronizes the time value. NTP server is alternative by local
server which can synchronizes local time. As NTP server broadcasts GMT,
DVR should be set also time difference between local and GMT.
If Check points when time synchronization fails.
- Please check network connection and setting.
- Please check NTP server setting. NTP SERVER should be public or permitted to
access.
- Please check DNS sever setting. When NTP SERVER is set as server name not
IP address, DNS server is necessary.

SVR-1650E/1640A/950EUser Manual
103
5
5.10.5 PTZ
If dome camera has been installed, camera ID can be assigned and setup for each channel to use the PAN,
TILT, ZOOM functions.
9 CH NUMBER : For camera connected to each
channel, assign an ID and setup the camera
model.
9 CAMERA ID : User can assign an ID between
0 ~ 255 for each camera.
9 MODEL[None/SPD/PELCO(D)
/PANASONIC/SCC/SRX/BOSCH] : Select
the manufacturer for the connected camera.
Signal input from a camera is different for each
manufacturer. Please setup accurately for the
corresponding model.
Models that can be used.
– Samsung : SPD(SPD-2200, 2300, 2500, 3000, 3300), SRX-100B
– Pelco(D) : Speed dome using Pelco ‘D’ protocol
– Panasonic : WV-CS854
– SCC : SCC-641/643
- Bosch : Bosch G3A series Speed dome

104
5.11 Video recording search
For video recording search, time, event and log file retrieval functions are provided. If ‘ENTER’ key, located
in the front of DVR, is pressed or if lower level menu is selected with the mouse, detailed items may be
viewed.
The above is same as ‘4.5. Search’ after [SEARCH] button is pressed on DVR.
5.11.1 Time search
From HDD, recorded images can be searched by using TIME of CALENDAR.
In case of ‘TIME’, desired date and time that is within the range for dates and times the recordings were
made is setup and [OK] button is pressed, the video recording can be reproduced and viewed for each
channel.
In case of ‘CALENDAR’, calendar and time table help convenient searching.

SVR-1650E/1640A/950EUser Manual
105
5
In the CALENDAR table, green section means event recording and Yellow
section means normal recording.
5.11.2 Event search
Retrieval by event types including loss video, sensor and motion detection is possible.
Items selected during event search can be played back. If ESC key is pressed
during playback, returns to the event search window.

106
5.11.3 Log search
Log history for generated events can be verified. When the setup is modified, you can verify submenu
information and authority by press [ENTER] button.
< LOG file copy function> (USB memory stick is necessary.)
Log file is recorded by DVR can be saved to USB memory stick.
How to capture log file.

SVR-1650E/1640A/950EUser Manual
107
5
5.12 Copy
If a storage medium is connected, video recorded images may be copied to the storage devices. If ‘ENTER’
key, located in the front of DVR, is pressed or if lower level menu is selected with the mouse, detailed items
may be viewed.
If USB and DVD±RW/DVD±R/CD-RW/CD-R storage is inserted, a screen like the one shown below is
displayed.
9 STATUS : Progress status for the current copy operation is displayed.
Please use recommended media. For more details, please refer to “4.9
Reference Note for COPY”.

108
5.13 Exit
Modified setup values are applied when they are verified after the Save button is pressed.
9 As shown in the screen below, when setup has been modified and [SAVE] is pressed, the setup
functions are applied. The setup functions can be cancelled by pressing “Do NOT SAVE”.

109
C
Ch
ha
ap
pt
te
er
r6
6.
.
T
Tr
ro
ob
bl
le
es
sh
ho
oo
ot
ti
in
ng
g
DVR is an intricate mechanical device and it can malfunction. For such cases, take
the following measures.
Product is not turned ON when stand-by switch is pressed.
Verify if the power supply cable is connected properly.
Screen is not displayed when product is turned ON.
Verify if video output terminal is properly connected to the CCTV monitor.
Verify if the camera is properly connected to the input terminal.
Verify if CCTV monitor brightness is appropriate.
Video recorded image does not emit any sound.
Check whether [Voice recording] is set to [ON] for [Video recording setup] in the
menu.
Check the volume for the TV or the product in the menu.
The IR remote controller is not operating.
Check the batteries and replace them if needed.
Aim the remote controller propely at the product remote controller receiver
section during operation.
If product and remote controller ID is different, make them the same.
Video is not recorded in the HDD.
Video recording may not be possible if HDD is at the end of its lifespan or if there
are bad sectors. Such HDD must be replaced. Refer to the description of error
messages in the next page.
Reserved video recording is not carried out.
Verify whether current time and recording reservation time is setup accurately.
Monitor screen is not clear.
Check if the camera is focused properly.
Cases for which the point of purchase must be contacted
For the following cases, stop using the product immediately, cut the power supply
and ask the point of purchase to fix the damage.
If an abnormal behavior occurs in the product during use (Example: Strange noise,
odor or smoke)

110
If the power cable connector has been damaged
If rain or water has entered the product
If a liquid has been spilled on the product or if a foreign substance has entered the
product
If the product does not operate as described in this manual
If the product has been seriously damaged after being dropped
If there is a clear difference in performance

Product Specifications
NTSC
Model SVR-1650E SVR-1640A SVR-950E
Power Source AC 100V~240V,(50/60Hz), Max. 2A
Power Consumption Max. 75W(1 HDD)
Video Input 16Ch 9Ch
Monitor A 2 BNC, 1 VGA, 1 RCA(Front)
Video
Output Monitor B 1 BNC(Single/Multi)
Compression MPEG-4
Speed 480fps 270fps
Resolution 720 x 480
Display Multi Screen 1 / 4 / 9 / 16 1 / 4 / 9
120 fps
(D1, 704 x 480) 30 fps
(D1, 704 x 480)
240 fps
(HD1, 704 x 240) 60 fps
(HD1, 704 x 240)
Speed/
Resolution 480 fps
(CIF, 352 x 240) 120 fps
(CIF, 352 x 240)
Recording
Mode Manual & Event, Schedule & Event
250GB 1HDD
(Up to 2TB available with mounting
4HDDs of maximum 500GB)
160GB 1HDD
(Up to 2TB
available with
mounting 4HDDs
of maximum
500GB)
HDD
HDD Extension Unit : It is possible to add maximum 16 units of
500G HDD. (Product separately sold)
Backup
DVD Drive: DVD±RW, DVD±R, CD-RW and CD-R
(Product separately sold)
3 USB(2 Front):USB Memory Drive
(Product separately sold)
Serial Interface RS-232C, RS-422/485(RJ-45)
Sensor Input/Relay Output 16/4 9/4
Input/Output 4/2(1 Front)
Audio Interface RCA
Protocol TCP/IP, DHCP, SMTP
Software Network viewer
Network Transport
speed Max 480 fps Max 120 fps
Control
Mouse, Remote control(Controllable up to 16 DVRs )
Keyboard controller(SCC-3100A)
Password : 2 level (Admin, User)
Image quality adjustment : 4 level (Super, High, Middle, Low)
support
Screen SMS : ATM/POS support
OSD(On Screen Display) GUI, Multi-language
Operation 5℃~ 40℃
Temperature Storage -10℃ ~ 60℃
Dimensions 430(W) x 88(H) x 465(D)mm
Weight Approximately 8.9kg

PAL
Model SVR-1650E SVR-1640A SVR-950E
Power Source AC 100V~240V,(50/60Hz), Max. 2A
Power Consumption Max. 75W(1 HDD)
Video Input 16Ch 9Ch
Monitor A 2 BNC, 1 VGA, 1 RCA(Front)
Video
Output Monitor B 1 BNC(Single/Multi)
Compression MPEG-4
Speed 400fps 225fps
Resolution 720 x 576
Display
Multi Screen 1 / 4 / 9 / 16 1 / 4 / 9
100 fps
(D1, 704 x 576) 25 fps
(D1, 704 x 576)
200 fps
(HD1, 704 x 288) 50 fps
(HD1, 704 x 288)
Speed/
Resolution 400 fps
(CIF, 352 x 288) 100 fps
(CIF, 352 x 288)
Recording
Mode Manual & Event, Schedule & Event
250GB 1HDD
(Up to 2TB available with mounting
4HDDs of maximum 500GB)
160GB 1HDD
(Up to 2TB
available with
mounting 4HDDs of
maximum 500GB)
HDD
HDD Extension Unit : It is possible to add maximum 16 units of
500G HDD. (Product separately sold)
Backup
DVD Drive: DVD±RW, DVD±R, CD-RW and CD-R
(Product separately sold)
3 USB(2 Front):USB Memory Drive
(Product separately sold)
Serial Interface RS-232C, RS-422/485(RJ-45)
Sensor Input/Relay Output 16/4 9/4
Input/Output 4/2(1 Front)
Audio Interface RCA
Protocol TCP/IP, DHCP, SMTP
Software Network viewer
Network Transport
speed Max 400 fps Max 100 fps
Control
Mouse, Remote control(Controllable up to 16 DVRs )
Keyboard controller(SCC-3100A)
Password : 2 level (Admin, User)
Image quality adjustment : 4 level (Super, High, Middle, Low)
support
Screen SMS : ATM/POS support
OSD(On Screen Display) GUI, Multi-language
Operation 5℃~ 40℃
Temperature Storage -10℃ ~ 60℃
Dimensions 430(W) x 88(H) x 465(D)mm
Weight Approximately 8.9kg

Dimensions

SAMSUNG TECHWIN CO., LTD.
145-3, Sangdaewon-dong, Jungwon-gu
Seongnam-si Gyeonggi-do 462-120, Korea
Tel: +82-31-740-8151~8 Fax: +82-31-740-8145
SAMSUNG OPTO-ELECTRONICS UK, LTD.
Samsung House, 1000 Hillswood Drive,
Hillswood Business Park Chertsey, Surrey KT16 OPS
Tel: +44-1932-45-5308 Fax: +44-1932-45-5325
SALES NETWORK
I-H-0805
P/No. : Z6806.0759.04D