Samsung Printer Ml 4550 Users Manual
ML-4550 to the manual f402fd10-bc89-4e02-bb85-8326c8053693
2015-01-23
: Samsung Samsung-Samsung-Printer-Ml-4550-Users-Manual-281651 samsung-samsung-printer-ml-4550-users-manual-281651 samsung pdf
Open the PDF directly: View PDF
.
Page Count: 34

DIGITAL LASER PRINT CONTENTS
[The keynote of Product]
- Series Model: ML-4550 / 4551N / 4551ND
- High speed Laser Printer:
Up to 43 ppm in A4 (45 ppm in Letter),
Duplex: 29 ipm (A4); 30 ipm (Letter)
- Resolution: Up to 1200 x 1200 dpi
- Marvell 500Mhz
- Memory: 128 MB (Max. 512 MB)
128, or 256 MB optional memory available.
Use only the Samsung-approved DIMM.
128 MB: ML-MEM150, 256 MB: ML-MEM160
- Option:
ML-4550:500-sheet trays, ethernet 10/100 Base
TX wired LAN, ethernet 10/100 Base
hard disk, duplex unit, DIMM
- Toner cartridge:
Starter: 10K or 20K pages
Consumable: 10K or 20K pages
- Duty cycle: Monthly Up to 150,000 pages
Manual
SERVICE
DIGITAL LASER PRINT
ML-4550 Series
ML-4550/XEU
Basic Model :ML-4550

ELECTRONICS
Samsung Electronics Co.,Ltd. Mar. 2006
Printed in Korea.
VERSION NO. : 1.00 CODE : JC-0168F
* This service manual is a property of Samsung Electronics Co., Ltd.
Any unauthorized use of Manual can be punished under applicable
international and/or domestic law.

Contents
1. Precautions
1.1 Safety Warning 1-1
1.2 Caution for safety 1-2
1.3 ESD Precautions 1-5
2. Product Specifications
2.1 Product Overview 2-1
2.2 Specifications 2-1
2.3 Model Comparison Table 2-6
3. Summary of Product
3.1 Printer Components 3-1
3.2 System Layout 3-7
3.3 Engine H/W Specifications 3-11
4. Alignment and Adjustments
4.1 How to use EDC (Engine Diagnostic Control) Mode 4-1
4.2 Paper Path 4-10
4.3 Sample Pattern 4-17
4.4 Periodic Defective Image 4-18
4.5 Error Messages 4-19

Continue...
5. Disassembly and Reassembly
5.1 General Precautions on Disassembly 5-1
5.2 Transfer Roller 5-2
5.3 MPF Ass’y 5-3
5.4 Holder Pad Ass'y 5-4
5.5 Retard Ass'y 5-5
5.6 Feed2 Idle Unit 5-6
5.7 Cover Right 5-7
5.8 Main PBA 5-8
5.9 Main Drive Ass'y 5-9
5.10 DEVE Drive Ass'y 5-10
5.11 Connector PBA 5-11
5.12 Solenoid 5-12
5.13 Rear Cover 5-13
5.14 Cover Left 5-14
5.15 Top Cover 5-15
5.16 Open Cover 5-16
5.17 Inner Cover 5-17
5.18 Fuser Ass'y 5-18
5.19 Duplex Solenoid Ass'y 5-20
5.20 Exit Roller 5-21
5.21 LSU 5-22
5.22 DC Fan 5-23
5.23 Toner Sensor PBA 5-24
5.24 REGI Ass'y 5-25
5.25 MP Pick Up Ass'y 5-26
5.26 Pick Up & Feed2 Assy 5-28
5.27 Engine Shield 5-31

Continue...
6. Troubleshooting
6.1 The cause and solution of Bad image 6-1
6.2 The cause and solution of the bad discharge 6-8
6.3 The cause and solution of the malfunction 6-13
6.4 Maintaining the toner cartridge 6-17
6.5 The cause and solutions of bad environment of the software 6-22
7. Exploded Views & Parts List
7.1 Main Assembly 7-2
7.2 Cover Assembly 7-3
7.3 Frame Assembly 7-4
7.4 Fuser Unit 7-6
7.5 REGI Assembly 7-7
7.6 Main Motor Assembly 7-8
7.7 Deve Motor Assembly 7-9
7.8 Exit Sorenoid Assembly 7-10
7.9 Cassette Assembly 7-11
7.10 Duplex Unit 7-12
7.11 SCF Unit 7-13
8. Block diagram
8.1 System Block Diagram 8-1
9. Connection Diagram
9.1 Connection Diagram 9-1

Continue...
10. Schematic Diagram
10.1 Main Board 10-1
10.2 DIMM board 10-17
10.3 CRUM board 10-19
10.4 EMPTY board 10-20
10.5 HVPS 10-21
10.6 Panel 10-25
10.7 SCF 10-26
10.8 Toner sensor 10-29
10.9 HDD.eps 10-30
11. Reference Information
11.1 Troubleshooting Tools 11-1
11.2 Acronyms and Abbreviations 11-2
11.3 Select a location for the printer 11-4
11.4 Sample Tests Patterns 11-5

Exploded Views & Parts List
Service Manual
7-1
Samsung Electronics
7.1 Main Assembly p.7-2
7.2 Cover Assembly p.7-3
7.3 Frame Assembly p.7-4
7.4 Fuser Unit p.7-6
7.5 REGI Assembly p.7-7
7.6 Main Motor Assembly p.7-8
7.7 Deve Motor Assembly p.7-9
7.8 Exit Sorenoid Assembly p.7-10
7.9 Cassette Assembly p.7-11
7.10 Duplex Unit p.7-12
7.11 SCF Unit p.7-13
7. Exploded Views and Parts List (ML-4550/XEU)
Contents

Service Manual
Exploded Views & Parts List
7-2
Samsung Electronics
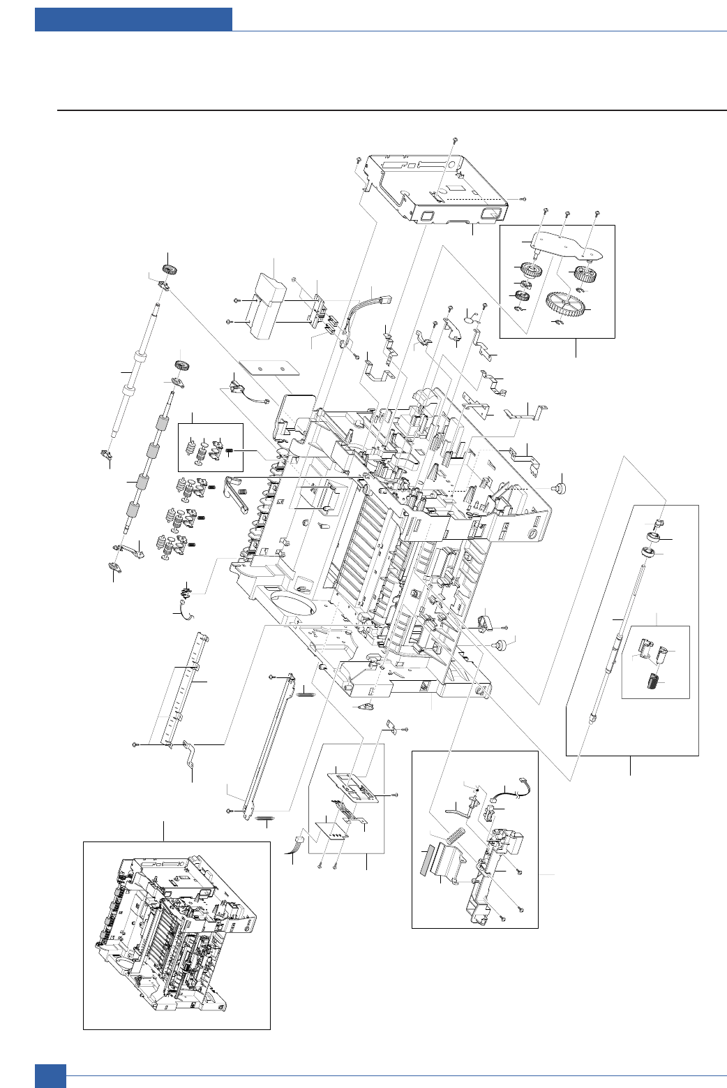
7.1 Main Assembly
0
2
1
4
3
3-1
3-2
3-3
3-5
3-4
3-6
4-1
4-2
7
8
8-1
8-2
8-3
8-4
9
9-1
9-2
9-3
10
11
12
13
14
15
16
17
18
19
36
20
20-1
20-2
20-3
21
21-1
21-2
21-3 22
22
23
25
26
29
28
31
30
30
32
34
35
SCF
37
39-2
39-1
39(Network only)
24
56

Exploded Views & Parts List
Service Manual
7-3
Samsung Electronics
7.2 Cover Assembly
0
1
2
4
5
6
6-1
6-10
6-2
6-3
6-5
6-4
6-6
6-7
6-8
6-9
6-9
7 (N/A : ML-4551ND)
7-2
7-1
1-12
1-13
1-10
1-11
1-9
1-17
1-5
1-2
1-3 1-8
1-7
1-6
1-4
1-16
1-14
1-1
1-15
1-18
3-3
3-1
3
3-2

Service Manual
Exploded Views & Parts List
7-4
Samsung Electronics
7.3 Frame Assembly(1/2)
43
1
2
2-1
2-2
2-2
2-4
2-3
2-4-1
2-4-2
2-4-3
3
3-1
3-2
3-3
3-4
3-5
3-6
3-7
3-7
3-7
4
4-1
4-2
4-3
4-4
4-5
4-6
4-7 4-8
5
5-1
5-2
5-3
5-4
6
8
9
11
12
12
13
14
14-1
14-2
14-3
15
16
17
17
19
20 21
22
23
24
25
26
27
28
29
30
31
32
33
34
35
36
37
38
39
40
39
45
0
43

Exploded Views & Parts List
Service Manual
7-5
Samsung Electronics
Frame Assembly(2/2)
0
47
48
49
50
50
41
49
48-2
48-1
48-3
48-4
48-5
48-6
48-7
48-8
48-9
50-1
50-2
50-3
50-4 50-9
50-5
50-6
50-7
50-6
51
52
53
54
59-9
59-6
58
59-10
59-11
59-8
59
60
59-4
59-5-1
59-5-2
59-5
59-7
55 56
59-1
59-2-1
59-2-2
59-2-3
59-2
59-3
57
60-1
60-2
60-5
60-3
61
62
63
64
65
66
67
68
69
70 71
72
73
76
77
78
79 80
81
82
100
83
83
84
85
86
87
88
89
90
91
92
93
94
95
96
97
98
99
49-1
49-2
49-3
49-4
49-5
60-4
49-7
49-8
49-9
49-9
49-13
49-10
49-10
49-11
49-12
60-4
49-7
47-1
47-2
47-3
47-5
47-4
60-4
60-6
60-6-1
60-6-3
60-6-2

Service Manual
Exploded Views & Parts List
7-6
Samsung Electronics
7.4 Fuser Unit
0
2
1
3
1-1
1-7
1-10
1-8
1-9
1-11
1-15
1-26
1-2
1-29
1-12
2-1
2-2
2-3
2-4
3-1
3-2
3-2
3-3
3-3
3-4
3-15
3-5
3-6
3-7
3-9
3-6
3-8
3-7
3-9
3-14
3-14
3-10
3-11 3-12
3-13
1-21
1-16
1-17
1-13
1-19
1-17
1-18
1-19
1-20
1-22
H
1-3
1-14
1-14
1-6
1-4
4
4-1
4-2
4-4
4-6
4-3 4-5
1-27
1-28
1-23
1-24
1-5
3-16

Exploded Views & Parts List
Service Manual
7-7
Samsung Electronics
7.5 REGI Assembly
1
13
11
14
15
15
15
6
6
6
6
3
2
5
16
4
4
5
7
9
0
10
12
16
15

Exploded Views & Parts List
Service Manual
7-8
Samsung Electronics
7.6 Main Motor Assembly
0
1
2
16
16
16 16 17
3
3
3
3
3
4
5
7
6
8
9
10
11
12
14

Exploded Views & Parts List
Service Manual
7-9
Samsung Electronics
7.7 Deve Motor Assembly
0
1
2
3
4
5
6
8
8
8
7
7
9
10

Exploded Views & Parts List
Service Manual
7-10
Samsung Electronics
7.8 Duplex Sorenoid Assembly
0
1
2
13
3
3
5
6
5
8
14
6
9
10
11
6
12
6

Exploded Views & Parts List
Service Manual
7-11
Samsung Electronics
7.9 Cassette Assembly
0
31
26
25
24
19
20
30
32
22
1
23
16
13
17
3
4
1
11
8
12
21
1
14
15
18
9
7
10
1
6
5
2
1
27
28

Exploded Views & Parts List
Service Manual
7-12
Samsung Electronics
7.10 Duplex Unit
0
1
5
2
3
6
7
8
16
10
11
12
13
14
15
17
18
19 20
21
22
23
33
32 30
27
26
25
26
24
4
28
30
31
20
28
29
9

Exploded Views & Parts List
Service Manual
7-13
Samsung Electronics
7.11 SCF Unit
31
33
27
34
23
24 2
7
39
3
28
19
56
37
13 1
25
30
44
84
29
26
18
41
12
55
914
17
1543
6
5
22
38 40
10 42
20
11
16 21
32
0
36

Parts List
Drawer# SEC-Code Description & Specification Location Service
7.1-1 JC96-04004B ELA UNIT-FRAME BASE;ML-4550,XEROX/SEC,-, SA
7.1-2 JC96-04064A ELA HOU BASE-HOUSING;ML-4550,SEC,110V/22 SNA
7.1-3 JC97-02230B MEA UNIT-KNOCK_UP MP;ML-3560,SEC,-,110V/ G0470 SA
7.1-3-1 JC61-01251B PLATE-M_KNOCK UP MP;ML-3560,ABS,T2.2,W11 W3027 SA
7.1-3-2 JC74-00011A MPR-PAD KNOCK UP MP;ML-6060A,CR+CORK,10* O1109 SA
7.1-3-3 JC72-01006B PMO-SIDE GUIDE MP(R);ML-2150/XRX,HIPS,G6 G2301 SA
7.1-3-4 JC72-01005B PMO-SIDE GUIDE MP(L);ML-2150/XRX,HIPS,G6 G2299 SA
7.1-3-5 JG66-40003A GEAR-PINION;SF4000,POM,WHT,M1,Z16 O1127 SA
7.1-3-6 JC66-00895A SHAFT-REINFORCEMENT;ML-3560,SUM22+NI,L24 SNA
7.1-4 JC97-02231A MEA UNIT-COVER MP_SEC;ML-3560,SEC,-,110V E4062 SA
7.1-4-1 JC63-00695A COVER-M-MP_SEC;ML-3560,ABS,T2.5,W182.3,L SNA
7.1-4-2 JC63-00691B TRAY-M_EXTEND_MP;ML-3560,HIPS,T2.5,W147. K4281 SA
7.1-5 JC63-00694B TRAY-M_LINK MP(L);ML-3560,ABS,T2.0,W23.2 K4282 SA
7.1-6 JC63-00689B TRAY-M_LINK MP(R);ML-3560,ABS,T2.0,W23.2 K4283 SA
7.1-7 JC66-00540B ROLLER-TRANSFER;ML-3560,NBR Foam,¥Õ17.8, SA
7.1-8 JC96-01729A ELA UNIT-HOLDER TR R;ML-6060A,SAMSUNG,SE K3139 SA
7.1-8-1 JC72-41142A PMO-BUSHING TR;ML-5000A,POM(CF-610,CH-15 SNA
7.1-8-2 JC61-00046A SPRING ETC-TR R HAWK;ML-6060A,SUS 304 WP SNA
7.1-8-3 JC72-41145C PMO-TRANSFER HOLDER R;ML-6060A,ABS,VIOLE SNA
7.1-8-4 JC70-11053A IPR-PLATE TR;ML-5000A,PB(C5210P),-,T0.15 SNA
7.1-9-3 JC72-41145F PMO-TRANSFER HOLDER L;ML-4550,ABS,EMBER SA
7.1-10 JC72-41292B PMO-CAP TR;ML-3560,POM,C75064,45.4*6.6,M Z0015 SA
7.1-11 JC66-00039A GEAR-TR29;ML-6060A,POM,BLK,0.6,29 G0439 SA
7.1-12 JC96-03959A ELA UNIT-REGI;ML-4550,SEC,-,-,-,-,- SA
7.1-13 JC66-00420A GEAR-REGI Z25;ML-2150,M90-44,0.8,25,5.6, G0415 SA
7.1-14 JC67-00039A CAP-M-GEAR;ML-2150,POM,-,-,-,BLK,- C1013 SA
7.1-15 JC96-04066A ELA UNIT-LSU;ML-4550,-,-,45PPM,600DPI,DU SA
7.1-16 JC96-03426A ELA UNIT-EXIT SOL;ML-3560,XOG/SEC,USA,UN K3059 SA
7.1-17 JC96-03408A ELA UNIT-DEVE MOTOR;ML-3560,XOG/SEC,USA, K3057 SA
7.1-18 JC96-04063A ELA UNIT-MAIN;ML-4550,SEC,USA,-,-,-,- SA
7.1-19 JC96-04109A ELA HOU-MAIN;ML-4550,SEC,EXPORT,MAIN+DIM SNA
7.1-19-1 JC92-01823A PBA MAIN-CONTROLLER;ML-4550,SEC,EXPORT,4 SA
7.1-19-2 JC92-01824A PBA MAIN-DIMM;ML-4550,SEC,EXPORT,DDR2_SO SA
7.1-20 JC97-02226A MEA UNIT-GEAR PICK UP;ML-3560,XOG/SEC,US G0468 SA
7.1-20-1 JC66-00870A GEAR-M-PICK UP CAM;ML-3560,POM,0.8,27,-, SNA
7.1-20-2 JC66-00876A GEAR-M-PICK UP;ML-3560,POM,0.8,27,-,WHT, SNA
7.1-20-3 JC61-00003A SPRING ETC--CAM MP;ML-6100,SUS304-WPB,0. S0020 SA
7.1-21 JC97-01738A MEA UNIT-GEAR P/UP MP CARDINA;ML-2150,-, G0467 SA
7.1-21-1 JC66-00424A GEAR-MP HOLDER_CAM;ML-2150,M90-44,0.8,37 H4008 SA
7.1-21-2 JC66-00423A GEAR-MP PICK_UP;ML-2150,POM(M90-44),0.8, P2055 SA
7.1-22 JC66-10202A BEARING-PICK UP;ML-80,POM,-,-,- B0003 SA
7.1-23 JC61-00755A BRACKET-P-SHAFT MP;ML-2150,SECC,1.2,-,-, S4013 SA
7.1-24 JC61-01735A HOLDER-FAN;ML-4550,PC,-,W89.3,PHI61,BLAC SA
7.1-25 JC33-00012A SOLENOID-MAIN;DLH-34L008-07,ML-2150,24V, S8015 SA
7.1-26 JC33-00016A SOLENOID-MP;-,ML-3560,24V,80 OHM,41.4X21 S8016 SA
7.1-27 JC96-04121A ELA UNIT-DEVE_ERASER;ML-4550,SEC,-,110V/ SA
7.1-28 JC63-01133A SHIELD-SMPS;ML-4550,SECC,0.8T,W250,L210, SNA
7.1-29 JC96-04003B ELA HOU-SMPS_HVPS_V2;ML-4550,XEROX/SEC,- SA
7.1-30 JC71-00042A BAR-P_CROSS BOTTOM;ML-2150,SECC T1.0,-,- K2861 SA
7.1-31 JC31-00070A FAN;AD0824MS-A76GL,ML-4550,PBT,-,3PIN,NO SA
7.1-32 JC61-00667A STOPPER-M-FAN80;ML-2150,ABS,-,-,-,BLK,HB F5029 SA
7.1-33 JC61-01760A HOLDER-ERASER;ML-4550,PC,T1.5,W12,L224,B SA
7.1-34 JC96-03963A ELA UNIT-DEVE;ML-D4550A/SEE,SAMSUNG,EXP, SNA
Service Parts List (Model code : ML-4550/XEU)
SA : SERVICE AVAILABLE SNA : SERVICE not AVAILABLE DNA : DELIVERY not AVAILABLE
1

Parts List
Drawer# SEC-Code Description & Specification Location Service
SA : SERVICE AVAILABLE SNA : SERVICE not AVAILABLE DNA : DELIVERY not AVAILABLE
7.1-35 JC96-04015A ELA UNIT-CASSETTE;ML-4550,SEC,-,110V/220 SA
7.1-36 JC92-01839A PBA-ERASE_LAMP;ML-4550,SEC,-,FR1,-,-,-,2 SNA
7.1-38 JC31-00050A FAN;AD0424HB-C56,CLP-600,PBT+GF,-,3PIN,N SA
7.2-1 JC96-03978A ELA UNIT-COVER TOP;ML-4550,SEC,-,110V/22 SA
7.2-1-1 JC63-00699A COVER-M_TOP;ML-3560,ABS,T2.5,W396.0,L426 SA
7.2-1-2 JC63-01101A COVER-M_OPEN;ML-4550,ABS,T2.5,W395.9,L22 SA
7.2-1-3 JC72-01367A PMO-STACKER_RX;ML-3560,ABS,WHT,W93.8*L53 SA
7.2-1-5 JC61-00656A STOPPER-M-HINGE OPEN;ML-2150,ABS,-,-,-,- H3073 SA
7.2-1-6 JC63-01100A COVER-OP PANEL;ML-4550,ABS,T2.0,W100.9,L SA
7.2-1-7 JC67-00147A LENS LED-M_STATUS;ML-3051ND,PMMA(ACRYL), SNA
7.2-1-8 JC75-00095A MEC-BRUSH ANTISTATIC;ML-6060A,SEC,NTR M0022 SA
7.2-1-9 JC92-01825B PBA SUB-PANEL;ML-4550,SEC,EXPORT,PANEL,- SA
7.2-1-10 JC64-00265A KEY-M_BUTTON;ML-4550,ABS,85.0*53.8,HB,SO SA
7.2-1-11 JC64-00236A KEY-M_STOP;ML-3051ND,ABS,12.6*10,HB,SOFT SNA
7.2-1-12 JC64-00047A KEY-M-SAVE MODE;ML-2150,ACRYL,-,-,NATURA K0049 SA
7.2-1-13 JC64-00194A WINDOW-M-LCD;ML-3560,PC,T1.5,W51.0,L84.7 K4285 SA
7.2-1-14 JC63-00836A GROUND-P-TOP_COVER;ML-3560,C5210P 1/2H,T G0440 SA
7.2-2 JC63-00684B COVER-M_LEFT;ML-3560,ABS,T2.5,W425.0,L32 H1292 SA
7.2-3 JC63-00701B COVER-M_RIGHT;ML-3560,ABS,T2.5,W425.0,L3 H1294 SA
7.2-4 JC63-00702B COVER-M_CONTROL BOX;ML-3560,ABS,T2.5,W21 H1288 SA
7.2-5 JC63-00685B COVER-M_FRONT INNER;ML-3560,HIPS,T2.5,W3 H1291 SA
7.2-6 JC97-02232B MEA UNIT-COVER REAR;ML-3560,SEC,-,110V/2 E4063 SA
7.2-6-1 JC63-00703B COVER-M_REAR;ML-3560,ABS,T2.5,W300.8,L19 H1293 SA
7.2-6-2 JC72-01357A PMO-STACKER REAR;ML-3560,ABS,WHT,W289.4* L6054 SA
7.2-6-3 JC70-00007A ICT-BRKT REAR COVER;ML-7000,SPCC,-,T1.2, SNA
7.2-6-4 JC61-01217A GUIDE-M_EXIT;ML-3560,PET+GF30%,FR530,T2. G0441 SA
7.2-6-5 JC72-01359A PMO-STRIPE;ML-3560,PE BOX 7033,NATURAL,T L6056 SA
7.2-6-6 JC70-20901A IEX-SHAFT IDLE,F/UP;ML-5000A,SUS304,-,PI D2149 SA
7.2-6-7 JC72-20902A PEX-ROLLER F/UP(2);ML-5000A,TEFLON,WHT,- O1106 SA
7.2-6-9 JC68-01526A LABEL(P)-JAM REMOVAL;COMMON,-,WHITE POLY SNA
7.2-7 JC63-00696B COVER-M_FRAME EXIT;ML-3560,ABS,T2.5,W75. H1290 SA
7.2-8 JC97-02389B MEA UNIT-COVER DUMMY;ML-3560,SEC,-,110V/ E4061 SA
7.2-8-1 JC72-01374A SPONGE-COVER DUMMY;ML-3560,POLY URETHANE SNA
7.2-8-2 JC63-00697B COVER-M_DUMMY DUP;ML-3560,ABS,T2.0,W53.2 H1289 SA
7.3-1 JC61-01206A FRAME-M_BASE;ML-3560,PC,NH-1035P,5V,BLK, SNA
7.3-2 JC97-02649A MEA UNIT-PICK UP MP;ML-4550,XEROX/SEC,-, SA
7.3-2-1 JC66-01265A SHAFT-PICK UP MP;ML-4550,SUM22+NI/PC+ABS SA
7.3-2-2 JC72-01003A PMO-IDLE PICK UP MP;ML-2150,POM,WHITE,-, P0042 SA
7.3-2-3 JC66-00893A CAM-M-SHAFT;ML-3560,POM,T1.5,¨ª10.95*8.3 P2043 SA
7.3-2-4 JC96-02686B ELA UNIT-ROLLER P/UP MP;ML-3560,XEROX/SE K3144 SA
7.3-2-4-1 JC61-00705A HOLDER-M-PICKUP MP;ML-2150,POM,-,-,-,BLK P2062 SA
7.3-2-4-2 JC61-00685A HOUSING-M-PICK UP MP;ML-2150,PC+ABS,-,-, H0025 SA
7.3-2-4-3 JC73-00224A RUBBER-PICK UP MP;ML-3560,IR,D29.8,35,27 C4024 SA
7.3-3 JC97-02238A MEA UNIT-GEAR IDLE;ML-3560,XOG/SEC,USA,M E4065 SA
7.3-3-1 JC61-01200A BRACKET-P-GEAR IDLE;ML-3560,SECC,1.2,118 SNA
7.3-3-2 JC66-00872A GEAR-FUSER IDLE 3;ML-3560,POM,1,53,-,WHT SNA
7.3-3-3 JC66-00859A GEAR-M-FUSER IDLE 2;ML-3560,POM,1,33,-,W SNA
7.3-3-5 JC66-00868A CLUTCH-M-HUB;ML-3560,POM,-,WHT,CLUTCH HU SNA
7.3-3-6 JC66-01155A GEAR-FUSER RDCN OUT V;ML-3560,HTNFR52G30 SNA
7.3-3-7 6044-000231 RING-E;ID5.0,OD11.0,T0.6,PASS,STS304 R0006 SA
7.3-4 JC96-03403A ELA HOU BASE-HOLDER;ML-3560,XEROX,-,110V H1297 SA
7.3-4-1 JC61-01248A FRAME-M-HOLDER PAD;ML-3560,HIPS,-,HB,BLK SNA
7.3-4-2 JC61-00684A HOLDER-M-PAD;ML-2150,PC,-,-,-,BLK,- H4029 SA
7.3-4-2 JC61-01229A HOLDER-M-PAD;ML-3560,ABS,2.5,12.7,51,BLA SNA
7.3-4-3 JC73-00132A RPR-FRICTION PAD MP;ML-2150,NBB,53*9.8*T R0019 SA
7.3-4-4 JC61-00387A SPRING ETC-PAD;ML-9400W,SUS304WPB,PI0.5, S0028 SA
7.3-4-5 JC72-01365A PMO-ACTUATOR EMPTY MP;ML-3560,PC,BLK,42. W3028 SA
2

Parts List
Drawer# SEC-Code Description & Specification Location Service
SA : SERVICE AVAILABLE SNA : SERVICE not AVAILABLE DNA : DELIVERY not AVAILABLE
7.3-4-6 JC61-70965A SPRING ETC-EMPTY;ML-6000,SUS304-WPB,PI0. O1099 SA
7.3-4-7 0604-001095 PHOTO-INTERRUPTER;TR,90%,150mW,DIP-4,BK P0013 SA
7.3-4-7 0604-000165 PHOTO-INTERRUPTER;TR,-,-,-,BK K3805 SA
7.3-4-7 0604-001210 PHOTO-INTERRUPTER;TR,-,200mW,DIP-4,ST SNA
7.3-4-7 0604-001230 PHOTO-INTERRUPTER;OPIC,-,-,-,BK SA
7.3-4-8 JC39-00451A CBF HARNESS-MP_EMPTY;ML-3560,CBF,UL 1061 H1253 SA
7.3-5 JC97-01034A MEA RACK-EXIT ROLLER;ML-1605,SUMSUNG,KOR E4060 SA
7.3-5-1 JC72-41006A PMO-HOLDER EXIT ROLL;ML-165,PC,BLK,HB,- E4126 SA
7.3-5-2 JC72-41007A PMO-ROLLER FD F;ML-165,POM,BLACK,-,-,-,- P0048 SA
7.3-5-3 JC72-41008A PMO-ROLLER FD R;ML-165,POM,BLACK,-,-,-,- P0049 SA
7.3-5-4 JC61-70911A SPRING ETC-EXIT ROLL FD;ML-165,SUS304 WP O1053 SA
7.3-6 JC66-00883A ROLLER-EXIT_F/DOWN;ML-3560,SUM+EPDM,D16, D4089 SA
7.3-8 JC72-01310A PMO-ACTUATOR OUTFULL;ML-2150,POM,BLK,-,V K3819 SA
7.3-9 JC66-00674A GEAR-M-EXIT Z17;ML-2550,M90-44,1.0,17,¥Õ G0331 SA
7.3-12 JC61-01262A BUSH-M_EXIT D7;ML-3560,POM,D7,D9,7,BLK,- S4014 SA
7.3-13 JC66-00854A GEAR-M-EXIT DUP Z21;ML-3560,POM,1,21,-,W G0200 SA
7.3-14 JC96-02127A ELA HOU-CST SENSOR HAWK16;ML-7250,XEROX, Z2263 SA
7.3-14-1 JC92-01336A PBA SUB-CASSETTE;ML-1650,KOREA/EXPORT,-, SNA
7.3-14-2 JC70-00192A IPR-PLATE SENSOR;ML-7250,SUS301,-,0.2T,- S3058 SA
7.3-14-3 JC70-00195A IPR-BRACKET SENSOR;ML-7250,SECC,-,1.0T,- S3055 SA
7.3-15 JC39-00261A CBF HARNESS-SENSOR;ML-2150,CBF,UL 1061,4 H1242 SA
7.3-16 JC61-00675A GUIDE-P_REGI UPPER;ML-2150,SECC,1.2T,-,- G2082 SA
7.3-17 JC61-70918A SPRING ETC-LEVER;ML-165,SUS304 WPB,PI0.5 L4097 SA
7.3-19 JC61-00691A GUIDE-PLATE PAPER;ML-2150,SECC,T0.6,-,-, G2091 SA
7.3-20 JC70-00339A IPR-P_GROUND PLATE PAPER;ML-2150,SUS304 P5064 SA
7.3-23 JC39-00458A CBF HARNESS-THERM;ML-3560,CBF,UL 1061,2P H1256 SA
7.3-24 JC61-01581A HOUSING-M_TERMINAL;ML-3560,PET+GF30% FR5 SNA
7.3-25 JC65-00013A TERMINAL-P-FUSER;ML-3560,C5210P ZINC COA K4277 SA
7.3-26 JC39-00456A CBF HARNESS-FUSER;ML-3560,CBF,UL 3122,2P H1249 SA
7.3-27 JC67-00099A CAP-M-HOUS_TERM;ML-3560,PC NH1035P,1.5,9 SNA
7.3-28 JC63-01132A SHIELD-CTRL;ML-4550,SECC,T0.6,W195.4,L18 SA
7.3-29 JC63-00677A GROUND-P-MOTOR_DEVE;ML-3560,C5210P,T0.2, SNA
7.3-30 JC63-00669A GROUND-P_GUIDE TR;ML-3560,C5210P,T0.2,10 SNA
7.3-31 JC63-00672A GROUND-P-REGI_ROLLER;ML-3560,C5210P,T0.2 SNA
7.3-32 JC63-00678A GROUND-P-PICK_UP_MP;ML-3560,C5210P,T0.2, SNA
7.3-33 JC63-00673A GROUND-P-SCF_MAIN;ML-3560,C5210P,T0.2,26 SNA
7.3-34 JC63-00671A GROUND-P-MOTOR_MAIN;ML-3560,C5210P,T0.2, SNA
7.3-35 JC63-00680A GROUND-P-GUIDE_DUP;ML-3560,C5210P,T0.2,1 SNA
7.3-36 JC67-00093A CAP-M-GUIDE_HARNESS;ML-3560,ABS HF0660I, SNA
7.3-37 JC72-01356A PMO-DUMMY_DEVE;ML-3560,ABS,BLK,68.4*31.6 Z0016 SA
7.3-38 JC96-01772A ELA HOU-VARISTOR;ML-6060,NEC/SEC,110/220 K3053 SNA
7.3-39 JC61-40001A FOOT-ML80;ML-80,NBR,-,GRAY,-,-,- F0003 SA
7.3-40 JC72-01355A PMO-REMOVE_LOCK_CST;ML-3560,POM,BLK,36*3 L6040 SA
7.3-43 JC72-41191B PMO-BEARING SHAFT;ML-2150,POM,BLK,-,DE89 P0032 SA
7.3-47 JC96-03960A ELA HOU-FRAME_LSU_LO;ML-4550,XEROX/SEC,- SA
7.3-47-1 JC61-01732A FRAME-PART_UPPER;ML-4550,ABS,-,HB,BLK,2. SNA
7.3-47-2 JC92-01807A PBA SUB-TONER_SENSOR;ML-4550,SEC,EXPORT, SA
7.3-47-3 JC65-00004A TERMINAL-P_DEVE;ML-2060,SUS304WPB,-,-,PI T2175 SA
7.3-47-4 JC92-01730A PBA SUB-COVER OEPN;ML-3560,SEC,KOREA,-,- M0443 SA
7.3-47-5 JC67-00095A CAP-M_COVER_OPEN;ML-3560,POM(M90-44),1.5 SNA
7.3-48 JC96-03425A ELA UNIT-FEED3X5;ML-3560,XEROX,-,110V/22 K3062 SA
7.3-48-1 JC61-01240A HOLDER-M-SAW;ML-3560,PC,1.5,27.5,204,BLA SNA
7.3-48-2 JC61-01235A GUIDE-P-TRANSFER_FRONT;ML-3560,SECC,0.6, SNA
7.3-48-3 JC61-01236A PLATE-P-SAW;ML-3560,SUS304CSP,0.15,14.5, SNA
7.3-48-4 JC66-00889A SHAFT-M ROLLER_BELT;ML-3560,PC,170,10,BL SNA
7.3-48-5 JC66-00887A ROLLER-M IDLE_BELT;ML-3560,POM,4.8,9.6,N SNA
7.3-48-7 JC73-00206A RUBBER-BELT_FEED;ML-3560,EP+NR,L=62,30,5 C4020 SA
3

Parts List
Drawer# SEC-Code Description & Specification Location Service
SA : SERVICE AVAILABLE SNA : SERVICE not AVAILABLE DNA : DELIVERY not AVAILABLE
7.3-48-8 JC61-01239A GUIDE-M SHAFT_BELT;ML-3560,POM,0.6,10,6. SNA
7.3-49 JC96-04016A ELA UNIT-ROLLER_IDLE;ML-4550,SEC,-,110V/ SA
7.3-49-2 JC61-00635A HOUSING-M-RETARD;ML-2150,POM(M90-44),-,- H6035 SA
7.3-49-3 JC73-00207A RUBBER-RETARD;ML-3560,IR,19.5,35,30,YELL C4026 SA
7.3-49-4 JC72-00993A PMO-HUB OUT RETARD;ML-2150,POM,BLK,-,M90 K4021 SA
7.3-49-5 JC66-01273A SHAFT-IDLE_FEED;ML-4550,SUM22+NI,58,6,-, SA
7.3-49-6 JC64-00271A SHUTTER-PATH_FEED;ML-4550,POM,-,26.5,47. SA
7.3-49-7 JC61-01550A STOPPER-SPACER;ML-3560,PC,T0.5,-,-,BLACK SNA
7.3-49-9 JC61-01741A HOLDER-IDLE_FRONT;ML-4550,PC,2.5,55.5,56 SA
7.3-49-10 JC61-00652A BUSH-M-RETARD;ML-2150,POM(DE-8903),-,-,- K2883 SA
7.3-49-11 JC61-00013A SPRING ETC-PAD;SF-5100,SUS304WPB,0.5,-,- SNA
7.3-49-12 JC61-01739A HOLDER-IDLE_REAR;ML-4550,ABS,2.5,29.5,73 SA
7.3-49-14 JC64-00270A SHUTTER-TENSION;ML-4550,SUS 304 WPB(Ni-C SA
7.3-50 JC96-03421A ELA UNIT-FEED2 IDLE;ML-3560,XEROX,-,110V K3060 SA
7.3-50-1 JC61-01242A HOLDER-IDLE_FEED2;ML-3560,ABS,2.5,17.4,6 SNA
7.3-50-2 JC67-00105A CAP-M IDLE_FEED2;ML-3560,POM,2,9,21.6,NT SNA
7.3-50-5 JC66-00912A SHAFT-IDLE_FEED2;ML-3560,SUM22+NI,52,6,- S4108 SA
7.3-50-6 6044-000125 RING-E;ID4,OD9,T0.6,PASS,STSC R0004 SA
7.3-50-7 JC66-00892A ROLLER-M IDLE_FEED2;ML-3560,POM,17,35.5, SNA
7.3-51 JC61-01250A STOPPER-M-KNOCK UP MP_L;ML-3560,POM,T2.5 H3074 SA
7.3-52 JC61-01249A STOPPER-M-KNOCK UP MP_R;ML-3560,POM,T2.5 H3075 SA
7.3-53 JC61-01252A RAIL-M-LEFT_DUP;ML-3560,POM,T2.0,W7.4,L1 L6057 SA
7.3-54 JC61-01253A RAIL-M-RIGHT_DUP;ML-3560,POM,T2.0,W10.0, L6058 SA
7.3-56 JC66-01262A GEAR-FEED;ML-4550,POM,0.8,26,-,PURPLE,22 SNA
7.3-57 JC72-01362A PMO- M CAM_PICK_UP;ML-3560,POM,NTR,-,M90 SNA
7.3-58 JC72-00991A PMO-ACTUATOR EMPTY;ML-2150,POM,BLK,-,-,- K3816 SA
7.3-59 JC96-03422A ELA UNIT-PICK UP;ML-3560,XEROX,-,110V/22 K3141 SA
7.3-59-1 JC66-00910A SHAFT-PICK UP;ML-3560,SUM22+NI,196,6,-,- S4118 SA
7.3-59-2 JC97-02233A MEA UNIT-P/UP_HOUSING;ML-3560,XEROX,-,11 G0471 SA
7.3-59-2-1 JC72-01361A PMO-M IDLE-PICK UP;ML-3560,POM,NTR,29.8, L6039 SA
7.3-59-2-2 JC61-01238A HOUSING-M-PICK UP;ML-3560,ABS,2.0,28.8,5 SNA
7.3-59-2-3 JC73-00223A RUBBER-PICK_UP;ML-3560,IR,29,35,28,YELLO C4025 SA
7.3-59-3 JC61-01579A HOLDER-P-REGI;ML-3560,BRONZE SINTERED,-, SNA
7.3-59-4 JC66-00911A SHAFT-FEED1;ML-3560,SUM22+NI,214.5,6,-,- C4028 SA
7.3-59-5 JC81-03458A AS-UNIT_FEED1;ML-3560,-,-,110V/220V,SVC, K2860 SA
7.3-59-5-1 JC61-01237A HOUSING-M-FEED1;ML-3560,ABS,2.5,15.5,33. SNA
7.3-59-5-2 JC73-00208A RUBBER-FEED1;ML-3560,IR,17.85,35,30,YELL C4022 SA
7.3-59-6 JC63-00674A GROUND-P-PICK_UP_MAIN;ML-3560,C5210P,0.2 SNA
7.3-59-8 JC72-00382B PMO-BUSHING FEED;ML-1710,POM(DERLIN 8903 O1102 SA
7.3-59-9 JC61-01234A GUIDE-P-FRONT-DUP-PICKUP;ML-3560,SECC,1. SNA
7.3-59-10 JC61-01233A GUIDE-M SUPPORT-PICKUP;ML-3560,ABS, GF20 SNA
7.3-60 JC96-04119A ELA UNIT-FEED;ML-4550,SEC,-,110V/220V,-, SA
7.3-61 JC92-01704A PBA SUB-JOINT;ML-3560,SEC,USA,KESTREL,JO M0448 SA
7.3-62 JC39-00441A CBF HARNESS-TRAY OUT;ML-3560,CBF,UL 1061 H1257 SA
7.3-63 JC67-00094A CAP-M_POWER;ML-3560,PC NH-1035P,2,55.5,4 SNA
7.3-64 JC39-00624A HARNESS-INLET;ML-4550,CBF,UL 1617 / UL10 SA
7.3-65 JC66-00888A SHAFT-M BELT_GEAR;ML-3560,PC,32.2,8,BLAC SNA
7.3-68 JC67-00092A CAP-M-DEVE_MOTOR;ML-3560,ABS G/F20 GR402 SNA
7.3-69 JC39-00449A CBF HARNESS-DUPLEX;ML-3560,CBF,UL 1061,8 SNA
7.3-71 JC67-00036A CAP-M-WIRE PTL LOWER;ML-2150,POM,-,-,-,B C1015 SA
7.3-72 JC65-00001A TERMINAL-P_PTL;ML-2060,SUS301 3/4H,-,-,T K4276 SA
7.3-73 JC92-01516A PBA SUB-PTL2;ML-2150,SEC,KOREA,PTL2,-,-, M0411 SA
7.3-76 JC92-01512B PBA SUB-EXIT SENSOR;ML-3560,SEC,KOREA,EX M0445 SA
7.3-77 JC92-01261C PBA SUB-FUSER SW;ML-3560,SEC,KOREA,FUSER M0447 SA
7.3-78 JC61-01218A GUIDE-M-FRONT;ML-3560,PET+GF30%,FR530,2, G0442 SA
7.3-81 JC72-00317A PMO-GUIDE DEVE L;ML-6060A,POM,-,-,-,-,-, T2158 SA
7.3-82 JC72-00318A PMO-GUIDE DEVE R;ML-6060A,POM,-,-,-,-,-, T2159 SA
4

Parts List
Drawer# SEC-Code Description & Specification Location Service
SA : SERVICE AVAILABLE SNA : SERVICE not AVAILABLE DNA : DELIVERY not AVAILABLE
7.3-83 JC61-70932A SPRING ETC-GUIDE DEVE;ML-5000A,-,D4.3,-, Z4159 SA
7.3-84 JC65-00008A TERMINAL-P-TR_KESTREL;ML-3560,C5210P,-,- K4278 SA
7.3-86 JC65-00009A TERMINAL-SPRING_TR;ML-3560,STS304WPB,-,- K4279 SA
7.3-89 JC63-00679A GROUND-P-ZENER;ML-3560,C5210P,T0.2,26.6, SNA
7.3-90 JC63-00676A GROUND-P-FUSER;ML-3560,SUS301,T0.2,32.2, SNA
7.3-91 JC65-00006A TERMINAL-P_HV CARDINAL;ML-2060,SUS304 1/ K4272 SA
7.3-92 JC97-01401A MEA UNIT-TERMINAL:TR;ML-5000A,SAMSUNG,KO SA
7.3-93 JC39-00625A HARNESS-HVPS;ML-4550,CBF,UL 1617/3239,5P SA
7.3-94 JC70-00332A IPR-P_GROUND OPC;ML-2150,SUS301 3/4H,-,0 O0020 SA
7.3-95 JC92-01831A PBA SUB-EMPTY;ML-4550,SEC,EXPORT,-,-,-,- SA
7.3-96 JC39-00620A HARNESS-SENSOR;ML-4550,CBF,UL 1061,6PIN, SA
7.3-97 JC92-01262C PBA SUB-FEED SENSOR;ML-3560,SEC,KOREA,FE M0446 SA
7.3-98 JC67-00098A CAP-M_HV;ML-3560,PC 5V NH-1035P,1.5,95.0 SNA
7.3-99 JC67-00097A CAP-M_SENSOR_FEED;ML-3560,PC NH1035P,1.5 SNA
7.4-0 JC96-03957B ELA UNIT-FUSER;ML-4550,-,-,220V,-,-,- SA
7.4-1 JC96-03958B ELA UNIT-FUSER_UPPER;ML-4550,-,-,220V,-, SNA
7.4-1-2 JC71-00056A ELECTRODE-P-FU_L_08;ML-3560,T0.8,20.2,32 SNA
7.4-1-4 JC72-41012C PMO-GUIDE CLAW GREEN;ML-3560,PEEK,BLK,T1 Z0018 SA
7.4-1-5 6107-001159 SPRING-TS;SUS304,-,PI0.45,D3.85,L20,-,W1 Z4394 SA
7.4-1-5 6107-001160 SPRING-TS;SUS304,-,PI0.45,D5.45,L19.8,-, SA
7.4-1-8 JC61-01215A HOLDER-M-LEVER_L;ML-3560,PC,NH1023XD,T1. SNA
7.4-1-9 JC61-00785A HOLDER-M-IDLE ROLLER;ML-2150,PC,-,-,-,BL H4027 SA
7.4-1-10 JC72-40981A PMO-ROLLER UPPER DP;ML-165,POM,WHT,HB,- K4068 SA
7.4-1-12 JC61-01216A HOLDER-M-LEVER_R;ML-3560,PC,NH1023XD,T1. SNA
7.4-1-13 JC71-00052A ELECTRODE-P-SUPPORT;ML-3560,T0.2,-,D27.6 SNA
7.4-1-15 6003-000196 SCREW-TAPTITE;PWH,+,B,M3,L10,NI PLT,SWRC Z4397 SA
7.4-1-15 6003-000264 SCREW-TAPTITE;PWH,+,-,B,M3,L6,ZPC(YEL),S SNA
7.4-1-15 6003-000269 SCREW-TAPTITE;BH,+,-,S,M3,L6,ZPC(YEL),SW SA
7.4-1-15 6003-000301 SCREW-TAPTITE;BH,+,S,M4,L6,ZPC(YEL),SWRC SNA
7.4-1-15 6003-001256 SCREW-TAPTITE;BH,+,B,M4,L10,NI PLT,SWRCH SNA
7.4-1-15 6003-000266 SCREW-TAPTITE;PWH,+,S,M3,L6,ZPC(YEL),SWR SNA
7.4-1-15 6003-000282 SCREW-TAPTITE;BH,+,-,B,M3,L8,ZPC(BLK),SW SA
7.4-1-16 JC66-01268B ROLLER-HEAT;ML-4550,AL PIPE t1.0mm,40mm, SNA
7.4-1-17 6601-001346 BEARING-BALL;6809 2Z,ID45,OD58,L7,GCR5,0 K2862 SA
7.4-1-17 6601-001384 BEARING-BALL;676ZZ,ID6,OD10,L3,GCr 15 + SNA
7.4-1-17 6601-001389 BEARING-BALL;MR128ZZ,ID8,OD12,L3.5,-,- SA
7.4-1-19 JC61-01260A BUSH-M_HR;ML-3560,PPS,RBA313N,D39.95,D44 S4015 SA
7.4-1-22 JC71-00051A ELECTRODE-FU;ML-3560,T5.5,-,D28,SME19 SNA
7.4-1-24 JC67-00111A CAP-M_ACTUATOR_UP;ML-3560,PC+GF20%,HF320 SNA
7.4-1-25 JC63-00726A COVER-M-REAR GUIDE UP;ML-3560,NYLON+GF25 SNA
7.4-1-26 JC71-00055A ELECTRODE-P-SU CARBON;ML-3560,T0.2,8.5,9 SNA
7.4-1-28 JC61-01284A HOLDER-P-SL CONNECTOR;ML-3560,SUS301 3/4 SNA
7.4-2-1 JC61-01213A BRACKET-P-FUSER;ML-3560,SECC,T1.2,35.5,4 SNA
7.4-2-3 JC66-00869A GEAR-M-IDLE 25;ML-3560,POM,1,25,-,WHT,27 SNA
7.4-3 JC97-02630A MEA UNIT-FUSER_LOWER;ML-4550,-,-,-,-,-,- SNA
7.4-3-1 JC66-00931A ROLLER-PRESSURE;ML-3560,STKM+LTV+PFA TUB K4222 SA
7.4-3-3 6107-000103 SPRING-CS;STS304-WPB,DEGRE,PI0.45,D3.45, SNA
7.4-3-3 6107-001304 SPRING-CS;SUS304-WPB,-,PI0.6,D4.6,L11.5, SA
7.4-3-3 6107-001298 SPRING-CS;SUS304,GRINDING,PI2,D9.4,L18.7 SNA
7.4-3-5 JC66-00880A LEVER-P-RELEASE_L;ML-3560,SECC,T1.6,-,89 SNA
7.4-3-6 6107-001172 SPRING-CS;SUS304,-,PI0.5,D6.7,L17.5,-,-, S0035 SA
7.4-3-7 JC67-00102A CAP-M-FUSER LOCK;ML-3560,PC, NH-1023XD,T SNA
7.4-3-8 JC66-00881A LEVER-P-RELEASE_R;ML-3560,SECC,T1.6,43.4 SNA
7.4-3-10 JC63-00683A GROUND-P-HR;ML-3560,SUS304,T0.2,13.3,51. SNA
7.4-3-11 JC61-70903A SPRING ETC-ACTUATOR;ML-165,SUS304,PI0.2, Z4132 SA
7.4-3-12 JC72-01358A PMO-ACTUATOR EXIT;ML-3560,PC+GF20%,HF320 SNA
7.4-3-13 JC67-00103A CAP-M-ACTUATOR;ML-3560,PC+GF20%,HF3201,T SNA
5

Parts List
Drawer# SEC-Code Description & Specification Location Service
SA : SERVICE AVAILABLE SNA : SERVICE not AVAILABLE DNA : DELIVERY not AVAILABLE
7.4-3-14 6006-001078 SCREW-TAPTITE;WSP,PH,+,M3,L10,ZPC(YEL),S SNA
7.4-4 JC97-02631A MEA UNIT-FUSER_GU_R;ML-4550,-,-,-,-,-,- SNA
7.4-4-1 JC61-01226B GUIDE-M_REAR;ML-3560,HIPS,2.5,98,100.3,B SNA
7.4-4-2 JC72-00382A PMO-BUSHING TX;ML-6060A,POM M9044,BLK,-, SNA
7.4-4-6 JC61-01549A HOLDER-M REAR_LEVER;ML-3560,PC,NH-1023XD SNA
7.5-1 JC61-00674A GUIDE-P_REGI LOWER;ML-2150,SECC,1.2,-,-, G2080 SA
7.5-2 JC66-00450A ROLLER-REGI LOWER L;ML-2150,CR,13.85,-,B SNA
7.5-3 JC66-00446A SHAFT-REGI UPPER;ML-2150,SUM22,-,6,-,-,- S0010 SA
7.5-4 JC66-00647A ROLLER-M_REGI IDLE L25;ML-2150,POM,12.4, R0014 SA
7.5-5 JC66-00648A ROLLER-M_REGI IDLE S25;ML-2150,POM,11.9, R0015 SA
7.5-7 6107-001158 SPRING-TS;SUS304-WPB,-,PI0.4,D6.7,-,-,-, S0042 SA
7.5-8 JC72-00998A PMO-ACTUATOR REGISHUTTER;ML-2150,ABS G/F P0030 SA
7.5-9 JC61-00670A GUIDE-P_REGI PLATE;ML-2150,SECC,1.2,-,-, G2081 SA
7.5-11 JC61-00669A BUSH-M-ROLLER REGI U;ML-2150,POM(CE20),6 B0029 SA
7.5-14 6107-001155 SPRING-ES;SWP-B,-,PI0.55,-,L25,-,-,-,OD4 SA
7.6-1 JC61-01204A BRACKET-P-MAIN;ML-3560,SECC,1.2,144.73,2 SNA
7.6-2 JC31-00040A MOTOR DC-BLDC MAIN;-,ML-3560,2.3A,-,-,21 B5013 SA
7.6-3 6031-001255 WASHER-PLAIN;NYLON,CUTTING,ID5,OD9,T0.5, W0004 SA
7.6-4 JC66-00867A GEAR-M-OPC DRV;ML-3560,POM,0.8/0.5,31/11 SNA
7.6-5 JC66-00864A GEAR-M-REGI DRV;ML-3560,POM,0.8,31,-,WHT SNA
7.6-6 JC66-00860A GEAR-M-RDCN FUSER;ML-3560,POM,1/0.5,29/8 SNA
7.6-7 JC66-00875A GEAR-M-FUSER IDLE 1;ML-3560,POM,1,43,-,W SNA
7.6-8 JC66-00865A GEAR-M-RDCN REGI;ML-3560,POM,0.8/0.5,23/ SNA
7.6-9 JC66-00866A GEAR-M-RDCN PICK UP;ML-3560,POM,0.8/0.8, SNA
7.6-10 JC66-00861A GEAR-M-MP DRV;ML-3560,POM,0.8,31,-,WHT,2 SNA
7.6-11 JC66-00862A GEAR-M-FEED DRV;ML-3560,POM,0.8/0.8,37/4 SNA
7.6-12 JC66-00873A GEAR-M-RDCN MP;ML-3560,POM,0.8,19/28,-,W SNA
7.6-14 JC66-00863A GEAR-M-PICK UP DRV;ML-3560,POM,0.8,34,-, SNA
7.7-1 JC31-00039A MOTOR DC-BLDC DEVE;-,ML-3560,2.0A(MAX.), B5012 SA
7.7-2 JC61-01201A BRACKET-P-DEVE;ML-3560,SECC,1.2,126.5,73 SNA
7.7-3 JC61-01203A BRACKET-P-SWING;ML-3560,SECC,1.0,27.0,42 SNA
7.7-4 JC66-00915A SHAFT-SWING DEVE;ML-3560,SUM24L+NI,20.6, SNA
7.7-5 JC66-00871A GEAR-M-RDCN DEVE;ML-3560,POM,0.5/0.8,51/ SNA
7.7-6 JC66-00857A GEAR-M-SWING;ML-3560,POM,0.8,31,-,WHT,26 SNA
7.8-1 JC61-01205A BRACKET-P-EXIT;ML-3560,SECC,1.2,82.0,76. SNA
7.8-4 JC66-40911A GEAR-DP,IDLE;ML-165,POM,M1.0,Z21,-,WHITE G0198 SA
7.8-5 JC66-00100A GEAR-6;ML-9400W,POM,1,,PCD19,WHITE,, SNA
7.8-8 JC33-00008A SOLENOID-DUPLEX;-,SCX-5312F,-,24VDC,53*3 S8014 SA
7.8-9 JC61-01202A BRACKET-P-LINK SWING;ML-3560,SECC,1.2,40 SNA
7.8-10 JC66-00855A GEAR-M-SWING DUPLEX;ML-3560,POM,1,19,-,W SNA
7.8-11 JC66-00856A GEAR-M-RDCN EXIT;ML-3560,POM,1/1,27/31,- SNA
7.8-12 JC66-00916A SHAFT-SWING DUPLEX;ML-3560,SUM24L+NI,22. SNA
7.9-2 JC64-00189B INDICATOR-M_EMPTY;ML-3560,ABS,2.5,GRAY,H SNA
7.9-3 JC61-01244A GUIDE-P-SIDE_R;ML-3560,SECC,1.2,130,120. SNA
7.9-4 JC61-01225B GUIDE-M_SIDE LOCK;ML-3560,ABS,2.5,72.8,1 SNA
7.9-5 JC61-01220B FRAME-M_CASSETTE;ML-3560,HIPS,HR-1360T,H SNA
7.9-6 JC61-00751A GUIDE-P-REAR PAPER CST;ML-2150,SUS-301,T G2088 SA
7.9-8 JC61-00267B GUIDE-M-LOCK A;ML-2150,HIPS,HB,-,-,-,C75 G2068 SA
7.9-9 JC61-00414A SPRING ETC-GUIDE PAPER;ML-9400W,SUS304WP Z4247 SA
7.9-11 JC61-01224B GUIDE-M_EXTENSION CST;ML-3560,HIPS,2,56, SNA
7.9-12 JC61-01223A BRACKET-P-EXTENTION;ML-3560,SECC,1.2,41, SNA
7.9-13 JG61-70531A SPRING ETC-LOCKER,PLATE;SF6000,STS304WPB S0025 SA
7.9-15 JC67-00037A CAP-M-GUIDE SIDE,L;ML-2150,POM,-,-,-,BLK C1014 SA
7.9-16 JC61-01222A GUIDE-P-SIDE_L;ML-3560,SECC,1.2,127,129, SNA
7.9-17 JC72-41210A PMO-LOCKER PLATE;ML-6000,POM,WHT,HB,- L6038 SA
7.9-18 JC61-01227A GUIDE-M-PAPER SIZE;ML-3560,POM,2.5,71.5, SNA
7.9-19 JC97-02234A MEA UNIT-HOLDER PAD;ML-3560,XEROX,-,110V G0469 SA
6

Parts List
Drawer# SEC-Code Description & Specification Location Service
SA : SERVICE AVAILABLE SNA : SERVICE not AVAILABLE DNA : DELIVERY not AVAILABLE
7.9-21 JC61-01228A HOLDER-M-PAD_HOUSING;ML-3560,ABS,2.5,48, SNA
7.9-24 JC61-00455A SPRING ETC-PLATE K/UP;SCX-5100,SUS304,24 Z4228 SA
7.9-25 JC61-01245A PLATE-P-KNOCK UP;ML-3560,SECC,1.2,279.1, SNA
7.9-27 JC61-01221B GUIDE-M_HANDLE;ML-3560,ABS,2.5,103.7,396 SNA
7.10-33 6044-000159 RING-C;ID3,OD7,T0.6,PASS,STSC Z4357 SA
7.11-17 6107-001170 SPRING-TS;SWP-B,-,PI0.9,D6.0,-,-,-,ID5.2 Z4162 SA
7.11-34 JC63-00675A GROUND-P-PAPER_SIZE;ML-3560,C5210P,T0.2, SNA
7.11-40 JC72-01373A SPONGE-COVER_R;ML-3560,POLYURETHANE,-,5, SNA
7.11-43 6044-000001 RING-CS;ID3,OD3,T0.25,BLACK,SUS304 SNA
7.11-46 JB39-40532A CBF HARNESS-OPE;SF3000,CBF,UL1007,-,100, E2002 SA
7.11-49 JC39-00547A CBF HARNESS-SCF;SCX-6345N,CBF,UL1061,18P SA
#N/A 6801-001014 CARD-REGISTRATION;XEU,SEUK,ENG,MOJO100,L SNA
#N/A JC68-01699A MANUAL-INSTALL;ML-4550,SAMSUNG,16LANGUAG SNA
#N/A JC69-00985B BOX-MAIN;ML-4550/SEE,DC3,A-1,553,555,507 SA
#N/A JC96-01815C ELA ETC-SUBSIDIARY;ML-2150,SEC,110V/220V SNA
#N/A JC96-04095A ELA HOU BASE-FRAME;ML-4550,SEC/XEROX,-,1 SNA
#N/A JC96-04122A ELA ETC-LEVEL_PARTS;ML-4550,SEC,-,110V/2 SNA
#N/A JC99-01973C INA-ACCESSORY;ML-4550,SAMSUNG,XEU,-,-,- SNA
#N/A JC99-01991C PAA-LABEL;ML-4550/XEU,SEC,-,-,-,- SNA
#N/A JC99-01992A PAA WOOD-PACKING;ML-4550,SAMSUNG,-,-,-,- SNA
#N/A 0203-000007 TAPE-FILAMENT;3M,T0.15,W18,L55M,TRP SNA
#N/A 0203-001100 TAPE-OPP MASKING;OPP/W75/CLR,T0.05,W75,L SNA
#N/A 0205-001002 GREASE-BEARING;NYOGEL744,WITH PTFE,- SNA
#N/A 0205-001003 GREASE-BEARING;NYOGEL788,DAMPING GREASE, SNA
#N/A 3903-000067 CBF-POWER CORD;DT,GB,GP3/YES(A),I(IEC C1 K2903 SA
#N/A 6001-000568 SCREW-MACHINE;PH,+,M3,L8,NI PLT,SWRCH18A SA
#N/A 6002-000440 SCREW-TAPPING;PWH,+,-,2,M3,L8,ZPC(BLK),S SA
#N/A 6006-001193 SCREW-MACHINE;WSP,PH,+,M3,10,ZPC(YEL),SW SNA
#N/A 6021-001194 NUT-SQUARE;-,M3,PASS,SWCH+ZN COATING,SQU SNA
#N/A 6902-000288 BAG PE;T0.05,W250,L450,TRP,8,2,- SNA
#N/A 6902-000321 BAG PE;T0.015,W800,L1300,TRP,28,6,M-Type SNA
#N/A JB39-00017A CBF HARNESS-EARTH (TX MOTOR);SF-3100,CBF SA
#N/A JB68-00916A LABEL RATING-BLANK;SF-340,SEC,TETRON,0.0 SNA
#N/A JC39-00438A CBF HARNESS-DEV MOTOR;ML-3560,CBF,UL 106 H1246 SA
#N/A JC39-00445A CBF HARNESS-DC_MOTOR;ML-3560,CBF,UL 1061 H1245 SA
#N/A JC39-00575A CBF HARNESS-FAN;CLP-600,CBF-HARNESS,UL10 SA
#N/A JC39-00619A HARNESS-CART;ML-4550,CBF,UL 1061,20PIN,4 SA
#N/A JC39-00621A HARNESS-SMPS;ML-4550,CBF,UL 1061,28PIN,3 SA
#N/A JC39-00622A HARNESS-SMPS_HVPS;ML-4550,CBF,UL 1061,14 SA
#N/A JC39-00623A HARNESS-FAN_MAIN;ML-4550,CBF,UL 1061,3PI SA
#N/A JC44-00112A HVPS;-,24V,21.6V~27.6V,-,MAX 5KV,MAX-2KV SA
#N/A JC44-00124A SMPS-V2C;ML-4550,stock-v2C,FLYBACK,143W, SA
#N/A JC46-00280A S/W APPLICATION-CD;-,ML-4550,PRT DRV,1.0 SNA
#N/A JC61-00064A SPRING ETC-CLAW;ML-5200A,SUS 304 WPB,?0. O1032 SA
#N/A JC61-00391A SPRING ETC-DUPLEX COVER;ML-9400W,SUS304W Z4169 SA
#N/A JC61-01211A GUIDE-P-TRANSFER;ML-3560,SECC,0.6,242,64 SNA
#N/A JC61-01243A HOLDER-M-PICK_UP;ML-3560,POM,1.5,16,26.7 SNA
#N/A JC61-01611A HOLDER-P-DAMPER;ML-3560,SECC,1.6,25,32.1 P2063 SA
#N/A JC61-01724A GUIDE-PAPER;ML-4550,PC+ABS,2.5,48.7,242. SNA
#N/A JC61-01733A GUIDE-FEED1_PATH;ML-4550,PC,-,W193.9,L51 SA
#N/A JC61-01734A BRACKET-NIC HOLE;ML-4550,SECC,0.6T,W27.0 SA
#N/A JC61-01768A HOLDER-IDLE ENV;ML-4550,PC,1.5t,25.4,50. SNA
#N/A JC61-70915A SPRING ETC-SOLENOID DP;ML-165,SUS304-WPB S8015 SA
#N/A JC62-00311A INSULATION-SMPS;ML-4550,PC,0.43T,W219,L2 SNA
#N/A JC63-00076A COVER-WINDOW SF-530;SF-530,PVC FILM,T0. M0402 SA
#N/A JC63-00459A SHEET-SCAN LOWER;SCX-4100,PET,T0.188,-,- SNA
#N/A JC63-00707A SHEET-SMPS_SMALL;ML-3560,PC,0.4T,6.2,51. SNA
7

Parts List
Drawer# SEC-Code Description & Specification Location Service
SA : SERVICE AVAILABLE SNA : SERVICE not AVAILABLE DNA : DELIVERY not AVAILABLE
#N/A JC63-00875A GROUND-P-BRUSH;ML-3560,C5210P,T0.2,14.4, SNA
#N/A JC63-00911A SHEET-GUIDE PATH;ML-3560,PC,T0.254,21,84 SNA
#N/A JC63-01206A GROUND-CASSETTE;ML-4550,SUS301,0.2,82.6, SA
#N/A JC64-00190B KNOB-M_REAR;ML-3560,HIPS,2.5,24.7,44.7,H SNA
#N/A JC64-00268A SHUTTER-PATH;ML-4550,PC/ABS,-,7,219,SOFT SNA
#N/A JC65-00010B TERMINAL-GUIDE_FRONT;ML-4550,C5210P,-,-, SNA
#N/A JC66-00377A CAM-M-PICK_UP;ML-1710,POM(DELIN 8903),-, P2042 SA
#N/A JC66-00852A GEAR-M-FEED 2;ML-3560,POM,0.8,27,-,BLK,2 SNA
#N/A JC66-00877A LEVER-M-BRACKET_SWING;ML-3560,POM M90-44 SNA
#N/A JC66-00902A LEVER-M-STACKING 38;ML-3560,PC+ABS,T1.2, SA
#N/A JC66-01142A ROLLER-SLIDE A;CLP-300,POM,L10,OD10.2,BL SNA
#N/A JC66-01151A DAMPER-PICK UP;ML-3560,NBR,-,19,13.7,20. SNA
#N/A JC67-00189A DUCT-FAN_MAIN;ML-4550,ABS HB,-,-,-,BLK,- SA
#N/A JC68-00421A MANUAL-SERVICE CARD;COMMON,SEUK,XEU,,,,, SNA
#N/A JC68-00690A MANUAL-(CARD)WARRANTY CARD;ML-1210,XEU,E SNA
#N/A JC68-01552A LABEL(R)-CASSETTE;COMMON,SAMSUNG,WHITE P SNA
#N/A JC68-01584A LABEL(P)-BLANK 90*25;CLP-510,SEE,ART 100 D2120 SA
#N/A JC68-01760A LABEL-INFORMATION;ML-4550,SEC,ART PAPER SNA
#N/A JC68-10932A LABEL(P)-BLANK(ML);ML-85,ART,70X60,G100, SNA
#N/A JC69-00860A CUSHION-SCF IN;ML-3560,PE FOAM,-,15,260, SNA
#N/A JC69-00966A CUSHION-MAIN TOP;ML-4550,EPS,-,496,544,2 SNA
#N/A JC69-00966C CUSHION-MAIN BOTTOM;ML-4550,EPS,-,496,54 SNA
#N/A JC69-00966D CUSHION-MAIN DEVE;ML-4550,EPS,-,230,368, SNA
#N/A JC72-00463A PMO-CAP CONNECTOR L;ML-6060A,POM,BLACK,- Z0013 SA
#N/A JC72-00465A PMO-CAP CONNECTOR U;ML-6060A,POM,BLACK,- Z0014 SA
#N/A JC72-00995A PMO-STACKER LOCKER;ML-2150,PC,-,-,0810P, L6053 SA
#N/A JC73-00141A RPR-PAD CASSETTE;ML-1510,URETHANE SPONGE R0020 SA
#N/A JC96-01579A ELA HOU-MOTOR GND;SF-5100,HANSUNG,100Moh Z2265 SA
#N/A JC96-01730B ELA UNIT-HOLDER_TR_L;ML-4550,SEC,-,-,-,- SA
#N/A JC96-03931A ELA UNIT-DEVE KIT;ML-4550,SAMSUNG,-,10K, SNA
#N/A JC96-04120A ELA UNIT-CHECK_SENSOR;ML-4550,SEC,-,110V SA
#N/A JC97-02388B MEA UNIT-COVER RIGHT;ML-3560,SEC,-,110V/ E4064 SA
#N/A JC97-02662A MEA UNIT-EXIT DUP;ML-4550,-,-,SUM+EPDM,S SA
#N/A JF68-10532B LABEL(P)-BAR CODE;CLP-500,-,YUPO PAPER,1 SNA
#N/A JG61-40001A FOOT-SF4000;SF4000,CR,-,BLK,CR,3,-,- F1017 SA
#N/A 0201-001183 ADHESIVE-AA;ARON ALPHA #202F,NTR,100,20G SNA
#N/A 0202-001240 SOLDER-WIRE;HSE-01,-,D3,SN/0.5CU/0.03NI/ SNA
#N/A 0202-001492 SOLDER-WIRE FLUX;HSE-02 LFM48 SR-34 S,-, SNA
#N/A 0204-000469 THINNER;#4662,-,0.795,- SNA
#N/A 0204-002978 FLUX;KSP-70M,-,84%,FLUX,SPRAY SNA
#N/A 0205-001059 GREASE-BEARING;PETAMO GHV 133,BEIGE,15KG SNA
#N/A 0205-001067 GREASE-GRAPHITE;NYOGEL 756G,HYDRO CARBON SNA
#N/A 0205-001080 GREASE-BEARING;NYOGEL 774H,NOISE DAMPING SNA
#N/A 0205-001088 GREASE-BEARING;NICHIMOLY DM-1770X,PTFE,- SNA
#N/A 0502-001048 TR-POWER;KSD1691,NPN,1.3W,TO-126,BK,160 SA
#N/A 0601-001459 LED;ROUND,GRN,3mm,570nm SA
#N/A 2401-000880 C-AL;220uF,20%,50V,WT,TP,10x16mm,5m SA
#N/A 2801-004414 CRYSTAL-UNIT;25MHZ,50PPM,HC-49/S,12PF,50 SNA
#N/A 3405-001048 SWITCH-MICRO;125V,5A,64gf,SPDT SA
#N/A 3405-001073 SWITCH-MICRO;125V,5A,40GF,SPDT SNA
#N/A 3702-000118 CONNECTOR-RIBBON;36P,FEMALE,ANGLE,AU SNA
#N/A 3702-001158 CONNECTOR-RIBBON;60,FEMALE,STRAIGHT,AU SA
#N/A 3711-002000 HEADER-BOARD TO CABLE;BOX,18P,2R,2mm,STR SNA
#N/A 3711-002001 HEADER-BOARD TO CABLE;BOX,20P,2R,2MM,STR SA
#N/A 3711-002807 HEADER-BOARD TO CABLE;BOX,6P,1R,2mm,STRA SNA
#N/A 3711-002808 HEADER-BOARD TO CABLE;BOX,7P,1R,2mm,STRA SNA
#N/A 3711-002809 HEADER-BOARD TO CABLE;BOX,8P,1R,2mm,STRA SA
8

Parts List
Drawer# SEC-Code Description & Specification Location Service
SA : SERVICE AVAILABLE SNA : SERVICE not AVAILABLE DNA : DELIVERY not AVAILABLE
#N/A 3711-002810 HEADER-BOARD TO CABLE;BOX,9P,1R,2mm,STRA SNA
#N/A 3711-002811 HEADER-BOARD TO CABLE;BOX,10P,1R,2mm,STR SNA
#N/A 3711-003408 HEADER-BOARD TO CABLE;BOX,2P,1R,2mm,STRA SNA
#N/A 3711-003409 HEADER-BOARD TO CABLE;BOX,3P,1R,2mm,STRA SNA
#N/A 3711-003410 HEADER-BOARD TO CABLE;BOX,4P,1R,2mm,STRA SNA
#N/A 3711-003968 HEADER-BOARD TO CABLE;BOX,3P,1R,2.5mm,ST SA
#N/A 3711-003969 HEADER-BOARD TO CABLE;BOX,2P,1R,2.5mm,ST SNA
#N/A 3711-003981 HEADER-BOARD TO CABLE;BOX,28P,2R,2mm,STR SA
#N/A 3711-004349 HEADER-BOARD TO CABLE;BOX,3P,1R,2mm,STRA SA
#N/A 3722-002303 JACK-USB;4P/1C,AU30U,BLK,ANGLE,B TYPE SA
#N/A 6001-000130 SCREW-MACHINE;BH,+,M3,L6,ZPC(WHT),SWRCH1 - SA
#N/A 6902-000664 BAG CONDUCTIVE;T0.1,W420,L420,BLK,-,-,- SNA
#N/A JB68-00073A LABEL(R)-BAR CODE;SF-3000,PY,38X6.5,T0.1 SNA
#N/A JC02-00056A TONER-GRINDED;ML-4550,TUFTONE YT-7,-,8.0 SNA
#N/A JC07-00005A LCD-PANEL;VHC1625SLYC9-1,ML-2150,16X2,36 L3018 SA
#N/A JC39-00181A CBF HARNESS-PTL;SCX-5100,WIRE HARNESS,UL H1212 SA
#N/A JC39-00249A CBF HARNESS-LCD;ML-2150,WIRE,UL2877,8PIN H1118 SA
#N/A JC39-00251A CBF HARNESS-PANEL;ML-2150,CBF,UL 1061,6P H1193 SA
#N/A JC39-00465A CBF HARNESS-EXIT;ML-3560,CBF,UL 1061,3PI H1247 SA
#N/A JC39-00478A CBF HARNESS-FUSEROPEN;ML-3560,CBF,UL 106 H1250 SA
#N/A JC39-00479A CBF HARNESS-FEED;ML-3560,CBF,UL 1061,3PI H1248 SA
#N/A JC41-00068B PCB-FUSER SWITCH;ML-3560,FR-1,1LAYER,-,1 SNA
#N/A JC41-00178A PCB-PTL2 B'D;ML-2150,FR-1,1LAYER,-,1.6T, SNA
#N/A JC61-00026A SPRING ETC-TS-CHARGE APOLLO;SF-5100,SUS3 SNA
#N/A JC61-00033A SPRING ETC-ARM. L;ML-6060,SWP-B,-,-,-,8. SNA
#N/A JC61-00034A SPRING ETC-ARM. R;ML-6060,SWP-B,-,-,-,8. SNA
#N/A JC61-00658A GUIDE-M-DUPLEX;ML-2150,PC,-,-,-,CLEAR,- G2059 SA
#N/A JC61-01187A BRACKET-P-DEV LOWER;ML-3560,SECC,T0.8,24 SNA
#N/A JC61-01188A BRACKET-P-COUPLER;ML-3560,SPCC+NI,1.2T,1 SNA
#N/A JC61-01194A PLATE-M-DEV R;ML-3560,ABS,T2,20.9,54.69, SNA
#N/A JC61-01196A HOLDER-DEV;ML-3560,LDPE,2,8,317,RED,- SNA
#N/A JC61-01689A FRAME-M DEV CLEAN;ML-4550,ABS+GF20,-,HB, SNA
#N/A JC61-01696A FRAME-M DEV LOWER;ML-4550,ABS+GF20,-,HB, SNA
#N/A JC61-01725A FRAME-FEED;ML-4550,PC/ABS,NH-1000T,-,BLA SNA
#N/A JC61-70927A SPRING ETC-DEV_L;ML-7000,-,D0.6,-,5.6,20 SA
#N/A JC61-70929A SPRING ETC-HV LARGE;ML-5000A,SUS304-WPB, SA
#N/A JC62-00137A SEAL-FRAME LOWER R2;SCX-4920N,URETHAN FO SNA
#N/A JC62-00141A SEAL-DAMPER;SCX-6320F,PORON(LE20),BLK,5T SNA
#N/A JC62-00160A SEAL-DEV;ML-3560,FELT+PORON,-,T2.5,5.2,3 SNA
#N/A JC62-00316A TUBE-LARGE_DUP;ML-4550,-,-,-,78.7,BLK,- SNA
#N/A JC62-00317A TUBE-MIDDLE_DUP;ML-4550,-,-,-,75.6,BLK,- SNA
#N/A JC62-00318A TUBE-SMALL_DUP;ML-4550,-,-,-,56.2,BLK,- SNA
#N/A JC63-00111A COVER-M-SHUTTER;ML-2150,ABS,1.5,-,294.1, SNA
#N/A JC63-00407A SHEET-HOLDER PAD R2;SCX-4920N,PC,0.125T, SNA
#N/A JC63-00902A GROUND-P-PICK_UP;ML-3560,C5210P,T0.2,18, SNA
#N/A JC63-01205A GROUND-PAD;ML-4550,SUS301,0.2,37.4,-,-,1 SA
#N/A JC64-00272A SHUTTER-CLAW;ML-4550,POM,-,6,6.8,NTR,- SNA
#N/A JC65-00007A TERMINAL-P_PTL 2;ML-2150,PB(C5210P),-,-, K4273 SA
#N/A JC66-00535A SHAFT-OPC;ML-2150,SUS303,-,6,-,-,- SNA
#N/A JC66-00738A DAMPER-PAD ADF_R2;SCX-4720F,POLY URETHAN SNA
#N/A JC66-00844A GEAR-M COUPLER;ML-3560,POM,0.8,17,16.3,B SNA
#N/A JC66-00845A GEAR-M DEV;ML-3560,POM,0.6,19,6,NTR,13.3 SNA
#N/A JC66-00846A GEAR-M SR;ML-3560,POM,0.6,20,7.5,NTR,13. SNA
#N/A JC66-00848A GEAR-M RDCN AGI;ML-3560,POM,0.6/0.8,49/1 SNA
#N/A JC66-00849A ARM-M SHUTTER L;ML-3560,HIPS,HB,5.7,43.7 SNA
#N/A JC66-00850A ARM-M SHUTTER R;ML-3560,HIPS,HB,5.7,43.7 SNA
#N/A JC66-00858A GEAR-M-FUSER DRV IN;ML-3560,POM,1,33,-,W SNA
9

Parts List
Drawer# SEC-Code Description & Specification Location Service
SA : SERVICE AVAILABLE SNA : SERVICE not AVAILABLE DNA : DELIVERY not AVAILABLE
#N/A JC66-00905A SHAFT-DEV;ML-3560,SUM24L+NI,280.0,¥Õ5,-,S SNA
#N/A JC66-01237A ROLLER-DEVE;ML-4550,NBR,D16,232,-,-,- SNA
#N/A JC66-01267A ROLLER-SHAFT_FEED;ML-4550,SUM22+EPDM,15. SA
#N/A JC66-01271A ROLLER-EXIT_DUP;ML-4550,SUM22+EPDM,19.8, SNA
#N/A JC66-01281A GEAR-IDLE;ML-4550,POM,0.6,32,-,NTR,21.63 SNA
#N/A JC66-01282A SHAFT-AUGER SUPPLY;ML-4550,ABS+GF20(HB), SNA
#N/A JC66-40919A GEAR-AGITATOR;ML-7000,POM(NW-02),M0.8,Z4 SNA
#N/A JC67-00035A CAP-M-WIRE PTL UPPER;ML-2150,PC(NH-1023) C1016 SA
#N/A JC67-00047A CAP-M_BUSHING ACTUATOR;ML-2150,POM,-,-,- C0006 SA
#N/A JC67-00088A COUPLER-M-DEV;ML-3560,POM,D20,-,NTR,- SNA
#N/A JC67-00091A CAP-M DEV L;ML-3560,PC,T2.5,36.62,25.91, SNA
#N/A JC67-00159A CAP-M-SPRING;ML-3560,ABS,T1.5,4,8,BLK,- SNA
#N/A JC67-00165A CAP-M WTB;ML-4550,ABS,T2,59.7,236.5,BLK, SNA
#N/A JC67-00166A CAP-M SENSOR;ML-4550,HIPS,1.5,21.27,55.2 SNA
#N/A JC67-00193A CAP-SENSOR_FEED;ML-4550,POM,-,W39.8,L19. SA
#N/A JC67-00194A CAP-DEV;ML-4550,PC,T2,-,-,NTR,- SNA
#N/A JC67-00195A CAP-DEV GEAR;ML-4550,ABS,T1.5,45.61,-,BL SNA
#N/A JC67-00204A BRUSH-ANTISTATIC_PICK;ML-3560,AL,0.2,28, SA
#N/A JC68-00407A LABEL(R)-HV FUSER;ML-6060,PVC,-,220V,-,, L0006 SNA
#N/A JC68-01134A LABEL(P)-BLANK(FUSER);ML-1710D3,-,WHITE SNA
#N/A JC68-01525A LABEL(R)-SEAL(DEVE);COMMON,-,TETRON,0.2T SNA
#N/A JC68-01541A MANUAL-TONER INSTALL;COMMON,SEC,-,-,ART1 SNA
#N/A JC68-01581A LABEL(P)-CAUTION HOT;COMMON,SAMSUNG,PET, SNA
#N/A JC68-10209B LABEL(P)-PACK DEVE;ML-85,ART,34*84,G100, SNA
#N/A JC68-10914D LABEL(P)-SERIAL NO;ML-85,ART,70X15,G100, SNA
#N/A JC69-00987A PAD-FRICTION;ML-2571N,NBB,T1.0,W8.5,L29, O1093 SA
#N/A JC70-00314A IPR-PLATE PAD;ML-1710,SUS304-CSP,-,0.1,- P0009 SA
#N/A JC70-40912A ICT-SHAFT HV LARGE;ML-5000A,SWCH18A,-,?4 O1100 SA
#N/A JC72-00398A PPR-FILM OPC;ML-6060,URETHANE,NTR,0.2T,- SNA
#N/A JC72-01302A PMO-M-FLEXIBLE COUPLE;SCX-6320F,POM(M90- SNA
#N/A JC72-01390A SPONGE-REGI_PLATE;ML-4550,POLYURETHANE F SA
#N/A JC73-00046A RPR-SEAL CLEAN L;ML-6060,TEFLON FELT,8.5 SNA
#N/A JC73-00047A RPR-SEAL CLEAN R;ML-6060,TEFLON FELT,8.5 SNA
#N/A JC73-00053A RPR-SEAL CLEAN SUB;ML-6060,URETHANE,5*9. SNA
#N/A JC73-00101A RPR-SEAL CLN BRKT;ML-6060,URETHANE FOAM, SNA
#N/A JC73-10017A RPR-SEAL_BLOCK;ML-80,POLYURETHANE FOAM,T SNA
#N/A JC73-10937A RPR-SEAL FRAME;ML-7000,URETHANE FOAM,13* SA
#N/A JC75-10965A MEC-ROLLER_SUPPLY;ML-7000,SEC,-,-,-,-,-, SNA
#N/A JC92-01475A PBA MAIN-PTL1;ML-2150,SEC,KOREA,PTL1 B'D M0248 SA
#N/A JC92-01826A PBA SUB-CRUM;ML-4550,SEC,KOREA,DEVE B'D, SNA
#N/A JC94-00861A PHANTOM AU JC92-01704A SNA
#N/A JC94-00865A PHANTOM AU JC92-01512B SNA
#N/A JC94-00866A PHANTOM AU JC92-01262C SNA
#N/A JC94-01198A PHANTOM AU JC92-01831A SNA
#N/A JC94-01200A PHANTOM AU JC92-01825B SNA
#N/A JC94-01201A PHANTOM AU JC92-01823A SNA
#N/A JC94-01202A PHANTOM AU JC92-01824A SNA
#N/A JC96-04114A ELA UNIT-FEED_SENSOR;ML-4550,SEC,110V/22 SA
#N/A JC97-01688A MEA UNIT-HOLDER CR;ML-2150,SAMSUNG,-,CAR SNA
#N/A JC97-01692A MEA UNIT- ROLLER CLEAN;ML-2150,SAMSUNG,- K3609 SA
#N/A JC97-02212A MEA UNIT-DRUM;ML-3560,SAMSUNG,-,OPC DRUM SNA
#N/A JC97-02224A MEA UNIT-BLADE;ML-3560,SAMSUNG,-,DOCTOR SNA
#N/A JC97-02225B MEA UNIT-CLEAN;ML-4550,SAMSUNG,-,CLEANIN SNA
#N/A JC97-02227A MEA UNIT-ROLLER CR;ML-3560,SAMSUNG,-,ROL SNA
#N/A JC97-02237A MEA UNIT-BUSHING SR;ML-3560,SAMSUNG,-,ID SNA
#N/A JC97-02255A MEA UNIT-PLATE DEV L;ML-3560,SAMSUNG,-,P SNA
#N/A JC97-02382B MEA UNIT-SPACER;ML-4550,-,-,SPACER_DR,BE SNA
10

Parts List
Drawer# SEC-Code Description & Specification Location Service
SA : SERVICE AVAILABLE SNA : SERVICE not AVAILABLE DNA : DELIVERY not AVAILABLE
#N/A JC97-02621A MEA UNIT-HOPPER;ML-4550,SAMSUNG,-,-,-,-, SNA
#N/A JC97-02622A MEA UNIT-DUCT;ML-4550,SAMSUNG,-,-,-,-,- SNA
#N/A JC97-02632A MEA UNIT-FUSER_BK_G;ML-4550,-,-,-,-,-,- SNA
#N/A JG72-40960A PMO-CAP TONER;SF6000,PP,BLK,-,-,VO,-,-,- SNA
#N/A 0201-001162 ADHESIVE-CYA;LOCTITE403,NTR,1250,20G SNA
#N/A 0201-001235 ADHESIVE-TS;DEH-390D,RED,400,- SNA
#N/A 0202-001459 SOLDER-CREAM;S3X58-M405,-,D20~38§-,96.5SS SNA
#N/A 0203-001189 TAPE-ACETATE;#810,T0.05,W12,L65000,TRP,- SNA
#N/A 0205-000005 GREASE-BEARING;EP56,DIAMOND HYDRO FLUID, SNA
#N/A 0205-001095 GREASE-BEARING;NYE8512,NOISE DAMPING(BLU SNA
#N/A 0401-000116 DIODE-SWITCHING;MMSD914T1,100V,200MA,SOD SNA
#N/A 0402-000129 DIODE-RECTIFIER;1N4003,200V,1A,DO-41,TP SA
#N/A 0403-000716 DIODE-ZENER;MTZJ4.7B,4.59-4.77V,500mW,DO SA
#N/A 0404-000112 DIODE-SCHOTTKY;RB420D,40V,100MA,SOT-23,T SA
#N/A 0407-000122 DIODE-ARRAY;KDS226,80V,300mA,C2-3,SOT-23 SA
#N/A 0501-000279 TR-SMALL SIGNAL;KSA1182-Y,PNP,150mW,SOT- SA
#N/A 0501-000457 TR-SMALL SIGNAL;MMBT2222A,NPN,350mW,SOT- SA
#N/A 0505-001592 FET-SILICON;SI4542DY,N/P,30V/-30V,6.9A/6 SNA
#N/A 0505-001754 FET-SILICON;FDC642P,P,-20V,-4A,0.054ohm, SNA
#N/A 0601-000003 LED;ROUND,RED/GRN,3.1MM,650/563NM,3.8X5. SA
#N/A 0801-000794 IC-CMOS LOGIC;7S08,AND GATE,SOT-25,5,63M SA
#N/A 0801-001055 IC-CMOS LOGIC;74VHC08,AND GATE,SOP,14,15 SA
#N/A 0801-002095 IC-CMOS LOGIC;74LCX245,TRANSCEIVER,TSSOP SA
#N/A 0801-002379 IC-CMOS LOGIC;74LCX16245,TRANSCEIVER,TSS SA
#N/A 0801-002484 IC-CMOS LOGIC;74LCX138,3-TO-8 DECODER,TS SA
#N/A 0801-003070 IC-CMOS LOGIC;74ALVCH162260,D-TYPE LATCH SNA
#N/A 0803-003263 IC-CMOS LOGIC;74LCX07,HEX BUFFER,SOIC,14 SA
#N/A 0902-001984 IC-MICROPROCESSOR;88F5181,500MHz,HSBGA,4 SA
#N/A 1003-001922 IC-CLOCK DRIVER;ICS97ULP844A,BGA,28P,4.0 SNA
#N/A 1003-001926 IC-CLOCK DRIVER;ICS445R-36LF ,SSOP,20P,8 SNA
#N/A 1006-001151 IC-LINE TRANSCEIVER;90LV019,SOP,14P,157M SA
#N/A 1006-001224 IC-LINE TRANSCEIVER;74LVX161284,TSSOP,48 SA
#N/A 1006-001250 IC-LINE DRIVER;DS90LV017A,SOIC,8P,150MIL SA
#N/A 1103-000170 IC-EEPROM;24C64A,64Kbit,8Kx8Bit,SOP,8P,5 SA
#N/A 1103-001325 IC-EEPROM;34(F)C02-LF,256X8BIT,TSSOP,8P, SNA
#N/A 1105-001680 IC-DRAM;K4T51163QC,DDR2,512Mbit,32Mx16,F SA
#N/A 1107-001590 IC-FLASH MEMORY;S29GL064M,64MBIT,8MX8/4M SA
#N/A 1202-000164 IC-VOLTAGE COMP.;393,SOP,8P,150MIL,DUAL, SA
#N/A 1203-002233 IC-RESET;XC61F,SOT-23,3P,-,PLASTIC,0.7/1 SNA
#N/A 1203-003739 IC-DC/DC CONVERTER;MVPG31,DFN,12P,4X3MM, SNA
#N/A 1203-003774 IC-DC/DC CONVERTER;SC4603,MSOP,10P,3X3MM SNA
#N/A 1203-004111 IC-DC/DC CONVERTER;MVPG30,DFN,12P,4X3MM, SNA
#N/A 1404-001141 THERMISTOR-NTC;5.6Kohm,5%,3200K,2.1mW/C, SNA
#N/A 1404-001360 THERMISTOR-NTC ASSY;7KOHM,-,3370K,0.3MW/ SA
#N/A 2001-000019 R-CARBON(S);10OHM,5%,1/2W,AA,TP,2.4X6.4M SA
#N/A 2001-000281 R-CARBON;100OHM,5%,1/8W,AA,TP,1.8X3.2MM SA
#N/A 2001-000591 R-CARBON;3.3KOHM,5%,1/8W,AA,TP,1.8X3.2MM SA
#N/A 2007-000033 R-CHIP;0ohm,5%,1/4W,TP,3216 SA
#N/A 2007-000052 R-CHIP;10Kohm,1%,1/10W,TP,1608 SA
#N/A 2007-000069 R-CHIP;1OHM,1%,1/4W,TP,3216 SNA
#N/A 2007-000070 R-CHIP;0ohm,5%,1/10W,TP,1608 SA
#N/A 2007-000071 R-CHIP;22ohm,5%,1/10W,TP,1608 SA
#N/A 2007-000074 R-CHIP;100ohm,5%,1/10W,TP,1608 SA
#N/A 2007-000075 R-CHIP;220ohm,5%,1/10W,TP,1608 SA
#N/A 2007-000076 R-CHIP;330ohm,5%,1/10W,TP,1608 SA
#N/A 2007-000078 R-CHIP;1Kohm,5%,1/10W,TP,1608 SA
#N/A 2007-000079 R-CHIP;1.8Kohm,5%,1/10W,TP,1608 SA
11

Parts List
Drawer# SEC-Code Description & Specification Location Service
SA : SERVICE AVAILABLE SNA : SERVICE not AVAILABLE DNA : DELIVERY not AVAILABLE
#N/A 2007-000082 R-CHIP;3.3Kohm,5%,1/10W,TP,1608 SA
#N/A 2007-000084 R-CHIP;4.7Kohm,5%,1/10W,TP,1608 SA
#N/A 2007-000086 R-CHIP;5.6Kohm,5%,1/10W,TP,1608 SA
#N/A 2007-000090 R-CHIP;10Kohm,5%,1/10W,TP,1608 SA
#N/A 2007-000093 R-CHIP;20Kohm,5%,1/10W,TP,1608 SA
#N/A 2007-000094 R-CHIP;22Kohm,5%,1/10W,TP,1608 SA
#N/A 2007-000098 R-CHIP;56Kohm,5%,1/10W,TP,1608 SA
#N/A 2007-000102 R-CHIP;100Kohm,5%,1/10W,TP,1608 SA
#N/A 2007-000105 R-CHIP;200Kohm,5%,1/10W,TP,1608 SA
#N/A 2007-000107 R-CHIP;470Kohm,5%,1/10W,TP,1608 SA
#N/A 2007-000113 R-CHIP;33ohm,5%,1/10W,TP,1608 SA
#N/A 2007-000120 R-CHIP;680ohm,5%,1/10W,TP,1608 SA
#N/A 2007-000123 R-CHIP;1.5Kohm,5%,1/10W,TP,1608 SA
#N/A 2007-000134 R-CHIP;33Kohm,5%,1/10W,TP,1608 SA
#N/A 2007-000287 R-CHIP;100OHM,1%,1/10W,TP,1608 SA
#N/A 2007-000309 R-CHIP;10ohm,5%,1/10W,TP,1608 SA
#N/A 2007-000402 R-CHIP;150ohm,5%,1/10W,TP,1608 SA
#N/A 2007-000539 R-CHIP;200ohm,5%,1/10W,TP,1608 SA
#N/A 2007-000619 R-CHIP;24ohm,5%,1/4W,TP,3216 SA
#N/A 2007-000729 R-CHIP;300ohm,5%,1/10W,TP,1608 SA
#N/A 2007-000965 R-CHIP;5.1Kohm,5%,1/10W,TP,1608 SA
#N/A 2007-001002 R-CHIP;510ohm,5%,1/10W,TP,1608 SA
#N/A 2007-001010 R-CHIP;51Kohm,5%,1/10W,TP,1608 SNA
#N/A 2007-001139 R-CHIP;7.5Kohm,1%,1/10W,TP,1608 SA
#N/A 2007-002425 R-CHIP;1ohm,5%,1/10W,TP,1608 SA
#N/A 2007-002901 R-CHIP;12.1Kohm,1%,1/10W,TP,1608 SA
#N/A 2007-002916 R-CHIP;475Kohm,1%,1/10W,TP,1608 SA
#N/A 2007-007239 R-CHIP;31.6Kohm,1%,1/10W,TP,1608 SNA
#N/A 2007-007445 R-CHIP;9.09Kohm,1%,1/10W,TP,1608 SA
#N/A 2007-007521 R-CHIP;14.7Kohm,1%,1/10W,TP,1608 SA
#N/A 2007-007839 R-CHIP;53.6Kohm,1%,1/10W,TP,1608 SNA
#N/A 2007-007878 R-CHIP;5.62Kohm,1%,1/10W,TP,1608 SA
#N/A 2007-008596 R-CHIP;0.1ohm,1%,1/4W,TP,3216 SA
#N/A 2011-000002 R-NET;22ohm,5%,1/16W,L,CHIP,8P,TP,3216 SA
#N/A 2011-000816 R-NET;100ohm,5%,1/16W,L,CHIP,8P,TP,3.2x1 SA
#N/A 2011-000881 R-NET;33ohm,5%,1/16W,L,CHIP,8P,TP,3.2x1. SA
#N/A 2011-001011 R-NET;10Kohm,5%,1/16W,L,CHIP,8P,TP,3.2x1 SNA
#N/A 2011-001097 R-NET;5.1KOHM,5%,1/16W,L,CHIP,8P,TP SNA
#N/A 2011-001262 R-NET;22OHM,5%,1/16W,L,CHIP,8P,TP,2.0X1. SA
#N/A 2011-001334 RC-NETWORK;1K/5.1K/39ohm,10%,150pF,-,6V, SNA
#N/A 2011-001468 R-NET;3OHM,5%,1/16W,L,CHIP,8P,TH,2010 SA
#N/A 2201-000017 C-CERAMIC,DISC;1nF,10%,50V,Y5P,-,5x3.5mm SA
#N/A 2203-000041 C-CER,CHIP;0.01nF,0.25pF,50V,C0G,1608 SA
#N/A 2203-000189 C-CER,CHIP;100nF,+80-20%,25V,Y5V,1608 SA
#N/A 2203-000236 C-CER,CHIP;0.1nF,5%,50V,C0G,1608 SA
#N/A 2203-000257 C-CER,CHIP;10nF,10%,50V,X7R,1608 SA
#N/A 2203-000384 C-CER,CHIP;0.015nF,5%,50V,C0G,1608 SA
#N/A 2203-000440 C-CER,CHIP;1nF,10%,50V,X7R,1608 SA
#N/A 2203-000626 C-CER,CHIP;0.022nF,5%,50V,C0G,1608 SA
#N/A 2203-000783 C-CER,CHIP;0.33nF,5%,50V,C0G,1608 SA
#N/A 2203-000998 C-CER,CHIP;0.047nF,5%,50V,C0G,1608 SA
#N/A 2203-001086 C-CER,CHIP;0.0050nF,0.25pF,50V,NP0,1608 SA
#N/A 2203-001607 C-CER,CHIP;0.22nF,5%,50V,NP0,1608 SA
#N/A 2203-005105 C-CER,CHIP;0.68nF,5%,50V,C0G,1608 SA
#N/A 2203-005249 C-CER,CHIP;100nF,10%,50V,X7R,1608 SNA
#N/A 2203-005819 C-CER,CHIP;1000nF,+80-20%,16V,Y5V,-,1608 SNA
#N/A 2203-006474 C-CER,CHIP;22000nF,20%,6.3V,X5R,2012 SA
12

Parts List
Drawer# SEC-Code Description & Specification Location Service
SA : SERVICE AVAILABLE SNA : SERVICE not AVAILABLE DNA : DELIVERY not AVAILABLE
#N/A 2203-006676 C-CER,CHIP;10000NF,+80TO-20%,10V,Y5V,201 SNA
#N/A 2203-006818 C-CER,CHIP;47000nF,20%,6.3V,X5R,3216 SA
#N/A 2401-000480 C-AL;10uF,20%,50V,GP,TP,5x11,5 SA
#N/A 2401-002420 C-AL;470UF,20%,16V,WT,TP,10X12,5 SNA
#N/A 2402-001042 C-AL,SMD;100uF,20%,16V,GP,TP,6.6x6.6x5.4 SA
#N/A 2402-001049 C-AL,SMD;10uF,20%,16V,GP,TP,3.3x3.3x5.4 SA
#N/A 2402-001106 C-AL,SMD;33UF,20%,50V,WT,TP,8.3X8.3X6.3M SA
#N/A 2503-001051 C-NETWORK;100NFX4,20%,16V,-,2012, 4ARRAY SA
#N/A 2703-002055 INDUCTOR-SMD;2.2UH,20%,6363 SNA
#N/A 2703-002539 INDUCTOR-SMD;6.8uH,20%,6965 SNA
#N/A 2802-001069 RESONATOR-CERAMIC;7.37MHz,0.5%,TP,4.7x4. SNA
#N/A 2901-001178 FILTER-EMI SMD;25V,2A,-,100000pF,2x1.25x SA
#N/A 3301-000317 BEAD-SMD;120ohm,2012,TP,-,- SA
#N/A 3301-000325 BEAD-SMD;60ohm,3.2x2.5x1.3mm,400mA,TP,,, SNA
#N/A 3301-001084 BEAD-SMD;600ohm,2012,300mA,TP,522ohm/70M SNA
#N/A 3301-001655 BEAD-SMD;33ohm,3216,3000mA,TP,16ohm/39MH SA
#N/A 3405-001069 SWITCH-MICRO;125V,5A,30GF,SPDT SA
#N/A 3501-000203 RELAY-MINIATURE;5V,200MW,1000MA,1FORMC,6 SA
#N/A 3709-001372 CONNECTOR-CARD EDGE;200P,0.6mm,SMD,AUF,S SA
#N/A 3709-001375 CONNECTOR-CARD EDGE;200P,0.6mm,SMD,AUF,S SA
#N/A 3711-005861 HEADER-BOARD TO BOARD;BOX,40P,2R,0.8MM,S SA
#N/A JB13-00004A IC ASIC-OPE;SF-3100,HT48C5,SSOP,48P,16.1 SA
#N/A JB61-00439A PLATE-STARWHEEL;SCX-1577,SUS,0.2,-,-,-,- SNA
#N/A JC13-00029A IC ASIC-DAVINCI;LPEC2,CLP-600,208,3.3V,- SA
#N/A JC13-00030A IC ASIC-HYPER_C;HYPER-C,CLP-600,256,3.3V SA
#N/A JC39-00464A CBF HARNESS-COVEROPEN;ML-3560,CBF,UL 106 H1244 SA
#N/A JC39-00535A CBF HARNESS-PLA_COVER;SCX-5530FN,CBF,UL1 Z4337 SA
#N/A JC41-00175A PCB-PTL1 B'D;ML-2150,FR-1,1LAYER,-,1.6T, SNA
#N/A JC41-00288A PCB-COVEROPEN;ML-3560,FR-1,1LAYER,-,1.6T SNA
#N/A JC41-00289A PCB-JOINT B'D;ML-3560,FR-1,1LAYER,-,1.6T SNA
#N/A JC41-00307A PCB-FEED;ML-3560,FR-1,1LAYER,-,1.6T,11X2 SNA
#N/A JC41-00308A PCB-EXIT;ML-3560,FR-1,1LAYER,-,1.6T,45X1 SNA
#N/A JC41-00352A PCB-MAIN;ML-4550,FR-4,6L,-,1.6T,174.2X19 SNA
#N/A JC41-00353A PCB-RAM_DIMM;ML-4550,FR-4,6L,-,1.0T,130x SNA
#N/A JC41-00354A PCB-LCD_PANEL;ML-4550,FR-4,2L,-,1.6T,240 SNA
#N/A JC41-00356A PCB-EMPTY_SENSOR;ML-4550,FR-1,1L,-,1.6T, SNA
#N/A JC47-00010A LAMP-PTL;90-20-210-167,ML-2150,4.1 X 9.4 L1019 SA
#N/A JC60-00012A SPACER-M-DR;ML-3560,POM,-,ID10,OD16.415, SNA
#N/A JC61-00631A HOLDER-M-CR;ML-2150,PC,1.3,-,-,NTR,- SNA
#N/A JC61-01186A FRAME-M-DEV CAP;ML-3560,HIPS,-,HB,BLK,T2 SNA
#N/A JC61-01189A BRACKET-P-BLADE;ML-3560,SPCC+NI PLT,T1.2 SNA
#N/A JC61-01195A PLATE-M-DEV L;ML-3560,ABS,T2,15.5,54.69, SNA
#N/A JC61-01198A BUSH-M-SUPPLY;ML-3560,POM,ID4.0,OD6.4,9. SNA
#N/A JC61-01578A PLATE-P-ACTUATOR COVER;ML-3560,SUS304,T0 SNA
#N/A JC61-01688A FRAME-M DEV HOPPER;ML-4550,HIPS,-,HB,BLK SNA
#N/A JC61-01690A FRAME-M DEV DUCT;ML-4550,HIPS,-,HB,BLK,T SNA
#N/A JC61-01707A HOLDER-M TURBINE;ML-4550,PC,2,6.9,21.3,B SNA
#N/A JC61-01729A BRACKET-FUSER UPPER L;ML-4550,SUS304,T0. SNA
#N/A JC61-01730A BRACKET-FUSER UPPER R;ML-4550,SUS304,T0. SNA
#N/A JC61-01731A HOLDER-PR SHAFT;ML-4550,PPS, RBA313N,T2. SNA
#N/A JC61-01745A BUSH-PRESSURE;ML-4550,PPS,RBA313N,¡Ë9.0,S SNA
#N/A JC61-01774A SPRING ETC-SEPERATION;ML-4550,SUS304WPB, SA
#N/A JC62-00158A SEAL-HOPPER SIDE;ML-3560,POLYURETHANE FO SNA
#N/A JC63-00708A SHEET-FILM DUCT;ML-3560,PET,0.188,9.5,22 SNA
#N/A JC63-00709A SHEET-FILM REAR;ML-3560,PET,0.075,11.2,2 SNA
#N/A JC63-00724A COVER-M-SLIDE SENSOR;ML-3560,NYLON+GF25% SNA
#N/A JC63-00903A FELT-CLEAN TONER;ML-3560,ARAMID FIBER,5. SNA
13

Parts List
Drawer# SEC-Code Description & Specification Location Service
SA : SERVICE AVAILABLE SNA : SERVICE not AVAILABLE DNA : DELIVERY not AVAILABLE
#N/A JC63-01131A COVER-FUSER UPPER;ML-4550,PET+GF30%,FR53 SNA
#N/A JC63-01150A COVER-FUSER LOWER;ML-4550,PET+GF30%,FR53 SNA
#N/A JC65-00002A TERMINAL-P_PTL L;ML-2060,PB(C5210P),-,-, K4274 SA
#N/A JC65-00003A TERMINAL-P_PTL R;ML-2060,PB(C5210P),-,-, K4275 SA
#N/A JC66-00435A GEAR-IDLE CR 17;ML-2150,POM, F20-03,0.6, SNA
#N/A JC66-00436A GEAR-CLEAN 23;ML-2150,HYTREL5526 ,0.6,23 SNA
#N/A JC66-00538A ROLLER-CLEANING;ML-2150,URETHANE FOAM+SU SNA
#N/A JC66-00842A GEAR-M-OPC MAIN;ML-3560,PC,0.8,40,-,BLK, SNA
#N/A JC66-00843A GEAR-M ID TURBINE;ML-3560,POM,0.6/0.6,16 SNA
#N/A JC66-00907A DRUM-OPC;ML-3560,AL 5N01,-,30.04,255,-,U SNA
#N/A JC66-00930A ROLLER-CHARGE;ML-3560,NBR,D12.2,L232,NTR SNA
#N/A JC66-01153A GEAR-IDLE 23 FUSER;ML-3560,HTNFR52G30L,M SA
#N/A JC66-01154A GEAR-IDLE 25 FUSER;ML-3560,NYLON,RAL4032 SNA
#N/A JC66-01234A GEAR-M TURBINE;ML-4550,POM,0.6,16,5.1,BL SNA
#N/A JC66-01235A SHAFT-TURBINE;ML-4550,AL,264,OD8,-,-,- SNA
#N/A JC66-40369A GEAR;ML-80,PC LS1250,M0.6,Z50,-,BLK,-,-, SNA
#N/A JC67-00186A CAP-SENSOR_FRAME;ML-4550,PC,-,W53.5,L16. SA
#N/A JC68-01633A LABEL(P)-HOLD RE OPEN;ML-3560,-,PET,T0.0 SNA
#N/A JC70-00509A ELECTRODE-P-DEV;ML-3560,SUS301-CSP,-,26. SNA
#N/A JC70-00510A ELECTRODE-P-SR;ML-3560,SUS301-CSP,-,32.1 SNA
#N/A JC70-00511A IPR-P-BLADE-DOCTOR;ML-3560,C1720R-1/2HM, SNA
#N/A JC70-10989A IPR-ELECTRODE CHARGE;ML-5000,SUS301 1/2H SNA
#N/A JC71-00050A NPR-EARTH OPC;-,ML-2150,C5210P,0.2,-,-,- SNA
#N/A JC72-00082A PMO-BUSHING AGI R;SF-5100,POM,BLK,-,-,-, SNA
#N/A JC72-00508A PMO-HANDLE DEVE;ML-6060,PC,BLK,-,-,HB,-, SNA
#N/A JC72-00509A PMO-HOLDER HANDLE;ML-6060,HIPS,BLK,-,-,H SNA
#N/A JC72-10008A PPR-FILM_HOPPER;ML-80,PP+PE,-,-,-,-,-,-, SNA
#N/A JC72-40332A PMO-BUSHING_CHARGE;ML-80,POM,BLK,HB,- SNA
#N/A JC73-00225A RUBBER-IDLE;ML-3560,EP+NR,D=26.8,30,6.5, C4023 SA
#N/A JC73-40906A RMO-SEAL AGITATOR;ML-5000,SANTOPRENE,-,- SNA
#N/A JC94-00288A PHANTOM AU JC92-01336A SNA
#N/A JC94-01197A PHANTOM AU JC92-01826A SNA
#N/A JC94-01199A PHANTOM AU JC92-01807A SNA
#N/A JC96-04058B ELA UNIT-HEAT;ML-4550,-,-,FUSER,220V,-,- SA
#N/A JC96-04059A ELA UNIT-THERMOSTAT L;ML-4550,-,-,-,-,-, SA
#N/A JC96-04060A ELA UNIT-ELECTRODE R;ML-4550,-,-,-,-,-,- SNA
#N/A JC97-01088A MEA RACK-BUSHING AGI;ML-6000,SEC,KOR,POM SA
#N/A JC97-02214A MEA UNIT-AGITATOR;ML-3560,SAMSUNG,-,AGIT SNA
#N/A JC97-02663A MEA UNIT-EXIT F_UP;ML-4550,-,-,SUM+EPDM, SA
#N/A 0401-000005 DIODE-SWITCHING;1N4148,75V,150mA,DO-35,T SA
#N/A 0407-000101 DIODE-ARRAY;DA204K,20V,100mA,C2-3,SOT-23 SA
#N/A 0601-001908 LED;ROUND,RED,3MM,630NM,3.2X4.6MM SNA
#N/A 1103-001367 IC-EEPROM;AT88SC0204C,2KBIT,256X8BIT,SOP SNA
#N/A 2001-000935 R-CARBON;68OHM,5%,1/4W,AA,TP,2.4X6.4MM SA
#N/A 3404-000165 SWITCH-TACT;12V,50mA,160gf,6x6mm,SPST D2158 SA
#N/A 4712-001029 THERMOSTAT;125/250VAC,15/10A,170+-5C,0C, K4280 SA
#N/A 6006-000127 SCREW-MACHINE;WS,PH,+,M3,L6,ZPC(YEL),SWR SNA
#N/A JC39-00638A HARNESS-ERASE;ML-4550,UL1061,-,2,-,BLACK SA
#N/A JC39-40511A CBF HARNESS;ML-80,JUMPER,AWG22,52mm,SILV D2176 SA
#N/A JC41-00355A PCB-TONER_CONNECTOR;ML-4550,FR-4,2L,-,1. SNA
#N/A JC41-00357A PCB-CRUM;ML-4550,FR-4,2L,-,1.6T,130x166. SNA
#N/A JC41-10517A PCB-CASSETTE;ML-165,FR-4,2L,-,1.6MM,55*5 SNA
#N/A JC41-10519A PCB-PTL;ML-165,FR-1,1L,T1.6mm,217.7X9m SNA
#N/A JC61-01738A BRACKET-HEAT INNER;ML-4550,SUS304,T0.3,1 SNA
#N/A JC62-00313A TUBE-SMALL_F_UP;ML-4550,-,-,-,22.7,BLK,- SNA
#N/A JC62-00314A TUBE-MIDDLE_F_UP;ML-4550,-,-,-,37.0,BLK, SNA
#N/A JC62-00315A TUBE-LARGE_F_UP;ML-4550,-,-,-,72.0,BLK,- SNA
14

Parts List
Drawer# SEC-Code Description & Specification Location Service
SA : SERVICE AVAILABLE SNA : SERVICE not AVAILABLE DNA : DELIVERY not AVAILABLE
#N/A JC63-00710A SHEET-FILM AGITATOR;ML-3560,PET,0.125,24 SNA
#N/A JC66-01264A ROLLER-EXIT_F/UP;ML-4550,SUM+EPDM,17.6,- SNA
#N/A JC66-01266A GEAR-FUSER;ML-4550,PPS,OFL4036,M1,Z49,-, SNA
#N/A JC67-00184A CAP-END;ML-4550,PPS, OFL4036,t2,D38.0,18 SNA
#N/A JC67-00185A CAP-CARBON BRUSH;ML-4550,PET+GF30%,FR530 SNA
#N/A JC71-00057A ELECTRODE-P-FU_R_08;ML-3560,T0.8,20.2,32 SNA
#N/A JC72-01353A PMO-M AGITATOR;ML-3560,ABS,BLK,223.6,-,- SNA
#N/A JC72-41050A PMO-BUSHING AGITATOR;ML-7000,POM(M90-44) SA
#N/A JC73-40902A RMO-SEAL AGITATOR;ML-7000,SANTOPRENE,9*4 SA
#N/A JC96-03655A ELA UNIT-CARBON&SP;ML-3560,SEC,USA,BRUSH K3054 SA
#N/A JC67-00104A BRUSH-CARBON;ML-3560,SM190,-,D9,9.5,-,- B0020 SNA
15