Samsung Spinpoint 2 5 Hard Disk Drive M8 Users Manual PM M8, Rev. 2.3 Docx
M8 to the manual f6ce8481-0882-4d9a-86af-bb3785a28f35
2015-01-23
: Samsung Samsung-Spinpoint-2-5-Hard-Disk-Drive-M8-Users-Manual-276507 samsung-spinpoint-2-5-hard-disk-drive-m8-users-manual-276507 samsung pdf
Open the PDF directly: View PDF
.
Page Count: 84

M8 Product Manual
2.5” Hard Disk Drive
June 05, 2012. Rev 2.3
© 2012 Seagate Technology LLC. All rights reserved. Seagate and Seagate Technology are registered
trademarks of Seagate Technology LLC in the United States and/or other countries. Momentus is either a
trademark or registered trademark of Seagate Technology LLC or one of its affiliated companies in the
United States and/or other countries. All other trademarks or registered trademarks are the property of
their respective owners. When referring to drive capacity, one gigabyte, or GB, equals one billion bytes and
one terabyte, or TB, equals one trillion bytes. Your computer’s operating system may use a different
standard of measurement and report a lower capacity. In addition, some of the listed capacity is used for
formatting and other functions, and thus will not be available for data storage. Actual data rates may vary
depending on operating environment and other factors. The export or re-export of hardware or software
containing encryption may be regulated by the U.S. Department of Commerce, Bureau of Industry and
Security (for more information, visit www.bis.doc.gov), and controlled for import and use outside of the U.S.
Seagate reserves the right to change, without notice, product offerings or specifications.
Spinpoint M8 Product Manual REV 2.3
TABLE OF
CONTENTS
CHAPTER 1
SCOPE .............................................................................................................................1
1.1 USER DEFINITION
..............................................................................................................................1
1.2 MANUAL ORGANIZATION
..................................................................................................................1
1.3 SATA
.................................................................................................................................................2
1.4 REFERENCE
........................................................................................................................................2
CHAPTER 2 DESCRIPTION
..............................................................................................................3
2.1 INTRODUCTION
..................................................................................................................................3
2.2 KEY FEATURES
..................................................................................................................................4
2.3 STANDARDS AND
R
EGULATIONS
........................................................................................................5
2.4 HARDWARE
R
EQUIREMENTS
.............................................................................................................5
CHAPTER 3 SPECIFICATIONS
........................................................................................................6
3.1 SPECIFICATION SUMMARY
................................................................................................................6
3.2 PHYSICAL SPECIFICATIONS
...............................................................................................................7
3.3 LOGICAL
C
ONFIGURATIONS
..............................................................................................................7
3.4 PERFORMANCE SPECIFICATIONS
......................................................................................................8
3.5 POWER CONSUMPTION
......................................................................................................................9
3.6 ENVIRONMENTAL SPECIFICATIONS
................................................................................................10
3.7 RELIABILITY SPECIFICATIONS
........................................................................................................12
CHAPTER 4
INSTALLATION..........................................................................................................13
4.1 SPACE
R
EQUIREMENTS
....................................................................................................................13
4.2 UNPACKING
I
NSTRUCTIONS
.............................................................................................................14
4.3 MOUNTING
.......................................................................................................................................14
4.3.1
Orientation......................................................................................................................15
4.3.2
Clearance........................................................................................................................16
4.3.3 Ventilation
......................................................................................................................17
4.4 CABLE
C
ONNECTORS
.......................................................................................................................17
4.4.1 SATA Connectivity
..........................................................................................................17
4.5 DRIVE
I
NSTALLATION
......................................................................................................................22
CHAPTER 5 DISK DRIVE
OPERATION........................................................................................23
5.1 HEAD / DISK ASSEMBLY (HDA)
......................................................................................................23
5.1.1 Base Casting Assembly
...................................................................................................23
5.1.2 DC Spindle Motor
Assembly...........................................................................................23
5.1.3 Disk Stack Assembly
.......................................................................................................25
5.1.4 Head Stack
Assembly ......................................................................................................25
5.1.5 Voice Coil Motor and Actuator Latch
Assemblies ..........................................................25
5.1.6 Air Filtration
System.......................................................................................................25
5.1.7 Load/Unload
Mechanism................................................................................................25
5.2 DRIVE ELECTRONICS
.......................................................................................................................26
5.2.1 Digital Signal Process and Interface Controller
............................................................26
5.2.2 Disk Controller
...............................................................................................................26
5.2.2.1 The Host Interface Control Block ................................................................................................. 28
5.2.2.2 The Buffer Control Block ............................................................................................................. 28
5.2.2.3 The Disk Control Block ................................................................................................................ 29
5.2.2.4 The Disk LDPC Control Block ..................................................................................................... 29
5.2.2.5 Frequency Synthesizer .................................................................................................................. 29
5.2.2.6 Power Management....................................................................................................................... 30
5.2.3 Read/Write
IC .................................................................................................................30
5.2.3.1 Time Base Generator..................................................................................................................... 30
5.2.3.2 Automatic Gain Control ................................................................................................................ 30
5.2.3.3 Asymmetry Correction Circuitry (ASC) ....................................................................................... 30
5.2.3.4 Analog Anti-Aliasing Low Pass Filter .......................................................................................... 31
Spinpoint M8 Product Manual REV 2.3
5.2.3.5 Analog to Digital Converter (ADC) and FIR ................................................................................ 31
5.3 SERVO SYSTEM
................................................................................................................................32
5.4 READ AND WRITE OPERATIONS
......................................................................................................32
5.4.1 The Read
Channel...........................................................................................................32
5.4.2 The Write
Channel ..........................................................................................................33
5.5 FIRMWARE FEATURES
.....................................................................................................................33
5.5.1 Read Caching
.................................................................................................................33
5.5.2 Write
Caching
.................................................................................................................34
5.5.3 Defect Management
........................................................................................................35
5.5.4 Automatic Defect Allocation
...........................................................................................35
5.5.5 Multi-burst ECC Correction
...........................................................................................35
5.5.6
SMART............................................................................................................................35
CHAPTER 6 SATA II INTERFACE
.................................................................................................37
6.1 INTRODUCTION
................................................................................................................................37
SATA
Terminology....................................................................................................................................37
6.2 PHYSICAL INTERFACE
.....................................................................................................................39
6.3 SIGNAL SUMMARY
...........................................................................................................................39
6.3.1 Signal
Descriptions.........................................................................................................39
6.3.2 I/O Register - Address
....................................................................................................40
6.3.3 Control Block Register Descriptions
..............................................................................40
6.3.3.1 Alternate Status Register (ex. 3F6h) ............................................................................................. 40
6.3.3.2 Device Control Register (ex. 3F6h)............................................................................................... 41
6.3.4 Command Block Register Descriptions
..........................................................................41
6.3.4.1 Data Register (Ex. 1F0h)............................................................................................................... 41
6.3.4.2 Features Register and Feature Extended Register (Ex. 1F1h) ....................................................... 41
6.3.4.3 Sector Number Register and Sector Number Extended Register (Ex. 1F3h) ................................ 41
6.3.4.4 Error Register (Ex. 1F1h) .............................................................................................................. 41
6.3.4.5 Sector Count Register and Sector Count Extended Register (Ex. 1F2h) ....................................... 42
6.3.4.6 Cylinder High Register and Cylinder High Extended Register (Ex. 1F5h) ................................... 42
6.3.4.7 Cylinder Low Register and Cylinder Low Extended Register (Ex. 1F4h) .................................... 42
6.3.4.8 Command Register (Ex. 1F7h)...................................................................................................... 42
6.3.4.9 Device Register (Ex. 1F6h) ........................................................................................................... 42
6.3.4.10 Status Register (Ex. 1F7h) ............................................................................................................ 43
CHAPTER 7 SATA II FEATURE
SET .............................................................................................44
7.1 DEVICE ACTIVITY SIGNAL
..............................................................................................................44
7.2 STAGGERED SPIN-UP DISABLE CONTROL
.......................................................................................44
7.3 AUTO-ACTIVATE IN DMA SETUP FIS
............................................................................................44
7.4 NATIVE COMMAND QUEUING (NCQ)
.............................................................................................44
7.5 PHY. EVENT COUNTERS
..................................................................................................................45
7.6 SOFTWARE SETTINGS
P
RESERVATION
............................................................................................46
7.7 SATA POWER
M
ANAGEMENT
.........................................................................................................46
CHAPTER 8 ATA COMMAND DESCRIPTIONS
..........................................................................47
8.1 COMMAND
T
ABLE
............................................................................................................................47
8.2 COMMAND
D
ESCRIPTIONS
...............................................................................................................48
8.2.1 Check Power Mode
(E5h)...............................................................................................48
8.2.2 Download Micro Code
(92h)
..........................................................................................49
8.2.3 Device Configuration Overlay
(B1h)
..............................................................................49
8.2.4 Execute Device Diagnostics
(90h) ..................................................................................51
8.2.5 Flush Cache (E7h, EAh:
extended).................................................................................51
8.2.6 Format Track (50h)
........................................................................................................51
8.2.7 Identify Device (ECh)
.....................................................................................................51
8.2.8 Idle
(E3h)
........................................................................................................................57
8.2.9 Idle Immediate (E1h)
......................................................................................................57
8.2.10 Initialize Device Parameters
(91h)
.................................................................................58
8.2.11 NOP
(00h).......................................................................................................................58
8.2.12 Read Buffer
(E4h) ...........................................................................................................58
8.2.13 Read DMA (C8h,
25h:extended).....................................................................................58
Spinpoint M8 Product Manual REV 2.3
8.2.14 Read FPDMA Queued
(60h)...........................................................................................58
8.2.15 Read Log Extended
(2Fh) ...............................................................................................59
8.2.16 Read Long (22h)
.............................................................................................................59
8.2.17 Read Multiple Command (C4h,
29h:extended)...............................................................59
8.2.18 Read Native Max Address (F8h, 27h :extended)
.........................................................60
8.2.19 Read Sector(s) (20h, 24h:
extended)...............................................................................60
8.2.20 Read Verify Sector(s) (40h, 41h :extended)
....................................................................60
8.2.21 Recalibrate
(10h) ............................................................................................................61
8.2.22 Security Disable Password (F6h)
...................................................................................61
8.2.23 Security Erase Prepare
(F3h)
.........................................................................................61
8.2.24 Security Erase Unit
(F4h)...............................................................................................61
8.2.25 Security Freeze Lock
(F5h).............................................................................................62
8.2.26 Security Set Password
(F1h)...........................................................................................62
8.2.27 Security Unlock
(F2h).....................................................................................................63
8.2.28 Seek (7xh)
.......................................................................................................................63
8.2.29 Set Features
(EFh)..........................................................................................................63
8.2.30 Set Max Address (F9h, 37h: extended)
...........................................................................65
8.2.31 Set Multiple Mode
(C6h).................................................................................................65
8.2.32 Sleep (E6h)
.....................................................................................................................65
8.2.33 Standby (E2h)
.................................................................................................................65
8.2.34 SMART
(B0h)..................................................................................................................66
8.2.34.1 Smart disable operations (D9h) ..................................................................................................... 66
8.2.34.2 Smart enable/disable attribute auto-save (D2h)............................................................................. 66
8.2.34.3 Smart enable operations (D8h) ...................................................................................................... 67
8.2.34.4 Smart execute off-line immediate (D4h) ....................................................................................... 67
8.2.34.5 Smart read data (D0h) ................................................................................................................... 68
8.2.34.6 SMART read log sector (D5h) ...................................................................................................... 74
8.2.34.7 SMART return status (DAh) ......................................................................................................... 74
8.2.34.8 SMART write log sector (D6h) ..................................................................................................... 74
8.2.35 Standby (E2h)
.................................................................................................................74
8.2.36 Standby Immediate
(E0h)................................................................................................74
8.2.37 Write Buffer (E8h)
..........................................................................................................74
8.2.38 Write DMA (CAh,
35h:extended)....................................................................................74
8.2.39 Write FPDMA Queued
(61h)
..........................................................................................75
8.2.40 Write Long
(32h).............................................................................................................75
8.2.41 Write Multiple Command (C5h, 39h:extended)
..............................................................75
8.2.42 Write Sector(s) (30h, 34h:extended)
............................................................................76
CHAPTER 9
MAINTENANCE..........................................................................................................77
9.1 GENERAL INFORMATION
.................................................................................................................77
9.2 MAINTENANCE PRECAUTIONS
........................................................................................................77
9.3 SERVICE AND REPAIR
......................................................................................................................79
Spinpoint M8 Product Manual REV 2.3
TABLE OF
TABLES
Table 3-1 : Specifications ..........................................................................................................................6
Table 3-2 : Physical Specifications ............................................................................................................7
Table 3-3 : Logical Configurations ............................................................................................................7
Table 3-4 : Performance Specifications .....................................................................................................8
Table 3-5 : Power consumption .................................................................................................................9
Table 3-6 : Environmental
Specifications
................................................................................................10
Table 3-7 : Reliability Specifications.......................................................................................................12
Table 4-1 SATA Connector Pin Definitions ............................................................................................19
Table 7-1 Phy Event Counter Supports....................................................................................................45
Table 8-1 Command Code Parameters ....................................................................................................47
Table 8-2 Device Configuration Overlay Feature Register Values..........................................................49
Table 8-3 Device Configuration Identify data structure ..........................................................................50
Table 8-4 Diagnostic
Codes
.....................................................................................................................51
Table 8-5 IDENTIFY DEVICE information ...........................................................................................52
Table 8-6 Automatic Standby Timer Periods...........................................................................................57
Table 8-7 Security password content .......................................................................................................61
Table 8-8 Security Erase Unit Password..................................................................................................62
Table 8-9 Security Set Password data content .........................................................................................62
Table 8-10 Identifier and security level bit interaction ............................................................................63
Table 8-11 Set Features Register Definitions ..........................................................................................64
Table 8-12 Transfer Mode Values ...........................................................................................................64
Table 8-13 Set Max Feature Register Values ..........................................................................................65
Table 8-14 SMART Feature Registers Values.........................................................................................66
Table 8-15 Device SMART Data Structure .............................................................................................68
Table 8-16 SMART Attribute Status Flags..............................................................................................69
Table 8-17 SMART Attribute Data List ..................................................................................................71
Table 8-18 Off-line Data Collection Status Values .................................................................................71
Table 8-19 Self-test Execution Status Values ..........................................................................................72

SCOPE
Spinpoint M8 Product Manual REV 2.3
1
CHAPTER 1 SCOPE
Welcome to the SpinpointTM M8 series of SamsungTM hard disk drive. This series of drives consists of the
following models: ST250LM004, ST320LM001, ST500LM012, ST640LM001, ST750LM022, and
ST1000LM024. This chapter provides an overview of the contents of this manual, including the
intended user,
manual organization, terminology and conventions. In addition, it provides a list of references that might be
helpful to the reader.
1.1 User Definition
The Spinpoint M8 product manual is intended for the following readers:
Original Equipment Manufacturers (OEMs)
Distributors
1.2 Manual Organization
This manual provides information about installation, principles of operation, and interface command
implementation. It is organized into the following chapters:
Chapter 1 - SCOPE
Chapter 2 - DESCRIPTION
Chapter 3
- SPECIFICATIONS
Chapter 4 - INSTALLATION
Chapter 5 - DISK DRIVE OPERATION
Chapter 6 - SATA INTERFACE
Chapter 7 - MAINTENANCE
In addition, this manual contains a glossary of terms to help you understand important information

SCOPE
Spinpoint M8 Product Manual REV 2.3
2
1.3 SATA
The ATA (Advanced Technology Attachment) interface which was developed based on the IDE
(Integrated Drive Electronics) has been around from 1980’s. As the PC processor speed has improved,
so have the data rates of the HDD. The parallel ATA is reaching its limit of 133 MB/s data transfer rate.
Serial implementation of ATA (SATA) will allow the data rate to run even faster so the processor will
be utilized more efficiently. Serial ATA has been developed to provide the next generation storage
interface.
SATA interface replaces 2 inch wide, 40 pin parallel interface connector with 0.25 inch wide 7 pin
serial interface connector. The maximum length of the SATA interface cable can be extended to 1
meter (approximately 39 inches) compared to 18 inch of parallel ATA. SATA also allows a data
transfer speed of 150 MB/s and has a roadmap up to 600 MB/s to support storage evolution of the
next decade. Even though SATA will not directly interface with Parallel or traditional
ATA (PATA) hardware, it is compliant with ATA protocol and therefore software compatible. The cable
geometry with smaller footprint connector reduces board space requirements and improves air flow
and heat exchange inside computer systems.
SATA uses point to point connection topology and each channel works independently. There is no
sharing of interface, master/slave drive configuration, and no master/slave jumper settings. This is
different from Parallel ATA (PATA) architecture where 2 drives per port are supported by a shared bus
and drives are designated as master or slave drive based on jumper pin or cable selection. Unlike
parallel ATA, SATA drives are hot-plug and hot-swappable.
1.4 Reference
For additional information about the AT interface, refer to:
ATA-2 (AT Attachment 2), Revision 3, January, 1995
ATA-3 (Attachment-3 Interface) Revision 7b, 27 January, 1997
ATA-4 (AT Attachment with Packet Interface Extension) Revision 18, 19 August, 1998
ATA-5 (AT Attachment with Packet Interface Extension) Revision 3, 29 February, 2000
ATA-6 (AT Attachment with Packet Interface Extension) Revision 2a, 26 September, 2001
ATA-7 (AT Attachment with Packet Interface Extension) Revision 1, 28 August, 2002
ATA-8 (AT Attachment with Packet Interface Extension) Revision 0, 16 September, 2008
For introduction about SATA interface please refer to:
SATA 1.0 Design Guides, April 5, 2002. (URL: http:// www.serialdata.org retrieved on May 22, 2003)
Serial ATA: A comparison with Ultra ATA Technology
(URL: http://www.intel.com retrieved April 18,2003)
Serial ATA: High Speed Serialized AT Attachment, Rev. 1.0a, January 7, 2003, Serial Workgroup.
(URL: http://www.serialdata.org retrieved on May 22, 2003)
Serial ATA II: Port Multiplier 1.0 Specification, April 29th, 2003. (URL: http://www.serialdata.org
retrieved on May 22, 2003)

Spinpoint M8 Product Manual REV 2.3
3
DESCRIPTION
CHAPTER 2 DESCRIPTION
This chapter summarizes general functions and key features of the Spinpoint M8 hard disk drive, as well as the
standards and regulations they meet.
2.1 Introduction
The Samsung Spinpoint M8 2.5 inch hard disk drive is high capacity, high performance random access storage device,
which uses non-removable 2.5-inch disks as storage media. Each disk incorporates thin film metallic media technology
for enhanced performance and reliability. And for each disk surface there is a corresponding movable head actuator
assembly to randomly access the data tracks and write or read the user data.
The Spinpoint M8 hard disk drive includes the AT controller embedded in the disk drive PCB electronics. The drive's
electrical interface is compatible with all mandatory, optional and vendor-specific commands within the ATA
specification.
Drive size conforms to the industry standard 2.5-inch form factor with a SATA 15-pin DC power connector, and the
standard SATA 7-pin Interface connector.
The Spinpoint M8 hard disk drive incorporates TuMR head and Noise Predictive PRML (Partial Response
Maximum Likelihood) signal processing technologies. These advanced technologies allow for areal density of about
700.0 Gigabits per square inch and storage capacity of over 500.0 Gigabytes per disk.
The heads, disk(s), and actuator housing are environmentally sealed within an aluminum-alloy base and cover. As the
disks spin, air circulates within this base and cover, commonly referred to as the head and disk assembly (HDA), through
a non-replaceable absolute filter ensuring a contamination free environment for the heads and disks throughout the life of
the drive.

Spinpoint M8 Product Manual REV 2.3
4
DESCRIPTION
2.2 Key Features
Key features of the Spinpoint M8 SATA hard disk drive includes:
Formatted capacities are 250, 320, 500, 640, 750 GB, 1TB
9.5 ± 0.2 mm height form factor
5400 RPM Class
12 ms average seek time
High accuracy rotary voice coil actuator with embedded sector servo
Support ATA standard PIO Mode 4/DMA Mode 2/Ultra DMA Mode 5 (UDMA 100)
Serial ATA (SATA) Interface
Supports SATA interface 3.0 Gbps (1.5 Gbps) speed
Native SATA device without using SATA bridge
chip
Support SATA 3.0 and SATA II
features
Asynchronous Signal Recovery (ASR)
Pin-11 Device Activity Signal (Activity LED)
Pin-11 Staggered Spin-up Control
Auto-Activate DMA Setup FIS
Native Command Queuing with queue depth of 32 (First Party DMA)
Physical Event Counters
Software Settings Preservation
SATA Device Hot Plug Capability
Device Initiated Power Management
Supports LBA Addressing modes
Supports all logical geometries as programmed by the host
Transparent media defect mapping
High performance in-line defective sector skipping
Auto-reassignment
Automatic error correction and retries
On-the-fly (OTF) error correction
Noise predictive PRML read channel
TA detection and correction
TuMR/PMR head
SMART III support
1MB = 1,000,000 Bytes, 1GB = 1,000,000,000 Bytes
Accessible capacity may vary as some OS uses binary numbering system for reported capacity.

Spinpoint M8 Product Manual REV 2.3
5
DESCRIPTION
2.3 Standards and Regulations
The Spinpoint M8 / Momentus® series hard disk drive depends upon its host equipment to provide power and
appropriate environmental conditions to achieve optimum performance and compliance with applicable industry and
governmental regulations. Special attention has been given in the areas of safety, power distribution, shielding,
audible noise control, and temperature regulation.
The Spinpoint M8 hard disk drive satisfies the following standards and regulations:
Underwriters Laboratory (UL): Standard 1950. Information technology equipment including business
equipment.
Technisher Überwachungs Verein (TUV): Standard EN 60 950. Information technology equipment
including business equipment.
2.4 Hardware Requirements
The Spinpoint M8 hard disk drive is designed for use with host computers and controllers that are ATA
compatible. It is connected to a PC either by:
Using an adapter board with SATA interface, or
Plugging a cable from the drive directly into a PC motherboard with a SATA interface

SPECIFICATIONS
Spinpoint M8 Product Manual REV 2.3
6
CHAPTER 3 SPECIFICATIONS
This chapter gives a detail description of the physical, electrical and environmental characteristics of the Spinpoint M8
hard disk drive.
3.1 Specification Summary
Table 3-1:
Specifications
DESCRIPTION
ST250LM004
ST320LM001
ST500LM012
ST640LM001
ST750LM022
ST1000LM024
Number of R/W heads
2
4
Maximum KBPI
179K
Flexible data TPI
400
Encoding method
Noise Predictive
PRML
Interface
SATA 3.0 Gbps (1.5
Gbps)
Actuator type
Rotary Voice
Coil
Servo type
Embedded Sector
Servo
Spindle speed (RPM)
5400 RPM
Class

SPECIFICATIONS
Spinpoint M8 Product Manual REV 2.3
7
3.2 Physical Specifications
Table 3-2: Physical Specifications
DESCRIPTION
ST250LM004
ST320LM001
ST500LM012
ST640LM001
ST750LM022
ST1000LM024
Physical dimensions
Length (mm)
Width (mm)
Height (mm)
Weight (g, max)
100.3 ±
0.4
69.85 ±
0.25
9.5 ±
0.2
1 Disk 99 / 2 Disk
107
3.3 Logical Configurations
Table 3-3: Logical Configurations
DESCRIPTION
ST250LM004
ST320LM001
ST500LM012
ST640LM001
ST750LM022
ST1000LM024
Total Number of
logical sectors
488,397,168
625,142,448
976,773,168
1,250,263,728
1,465,149,168
1,953,525,168
Capacity 250GB 320GB 500GB 640GB 750GB
1TB
* 1MB = 1,000,000 Bytes, 1GB = 1,000,000,000 Bytes
* Accessible capacity may vary as some OS uses binary numbering system for reported capacity.

SPECIFICATIONS
Spinpoint M8 Product Manual REV 2.3
8
3.4 Performance Specifications
Table 3-4: Performance Specifications
DESCRIPTION ST250LM004 ST320LM001 ST500LM012 ST640LM001 ST750LM022 ST1000LM024
Seek Time (RD/WRT,
Typ)
Average seek time
Track to track seek time
Full stroke seek time
12/14 ms
2/4 ms
22/24 ms
` Average Latency 5.6 ms
Data Transfer Rate
(Max)
buffer to/from
media
host to/from buffer
145Mbits/s
300 MB/s
Rotational Speed 5400 RPM Class
Startup Time
(Typ / Max)
Power on to
Drive Ready 4 sec / 8 sec
Standby to
Drive Ready 3.5 sec / 8 sec
NOTES:
Seek time is defined as the time from the receipt of a read, write or seek command until the actuator has
repositioned and settled on the desired track with the drive operating at nominal DC input voltages and
nominal operating temperature.
Average seek time is determined by averaging the time to complete 1,000 seeks of random length.
Average latency is the time required for the drive to rotate 1/2 of a revolution and on average is
incurred after a seek completion prior to reading or writing user data.
Spin up time is the time elapsed between the supply voltages reaching operating range and the drive
being ready to accept all commands.
Actual rotational speed can be different a little.

Spinpoint M8 Product Manual REV 2.3
9
SPECIFICATIONS
3.5 Power consumption
Table 3-5: Power consumption
DESCRIPTION
ST250LM004
ST320LM001
ST500LM012
ST640LM001
ST750LM022
ST1000LM024
Rated
Voltage V +5
Current A 0.85
Power Consumption
Start Up (25 C)
mA
1000
Low Power Idle (25 C)
Watt
0.7
Read/Write (25 C)
Watt
2.2
Seek (25 C)
Watt
2.0
Stand by (25 C)
Watt
0.2
Sleep (25 C)
Watt
0.2
Power Requirements
Tolerance For + 5V
%
+/-
5
Ripple, 0-30MHz
mV
p-p
100
Supply Rise Time
us/
msec
10us-100ms
Supply Fall Time
Sec
<
5
1) Random seek: 30% Duty cycle seek commands with logical random location.
2) Read/Write @ OD: On track Read/Write operation at OD, 256 sector commands.

Spinpoint M8 Product Manual REV 2.3
10
SPECIFICATIONS
3.6 Environmental Specifications
Table 3-6: Environmental Specifications
DESCRIPTION
ST250LM004
ST320LM001
ST500LM012
ST640LM001
ST750LM022
ST1000LM024
Ambient Temperature
Operating
Non-operating
Max. gradient
(Temperature/Humidity)
(Drive temperature measured on position of figure 3-1 should be max 65C in range of
5C-55C, specified operation temperature.)
5
C
55 C
-40
C
70 C
20 C/20%/hr
Relative Humidity (non condensing)
Operation
Non-operation
Maximum wet bulb temperature
Operating
Non-operating
5~90 %
5~95 %
30 C
40 C
Altitude (relative to sea level)
Operating
Non-operating
-300 ft /3000 m
-400 ft / 15,000 m
Vibration
Operating :
10-500 Hz, Random :
Non-operating :
10-500 Hz, Random
1.5 Grms
5.85 Grms

Spinpoint M8 Product Manual REV 2.3
11
SPECIFICATIONS
o
08.0
Recommended case temperature
measurement position
1
5.0
N
N
08
.
0
Recommended case temperature
measurement position
o
Figure 3-1
:
Measurement Position.

Spinpoint M8 Product Manual REV 2.3
12
SPECIFICATIONS
Table 3-6: Environmental Specifications (continued)
DESCRIPTION
ST250LM004
ST320LM001
ST500LM012
ST640LM001
ST750LM022
ST1000LM024
Linear Shock (1/2 sine pulse)
Operating 2.0 ms
Non-operating 2.0 ms
Rotational Shock
Operating 2.0 ms
Non-operating 2.0 ms
325G
750G
3K rad/sec
2
30K rad/sec
2
Acoustic
Noise
(Typical Sound Power)
Idle
Seek
2.4
Bels
2.6
Bels
3.7 Reliability Specifications
Table 3-7: Reliability
Specifications
DESCRIPTION
ST250LM004
ST320LM001
ST500LM012
ST640LM001
ST750LM022
ST1000LM024
Recoverable Read Error
<10 in 1011
bits
Non-Recoverable Read Error
<1 sector in 1014
bits
MTBF (POH)
550,000
hours
MTTR (Typical)
5
minutes
Load/Unload Cycles
Ambient
600,000

INSTALLATION
Spinpoint
M8 Product Manual REV
2.3
13
CHAPTER 4 INSTALLATION
This chapter describes how to unpack, mount, configure and connect a Spinpoint M8 hard disk drive.
It also describes how to install the drive in systems.
4.1 Space Requirements
Figure 4-1 shows the external dimensions of the drive.
Figure 4-1: Mechanical Dimension

INSTALLATION
Spinpoint
M8 Product Manual REV
2.3
14
4.2 Unpacking Instructions
(1) Open the shipping container of the Spinpoint M8 hard disk drive.
(2) Lift the packing assembly that contains the drive out of the shipping container.
(3) Remove the drive from the packing assembly. When you are ready to install the drive, remove it from
the ESD (Electro Static Discharge) protection bag. Take precautions to protect the drive from ESD
damage after removing it from the bag.
CAUTION: During shipment and handling, the anti-static ESD protection bag
prevents electronic component damage due to electrostatic discharge.
To avoid accidental damage to the drive, do not use a sharp instrument to
open the ESD protection bag.
(4) Save the packing material for possible future use.
4.3 Mounting
Refer to your system manual for complete mounting details.
(1) Be sure that the system power is off.
(2) For mounting, use four M3 screws.
CAUTION: Torque applied to the screws is recommended to be 3.5 [kg* cm]
±0.5
(
3.0 [inch *pounds] ±0.5)

INSTALLATION
Spinpoint
M8 Product Manual REV
2.3
15
4.3.1 Orientation
Figure 4-2 shows the physical dimensions and mounting holes located on each side of the drive. The
mounting holes on Spinpoint M8 hard disk drive allow the drive to be mounted in any direction.
1
00
.
4
M
AX
E
XC
E
P
T
CO
NN
E
C
T
OR
1
-
----
78
.
98
REF
--- -
-
1
o
O
.:;
REF
--
4.9 REF
9
.
4±
0
.
JS
OETAIL A
100
.3
±0
.
<
END OF CONNECTOR
o
1
-
-----
-
-
9
0
.
6
±
02>
-----
- -
1
C/
L
OF
C/
L
OF
H
DO
CONNECTOR
'+
-lHI
-
'-t
-lli
llft-
!l1
::i
o
3
.
5
±038
-
OETAIL
A
Figure4-2:
Mounting
Dimensions

INSTALLATION
Spinpoint
M8 Product Manual REV
2.3
16
4.3.2 Clearance
The printed circuit board (PCB) is designed to be very close to the mounting holes. Do not exceed the
specified length for the mounting screw described in Figure 4-3. The specified screw length allows full use of
the mounting-hole threads, while avoiding damage or placing unwanted stress on the PCB.
Figure 4-3: Mounting-Screw Clearance
CAUTION: Using mounting screws that are longer than the maximum
lengths specified in Figure 4-3 voids the warranty of the drive.

INSTALLATION
Spinpoint
M8 Product Manual REV
2.3
17
4.3.3 Ventilation
The Spinpoint M8 hard disk drive is designed to operate without the need of a cooling fan provided the
ambient air temperature does not exceed 55ºC. Any user-designed cabinet must provide adequate air
circulation to prevent exceeding the maximum temperature.
4.4 Cable Connectors
The Interface/Power connector consists of two cables; a SATA 15-pin DC power connector, and the
standard SATA 7-pin Interface connector.
4.4.1 SATA Connectivity
The SATA interface is connected within a point to point configuration with the SATA host port. There is
no master or slave relationship within the devices. Thus SATA does not require master/slave jumper. The
drive interface section of the host adapter employs a new design which processed data into a serial data-
control system.
Figure 4.4 illustrates the connection for the SATA.
There are two cables for SATA drives. One is for data transmission. The other is for power. Figure 4-4
illustrates (a) device signal plug connector, (b) device power plug connector, (c) signal cable receptacle
connector mating with (a), and (d) power cable receptacle connector to be mated with (b). For more
information, please refer to SATA Specifications cited in the reference.
.
Figure 4-4 Serial ATA
Connector

INSTALLATION
Spinpoint
M8 Product Manual REV
2.3
18
v
Computer
mainboard
or
...
Serial
ATA
host
adapter
Figure 4-5 Connectivity to
Drives

INSTALLATION
Spinpoint
M8 Product Manual REV
2.3
19
Figure 4-5 illustrates Connectivity of SATA to drives. It can be used with a SATA host bus adapter (lower
picture) or directly into motherboard that has the SATA built-in host bus adapter (upper picture).
SATA Device Connector Definition
Please note that all pins are in a single row, with a 1.27 mm (50 mil) pitch diameter. There are three
power pins for each voltage source. One pin from each voltage is utilized for pre-charge when installed in
a blind- mate backplane configuration.
The notes on the mating sequence apply to the case of backplane blind mate connector.
When the drive is inserted, the ground pins and the pre-charge pins are in contact first followed by the
remaining pins.
Table 4-1 lists the signals connection on the SATA interface and power connector. It is based on SATA 1.0a
Specifications. Note that pin numbers is designated from the pin farthest from power segment.
Table 4-1 SATA Connector Pin
Definitions
Data Signal
Connector
Pin Function Definition
*S1 Ground Ground
S2 Rx+ Differential Signal pair
S3 Rx- Differential Signal pair
*S4 Ground Ground
S5 Tx- Differential Signal Pair
S6 Tx+ Differential Signal pair
*S7 Ground Ground
Key and spacing separate
signal and power segment
Power
Management
P1 V
33
3.3
v
P2 V33 3.3
v
*P3 V33 3.3 v
*P4 Ground Ground
*P5 Ground Ground
*P6 Ground Ground
*P7 V5 5 v
P8 V5 5 v
P9 V5 5 v
*P10 Ground Ground
P11 Device Activity This pin was reserved in SATA 1.0a
/ Stagger Spin-
up Control
*P12 Ground Ground
*P13 V12 12 v
P14 V12 12 v
P15 V12 12 v
* First Mate

INSTALLATION
Spinpoint
M8 Product Manual REV
2.3
20
SATA-Bus Interface
Connector
The SATA-Bus interface connector on the drive connects the drive to an SATA host bus adapter or an
on- board SATA adapter in the computer. Figures 4.6 illustrates the power, SATA, and factory use only
jumper. Figure 4.7 shows pin locations on the SATA drive.
Figure 4-6 HDD Power, SATA Interface, and Factory Jumper Connector

INSTALLATION
Spinpoint
M8 Product Manual REV
2.3
21
Figure 4-7 Pin Locations on the Drive PCBA

Spinpoint
M8 Product Manual REV
2.3
22
INSTALLATION
4.5 Drive Installation
The Spinpoint M8 hard disk drive can be installed in a SATA compatible system
Figure 4-8 indicates the interface and power cable connections required for proper drive installation.
Figure 4-8 DC Power Connector and SATA-Bus Interface Cable Connections

Spinpoint
M8 Product Manual REV
2.3
23
CHAPTER 5 DISK DRIVE OPERATION
This chapter describes the operation of the Spinpoint M8 hard disk drive functional subsystems. It is intended
as a guide to the operation of the drive, rather than a detailed theory of operation.
5.1 Head / Disk Assembly (HDA)
The Spinpoint M8 hard disk drive consists of a mechanical sub-assembly and a printed circuit board
assembly (PCBA), as shown in Figure 5-1. This section describes the mechanism of the drive.
The head / disk assembly (HDA) contains the mechanical sub-assemblies of the drive, which are sealed
between the aluminum-alloy base and cover. The HDA consists of the base casting assembly (which
includes the DC spindle motor assembly), the disk stack assembly, the head stack assembly, and the rotary
voice coil motor assembly (which includes the actuator latch assembly). The HDA is assembled in a clean
room. These subassemblies cannot be adjusted or field repaired.
CAUTION: To avoid contamination in the HDA, never remove or adjust its cover
and seals. Disassembling the HDA voids your warranty.
The Spinpoint M8 hard disk drive models and capacities are distinguished by the number of heads and
disks. The ST250LM004 have one (1) disk and two (2) read/write heads. The ST320LM001 have one (1)
disk
and two
(2) read/write heads. The ST500LM012 has one (1) disk and two (2) heads. The ST640LM001
have two (2) disks and four (4) read/write heads. The ST750LM022 have two (2) disks and four (4)
read/write heads. The ST1000LM024 has two (2) disks and four (4) read/write heads.
5.1.1 Base Casting Assembly
A one piece, aluminum-alloy base casting provides a mounting surface for the drive mechanism and PCBA.
The base casting also serves as the flange for the DC spindle motor assembly. A gasket provides a seal
between the base and cover castings that enclose the drive mechanism.
5.1.2 DC Spindle Motor Assembly
The DC spindle motor assembly consists of the brush-less three-phase motor, spindle bearing (FDB)
assembly, disk mounting hub, and a labyrinth seal. The entire spindle motor assembly is
completely enclosed in the HDA and integrated to the base casting. The labyrinth seal prevents bearing
lubricant from coming out into the HDA. The motor rotates the spindle shaft at 5400 rpm.

Spinpoint
M8 Product Manual REV
2.3
24
--
C
over
Assembly
Figure 5-1:
Exploded Mechanical
Vi
e
w

Spinpoint
M8 Product Manual REV
2.3
25
5.1.3 Disk Stack Assembly
The disk stack assembly in the Spinpoint M8 hard disk drive consists of 1 or 2 disks and disk spacers secured
on the hub of the spindle motor assembly by a disk clamp. The glass disks have a sputtered thin-film magnetic
coating.
5.1.4 Head Stack Assembly
The head stack assembly consists of an E-block/coil sub-assembly, read/write heads, a flexible circuit, and
bearings. The E-block/coil sub-assembly is assembled with an E-block and over-molded coil. Read/write
heads are mounted to spring-stainless steel flexures that are then swage mounted onto the E-block arms.
The flexible circuit connects the read/write heads with the PCBA via a connector through the base casting.
The flexible circuit contains a read/write Preamplifier IC.
5.1.5 Voice Coil Motor and Actuator Latch Assemblies
The rotary voice coil motor consists of upper and lower permanent magnets and magnetic yokes fixed to the
base casting and a rotary over-molded coil on the head stack assembly. Each magnet consists of two
alternating poles and is attached to the magnet yoke. Pawl latch and rubber crash stops mounted on a
magnetic yoke physically prevent the head(s) from moving beyond the designed inner boundary into the
spindle or off the disk surface. Current from the power amplifier induces a magnetic field in the voice coil.
Fluctuations in the field around the permanent magnets move the voice coil so that heads can be positioned in
the requested cylinder.
5.1.6 Air Filtration System
Heads fly very close to the disk surfaces. Therefore, it is very important that air circulating within the drive
be maintained free of particles. Samsung HDAs are assembled in a purified air environment to ensure
cleanliness and then sealed with a gasket. To retain this clean air environment, the Spinpoint M8 hard disk
drive is equipped with a re-circulating filter, which is located in the path of the airflow close to the rotating
disk and is designed to trap any particles that may develop inside HDA.
5.1.7 Load/Unload Mechanism
Portable computer is exposed to heavy handling environment comparing with desk top computer.
Load/Unload mechanism provides to protect data loss caused by head hitting to disk due to the abnormal shock
and vibration in the transportation and handling. When power is shut down, head will move to parking position
on the ramp.

Spinpoint
M8 Product Manual REV
2.3
26
5.2 Drive Electronics
The Spinpoint M8 hard disk drive attains its intelligence and performance through the specialized
electronic components mounted on the PCBA. The components are mounted on one side of the PCBA.
The Preamplifier IC is the only electrical component that is not on the PCBA. It is mounted on the flexible
circuit inside the HDA. Locating the Preamplifier IC as close as possible to the read/write heads via surface
mount technology improves the signal to noise ratio.
5.2.1 Digital Signal Process and Interface Controller
The DSP core controller has a dual ARM CPU that incorporates a true 32-bit digital signal processor
(DSP),
a
bus controller unit (BCU), an interrupt controller unit (ICU), a general purpose timer (GPT), and SRAM.
5.2.2 Disk Controller
The AT disk controller works in conjunction with the DSP core to perform the ATA interface control, buffer
data flow management, disk format/read/write control, and error correction functions of an embedded disk
drive controller. The DSP communicates with the disk controller module by reading from and writing to its
various internal registers.
To the DSP core, the registers of the disk controller appear as unique memory or I/O locations that are
randomly accessed and operated upon. By reading from and writing to the registers, the DSP core initiates
operations and examines the status of the different functional blocks. Once an operation is
started, successful completion or an error condition may cause the disk controller to interrupt the DSP
core, which then examines the status registers of the disk controller and determines an appropriate course of
action. The local DSP core may also poll the device to ascertain successful completion or error conditions.
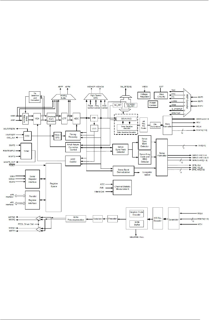
Figure 5-2 illustrates the relationships between the various blocks within the AT disk controller. These
blocks will be referred to throughout this document.

Spinpoint
M8 Product Manual REV
2.3
27
Disk Preamp
Motor Control
Format Sequencer
&
Read
Channel
Host Interface Block
SATA Host Bus (
3 Gbps)
32-bit
ARM
Disk
Controller
Buffer Control
Block
DDR
Figure 5-2: Spinpoint M8 Functional Block Diagram

Spinpoint
M8 Product Manual REV
2.3
28
5.2.2.1 The Host Interface Control Block
The SATA Disk Controller provides direct interface to an SATA bus. It is compatible with ATA 7 Specs. It
provides a means for the host to access the Task File registers used to control the transfer of data between
host memory and the disk drive.
The SATA Host Interface Control block can be programmed to execute various host read/write commands either
completely automatically without any DSP intervention, semi-automatically with minimal DSP intervention, or
manually with the aid of the DSP.
The Disk Controller has significant advances in ATA automation. The highlights of ATA automation includes:
Automatic data transfer management for multi-sector Read/Write commands without DSP intervention.
Automatic execution of read commands (Auto-Read command execution) for cached data in the buffer by
matching the first sector.
Automatic Task File registers updates during automatic multi-sector transfers.
Automatic NCQ queue tag validation
Spinpoint M8 supports PIO, DMA, and FPDMA data transfers. The supported DMA type transfers include multi-
word (MWDMA) and synchronous Ultra DMA (UDMA) transfers. The bus emulates automatically switched
between 16- and 8-bit mode while performing Read Long and Write Long commands at the time of ECC byte
transfers.
Additional functionality is provided in the Host Interface Block by the following features:
Programmable transfer length for automatic ECC byte transfer on the AT bus.
Support of both LBA and CHS Task File registers formats.
Automatic detection of both the Software Reset and COMRESET.
Support for PIO modes 0 through 4.
Support for multiword DMA modes 0 through 2.
Support for multiword DMA modes 0 through 2. Support for synchronous DMA (UDMA) transfer mode
0 through 7. (Mode 7 is referring to 150
MB/S)
Support for First Party DMA (FDMA) for NCQ commands.
5.2.2.2 The Buffer Control Block
The Buffer Control block manages the flow of data into and out of the buffer. Significant automation allows buffer
activity to take place automatically during read/write operations between the host and the disk. This automation
works together with automation within the Host Interface Control and Disk Control blocks to provide more
bandwidth for the local microprocessor to perform non-data flow functions.
The buffer control circuitry keeps track of buffer full and empty conditions and automatically works with the Disk
Control block to stop transfers to or from the disk when necessary. In addition, transfers to or from the host are
automatically stopped or started based on buffer full or empty status.
A prioritized five ports architecture is implemented. All ports, except the refresh port, utilize 22-bit buffer address
pointers.
The data path to the buffer RAM can be configured as 16-bit path in ATA mode.

Spinpoint
M8 Product Manual REV
2.3
29
Additional functionality is provided in the Buffer Control block through the following features:
Increased automation to support minimal latency read operations with minimal latency.
Capability to support the execution of multiple consecutive Auto-Write commands without loss of data
due to overwriting of data.
Auto write pointer.
A disk sector counter that can monitor the transfers between the disk and buffer.
Read/Write cache support.
5.2.2.3 The Disk Control Block
The Spinpoint M8 Disk Control block manages the flow of data between the disk and the buffer. It is capable
of performing completely automated track read and write operations at a maximum data rate of 800 Mb/s in byte
wide NRZ mode. Many flexible features and elements of automation have been incorporated to complement the
automation contributed by the Host and Buffer blocks.
The Disk Control block consists of the programmable sequencer (Disk Sequencer), CDR/data split logic, disk FIFO,
fault tolerant sync detect logic, and other support logic.
The programmable sequencer contains a 31-by-4 byte programmable SRAM and associated control logic, which is
programmed by the user to automatically control all single track format, read, and write operations. From within the
sequencer micro program, the Disk Control block can automatically deal with such real time functions as defect
skipping, servo burst data splitting, branching on critical buffer status and data compare operations. Once the Disk
Sequencer is started, it executes each word in logical order. At the completion of the current instruction word, it
either continues to the next instruction, continues to execute some other instruction based upon an internal or
external condition having been met, or it stops.
During instruction execution or while stopped, registers can be accessed by the DSP to obtain status
information reflecting the Disk Sequencer operations taking place.
5.2.2.4 The Disk LDPC Control Block
The Disk Control Block supports a programmable LDPC code. Error detection and correction is handled in
the Disk Control block. Automatic on-the-fly hardware correction will take place. Correction is guaranteed to
complete before the parity bits of the sector following the sector where the error occurred utilizing standard
ATA size sectors.
5.2.2.5 Frequency Synthesizer
The frequency synthesizer is a clock frequency generation circuit used to generate a DSP clock, AT disk
controller and servo clock from the External Reference clock input.

Spinpoint
M8 Product Manual REV
2.3
30
5.2.2.6 Power Management
Power management features are incorporated into each block of the Spinpoint M8. This allows the designer
to tailor the amount of power management to the specified design. Other power management features include:
Independent power management control for each block.
DSP block powered down and up when needed.
Disk Sequencer and associated disk logic powered up when the Disk Sequencer is started.
Weak pull-up structure on input pins to prevent undesirable power consumption due to floating CMOS
inputs.
5.2.3 Read/Write IC
The Read/Write IC, shown in Figure 5-3 provides read/write-processing functions for the drive. The
Read/Write IC receives the Read GATE and Write GATE signals, write data, and servo AGC and gates from the
Interface Controller. The Read/Write IC sends decoded read data and the read reference clock. It receives
write data from the Interface Controller.
The 88C9310 which is embedded in 88i9322 is a sampled-data digital PRML channel designed to work with a disk
controller and a read/write preamplifier to provide the signal processing elements required to build a state of the art
high density, high speed disk drive. The 88C9310 implements a noise predictive, PRML Viterbi read channel
(supporting) zone-bit recording,
The read/write channel functions include a time base generator, AGC circuitry, asymmetry correction circuitry
(ASC), analog anti-aliasing low-pass filter, analog to digital converter (ADC), digital FIR filter, timing recovery
circuits, Viterbi detector, sync mark detection, Iterative code ENDEC, serializer and de-serializer, and write pre-
compensation circuits. Servo functions include servo data detection and PES demodulation. Additionally the
88C9310 contains specialized circuitry to perform various parametric measurements on the processed read signal.
This allows for implementation of self-tuning and optimization capability in every drive built using the 88C9310.
A 12-bit NRZ interface is provided to support high speed data transfers and from the controller.
Programming of the 88C9310 is performed through a serial interface. The serial interface is also used to read
various channel parameters that are computed on the fly.
5.2.3.1 Time Base Generator
The time base generator provides the write frequency and serves as a reference clock to the synchronizer
during non-read mode.
5.2.3.2 Automatic Gain Control
The AGC accepts a differential signal from the pre-amp, and provide constant output amplitude to the analog
filter. It’s capable of accepting signal ranges from 50 mV to 400mVppd.
5.2.3.3 Asymmetry Correction Circuitry (ASC)
The ASC circuit is designed to correct for amplitude asymmetry introduced by MR heads. The compensation
range of this circuit is +/-25%. This circuit allows optimal bias current to be used independent of the
asymmetry effect.

Spinpoint
M8 Product Manual REV
2.3
31
5.2.3.4 Analog Anti-Aliasing Low Pass Filter
The 7th order equal-ripple analog filter provides filtering of the analog signal from AGC before it’s being
converted to digital signal with the ADC. Its main function is to avoid aliasing for the ADC circuit.
5.2.3.5 Analog to Digital Converter (ADC) and FIR
The output of the analog filter is quantified using a 6 bit FLASH ADC. The digitized data is then equalized
by the FIR to the NPV target response for Viterbi detection. The FIR filter consists of 10 independent
programmable taps.
Figure 5-3: Read/Write
88C9310

Spinpoint
M8 Product Manual REV
2.3
32
5.3 Servo System
The Servo System controls the position of the read/write heads and holds them on track during read/write
operations. The Servo System also compensates for MR write/read offsets and thermal offsets between heads on
different surfaces and for vibration and shock applied to the drive.
The Spinpoint M8 hard disk drive is an Embedded Sector Servo System. Positioning information is radially located
in evenly spaced servo sectors on each track.
Radial position information can be provided from these sectors for each data head. Because the drive incorporates
multiple data zones and each zone has a different bit density, split data fields are necessary for optimal use of the
non-servo area of the disk. The servo area remains phase-coherent across the surface of the disk, even though the
disk has various data zones. The main advantage of the Embedded Sector Servo System is that it eliminates the
problems of static and dynamic offsets between heads on different surfaces. The Spinpoint M8 hard disk drive
Servo System is classified as a digital servo system because track-following and seek control, bias cancellation, and
other typical tasks are done in a Digital Signal Processor (DSP).
The Servo system has three modes of operation: track-following mode, settle mode, and velocity control mode.
1. Track-following mode is used when heads are “on-track.” This is a position loop with an
integrator in the compensation.
2. Settle mode is used for all accesses; head switches, short-track seeks and long-track seeks.
Settle mode is a position loop with velocity damping. Settle mode does not use feed forward.
3. Velocity control mode is used for acceleration and deceleration of the actuator for seeking of
two or more tracks. A seek operation of this length is accomplished with a velocity control
loop. The drive’s ROM stores the velocity profile in a look-up table.
5.4 Read and Write Operations
The following two sections describe the read and write channels.
5.4.1 The Read Channel
The drive has one read/write head for each of the data surfaces. The signal path for the Read Channel starts at the
read/write heads. When the magnetic flux transitions recorded on a disk pass under the head, they generate low-
amplitude, differential output voltages. The read/write head transfers these signals to the flexible circuit’s
amplifier, which amplifies the signal.
The flexible circuit transmits the pre-amplified signal from the HDA to the PCBA. The EPRML channel on the
PCBA shapes, filters, detects, synchronizes, and decodes the data from the disk. The Read/Write IC then sends the
resynchronized data output to the 88i9322 (Rev2.0) DSP & Interface/Disk Controller.
The 88i9322 (Rev2.0) Disk Controller manages the flow of data between the Data Synchronizer on the Read/Write
IC and its AT Interface Controller. It also controls data access for the external RAM buffer. The ENDEC of
88C9310 decodes the LDPC with post-processor format to produce a serial bit stream. This NRZ (Non Return to
Zero) serial data is converted to 12-bits.

Spinpoint
M8 Product Manual REV
2.3
33
The Sequencer module identifies the data as belonging to the target sector. After a full sector is read, the
88i9322 (Rev2.0) checks to see if the firmware needs to apply an ECC algorithm to the data. The Buffer Control
section of the 88i9322 (Rev2.0) stores the data in the cache and transmits the data to the AT bus.
5.4.2 The Write Channel
The signal path for the Write Channel follows the reverse order of that for the Read Channel. The host transmits data
via the AT bus to the 88i9322 (Rev2.0) Interface Controller. The Buffer Controller section of the 88i9322 (Rev2.0)
stores the data in the cache. Because the data is transmitted to the drive at a rate that exceeds the rate at which the
drive can write data to the disk, data is stored temporarily in the cache. Thus, the host can present data to the drive at
a rate independent of the rate at which the drive can write data to the disk.
Upon correct identification of the target address, the data is shifted to the Sequencer, which generates and appends
an error correcting code. The Sequencer then converts the bytes of data to a serial bit stream. The AT controller also
generates a preamble field, inserts an address mark, and transmits the data to the ENDEC in the R/W IC where the
data is encoded into the LDPC format and pre-compensates for non-linear transition shift. The amount of write
current is set by the 88i9322 (Rev2.0) DSP and Interface/Disk Controller through the serial interface to the
preamplifier.
The 88i9322 (Rev2.0) switches the Preamplifier and Write Driver IC to write mode and selects a head. Once the
Preamplifier and Write Driver IC receives a write gate signal, it transmits current reversals to the head, which writes
magnetic transitions on the disk.
5.5 Firmware Features
This section describes the following firmware features:
Read Caching
Write Caching
Track Skewing
Defect Management
Automatic Defect Allocation
ECC Correction
SMART (Self-monitoring and reporting technology)
ATA security mode features
ATA host protected area
ATA streaming features
ATA power up in stand by feature set
ATA advanced power management (APM) feature set
ATA device configuration overlay (DCO) feature set
5.5.1 Read Caching
The Spinpoint M8 hard disk drive uses Read Cache to enhance drive performance and significantly improve system
throughput. Use the SET FEATURES command to enable or disable Read Caching. Read caching anticipates
host-system requests for data and stores that data for faster future access. When the host requests a certain segment
of data, the cache feature utilizes a prefetch strategy to get the data in advance and automatically read and store the
following data from the disk into fast RAM. If the host requests this data, the RAM is accessed rather than the disk.

Spinpoint
M8 Product Manual REV
2.3
34
There is a high probability that subsequent data requested will be in the cache, because more than 50 percent of all
disk requests are sequential. It takes microseconds rather than milliseconds to retrieve this cached data. Thus Read
Caching can provide substantial time savings during at least half of all disk requests. For example, Read Caching
could save most of the disk transaction time by eliminating the seek and rotational latency delays that prominently
dominate the typical disk transaction.
Read Caching operates by continuing to fill its cache memory with adjacent data after transferring data requested by
the host. Unlike a non-caching controller, the 88i6526 (Rev2.0) Interface Controller continues a read operation
after the requested data has been transferred to the host system. This read operation terminates after a
programmed amount of subsequent data has been read into the cache memory.
The cache memory consists of a sync DRAM buffer allocated to hold the data. It can be directly accessed by
the host by means of read and write commands. The unit of data stored is the logical block, or a multiple of the 512-
byte sector. Therefore, all accesses to cache memory must be in multiples of the sector size. The following
commands empty the cache:
IDENTIFY DRIVE (ECh)
FORMAT TRACK (50h)
EXECUTE DRIVE DIAGNOSTIC (90h)
READ LONG (23h)
WRITE VERIFY (3Ch)
INITIALIZE DEVICE PARAMETER (91h)
SLEEP (99h, E6h)
STANDBY IMMEDIATELY (94h, E0h)
READ BUFFER (E4h)
WRITE BUFFER (E8h)
WRITE SAME (E9h)
5.5.2 Write Caching
Write caching improves both single and multi-sector write performance by reducing delays introduced by
rotational latency. When the drive writes a pattern of multiple sequential data, it stores the data to a cache
buffer and immediately sends a COMMAND COMPLETE message to the host before it writes the data to the
disk.
The data is then written collectively to the drive thereby minimizing the disk seeking operation. Data is
held in cache no longer than the maximum seek time plus rotational latency. Host retries must be enabled
for Write Caching to be active.
If the data request is random, the data of the previous command is written to the disk before COMMAND
COMPLETE is posted for the current command. Read commands work similarly. The previous write is
allowed to finish before the read operation starts.
If a defective sector is found during a write, the sector is automatically relocated before the write occurs.
This ensures that cached data that already has been reported as written successfully gets written, even if an
error should occur.

Spinpoint
M8 Product Manual REV
2.3
35
If the sector is not automatically relocated, the drive drops out of write caching and reports the error as an ID Not
Found. If the write command is still active on the AT interface, the error is reported during that command.
Otherwise, it is reported on the next command.
5.5.3 Defect Management
The Spinpoint M8 hard disk drive media is scanned for defects. After defect scanning, the defective sectors are
saved in the defect list. A defect encountered in the manufacturing process is slipped to the next physical sector
location. All logical sector numbers are pushed down to maintain a sequential order of data. The read/write
operation can “slip” over the defective sectors so that the only performance impact is idle time.
5.5.4 Automatic Defect Allocation
The automatic defect allocation feature automatically maps out defective sectors encountered during read sector
or write sector operations. These types of defective sectors are typically caused by grown defects. During write
operations, if write errors are encountered, all sectors within the target servo frame are mapped out. Original data
is transferred and written into designated reserved sector areas determined by the HDD firmware.
5.5.5 Multi-burst ECC Correction
The drive uses a Reed-Solomon code to perform error detection and correction. For each 512 byte block,
the software error correction polynomial is capable of correcting:
One 191-bit burst error
Up to 48 bytes with reassure pointer (off-line correction)
These errors are corrected on the fly with no performance degradation.
5.5.6 SMART
The intent of Self-monitoring, Analysis and Reporting Technology (SMART) is to protect user data and to
minimize the likelihood of unscheduled system downtime that may be caused by unpredictable degradation
and/or device fault. By monitoring and storing critical performance and calibration parameters, SMART
devices attempt to predict the likelihood of near-term degradation or fault condition. Providing the host
system knowledge of a negative reliability condition allows the host system to warn the user of the
impending risk of a data loss and advise the user of appropriate action.
5.5.7 A
P
M
The Automatic Power Management (APM) feature set is an optional feature set that allows the host to select a
power management level. The power management level is specified using a scale from the lowest power
consumption setting to the maximum performance level. Device performance may increase with increasing power
management levels. Device power consumption may increase with increasing power management levels. This
feature is enabled by the Set Features command.

Spinpoint
M8 Product Manual REV
2.3
36
CHAPTER 6 SATA II INTERFACE
6.1 Introduction
The Spinpoint M8 disk drive is equipped with an industry standard SATA Interface fully supports and enhances
PC mass storage requirements. The SATA interface conforms to the Serial ATA standards in Cabling, in Physical
Signals, and in Logical Programming schemes. The Spinpoint M8 disk drive joins the industry premiere VLSI
circuitry with ingenious programming skill that does not compromise performance or reliability. Samsung
integrates and delivers the cutting edge in technology. Samsung Spinpoint M8 SATA class disk drives are
designed to relieve and to enhance the I/O request processing function of system drivers.
SATA Terminology
The following contains some commonly proposed terminology used in SATA technology.
BACKCHANNEL-A term used to describe or refer to the transmit same-side of SATA interface, when the
scope of the paragraph is addressing the receive interface. For example, when discussing the receive SATA
interface on the device side, the term “backchannel” would be used to describe the transmit interface on the
device side.
CHARACTER ALIGNMENT-Character alignment is a receiver action that resets the character boundary to
that of the comma sequence found in the K28.5 control character of the ALIGN primitive, and establishes
Dword synchronization of the incoming serial data stream.
CHARACTER SLIPPING-Character slipping is the receiver action that realigns the receiver’s clock to the
received bit stream by adding or removing bit times within the characters of the ALIGN primitive.
CODE VIOLATION- A code violation is an error that occurs in the reception process as a result of (1) a
running disparity violation or (2) an encoded character that does not translate to a valid data or control
character or (3) an encoded character that translates to a control character other than K28.5 or K28.3 in byte 0
of a Dword or (4) an encoded character that translates to any control character (valid or invalid) in bytes 1-3
of a Dword.
COMMA CHARACTER- A comma character is a control character, that when encoded, contains the
comma sequence. In Serial ATA the only comma character used is K28.5, and only the ALIGN primitive
contains the comma character. The comma sequence is the first seven bits of the encoded character.
COMMA SEQUENCE- The comma sequence is a seven-bit sequence of 0011111 or 1100000 in an encoded
stream. The comma sequence is unique in that it appears only in a single encoded character, and furthermore,
cannot appear in any subset of bits in adjacent encoded characters. This unique property allows the comma
sequence to be used for determining alignment of the received data stream.
COMRESET / COMINIT- Host: Signal from the out of band detector that indicates the COMINIT out of
band signal is being detected.
CONTROL CHARACTER- A control character is a combination of a byte value with the control variable
equal to K.

Spinpoint
M8 Product Manual REV
2.3
37
CONTROL VARIABLE-The control variable, Z, is a flag that determines the code set to be used to
interpret a data byte. The control variable has the value D (for data characters) or K (for control characters).
CRC-In Serial ATA a 32-bit CRC is calculated over the contents of a FIS. The Serial ATA CRC is the Dword in
a frame that immediately precedes the EOF primitive.
DATA CHARACTER-A data character is a combination of a byte value with the control variable equal to D.
DWORD-A Dword is thirty-two (32) bits of data. A Dword may be represented as 32 bits, as two adjacent
words, or as four adjacent bytes. When shown as bits the least significant bit is bit 0 and most significant
bit is
bit 31. The most significant bit is shown on the left. When shown as words the least significant word (lower)
is word 0 and the most significant (upper) word is word 1. When shown as bytes the least significant byte is
byte 0 and the most significant byte is byte 3.
DWORD SYNCHRINIZATION-The state in which a receiver has recognized the comma sequence and is
producing an aligned data stream of Dwords (four contiguous bytes) from the zero-reference of the comma
character.
ENCODED CHARACTER-An encoded character is the output of the 8b/10b encoder – the result of
encoding a character. An encoded character consists of 10 bits, where bit 0 is the most significant bit and bit
9 is the least significant. The bits in an encoded character are symbolically referred to as “abcdeifghj” where
“a” corresponds to bit 0 and “j” corresponds to bit 9.
ELASTICITY BUFFER-The elasticity buffer is a portion of the receiver where character slipping and/or
character alignment is performed.
FIRST PARTY DMA ACCESS -First-party DMA access is a method by which a device accesses host
memory.
FIRST PARTY DMA MODE (FPDMA) - A device which is operating in First-party DMA mode uses First-
party DMA as a primary communications method between the host and the device. A software driver uses
legacy mode commands to place the device into First-party DMA mode of operation. The legacy-mode
command places the device into the First-party DMA mode of operation and the command protocol used between
a device and host when in First-party DMA mode are not specified by this specification.
FIRST DATA PHASE- The FPDMA Data Phase is the period from the reception of a DMA Setup FIS until
either the exhaustion of the associated data transfer count or the assertion of the ERR bit in the shadow Status
register.
FIS-Stands for Frame Information Structure.
FRAME UNFIORMATION STRUCTURE-The user payload of a frame, does not include the SOF, CRC,
and EOF delimiters.
Frame-A frame is an indivisible unit of information exchanged between a host and device. A frame consists
of a SOF primitive, a Frame Information Structure, a CRC calculated over the contents of the FIS, and an
EOF primitive-
LEGACY MODE-Legacy mode is the mode of operation which provides software-transparent
communication of commands and status between a host and device using the ATA Command Block and
Control Block registers.
LEGAL CHARACTER-Legal character is one for which there exists a valid decoding, either into the data
character or control character fields. Due to running disparity constraints not all 10-bit combinations result
in a
legal character. Additional usage restrictions in Serial ATA result in a further reduction in the SATA
defined control character space.
OOB SIGNAL DETECTOR-This block decodes Out of Band signal from the high speed input signal path.

Spinpoint
M8 Product Manual REV
2.3
38
PRIMITIVE-A primitive is a single Dword of information that consists of a control character in byte 0
followed by three additional data characters in bytes 1-3.
SHADOW REGISTER BLOCK REGISTERS-Shadow Register Block registers are interface registers used
for delivering commands to the device or posting status from the device.
SQUELCH-This block establishes a limit so that detection of a common mode signal can be properly
accomplished.
WORD-A word is sixteen (16) bits of data. A word may be represented as 16 bits or as two adjacent bytes.
When shown as bits the least significant bit is bit 0 and most significant bit is bit 15. The most significant bit
is shown on the left. When shown as bytes the least significant byte (lower) byte is byte 0 and the most
significant byte (upper) byte is byte 1.
6.2 Physical Interface
For information please consult the document entitled “Serial ATA: High Speed Serialized AT Attachment
Revision 1.0a” released on February 4, 2003 available from the Internet http://www.serialata.org/ still
retrievable on May 29, 2003. Section 6 of the document contains physical layer specifications related topics.
6.3 Signal Summary
For details, please consult the document entitled “Serial ATA: High Speed Serialized AT Attachment
Revision 1.0a” released on February 4, 2003 and “Serial ATA II: Extensions to Serial ATA 1.0a Revision
1.2” released on September 30, 2004 available from http://www.serialata.org/ retrieved and available on Jan 6,
2005.
6.3.1 Signal Descriptions
For data packets and additional information please consult the document entitled “Serial ATA: High Speed
Serialized AT Attachment Revision 1.0a” released on February 4, 2003 and “Serial ATA II: Extensions to
Serial ATA 1.0a Revision 1.2” released on September 30, 2004 available from http://www.serialata.org/
retrieved and available on Jan 6, 2005.
A device can operate in either of two addressing modes, CHS or LBA, on a command-by-command basis.
The CHS mode is supported for legacy command access only. The task file registers contains the Cylinder,
Head, and Sector information of a requested location. Because the disk drive has its own mapping, the CHS
mode is translated into disk drive physical address by the HDD firmware. There is no direct relationship of
the CHS that can be accessed from the host.
This CHS term defines the addressing mode of the device as being by physical sector address. The physical
sector address is made up of three fields: the sector number, the head number and the cylinder number.
Sectors are numbered from 1 to a device specific maximum value, which cannot exceed 255. Heads are
numbered from 0 to a device specific maximum value, which cannot exceed 15. Cylinders are numbered
from 0 to a device specific maximum value, which cannot exceed 65,535. Typically, sequential access to the
media is accomplished by treating the sector number as the least significant portion, the head number as the
mid portion, and the cylinder number as the most significant portion of the CHS address.

Spinpoint
M8 Product Manual REV
2.3
39
In LBA mode the sectors on the device are assumed to be linearly mapped with an initial definition of: LBA
0 = (Cylinder 0, head 0, and sector 1). Irrespective of translate mode geometry set by the host, the LBA
address of a given sector does not change:
6.3.2 I/O Register - Address
The communication to or from drive is through the SATA interface. To the host system the SATA drive
emulates a parallel ATA drive. As such, the following registers are not accessed directly host to drive. The
registers are set through the Serial Interface.
The Control Block registers are used for drive control and to post-alternate status. I/O port function and its
selection address are tabulated.
I/O
registers
Command Block registers
When read
When written
Data
Data
Error
Features Current
Features Previous
Sector Count Current
Sector Count Previous
Sector Count Current
Sector Count Previous
LBA Low Current
LBA Low Previous
LBA Low Current
LBA Low Previous
LBA Mid Current
LBA Mid Previous
LBA Mid Current
LBA Mid Previous
LBA High Current
LBA High Previous
LBA High Current
LBA High Previous
Device
Device
Status
Command
Control Block registers
Alternate Status
Device Control
6.3.3 Control Block Register Descriptions
6.3.3.1 Alternate Status Register (ex. 3F6h)
This register contains the same information as the Status register in the Command Block register. The only
difference is that reading this register does not imply interrupt acknowledgment nor does it clear a pending
interrupt.
7
6
5
4
3
2
1
0
BSY
DRDY
#
#
DRQ
Obsolete
Obsolete
ERR
NOTE: See 6.3.4.10 for definitions of the bits in this register.

Spinpoint
M8 Product Manual REV
2.3
40
6.3.3.2 Device Control Register (ex. 3F6h)
The bits in this register are as follows:
7
6 5
4
3 2
1
0
HOB
R
R
R
R
SRST
nIEN
0
HOB is the High Order Byte used for host to access the Extended Registers in the 48-bit LBA mode
SRST is the host software reset bit. The drive is held reset when this bit is set. If two disk drives are
daisy chained on the interface, this bit resets both simultaneously.
nIEN is the enable bit for the drive interrupt to the host. When nIEN=0, and the drive is selected,
INTRQ is enabled through a tri-state buffer. When nIEN=1, or the drive is not selected, the INTRQ
signal is in a high impedance state.
R is for reserved
6.3.4 Command Block Register Descriptions
6.3.4.1 Data Register (Ex. 1F0h)
This 16-bit register is used to transfer data blocks between the device data buffer and the host. It is also
the register through which sector information is transferred on a Format Track command. Data transfers
may be either PIO or DMA.
6.3.4.2 Features Register and Feature Extended Register (Ex. 1F1h)
This register is command specific and used to enable and disable features of the interface (e.g., by the
Set Features command to enable and disable caching). The Feature Extended Register contains the upper
byte of the Feature Register.
6.3.4.3 Sector Number Register and Sector Number Extended Register (Ex. 1F3h)
In CHS mode this register contains the starting sector number for any disk data access for the subsequent
command. The sector number is from 1 to the maximum number of sectors per track. In LBA mode
this register contains bits 0-7 of the LBA. The Sector Number Extended Register is for bits 25-31 of the
48-bit LBA. See the command descriptions for the contents of the register at command completion (whether
successful or unsuccessful).
6.3.4.4 Error Register (Ex. 1F1h)
This register contains status from the last command executed by the drive or a Diagnostic Code.
At the completion of any command except Execute Drive Diagnostic, the contents of this register are valid
when ERR=1 in the Status register.
Following a power-on, a reset, or completion of an Execute Drive Diagnostic command, this register
contains a
Diagnostic Code.
7
6 5
4 3
2 1
0
#
#
#
#
#
ABRT
#
#

Spinpoint
M8 Product Manual REV
2.3
41
ABRT (Aborted Command) indicates the requested command has been aborted due to a drive status
error (Not Ready, Write Fault, etc.) or because the command code is invalid.
# Indicates the content of this bit is command dependent.
NOTE: Unused bits are cleared to zero.
6.3.4.5 Sector Count Register and Sector Count Extended Register (Ex. 1F2h)
This register contains the number of sectors of data requested to be transferred on a read or write operation
between the host and the drive. In 28-bit addressing, if the value in this register is zero, a count of 256 sectors
is specified. In 48-bit addressing, the Sector Count Register is the low order byte of the 16-bit sector count
value and the Sector Count Extended Register is the high order byte of the 16-bit sector count value.
If this register is zero at command completion, the command was successful. If not successfully completed,
the register contains the number of sectors, which need to be transferred in order to complete the request.
The contents of this register may be defined otherwise on some commands (e.g., Initialize Drive Parameters
command, Format Track command).
6.3.4.6 Cylinder High Register and Cylinder High Extended Register (Ex. 1F5h)
In CHS mode the Cylinder High Register contains the high order bits of the starting cylinder address for any
disk access. In LBA mode the Cylinder High Register contains bits 16-23 of the LBA. The Cylinder High
Extended Register contains bits 40-47 of the 48-bit LBA.
At the end of the command, this register is updated to reflect the current disk address. The most significant
bits of the cylinder address are loaded into the Cylinder High register.
6.3.4.7 Cylinder Low Register and Cylinder Low Extended Register (Ex. 1F4h)
In CHS mode the Cylinder Low Register contains the low order 8 bits of the starting cylinder address for any
disk access. In LBA mode the Cylinder Low Register contains bits 8-15 of the LBA. The Cylinder Low
Extended Register contains bits 32-39 of the 48-bit LBA. At the end of the command, this register is updated
to reflect the current disk address.
6.3.4.8 Command Register (Ex. 1F7h)
This register contains the command code being sent to the drive. Command execution begins immediately
after this register is written. The executable commands, the command codes, and the necessary parameters for
each command are listed.
6.3.4.9 Device Register (Ex. 1F6h)
This register contains the drive and head numbers. When executing an Initialize Drive Parameters command,
the content of this register defines the number of heads minus 1.
7
6
5
4
3
2
1
0
Obsolete
LBA
Obsolete
DEV
#
#
#
#

Spinpoint
M8 Product Manual REV
2.3
42
DEV is reserved.
Bit0-bit3 is defined for the binary coded address of the head to be selected in CHS mode (e.g. if H3
through HS0 are 0011b, respectively, then head 3 will be selected). HS3 is the most significant bit. In 28
bit LBA mode bit0-3 HS3 contains bits 24-27 of the LBA. After command completion, this register is
updated to reflect the currently selected disk address.
LBA is to select the Logical Block Addressing Mode. When LBA=0, disk addressing is by CHS mode.
When LBA=1, disk addressing is by LBA mode. This bit was set to zero when the ATA drive didn’t
support LBA mode.
6.3.4.10 Status Register (Ex. 1F7h)
This register contains the drive status. The contents of this register are updated at the completion of each
command. When BSY is cleared, the other bits in this register become valid within 400 nsec. If BSY=1, no
other bits in this register are valid. If the host reads this register when an interrupt is pending, it is considered
to be the interrupt acknowledge. Any pending interrupt is cleared whenever this register is read.
7
6
5
4
3
2
1
0
BSY
DRDY
#
#
DRQ
Obsolete
Obsolete
ERR
BSY (Busy) is set whenever the drive has access to the Command Block registers. The host should not
access the Command Block registers when BSY=1. When BSY=1, a read of any Command Block register
returns the contents of the Status register.
DRDY (Drive Ready) indicates that the drive is capable of responding to a command. When there is an
error, this bit does not change until the host reads the Status register. Then the bit again indicates the current
readiness of the drive. This bit clears at power-on and remains clear until the drive is ready to accept the
command.
DRQ (Data Request) indicates that the drive is ready to transfer a word or byte of data between the host and
the drive.
ERR (Error) indicates that an error occurred during execution of the previous command. The bits in the
Error register have additional information regarding the cause of the error.

Spinpoint
M8 Product Manual REV
2.3
43
CHAPTER 7 SATA II FEATURE SET
This section describes the SATA II feature set supported in the Samsung Spinpoint M8 drive.
7.1 Device Activity Signal
Spinpoint M8 implemented the Device Activity Signal on the SATA power connector pin-11. The
implementation is based on the SATA II specification. This activity signal is used for indicating the drive
activities, including the queued and non-queued commands. For the host can use this signal to indicate the
command activity.
7.2 Staggered Spin-up Disable Control
Spinpoint M8 implemented the staggered spin-up disable control by using the SATA power connector pin-11.
This pin is multiplexed with the Device Activity Signal support. On power up this pin is used for the spin-up
control. After the device is connected with the host, this pin is used for the Device Activity.
Before the device spins up its media, devices that support staggered spin-up disable control shall detect
whether pin 11 is asserted low by the host. If pin 11 is asserted low the device shall disable staggered spin-up
and immediately initiate media spin-up. If pin 11 is not connected in the host (floating), devices that support
staggered spin-up disable through pin 11 shall enable staggered spin-up.
7.3 Auto-Activate in DMA Setup FIS
Spinpoint M8 implemented the option for the Auto-Activate in DMA Setup FIS. With this feature enabled,
the DMA Setup FIS is automatically activated. This automation help improve the efficiency of the DMA data
transfer. This feature can be enabled by the SATA Set Feature command.
If the Set Feature is not issued, the DMA Setup FIS is not automatically activated.
7.4 Native Command Queuing (NCQ)
Spinpoint M8 supports the NCQ feature of the SATA II command interface. The NCQ feature is unique in
the SATA II implementation which helps device improve the system performance. The implementation is
fully compliant with the SATA II specification.
The drive implements the NCQ with its proprietary hardware and firmware to enhance the command
performance. The NCQ hardware automatically receives the NCQ commands from the host. The hardware
verifies the duplication of the tag number and report tag duplicated error immediately. The automation of the
hardware and firmware handles the NCQ command from its reception to the reordering and command
execution. The drive intelligent firmware is capable of sorting the physical address of the
incoming
commands
and decides the execution order for the best performance.

Spinpoint
M8 Product Manual REV
2.3
44
If the NCQ command is executed with error, the drive will report the error information from the Read Log
Extended log page 10h. This is special log page for the NCQ command error reporting. The details of the error
information are defined in the SATA II specification.
When the commands of queue and non-queue are mixed, the Spinpoint M8 drive will report command error.
This will ensure the queue sequence is correctly received.
Two ATA commands are added for this NCQ support: Read FPDMA Queued (60h)
Write FPDMA Queued (61h)
The Set Device Bits (SDB) FIS is also used for indicating the completed NCQ command(s). The bits in this FIS
signify the completed tag. This SDB FIS is used for reporting error when there is a problem read or write to the
disk.
7.5 Phy. Event Counters
Spinpoint M8 implemented the SATA II Phy Event Counter option. This command utilizes the Read Log
Extended command page 11h to report the counter of the SATA interface physical events.
Table 7-1 Phy Event Counter Supports
Identifier
(Bits 11:0)
Mandatory/
Optional
Supported
Description
000h
Mandatory
Y
No counter value; marks end of counters in the page
001h
Mandatory
Y
Command failed due to an ICRC error
002h
Optional
N
Data FIS R_ERR ending status (transmitted and received)
003h
Optional
N
Data FIS R_ERR ending status (transmitted only)
004h
Optional
N
Data FIS R_ERR ending status (received only)
005h
Optional
N
Non-data FIS R_ERR ending status (transmitted and received)
006h
Optional
N
Non-data FIS R_ERR ending status (transmitted only)
007h
Optional
N
Non-data FIS R_ERR ending status (received only)
008h
Optional
Y
Non-data FIS retries (transmitted)
009h
Optional
Y
Transitions from drive PhyRdy to drive PhyNRdy
00Ah
Mandatory
Y
Signature D2H Register FISes sent due to a COMRESET
00Bh
Optional
Y
CRC errors within the FIS (received)
00Dh
Optional
Y
Non-CRC errors within the FIS (received)
00Fh
Optional
N
Data FIS R_ERR ending status due to CRC errors (received)
010h
Optional
N
Data FIS R_ERR ending status due to non-CRC errors (received)
012h
Optional
N
Non-data FIS R_ERR ending status due to CRC errors (received)
013h
Optional
N
Non-data FIS R_ERR ending status due to non-CRC errors
(received)

Spinpoint
M8 Product Manual REV
2.3
45
7.6 Software Settings Preservation
Spinpoint M8 supports SATA II Software Settings Preservation requirements. The settings of the following
items will be preserved across device receiving of COMRESET. This will ensure the device operates on the
intended settings even if the COMRESET is received. A SATA bus may generates COMRESET on an
Asynchronous Signal Loss (ASL) case which may be caused by noise on the bus. The Software Settings
Preservation feature can ensure the device continuing its operation on the ASL event.
The settings preserved are as list:
Initialize Device Parameters
Power Management Feature Set
Security Mode State
o Security Freeze Lock
o Security Unlock
Set Address Max (Ext)
Set Features
o Write Cache
o Set Transfer Mode
o Read Look-Ahead
Set Multiple Mode
7.7 SATA Power Management
Spinpoint M8 supports SATA power management from the SATA I and SATA II specifications. The SATA
power management is designed to conserve interface power usage when the bus is not active. There are two
power management requests: PM Partial and PM Slumber. These two states can be requested by either the host
or the device. When entering the Partial state, the device is required to exit to normal state in 10 us, while the
exit from Slumber state is limited to 10 ms.
The device will respond to the host PM requests and enter the PM mode when requested. The host may request
the PM Partial or PM Slumber at and end of command execution.
The device will also issues PM request when this feature is enabled by the host. The host enables the PM
feature by a Set Feature command with proper feature data. After the feature is enabled, the device will
make a
PM request when entering the Standby or Sleep modes.

Spinpoint
M8 Product Manual REV
2.3
46
CHAPTER 8 ATA COMMAND DESCRIPTIONS
8.1 Command Table
Commands are issued to the drive through SATA interface, by way of a Command Packet. This table list
commands supported by the Spinpoint M8 HDD. Extended commands are unique to the 48-bit Address
feature set.
Table 8-1 Command Code Parameters
Command
Parameter Used
Class DESCRIPTION CODE
FE SC LL LM LH DE SC LL LM LH
Pre Pre Pre Pre
1 Check Power Mode E5h
1 Download Micro code 92h
1 Device Configuration B1h
Overlay
1 Execute Device 90h
Diagnostic
1 Flush Cache E7h
1 Flush Cache Extended EAh
1 Format Track *3 50h
1 Initialize Device 91h
Parameters *3
1 Identify Device ECh
1 Idle E3h
1 Idle Immediate E1h
1 NOP 00h
1 Read Buffer E4h
1 Read DMA C8h
1 Read DMA Extended 25h
2 Read FPDMA Queued 60h
1 Read Log Extended 2Fh
1 Read Long *3 22h
1 Read Multiple C4h
1 Read Multiple Extended 29h
1 Read Native Max Address F8h
1 Read Native Max Address 27h
Extended
1 Read Sector(s) 20h
1 Read Sector(s) Extended 24h
y y
y y y y y
y y y y y
y
y y y y y
y y y y y y y
y y
y y y y y y y y y y
y y y y y y
y y y y
y y y y y
y y y y y y y y y
y y y y y
y y y y y y y y y

Spinpoint
M8 Product Manual REV
2.3
47
1
Read Verify *3
40h
y
y
y
y
y
1
Read Verify Extended *3 41h
y
y
y
y
y
y
y
y
y
1
Recalibrate *3 10h
1
Security Disable Password F6h
1
Security Erase Prepare F3h
1
Security Erase Unit F4h
1
Security Freeze Lock
F5h
1
Security Set Password F1h
1
Security Unlock F2h
1
Seek *3 70h
1
Set Features EFh y
y
1
Set Max Address F9h
y
y
y
y
1
Set Max Address
37h
y
y
y
y
y
y
Extended
1
Set Multiple Mode C6h
y
1
Sleep E6h
1
SMART B0h
y
y
y
y
y
1
Standby E2h
y
1
Standby Immediate
E0h
1
Write Buffer E8h
1
Write DMA CAh
y
y
y
y
y
1
Write DMA Extended 35h
y
y
y
y
y
y
y
y
y
2
Write FPDMA Queued 61h
y
y
y
y
y
y
y
y
y
y
1
Write Log Extended
3Fh
y
y
y
y
y
y
y
y
1
Write Multiple C5h
y
y
y
y
y
1
Write Multiple Extended 39h
y
y
y
y
y
y
y
y
1
Write Sector(s) 30h
y
y
y
y
y
1
Write Sector(s) Extended 34h
y
y
y
y
y
y
y
y
Legend:
LH = LBA High
LM = LBA Middle
LL = LBA Low
DE = Device register
FE = Feature register
SC = Sector Count register
Pre = Previous
y The register contains a valid parameter for this command.
Type 1 is ATA-7 commands; type 2 is SATA II commands
*3 It is created for compatibility reason.
8.2 Command Descriptions
8.2.1 Check Power Mode (E5h)
This command checks the power mode.

Spinpoint
M8 Product Manual REV
2.3
48
If the drive is in, going to, or recovering from the Standby Mode, the drive sets BSY, sets the Sector
Count register to 00h, clears BSY, and generates an interrupt.
If the drive is in the Idle Mode, the drive sets BSY, sets the Sector Count register to FFh, clears BSY,
and generates an interrupt.
8.2.2 Download Micro Code
(92h)
This command enables the host to alter the drive’s Micro-code. The data transferred using this command
is vendor specific.
8.2.3 Device Configuration Overlay
(B1h)
The Device Configuration Overlay feature set allows a utility program to modify some of the
optional commands, modes, and feature sets that a device reports as supported in the Identify Device
command response as well as the capacity reported. Individual Device Configuration Overlay feature set
commands are identified by the value placed in the Features register. The following table illustrates these
features.
Table 8-2 Device Configuration Overlay Feature Register Values
Value
Command
C0h
Device Configuration Restore
C1h
Device Configuration Freeze Lock
C2h
Device Configuration Identify
C3h
Device Configuration Set
00h-BFh,C4h-FFh
Reserved
The Device Configuration Restore command disables any setting previously made by a Device.
The Device Configuration Freeze Lock command prevents accidental modification of the
Device Configuration Overlay settings. After successful execution of a Device Configuration Freeze Lock
Command, all Device Configuration Set, Device Configuration Freeze Lock, Device Configuration Identify
command, and Device Configuration Restore commands shall be aborted by the device. The Device
Configuration Freeze Lock condition will be cleared only after a power-down.
The Device Configuration Identify command returns a 512 byte data structure via PIO data-in transfer. The
content of this data structure indicates the selectable commands, modes, and feature sets that the device is
capable of supporting. Should a Device Configuration Set command be issued reducing the capabilities, the
response to a Device Configuration Identify command will reflect the reduced set of capabilities accordingly.
The Device Configuration Set command allows a device manufacturer or a PC manufacturer to reduce the set
of optional commands, modes, or feature sets supported by a device as indicated by a Device Configuration
Identify command. The Device Configuration Set Command transfers an overlay that modifies some of the
bits in words 63, 82, 83, 84, and 88 of the Identify Device command. When the bits in these words are
cleared, the device shall no longer support the indicated command, mode, or feature set. If a bit is set in the
overlay transmitted by the device that is not set in the overlay received from a Device Configuration Identify
command, then no action is taken for that bit. Modifying the maximum LBA of the device also changes the
address value returned by a Read Native Max Address, or Read Native Max Address Ext command.

Spinpoint
M8 Product Manual REV
2.3
49
Table 8-3 Device Configuration Identify data structure
Word
Content
0
Data structure revision
1
Multiword DMA modes supported
15-3 Reserved
2 1 = Reporting support for Multiword DMA mode 2 and below is allowed
1 1 = Reporting support for Multiword DMA mode 1 and below is allowed
0 1 = Reporting support for Multiword DMA mode 0 is allowed
2
Ultra DMA modes
supported
15-7
Reserved
6 1 = Reporting support for Ultra DMA mode 6 and below is allowed
5 1 = Reporting support for Ultra DMA mode 5 and below is allowed
4 1 = Reporting support for Ultra DMA mode 4 and below is allowed
3 1 = Reporting support for Ultra DMA mode 3 and below is allowed
2 1 = Reporting support for Ultra DMA mode 2 and below is allowed
1 1 = Reporting support for Ultra DMA mode 1 and below is allowed
0 1 = Reporting support for Ultra DMA mode 0 is allowed
3-6
Maximum LBA
7
Command set/feature set supported
15-14
Reserved
13 1 = Reporting support for SMART Conveyance self-test is allowed
12 1 = Reporting support for SMART Selective self-test is allowed
11 1 = Reporting support for Forced Unit Access is allowed
10 Reserved
9 1 = Reporting support for Streaming feature set is allowed
8 1 = Reporting support for 48-bit Addressing feature set is allowed
7 1 = Reporting support for Host Protected Area feature set is allowed
6 1 = Reporting support for Automatic acoustic management is allowed
5 1 = Reporting support for READ/WRITE DMA QUEUED commands is allowed
4 1 = Reporting support for Power-up in Standby feature set is allowed
3 1 = Reporting support for Security feature set is allowed
2 1 = Reporting support for SMART error log is allowed
1 1 = Reporting support for SMART self-test is allowed
0 1 = Reporting support for SMART feature set is allowed
8
Serial ATA command /feature set supported
15-5 Reserved
4 1 = Reporting support for software settings preservation
3 1 = Reporting support for asynchronous notification (reserved)
2 1 = Reporting support for interface power management
1 1 = Reporting support for non-zero buffer offsets in DMA Setup FIS (reserved)
0 1 = Reporting support for native command queuing
9
Reserved for serial ATA
10-191
Reserved
192-254
VU
255
Integrity word
15-8 Checksum
7-0 Signature

Spinpoint
M8 Product Manual REV
2.3
50
8.2.4 Execute Device Diagnostics (90h)
This command performs the internal diagnostic tests implemented by the drive. The Diagnostic Code written
to the Error register is a unique 8-bit code.
Table 8-4 Diagnostic
Codes
Code
Description
01h
02h
03h
04h
05h
No error detected
Formatter device error
Sector buffer error
ECC circuitry error
Controlling microprocessor error
8.2.5 Flush Cache (E7h, EAh: extended)
This command is used by the host to request the drive to flush the write cache. If write is to be flushed, all data cached
will be written to the media. The BSY bit will remain set to one until all data has been successfully written or error
occurs.
8.2.6 Format Track (50h)
This command is obsolete in the ATA7 specification. The supporting of this command is for backward
compatibility purpose.
8.2.7 Identify Device (ECh)
The Identify Device command enables the host to receive parameter information from the device. When the
command is issued, prepares to transfer the 256 words of device identification data to the host, sets the DRQ
bit, clears the BSY bit, and generates an interrupt. The host can then transfer the data by reading the Data
register. The parameter words in the buffer have the arrangement and meanings defined. All reserved bits or
words will remain to be zero.
Some parameters are defined as a group of bits. A word which is defined as a set of bits is transmitted with
the indicated bits on the respective data bus bit (e.g., bit 15 appears on DD15).
Other parameters are defined as a sixteen-bit value. A word which is defined as a sixteen bit value places the
most significant bit of the value on bit DD15 and the least significant bit on bit DD0.
Some parameters can be defined as a 32-bit value (e.g., words 57 and 58). Such fields are transferred using
two word transfers. The device first transfers the least significant bits, bits 15 through 0 of the value, on bits
DD15 through DD0 respectively. After the least significant bits have been transferred, the most significant
bits, bits 31 through 16 of the value, are transferred on DD15 through DD0 respectively.

Spinpoint
M8 Product Manual REV
2.3
51
Some parameters are defined as a string of ASCII characters. For the string “Copyright,” the character ‘C’ is
the first byte, ‘o’ is the 2nd byte, etc. When such fields are transferred, the order of transmission is:
1st character (‘C’) is on bits DD15 through DD8 of the first word
2nd character (‘o’) is on bits DD7 through DD0 of the first word
3rd character (‘p’) is on bits DD15 through DD8 of the second word
4th character (‘y’) is on bits DD7 through DD0 of the second word, etc.
Table 8-5 IDENTIFY DEVICE information
Word
Content
Description
0
0040h
General configuration bit-significant information:
15 0=ATA device, set to 0
14-8 Retired
7 1=removable media device, set to 0
6 1=not removable controller and/or device, set to 1
5-3 Retired
2 Reserved
1 Retired
0 Reserved
1
XXXXh
Number of logical cylinders
2
0
Reserved
3
00XXh
Number of logical heads
4-5
0
Retired
6
003Fh
Number of logical sectors per logical track
7-8
0
Reserved for CFA
9
0
Retired
10-19
Serial number (20 ASCII characters, 0 = not specified)
20
0000h
Retired
21
4000h
Retired
22
0004h
Number of ECC bytes (Device native length is selected via set feature command.)
23-26
Firmware revision (8 ASCII characters)
27-46
Model number (40 ASCII characters)
47
8010h
15-8 80h
7-0 Maximum number of sectors that shall be transferred per interrupt on
READ/WRITE MULTIPLE commands
48
4000h
Reserved
49
2F00h
Capabilities
15-14 Reserved
13 1=Standby timer values as specified in this standard are supported
0=Standby timer values shall be managed by the device
12 Reserved
11 1=IORDY supported
0=IORDY may be supported
10 1=IORDY may be disabled
9 LBA supported
8 DMA supported
7-0 Retired
50
4000h
Capabilities
51
0200h
PIO data transfer cycle timing mode (Obsolete)
52
0200h
DMA data transfer cycle timing mode (Obsolete)
53
0007h
15-3 Reserved

Spinpoint
M8 Product Manual REV
2.3
52
Word
Content
Description
2 1=the fields reported in word 88 are valid
1 1=the fields reported in words 64-70 are valid
0 1=the fields reported in words 54-58 are valid (Obsolete)
54
XXXXh
Number of current logical cylinders (Obsolete)
55
XXXXh
Number of current logical heads (Obsolete)
56
XXXXh
Number of current logical sectors per track (Obsolete)
57-58
XXXXh
Current capacity in sectors, Word 57 specifies the low world of the capacity (Obsolete)
59
0XXXh
Current Multiple setting. Bit assignments
15-9 Reserved
8 1=Multiple sector setting is valid
7-0 xxh=Current setting for number of sectors
60-61
XXXXh
Total number of user addressable sectors (LBA mode only)
62
0000h
Obsolete
63
XX07h
Multiword DMA Transfer Capability
15-8 Multiword DMA transfer mode select
7-0 Multiword DMA transfer modes supported (support mode 0 , 1 and 2)
64
0003h
Flow Control PIO Transfer modes supported
15-8 Reserved
7-0 PIO modes supported (‘11b’ = PIO Mode 3 and 4 Supported)
65
0078h
Minimum Multiword DMA transfer cycle time per word
15-0 Cycle time in nanoseconds (120ns, 16.6MB/S)
66
0078h
Manufacturer’s recommended Multiword DMA transfer cycle time
15-0 Cycle time in nanoseconds (120ns, 16.6MB/S)
67
0078h
Minimum PIO transfer cycle time without flow control
15-0 Cycle time in nanoseconds (120ns, 16.6MB/S)
68
0078h
Minimum PIO transfer cycle time with IORDY flow
control
15-0 Cycle time in nanoseconds (120ns,
16.6MB/S)
69-79
0000h
Reserved
71-74
0000h
Reserved
75
001fh
Queue depth
15-5 Reserved
4-0 Maximum queue depth-1
76
1F06h
Serial ATA capabilities
15-11 Reserved
10 Supports Phy event counters
9 Supports receipt of host-initiated interface power management requests
8 Supports native command queuing
7-3 Reserved
2 Supports Serial ATA Gen-2 signaling speed (3.0Gbps)
1 Supports Serial ATA Gen-1 signaling speed (1.5Gbps)
0 Reserved (cleared to 0)
77
0000h
Reserved for future Serial ATA definition
78
004Ch
Serial ATA feature
supported
15-7
Reserved
6 Supports software settings preservation
5 Reserved
4 Supports in-order data delivery
3 Supports device supports initiating interface power management
2 Supports DMA Setup Auto-Activate optimization
1 Supports non-zero buffer offsets in DMA Setup FIS
0 Reserved (set to 0)
79
0040h
Serial ATA feature enabled
15-7
Reserved
6 Software settings preservation enabled
5 Reserved
4 In-order data delivery enabled

Spinpoint
M8 Product Manual REV
2.3
53
Word
Content
Description
3 Device initiating interface power management enabled
2 DMA Setup Auto-Activate optimization enabled
1 Non-zero buffer offsets in DMA Setup FIS enabled
0 Reserved (set to 0)
80
01FFh
Major version number
15-0 ATA-1, ATA-2, ATA-3 and ATA/ATAPI-4, 5, 6, 7
81
0028h
Minor version number
15-0 ATA/ATAPI-7 X3T13 1532D revision 0
82
746Bh
Command set supported.
15 Obsolete
14 1=NOP command supported
13 1=READ BUFFER command supported
12 1=WRITE BUFFER command supported
11 Obsolete
10 1=Host Protected Area feature set supported
9 1=DEVICE RESET command supported
8 1=SERVICE interrupt supported
7 1=Release interrupt supported
6 1= Look-ahead supported
5 1=Write cache supported
4 1=supports PACKET Command feature set
3 1=Power Management feature set supported
2 1=Removable Media feature set supported
1 1=Security Mode feature set supported
0 1=SMART feature set supported
83
7F69h
Command sets supported.
15 Shall be set to zero
14 Shall be set to one
13 1=FLUSH CACHE Ext supported
12 1=Mandatory FLUSH CACHE command supported
11 1=Device Configuration Overlay features supported
10 1=48 bit address feature supported
9 1-Automatic Acoustic feature supported
8 1=SET MAX Security feature supported
7 1=Set Address Offset Reserved Area Boot, INCITS TR27:2001
6 1=SET FEATURES subcommand required to spin-up after power-up.
5 1=Power up standby feature set supported
4 1=Removable media status notification feature set supported
3 1=Advanced Power Management feature set supported
2 1=CFA feature set supported
1 1=READ/WRITE DMA QUEUED supported
0 1=DOWNLOAD MICROCODE command supported
84
6123h
Command set/feature supported
extension.
15 Shall be set to 0
14 Shall be set to 1
13 1=IDLE IMMEDIATE with UNLOAD FEATURE supported
12 Reserved for technical report
11 Reserved for technical report
10 1=URG bit supported for WRITE STREAM DMA EXT and WRITE STREAM
EXT
9 1=URG bit supported for READ STREAM DMA EXT and READ STREAM
EXT
8 64-bit World wide name supported
7 1=Write DMA Queued FUA Ext command supported
6 1=Write DMA FUA Ext and Write Multiple FUA Ext command supported
5 1=General purpose logging feature set supported
4 1=Streaming feature set supported

Spinpoint
M8 Product Manual REV
2.3
54
Word
Content
Description
3 1=Media Card Pass Through command feature set supported
2 1=Media serial number supported
1 1=SMART self-test supported
0 1=SMART error logging supported
85
7469h
Command set/feature enabled. (The default manufacturing setting is as
below)
15 Obsolete
14 1=NOP command enabled
13 1=READ BUFFER command enabled
12 1=WRITE BUFFER command enabled
11 Obsolete
10 1=Host Protected Area feature set enabled
9 1=DEVICE RESET command enabled
8 1=SERVICE interrupt enabled
7 1=Release interrupt enabled
6 1= Look-ahead enabled
5 1=Write cache enabled
4 1=PACKET Command feature set enabled (Should be cleared to 0)
3 1=Power Management feature set enabled
2 1=Removable Media feature set enabled
1 1=Security Mode feature set enabled
0 1=SMART feature set enabled
86
BC41h
Command set/feature enabled.
15-14 Reserved
13 1=FLUSH CACHE EXT command supported
12 1=FLUSH CACHE command supported
11 1=Device Configuration Overlay features supported
10 1=48 bit address feature supported
9 1-Automatic Acoustic Management feature set enabled
8 1=SET MAX security feature enabled by SET MAX SET PASSWORD
7 1=Set Address Offset Reserved Area Boot, INCITS TR27:2001
6 1= SET FEATURES subcommand required to spin-up after power-up.
5 1=Power-Up Standby feature set enabled
4 1=Removable media status notification feature set enabled
3 1=Advanced Power Management feature set enabled
2 1=CFA feature set enabled
1 1=READ/WRITE DMA QUEUED supported
0 1=DOWNLOAD MICROCODE command supported
87
6123h
Command set/feature
default.
15 Shall be set to 0
14 Shall be set to 1
13 1=IDLE IMMEDIATE with UNLOAD FEATURE supported
12 Reserved for technical report
11 Reserved for technical report
10 1=URG bit supported for WRITE STREAM DMA EXT and WRITE STREAM
EXT
9 1=URG bit supported for READ STREAM DMA EXT and READ STREAM
EXT
8 64-bit World wide name supported
7 1=WRITE DMA QUEUED FUA EXT command supported
6 1=WRITE DMA FUA EXT and WRITE MULTIPLE FUA EXT command
supported
5 General Purpose logging feature set supported
4 1=Valid CONFIGURATION STREAM command has been executed
3 1=Media Card Pass Through command feature set enabled
2 1=Media serial number is valid
1 1=SMART self-test supported
0 1=SMART error logging supported

Spinpoint
M8 Product Manual REV
2.3
55
Word
Content
Description
88
007Fh
Ultra DMA transfer modes
15-8 Current active Ultra DMA transfer mode
15 Ultra DMA mode 7
14 Ultra DMA mode 6
13 Ultra DMA mode 5
12 Ultra DMA mode 4
11 Ultra DMA mode 3
10 Ultra DMA mode 2
9 Ultra DMA mode 1
8 Ultra DMA mode 0
7-0 Ultra DMA transfer mode is supported
7 Ultra DMA mode 7
6 Ultra DMA mode 6
5 Ultra DMA mode 5
4 Ultra DMA mode 4
3 Ultra DMA mode 3
2 Ultra DMA mode 2
1 Ultra DMA mode 1
0 Ultra DMA mode 0
89
0000h
Time required for Security Erase Unit completion
90
0000h
Time required for Enhanced Security Erase completion
91
0080h
Current Advanced Power Management value
92
FFFEh
Master Password Revision Code
93
0000h
COMRESET result.
95
0000h
Stream Minimum Request Size
96
0000h
Streaming Transfer Time - DMA
97
0000h
Streaming Access Latency - DMA and PIO
98-99
0000h
Streaming Performance Granularity
100-103
xxxxh
Maximum User LBA for 48-bit address (100=LSB)
104
0000h
Streaming Transfer Time - PIO
105
0000h
Reserved
106
4000h
Physical sector size / Logical Sector Size
107
Inter-seek delay for ISO-7779 acoustic testing in microseconds
108
xxxxh
Worldwide name
15-12 NAA (3:0)
5 IEEE OUI (23:12)
109
xxxxh
WWN
15-4 IEEE OUI (11:0)
5 Unique ID (35:32)
110
xxxxh
Unique ID (31:16)
111
xxxxh
Unique ID (15:0)
112-115
xxxxh
Reserved for worldwide name extension to 128 bits
116
0000h
Reserved for technical report
117-118
xxxxh
Words per Logical Sector
119-126
0000h
Reserved
127
0000h
Removable Media Status Notification feature set support
128
0021h
Security status
15-9 Reserved
8 Security level 0=High, 1=Maximum
7-6 Reserved
5 1=Enhanced security erase supported
4 1=Security count expired
3 1= Security frozen
(continued)

Spinpoint
M8 Product Manual REV
2.3
56
Word
Content
Description
2 1= Security locked
1 1= Security enabled
0 1= Security supported
129-159
0000h
Vendor specific
160
0000h
CFA power mode 1
161-175
0000h
Reserved for CFA
176-205
0000h
Current media serial number
206-254
0000h
Reserved
255
xxxxh
Integrity word
15-8 Checksum
5 Signature (A5h)
8.2.8 Idle (E3h)
This command causes the drive to enter the Idle Mode, clear BSY, and generate an interrupt. The interrupt is
generated even though the drive may not have fully transitioned to Idle Mode.
If the drive is already spinning, the spin-up sequence is not executed.
If the Sector Count register is non-zero, then the automatic Idle Mode sequence is enabled, and the timer
begins counting down immediately. If the Sector Count register is zero, the automatic power down sequence
is disabled.
After the drive enters Idle Mode, it automatically transitions to Standby Mode upon expiration of a prescribed
1 minute spin-down timer.
Table 8-6 Automatic Standby Timer
Periods
Sector Count Register Contents
Corresponding Time-Out Period
0
(00h)
Timeout Disabled
1-240 (01h-FOh)
(value * 5) seconds
241-251 (F1h-FBh)
(value - 240) * 30 minutes
252
(FCh)
21 minutes
253
(FDh)
8 hours
254
(FEh)
Reserved
255
(FFh)
21 minutes 15 seconds
8.2.9 Idle Immediate (E1h)
This command causes the drive to enter Idle Mode, clear BSY, and generate an interrupt. The interrupt is
generated even though the drive may not have fully transitioned to Idle Mode.

Spinpoint
M8 Product Manual REV
2.3
57
8.2.10 Initialize Device Parameters (91h)
This command is obsolete in the ATA7 specification. The supporting of this command is for backward
compatibility purpose. The use of this command is beyond the ATA standard and not recommended by the
manufacture.
This command enables the host to set the number of sectors per track and the number of heads minus 1, per
cylinder. Upon receipt of the command, the drive sets BSY, saves the parameters, clears BSY, and generates
an interrupt.
The only two register values used by this command are the Sector Count register which specifies the number
of sectors per track, and the Drive/Head register which specifies the number of heads minus 1. The sector
count and head values are not checked for validity by this command. If they are invalid, no error will be
posted until an illegal access is made by some other command.
8.2.11 NOP (00h)
The NOP command is always responded with command aborted.
8.2.12 Read Buffer (E4h)
The Read Buffer command enables the host to read the current contents of the drive's sector buffer. When
this command is issued, the drive sets up the sector buffer for a read operation, sets DRQ, clears BSY, and
generates an interrupt. The host then reads up to 512 bytes of data from the buffer.
The Read Buffer and Write Buffer commands are synchronized so that sequential Write Buffer (E8h) and
Read Buffer commands access the same 512 bytes within the buffer.
8.2.13 Read DMA (C8h, 25h: extended)
This command executes in a manner similar to the Read Sector(s) command except for the drive issues only
one interrupt per command to indicate that data transfer has stopped and the status is available.
Any unrecoverable error encountered during execution of a Read DMA command results in the termination
of data transfer prior to the sector where the error was detected. The drive generates an interrupt to indicate
that data transfer has terminated and status is available. The error posting is the same as that for the Read
Sector(s) command.
8.2.14 Read FPDMA Queued (60h)
This command is implemented according to the Serial ATA II: Extension to Serial ATA 1.0a, Revision 1.2
specification. The purpose of this command is for the host to issue a Native Command Queue (NCQ) read
commands. This command allows device to reorder the command issued in a sequence of the queue. The
command is returned based on the device’s determine of the location sequence.
The Spinpoint M8 drive implemented a queue depth of 32. This will allow host to issue up to 32 NCQ
commands (combined read and write commands).

Spinpoint
M8 Product Manual REV
2.3
58
If the drive enters NCQ mode and a non-queue command is received, the drive will respond with error to
inform host a queue command been overlapped with non-queue. If a queue tag is not finished and another
same tag command is received, the drive will response with error to inform host a duplicated tag is received.
Error information is reported according to the SATA II specification. A read Log Extended command with
log page 10 is required to retrieve the error information.
8.2.15 Read Log Extended (2Fh)
This command returns the specified log to the host. The device shall interrupt for each DRQ block transferred.
See ATA 7 document for command details.
8.2.16 Read Long (22h)
This command is obsolete in the ATA7 specification. The supporting of this command is for backward
compatibility purpose. The use of this command is beyond the ATA standard and not recommended by the
manufacture.
The Read Long command performs similarly to the Read Sectors command except that it returns the data and
the ECC bytes appended to the data field of the desired sector. During a Read Long command, the drive does
not check the ECC bytes to determine if there has been a data error. Only single sector Read Long operations
are supported.
The transfer of the ECC bytes shall be 8 bits wide and 4 or device native ECC bytes length.
8.2.17 Read Multiple Command (C4h, 29h: extended)
The Read Multiple command performs similarly to the Read Sectors command except interrupts are not
generated on every sector, but on the transfer of a block which contains the number of sectors defined by a
Set Multiple command.
Command execution is identical to the Read Sectors operation except that the numbers of sectors as defined
by a Set of Multiple command are transferred without intervening interrupts. DRQ qualification of the
transfer is required only at the start of the data block, not on each sector.
The block count of sectors to be transferred without intervening interrupts is programmed by the Set Multiple
Mode command, which should be executed prior to the Read Multiple command. When the Read Multiple
command is issued, the Sector Count register contains the number of sectors (not the number of blocks or the
block count) requested.
If the number of requested sectors is not evenly divisible by the block count, as many full blocks as possible
are transferred, followed by a final, partial block transfer. The partial block transfer shall be for n sectors,
where
n = Remainder (Sector Count / Block Count)
If the Read Multiple command is attempted before the Set Multiple Mode command has been executed or
when Read Multiple commands are disabled, then the Read Multiple operation is rejected with an Aborted
Command error.
Disk errors encountered during Read Multiple commands are posted at the beginning of the block or partial
block transfer, but DRQ is still set and the data transfer takes place as it normally would, including transfer of
corrupted data, if any.

Spinpoint
M8 Product Manual REV
2.3
59
The contents of the Command Block registers, following the transfer of a data block, which had a sector in
error, are undefined. The host should retry the transfer as individual requests to obtain valid error information.
Subsequent blocks are transferred only if the error was a correctable data error. All other errors cause the
command to stop after transfer of the block, which contained the error. Interrupts are generated when DRQ is
set at the beginning of each block.
8.2.18 Read Native Max Address (F8h, 27h: extended)
This command returns the native maximum address. The native maximum address is the highest address
accepted by the device in the factory default condition. The native maximum address is the maximum
address that is valid when using the SET MAX ADDRESS command.
8.2.19 Read Sector(s) (20h, 24h: extended)
This command reads from 1 to 256 sectors as specified in the Sector Count register. A sector counts of 0
requests all 256 sectors if the command is Read Sectors (not Read Sector Extended). The transfer begins at
the sector specified in the Sector Number register.
If the drive is not already on the desired track, an implied seek is performed. Once at the desired track, the
drive searches for the appropriate ID field.
If the ID is read correctly, the data address mark shall be recognized within a specified number of bytes, or
the Address Mark Not Found error is posted. DRQ is always set prior to data transfer, regardless of the
presence or absence of an error condition.
At command completion, the Command Block registers contain the address of the last sector read. If an error
occurs, the read terminates at the sector where the error occurred. The Command Block registers contain the
address of the sector where the error occurred.
8.2.20 Read Verify Sector(s) (40h, 41h: extended)
This command is obsolete in the ATA7 specification. The supporting of this command is for backward
compatibility purpose. The use of this command is beyond the ATA standard and not recommended by the
manufacturer.
This command is identical to the Read Sectors command, except that DRQ is never set, and no data is
transferred to the host.
When the requested sectors have been verified, the drive clears BSY and generates an interrupt. Upon
command completion, the Command Block registers contain the address of the last sector verified. If an error
occurs, the Verify terminates at the sector where the error occurred.
The Command Block registers contain the address of where the error occurred. The Sector Count register
contains the number of sectors not yet verified.

Spinpoint
M8 Product Manual REV
2.3
60
8.2.21 Recalibrate (10h)
This command is obsolete in the ATA7 specification. The supporting of this command is for backward
compatibility purpose. The use of this command is beyond the ATA standard and not recommended by the
manufacturer.
This command moves the read/write heads from anywhere on the disk to cylinder 0. Upon receipt of the
command, the drive issues a seek to cylinder zero. The drive then waits for the seek to complete before
updating status, clearing BSY, and generating an interrupt. If the drive cannot reach cylinder 0, it posts a
Track 0 Not Found error.
8.2.22 Security Disable Password (F6h)
The SECURITY DISABLE PASSWORD command transfers 512 bytes of data from the host. In Table 6-6 it
defines the content of the security password. If the password selected by word 0 matches the password
previously saved by the device, the device shall unlock mode. This command shall not change the Master
password. The Master password shall be reactivated only when a User password is set.
Table 8-7 Security password content
Word
Content
0
Control word.
Bit 0 Identifier 0= compare User password
1= compare Master
password
Bit
(15:1)
Reserved
1-16
Password (32 bytes)
17-255
Reserved
8.2.23 Security Erase Prepare (F3h)
The SECURITY ERASE PREPARE command shall be issued immediately before the SECURITY ERASE
UNIT command to enable device erasing and unlocking. This command prevents accidental loss of data on
the device.
8.2.24 Security Erase Unit (F4h)
This command transfers 512 bytes of data from the host. Table 6-7 defines the content of this information. If
the password does not match the password previously saved by the device, the device shall reject the
command with by abortion.

Spinpoint
M8 Product Manual REV
2.3
61
Table 8-8 Security Erase Unit Password
Word
Content
0
Control word.
Bit 0 Identifier 0= compare User password
1= compare Master
password
Bit 1 Erase mode 0= Normal erase
1= Enhanced erase
Bit
(15:2)
Reserved
1-16
Password (32 bytes)
17-255
Reserved
8.2.25 Security Freeze Lock (F5h)
The SECURITY FREEZE LOCK command shall set the device to frozen mode. After command completion
any other commands that update the device Lock mode shall be command aborted. Frozen mode shall be
disabled by power-off or hardware reset. If SECURITY FREEZE LOCK shall be issued when the device is in
frozen mode, the command executes and the device shall remain in frozen mode.
Commands disabled by SECURITY FREEZE LOCK are as follows:
SECURITY SET PASSWORD
SECURITY UNLOCK
SECURITY DISABLE PASSWORD
SECURITY ERASE PREPARE
SECURITY ERASE UNIT
8.2.26 Security Set Password (F1h)
This command transfers 512 bytes of data from the host. Table defines the content of this information. The
data transferred controls the function of this command. It also defines the interaction of the identifier and
security level bits.
Table 8-9 Security Set Password data content
Word
Content
0
Control word.
Bit 0 Identifier 0= set User password
1= set Master password
Bit (7:1) Reserved
Bit 8 Security level 0= High
1= Maximum
Bit
(15:2)
Reserved
1-16
Password (32 bytes)
17
Master Password Revision Code (valid if word 0 bit 0 = 1)
18-255
Reserved

Spinpoint
M8 Product Manual REV
2.3
62
Table 8-10 Identifier and security level bit interaction
Identifier
Level
Command
result
User
High
The password supplied with the command shall be saved as the
new User password. The Lock mode shall be enabled from
the next power-on or hardware reset. The device shall then be
unlocked by either the User password or the previously set Master
password.
User
Medium
The password supplied with the command shall be saved as the
new User password. The Lock mode shall be enabled from
the next power-on or hardware reset. The device shall then be
unlocked by only the User password. The Master password
previously set is still stored in the device but shall not be used to
unlock the device.
Master
High or
Medium
Maximum This combination shall set a Master password but shall
not enable or disable the Lock mode. The security level is not
changed. Master password revision code set to the value in Master
Password Revision Code field.
8.2.27 Security Unlock (F2h)
This command transfers 512 bytes of data from the host. If the Identifier bit is set to Master and the device
is in high security level, then the password supplied shall be compared with the stored Master password. If
the device is in maximum security level then the unlock shall be rejected.
If the Identifier bit is set to the user then the device needs to compare the supplied password with the stored
User password.
If the password compare fails then the device shall return command aborted to the host and decrements the
unlock counter. This counter shall be initially set to five and shall be decremented for each password
mismatch when SECURITY UNLOCK is issued and the device is locked. When this counter reaches zero
then SECURITY UNLOCK and SECURITY ERASE UNIT commands shall be command aborted until a
power-on reset or a hardware reset. SECURITY UNLOCK commands issued when the device is unlocked
have no effect on the unlock counter.
8.2.28 Seek (7xh)
This command has become obsolete in the ATA7 specification. The supporting of this command is just for
backward compatibility purpose.
8.2.29 Set Features (EFh)
This command is used by the host to establish the following parameters, which affect the execution of certain
drive features as shown below.

Spinpoint
M8 Product Manual REV
2.3
63
Table 8-11 Set Features Register Definitions
Code
Description
02h
Enable Write Cache
03h
Set transfer mode based on value in Sector Count register
06h
Enable Power-Up in Standby Mode
07h
Power-Up in Standby feature set device spin up
10h
Enable use of SATA features
SC=02: DMA Setup FIS Auto Activate automation
SC=03: Device-initiated interface power state transition
SC=06: Software Settings Preservation
42h
Enable Automatic Acoustic Management feature set.
44h
Obsolete (Set VU ECC length)
55h
Disable read look-ahead feature
82h
Disable Write Cache
86h
Disable Power-Up in Standby Mode
90h
Disable use of SATA features
SC=02: DMA Setup FIS Auto Activate automation
SC=03: Device-initiated interface power state transition
SC=06: Software Settings Preservation
AAh Enable read look-ahead feature
BBh Obsolete (Set 4-byte ECC length)
C2h
Disable Automatic Acoustic Management feature set.
D2h-DFh VU Features
F0h-FFh VU Features
When the drive receives this command, it checks the contents of the Feature register, clears BSY, and
generates an interrupt. If the value in the Feature register is not supported or is invalid, the drive posts an
Aborted Command error.
A host can choose the transfer mechanism by Set Transfer Mode and specifying a value in the Sector Count
register in feature 03. The upper 5 bits define the type of transfer, and the low order 3 bits encode the mode
value. Refer to the following table for details.
Table 8-12 Transfer Mode
Values
Mode
Bits(7:3)
Bits(2:0)
PIO default mode
00000
000
PIO default mode, disable IORDY
00000
001
PIO flow control transfer mode
00001
mode
Multiword DMA mode
00100
mode
Ultra DMA mode
01000
mode
Mode = transfer mode number

Spinpoint
M8 Product Manual REV
2.3
64
Setting of the UDMA mode will not alter the speed of the SATA interface transfer. SATA transfer speed is
depending upon the negotiated interface speed of either Gen II 3.0 Gbps or Gen I 1.5 Gbps. The mode setting
in the Set Feature command is for backward compatibility purpose.
8.2.30 Set Max Address (F9h, 37h: extended)
Set Max Address command is for device implement the Host Protected Area feature set. The drive maximum
address can be changed according to the command issued from the host. The Set Max command has the
following subcommands:
Table 8-13 Set Max Feature Register Values
Feature Value
Command
0
Obsolete
1
SET MAX SET PASSWORD
2
SET MAX LOCK
3
SET MAX UNLOCK
4
SET MAX FREEZE LOCK
05-FFh
Reserved
8.2.31 Set Multiple Mode (C6h)
This command enables the drive to perform Read and Write Multiple operations and establishes the block
count for these commands.
The Sector Count register is loaded with the number of sectors per block. Drives support block sizes of 2, 4, 8,
and 16 sectors. If the Sector Count register contains a valid value and the block count is supported, the
value is
loaded for all subsequent Read Multiple and Write Multiple commands and execution of those
commands is
enabled. If a block count is not supported, an Aborted Command error is posted, and Read Multiple and
Write Multiple commands are disabled.
At power-on, or after a hardware reset, the default mode is Read and Write Multiple disabled. And on
software reset, the default mode of Read and Write Multiple will not be changed.
8.2.32 Sleep (E6h)
This command is the only way to cause the drive to enter Sleep Mode. The drive is spun down, and when it is
stopped, BSY is cleared, an interrupt is generated, and the interface becomes inactive.
The only way to recover from Sleep mode without a reset or power-on is for the host to issue a software reset.
A drive shall not power-on in Sleep Mode nor remain in Sleep Mode following a reset sequence. If the drive is
already spun down, the spin down sequence is not executed.
8.2.33 Standby (E2h)
This command causes the drive to set BSY, enter the Standby Mode, clear BSY, and assert INTRQ. INTRQ is
asserted even though the device may not have fully transitioned to Standby Mode.
If the Sector Count register is non-zero, then the Standby Timer is enabled. The value in the Sector Count
register shall be used to determine the time programmed into the Standby Mode.
The value in the Sector Count register when the STANDBY command is issued shall determine the time

Spinpoint
M8 Product Manual REV
2.3
65
period programmed into the Standby Timer.
8.2.34 SMART (B0h)
Individual SMART commands are identified by the value placed in the Feature resister. Below depicts these
Feature register values.
Table 8-14 SMART Feature Registers
Values
Feature Value
Command
D0h
SMART READ DATA
D1h
Obsolete (SMART Read Threshold)
D2h
SMART ENABLE/DISABLE ATTRIBUTE AUTOSAVE
D3h
Obsolete (SMART Save Attribute Value)
D4h
SMART EXECUTE OFF-LINE IMMEDIATE
D5h
SMART READ LOG SECTOR
D6h
SMART WRITE LOG SECTOR
D7h
Obsolete
D8h
SMART ENABLE OPERATIONS
D9h
SMART DISABLE OPERATIONS
DAh
SMART RETURN STATUS
DBh
Obsolete (Enable/Disable Auto Offline Scan)
DCh-DDh
Reserved
DEh
Reserved (Initialize SMART Variables)
DFh
Reserved
8.2.34.1 Smart disable operations (D9h)
This command disables all SMART capabilities within the device including any timer and event count
functions related to this feature. After receipt of this command the device shall disable all SMART operations.
SMART data shall no longer be monitored or saved by the device. The state of SMART (either enabled or
disabled) shall be preserved by the device across power cycles.
After receipt of this command by the device, all other SMART commands (including SMART DISABLE
OPERATIONS commands), with the exception of SMART ENABLE OPERATIONS, are disabled and
invalid and shall be command aborted by the device.
8.2.34.2 Smart enable/disable attribute auto-save (D2h)
This command enables and disables the optional attribute auto-save feature of the device. Depending upon
the implementation, this command may either allow the device, after some vendor specified event, to
automatically save its updated attribute values to non-volatile memory; or this command may cause the auto-
save feature to be disabled. The state of the attribute auto-save feature (either enabled or disabled), shall be
preserved by the device across power cycles.
A value of zero written by the host into the device’s Sector Count register before issuing this command shall
cause this feature to be disabled. Disabling this feature does not preclude the device from saving SMART
data to non-volatile memory during some other normal operation such as during a power-on sequence or
during an error recovery sequence.

Spinpoint
M8 Product Manual REV
2.3
66
A value of F1h written by the host into the device’s Sector Count Register before issuing this command shall
cause this feature to be enabled. Any other meaning of this value or any other non-zero value written by the
host into this register before issuing this command may differ from device to device.
8.2.34.3 Smart enable operations (D8h)
This command enables all SMART capabilities within the device. Prior to receipt of this command SMART
data are neither monitored nor saved by the device. The state of SMART (either enabled or disabled) shall be
preserved by the device across power cycles. Once enabled, the receipt of subsequent SMART ENABLE
OPERATIONS commands shall not affect any SMART data or functions.
8.2.34.4 Smart execute off-line immediate (D4h)
This command causes the device to immediately initiate the activities that collect SMART data in an off-line
mode and then save this data to the device’s non-volatile memory.
During execution of its off-line activities the device shall not set BSY nor clear DRDY.
If the device is in the process of performing its set of off-line data collection activities (as a result of
receiving a
SMART EXECUTE OFF-LINE IMMEDIATE command from the host), and is interrupted by any new
command from the host except a SMART DISABLE OPERATIONS, SMART EXECUTE OFF-LINE
IMMEDIATE, or STANDBY IMMEDIATE command, the device shall suspend or abort its off-line data
collection activities and service the host within two seconds after receipt of the new command. After
servicing the interrupting command from host the device may immediately re-initiate or resume its off-line
data collection activities without any additional commands from host
If the device is in the process of performing its off-line data collection activities and is interrupted by a
STANDBY IMMEDIATE command from the host, the device shall suspend or abort its off-line data
collection activities, and service the host within two seconds after receipt of the command. After receiving a
new command that causes the device to exit a power saving mode, the device shall initiate or resume off-line
data collection activities without any additional commands from the host unless the device aborted these
activities.
If the device is in the process of performing its off-line data collection activities and is interrupted by a
SMART DISABLE OPERATIONS command from the host, the device shall suspend or abort its off-line
data collection activities and service the host within two seconds after receipt of the command. Upon receipt
of the next SMART ENABLE OPERATIONS command the device may, after the next vendor specified
event, either re-initiate its off-line data collection activities or resume those activities from where they had
been previously suspended.
If the device is in the process of performing its off-line data collection activities and is interrupted by a
SMART EXECUTE OFF-LINE IMMEDIATE command from the host, the device shall abort its off-line
data collection activities and service the host within two seconds after receipt of the command. The device
shall then re-initiate its off-line data collection activities in response to the new EXECUTE OFF-LINE
IMMEDIATE command.

Spinpoint
M8 Product Manual REV
2.3
67
8.2.34.5 Smart read data (D0h)
This command returns the Device SMART data structure to the host.
Table 8-15 Device SMART Data Structure
Byte F/V Descriptions
0
V
Data Structure Revision Number
2
V
1st Device Attribute
14
V
2nd Device Attribute
26
V
3rd Device Attribute
…
…
…
350
V
30th Device Attribute
362
V
Off-line data collection status
363
X
Self-test execution status byte
364-365
V
Total time in seconds to complete off-line data collection activity
366
X
Vendor specific
367
F
Off-line data collection capability
368-369
F
SMART capability
370
F
Error logging capability
7-1 Reserved
0 1=Device error logging supported
371
X
Vendor specific
372
F
Short self-test routine recommended polling time (in minutes)
373
F
Extended self-test routine recommended polling time (in minutes)
370-385
R
Reserved
386-510
X
Vendor specific
511
V
Data structure checksum
Key:
F = the content of the byte is fixed and does not change.
V = the content of the byte is variable and may change depending on the state of the device or the
commands executed by the device.
X = the content of the byte is vendor specific and may be fixed or variable.
R = the content of the byte is reserved and shall be zero.

68
Spinpoint
M8 Product Manual REV
2.3
Data Structure Revision Number
The Data Structure Revision Number identifies which version of this data structure is implemented by the
device. This revision number identifies both the Attribute Value and Attribute Threshold Data structures.
SMART Attribute Data
The data structure of the SMART attribute table is defined for a block of 12-byte length. Total number of the
attributes is 30. Each attribute defines Attribute ID, Status Flag, Attribute Value, and Vendor Specific bytes.
The Attribute ID is range from 01h to FFh. The Vendor Specific bytes are not defined in these specifications.
Byte Definition
00
Attribute ID Number
01-02
Status Flag
03
Attribute Value
04-11
Vendor Specific Attribute Information
These data structures contain information which facilitates the monitoring of key drive indicators in order to
determine when the drive has deteriorated to the point at which it may impact the reliability of the host system.

69
Spinpoint
M8 Product Manual REV
2.3
The SMART attribute Status Flags are:
Table 8-16 SMART Attribute Status Flags
Bit
Name
Description
0
Pre failure/advisory
0= an attribute value less than or equal to its
corresponding attribute threshold indicates an advisory
condition where the usage or age of the device has
exceeded its intended design life period.
1= an attribute value less than or equal to its
corresponding attribute threshold indicates a pre-failure
condition where imminent loss of data is being
predicted.
1
On-line data collection
1= the attribute value is updated during normal
operation of the device or during both normal operation
and off-line testing.
2
Performance
1= Attributes that characterizes a performance aspects
of the drive, degradation of which may indicate
imminent drive failure, such as data throughput, seek
times, spin up time, etc.
3
Error rate
1= Attribute that is based on the expected, non-fatal
errors that are inherent in disk drives, increases in
which may indicate imminent drive failure, such as
ECC errors, seek errors, etc.
4
Event count 1= Attribute that counts events, of which an excessive
number of which may indicate imminent drive failure,
such as number of re-allocated sectors, etc.
5
Self-preserving
This type is used to specify an attribute that is collected
and saved by the drive automatically.
1= It is a self-preserving attribute type.
6-15
Reserved

70
Spinpoint
M8 Product Manual REV
2.3
Each attribute data structure is assigned an attribute ID. Any non-zero value in the attribute ID number
indicates an active attribute. Valid values for this byte are found from 0x01 through 0xff. The attribute
defined for Spinpoint M8 are as follows:
Table 8-17 SMART Attribute Data List
Attribute
ID
Definition
Monitor
1
Raw read error rate
Errors during read operations.
3
Spin up time
Spin up time in millisecond
4
Spindle motor on count
On/off count.
5
Number of Auto Reassign sectors
Reassigned sector count.
7
Seek error rate
Errors during seek operations.
8
Seek time performance
Off-line random seek time
9
Drive run time.
How long drive works.
10
Spin up retry count
Retry count
12
Power cycle count
Total power cycles.
194
Temperature.
Pre amp die temperature
195
ECC on the fly
ECC count for read operation
196
Re-allocate sector event
Read scan uncorrectable read error
197
Pending sector count
Off-line scan pending sectors
198
Uncorrectable sector count
Off-line scan uncorrectable sectors.
199
UDMA CRC error rate
CRC Errors during UDMA transfer
200
Write error rate
Errors during write operations.
201
Soft error rate
Soft errors during read operations.
Off-line data collection status
The value of the off-line data collection status byte defines the current status of the off-line activities of the
device. Table6-15 lists the values and their respective definitions.
Table 8-18 Off-line Data Collection Status Values
Value Definition
00h or 80h Off-line data collection activity was never started.
01h Reserved
02h or 82h Off-line data collection activity was completed without error.
03h Reserved
04h or 84h Off-line data collection Activity was suspended by an interrupting command from host
05h or 85h Off-line data collection Activity was aborted by an interrupting command from host
06h or 86h Off-line data collection Activity was aborted by the device with a fatal error.
07h-3Fh Reserved
40h-7Fh Vendor specific
81h Reserved
83h Reserved
87h-BFh Reserved
C0h-FFh Vendor specific
The total time in seconds to complete off-line data collection activity word specifies how may seconds the

71
Spinpoint
M8 Product Manual REV
2.3
device requires to complete its sequence of off-line data collection activity. Valid values for this word are
from 0001h to FFFFh.
Self-test execution status byte
The self-test execution status byte reports the execution status of the self-test routine.
Bits (3:0) (Percent Self-Test Remaining)
The value in these bits indicates an approximation of the percent of the self-test routine remaining until
completion in ten percent increments. Valid values are 9 through 0. A value of 0 indicates the self-test routine
is complete. A value of 9 means 90% of total test time remaining.
Bits (7:4) (Self-test Execution Status)
The value in these bits indicates the current Self-test Execution Status.
Table 8-19 Self-test Execution Status
Values
Value
Description
0
The previous self-test routine completed without error or no self-test has ever been run
1
The self-test routine was aborted by the host
2
The self-test routine was interrupted by the host with a hardware or software reset
3
A fatal error or unknown test error occurred while the device was executing its self-test
routine and the device was unable to complete the self-test routine.
4
The previous self-test completed having a test element that failed and the test element
that failed is not known.
5
The previous self-test completed having the electrical element of the test failed.
6
The previous self-test completed having the servo (and/or seek) test element of the test
failed.
7
The previous self-test completed having the read element of the test failed.
8
The previous self-test completed having a test element that failed and the device is
suspected of having handling damage.
9-14
Reserved.
15
Self-test routine in
progress.
Total time to complete off-line data collection
The total time in seconds to complete off-line data collection activity word specifies how many seconds the
device requires completing the sequence of off-line data collection activity. Valid values for this word are
from 0001h to FFFFh.
Off-line data collection capability
The following describes the definition for the off-line data collection capability bits. If the value of all of
these bits is equal to zero, then this device implements no off-line data collection.
Bit 0 (EXECUTE OFF-LINE IMMEDIATE implemented bit) – If the value of this bit equals one, then the
SMART EXECUTE OFF-LINE IMMEDIATE command is implemented by this device. If the value of this bit
equals zero, then the SMART EXECUTE OFF-LINE IMMEDIATE command is not implemented by this device.
Bit 1 (vendor specific)
Bit 2 (abort/restart off-line by host bit) – If the value of this bit equals one, then the device shall abort all
off-line data collection activity initiated by an SMART EXECUTE OFF-LINE IMMEDIATE command
upon receipt of a new command. Off-line data collection activity must be restarted by a new SMART
EXECUTE OFF-LINE IMMEDIATE command from the host. If the value of this bit equals zero, the
device shall suspend off-line data collection activity after an interrupting command and resume off-line

72
Spinpoint
M8 Product Manual REV
2.3
data collection activity after some vendor-specified event.
Bit 3 (off-line read scanning implemented bit) - If this bit is cleared to zero, the device does not support
off-line read scanning. If this bit is set to one, the device supports off-line read scanning
Bit 4 (self-test implemented bit) – If this bit is cleared to zero, the device does not implement the Short
and Extended self-test routines. If this bit is set to one, the device implements the Short and Extended
self-test routines.
Bit 7-5 (reserved).
SMART capability
The following describes the definition for the SMART capability bits. If the value of all of these bits is equal
to zero, then this device does not implement automatic saving of SMART data.
Bit 0 (power mode SMART data saving capability bit) – If the value of this bit equals one, the device
shall save its SMART data prior to going into a power saving mode (Idle, Standby, or Sleep) or
immediately upon return to Active or Idle mode from a Standby mode. If the value of this bit equals zero,
the device shall not save its SMART date prior to going into a power saving mode (Idle, Standby, or
Sleep) or immediately upon return to Active or Idle mode from a Standby mode.
Bit 1 (SMART data auto-save after event capability bit) – The value of this bit shall be equal to one for
devices complying with this standard.
Bits 2-15 (reserved).
Self-test routine recommended polling time
The self-test routine recommended polling time shall be equal to the number of minutes that is the minimum
recommended time before which the host should first poll for test completion status. Actual test time could be
several times this value. Polling before this time could extend the self-test execution time or abort the test
depending on the state of bit 2 of the off-line data capability bits.
The data structure checksum is the two’s compliment of the result of a simple eight-bit addition of the first 511
bytes in the data structure.
8.2.34.6 SMART read log sector (D5h)
This command returns the indicated log sectors to the host.
8.2.34.7 SMART return status (DAh)
This command is used to communicate the reliability status of the device to the host at the host’s request. If a
threshold exceeded condition is not detected by the device, the device shall set the Cylinder Low register to
4Fh and the Cylinder High register to C2h. If the device detects a threshold-exceeded condition, the device
shall set Cylinder Low register to F4h and Cylinder High register to 2Ch
8.2.34.8 SMART write log sector (D6h)
This command writes number of 512-byte data sectors to the indicated log sector.

73
Spinpoint
M8 Product Manual REV
2.3
8.2.35 Standby (E2h)
This command causes the drive to enter Standby Mode. See 6.6.3 for the protocol. The drive may return the
interrupt before the transition to Standby Mode is completed.
If the drive is already spun down, the spin down sequence is not executed.
8.2.36 Standby Immediate (E0h)
This command causes the drive to enter Standby Mode. See 6.6.3 for the protocol. The drive may return the
interrupt before the transition to Standby Mode is completed.
If the drive is already spun down, the spin down sequence is not executed.
8.2.37 Write Buffer (E8h)
This command enables the host to overwrite the contents of the drive's sector buffer with any data pattern
desired. See 6.6.2 for the protocol.
The Read Buffer and Write Buffer commands is synchronized within the drive so that sequential Write
Buffer and Read Buffer commands access the same 512 bytes within the buffer.
8.2.38 Write DMA (CAh, 35h: extended)
This command executes in a similar manner to Write Sector(s) except the drive issues only one interrupt per
command to indicate that data transfer has terminated and status is available.
Any error encountered during Write DMA execution results in the termination of data transfer. The drive
issues an interrupt to indicate that data transfer has terminated and the status is available in the Error register.
The error posting is the same as that for the Write Sector(s) command.
8.2.39 Write FPDMA Queued (61h)
This command is implemented according to the Serial ATA II: Extension to Serial ATA 1.0a, Revision 1.2
specification. The purpose of this command is for the host to issue a Native Command Queue (NCQ) write
commands. This command allows device to reorder the command issued in a sequence of the queue. The
command is returned based on the device’s determine of the location sequence.
The Spinpoint M8 drive implemented a queue depth of 32. This will allow host to issue up to 32 NCQ
commands (combined read and write commands).
If the drive enters NCQ mode and a non-queue command is received, the drive will respond with error to
inform host a queue command been overlapped with non-queue. If a queue tag is not finished and another
same tag command is received, the drive will response with error to inform host a duplicated tag is received.
Error information is reported according to the SATA II specification. A read Log Extended command with
log page 10 is required to retrieve the error information.

74
Spinpoint
M8 Product Manual REV
2.3
8.2.40 Write Long (32h)
This command is obsolete in the ATA7 specification. The supporting of this command is for backward
compatibility purpose. The use of this command is beyond the ATA standard and not recommended by the
manufacturer.
This command is similar to the Write Sectors command, except that it writes the data and the ECC bytes
directly from the sector buffer; the drive does not generate the ECC bytes itself. Only single sector Write
Long operations are supported. The transfer of the ECC bytes shall be 8 bits wide and 4 or device native
ECC bytes length.
8.2.41 Write Multiple Command (C5h, 39h: extended)
This command is similar to the Write Sectors command. Interrupts are not presented on each sector but on
the transfer of a block which contains the number of sectors defined by Set Multiple.
Command execution is identical to the Write Sectors operation, except that the numbers of sectors defined by
the Set Multiple command are transferred without intervening interrupts. DRQ qualification of the transfer is
required only at the start of the data block, not on each sector.
The block count of sectors to be transferred without intervening interrupts is programmed by the Set Multiple
Mode command, which shall be executed prior to the Read Multiple command.
When the Write Multiple command is issued, the Sector Count register contains the number of sectors (not
the number of blocks or the block count) requested.
If the number of requested sectors is not evenly divisible by the block count, as many full blocks as possible
are transferred, followed by a final, partial block transfer. The partial block transfer is for n sectors, where
n = Remainder (Sector Count / Block Count)
If the Write Multiple command is attempted before the Set Multiple Mode command has been executed, or
when Write Multiple commands are disabled, the Write Multiple operation is rejected with an aborted
command error.
Disk errors encountered during execution of Write Multiple commands are posted after the attempted disk
write of the block. Interrupts are generated when DRQ is set at the beginning of each block or partial block.
The contents of the Command Block registers, following the transfer of a data block which had a sector in
error, are undefined. The host should retry the transfer as individual requests to obtain valid error information.
8.2.42 Write Sector(s) (30h, 34h: extended)
This command writes from 1 to 256 sectors, as specified in the Sector Count register (a sector count of zero
requests 256 sectors), beginning at the specified sector. Refer to Section 6.7 for the DRQ, IRQ and BSY
protocol on data transfers.
If the drive is not already on the desired track, an implied seek is performed. Once at the desired track, the
drive searches for the appropriate ID field.
If retries are disabled and two index pulses have occurred without error-free reading of the requested ID, an
ID Not Found error is posted.

75
Spinpoint
M8 Product Manual REV
2.3
If retries are enabled, up to a predefined number of attempts may be made to read the requested ID before
posting an error.
If the ID is read correctly, the data loaded in the buffer is written to the data field of the sector, followed by
the ECC bytes. Upon command completion, the Command Block registers contain the cylinder, head, and
sector number of the last sector written in CHS mode or the logical block address in LBA mode.
If an error occurs during a write of more than one sector, writing terminates at the sector where the error
occurs. The Command Block registers contain the cylinder, head, and sector number of the sector where the
error occurred in CHS mode or the logical block address in LBA mode. The host may then read the command
block to determine what error has occurred and on which sector it occurred.

76
Spinpoint
M8 Product Manual REV
2.3
CHAPTER 9 MAINTENANCE
9.1 General Information
Samsung Spinpoint M8 hard disk drive achieves high reliability through their mechanical design and extensive
use of microelectronics. Their design allows fast, easy sub-assembly replacement without
adjustments, greatly reducing the amount of downtime required for unscheduled repairs.
9.2 Maintenance Precautions
When servicing a drive, the service technician should observe the following precautions to avoid damage to
the drive or personal injury.
(1) Do not attempt to open the sealed compartment of the Spinpoint M8 hard disk drive, as this will
void the warranty and contaminate the media.
(2) Do not lift the Spinpoint M8 hard disk drive by the PCB.
(3) Please handle HDD by side surfaces
Please see the Fig. 9-1
(4) Avoid static discharge when handling the Spinpoint M8 hard disk drive.
(5) Do not touch cover and the components on the PCB.
Please see the Fig. 9-2
(6) Do not stack the HDDs in column
Please see the Fig. 9-3
(7) Avoid harsh shocks or vibration to the drive at all times.
Please see the Fig. 9-4
(8) Observe the environmental limits specified for this product, as listed in section 3.6.
(9) If it becomes necessary to move your computer system, turn off the power to automatically
park the heads. Parking the heads moves the heads to a safe, non-data landing zone and locks
the heads in place. This helps prevent the media and the heads from accidental damage due to
vibration, moving or shipping. Do not move the drive for 20 seconds after removing DC
power to ensure that the actuator is completely locked.
Back up your data regularly. Samsung assumes no responsibility for loss of data. For information about back-
up and restore procedures, consult your DOS manual. There are also a number of utility programs available
that you can use to back up your data.

77
Spinpoint
M8 Product Manual REV
2.3
Fig. 9-1: H
HD
DD
D h
ha
an
nd
dl
li
in
ng
g g
gu
ui
id
de
e -
- Please handle HDD by side surfaces!
Fig. 9-2: H
HD
DD
D h
ha
an
nd
dl
li
in
ng
g g
gu
ui
id
de
e -
- Do not Touch Cover and
PCB!
Fig. 9-3: H
HD
DD
D h
ha
an
nd
dl
li
in
ng
g g
gu
ui
id
de
e -
- Do Not
Stack!

78
Spinpoint
M8 Product Manual REV
2.3
Fig. 9-4: H
HD
DD
D h
ha
an
nd
dl
li
in
ng
g g
gu
ui
id
de
e -
- Prevent Shocks!
9.3 Service and Repair
To determine the warranty for a specific drive, use a web browser to access the following web page
http://www.seagate.com/www/en-us/support/warranty_&_returns_assistance
From this page, click on the “Verify Your Warranty” link. You will be asked to provide the drive
serial number, model number (or part number) and country of purchase. The system will display
the warranty information for your drive.