Scag Power Equipment Sw32 15Kai Users Manual SW Operator's 03224 W Spanish
SW48V-15KH to the manual 1717f28b-eca9-46bd-8cbb-860b12ecfce8
2015-02-06
: Scag-Power-Equipment Scag-Power-Equipment-Sw32-15Kai-Users-Manual-526646 scag-power-equipment-sw32-15kai-users-manual-526646 scag-power-equipment pdf
Open the PDF directly: View PDF
.
Page Count: 76
- SW Operator's Manual 03224 Rev 2
- GENERAL INFORMATION
- SAFETY INFORMATION
- SPECIFICATIONS
- OPERATING INSTRUCTIONS
- 4.1 CONTROLS AND INSTRUMENT IDENTIFICATION
- 4.2 SAFETY INTERLOCK SYSTEM
- 4.3 INITIAL RUN-IN PROCEDURES
- 4.4 STARTING THE ENGINE
- 4.5 GROUND TRAVEL AND STEERING
- 4.6 ENGAGING THE DECK DRIVE (CUTTER BLADES)
- 4.7 HILLSIDE OPERATION
- 4.8 PARKING THE MOWER
- 4.9 AFTER OPERATION
- 4.10 REMOVING CLOGGED MATERIAL
- 4.11 MOVING MOWER WITH ENGINE STOPPED
- 4.12 RECOMMENDATIONS FOR MOWING
- TROUBLESHOOTING CUTTING CONDITIONS
- ADJUSTMENTS
- MAINTENANCE
- ILLUSTRATED PARTS LIST
- LIMITED WARRANTY - COMMERCIAL EQUIPMENT

PART NO. 03224 Rev. 2
PRINTED 1/2009
PRINTED IN USA
© 2009
Scag Power Equipment
Division of Metalcraft of Mayville, Inc.
Congratulations on owning a Scag mower! This manual contains the operating
instructions and safety information for your Scag mower. Reading this manual
can provide you with assistance in maintenance and adjustment procedures to
keep your mower performing to maximum efciency. The specic models that
this book covers are listed on the inside cover. Before operating your machine,
please read all the information enclosed.
OPERATOR’S
MANUAL
SW
Walk-Behind
Model: SW32-15KAI
SW36A-15KH
SW36A-16KAI
SW36A-17KAI
SW48V-15KH
SW48V-16KAI
SW52V-17KAI

WARNING
FAILURE TO FOLLOW SAFE OPERATING PRACTICES MAY RESULT
IN SERIOUS INJURY OR DEATH.
Read this manual completely as well as other manuals that came with your mower.•
ALWAYS FOLLOW OSHA APPROVED OPERATION.•
DO NOT operate on steep slopes. •
Always travel across slopes.•
DO NOT mow on wet grass. Wet grass reduces traction and steering control.•
Keep all shields in place, especially the grass discharge chute.•
Before performing any maintenance or service, stop the machine and remove the •
spark plug wire and ignition key.
If a mechanism becomes clogged, stop the engine before cleaning.•
Keep hands, feet and clothing away from power-driven parts.•
Keep others off the mow• er (only one person at a time)
REMEMBER - YOUR MOWER IS ONLY AS SAFE AS THE OPERATOR!
HAZARD CONTROL AND ACCIDENT PREVENTION ARE DEPENDENT UPON THE AWARENESS,
CONCERN, PRUDENCE, AND PROPER TRAINING OF THE PERSONNEL INVOLVED IN THE
OPERATION, TRANSPORT, MAINTENANCE, AND STORAGE OF THE EQUIPMENT.
This manual covers the operating instructions and illustrated parts list for:
SW32-15KAI with a serial number of D5700001 to D5799999
SW36A-15KH with a serial number of D5800001 to D5899999
SW36A-16KAI with a serial number of D5900001 to D5999999
SW36A-17KAI with a serial number of E5900001 to E5999999
SW48V-15KH with a serial number of D6000001 to D6099999
SW48V-16KAI with a serial number of D6100001 to D6199999
SW52V-17KAI with a serial number of D6200001 to D6299999
Always use the entire serial number listed on the serial number tag when referring to this product.

I
R
Table of Contents
Table of Contents
GENERAL INFORMATIONSECTION 1 - ...................................................................................1
1.1 INTRODUCTION ...........................................................................................................................................1
1.2 DIRECTION REFERENCE ...........................................................................................................................1
1.3 SERVICING THE ENGINE AND DRIVE TRAIN COMPONENTS .................................................................1
1.4 SYMBOLS ....................................................................................................................................................2
SAFETY INFORMATIONSECTION 2 - ......................................................................................3
2.1 INTRODUCTION ...........................................................................................................................................3
2.2 SIGNAL WORDS ..........................................................................................................................................3
2.3 BEFORE OPERATION CONSIDERATIONS ................................................................................................3
2.4 OPERATION CONSIDERATIONS ................................................................................................................4
2.5 MAINTENANCE CONSIDERATIONS & STORAGE ....................................................................................5
2.6 USING A SPARK ARRESTOR .....................................................................................................................6
2.7 SAFETY AND INSTRUCTIONAL DECALS .................................................................................................7
SPECIFICATIONSSECTION 3 - ................................................................................................8
3.1 ENGINE ........................................................................................................................................................8
3.2 ELECTRICAL ...............................................................................................................................................8
3.3 ENGINE DECK .............................................................................................................................................8
3.4 CUTTER DECK ............................................................................................................................................8
3.5 WEIGHTS AND DIMENSIONS .....................................................................................................................9
3.6 PRODUCTIVITY ...........................................................................................................................................9
OPERATING INSTRUCTIONSSECTION 4 - ...........................................................................10
4.1 CONTROLS AND INSTRUMENT IDENTIFICATION ................................................................................10
4.2 SAFETY INTERLOCK SYSTEM ................................................................................................................11
4.3 INITIAL RUN-IN PROCEDURES ................................................................................................................11
4.4 STARTING THE ENGINE ...........................................................................................................................11
4.5 GROUND TRAVEL AND STEERING .........................................................................................................11
4.6 ENGAGING THE DECK DRIVE (CUTTER BLADES) ................................................................................12
4.7 HILLSIDE OPERATION ..............................................................................................................................13
4.8 PARKING THE MOWER .............................................................................................................................13
4.9 AFTER OPERATION ..................................................................................................................................13
4.10 REMOVING CLOGGED MATERIAL ........................................................................................................14
4.11 MOVING MOWER WITH ENGINE STOPPED ..........................................................................................14
4.12 RECOMMENDATIONS FOR MOWING ....................................................................................................14
TROUBLESHOOTING CUTTING CONDITIONSSECTION 5 - ...............................................15

II
R
Table of Contents
ADJUSTMENTSSECTION 6 - .................................................................................................18
6.1 DRIVE CONTROL ADJUSTMENTS ..........................................................................................................18
6.2 THROTTLE CONTROL AND CHOKE ADJUSTMENTS ............................................................................18
6.3 CUTTER DECK BELT ADJUSTMENTS ....................................................................................................18
6.4 BELT ALIGNMENT .....................................................................................................................................19
6.5 ADJUSTING CUTTING HEIGHT ................................................................................................................19
6.6 ELECTRIC CLUTCH ADJUSTMENT .........................................................................................................22
MAINTENANCESECTION 7 - ..................................................................................................23
7.1 MAINTENANCE CHART - RECOMMENDED SERVICE INTERVALS ......................................................23
7.2 LUBRICATION ............................................................................................................................................24
7.3 ENGINE OIL ...............................................................................................................................................26
7.4 ENGINE FUEL SYSTEM ............................................................................................................................26
7.5 ENGINE AIR CLEANER .............................................................................................................................27
7.6 CUTTER BLADES ......................................................................................................................................27
7.7 TIRES ..........................................................................................................................................................28
ILLUSTRATED PARTS LISTSECTION 8 - ..............................................................................29
8.1 SCAG APPROVED ATTACHMENTS AND ACCESSORIES. .....................................................................29
32" & 36A CUTTER DECKS ............................................................................................................................30
48V & 52V CUTTER DECKS ...........................................................................................................................32
NOTES ..............................................................................................................................................................34
CASTER ASSEMBLY .......................................................................................................................................35
ENGINE DECK .................................................................................................................................................36
HANDLE ASSEMBLY.......................................................................................................................................38
INSTRUMENT PANEL ......................................................................................................................................40
PEERLESS TRANSMISSION 700-070 ...........................................................................................................41
WIRE HARNESSES .........................................................................................................................................42
REPLACEMENT DECALS AND INFORMATION PLATES .............................................................................44
LIMITED WARRANTY - COMMERCIAL EQUIPMENT .........................Following Section 8

1
R
Section 1
INTRODUCTION1.1
Your mower was built to the highest standards in the
industry. However, the prolonged life and maximum
efficiency of your mower depends on you following the
operating, maintenance and adjustment instructions in
this manual.
If additional information or service is needed, contact your
Scag Power Equipment Dealer.
We encourage you to contact your dealer for repairs.
All Scag dealers are informed of the latest methods to
service this equipment and provide prompt and efficient
service in the field or at their service shop. They carry a
full line of Scag service parts.
- IMPORTANT -
The replacement of any part on this product
by other than the manufacturer's authorized
replacement part may adversely affect the
performance, durability or safety of this
product.
Use of other than original Scag replacement
parts will void the warranty.
When ordering parts, always give the model and serial
number of your mower. The serial number plate is located
on the frame of the machine between the engine and
transmission were shown in Figure 1-1.
SERIAL NUMBER
PLATE LOCATION
R
MODEL
SERIAL
Division of Metalcraft of Mayville, Inc.
Mayville, Wisconsin 53050
Patents Issued and Pending
Mower Serial Number Plate LocationFigure 1-1.
GENERAL INFORMATION
USE ONLY SCAG APPROVED ATTACHMENTS AND
ACCESSORIES.
Attachments and accessories manufactured by companies
other than Scag Power Equipment are not approved for
use on this machine. See Section 8-1.
WARNING
For pictorial clarity, some illustrations and figures
in this manual may show shields, guards or plates
open or removed. Under no circumstances should
your mower be operated without these devices
in place.
All information is based upon product information available
at the time of approval for printing. Scag Power Equipment
reserves the right to make changes at any time without
notice and without incurring any obligation.
DIRECTION REFERENCE1.2
The “Right” and “Left”, “Front” and “Rear” of the machine
are referenced from the operator’s right and left when
seated in the normal operating position and facing the
forward travel direction.
SERVICING THE ENGINE AND DRIVE 1.3
TRAIN COMPONENTS
The detail servicing and repair of the engine and
transmission are not covered in this manual; only routine
maintenance and general service instructions are
provided. For service of these components during the
limited warranty period, it is important to contact your
Scag dealer or find a local authorized servicing agent
of the component manufacturer. Any unauthorized work
done on these components during the warranty period
may void your warranty.

2
R
Section 1
SYMBOLS1.4
SYMBOL DESCRIPTION SYMBOL DESCRIPTION
Choke
Transmission
Parking Brake
48071S
Spinning Blade
On/Start
Spring Tension on Idler
Off/Stop
Oil
Falling Hazard
Thrown Object Hazard
Fast
Slow
Continuously Variable - Linear
Cutting Element - Basic Symbol
481039S
Pinch Point
Cutting Element - Engage
Hour meter/Elapsed Operating Hours
Cutting Element - Disengage
STT MODELS
Seat must be installed under the seat
hold down bracket during installation.
Failure to secure the seat under the hold
down bracket could result in serious
injury or death in a roll over.
CE Mark
Thrown Object Hazard
Keep Bystanders Away
Read Operator's Manual

3
R
Section 2
INTRODUCTION2.1
Your mower is only as safe as the operator. Carelessness
or operator error may result in serious bodily injury
or death. Hazard control and accident prevention are
dependent upon the awareness, concern, prudence, and
proper training of the personnel involved in the operation,
transport, maintenance and storage of the equipment. Make
sure every operator is properly trained and thoroughly
familiar with all of the controls before operating the
mower. The owner/user can prevent and is responsible for
accidents or injuries occurring to themselves, other people
or property.
READ THIS OPERATOR’S MANUAL BEFORE
ATTEMPTING TO START YOUR MOWER.
A replacement manual is available from your authorized
Scag Service Dealer or by contacting Scag Power
Equipment, Service Department at P.O. Box 152, Mayville,
WI 53050 or contact us via the Internet at www.scag.com.
The manual for this machine can be downloaded by using
the model and serial number or use the contact form to
make your request. Please indicate the complete model
and serial number of your Scag product when requesting
replacement manuals.
SIGNAL WORDS2.2
This symbol means “Attention! Become Alert! Your
Safety is Involved!" The symbol is used with the following
signal words to attract your attention to safety messages
found on the decals on the machine and throughout this
manual. The message that follows the symbol contains
important information about safety. To avoid injury and
possible death, carefully read the message! Be sure to fully
understand the causes of possible injury or death.
SIGNAL WORD:
It is a distinctive word found on the safety decals on the
machine and throughout this manual that alerts the viewer
to the existence and relative degree of the hazard.
DANGER
The signal word “DANGER” denotes that an extremely
hazardous situation exists on or near the machine that
could result in high probability of death or irreparable injury
if proper precautions are not taken.
WARNING
The signal word “WARNING” denotes that a hazard exists
on or near the machine that can result in injury or death if
proper precautions are not taken.
CAUTION
The signal word “CAUTION” is a reminder of safety practices
on or near the machine that could result in personal injury
if proper precautions are not taken.
Your safety and the safety of others depends significantly
upon your knowledge and understanding of all correct
operating practices and procedures of this machine.
BEFORE OPERATION 2.3
CONSIDERATIONS
NEVER allow children to operate this mower. Do not 1. allow adults to operate this machine without proper
instructions.
Do not mow when children and/or others are 2. present. Keep children out of the mowing area and
in the watchful care of a responsible adult other than
the operator. Be alert and turn machine off if a child
enters the area.
DO NOT allow children to ride or play on the 3. machine, it is not a toy.
Clear the area to be mowed of objects that could be 4. picked up and thrown by the cutter blades.
DO NOT carry passengers.5.
DO NOT operate the machine under the influence of 6. alcohol or drugs.
SAFETY INFORMATION

4
R
Section 2
If the operator(s) or mechanic(s) cannot read English 7. or Spanish, it is the owner's responsibility to explain
this material to them.
DO NOT wear loose fitting clothing. Loose clothing,
8. jewelry or long hair could get tangled in moving
parts. Do not operate the machine wearing shorts;
always wear adequate protective clothing including
long pants. Wearing safety glasses, safety shoes and
a helmet is advisable and is required by some local
ordinances and insurance regulations.
WARNING
Always wear hearing protection. Operating this
machine over prolonged periods of time can
cause loss of hearing.
Keep the machine and attachments in good 9. operating condition. Keep all shields and safety
devices in place. If a shield, safety device or decal
is defective or damaged, repair or replace it before
operating the machine.
WARNING
This machine is equipped with an interlock system
intended to protect the operator and others from
injury. This is accomplished by preventing the
engine from starting unless the deck drive is
disengaged and the transmission is in neutral.
The system shuts off the engine if the operator
releases the operator pressence levers with the
deck drive engaged and/or the transmission
is not in neutral. Never operate equipment
with the interlock system disconnected or
malfunctioning.
Be sure the interlock switches are functioning
10. correctly.
Fuel is flammable; handle it with care. Fill the fuel 11. tank outdoors. Never fill it indoors. Use a funnel or
spout to prevent spillage. Clean up any spillage
before starting the engine.
DO NOT add fuel to a running or hot engine. Allow 12. the engine to cool for several minutes before adding
fuel. Never fuel indoors or inside enclosed trailers.
Keep flammable objects (cigarettes, matches, etc.),
13. open flames and sparks away from the fuel tank and
fuel container. Use only approved containers.
Equipment must comply with the latest requirements 14. per SAE J137 and/or ANSI/ASAE S279 when driven
on public roads.
Do not operate without the side discharge chute 15. installed and in the down position or with an optional
grass catcher or mulch plate completely installed.
Check the blade mounting bolts at frequent intervals 16. for proper tightness.
OPERATION CONSIDERATIONS2.4
Know the function of all controls and how to stop 1. quickly.
WARNING
DO NOT operate on steep slopes. ALWAYS
FOLLOW OSHA APPROVED OPERATION.
Reduce speed and exercise extreme caution on 2. slopes and in sharp turns to prevent tipping or loss
of control. Be especially cautious when changing
directions on slopes.
To prevent tipping or loss of control, start and stop 3. smoothly, avoid unnecessary turns and travel at
reduced speed.
When using any attachment, never direct the 4. discharge of material toward bystanders or allow
anyone near the machine while in operation.
Start the engine when the neutral latches are in 5. the neutral lock position, the cutter blades are
disengaged, and the transmission is in neutral.
If the mower discharge ever plugs, shut off the 6. engine, remove the ignition key, and wait for all
movement to stop before removing the obstruction.

5
R
Section 2
WARNING
DO NOT use your hand to dislodge the clogged
discharge chute. Use a stick or other device to
remove clogged material after the engine has
stopped running and the blades have stopped
turning.
Be alert for holes, rocks, roots and other hidden 7. hazards in the terrain. Keep away from any drop-
offs. Beware of overhead obstructions (low limbs,
etc.), underground obstacles (sprinklers, pipes, tree
roots, etc.). Cautiously enter a new area. Be alert for
hidden hazards.
Disengage power to cutter deck before backing up. 8. Do not mow in reverse unless absolutely necessary
and then only after observation of the entire area
behind the mower. If you must mow in reverse,
maintain a constant lookout to the rear of the
machine and mow slowly.
DO NOT turn sharply. Use care when backing up.9.
Disengage power to cutter deck before crossing 10. roads, walks or gravel drives.
Mow only in daylight or good artificial light.11.
NEVER raise the deck with the blades engaged.12.
Take all possible precautions when leaving the 13. machine unattended, such as disengaging the
mower, stopping the engine, and removing the key.
Disengage power to the attachments when 14. transporting or when not in use.
The machine and attachments should be stopped 15. and inspected for damage after striking a foreign
object, and damage should be repaired before
restarting and operating the machine.
CAUTION
Do not touch the engine or the muffler while the
engine is running or immediately after stopping.
These areas may be hot enough to cause a
burn.
DANGER
DO NOT run the engine inside a building or
a confined area without proper ventilation.
Exhaust fumes are hazardous and contain
carbon monoxide which can cause brain injury
and death.
Keep hands and feet away from cutter blades and 16. moving parts. Contact can injure.
Transport the mower using a heavy duty trailer 17. or truck. Insure the trailer or truck has all of the
necessary lighting and markings as required by
laws, codes, and ordinances. Secure a trailer with a
safety chain.
Be cautious when loading and unloading onto 18. trailers or trucks. Use only a full width ramp.
When transporting the mower, make sure the 19. transmission is in neutral, the neutral latches are in
the neutral lock position, the engine is off with the
key removed, and the wheels have been blocked.
Tie the mower down securely using straps, chains, 20. cable, or ropes. Both front and rear straps must be
directed down and outward from machine.
Use care when approaching blind corners, shrubs, 21. trees, or other objects that may obscure vision.
NEVER leave the machine running unattended.22.
MAINTENANCE CONSIDERATIONS & 2.5
STORAGE
Never make adjustments to the machine with the 1. engine running unless specifically instructed to do
so. If the engine is running, keep hands, feet, and
clothing away from moving parts.
Place the transmission in neutral, neutral latches in 2. the neutral lock position, stop engine and remove
key or disconnect spark plug wire to prevent
accidental starting of the engine when servicing or
adjusting the machine. Wait for all movement to stop
before adjusting, cleaning or repairing.
Remove spark plug wire before making any repairs. 3.

6
R
Section 2
Keep all nuts, bolts and screws tight, to ensure the 4. machine is in safe working condition. Check blade
mounting bolts frequently to be sure they are tight.
Do not change the engine governor settings or
5. overspeed the engine. See the engine operator's
manual for information on engine settings.
To reduce fire hazard, keep the cutting units, drives,
6. muffler and engine free of grass, leaves, excessive
grease, oil and dirt.
Park the machine on level ground.7.
NEVER allow untrained personnel to service the 8. machine.
Use care when checking blades. Use a Blade Buddy, 9. wrap the blade(s) or wear gloves and USE CAUTION
when servicing blades. Only replace blades. NEVER
straighten or weld blades.
Keep all parts in good working condition. Replace all
10. worn or damaged decals.
Use jack stands to support components when
11. required.
Carefully release pressure from components with 12. stored energy.
Let the engine cool before storing.13.
DO NOT store the machine near an open flame.14.
Shut off fuel while storing or transporting.15.
DO NOT store fuel near flames or drain indoors.16.
USING A SPARK ARRESTOR2.6
The engine in this machine is not equipped with a spark
arrestor muffler. It is in violation of California Public
Resource Code Section 4442 to use or operate this engine
on or near any forest covered, brush covered or grass
covered land unless the exhaust system is equipped with
a spark arrestor meeting any applicable local or state laws.
Other states or federal areas may have similar laws. Check
with your state or local authorities for regulations pertaining
to these requirements.

7
R
Section 2
SAFETY AND INSTRUCTIONAL DECALS2.7
483402
483406
2009 SFW Safety Decals
Molded in Fuel Tank
!
Avoid injury from burns.
Shut off engine before
removing fuel tank cap.
WARNING
INSTALL BELT COVER BEFORE
OPERATING MACHINE
READ OPERATOR'S MANUAL
WARNING
FALLING HAZARD
USE ONLY SCAG APPROVED
RIDING ATTACHMENTS
SEE OPERATOR'S MANUAL 483404
MOUNT RIDING
ATTACHMENT
HERE
WARNING
DO NOT OPERATE WITHOUT DISCHARGE CHUTE, MULCHING
KIT, OR ENTIRE GRASS CATCHER INSTALLED
483405
WARNING
* Keep hands, feet & clothing clear
* Keep all guards in place
* Shut off engine & disengage blade
clutch before servicing
* Use caution in directing discharge
* Read instruction manual before operating
ROTATING BLADES AND BELTS
DO NOT OPERATE UNLESS GRASS
CATCHER, MULCHING KIT OR
DISCHARGE CHUTE IS INSTALLED 483406
483404
SPINNING BLADES
KEEP CLEAR
BLADE CONTACT & THROWN
OBJECTS CAN INJURE
483505
483405
483505
WARNING
Operation of this equipment
may create sparks that can
start res around dry
vegetation. A spark
arrestor may be required.
The operator should contact
local re agencies for laws
or regulations relating to
re prevention requirements.
483900
483900
(supplied with California models only)
CAUTION
BEFORE OPERATING
483907
*Read operator's manual
*Solicite etiquetas en espanol
a un distribuidor Scag
*Make sure guards, shields
& safety devices are in
place & working
*Clear area of children,
bystanders & debris
*Mow across face of slopes
*Trained operators only
WARNING
483907

8
R
Section 3
SPECIFICATIONS
ENGINE3.1
General Type ................................................................................................Heavy Duty Industrial/Commercial Gasoline
Brand ......................................................................................................................................................Kohler, Kawasaki
Horsepower:
(Scag Model SW32-15KAI) .....................................................................................15 HP (Spec. # FH430V-BS33-R)
(Scag Model SW36A-15KH, SW48V-15KH) ......................................................................15 HP (Spec. # PS-41621)
(Scag Model SW36A-16KAI, SW48V-16KAI) ..........................................................16 HP (Spec. # FH480V-BS24-R)
(Scag Model SW36A-17KAI, SW52V-17KAI) ..........................................................17 HP (Spec.# FH541V-BS38-R))
Cylinders ...................................................................................................................2 with Cast-Iron Sleeves - Kawasaki
.........................................................................................................................................1 with Cast-Iron Sleeve - Kohler
Governor ................................................Mechanical Type with Variable Speed Control Set At 3600 RPM (+/- 100 RPM)
Idle Speed:
Kohler .................................................................................................................................... 1200 RPM (+/- 75 RPM)
Kawasaki ............................................................................................................................. 1550 RPM (+/- 150 RPM)
Fuel ...................................................................................... Non-Leaded Gasoline with a Minimum Octane Rating of 87
Oil Pump ...............................................................................................varies - see engine manufacturer's specifications
Starter:
Kohler / Kawasaki ................................................................................................................................... Recoil Starter
ELECTRICAL3.2
Starter ......................................................................................................................... Electrical Ignition wi.Recoil Starter
Interlock Switches ................................................Operator Presence, Mower Engagement (BBC), Transmission Neutral
Instrument Panel ................................................................................................Key Switch, Throttle Lever, PTO Switch,
ENGINE DECK3.3
Drive System ...................................................................................... Dual Belt Drive w/5-Speed Peerless Transmission
Steering/Travel Control ....................................................................................................Clutch/Brake Fingertip Steering
Wheels:
(2) Front Caster ....................................................................................................9 X 3.5 Flat-Free w/Roller Bearings
(2) Drive - ............................................................................... 15 x 6.5-6 Two-Ply Pneumatic Tubeless, Radius Edge
Tire Pressure:
Front Caster....................................................................................................................................................Flat-Free
Drive .................................................................................................................................................................. 12 PSI
Fuel Tank ........................................................ 6-Gallon Seamless Polyethylene Tank with Large Opening and Fuel Cap
Travel Speed:
Forward ..........................................................................................................................................................2-6 MPH
Reverse ..........................................................................................................................................................0-2 MPH
-NOTE- The machine will travel at 6 mph for transport purposes. For best cutting performance the forward travel
speed should be adjusted depending upon the cutting conditions.
CUTTER DECK3.4
Type ......................................................................................................................Out-Front design with anti-scalp rollers
Construction ...............................7-Gauge Deck Top w/10-Gauge Reinforced Spindle Area, 7-gauge (3/16") Deck Skirt.
True Cutting Width:
32 ...........................................................................................................................................................33" (81.3 cm)
36 .........................................................................................................................................................35.5" (90.2 cm)
48 ..........................................................................................................................................................48" (122.0 cm)
52 ..........................................................................................................................................................52" (132.0 cm)

9
R
Section 3
Cutting Height Adjustment ................................................................ Adjustment from, 1-3/4" to 4-1/4" in 1/4"increments
Cutter Blades ............................................................................. 0.197 in. Thick, Milled Edge, Wear Resistant Marbain™
Blade Engagement ............................................................Electric Blade Engagement Clutch with Control Panel Switch
Connected to the Cutter Deck through a Belt.
Discharge Opening ...............................................Extra Wide Discharge Opening with Spring-Loaded Discharge Chute
Discharge Chute ...................................................................................................Black, Polypropylene (Plastic), Flexible
Spindles .............................................................................Cast-Iron Housing, Tapered Roller Bearings with Top Access
Grease Fitting and Grease Overfill Relief Poppet
Spindle Pulleys ........................................................................................................Split Steel with Tapered Locking Hub
Cutter Deck Belts ...................................................................B-section with Kevlar Cord. Self-Adjusting, Self-Tightening
Electric Clutch Type ................................................................................................Ogura Heavy Duty PTO Clutch Brake
WEIGHTS AND DIMENSIONS 32 / 36A 48V 52V3.5
Length..................................................................................... 70" / 72" ............................ 76" ....................................76"
Tracking Width ........................................................................ 32" / 37" ............................ 37" ....................................37"
Overall Width w/chute down ................................................... 43" / 47" ...........................60.5" ................................64.5"
Overall Width w/chute up ........................................................ 33" / 37" ............................ 49" ....................................53"
Overall Height .......................................................................40.5 / 40.5" .........................40.5" ................................40.5"
Operating Weight ..................................................................450# / 470# ........................515# ................................535#
PRODUCTIVITY 32 / 36 48 523.6
Cutting Width .......................................................................... 32" / 36" ............................ 48" ....................................52"
Acres Per Day ..........................................................................8.3 / 9.3 ........................... 12.4 ..................................13.5
The preceding chart will aid you in determining how many acres your Scag mower will cut per day. The chart is an
estimate based on 8 hours per day cutting time at 4 MPH with a 20% allowance for overlap and turns.

10
R
Section 4
CAUTION
Do not attempt to operate this mower unless you
have read this manual. Learn the location and
purpose of all controls and instruments before
you operate this mower.
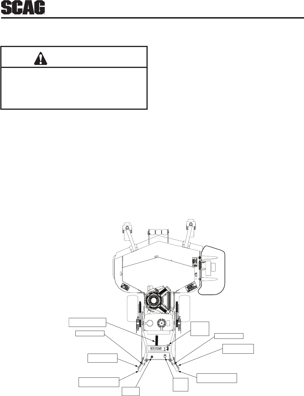
CONTROLS AND INSTRUMENT 4.1
IDENTIFICATION
Before operating the mower, familiarize yourself with all
mower and engine controls. Knowing the location, function
and operation of these controls is important for safe and
efficient operation of the mower.
Ignition Switch (Figure 4-1).1. The ignition switch
is used to start the engine. Turn the key to the on
position before pulling the recoil starter.
OPERATING INSTRUCTIONS
Mower Deck Switch (Figure 4-1). 2. Used to engage
and disengage the mower drive system. Pulling up
on the switch will engage the deck drive. Pushing
down on the switch will disengage the deck drive.
Engine Choke Control (Figure 4-1).3. Used to start
a cold engine.
Engine Throttle Control (Figure 4-1).4. Used to
control the engine speed. Pushing the lever forward
increases engine speed. Pulling the lever back
decreases engine speed. Full back position is the
IDLE position. Full forward is the cutting position.
Left Steering / Brake Control (Figure 4-1). 5. Used
to control the mower's left wheel when traveling
forward or reverse. Pull upward to apply brake.
Right Steering / Brake Control (Figure 4-1).6. Used
to control the mower's right wheel when traveling
forward or reverse. Pull upward to apply brake.
LEFT STEERING /
BRAKE CONTROL
IGNITION
SWITCH
MOWER
DECK
SWITCH
ENGINE
THROTTLE
CONTROL
RIGHT STEERING /
BRAKE CONTROL
NEUTRAL LATCH
NEUTRAL LATCH
OPERATOR PRESSENCE
CONTROL
OPERATOR PRESSENCE
CONTROL
TRANSMISSION SHIFT
LEVER
Controls and InstrumentsFigure 4-1.

11
R
Section 4
Transmission Shift Lever (Figure 4-1). 7. Used to
select the forward speed or selecting reverse. The
machine must be at a complete stop before shifting
between gears or shifting between forward and
reverse.
Neutral Latch (Figure 4-1).
8. Used to secure the belt
drive system in neutral. Apply neutral latches when
parking the machine.
Operator Pressence Control (Figure 4-1)9. The operator pressence control levers must be
depressed before the transmission is shifted out of
neutral or engaging the mower deck.
SAFETY INTERLOCK SYSTEM4.2
The mower is equipped with a safety interlock system that
shuts off the engine if the operator releases the operator
presence levers with the deck drive engaged and/or the
transmission is not in neutral. Never operate equipment with
the interlock system disconnected or malfunctioning..
WARNING
Never operate the mower with the interlock
system disconnected or malfunctioning. Do not
disengage or bypass any switch; injury to yourself
and others or property damage could result.
INITIAL RUN-IN PROCEDURES4.3
FIRST DAY OF USE OR APPROXIMATELY 20 HOURS
Check all belts for proper alignment and wear at 2, 4 1. and 8 hours.
Change the engine oil and oil filter after the first 20 2. hours of operation. (See Section 7.4.)
Check for loose hardware. Tighten as needed.
3.
Check interlock system for proper operation. (See 4. Section 4.2.)
Check tire pressure. Adjust pressure if necessary.
5. (See Section 7.10.)
STARTING THE ENGINE4.4
CAUTION
DO NOT USE STARTING FLUIDS. Use of starting
fluids in the air intake system may be potentially
explosive or cause a “runaway” engine condition
that could result in engine damage and/or
personal injury.
Be sure the fuel shutoff valve, located by the fuel 1. tank, is completely open. (See Section 7.5.)
Apply the neutral latch levers2.
Shift the transmission into neutral.3.
Place the PTO switch in the disengaged position.4.
If the engine is cold, choke the engine as needed.5.
Move the engine throttle control to about half engine 6. speed.
Turn the ignition key to the ON position.7.
Pull the recoil starter on the engine.8.
Allow engine to warm before operating the mower.9.
GROUND TRAVEL AND STEERING4.5
- IMPORTANT -
If you are not familiar with the operation of a walk
behind mower with a transmission, the steering
and ground speed operations should be learned
and practiced in an open area, away from buildings,
fences, or obstructions.
Learn the operation on flat ground before operating
on slopes.
Start practicing with a slow engine speed and slow
forward travel.
Learn to feather the steering controls to obtain a
smooth operating action.
Practice operating the mower until you are
comfortable with the controls before proceeding
to mow.

12
R
Section 4
FORWARD TRAVEL
To travel forward with the mower, select the desired speed
using the transmission shift lever, pull steering / brake
control levers upward, release the neutral latch for both
sides and slowly release both the left and right steering /
brake control levers. The higher the gear selected using the
transmission shift lever, the faster the machine will travel.
To stop the forward travel, pull upward on the steering /
brake control levers, lock the neutral latches and shift the
transmission into neutral.
To steer the mower left while traveling forward, pull upward
on the left steering / brake control lever. The further the lever
is pulled upward, the quicker the mower will turn left.
To steer the mower right while traveling forward, pull upward
on the right steering / brake control lever. The further the
lever is pulled upward, the quicker the mower will turn
right.
WARNING
To avoid serious bodily injury and damage to the
transmission, the machine must be at a full stop
before shifting between gears or shifting between
forward and reverse.
- NOTE -
Smooth operation of the steering / brake control
levers will produce smooth mower operation. While
learning the operation of the steering controls,
keep the travel speed low.
REVERSE TRAVEL
CAUTION
Disengage power to the mower before backing
up. Do not mow in reverse unless absolutely
necessary and then only after observation of the
entire area behind the mower.
CAUTION
Before backing up, observe the rear for persons
and obstructions. Clear the area before backing
up. Possible injury or property damage could
occur.
To travel in reverse, select the reverse gear using the
transmission shift lever, pull steering / brake control levers
upward, release the neutral latch for both sides and slowly
release both the left and right steering / brake control levers.
Keep the travel speed low while traveling in reverse.
- NOTE -
The mower may not travel straight in reverse.
To steer left while traveling in reverse, pull upward on the
left steering / brake control lever. The further the lever is
pulled upward, the quicker the mower will turn left.
To steer right while traveling in reverse, pull upward on the
right steering / brake control lever. The further the lever is
pulled upward, the quicker the mower will turn right.
To stop the reverse travel, pull upward on the steering /
brake control levers, lock the neutral latches and shift the
transmission into neutral.
ENGAGING THE DECK DRIVE (CUTTER 4.6
BLADES)
Set the throttle at about 3/4 speed. Do not attempt to 1. engage the deck drive at high speed as this shortens
the electric clutch life — use only moderate engine
speed when engaging the deck drive.
Engage the deck drive by pulling out on the yellow 2. switch, located on the instrument panel, to the
engage position. See Figure 4-2.

13
R
Section 4
390S0138
PULL UP TO ENGAGE
PUSH DOWN TO DISENGAGE
Cutter Engage SwitchFigure 4-2.
- NOTE -
A squealing noise may be heard when engaging
or disengaging the deck drive. It is caused by the
electric clutch plates meshing as the mower comes
up to speed. This is normal.
To disengage the deck drive, push the switch in to
3. the disengage position.
Always operate the engine at full throttle to properly 4. maintain cutting speed. If the engine starts to lug
down, reduce the forward speed and allow the
engine to operate at maximum RPM.
HILLSIDE OPERATION4.7
WARNING
DO NOT operate on steep slopes. ALWAYS
FOLLOW OSHA APPROVED OPERATION.
This mower has been designed for good traction and 1. stability under normal mowing conditions. However,
caution must be used when traveling on slopes,
especially when the grass is wet. Wet grass reduces
traction and steering control.
To prevent tipping or loss of control, do not start or 2. stop suddenly, avoid unnecessary turns and travel
at reduced speed. If tires lose traction, disengage
blades and proceed slowly off the slope.
Avoid sudden starts when mowing on slopes.3.
Travel across the slope whenever possible. Never up 4. and down the slope.
Keep tires properly inflated.
5.
PARKING THE MOWER4.8
Park the machine on a flat, level surface only. Do not 1. park the machine on an incline.
Disengage the cutter blades.2.
Lock the neutral latches and shift the transmission 3. into the neutral position.
Slow the engine to idle speed.
4.
Turn the ignition key to the OFF position and remove 5. the key.
AFTER OPERATION4.9
Wash the entire mower after each use. Do not 1. use high pressure spray or direct the spray onto
electrical components.
- IMPORTANT -
Do not wash a hot or running engine. Cold water
will damage the engine. Use compressed air to
clean the engine if it is hot.
Keep the entire mower clean to inhibit serious heat
2. damage to the engine or hydraulic oil circuit.
Check the drive belts for proper alignment and any 3. signs of wear. Correct and adjust if necessary.
DANGER
To avoid injury from burns, allow the mower
to cool before removing the fuel tank cap and
refueling.
After the mower has cooled down, fill the fuel tank 4. with fresh, clean fuel at the end of every day of
operation. See Engine Owner's Manual for proper
octane requirements.
Check the tire pressure. Adjust pressure if 5. necessary.

14
R
Section 4
REMOVING CLOGGED MATERIAL4.10
DANGER
ROTATING BLADES
NEVER PUT YOUR HANDS INTO THE DISCHARGE
CHUTE FOR ANY REASON!
Shut off the engine and remove the key and
only then use a stick or similar object to remove
material if clogging has occurred.
If the discharge chute becomes clogged, shut off
1. the engine and remove the ignition key. Using a stick
or similar item, dislodge the clogged material. Then
resume normal mowing.
MOVING MOWER WITH ENGINE 4.11
STOPPED
To “free-wheel” or move the mower around without the
engine running, engage the neutral latches, shift the
transmission to neutral and move the mower by hand.
RECOMMENDATIONS FOR MOWING4.12
Do not mow with dull blades. A dull blade will tear 1. grass, resulting in poor lawn appearance and
reduced mowing power.
WARNING
DO NOT operate without Discharge Chute,
Mulching Kit, or entire Grass Catcher properly
installed.
The discharge chute must not be removed and
2. must be kept in the lowest position to deflect grass
clippings and thrown objects downward. Direct the
side discharge away from sidewalks or streets to
minimize cleanup of clippings. When mowing close
to obstacles, direct the discharge away from the
obstacles to reduce the chance of property damage
by thrown objects.
Cut grass when it is dry and not too tall. Do not cut
3. grass too short (cut off 1/3 or less of existing grass
for best appearance). Mow frequently.
Keep mower and discharge chute clean.
4.
When mowing wet or tall grass, mow the grass twice. 5. Raise the mower to the highest setting for the first
pass and then make a second pass to the desired
height.
Use a slow travel speed for trimming purposes.
6.
Operate the engine at full throttle for best cutting. 7. Mowing with a lower RPM causes the mower to tear
the grass. The engine is designed to be operated at
full speed.
Use the alternate stripe pattern for best lawn 8. appearance. Vary the direction of the stripe each
time the grass is mowed to avoid wear patterns in
the grass.

15
R
Section 5
CONDITION CAUSE CURE
STRINGERS - OCCASIONAL
BLADES OF UNCUT GRASS
Width of Deck
SGB020
Low engine RPM Run engine at full RPM
Ground speed too fast Slow speed to adjust for conditions
Wet grass Cut grass after it has dried out
Dull blades, incorrect sharpening Sharpen blades
Deck plugged, grass accumulation Clean underside of deck
Belts slipping Adjust belt tension
STREAKING - STRIPS OF
UNCUT GRASS IN CUTTING
PATH
Width of Deck
SGB018
Dull, worn blades Sharpen blades
Incorrect blade sharpening Sharpen blades
Low engine RPM Run engine at full RPM
Belt slipping Adjust belt tension
Deck plugged, grass accumulation Clean underside of deck
Ground speed too fast Slow speed to adjust for conditions
Wet grass Cut grass after it has dried out
Bent blades Replace blades
STREAKING - STRIPS OF
UNCUT GRASS BETWEEN
CUTTING PATHS
Width
of
Deck
Width
of
Deck
SGB019
Not enough overlapping between rows Increase the overlap of each pass
TROUBLESHOOTING CUTTING CONDITIONS

16
R
Section 5
CONDITION CAUSE CURE
UNEV E N CUT ON FL AT
GROUND - WAVY HIGH-LOW
APPEARANCE, SCALLOPED
CUT, OR ROUGH CONTOUR
Width of Deck
SGB020
Lift worn from blade Replace blade
Blade upside down Mount with cutting edge toward ground
Deck plugged, grass accumulation Clean underside of deck
Too much blade angle (deck pitch) Adjust pitch and level
Deck mounted improperly See your authorized SCAG dealer
Bent spindle area See your authorized SCAG dealer
Dull blade Sharpen blade
UNEVEN CUT ON UNEVEN
GROUND - WAVY APPEARANCE,
HIGH-LOW SCALLOPED CUT,
OR ROUGH CONTOUR
Width of Deck
SGB021
Uneven ground May need to reduce ground speed, raise
cutting height, and/or change direction
of cut
SLOPING RIDGE ACROSS
WIDTH OF CUTTING PATH
Width of Deck
SGB023
Tire pressures not equal Check and adjust tire pressure
Wheels uneven Check and adjust tire pressure
Deck mounted incorrectly See your authorized SCAG dealer
Deck not level side-to side Check for level and correct
TROUBLESHOOTING CUTTING CONDITIONS (CONT'D)

17
R
Section 5
CONDITION CAUSE CURE
SCALPING - BLADES HITTING
DIRT OR CUTTING VERY CLOSE
TO THE GROUND
Width of Deck
SGB022
Low tire pressures Check and adjust pressures
Ground speed too fast Slow speed to adjust for conditions
Cutting too low May need to reduce ground speed, raise
cutting height, change direction of cut,
and/or change pitch and level
Rough terrain May need to reduce ground speed, raise
cutting height, and/or change direction
of cut
Ground speed too fast Slow speed to adjust for conditions
Wet grass Cut grass after it has dried out
STEP CUT - RIDGE IN CENTER
OF CUTTING PATH
Width of Deck
SGB024
Blades not mounted evenly Adjust pitch and level
Bent blade Replace blade
Internal spindle failure See your authorized SCAG dealer
Mounting of spindle incorrect See your authorized SCAG dealer
SLOPE CUT - SLOPING RIDGES
ACROSS WIDTH OF CUTTING
PATH
Width of Deck
SGB025
Bent spindle mounting area See your authorized SCAG dealer
Internal spindle failure See your authorized SCAG dealer
Bent deck housing See your authorized SCAG dealer
TROUBLESHOOTING CUTTING CONDITIONS (CONT'D)

18
R
Section 6
DRIVE CONTROL ADJUSTMENTS6.1
Adjust the steering control rods so that there is 1. approximately 3/4" clearance from the bottom of the
rod to the bottom of the neutral latch slot when in the
drive position. See Figure 6-1.
Adjust the steering brake rods so that the brakes do 2. not apply until the steering levers are pulled tight to
the handles. When the steering levers are locked in
the neutral position the machine should move freely.
Neutral
Latch
Steering
Brake Lever
Neutral Lock
Position
Drive Position
3/4"
SC404GB0
5
Steering Control Rod AdjustmentFigure 6-1.
- NOTE -
Operator pressence lever removed for clarity.
Never operate equipment with the interlock system
disconnected.
THROTTLE CONTROL AND CHOKE 6.2
ADJUSTMENTS
These adjustments must be performed by your Scag dealer
to ensure proper and efficient running of the engine. Should
either need adjustment, contact your authorized Scag
service center.
ADJUSTMENTS
CUTTER DECK BELT ADJUSTMENTS6.3
WARNING
Before removing any guards, shut the engine off
and remove the ignition key. Wait for all moving
parts to come to a complete stop before beginning
work.
Remove the belt cover.
1.
Adjust the cutter deck drive belt using a belt tension 2. gauge. Adjust the belt so that the belt moves 1/2"
with 10 pounds of pressure. Adjust the tension by
tightening or loosening the J-bolt. See Figure 6-2.
Nut
"J" Bolt Belt
End Of L-Shaped
Bracket
Washer
SC400G
CUTTER DECK DRIVE BELT TENSION
ALIGNMENT IDLER - L.H.
Deck Drive Belt AdjustmentFigure 6-2.
-NOTE-
Due to initial belt stretch and to prevent the belt
from slipping, check this adjustment after the first
2 hours, 4 hours and 8 hours of operation.
Adjust the RH blade drive belt using a belt tension 3. gauge. Adjust the belt so that the belt moves 1/2"
with 10 pounds of pressure. Adjust the tension by
tightening or loosening the J-bolt. See Figure 6-3
and Figure 6-4.

19
R
Section 6
WASHER
NUT
SC401G
BELT
Cutter Deck Belt Adjustment R.H.Figure 6-3.
DISCHARGE
AREA
BELT TENSION
ADJUSTMENT IDLER
SC402G Rev. 2
CHECK BLADE DRIVE
BELT TENSION HERE
Cutter Deck BeltFigure 6-4.
BELT ALIGNMENT6.4
Belt alignment is important for proper performance of
your Scag mower. If you experience frequent belt wear
or breakage, see your authorized Scag service center for
belt adjustment.
ADJUSTING CUTTING HEIGHT6.5
The mower deck can be adjusted from a height of 1-3/4
inches to 4-1/4 inches at 1/4-inch intervals.
Due to many cutting conditions that exist, it is difficult to
suggest a cutter deck setting that will work for every lawn.
There are two adjustments that can be made to the cutter
deck, pitch and height.
PITCH is the angle of the blades (comparing front to
rear).
HEIGHT is the nominal distance the blade is off of the
ground. This measurement is made with the blades pointed
side to side and distance is measured between the cutting
tip and ground. (Also see Blade Height Adjustment).
Changes to the cutting height can be acheived by
repositioning the cutter deck. (This adjustment will also
effect the pitch of the deck). There are three available
positions. See Figure 6-5.
Caster spacers also can be repositioned to change the
cutting heights and to change the pitch of the cutter deck.
See Figure 6-6.
SC405G-08
LOW CUT (1-3/4" to 3")
HIGH CUT
(3-1/4" to 4-1/2")
MID RANGE
(2-1/2" to 3-3/4")
Adjusting Cutting HeightFigure 6-5.
Pin
Spacers
2003SGB005
Cutting Height DecalFigure 6-6.
BLADE HEIGHT ADJUSTMENT
Adjusting the blade height can be done by moving any
number of the five smaller 1/4" spacers on the blade
mounting bolts to the top of the spindle shaft or below the
spindle shaft.
-NOTE-
All blades should be positioned equally.

20
R
Section 6
WARNING
Blades have a sharp cutting edge. Wear proper
eye protection and protective gloves or wrap the
blades with protective material when removing,
sharpening and installing blades.
For best cut and discharge, a minimum of three spacers
should be installed between the blade and the spindle.
See Figure 6-7.
2002 SC407G
Blade SpacersFigure 6-7.
CUSTOM-CUT BAFFLE ADJUSTMENT
The Custom-Cut Baffle is designed to deliver optimum
airflow and superior cutting performance in any type of
grass. The Custom-Cut Baffle can be raised or lowered
to precisely tailor the deck's performance for the type of
grass being cut. The baffle can be set in seven (7) different
positions for optimum performance.
A. 3-1/2" or 3-3/4" Position - (See Figure 6-8). For very
tall, wiry or tough-to-cut grass.
B. 4" (factory setting), 4-1/4" or 4-1/2" Position - (See
Figure 6-8). For general purpose cutting. This gives the
best mix of cutting performance in all types of grass.
C. 4-3/4" or 5-1/4" Position - (See Figure 6-8). Placing
the baffle in either the 4-3/4" or 5-1/4" setting will
enhance fall cutting (leaf pickup) and reduce cutter
deck "blowout".
To adjust the Custom-Cut Baffle height:
Place the cutter deck in the transport position.1.
Remove the hardware securing the Custom-Cut 2.
Baffle to the cutter deck.
- NOTE -
Hardware location used in the illustrations are for
reference only. Location of hardware may vary
depending on cutter deck size.
Move the Custom-Cut Baffle to desired position. 3. (See Figures 6-8).
Reinstall the mounting hardware. Torque hardware to 4. 39 ft-lbs.

21
R
Section 6
12
34
A
B
12
34
A
B
Custom-Cut Baffle Adjustment
Mounting Slot Selected Mounting Hardware Location
Slot “A” Hole 1 Hole 2 Hole 3 Hole 4
Height (inches) 3-3/4” 4-1/4” 4-3/4” 5-1/4”
Slot “B” Hole 2 Hole 3 Hole 4
Height (inches) 3-1/2” 4” 4-1/2”
Custom-Cut Baffle AdjustmentFigure 6-8.

22
R
Section 6
ADJUSTMENT NUTS
ADJUSTMENT NUTS
Clutch Air Gap AdjustmentFigure 6-11.
This adjustment should be done every 500 hours of
operation or annually, whichever comes first. In cases
where the machine is heavily used, airgap settings should
be checked more often.
If the air gap is too narrow, the clutch armature may drag
when disengaged, resulting in premature failure.
If the air gap is too wide, the clutch may be slow to engage
as the magnet must pull the armature in from a greater
distance.
ELECTRIC CLUTCH ADJUSTMENT6.6
The electric clutch serves two functions in the operation of
the mower. In addition to starting and stopping the power
flow to the cutter blades, the clutch also acts as a brake to
assist in stopping blade rotation when the PTO is switched
off or the operator presence circuit is interrupted.
When the clutch is disengaged, the air gap between the
armature and rotor must be adjusted to fifteen thousandths
of an inch, 0.015, for proper operation. The airgap
adjustment is made at three bolts on the clutch. There are
three inspection windows, one next to each adjusting bolt.
See Figure 6-3.
INSPECTION WINDOW (x3)
Clutch Air Gap AdjustmentFigure 6-9.
Locate the inspection windows on the clutch.1.
Place a 0.015 feeler gauge in the slot between the 2. rotor and the armature. See Figure 6-4.
INSERT 0.015 FEELER GAUGE HERE
Clutch Air Gap AdjustmentFigure 6-10.
Tighten or loosen the adjusting bolt as needed to 3. acheive the 0.015 inch airgap. See Figure 6-5.
Perform this operation at all three inspection
windows.

23
R
Section 7
MAINTENANCE CHART - RECOMMENDED SERVICE INTERVALS7.1
HOURS
PROCEDURE COMMENTS
BREAK-IN
(FIRST 10) 8 20 40 100 200 500
XCheck all hardware for tightness
XCheck all belts for proper
alignment See paragraph 7.6
XCheck engine oil level See paragraph 7.3
X*Clean mower
XCheck tire pressure See paragraph 7.8
X*Clean air filter element See paragraph 7.5
XCheck condition of blades See paragraph 7.7
XSharpen cutter blades See paragraph 7.7
XCheck tire pressure See paragraph 7.10
XCheck belt tension See paragraph 6.3
XCheck the operator interlock
system See paragraph 4.2
XChange engine oil and filter See paragraph 7.3
XGrease spindle bearings
XCheck belts for proper alignment See paragraph 7.6
XCheck all belts for proper
alignment
X*Replace engine air filter See engine operator's
manual
XGrease caster wheel bearings See paragraph 7.2
XGrease transmission couplers See paragraph 7.2
XCheck all hardware for tightness
XChange engine oil See paragraph 7.3
X*Clean air cleaner element See paragraph 7.5
* Perform these maintenance procedures more frequently under extreme dusty or dirty conditions
MAINTENANCE

24
R
Section 7
MAINTENANCE CHART - RECOMMENDED SERVICE INTERVALS (CONT'D)
HOURS
PROCEDURE COMMENTS
BREAK-IN
(FIRST 10) 8 40 100 200 500
XCheck hardware for tightness
XChange engine oil filter See paragraph 7.3
XReplace engine fuel filter See paragraph 7.3
XGrease caster wheel pivot
shafts See paragraph 7.2
XAdjust electric PTO clutch See paragraph 6.6
LUBRICATION7.2
GREASE FITTING LUBRICATION CHART
LOCATION LUBRICATION INTERVAL LUBRICANT NO. OF
PLACES
1 - Caster Wheel Pivot 100 Hours / Bi-Weekly Chassis Grease 2
2 - Caster Wheel Bearings 100 Hours/Monthly Chassis Grease 2
3 - Cutter Deck Spindles 40 Hours / Weekly + US Lithium MP White Grease 2 / 3
4 - Transmission Couplers 100 Hours / Monthly Chassis Grease 2
5 - Wheel Bearings 100 Hours / Bi-Weekly Chassis Grease 2
6 - Idler Arm Pivot 100 Hours / Bi-Weekly Chassis Grease 2

25
R
Section 7
Lubrication Fitting Points Figure 7-1.
390S0178
GREASE FITTING LUBRICATION
LUBRICANT / INTERVAL
LITHIUM MP WHITE GREASE 2125
( 40 HOURS / WEEKLY )
CHASSIS GREASE
( 100 HOURS / BI-MONTHLY )
CHASSIS GREASE
( 200 HOURS / MONTHLY )
1
6
6
4
5
5
2
1
2
3
3

26
R
Section 7
Extinguish all cigarettes, cigars, pipes and other 1. sources of ignition.
Use only an approved gasoline container.
2.
Never remove the gas cap or add fuel with the 3. engine running. Allow the engine to completely cool
before fueling.
Never fuel the machine indoors or in an enclosed
4. trailer.
Never store the machine or fuel container where 5. there is an open flame, spark or pilot light such as on
a water heater or other appliances.
Never fill containers inside a vehicle or on a truck 6. or trailer bed with a plastic liner. Always place
containers on the ground away from your vehicle
before filling.
Remove the machine from the truck or trailer and
7. fuel on the ground. If this is not possible, then refuel
the machine with a portable container, rather than
from a gasoline dispenser nozzle.
Keep the nozzle in contact with the rim of fuel tank
8. or container opening at all times until fueling is
complete. Do not use a nozzle lock-open device.
If fuel is spilled on clothing, change clothing 9. immediately and wash affected skin.
Replace gas cap and tighten securely.10.
B. REPLACING IN-LINE FUEL FILTER
ELEMENTS
The engine fuel filter should be replaced after every 500
hours of operation or annually, whichever occurs first.
Close the shut-off valve.1.
Remove and replace the engine fuel filter. Open the 2. fuel shut-off valve.
ENGINE OIL7.3
A. CHECKING ENGINE CRANKCASE OIL LEVEL
The engine oil level should be checked after every 8 hours
of operation or daily as instructed in the Engine Operator’s
Manual furnished with this mower.
B. CHANGING ENGINE CRANKCASE OIL
After the first 20 hours of operation, change the engine
crankcase oil and replace the oil filter. Thereafter,
change the engine crankcase oil after every 100 hours
of operation or bi-weekly, whichever occurs first. Refer to
the Engine Operator’s Manual furnished with this mower
for instructions.
C. CHANGING ENGINE OIL FILTER
After the first 20 hours of operation, replace the engine oil
filter. Thereafter, replace the oil filter after every 200 hours
of operation or every month, whichever occurs first. Refer
to Engine Operator’s Manual for instructions.
ENGINE FUEL SYSTEM7.4
DANGER
To avoid injury from burns, allow the mower
to cool before removing the fuel tank cap and
refueling.
A. FILLING THE FUEL TANK
Fill the fuel tank at the beginning of each operating day
to within one (1) inch below the filler neck. Do not overfill.
Use clean, fresh unleaded gasoline with a minimum octane
rating of 87 and a maximum of 10% Ethanol.
DO NOT use E85 Fuel. Using E85 Fuel will cause severe
damage to the engine.
To avoid personal injury or property damage, use extreme
care in handling gasoline. Gasoline is extremely flammable
and the vapors are explosive.

27
R
Section 7
If a blade cutting edge is dull or nicked, it should be 4. sharpened. Remove the blades for sharpening. See
"Blade Replacement."
- NOTE -
Keep the blades sharp. Cutting with dull blades not
only yields a poor mowing job, but slows the cutting
speed of the mower and causes extra wear on the
engine and the blade drive by pulling hard.
B. BLADE SHARPENING
- NOTE -
If possible, use a file to sharpen the blade. Using
a wheel grinder may burn the blade.
- NOTE -
DO NOT sharpen the blades beyond 1/3 of the
width of the blade. See Figure 7-2.
Sharpen the cutting edge at the same bevel as the
1. original. See Figure 7-2. Sharpen only the top of the
cutting edge to maintain sharpness.
SGB033
Angle Blade Back
Do Not Cut In
X Must NOT Exceed
1/3 Blade Width
X
30
Blade SharpeningFigure 7-2.
Check the balance of the blade. If the blades are out 2. of balance, vibration and premature wear can occur.
See your authorized Scag dealer for blade balancing
or special tools, if you choose to balance your own
blades.
ENGINE AIR CLEANER7.5
A. CLEANING AND/OR REPLACING AIR
CLEANER ELEMENT
For any air cleaner, the operating environment dictates
the air cleaner service periods. Inspect and clean the air
cleaner element after every 100 hours of operation or bi-
weekly, whichever occurs first and replace the element if
required.
- NOTE -
In extremely dusty conditions it may be necessary
to check the element once or twice daily to prevent
engine damage.
Remove the air cleaner cover. Set aside.1.
Remove the air cleaner and inspect.2.
Clean or replace the air cleaner and foam 3. pre-cleaner as recommended by the engine
manufacturer.
Replace the air cleaner cover and secure.
4.
CUTTER BLADES7.6
A. BLADE INSPECTION
Remove the ignition key before servicing the blades.1.
Raise the mower deck to the highest position. Place 2. the lanyard pin in the highest cutting height position
to prevent the cutter deck from falling.
WARNING
Always wear proper hand and eye protection when
working with cutter blades.
Check the cutter blades for straightness. If the cutter 3. blades appear bent, they will need to be replaced.
WARNING
Do not attempt to straighten a bent blade, and
never weld a broken or cracked blade. Always
replace it with a new blade to assure safety.

28
R
Section 7
C. BLADE REPLACEMENT
WARNING
Always wear proper hand and eye protection when
working with cutter blades.
Remove the ignition key before replacing the blades.
1.
Remove the belt cover.2.
Secure the cutter blades to prevent them from 3. rotating, (use the optional Blade Buddy tool P/N
9212, to assist in securing the cutter blades), remove
the blade attaching bolt. Remove the cutter blade,
bolt, lockwasher and flatwasher from the spindle
shaft. See Figure 7-3.
- NOTE -
Be sure that the blade is installed with the lift wing
towards the top of the cutter deck.
Install the cutter blade on to the cutter spindle shaft.
4. Secure the blades from rotating and torque to 75 ft/
lbs. See Figure 7-3.
Install the belt cover.5.
WASHER HEX HEAD BOLT
CUTTER
BLADE
SPINDLE
ASSEMBLY
CUTTER BLADE
SPACERS
HEX HEAD
BOLT / NUT
CUTTER
DECK
SPINDLE
SHAFT
HEX NUT-TORQUE
TO 75 LB-FT
Blade ReplacementFigure 7-3.
TIRES7.7
Check the tire pressures after every 8 hours of operation
or daily.
Caster Wheels Flat-Free
Drive Wheels 12 PSI

29
R
Section 8
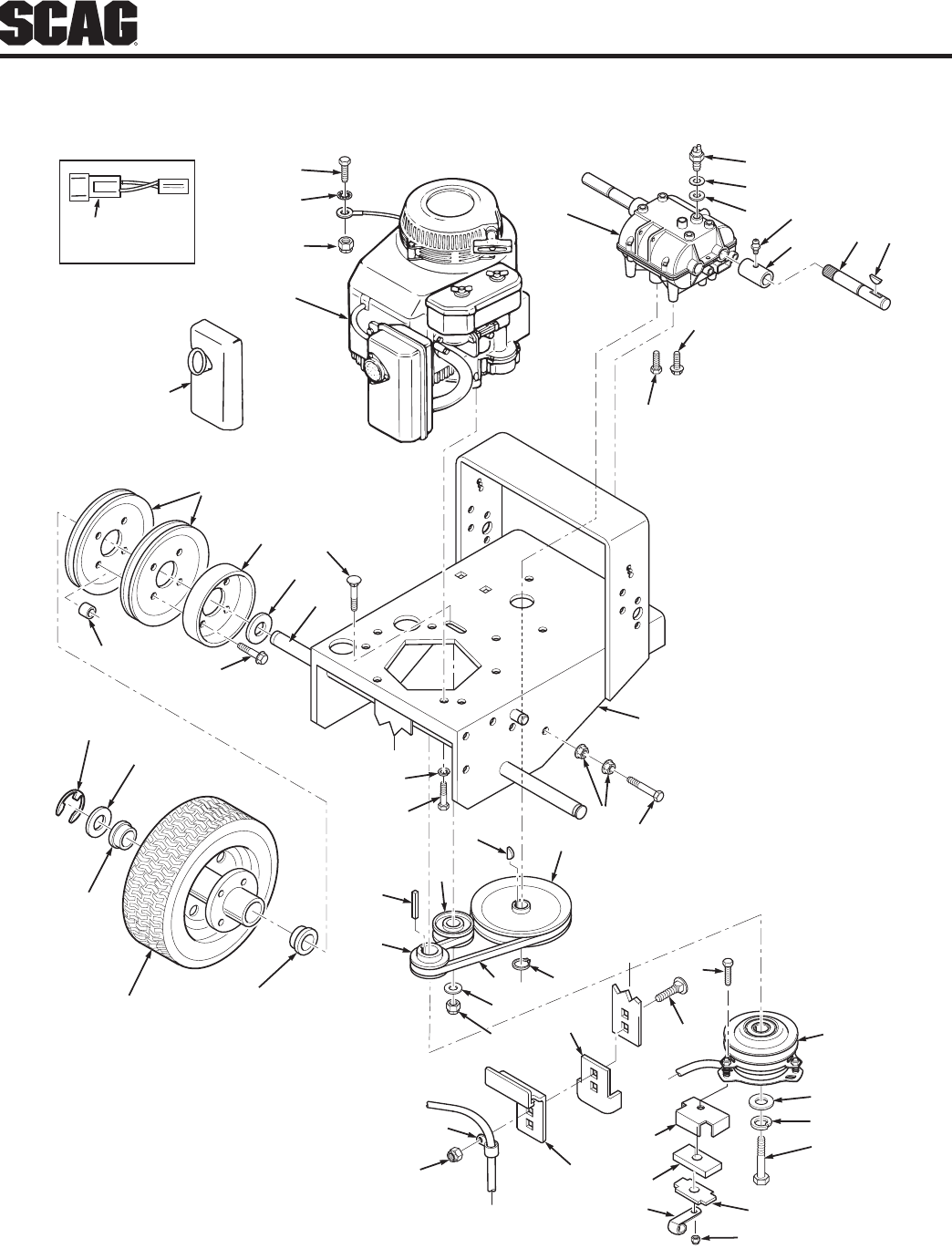
SCAG APPROVED ATTACHMENTS AND ACCESSORIES.8.1
Attachments and accessories manufactured by companies other than Scag Power Equipment are not approved
for use on this machine.
Scag approved attachments and accessories:
Mulch Plate (p/n 9258, 9286, 9287)•
Hurricane Mulch (p/n 9263, 9283, 9284)•
GC-4D (p/n 9054)•
GC-F4 (p/n 9055)•
Blade Buddy (p/n 9212)•
Hour Meter (p/n 48023•
Turbo Baffle (p/n 424208)•
ILLUSTRATED PARTS LIST

30
R
Section 8
32" & 36A CUTTER DECKS
21
18
14
1
1A
20
20A 22
29
11
27
26
28
29
27
30
28
11
32
31
26
34
36
35
33
33
SW06CD36A
23 25
53
2
8
46
5
54
3
49
47
6
50
51
48
5
A
24
39
11
10
17
16
15
15A
12
11
13
21
7
30A
23A
52
52
19
57
55
58
56
25
43
59
60
61
62
42
24
42
A
9
44
41
38
37
45
24
55
40
63
55

31
R
Section 8
32" & 36A CUTTER DECKS
Ref.
No. Part No. Description 32 36 Ref.
No. Part No. Description 32 36
1
1A
2
3
5
6
7
8
9
10
11
12
13
14
15
15A
16
17
18
19
20
20A
21
22
23
23A
24
25
26
27
28
29
30
30A
31
32
33
34
35
36
37
38
39
40
41
42
43
44
461847
461848
461663
43312
481022
43644
04001-154
43589
04001-51
04063-08
43592
04001-175
482245
04019-03
481706
481707
481710
481711
04043-06
04001-41
461023
04017-16
461291
461295
04021-10
04001-09
461709
461413
04043-04
04029-03
482744
48926
04001-172
04020-09
48278
48204
04021-22
04021-05
04019-04
04004-02
04017-36
04112-05
43277
04041-12
04021-09
43681
461841
48224
04001-62
44078
Cutter Deck w/Decals
Cutter Deck w/Decals
Cutter Spindle Assembly
Spacer, Outside
Bearing, Tapered
Spindle Housing
Bolt, 5/16-18 x 4-3/4"
Spindle Shaft
Bolt, 3/8-16 x 3-3/4" Hex
Head
Key, 1/4 x 1/4 x 2"
Spacer, Cutter Blade - Small
Bolt, 5/16-18 x 1-1/2" Hex
Head Grade 8
Spring, Chute Return
Nut 5/16-18 Serrated Flange
Cutter Blade, 16-1/2"
Cutter Blade, 18"
Cutter Blade 16-1/2 Hi-Lift
Cutter Blade, 18 Hi-Lift
Flatwasher, 5/8 W
Hex Hd. Bolt, 5/8-11 x 9-1/2"
Caster Assembly
Cpscrw,5/16-18 x 3/4" Ser.
Flg. Hex Head
Discharge Chute
Discharge Chute
Hex Nut, 5/16-18 Elastic
Stop
Hex Hd Bolt, 5/16-18 x 1"
Belt Cover Assy (Incl. Decal)
Belt Cover Assy (Incl. Decal)
Flat Washer, 3/8" Special
Wing Nut, 3/8-16
Pulley
Tapered Hub
Hex Hd. Bolt, 1/4-20 x 1"
Hex Nut, 5/8-11
Belt, Blade Drive
Belt, Blade Drive
Elastic Stop Nut, 5/16-18
Grade 8
Hex Nut, 3/8-16 Center
Locknut
Nut, 3/8-16 Serrated Flange
Support, Belt Cover
Cpscrw, 1/2-13 x 1"Ser.Flg.
HH
Nut, 1/2-13 Spiralock
Spacer, J-Hook
Flatwasher, 3/8 x 1-1/2 x
16 GA
Elastic Stop Nut, 3/8-16
Idler Pivot
Idler Arm Assy. (Inc. 42)
Bearing
Cpscrw, 3/8-16 x 3-1/4" Hex
Head
J-Hook
x
x
x
x
x
x
x
x
x
x
x
x
x
x
x
x
x
x
x
x
x
x
x
x
x
x
x
x
x
x
x
x
x
x
x
x
x
x
x
x
x
x
x
x
x
x
x
x
x
x
x
x
x
x
x
x
x
x
x
x
x
x
x
x
x
x
x
x
x
x
x
x
x
x
x
x
x
x
x
x
x
x
x
x
x
x
x
x
45
46
47
48
49
50
51
52
53
54
55
56
57
58
59
60
61
62
63
483215
481024
43297
43296
481035
48677
481025
48098
04029-04
48114-04
04021-09
04030-03
04003-23
423783
483174
04003-12
04040-04
04021-04
424367
Idler Pulley, Belt Clutch
Seal, Cutter Spindle
Spindle Bushing
Spacer, Inside
Nut,1.06-18
Relief Fitting, Cutter Spindle
Seal, Cutter Spindle
Spindle Shield
Wing Nut, 3/8-16 (Small)
RH side
Grease Fitting
Nut, Hex Elastic Stop 3/8-16
Lock Washer, 5/16"
Bolt, Carriage 3/8-16 x 1"
Baffle Weldment
Pad, Deck Wear
Bolt, Carriage 5/16-18 x 3/4"
Flatwasher, 5/16"
Hex Nut, 5/16-18 Center
Locknut
Dust Shield
x
x
x
x
x
x
x
x
x
x
x
x
x
x
x
x
x
x
x
x
x
x
x
x
x
x
x
x
x
x
x
x
x
x
x
x
x

32
R
Section 8
48V & 52V CUTTER DECKS
SW-06CD48V-52V
7
55
57
56
54
66
5
3
51
8
6
5
10
16
15
15A
11
64
65
11
12
17
38
71
14
14
18 22
1
24
26
34
37
35 40 39
30
11
28
4
29 30
28
32
29
11
33
11
29
30
28
4
49
36
62
45
25
62
36
47
25
9
25
36
26 48
25
43
21
67
22 13
A72
31
26
19
23
20
50
73
2
74
62
25
62
36
A
59
42
52
49
53
61
25
36
60
74
36
75
69
58
27
63 44 41
46
68
70
36

33
R
Section 8
48V & 52V CUTTER DECKS
Ref.
No. Part No. Description 48 52 Ref.
No. Part No. Description 48 52
1
2
3
4
5
6
7
8
9
10
11
12
13
14
15
15A
16
17
18
19
20
21
22
23
24
25
26
27
28
29
30
31
32
33
34
35
36
37
38
39
40
41
42
43
44
461852
461855
461663
43296
482744
481022
43644
48114-04
43589
43682
04063-08
43592
04001-175
04001-154
04019-03
481706
481707
481710
481711
04043-06
04001-41
461023
48098
04017-16
461844
461845
04021-10
04001-11
461866
461867
04043-04
04029-03
04110-03
48926
04001-172
04020-09
482748
48087
48285
48089
483518
04021-05
04019-04
04021-09
04004-02
04001-09
04017-36
04112-05
04021-04
44078
43028
48181
04040-04
Cutter Deck w/Decals
Cutter Deck w/Decals
Spindle Assembly
Spacer, Inside
Pulley
Tapered Bearing
Spindle Housing
Grease Fitting Str. 5/16"
Spindle Shaft
Idler Pivot
Key, 1/4 x 1/4 x 2"
Spacer, Cutter Blade - Small
Bolt, 5/16-18 x 1-1/2" Hex
Head Gr. 8
Bolt, 5/16-18 x 4-3/4" Hex
Head
Serr. Flange Nut, 5/16-18
Cutter Blade 16-1/2"
Cutter Blade 18"
Cutter Blade 16-1/2 Hi-Lift
Cutter Blade 18 Hi-Lift
Flatwasher,5/8" (.688 x 1.75
x .134)
Hex Head Bolt, 5/8-11 x
9-1/2"
Caster Assembly
Spindle Shield
Capscrew, 5/16-18 x 3/4"
Discharge Chute 48V
Discharge Chute 52V
Nut, 5/16-18 Elastic Elastic
Stop
Bolt, 5/16-18 x 1-1/2" Hex
Head
Belt Cover (Incl. decals)
Belt Cover (Incl. decals)
Flat Washer, 3/8" Special
Wing Nut, 3/8-16 (Large)
U-Nut, 3/8-16
Tapered Hub
Bolt, 1/4-20 x 1" Hex Head
Grade 8
Nut, 5/8-11 Hex
Pulley, Double
Belt, RH Blade Drive
Belt, RH Blade Drive
Belt, Blade Drive
Belt, Blade Drive
Nut, 3/8-16, Nut Centerlock
Nut, 3/8-16, Serrated Flange
Nut, 3/8-16 Elastic Stop
Bolt, 5/16-18 x 1" Hex Head
Bolt, 5/16-18 x 1" Hex Head
Cpscrw, 1/2-13 x 1" Ser.
Flg. HH
Nut, 1/2-13 Spiralock
Hex Nut, 5/16-18 Center
Locknut
J-Hook, 48V
J-Hook, 52V
Idler Pulley, “V” Groove
Flatwasher, 5/16"
x
x
x
x
x
x
x
x
x
x
x
x
x
x
x
x
x
x
x
x
x
x
x
x
x
x
x
x
x
x
x
x
x
x
x
x
x
x
x
x
x
x
x
x
x
x
x
x
x
x
x
x
x
x
x
x
x
x
x
x
x
x
x
x
x
x
x
x
x
x
x
x
x
x
x
x
x
x
x
x
x
x
x
x
x
x
x
x
x
x
45
46
47
48
49
50
51
52
53
54
55
56
57
58
59
60
61
62
63
64
65
66
67
68
69
70
71
72
73
74
75
461091
483176
43028
43077
04041-12
04001-31
481024
461841
43277
48677
43312
43297
481035
481625-01
04001-51
43681
483215
48224
04003-12
482295
45944
481025
483378
424839
424840
04001-62
04003-23
423972
04021-22
04030-03
424367
04001-22
Idler Arm Assy. (Incl. 62)
Pad, Deck Wear
J-Rod, Idler Pulley
Spacer, J-Rod
Washer, 3/8 x 1-1/2 x 16 ga.
Bolt, 3/8-16 x 2-1/2" Hex
Head
Seal, Cutter Spindle
Idler Arm Assy (Includes 62)
Spacer, J-Rod
Reiief Fitting, Cutter Spindle
Spacer, Outside, Cutter
Spindle
Spindle Bushing
Nut, Cutter Spindle
Knob, w/stud
Bolt, 3/8-16 x 3-3/4" Hex
Head
Idler Pivot
Idler Pulley, Belt Clutch
Bearing
Bolt, Carriage 5/16-18 x 3/4"
Guide Roller
Roller Shaft
Seal, Cutter Spindle
Spring, Chute Return
Baffle Weldment 48V
Baffle Weldment 52V
Bolt, 3/8-16 x 3-1/4" Hex
Head
Bolt, Carriage 3/8-16 x 1"
Heatshield
Nut, Hex Lock 5/16-18
Lock Washer 5/16"
Dust Shield
Bolt, 3/8-16 x 2-3/4" Hex
Head
x
x
x
x
x
x
x
x
x
x
x
x
x
x
x
x
x
x
x
x
x
x
x
x
x
x
x
x
x
x
x
x
x
x
x
x
x
x
x
x
x
x
x
x
x
x
x
x
x
x
x
x
x
x
x
x
x
x
x
x
x
x

34
R
Section 8
NOTES

35
R
Section 8
Ref.
No. Part No. Description
CASTER ASSEMBLY
1 04066-01 Quick Pin
2 43037-01 Spacer, Spacer Yoke, 1/2" Long
3 48100-01 Bronze Bearing
4 48114-04 Greasing Fitting
5 46082 Support Assembly (Incl. #3 & #4)
6 45006 Caster Yoke
7 04021-07 Nut, Elastic Stop 1/2-13
8 43022 Sleeve, Caster Wheel Bearing
9 04001-37 Bolt, Hex Head 1/2-13 x 5-1/2"
10 9275 Flat-Free Tire Assy. (Incl. #11, #12, #13)
11 48114-03 Grease Fitting, 45 Degree 1/4-28
12 481770 Retainer, Caster Wheel Bearing
13 481769 Roller Bearing, Caster Wheel
1
2
3
4
3
2
6 5 8
9
7
10
SW-SWZ2006CSTR
12
13
11

36
R
Section 8
ENGINE DECK
SW2008ED
18
41
40, 40A
39
38
38A
38B
38C
38D
39
29
46
40
44
42
45
43
17
16
20
23
24
25
22
26
27
28
21
48
30
31
32A
32B
35
A
15
37
34
50
1
35A
5
4
7
68
10
(3)
13
(1 loc.)
9
11
33
14
47
51
253
12
52
15 KAI
16 KAI
17 KAI
ONLY
49
2
B
47
B
54
A

37
R
Section 8
ENGINE DECK
** = Requires welding onto chassis.
Ref.
No. Part No. Description 15KH 15KAI
16KAI
17KAI
Ref.
No. Part No. Description 15KH 15KAI
16KAI
17KAI
1
2
3
4
5
5A
6
7
8
9
10
11
12
13
14
15
16
17
18
19
20
21
22
23
24
25
26
27
28
482853
482675
483263
482927
48030-09
481580
48231
48122-01
48122-02
481581
48114-05
481582
04063-09
04017-16
43085**
43104**
04001-08
422533
04030-03
04019-04
461741
461743
04021-08
04019-03
04001-51
461397
04041-07
48197
04063-07
04050-09
48203
483208
481666
Engine,15HP Kohler
(CV 15T, Spec PS-41621)
Engine, 15HP Kawasaki
(Spec FH430V-BS33-R)
Engine, 16HP Kawasaki
(Spec FH480V-BS24-R)
Engine, 17HP Kawasaki
(Spec FH541V-BS38-R)
Cable Clamp
Transmission, 5-speed
(Peerless 700-070, 9 tooth
spline)
Neutral Safety Switch
Fibre Washer, thin
Fibre Washer, thick
Coupler, Jackshaft
Grease Fitting, straight
1/4-28
Jackshaft (fits SW32,36,48
& 52)
Key, Hi-Pro #9
Bolt, 5/16-18 X 3/4" Hex
Head
Wheel Axle (SW36,48 & 52)
Wheel Axle (SW 32)
Muffler (Contact Engine
Mfg.)
Bolt, 5/16-18 X 3/4" Hex
Head
Backing Plate
Lock Wshr. 5/16"
Nut, 3/8-16 Serrated Flange
Engine Deck (fits SW32)
Engine Deck (fits SW36,48
& 52)
Nut, 1/4-20 Elastic Stop
Nut, 5/16-18 Serrated
Flange
Bolt, 3/8-16 x 3-3/4" Hex
Head
Electric Clutch (Ogura)
Washer, 3/8" (.391 x .938
x .105)
Pulley, Transmission Input
Key, Woodruff #9
Retaining Ring, 5/8" Ext,
Basic
Belt, Transmission Drive
Idler Pulley, Transmission
Pulley, Traction Drive
x
x
x
x
x
x
x
x
x
x
x
x
x
x
x
x
x
x
x
x
x
x
x
x
x
x
x
x
x
x
x
x
x
x
x
x
x
x
x
x
x
x
x
x
x
x
x
x
x
x
x
x
x
x
x
x
x
x
x
x
x
x
29
30
31
32A
32B
33
34
35
36
37
38
38A
38B
38C
38D
39
40
40A
41
42
43
44
45
46
47
48
49
50
51
52
53
54
04063-19
04041-28
04030-05
04102-04
04103-03
04001-12
04002-07
04021-09
04040-15
04018-01
48192
48253
481860
481859
481861
481862
481858
04042-05
04041-14
04050-08
48200
43088
48209
04017-19
04003-03
04021-10
04003-04
421370
04031-09
481716
481717
422534
424620
Key, 1/4 x 1/4 x 3/4"
Flat Washer, 7/16" Special
Lock Washer, 7/16"
Bolt, 7/16-20 x 2-1/2" Hex
Head
Cpsrw, M10-1.5 x55 Metric
Hex Hd
Bolt, 5/16-18 x 1-3/4" Hex
Head
Bolt, M8-1.25 x 1.0
Nut, 3/8-16 Elastic Stop
Flat Washer, 5/16"
Bolt, M8-1.25 x M25 Metric
Hex Hd
Wheel Assembly (incl. 38A-
38B) (fits SW36,48,52)
Wheel Assembly (Incl. 38C -
38D) (SW32)
Tire, 13 x 6.50-6, 2-ply
(fits SW36,48,52)
Rim & Bearing Assembly
(incl. 39)
Tire, 13 x 5.00-6 2-ply
(SW32 only)
Rim Assembly (incl. 39)
(SW32 only)
Wheel Bearing
Washer, 1-1/16 x 1-3/4 x
12 ga
Washer, 1-1/16 x 1-1/2 x
18 ga
Retaining Ring, 1" Ext.- "E"
Pulley, Wheel Drive
Spacer, Wheel Pulley
Brake Drum
Bolt, 5/16-18 x 1-1/2"
Serrated Flange
Bolt, 3/8-16 x 2" Carriage
Nut, 5/16-18 Elastic Stop
Bolt, 5/16-18 x 1" Carriage
Anti Rotation Bracket
Lock Washer Internal Tooth
Rubber Pad, Clutch Stop
Wire Harness Adapter
(15KAI, 16KAI, 17KAI)
Plate, Backing
Plate, Clutch Bracket
x
x
x
x
x
x
x
x
x
x
x
x
x
x
x
x
x
x
x
x
x
x
x
x
x
x
x
x
x
x
x
x
x
x
x
x
x
x
x
x
x
x
x
x
x
x
x
x
x
x
x
x
x
x
x
x
x
x

38
R
Section 8
HANDLE ASSEMBLY
SW 2007 HA
8
64
63
23 68
69
25
66
70
28
26
30
7
27 8
29
71
61
27
41 54
1
24
10
11
4
22 5
19
2
13
15
15A
40
36 14
21
19
45
6
5
19
2245
18
13
31
35
34
19
38
32
14
39
33
19
37
14 17
62
59 58
58A
9
47
44
50
949 51
48
46
12
55
60
65
20
19
3
43
43A
19
16
8
57
72
53
20
69
67
56
52
HANDLE ASSEMBLY

39
R
Section 8
HANDLE ASSEMBLY
Ref.
No. Part No. Description 15KH 15KAI
16KAI
17KAI
Ref.
No. Part No. Description 15KH 15KAI
16KAI
17KAI
1
2
3
4
5
6
7
8
9
10
11
12
13
14
15
15A
16
17
18
19
20
21
22
23
24
25
26
27
28
29
30
31
32
33
34
35
36
37
38
39
40
41
42
43
43A
44
45
461972
421360
04017-27
04041-07
04021-09
48755
04001-10
04021-10
04017-05
44140
04062-02
04001-23
43032
04062-01
45847
45846
43092
04001-62
04004-17
04019-04
04019-03
04017-28
43286
48309
483160
04017-17
483142
04040-15
483040
451915
451917
44005
45092
45093
42254
04024-01
48114-05
04050-01
48210
04001-45
04031-08
04032-01
04015-13
461242
461241
48202A
483211
Handle Assembly
Belt Guard
Capscrw, 3/8-16 x 1"
Serr. Flg.
Washer, 3/8" (.391 x .938
x .105)
Nut, 3/8-16 Elastic Stop
Spring, Idler
Bolt, 5/16-18 x 1-1/4" Hex
Head
Nut, 5/16-18 Elastic Stop
Capscrew, 1/4-20 x 3/4" Hex
Head
Control Rod, Steering
Hair Pin, Small
Bolt, 3/8-16 x 4-1/2" Hex
Head
Swivel Joint
Hair Pin, Large .094 Dia.
Idler Bracket, RH
Idler Bracket, LH
Idler Sleeve
Bolt, 3/8-16 x 3/4" Hex Head
Stud, 3/8-16 x 5"
Nut, 3/8-16 Serrated Flange
Nut, 5/16-18 Serrated
Flange
Cpscrw, 3/16-18 x 1-1/4"
Serr. Flg
Spacer
Bushing
Steering Lever
Capscrew, 5/16-18 x 1" Serr.
Flg.
Bushing
Washer, 5/16 (.375 x .875
x .083)
Spring, Operator Presence
Operator Presence Lever,
LH
Operator Presence Lever,
RH
Brake Rod
Brake Lever
Brake Link
Brake Link Plate
Nut, 3/8 Push-on
Grease Fitting, Straight
1/4-28
Retaining Ring, 5/8 Ext. "E"
Brake Band
Bolt, 3/8-16 x 2" Hex Head
1/4" Internal Tooth Lock-
washer
Socket Head Capscrew
#8-32 x 1/2"
Socket Head Capscrew #8-
32 x 1/2"
Neutral Latch, RH
Neutral Latch, LH
Belt, Wheel Drive
Idler Pulley, Wheel Drive
x
x
x
x
x
x
x
x
x
x
x
x
x
x
x
x
x
x
x
x
x
x
x
x
x
x
x
x
x
x
x
x
x
x
x
x
x
x
x
x
x
x
x
x
x
x
x
x
x
x
x
x
x
x
x
x
x
x
x
x
x
x
x
x
x
x
x
x
x
x
x
x
x
x
x
x
x
x
x
x
x
x
x
x
x
x
x
x
x
x
x
x
x
x
46
47
48
49
50
51
52
53
54
55
56
57
58
58A
59
60
61
62
63
64
65
66
67
68
69
70
71
72
482645
04012-04
43098
48223
48224
04050-09
04030-03
04017-16
04001-17
04019-02
04040-15
424113
483617
483617
48059-01
482314
483161
48308
461729
482547
422279
461163
04001-09
04041-07
04020-14
48028-05
04001-53
481839
Pulley, Jackshaft (Inc. 47)
Setscrew, Hex Socket Knurl
Cup Pt. 5/16-18
Spacer, Jackshaft Pulley
Flange, Jackshaft Bearing
Bearing, Jackshaft
Retaining Ring, 5/8 Ext.
Basic
Lock Washer 5/16"
Capscrew, 5/16-18 x 3/4"
Serr. Flg.
Bolt, 5/16-18 x 2" Hex Head
Nut, 1/4-20 Serrated Flange
Flatwasher, 5/16 (.375 x
.875 x .083)
Bracket, Choke Mounting
Fuel Hose,1/4"ID, 10"
(KH Only)
Fuel Hose,1/4"ID, 23"
(KA Only)
Clamp, Fuel Hose
Choke Control
Plug, Handlebar
Valve, Fuel Shut Off
Fuel Tank Assy.(Incl. Bush.
& Val.)
Fuel Tank Cap
Shift Lever
Shift Lever Extention
(incl. 72)
Capscrew, 5/16-18 x 1" Hex
Head
Washer, 3/8 (.391x .938 x
.105)
Nut, 3/8-24 UNF
Cable Tie
Bolt, 5/16-18 x 2-1/2"
Grip, Shift Handle
x
x
x
x
x
x
x
x
x
x
x
x
x
x
x
x
x
x
x
x
x
x
x
x
x
x
x
x
x
x
x
x
x
x
x
x
x
x
x
x
x
x
x
x
x
x
x
x
x
x
x
x

40
R
Section 8
INSTRUMENT PANEL
Ref.
No. Part No. Description
1 48717 Switch, Neutral Lock
2A 482814 Throttle Contro - Kohler
2B 48946 Throttle Control - Kawasaki
3 483957 Engagement Switch, Electric Clutch
4 48609 Key Switch
5 48023 Hour Meter (dealer installed)
6 04010-26 Screw, #10-32 x 1/2"
7 04019-01 Nut, #10-32 Serrated Flange Hex Head
8 482711 Handle Wire Harness, Manual Start
9 462069 Key Chain w/Keys
483609 Key w/Shroud
NS 48030-09 Clamp, Wire Harness
SW08IP
1
4
8
5
6
2A
2B
7
3
SCAG
POWER EQUIPMENT
9

41
R
Section 8
PEERLESS TRANSMISSION 700-070
FOR REFERENCE ONLY - ORDER PARTS FROM PEERLESS / TECUMSEH
REF. PART
NO. NO. DESCRIPTION
Ref. Part
No. No. Description
1 772083A Case, Transmisson
2 780086A Needle Bearing Grease Spec
2A 780142 Needle Bearing
3 770061A Case, Transmission
8 792089A Shift Key
9 784266 Shift Collar
10 784376 Shift Rod & Fork
11 778154 Bevel Gear (42 teeth)
12 778176 Bevel Pinion (14 teeth-steel)
20 792077 Steel Ball, 5/16" dia.
21 792078 Set Screw, 3/8-16 x 3/8"
22 792079 Spring
24 780071 Thrust Bearing
25 792073 Screw, 1/4-20 x 1-1/4" (6)
27 792035 Retaining Ring
28 788040 Retaining Ring
29 780072 Washer (6)
30 780108 Washer (5)
32 792001 "O" Ring
34 780105A Flanged Bushing
49 778146A Spur Gear (37 teeth)
50 778125 Spur Rear (35 teeth)
51 778239A Spur Gear (32 teeth-steel)
52 778124A Spur Gear (30 teeth)
53 778123A Spur Gear (25 teeth)
56 778145 Spur Gear (12 teeth-steel)
57 778151 Spur Gear (15 teeth)
58 778240 Spur Gear (18 teeth-steel)
59 778126A Spur Gear (20 teeth)
60 778127A Spur Gear (25 teeth)
65 780139 Washer
66 776135 Input Shaft (3-11/16" long)
67 776402 Shifter & Brake Shaft
71 788069 Square Cut Ring
72 792074 Threaded Plug (Shipping only, not used)
81 786081 Roller Chain (No. 41 chain, 24 links)
82 786082 Sprocket (9 teeth)
83 786083 Sprocket (18 teeth)
90 788067B Grease (32 oz. bottle Bentonite grease)
150 510334 Gasket Eliminator (Loctite #515)
178 * Coupling (See page 26-27 for part number)
179 * Connector Shaft (See page 26-27 for part number)

42
R
Section 8
AE
BF
CG
DH
TO ENGINE
DECK WIRE
HARNESS
MOWER
ENGAGE
SWITCH
BLACK
BLUE
WHITE
YELLOW
WHITE
BLK W/RED STRIPE
BLACK
BLACK
YELLOW
TO
OPERATOR
PRESENCE
SWITCH
NEG
HOURMETER
POS
HOURMETER
KEY
SWITCH
SW2007WH482711
BLK W/RED STRIPE
HANDLE WIRE HARNESS
PART NO. 482711
SW08WH483075
WIRE HARNESS
ADAPTER - ENGINE
BLADE
CLUTCH
GROUND
BLACK
KOHLER
(15 HP)
ENGINE DECK
WIRE HARNESS
PART NO. 483075
EA
FB
GC
HD
INSTRUMENT
PANEL HARNESS
BLACK
BLUE
WHITE
WHITE
YELLOW
NEUTRAL
INTERLOCK
BLACK W/RED STRIPE
BLACK W/RED STRIPE
WHITE
KAWASAKI
(15 HP, 16 HP & 17 HP)
WIRE HARNESSES

43
R
Section 8
WIRE HARNESS ADAPTER
PART NO. 481717
KAWASAKI
(15 HP, 16 HP & 17 HP)
SW2006WH48171
7
WIRE HARNESSES

44
R
Section 8
REPLACEMENT DECALS AND INFORMATION PLATES
12
3
9
5
WARNING
DO NOT OPERATE WITHOUT DISCHARGE CHUTE, MULCHING
KIT, OR ENTIRE GRASS CATCHER INSTALLED
483405
SPINNING BLADES
KEEP CLEAR
BLADE CONTACT & THROWN
OBJECTS CAN INJURE
483407
10
WARNING
FALLING HAZARD
USE ONLY SCAG APPROVED
RIDING ATTACHMENTS
SEE OPERATOR'S MANUAL
483404
MOUNT RIDING
ATTACHMENT
HERE
WARNING
READ OPERATOR'S MANUAL 483402
INSTALL BELT COVER
BEFORE OPERATING MACHINE
7
SLOW
FAST
CHOKE
481122
R
6
BEFORE OPERATING
483441
Read operator's manual
Solicite etiquetas en espanol
a un distribuidor Scag
Make sure guards, shields
& safety devices are in
place & working
Clear area of children,
bystanders & debris
Mow across face of slopes
Trained operators only
WARNING
MANUFACTURED UNDER ONE OR MORE
OF THE FOLLOWING PATENTS:
4,487,006 4,885,903 4,920,733 4,967,543
4,991,382 4,998,948 5,042,239 5,117,617
5,133,176 5,826,416 5,832,708 5,865,018
6,192,666 6,766,633 6,892,519 6,996,962
7,065,946 7,197,863 7,237,374 7,373,768
PATENTS PENDING
WARNING
* Keep hands, feet & clothing clear
* Keep all guards in place
* Shut off engine & disengage blade
clutch before servicing
* Use caution in directing discharge
* Read instruction manual before operating
ROTATING BLADES AND BELTS
DO NOT OPERATE UNLESS GRASS
CATCHER, MULCHING KIT OR
DISCHARGE CHUTE IS INSTALLED 483406
4
48404
8

45
R
Section 8
REPLACEMENT DECALS AND INFORMATION PLATES
Ref.
No. Part No. Description
1 483405 Decal, Discharge Chute
2 48314 Decal, Scag Logo
3 483407 Decal, Danger-Spinning Blades
4 483406 Decal, Warning-Rotating Blades
5 483044 Decal, Patents
6 481122 Decal, Instrument Panel - Front (SW36A-15KH, SW48V-15KH, SW52V-18KH)
7 483441 Decal, Instrument Panel - Rear
8 48404 Decal, Metalcraft - Made in USA
9 483404 Decal, Sulky Attachment
10 483402 Decal, Belt Cover
11 481483 Decal, Instrument Panel - Front (SW32-15KAI, SW36A-16KAI, SW48V-16KAI, SW52V-17KAI)
12 482816 Decal, Height of Cut
13 48315 Decal, 32
482297 Decal, 36 Advantage
14 483199 Decal, 48 Velocity Plus
483200 Decal, 52 Velocity Plus
15 481971 Decal, Heavy Duty Commercial
16 48332 Decal, Shift Index
** 461986 Spanish Decal Kit, Walk-Behinds (Not Shown)
482816
CUTTING HEIGHT ADJUSTMENT
TOP
MIDDLE
MIDDLE
BOTTOM
BOTTOM
BOTTOM
NUMBER OF SPACERS ABOVE CUTTER BLADES
0 1 2 3 4 5
0
0
1
2
3
4
-
-
-
-
-
4-3/8
-
-
-
-
4
4-1/8
2-3/8
2-5/8
2-3/4
-
3-3/4
3-7/8
2-1/8
2-3/8
2-1/2
-
3-1/2
3-5/8
1-7/8
2-1/8
2-1/4
2-7/8
3-1/4
3-3/8
1-5/8
1-7/8
2
2-5/8
3
3-1/8
DECK MOUNTING HOLE POSITION
NUMBER OF CASTER SPACERS (BELOW SUPPORT)
11
SLOW
FAST
481483
R
12
14
482297
13
16
Heavy-Duty
Commercial
481971
15

LIMITED WARRANTY - COMMERCIAL EQUIPMENT
Any part of the Scag commercial mower manufactured by Scag Power Equipment and found, in the reasonable judgment
of Scag, to be defective in materials or workmanship, will be repaired or replaced by an Authorized Scag Service Dealer
without charge for parts and labor during the periods specified below. This warranty is limited to the original purchaser and
is not transferable. Proof of purchase will be required by the dealer to substantiate any warranty claims. All warranty work
must be performed by an Authorized Scag Service Dealer.
This warranty is limited to the following specified periods from the date of the original retail purchase for defects in
materials or workmanship:
Wear items including drive belts, blades, hydraulic hoses and tires are warranted for ninety (90) days.•
Batteries are covered for ninety (90) days.•
Frame and structural components including oil reservoir and oil coolers are warranted for 2 years (Parts and labor).•
Cutter decks are warranted against cracking for a period of three (3) years. (Parts and labor 1st and 2nd year; Parts •
only 3rd year.) The repair or replacement of the cutter deck will be at the option of Scag Power Equipment. We reserve
the right to request components for evaluation. This warranty does not cover any mower that has been subject to mis-
use, neglect, negligence, or accident, or that has been operated in any way contrary to the operating instructions as
specified in the Operator’s Manual.
Engines and electric starters are covered by the engine manufacturer’s warranty period.•
Major drive system components are warranted for two (2) years by Scag Power Equipment. (Parts and labor) (Two •
year warranty exclude fittings, hoses, drive belts). The repair or replacement of the hydraulic pump or hydraulic mo-
tor will be at the option of Scag Power Equipment. This warranty does not cover any mower that has been subject to
misuse, neglect, negligence, or accident, or that has been operated in any way contrary to the operating instructions as
specified in the Operator’s Manual.
Electric clutches have a Limited Warranty for 2 year (Parts and labor).•
Spindle assemblies have a Limited Warranty for three years (Parts and labor 1st year and 2nd; Parts only 3rd year).•
Any Scag product used for rental purposes is covered by a 90 day warranty.•
The Scag mower, including any defective part must be returned to an Authorized Scag Service Dealer within the warranty
period. The expense of delivering the mower to the dealer for warranty work and the expense of returning it to the owner
after repair will be paid for by the owner. Scag’s responsibility is limited to making the required repairs and no claim of
breach of warranty shall be cause for cancellation or rescission of the contract of sale of any Scag mower.
This warranty does not cover any mower that has been subject to misuse, neglect, negligence, or accident, or
that has been operated in any way contrary to the operating instructions as specified in the Operator’s Manual.
The warranty does not apply to any damage to the mower that is the result of improper maintenance, or to any mower
or parts that have not been assembled or installed as specified in the Operator’s Manual and Assembly Manual. The
warranty does not cover any mower that has been altered or modified, changing performance or durability. In addition, the
warranty does not extend to repairs made necessary by normal wear, or by the use of parts or accessories which, in the
reasonable judgment of Scag, are either incompatible with the Scag mower or adversely affect its operation, performance
or durability.
Scag Power Equipment reserves the right to change or improve the design of any mower without assuming
any obligation to modify any mower previously manufactured. All other implied warranties are limited in duration to
the two (2) year warranty period or ninety (90) days for mowers used for rental purpose. Accordingly, any such implied
warranties including merchantability, fitness for a particular purpose, or otherwise, are disclaimed in their entirety after
the expiration of the appropriate two year or ninety day warranty period. Scag’s obligation under this warranty is strictly
and exclusively limited to the repair or replacement of defective parts and Scag does not assume or authorize anyone to
assume for them any other obligation. Some states do not allow limitations on how long an implied warranty lasts, so the
above limitation may not apply to you.
Scag assumes no responsibility for incidental, consequential or other damages including, but not limited to, expense
for gasoline, expense of delivering the mower to an Authorized Scag Service Dealer and expense of returning it to the
owner, mechanic’s travel time, telephone or telegram charges, rental of a like product during the time warranty repairs are
being performed, travel, loss or damage to personal property, loss of revenue, loss of use of the mower, loss of time or
inconvenience. Some states do not allow the exclusion or limitation of incidental or consequential damages, so the above
limitation or exclusion may not apply to you. This warranty gives you specific legal rights, and you may also have other
rights which vary from state to state.

GARANTÍA LIMITADA - EQUIPO COMERCIAL
Toda pieza del cortacésped comercial Scag fabricada por Scag Power Equipment que, según criterio razonable de Scag, presente
materiales o mano de obra defectuosos será reparada o reemplazada por un distribuidor autorizado Scag sin cargo por las piezas ni mano
de obra durante los períodos especificados abajo. Esta garantía se limita al comprador original y no es transferible. Para acceder a
cualquier reclamo de garantía, el distribuidor requerirá el comprobante de compra. Todo trabajo bajo garantía debe realizarlo un distribuidor
autorizado Scag.
Con respecto a materiales o mano de obra defectuosos, esta garantía se limita a los siguientes períodos especificados a partir de la fecha
de compra original:
* Los artículos desgastables, incluyendo correas de transmisión, cuchillas, mangueras hidráulicas y llantas, están garantizados
por noventa (90) días.
* Las baterías están garantizadas por noventa (90) días.
* El bastidor y los componentes estructurales, incluyendo el depósito de aceite y los enfriadores de aceite, tienen una garantía de
2 años (Piezas y mano de obra).
* Las plataformas de corte están garantizadas contra grietas por un período de tres (3) años. (Piezas y mano de obra, primer y
segundo año; piezas solamente, tercer año). La reparación o el reemplazo de la plataforma de corte estarán sujetos a discreción
de Scag Power Equipment. Nos reservamos el derecho de solicitar componentes para su evaluación. Esta garantía no cubre
ningún cortacésped que haya sido sometido a uso indebido, descuido, negligencia o accidente, o que se haya operado de manera
distinta a la especificada en el manual del operador.
* Los motores eléctricos y los arrancadores están cubiertos por el período de garantía del fabricante de motor.
* Los componentes principales del sistema de transmisión están garantizados por Scag Power Equipment por dos (2) años.
(Piezas y mano de obra) (La garantía de dos años no incluye las conexiones, mangueras, las correas de transmisión). La
reparación o el reemplazo de la bomba hidráulica o el motor hidráulico estarán sujetos a discreción de Scag Power Equipment.
Esta garantía no cubre ningún cortacésped que haya sido sometido a uso indebido, descuido, negligencia o accidente, o que se
haya operado de manera distinta a la especificada en el manual del operador.
* Los embragues eléctricos tienen una Garantía limitada de 2 años (Piezas y mano de obra).
* Los ensambles del eje tienen una Garantía limitada de 3 años (Piezas y mano de obra, primer y segundo año; piezas
solamente, tercer año).
* Cualquier producto Scag que se utilice para alquiler está cubierto por una garantía de 90 días.
El cortacésped Scag, incluida cualquier pieza defectuosa, debe ser llevado a un distribuidor autorizado de Scag dentro del período de
garantía. Los gastos incurridos en la entrega del cortacésped al distribuidor para que se realice el trabajo bajo garantía, así como los
gastos de devolución del cortacésped al propietario después de la reparación, estarán a cargo del propietario. La responsabilidad de Scag
se limita a la realización de las reparaciones requeridas y ninguna reclamación por incumplimiento de las obligaciones de garantía será
causa de cancelación o revocación del contrato de venta del cortacésped Scag.
Esta garantía no cubre ningún cortacésped que haya sido sometido a uso indebido, descuido, negligencia o accidente, o que
se haya operado de manera distinta a la especificada en el manual del operador. La garantía no será de aplicación en ningún caso
de daño ocasionado al cortacésped como consecuencia de mantenimiento inadecuado o a cualquier cortacésped o piezas que no se hayan
ensamblado o instalado de acuerdo con las especificaciones del manual del operador o el manual de montaje. La garantía no cubre ningún
cortacésped que haya sufrido alteraciones o modificaciones que hayan afectado su funcionamiento o durabilidad. Asimismo, la garantía no
se extiende a reparaciones necesarias por el desgaste normal o por el uso de piezas o accesorios que, según criterio razonable de Scag,
sean incompatibles con el cortacésped Scag o afecten la operación, funcionamiento o durabilidad de éste.
Scag Power Equipment se reserva el derecho de modificar o mejorar el diseño de cualquier cortacésped sin tener por ello
obligación alguna de modificar cualquier cortacésped fabricado con anterioridad. Cualquier otra garantía implícita se limita a un
período de garantía de dos (2) años o noventa (90) días en el caso de cortacéspedes destinados a alquiler. Por consiguiente, se rechaza en
su totalidad cualquier garantía implícita, incluidas las garantías de comerciabilidad, adecuación para un fin determinado, o de otro tipo,
después de la finalización del correspondiente período de garantía de dos años o noventa días. La obligación de Scag en virtud de la
presente garantía se limita estricta y exclusivamente a la reparación o el reemplazo de piezas defectuosas, y Scag no asume ni autoriza a
ningún otro a asumir en su lugar ninguna otra obligación. La limitación antes mencionada no será de aplicación en aquellos estados en los
que no esté permitida la limitación del período de validez de una garantía implícita.
Scag no asume responsabilidad alguna por daños incidentales, consecuentes ni de cualquier otro tipo, incluyendo, pero sin limitarse a, gasto
de gasolina, gasto de entrega del cortacésped a un distribuidor autorizado Scag y gasto de su devolución al propietario, tiempo de viaje del
mecánico, cargos por comunicaciones telefónicas o telegramas, alquiler de un producto similar durante el período en que se llevan a cabo
las reparaciones bajo garantía, viajes, pérdida o daño de bienes personales, lucro cesante, daños ocasionados por la pérdida del uso
del cortacésped, daños por la pérdida de tiempo o cualquier otro inconveniente. La limitación o exclusión antes
mencionada no será de aplicación en aquellos estados en los que no esté permitida la exclusión o limitación de daños
incidentales o consecuentes. La presente garantía le otorga derechos legales específicos, aparte de los derechos de los
que usted goza, según el estado.

21
DIMENSIONES APROXIMADAS SW- 32 SW- 36A SW- 48V SW- 52V
Longitud: 70.0" 72.0" 76.0" 76.0"
Longitud con el recogedor de césped: 70.0" 72.0" 76.0" 76.0"
Ancho de alineación: 32.0" 37.0" 37.0" 37.0"
Ancho: 43.0" 47.0" 60.5" 64.5"
Ancho (con la tolva de descarga arriba): 33.0" 37.0" 49.0" 53.0"
Ancho con recogedor de césped: 51.0" 56.0" 68.0" 71.0"
Altura: 40.5" 40.5" 40.5" 40.5"
Altura con recogedor de césped: 40.5" 40.5" 40.5" 40.5"
Peso 450 lbs. 470 lbs. 515 lbs. 535 lbs.
Peso con recogedor de césped: 490 lbs. 510 lbs. 555 lbs. 575 lbs.
Radio de giro: Cero Cero Cero Cero

20
ESPECIFICACIONES TÉCNICAS (CONTINUACIÓN)
PLATAFORMAS DE CORTE SWM 32, SWM 36 Advantage, SWM 48 Velocity Plus,
Velocity Plus SWM 52.
Tipo: Diseño delantero con rodillos amortiguadores del corte rasante
Construcción: SWM32, 36A y 48V: Acero calibre 7 con faldón de calibre 7 (3/16")
SWM52V: Acero calibre 10 con faldón calibre 7 (3/16")
Ancho de corte: 32.0" (81.3 cm), 35.5" (90.2 cm), 48.0" (122.0 cm),
52.0" (132.0 cm)
Ajuste de altura de corte Ajustable desde 1-3/4" a 4-1/4" en incrementos de 1/4"
Cuchillas de corte: Marbain , .197 de grosor
SWM 36: Dos (2) 18"; SWM 48: Tres (3) 16.5"
SWM 52: Tres (3) 18"
Accionamiento de las cuchillas: Embrague eléctrico de freno de cuchilla con interruptor de panel de
Abertura de descarga: Abertura de descarga extra ancha con tolva de descarga cargada
por resorte
Ruedas locas: Llantas macizas de 9 x 3.5 con flotación de la banda de rodadura
suave, rodamientos de rodillos y retiro rápido del pin
Ejes: Cuerpo fundido, rodamiento de rodillos cónicos, bajo
mantenimiento con conexión de grasa en la parte superior y
cabezal móvil de alivio de exceso de grasa
Poleas del eje: Acero partido con cubos cónicos de fácil desmontaje
Polea guía: Polea de 5" de diámetro, de fabricación soldada y remachada,
Rodamientos OD de 1-3/8"
Brazo de la polea: Brazo de polea para servicio pesado de canal de acero de 1/4"
Correas de la plataforma de corte: Sección B, de Kevlar
ESPECIFICACIONES ADICIONALES
ARTÍCULOS/ACCESORIOS OPCIONALES
Recogedor de césped de tela: Recogedor de césped GC-F4 con capacidad de 4 pies cúbicos.
Recogedor de césped de metal: Recogedor de césped GC-4D con capacidad de 4 pies cúbicos
y descarga por tirón de una cuerda o tipo recoger y descargar
Deflector turbo Deflector de descarga de alta velocidad. Mejora la calidad del
corte y la distribución de la descarga.
Equipo mezclador de paja Hurricane: El exclusivo sistema mezclador de paja Hurricane emplea las
placas tipo “ojo de la tormenta” (eye of the hurricane) combinado
con deflectores en V empernados, directores de flujo, cuchillas
eliminadoras y una placa de cierre de descarga lateral.
Sujetavasos: Permite al operador llevar en forma segura y práctica una bebida.
Fecha de publicación: Abril de 2007
Especificaciones sujetas a cambio sin previo aviso
Sección 3

19
Fecha de publicación: Abril de 2007
Especificaciones sujetas a cambio sin previo aviso
MODELOS SW32-15KAI, SW36A-15KH, SW36A-16KAI, SW48V-15KH,
SW48V-16KAI, SW52V-17KAI
MOTOR
Tipo general: Industrial de servicio pesado/Comercial
Marca / Modelo: Kawasaki FH430V, FH480V & FH541V
Kohler CV15T
Potencia: Kawasaki FH430V=15HP, FH480V=16HP, FH541V=17HP
Kohler CV15T=15 HP
Tipo: Kawasaki 15 HP, 16 HP y 17 HP motor de gasolina de 4 ciclos, enfriado por
aire, dos cilindros en V, motor de eje vertical.
Kohler 15 HP, motor de gasolina de 4 ciclos, enfriado por aire, un solo cilindro,
motor de eje vertical.
Desplazamiento: Kawasaki FH430V = 431cc: FH480V = 472cc: FH541V = 585cc
Kohler CV15T=426cc
Controlador: Controlador tipo mecánico con control de velocidad variable. Ajustes:
Kawasaki 15 HP = 3600 rpm (+/- 100 rpm), marcha en vacío puesta a 1550 rpm
Kawasaki 150 16HP = 3600 rpm (+/- 100 rpm), marcha en vacío puesta a 1550 rpm
Kawasaki 150 17HP = 3600 rpm (+/- 100 rpm), marcha en vacío puesta a 1550 rpm
(+/- 150 RPM)
Kohler 15 HP = 3600 rpm (+/- 50 rpm), marcha en vacío puesta a 1200 rpm (+/ - 75 rpm)
Filtro de aire: Elemento doble de gran capacidad con filtro de aire tipo ciclónico.
Escape: Silenciador de tubo de escape simple y doble.
Arrancador/Sistema eléctrico: Encendido electrónico con arrancador de retroceso.
Conjunto de bomba
de combustible: Variado - Consulte la especificación del fabricante.
Conjunto de bomba de aceite: Variado - Consulte la especificación del fabricante.
Grupo de válvula: Variado - Consulte la especificación del fabricante.
PLATAFORMA DEL MOTOR
Espesor: Acero calibre 7.
Tanque de combustible: Polietileno sin costuras, 6 galones (19.0 litros) con sujetavasos.
Ruedas motrices/Llantas: 13.0 x 6.50-6 sin cámara neumática, dos capas.
Barras del mango: 1-1/4" diámetro.
ESPECIFICACIONES TÉCNICAS

18
Identificación de fallas en las condiciones de corte
CONDICIÓN CAUSA SOLUCIÓN
Alojamiento de la plataforma doblado Consulte con su distribuidor SCAG
autorizado
Falla del eje interno Consulte con su distribuidor
Scag autorizado
Área de montaje del eje doblada Consulte con su distribuidor SCAG
autorizado
Corte inclinado -
Crestas inclinadas a
través del ancho de la
trayectoria de corte
Consulte con su distribuidor
Scag autorizado
Montaje incorrecto del eje
Falla del eje interno Consulte con su distribuidor SCAG
autorizado
Cuchilla doblada Reemplace la cuchilla
Corte lateral - Cresta
en el centro de la
trayectoria de corte
Cuchillas mal montadas, disparejas Ajuste la inclinación y el nivel
Césped mojado Corte el césped una vez que se
seque
Velocidad demasiado alta Disminuya la velocidad para ajustarse
a las condiciones del terreno
Terreno rugoso
Se puede tener que reducir la velocidad en
el terreno, aumentar la altura de la
plataforma de corte y/o cambiar la dirección
del corte
Raspadoras - Las
cuchillas pegan en la
tierra o están cortando
muy cerca al terreno
Baja presión de las llantas Verifique y ajuste las presiones
Velocidad demasiado alta Disminuya la velocidad para ajustarse
a las condiciones del terreno
Corte demasiado bajo Se puede tener que reducir la velocidad en
el terreno, aumentar la altura de la
plataforma de corte, cambiar la dirección del
corte y/o cambiar la inclinación y el nivel
Ancho de la
plataforma de corte SGB 022
Ancho de la
plataforma de corte SGB 024
Ancho de la
plataforma de corte SGB 025

17
CONDICIÓN
Identificación de fallas en las condiciones de corte
CAUSA SOLUCIÓN
Cuchilla desafilada Afile la cuchilla
Área del eje doblada Consulte con su distribuidor SCAG
autorizado
Plataforma de corte montada
incorrectamente Consulte con su distribuidor
Scag autorizado
Demasiado ángulo en la cuchilla
(inclinación de la plataforma de Ajuste la inclinación y el nivel
Césped acumulado debajo de la
plataforma de corte Limpie la parte de abajo de la
plataforma
Cuchilla montada invertida Monte la cuchilla con el filo
hacia el terreno
Reemplace la cuchillaCorte disparejo en
terreno plano -
Apariencia baja y alta
ondulada, corte volado
o perfil irregular
Levantador de la cuchilla desgastado
Corte disparejo en
terreno disparejo -
Apariencia baja y alta
ondulada, corte volado
o perfil irregular
Se puede tener que reducir la
velocidad en el terreno, aumentar la
altura de la plataforma de corte y/o
cambiar la dirección del corte
Terreno disparejo
Salientes inclinadas a lo
ancho de la trayectoria
de corte
Revise y ajuste la
presión de las llantas
Plataforma de corte montada
incorrectamente
Consulte con su distribuidor SCAG
autorizado
Ruedas disparejas
Revise y ajuste la presión de las
llantas
Revise y ajuste la presión de las
llantas
Ancho de la
plataforma de corte SGB 020
Ancho de la
plataforma de corteSGB 021
Ancho de la
plataforma de corte SGB 023

16
CONDICIÓN CAUSA SOLUCIÓN
Identificación de fallas en las condiciones de corte
Cuchillas dobladas Reemplace las cuchillas
Césped mojado Corte el césped una vez que se seque
Velocidad demasiado alta Disminuya la velocidad para ajustarse
a las condiciones del terreno
Césped acumulado debajo de la
plataforma de corte
Limpie la parte de abajo de la
plataforma
Correa patinando Ajuste la tensión de la correa
Bajas revoluciones (rpm) del motor Opere el motor a 3600 RPM
Afilado incorrecto de las cuchillas
Vetas - Franjas de césped
sin cortar en la rayectoria
de corte Afile las cuchillas
Cuchillas desafiladas o desgastadas Afile las cuchillas
Correas patinando Ajuste la tensión de la correa
Césped acumulado debajo de la
plataforma de corte
Limpie la parte de abajo de la
plataforma
Cuchillas desafiladas, afilado
incorrecto Afile las cuchillas
Césped mojado Corte el césped una vez que
se seque
Velocidad demasiado alta Disminuya la velocidad para ajustarse
a las condiciones del terreno
Opere el motor a 3600 RPM
Largueros -Cuchillas
ocasionales de césped
sin cortar Grass
Bajas revoluciones (rpm) del motor
Aumente el traslape de cada paseVetas - Franjas de
césped sin cortar entre
trayectorias de corte
Traslape insuficiente entre pasadas
Ancho de la
plataforma de corte
SGB 020
Ancho de la
plataforma de corte
SGB 018
Ancho de la
plataforma
de corte
Ancho de la
plataforma
de corte
SGB 019

15
LUBRICACIÓN Y MANTENIMIENTO
X Verifique que toda la tornillería esté bien ajustada
X Verifique la correcta alineación de todas las correas
X Verifique el nivel de aceite del motor Vea el manual del operador del motor
X *Limpie el elemento del filtro de aire Vea el manual del operador del motor
X Revise el sistema de presencia del operador Vea la página 5
X Revise la presión de las llantas Vea la página 8
X Verifique la tensión de la correa Vea las páginas 10 y 11
X Afile las cuchillas de corte Vea la página 11
X *Limpie el cortacésped Vea la página 13
X Cambie el aceite del motor y el filtro Vea el manual del operador del motor
X Engrase los rodamientos del eje + Grasa blanca de litio US MP 2125
X Cambie el aceite del motor Vea el manual del operador del motor
X Verifique la correcta alineación de todas las correas
X *Reemplace el elemento del filtro de aire Vea el manual del operador del motor
X Engrase los rodamientos de la rueda loca Grasa de chasis
X Engrase los rodamientos de la rueda motriz Grasa de chasis
X Engrase los acoplamientos de transmisión Grasa de chasis
X Engrase los soportes de la polea del lado izquierdo y derecho Grasa de chasis
X Verifique que toda la tornillería esté bien ajustada Con mayor frecuencia si es necesario
X Engrase los ejes del pivote de la rueda loca Grasa de chasis
X Reemplace el filtro de combustible del motor Vea el manual del operador del motor;
X Ajuste el entrehierro en el embrague eléctrico Contacte con su distribuidor Scag para obtener
información sobre este procedimiento de
mantenimiento.
USO INICIAL
8 HORAS (DIARIAMENTE)
20 HORAS
40 HORAS/SEMANALMENTE
100 HORAS (CADA DOS SEMANAS)
500 HORAS O ANUALMENTE
OBSERVACIONES
PROCEDIMIENTO
+ Engrase el eje hasta que la grasa salga por la válvula de alivio.
Grasas compatibles: Lidok EP #2 (encontrada en almacenes industriales)
Ronex MP (estaciones de servicio Exxon)
Shell Alvania (estaciones de servicio Shell)
Mobilux #2 (estaciones de servicio Mobil)
SuperLub M EP #2 (estaciones de servicio Conoco)
* Realice con más frecuencia estos procedimientos de mantenimiento bajo condiciones
extremas de polvo o suciedad.

14
El nivel del aceite del motor se debe verificar después de
cada 8 horas de operación o diariamente como se indica en
el manual del operador del motor proporcionado con este
cortacésped.
VERIFICACIÓN DEL NIVEL DE ACEITE DEL
CÁRTER
LIMPIEZA DE LA MÁQUINA
1. Después que cada uso, lave el cortacésped y la
plataforma de corte. Use agua fría y limpiadores
automotrices. No use limpiadores a presión.
2. No rocíe los componentes eléctricos.
3. Repare las superficies de metal dañadas con la
pintura de retoque Scag (N/P 48521) disponible en su
distribuidor autorizado Scag. Encere el cortacésped
con una cera automotriz para una máxima protección
de la pintura.
-NOTA-
En condiciones de mucho polvo, puede ser
necesario dar servicio al filtro de aire
diariamente para prevenir daños al motor.
CAMBIO DE ACEITE DEL CÁRTER
Después de las 20 primeras horas de operación, cambie el
aceite del cárter y reemplace el filtro de aceite. Luego,
cambie el aceite después de cada 100 horas de operación
o cada dos semanas, lo que ocurra primero. Consulte el
manual del operador del motor proporcionado con este
cortacésped para instrucciones.
CAMBIO DE FILTRO DE ACEITE DEL
MOTOR
Después de las primeras 20 horas de operación, reemplace
el filtro de aceite del motor. Luego, reemplace el filtro de
aceite cada 100 horas de operación o cada dos semanas, lo
que ocurra primero. Consulte el manual del operador del
motor para instrucciones.
FILTRO DE AIRE DEL MOTOR
Para cualquier filtro de aire, el ambiente de operación
determina los períodos de servicio del filtro de aire.
Consulte el manual del operador del motor proporcionado
con este cortacésped para instrucciones.
Figura 12. Posición del deflector de corte
personalizado de 4"
2004 CCB - 4" Setting SP
PERNO DEL CARRO
CONJUNTO INFERIOR
DE AGUJEROS PARA
AJUSTE DE 4"
ARANDELA
PLANA TUERCA ELÁSTICA
DE TOPE
Figura 11. Posición del deflector de corte
personalizado de 3-1/2"
2004 CCB - 3-1/2" Setting SP
PERNO DEL CARRO
CONJUNTO CENTRAL DE
AGUJEROS PARA EL
AJUSTE DE 3 ½"
ARANDELA
PLANA TUERCA ELÁSTICA
DE TOPE
PRECAUCIÓN:
No lave ninguna parte del equipo mientras está
caliente. No lave el motor; use aire comprimido.

13
AJUSTE DEL DEFLECTOR DE CORTE
PERSONALIZADO
El deflector de corte personalizado está diseñado para
entregar un óptimo flujo de aire y un desempeño de corte
superior en cualquier tipo de césped. El deflector
personalizado puede levantarse o bajarse para
personalizar en forma precisa el desempeño de la
plataforma para el tipo de césped que se está cortando.
El deflector se puede colocar en tres (3) posiciones
diferentes para el desempeño óptimo.
A. Posición 3" - el deflector se instala usando el
conjunto superior de agujeros en el deflector frontal
soldado dentro de la plataforma de corte. (Vea la
Figura 10). Las plataformas de corte Velocity-Plus y
Advantage entregarán la mejor calidad de corte en
césped muy alto, tieso y difícil de cortar.
B. Posición 3-1/2" (ajuste de fábrica para las
plataformas de corte Advantage) - el deflector se
instala usando el conjunto central de agujeros en el
deflector frontal soldado dentro de la plataforma de
corte. (Vea la Figura 11). Para cortes de propósito
general, coloque el deflector de corte personalizado
en la posición 3-1/2". Esto le da la mejor combinación
de desempeño de corte en todos los tipos de césped.
C. Posición 4" (ajuste de fábrica para las plataformas de
corte Velocity-Plus) - el deflector se instala usando el
conjunto inferior de agujeros en el deflector frontal
soldado dentro de la plataforma de corte. (Vea la
Figura 12) La colocación del deflector en el ajuste de
4" mejorará el corte en otoño (recogida de hojas) y
reducirá los “soplos” en la plataforma de corte.
2004 CCB SP
TORNILLERÍA
DE MONTAJE TORNILLERÍA
DE MONTAJE
-NOTA-
La ubicación de los accesorios usados en las
ilustraciones es sólo para referencia. La
ubicación de los accesorios puede variar de
acuerdo con el tamaño de la plataforma de corte.
PARA AJUSTAR LA ALTURA DEL
DEFLECTOR DE CORTE PERSONALIZADO
1. Retire los accesorios que aseguran el deflector de corte
personalizado a la plataforma de corte (Vea la Figura 9).
Figura 9. Deflector de corte personalizado
2. Mueva el deflector de corte personalizado a la
posición deseada. (Vea las Figuras 10 hasta la 12
para la ubicación).
3. Vuelva a instalar los accesorios de montaje como se
muestra. (Vea las Figuras 10 hasta la 12). Apriete los
tornillos con un torque de 39 pies-lb.
Figura 10. Posición del deflector de corte
personalizado de 3"
2004 CCB - 3" Setting SP
PERNO DEL CARRO
CONJUNTO SUPERIOR
DE AGUJEROS PARA
AJUSTE DE 3"
ARANDELA
PLANA TUERCA ELÁSTICA
DE TOPE

12
AJUSTE DE LA ALTURA DE CORTE
El ajuste de la altura de corte puede realizarse moviendo
cualquiera de los cinco espaciadores más pequeños de 1/
4" en los pernos de montaje de la cuchilla a la parte
superior del eje o por debajo del eje.
-NOTA-
Todas las cuchillas deben estar distribuidas por
igual.
Los espaciadores de la rueda libre también pueden ser
reubicados para modificar las alturas de corte y la
inclinación de la plataforma. (Vea la Figura 6).
Pin
Espaciadores
2003SGB005 SP
Figura 6. Espaciadores de la rueda loca
Para un mejor corte y una mejor descarga, deben
instalarse por lo menos tres espaciadores entre la cuchilla
y el eje (Vea la Figura 7).
Figura 7. Espaciadores de cuchilla
2002 SC407G SP
AJUSTES DE LA PLATAFORMA DE CORTE
(CONTINUACIÓN)
-NOTA-
Afile la cuchilla con una lima. Si usa una
esmeriladora, puede quemar la cuchilla. Revise
el balance de la cuchilla. Si las cuchillas están
desbalanceadas, puede producirse vibración
y desgaste prematuro del conjunto del eje.
Consulte con su distribuidor autorizado Scag
para balancear la cuchilla o por herramientas
especiales si prefiere balancear sus cuchillas
usted mismo.
Cuchillas de corte
No afile las cuchillas más de 1/3 del ancho de la cuchilla.
(Vea la Figura 8).
Figura 8. Afilado de las cuchillas
SGB033 SP
Mantenga el ángulo de
la cuchilla
No corte
X NO debe exceder 1/3
del ancho de la cuchilla
X
30
ADVERTENCIA:
Las cuchillas tienen un borde de corte afilado.
Use protección apropiada para los ojos y guantes
protectores o forre las cuchillas con material de
protección al retirar, afilar e instalar cuchillas.

11
AJUSTES DE LA PLATAFORMA DE CORTE
Debido a las muchas condiciones de corte existentes, es
difícil recomendar un ajuste de la plataforma de corte que
funcione para todos los cortacéspedes. Hay dos ajustes
que pueden realizarse en estas plataformas, inclinación y
altura.
INCLINACIÓN es el ángulo de las cuchillas
(comparando las frontales con las posteriores)
ALTURA es la distancia nominal de la cuchilla al
terreno. Esta medida se realiza con las cuchillas
apuntando lado a lado y la distancia se mide entre la
punta de corte y el terreno. (También consulte Ajuste de
la altura de corte, en la página siguiente).
Los cambios a la altura de corte pueden alcanzarse
mediante la reubicación de la plataforma de corte. (Este
ajuste también afectará la inclinación de la plataforma).
Hay tres posiciones disponibles (vea la Figura 5).
Figura 5. AJUSTE DE ALTURA DE CORTE
SC405G-06 SP
CORTE BAJO (1 3/4" a 3")
CORTE ALTO
(3 1/4" a 4 1/2")
RANGO MEDIO
(2 1/2"a 3 3/4")
AJUSTE DE ALTURA DE LA PLATAFORMA DE CORTE
AJUSTE DE LA ALTURA DE CORTE
El ajuste de la altura de corte puede realizarse moviendo
cualquiera de los cinco espaciadores más pequeños de 1/
4" en los pernos de montaje de la cuchilla a la parte
superior del eje o por debajo del eje.
-NOTA-
Todas las cuchillas deben estar distribuidas por
igual.
Los espaciadores de la rueda libre también pueden ser
reubicados para modificar las alturas de corte y la
inclinación de la plataforma. (Vea la Figura 6).
Pin
Espaciadores
2003SGB005 SP
Figura 6. Espaciadores de la rueda loca
Para un mejor corte y una mejor descarga, deben
instalarse por lo menos tres espaciadores entre la cuchilla
y el eje (Vea la Figura 7).
ADVERTENCIA:
Las cuchillas tienen un borde de corte afilado.
Use protección apropiada para los ojos y guantes
protectores o forre las cuchillas con material de
protección al retirar, afilar e instalar cuchillas.

10
2. Ajuste las varillas del freno de dirección de modo que
los frenos no se apliquen hasta que las palancas de
dirección se tiren firmemente hacia las asas. Cuando
las palancas de dirección están bloqueadas en la
posición neutral, la máquina debe moverse libremente.
CORREA DE LA TRANSMISIÓN
Ajuste la correa de transmisión de modo que haya cerca
de 3/16" de desviación con 10 lbs. de presión. Ajuste
aflojando el perno de montaje de la polea guía y
deslizando la polea a la izquierda o derecha para cambiar
la tensión de la correa.
4. Retire la cubierta de la correa.
ÁREA DE
DESCARGA
POLEA DE
AJUSTE DE LA
PLATAFORMA
DE CORTE
POLEA DE AJUSTE
DE TENSIÓN DE
LA CORREA
VERIFIQUE AQUÍ LA TENSIÓN
DE LA CORREA DE LA CUCHILLA
SC402G SP
Figura 3. Correa de la plataforma de corte
AJUSTES DE CONTROL MOTRIZ
Figura 4. Ajuste de la varilla de control de
dirección
-NOTA-
Palanca de presencia del operador retirada
para mayor claridad. Nunca opere el
equipo con el sistema de enclavamiento
desconectado.
Seguro
neutral
Palanca del freno
de dirección
Posición neutral
de bloqueo
Posición DRIVE
3/4"
SC404GB05 SP
1. Ajuste las varillas de control de dirección de modo
que haya una luz aproximada de 3/4" desde la parte
inferior de la varilla hasta la parte inferior de la
ranura del seguro neutral en la posición DRIVE.
(Vea la Figura 4).
TUERCA
PERNO"J" CORREA
EXTREMO DE SOPORTE
EN L
ARANDELA
SC400G SP
TENSIÓN DE LA CORREA DE TRANSMISIÓN DE LA
PLATAFORMA DE CORTE
POLEA DE ALINEACIÓN - LADO IZQUIERDO
Figura 1. Ajuste de la correa de transmisión de
la plataforma
-NOTA-
Debido al estiramiento inicial de la correa, y
para evitar que la correa patine, verifique este
ajuste después de las primeras 2, 4, y 8 horas
de operación.
3. Ajuste la correa de transmisión de la cuchilla a mano
derecha con un calibrador de tensión. Ajuste la correa
de modo que la misma se mueva 1/2" con 10 libras de
presión. Ajuste la tensión apretando o aflojando la
tuerca del perno tipo J. (Vea las Figuras 2 y 3).
Figura 2. Ajuste de la correa de la plataforma de
corte a mano derecha
ARANDELA
TUERCA
SC401G SP
CORREA

9
-NOTA-
Use gasolina con un octanaje no menor de 87
y un máximo de 10% de Etanol.
NO use combustible E85. El uso del combustible E85
dañará severamente el motor.
* La transmisión debe estar en NEUTRO.
* El interruptor de embrague de las cuchillas debe
estar en la posición OFF.
* Las palancas de presencia del operador deben
estar liberadas.
* Los seguros de neutral deben estar en la posición
neutral de bloqueo.
* El interruptor de encendido debe estar en ON.
3. Arranque el motor:
* Estrangule según sea necesario. Si el motor está
frío, tire de la perilla de estrangulación. Cuando el
motor arranque, lentamente empuje el
estrangulador. Si el motor se ahoga, repita la
operación de arriba. Cuando el motor está tibio,
puede no ser necesario el uso del estrangulador.
4. Accione las cuchillas de corte presionando las
palancas de operador y tirando el interruptor del
embrague de la cuchilla hacia la posición ON.
Presione el interruptor a la posición OFF para
desconectar las cuchillas de corte.
390S0138
PULL UP TO ENGAGE
PUSH DOWN TO DISENGAGE
-NOTA-
Cuando el PTO está accionado o (posiblemente)
desconectado, es normal escuchar un chirrido
desde la parte inferior de la máquina. Es
causado por el engrane de los platos del
embrague eléctricos mientras el cortacésped
adquiere velocidad. Para alcanzar una mayor
vida del equipo, accione el embrague con el
motor a 3/4 de aceleración, no bajo carga
completa.
7. Cuando las palancas del freno de dirección se liberan,
la máquina se desplazará en línea recta. Para realizar
un giro a la derecha, apriete la palanca derecha. Para
girar a la izquierda, apriete la palanca izquierda.
8. PARA DETENERSE, apriete ambas palancas,
bloquee los seguros de neutral y cambie la
transmisión a neutral.
6. Mientras está apretando las palancas del freno de
dirección con ambas manos, libere ambos seguros de
la posición neutral.
-NOTA-
¡Sólo se recomienda la velocidad máxima para
transporte!
5. Cambie la transmisión a la velocidad de corte
deseada.
ADVERTENCIA:
Para evitar lesiones personales graves y daños
a la transmisión, la máquina debe estar
completamente detenida antes de realizar un
cambio entre engranajes o de cambiar entre el
movimiento hacia adelante y reversa.
1. Retire la cubierta de la correa.
2. Ajuste la correa de transmisión de la plataforma de
corte con un calibrador de tensión. Ajuste la correa
de modo que la misma se mueva 1/2" con 10 libras
de presión. Ajuste la tensión apretando o aflojando la
tuerca del perno tipo J. (Vea la Figura 1).
AJUSTES DE LA CORREA DE LA
PLATAFORMA DE CORTE
Detenga el motor y quite la llave del encendido
antes de realizar cualquier ajuste. Espere que todas
las partes móviles se detengan antes de comenzar
a trabajar.
PRECAUCIÓN:

8
6. Aplique lubricante a todas las conexiones.
El lubricante se aplicó en fábrica. Esto sólo es una
revisión preventiva para asegurarse de que todas las
conexiones hayan sido lubricadas.
9. Permita que el motor se enfríe antes de almacenarlo.
PROCEDIMIENTOS DE ARRANQUE INICIAL
(PRIMER DÍA DE USO O
APROXIMADAMENTE 10 HORAS)
OPERACIÓN DEL CORTACÉSPED
1. Lea y entienda las instrucciones de seguridad antes
de tratar de operar esta máquina.
2. Antes de arrancar el motor:
* Llene el tanque de combustible con gasolina limpia
y reciente con un octanaje mínimo de 87 y hasta un
máximo de 10% de Etanol.
* Verifique el nivel de aceite en el tanque hidráulico.
* Abra la válvula de combustible que está al fondo
del tanque.
10. NO almacene la máquina cerca de un fuego abierto.
11. Corte el combustible durante el almacenamiento o el
transporte.
12. Siempre almacene la gasolina en un recipiente rojo,
aprobado para seguridad.
13. Use soportes de gato para apoyar componentes
cuando sea necesario.
14. Libere cuidadosamente la presión de los
componentes que tengan energía almacenada.
15. Tenga cuidado al revisar las cuchillas. Forre las
cuchillas o use guantes y tenga cuidado al dar
servicio a las cuchillas. Sólo reemplace o afile las
cuchillas. NUNCA enderece ni suelde las cuchillas.
1. Verifique la correcta tensión de las correas a
las 2, 4 y 8 horas. Ajuste como lo considere
necesario.
2. Verifique el ajuste neutral de las varillas de
control de dirección (Consulte la sección
Ajustes, página 11).
3. Verifique la presión adecuada de las llantas.
Ruedas locas Llantas macizas
Ruedas motrices 12 PSI
4. Revise que no haya tornillería floja. Apriete
según sea necesario.
5. Verifique el ajuste adecuado de los
interruptores de seguridad:
*El motor no arrancará si el interruptor PTO está
en ON.
*El motor no arrancará si la máquina no está en
NEUTRO.
*El motor deberá arrancar si la máquina está en
neutral y el interruptor de accionamiento está en
OFF.
4. Desconecte la transmisión, baje los implementos,
detenga el motor y quite la llave o desconecte los
cables de bujía para evitar un arranque accidental del
motor cuando esté dando servicio o ajuste a la
máquina. Espere que todo movimiento cese antes de
realizar cualquier ajuste, limpieza o reparación.
5. Si el cortacésped debe ser inclinado para practicarle
mantenimiento o ajuste, retire la batería y drene la
gasolina del tanque de combustible y el aceite del
cárter.
6. Mantenga apretados todos los pernos, tuercas y
tornillos, para asegurar que la máquina esté en
condiciones seguras de trabajo. Verifique
frecuentemente los pernos de montaje de la cuchilla
para asegurarse que estén ajustados. Reemplace
todas las calcomanías desgastadas o dañadas.
7. Retire la grasa y los desechos de las unidades de
corte, de la transmisión, del silenciador y del motor
para prevenir incendios. Limpie cualquier derrame de
aceite o combustible.
8. El motor debe estar apagado antes de revisar el nivel
de aceite o de agregarlo al cárter.

7
7. Desconecte la potencia a la plataforma de corte
antes de retroceder. No corte en reversa a menos
que sea absolutamente necesario y sólo después de
observar toda el área detrás del cortacésped. Si debe
cortar en reversa, mantenga la vista constantemente
hacia la parte posterior de la máquina y corte
lentamente.
8. Desconecte la potencia a la plataforma de corte
antes de cruzar carreteras, caminos o caminos de
grava. Detenga las cuchillas si no está cortando el
césped.
9. Apague el motor y espere hasta que las cuchillas se
detengan completamente antes de retirar el
recipiente del recogedor de césped.
10. Nunca levante la plataforma de corte mientras las
cuchillas estén girando.
11. Mantenga las manos y pies lejos de las cuchillas de
corte y las partes móviles. El contacto puede causar
daños.
15. Tome toda precaución posible cuando deje la
máquina sin atención, como desconectar el
cortacésped, detener el motor y quitar la llave.
13. NO dirija la descarga del material hacia otras
personas, ni permita que haya nadie cerca a la
máquina mientras está en funcionamiento.
12. NO opere sin la tolva de descarga lateral instalada y
en la posición baja.
14. Si las cuchillas de corte golpean un objeto sólido o si
el equipo comienza a vibrar en forma anormal,
detenga el motor, desconecte el cable de la bujía y
busque inmediatamente la causa. Generalmente, la
vibración es una advertencia de alguna falla. Busque
si hay daños o piezas defectuosas en la máquina.
Repare cualquier daño antes de arrancar el motor o
de operar la plataforma de corte. Asegúrese de que
las cuchillas estén en buen estado y que sus pernos
estén ajustados.
CONSIDERACIONES DE OPERACIÓN
(CONTINUACIÓN)
PELIGRO:
¡NUNCA PONGA LAS MANOS EN LA TOLVA DE
DESCARGA POR NINGÚN MOTIVO!
CUCHILLAS
GIRATORIAS
PRECAUCIÓN:
No toque el motor ni el silenciador mientras el
motor está funcionando, ni inmediatamente
después de detenerlo. Estas zonas pueden estar
lo suficientemente calientes como para causar
una quemadura.
NO opere el motor dentro de un edificio ni en un
área encerrada sin ventilación apropiada. Los
gases de escape son peligrosos y contienen
monóxido de carbono que pueden causar daño
cerebral y la muerte.
PELIGRO:
16. NO opere el equipo bajo la influencia de alcohol o
drogas.
17. Tenga cuidado al cargar o descargar la máquina en
un remolque o un camión.
18. Tenga cuidado al aproximarse a esquinas ciegas,
arbustos, árboles, u otros objetos que puedan
disminuir la visibilidad.
19. No cambie los ajustes del controlador del motor ni
opere a mayor velocidad de la nominal. Vea el
manual del operador del motor para obtener
información sobre los ajustes del motor.
20. NUNCA deje la máquina funcionando sin atención.
MANTENIMIENTO Y ALMACENAMIENTO
1. Sólo permita que personal entrenado dé servicio a la
máquina.
2. Estacione la máquina en terreno plano.
3. Nunca realice ajustes a la máquina con el motor en
operación a menos que se le indique específicamente
hacerlo así. Si el motor está funcionando, mantenga
las manos, los pies y la ropa lejos de las piezas
móviles.

6
CONSIDERACIONES PREVIAS A LA
OPERACIÓN
(CONTINUACIÓN)
B. Preste atención a agujeros, piedras, raíces y
otros peligros ocultos en el terreno. Manténgase
alejado de toda pendiente vertical. Tenga cuidado
con las obstrucciones presentes arriba de su
cabeza (ramas bajas, etc.), obstáculos
subterráneos (aspersores, tubos, raíces de
árboles, etc.). Ingrese con precaución a un área
nueva. Preste atención a posibles peligros
ocultos.
10. Si la descarga del cortacésped se tapona, apague el
motor, quite la llave de encendido y espere que cese
todo movimiento antes de quitar la obstrucción.
11. Verifique a intervalos frecuentes que los pernos de
montaje de la cuchilla estén correctamente ajustados.
CONSIDERACIONES DE OPERACIÓN
3. Asegúrese que los conmutadores de bloqueo
funcionen correctamente.
2. Arranque el motor cuando los seguros de neutral
están en la posición neutral de bloqueo, las cuchillas
de corte desconectadas y la transmisión en neutral.
1. Antes de operar el cortacésped, debe familiarizarse
con todos los controles del cortacésped y el motor.
Es importante conocer la ubicación, función y
operación de estos controles para la operación
segura y eficiente del cortacésped.
4. NO CORTE cuando niños y/o otras personas estén
presentes. Mantenga a los niños fuera del área de
corte y al cuidado atento de un adulto responsable
distinto del operador. Esté atento y apague la
máquina si un niño ingresa al área.
9. Siempre debe estar instalada la tolva de descarga y
en la posición baja en la plataforma de corte de la
descarga lateral, excepto cuando el recogedor de
césped opcional o la placa de mezcla de paja Scag
estén correctamente instalados.
ADVERTENCIA:
NO use la mano para desatascar la tolva de
descarga. Use una varilla u otro dispositivo para
retirar el material atascado después de apagar el
motor y que las cuchillas paren de girar.
5. NO LLEVE pasajeros.
6. El uso de la máquina requiere atención. Para evitar
la pérdida de control:
A. Corte el césped sólo con luz de día o buena luz
artificial.
ADVERTENCIA:
NO OPERE en pendientes empinadas. Para
probar si puede trabajar en una cuesta, trate de
retroceder (con la plataforma de corte baja). Si
la máquina no puede retroceder en una
pendiente sin que las ruedas resbalen, no la
opere en dicha pendiente.
SIEMPRE desplácese a través de la pendiente
cuando sea posible. Nunca suba y baje la
pendiente.
Reduzca la velocidad y tenga cuidado al girar o
al operar en pendientes, o en superficies
húmedas o resbaladizas. Permita una distancia
adicional para detenerse.
Opere la máquina suavemente, sin giros repentinos,
ni arranques o paradas en una pendiente.
SIEMPRE mantenga el equilibrio. Mantenga
firmemente las asas y camine---no corra.
NO corte cerca de pendientes verticales, zanjas
ni terraplenes. La máquina podría volcarse
repentinamente si una rueda pasa encima de un
borde o si el borde se derrumba.
NO permita que personal sin entrenamiento
opere la máquina.
SIEMPRE CUMPLA CON LAS OPERACIONES
APROBADAS POR OSHA

5
CONSIDERACIONES PREVIAS A LA OPERACIÓN
(CONTINUACIÓN)
5. Siempre use ropa apropiada. La ropa holgada, el
cabello largo o las joyas podrían enredarse en partes
móviles. No opere la máquina llevando pantalones
cortos; siempre lleve ropa de protección adecuada,
incluyendo pantalones largos. Es recomendable
llevar gafas de seguridad, zapatos de seguridad y un
casco, pues es requerido por algunos reglamentos
locales y normas del seguro.
Siempre use protectores auditivos. El operar
esta máquina por períodos prolongados de
tiempo puede causar pérdida de la audición.
ADVERTENCIA:
6. Mantenga la máquina y los accesorios en buenas
condiciones de operación. Mantenga todas las
guardas y dispositivos de seguridad en su lugar. Si
una guarda, un dispositivo de seguridad o una
calcomanía están defectuosos o dañados, repárelos o
reemplácelos antes de operar la máquina.
Esta máquina está equipada con un sistema de
bloqueo diseñado para evitar lesiones personales al
operador y a terceros. Esto se logra evitando que el
motor arranque a menos que la transmisión de
plataforma esté desconectada y la transmisión en
neutral. El sistema apaga el motor si el operador
libera las palancas de presencia del operador con la
transmisión de plataforma accionada y/o cuando la
transmisión no está en neutral. Nunca opere el
equipo con el sistema de bloqueo desconectado ni
funcionando defectuosamente.
ADVERTENCIA:
7. Llene el tanque de combustible con gasolina limpia y
reciente con un octanaje mínimo de 87, y hasta un
máximo de 10% de Etanol. Para evitar lesiones
personales o daños a la propiedad, tenga mucho cuidado
al manipular gasolina. La gasolina es extremadamente
inflamable y los vapores son explosivos.
NO use combustible E85. El uso del combustible
E85 dañará severamente el motor.
B. Use solamente un recipiente aprobado para gasolina.
A. Mantenga los objetos inflamables (cigarrillos,
fósforos o cerillos, etc.), las llamas abiertas y
chispas, lejos del tanque y el recipiente de
combustible.
8. Antes de tratar de arrancar el motor, cambie la
transmisión a neutral, mueva el interruptor de
accionamiento de la cuchilla a la posición OFF y
mueva los seguros de neutral a neutral.
NO OPERE SIN EL EQUIPO MEZCLADOR DE PAJA DE LA TOLVA DE
DESCARGA, O SIN EL RECOGEDOR DE CÉSPED INSTALADOS.
ADVERTENCIA
C. NO agregue combustible a un motor en
operación ni a un motor caliente. Permita que el
motor se enfríe por varios minutos antes de
agregar el combustible.
D. Nunca abastezca de combustible al cortacésped
bajo techo ni en un remolque cerrado.
E. Nunca almacene el cortacésped o el recipiente
de combustible donde haya una llama abierta,
chispa o luz piloto, como de un calentador de
agua u otros aparatos.
F. Nunca llene recipientes dentro de un vehículo ni
en un camión o remolque que tenga forro de
material plástico. Siempre coloque los recipientes
en el terreno lejos de su vehículo antes de
abastecerlos de combustible.
G. Retire la máquina del camión o del remolque y
abastézcala de combustible en el terreno. Si esto
no es posible, añada el combustible con un
recipiente portátil en lugar de usar una boquilla
de un dispensador de gasolina.
H. Mantenga la boquilla en contacto con el borde del
tanque de combustible o con la abertura del
recipiente hasta terminar de llenar el combustible.
No utilice un dispositivo que bloquee la boquilla
en posición abierta.
I. Si derrama combustible en la ropa, cámbiesela
inmediatamente.
J. Coloque nuevamente la tapa de gasolina y apriete
firmemente.

4
INFORMACIÓN DE SEGURIDAD
INFORMACIÓN GENERAL DE
SEGURIDAD
Su cortacésped es tan seguro como el operador. El error o
descuido del operador puede ocasionar lesiones personales
graves o la muerte. El control de riesgos y la prevención
de accidentes dependen del conocimiento, el interés, la
prudencia, y el entrenamiento apropiado del personal
relacionado con la operación, el transporte, mantenimiento
y almacenamiento del equipo. Cerciórese de que cada
operador esté entrenado apropiadamente y completamente
familiarizado con todos los controles antes de operar el
cortacésped. El propietario/usuario puede evitar y es
responsable de los accidentes o heridas que les ocurran a
ellos mismos, a otras personas o a la propiedad.
LEA ESTE MANUAL DEL OPERADOR ANTES DE
TRATAR DE ARRANCAR SU CORTACÉSPED.
PALABRAS DE SEÑALIZACIÓN
Este símbolo significa “¡Atención! ¡Alerta! ¡Hay un
riesgo para su seguridad!” El símbolo se usa con las
siguientes palabras de señalización para llamar su atención
sobre mensajes de seguridad localizados en las calcomanías
del equipo y a través de este manual. El mensaje que sigue al
símbolo contiene información importante sobre seguridad.
¡Para evitar posibles lesiones o la muerte, lea detalladamente
el mensaje! Cerciórese de entender completamente las
causas que pueden ocasionar lesiones o la muerte.
Hay disponible un manual de reemplazo en su distribuidor
autorizado Scag o contactándose con Scag Power
Equipment, Service Department en P.O. Box 152,
Mayville, WI 53050, o visitando su sitio web en www.
scag.com. Puede descargar el manual para su máquina
utilizando el modelo y el número de serie o mediante el
formulario de contacto para hacer su pedido. Indique el
modelo y el número de serie completos de su producto de
Scag cuando solicite manuales de reemplazo.
Si el operador o mecánico no puede leer inglés o español,
es responsabilidad del propietario explicarles este material.
Palabra de señalización:
La palabra de señalización es distintiva y se encuentra en
las calcomanías de seguridad del equipo y a través de este
manual para alertar sobre la existencia y el grado de una
condición de peligro.
PELIGRO:
La palabra de señalización “DANGER” (PELIGRO)
indica que existe una situación extremadamente peligrosa
en o cerca de la máquina, que tiene altas probabilidades
de ocasionar la muerte o una lesión irreparable si no se
toman las precauciones apropiadas.
ADVERTENCIA:
La palabra de señalización “WARNING”
(ADVERTENCIA) indica que existe un riesgo en o
cerca de la máquina que puede ocasionar lesiones o la
muerte si no se toman las precauciones debidas.
PRECAUCIÓN:
La palabra de señalización “CAUTION”
(PRECAUCIÓN) es un recordatorio de que se deben
seguir prácticas seguras en o cerca de la máquina y que
de no seguirse, se pueden ocasionar lesiones personales.
Su seguridad y la de los demás dependen en gran parte de
que usted conozca y comprenda todos los procedimientos
y las prácticas de operación correcta de esta máquina.
CONSIDERACIONES PREVIAS
A LA OPERACIÓN
1. Familiarícese con la operación segura del equipo, los
controles del operador y las señales de seguridad.
2. NUNCA permita que niños o personas no
calificadas operen o den servicio a esta máquina.
3. NO PERMITA que los niños se suban o jueguen en
la máquina, no es un juguete.
4. Retire del área que debe ser cortada todos los
objetos que pudieran ser recogidos y arrojados por
las cuchillas.

3
Lento
Rápido
Elemento cortante – Conectar
Elemento cortante - Símbolo básico
Elemento cortante – Desconectar
Continuamente variable – Lineal
Lea el manual del operador
Mantenga alejados a los
curiosos
Punto de contacto
481039S
SÍMBOLO DESCRIPCIÓN SÍMBOLO DESCRIPCIÓN
Horómetro/Horas de operación
transcurridas
Peligro de objetos lanzados

2
Transmisión
Ahogador
Encendido/Arranque Tensión del resorte en la polea
Aceite
Apagado/Parada
SÍMBOLO DESCRIPCIÓNSÍMBOLO DESCRIPCIÓN
Símbolos ISO
Cuchilla giratoria
48071S
Freno de estacionamiento
Riesgo de caída Objetos lanzados

1
INFORMACIÓN GENERAL
INTRODUCCIÓN
Su cortacésped se fabricó según las normas más
exigentes de la industria. Sin embargo, la duración de la
vida útil y el logro de la máxima eficiencia de su
cortacésped dependen de que se sigan las instrucciones
de operación, mantenimiento y ajuste indicadas en este
manual.
Si requiere información o servicio adicionales, contacte
con su distribuidor de Scag Power Equipment.
Le sugerimos que se ponga en contacto con su
distribuidor cuando necesite reparaciones. Todos los
distribuidores Scag están informados de los últimos
métodos para dar servicio a este equipo y para
proporcionar un servicio oportuno y eficiente en el sitio
de trabajo o en el taller de servicio. Ellos cuentan con la
línea completa de piezas de repuesto Scag.
EL REEMPLAZO DE CUALQUIER PARTE DE
ESTE PRODUCTO POR OTRA PIEZA DE
REPUESTO QUE NO ESTÉ AUTORIZADA POR
EL FABRICANTE PUEDE PERJUDICAR EL
RENDIMIENTO, DURABILIDAD O
SEGURIDAD DE ESTE PRODUCTO.
EL USO DE PIEZAS DE REPUESTO QUE NO
SEAN SCAG ORIGINALES ANULARÁ LA
GARANTÍA.
SÓLO USE DISPOSITIVOS APROBADOS
POR SCAG.
Los accesorios y aditamentos fabricados por compañías
que no sean la propia Scag Power Equipment no están
aprobados para usarlos en esta máquina. El uso de
dispositivos no aprobados, (especialmente los dispositivos
de conducción “verticales”) puede ser peligroso.
GC-F4 (n/p 9055)
GC-4D (n/p 9054)
Placa desmenuzadora (n/p 9258, 9286, 9287)
Sistema mezclador de paja HurricaneTM (n/p 9263,
9283, 9284)
Sujetavasos (n/p 9240)
Horómetro (n/p 48023)
Deflector turbo (n/p 424208)
Blade Buddy (n/p 9212)
ACCESORIOS Y ADITAMENTOS APROBADOS
POR SCAG:
Para una mejor visualización, algunas ilustraciones y las
figuras en este manual pueden mostrar las protecciones,
las guardas o los platos, abiertos o retirados. Bajo
ninguna circunstancia su cortacésped debe operarse sin
estos accesorios colocados en su lugar.
Toda la información está basada sobre la
información disponible del producto al momento de
aprobarse la impresión. Scag Power Equipment se
reserva el derecho de realizar cambios en cualquier
momento sin previo aviso y sin contraer ninguna
obligación.
RIESGO DE CAÍDA
SÓLO USE DISPOSITIVOS DE
CONDUCCIÓN APROBADOS POR SCAG
LEA EL MANUAL DEL OPERADOR
481109 SP
ADVERTENCIA
REFERENCIA DE INSTRUCCIONES
Los lados “derecho” e “izquierdo”, “frontal” y “posterior”
de la máquina se refieren a la izquierda y derecha del
operador cuando se encuentra en posición de operación
normal y de cara a la dirección de desplazamiento hacia
adelante.
SERVICIO AL MOTOR
Los detalles sobre servicio y reparación del motor no están
cubiertos en este manual; sólo se proporcionan instrucciones
de mantenimiento de rutina y de servicio general. Para dar
servicio al motor durante el período de garantía limitada, es
importante contactar con su distribuidor Scag o encontrar
a un agente local de servicio autorizado del fabricante del
motor. Cualquier trabajo no autorizado realizado en el motor
durante el período de garantía puede anularla.

II
TABLA DE CONTENIDO
(CONTINUACIÓN)
TEMA PÁGINA
Lista de partes ilustrada
Plataforma de corte SWM-32", 36" .............................................................. 20-21
Plataforma de corte SWM-48", 52" .............................................................. 22-23
Notas .......................................................................................................... 24
Conjunto de la rueda libre ........................................................................... 25
Plataforma del motor.................................................................................... 26-27
Conjunto del mango .................................................................................... 28-29
Tablero de instrumentos .............................................................................. 30
Transmisión Peerless .................................................................................. 31
Mazo de cables de la plataforma del motor ................................................. 32
Mazo de cables del mango.......................................................................... 32
Adaptador del mazo de cables-Kawasaki (15 HP, 16 HP y 17 HP) ............. 33
Calcomanías de repuesto............................................................................ 34-35
Declaración de garantía ...................................... Dentro de la cubierta posterior

TABLA DE CONTENIDO
MODELO SW
I
WE SUPPORT OPE
TECHNICIAN
CERTIFICATION
TEMA PÁGINA
Introducción ................................................................................................. 1
Referencia de instrucciones ........................................................................ 1
Servicio al motor .......................................................................................... 1
Símbolos ..................................................................................................... 2-3
Instrucciones generales de seguridad ......................................................... 4
Palabras de señalización ............................................................................ 4
Consideraciones previas a la operación ..................................................... 4-6
Consideraciones de operación.................................................................... 6-7
Mantenimiento y Almacenamiento .............................................................. 7-8
Procedimientos de arranque inicial ............................................................. 8
Operación del cortacésped ......................................................................... 8-9
Ajustes de la correa de la plataforma de corte............................................. 9
Correa de la transmisión ............................................................................. 10
Ajustes de control motriz ............................................................................. 10
Ajustes de la plataforma de corte ................................................................ 10-11
Ajuste de la altura de corte .......................................................................... 11
Cuchillas de corte........................................................................................ 12
Ajuste del deflector de corte personalizado................................................. 13
Mantenimiento del aceite del motor ............................................................. 14
Mantenimiento del filtro de aire del motor .................................................... 14
Limpieza de la máquina .............................................................................. 14
Tabla de Lubricación y Mantenimiento ........................................................ 15
Identificación de fallas en las condiciones de corte..................................... 16-18
Especificaciones técnicas ........................................................................... 19-21

EL INCUMPLIMIENTO DE LAS PRÁCTICAS SEGURAS DE
OPERACIÓN PUEDE RESULTAR EN LESIONES GRAVES.
* Mantenga todas las guardas en su posición, especialmente la de la
tolva de descarga de césped.
* Antes de realizar cualquier mantenimiento o servicio, detenga la
máquina y quite el cable de la bujía y la llave de encendido.
* Si un mecanismo se atasca, detenga el motor antes de limpiar.
* Mantenga las manos, los pies y la ropa lejos de las partes móviles.
* Lea este manual completamente así como cualquier otro manual
proporcionado con su cortacésped.
* Mantenga a otras personas alejadas del tractor (sólo una persona
debe usarlo a la vez).
* NO OPERE en pendientes empinadas. Para probar si puede trabajar
en una cuesta, trate de retroceder (con la plataforma de corte baja).
Si la máquina puede retroceder por la pendiente sin que las ruedas se
resbalen, reduzca la velocidad y opere con extremo cuidado.
SIEMPRE CUMPLA CON LAS OPERACIONES APROBADAS POR
OSHA.
* NO corte en césped mojado. El césped mojado reduce la tracción y el
control de dirección.
RECUERDE - ¡SU CORTACÉSPED ES TAN SEGURO COMO EL OPERADOR!
El control de riesgos y la prevención de accidentes dependen del conocimiento, el
interés, la prudencia, y el entrenamiento apropiado del personal relacionado con la
operación, el transporte, mantenimiento y almacenamiento del equipo.
Cuando se refiera a este producto siempre use el número de serie
completo que aparece en la etiqueta de número de serie.
Este manual cubre las instrucciones de operación y la
lista de partes ilustradas para:
SW32-15KAI con número de serie de D5700001 a D5799999
SW36A-15KH con número de serie de D5800001 a D5899999
SW36A-16KAI con número de serie de D5900001 a D5999999
SW48V-15KH con número de serie de D6000001 a D6099999
SW48V-16KAI con número de serie de D6100001 a D6199999
SW52V-17KAI con número de serie de D6200001 a D6299999

MODELO SW
MANUAL DEL OPERADOR
ESTE MANUAL CONTIENE LAS
INSTRUCCIONES DE OPERACIÓN Y LA
INFORMACIÓN DE SEGURIDAD PARA SU
CORTACÉSPED SCAG. LA LECTURA DE ESTE
MANUAL LE PUEDE AYUDAR EN EL
MANTENIMIENTO Y LOS PROCEDIMIENTOS
DE AJUSTE A FIN DE MANTENER SU
CORTACÉSPED TRABAJANDO A LA MÁXIMA
EFICIENCIA. LOS MODELOS ESPECÍFICOS
CUBIERTOS POR ESTE MANUAL ESTÁN
INDICADOS EN LA CUBIERTA INTERIOR.
ANTES DE OPERAR SU MÁQUINA, LEA TODA
LA INFORMACIÓN INCLUIDA. PARTE Nº 03224
IMPRESO EN ABRIL DE 2007
IMPRESO EN EE.UU.
© 2007
SCAG POWER EQUIPMENT
DIVISION OF METALCRAFT OF MAYVILLE, INC.