Schlage L Series Service Manual 106500
User Manual: Schlage L-Series Service Manual Product Manual
Open the PDF directly: View PDF
.
Page Count: 232 [warning: Documents this large are best viewed by clicking the View PDF Link!]

L-Series
Service manual

Contents
5 Introduction
6 Dot charts
6 Changes and additions
6 Additions
7 Lock assembly drawing index
25 Trim assemblies
26 L400-Series deadbolt trim
28 L9000-Series single dummy trim
29 L9000-Series double dummy trim
30 Passage latch trim
32 Exit trim
34 Emergency button x turn trim
36 Privacy x turns both sides trim
38 Coin turn outside x turn trim
40 Cylinder x turn trim
42 Double cylinder trim
44 Double cylinder storeroom trim
46 Cylinder outside trim
48 Electrically locked/unlocked both sides trim
50 Electrically locked/unlocked outside trim
52 Electrically locked/unlocked both sides trim
56 Electrically locked/unlocked both sides trim, single
cylinder
58 Electrically locked/unlocked outside trim, double
cylinder
60 Electrically locked/unlocked both sides trim, double
cylinder
62 Active double dummy trim
64 Single dummy with case trim
66 Double dummy with case trim
68 Deadbolt trim
70 Deadbolt with fixed double dummy trim
72 Fixed outside x turn trim
74 Institution deadbolt trim
76 Prison lock trim
78 Hotel with indicator trim
80 Passage and electrically locked/unlocked, two-point
latch trim
82 Outside lever only, two-point latch trim
84 Cylinder x turn, two-point latch trim
86 Outside cylinder and electrically locked/unlocked
outside cylinder, two-point latch trim
88 Double cylinder and electrically locked/unlocked
outside cylinder, two-point latch trim
91 Lock case assemblies
92 L460, L462, L463, L464, L480, L496
93 L9010
94 LM9310, LM9325
95 L9040, L9040 x XL11-446, L9044
96 LV9040, LV9040 x XL11-446, LV9044
97 L9050, L9060, L9066 x XL11-897, L9070, L9071
98 LV9050, LV9060, LV9070, LV9071
99 LM9350, LM9370, LM9371
100 LMV9350, LMV9370, LMV9371
101 L9056
102 LV9056
103 L9076, L9077
104 LV9076, LV9077
105 L9080
106 LV9080
107 LM9380
108 LMV9380
109 L9080EL, L9080EL-RX
110 LV9080EL
111 L9080EU, L9080EU-RX
112 LV9080EU
113 L9082
114 LV9082
115 L9082EL
116 L9082EU
117 L9090EL/EU, L9092EL/EU, L9094EL/EU
118 L9091EL/EU, L9093EL/EU, L9095 EL/EU
119 L9492EL/EU, L9494 EL/EU
120 L9493 EL/EU, L9495 EL/EU
121 L9110 x XL11-741
122 L9175
123 L9176
124 L9440, L9444
125 LV9440, LV9444
126 L9453
127 LV9453
128 L9456, L9457, L9496
129 LV9456, LV9457, LV9496
130 L9458
131 LV9458
132 L9460, L9462, L9463, L9464
133 L9460 x XL11-635
134 L9460 x XL11-886, L9462 x XL11-886,
L9464 x XL11-886
135 L9465, L9466, L9473
136 L9480, L9485, L9486, L9486 x L583-375,
L9412 x XL11-907
137 LV9480, LV9485, LV9486, LV9486 x L583-375
138 L9482 x XL11-543
139 LV9482 x XL11-543
140 L9485 x XL11-557
141 LM9210, LM9225
142 LM9256
143 LM9250, LM9270, LM9271, LM9280
144 LM9290 EL/EU, LM9292 EL/EU, LM9294 EL/EU
145 LM9291 EL/EU, LM9293 EL/EU, LM9295 EL/EU
146 Lock case assembly compatibility

147 Assembly of lock case parts
147 Turn hub spring and transfer lever
147 Locking catch /retractor catch and locking link
148 L functions only: fire door fuse, fire door catch
and hub spring
148 LV functions only: fire door fuse, fire door catch
and hub spring
149 Trim options
149 Cast or forged levers, standard lever designs
150 Decorative trim
150 Decorative levers
150 Decorative roses
151 M collection levers
151 Inside lever assembly
151 Outside lever assembly
152 Danmark stainless steel levers
153 Wrought knob designs
154 Rose trim A or B
155 L escutcheon trim
157 N escutcheon trim
158 Indicator trim options
158 Indicator kits
158 Indicator parts
159 Additional trim options
160 Trim assembly parts
163 Armor fronts
164 Strikes
165 Cylinders
165 How to measure cylinder lengths
165 L-Series, LV-Series cylinder and length requirements
166 Full face cylinders
167 Concealed cylinders
168 Full size interchangeable core cylinders
170 Small format interchangeable core cylinders
172 Blocking and compression rings
173 Special trim options
176 Installation tools and kits
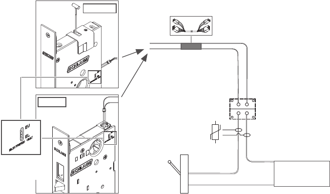
178 Electrified locks
180 LM9200 Series two point lock
181 LM9300 Series multipoint lock
182 Lubrication specifications
184 Door handing
184 Changing the lock hand
184 Changing cylinder turn hand
185 Ordering procedures
186 Finishes
187 Limited warranty
188 L9000-Series installation instructions
204 L400-Series installation instructions
206 L9000-Series 180 degree indicator
installation instructions – escutcheon trim
214 L9000-Series 180 degree indicator
installation instructions – sectional trim
222 L400-Series 180 degree indicator
installation instructions
228 L9000-Series electrified installation
instructions

Introduction
Introduction
Standard features
Certifications
Case size M\znZ\zn M\znB\, X>\nvZ>\cx
Armor front Z\v Z\v>\zn Z\vBB\nv"
Deadbolt
Latchbolt C\v
Strike Z\vM\,C\znZ\,B\,
Backset C\v"
Cylinder
Door range C\v
Keys
Strike
1¹⁄₄" (32)
or
1¹⁄₁₆"
(27)
1¹⁄₄"
(32)
1³⁄₁₆"
(30)
⁵⁄₈"
(16)
³⁄₈"
(10)
³⁄₈"
(10)
⁵⁄₈"
(16)
³⁄₈"
(10)
⁵⁄₃₂"
(4)
3"
(76) 2⁹⁄₆₄"
(54)
1²³⁄₃₂"
(44)
Cylinder
cut-out
Height
Line
2²³⁄₃₂
"
(69)
¹⁵⁄₁₆"
(24)
1¹⁄₈"
(29)
⁷⁄₃₂"
(6)
1" (25)
Bevel ¹⁄₈" in 2" (3 in 51)
2³⁄₄" (70)
Backset
4⁷⁄₁₆" (113)
⁵⁄₈"
(16)
³⁄₄"
(19)
³⁄₄"
(19)
⁵⁄₈"
(16) Lock
Front
C
L
¹⁷⁄₃₂"
(14)
Mounting
Holes
Knob or Lever
Cut-out
Turn Piece
and
Occupancy
Indicator
3⁵⁵⁄₆₄"
(98)
3"
(76)
4"
(102)
4⁷⁄₈"
(124)
⁷⁄₈"
(22)
⁷⁄₈"
(22)
C
L
³⁄₈"
(10) C
L
4"
(102)
C
L
C
L
3³⁄₈"
(86)
(Standard)
(Optional)
L/LV9000 shown

Changes and additions
Dot charts
P/N Description
L9110/XL11-741
L9175
L9176
L9177 (disc)
L9178 (disc)
L9410 (disc)
L9440
LV9440
L9444*
LV9444*
L9453
LV9453
L9456
LV9456
L9457
LV9 4 57
L9458
LV9458
L9460
L9460/XL11-635
L9460/XL11-886
L9462
L9462/XL11-886
L9463
L9464
L9464/XL11-886
L9465
L9466
L9473
L9480
LV9480
L9482/XL11-543
LV9482/XL11-543
L9485
LV9485
L9485/XL11-557**
LV9485/XL11-557
• ••••2222 • • • 2 2 • • • • 2•••2 2 • •
Changes and additions
Additions
L909X, L949X electrified locks
LM92XX multipoint locks
L-Series with indicator option

Lock assembly drawing index
Lock assembly drawing index
Outside Inside
Emergency Turn
Latchbolt
Coin Turn
Deadbolt
Two-point
latchThumbturn
Cylinder Auxiliary
Latch
Electrified
Cylinder
Cylinder Turn
Legacy
Occupancy
Indicator
Two-piece Spindle
Solid Spindle
One-piece Outside Spindle
DO NOT DISTURB
RX
Messaging
indicator
available
Messaging
indicator
available
LOCKEDLOCKED
L9000 FUNCTIONS
ANSI/BHMA A156.13, 2012, Series 1000, Grade 1
Non-keyed locks
Trim
assembly
page no.
Lock
assembly
page no.
Lock case
part no.
SCHLAGE ANSI Description
L0170 Half dummy trim
L0172 Full dummy trim
L9010 F01 Passage latch
L9040 F22
LOCKED
Bath/bedroom privacy lock
LV9040 F22
LOCKED
Bath/bedroom privacy lock with Vandlgard�

Lock assembly drawing index
L9000 FUNCTIONS
ANSI/BHMA A156.13, 2012, Series 1000, Grade 1
Non-keyed locks
Trim
assembly
page no.
Lock
assembly
page no.
Lock case
part no.
SCHLAGE ANSI Description
L9040 x XL11-446 Privacy with turns both sides
LV9040 x XL11-446 Privacy with turns both sides with Vandlgard�
L9044
LOCKED
Privacy with coin turn outside
®
LV9044
LOCKED
Privacy with coin turn outside with Vandlgard�
L9110 x XL11-741 Double dummy with active trim
L9175 Single dummy with lock case
L9176 Double dummy with lock case
L9440 F19
LOCKED
Privacy with deadbolt
LV9440 F19
LOCKED
Privacy with deadbolt with Vandlgard�

Lock assembly drawing index
L9000 FUNCTIONS
ANSI/BHMA A156.13, 2012, Series 1000, Grade 1
Non-keyed locks
Trim
assembly
page no.
Lock
assembly
page no.
Lock case
part no.
SCHLAGE ANSI Description
L9444
LOCKED
Privacy with deadbolt and coin turn outside
®
LV9444
LOCKED
Privacy with deadbolt and coin turn outside with Vandlgard�
L9000 FUNCTIONS
ANSI/BHMA A156.13, 2012, Series 1000, Grade 1
Keyed locks
Trim
assembly
page no.
Lock
assembly
page no.
Lock case
part no.
SCHLAGE ANSI Description
L9050 F04
LOCKED
Entrance/oce and inner entry lock
LV9050 F04
LOCKED
Entrance/oce and inner entry lock with Vandlgard
L9056
LOCKED
L9050 with automatic unlocking
LV9056
LOCKED
LV9050 with automatic unlocking with Vandlgard®
L9060 F09
LOCKED
Apartment entrance lock

Lock assembly drawing index
L9000 FUNCTIONS
ANSI/BHMA A156.13, 2012, Series 1000, Grade 1
Keyed locks
Trim
assembly
page no.
Lock
assembly
page no.
Lock case
part no.
SCHLAGE ANSI Description
LV9060 F09
LOCKED
Apartment entrance lock with Vandlgard
L9066 x XL11-897 Storeroom lock with double cylinders*
L9070 F05
LOCKED
Classroom lock
LV9070 F05
LOCKED
Classroom lock with Vandlgard®
L9071 F32
LOCKED
Classroom security lock
LV9071 F32
LOCKED
Classroom security lock with Vandlgard
L9076 F06 Classroom holdback lock ◊
LV9076 F06 Classroom holdback lock with Vandlgard ◊
L9077 Classroom security holdback lock ◊

Lock assembly drawing index
L9000 FUNCTIONS
ANSI/BHMA A156.13, 2012, Series 1000, Grade 1
Keyed locks
Trim
assembly
page no.
Lock
assembly
page no.
Lock case
part no.
SCHLAGE ANSI Description
LV9077 Classroom security holdback lock with Vandlgard® ◊
L9080 F07 Storeroom lock
LV9080 F07 Storeroom Lock with Vandlgard®
L9080EL Electrically locked (fail safe)
Discontinued December 2014. See page 177 for electrified options.
LV9080EL Electrically locked (fail safe) with Vandlgard®
Discontinued December 2014. See page 177 for electrified options.
L9080EU Electrically unlocked (fail secure)
Discontinued December 2014. See page 177 for electrified options.
LV9080EU Electrically unlocked (fail secure) with Vandlgard
Discontinued December 2014. See page 177 for electrified options.
L9080EL-RX Request to exit electrically locked (fail safe)
Discontinued December 2014. See page 177 for electrified options.

Lock assembly drawing index
L9000 FUNCTIONS
ANSI/BHMA A156.13, 2012, Series 1000, Grade 1
Keyed locks
Trim
assembly
page no.
Lock
assembly
page no.
Lock case
part no.
SCHLAGE ANSI Description
L9080EU-RX Request to exit electrically unlocked (fail secure)
Discontinued December 2014. See page 177 for electrified options.
L9082 F30 Institution lock*
LV9082 F30 Institution lock with Vandlgard
L9082EL Electrically locked (fail safe) both sides *
Discontinued December 2014.
L9082EU Electrically unlocked (fail secure) both sides
Discontinued December 2014.
L9412 x XL11-907 Exit lock with deadbolt
L9453 F20 Entrance/oce lock with deadbolt
LV9453 F20 Entrance lock with deadbolt and Vandlgard

Lock assembly drawing index
L9000 FUNCTIONS
ANSI/BHMA A156.13, 2012, Series 1000, Grade 1
Keyed locks
Trim
assembly
page no.
Lock
assembly
page no.
Lock case
part no.
SCHLAGE ANSI Description
L9456 F13
LOCKED
Corridor lock with deadbolt
LV9456 F13
LOCKED
Corridor lock with deadbolt and Vandlgard®
L9457 F33
LOCKED
Classroom security lock with deadbolt
LV9457 F33
LOCKED
Classroom security lock with deadbolt and Vandlgard
L9458 F34
LOCKED
Classroom security lock with auxiliary latch
LV9458 F34
LOCKED
Classroom security lock with auxiliary latch and Vandlgard
L9465
LOCKED
Closet/storeroom lock
L9466 F14
LOCKED
Storeroom/utility room lock*

Lock assembly drawing index
L9000 FUNCTIONS
ANSI/BHMA A156.13, 2012, Series 1000, Grade 1
Keyed locks
Trim
assembly
page no.
Lock
assembly
page no.
Lock case
part no.
SCHLAGE ANSI Description
L9473 F21
LOCKED
Dormitory/bedroom lock
L9480 Storeroom lock with deadbolt
LV9480 Storeroom lock with deadbolt and Vandlgard�
L9482 x XL11-543 Institution lock with deadbolt*
LV9482 x XL11-543 Institution lock with deadbolt* and Vandlgard�
L9485
LOCKED
Faculty restroom lock with deadbolt
LV9485
LOCKED
Faculty restroom lock with deadbolt and Vandlgard®
L9485 x XL11-557 Prison lock
®

Lock assembly drawing index
L9000 FUNCTIONS
ANSI/BHMA A156.13, 2012, Series 1000, Grade 1
Keyed locks
Trim
assembly
page no.
Lock
assembly
page no.
Lock case
part no.
SCHLAGE ANSI Description
L9486 F15
DO NOT DISTURB
Hotel lock with 09-611 "Do not disturb" indicator
LV9486
DO NOT DISTURB
Hotel lock with 09-611 "Do not disturb" indicator with Vandlgard®
L9486 x L583-375
OCCUPIED
Hotel lock with 09-611 "Occupied" indicator
LV9486 x L583-375
OCCUPIED
Hotel lock with 09-611 "Occupied" indicator with Vandlgard®
L9496
OCCUPIED
Privacy lock with "Occupied" indicator
LV9496
OCCUPIED
Privacy lock with "Occupied" indicator with Vandlgard®

Lock assembly drawing index
L9000 FUNCTIONS
ANSI/BHMA A156.13, 2012, Series 1000, Grade 1
Keyed L9000-Series deadbolts
Trim
assembly
page no.
Lock
assembly
page no.
Lock case
part no.
SCHLAGE ANSI Description
L9460 F17
LOCKED
Cylinder by thumbturn lock
L9462 F16
LOCKED
Double cylinder lock*
L9463 F29
LOCKED
Classroom lock
L9464 F18
LOCKED
Cylinder lock
L9460 x XL11-635
LOCKED
L9460 with fixed dummy trim
L9460 x XL11-886
LOCKED
Deadbolt with retraction by inside knob/lever
L9462 x XL11-886
LOCKED
Double cylinder deadbolt* with retraction by inside knob/lever
L9464 x XL11-886
LOCKED
Single cylinder deadbolt with retraction by inside knob/lever

Lock assembly drawing index
L909X Electrified functions
ANSI/BHMA A 156.25, 2014
Non-keyed locks
Trim
assembly
page no.
Lock
assembly
page no.
Lock case
part no.
SCHLAGE Description
L9090 EL/EU Electrically locking and unlocking outside lever (no cylinder)
L9091 EL/EU Electrically locking and unlocking both levers (no cylinder)
L909X Electrified functions
ANSI/BHMA A 156.25, 2014
Keyed Locks
Trim
assembly
page no.
Lock
assembly
page no.
Lock case
part no.
SCHLAGE Description
L9092 EL/EU Electrically locking and unlocking outside lever (outside cylinder)
L9093 EL/EU Electrically locking and unlocking both levers (outside cylinder)
L9094 EL/EU Electrically locking and unlocking outside lever (inside and outside cylinders)
L9095 EL/EU Electrically locking and unlocking both levers (inside and outside cylinders)*

Lock assembly drawing index
L949X Electrified functions
ANSI/BHMA A 156.25, 2014
Keyed locks with deadbolt
Trim
assembly
page no.
Lock
assembly
page no.
Lock case
part no.
SCHLAGE Description
L9492 EL/EU Electrically locking and unlocking outside lever (outside cylinder, inside
thumbturn with deadbolt)
L9493 EL/EU Electrically locking and unlocking both levers (outside cylinder, inside
thumbturn with deadbolt)*
L9494 EL/EU Electrically locking and unlocking outside lever (inside and outside cylinder
with deadbolt)
L9495 EL/EU Electrically locking and unlocking both levers (inside and outside cylinder
with deadbolt)*
LM9200 Two-point functions
ANSI/BHMA A 156.37, 2014
Non-keyed locks
Trim
assembly
page no.
Lock
assembly
page no.
Lock case
part no.
SCHLAGE Description
LM9210 Passage lock two-point latch

Lock assembly drawing index
LM9200 Two-point functions
ANSI/BHMA A 156.37, 2014
Non-keyed locks
Trim
assembly
page no.
Lock
assembly
page no.
Lock case
part no.
SCHLAGE Description
LM9225 Exit lock two-point latch
LM9200 Multipoint functions
ANSI/BHMA A 156.37, 2014
Keyed Locks
Trim
assembly
page no.
Lock
assembly
page no.
Lock case
part no.
SCHLAGE Description
LM9250 Oce, entry lock two-point latch
LM9256 LM9250 Oce, entry with automatic unlocking two-point latch
LM9270 Classroom lock two-point latch
LM9271 Classroom security lock* two-point latch
LM9280 Storeroom lock two-point latch

Lock assembly drawing index
LM9200 Multipoint functions
ANSI/BHMA A 156.37, 2014
Keyed Locks
Trim
assembly
page no.
Lock
assembly
page no.
Lock case
part no.
SCHLAGE Description
LM9290 EL/EU Electrified outside lever lock, two-point latch
LM9291 EL/EU Electrified both levers lock, two-point latch *
LM9292 EL/EU Electrified outside lever lock, two-point latch (outside cylinder)
LM9293 EL/EU Electrified both levers lock two-point latch (outside cylinder) *
LM9294 EL/EU Electrified outside levers lock two-point latch (inside and outside cylinder)
LM9295 EL/EU Electrified both levers lock two-point latch (inside and outside cylinder) *

Lock assembly drawing index
LM9300 Multipoint functions**
ANSI/ICC 500 for tornadoes, ANSI/BHMA A 156.37, 2014
FEMA 320 and FEMA 361 certified for tornadoes
Non-keyed locks
Trim
assembly
page no.
Lock
assembly
page no.
Lock case
part no.
SCHLAGE Description
LM9310 Passage latch with three-point latch
LM9325
Exit lock function with three-point latch
LM9300 Multipoint functions**
ANSI/ICC 500 for tornadoes, ANSI/BHMA A 156.37, 2014
FEMA 320 and FEMA 361 certified for tornadoes
Keyed Locks
Trim
assembly
page no.
Lock
assembly
page no.
Lock case
part no.
SCHLAGE Description
LM9350
LOCKED
Oce and inner entry lock with three-point latch
LMV9350
LOCKED
Oce and inner entry lock with three-point latch and Vandlgard�
LM9370
LOCKED
Classroom lock with three-point latch
LMV9370
LOCKED
Classroom lock with three-point latch and Vandlgard
LM9371
LOCKED
Classroom security lock with three-point latch

Lock assembly drawing index
LM9300 Multipoint functions**
ANSI/ICC 500 for tornadoes, ANSI/BHMA A 156.37, 2014
FEMA 320 and FEMA 361 certified for tornadoes
Keyed Locks
Trim
assembly
page no.
Lock
assembly
page no.
Lock case
part no.
SCHLAGE Description
LMV9371
LOCKED
Classroom security lock with three-point latch and Vandlgard� *
LM9380 Storeroom lock with three-point latch
LMV9380 Storeroom lock with three-point latch and Vandlgard�

Lock assembly drawing index
L400 FUNCTIONS
ANSI/BHMA A156.13, 2010, Series 1000, Grade 1
Keyed L400-Series
Trim
assembly
page no.
Lock
assembly
page no.
Lock case
page no.
SCHLAGE ANSI
L460 E06071
LOCKED
Cylinder by thumbturn lock
L462 E06061
LOCKED
Double cylinder lock*
L463 E06091
LOCKED
Classroom lock
L464 E06081
LOCKED
Cylinder lock
L496 Deadbolt lock with "occupied" indicator
L400 FUNCTIONS
ANSI/BHMA A156.13, 1994, Series 1000, Grade 1
Non-keyed L400-Series
Trim
assembly
page no.
Lock
assembly
page no.
Lock case
page no.
SCHLAGE ANSI Description
L480 F14
LOCKED
Door bolt

26 L400-Series deadbolt trim
28 L9000-Series single dummy trim
29 L9000-Series double dummy trim
30 Passage latch trim
32 Exit trim
34 Emergency button x turn trim
36 Privacy x turns both sides trim
38 Coin turn outside x turn trim
40 Cylinder x turn trim
42 Double cylinder trim
44 Double cylinder storeroom trim
46 Cylinder outside trim
48 Electrically locked/unlocked both sides trim
50 Electrically locked/unlocked outside trim
52 Electrically locked/unlocked both sides trim
56 Electrically locked/unlocked both sides trim, single
cylinder
58 Electrically locked/unlocked outside trim, double
cylinder
60 Electrically locked/unlocked both sides trim, double
cylinder
62 Active double dummy trim
64 Single dummy with case trim
66 Double dummy with case trim
68 Deadbolt trim
70 Deadbolt with fixed double dummy trim
72 Fixed outside x turn trim
74 Institution deadbolt trim
76 Prison lock trim
78 Hotel with indicator trim
80 Passage and electrically locked/unlocked, two-point
latch trim
82 Outside lever only, two-point latch trim
84 Cylinder x turn, two-point latch trim
86 Outside cylinder and electrically locked/unlocked
outside cylinder, two-point latch trim
88 Double cylinder and electrically locked/unlocked
outside cylinder, two-point latch trim
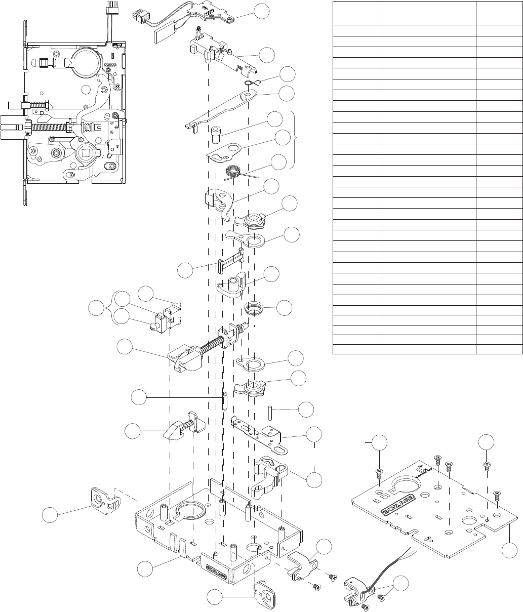
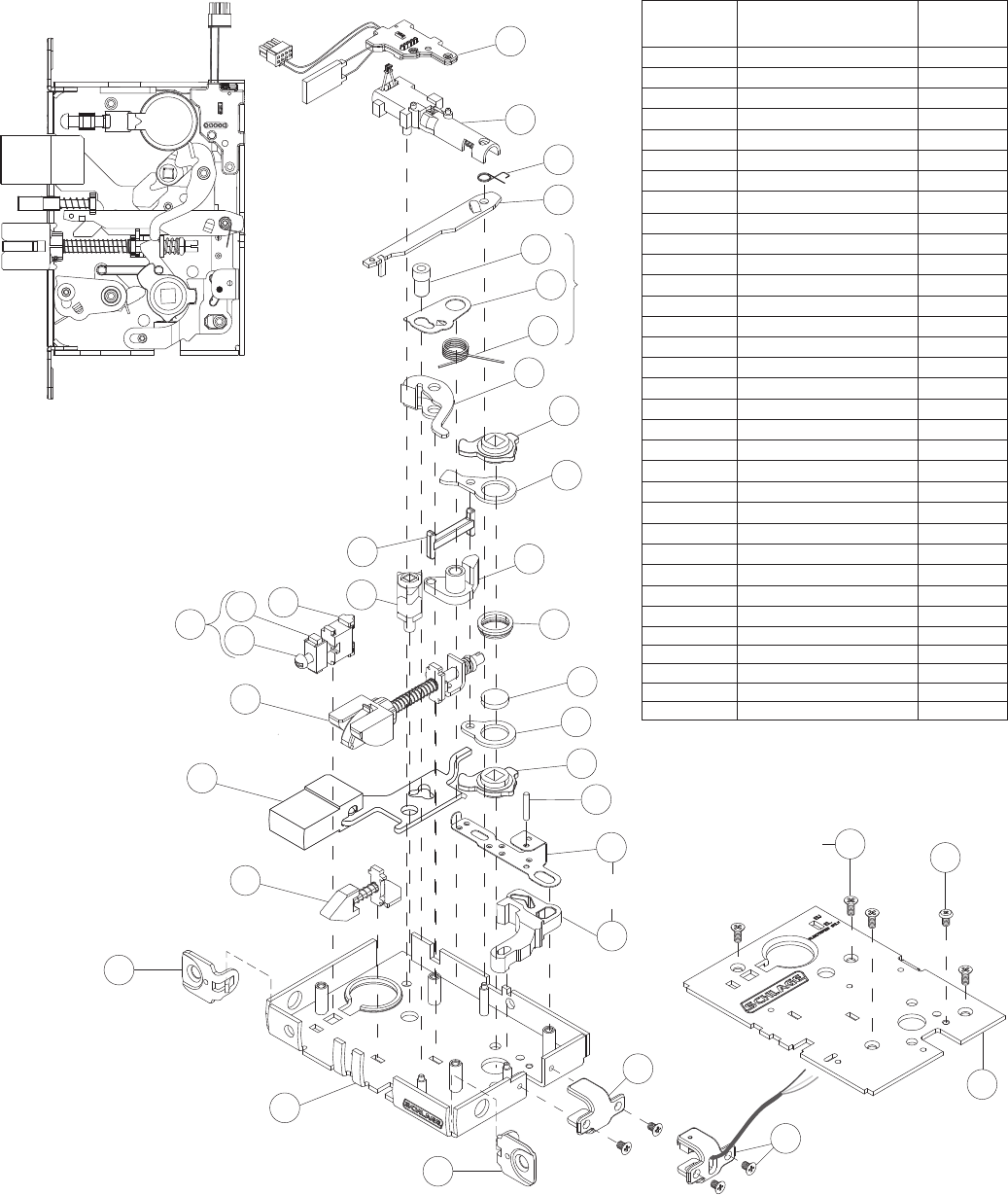
Trim assemblies

Trim assemblies
L400-Series deadbolt trim
L460, L462, L463, L464, L480, L496
K
R
Q
O
BB
F
DD
M
T
2
2
BB
P
P
Q
M
O
K
R
Q
O
DD
DD
M
2
L462P
BB
P
L
K
R
Q
O
DD
M
DD
BB
K
Q
O
M
R
2
BB
K
F
R
2
F
BB
K
R
H
Q
M
DD
O
L460P
L463P L464P
L496
L480
T
2
T
2
2
T
2
T
2
2
T
2

Trim assemblies
P/N Description
L460
L462
L463
L464
L480
L496
F09-509 Inside thumbturn
H09-611 Occupancy Indicator
K09-717 L400 Series 1Z\v" armor front x Schlage logo, deadbolt
L09-905 Classroom turn and 1Z\," blocking ring
M30-001 Full face cylinder with compression ring and spring, clover leaf cam
O30-021 Full face cylinder with compression spring, clover leaf cam
P36-082 Blocking ring
Q36-083 Compression ring and spring
RC203-736 Case mounting screw pack
TK110-020 Armor screw pack
BB L283-099 Assembled lock case, L400 deadbolt
DD L583-195 Compression spring

Trim assemblies
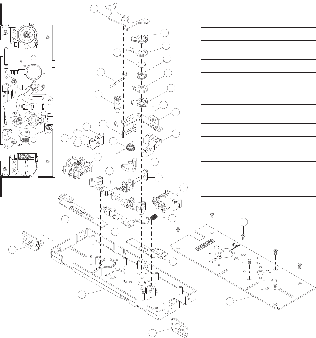
L9000-Series single dummy trim
L0170
B
C
YII
AA
GG
B
S
B
SICC
V
GG
AA
HH
C
B
I
CC
V
Levers
Knobs
2
2
22
P/N Description
B09-402 Inside knob and lever
C09-403 Inside rose
I09-632 Inside escutcheon for knob/lever, N x blank
SL583-133 N escutcheon thru-bolts/screws (quantity – 2)
VK510-320 Dummy mounting plug
YL283-031 Inside lever mounting plate
AA L283-065 Spindle and spring, single dummy
CC
Mounting plate screws (quantity – 2)
L583-290 Wood/metal door x rose/escutcheon x lever
L583-291 Wood/metal door x rose/escutcheon x knob
GG L583-286 Dummy mounting bar
HH L583-321 Inside knob mounting plate
II L583-322 Outside lever spacer

Trim assemblies
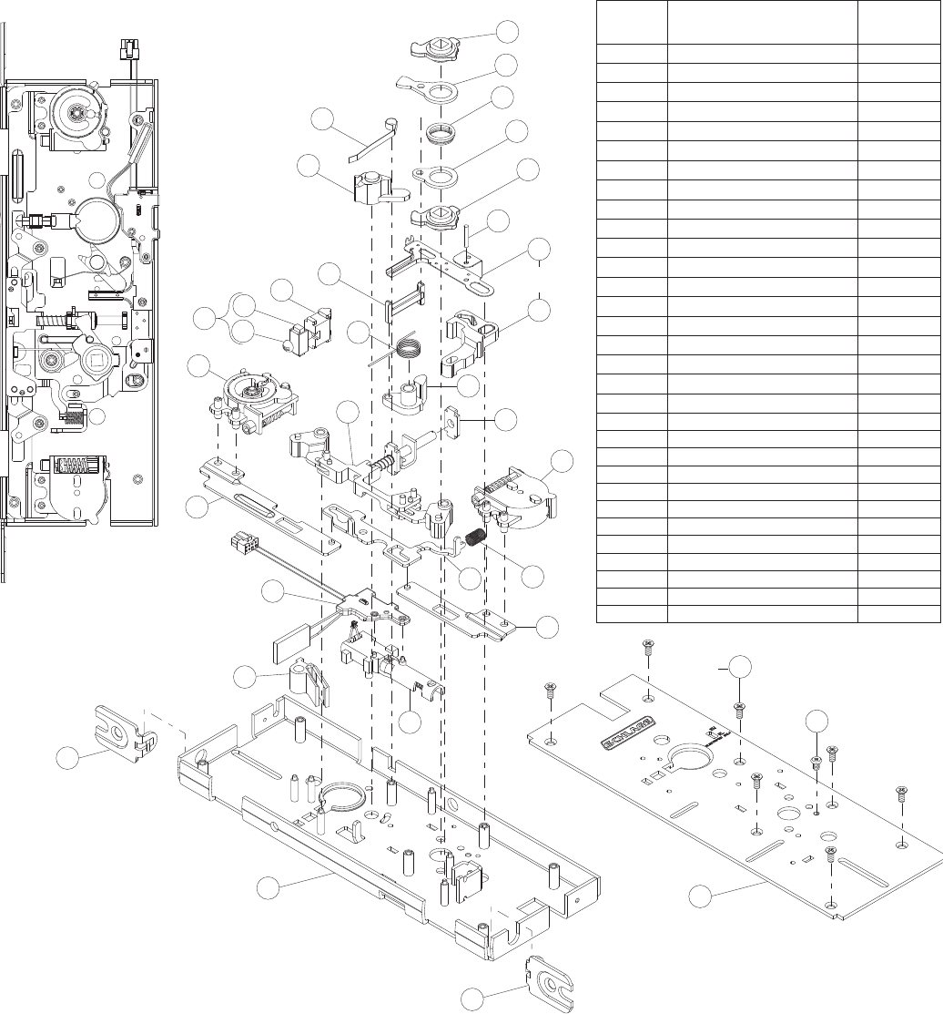
L9000-Series double dummy trim
L0172
B
SI
CC
V
B
C
YII GG
AA
II
EE
XD
A
E
A
J
X
G
B
B
SI
CC
GG
AA
EE U
E
D
U
A
A
U
G
J
U
C
HH
2
22
2
22
Levers
Knobs
V
P/N Description
A09-401 Outside knob and lever
B09-402 Inside knob and lever
C09-403 Inside rose
D09-404 Outside rose and bushing
E09-506 O/S rose & knob/lever, all designs except AST, AVA, MER
09-655 Outside rose and knob/lever, AST, AVA, MER designs
G09-550 Outside escutcheon x knob/lever (except 93 lever),
L and N x blank
I09-632 Inside escutcheon for knob/lever, L and N x blank
J09-636 O/S escutcheon & bushing x knob/lever (except 93
lever), L and N x blank
09-650 Outside N escutcheon and bushing x 93 lever, blank
P/N Description
SL583-133 Escutcheon thru-bolts/screws (qty – 2), N escutcheon
L583-287 Escutcheon thru-bolts/screws (qty – 2), L escutcheon
UK110-550 Knob truarc rings and spacer pack
VK510-320 Dummy mounting plug
XL283-030 Lever truarc rings
YL283-031 Inside lever mounting plate
AA L283-064 Spindle and spring, double dummy
CC L583-066 Mounting plate screws (qty – 2), wood/metal door x
rose/escutcheon x knob/lever, except single dummy
EE L583-212 Mounting posts, L (qty –2)
GG L583-286 Dummy mounting bar
HH L583-321 Inside knob mounting plate
II L583-322 Outside lever spacers (qty – 2)

Trim assemblies
Passage latch trim
L9010, LM9310
B
C
AA BB
Z
AA EE
X
E
D
A
B
2
2
2
2
2
2
I
CC
Y
S
Z
K
T
R
X
J
A
G
C
B
AA BB
EE
AA
E
U
U
D
UA
B
I
CC
HH
S
K
T
RU
U
J
UA
G
Levers
Knobs
2
2
2
2

Trim assemblies
P/N Description
L9010
LM9310
A09-401 Outside knob and lever
B09-402 Inside knob and lever
C09-403 Inside rose
D09-404 Outside rose and bushing
E
Outside rose and knob/lever:
09-506 All designs except AST, AVA, MER
09-655 AST, AVA, MER
G09-550 Outside escutcheon x knob/lever (except 93 lever) L and N x blank
I09-632 Inside escutcheon for knob/lever, L and N x blank
J09-636 Outside escutcheon and bushing by knob/lever except 93 lever, L and N x blank
09-650 Outside N escutcheon and bushing x 93 lever x blank
K09-662 1Z\v" armor front x Schlage logo, latch
RC203-736 Case mounting screw pack
S
Escutcheon thru-bolts/screws:
K510-389 N escutcheon
L583-120 L escutcheon
TK110-020 Armor screw pack
UK110-550 Knob truarc rings and spacer pack
XL283-030 Lever truarc rings
YL283-031 Inside lever mounting plate
ZL283-040 Lever spring cage
AA L283-060 Spindle and spring
BB
Assembled lock case:
L283-131 Passage
L283-314 Passage/exit x multipoint
CC L583-066 Mounting trim screws, wood/metal door x rose/escutcheon x knob/lever except single dummy
EE L583-212 Mounting post
HH L583-321 Inside knob mounting plate

Trim assemblies
Exit trim
LM9325
B
C
AA
KK
BB
2
2
2
2
CC
Y
Z
K
T
R
2
R
C
B
AA BB
HH
K
T
Levers
Knobs

Trim assemblies
P/N Description
B09-402 Inside knob and lever
C09-403 Inside rose
K09-663 1Z\v" armor front x Schlage logo –latch and auxiliary latch
RC203-736 Case mounting screw pack
TK110-020 Armor screw pack
YL283-031 Inside lever mounting plate
ZL283-040 Lever spring cage
AA L283-060 Spindle and spring
BB L283-314 Assembled lock case, passage/exit x multipoint
CC L583-066 Mounting trim screws, wood/metal door x rose/escutcheon x knob/lever (except single dummy) (qty 2)
HH L583-321 Inside knob mounting plate
KK L283-151 Mounting plate

Trim assemblies
Emergency button x turn trim
L9040, LV9040, L9440, LV9440
B
F
W
FF
FF
C
AA BB
Z
AA
X
E
D
A
B
I
CC
S
2
2
Z
Y
K
T R
X
J
A
G
W
Levers
2
2
EE
2

Trim assemblies
P/N Description
L9040
LV9040
L9440
LV9440
A09-401 Outside lever
B09-402 Inside lever
C09-403 Inside rose
D09-404 Outside rose and bushing
E
Outside rose lever:
09-506 All designs except AST, AVA, MER
09-655 AST, AVA, MER
F09-509 Thumbturn
G09-551 Outside escutcheon x lever (except 93 lever), L and N x emergency button
I09-633 Inside escutcheon for lever, L and N x thumbturn
J09-637 Outside escutcheon and bushing x lever (except 93 lever), L and N x emergency button
09-651 Outside N escutcheon and bushing x 93 lever x emergency button
K
1Z\v" armor front x Schlage logo
09-662 Latch
09-664 Latch and deadbolt
RC203-736 Case mounting screw pack
S
Escutcheon thru-bolts/screws:
K510-389 N escutcheon
L583-120 L escutcheon
TK110-020 Armor screw pack
WK510-330 Emergency button
XL283-030 Lever truarc rings
YL283-031 Inside lever mounting plate
ZL283-040 Lever spring cage
AA L283-060 Spindle and spring
BB
Assembled lock case:
L283-132 Privacy, L
L283-171 Privacy, LV
L283-062 Privacy with deadbolt, L
L283-181 Privacy with deadbolt, LV
CC L583-066 Mounting trim screws, wood/metal door x rose/escutcheon x lever except single dummy
EE L583-212 Mounting posts, L
L583-497 Mounting posts, LV
FF L583-233 Emergency turn

Trim assemblies
Privacy x turns both sides trim
L9040 x XL11-446, LV9040 x XL11-446
B
F
C
AA BB
Z
AA EE X
E
F
D
A
B
I
2 CC
S
Z
Y
K
T R
X
J
A
G
Levers
2
2
2
2

Trim assemblies
P/N Description
L9040 x XL11-446**
LV9040 x XL11-446**
A09-401 Outside lever
B09-402 Inside lever
C09-403 Inside rose
D09-404 Outside rose and bushing
E
Outside rose and lever:
09-506 All designs except AST, AVA, MER
09-655 AST, AVA, MER
F09-509 Inside thumbturn (qty 2)
G09-550/XL11-446 Outside escutcheon x lever (except 93 lever), L x thumbturn ‡
I09-633 Inside escutcheon for lever, L and N x thumbturn
J09-636/XL11-446 Outside escutcheon and bushing x lever (except 93 lever), L x thumbturn ‡
K09-662 1Z\v" armor front x Schlage logo, latch
RC203-736 Case mounting screw pack
SL583-120 Escutcheon thru-bolts/screws, L escutcheon
TK110-020 Armor screw pack
WK510-330 Emergency button
XL283-030 Lever truarc rings
YL283-031 Inside lever mounting plate
ZL283-040 Lever spring cage
AA L283-060 Spindle and spring
BB
Assembled lock case:
L283-132 Privacy, L
L283-171 Privacy, LV
CC L583-066 Mounting trim screws, wood/metal door x rose/escutcheon x lever except single dummy
EE L583-212 Mounting posts, L
L583-497 Mounting posts, LV
FF L583-233 Emergency turn

Trim assemblies
Coin turn outside x turn trim
L9044, LV9044, L9444, LV9444
B
C
F
AA BB F
E
Z
AA
CC
YZ
K
TREE
XD
A
22
2
2
Levers

Trim assemblies
P/N Description
L9044*
LV9044*
L9444*
LV9444*
A09-401 Outside lever
B09-402 Inside lever
C09-403 Inside rose
D09-404 Outside rose and bushing
E
Outside rose and knob/lever:
09-506 All designs except AST, AVA, MER
09-655 AST, AVA, MER
F09-509 Inside thumbturn
L283-124 Coin turn outside
K
1Z\v" armor front x Schlage logo
09-662 Latch
09-664 Latch and deadbolt
RC203-736 Case mounting screw pack
TK110-020 Armor screw pack
XL283-030 Lever truarc rings
YL283-031 Inside lever mounting plate
ZL283-040 Lever spring cage
AA L283-060 Spindle and spring
BB
Assembled lock case:
L283-132 Privacy, L
L283-171 Privacy, LV
L283-062 Privacy with deadbolt, L
L283-181 Privacy with deadbolt, LV
CC L583-066 Mounting trim screws, wood/metal door x rose/escutcheon x lever (except single dummy)
EE L583-212 Mounting posts, L
L583-497 Mounting posts, LV

Trim assemblies
Cylinder x turn trim
L9050, LV9050, LM9350, LMV9350, L9056, LV9056, L9453, LV9453, L9456, LV9456, L9473
B
F
C
AA BB
Z
AA
EE X
E
O
DD
Q
M
O
DD
D
A
B
I
2
2
2
2
2
CC
S
Z
Y
K
T
R
X
J
A
G
C
B
AA BB
AA
E
U
U
D U
A
A
B
I
CC
HH
S
K
T
R U
U
J U
G
F
O
DD
Q
M
O
DD
2
2
2
EE
2
2
Levers
Knobs

Trim assemblies
P/N Description
L9050
LV9050
LM9350
LMV9350
L9056
LV9056
L9453
LV9453
L9456
LV9456
L9473
A09-401 Outside knob and lever
B09-402 Inside knob and lever
C09-403 Inside rose
D09-404 Outside rose and bushing
E
Outside rose and knob/lever:
09-506 All designs except AST, AVA, MER
09-655 AST, AVA, MER
F09-509 Thumbturn
G09-553 Outside escutcheon x knob/lever (except 93 lever), L and N x full face cylinder
I09-633 Inside escutcheon for knob/lever, L and N x thumbturn
J09-639 Outside escutcheon and bushing x knob/lever (except 93 lever), L and N x
full face cylinder
09-652 Outside N escutcheon and bushing x 93 lever, full face cylinder
K
1Z\v" armor front x Schlage logo
09-663 Latch and auxiliary latch
09-664 Latch and deadbolt
09-666 Latch, auxiliary latch and deadbolt
M30-001 Full face cylinder with compression ring and spring – clover leaf cam
O30-021 Full face cylinder with compression spring – clover leaf cam
Q36-083 Compression ring and spring
RC203-736 Case mounting screw pack
S
Escutcheon thru-bolts/screws:
K510-389 N escutcheon
L583-120 L escutcheon
TK110-020 Armor screw pack
UK110-550 Knob truarc rings and spacer pack
XL283-030 Lever truarc rings
YL283-031 Inside lever mounting plate
ZL283-040 Lever spring cage
AA L283-060 Spindle and spring
BB
Assembled lock case:
L283-126 Oce with simultaneous retraction
L283-133 Oce, classroom, apartment security
L283-137 Entrance
L283-138
L283-140
L283-170 Oce, classroom, apartment security, LV
L283-176
L283-177
L283-180
L283-316
L283-317
CC L583-066 Mounting trim screws, wood/metal door x rose/escutcheon x knob/lever (except single
dummy)
DD L583-195 Compression spring
EE L583-212 Mounting posts, L
L583-497 Mounting posts, LV
HH L583-321 Inside knob mounting plate

Trim assemblies
Double cylinder trim
L9060, LV9060, L9071, LV9071, LM9371, LMV9371, L9077, LV9077, L9082, LV9082, L9457, LV9457, L9458, LV9458,
L9462 x XL11-886, L9466
E
U
U
D U
A
M
O
Q
P
O
R
A
U
U
JU
G
O DD
CC
AA
AA
DD
BB
HH
DD
BC
O
Q
P
M
K
I
S
B
X
E
O
DD
DD
DD
BB
AA
Q
M
D
A
Z
O B
I
2
2 2 CC
S
Y
T
X
G
J A
EE
AA
Z
DD O
C
II O
Q
M
P
II P
K
R
2
2
EE
2
2
2
2
2 T
Levers
Knobs
DD

Trim assemblies
P/N Description
L9060
LV9060
L9071
LV9071
LM9371
LMV9371
L9077
LV9077
L9082
LV9082
L9457
LV9 4 57
L9458
LV9458
L9462 xXL11-886
L9466
A09-401 Outside knob and lever
B09-402 Inside knob and lever
C09-403 Inside rose
D09-404 Outside rose and bushing
E
Outside rose and knob/lever:
09-506 All designs except AST, AVA, MER
09-655 AST, AVA, MER
G09-553 Outside escutcheon x knob/lever (except 93 lever), L and N x full face
cylinder
I09-635 Inside escutcheon for knob/lever, L and N x full face cylinder
J09-639 Outside escutcheon and bushing x knob/lever (except 93 lever),
L and N x full face cylinder
09-652 Outside escutcheon and bushing x 93 lever, full face cylinder
K
1Z\v" armor front x Schlage logo:
09-663 Latch and auxiliary latch
09-664 Latch and deadbolt
09-665 Deadbolt
09-666 Latch, auxiliary latch and deadbolt
09-713 Latch, auxiliary latch less UL stamp
M
Full face cylinder with compression ring and spring:
20-001 Straight cam
30-001 Clover leaf cam
O
Full face cylinder with compression spring:
26-021 Straight cam
30-021 Clover leaf cam
P36-082 Blocking ring
Q36-083 Compression ring and spring
RC203-736 Case mounting screw pack
S
Escutcheon thru-bolts/screws:
K510-389 N escutcheon
L583-120 L escutcheon
TK110-020 Armor screw pack
UK110-550 Knob truarc rings and spacer pack
XL283-030 Lever truarc rings
YL283-031 Inside lever mounting plate
ZL283-040 Lever spring cage
AA L283-060 Spindle and spring
BB
Assembled lock case:
L283-039 Classroom holdback
L283-133 Oce, classroom, apartment security
L283-138 Corridor, classroom security x deadbolt
L283-139 Deadbolt retract x inside knob/lever
L283-140 Closet, storeroom and dormitory
L283-146 Institution
L283-170 Oce, classroom, apartment security, LV
L283-172 Classroom holdback, LV
L283-177 Corridor, classroom security x deadbolt, LV
L283-182 Institution, LV
L283-310 Classroom security with auxiliary latch x deadbolt
L283-311 Classroom security with auxiliary latch x deadbolt, LV
L283-316 Oce, inner entry x multipoint
L283-317 Oce, inner entry x multipoint, LV
CC L583-066 Mounting trim screws, wood/metal door x rose/escutcheon x knob/lever
DD L583-195 Compression spring
EE L583-212 Mounting posts, L
L583-497 Mounting posts, LV
HH L583-321 Inside knob mounting plate
ii L583-322 Outside lever spacer

Trim assemblies
Double cylinder storeroom trim
L9066 x XL11-897
E
U
U
D U
A
M
O
Q
P
O
R
A
U
U
JU
G
O DD
CC
DD
BB
HH
DD
BC
O
Q
P
M
K
I
S
B
X
E
O
DD
DD
DD
BB
AA
Q
M
D
A
Z
O B
I
2
2 2 CC
S
Y
T
X
G
J A
EE
Z
DD O
C
II O
Q
M
P
II P
K
R
2
2
EE
2
2
2
2
2 T
Levers
Knobs
DD
AA

Trim assemblies
P/N Description
A09-401 Outside knob and lever
B09-402 Inside knob and lever
C09-403 Inside rose
D09-404 Outside rose and bushing
E09-506 Outside rose and knob/lever, all designs except AST, AVA, MER
G09-553 Outside escutcheon x knob/lever (except 93 lever), L and N x full face cylinder
I09-635 Inside escutcheon for knob/lever, L and N x full face cylinder
J09-639 Outside escutcheon and bushing x knob/lever (except 93 lever), L and N x full face cylinder
09-652 Outside escutcheon and bushing x 93 lever), full face cylinder
K09-663 1 Z\v" armor front x Schlage logo, latch and auxiliary latch
M30-001 Full face cylinder with compression ring and spring: clover leaf cam (qty 2)
O30-021 Full face cylinder with compression spring, clover leaf cam (qty 2)
P36-082 Blocking ring (qty 2)
Q36-083 Compression ring and spring (qty 2)
RC203-736 Case mounting screw pack
S
Escutcheon thru-bolts/screws:
K510-389 N escutcheon (qty 2)
L583-120 L escutcheon (qty 2)
TK110-020 Armor screw pack
UK110-550 Knob truarc rings and spacer pack
XL283-030 Lever truarc rings
YL283-031 Inside lever mounting plate
ZL283-040 Lever spring cage (qty 2)
AA L283-064 Spindle and spring
BB L283-133 Assembled lock case: oce, classroom, apartment security
CC L583-066 Mounting trim screws, wood/metal door x rose/escutcheon x knob/lever (qty 2)
DD L583-195 Compression spring (qty 2)
EE L583-212 Mounting post (qty 2)
HH L583-321 Inside knob mounting plate

Trim assemblies
Cylinder outside trim
L9070, LV9070, LM9370, LMV9370, L9076, LV9076, L9080, LV9080, LM9380, LMV9380, L9080EL/EU*,
LV9080EL/EU*, L9080EL/EU-RX*, L9464 x XL11-886, L9465
E
U
U
D U
A
M
O
Q
O
R
T
A
U
U
J U
G
CC
AA
AA
DD
DD
BB
HH
B
C
K
I
2
2
2
2
S
B
X
E
O
DD
BB
AA
Q
M
D
A
Z
B
I
CC
S
Y
X
G
J A
EE
AA
Z
DD O
C
II
K
R
Levers
Knobs
2
2
2
2
EE
2
T
2

Trim assemblies
P/N Description
L9070
LV9070
LM9370
LMV9370
L9076
LV9076
L9080
LV9080
LM9380
LMV9380
L9080 EL
LV9080 EL
L9080 EU
LV9080 EU
L9080 EL-RX ***
L9080 EU-RX ***
L9464 x XL11-886
L9465
A09-401 Outside knob and lever
B09-402 Inside knob and lever
C09-403 Inside rose
D09-404 Outside rose and bushing
E
Outside rose and knob/lever:
09-506 All designs except AST, AVA, MER
09-655 AST, AVA, MER
G09-553 Outside escutcheon x knob/lever (except 93 lever), L and N x full
face cylinder
I09-632 Inside escutcheon for knob/lever, L and N x blank
J09-639 Outside escutcheon and bushing x knob/lever (except 93 lever),
L and N x full face cylinder
09-652 Outside N escutcheon and bushing x 93 lever, full face cylinder
K
1Z\v" armor front x Schlage logo:
09-663 Latch and auxiliary latch
09-664 Latch and deadbolt
09-665 Deadbolt
09-713 Latch, auxiliary latch less UL stamp
M
30-000 Full face cylinder with compression ring and spring , clover leaf
cam
30-001 Full face cylinder with compression ring and spring , clover leaf
cam
O30-019 Full face cylinder with compression spring , clover leaf cam
30-021 Full face cylinder with compression spring , clover leaf cam
Q36-083 Compression ring and spring
RC203-736 Case mounting screw pack
S
Escutcheon thru-bolts/screws:
K510-389 N escutcheon
L583-120 L escutcheon
TK110-020 Armor screw pack
UK110-550 Knob truarc rings and spacer pack
XL283-030 Lever truarc rings
YL283-031 Inside lever mounting plate
ZL283-040 Lever spring cage
AA L283-060 Spindle and spring
BB
Assembled lock case:
L283-039 Classroom holdback
L283-133 Oce, classroom, apartment security
L283-134 Storeroom
L283-139 Deadbolt retract x inside knob/lever
L283-140 Closet, storeroom and dormitory
L283-142 Electrically locked
L283-143 Electrically unlocked
L283-170 Oce, classroom, apartment security, LV
L283-172 Classroom holdback, LV
L283-173
L283-174
L283-175
L283-316 Oce, inner entry x multipoint
L283-317 Oce, inner entry x multipoint, LV
CC L583-066 Mounting trim screws, wood/metal door x rose/escutcheon x
knob/lever
DD L583-195 Compression spring
EE L583-212 Mounting posts, L
L583-497 Mounting posts, LV
HH L583-321 Inside knob mounting plate
II L583-322 Outside lever spacer

Trim assemblies
Electrically locked/unlocked both sides trim
L9082EL/EU*
O
DD B
CC
S
I
2
2
2
2
2
YZ
K
T
R
C
M
O
DD QP
BB
P
M
DD
Q
O
E
A
D
X
EE
Z
AA
DD
O
X
G
JA
DD
O
BC
ODD
Q
P
BB
P
M
Q
DD
O
E
A
U
D
U
U
EE
AA
CC
HH
S
I
2
2
2
2
2
K
T
R U
U
G J
U
A
O
DD
M
Levers
Knobs

Trim assemblies
P/N Description
L9082 EL
L9082 EU
A09-401 Outside knob and lever
B09-402 Inside knob and lever
C09-403 Inside rose
D09-404 Outside rose and bushing
E
Outside rose and knob/lever:
09-506 All designs except AST, AVA, MER
09-655 AST, AVA, MER
G09-553 Outside escutcheon x knob/lever (except 93 lever), L and N x full face cylinder
I09-635 Inside escutcheon for knob/lever, L and N x full face cylinder
J09-639 Outside escutcheon and bushing x knob/lever (except 93 lever), L and N x full face cylinder
K09-663 1Z\v" armor front x Schlage logo, latch and auxiliary latch
M30-001 Full face cylinder with compression ring and spring , clover leaf cam
O30-021 Full face cylinder with compression spring , clover leaf cam
P36-082 Blocking ring
Q36-083 Compression ring and spring
RC203-736 Case mounting screw pack
S
Escutcheon thru-bolts/screws:
K510-389 N escutcheon
L583-120 L escutcheon
TK110-020 Armor screw pack
UK110-550 Knob truarc rings and spacer pack
XL283-030 Lever truarc rings
YL283-031 Inside lever mounting plate
ZL283-040 Lever spring cage
AA L283-064 Spindle and spring, double dummy
BB
Assembled lock case:
L283-085 L9082 electrically locked both sides
L283-086 L9082 electrically unlocked both sides
CC L583-066 Mounting trim screws, wood/metal door x rose/escutcheon x knob/lever
DD L583-195 Compression spring
EE L583-212 Mounting posts, L
HH L583-321 Inside knob mounting plate

Trim assemblies
Electrically locked/unlocked outside trim
L9090EL/EU
B
CC
S
I
2
2
2
2
2
YZ
K
T
R
C
BB
E
A
D
X
EE
Z
AA
X
G
JA
BC
BB
E
A
U
D
U
U
EE
AA
CC
HH
S
I
2
2
2
2
2
K
T
R U
U
G J
U
A
Levers
Knobs

Trim assemblies
P/N Description
L9090 EL
L9090 EU
A09-401 Outside knob and lever
B09-402 Inside knob and lever
C09-403 Inside rose
D09-404 Outside rose and bushing
E
Outside rose and knob/lever:
09-506 All designs except AST, AVA, MER
09-655 AST, AVA, MER
G09-550 Outside escutcheon x knob/lever (except 93 lever), L and N x blank
I09-632 Inside escutcheon for knob/lever, L and N x blank
J09-636 Outside escutcheon and bushing x knob/lever (except 93 lever), L and N x blank
09-652 Outside escutcheon and bushing x 93 lever, full face cylinder
K09-663 1Z\v" armor front x Schlage logo, latch and auxiliary latch
RC203-736 Case mounting screw pack
S
Escutcheon thru-bolts/screws:
K510-389 N escutcheon
L583-120 L escutcheon
TK110-020 Armor screw pack
UK110-550 Knob truarc rings and spacer pack
XL283-030 Lever truarc rings
YL283-031 Inside lever mounting plate
ZL283-040 Lever spring cage
AA L283-060 Spindle and spring
BB L283-347 Assembled lock case, electrically locked or unlocked one side
CC L583-066 Mounting trim screws, wood/metal door x rose/escutcheon x knob/lever
EE L583-212 Mounting posts
HH L583-321 Inside knob mounting plate

Trim assemblies
Electrically locked/unlocked both sides trim
L9091EL/EU
B
CC
S
I
2
2
2
2
2
YZ
K
T
R
C
BB
E
A
D
X
EE
Z
AA
X
G
JA
BC
BB
E
A
U
D
U
U
EE
AA
CC
HH
S
I
2
2
2
2
2
K
T
R U
U
G J
U
A
Levers
Knobs

Trim assemblies
P/N Description
L9091 EL
L9091 EU
A09-401 Outside knob and lever
B09-402 Inside knob and lever
C09-403 Inside rose
D09-404 Outside rose and bushing
E
Outside rose and knob/lever:
09-506 All designs except AST, AVA, MER
09-655 AST, AVA, MER
G09-550 Outside escutcheon x knob/lever (except 93 lever), L and N x blank
I09-632 Inside escutcheon for knob/lever, L and N x blank
J09-636 Outside escutcheon and bushing x knob/lever (except 93 lever), L and N x blank
09-652 Outside escutcheon and bushing x 93 lever, full face cylinder
K09-663 1Z\v" armor front x Schlage logo, latch and auxiliary latch
RC203-736 Case mounting screw pack
S
Escutcheon thru-bolts/screws:
K510-389 N escutcheon
L583-120 L escutcheon
TK110-020 Armor screw pack
UK110-550 Knob truarc rings and spacer pack
XL283-030 Lever truarc rings
YL283-031 Inside lever mounting plate
ZL283-040 Lever spring cage
AA L283-064 Spindle and spring
BB L283-395 Assembled lock case, electrically locked or unlocked both sides
CC L583-066 Mounting trim screws, wood/metal door x rose/escutcheon x knob/lever
EE L583-212 Mounting posts, L
HH L583-321 Inside knob mounting plate

Trim assemblies
Electrically locked/unlocked outside trim, single cylinder
L9092EL/EU, L9492 EL/EU
B
CC
S
I
2
2
2
2
2
YZ
K
T
R
C
BB M
DD
Q
O
E
A
D
X
EE
Z
AA
DD
O
X
G
JA
DD
O
BC
BB
P
M
Q
DD
O
E
A
U
D
U
U
EE
AA
CC
HH
S
I
2
2
2
2
2
K
T
R U
U
GJ
U
A
O
DD
Levers
Knobs
P

Trim assemblies
P/N Description
L9092 EL
L9092 EU
L9492 EL
L9492 EU
A09-401 Outside knob and lever
B09-402 Inside knob and lever
C09-403 Inside rose
D09-404 Outside rose and bushing
E
Outside rose and knob/lever:
09-506 All designs except AST, AVA, MER
09-655 AST, AVA, MER
F09-509 Thumbturn
G09-553 Outside escutcheon x knob/lever (except 93 lever), L and N x full face cylinder
I
Inside escutcheon for knob/lever:
09-633 L and N x thumbturn
09-632 L and N x blank
J09-639 Outside escutcheon and bushing x knob/lever (except 93 lever), L and N x full face cylinder
09-652 Outside escutcheon and bushing x 93 lever, full face cylinder
K
1Z\v" armor front x Schlage logo:
09-663 Latch and auxiliary latch
09-666 Latch, auxiliary latch and deadbolt
M30-001 Full face cylinder with compression ring and spring , clover leaf cam
O30-021 Full face cylinder with compression spring , clover leaf cam
P36-082 Blocking ring
Q36-083 Compression ring and spring
RC203-736 Case mounting screw pack
S
Escutcheon thru-bolts/screws:
K510-389 N escutcheon
L583-120 L escutcheon
TK110-020 Armor screw pack
UK110-550 Knob truarc rings and spacer pack
XL283-030 Lever truarc rings
YL283-031 Inside lever mounting plate
ZL283-040 Lever spring cage
AA L283-060 Spindle and spring
BB
Assembled lock case,
L283-347 Electrically locked or unlocked one side
L283-467 Electrically locked or unlocked one side with deadbolt
CC L583-066 Mounting trim screws, wood/metal door x rose/escutcheon x knob/lever
DD L583-195 Compression springs
EE L583-212 Mounting posts, L
HH L583-321 Inside knob mounting plate

Trim assemblies
Electrically locked/unlocked both sides trim, single cylinder
L9093EL/EU, L9493 EL/EU
B
CC
S
I
2
2
2
2
2
YZ
K
T
R
C
BB M
DD
Q
O
E
A
D
X
EE
Z
DD
O
X
G
J
A
BC
BB
P
M
Q
DD
O
E
A
U
D
U
U
EE
CC
HH
S
I
2
2
2
2 2
K
T
R U
U
GJ
U
A
O
DD
Levers
Knobs
P

Trim assemblies
P/N Description
L9093 EL
L9093 EU
L9493 EL
L9493 EU
A09-401 Outside knob and lever
B09-402 Inside knob and lever
C09-403 Inside rose
D09-404 Outside rose and bushing
E
Outside rose and knob/lever:
09-506 All designs except AST, AVA, MER
09-655 AST, AVA, MER
F09-509 Thumbturn
G09-553 Outside escutcheon x knob/lever (except 93 lever), L and N x full face cylinder
I
Inside escutcheon for knob/lever:
09-633 L and N x thumbturn
09-632 L and N x blank
J09-639 Outside escutcheon and bushing x knob/lever (except 93 lever), L and N x full face cylinder
09-652 Outside escutcheon and bushing x 93 lever, full face cylinder
K
1Z\v" armor front x Schlage logo:
09-663 Latch and auxiliary latch
09-666 Latch, auxiliary latch and deadbolt
M30-001 Full face cylinder with compression ring and spring , clover leaf cam
O30-021 Full face cylinder with compression spring , clover leaf cam
P36-082 Blocking ring
Q36-083 Compression ring and spring
RC203-736 Case mounting screw pack
S
Escutcheon thru-bolts/screws:
K510-389 N escutcheon
L583-120 L escutcheon
TK110-020 Armor screw pack
UK110-550 Knob truarc rings and spacer pack
XL283-030 Lever truarc rings
YL283-031 Inside lever mounting plate
ZL283-040 Lever spring cage
AA L283-064 Spindle and spring
BB
Assembled lock case,
L283-395 Electrically locked or unlocked both sides
L283-468 Electrically locked or unlocked both sides with deadbolt
CC L583-066 Mounting trim screws, wood/metal door x rose/escutcheon x knob/lever
DD L583-195 Compression springs
EE L583-212 Mounting posts, L
HH L583-321 Inside knob mounting plate

Trim assemblies
Electrically locked/unlocked outside trim, double cylinder
L9094EL/EU, L9494EL/EU
O
DD B
CC
S
I
2
2
2
2
2
YZ
K
T
R
C
BB M
DD
Q
O
E
A
D
X
EE
Z
AA
DD
O
X
G
JA
DD
O
BC
BB
P
M
Q
DD
O
E
A
U
D
U
U
EE
AA
CC
HH
S
I
2
2
2
2
2
K
T
R U
U
GJ
U
A
O
DD
Levers
Knobs
P
ODD
Q
P
M
P
M
O
DD Q

Trim assemblies
P/N Description
L9094 EL
L9094 EU
L9494 EL
L9494 EU
A09-401 Outside knob and lever
B09-402 Inside knob and lever
C09-403 Inside rose
D09-404 Outside rose and bushing
E
Outside rose and knob/lever:
09-506 All designs except AST, AVA, MER
09-655 AST, AVA, MER
F09-509 Thumbturn
G09-553 Outside escutcheon x knob/lever (except 93 lever), L and N x full face cylinder
I
Inside escutcheon for knob/lever:
09-633 L and N x thumbturn
09-635 L and N x full face cylinder
J09-639 Outside escutcheon and bushing x knob/lever (except 93 lever), L and N x full face cylinder
09-652 Outside escutcheon and bushing x 93 lever, full face cylinder
K
1Z\v" armor front x Schlage logo:
09-663 Latch and auxiliary latch
09-666 Latch, auxiliary latch and deadbolt
M30-001 Full face cylinder with compression ring and spring , clover leaf cam
O30-021 Full face cylinder with compression spring , clover leaf cam
P36-082 Blocking ring
Q36-083 Compression ring and spring
RC203-736 Case mounting screw pack
S
Escutcheon thru-bolts/screws:
K510-389 N escutcheon
L583-120 L escutcheon
TK110-020 Armor screw pack
UK110-550 Knob truarc rings and spacer pack
XL283-030 Lever truarc rings
YL283-031 Inside lever mounting plate
ZL283-040 Lever spring cage
AA L283-060 Spindle and spring
BB
Assembled lock case:
L283-347 Electrically locked or unlocked one side
L283-467 Electrically locked or unlocked one side with deadbolt
CC L583-066 Mounting trim screws, wood/metal door x rose/escutcheon x knob/lever
DD L583-195 Compression springs
EE L583-212 Mounting posts, L
HH L583-321 Inside knob mounting plate

Trim assemblies
Electrically locked/unlocked both sides trim, double cylinder
L9095EL/EU, L9495EL/EU
O
DD B
CC
S
I
2
2
2
2
2
YZ
K
T
R
C
BB M
DD
Q
O
E
A
D
X
EE
Z
DD
O
X
G
J
A
DD
O
BC
BB
P
M
Q
DD
O
E
A
U
D
U
U
EE
CC
HH
S
I
2
2
2
2 2
K
T
R U
U
GJ
U
A
O
DD
Levers
Knobs
P
P
M
O
DD Q
ODD
Q
P
M

Trim assemblies
P/N Description
L9095 EL
L9095 EU
L9495 EL
L9495 EU
A09-401 Outside knob and lever
B09-402 Inside knob and lever
C09-403 Inside rose
D09-404 Outside rose and bushing
E
Outside rose and knob/lever:
09-506 All designs except AST, AVA, MER
09-655 AST, AVA, MER
F09-509 Thumbturn
G09-553 Outside escutcheon x knob/lever (except 93 lever), L and N x full face cylinder
I
Inside escutcheon for knob/lever:
09-633 L and N x thumbturn
09-635 L and N x full face cylinder
J09-639 Outside escutcheon and bushing x knob/lever (except 93 lever), L and N x full face cylinder
09-652 Outside escutcheon and bushing x 93 lever, full face cylinder
K
1Z\v" armor front x Schlage logo:
09-663 Latch and auxiliary latch
09-666 Latch, auxiliary latch and deadbolt
M30-001 Full face cylinder with compression ring and spring , clover leaf cam
O30-021 Full face cylinder with compression spring , clover leaf cam
P36-082 Blocking ring
Q36-083 Compression ring and spring
RC203-736 Case mounting screw pack
S
Escutcheon thru-bolts/screws:
K510-389 N escutcheon
L583-120 L escutcheon
TK110-020 Armor screw pack
UK110-550 Knob truarc rings and spacer pack
XL283-030 Lever truarc rings
YL283-031 Inside lever mounting plate
ZL283-040 Lever spring cage
AA L283-064 Spindle and spring
BB
Assembled lock case,
L283-395 Electrically locked or unlocked both sides
L283-468 Electrically locked or unlocked both sides with deadbolt
CC L583-066 Mounting trim screws, wood/metal door x rose/escutcheon x knob/lever
DD L583-195 Compression springs
EE L583-212 Mounting posts, L
HH L583-321 Inside knob mounting plate

Trim assemblies
Active double dummy trim
L9110 x XL11-741
B
CC
C
B
AA BB
Z
E
X
EE
AA
D
A
S I
Y Z
K
T
R
X
J
A
G
BB
AA
C
B
B
S I
2
2
2
CC
HH
K
T
R U
U
G J U A
AA
EE
E
U
U
U A
D
Levers
Knobs
2
2
2
2
2
2
2

Trim assemblies
P/N Description
A09-401 Outside knob and lever
B09-402 Inside knob and lever
C09-403 Inside rose
D09-404 Outside rose and bushing
E
Outside rose and knob/lever:
09-506 All designs except AST, AVA, MER
09-655 AST, AVA, MER
G09-550 Outside escutcheon x knob/lever (except 93 lever) L and N x blank
I09-632 Inside escutcheon for knob/lever, L and N x blank
J09-636 Outside escutcheon and bushing by knob/lever except 93 lever, L and N x blank
K09-661 1Z\v" armor front x Schlage logo, blank
RC203-736 Case mounting screw pack
S
Escutcheon thru-bolts/screws (qty 2 each):
K510-389 N escutcheon
L583-120 L escutcheon
TK110-020 Armor screw pack
UK110-550 Knob truarc rings and spacer pack
XL283-030 Lever truarc rings
YL283-031 Inside lever mounting plate
ZL283-040 Lever spring cage (qty 2)
AA L283-060 Spindle and spring (qty 2)
BB XL11-741 Assembled lock case, double dummy with active knob/lever ‡
CC L583-066 Mounting plate screws (qty 2), wood/metal door x rose/escutcheon x knob/lever except single dummy
EE L583-212 Mounting posts (qty 2)
HH L583-321 Inside knob mounting plate

Trim assemblies
Single dummy with case trim
L9175, L9177 (discontinued)
B
S I
CC
B
C
Y II
AA BB
R
K
JJ
B
C
AA BB
HH
CC
B
SI
K
T
T
R
For discontinued function L9177 order
L9175 and armor strike separately
and specify hand of inactive door.
Mount in place of blank armor.
For discontinued function L9177 order
L9175 and armor strike separately
and specify hand of inactive door.
Mount in place of blank armor.
2
Levers
Knobs
2
2
2
2
2
2
2
JJ

Trim assemblies
P/N Description
L9175
L9177
B09-402 Inside knob and lever
C09-403 Inside rose
I09-632 Inside escutcheon for knob/lever, L and N x blank
K09-661 1Z\v" armor front x Schlage logo, blank
RC203-736 Case mounting screw pack
S
Escutcheon thru-bolts/screws:
L583-133 N escutcheon
L583-287 L escutcheon
TK110-020 Armor screw pack
YL283-031 Inside lever mounting plate
AA L283-060 Spindle and spring
BB L283-144 Assembled lock case, single dummy with case
CC
Mounting plate screws:
L583-290 Wood/metal door x rose/escutcheon x lever
L583-291 Wood/metal door x rose/escutcheon x knob
HH L583-321 Inside knob mounting plate
II L583-322 Outside lever spacer
JJ 10-091 Armor strike

Trim assemblies
Double dummy with case trim
L9176, L9178 (discontinued)
B
S
Y
CC
I
2
2
2
2
II AA
C
B
BB
AA II
EE X D
A
E
A
J
G
X
R
T
K
JJ
B
B
S I
CC
HH AA BB
AA
EE E
U
U
D
U
A
A
U
J
G
U
U
R
T
K
JJ
C
For discontinued function L9178
order L9176 and armor strike separately
and specify hand of inactive door.
Mount in place of blank armor.
For discontinued function L9178
order L9176 and armor strike separately
and specify hand of inactive door.
Mount in place of blank armor.
2
2
2
2
2
2
Levers
Knobs

Trim assemblies
P/N Description
L9176
L9178
A09-401 Outside knob and lever
B09-402 Inside knob and lever
C09-403 Inside rose
D09-404 Outside rose and bushing
E09-506 Outside rose and knob/lever: All designs except AST, AVA, MER
G09-550 Outside escutcheon x knob/lever except 93 lever, L and N x blank
I09-632 Inside escutcheon for knob/lever, L and N x blank
J09-636 Outside escutcheon and bushing x knob/lever except 93 lever, L and N x blank
09-650 Outside escutcheon and bushing x 93 lever, blank
K09-661 1Z\v" armor front x Schlage logo, blank
RC203-736 Case mounting screw pack
S
Escutcheon thru-bolts/screws:
L583-133 N escutcheon
L583-287 L escutcheon
TK110-020 Armor screw pack
UK110-550 Knob truarc rings and spacer pack
XL283-030 Lever truarc rings
YL283-031 Inside lever mounting plate
AA L283-060 Spindle and spring
BB L283-145 Assembled lock case, double dummy with case
CC L583-066 Mounting plate screws: Wood/metal door x rose/escutcheon x knob/lever except single dummy
EE L583-212 Mounting posts
HH L583-321 Inside knob mounting plate
II L583-322 Outside lever spacer
JJ 10-091 Armor strike

Trim assemblies
Deadbolt trim
L9460, L9462, L9463, L9464
F
BB
Q
DD
O
M
R
K
M
DD
O
Q P
BB
P
P
Q
DD
O
M
R
K
T
L BB
K
T
R M
Q
DD
O
K
T
R
M
Q
DD
O
BB
T
2
L9463P
2
2
2
2
2
2
2
L9464P
L9460P L9462P

Trim assemblies
P/N Description
L9460
L9462
L9463
L9464
F09-509 Thumbturn
K09-665 1Z\v" armor front x Schlage logo, deadbolt
L09-905 Classroom turn and 1Z\," blocking ring
M30-001 Full face cylinder with compression ring and spring , clover leaf cam
O30-021 Full face cylinder with compression spring , clover leaf cam
P36-082 Blocking ring
Q36-083 Compression ring and spring
RC203-736 Case mounting screw pack
TK110-020 Armor screw pack
BB L283-139 Assembled lock case, L946X deadbolt
CC L583-066 Mounting trim screws, wood/metal door x rose/escutcheon x knob/lever
DD L583-195 Compression springs

Trim assemblies
Deadbolt with fixed double dummy trim
L9460 x XL11-635
B
CC
C
B
AA BB
II
E
X
EE
AA
D
A
O
DD
M
Q
O
DD
F
S
I
Y II
K
T
R
X
J
A
G
AA BB
F
C
B
B
S
I
CC
HH
K
T
R U U
G
J
U A
AA E
U
U
U A
O
DD
M
Q
O
DD
D
2
2
2
2
2
2
2
2
2
Levers
Knobs
EE
2

Trim assemblies
P/N Description
A09-401 Outside knob and lever
B09-402 Inside knob and lever
C09-403 Inside rose
D09-404 Outside rose and bushing
E
Outside rose and knob/lever:
09-506 All designs except AST, AVA, MER
09-655 AST, AVA, MER
F09-509 Thumbturn
G09-553 Outside escutcheon x knob/lever (except 93 lever), L and N x full face cylinder
I09-633 Inside escutcheon for knob/lever: L and N x thumbturn
J09-639 Outside escutcheon and bushing x knob/lever (except 93 lever), L and N x full face cylinder
K09-665 1Z\v" armor front x Schlage logo, deadbolt
M30-001 Full face cylinder with compression ring and spring , clover leaf cam
O30-021 Full face cylinder with compression spring , clover leaf cam
Q36-083 Compression ring and spring
RC203-736 Case mounting screw pack
S
Escutcheon thru-bolts/screws (qty 2 each):
K510-389 N escutcheon
L583-120 L escutcheon
TK110-020 Armor screw pack
UK110-550 Knob truarc rings and spacer pack
XL283-030 Lever truarc rings
YL283-031 Inside lever mounting plate
AA L283-060 Spindle and spring (qty 2)
BB XL11-661 Assembled lock case, deadbolt with xed trim ‡
CC L583-066 Mounting trim screws, wood/metal door x rose/escutcheon x knob/lever (qty 2)
DD L583-195 Compression spring
EE L583-212 Mounting posts, (qty 2)
HH L583-321 Inside knob mounting plate
II L583-322 Outside lever spacer (qty 2)

Trim assemblies
Fixed outside x turn trim
L9412-XL11-907, L9460 x XL11-886, L9480, LV9480, L9485, LV9485
EE
2
EE
2
EE
2
EE
2
B
S
I
CC
Y Z
K
T
R X
G
J
A
B
AA BB
CC
B
S
I
HH
K
T
AA
M
DD
Q
O
E
U
U
D U
A
O
DD
R U
U J
U A
G
O
DD
AA
II
X D
E
A
O
DD
Q M
BB
AA
F
F
C
C
B
2
2
2
2
2
2
2
2
Levers
Knobs

Trim assemblies
P/N Description
L9412/XL11-907
L9460/XL11-886
L9480
LV9480
L9485
LV9485
A09-401 Outside knob and lever
B09-402 Inside knob and lever
C09-403 Inside rose
D09-404 Outside rose and bushing
E
Outside rose and knob/lever:
09-506 All designs except AST, AVA, MER
09-655 AST, AVA, MER
F09-509 Thumbturn
G09-550 Outside escutcheon x knob/lever except 93 lever, L and N x blank
09-553 Outside escutcheon x knob/lever (except 93 lever), L and N x full face cylinder
I09-633 Inside escutcheon for knob/lever, L and N x thumbturn
J09-639 Outside escutcheon and bushing x knob/lever (except 93 lever), L and N x full face cylinder
09-652 Outside escutcheon and bushing x 93 lever, full face cylinder
K
1Z\v" armor front x Schlage logo:
09-665 Deadbolt
09-666 Latch, auxiliary latch and deadbolt
M30-001 Full face cylinder with compression ring and spring , clover leaf cam
O30-021 Full face cylinder with compression spring , clover leaf cam
Q36-083 Compression ring and spring
RC203-736 Case mounting screw pack
S
Escutcheon thru-bolts/screws:
K510-389 N escutcheon
L583-120 L escutcheon
TK110-020 Armor screw pack
UK110-550 Knob truarc rings and spacer pack
XL283-030 Lever truarc rings
YL283-031 Inside lever mounting plate
ZL283-040 Lever spring cage
AA L283-060 Spindle and spring
BB
Assembled lock case,
L283-139 x XL11-886 Deadbolt retract x inside knob/lever ‡
L283-141
L283-141 x XL11-907 Storeroom/faculty restroom ‡
L283-178 Storeroom/faculty restroom, LV
CC L583-066 Mounting trim screws, wood/metal door x rose/escutcheon x knob/lever
DD L583-195 Compression springs
EE L583-212 Mounting posts, L
L583-497 Mounting posts, LV
HH L583-321 Inside knob mounting plate
II L583-322 Outside lever spacer

Trim assemblies
Institution deadbolt trim
L9482 x XL11-543, LV9482 x XL11-543
EE
2
Levers
Knobs
O
DD B
CC
S
I
Y II
AA
AA
K
T
R
C
M
O
DD Q
P
BB P
M
DD
Q
O
E
A
D
X
II
DD
O
X
G
J A
DD
O
B C
ODD
Q
P
BB
P
M
Q
DD
O
E
A
U
D
U
U
EE
CC
HH
S
I
K
T
RU
U
G
J
U
A
O
DD
M
AA
AA
2
2
2
2
2
2
2
2
2

Trim assemblies
P/N Description
L9482/XL11-543
L V9482/XL11-543
A09-401 Outside knob and lever
B09-402 Inside knob and lever
C09-403 Inside rose
D09-404 Outside rose and bushing
E
Outside rose and knob/lever:
09-506 All designs except AST, AVA, MER
09-655 AST, AVA, MER
G09-553 Outside escutcheon x knob/lever (except 93 lever), L and N x full face cylinder
I09-635 Inside escutcheon for knob/lever, L and N x full face cylinder
J09-639 Outside escutcheon and bushing x knob/lever (except 93 lever), L and N x full face cylinder
K09-666 1Z\v" armor front x Schlage logo, latch, auxiliary latch and deadbolt
M30-001 Full face cylinder with compression ring and spring , clover leaf cam
O30-021 Full face cylinder with compression spring , clover leaf cam
P36-082 Blocking ring
Q36-083 Compression ring and spring
RC203-736 Case mounting screw pack
S
Escutcheon thru-bolts/screws:
K510-389 N escutcheon
L583-120 L escutcheon
TK110-020 Armor screw pack
UK110-550 Knob truarc rings and spacer pack
XL283-030 Lever truarc rings
YL283-031 Inside lever mounting plate
ZL283-040 Lever spring cage
AA L283-060 Spindle and spring
BB
Assembled lock case,
L283-146 x XL11-543 Institution deadbolt ‡
L283-183 x XL11-543 Institution deadbolt ‡
CC L583-066 Mounting trim screws, wood/metal door x rose/escutcheon x knob/lever
DD L583-195 Compression springs
EE L583-212 Mounting posts, L
L583-497 Mounting posts, LV
HH L583-321 Inside knob mounting plate
II L583-322 Outside lever spacer

Trim assemblies
Prison lock trim
L9485 x XL11-557
B
C
AA
M
O DD
Q
BB
AA EE
E
U U
D
U A
R
T
K
CC
HH
2
2 2
2
®

Trim assemblies
P/N Description
A09-401 Outside knob and lever
B09-402 Inside knob and lever
C09-403 Inside rose
D09-404 Outside rose and bushing
E09-506 Outside rose and knob/lever: All designs except AST, AVA, MER
K09-666 1Z\v" armor front x Schlage logo, latch, auxiliary latch and deadbolt
M30-002 Full face cylinder with compression ring and spring , clover leaf cam, hotel (handed)
O30-022 Full face cylinder with compression spring , clover leaf cam, hotel (handed)
Q36-083 Compression ring and spring
RC203-736 Case mounting screw pack
TK110-020 Armor screw pack
UK110-550 Knob truarc rings and spacer pack
AA L283-060
XL11-766
BB XL11-557 Prison ‡
CC L583-066 Mounting trim screws, wood/metal door x rose/escutcheon x knob/lever (qty 2)
DD L583-195 Compression spring
EE L583-212 Mounting posts, L (qty 2)
HH L583-321 Inside knob mounting plate
II L583-322 Outside lever spacer (qty 2)

Trim assemblies
Hotel with indicator trim
L9486, LV9486, L9486 x L583-375, LV9486 x L583-375, L9496, LV9496
B
AA
F
BB
Q
M
DD
O
EE
H
AA
II
XD
E
A
B
F
AA BB M
Q DD
O
E
UUDU
A
H
EE
AA
C
CC
HH
K
T
R
R
T
K
Z
CC
Y
2
2
2
2
2
2
2
2
EE
2
EE
2
C
Knobs
Levers

Trim assemblies
P/N Description
L9486
LV9486
L9496
LV9496
A09-401 Outside knob and lever
B09-402 Inside knob and lever
C09-403 Inside rose
D09-404 Outside rose and bushing
E
Outside rose and knob/lever:
09-506 All designs except AST, AVA, MER
09-655 AST, AVA, MER
F09-509 Thumbturn
K09-664 1Z\v" armor front x Schlage logo, latch and deadbolt
09-666 1Z\v" armor front x Schlage logo, latch, auxiliary latch and deadbolt
M30-001 Full face cylinder with compression ring and spring , clover leaf cam
30-002 Full face cylinder with compression ring and spring , hotel (handed)
O30-021 Full face cylinder with compression spring , clover leaf cam
30-022 Full face cylinder with compression spring , hotel (handed)
Q36-083 Compression ring and spring
RC203-736 Case mounting screw pack
TK110-020 Armor screw pack
UK110-550 Knob truarc rings and spacer pack
XL283-030 Lever truarc rings
YL283-031 Inside lever mounting plate
ZL283-040 Lever spring cage
AA L283-060 Spindle and spring
BB
Assembled lock case,
L283-138 Corridor, classroom security x deadbolt
L283-141 Storeroom/faculty restroom
L283-177
L283-178 Storeroom/faculty restroom, LV
CC L583-066 Mounting trim screws, wood/metal door x rose/escutcheon x knob/lever
DD L583-195 Compression spring
EE L583-212 Mounting posts, L
L583-497 Mounting posts, LV
HH L583-321 Inside knob mounting plate
II L583-322 Outside lever spacer

Trim assemblies
Passage and electrically locked/unlocked, two-point latch trim
LM9210, LM9290 EL/EU, LM9291 EL/EU
X
E
E
D
A
X
G
J
A
R
2
EE
Z
2
AA
AA
BB
LL
2T
K
Z
2CC
Y
C
B
B
2S
I
LL
MM
OO
PP
NN
G

Trim assemblies
P/N Description
LM9210
LM9290 EL/EU
LM9291 EL/EU
A09-401 Outside lever
B09-402 Inside lever
C09-403 Inside rose
D09-404 Outside rose and bushing
E
Outside rose and lever:
09-506 All designs except AST, AVA, MER
09-655 AST, AVA, MER
G09-550 Outside escutcheon x lever (except 93 lever) L and N x blank
I09-632 Inside escutcheon for lever, L and N x blank
J09-636 Outside escutcheon and bushing x lever except 93 lever, L and N x blank
K24771248 1Z\v" armor front x Schlage logo
RC203-736 Case mounting screw pack
S
Escutcheon thru-bolts/screws:
K510-389 N escutcheon
L583-120 L escutcheon
TK110-020 Armor screw pack
XL283-030 Lever truarc rings
YL283-031 Inside lever mounting plate
ZL283-040 Lever spring cage
AA L283-060 Spindle and spring
L283-064 Spindle and spring double dummy
BB
Assembled lock case:
24759599 Passage for two point latch
24759656 Electrically locked or unlocked outside, for two point latch
24759664 Electrically locked or unlocked both sides, for two point latch
CC L583-066 Mounting trim screws, wood/metal door x rose/escutcheon x lever except single dummy
EE L583-212 Mounting posts
LL 24871584 Latch cover (qty 2)
MM 24721714 Top latch assembly
NN 24721722 Bottom latch assembly
OO 24691750 Top cable, door range 6'8" - 7'0" *
PP 24647265 Bottom cable

Trim assemblies
Outside lever only, two-point latch trim
LM9225
R
2
AA
BB
LL
2T
K
Z
2CC
Y
C
B
B
2S
I
LL
MM
OO
QQ
PP
NN

Trim assemblies
P/N Description
B09-402 Inside lever
C09-403 Inside rose
K24771248 1Z\v" armor front x Schlage logo
RC203-736 Case mounting screw pack
TK110-020 Armor screw pack
YL283-031 Inside lever mounting plate
ZL283-040 Lever spring cage
AA L283-060 Spindle and spring
BB 24759599 Assembled lock case, passage/exit for two point latch
CC L583-066 Mounting trim screws, wood/metal door x rose/escutcheon x lever (except single dummy) (qty 2)
LL 24871584 Latch cover (qty 2)
MM 24721714 Top latch assembly
NN 24721722 Bottom latch assembly
OO 24691750 Top cable, door range 6'8" - 7'0" *
PP 24647265 Bottom cable
QQ L283-151 Mounting plate and studs

Trim assemblies
Cylinder x turn, two-point latch trim
LM9250, LM9256
X
E
D
A
X
G
J
A
R
2
EE
Z
2
AA
AA
BB
LL
2T
K
Z
2CC
Y
B
B
2S
LL
MM
OO
PP
NN
C
F
E
G
I
O
DD
Q
M
O
DD

Trim assemblies
P/N Description
LM9250
LM9256
A09-401 Outside lever
B09-402 Inside lever
C09-403 Inside rose
D09-404 Outside rose and bushing
E
Outside rose and lever:
09-506 All designs except AST, AVA, MER
09-655 AST, AVA, MER
F09-509 Thumbturn
G09-553 Outside escutcheon x lever (except 93 lever), L and N x full face cylinder
I09-633 Inside escutcheon for lever, L and N x thumbturn
J09-639 Outside escutcheon and bushing x lever (except 93 lever), L and N x full face cylinder
09-652 Outside N escutcheon and bushing x 93 lever, full face cylinder
K24771248 1Z\v" armor front x Schlage logo
M30-001 Full face cylinder with compression ring and spring – clover leaf cam
O30-021 Full face cylinder with compression spring – clover leaf cam
Q36-083 Compression ring and spring
RC203-736 Case mounting screw pack
S
Escutcheon thru-bolts/screws:
K510-389 N escutcheon
L583-120 L escutcheon
TK110-020 Armor screw pack
XL283-030 Lever truarc rings
YL283-031 Inside lever mounting plate
ZL283-040 Lever spring cage
AA L283-060 Spindle and spring
BB
Assembled lock case:
24759623 Oce/entry for two point latch
24616914 Oce/entry with automatic unlocking for two point latch
CC L583-066 Mounting trim screws, wood/metal door x rose/escutcheon x lever (except single dummy)
DD L583-195 Compression spring
EE L583-212 Mounting posts, L
LL 24871584 Latch cover (qty 2)
MM 24721714 Top latch assembly
NN 24721722 Bottom latch assembly
OO 24691750 Top cable, door range 6'8" - 7'0" *
PP 24647265 Bottom cable

Trim assemblies
Outside cylinder and electrically locked/unlocked outside cylinder,
two-point latch trim
LM9270, LM9280, LM9292 EL/EU, LM9293 EL/EU
X
E
D
A
X
G
J
A
R
2
EE
Z
2
AA
AA
BB
LL
2T
K
Z
2CC
Y
B
B
2S
LL
MM
OO
PP
NN
C
E
G
I
O
DD
Q
M
O
DD

Trim assemblies
P/N Description
LM9270
LM9280
LM9292 EL/EU
LM9293 EL/EU
A09-401 Outside lever
B09-402 Inside lever
C09-403 Inside rose
D09-404 Outside rose and bushing
E
Outside rose and lever:
09-506 All designs except AST, AVA, MER
09-655 AST, AVA, MER
G09-553 Outside escutcheon x lever (except 93 lever), L and N x full face cylinder
i09-632 Inside escutcheon for lever, L and N x blank
J09-639 Outside escutcheon and bushing x lever (except 93 lever), L and N x full face cylinder
09-652 Outside escutcheon and bushing x 93 lever, full face cylinder
K24771248 1Z\v" armor front x Schlage logo
M30-000 Full face cylinder with compression ring and spring , clover leaf cam
30-001 Full face cylinder with compression ring and spring , clover leaf cam
O30-019 Full face cylinder with compression spring , clover leaf cam
30-021 Full face cylinder with compression spring , clover leaf cam
P36-082 Blocking ring
Q36-083 Compression ring and spring
RC203-736 Case mounting screw pack
S
Escutcheon thru-bolts/screws:
K510-389 N escutcheon
L583-120 L escutcheon
TK110-020 Armor screw pack
XL283-030 Lever truarc rings
YL283-031 Inside lever mounting plate
ZL283-040 Lever spring cage
AA L283-060 Spindle and spring
L283-064 Spindle and spring double dummy
BB
Assembled lock case:
24759623 Classroom/storeroom for two point latch
24759656 Electrically locked or unlocked outside, cylinder one side, for two point latch
24759664 Electrically locked or unlocked both sides, cylinder one side, for two point latch
CC L583-066 Mounting trim screws, wood/metal door x rose/escutcheon x lever
DD L583-195 Compression springs
EE L583-212 Mounting posts
LL 24871584 Latch cover (qty 2)
MM 24721714 Top latch assembly
NN 24721722 Bottom latch assembly
OO 24691750 Top cable, door range 6'8" - 7'0" *
PP 24647265 Bottom cable

Trim assemblies
Double cylinder and electrically locked/unlocked outside cylinder,
two-point latch trim
LM9271, LM9294 EL/EU, LM9295 EL/EU
X
E
D
A
X
G
J
A
R
2
EE
Z
2
AA
AA
BB
LL
2T
K
Z
2CC
Y
B
B
2S
LL
MM
OO
PP
NN
C
O
DD
P
M
O
DD Q
E
G
I
O
DD
Q
M
O
DD

Trim assemblies
P/N Description
LM9271
LM9294 EL/EU
LM9295 EL/EU
A09-401 Outside lever
B09-402 Inside lever
C09-403 Inside rose
D09-404 Outside rose and bushing
E
Outside rose and lever:
09-506 All designs except AST, AVA, MER
09-655 AST, AVA, MER
G09-553 Outside escutcheon x lever (except 93 lever), L and N x full face cylinder
i09-632 Inside escutcheon for lever, L and N x blank
J09-639 Outside escutcheon and bushing x lever (except 93 lever), L and N x full face cylinder
09-652 Outside escutcheon and bushing x 93 lever, full face cylinder
K24771248 1Z\v" armor front x Schlage logo
M30-001 Full face cylinder with compression ring and spring , clover leaf cam
O30-021 Full face cylinder with compression spring , clover leaf cam
P36-082 Blocking ring
Q36-083 Compression ring and spring
RC203-736 Case mounting screw pack
S
Escutcheon thru-bolts/screws:
K510-389 N escutcheon
L583-120 L escutcheon
TK110-020 Armor screw pack
XL283-030 Lever truarc rings
YL283-031 Inside lever mounting plate
ZL283-040 Lever spring cage
AA L283-060 Spindle and spring
L283-064 Spindle and spring double dummy
BB
Assembled lock case:
24759623 Classroom security for two point latch
24759656 Electrically locked or unlocked outside, cylinder both sides, for two point latch
24759664 Electrically locked or unlocked both sides, cylinder both sides, for two point latch
CC L583-066 Mounting trim screws, wood/metal door x rose/escutcheon x lever
DD L583-195 Compression springs
EE L583-212 Mounting posts
LL 24871584 Latch cover (qty 2)
MM 24721714 Top latch assembly
NN 24721722 Bottom latch assembly
OO 24691750 Top cable, door range 6'8" - 7'0" *
PP 24647265 Bottom cable

92 L460, L462, L463, L464, L480, L496
93 L9010
94 LM9310, LM9325
95 L9040, L9040 x XL11-446, L9044
96 LV9040, LV9040 x XL11-446, LV9044
97 L9050, L9060, L9066 x XL11-897, L9070, L9071
98 LV9050, LV9060, LV9070, LV9071
99 LM9350, LM9370, LM9371
100 LMV9350, LMV9370, LMV9371
101 L9056
102 LV9056
103 L9076, L9077
104 LV9076, LV9077
105 L9080
106 LV9080
107 LM9380
108 LMV9380
109 L9080EL, L9080EL-RX
110 LV9080EL
111 L9080EU, L9080EU-RX
112 LV9080EU
113 L9082
114 LV9082
115 L9082EL
116 L9082EU
117 L9090EL/EU, L9092EL/EU, L9094EL/EU
118 L9091EL/EU, L9093EL/EU, L9095 EL/EU
119 L9492EL/EU, L9494 EL/EU
120 L9493 EL/EU, L9495 EL/EU
121 L9110 x XL11-741
122 L9175
123 L9176
124 L9440, L9444
125 LV9440, LV9444
126 L9453
127 LV9453
128 L9456, L9457, L9496
129 LV9456, LV9457, LV9496
130 L9458
131 LV9458
132 L9460, L9462, L9463, L9464
133 L9460 x XL11-635
134 L9460 x XL11-886, L9462 x XL11-886, L9464 x XL11-886
135 L9465, L9466, L9473
136 L9480, L9485, L9486, L9486 x L583-375, L9412 x XL11-
907
137 LV9480, LV9485, LV9486, LV9486 x L583-375
138 L9482 x XL11-543
139 LV9482 x XL11-543
140 L9485 x XL11-557
141 LM9210, LM9225
142 LM9256
143 LM9250, LM9270, LM9271, LM9280
144 LM9290 EL/EU, LM9292 EL/EU, LM9294 EL/EU
145 LM9291 EL/EU, LM9293 EL/EU, LM9295 EL/EU
146 Lock case assembly compatibility
Lock case assemblies

Lock case assemblies
L460, L462, L463, L464, L480, L496
Assembled Lock Case L283-099
Number Description Part
Number
Z\v
57
3 52
55
10
51
14
51
3
27
30
56
53

Lock case assemblies
L9010
Assembled Lock Case L283-131
Number Description Part
Number
Z\v
52
4
58
25
26
24
17
19
22
23
18
21
20
17
6
51
51
13
31
**

Lock case assemblies
LM9310, LM9325
Assembled Lock Case L283-314
Number Description Part
Number
Z\v
52
8
67
25
26
24
17
19
22
23
18
21
20
17
6
51
51
**
5
33
50
68
66
69

Lock case assemblies
L9040, L9040 x XL11-446, L9044
Assembled Lock Case L283-132
Number Description Part
Number
1Z\v"
25
26
43
38
36
34
31
30
27
24
17
19
22
23
18
21
20
17
6
51
13
51
54
58
52
4
(couple before
assembly)
**
**

Lock case assemblies
LV9040, LV9040 x XL11-446, LV9044
Assembled Lock Case L283-171
Number Description Part
Number
Z\v
25
26
43
38
31
30
22
6
51
13
51
54
58
52
4
24
61
62
60
63
27
36
(couple before
assembly)
64
**
**

Lock case assemblies
L9050, L9060, L9066 x XL11-897, L9070, L9071
Assembled Lock Case L283-133
Number Description Part
Number
Z\v
26
30
27
24
17
19
22
23
18
21
20
33
50
25
39
55
10
6
47
56
53
5
51
51
(couple before
assembly)
13
71
(couple before
assembly)
34
36
38
17
**
**
**
452
58
54

Lock case assemblies
LV9050, LV9060, LV9070, LV9071
Assembled Lock Case L283-170
Number Description Part
Number
Z\v
64
36
62
61
60
63
27
54
58
52
4
(couple before
assembly)
38
26
30
22
33
50
25
39
55
10
6
47
56
53
5
51
51
(couple before
assembly)
13
24
**
**
**

Lock case assemblies
LM9350, LM9370, LM9371
Assembled Lock Case L283-316
Number Description Part
Number
Z\v
26
30
27
24
17
19
22
23
18
21
20
33
50
25
55
10
6
56
53
5(couple before
assembly)
34
68
38
17
**
**
69
52
8
67
51
51
66

Lock case assemblies
LMV9350, LMV9370, LMV9371
Assembled Lock Case L283-317
Number Description Part
Number
1Z\v" Faceplate Tab
26
30
27
24
22
33
50
25
55
10
6
56
53
5(couple before
assembly)
64
68
38
**
**
69
62
61
60
63
52
8
67
51
51
66

Lock case assemblies
L9056
Assembled Lock Case L283-126
Number Description Part
Number
Z\v
(couple before
assembly)
51
51
13
5
34
36
71
38
17
20
21
18
23
22
(couple before assembly)
19
17
39
24
26
50
33
43
30
55
10
56
53
27
6
47
25
**
**
** 452
58
54

Lock case assemblies
LV9056
Assembled Lock Case L283-180
Number Description Part
Number
Z\v
62
61
60
63
64
452
58
54
(couple before
assembly)**
51
51
13
25
5
36
38
22
39
24
26
50
33
43
30
55
10
56
53
27
6
47
(couple before
assembly)**
**

Lock case assemblies
L9076, L9077
Assembled Lock Case L283-039
Number Description Part
Number
Z\v
33
**
26
48
38
49
30
27
24
17
19
22
23
18
21
20
17
50
25
39
55
10
8
47
56
53
5
71
51
51
7
34
(couple before
assembly)**
(couple before assembly)**
13
452
58
54

Lock case assemblies
LV9076, LV9077
Assembled Lock Case L283-172
Number Description Part
Number
1Z\v" Faceplate Tab L583-426
62
61
60
63
64
452
58
54
(couple before
assembly)**
51
51
13
25
5
7
38
22
39
24
26
50
33
30
55
10
56
53
27
8
47
(couple before
assembly)**
48
49
**

Lock case assemblies
L9080
Assembled Lock Case L283-134
Number Description Part
Number
Z\v
54
4
58
52
26
41
34
24
17
19
22
23
18
21
20
17
33
50
25
39
55
10
6
15
56
53
5
51
51
13
**

Lock case assemblies
LV9080
Assembled Lock Case L283-173
Number Description Part
Number
1Z\v" Faceplate Tab L583-426
62
60
63
64
61
54
4
58
52
26
41
24
22
33
50
25
39
55
10
6
56
53
5
51
51
13
15
**

Lock case assemblies
LM9380
Assembled Lock Case L283-316
Number Description Part
Number
Z\v
26
30
27
24
17
19
22
23
18
21
20
33
50
25
55
10
6
56
53
5(couple before
assembly)
34
68
38
17
**
**
69
52
8
67
51
51
66

Lock case assemblies
LMV9380
Assembled Lock Case L283-317
Number Description Part
Number
1Z\v"
26
30
27
24
22
33
50
25
55
10
6
56
53
5(couple before
assembly)
64
68
38
**
**
69
62
61
60
63
51
51
66
52
8
67

Lock case assemblies
L9080EL, L9080EL-RX
Discontinued effective December 2014
Assembled Lock Case L283-142
Number Description Part
Number
Z\v
54
4 52
58
26
38
46
24
17
19
22
23
18
44
45
1
9
21
20
17
33
50
25
39
55
10
6
15
56
53
5
2
51
51
(couple before
assembly)
32
(couple before
assembly)**
13
**

Lock case assemblies
LV9080EL
Discontinued effective December 2014
Assembled Lock Case L283-174
Number Description Part
Number
1Z\v" Faceplate Tab L583-426
(couple before
assembly)**
1
62
60
63
64
61
54
4
58
52
26
24
22
33
50
25
39
55
10
6
56
53
5
51
51
13
15
2
38
46
(couple before
assembly)**
44
45
9
**

Lock case assemblies
L9080EU, L9080EU-RX
Discontinued effective December 2014
Assembled Lock Case L283-143
Number Description Part
Number
Z\v
58
26
38
46
24
22 23
18
9
21
20
17
50
25
55
10
6
15
56
53
5
51
51
32
(couple before
assembly)**
13
33
2
17
19
44
45
39
54
4 52
1
(couple before
assembly)
**

Lock case assemblies
LV9080EU
Discontinued effective December 2014
Assembled Lock Case L283-175
Number Description Part
Number
1Z\v" Faceplate Tab L583-426
62
60
63
61
54
4
58
52
26
24
22
33
50
25
39
55
10
6
56
53
5
51
51
13
15
2
38
46
(couple before
assembly)
(couple before
assembly)**
64
44
45
1
9
**

Lock case assemblies
L9082
Assembled Lock Case L283-146
Number Description Part
Number
1Z\v"
51
5
15
6
53
56
10
55
33
50
39
42
51
13
52
58
4

Lock case assemblies
LV9082
Assembled Lock Case L283-182
Number Description Part
Number
1Z\v" Faceplate Tab L583-426
62
65
63
51
5
15
6
53
56
10
55
33
50
39
51
13
52
58
4

Lock case assemblies
L9082EL
Discontinued effective December 2014
Assembled Lock Case L283-085
Number Description Part
Number
Z\v
54
4
58
52
26
38
24
17
22 23
9
20
17
50
25
39
55
10
6
15
56
53
5
2
51
13 51
46
18
32
(couple before
assembly)**
33
19
44
45
1
(couple before
assembly)
**

Lock case assemblies
L9082EU
Discontinued effective December 2014
Assembled Lock Case L283-086
Number Description Part
Number
1Z\v" Faceplate Tab L583-426
58
26
38
46
24
22 23
18
9
20
17
50
25
55
10
6
15
56
53
5
51
51
32
(couple before
assembly)**
13
33
2
17
19
44
45
39
54
4 52
1
(couple before
assembly)
**

Lock case assemblies
L9090EL/EU, L9092EL/EU, L9094EL/EU
Assembled Lock Case Numbers:
L283-347 = EL/EU; L283-392 = EL/EU wtih RX; L283-393 = EL/EU with LX; L283-394 = EL/EU with LX and RX
26
24
50
25
33
**
72
71
39
17
19
22
55
10
56
53
23
18
21
20
17
46
6
5
38
32
(couple before
assembly)**
58
51
13
54
452
51
15
74
73
Number Description Part
Number
Z\v

Lock case assemblies
L9091EL/EU, L9093EL/EU, L9095 EL/EU
Assembled Lock Case Numbers:
L283-395 = EL/EU; L283-396 = EL/EU wtih RX; L283-397 = EL/EU with LX; L283-398 = EL/EU with LX and RX
26
24
50
25
33
**
39
17
19
22
55
10
56
53
23
18
20
17
46
6
15
38
32
(couple before
assembly)**
51
13
51
72
71
5
58
54
452
74
73
Number Description Part
Number
Z\v

Lock case assemblies
L9492EL/EU, L9494 EL/EU
Assembled Lock Case L283-467
26
24
50
25
33
**
72
71
39
17
19
22
55
10
56
53
23
18
21
20
17
46
6
5
38
32
(couple before
assembly)**
58
13
54
452
3
27
51
51
74
73
Number Description Part
Number
Z\v

Lock case assemblies
L9493 EL/EU, L9495 EL/EU
Assembled Lock Case L283-468
Number Description Part
Number
Z\v
26
24
50
25
33
**
72
71
39
17
19
22
55
10
56
53
23
18
20
17
46
6
5
38
32
(couple before
assembly)**
58
51
13
54
452
51
3
27
74
73

Lock case assemblies
L9110 x XL11-741
Assembled Lock Case XL11-741
Number Description Part
Number
1Z\v"
17
19
22
24
26
25
23
18
21
20
17
51
51
13
4
58
52
**

Lock case assemblies
L9175
Assembled Lock Case L283-144
Number Description Part
Number
1Z\v" Faceplate Tab L583-426
4
58
52
51
11
13
51

Lock case assemblies
L9176
Assembled Lock Case L283-145
Number Description Part
Number
Z\v
4
58
52
42
51
51
13

Lock case assemblies
L9440, L9444
Assembled Lock Case L283-062
Number Description Part
Number
1Z\v"
(couple before
assembly)**
26
38
36
34
30
24
17
19
22
23
18
21
20
17
55
31
39
3
51
6
56
53
51
(couple before
assembly)**
13
43
27
10
**
25
452
58
54

Lock case assemblies
LV9440, LV9444
Assembled Lock Case L283-181
Number Description Part
Number
Z\v
25
26
43
38
36
31
39
22
6
51
13
51
54
58
52
4
(couple before
assembly)**
24
64
61
62
60
63
27
55
10
56
53
3
(couple before
assembly)**
30
**

Lock case assemblies
L9453
Assembled Lock Case L283-137
Number Description Part
Number
1Z\v" Faceplate Tab L583-426
54
4
58
52
26
38
37
25
34
30
24
17
19
22
23
18
21
20
17
55
10
50
39
40
33
35
4
28
29
51
6
56
53
5
51
(couple before
assembly)**
13
(couple before
assembly)**
**

Lock case assemblies
LV9453
Assembled Lock Case L283-176
Number Description Part
Number
Z\v
62
60
63
61
33
50
39
(couple before
assembly)**
30
26
24
54
4
58
52
38
37
64
22
55
10
35
4
28
29
51
6
56
53
5
51
(couple before
assembly)**
13
40
**
25

Lock case assemblies
L9456, L9457, L9496
Assembled Lock Case L283-138
Number Description Part
Number
Z\v
26
38
36
34
30
24
17
19
22
23
18
21
20
17
55
10
27
31
25
39
40
3
51
6
56
53
51
(couple before
assembly)**
13
(couple before
assembly)**
**
452
58
54

Lock case assemblies
LV9456, LV9457, LV9496
Assembled Lock Case L283-177
Number Description Part
Number
Z\v
3
31
62
61
63
60
452
58
54
(couple before
assembly)**
51
51
13
25
38
22
39
24
26
30
55
10 56
53
27
6
(couple before
assembly)**
40
64
36
**

Lock case assemblies
L9458
Assembled Lock Case L283-310
Number Description Part
Number
Z\v
4
58
52
51
51
13
25
26
24
**
30
39
(couple before
assembly)**
40
33
50
17
19
22
23
18
21
20
17
3
6
5
27
55
10
56
53
34
36
(couple before
assembly)**
38
54

Lock case assemblies
LV9458
Assembled Lock Case L283-311
Number Description Part
Number
Z\v
62
60
63
61
64 4
58
52
51
51
13
25
26
24
**
30
39
(couple before
assembly)**
40
33
50
22
3
6
5
27
55
10
56
53
36
(couple before
assembly)**
38
54

Lock case assemblies
L9460, L9462, L9463, L9464
Assembled Lock Case L283-139
Number Description Part
Number
Z\v
30
31
16
27
55
10
3
51
56
53
51
13
4
58
52

Lock case assemblies
L9460 x XL11-635
Assembled Lock Case XL11-661
Number Description Part
Number
Z\v
4
58
52
27
55
10
3
51
42
16
31
56
53
51
13
30

Lock case assemblies
L9460 x XL11-886, L9462 x XL11-886, L9464 x XL11-886
Assembled Lock Case XL11-886
Number Description Part
Number
3Deadbolt L283-003
10 Cylinder Plate & Screw L283-055
13 L9000 Lock Case L283-112
16 Latchbolt Guide L583-015
17 Retractor Hub L583-019
18 Hub Spacer L583-020
19 Retractor Lever L583-021
20 Retractor Rocker L583-022
21 Blocking Plate L583-023
22 Retractor Link L583-024
23 Retractor Crank L583-025
24 Hub Spring L583-026
25 Fire Door Fuse L583-027
26 Fire Door Catch L583-028
27 Turn Hub L583-029
30 Turn Hub Spring L583-035
31 Auxiliary Bar Guide L583-038
34 Locking Catch L583-045
39 Transfer Lever L583-051
40 Simultaneous Retractor L583-053
41 Catch Pin L583-056
51 1Z\v" Faceplate Tab L583-426
52 Case Cover Screws L583-454
53 Cylinder Retainer Screw L583-481
54 Lock Handing Screw L583-485
55 Cylinder Retainer L583-490
56 Screw Plate L583-492
58 Lock Case Cover L583-496
58
4 52 54
26
41
27
25
55
17
24
19
22
23
18
21
20
17
10
40
16
34
31
3
51
56
53
51
13
30
39
(couple before
assembly)**
**

Lock case assemblies
L9465, L9466, L9473
Assembled Lock Case L283-140
Number Description Part
Number
6Latchbolt L283-008
10 Cylinder Plate & Screw L283-055
12 Deadbolt L583-075
13 L9000 Lock Case L283-112
17 Retractor Hub L583-019
18 Hub Spacer L583-020
19 Retractor Lever L583-021
20 Retractor Rocker L583-022
21 Blocking Plate L583-023
22 Retractor Link L583-024
23 Retractor Crank L583-025
24 Hub Spring L583-026
25 Fire Door Fuse L583-027
26 Fire Door Catch L583-028
27 Turn Hub L583-029
30 Turn Hub Spring L583-035
31 Auxiliary Bar Guide L583-038
51 1Z\v" Faceplate Tab L583-426
52 Case Cover Screws L583-454
53 Cylinder Retainer Screw L583-481
55 Cylinder Retainer L583-490
56 Screw Plate L583-492
58 Lock Case Cover L583-496
30
25
26
24
27
31
17
19
22
23
18
21
20
17
55
10
12
6
56
53
51
51
13
4
58
52
**

Lock case assemblies
L9480, L9485, L9486, L9486 x L583-375, L9412 x XL11-907
Assembled Lock Case L283-141 (specify L9486 x L583-375 or L9412 x XL11-907 as applicable)
Number Description Part
Number
3Deadbolt L283-003
5Auxiliary Latchbolt L283-006
6Latchbolt L283-008
10 Cylinder Plate & Screw L283-055
13 L9000 Lock Case L283-112
17 Retractor Hub L583-019
18 Hub Spacer L583-020
19 Retractor Lever L583-021
20 Retractor Rocker L583-022
21 Blocking Plate L583-023
22 Retractor Link L583-024
23 Retractor Crank L583-025
24 Hub Spring L583-026
25 Fire Door Fuse L583-027
26 Fire Door Catch L583-028
27 Turn Hub L583-029
30 Turn Hub Spring L583-035
33 Stop Spring L583-044
34 Locking Catch L583-045
39 Transfer Lever L583-051
40 Simultaneous Retractor L583-053
41 Catch Pin L583-056
50 Auxiliary Stop L583-196
51 1Z\v" Faceplate Tab L583-426
52 Case Cover Screws L583-454
53 Cylinder Retainer Screw L583-481
54 Lock Handing Screw L583-485
55 Cylinder Retainer L583-490
56 Screw Plate L583-492
58 Lock Case Cover L583-496
26
41
34
27
25
55
24
17
19
22
23
18
21
20
17
10
40
33
3
51
6
56
53
5
51
13
30
50
39
(couple before
assembly)**
54
4
58
52
**

Lock case assemblies
LV9480, LV9485, LV9486, LV9486 x L583-375
Assembled Lock Case L283-178
Number Description Part
Number
3Deadbolt L283-003
5Auxiliary Latchbolt L283-006
6Latchbolt L283-008
10 Cylinder Plate & Screw L283-055
13 L9000 Lock Case L283-112
22 Retractor Link L583-024
24 Hub Spring L583-026
25 Fire Door Fuse L583-027
26 Fire Door Catch L583-028
27 Turn Hub L583-029
30 Turn Hub Spring L583-035
33 Stop Spring L583-044
39 Transfer Lever L583-051
40 Simultaneous Retractor L583-053
41 Catch Pin L583-056
50 Auxiliary Stop L583-196
51 1Z\v " Faceplate Tab L583-426
52 Case Cover Screws L583-454
53 Cylinder Retainer Screw L583-481
54 Lock Handing Screw L583-485
55 Cylinder Retainer L583-490
56 Screw Plate L583-492
58 Lock Case Cover L583-496
60 Retractor Lever Assy L283-147
61 Crank Retractor L583-383
62 Bottom Hub L583-386
63 Top Hub L583-387
64 Retractor Catch L583-345
3
62
61
64
63
60
452
58
54
51
51
13
25
22
39
24
26
30
55
10
56
53
27
6
(couple before
assembly)**
40
41
5
33
50
**

Lock case assemblies
L9482 x XL11-543
Assembled Lock Case L283-146 x XL11-543
Number Description Part
Number
3Deadbolt L283-003
5Auxiliary Latchbolt L283-006
6Latchbolt L283-008
10 Cylinder Plate & Screw L283-055
13 L9000 Lock Case L283-112
27 Turn Hub L583-029
30 Turn Hub Spring L583-035
33 Stop Spring L583-044
39 Transfer Lever L583-051
42 Spindle Anchor L583-057
50 Auxiliary Stop L583-196
51 1Z\v" Faceplate Tab L583-426
52 Case Cover Screws L583-454
53 Cylinder Retainer Screw L583-481
55 Cylinder Retainer L583-490
56 Screw Plate L583-492
58 Lock Case Cover L583-496
4
58
52
55
10
51
6
56
53
51
13
42
5
3
27
30
39
50
33
(couple before
assembly)**

Lock case assemblies
LV9482 x XL11-543
Assembled Lock Case L283-183
Number Description Part
Number
3Deadbolt L283-003
5Auxiliary Latchbolt L283-006
6Latchbolt L283-008
10 Cylinder Plate & Screw L283-055
13 L9000 Lock Case L283-112
27 Turn Hub L583-029
30 Turn Hub Spring L583-035
33 Stop Spring L583-044
39 Transfer Lever L583-051
50 Auxiliary Stop L583-196
51 1Z\v" Faceplate Tab L583-426
52 Case Cover Screws L583-454
53 Cylinder Retainer Screw L583-481
55 Cylinder Retainer L583-490
56 Screw Plate L583-492
58 Lock Case Cover L583-496
62 Bottom Hub L583-386
63 Top Hub L583-387
65 Spacer L583-346
65
3
62
63
51
5
6
53
56
10
55
33
50
39
51
13
52
58
4
27
30
(couple before
assembly)**

Lock case assemblies
L9485 x XL11-557
Assembled Lock Case XL11-557
Number Description Part
Number
3Deadbolt L283-003
5Auxiliary Latchbolt L283-006
6Latchbolt L283-008
10 Cylinder Plate & Screw L283-055
13 L9000 Lock Case L283-112
17 Retractor Hub L583-019
18 Hub Spacer L583-020
19 Retractor Lever L583-021
20 Retractor Rocker L583-022
21 Blocking Plate L583-023
22 Retractor Link L583-024
23 Retractor Crank L583-025
24 Hub Spring L583-026
25 Fire Door Fuse L583-027
26 Fire Door Catch L583-028
27 Turn Hub L583-029
30 Turn Hub Spring L583-035
33 Stop Spring L583-044
34 Locking Catch L583-045
36 Locking Link L583-048
38 Link Pin L583-050
39 Transfer Lever L583-051
50 Auxiliary Stop L583-196
51 1Z\v" Faceplate Tab L583-426
52 Case Cover Screws L583-454
53 Cylinder Retainer Screw L583-481
54 Lock Handing Screw L583-485
55 Cylinder Retainer L583-490
56 Screw Plate L583-492
58 Lock Case Cover L583-496
58
54
4 52
26
25
38
27
55
24
17
19
22
23
18
21
20
34
36
17
10
33
3
51
6
56
53
5
51
13
(couple before
assembly)**
30
50
39
(couple before
assembly)**
**

Lock case assemblies
LM9210, LM9225
Assembled Lock Case 24759599
Number Description Part
Number
1Z\v"
51
51
13
52
7
74
78
16
79
78
77
80
75
23
76
24
22
17
20
18
21
19
17

Lock case assemblies
LM9256
Assembled Lock Case 24616914
Number Description Part
Number
Z\v
51
51
13
52
7
74
78
16
79
77
80
75
23
76
24
30
36
38
34
27
22
17
20
18
84
21
19
17
55
10
56
53
78
(couple before
assembly)**

Lock case assemblies
LM9250, LM9270, LM9271, LM9280
Assembled Lock Case 24759623
51
51
13
52
7
74
78
16
79
77
80
75
23
76
24
30
36
38
34
27
22
17
20
18
21
19
17
55
10
56
53
78
(couple before
assembly)**
Number Description Part
Number
Z\v

Lock case assemblies
LM9290 EL/EU, LM9292 EL/EU, LM9294 EL/EU
Assembled Lock Case 24759656
72
71
83
13
78
16
79
77
80
75
23
76
24
30
46
38
81
22
17
20
18
21
19
17
51
51
55
10
56
53
78
52
7
54
74
(couple before
assembly)**
82
Number Description Part
Number
Z\v

Lock case assemblies
LM9291 EL/EU, LM9293 EL/EU, LM9295 EL/EU
Assembled Lock Case 24759664
Number Description Part
Number
Z\v
72
71
83
13
78
16
79
77
80
75
23
76
24
30
46
38
81
82
22
17
20
18
19
17
51
51
52
7
54
74
55
10
56
53
78
(couple before
assembly)**

Lock case assemblies
Lock case assembly compatibility
L283-005
Cylinder Anchor Assembly
L583-046
Lock Handing Screw
L583-046
Faceplate Tab Screw
L583-006, L583-007
Faceplate Tab
L583-452
Lock Case Cover
L283-080
Lock Case
L583-480/481/482
Cylinder Retainer Assembly
L583-485
Lock Handing Screw
L583-426, L583-427
Faceplate Tab
L583-484
Lock Case Cover
L283-130
Lock Case (April 1, 1994)
L283-130
Lock Case (July 15, 1994)

Assembly of lock case parts
Assembly of lock case parts
Turn hub spring and transfer lever
Locking catch/retractor catch and locking link

Assembly of lock case parts
L functions only: fire door fuse, fire door catch and hub spring
a b
short end of
hub spring
c
Fire Door Fuse
d
LV functions only: fire door fuse, fire door catch and hub spring
ab
c
d
e
f
g

Trim options
Trim options
Cast or forged levers, standard lever designs
2¹¹⁄₁₆"
2
¹⁄₁₆"
2
¹⁄₁₆
"
3⁷⁄₈
"
2
¹³⁄₁₆
"
1
¹³⁄₁₆"
1
¹³⁄₁₆
"
4³⁄₄"
4³⁄₄"
2¹³⁄₁₆"
2"
¹⁄₂
"
Dia.¹¹⁄₁₆
"
2⁷⁄₈"
3³⁄₄
"2
⁹⁄₃₂"
2
⁹⁄₃₂
"
2¹⁄₂"
¹⁄₂
"
4⁵⁄₈
"2"
2
⁷⁄₈
"
4⁵⁄₈
"2
³⁄₈"
1
³¹⁄₃₂
"
3¹⁄₁₆"
max.
2"
2"
4⁵⁄₈
"
¹⁄₂"
3"
4³⁄₄"
2¹⁄₈"
2
¹⁵⁄₁₆"
2¹¹⁄₁₆"
2
¹⁄₃₂"
2
¹⁄₃₂
"
4⁷⁄₈
"
³⁄₈"
2³⁄₁₀"
5¹⁄₁₆
"
3
⁵⁄₁₆
"
5"
3
¹⁄₈
"
2
⁹⁄₃₂"
⁷⁄₁₆" Dia.
¹¹⁄₁₆
"

Decorative trim
Decorative trim
Decorative levers
Decorative roses
C
Z\, >\zn B\,
B\, B\,

M collection levers
M collection levers
4.5”
3.2”
2.56”
2.4”
4.5”
2.56”
3”
2.2”
4.35”
2.3”
2.75”
2.56”
2.125”
2.4” 4.5”
3”
2”
2.56”
4.5”
2.3”
1.2”
2.56”
4.5”
3.15”
2”
2.56”
4.8”
0.4”
2.9”
2.1”
2.56”
4.6”
2.85”
0.4”
2.56”
5”
2.125”
3”
0.4”
5”
3.3”
2.56”
0.3”
Inside lever assembly
Outside lever assembly

Danmark stainless steel levers
Danmark stainless steel levers
For reference only. Danmark lever styles are discontinued.
630 Satin stainless steel finish
Z\,

Wrought knob designs
Wrought knob designs
2¹⁄₄"
2³⁄₄"
2¹⁄₈
"
2³⁄₄"
Inside knob assembly Outside knob assembly

Rose trim A or B
Rose trim A or B
Inside rose Blank outside rose
–Z\,ZC\cx"
– 2>\znZC\cx"
– 2B\,ZC\cx"
–Z\,ZC\cx"
– 2>\znZC\cx"
– 2B\,ZC\cx"
Outside rose dimensions
Z\,"
>\zn"
M\,"
ZC\cx"
C\v"
M\,"
Z\,
>\zn

L escutcheon trim
L escutcheon trim
Outside escutcheon dimensions
ZB\znC\vM\zn
Z\,"
>\zn"M\,"
M\,"
C\v"
Outside escutcheons

L escutcheon trim
Inside Escutcheons
C\,C\v
C\,C\v"

N escutcheon trim
N escutcheon trim
Outside escutcheon dimensions
M\,Z\xM\zn
1¹⁄₂”
⁹⁄₁₆”
1”
⁷⁄₈”
³⁄₄”
⁷⁄₈
”
Outside escutcheons
Inside escutcheons
1¹⁄₂”
⁹⁄₁₆
”
1”
⁷⁄₈”
³⁄₄”
⁷⁄₈
”

Indicator trim options
Indicator trim options
Sectional trim N Escutcheon trim Indicator Message Options
Locked Occupied Do Not Disturb
Unlocked Vacant
Indicator kits
Locked Occupied Do Not Disturb
Unlocked Vacant
Indicator parts
Part number Description Part number Description
09-611 Occupancy indicators ("Old style" for sectional (rose) trim)
DO NOT DISTURB
OCCUPIED
LOCKED

Additional trim options
Additional trim options
"EZ" thumbturn (ADA) for rose trim "EZ" thumbturn (ADA) x knob/lever with
L or N escutcheon
"EZ" thumbturn (ADA) x blank with
L escutcheon
LN
B\,
Thumbturn ADA cylinder turn Cylinder classroom turn Coin turn Coin turn and plug
Emergency turn Emergency button Modified inside and outside 03
lever for Folger Adam Co. Lever
Trak™
Occupancy indicator breakaway
driver bar

Additional trim options
Tactile warning (knurling)
Trim assembly parts
Escutcheon thru-bolt/screws
Part number Specify
finish
Description Door thickness
C\,"
C\v"
Z\v"
Z\x"
C\v"
–Z\v"

Additional trim options
Standard screw packs
Part number Specify
finish
Description Contents
Z\v
Z\x
C\v B\,
C\v
C\v
Tamper resistant Torx screw packs
Part number Specify
finish
Description Contents
Z\v
Z\x
C\v Z\v
Z\x
Z\vZ\,
Z\v
Z\x
Z\x
C\v Z\v
Z\x
Z\x
®
Mounting posts
Spindles and springs
L Functions LV Functions Part number Description
Part number Door thickness Part number Door thickness C\,"–M\,
C\, C\," –Z\x
C\v" C\v"
Z\x" Z\x"
C\v" C\v"
Z\v" Z\v"
Z\x" Z\x"

Additional trim options
Mounting plate for trim one side only
L283-150
DOOR DETAIL
For location of cylinder and/or thumbturn holes, as well as all
other dimensions, see appropriate lock function template.
Measure backset from C
L of door edge.
C
L
OUTSIDE OF
LH DOOR
INSIDE OF
LH DOOR
DOOR EDGE
3¹⁄₂" (89 mm)
Min. Wood
doors only
1⁹⁄₁₆" (40 mm)
Min. Wood
doors only
LOCK
FRONT
1¹⁄₈" (29 mm)
Min. clearance
NOTE: Prepare door for rose trim on one side of door only.
1.718"
(44 mm)
.11"
3mm
1.76"
45mm
Mounting Plate
Mortise door for proper
fit of mounting plate.
L-Series Installation Instructions
Mounting plate for trim one side
©2007 Schlage Lock Co.
P513-301 Rev. 11/07
ANSI A115.1 1990 Hollow steel door installations
Spacers
Spring cage
(le
ver applications)
OR
Mounting plate
(knob applications)
C\v

Armor fronts
Armor fronts
1Z\v"
Square corner
1Z\zn"
Square corner*
Description and functions 1Z\v"
Square corner
1Z\zn"
Square
corner*
Description and functions
Non UL
Non UL
Non UL
UL
UL
Non UL
Non UL
—
UL
Non UL
Non UL
UL
UL
—
1C\,1Z\zn

Strikes
Strikes
Square corner 10-072 Square corner 10-072 Square corner 10-073 Square corner 10-075
1C\zn
M\,Z\v"
M\,Z\xC\v
M\,Z\v
M\,Z\v"
M\,
Square corner 10-078 Square corner 10-079 Square corner 10-091 Square corner 10-091
L400 Series
No Lip
Size:
4M\," x 1Z\v"
L400 Series
No Lip
Size:
3Z\x" x 1Z\,"
L and RR
(Armor)
1C\zn" Lip
Size:
8" x 1Z\v"
R and LR
(Armor)
1C\zn" Lip
Size:
8" x 1Z\v"
Square corner XL11-820 Square corner XL11-821 Strike reinforcer 37-015 Strike box K510-066
R and LR
1C\zn" Lip
Size:
4M\," x 1Z\v"
L and RR
1C\zn" Lip
Size:
4M\," x 1Z\v"
L9000 Series
Z\v" Radius
Round Corner
Size:
4M\," x 1Z\v"
Size:
4ZC\zn" x 1Z\v" x ZB\zn"
Strike dimensions and components
Part number Lip Lock series Door range Strike box Screws (2 ea)
—
1C\zn" 1C\,"–1M\,"
1Z\x" 1M\,"–2Z\,"
1C\v" 2Z\,"–2B\,"
2B\,"-3Z\,"
M\,"—
— —
— — —
— —
— —
1C\zn" 1C\,"–1M\,"—
1C\zn" 1C\,"–1M\,"
— — — —
C\,Z\znC\vZ\v

Cylinders
Cylinders
How to measure cylinder lengths
LENGTH
LENGTH
Cylinder length Dimension
Z\,
Z\v
C\,
Z\x
B\,
C\v
L-Series, LV-Series cylinder and length requirements
Function Trim Cylinder Door Thickness
1C\,’’ 1C\v’’ 2” 2Z\v”
Dimension
— —
— —
—
—
—
———
—
—
———
—
—

Cylinders
Full face cylinders
Cylinder front Cylinder back Cylinder only
Cylinder with
compression ring
and spring
L-Series, LV-Series (except L9060/LV9060 outside and LM9280, LM9380/LMV9380)
Description Cylinder Mechanism Complete Cylinder Traditional Cams Modular Cams
L-Series, LV-Series L9060/LV9060 outside
Description Cylinder Mechanism Complete Cylinder Traditional Cams Modular Cams
Z\,
Z\,
L-Series, LV-Series LM9280 and LM9380/LMV9380
Description Cylinder Mechanism Complete Cylinder Modular Cams

Cylinders
Concealed cylinders
Cylinder front Cylinder back Cylinder only
L-Series, LV-Series (except L9060/LV9060 outside)
Description Cylinder mechanism Complete cylinder Cams
L-Series, LV-Series L9060/LV9060 outside
Description Cylinder mechanism Complete cylinder Cams
1Z\,1Z\v1C\,
1Z\,

Cylinders
Full size interchangeable core cylinders
Cylinder front Cylinder back Cylinder only
Cylinder with
compression ring
and spring
Cylinder with
blocking ring
1¹⁄₂"
1¹⁄₂"
1¹⁄₂"
1¹⁄₂"
1¹⁄₂"
L /LV/LM/LMV-Series (except L9060/LV9060 outside and LM9280, LM9380/LMV9380)
Description Cylinder mechanism Complete cylinder Cam
C\,
L, LV-Series L9060 /LV9060 outside
Description Cylinder mechanism Complete cylinder Cam
Z\x
LM, LMV-Series LM9280 and LM9380/LMV9380
Description Cylinder mechanism Complete cylinder Cam

Cylinders
Assembled full size interchangeable cores
23-030 23-031
Part number Description
Full size core parts
Part number Description

Cylinders
Small format interchangeable core cylinders
Cylinder front Cylinder back Cylinder only
Cylinder with
compression ring
and spring
Cylinder with
blocking ring
1³⁄₈"
1³⁄₈"
1
³⁄₈
"
1³⁄₈"
1³⁄₈"
L/LV/LM/LMV-Series (except L9060/LV9060 outside and LM9280, LM9380/LMV9380)
Description Cylinder mechanism Complete cylinder Cam
Z\v
L, LV-Series L9060 /LV9060 outside
Description Cylinder Mechanism Complete Cylinder Cam
LM, LMV-Series LM9280 and LM9380/LMV9380
Description Cylinder Mechanism Complete Cylinder Cams
Other straight cam applications
Description Cylinder mechanism Complete cylinder Cam
Z\v

Cylinders
Everest and Everest 29 patented keyway cores
Part number Description

Blocking and compression rings
Blocking and compression rings
36-079 Blocking ring 36-082 Blocking ring 36-083 compression ring and
cylinder spring
L583-195 Cylinder spring
1
¹⁄₂
" diameter
C\, Z\x
Dimensions for blocking rings
Blocking ring length Dimension Blocking ring length Dimension
Z\, C\,
C\zn M\zn
Z\v Z\x
B\zn
Full size core blocking ring requirements, L-Series, LV-Series
Function Trim Door Thickness
1C\,’’ 1C\v’’ 2” 2Z\v”
Dimension
—
—
—
—
SFIC blocking ring requirements, L-Series, LV-Series
Function Trim Door Thickness
1C\,’’ 1C\v’’ 2” 2Z\v”
Dimension
—
—

Special trim options
Special trim options
Solid latchbolt
XL11-422
Armor front (deadbolt)
XL11-743
L9000 lead lining
XL11-515
L400 lead lining
XL12-216
.125 ± .015 .125 ± .015
Special cylinder applications
“X” Number Description
M\,
Z\v
®Z\v
Z\v
®M\,
Z\v

Special trim options
Anti-ligature knob trim
XL11-000
Anti-ligature lever trim
XL12-482
Anti-ligature thumbturn
09-029
Anti-ligature conversion kits
Knob Lever Kit contents Knob or lever functions
Deadbolt Kit contents Deadbolt functions
C\v

Installation tools and kits
Installation tools and kits
40-054 Maintenance kit
#Part No. Desc. Qty
#Part No. Desc. Qty
Z\v"
Z\zn"

Installation tools and kits
Part number Description
M\,
Z\v
P
R
O
-
L
O
K
Part Number Description
B\,
ZZ\zn
C\v
ZC\zn
M\,
ZB\zn
Z\zn
Z\v

Electrified locks
Electrified locks
L-Series and LM-Series EL, electrically locked (fail safe)
L-Series and LM-Series EU, electrically unlocked (fail secure)
Cylinders
Electrical requirements
Do not use AC power.
Voltage: Operating temperature:
Peak current: Holding current:
Typical installation
L909X
LM929X
Electrified L-Series functions

Electrified locks
Electrified LM-Series functions
Request to exit (RX)
L283-452
L283-059L283-125
L283-197L283-196
Note:
Deadbolt monitoring
Latchbolt monitoring
Door position switch

LM9200 Series two point lock
LM9200 Series two point lock
Armor fronts
Strikes Cables
Strike kits include strike assembly, shims and screwpack. Specify top cable length.
Part Number Description
Fire-rated components
Part Number Description

LM9300 Series multipoint lock
LM9300 Series multipoint lock
Multipoint lock top/bottom latch components
LM9000 parts Description Package contents
LM9300 parts Description Package contents
ZB\zn

Lubrication specifications
Lubrication specifications
Lock Function Lock case lubrication areas Subassembly and component
B
B
A
C
C
C
A
A
A
A
A
C
C
C
B
B
A
C
C
C
A
A
A
A
A
C
C
C

Lubrication specifications
Lock case lubrication areas Subassembly and component

Door handing
Door handing
Changing the lock hand
Changing cylinder turn hand
Ball and Spring
Hole for
right-handed
Hole for
le-handed
Hole for
non-handed
LH
Le Hand
LRB
Le Hand
Reverse Bevel
RH
Right Hand
RRB
Right Hand
Reverse Bevel
INSIDE
INSIDE
OUTSIDE
OUTSIDE
Rotate
180˚
Pull
Move
Handing
Screw

Ordering procedures
Ordering procedures
Line
Item
Qty Product Outside Inside Hand Latch Strike DR
THK
EXT DIM Additional Details
DES FIN DES FIN
C\,Z\vZ\x
C\v
Z\,C\,Z\,B\,
C\znZ\xZ\vC\v
Z\v M\,C\,
B\zn Z\x
Line
Item
Qty Product Outside Inside Hand Latch Strike DR
THK
EXT DIM Additional Details
DES FIN DES FIN
Z\v
C\v

Finishes
Finishes
Finish Codes and Descriptions
Code Description Code Description
Limited warranty
Limited warranty
Commercial application
3-Year Limited Warranty
The provisions of this warranty do not apply to Products:
Specific product warranty restrictions/additional
warranties
Portable security products warranty:
ND-Series levers 10-year mechanical warranty:
Small Format Interchangeable Core (SFIC) warranty:
Everest®, Primus® limited lifetime key breakage
warranty:
AD-Series 1-Year warranty for electronic locks, reader
modules, PIM400 and PIB300:

L9000-Series installation instructions
L9000-Series installation instructions
OR
O
OU
J
E
H
G
E
QA
B
D
C
N
P
K
F
OR
O
OU
Z
Y
K
OR
O
OU
A Lockcase and mounting screws
B Spindle and spring
C Outside lever and rose
D Mounting posts
E Spring cage or spacer
F Occupancy indicator
G Inside mounting plate & screws
H Inside lever
J Inside thumbturn
K Cylinder, compression ring and
spring
L Inside rose
N Emergency turn and button
P Coin turn
Q Armor front and screws
Z Blocking ring
Lever and Rose
IMPORTANT: Before installation of any L/LV Series lock,
check lock handing. (See door handing section.)
1All functions
Fully tighten
at step 9
2All functions
3 All functions
IMPORTANT: If spacer is supplied, install now.
Fully tighten mounting
posts on screws
Arrow in direction of
lever down rotation
4 x 6 x 1"
113 x 154 x 25 mm
OUTSIDE
Spacer
OR
LV functions

L9000-Series installation instructions
4
For Functions:
9044
9444
For Functions:
9486
9496
For Functions:
9050
9056
9060
9070
9071
9076
9077
9080
9082
9453
9456
9457
9465
9466
9473
9480
9485
9486
9496
Use correct
driver bar
Use blocking
ring with double
cylinder
For Functions:
9040
9440
5
All functions OR
OR
OR

L9000-Series installation instructions
OR
Optional
cylinder turn
6
7
All functions
OR
INSIDE
Arrow in direction
of lever down
rotation
All functions
For Functions:
9040
9050
9056
9440
9453
9456
9473
9480
9485
9486
Extend deadbolt
Thumbturn
vertical
For Functions:
9060
9071
9077
9082
9457
9466
Use blocking ring
with double cylinder
8

L9000-Series installation instructions
IMPORTANT: Move handing screw to inside of door for L locks
and outside of door for LV locks.
Door Handing
9
10
Tighten
mounting
screws
Tighten cylinder
mounting screw
if necessary
Handing screw
Pull
180˚
All functions
All functions

L9000-Series installation instructions
A Lockcase and mounting screws
B Spindle and spring
D Mounting posts
E Spring cage or spacer
G Inside mounting plate
and screws
H Inside lever
K Cylinder and spring
N Emergency button and turn
Q Armor front and screws
R Outside lever and escutcheon
T Inside escutcheon and screws
Lever and Escutcheon
OR
O
OU
OR
O
OU
E
H
G
Q
E
A
B
D
OR
O
OU
R
T
K
K
N
IMPORTANT: Before installation of any L/LV Series
lock, check lock handing. (See door handing section.)
1All functions
Fully tighten
at step 10
2All functions
3
4 x 6 x 1"
113 x 154 x 25 mm
OUTSIDE
All functions IMPORTANT: If spacer is supplied, install now.
Arrow in direction of
lever down rotation
Spacer
OR
Fully tighten
mounting posts
on screws
LV functions

L9000-Series installation instructions
For Functions:
9010
9176
5
6All functions
4 IMPORTANT: For concealed cylinder option, install cylinder(s)
BEFORE installing escutcheon(s).
For Functions:
9040
9440
For Functions:
9486
9496
Use correct
driver bar
For Functions:
9050
9056
9060
9070
9071
9076
9077
9080
9082
9453
9456
9457
9465
9466
9473
9480
9485
9486
9496
Arrow in
direction of
lever down
rotation
OR
INSIDE
Optional
OR
OR
OR

L9000-Series installation instructions
For Functions:
9040 9456
9050 9473
9056 9480
9440 9485
9453 9486
Retract
deadbolt
Thumbturn
vertical
For Functions:
9060
9071
9077
9082
9457
9466
For Functions:
9050 9071 9082 9465 9485
9056 9076 9453 9466 9486
9060 9077 9456 9473 9496
9070 9080 9457 9480
8
OUTSIDE
INSIDE
9
7
OR
For Functions:
9010 9080
9060 9082
9070 9457
9071 9465
9076 9466
9077

L9000-Series installation instructions
10 All functions
Tighten cylinder
mounting screw
if necessary
IMPORTANT: Move handing screw to inside of door for L locks
and outside of door for LV locks.
Door Handing
Handing screw
Pull
180˚
11
Tighten
mounting
screws
All functions

L9000-Series installation instructions
A Lockcase and mounting screws
B Spindle and spring
D Mounting posts
F Occupancy indicator
J Inside thumbturn
K Cylinder, compression ring
and spring
L Inside rose
M Outside knob and rose
N Emergency turn and button
P Coin turn
Q Armor front and screws
V Knob mounting plate
W Inside knob
Z Blocking ring
Knob and Rose
4 x 6 x 1"
113 x 154 x 25 mm
W
Q
A
B
D
N
V
M
K
Z
K
L
P
F
J
IMPORTANT: Before installation of any L/LV Series lock,
check lock handing. (See door handing section.)
1All functions
Fully tighten
at step 9
2All functions
OUTSIDE
Fully tighten mounting
posts on screws
4
All functions
3
All functions

L9000-Series installation instructions
OUTSIDE
5 For Functions:
9040
9440
For Functions:
9044
9444
For Functions:
9486
9496
For Functions:
9050
9056
9060
9070
9071
9076
9077
9080
9082
9453
9456
9457
9465
9466
9473
9480
9485
9486
9496
Use correct
driver bar
Use blocking ring
with double cylinder
6
INSIDE
All functions
OR
OR
OR

L9000-Series installation instructions
7 All functions
For Functions:
9040
9044
9050
9056
9440
9444
9453
9456
9473
9480
9485
9486
9496
Extend deadbolt
Thumbturn
vertical
8
For Functions:
9060
9071
9077
9082
9457
9466
Use blocking
ring with double
cylinder
Optional
Cylinder Tu rn
Tighten cylinder
mounting screw
if necessary
Tighten
mounting
screws
9 All functions
OR

L9000-Series installation instructions
All functions
10
IMPORTANT: Move handing screw to inside of door.
Door Handing
Handing screw
Pull
180˚

L9000-Series installation instructions
A Lockcase and mounting screws
B Spindle and spring
D Mounting posts
K Cylinder and spring
N Emergency button and turn
Q Armor front and screws
S Outside knob and escutcheon
T Inside escutcheon and screws
V Knob mounting plate
W Inside knob
Knob and Escutcheon
W
V
Q
A
B
D
OR
O
OU
T
K
N
S
K
IMPORTANT: Before installation of any L/LV Series
lock, check lock handing. (See door handing section.)
1All functions
Fully tighten
at step 9
2All functions
OUTSIDE
4 x 6 x 1"
113 x 154 x 25 mm
LV functions
Fully tighten mounting
posts on screws
4
All functions
3
IMPORTANT: For concealed cylinder option, install cylinder(s)
BEFORE installing escutcheon(s).
Optional

L9000-Series installation instructions
5 For Functions:
9010
9110
9176
For Functions:
9040
9440
For Functions:
9486
9496
Use correct
driver bar
For Functions:
9050
9056
9060
9070
9071
9076
9077
9080
9082
9453
9456
9457
9465
9466
9473
9480
9485
9486
9496
INSIDE
6All functions
OR
OR
OR

L9000-Series installation instructions
For Functions:
9050 9071 9082 9465 9485
9056 9076 9453 9466 9486
9060 9077 9456 9473 9496
9070 9080 9457 9480
Retract
deadbolt
Thumbturn
vertical
For Functions:
9010 9071 9080 9175 9465
9060 9076 9082 9176 9466
9070 9077 9110 9457
7
Shown with escutcheon for cylinder
For Functions:
9040 9453 9485
9050 9456 9486
9056 9473 9496
9440 9480
8
OUTSIDE
INSIDE
9 For Functions:
9060
9071
9077
9082
9457
9466
OR

L9000-Series installation instructions
10
Tighten
mounting
screws
Tighten cylinder
mounting screw
if necessary
All functions
11 All functions
IMPORTANT: Move handing screw to inside of door.
Door Handing
Handing screw
Pull
180˚

L400-Series installation instructions
L400-Series installation instructions
OR
D
B
C
F
C
A
E
Small Case Mortise Locks
A Lockcase and mounting screws
B Occupancy indicator
C Cylinder compression ring and
spring
D Inside thumbturn
E Blocking ring
F Armor front and screws
OUTSIDE
1All functions
2For Function:
L496
For Functions:
L460
L462
L463
L464
L496
Use correct
driver bar
Use blocking
ring with double
cylinder

L400-Series installation instructions
OR
D
B
C
F
C
A
E
Small Case Mortise Locks
A Lockcase and mounting screws
B Occupancy indicator
C Cylinder compression ring and
spring
D Inside thumbturn
E Blocking ring
F Armor front and screws
OUTSIDE
1All functions
2For Function:
L496
For Functions:
L460
L462
L463
L464
L496
Use correct
driver bar
Use blocking
ring with double
cylinder

L9000-Series 180 degree indicator installation instructions – escutcheon trim
L9000-Series 180 degree indicator installation
instructions – escutcheon trim
1 IMPORTANT! Check lock handing before installation.
To change handing:
1. Pull out the latch
and rotate 180°.
2. Remove the lock
handing screw
from one side of
the chassis and
install it on the
opposite side.
The lock handing
screw should
always be on the
interior side of the
door.
Pull
Rotate
180°
Handing
screw
2 Install lock chassis
DO NOT FULLY TIGHTEN
CHASSIS MOUNTING SCREWS.
Indicator trim is available for either the inside or outside of the door on allowable functions.
Non-indicator trim is furnished on the opposite side of the door.
The L9000 lock with indicator is not intended for exterior door applications.
For retrot, see page 7.
Check the door preparation dimensions with the template included in the package.
Thumb turn indicator inside and cylinder non-indicator outside shown
Emergency
turn
Coin turn
Indicator options (exterior):
OR
OR
Cylinder
Tools
Indicator options (interior):
Cylinder or thumb turn
L9000 Series Lock with Indicator Escutcheon Trim
Installation Instructions
L9000 Lock with Indicator

L9000-Series 180 degree indicator installation instructions – escutcheon trim
2
3 Install springs and spindles
All functions Exterior
4 Install OUTSIDE indicator trim
Steps 4a – 4d for INDICATOR TRIM ONLY
FOR NON-INDICATOR OUTSIDE TRIM, SKIP TO STEP 5
4a For emergency turn or cylinder indicator trim ONLY:
Adjust the cam spindle length.
Cut the spindle at the appropriate mark
according to door thickness.
For 2Z\v” door do not cut the spindle.
4b Assemble the escutcheon mounting plate, indicator slide
and cam as shown.
Coin turn cam OR
Cylinder or
emergency
turn cam
Indicator
slide
Cam
Escutcheon
mounting plate
4c Connect the cam to the indicator slide. The cam must
engage either the left or right side of the indicator slide
according to door handing.
• Unlock the door.
• Move the indicator slide against the top rim of the
mounting plate (unlocked position).
• Assemble the cam as shown.
OUTSIDE INDICATOR
Door Hand
Lock Type
Non-deadbolt
functions RH/RR LH/LR
Deadbolt
functions LH/LR RH/RR
4d Place the escutcheon faceplate on the indicator
assembly.
Escutcheon
faceplate
Indicator slide in
unlocked position

L9000-Series 180 degree indicator installation instructions – escutcheon trim
3
5
5a Install outside spring cage or spacer.
OR
O
OU
LThe spring cage arrow
must point in direction
of lever down rotation.
All functions
Install spacer for L/LV9485
5b Install outside mounting posts.
LV functions
FULLY TIGHTEN MOUNTING POSTS ON SCREWS.
6 Install outside trim
Functions
L/LV9040 L/LV9440
Exterior
Functions
L/LV9044 L/LV9444
Exterior
Exterior
Functions
L/LV9050
L/LV9056
L/LV9060
L/LV9070
L/LV9071
L/LV9456
L/LV9457
L/LV9458
L9465
L9466
L9473
L/LV9485
LM/LMV9350
LM/LMV9370
LM/LMV9371
Indicator trims are shown above. Depending on the lock conguration,
the outside trim may not have an indicator.

L9000-Series 180 degree indicator installation instructions – escutcheon trim
4
7 Install outside cylinder (if applicable)
7a Insert key halfway into the cylinder.
7b Install the cylinder with cylinder spring as shown.
Functions
L/LV9050
L/LV9056
L/LV9060
L/LV9070
L/LV9071
L/LV9456
L/LV9457
L/LV9458
L9465
L9466
L9473
L/LV9485
LM/LMV9350
LM/LMV9370
LM/LMV9371
Exterior
7c Rotate cylinder clockwise.
Exterior
Key inserted halfway
8 Install inside spring cage and mounting plate
LThe spring cage arrow
must point in direction
of lever down rotation.
Interior
9 Install INSIDE indicator trim
Steps 9a – 9d for INDICATOR TRIM ONLY
FOR NON-INDICATOR INSIDE TRIM, SKIP TO STEP 10
9a For cylinder indicator trim ONLY: Adjust the cam
spindle length.
Cut the spindle at the appropriate mark
according to door thickness.
For 2Z\v” door do not cut the spindle.
9b Assemble the escutcheon mounting plate, indicator slide
and cam as shown.
Thumb turn cam OR
Cylinder cam
Indicator
slide
Cam
Escutcheon
mounting
plate

L9000-Series 180 degree indicator installation instructions – escutcheon trim
5
9c Connect the cam to the indicator slide. The cam must
engage either the left or right side of the indicator slide
according to door handing.
• Unlock the door.
• Move the indicator slide against the top rim of the
mounting plate (unlocked position).
• Assemble the cam as shown.
INSIDE INDICATOR
Door Hand
Lock Type
Non-deadbolt
functions LH/LR RH/RR
Deadbolt
functions RH/RR LH/LR
9d Place the escutcheon faceplate on the indicator
assembly.
Cylinder and thumb turn applications are shown below.
Indicator slide in
unlocked position
Escutcheon
faceplate
LThumb turn must be in
vertical position when
indicator slide is in up
(unlocked) position.
Escutcheon
faceplate
Thumb turn
Indicator slide in
unlocked position
10 Install inside trim
DO NOT OVERTIGHTEN THE MOUNTING SCREWS
Functions
L/LV9040
L/LV9044
L/LV9050
L/LV9056
L/LV9440
L/LV9444
L/LV9456
L/LV9457
L/LV9458
L9473
L/LV9485
LM/LMV9350
Functions
L/LV9060
L/LV9071
L9466
LM/LMV9371
Indicatortrimsareshownabove.Dependingonthelockconguration,
the inside trim may not have an indicator.
Functions
(non-indicator)
L/LV9070
L9465

L9000-Series 180 degree indicator installation instructions – escutcheon trim
6
11 Tighten bushing with spanner wrench
All functions
12 Install inside cylinder (if applicable)
12a Insert key halfway into the cylinder.
12b Install the cylinder with cylinder spring as shown.
Functions
L/LV9060
L/LV9071
L9466
L9473
Interior
12c Rotate cylinder clockwise.
Interior
Key inserted halfway
13
13a Tighten cylinder mounting screw (if applicable).
13b Tighten top and bottom chassis mounting screws.
Cylinder
mounting
screw
a b
Chassis
mounting
screws
14 Install armor front
All functions

L9000-Series 180 degree indicator installation instructions – escutcheon trim
7
INDICATOR LOCK RETROFIT INSTRUCTIONS
Inside Indicator Trim
Inside trim options: Cylinder or thumb turn
Outside Indicator Trim
Outside trim options: Emergency turn, coin turn or cylinder
Thumb turn Cylinder
Cylinder Emergency turn Coin turn
1 Remove armor front 2 Remove cylinder(s) if applicable
2a Loosen the cylinder mounting screw.
2b Remove the inside cylinder.
Insert the key halfway into the cylinder and rotate cylinder
counterclockwise to remove.
Interior
Key inserted halfway

L9000-Series 180 degree indicator installation instructions – escutcheon trim
2c Remove the outside cylinder.
Insert the key halfway into the cylinder and rotate cylinder
counterclockwise to remove.
Exterior
Key inserted halfway
3
3a Remove the inside lever.
Interior
3b Remove the inside escutcheon.
4
For indicator trim on outside of door, remove the inside
mounting plate and spring cage. Then, remove the ouside trim.
Exterior
Interior
Mounting plate
Spring cage
5 Check door preparation
IMPORTANT
• To install the indicator trim, additional door preparation
may be required. If additional door preparation is required,
remove the lock chassis from the door before drilling. Steps
for reassembly are included in this instruction sheet.
• Please refer to the template included in this package.
• Make sure the door is prepared with any necessary holes for
the indicator trim.
6 Complete installation of indicator trim
Go to STEP 4 ON PAGE 2 and follow the instructions to
complete the installation of the indicator trim.
Customer Service
1-877-671-7011 www.allegion.com/us

L9000-Series 180 degree indicator installation instructions – sectional trim
L9000-Series 180 degree indicator installation
instructions – sectional trim
Indicator trim is available for either the inside or outside of the door on allowable functions.
Non-indicator trim is furnished on the opposite side of the door.
The L9000 lock with indicator is not intended for exterior door applications.
For retrot, see page 8.
Check the door preparation dimensions with the template included in the package.
Inside cylinder indicator with outside cylinder
non-indicator sectional trim shown
OR
OR
Furnished on opposite side of
door, depending on function.
Thumb
turn CylinderCoin
turn
Non-indicator options:
Coin turn
Thumb turn
Emergency
turn
Indicator turn options:
L9000 Series Lock with Indicator Sectional Trim
Installation Instructions
L9000 Lock with Indicator
Tools
1 IMPORTANT! Check lock handing before installation
To change handing:
1. Pull out the latch
and rotate 180°.
2. Remove the lock
handing screw
from one side of
the chassis and
install it on the
opposite side.
The lock handing
screw should
always be on the
interior side of
he door.
Pull
Rotate
180°
Handing
screw
2 Prepare the door for indicator trim
Two Z\," pilot holes are required to mount the indicator.
ONLY ONE SIDE OF THE DOOR – THE INDICATOR SIDE –
REQUIRES THIS PREPARATION. Use the template included in
the package to mark the location of the pilot holes before drilling.
Inside of door Outside of door
¹⁄₈" pilot
hole x 2
¹⁄₈" pilot
hole x 2

L9000-Series 180 degree indicator installation instructions – sectional trim
2
3 Install lock chassis
Note:
Pilot holes for
INDICATOR
ONLY
DO NOT FULLY TIGHTEN
CHASSIS MOUNTING SCREWS.
4 Install springs and spindles
All functions
Exterior
5
5a Install outside spring cage or spacer.
OR
LThe spring cage arrow
must point in direction
of lever down rotation.
Install spacer for L/LV9485
5b Install outside mounting posts.
LV functions
FULLY TIGHTEN MOUNTING POSTS ON SCREWS.
6 Install outside lever
All functions
Exterior
7 Install inside spring cage and mounting plate
LThe spring cage arrow
must point in direction
of lever down rotation.
Interior

L9000-Series 180 degree indicator installation instructions – sectional trim
3
8 Install inside lever and rose
All functions
9 Tighten bushing with spanner wrench
10 NON-INDICATOR TRIM ONLY
Install outside turn or cylinder
For INDICATOR outside trim, SKIP TO STEP 11
COIN TURN:
10a Insert coin turn into the door.
Functions
L/LV9044
L/LV9444
Exterior
– OR –
CYLINDER:
10b Insert key halfway into the cylinder.
10c Install the cylinder with cylinder spring as shown.
Functions
L/LV9050
L/LV9056
L/LV9060
L/LV9070
L/LV9071
L/LV9456
L/LV9457
L/LV9458
L9460
L9462
L9463
L9464
L9465
L9466
L9473
L/LV9485
LM/LMV9350
LM/LMV9370
LM/LMV9371
Key inserted halfway
10d Rotate cylinder clockwise.

L9000-Series 180 degree indicator installation instructions – sectional trim
4
11 INDICATOR TRIM ONLY
Install outside INDICATOR with turn or cylinder
LTHIS STEP FOR FUNCTIONS WITH INSIDE THUMB TURN
ONLY.
11a Adjust the cam spindle length (emergency turn or
cylinder cam only).
Cut the spindle at the appropriate mark
according to door thickness.
For 2Z\v” door do not cut the spindle.
11b Install the indicator mounting plate.
Secure the mounting plate with four (4) screws.
Note: Cylinder applications require only two (2) screws.
Indicator
mounting plate
All functions
Exterior
11c Install the indicator slide and cam.
Coin turn only: Place cam on spindle rst, then place
indicator slide over cam/spindle assembly.
Indicator
slide
Cam (cylinder or
emergency turn)
Coin turn only
Spindle
11d Connect the cam to the indicator slide. The cam must
engage either the left or right side of the indicator slide
according to door handing.
• Unlock the door.
• Move the indicator slide against the top rim of the
mounting plate (unlocked position).
• Position the cam as shown.
OUTSIDE INDICATOR
Door Hand
Lock Type
Non-deadbolt
functions RH/RR LH/LR
Deadbolt
functions LH/LR RH/RR

L9000-Series 180 degree indicator installation instructions – sectional trim
5
CYLINDER:
11e Insert key halfway into the cylinder.
11f Install the indicator faceplate and cylinder with cylinder
spring as shown.
Key inserted
halfway
Indicator
faceplate
11g Rotate cylinder clockwise.
COIN TURN OR EMERGENCY TURN:
11h Install the indicator faceplate. Secure the indicator
faceplate with two set screws.
Emergency turn shown
Indicator
faceplate
12 NON-INDICATOR TRIM ONLY
Install inside thumb turn or cylinder
For INDICATOR inside trim, SKIP TO STEP 13
CYLINDER:
Functions
L/LV9060
L/LV9071
L9462
L9463
L9466
LM/LMV9371
Rotate clockwise
ba
Key inserted halfway
Interior
– OR –
THUMB TURN:
aRotate 180°
b
Functions
L/LV9040
L/LV9044
L/LV9050
L/LV9056
L/LV9440
L/LV9444
L/LV9456
L/LV9457
L/LV9458
L9460
L9473
L/LV9485
LM/LMV9350
c

L9000-Series 180 degree indicator installation instructions – sectional trim
6
13 INDICATOR TRIM ONLY
Install inside INDICATOR with thumbturn or cylinder
13a Install the indicator mounting plate.
Secure the mounting plate with four (4) screws.
Note: Cylinder applications require only two (2) screws.
Indicator
mounting plate
All functions
Interior
13b Install the indicator slide and cam.
Thumb turn only: Place cam on spindle rst, then place
indicator slide over cam/spindle assembly.
Indicator
slide
Cam (cylinder)
Thumb turn only
Spindle
13c Connect the cam to the indicator slide. The cam must
engage either the left or right side of the indicator slide
according to door handing.
• Unlock the door.
• Move the indicator slide against the top rim of the
mounting plate (unlocked position).
• Position the cam as shown.
INSIDE INDICATOR
Door Hand
Lock Type
Non-deadbolt
functions LH/LR RH/RR
Deadbolt
functions RH/RR LH/LR

L9000-Series 180 degree indicator installation instructions – sectional trim
7
CYLINDER:
13d Insert key halfway into the cylinder.
13e Install the indicator faceplate and cylinder with cylinder
spring as shown.
Indicator
faceplate
Key inserted
halfway
13f Rotate cylinder clockwise.
– OR –
THUMB TURN:
13g Install the indicator slide and indicator faceplate. Secure
the indicator faceplate with two set screws.
Indicator
faceplate
14
14a Tighten cylinder mounting screw, if applicable.
14b Tighten top and bottom chassis mounting screws.
Cylinder
mounting
screw
ab
Chassis
mounting
screws
All functions
15 Install armor front
All functions

L9000-Series 180 degree indicator installation instructions – sectional trim
INDICATOR LOCK RETROFIT INSTRUCTIONS
Indicator Retrot Options:
Coin turn
Thumb turn
Emergency
turn
Cylinder
1 Remove armor front
2 Remove cylinder(s) or thumb turn if applicable
2a Loosen the cylinder mounting screw.
2b Remove the outside cylinder, if applicable.
Insert the key halfway into the cylinder and rotate
cylinder counterclockwise to remove.
Key inserted halfway
2c Repeat for the inside cylinder, if applicable.
2d Remove inside or outside turns, if applicable.
3 Check door preparation
IMPORTANT
• To install the indicator trim, additional door preparation
may be required. If additional door preparation is required,
remove the lock chassis from the door before drilling. Steps
for reassembly are included in this instruction sheet.
• Please refer to the template included in this package.
• Make sure the door is prepared with any necessary holes for
the indicator trim.
4 Complete installation of indicator trim
Go to STEP 11 ON PAGE 4 and follow the instructions to
complete the installation of the indicator trim.
Customer Service
1-877-671-7011 www.allegion.com/us

L400-Series 180 degree indicator installation instructions
L400-Series 180 degree indicator installation
instructions
Indicator trim is available for either the inside or outside of the door on allowable functions.
Non-indicator trim is furnished on the opposite side of the door.
The L400 lock with indicator is not intended for exterior door applications.
For retrot, see page 6.
Check the door preparation dimensions with the template included in the package.
Tools Non-indicator options
Cylinder turn
L463 only
Indicator options
Cylinder
Cylinder
Thumb turn
Thumb turn
L400 Series Lock with Indicator Sectional Trim
Installation Instructions
L400 Lock with Indicator
1 Prepare the door for indicator trim
Two Z\," pilot holes are required to mount the indicator.
ONLY ONE SIDE OF THE DOOR – THE INDICATOR SIDE –
REQUIRES THIS PREPARATION. Use the template included in
the package to mark the location of the pilot holes before drilling.
Inside of door Outside of door
¹⁄₈" pilot
hole x 2
¹⁄₈" pilot
hole x 2
For cylinder
if applicable
For cylinder
if applicable
For outside
indicator
only
For inside
indicator
or thumb turn
2 Install lock chassis
Note:
Pilot holes for
INDICATOR
ONLY
DO NOT FULLY TIGHTEN
CHASSIS MOUNTING SCREWS.

L400-Series 180 degree indicator installation instructions
2
3 NON-INDICATOR ONLY - Install outside cylinder
FOR INDICATOR, SKIP TO STEP 4.
Exterior
L460
L462
L464
3a Insert key halfway into the cylinder.
3b Rotate cylinder clockwise.
Key inserted
halfway
4 INDICATOR ONLY – Install outside cylinder
4a Install the indicator mounting plate.
Secure the mounting plate with four (4) screws.
Note: Cylinder applications require only two (2) screws.
Indicator
mounting plate
Exterior
4b Adjust the cam spindle length.
LTHIS STEP FOR FUNCTIONS WITH INSIDE THUMB TURN
ONLY.
Cut the spindle at the appropriate mark
according to door thickness.
For 2Z\v” door do not cut the spindle.
4c Install the indicator slide and cam.
Indicator
slide
Cam
All functions

L400-Series 180 degree indicator installation instructions
3
4d Connect the cam to the indicator slide. The cam must
engage either the left or right side of the indicator slide
according to door handing.
• Unlock the door.
• Move the indicator slide against the top rim of the
mounting plate (unlocked position).
• Assemble the cam as shown.
OUTSIDE INDICATOR
Door Hand
Lock Type
Non-deadbolt
functions RH/RR LH/LR
Deadbolt
functions LH/LR RH/RR
4e Insert key halfway into the cylinder.
4f Install the indicator faceplate and cylinder with cylinder
spring as shown.
4g Rotate cylinder clockwise.
5 NON-INDICATOR ONLY – Install inside cylinder or
thumb turn
FOR INDICATOR, SKIP TO STEP 6.
CYLINDER:
5a Insert key halfway into the cylinder.
Interior
5b Rotate cylinder clockwise.

L400-Series 180 degree indicator installation instructions
4
— OR —
THUMB TURN:
Rotate 180°
Extend
deadbolt
b
Thumbturn
vertical
a
6 INDICATOR ONLY– Install inside cylinder or thumb turn
6a Install the indicator mounting plate.
Indicator
mounting plate
Interior
6b Install the indicator slide and cam.
Thumb turn only:Placecamonspindlerst,thenplace
indicator slide over cam/spindle assembly.
Cam
(cylinder)
Indicator
slide
Thumb turn only
Spindle
6c Connect the cam to the indicator slide. The cam must
engage either the left or right side of the indicator slide
according to door handing.
• Unlock the door.
• Move the indicator slide against the top rim of the
mounting plate (unlocked position).
• Assemble the cam as shown.
INSIDE INDICATOR
Door Hand
Lock Type
Non-deadbolt
functions LH/LR RH/RR
Deadbolt
functions RH/RR LH/LR
CYLINDER:
6d Insert key halfway into the cylinder.
6e Install the indicator faceplate and cylinder with cylinder
spring as shown.
Key inserted
halfway
Indicator
faceplate
L463
6f Rotate cylinder clockwise.
– OR –

L400-Series 180 degree indicator installation instructions
5
THUMB TURN:
6g Install the indicator slide and indicator faceplate. Secure
the indicator faceplate with two set screws.
7
7a Tighten cylinder mounting screw.
7b Tighten top and bottom chassis mounting screws.
Cylinder
mounting
screw
ab
Chassis
mounting
screws
8 Install armor front
All functions
For retrofit instructions, see page 6.

L400-Series 180 degree indicator installation instructions
© Allegion 2015
P516-911 Rev. 03/15-b
INDICATOR LOCK RETROFIT INSTRUCTIONS
1 Remove armor front
2 Remove cylinder(s) or thumb turn if applicable
2a Loosen the cylinder mounting screw.
2b Removetheoutsidecylinder,ifapplicable.
Insert the key halfway into the cylinder and rotate
cylinder counterclockwise to remove.
Key inserted
halfway
2c Repeatfortheinsidecylinder,ifapplicable.
2d Removeinsideturn,ifapplicable.
Rotate 180°
Extend
deadbolt
3 Check door preparation
IMPORTANT
• Toinstalltheindicatortrim,additionaldoorpreparation
mayberequired.Ifadditionaldoorpreparationisrequired,
remove the lock chassis from the door before drilling. Steps
for reassembly are included in this instruction sheet.
• Please refer to the template included in this package.
• Make sure the door is prepared with any necessary holes for
the indicator trim.
4 Complete installation of indicator trim
Go to STEP 4 ON PAGE 2 and follow the instructions to
complete the installation of the indicator trim.
Customer Service
1-877-671-7011 www.allegion.com/us

L9000-Series electrified installation instructions
L9000-Series electrified installation instructions
L-Series Electried Lock
All installations should be in accordance with local electrical codes and national electrical code, NFPA 70.
L909X-Series and LM929X-
Series electried locks offer
selection between one of
two modes, EL or EU.
Select the appropriate mode
for the installation using the
mode select switch located
on the mortise chassis.
EL, electrically locked
(fail safe):
Outside knob/lever or both
outside and inside knobs/
levers (depending on
function) will lock when
power is applied. In the
event of power failure, the
opening will be unlocked.
EU, electrically unlocked
(fail secure):
Outside knob/lever or both
outside and inside knobs/
levers (depending on
function) will unlock when
power is applied. In the
event of power failure, the
opening will be locked.
Note: When mode is switched (from EL to EU or EU to EL) the lock requires a complete lock/unlock power cycle to synchronize to
the proper mode.
IMPORTANT! Connection of L-Series electried mortise locks to a supply circuit containing electromagnetic devices (i.e., solenoid based) is not
recommended. If used, the resulting transient voltages could damage the lock. The transient voltage must be carefully suppressed at the equipment
producing it before connecting the lock to the same circuit. A varistor rated at 35 V (peak recurrent) may be used for transient voltage protection.
Troubleshooting
If lock does not operate.
• Ensure the lock is powered with DC power. Do not use AC power.
• Ensure the input voltage is between 10.8 and 26.4 volts DC.
L-Series Request-to-Exit (RX) Lock
RX utilizes a microswitch inside the lock case to detect rotation of the inside knob/lever. The switch then signals the use of the opening to the security system.
The RX is a removable module located on the bottom edge of the lock chassis. The module must be properly positioned to detect inside knob/lever
rotation. If not properly positioned, the lock and/or microswitch may be damaged.
Note: RX is not applicable with LM929X-Series locks.
RX module installation
1. The microswitch must be on the same side of the door as the
handing screw (facing the inside of the door).
2. Install the RX switch module as shown.
Change lock handing with RX
1. If the RX module is installed, remove the RX module.
2. Remove the handing screw.
3. Rotate the latch 180° (if necessary).
4. Reinstall the handing screw on the appropriate side.
5. Reinstall the RX module with the microswitch on the same side as
the handing screw.
Electrical rating: 3 A, 125 V AC; 2 A, 30 V DC
L-Series Electried Locks
L909X-Series Electried Mortise Lock,
LM929X-Series Electried Two-Point Lock
Wiring Instructions and Specications
Handing screw
RX module
screws
Microswitch
Blue (NO)
Yellow (NC)
Green
(common)
WARNING
Warnings indicate potentially hazardous conditions, which if not
avoided or corrected, may cause death or serious injury.
WARNINGS
L909X
LM929X
Mode select
switch
Electried hinge/
EPT (not furnished)
12 or 24 V DC
Install varistor
here if used
(not furnished)
Switch
(not furnished)
Power supply
12 or 24 V DC
(not furnished)
Lock to hinge/EPT
harness (not furnished)
Electrical Requirements:
The L909X and LM929X-Series electried locks
are powered by DC power only.
Do not use AC power.
• Voltage: 12 or 24 V DC (maximum 26.4 V,
minimum 10.8 V)
• Peak current: 0.4 amps
• Holding current: 0.010 amps
• Operating temperature: -22°F to 140°F
(-30°C to 60°C)
Note: Either lock wire may be attached to either power
supply terminal (+ or -).
Maximum Total Wire Length
AWG 14 16 18 20
Voltage
12 V 500'
(152 m)
300'
(91 m)
200'
(61 m)
100'
(30 m)
24 V Up to 1000' 304 m
WARNING
L9091/93/95, L9493/95 and LM9291/93/95 functions lock both inside and
outside levers. Locking both levers will prevent normal egress from the
inside and will prevent the intended operation of an emergency exit.

L9000-Series electrified installation instructions
© Allegion 2015
P516-871 Rev. 10/15-d
Customer Service
1-877-671-7011 www.allegion.com/us
Deadbolt Monitor (DM)
Deadbolt Monitor (DM) identies the status of the deadbolt (extended or retracted). Normally open, normally closed, and common connections are
provided. Note: Deadbolt monitor is only available on deadbolt models. Electrical rating: 3 A, 125 V AC; 2 A, 30 V DC.
Latchbolt Monitor (LX)
Latchbolt Monitor (LX) identies the status of the latchbolt (extended or retracted). Normally open, normally closed, and common connections
are provided. Electrical rating: 3 A, 125 V AC; 2 A, 30 V DC.
Door Position Sensor (DPS)
Door Position Sensor (DPS) detects the position of the door, open
or closed, by utilizing a sensor in the mortise lock to detect a magnet
located in the door strike. Normally open, normally closed, and common
connections are provided. Note: DPS is not available on deadbolt models.
Max voltage 175 VDC, max current 0.250 A
DPS strike box
Strike
(10-072 shown)
Magnet
Allegion Connect
The L909X-Series and LM929X-Series electried mortise locks are furnished with Allegion Connect, a factory-installed Molex® connector system that
provides simplied installation and maintenance. The system utilizes quick-connect harnesses and hinges. As an alternative installation method, the
Molex connector may be cut off and the lock installed with traditional wire splicing methods.
Note: The items listed and shown below reect options that may or may not be included with your specic model.
Variable length wiring
harness (6" to 192")
EPT or electried hinge
6” wiring harness To
power
supply
RX/LX/DPS
RX/LX/DM
1234
5678
12
34
4-pin
connector
1
23
4
5678
12
34
8-pin
connector
L909X available options:
RX = Request to exit
DM = Deadbolt monitor
DPS = Door position sensor
LX = Latchbolt monitor
LM929X available options:
None
See charts below for wire colors.
8-Pin Lock
Connector
Harness
Connector
Purpose Function Wire
Color Pin Pin Wire
Color
EL / EU Power* Black 1
▬
►
1 Red
Power* Black 2
▬
►
2 Black
RX
Normally Open (NO) Blue 3
▬
►
3 Blue
Normally Closed (NC) Yellow 4
▬
►
4 Yellow
Common (C) Green 5
▬
►
5Green
LX
Normally Open (NO) Gray 6
▬
►
6 Gray
Normally Closed (NC) Violet 7
▬
►
7 Violet
Common (C) White 8
▬
►
8White
* Lock auto-detects GND, +12 or +24 V DC
4-Pin Lock
Connector
Harness
Connector
Purpose Function Wire
Color Pin Pin Wire
Color
DM
Normally Open (NO) Orange 1
▬
►
1 Orange
Normally Closed (NC) Brown 2
▬
►
2 Brown
Common (C) Pink 3
▬
►
3 Pink
not used 4 4 Tan
DPS
Normally Open (NO) Green/black 1
▬
►
1 Orange
Normally Closed (NC) Red 2
▬
►
2 Brown
Common (C) White/black 3
▬
►
3 Pink
not used 4 4 Tan

®
®
®
® ®
www.allegion.com
About Allegion
www.allegion.com