Scytek Electronic A10 Users Manual 5 12 06
A10 to the manual 4c4f5dc2-2892-4953-adff-c2dae5c58a5e
2015-02-06
: Scytek-Electronic Scytek-Electronic-A10-Users-Manual-527115 scytek-electronic-a10-users-manual-527115 scytek-electronic pdf
Open the PDF directly: View PDF
.
Page Count: 20

A10
SERIES
VEHICLE SECURITY SYSTEM
PRODUCT MANUAL

Limited
Lifetime
Warranty
This vehicle security system is warranted to the original purchaser, to be free from defects in
material and workmanship. The manufacturer will repair or replace at its option, and free of
charge for the first twelve (12) months, any part that proves defective in material or workmanship
under normal installation, use, and service, provided the product is returned to the manufacturer
freight prepaid. After the first 12 month warranty period there will be a maximum service charge
of $25.00 per calendar year (if required) for repair and/or replacement of any defective parts.
A copy of the original purchase and installation receipt must accompany any products
returned for warranty service. Warranty is limited to defective parts and/or replacement parts
only and excludes any incidental, and consequential damages connected therewith.
The manufacturer of this theft deterrent system makes no warranty against the theft of the vehicle
or its contents. This warranty is not to be construed as an insurance policy against loss.
WARRANTY OF INSTALLATION LABOR, REMOVAL AND RE-INSTALLATION CHARGES ARE
NOT THE RESPONSIBILITY OF THE MANUFACTURER.
Note: This Warranty is voided if the product was not installed by an
Authorized ScyTek Dealer.

1. About Your System . . . . . . . . . . . . . . . . . . . . . . . . . . . . . . . . . . . . . . . . . . . . . . . . . . . . . .Page 1
2. Remote Transmitters . . . . . . . . . . . . . . . . . . . . . . . . . . . . . . . . . . . . . . . . . . . . . . . . . . . . .Page 2
Remote Transmitter Description . . . . . . . . . . . . . . . . . . . . . . . . . . . . . . . . . . . . . . . . .Page 2
Adding/Replacing Transmitters . . . . . . . . . . . . . . . . . . . . . . . . . . . . . . . . . . . . . . . . . .Page 2
Battery Replacement . . . . . . . . . . . . . . . . . . . . . . . . . . . . . . . . . . . . . . . . . . . . . . . . .Page 3
Tamper Alert . . . . . . . . . . . . . . . . . . . . . . . . . . . . . . . . . . . . . . . . . . . . . . . . . . . Page 3
3. System Operation . . . . . . . . . . . . . . . . . . . . . . . . . . . . . . . . . . . . . . . . . . . . . . . . . . . . . . .Page 4
Remote Arming . . . . . . . . . . . . . . . . . . . . . . . . . . . . . . . . . . . . . . . . . . . . . . . . . . . .Page 4
Remote Disarming . . . . . . . . . . . . . . . . . . . . . . . . . . . . . . . . . . . . . . . . . . . . . . . . . .Page 4
Silent Arming/Disarming . . . . . . . . . . . . . . . . . . . . . . . . . . . . . . . . . . . . . . . . . . . . . .Page 4
Passive Arming . . . . . . . . . . . . . . . . . . . . . . . . . . . . . . . . . . . . . . . . . . . . . . . . . . . . .Page 5
Panic Mode . . . . . . . . . . . . . . . . . . . . . . . . . . . . . . . . . . . . . . . . . . . . . . . . . . . . . . .Page 5
Emergency Override . . . . . . . . . . . . . . . . . . . . . . . . . . . . . . . . . . . . . . . . . . . . . . . . .Page 5
Optional Coded Emergency Override . . . . . . . . . . . . . . . . . . . . . . . . . . . . . . . . . . . . .Page 6
Valet Mode . . . . . . . . . . . . . . . . . . . . . . . . . . . . . . . . . . . . . . . . . . . . . . . . . . . . . . . .Page 6
4. Extended Features . . . . . . . . . . . . . . . . . . . . . . . . . . . . . . . . . . . . . . . . . . . . . . . . . . . . . . .Page 7
Ignition Controlled Door Locks . . . . . . . . . . . . . . . . . . . . . . . . . . . . . . . . . . . . . . . . . .Page 7
Dome Light Activation . . . . . . . . . . . . . . . . . . . . . . . . . . . . . . . . . . . . . . . . . . . . . . . .Page 7
Auxiliary Function Outputs . . . . . . . . . . . . . . . . . . . . . . . . . . . . . . . . . . . . . . . . . . . . .Page 7
Anti-Carjacking Protection . . . . . . . . . . . . . . . . . . . . . . . . . . . . . . . . . . . . . . . . . . . . .Page 7
5. System Installation . . . . . . . . . . . . . . . . . . . . . . . . . . . . . . . . . . . . . . . . . . . . . . . . . . . . . .Page 8
Mounting the Control unit . . . . . . . . . . . . . . . . . . . . . . . . . . . . . . . . . . . . . . . . . . . . .Page 9
Mounting the Siren . . . . . . . . . . . . . . . . . . . . . . . . . . . . . . . . . . . . . . . . . . . . . . . . . .Page 9
Mounting the Shock Sensor . . . . . . . . . . . . . . . . . . . . . . . . . . . . . . . . . . . . . . . . . . . .Page 9
6. System Wiring . . . . . . . . . . . . . . . . . . . . . . . . . . . . . . . . . . . . . . . . . . . . . . . . . . . . . . . .Page 10
14-Pin Main Harness . . . . . . . . . . . . . . . . . . . . . . . . . . . . . . . . . . . . . . . . . . . . . . . .Page 10
Plug-in Connectors . . . . . . . . . . . . . . . . . . . . . . . . . . . . . . . . . . . . . . . . . . . . . . . . .Page 10
7. System Programming . . . . . . . . . . . . . . . . . . . . . . . . . . . . . . . . . . . . . . . . . . . . . . . . . . . .Page 11
Entering System Programming . . . . . . . . . . . . . . . . . . . . . . . . . . . . . . . . . . . . . . . . .Page 11
Default Reset . . . . . . . . . . . . . . . . . . . . . . . . . . . . . . . . . . . . . . . . . . . . . . . . . . . . .Page 11
Programmable System Options . . . . . . . . . . . . . . . . . . . . . . . . . . . . . . . . . . . . . . . . .Page 11
Branch Table . . . . . . . . . . . . . . . . . . . . . . . . . . . . . . . . . . . . . . . . . . . . . . . . . . . . .Page 11
8. Door Lock Diagrams . . . . . . . . . . . . . . . . . . . . . . . . . . . . . . . . . . . . . . . . . . . . . . . . . . . . .Page 13
9. Two Stage Door Lock Diagrams . . . . . . . . . . . . . . . . . . . . . . . . . . . . . . . . . . . . . . . . . . . . .Page 14
10. Wiring Diagram . . . . . . . . . . . . . . . . . . . . . . . . . . . . . . . . . . . . . . . . . . . . . . . . . . . . . .Back Page
11. Technical Information . . . . . . . . . . . . . . . . . . . . . . . . . . . . . . . . . . . . . . . . . . . . . . . . . .Back Page
Table
of
Contents

Congratulations on your purchase of this state-of-the-art vehicle security system from ScyTek
Electronics. With proper installation this system will provide superior protection and performance
for many years to come.
System Contents:
•Main Unit
•Two 2-Button Remote Transmitters
•High Output 6-tone Siren
•Dual Stage Shock Sensor
•Status LED
•Valet Switch
Options and Accessories*
This ScyTek system includes several optional inputs and outputs allowing the creation of a
completely personalized security and convenience system by offering many optional features
such as:
*May require additional parts and/or labor, see store for details.
Astra A10 - Page 1
· Remote Door Locking
· Two Stage Door Unlocking
· Starter Defeat
· Horn Honk
· Illuminated Entry
· Remote Car Start
· Power Trunk / Hatch Release
· Radar Sensor
· Back-up Battery Siren
About
Your
System
PLEASE NOTE:
Some of the features described in this manual may require additional parts and/or labor, and may not be included
as part of the standard installation of this unit. Additionally, many features of this security system have
selectable options that must be activated or programmed during the system’s installation. These items will be
identified in the following sections. Please discuss these features and any questions you may have regarding the
installation of this product with Your Authorized Dealer.

Remote Transmitter Description
The Astra A10 is supplied with (2) two-button Remote Transmitters used to control system
operations.
Button 1
Arms and Disarms the system and when held for 2 seconds, activates the system’s Panic
feature. Button 1 also locks and unlocks the doors when the system is in Valet Mode.
Button 2
Arms and Disarms the system silently and when held for 2 seconds or more, activates the
Auxiliary 1 output. This output will remain on for as long as the button is pressed.
Adding/Replacing Transmitters
To replace lost or stolen transmitters or to add additional transmitters into the system, have all
desired transmitters ready and follow the steps below.
Note: Up to 4 transmitters can be programmed to operate the system. To erase any previously
stored transmitter codes, be sure to program all 4 transmitter memory locations.
To program the transmitter(s):
1. Turn on the ignition key On, Off, On, Off, and back On.
· The siren will chirp 3 times.
2. Press and hold the Override switch for 5 seconds.
· The siren will chirp 5 times.
· The LED will illuminate.
3. Press Button 1 on the first transmitter.
· The siren will chirp once.
4. Press Button 1 on the first transmitter again.
· The siren will chirp twice to indicate it has learned the code.
5. Repeat steps 3 and 4 for each transmitter (up to 4).
6. Turn off the ignition key.
Page 2 - Astra A10
Remote
Transmitters
Button 1 Button 2
LED

Battery Replacement
Your Remote Transmitter uses a 12 volt alkaline battery (type 23A), which will require
replacement in time. Depending on the amount of use, the battery may last up to six months
or more before it needs replacement.
When the battery needs replacing, the system’s operating range will decrease or the transmitter
LED may not be as bright.
In order to change the battery, first remove 2 screws from the back of the transmitter and
separate the top and bottom halves of the case.
While replacing the battery make sure that the positive and negative terminals are positioned
correctly, then carefully reassemble the transmitter case.
Tamper Alert
If the system was triggered while away, the LED will flash to indicate which zone triggered the
system after disarming and turning on the ignition. The LED indication will repeat 8 times.
LED Flashes:
1 flash = optional sensor
2 flashes = shock sensor
3 flashes = not used
4 flashes = door
5 flashes = trunk
10 flashes = main power interrupt or system was reset
example: flash-flash-pause-flash-flash-pause = shock sensor
Astra A10 - Page 3

Page 4 - Astra A10
Remote Arming
The system monitors 3 independent areas (
zones
) while armed: doors, hood/trunk, and shock sensor input.
To Arm the System:
1. Turn off the ignition.
2. Press Button 1.
· The siren will chirp once.*
· The doors will lock.
· The parking lights will flash once.
· The LED will turn on red, to indicate the starter defeat is activated.
3. 5 seconds after Arming:
· The LED will start blinking to indicate that the doors and hood/trunk inputs are being monitored.
* During Arming, if the system detects a bad sensor or an open zone, the system will chirp 4 additional times and
ignore that input, but keep all other areas protected.
Once Armed, the alarm will trigger when any of the following occurs:
·The doors are opened.
·The hood or trunk is opened.
·The shock sensor detects an impact to the vehicle.
When the alarm triggers, the siren will sound, the horn will honk, and the parking lights will flash. If
the system is triggered by the doors, or hood/trunk, the system will alarm for 45 seconds. If triggered
by the shock sensor input, the system will alarm for 30 seconds.
In the event the alarm is triggered and remains triggered continuously by the same sensor or input
during a single arming cycle, that sensor or input will be automatically bypassed until the next time
the system is armed.
If the Shock Sensor detects a light impact to the vehicle, the siren will chirp 5 times as a warning
indication.
Remote Disarming
To Disarm the System:
Press Button 1.
· The siren will chirp twice.*
· The doors will unlock.
· The parking lights will flash twice.
· The dome light will turn on.**
· The LED will turn off.
* During Disarming, if the system was triggered while away from the vehicle, the siren will chirp 3 times, and the
parking lights will flash 3 times.
** If the optional Dome Light Activation Feature was installed.
Silent Arming/Disarming
The system can be programmed to operate without Arm and Disarm chirp indications. When programmed
for full-time silent operation, the siren will sound only when the system is triggered.
The system is also capable of temporary silent operation when needed. Pressing button 2 momentarily will
bypass the chirp confirmations and allow one-time silent operation.
Note: The open zone warning chirps will not be bypassed when the system is Armed or Disarmed silently.
System
Operation

Passive Arming
When programmed for the optional Passive Arming feature, the system arms itself automatically, each time
the ignition is turned off and all of the doors, hood, and trunk are closed.
To start the Passive Arming Process:
1. Turn off the ignition.*
2. Open the door and exit the vehicle.
· Once all doors are closed and the dome light is off, the LED will begin flashing rapidly.
3. After 30 seconds,
· The siren will chirp.
· The parking lights will flash.
· The doors will lock.**
· The status LED will begin flashing.
4. The system is now armed.
* The ignition must have been on for
at least
5 seconds or the Passive Arming sequence will be disabled.
** If the Passive Locking feature is selected.
If the Passive Arming with Countdown feature is programmed, the siren will chirp every 2 seconds until the
system passively arms.
Note: If the Passive Arming feature is enabled, the Automatic Rearming feature will also be enabled even if it was not already
programmed.
Panic Mode
In the event of an emergency, the transmitter’s Panic feature can be used to instantly trigger the alarm.
To activate the Panic Mode:
1. Press and hold Button 1 for 3 seconds.
· The alarm will sound.
· The parking lights will flash.
· The doors will unlock* allowing access to the vehicle.
2. Press Button 1 or 2 to stop Panic Mode.
* If the ignition is on when the Panic feature is activated, the doors will lock for personal safety.
Emergency Override
If the transmitter is lost or inoperable, the system can still be disarmed using the following procedure. Before
beginning this procedure be sure to have the ignition key ready and know the location of the override switch.
To Emergency Override the system:
1. Unlock the door using the key.
2. Enter the vehicle.
· The system will trigger and the siren will sound.
3. Turn ignition key on.
4. Press and hold the override switch until the alarm shuts off.
· The system will disarm.
5. The vehicle will now be able to start.
Astra A10 - Page 5

Optional Coded Emergency Override
As an extra measure of security, the system is equipped with an optional Coded Emergency Override
feature. Once an Emergency Override Code is chosen and programmed during installation, the system can
no longer be disarmed using the standard override procedure.
To Emergency Override the system using the Code:
1. Follow steps 1-3 above.
2. Press the override switch a number of times equal to the Disarm code, and continue holding for
10 seconds on the last press.
· The system will disarm. If the code is entered incorrectly, turn off the ignition and begin again.
To set the Emergency Override Code:
1. Turn on ignition.
2. Within 5 seconds, press the valet switch 5 times.
· The siren will provide one long chirp, indicating that you have entered Programming.
3. Press the valet switch 3 times.
· The siren will chirp each time the valet switch is pressed.
4. Within 5 seconds, press Button 3 on the transmitter.
· The siren will chirp 3 times.
5. Press the valet switch the number of times equal to the desired code (from 1-15).
6. Turn off the ignition then arm the system.
7. Disarm the system using the new Override Code to permanently store the new code.
Note: If the code set procedure is not properly performed, turn off the ignition and begin again. The override code will not
be permanently stored until the code is used to disarm the system.
Valet Mode
The Valet Mode temporarily disables the security system so the vehicle may be operated by a mechanic or
parking attendant.
To activate or deactivate the Valet Mode:
1. Turn on the ignition.
2. Press and hold the override switch for 5 seconds.
· The siren will chirp once and the LED light will stay ON to confirm the Valet Mode is on.
· The siren will chirp twice and the LED light will turn OFF to confirm the Valet Mode is off.
3. Turn off the ignition.
While in Valet Mode the remote transmitters will continue to lock and unlock the doors, and operate the
optional auxiliary functions.
Page 6 - Astra A10

Astra A10 - Page 7
Ignition Controlled Door Locks
For added safety, the Ignition Door Locking feature allows vehicles equipped with power door
lock systems to automatically lock the doors when the ignition is turned on, and unlock the doors
after the ignition key is turned off. If a door is open when the ignition is turned on, the ignition
locking feature is disabled to protect against locking the keys inside the vehicle.
Dome Light Activation
If the optional Dome Light Activation feature is installed, the dome light will turn on when the
system is disarmed using the Remote Transmitter. The dome light will remain on for 30 seconds
or until the ignition is turned on.
Auxiliary Function Outputs
The Astra A10 system is equipped with an Auxiliary Output allowing the convenience features of
the system to be further expanded. This output can be used to add an optional feature such as:
power trunk release, remote engine start, power window activation, power sunroof control, etc.
Anti-Carjacking Protection
For a higher level of personal security, the system is equipped with three programmable Anti-
Carjacking modes. When any Anti-Carjacking mode is triggered, the parking lights will flash twice
to confirm activation. After 90 seconds the siren will begin chirping for 15 seconds as a warning,
prior to entering full alarm mode. During the full alarm mode, the siren will sound, the parking
lights will flash, and the horn will honk for up to five minutes or until the system is reset.
Manual. When selected, pressing buttons 1 & 2 together will automatically trigger the Anti-Carjacking
feature. Pressing buttons 1 & 2 again will reset the Manual Anti-Carjacking mode.
Passive. When selected, the Anti-Carjacking feature will activate whenever a door is opened while the
ignition is on. Press the Valet swich 3 times to reset the Passive Anti-Carjacking mode.
Full-Time. When selected, the Anti-Carjacking feature will automatically activate each time the ignition is
turned on. Press the Valet swich 3 times while the ignition is on to reset the Passive Anti-Carjacking mode.
Note: The desired Anti-carjacking mode must be programmed during installation.
Extended
Features

1. Thoroughly read and become familiar with the installation instructions before beginning the
installation.
2. Review system contents:
Main Unit
(2) Two-Button Remote Transmitters
Siren
Shock Sensor
Harnesses
•8-Pin main harness
•4-Pin main harness
•4-Pin shock sensor harness
•3-Pin door lock harness
•LED harness
•Override Switch harness
3. Verify with the owner, the mounting locations for all visible components, including the LED
and Override switch.
4. Verify with the owner, the optional features of the Astra A10 and the features that must be
programmed during installation.
5. Inspect and perform a function test of all vehicle systems before and after the installation.
6. Always use a Volt / Ohm meter for testing vehicle circuits. Never use a test light.
7. Always look before drilling any holes or mounting self-tapping screws. Be sure fuel lines and
exterior wiring looms are clear as they are often close to the chassis and difficult to see.
8. Protect all wires running from the engine compartment to the interior of the vehicle by
covering with electrical tape and split loom tubing. Be sure to use a grommet when routing
wires through the firewall.
9. Properly fuse any additional accessories such as window modules, door lock actuators, etc.,
making sure to power them separate from the alarm module. This will ensure the
functionality of the security system in the event of an accessory failure.
System
Installation
Page 8 - Astra A10

Astra A10 - Page 9
Mounting the Control Unit
The control unit must only be mounted in the interior of the vehicle. Do not mount the
main unit in the engine compartment. Choose a mounting location that will not be easily
accessible to a thief, and will not interfere with the operation of any vehicle components
such as foot pedals, steering column, air vents, seat rails, etc.
Do not mount the control unit until after setting the internal jumpers and performing a
complete operation check of the system. After installation is complete and performance
verified, the control unit can be easily mounted using wire ties through the mounting tabs
on the bottom of the unit.
Mounting the Siren
Choose a siren mounting location that is away from heat sources such as exhaust manifolds,
and where it cannot be easily accessed from underneath the vehicle. Be sure to face the
siren downward to prevent the collection of water in the siren’s housing.
Always route all wires from the engine compartment into the interior of the vehicle through
a proper grommet.
Mounting the Shock Sensor
Choose a suitable interior mounting location for the shock sensor that provides ample
coverage of the vehicle. Keep the sensor away from the vehicle’s ECM or other sources of
electrical interference. Suggested mounting locations include air conditioning ducts,
dashboard braces, or center console supports.
During proper operation, the shock sensor will detect impacts to the vehicle only and will
not usually be triggered by slow rocking movements of the vehicle like those caused by
wind.

Page 10 - Astra A10
System
Wiring
8-Pin Main Harness
Pin 1 ORANGE WIRE: Armed Output (-) 500mA. The ORANGE wire provides a ground output while armed
to activate an optional starter defeat relay or other device such as a power window control module.
Pin 2 BLUE WIRE: Trunk/Hood trigger Input (-). Connect the BLUE wire to the trunk and/or optional hood
pin switches. The switch must provide a ground output when opened.
Pin 3 BLACK/WHITE WIRE: Dome Light Output (-) 500mA. Connect to an otptional relay (see page) for
dome light activation. (See GREEN and VIOLET door trigger wires).
Pin 4 BROWN/WHITE WIRE: Horn Output (-) 500mA. Connect to an optional relay to activate the
vehicle’s horn when the alarm is triggered.
Pin 5 GRAY WIRE: Auxiliary 1 Output (-) 500mA. Connect to a relay or module for an optional feature
such as trunk release, etc.
Pin 6 BROWN WIRE: Siren Output (+) 3A. The BROWN wire must connect to the siren’s red wire. The
BLACK siren wire must be grounded.
Pin 7 GREEN WIRE: Negative door trigger Input (-). Connect to the door switch circuit wire that shows
ground when the door is open.
Pin 8 VIOLET WIRE: Positive door trigger Input (+). Connect to the door switch circuit wire that shows
+12V when the door is open. This type of door circuit is usually found on Ford
vehicles.
4-Pin Main Harness
Pin 1 WHITE WIRE: Parking Light Output (+) 7A. The WHITE wire must connect to the circuit that shows
+12V when only the parking lights are on. For parking light circuits exceeding 7 amps, a relay is
required. For vehicle’s with independent left and right parking light circuits, diodes must be used to
keep the circuits separate. NOTE: Do not connect the WHITE wire to the vehicle’s headlight circuit.
Pin 2 RED WIRE: +12V Battery Input (15A Fuse). The RED wire must be connected to a clean source of
continuous +12V power.
Pin 3 YELLOW WIRE: +12V Ignition Input. The YELLOW wire must connect to a main ignition wire at the
ignition harness. This wire must show +12V when the ignition is on.
Pin 4 BLACK WIRE: Ground Input (-). The BLACK wire must connect to a solid chassis ground. Clean away
any paint or dirt to insure the best possible ground.
Plug-in Connectors
3-Pin White Door Lock Connector: Plug-in connector port for door lock harness or optional door lock
relay module.
· BLUE WIRE - negative unlock output (-) 500mA.
· RED WIRE - constant +12V low current output for relay modules, or inverters. 100mA relay trigger
only. Do NOTuse as a power source for door lock relays.
· GREEN WIRE - negative lock output (-) 500mA.
2-Pin Red Connector: Plug-in connector port for LED. Mount the LED in an area where it may be easily
seen from either side of the vehicle.
2-Pin Blue Connector: Plug-in connector port for valet switch. Mount the valet switch in an area that is
easily accessible from the driver’s position.
4-Pin White Connector : Plug-in connector port for dual stage shock sensor.

Astra A10 - Page 11
Entering System Programming
To enter System Programming:
1. Turn on ignition.
2. Within 5 seconds, press the valet switch 5 times.
· The siren will provide one long chirp, indicating that you have entered Programming.
3. Press the valet switch the number times equal to the System Parameter you want to change.
· The siren will chirp each time the valet switch is pressed.
4. Within 5 seconds, press the transmitter button corresponding to the desired operating mode for
that System Parameter.
· The siren will chirp to indicate the setting.
1 chirp = Button 1
2 chirps = Button 2
3 chirps = Button 3
5. When you are finished, turn off the ignition to save the changes.
Default Reset
Following this procedure will set all System Programming Parameters to factory default settings.
1. Enter System Programming.
2. Press Transmitter Button 3.
· The siren will chirp 4 times indicating that the reset signal was received.
· All System Programming parameters are now set to factory default settings.
· The Valet Mode is off.
3. Turn off ignition.
Programmable System Options
System
Programming
Branch Feature Button 1 (default) Button 2 Button 1 and 2
1. Horn Chirps w/ Arm&Disarm Horn Chirps Disabled Horn Chirps Enabled Horn Chirps w/Warn
2. Arm Mode Manual Arming Passive Arming Passive w/Countdown
3. Passive Door Locking Disabled Enabled Override Code
4. Ignition Controlled Locks On Off Lock Only
5. Door Input Monitoring 10 Seconds 60 Seconds
6. Auto Rearming Disabled Enabled
7. Door Unlock Pulse Single Double
8. Arming Chirps Normal Silent
9. Extended Parking Lights On Off
10. Disarm with Aux 1 Disabled Enabled
11. Door Lock Pulse Length 1 second 3 seconds 0.1 second
12. Anti-Carjack Mode Disabled Enabled
13. Anti-Carjack Type Manual Passive Full-time
14. Ignition Armed Mode Disabled Enabled
15. Silent Arm/Disarm with Btn. 2 Enabled Disabled
16. Disarm Mode Standard Two Stage

Page 12 - Astra A10
1. Horn Chirps with Arm & Disarm. Selects one of three modes: Normal, Horn Chirps, and Horn
Chirps w/Warn.
Normal. When selected, the horn will honk only when the alarm is triggered.
Horn Chirps. When selected, the horn will provide the arm/disarm and trigger indications, allowing the
siren installation to be skipped.
Horn Chirps w/Warn. When selected, the horn will provide arm/disarm, trigger, and warn-away
indications.
2. Arm Mode. Selects one of three modes: Manual Arming or Passive Arming and Passive Arming
w/Countdown. With the Passive Arming w/Countdown mode selected, the siren will chirp every 2
seconds while counting down until the system passively arms. Note: If Auto Rearming is selected, the
siren will also chirp during Auto Rearm countdown.
3. Passive Door Locking. Selects whether or not the system will automatically lock the doors during
passive arm. (also used to set override code).
4. Ignition Controlled Locks. Selects whether or not the system will lock and unlock the doors with the
ignition.
5. Door Input Monitoring. Selects whether the system begins monitoring the door inputs after 10
seconds or 60 seconds. For vehicles with interior lights that remain on for an extended period of time
after the doors are closed, set for 60 seconds.
6. Auto Rearming Mode. When selected, the system will automatically re-arm 60 seconds after it is
disarmed if the doors have not been opened.
7. Door Unlock Pulse. Selects between one pulse or two pulse operation for the door unlock output.
Vehicles that require two pulses on the proper wire to unlock the doors can be interfaced directly
without the use of relays or any additional circuitry by programming the system for double unlock pulse.
8. Arming Chirps. Selects between normal and silent operation.
9. Extended Parking Lights. When selected, the parking lights will remain on for 30 seconds after
disarming the system.
10. Disarm with Auxiliary 1. When selected, activating the Auxiliary 1 output (usually used to open the
trunk) will disarm the alarm.
11. Door Lock Pulse Length. Selects between a 1-second, 3-second or 0.1-seconds output for door
locking and unlocking. Program to 3 seconds for vehicles equipped with vacuum door locking systems.
12. Anti-Carjack Mode. Enables Anti-Carjacking protection.
13. Anti-Carjack Type. Selects one of three modes for Anti-Carjacking: Active, Passive, or Full-Time.
Manual. When selected, pressing Button 2 will automatically engage the Anti-Carjacking feature.
Passive. When selected, the Anti-Carjacking feature will activate whenever a door is opened while the
ignition is on.
Full-Time. When selected, the Anti-Carjacking feature will automatically activate each time the ignition
is turned on.
14. Ignition Arm Mode. Ability to Arm the system with Ignition in On position.
15. Silent Arm/Disarm With Button 2. Silent Arm/Disarm by pressing momentarily button 2.
16. Disarm Mode. Selects between Standard operation and Two Stage Disarm mode.
Standard. When selected, the system will always disarm on the first press of the transmitter button.
Two Stage Disarm. When selected, the system will disarm on the first press of the transmitter button
only if the alarm is not actively triggered. If the alarm is sounding, pressing the button to disarm the
system will reset the alarm and quiet the siren. Pressing the button again will disarm the system. This
mode will keep the system armed but allow the siren to be muted in the event the shock sensor is
accidentally triggered by a non-intrusive event (such as an animal jumping on the vehicle, etc.).

Astra A10 - Page 13
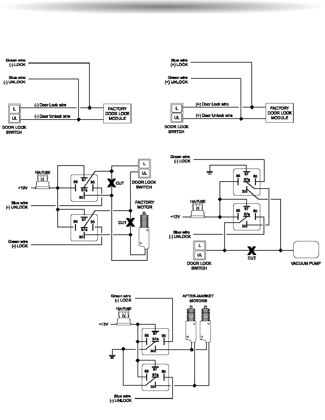
Negative Trigger Positive Trigger
Reverse Polarity Vacuum
Adding Actuators
Follow the diagrams below for connecting basic door lock systems. For Two Stage door lock
systems (separately unlocks driver and passenger doors) see following pages.
Door
Lock
Diagrams
from inverter or relay
from inverter or relay

Page 14 - Astra A10
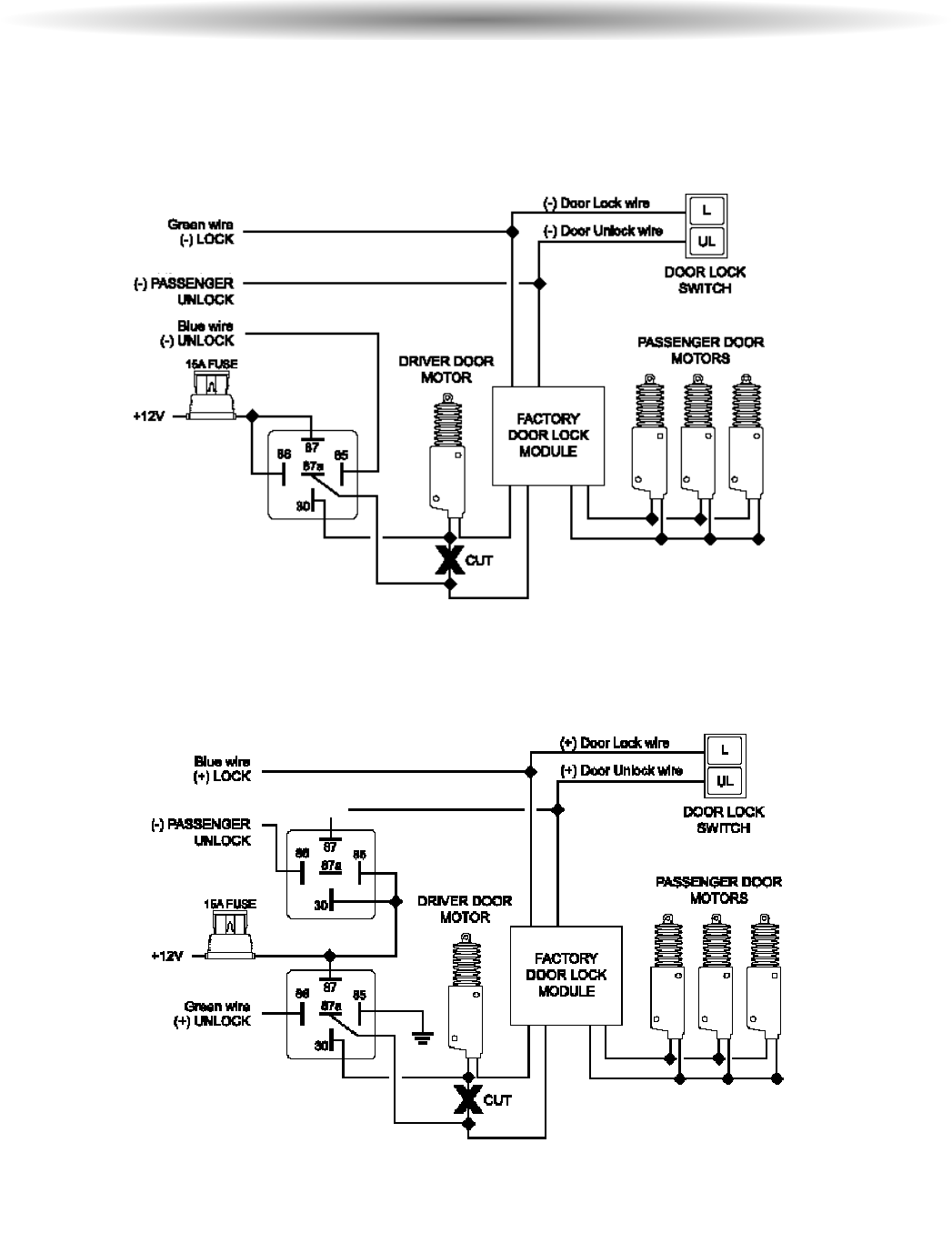
Two
Stage
Door
Lock
Diagrams
Two Stage Negative Trigger
Two Stage Positive Trigger
When connected as shown below, disarming the system will unlock only the driver’s door.
Pressing the Aux 1 button will unlock all doors.
Aux 1 (gray wire)
Aux 1 (gray wire)

Astra A10 - Page 15
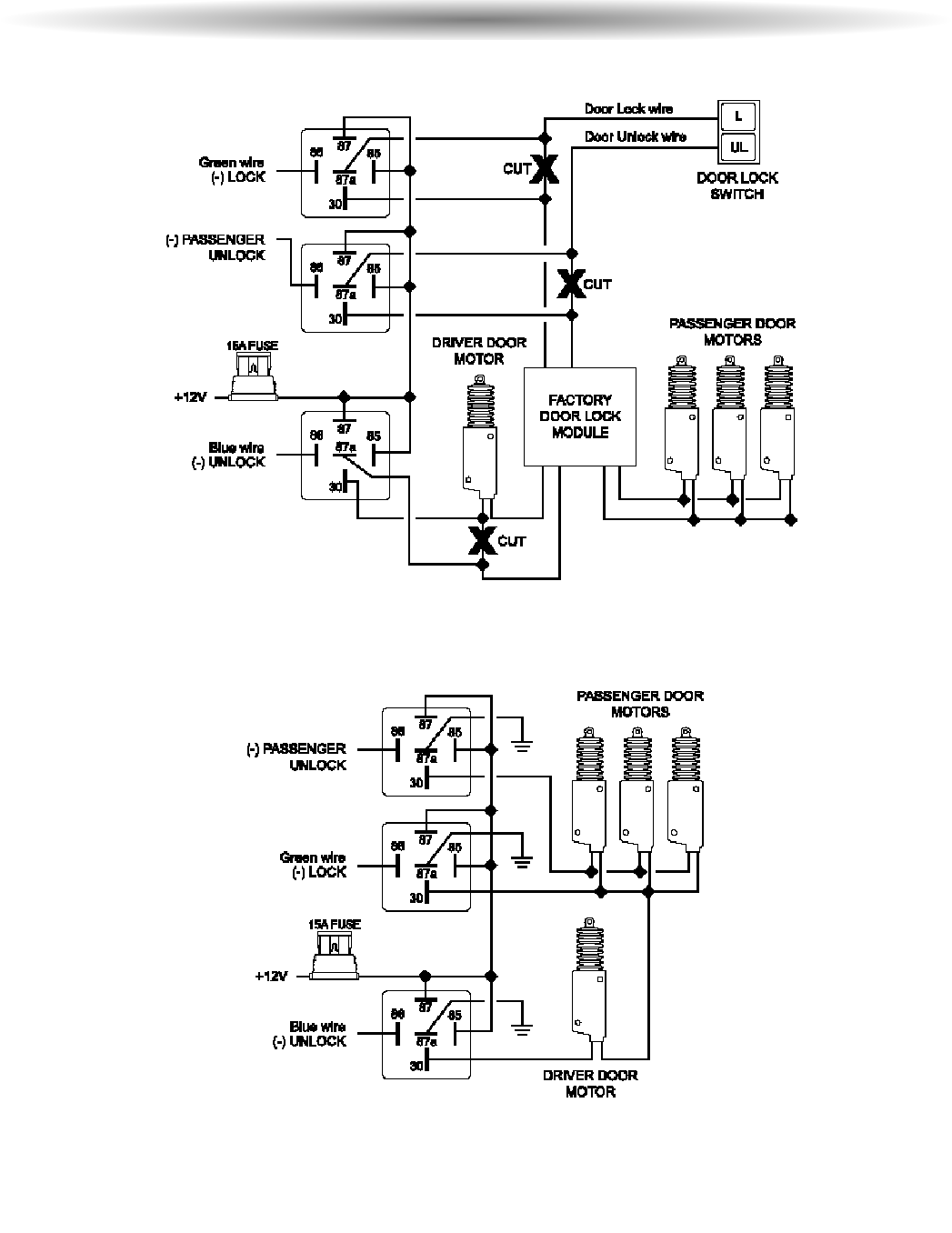
Two
Stage
Door
Lock
Diagrams
cont’d
Two Stage Reverse Polarity
Two Stage Adding Actuators
Aux 1 (gray wire)
Aux 1 (gray wire)

ScyTek
Electronics
11627 Cantara Street
North Hollywood, CA 91605
www.scytek.net
© ScyTek Electronics 2006 Astra A10 7-10-06
Wiring
Diagram
FCC ID: OARRXAM2000
This device complies with Part 15 of FCC Rules.
Operation is subject to the following two conditions:
1) This device may not cause harmful interference.
2) This device must accept any interference received, including interference that may cause
undesired operation
Technical
Information
Impact Sensor
Green - Lock Out (-)500mA
Blue - Unlock Out (-)500mA
Valet Switch
LED
Orange - Starter Interrupt Output (-)500mA
Blue - Hood/Trunk Trigger input (-)
Black/White - Dome light Activation Output(-)500mA
Brown/White- Horn Output (-)500mA
Gray - Trunk release Output (-)500mA
Brown - Siren Ouptut (+)3A
Green - Door Trigger Input (-)
Purple - Door Trigger Input (+)
White - Parking Light Output (+)10A
Red - +12V Battery
Yellow - +12V Ignition Input
Black - Chassis Ground Input (-)
Red
Blue
Control Unit
A10