Sears 113 2076 Users Manual
113207600 113207600 CRAFTSMAN CRAFTSMAN 18 INCH MOTORIZED SCROLL SAW - Manuals and Guides L0804325 View the owners manual for your CRAFTSMAN CRAFTSMAN 18 INCH MOTORIZED SCROLL SAW #113207600. Home:Tool Parts:Craftsman Parts:Craftsman CRAFTSMAN 18 INCH MOTORIZED SCROLL SAW Manual
CRAFTSMAN Saw Scroll Manual L0804325 CRAFTSMAN Saw Scroll Owner's Manual, CRAFTSMAN Saw Scroll installation guides
113.2076 to the manual 49abc573-e030-4ac7-8923-5c96925c1395
2015-02-05
: Sears Sears-113-2076-Users-Manual-399407 sears-113-2076-users-manual-399407 sears pdf
Open the PDF directly: View PDF
.
Page Count: 24

Save this Manual
for Future Reference
Sears !
MODEL NO,
113.207600
SAW ONLY
MODEL NO.
113.207650
SAW WITH LEGS
Serial
Number
Model and serial
number may be found
at the right-hand side
of the base
You should record both
model and serial number
in a safe place for
future use,,
CAUTION:
Read GENERAL
and ADDITIONAL
SAFETY
H_STRUCT_ONS
carefully
18=iNCH MO TORIZED
SCROLL SA W
®assembly
ooperating
orepair parts
Sold by SEARS, ROEBUCK AND CO., Chicago, iL 601384 U.S.A.
Part No 66017 Printed in USA,

FULL ONE YEAR WARRANTY ON CRAFTSMAN SCROLL SAW
If within one year from the date of purchase, this Craftsman Scroll Saw fails due to a defect
in material or workmanship, Sears will repair it, free of charge+
WARRANTY SERVICE IS AVAILABLE BY SIMPLY CONTACTING THE NEAREST SEARS
SERVICE CENTER/DEPARTMENT THROUGHOUT THE UNITED STATES
This warranty applies only while this product is in use in the United States
This warranty gives you specific legal rights, and you may also have other rights which vary
from state to state
SEARS, ROEBUCK AND CO+, 698/731A, Sears Tower, Chicago, IL 60684
general safety instructions for power tooms
1+ KNOW YOUR POWER TOOL
Read and understand the owner's manual and labels
affixed to the tool Learn its application and limitations
as welf as the specific potential hazards peculiar to this
tool+
2,, GROUND ALL TOOLS
This tool is equipped with an approved 3-conductor
cord and a 3+prong grounding type plug to fit the pro+
per grounding type receptacle. Tile green conductor in
the cord is the grounding wire, Never connect the
green wire to a live terminal.
3+ KEEP GUARDS IN PLACE
- in working order, and in proper adjustment and
alignment.
4+ REMOVE ADJUSTING KEYS AND WRENCHES
Form a habit of,checking to see that keys and adjusting
wrenches are removed from tool before turning it on.
5. KEEP WORK AREA CLEAN
Cluttered areas and benches invite accidents Floor
must not be slippery due to wax or sawdust.
+
7+
+
94
10+
11+
12+
13+
14+
15_
sistant lenses, they are NOT safety glasses." Also, use
face or dust mask if cutting operation is dusty, and ear
protectors (plugs or muffs) during extended periods of
operation+
SECURE WORK
Use clamps or a vise to hold work when practical tt's
safer than using your hands and frees both hands to
operate tool
DON'T OVERREACH
Keep proper footing and balance at all times+
MAINTAIN TOOLS WITH CARE
Keep tools sharp and clean for best and safest per-
formance. Follow instructions for lubricating and
changing accessories+
16. DISCONNECT TOOLS
before servicing; when changing accessories such as
blades, bits, cutters, etc
17+ AVOID ACCIDENTAL STARTING
Make sure switch is in"OFF" position before plugging
in power cord,,
AVOID DANGEROUS ENVIRONMENT 18. USE RECOMMENDED ACCESSORIES
Don't use power tools in damp or wet locations or ex- Consult the owner's manual for recommended acces+
pose them to rain_ Keep work area well lighted. Pro-
vide adequate surrounding work space+
KEEP CHILDREN AWAY
All visitors should be kept a safe distance from work
alea+
MAKE WORKSHOP KID+PROOF
-- with padlocks, master switches, or by removing
starter keys
DON'T FORCE TOOL
It will do the job better and safer at the rate for which
it was designed+
USE RIGHT TOOL
Don't force tool or attachment to do ajob it was not
designed for,
WEAR PROPER APPAREL
Do not wear loose clothing, gloves, neckties or jewelry
(rings, wristwatches) to get caught in moving parts+
NONSLtP footwear is recommended, Wear protective
hair covering to contain tong hair, Roll long sleeves
above the elbow..
USE SAFETY GOGGLES (Head Protection)
Wear safety goggles (must comply with ANSi Z87+1)
at all times "Everyday eyeglasses only have impact re+
sories+ FoIIow the instructions that accompany the ac-
cessories The use of improper accessoriesmay cause
hazards,
19. NEVER STAND ON TOOL
Serious injury could occur if the tool is tipped or if the
cutting tool is accidentally contacted,,
Do not store materials above or near the tool such that
it is necessary to stand on the tool to reach them.
20_ CHECK DAMAGED PARTS
Before further use of the tool, aguard or other part
that is damaged should be carefully checked to ensure
that it will operate properly and perform its intended
function+ Check for alignment of moving parts, binding
of moving parts, breakage of parts, mounting, and any
other conditions that may affect its operation. A guard
or other part that is damaged should be properly re-
paired or replaced.
21. DIRECTION OF FEED
Feed work into a blade or cutter against the direction
of rotation of the blade or cutter only_
22+ NEVER LEAVE TOOL RUNNING UNATTENDED
Turn power off. Don't leave tool until it comes to a
complete stop+

additional safety instructions for scroln saw
Safety is a combination of operator common sense
and alertness at all times when the scroll saw is
being used
WARNING: FOR YOUR OWN SAFETY, DO NOT
ATTEMPT TO OPERATE YOUR SCROLL SAW
UNTIL IS IS COMPLETELY ASSEMBLED AND
INSTALLED ACCORDING TO THE INSTRUC-
TIONS o. . AND UNTIL YOU READ AND
UNDERSTAND THE FOLLOWING:
PAGE
1. General Safety Instructions for Power Tools 2
2_ Getting To Know Your Scroll Saw ........ 15
3_ Basic Scroll Saw Operation ................... 17
4. Maintenance ................................... 18
&Stability of Machine.
Your scroll saw must be bolted securely to a stand
or work bench, In addition, if there is any
tendency for the scroll saw to move during
certain operations, bolt your scroil saw stand or
workbench to the floor
6. Location
This scroll saw is intended for indoor use only
7. Protection: Eyes, Hands, Face, Ears, Body
a, Wear safety goggles that comply with ANSI
Z87,1 and a face shield if operation is dusty,
Wear ear plugs or muffs during extended
periods of operation Do not wear gloves ....
roll tong sleeves above the elbow
b Do not cut pieces of material too small to hold
by hand,,
c Avoid awkward hand positions where a
sudden slip could cause a hand to move into
the blade
d Never turn your scroll saw "ON" before
clearing the table of alf objects (tools, scraps
of wood, etc ,) except for the workpiece and
related feed or support devices for the
operation planned,
e Make sure the blade teeth point downward
toward the table
f Always adjust blade tension correctly
g ALWAYS adjust the blade guard to just
contact the workpiece to protect the operator,
and to provide maximum support of
workpiece
h When cutting a large piece of material, make
sure it is supported at table height
iHold the work firmly against the table
j, Do not feed the materiat too fast white cutting
Only feed the material fast enough so that the
blade win cu[ Keep fingers away from the
blade
k Use caution when cutting off material which is
irregular in cross sectfon which could pinch
the blade before the cut is completed A piece
of molding for example must lay fiat on the
tabte and not be permitted to rock while being
cut
IUse caution when cutting off round material
such as dowel rods, or tubing They have a
tendency to rotl while being cut causing the
blade to "bite" Always use a "V" block, or
clamp round material to a miter gauge
m When backing the blade out of the workpiece,
the blade may bind in the kerf (cut) this is
usuaNy caused by sawdust clogging up the
kerr If this happens: Turn off the scroll saw
remove plug from power source outlet
wedge open the kerr back the blade out oi
the workpiece
n Never leave the scroll saw work area with the
power on, before the machine has come to a
complete stop, or without removing and
storing the switch key.
p Do not perform layout, assembly, or setup
work on the table while the cutting tool is
operating
q Turn saw "OFF" and remove plug from power
supply outlet before installing or removing an
accessory or attachment
& Should any part of this scroN saw be missing,
bent, or fail in any way, or any electrical
component fail to perform properly, shut off
power switch and remove plug from power
supply outlet Reptace damaged, missing, and/or
failed parts before resuming operation
9. Think Safety.
Safety is a combination of operator common
sense and alertness whenever the scroll saw is in
operation
WEAR YOUR
The operation of any power too! can result in foreign
objects being thrown into the eyes, which can result
in severe eye damage Always wear safety goggles
complying with ANSI Z87,1 (shown on Package)
before commencing power tool operation Safety
goggles are available at Sears retail or catalog
stores
WARNING: ALWAYS KEEP ALERT° DO NOT ALLOW FAMILIARITY (GAINED FROM FREQUENT USE OF
YOUR SCROLL SAW) TO CAUSE A CARELESS MISTAKE. ALWAYS REMEMBER THAT A CARELESS
FRACTION OF A SECOND IS SUFFICIENT TO INFLICT SEVERE INJtJRY.
3

location and function of controls
TENSION KNOB
ON/OFF SWITCH GUARD LOCK KNOBS BLADE HOLDER
RETAINING CLIPS
GUARD BLOWER
TUBE ]OLDERS
BLADE HOLDER
POCKETS
BEVEL
SCALES
BEVEL
LOCK KNOB
TABLE I
INSERT MITER GAUGE
LOCK KNOB
BLADE STORAGE
motor specifications and electrical requirements
This machine is equipped with a 1725 RPM motor it
is wired for operation on 110-t20 volts, 60 Hz.,
alternating current. (TOOL MUST NOT BE
CONVERTED TO OPERATE ON 230 VOLT)
For replacement motor refer to parts list in this
manual.
CONNECTING TO POWER SUPPLY OUTLET
If power cord is worn or' cut, or damaged in any way,
have it replaced immediately
WARNING: IF NOT PROPERLY GROUNDED THIS
POWER TOOL CAN CAUSE AN ELECTRICAL
SHOCK PARTICULARLY WHEN USED IN DAMP
LOCATIONS CLOSE TO PLUMBING. IF AN
ELECTRICAL SHOCK OCCURS THERE IS THE
POTENTIAL OF A SECONDARY HAZARD SUCH
AS YOUR HANDS CONTACTING THE SAW
BLADE,
If you are not sure that your outlet, as pictured
below, is properly grounded, have it checked by a
qualified efectrician
Your unit is for use on 110-120volts, and hasa plug
that looks like illustration below
This power tool is equipped with a 3=conductor cord
and grounding type plug which has been approved
by Underwriters' Laboratories and the Canadian
Standards Association.. The ground conductor' has a
green jacket and is attached to the tool housing at
one end and to the ground prong in the attachment
plug at the other' end
WARNING: DO NOT PERMIT FINGERS TO
TOUCH THE TERMINALS OF PLUGS WHEN
INSTALLING OR REMOVING THE PLUG TO OR
FROM THE OUTLET.
3-PRONG PLUG
PROPERLY
GROUNDED
OUTLET
GROUNDING PRONG
Plug power cord intoa 110-120Vproperlygrounded
type outlet protected by a 15-amp dual element
time delay or Circuit-Saver fuse or circuit breaker
If the outlet you are planning to use for tMs power
tool is of the 2 prong type, DO NOT REMOVE OR
ALTER THE GROUNDING PRONG tN ANY
MANNER Use an adapter as shown below and
always connect the grounding lug to known ground
It is recommended that you have a qualified
electrician replace the TWO prong outlet with a
properly grounded THREE prong outlet
GROUNDING LUG
ADAPTER
MAKE SURE THIS IS
3-PRONG TO A
PLUG KNOWN GROUND
2*PRONG
RECEPTACLE
An adapter as illustrated is available for connecting
plugs to 2-prong receptacles
WARNING: THE GREEN GROUNDING LUG
EXTENDING FROM THE ADAPTER MUST BE
CONNECTED TO A PERMANENT GROUND
SUCH AS TO A PROPERLY GROUNDED OUTLET
BOX. NOT ALL OUTLET BOXES ARE PROPERLY
GROUNDED.
If you are not sure that your outlet box is properly
grounded, have it checked by a qualified electrician
NOTE: The adapter illustrated is for use only if you
already have a properly grounded 2-prong
receptacle. Adapter is not allowed in Canada by the
Canadian Electrical Code
The use of any extension cord will cause some loss
of power. To keep this to a minimum and to prevent
over-heating and motor burn-out, use the following
table to determine the minimum wire size (AWG)
extension cord
Use only 3 wire extension cords which have 3-prong
grounding type plugs and 3-pole receptacles which
accept the tools plug
Extension Cord Length Wire Size AWG
0-25 ft. 16
26-50 ft. 14
51-100 ft, 12

contents
POWER TOOL WARRANTY ................... 2
GENERAL SAFETY INSTRUCTIONS
FOR POWER TOOLS ........................... 2
ADDITIONAL SAFETY INSTRUCTIONS
FOR SCROLL SAW .............................. 3
MOTOR SPECIFICATIONS AND
ELECTRICAL REQUIREMENTS ............... 4
UNPACKING AND CHECKING CONTENTS ,, 5
ASSEMBLY
Assembling Steel Legs ........................ 6
Mounting Scroll Saw on Leg Set ............. 7
Mounting Scroll Saw to Workbench ........... 7
Mounting Scroll Saw to Mounting Board .... 8
Adjusting Guard ........................... 8
Installing Miter Lock Knob ..................... 8
Blade Installation and Tensioning
for Plain-End and Pin Type Blades .......... 9
To Install/Tension Plain End Blades ........ 9
Adjusting Insert To Table ................ t0
To Install/Tension Pin Type Blades .......... tl
To Remove Plain-End or Pin Type Blades., 11
Adjusting the Blade Square to Table ........ 13
Installation of Bevel Scales ................ 14
unpacking and checking
_1 COMBINATION SQUARE
GETTING TO KNOW YOUR SCROLL SAW
Tension Control Knob .................. 15
Guard Lock Knobs ............................... 15
Guard ...................................... 15
Blower Tube .................................. 15
Blade Holder Retaining Clips ............. 15
Blade Holders ................................ 15
Blade Holder Pockets ....................... 15
Miter Gauge Lock Knob ................... 15
Table Insert ................................ 15
Blade Storage ................................... 15
Bevel Lock Knob ............................... !5
Bevel Scales .................................. 15
On-Off Switch .................................. 15
Blade Storage .................................. 16
BASIC SCROLL SAW OPERATION
Sawing/Scrolling ............................. 17
Bevel Setting/Cutting ......................... 17
Use of Miter Gauge-Crosscutting .......... 18
Use of Miter Gauge-Ripping ............... 18
MAINTENANCE .................................. 18
RECOMMENDED ACCESSORIES ............... 19
TROUBLESHOOTING ....................... 19
REPAIR PARTS ................................ 20
contents
TOOLS NEEDED
7/16" WRENCH
3/4" WRENCH
Model 113 207600 Scroll Saw is shipped complete in
one carton but DOES NOT INCLUDE Steel Legs
Model 113,,207650 Scroll Saw is shipped complete in
one carton and INCLUDES Steel Legs
Separate all parts from packing materials and check
each item with illustration and "Table of Loose
Parts", Make certain all items are accounted for
before discarding any packing material
If any parts are missing, do not attempt to assemble
the Scroll Saw, plug in the power cord, or turn the
switch on until the missing parts are obtained and
installed correctly
Wipe the base with a clean, dry cloth
WARNING: FOR YOUR OWN SAFETY, NEVER
CONNECT PLUG TO POWER SOURCE OUTLET
UNTIL ALL ASSEMBLY STEPS ARE COMPLETE,
AND YOU HAVE READ AND UNDERSTAND THE
SAFETY AND OPERATIONAL INSTRUCTIONS,.
1
5
3
2
DRAW LIGHT
LINE ON 8CARD
ALONG THIS EDGE
MEDIUM SCREWDRIVER
COMBINATION SQUARE MUST BE TRUE
_. STRAtGHT EDGE OF
ABOARD 314' THICK
_'" BE
PERFECTLY STRAIGHT
Item
1
_2 3
4
5
SHOULD BE NO GAP OR OVERLAP HERE WHEN
SQUARE IS FLIPPED OVER IN DOTTED POSITION
A
A
Table 0f Loose Parts Qty.
Scroll Saw ............................ 1
Blade Pack (containing 3 blades) ..... !
Miter Gauge ........................... !
Owner's Manual .................... 1
Bag Assembly Part #66031 ............
Containing the following parts:
Holder, Blade ..................... 4
Clip, Blade ........................... 4
Key, Switch ............................... 1
Knob ................................. 1
Wedge, Rip Fence ............... 1
Blade Holder Key .................... 2
Wrench, Hex "L"3f32 ............. 1
Scale, Bevel ......................... 2
Insert, Table ............................ I
Screw Soc Set t0-32 x 1/4 ........ 4
Washer 13/64 x 5/8 x 1/32 ........ t
*Nuts, Hex 1t4-20 .................. 4
*L0ckwasher 1/4 ................. 4
*Bolts, Carriage 1/4-20 x 2-1/2 ....... 4
*Bumper, Rubber ..................... 4
*Washer 17164 x 314 x 1t16 ....... 4
Z_C0ntained in separate bag inside loose parts bag #66031
"Moun_ing Hardware for workbench or mounting board

Item Description Qty,
1 Screw, Serrated Truss Hd. 114-20 x 5/8. 24
2 Le .............................. 4
3 Stilfener, Side ........... :i,:i,ii: 2
4 *Lockwasher, Ext 114 .................... 24
5 *Nut, Hex 1t4-20 ........................ 24
6 Stiffener, End .............................. 2
7 *Nut, Hex 112-13 ........................ 8
8 Foot, Leveling 4
9 *Washer17/641b_iiiiiiill iiiiiii, ii 4
I0 Screw Hex Hd 1/4-20 x 1-1/4 ........ 4
"Parts contained in Loose Parts Bag No 66037
1 2
\
45
_/10
654
3
9
2 !
assembly
SPECIAL NOTE: It is normal for this scroll saw to
vibrate during operation. For this reason the scroll
saw MUST be fastened down securely to a leg set or
workbench during operation.
This Leg Set is included with Model No 113,207650
only,
NOTE: For illustrative purposes, the Scroll Saw is
shown mounted on the Craftsman Catalog No 9-
22239 Steel Leg Set
FOR LEG SET
ASSEMBLING STEEL LEGS
1_insert the Truss Head Screws through the holes
in the legs, then through the holes in the
stiffeners, MAKE SURE THE SCREWS GO
THROUGH THE HOLES iN THE SIDE
STIFFENERS MARKED "X"
2 Install Iockwashers and screw on the nuts, butdo
not tighten until completely assembled
3 Install leveling feet as shown, To level Leg Set,
loosen nut on inside of leg and turn nut on outside
to raise or' lower feet, Adjust all four levelers, if
necessary, and then tighten nuts on inside of leg
NOTE: These levelers are not intended for height
adjustment
END
STIFFNER
SIDE STIFFNER
SCREWS THROUGH
HOLES MARKED "X"
1/2 IN, HEX NUTS

MOUNTING SCROLL SAW ON LEG SET
1 Place the Scroll Saw on the Steel Legs, position
as shown by aligning the mounting holes in the
base of the Scroll Saw with those in the END
STIFFENERS (marked with an X in the
illustration)
2 Mount saw to Leg Set using three (3) 1/4-20
carriage bolts, three (3) I/4-20 nuts, three (3)flat
washers, and three (3) 1/4" Iockwashers Tighten
nuts using wrench
SAW MOUNTING HOLES
oOO
o
oo
%
O_-- REAR
o
o o
oo
S
/
Oo
o O
O
O
0 Oo
o o
0
0oO
FRONT-_::_
MOUNTING SCROLL SAW TO
WORKBENCH
Anytime the Scroli Saw is in operation, it must be
fastened securely to a firm, supporting surface such
as a Leg Set (9-22239) or a workbench
When mounting Scroll Saw to a workbench, holes
should be drilled through supporting surface of the
workbench using dimensions illustrated
! Scroll Saw should be bolted securely using the
following hardware found in Loose Parts Bag:
Four (4) 1/4-20 carriage bolts, four (4) 1/4-20
nuts, four (4) flatwashers, and four (4)
fockwashers, Bolts must be of sufficient length to
accomodate the saw base, rubber bumpers,
washers, hex nuts, and thickness of the
supporting surface
.J
_l
o
O
f,/)_
o
l-
Z
o
___5/16" D1A. HOLES (4)
12-1/2"
2 Locate four (4) rubber bumpers in Loose Parts
Bag These should be used when mounting Scroll
Saw on a solid surface
3 Locate and mark holes where Scrot{ Saw is to be
mounted
4 Drill four (4) 5/16" diameter holes through
workbench
5, Place rubber bumpers over holes in workbench,
with large opening in rubber bumper against top
surface of workbench
\/
PLACE RUBBER BUMPERS
OVER HOLES IN
WORKBENCH
6 Place Scroll Saw on rubber bumpers and align
holes in workbench, rubber bumpers, and Scroll
Saw Base,
7 insert and tighten all four (4) bolts, washers,
Iockwashers, and nuts using wrench
_CARRIAGE
BOLT
II RUBBER BUMPER

assembly
MOUNTING SCROLL SAW TO
MOUNTING BOARD
An alternate method of mounting is to fasten Scroll
Saw to a mounting board The board should be of
sufficient size to avoid tipping of saw while in use.
Any good grade of plywood or chipboard with a 3/4"
minimum thickness is recommended._
1 Follow instructions for mounting to a workbench,
substituting a board 12"x 24" minimum size and
using 1/4 inch fiat head screws, Iockwashers, and
.e
J
24 _ ....
__ COUNTER SINK
FROM BOTTOM
OF MOUNTING
BOARD
p.
16" DIA, HOLES{4)
"_----_ 12-1/2 =[
hex nuts, Screws must be of sufficient length to
accomodate saw base, rubber feet, washers, hex
nuts, and thickness of supporting board
NOTE: Holes must be counter sunk so screw
heads are flush with bottom surface of supporting
board
Locate, mark, and drill holes through mounting
board, and install screws, iockwashers, and nuts
Tighten with wrench
ii ii llll ii lllll ii ii, ,ll,i i
3. Securely clamp board to workbench using C
clampsr
NOTE: Supporting surface where Scroll Saw is
mounted should be examined carefully after
mounting to insure that no movement
during use can result, if any tipping or
walking is noted, secure workbench, legs, or
supporting surface before operating Scroll
Saw.
GUARD
LOCK KNOBS
ADJUSTING GUARD
The Scroll Saw is shipped with a guard arid lock
knobs installed
1 Adjust guard by loosening the two (2) guard lock
knobs and raising guard to desired height above
table Tighten guard lock knobs by hand.
2 Guard should be against top of workpiece to
provide additional control, but permit movement
of workpiece, flat on table.
GUARD
WORKPIECE
L
INSTALLING MITER LOCK KNOB
1 Locate one (1) miter gauge lock knob, one (1)
13/64 x 5/8 x 1/32 washer, and one (1) wedge
among loose parts
2. Insert wedge into tapered recess next to front
miter slot
3 Install washer and knob from underside of table,
by engaging knob into wedge.. Tighten knob by
hand
NOTE: A miter gauge is included with the Scroll
Saw With the wedge locking feature, the
operator can use the miter guage to perform
ripping as well as miter and crosscuts.
MITER GAUGE
WEDGE
1
{
t
WASHER
MITER GAUGE,__
LOCK KNOB _J_
MITER GAUGE

BLADE DNSTALLATUON AND
TENSIONnNG FOR PLAnN-END
OF{ PRN TYPE BLADES
NOTE: Included with the scroll saw are three 5"
blades. This saw can accommodate 5" to 6" plain-
end blades, and 5" pin type blades.
'TO INSTALL/TENSION PLAIN-END
BLADES:
WARNING: FOR YOUR OWN SAFETY, TURN
SWITCH "OFF", REMOVE KEY AND REMOVE
PLUG FROM POWER SOURCE OUTLET BEFORE
REMOVING OR INSTALLING SAWBLADE.
NOTE: Use blade holder pockets to verify correct
blade length and positioning
1 Locate four (4) blade holders, four (4) 10-32 x 1/4
set screws, one (1) blade, four (4) blade clips, and
one (1) set screw wrench among loose parts Two
(2) extra blade holder assemblies are provided for
quick and convenient changing of blades,
2 Insert one (1) blade clip into each blade holder by
pushing clip through holder until it snaps into
place catching upper ledge. Insert one 10-32 x 1/4
set screw into each blade holder
3 insert btade into one holder by pushing short side
of blade clip towards set screw, installing blade,
and releasing side of blade clip Place holder into
blade holder pocket in table (set screw side
upward) and check for proper extension squaring
blade to opposite blade holder pocket center
point Tighten set screw with wrench provided,
4. Insert blade into other holder (as described
above) Place both holders in pockets in table to
achieve proper spacing and tighten other set
screw
5 Place holder assembly in table insert hole; make
sure the teeth are pointing downward.
BLADE
SHORT SIDE
BLADE CLIP
BLADE HOLDERS
IN BLADE
HOLDER POCKETS
6 Set notches in blade holders into slots inside upper
and lower arm end caps The blade holders provide
slots for orientating biade in any 90° position.
NOTE: Blade holders do not touch the retainer clips after
being properly installed The purpose of the retainer
clips is to deflect the blade holders if the blade breaks
UPPER ARM
END CAP
SLOT IN
END CAP
NOTCHIN
BLAOEHOLDER
9

assembly
7 Locate table insert among loose parts and install
in table by sliding the insert in place from back to
front of blade, aligning rear tab on back of insert,
and pushing downward on front of insert
TABLEINSERT
t'l
ADJUSTING INSERT TO TABLE
if insert is higher than table top, adjust insert by
tapping lightly with hammer at each tab location
until insert is flush with table top
If insert is lower than table top, adjust insert by
slightly bending down all four tabs with a needle
nose pliers
TENSIONING THE BLADE-
To apply the proper tension to the blade after blade
and holders are securely in place, turn the tension
knob clockwise BY HAND until tight, (5 full
revolutions with a wide blade; up to 7 full
revolutions with a narrow blade) DO NOT use any
type of mechanical device or tool on tension knob
As tension is being applied, recheck the aNgnment
of the blade holder notch in the end cap slot
To check blade tension _push thumb against sideof
the blade in the middle Blade should move only
slightly with moderate pressure
NOTE: Blades tend to break more easily with too
little tension than with too much tension
TO CHECK BLADE INSTALLATION-
With blade properly installed and tensioned, place
fiat-head screwdriver in motor siot and rotate
manually by turning screwdriver to check correct
installation and clearance of the blade,
TENSIONING TENSION KNOB
BLADE
10

TO INSTALL/TENSION PIN TYPE
BLADES:
WARNING: FOR YOUR OWN SAFETY, TURN
SWITCH ='OFF", REMOVE KEY AND REMOVE
PLUG FROM POWER SOURCE OUTLET BEFORE
REMOVING OR INSTALLING SAWBLADE,
t Locate two (2) blade holders among loose parts
2 Blade clips and set screws are not needed in
blade holders with pin type blades; they can be
stored in base of unit. If previously installed there
is no need to remove clips and screws, but set
screws should be securely tightened in holders
3 Place each blade holder in upper and lower arm
cap ends (with pin-blade slot closest to table) by
pulling retainer clips up and aligning notches in
blade holders with slot in cap Position pin-blade
slot towards table and front of saw for easy
access
4 Locate two (2) blade holder keys among loose
parts.
5 Position one key over top holder, and one key
under bottom holder to secure holders while
installing blade.
6 Install (pin type) blade first in lower blade holder,
then in upper blade holder by sliding pin into pin =
Made slot
BLADE
HOLDER
l
PIN-BLADE
SLOT
UPPER ARM
END CAP
BLADE HOLDER
KEY
BLADE HOLDER
7, Apply tension by turning tension knob clockwise
BY HAND until tight (5 full revolutions with a
wide blade; up to 7 full revolutions with a narrow
blade) DO NOT use any type of mechanical
device or tool on tension knob (See:
TENSIONING THE BLADE),
8, Remove blade holder keys from upper and lower
blade holders and store keys for future use
TO REMOVE PLAIN-END OR
PIN TYPE BLADES
WARNING: FOR YOUR OWN SAFETY, TURN
SWITCH "OFF", REMOVE KEY AND REMOVE
PLUG FROM POWER SOURCE OUTLET BEFORE
REMOVING OR INSTALLING SAWBLADE.
Remove table insert by pushing gently upward at
back of insert and pulling back of insert up to
release front insert tab Move insert backward to
clear blade from insert slot PUSH BACK END
OF INSERT UP FIRST
2 Release tension knob by turning counter
clockwise until blade assembly is loose
NOTE: Do not turn knob beyond point where blade
loosens because the knob could disengage if
turning continues tf knob is turned too far and
disengages from rod, slowly tilt up on outer end of
upper arm to expose threaded rod Carefully
engage flat washer and knob on rod, and tighten
knob
TENSION KNOB,_- --_ -
THREADED ROD__R _ l
11

assembly
3. For plain-end blades, remove blade holders (with
blade installed) from retainer clips by putling
clips away from blade holders. Pull out upper and
Iowe_ blade holders Ptace blade ho(der' assembly
in blade holder pockets with set screw side
upward
4 Use set screw wrench to remove set screws in
blade holders, and remove blade
BLADE HOLDERS ///J " _'
HOL' .% ETS,,I,,--./
5. For pin type blades, place blade holder keys as
shown on blade holders before releasing tension
6 After blade tension is released, pull blade out of
upper and lower blade holders, remove blade
holder keys and blade holders
BLADE
HOLDER
PIN-BLADE
SLOT
UPPER ARM
SLOT I_!J _
BLADE HOLDER /
BLADE HOLDER
12

ADJUSTING THE BLADE SQUARE
TO TABLE
WARNING: FOR YOUR OWN SAFETY, TURN
SWITCH "OFF", REMOVE KEY AND REMOVE
PLUG FROM POWER SOURCE OUTLET.
1, WITH BLADE INSTALLED AND TENSIONED
place combination square on side of blade,
Guard prevents placing square directly against
blade, so gauge squareness of blade to table by
viewing from side of saw,,
GUARD
BLA[
COMBINATION
SQUARE
HOUSING
2 If an adjustment is necessary, foosen four (4) hex
bolts located at back of lower arm on saw using
7/16" wrench. Align blade square to table by
tilting housing forward or backward, and
retighten all four (4) bolts
NOTE: Make certain the blade is centered in the
insert opening Readjust if necessary by
loosening four hex head bolts and moving
housing to center the blade Retighten bolts
HEX HEAD BOLTS
3 Place square in front of blade Guard prevents
placing square directly against blade, so gauge
squareness of table to blade by viewing from front
of saw
4 If an adjustment is necessary, loosen bevel lock
knob located under base and rotate housing
slightly to align blade to combination square
Tighten bevel lock knob
J
BEVEL LOCK KNOB
HOUSING
BEVELLOOK
NOB
BLADE _
CO ,¢2#,ON
F
13

assembly
INSTALLATION OF BEVEL SCALES
1 With blade installed and tensioned, Iocatetwo (2)
bevel scales among loose parts
2 Locate slit in paper backing on back side of scale.
Remove backing on the zero end of scale.
3 While holding scale by the end still protected by
the backing, lightly position unprotected end in
the scale recess and slide it under the indicator
Align the zero mark with the indicator and press
the scale to the base.
PEEL OFF THIS PIECE OF SCALE BACKING FIRST
(2ND SCALE POSIT!ON}
RECESS
IN BASE LINE UP "0" MARK WITH INDICATOR
=[lllUil,llllll=U=1=k JJ
4. Loosen bevel lock knob located under- the base
and tilt head away from scale
5 Fold scale back and remove remaining paper
backing. Press entire scale against base Smooth
out any wrinkles or air bubbles.
6 Repeat on opposit# side
TILT HEAD TO CLEAR SCALE
BEVEL LOCK KNOB
14

getting to know your scrota saw
13
ON/OFF
SWITCH
I
TENSION KNOB 2
\GUARD LOCK
KNOBS 3
GUARD
5
BLADE HOLDER
4 RETAINING CLIP
BLOWER 6
TUBE BLADE HOLDERS
7
BLADE HOLDER
POCKETS
12
BEVEL
SCALES
11
BEVEL
LOCK KNOB 10
BLADE STORAGE
,T
TABLE INSERT 8
MITER
LOCK KNOB
1. TENSION KNOB . ..Tightening the knob
(clockwise) wilt increase the tension on the
blade Loosening it (counter clockwise) wilt
decrease the tension
2, GUARD LOCK KNOBS... Loosening the knobs
will allow the guard to be adjusted to the proper
working height for the thickness of the
workpiece
3. GUARD,,, Provides added control of workpiece
by being set directly against thickness of
material
4. BLOWER TUBE . , ° Clears pattern lines on
workpiece by blowing off sawdust particles
which can accumulate while cutting. Tube is
mounted directly behind the blade on the guard,
and it operates whenever saw is on
5. BLADE HOLDER RETAINING CLIPS... Aid in
positioning, retaining, and releasing blade
holders
6. BLADE HOLDERS ..o Retain and position the
blade
7, BLADE HOLDER POCKETS... Helpoperator to
accurately align, position, and tighten blade in
blade holders by securing holders during blade
installation
8. MITER GAUGE LOCK KNOB oo , Turning the
knob tightens wedge in miter slot to aIlow miter
gauge to be securely locked in either of the two
intersecting miter slots Several types of cuts
can be made from various miter gauge positions
9, TABLE INSERT...Removes for clearance and
viewing during blade assembly installation, and
locks in table while sawing
10,
11.
12.
13.
BLADE STORAGE.,, Space provided in the saw
base for extra blades, holders, and set screw
wrench
BEVEL LOCK KNOB... Loosening knob allows
blade and housing assembly to tilt up to 45°
right or left for bevel cuts
BEVEL SCALES.., Shows degree blade is tilted
for bevel cutting
ON-OFF SWITCH... The On-Off Switch has a
locking feature. THIS FEATURE 1S INTENDED
TO PREVENT UNAUTHORIZED AND
POSSIBLY HAZARDOUS USE BY CHILDREN
AND OTHERS
1lnsert Key into switch
NOTE: Key is made of yellow plastic
KEY
@
KEY
YELLOW PLASTIC I
15

2 To turn machineon, placefinger underswitch
leverand pullendof switchout
\
3. To turn machine OFF... PUSH lever in.
NEVER LEAVE THE MACHINE UNATTENDED
UNTIL IT HAS COME TO A COMPLETE STOP,
PUSH
4 To lock switch in OFF position .. hold switch IN
with one hand... REMOVE key with other hand.
WARNING: FOR YOUR OWN SAFETY, ALWAYS
LOCK THE SWITCH "OFF" WHEN MACHINE IS
NOT IN USE... REMOVE KEY AND KEEP IT IN A
SAFE PLACE.., ALSO. _. tN THE EVENT OF A
POWER FAILURE (ALL OF YOUR LIGHTS GO
OUT) TURN SWITCH OFF... REMOVE THE KEY
AND STORE IT REMOTE FROM THE SCROLL
SAW. THIS WILL PREVENT THE MACHINE
FROM STARTING UP AGAIN WHEN THE
POWER COMES BACK ON.
HOLD
\PULL
BLADE STORAGE
Extra blades & blade holders are included with the
scroll saw See illustration for location of storage for
blades and holders, and also storage for set screw
wrench

basic scronHsaw operation
NOTE: Make certain set screws in blade holders are
tight prior to each use of the scroll saw
WARNING: NEVER OPERATE WITHOUT TABLE
INSERT IN PLACE°
This scroll saw accepts a wide variety of blade
widths and thicknesses: 5" to 6" length plain end
type blades and 5" length pin type blades The blade
size (thickness and width) and the number of teeth
per inch are determined by the type of material and
the smallest radius being cut
NOTE: Use wider blades to achieve straightest cuts
A scroll saw is basically a "curve cutting" machine It
can also be used for straight-line cutting operations
such as cross cutting, ripping, mitering, beveling,
and compound cutting.
Using the proper blade for the material and
thickness being cut will help the operator to follow
pattern lines. (Use wider blades to achieve the
straightest cuts ) Blade teeth should always point
down
When a blade is dull, or when insufficient blade
tension is being used, the blade may have a
tendency to twist or break
To minimize blade breakage and to produce more
accurate results, be sure the blade is not forced into
the workpiece. Too much pressure should not be
applied on the wood as it is fed into the blade.
Steady, even pressure will produce more uniform,
cleaner cutting with less blade breakage.
Loosen blade tension knob when scroll saw is not in
use.. Follow procedure to tension blade before use.
The scroll saw has the capability of inside cutting
(piercing). Pin-type blades are recommended when
inside cutting as the best type of blade to use for
maximum performance Drill an over-sized hole in
scrap section of workpiece Locate two (2) blade
holder keys among loose parts Position each key
over one installed blade holder to secure holder
while installing blade through workpiece. Release
tension knob (see BLADE INSTALLATION-
GETTING TO KNOW YOUR SCROLL SAW)
Remove blade, and place workpiece on table with
drilled hole aligned over blade slot in insert. Replace
blade, sliding it through drilled hole and insert slot.
Reinstall blade in lower and upper blade holders.
Retighten tension knob (see BLADE
BEVEL SETTING/CUTTING
WARNING: TO AVOID _RUNNING THE MITER
GAUGE INTO THE GUARD, ALWAYS SET THE
BEVEL ANGLE TO THE RIGHT AS SHOWN
BELOW,
INSTALLATION-GETTING TO KNOW YOUR
SCROLL SAW) Remove two (2) blade holder keys
and store for future use
Plain-end blades can be used for inside cutting.
Follow the procedure for pin-type blades, and
loosen set screws in upper and lower blade holders
using set screw wrench When installing blade in
blade holders, tighten set screws with wrench
Use caution when cutting off material which is
irregular in cross section which could pinch the
blade before the cut is completed A piece of
molding for example must lay flat on the table and
not be permitted to rock while being cut
Use caution when cutting off round material such as
dowel rods, or tubing They have a tendency to roll
while being cut causing the blade to "bite" Always
use a "V" block, or clamp round material to a miter
SAWING/SCROLLING
1 Adjust the guard to just contact the top of the
workpiece
2 Use both hands while feeding the work into the
blade Hold the workpiece firmly against the
table Use gentle pressure, and do not force the
work, but allow the blade to cut
3 Avoid putting side loads on the blade during
cutting to keep cut square to table
NOTE: When very sharp curves are to be cut, narrow
blades should be used Remove blade clips when
using narrow blades
Loosen bevel lock knob and tilt housing of saw to
the desired angle degree by reading bevel scales
Adjust the guard to just contact the top of the
workpiece Perform bevel cuts by feeding
workpiece into blade without a guide or using the
miter gauge HOUSING
17
BEVEL
LOCK KNOB

basic scroll saw operation
USE OF MITER GAUGE -
CROSS CUTTING
WARNING: TO AVOID WORK INSTABILITY OR
RUNNING THE MITER GAUGE INTO THE BLADE,
TURN THE MITER GAUGE FACE TOWARD THE
BLADE AND USE THE MITER SLOTACROSSTHE
TABLE FRONT FOR ALL ANGLES OVER 55° .USE
THE SLOT PARALLEL TO THE SAW ARM FOR ALL
OTHER ANGLES°
To perforrn a miter or crosscut on the scroll saw, do
not use miter gauge lock knob and wedge (Store
knob and wedge for future use) Adjust the guard to
just contact the top of th,_. _.',orkpiece The miter slot
running pa,.,liel to saw arm sftould be used when
blade teeth are in th,e fl unt position Hoid workpiece
against face of miter gauge, and cut off board at
desired dimension by pushing miter gauge and
board forward.
MITER GAUGE
FACE
MITER GAUGE
WORKPIECE
NOTE: Use wider blades to achieve straight cuts
WARNING: NEVER LEAVE THE MITER GAUGE
LOOSE ON THE SAW. VIBRATION MAY CAUSE
HAZARDOUS MOVEMENT.
USE OF MITER GAUGE - RIPPING
To perforrn a rip cut on the scroll saw, use the miter
gauge lock knob and wedge to secure the miter
gauge in the slot The miter slot running
perpendicular to the saw arm should be used when
ripping boards less than 18 inches in length and
when the blade teeth are in the front position, The
miter slot running parallel to the saw arm should be
used for ripping longer boards and when blade teeth
are in the side position, Ad ust the guard to just
contact the top of the workpiece, Tighten mter
gauge lock knob at desired setting and feed
workpiece into blade using miter gauge faceasa rip
fence. Miter gauge head must be oriented and
locked at 0° miter angle position to perform a rip
cut
NOTE: Use wider blades to achieve straightest cuts,.
,i,,,
maintenance
WARNING: FOR YOUR OWN SAFETY, TURN
SWITCH "OFF", REMOVE KEY AND REMOVE
PLUG FROM POWER SOURCE OUTLET BEFORE
MAINTAINING OR LUBRICATING YOUR SAW.
GENERAL
Keep your Scroll Saw clean,
Do not allow pitch to accumulate on the table, tabIe
insert, blade or biade holders Clean them with
Craftsman Gum and Pitch Remover
Apply a thin coat of automobile-type wax on the
table so the wood slides easily while cutting Also
apply wax to the inside surfaces of the trunnion
(base)
i
ARM PIVOT
BEARINGS

MOTOR
Frequently vacuum or blow out any sawdust from
the motor
If the power cord is worn, cut, or damaged in any
way, have it replaced immediately
LUBRICATION
Ali of the BALL BEARINGS are packed with grease
at the factory, They require no further lubrication,
Lubricate arm pivot bearings occasionally with light
weight machine grade oil, or 20 weight motor oil
MultFpurpose household lubricants may also be
used,
RECOMMENDED ACCESSORIES
Item
Leg Set ................................... 9-22239
Blades ................................ See Cata{og
Casters ....................... 9-22221 or 9-222)2
WIRING DIAGRAM
SWITCH
BLACK _WHITE
W.,TO(. ,--
=t___.. CON.ECTOR t O )
,v J_-_" GROUND SCREW "_-_..,_
_'- MOTOR
trouble shooting
WARNING: FOR YOUR OWN SAFETY, TURN SWITCH "OFF", REMOVE KEY
AND REMOVE PLUG FROM POWER SOURCE OUTLET BEFORE
TROUBLESHOOTING YOUR SCROLL SAW.
TROUBLE PROBABLE CAUSE REMEDY
Motor will not run.
Scroll Saw slows down
when cutting°
Blades breaking or
bending,
Blade twisted or out of line.
1 Defective On-Off switch 1
Defective switch cord
Defective switch box receptacle
2 Motor Defective 2
3 Cutting too fast,
defective blade;
mechanism jammed
1 Cutting too small a radius
2 Dull blade
1 Too little tension,, 1
2 Kink in blade caused by 2
cutting too small a raduis or
turning the material too fast
when cutting
3 Blade not set far enough in 3
blade holders
4 Forcing workpiece into 4
blade or sideloading
blade excessively
! Blade Holders incorrectly set
in arm end caps
2 Blade not square to table
Replace defective parts before using Scroll
Saw again
Consult Sears Service Any attempt to repair
this motor may create a HAZARD unless
repair is done by a qualified service
technician, Repair service is available at your
nearest Sears Store
3 A slot has been provided in the end of the
motor shaft to insert screwdriver to
manually cycle motor Unit must be
unplugged from power source
1 Stop feeding, and back up to the material
slightly, until the scroll saw speeds up; use
smaller blade
2 Replace blade
Adjust tension, See "Getting To Know Your
Scroll Saw Tension Setting"
Use correct cutting technique See "Basic
Scroll Saw Operation" Section
Remove blade holder assembly and reinstall
blade correctly in holders See " Assembly
Blade Installation"
Do not force workpiece AIfow
blade to cut Avoid applying
excessive sideload
1 Adjust blade holders -- See "Assembly
Blade Installation"
2, Adjust blade to table - See "Assembly -
Adjusting the Blade Square to Table"
19

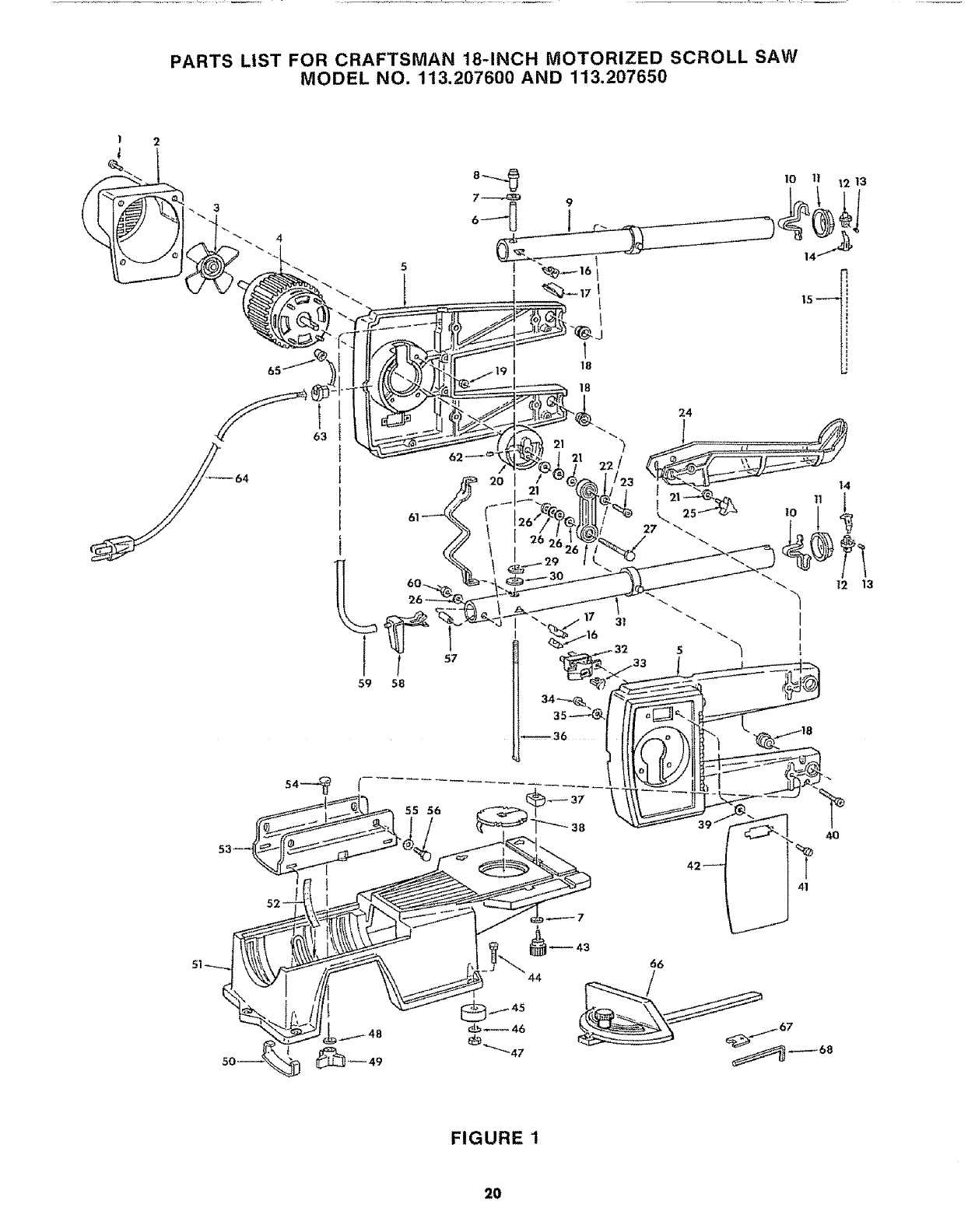
PARTS LIST FOR CRAFTSMAN 18-INCH MOTORIZED SCROLL SAW
MODEL NO. 113.207600 AND 113.207650
3
63
57
55 56
4O
41
43
66
FIGURE 1
2O

PARTS LIST FOR CRAFTSMAN 18-INCH MOTORIZED SCROt.L SAW
MODEL NO. 113.207600 AND 113.207650
Always order by Part Number - Not by Key Number
FIGURE 1
%_oy Part
No.
t I STD601105
2 166015
3166016
4166o05
5 } 66032
6 f 60464
7I SJ_D551010
8/66021
9 / 66034
10 _66024
11 / 66009
12 / 66019
t3 ! 60527
14 66011
15I
16 66029
I 17 66010
I 18 66007
I 19 STD54t408
I 20 66014
I 21 STD551012
I 22 STD551231
23 60460
I 24 66018
} 25 809102-2
26 60129
/ 27 60461
28 66036
I 29 60467
30 60466
31 66035
32 62442
/ 33 60256
I 34 STD601103
Description
*Screw, Pan Cross Type "T"
10-32 x 1/2
Cover, Motor
Fan
Motor
Housing Assembly
Spacer
*Washer, 13/64 x 7/16
x 025
Knob
Tube Assembly, Upper
Retainer
Cap
Holder, Blade
Screw, Hex Soc Half Dog
Set 10-32 x 1/4
Clip, Blade
tBlade, Scroll Saw
Wedge, Blade Tension
Channel, V
Bearing, Flanged
"Nut, Hex Locking 8-32
Counterbalance
*Washer, 17/64 x 1/2 x 1/32
*Lockwasher, Internal 5/16
Screw, Shoulder 5/16
Guard, Blade
Knob
Washer, 21/64 x 1/2 x 1/32
Screw, Hex Cap 5/16-18 x 2
Link Assembly
Ring, Retaining
Washer, ,190 x 88 x 040
Tube Assembly Lower
Switch, Locking
Key, Switch
*Screw, Pan Cross Type "T"
10-32 x 5/16
Key IPart
No, INo,
35 I STD551210
36 166025
37 166030
38 166O33
39 ISTD551206
40 160459
41 ISTD600603
42i66022
43 162176
44 160526
45 1805116
46 ISTD551125
47 1STD541025
4B 160465
4_ 163387
50 166012
5! !66006
52 166026
53i66008
54 ! STD533107
55 STD551225
56 STD522503
57 60463
58 66023
59 66028
60 27733
61 66027
62 STD502502
63 37818
64 66013
65 803709
66 62170
67 66020
68 37836
66017
66031
Description
*Lockwasher, External No 10
Rod, Tension
Wedge, Rip Fence
Insert Assembly
*Lockwasher, Internal No 6
Screw, Fil Hd Type "T"
10_32 x 1 3/8
*Screw, Pan Sl Type "T"
6-32 x 5/16
Panel, Trim
Knob, Miter Gauge
Bolt, Carriage 1/4_20 x 2-1/2
Bumper, Rubber
'Lockwasher, 1/4
*Nut, Hex 1/4-20
Washer, 21/64 x 47/64x 1/16
Knob
Clip, Trunnion
Base
Scale, Bevel
Bracket, Trunnion
*Bolt, Carriage 5/16-18 x 3/4
Lockwasher, External 1/4
*Screw, Hex Hd 1/4-20 x 3/8
Spacer
Pump
Tubing
Nut, 5/16
Spring
*Screw, Set 1/4-20 x I/4
Relief, Strain
Cord with Plug
Connector, Wire
Gauge Assembly, Miter
Key, Blade Holder
Wrench, Hex L 3/32
Owner's Manual (Not
Illustrated)
Bag of Loose Parts (Not
Illustrated)
*Standard hardware items - may be purchased locally
I" Stock Item - May be secured through the Hardware Dept
of most Sears Retail Stores or Catalog Order Houses
21

PARTS LIST FOR CRAFTSMAN 18-INCH MOTORIZED SCROLL SAW
MODEL NO. 113.207600 AND 113,207650
8
FIGURE 2 - MITER GAUGE ASSEMBLY
Key Part
No. No. Description
H, ii
1
2
3
4
5
6
7
8
62170
62176
STD551010
62173
62175
STD510802
38724
62117
62174
Gauge Assy, Miter
Knob, Miter Gauge
*Washer, 13/64 x 5/8 x 1/32
Gauge, Miter
Pin, Miter Pivot
*Screw, Pan Hd 8-32 x 1/4
Pointer
Spacer
Bar, Miter Gauge
*Standard hardware items - may be purchased locally
22

PARTS LIST FOR CRAFTSMAN 18-INCH MOTORIZED SCROLL SAW
MODEL NO. 113.207600 AND 113.207650
4 5
3
|2'_o
\
6
o6 5 4
_tj
2 ]
2
FIGURE 3 -LEG SET FOR
MODEL 113.207650 ONLY
,,,J,l,,.
Key Part
No. No.
1 60314
2
3
4
5
6
7
8
63749
62554
STD551225
STD541025
62615
STD541250
803835
66037
Description ........
Screw, Serrated Truss Hd
1/4-20 x 5/8
Leg
Stiffener, Side
*Lockwasher, Ext 1/4
*Nut, Hex 1/4-20
Stiffener, End
*Nut, Hex 1/2-13
Foot, Leveling
t Bag of Loose Parts
(not illustrated)
HARDWARE FOR
STD551012
STD522512
MTG. TOOL.
*Washer, 17/64 x 9/16 x 3/4
*Screw, Hex Hd 1/4-20 x
1 1/4
*Standard Hardware Items -- May be Purchased Locally
t Bag contains all Loose Parts for Legs
23

SERVICE
MODEL NO
113.207600
SAW ONLY
MODEL NO.
113.207650
SAW WITH LEGS
HOW TO ORDER
REPAIR PARTS
18-iNCH
MOTORIZED SCROLL SAW
Now that you have purchased your 18-inch motorized Scrolf Saw
should a need ever exist for repair parts or service, simply contact
any Sears Service Center and most Sears, Roebuck and Co
stores° Be sure to provide all pertinent facts when you call or visit
The model number of your 18-inch motorized Scroll Saw will be
found on a plate at the right hand side of the saw.
WHEN ORDERING REPAIR PARTS, ALWAYS GIVE THE
FOLLOWING INFORMATION:
PART NUMBER
MODEL NUMBER
113.207600 or'
113.207650
PART DESCRIPTION
NAME OF ITEM
18-Inch Motorized Scroll Saw
All parts listed may be ordered from any Sears Service Center
and most Sears stores If the parts you need are not stocked
locally, your order will be electronically transmitted to a Sears
Repair Parts Distribution Center for handling
Sold by SEARS, ROEBUCK AND CO., Chicago, IL. 60684 U.S.A.
Part Noo66017 Form NOo SP4701-5 Printed in US A, 11/89