Sears 113 21371 Users Manual
113.21371 to the manual 27f29e97-cdb9-4976-b50a-c7cab2615716
2015-02-05
: Sears Sears-113-21371-Users-Manual-398888 sears-113-21371-users-manual-398888 sears pdf
Open the PDF directly: View PDF
.
Page Count: 24

MODEL NO.
]]3.21371
DRILL PRESS ONLY
113.213710
DRI LL PRESS WITH
1/2 HP MOTOR
Serial
Number ......................
Model and serial
number may be found
at the rear of the head.
You should record both
model and serial number
in a safe place for
future use.
CAUTION:
Read GENERAL
and ADDITIONAL
SAFETY
INSTRUCTIONS
carefully
®
15-1/2 INCH
DRILL PRESS
•assembly
•operating
=repair parts
Sold by SEARS, ROEBUCK AND CO., Chicago, IL. 60684 U.S.A.
Part No. 71189 _" ' -::; _/_. ;_

FULL ONE YEAR WARRANTY ON CRAFTSMAN DRILL PRESS
If within one year from the date of purchase, this Craftsman Drill Pressfails due to adefect in material or
workmanship, Searswill repair it, free of charge.
WARRANTY SERVICE IS AVAILABLE BY SIMPLY CONTACTING THE NEAREST SEARS STORE
OR SERVICE CENTER THROUGHOUT THE UNITED STATES.
This warranty givesyou specific legal rights, and you may also have other rights which vary from state to
state.
SEARS, ROEBUCK AND CO., Sears Tower, BSC 41-3, Chicago, IL 60684
general safety instructions
1. KNOW YOUR POWER TOOL
Read the owner's manual carefully. Learn its
application and limitations as well as the specific
potential hazards peculiar to this tool.
2. GROUND ALL TOOLS
This tool is equipped with all approved 3-conductor
cord and a 3-prong grounding type plug to fit the
proper groundingtvpe receptacle The green conductor 15.
in the cord _s the grounding wire. Never connect the
green wire to a live terminal.
3. KEEP GUARDS IN PLACE
in working order, and in proper adjustment and
alignment.
4. REMOVE ADJUSTING KEYS
AND WRENCHES
Form habit of checking to see that <evs and adjusting
wrenches are removed from tool before turning _t on
5. KEEP WORK AREA CLEAN
Cluttered areas and benches _nwte accidents. Floor
must not be slippery due to wax or sawdust,
6. AVOID DANGEROUS ENVIRONMENT
Don't use power tools in damp or wet locations or
expose them to rain. Keep work area well lighted.
Provide adequate surrounding work space. 19.
7. KEEP CHILDREN AWAY
AI visitors should be kept a safe distance from work
area.
8. MAKE WORKSHOP KID-PROOF
- with padlocks, master sw_tches, or by removing
starter keys.
9. DON'T FORCE TOOL
It wJtt do the job better and safer at the rate for which
tt was designed
10. USE RIGHT TOOL
Don't force tool or attachment to do a _oo it was not
designed for.
11. WEAR PROPER APPAREL
Do not wear loose clothing, gloves, neckties or jewelry
(rings, wrist watchesl to get caught m moving parts.
Nonslip footwear is recommended. Wear protective
hair covering to contain long hair, Roll long sleeves
above the el bow.
12. USE SAFETY GOGGLES (Head Protection) 22.
Wear Safety goggles lmust compl_ with ANS Z87.1 ) at
all times. Also, use face or dust mask if cutting
operation ts dusty, and ear protectors (plugs or muffs)
during extended periods of operation.
{or power tools
13. SECURE WORK
Use clamps or a vise to hold work when practical. It's
safer than using your hand, frees both hands to operate
tool
14. DON'T OVERREACH
Keep proper footing and balance at all times.
MAINTAIN TOOLS WITH CARE
Keep tools shard and clean for best and safest
performance. Follow mstructtons for lubricating and
changing accessories
16. DISCONNECT TOOLS
before servicing; when changing accessories such as
blades, bits, cutters, etc.
17. AVOID ACCIDENTAL STARTING
Make sure switch is in "OFF" position before plugging
In.
18. USE RECOMMENDED ACCESSORIES
Consult the owner's manual for recommended
accessories Follow the instructions that accompany
the accessories. The use of _mproper accessories may
cause hazards.
NEVER STAND ON TOOL
Serious injury could occur if the tool is tipped or if the
cutting tool is accidentally contacted.
Do not store materials above or near the tool such that
it is necessary to stand on the tool to reach them.
20. CHECK DAIVIAGED PARTS
Before further use OT the tool. a guard or other part that
ts damaged should be carefully checked to ensure that it
will operate properly and perform its intended function.
Check for alignment of mowng parts, binding of moving
carts, breakage of parts, mounting, and any other
corlditions that may .affect its operation. A guard or
other cart that is damageo should be properly repaired
or re placed.
21. DIRECTION OF FEED
Feed work into a blade or cutter against the direction
of rotation of the blade or cutter only.
NEVER LEAVE TOOL RUNNING
UNATTENDED
Turn oower off. Don't leave tool until it comes to a
complete stop.

additionam safety instructions for drill presses
WARNING: FOR YOUR OWN SAFETY, DO NOT
ATTEMPT TO OPERATE YOUR DRILL PRESS UNTIL
iT IS COMPLETELY ASSEMBLED AND iNSTALLED
ACCORDING TO THE INSTRUCTOONS ... AND UNTaL
YOU HAVE READ AND UNDERSTAND THE
FOLLOWING:
1.
2.
3.
4.
5.
6.
7.
8.
9.
General Safety instructions for Power Tools Page 2
Getting to Know Your Drill Press .......... Page 13
Basic Drill Press Operation ............... Page 1(;
Adjustments .......................... Page 17
Maintenance .......................... Page 18
Stability of Dritl Press
If there is any tendency for the drill press to tip over or
move during certain operations such as shaping, the drill
press should be bolted to the floor.
If the workpiece is too large to support with one hand,
provide an auxiliary support.
Location
The drill press should be positioned so neither the
operator nor a casual observer is forced to stand in line
with a potential Kickback.
Kickback
A kickback occurs when the workpiece is suddenly
thrown in the OPPOSITE direction to the DIRECTION
OF FEED; WHICH CAN CAUSE SERIOUS INJURY.
Kickbacks are most commonly caused by:
a. Relaxing your grip of the workpiece while
shaping or routing.
b. Taking too heavy a cut while shaping or routing.
c. Ignoring the instructions for shaping or routing.
Protection: Eyes, Hands, Face, Ears, Body
WARNING: FOR YOUR OWN SAFETY DON'T
WEAR GLOVES WHEN OPERATING A DRILL
PRESS
a. If any part of your drill press is malfunctioning,
has been damaged or broken ... such as the
motor switch, or other operating control, a
safety device or the power cord ... cease
operating immediately until the particular part
is properly repaired or replaced.
b. Wear safety goggles that comply with ANS
Z87.1, and a face shield if operation is dusty.
Wear ear plugs or muffs during extended periods
of operation.
c. Never place your fingers in a position where
they could contact the drill or other cutting
tool (router bit, shaper cutter, etc.) if the
workpiece should unexpectedly shift. (For
instance, hold-down!push blocks must be used
when shaping on the drill press to keep hands
remote from the cutter if a kickback should
occur.)
d. Never operate drill press with protective cover
on the unused shaft end of the motor removed.
e. Position workpiece to butt against the column
whenever possible - if it is too short, clamp
solidly to the Table -- this is to prevent the drill
bit from grabbing the work from your hands,
which could result in personal injury. A drill
press vise must be fastened to the tabte.
f. Never perform any operation "free-hand"
(hand-holding workpiece rather than support it
on the Table), except wire brushing and
polishing -- Wear Safety Goggles. _
g. Never perform internal or curved shaping
operations. Perform straight line shaping ONLY
(with the Shaper Fence Accessory).
h. Never perform any operation by moving the
Head or Table with respect to one another. Do
not pull the motor switch "ON" or start any
operation before checking that Head and Table
Lock Handles are clamped tight to Column, and
Head and Table Support Collars are correctly
positioned.
i. Before pulling the motor switch "'ON", be
positive the belt guard is down, the Chuck is
installed properly, and the drill or other cutting
tool is securely clamped in the chuck.
j. Before starting the operation, jog the motor
switch to be sure the drill or other cutting tool
does not have excessive runout or cause
vibration.
k. Do not operate the Drill Press unless the Depth
Stop and Stop Nut are instal!ed and the Depth
Stop clamped to the Depth Stop Rod.
I. Never pull out on the hub of the quill Hub
Assembly unless you first grasp and support the
Quill, otherwise the Quiti will drop and damage
may result.
m. Use the spindle speed recommended for the
specific operation and workpiece material -
refer to panel on right side of the Head for
drilling information, and for accessories, to the
instruction sheets that accompany the
accessories.
n. If workpiece overhangs the Table such that it
will fall to floor if unsupported, clamp it to the
Table or provide auxiliary support,
o. Use fixtures for unusual operations to
adequately hold, guide and position workpiece
for best quality and minimum hazard.
p. Be sure to lock Quill securely for all routing,
sanding, surfacing, shaping, and dovetailing
operations.
q. Never climb on the drill press Table.
r. Lock the motor Switch and put away the Key
when leaving the drill press.
s. DO NOT perform layout, assembly, or setup
work on the table while the cutting tool is
rotating.
10, Use only accessories designed for this drill press.
a. Holesaws must NEVER be operated on this drill
press at a speed greater than 380 RPM,
b. Drum sanders must NEVER be operated on this
drill press at a speed greater titan 720 RPM.
c. Do not exceed the speed recommended for the
drill size in wood when using the mortising bit
and chisel.
(See chart on R.H. trim panel of the drill press.)
d. Do not install or use any drill that exceeds 7" in
length or extends 6" below the chuck jaws.
11. Note and Follow the Safety Rules that Appear on the
Panel on the Left Side of the Head:
DANGER: FOR YOUR OWN SAFETY: READ AND
UNDERSTAND OWNERS MANUAL BEFORE
OPERATING THIS MACHINE. WEAR SAFETY
GOGGLES. OO NOT WEAR GLOVES, SECURELY
CL_P WORK TO TABLE iF IT IS TOO SHORT TO
CONTACT THE COLUMN WHEN }N OPERATING
POSITION.
12. Think Safety, Safety is a combination of operator
common sense and alertness at all times when the drili
press is being used.
WARNING: DO NOT ALLOW FAMILIARITY (GAINED
FROM FREQUENT USE OF YOUR DRILL PRESS)TO
BECOME COMMONPLACE. ALWAYS REMEMBER
THAT A CARELESS FRACTION OF A S[COND iS
SUFF_C_E,NT TO iNFLICT SEVERE !N3!JRY,

additional safety instructions for drill presses
WEAR YOUR
The operation of any power tool can result in foreign
objects being thrown into the _yes, which can result in
severe eye damage. Always wear safety goggles complying
with ANSI Z87,1 (shown on Package) before commencing
power tool operation. Safety Goggles are available at Sears
retail or catalog stores.
unpacking checking
CONTENTS
Page
General Safety Instructions for Power Tools ..... 2
Additional Safety Instructions for Drill Presses .... 3
Unpacking and Checking Contents ............. 4
Table of Loose Parts ........................ 4
Motor Specifications and Electrical Requirements.. 5
Assembly ................................. 6
Installing the Chuck .................... 6
Installing and Tensioning Belt ............. 12
Getting to Know Your Drill Press .............. 13
Belt Tension Rod ...................... 13
Drilling Speed ......................... 13
Drilling to Depth ....................... 14
Removing the Chuck ................... 15
On-Off Switch ........................ 15
Basic Drill Press Operation .................... 16
Installing Drills ........................ 16
Positioning Table and Workpiece .......... 16
Feeding ............................. 17
Adjustments ............................. 17
Depth Scale .......................... 17
Quil Return Spring .................... 17
Table and Head Lock Handles ............ 17
Maintenance .............................. 18
Lubrication .............................. 18
Recommended Accessories ................... 18
Trouble Shooting .......................... 19
Repair Parts ............................... 20
UNPACKING AND CHECKING CONTENTS
Model No. 113.21371 is shipped complete in one carton
but does not include a motor.
Model No. 113-2137!0 is shipped complete in one carton
and includes a 1/2 HP 1725 RPM motor.
Separate all parts from packing materials and check each
one with the "Table of Loose Parts" to make certain all
items are accounted for, before discarding any packing
material.
If any parts are missing, do not attempt to assemble the
drill press, plug in the power cord or turn the switch on
until the missing parts are obtained and installed correctly.
Remove the protective oil that is applied to the table and
column. Use any ordinary household type grease and spo_
remover.
CAUTION: Never use gasoline, naptha or similar highly
volatile solvents.
Apply acoat of automobile wax to the table.
Wipe a!t parts thoroughly with a clean dry cloth.
4
contents
TOOLS NEEDED
1/2 Inch Wrench 7/16 Inch Wrench
TABLE OF LOOSE PARTS
Item ]Description Qty.
A Belt, V .................................. 1
B Pulley, Motor (wjSet Screw) ................. !
C Knob ................................... 3
D Rod .................................... 3
EMount,Motor ............................ 1
F Screw,Set (ConePt.5/16-18 x 1-1]4 ........... 2
GChuck, Drill .............................. 1
HMotor, 112 HP1725 BPM ................... t
(Model 1 13.213710Only)
Bagof MiscellaneousSmall Parts,Pt.#71175
Consistingof the Following:
J Key, Drill Chuck .......................... 1
K CarriageBolt (5/16-18 x 3/4) ................. 4
L Washer(11/32) ........................... 4
M Nut, Hex (5/16-18) ........................ 6
N Tie, Wire ................................ !
P SetScrewWrench(5/32 inch) ................ 1
Q Key,Switch .............................. 2
R Nut, Stop ................................ 1
S Pointer, Depth Gage ........................ 1
T Shoe,Depth Gage ......................... 1
U Screw,Thumb ............................ 1

motor specifications and electrical requirements
MOTOR SPECRFICATIONS
This drill press is designed to use a 1725 RPM motor only.
Do not use any motor that runs faster than 1725 RPM.
It is wired for operation on 1!0-120 volts, 60 Hz.,
alternating current. IT MUST NOT BE CONVERTED TO
OPERATE ON 230 VOLTS, EVEN THOUGH THE
RECOMMENDED MOTORS ARE DUAL VOLTAGE.
THESE CRAFTSMAN MOTORS HAVE BEEN
FOUND TO BE ACCEPTABLE FOR USE ON
THiS TOOL.
HP RPM VOLTS CATALOG NO.
1/3 1725 110-120 1250
1/2 1725 110-120 !254
1/2 1725 !10-120 1255
1/2 1725 110-120 1278
1/2 1725 110q20 1279
CAUTBON: Do not use blower or washing machine motors
or any motor with an automatic reset overload protector as
their use may be hazardous.
CONNECTING TO POWER SOURCE OUTLET
This machine must be grounded while in useto protect the
operator from electric shock.
Plug power cord into a 110-120V properly grounded type
outlet protected by a 15-amp. time delay or Circuit-Saver
fuse or circuit breaker.
iF YOU ARE NOT SURE THAT YOUR OUTLET IS
PROPERLY GROUNDED, HAVE IT CHECKED BY A
QUALI FlED ELECTRICIAN.
WARNING: DO NOT PERMIT FINGERS TO TOUCH
THE TERMINALS OF PLUGS WHEN INSTALLING OR
REMOVING THE PLUG TO OR FROM THE OUTLET.
WARNING: iF NOT PROPERLY GROUNDED THIS
POWER TOOL CAN INCUR THE POTENTIAL HAZARD
OF ELECTRICAL SHOCK, PARTICULARLY WHEN
USED IN DAMP LOCATIONS, IN PROXIMITY TO
PLUMBING. iF AN ELECTRICAL SHOCK OCCURS
THERE iS THE POTENTIAL OF A SECONDARY
HAZARD SUCH AS YOUR HANDS CONTACTING THE
CUTTING TOOL.
If power cord is worn or cut, or damaged in any way, have
it replaced immediately.
PROPERLY
GROUNDED
OUTLET
\
3-PRONG
PLUG
U
GROUNDING
PRONG
If your unit is for use on less than t50 volts, it has a plug
that looks like above.
This power tool is equipped with a 3-conductor cord and
grounding type plug which has a grounding prong, approved
by Underwriters' Laboratories and the Canadian Standards
Association. The ground conductor has a green jacket and is
attached to the tool housing at one end and to the ground
prong in the attachment plug at the other end.
This plug requires amating 3-conductor grounded type
outlet as shown.
if the outlet you are planning to use for this power toot is
of the two prong type DO NOT REMOVE OR ALTER
THE GROUNDING PRONG IN ANY MANNER. Use an
adapter as shown and always connect the grounding lug to
known ground.
It is recommended that you have a qualified electrician
replace the TWO prong outlet with a properly grounded
THREE prong outlet.
An adapter as shown below is available for connecting plugs
to 2°prong receptacles. The green grounding lug extending
from the adapter must be connected to apermanent ground
such as to aproperly grounded outlet box.
GROUNDING LUG
ADAPTER t I__._-_ MAKE SURE THIS IS
3-PRONG CONNECTED TO A
RECEPTACLE
NOTE: The adapter illustrated is for use only if you already
have a properly grounded 2-prong receptacle. Adapter is
not allowed in Canada by the Canadian Electrical Code.
The use of any extension cord will cause some loss of
power. To keep this to a minimum and to prevent
over-heating and motor burn-out, use the table below to
determine the minimum wire size (A.W.Go) extension cord.
Use only 3 wire extension cords which 'have 3 prong
grounding type plugs and 3-pole receptacles which accept
the tools plug.
Extension Cord Length Wire Size A.W.G.
Upto-lOOFt. 16
100-200 Ft. 14
200-400 Ft. 10
CHECK MOTOR ROTATION
WARNING: FOR YOUR OWN SAFETY, MAKE SURE
PLUG IS NOT CONNECTED TO POWER SOURCE
OUTLET. WHEN CHANGING MOTOR ROTATION.
The motor must rotate CLOCKWISE when viewed from the
shaft end to which you will mount the pulley.
If it does not, change the direction according to the
instructions furnished with the motor.

assembly
WARNING: FOR YOUR OWN SAFETY, NEVER
CONNECT PLUG TO POWER SOURCE OUTLET UNTIL
ALL ASSEMBLY STEPS ARE COMPLETED,
1. Unwind the power cord.
2. Make sure the quill lock handle is tight.
3. Stand on, the left side of the drill press and LOOSEN
the HEAD LOCK HANDLE.
4. Raise the HEAD about HALF WAY up the column.
CAUTION: THE HEAD WEIGHS ABOUT 65 POUNDS
DROPPING THE HEAD ACCIDENTLY COULD CAUSE
PERSONAL INJURY OR DAMAGE THE DRILL PRESS.
5o TIGHTEN the Head Lock Handle.
6. Position the HEAD-SUPPORT COLLAR underneath
the head and tighten the TWO BOLTS using a ½"
wrench,
HEAD
LOCK HANDLE
HEAD SUPPORT
COLLAR
SPINDLE NOSE
IN ORDER TO RAISE THE HEAD TO A HIGHER
POSITION, IT WILL BE NECESSARY TO INSTALL
SEVERAL PARTS.
INSTALLING THE CHUCK
Clean out the TAPERED HOLE in the chuck; clean the
spindle nose with a clean cloth Make sure there are no
foreign particles sticking to the surfaces. The slightest
piece of dirt on the spindle nose or in the chuck will
prevent the chuck from seating properly. This will cause
the drill to "wobble."
6

SPINDLE NOSE
LOCKING COLLAR
2. Apply a light film of oil such as Sears household oil to
the spindle nose.
3. Place the chuck on the spindle nose and screw the
locking collar up as far as it will go. CHUCK
4. Insert apiece of 1/4" dia. STEEL ROD in to one of the
holes in the chuck body.
5. Insert the CHUCK KEY into one of the holes in the
collar ...TURN IT IN THE DIRECTION OF ARROW
UNTIL IT IS TIGHT.
6. To remove chuck, turn the collar in the opposite
direction until the chuck is ejected from the spindle.
LOCKING COLLAR N
CHUCK KEY
CHUCK BODY
\
t
/
iNSTALLING FEED HANDLES
1. Screw a FEED HANDLE into each of the threaded
holes in the hub, and tighten. t
QUILL LOCK
HANDLE

assembly
INSTALLING THE DEPTH STOP
1. Screw the THUMB SCREW partways into the DEPTH
POINTER.
2. Place the DEPTH POINTER SHOE inside the pointer.
3. Loosen QUILL LOCK HANDLE ... lower the quill
about two inches.
4. Slide the pointer and shoe onto the FEED STOP ROD
and tighten the thumb screw. Make sure the pointer is
positioned as shown,
5. Screw the FEED STOP NUT onto the top of the feed
stop rod.
6. Move the pointer upwards against the nut and tighten
the thumb screw.
7. Tighten QUILL LOCK HANDLE.
DEPTH
POINTER
DEPTH STOP
SHOE
FEED f
STOP
RAISING THE HEAD
1. Loosen the TABLE LOCK HANDLE.
2. Place a piece of WOOD on the table. USE TH E packing
block.
3. Turn the CHUCK SLEEVE until the jaws are all the
way up inside the chuck.
4. Raise the table until the wood block touches the chuck
body.
5. Tighten the Table Lock Handle.
6. Locate the two clamps and bolts that you removed
from the paper tube when you first started unpacking
your drill press.
These parts make up the TABLE SUPPORT COLLAR.
Position the TABLE SUPPORT COLLAR underneath
the table and tighten the bolts,
7. Loosen the HEAD LOCK HANDLE.
8, Loosen the QUILL LOCK HANDLE.
HEAD LOCK
HANDLE
(RIGHT HAND SIDE)
TAE
COLLAR
QUILL LOCK
HANDLE
PIECE OF WOOD

9. Gently push down on the FEED HANDLES until the
head raises upwards as far as it will go.
10, TIGHTEN THE HEAD LOCK HANDLE AND THE
QUILL LOCK HANDLE.
11. HOLD onto the Feed Handle and UNLOCK the quill
lock handle.
12, Let the quill return to the UP position in the head.
!3. TIGHTEN THE QUILL LOCK HANDLE.
Repeat steps 3 thru 10 until the head is raised to the
desired position, Position HEAD SUPPORT COLLAR
underneath the head and tighten the bolts.
HEAD LOCK
HANDLE
HANDLE
CAUTION: Do not raise the head above the top of the
column.
INSTALLING MOTOR PULLEY
When using a double shaft motor, remove the KEY from
the 5/8 in, dia. shaft.
1. Using a 5/32 in, setscrew wrench, UNSCREW the
setscrew in the pulley so that it is clear of the
KEYWAY (GROOVE).
2. Place the pulley on the shaft. Make sure it slips on
EASILY ,.. don't FORCE it, Remove any burrs in the
pulley or on the shaft if any,
3. Position the pulley so that the KEYWAYS in the shaft
and in the pulley line up; and the small end of the
pulley is about !/16 of an inch away from the motor.

assembty
NOTE: When using motors which have Y2" dia. shafts,
place the adapter sleeve (furnished with the motor) on
the shaft so that the slot in the sleeve is over the flat
spot.
4. Insert the shaft key (furnished with motor) into the
grooves in the shaft and pulley so that the end of the
key is even with the end of the shaft,
5. Tighten the set screw. Use a pair of pliers on the short
end of the set screw wrench for increased leverage.
1/2 IN. DIA.
MOTOR SHAFT
"_/}6 y 3/16 KEY
I
FLAT SPOT
EEVE
MOUNTING THE MOTOR
1, Position the motor mount as shown and place the
motor on top of it.
2, Find four 5/16 in.--18 x 1 in. CARRIAGE BOLTS, flat
wash_;rs and hex. nuts, among the loose parts.
3,
4.
Insert the bolts as shown ,.. install washers . .. screw
on nuts but DON'T TIGHTEN them:
RRIAGE BOLT
Using a 5/32 inch set screw wrench unscrew the PIVOT
screws as shown,
_SCREW
10

5, Remove the belt guard by "pushing in" on the two
"links".
6, Place motor on drill press ... screw the pivot screws
into the holes.
NOTE: DO NOT SCREW THEM IN TOO TIGHT ,..
EXCESSIVE TIGHTNESS COULD BEND THE
MOTOR MOUNT.
7, Find two 5/16 in-18 hex. nuts among the loose parts
... screw them on to the pivot screws ... tighten
them with a Y2 in. wrench while preventing the pivot
screws from turning.
8. Plug motor cord into outlet inside of drill press.
9. Find the plastic CORD TIE among the loose parts ...
insert the pointed end into the hole in the motor
mount.
10. Gather up the slack in the motor cord.., wrap the
CORD TIE around it., . insert one end of the TIE into
the hole in the other end. Pull it tightly to secure the
cord to the motor mount.
CAUTION: If you are using a DOUBLE SHAFT motor.
Make sure the SHAFT PROTECTOR is installed. NEVER
USE THE DRILL PRESS WiTH THE UNUSED SHAFT
EXPOSED.
1t

assembly
INSTALLING AND TENSIONING BELT
1. Place astraightedge such as a piece of wood, metal or
framing square across the pulleys.
2. Move the motor UPWARDS until the pulleys are IN
LINE ... tighten the motor mounting nuts with a ½in.
wrench.
3.
4,
5.
6.
7_
8.
Place the belt on the pulleys.
Put a dab of grease such as Sears gear case lubricant on
the rubber tip of the BELT TENSIONING ROD,
Loosen HEX HEAD SCREW with a 7/16 in. wrench
... position BELT TENSIONING ROD as shown.
Push the motor to the right with moderate pressure
while pushing THE BELT TENSIONING rod against
the motor mount ... TIGHTEN the HEX SCREW.
If belt slips while drilling, readjust belt tension.
Replace the belt guard.
BELT TENSIONIN_ VMOTOR
f
MOTOR
MOUNT
iNSTALLING LIGHT BULB
1. Install a light bulb (not larger than 60 watt) into the
socket inside the head.
\
12

getting to know your drill press
-4.-- SPLINES
(GROOVES)
SPINDLE
QU ILL "_
QUILL AND SPINDLE ASSEMBLY
INSIDE OF DRILL PRESS
SWITCH
KEY
CHUCK _,.__...
KEY
DRILL
RACK "ON-OFF"
(TEETH) SWITCH
CHUCK
DEPTH
QUIL
HANDLE DEPTH
POINTER
CHUCK LOC!
COLLAR
SUPPORT
COLLAR
"THUMB SCREV/
rEED HANDLE
LOCK
HANDLE
TABLE SUPPORT
COLLAR
HEAD LOCK HANDLE
ON LEFt SIDE OF HEAD
SPINDLE SPEED CHART
BELT TENSION ROD.,, maintains constant tension on the
belt, TO RELEASE belt tension for changing speeds,
push the GRIP of the rod up.
To APPLY belt tension, PUSH the MOTOR to the REAR
while pulling DOWN on the GRIP of the rod. Belt should
only be tight enough so that it does not slip. If belt slips
while drilling, readjust belt tensioning rod
FEED HANDLES ... are for moving the quill up or down.
One or two may be removed if necessary whenever the
workpiece is of such unusual shape that it interferes with
the handles.
Although there is a rubber cushion between the FEED
STOP COLLAR and the head, NEVER let go of the feed
handles when you have finished drilling a hole.
Hold on to the handle while allowing the quill to return to
the UP position.
DRILLING SPEED ...Canbechanged by placing the belt
in any of the STEPS (grooves) in the pulleys. See Spindle
Speed chart on right side of Head.
To determine the approximate drilling speed, refer to the
table on the RIGHT side of the drill press head, For
example to drill a 5/8 inch hole in wood, the belt is placed
in the FOURTH step from the top. The speed will then be
2300 RPM (revoJutions per minute).
QUILL LOCK ... Holds the quill at any desired point
within its travel.
To lock the quill requires only moderate pressure on the
lock handle.
FEED STOP NUT limits the downward movement of the
quill at any desired point within its travel, and prever_ts the
pointer from moving upward,
The DEPTH PO|NTER is !ocked M piace with _he
THUMBSCREW.
_3

getting to know your drill press
HEAD LOCK HANDLE ... locks the head to the column.
ALWAYS have it locked in place while operating the drill
press.
HEAD SUPPORT COLLAR ... prevents the head from
dropping when the head lock handle is loosened.
ALWAYS have the collar LOCKED into position against
the UNDERSIDE of the head .....
TABLELOCK HANDLE ,, ; locks the table to the column.
ALWAYS have it locked in place while operating the drill
p_ess,
ALWAYS hold the table while unlocking it.
TABLE SUPPORT COLLAR ... Prevents the table from
accidently dropping all the way to the bottom when the
table lock handle is loosened.
ALWAYS have the collar LOCKED into position
approximately 34 in. from the floor for average drilling
operations,
CHUCK KEY . .. is used to tighten or loosen the chuck. It
has a spring loaded EJECTOR pin to "pop" it out of the
chuck when you let go of it. When not in use, ALWAYS
store the key in the hole in the table.
CHUCK LOCKS NG COLLAR .., draws the chuck onto
the spindle nose.
It prevents the chuck from coming loose during operation.
ALWAYS }lave the collar tightened.
DRILLING TO DEPTH
To drill a BLIND hole (not all the way through) to a given
depth, can be done two ways.
I. Mark tile depth of the hole on the side of the
workpiece.
2. With the switch OFF bring the drill down until the TIP
or lips are even with the MARK . .. LOCK the QUILL.
3. Move the POINTER all the way down and tighten the
thumb screw.
4,
5.
6.
Tighten the STOP NUT against the pointer.
Unlock the quill. \..., MARK
Feed thedrillintotheworkpiece until it is stopped by \'_.__J
the pointer.
ANOTHER WAY-
!. With the switch OFF, bring the drill down until the TiP
touches the TOP of the WORKPIECE ... lock the
quill.
2. Set the POINTER to the desired DEPTH .o. lock it
and TIGHTEN the STOP NUT against it. For example
... if you want to drill a hole one inch deep ... set
the pointer at the one inch mark in the scale.
14

REMOVINGTHE CHUCK.
1,
2.
Insert apiece of 1/4 in. alia. steel rod in one of the holes
in the chuck body,
insert the CHUCK KEY into one of the hoIes in the
collar ... turn it in the direction of arrow until
LOOSE. Continue to turn it until the chuck is released.
"'ON-OFF" SWITCH for drill has Iockinq feature. THIS
FEATURE IS INTENDED TO PREVENT
UNAUTHORIZED AND POSSIBLE HAZARDOUS USE
BY CHILDREN AND OTHERS.
"ON-OFF" SWITCH for light is independent of the drii(
switch. This permits the light to be "on" while making ,!our
setups.
Insert KEY into switch. NOTE: Key is made, of yellow
plastic.
To turn drill ON ..
Insert finger under switch lever and pull.
TO turn drill OFF ... Push lever in.
In an emergency; .,. the drill bit BINDS .. , STALLS ,..
STOPS ... or tends to tear the workpiece loose ,.. you
can QUICKLY turn the drill OFF by hitting the switch
with the palm of your hand,
TO lock switch in OFF position .., hold switch iN with
one hand . .. REMOVE key with other hand,
WARNING: FOR YOUR OWN SAFETY, ALWAYS LOCK
THE SWITCH "OFF" WHEN DRILL PRESS IS NOT IN
USE ... REMOVE KEY AND KEEP IT IN A SAFE
PLACE ... ALSO ... IN THE EVENT OF A POWER
FAILURE (ALL OF YOUR LIGHTS GO OUT) TURN
SWITCH OFF .o. LOCK IT AND REMOVE THE KEY.
THIS WILL PREVENT THE DRILL PRESS FROM
STARTING UP AGAIN WHEN THE POWER COMES
BACK ON.
!5

basic drill press operation
We recommend the following instructions for operating
your drill press so that you get the best results and to
minimize the likelihood of personal injury.
WARNING: FOR YOUR OWN SAFETY, ALWAYS
OBSERVE THE FOLLOWING SAFETY PRECAUTIONS.
I. Check spindle speed
2. Before operating, turn the switch "on" then "off" to
make sure that the cutting tool is centered in the chuck
3.
4,
5.
properly and that the cutting tool is not causing
excessive vibration.
Never perform any operation freehand (hand-holding
workpiece rather than supporting it on table) except
when wire brushing or polishing,
Keep your hands clear of the cutting tool (drill, shaper
cutter or router bit).
Make sure quill is locked securely when shaping,
routing, dovetailing, wirebrushing, polishing sanding or
surface planing.
INSTALLING DRILLS
Insert drill into chuck far enough to obtain maximum
GRIPPING of the CHUCK JAWS .. . the jaws are appox. 1
in. long. When using a small drill do not insert it so far that
the jaws touch the flutes (spiral grooves) of the drill.
Make sure that the drill is CENTERED in the chuck before
tightening the chuck with the key.
Tighten the drill sufficiently, so that it does not SLIP while
drilling.
POSITIONING TABLE AND WORKPIECE
Lock the table to the column in a position so that the tip of
the drill is just a little above the top of the workpiece. It is
not necessary to reposition the TABLE SUPPORT
COLLAR each time you reposition the table. Always keep
the collar locked about 34 in, from the floor:
Always place a piece of BACK-UP MATERIAL (wood,
plywood , . ,) on the table underneath the workpiece. This
will prevent "splintering" or making a heavy burr on the
underside of the workpiece as the drill breaks through,
Position workpiece to butt against the column whenever
possible - if it is too short, clamp solidly to the Table -
this is to prevent the drill bit from grabbing the work from
your hands, which could result in personal injuryl A drill
press vise must be fastened to the table.
CAUTION: To prevent the workpiece or the back-up
material from being torn from your hand while drilling,
position them against the left side of the column. Failure to
do this could result in personal injury.
CAUTION: If the workpiece or the back-up material are
not long enough to reach the column, CLAMP them to the
table. Failure to do this couJd result in personal injury.
QUILL
LOCK HANDLE
\
WORKPIECE
BACK-UP
MATERIAL
r1
For small pieces that cannot be clamped to the table, use a
drill press vise (Optional accessory). The vise must be
clamped or bolted to the table.
16
DR_LL PRESS
V{SE

HOLE LOCAT!ON
Make aDENT in the workpiece whereyou want the hole
••.using a CENTER PUNCH or a SHARP NAIL.
Before turning the switch ON, bring the drill down to the
workpiece lining it up with the hole location.
FEEDING
Pull down on the feed handles with only enough effort to
allow the drill to cut.
Feeding TOO SLOWLY might cause the drill to burn ...
Feeding TOO RAPIDLY might stop the motor ,.. cause
the belt or drill to SLIP .., tear the workpiece LOOSE
from your hand or BREAK the drill bit•
When drilling metal use Sears Thread-cutting oil
adiustments
WARNING: FOR YOUR OWN SAFETY TURN SW_TCH
"OFF" AND REMOVE PLUG FROM POWER SOURCE
OUTLET BEFORE MAKING ANY ADJUSTMENTS.
DEPTH SCALE
When the quill is in the UPPERMOST position, the top
SURFACE OF THE FEED STOP POINTER should be in
line with "0" graduation on the DEPTH SCALE.
If it is not ,.. LOOSEN both mounting screws and
reposition the scale.
FEED STOP ._
POINTER
MOUNTING
SCREWS
QUILL RETURN SPRING
If the quill does not return to its UPPERMOST position
when the quill lock is UNLOCKED .,. or if the return
action is SLUGGISH ... the SPRING TENSION must be
increased.
1. Move DEPTH POINTER to uppermost position and
lock it in place.
2• Lock the quill in the uppermost position.
3. GRASP the HUB .., pull it straight out until it is free
to turn,
4. Rotate hub COUNTERCLOCKWISE about 1/4 turn
and PUSH it back in place. This will WiND UP the
spring.
Unlock quill ... check tension ... if more is required,
repeat steps 2, 3, 4, and 5.
TABLE AND HEAD LOCK HANDLES
The lock handles can be adjusted to make them more
convenient to operate.
Make sure the support collar is locked in position below
the table or the head.
1.
2.
3.
Unscrew the lock handle and push the barrel lock out
of the hole.
Rotate the barrel lock !80 °, replace it in the hole and
screw in the handle.
NOTE: The HEADLOCK HANDLE is located on the LEFT
side of the head,
BELT TENSION
Refer to section "Getting To Know Your Drill Press" ...
BELT TENSIONING ROD.
BARREL LOC K
_QU jI,_._ RETURN SPRING
TABLE LOCK HANDLE
I
TABLE LOCK
hANDLE
17

maintenance
WARNING: FOR YOUR OWN SAFETY, TURN SWITCH
"'OFF" AND REMOVE PLUG FROM POWER SOURCE
OUTLET BEFORE MAINTAINING OR LUBRICATING
YOUR DRILL PRESS,
Frequently blow out any dust that may accumulate inside
the motor.
A coat of automobile-type wax applied to the table and
column will help to keep the surfaces clean.
If the power cord is worn or cut, or damaged in any way,
have it replaced immediately.
For motor maintenance, follow instructions furnished with
motor.
r
lubrication
All of the BALL BEARINGS are packed with grease at the
factory. They require no further lubrication.
Periodically lubricate the SPLINES (grooves) in the spindle
and the RACK (teeth on the quill).
USE Sears Gear Case Lubricant.
1. Lower quill and spindle all the way down .. LOCK
the quill,
2. Use a small stick of wood and apply lubricant around
the inside of the hole in the spindle pulley.
3. Apply lubricant to RACK (teeth) on quill extending
below drill press head.
For motors lubrication, follow instructions furnished with
motor.
I I[
recommended accessories
Drills, Shaper Cutters, Router Bits ......... See Catalog
Rotary Planer ............................. 9-2745
Mortising Chisel Housing .................... 9-2465
Hollow Chisels and Mortising Bits .......... See Catalog
Dovetailing Attachment ..................... 9-2462
Shaper Fence Attachment ................... 9-2487
Hold-Down and Guide ...................... 9-2457
Drill Press Vises ....................... See Catalog
Rotary Table ............................. 9-2495
Tilt Table ................................ 9-2439
Co!let Chuck ............................. 9-24672
Shaper Cutter Adapter .................... 9-24832
Sanding Drum ..................... 9-2497 -9-2498
Hole Saws up to 21/2 in. alia ............... See Catalog
Wire Wheels up to 4 in. dia. max ........... See Catalog
Buffing Wheels up to 4 in. dia. max ......... See Catalog
Polishing Wheel, 11/2" x 1 In .................. 9-64991
Column Collar ............................ 9-2438
Power Tool Know-how Handbooks
Radial Saw ............................ 9-2917
Table Saw ............................. 9-2918
The recommended accessories listed here are current and
were available at the time this manual was printed.
18

trouble shooting
WARNING: FOR YOUR OWN SAFETY, TURN SWITCH "OFF" AND ALWAYS REMOVE PLUG FROM POWER SOURCE
OUTLET BEFORE TROUBLE SHOOTING.
TROUBLE
Noisy Operation
Drill Burns.
Drill leads off...
hole not round.
PROBABLE CAUSE
1. Incorrect belt tension
2. Dry Spindle
3. Loose spindle pulley
or motor pulley.
1. Incorrect speed
2. Chips not coming out
of hole.
3. Dull Drill
4. Feeding too slow.
5. Not lubricated,
6. Drill running backwards.
1. Hard grain in wood or
lengths of cutting
lips and/or angles
not equal.
REMEDY
1. Adjust tension. See section "Getting To Know
Your Drill Press"...BELT TENSIONING ROD.
2. Lubricate spindle. See "Lubrication" section,
3. Tighten setscrews in pulleys.
1. Change speed, See section "Getting To Know
Your Drill Press". ,. DRILLING SPEED.
2. Retract drill frequently to clear chips.
3. Reshapen drill.
4. Feed fast enough...allow drill to cut.
5. Lubricate drill. See "Basic Drill Press
Operation" section.
6. Check motor rotation. See "Motor Specifications
and Electrical Requirements" section.
1. Resharpen drill correctly.
Wood splinters on 1. No "back-up material" 1. Use "back-up material"...See Basic Drill
underside, under workpiece. Press Operation" section.
Workpiece torn 1. Not supported or 1. Support workpiece or clamp it.. ,See "Basic
loose from hand. clamped properly. Drill Press Operation" section.
, , i ' '_ ' "
1.Drill Binds in
workpiece.
Workpiece pinching drill
or excessive feed
pressure.
Improper belt tension.
2.
!. Support workpiece or clamp it.. ,See "Basic
Drill Press Operation" section.
2, Adjust tension,..See section "Getting to Know
Your Drill Press"...BELT TENSION ROD.
1. Use a straight drill.
2. Replace bearings.
3, Install drill properly,..See "Basic Drill
Press Operation" section.
4. Install chuck properly,, .refer to "Unpacking
and Assembly Instructions", . .INSTALLING THE
CHUCK.
1. Bent drill.
2. Worn spindle bearings.
3. Drill not properly
installed in chuck.
4. Chuck not properly installed.
Excessive drill
runout or wobble.
19

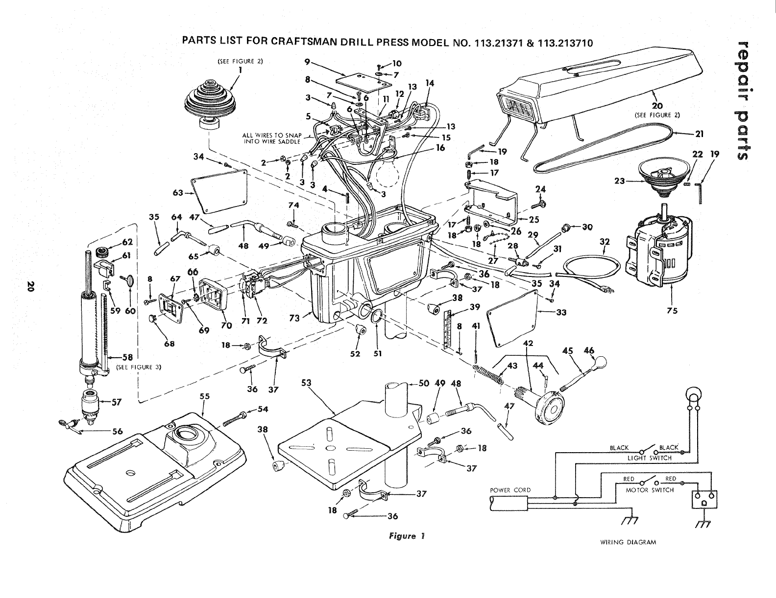
PARTS LIST FOR CRAFTSMAN DRILL PRESS MODEL NO. 113.21371 &113.213710
13 14
(SEE FIGURE 3)
i
38
18
52 51
Figure I
37
WIRING DIAGRAM
,=111
_0
Q

PARTS LIST FOR CRAFTSMAN DRILL PRESS MODEL NO. 113.21371 &113.213710
Always orderby Part Number-not by Key Number
FIGURE 1PARTS LIST
Key
No.
10
11
12
13
14
15
16
17
18
19
20
21
22
23
24
25
26
27
28
29
30
31
32
35
36
37
Part
No. Description
71097
STD 541110
71046
STD 571812
71163
STD 551210
STD 551208
169689
71092
STD 610805
71170
37818
STD 601103
71056
STD 610802
71088
139377
STD 541231
37837
71138
9411963
71065
STD 532507
71164
STD 551031
71165
71151
71153
71152
60226
71166
71167
145372
60307
STD 533115
71050
38626
Pulley Assembly (See Figure 2)
*Nut, Hex 10-32
Connector, Wire !4-18
*Pin, Rol! 3/16
Saddle, Wire
*Lockwasher, Internal No. 10
Lockwasher, Int. No. 8
*Screw, Type 23 Pan Hd. 6-32 x 5/8
Plate, Rear Cover
*Screw, Type A Pan SI. No. 8 x 1/2
Bracket
Relief, Strain
*Screw, Type 23 Pan SI. 10-32 x 3/8
Outlet
*Screw, Type A Pan SI.No. 8 x 1/4
Socket, Bulb
*Screw, Set Cone Pt., 5/16-18 x 1-1/4
*Nut, Hex 5/16-18
Wrench, Hex "L" 5/32
Guard Assembly (See Figure 2)
Belt, V
_Screw, Set Soc.Cup Pt.5/16-18 x 1/2
Pulley, Motor
*Bolt, Carriage, 5/16-18 x 3/4
Mount, Motor
*Washer, ! 1/32
Tie, Wire
Clamp, Adjusting Rod
Rod, Adjusting
Tip, Adjusting Rod
Screw, Adjusting Rod
Cord with Plug
Panel, R.H. Trim
*Screw, Drive Rd.Hd.No. 4 x 1/4
Grid
*Bolt, Carriage 5/16-18 x 1-1/2
Collar
Lock, Barrel
Key
No.
=,,
39
41
42
43
44
45
46
47
48
49
50
51
52
53 i
54 I
55
56
57
58
59
60
61
62
63
64 I
65
66
67
68
69
70
71
72
73
74
75
Part
No. Description
71098
60193
71074
38989
27617
71139
38546
60260
60265
38627
71136
38452
38631
71168
100163
71101
71178
38623
71075
71149
60191
71140
71082
71169
71161
38632
318595
71146
60256
133423
71086
71144
71145
71099
132124
70047
71189
71175
Scale, Depth
*Pin, Roll 3/16
Hub Assembly (Includes Key Nos. 43 & 44)
Spring
Pin
Rod
Knob
Grip
Handle, Lock
Lock, Barrel
Tube, Column
Washer, Fiber
Lock, Barrel
Table
Bolt, Hex Hd. I/2-13 x 2-1/2
Base
Key, Drill Chuck
Chuck, Drill
Spindle Ass'y., Stop (See Figure 3)
Shoe, Depth Gage
Screw, Thumb
Pointer, Depth Gage
Nut, Stop
Panel, L.H. Trim
Handle
Lock, Barrel
Lockwasher, Int. C'Sink No. 6
Cover, Switch Plate
Key, Switch
*Screw, Mach.Flat Hd.6-32 x 3/8
Plate, Switch Mounting
Switch
Switch
Head, Drill Press (Includes Key No. 74)
*Screw FiI.Hd. !0-32 x 3/4
tMotor, 1/2 H.P. 1725 RPM
Owners Manual (Not Illustrated)
Bag Assy., Loose Parts (Not Illustrated)
_Standard Hardware Item - May be Purchased Locally t Stock Item -- May be secured through the hardware dept.
of most Sears Retail or Catalog Outlets.

PARTS LIST FOR CRAFTSMAN DRILL PRESS
,___i_ 5 MODEL NO. 113.21371 &113.213710
6
4
11-- ,4d;
15-----._
16,----..-"_
Figure 2
FIGURE 2 PARTS LIST
Key Part
No. No. Description
1 60049
2 71173
3144987
4 71069
5 STD 610807
6 60158
7 71071
8 71070
9 71162
10 71072
11 71097
12 60192
13 71089
14 71090
15 STD 315253
16 71091
17 18414
*Screw, Pan Hd., 4-40 x 3/16
Panel, Front Guard
*Screw, Type B, Flat Hd., No. 10 x 1/2
Guard
*Screw, Type B, PanHd., No. 8 x 3/4
*Washer, 13/64 x 9/16 x 3/64
Clamp
Link, Rear
Clamp
Link, Front
Pulley Assembly, Spindle
Screw, Nylok Set, 5/16-18 x 1/2
Pulley, Spindle
Insert, Pulley
Bearing, Ball
Spacer
Ring, Retaining, 15/16
*Standard Hardware Item - May be Purchased Locally.
"0
Q
mo
Q
U)

Q"+-------3
7
/
/
/
/
PARTS LIST FOR CRAFTSMAN DRILL PRESS
MODEL NO. 113.21371 &113.213710
/
/
/
/
/
/
,/
/
/
/
/
FIGURE 3 - 71075 SPINDLE ASSEMBLY, STOP
Key Part
No. No.
- 71075
1 37158
2 3509
3 71147
4 27813
5 60176
6 27812
7 STD 551125
8 STD 541025
9 38422
10 STD 541237
11 STD 522512
12 71078
13 71077
Description
Spindle Assembly, Stop
Ring, Retaining, 5/8
Bearing, Ball
Tube, Quill
Gasket, Quill
Washer, Quill
Ring, Retaining
L*Lockwasher, 1/4
*Nut, Hex, 1/4-20
Collar, Feed Stop
*Nut, Hex.Jam, 3/8-16
*Screw, Mach., Hex.Hd., 1/4-20 x 1-1/4
Rod, Depth Stop
Spindle Assembly
+Standard Hardware Item - May be Purchased Locally,
Figure 3

SERVICE
MODEL NO.
113.2137]
DRILL PRESS ONLY
113.2!3710
DRILL PRESS WITH
1/2 HP MOTOR
HOW TO ORDER
REPAIR PARTS
] 5°]/2 [NCH DRILL PRESS
Now that you have purchased your 15-1/2 inch drill press
should a need ever exist for repair parts or service, simply
contact any Sears Service Center and most Sears, Roebuck and
Co. stores. Be sure to provide all pertinent facts when you call
or visit.
The model number of your 15-1/2 inch drill press will be found
on a plate attached to the rear of the head.
WHEN ORDERING REPAIR PARTS, ALWAYS GIVE THE
FOLLOWING INFORMATION:
PART NUMBER
MODEL NUMBER
113.21371 --
113.213710
PART DESCR[ PTtON
NAME OF ITEM
15-1/2 INCH DRILL PRESS
All parts listed may be ordered from any Sears Service Center
and most Sears stores. If the parts you need are not stocked
locally, your order will be electronically transmitted to a Sears
Repair Parts Distribution Center for handling.
w
Sold by SEARS, ROEBUCK AND CO., Chicago,
part No. 71 !89 Form No. SP4399-2
IL. 60684 U.S.A.
Printed in U.S,A. 5/79