Sears 113 24611 Users Manual
11324611 11324611 CRAFTSMAN CRAFTSMAN COMMERCIAL 15-1 - Manuals and Guides L0902097 View the owners manual for your CRAFTSMAN CRAFTSMAN COMMERCIAL 15-1 #11324611. Home:Tool Parts:Craftsman Parts:Craftsman CRAFTSMAN COMMERCIAL 15-1 Manual
CRAFTSMAN Drill Press Manual L0902097 CRAFTSMAN Drill Press Owner's Manual, CRAFTSMAN Drill Press installation guides
113.24611 to the manual 1e1cfe5c-90c8-4344-ac93-e7dd8114f9cf
2015-02-05
: Sears Sears-113-24611-Users-Manual-398887 sears-113-24611-users-manual-398887 sears pdf
Open the PDF directly: View PDF
.
Page Count: 24

Sears
CAUTION:
Read GENERAL
and ADDITIONAL
SAFETY
INSTRUCTIONS
carefu|iy
COMMERCIAL
15-I/2 INCH
DRILL PRESS
assembly
operating
repair parts
Sold by SEARS, ROEBUCK AND CO., Chicago, IL. 60684 U.S.A.
and SIMPSONS-SEARS LIMITED, Toronto, Ontario, Canada.
Part No. 71 176 P,:ir,t_d i_ i; _ ;_

general safely instructions for power tools
1. KNOW YOUR POWER TOOL
Read the owner's manual carefully. Learn its
application and limitations as well as the specific
potential hazards peculiar to this tool.
12. USE SAFETY GOGGLES
Safety gogglesmust comply with ANS Z87.1-1968.
Also use face or dust mask if cutting operation is
dusty.
o
.
4.
GROUND ALL TOOLS
This tool is equipped with an approved 3-conductor
cord and a3-prong grounding type plug to fit the
proper grounding type receptacle. The green conductor
in the cord is the grounding wire. Never connect the
green wire to a live terminal.
KEEP GUARDS IN PLACE
and in working order.
REMOVE ADJUSTING KEYS
AND WRENCHES
Form habit of checking to see that keys and adjusting
wrenches are removed from tool before turning it on.
5. KEEP WORK AREA CLEAN
Cluttered areas and benches invite accidents. Floor
must not be slippery due to wax or sawdust.
6, AVOID DANGEROUS ENVIRONMENT
Don't use power tools in damp or wet locations. Keep
work area well lit. Provide adequate surrounding work
space.
7. KEEP CHILDREN AWAY
All visitors should be kept a safe distance from work
area.
8. MAKE WORKSHOP KID-PROOF
-- with padlocks, master switches, or by removing
starter keys,
9. DON'T FORCE TOOL
It will do the job better and safer at the rate for which
it was designed.
10. USE RIGHT TOOL
Don't force tool or attachment to do a job it was not
designed for.
11. WEAR PROPER APPAREL
No loose clothing, gloves, neckties or jewelry to get
caught in moving parts. Rubber-soled footwear is
recommended for best footing.
13. SECURE WORK
Use clamps or a vise to hold work when practical. It's
safer than using your hand, frees both hands to operate
tool.
14. DON'T OVERREACH
Keep proper footing and balance at all times.
15. MAINTAIN TOOLS WITH CARE
Keep tools sharp and clean for best and safest
performance. Follow instructions for lubricating and
changing accessories.
16. DISCONNECT TOOLS
before servicing; when changing accessories such as
blades, bits, cutters, etc.
17. AVOID ACCIDENTAL STARTING
Make sure switch is in "OFF" position before plugging
in.
18. USE RECOMMENDED ACCESSORIES
Consult the owner's manual for recommended
accessories. Follow the instructions that accompany
the accessories. The use of improper accessoriesmay
cause hazards.
19. NEVER STAND ON TOOL
Serious injury could occur if the tool is tipped or if the
cutting tool is accidentally contacted.
Do not store materials above or near the tool such that
it is necessary to stand on the tool _o reach them.
20. CHECK DAMAGED PARTS
Before further use of the tool, a guard or other part that
is damaged should be carefully checked to ensure that it
will operate properly and perform its intended function
- check for alignment of moving parts, binding of
moving parts, breakage of parts, mounting, and any
other conditions that may affect its operation. A guard
or other part that is damaged should be properly
repaired or replaced.
i, ,

WARNING: FOR YOUR OWN SAFETY, DO NOT
ATTEMPT.TO OPERATE YOUR DRBLL PRESS UNTIL
IT IS COMPLETELY ASSEMBLED AND iNSTALLED
ACCORDgNG TO THE iNSTRUCTIONS ... AND UNTIL
YOU HAVE READ AND UNDERSTAND THE
FOLLOWING:
1. General Safety Instructions for PowerTools .Page 2
2. Getting to Know Your Drill Press ......... Page 13
3. Basic Drill PressOperation ............... Page 16
4. Adjustments ......................... Page 17
5. Maintenance ......................... Page 18
6. Stabiaity of Drill Press
If there is any tendency for the drill press to tip over or
move during certain operations such as shaping, the drill
press should be bolted to the floor.
If the workpiece is too large to support with one hand,
provide an auxiliary support.
7. Location
8.
The drill press should be positioned so neither the
operator nor a casual observer is forced to stand in line
with a potential Kickback.
Kickback
A kickback occurs when the workpiece is suddenly
thrown in the OPPOSITE direction to the DIRECTION
OF FEED; WHICH CAN CAUSE SERIOUS INJURY.
Kickbacks are most commonly caused by:
a. Relaxing your grip of the workpiece while
shaping or routing.
b. Taking too heavy a cut while shaping or routing.
c. Ignoring the instructions for shaping or routing.
9. Protection: Eyes, Hands, Face, Ears, Body
a.
b°
c°
d.
If any part of your drill press is malfunctioning,
has been damaged or broken ... such as the
motor switch, or other operating control, a
safety device or the power cord ... cease
operating immediately until the particular part
is properly repaired or replaced.
Wear safety goggles that comply with ANS
Z87.1-1968, and a face shield if operation is
dusty. Wear ear plugs or muffs during extended
periods of operation.
Never place your fingers in a position where
they could contact the drill or other cutting
toot (router bit, shaper cutter, etc.) if the
workpiece should unexpectedly shift. (For
instance, hold-down/push blocks must be used
when shaping on the drill press to keep hands
remote from the cutter if a kickback should
Occur.)
Never operate drill press with protective cover
on the unused shaft end of the motor removed.
e, Position workpiece to butt against the column
whenever possible - if it is too short, clamp
solidly to the Table - this is to prevent the drill
bit from grabbing the work from your hands,
which could result in personal injury. A drill
press vise must be fastened to the table.
g.
h.
Never perform, any operation "free-hand'"
(hand-holding workpiece rather than support it
on the Table), except wire brushing and
polishing - Wear Safety Gog'gJes!
Never perform internal or curved shaping
operations. Perform straight line shaping ONLY
(with the Shaper Fence Accessory).
Never perform any operation by moving the
Head or Table with respect to one another. Do
not pull the motor switch "ON" or start any
operation before checking that Head and Table
Lock Handles are clamped tight to Column, and
Head and Table Support Collars are correctly
positioned.
i. Before pulling the motor switch "ON", be
positive the belt guard is down, the Chuck is
installed properly, and the drill or other cutting
tool is securely clamped in the chuck.
j. Before starting the operation, jog the motor
switch to be sure the drill or other cutting tool
does not have excessive runout or cause
vibration.
k.
m.
Do not operate the Drill Press unless the Depth
Stop and Stop Nut are installed and the Depth
Stop clamped to the Depth Stop Rod.
Never pull out on the hub of the quill Hub
Assembly unless you first grasp and support the
Quill, otherwise the Quill will drop and damage
may result.
Use the spindle speed recommended for the
specific operation and workpiece material -
refer to panel on right side of the Head for
drilling information, and for accessories, to the
instruction sheets that accompany the
accessories.
n. If workpiece overhangs the Table such that it
will fall to floor if unsupported, clamp it to the
Table or provide auxiliary support.
o. Use fixtures for unusual operations to
adequately hold, guide and position workpiece
for best quality and minimum hazard.
P. Be sure to lock Quill securely for all routing,
sanding, surfacing, shaping, and dovetailing
operations.
q. Never climb on the drill press Tabte.
r. Lock the motor Switch and put away the Key
when leaving the drill press.
10. Use only accessories designed for this drift press.
a_
b.
c.
Holesaws must NEVER be operated on this
drill press at a speed greater than 380 RPM.
Drum sanders must NEVER be operated on
this drill press at a speed greater than 720
RPM.
Do not exceed the speed recommended for
the drill size in wood when using the
mortising bit and chisel.
(See chart on R,H. trim pane_ of the dr!i
press,)

additional safety
11. Note and Follow the Safety Rules that Appear on the
Panel on the Left Side of the Head:
lDANGER: FOR YOUR OWN SAFETY: READ AND
UNDERSTAND OWNERS MANUAL BEFORE
OPERATING THIS MACHINE. WEAR SAFETY
GOGGLES. DO NOT WEAR GLOVES. SECURELY
CLAMP WORK TO TABLE IF IT IS TOO SHORT TO
CONTACT THE COLUMN WHEN IN OPERATING
POSITION.
instructions for drill presses
12. Think Safety. Safety is acombination of operator
common sense and alertness at all times when the drill
pressis being used.
WARNING: DO NOT ALLOW FAMILIARITY
(GAINED FROM FREQUENT USE OF YOUR DRILL
PRESS) TO BECOME COMMONPLACE. ALWAYS
REMEMBER THAT A CARELESS FRACTION OF A
SECOND IS SUFFICIENT TO iNFLiCT SEVERE
INJURY.
unpacking and checking
CONTENTS Page
General Safety Instructions for Power Tools ......... 2
Additional Safety Instructions for Drill Presses ....... 3
Unpacking and Checking Contents ................. 4
Table of Loose Parts ............................ 4
Motor Specifications and Electrical Requirements ..... 5
Assembly .................................... 6
Installing the Chuck .......................... 6
Installing Feed Handles ........................ 7
Installing the Depth Stop ...................... 8
Installing Motor Pulley ........................ 9
Mounting the Motor ......................... 10
Installing and Tensioning Belt .................. 12
Getting to Know Your Drill Press ................. 12
Belt Tension Rod ........................... 12
Drilling Speed .............................. 12
On-Off Switch ............................. 13
Removing the Chuck ........................ 14
Drilling to Depth ........................... 15
Basic Drill Press Operation ...................... 15
Installing Drills ............................. 16
Positioning Table and Workpiece ............... 16
Feeding ................................... 17
Adjustments ................................. 17
Depth Scale ............................... 17
Quill Return Spring ......................... 17
Table and Head Lock Handles ................. 17
Quill Bearing ............................... 17
Pinion Backlash ............................ 18
Automatic Feed Return ...................... 18
Maintenance ................................. 18
Lubrication .................................. 18
Recommended Accessories ...................... 19
Trouble Shooting ............................. 19
Repair Parts ................................. 20
UNPACKING AND CHECKING CONTENTS
Your Craftsman Drill Press is shipped complete in one
carton, lessmotor.
Separate all parts from packing materials and check each
one with the "Table of Loose Parts" to make certain all
items are accounted for, before discarding any packing
material.
If any parts are missing, do not attempt to assemble the
drill press, plug in the power cord or turn the switch on
until the missing parts are obtained and installed correctly.
Remove the protective oil that is applied to the table and
column. Use any ordinary household type grease and spot
remover.
CAUTION: Never use gasoline, naptha or similar highly
volatile solvents.
Apply a coat of automobile wax to the table.
Wipe all parts thoroughly with a clean dry cloth.
contents
TOOLS NEEDED
_ 7/16 Inch Wrench
_; .... -_ 1/2 Inch Wrench
TABLE OF LOOSE PARTS
Key
No. Item Qty.
1 Belt, V ............................... 1
2 Pulley, Motor (w!Set Screw) .............. 1
3 Knob ................................ 3
4 Rod ................................. 3
5Mount, Motor ......................... 1
6 Chuck, Drill ........................... 1
Bag of Miscellaneous Small Parts, Pt. # 71177
Consisting of the Following:
7 Key, Drill Chuck ....................... 1
8 Carriage Bolt (5/16-18 x 3/4) .............. 4
9 Washer (11/32) ........................ 4
10 Nut, Hex (5/16-18) ..................... 6
11 Tie, Wire ............................. 1
12 SetScrew Wrench (5/32 inch) ............. 1
13 SetScrew Wrench (1/4 inch) .............. 1
14 Key, Switch ........................... 2
15 Nut, Stop ............................. 1
16 Pointer, Depth Gage ..................... 1
17 Shoe, Depth Gage ...................... 1
18 Screw, Thumb ......................... 1
4

motor specifications and eJectricaJ requirements
MOTOR SPECIFICATIONS
This drill press is designed to use a1725 RPM motor only.
Do not use any motor that runs faster than 1725 RPM.
It is wired for operation on 1t0-120 volts, 60 Hz.,
alternating current. IT MUST NOT BE CONVERTED TO
OPERATE ON 230 VOLTS, EVEN THOUGH THE
RECOMMENDED MOTORS ARE DUAL VOLTAGE.
THESE CRAFTSMAN MOTORS HAVE BEEN FOUND TO
BE ACCEPTABLE FOR USE ON THIS TOOL
HP RPM VOLTS CATALOG NO,
1/3 1725 !10-120 1250
1/2 1725 110-120 1254
1/2 1725 110-120 1255
3/4 1725 110-120 1256
CAUTION: Do not use blower or washing machine motors
or any motor with an automatic reset overload protector as
their use may be hazardous.
CONNECTING TO POWER SOURCE OUTLET
This machine must be grounded while in use to protect the
operator from electric shock.
Plug power cord into a 110-120V properly grounded type
outlet protected by a 15-amp. time delay or Circuit-Saver
fuse or circuit breaker.
IF YOU ARE NOT SURE THAT YOUR OUTLET IS
PROPERLY GROUNDED, HAVE IT CHECKED BY A
QUALIFIED ELECTRICIAN.
WARNING: DO NOT PERMIT FINGERS TO TOUCH
THE TERMINALS OF PLUGS WHEN INSTALLING OR
REMOVING THE PLUG TO OR FROM THE OUTLET,
WARNING: IF NOT PROPERLY GROUNDED THIS
POWER TOOL CAN iNCUR THE POTENTIAL HAZARD
OF ELECTRICAL SHOCK, PARTICULARLY WHEN
USED iN DAMP LOCATIONS, IN PROXIMITY TO
PLUMBING. IF AN ELECTRICAL SHOCK OCCURS
THERE IS THE POTENTIAL OF A SECONDARY
HAZARD SUCH AS YOUR HANDS CONTACTING THE
CUTTING TOOL.
If power cora Js worn or cut, or damaged in any way, have
it replaced immediately.
3-PRONG
PLUG
PROPERLY
GROUNDED
OUTLET
GROUNDING
PRONG
@
If your unit is for use on less than 150 volts, it has a plug
that looks like above.
This power tool is equipped with a 3-conductor cord and
grounding type plug which has a grounding prong, approved
by Underwriters' Laboratories and the C_nadian Standards
Association: The ground conductor has a green jacket and is
attached to the tool housing at one end and to the ground
prong in the attachment plug at the other end.
This plug requires a mating 3-conductor grounded type
outlet as shown.
If the outlet you are planning to use for this power toot is
of the two prong type DO NOT REMOVE OR ALTER
THE GROUNDING PRONG IN ANY MANNER. Use an
adapter as shown and always connect the grounding lug to
known ground.
It is recommended that you have a qualified electrician
replace the TWO prong outlet with a properly grounded
THREE prong outlet.
An adapter as shown below is available for connecting plugs
to 2-prong receptacles. The green grounding Jug extending
from the adapter must be connected to a permanent ground
such as to a properly grounded outlet box,
GROUNDING LUG
ADAPTER Y...... -7
I( '
-PRONG\ J, i% 'j._.__CONNECTEDTOA
PLUG \ KNO',"NGROUND
_ RECEPTACLE
NOTE: The adapter illustrated is for use only if you already
have a properly grounded 2-prong receptacle, Adapter is
not allowed in Canada by the Canadian Electrical Code.
The use of any extension cord will cause some loss of
power. To keep this to a minimum and to prevent
over-heating and motor burn-out, use the table below to
determine the minimum wire size (A.W.G.) extension cord.
Use only 3 wire extension cords which have 3 prong
grounding type plugs and 3-pote receptacles which accept
the tools plug.
Extension Cord Length Wire Size A,W,G.
Upto-lO0 Ft. 16
100-200 Ft. 14
200-400 Ft. 10
CHECK MOTOR ROTATION
WARNING: FOR YOUR OWN SAFETY, MAKE SURE
PLUG tS NOT CONNECTED TO POWER SOURCE
OUTLET. WHEN CHANGING MOTOR ROTATION.
The motor must rotate CLOCKWISE when viewed from the
shaft end to which you will mount the pulley.
If it does not, change the direction according to the
instructions furnished with the motor.

assembly
WARNING: FOR YOUR OWN SAFETY, NEVER
CONNECT PLUG TO POWER SOURCE OUTLET UNTIL
ALL ASSEMBLY STEPS ARE COMPLETED.
1. Unwind the power cord.
2. Make sure the quill lock handle is tight.
3. Stand on the left side of the drill pressand LOOSEN
the HEAD LOCK HANDLE.
4. Raise the HEAD about HALF WAY up the column.
CAUTION: THE HEAD WEIGHS ABOUT 70 POUNDS
DROPPING THE HEAD ACCIDENTLY COULD CAUSE
PERSONAL INJURY OR DAMAGE THE DRILL PRESS.
5. TIGHTEN the Head Lock Handle.
6. Position the HEAD-SUPPORT COLLAR underneath
the head and tighten the TWO BOLTS using a 1/2 in.
wrench.
HEAD
LOCK HAINDLE
I
HEAD SUPPORT
COLLAR QUILL L'OCK
HANDLE
SPINDLE
NOSE
PACKING BLOCK
IN ORDER TO RAISE THE HEAD TO A HIGHER
POSITION, IT WILL BE NECESSARY TO INSTALL
SEVERAL PARTS.
INSTALLING THE CHUCK
Clean out the TAPERED HOLE in the chuck; clean the
spindle nose with a clean cloth. Make sure there are no
foreign particles sticking to the surfaces. The slightest
piece of dirt on the spindle nose or in the chuck will
prevent the chuck from seating properly. This will cause
the drill to "wobble."
6

2. Apply a light film of oil such as Sears household oil to
the spindle nose.
3. Place the chuck on the spindle nose and screw the
locking collar up as far as it will go. CHUCK
4.
5.
Insert a piece of 5/16 in. dia. STEEL ROD in to one of
the holes in the chuck body.
Insert the CHUCK KEY into one of the holes in the
collar ...TURN IT IN THE DIRECTION OF ARROW
UNTIL IT IS TIGHT.
6. To remove chuck, turn the collar in the opposite
direction until the chuck is ejected from the spindle.
LOCKING
COLLAR
\
CHUCK KEY
BODY
!CHUCK SLEEVE
5/16 IN. ROD
OR DRILL
iNSTALLING FEED HANDLES
1. Screw a FEED HANDLE into each of the threaded
holes in the hub, and tighten.
FEED
HANDLE

assembly
INSTALLING THE DEPTH STOP
1. Screw the THUMB SCREW partways into the DEPTH
POINTER.
2. Place the DEPTH POINTER SHOE inside the pointer.
3. Loosen QUILL LOCK HANDLE ... lower the quill
about two inches.
4.
5.
6.
Slide the pointer and shoe onto the FEED STOP ROD
and tighten the thumb screw. Make sure the pointer is
positioned as shown.
Screw the FEED STOP NUT onto the top of the feed
stop rod.
Move the pointer upwards against the nut and tighten
the thumb screvv.
7. Tighten QU_LL LOCi< HANE_LE.
DEPTH
POINTER
DEPTH
STOP SCREW
SHOE
QUILL LOCK
HANDLE
FEED STOP
ROD
TABLE LOCK HANDLE
(RIGHT HAND SIDE)
RAISING THE HEAD
-1.
Z
3.
4.
5.
6.
7.
8.
Loosen the TABLE LOCK HANDLE.
Place a piece of WOOD on the table. USE THE packing
block.
Turn the CHUCK SLEEVE until the jaws are all the
way up inside the chuck.
Raise the table until the wood block touches the chuck
body.
Tighten the Table Lock Handle.
Locate the two clamps and bolts that you removed
from the paper tube when you first started unpacking
your drill press.
These parts make up the TABLE SUPPORT COLLAR.
Position the TABLE SUPPORT COLLAR underneath
the table and tighten the bolts.
Loosen the HEAD LOCK HANDLE.
Loosen the QUILL LOCK HAND LE.
HEAD
LOCK HANDLE
TABLE SUPPORT
COLLAR
QUILL LOCK
HANDLE
PIECE OF
WOOD

9.GentlypushdownontheFEEDHANDLESuntilthe
headraisesupwardsasfarasit willgo.
DONOTRELEASEFEEDHANDLE.
10,TIGHTENTHEHEADLOCKHANDLEANDTHE
QUILLLOCKHANDLE.
11.HOLDontotheFeedHandleandUNLOCKthequill
lockhandle.
12.LetthequillreturntotheUPpositioninthehead,
13.TIGHTENTHEQUILLLOCKHANDLE.
Repeatsteps3 thru 10until theheadis raisedto the
desiredposition.PositionHEADSUPPORTCOLLAR
underneaththeheadandtightenthebolts.
HEAD
LOCK
HANDLE
LOCK
HANDLE
CAUTION:Donot raise the head above the top of the
coBumn.
HEAD EVEN
WITH TOP
OF COLUMN
SUPPORT
COLLAR
INSTALLING MOTOR PULLEY
When using a double shaft motor, remove the KEY from
the 5/8 in. dia, shaft.
2,
3_
Using a 5/32 in. setscrew wrench, UNSCREW the
setscrew in the pulley so that it is clear of the
KEYWAY (GROOVE).
Place the pulley on the shaft. Make sure it slips on
EASILY ... don't FORCE it. Remove any burrs in the
pulley or on the shaft if any.
Position the pulley so that the KEYWAYS in the shaft
and in the pulley line up; and the small end of the
pulley is about 1/16 of an inch away from the motor,

assembly
4.
5,
NOTE: When using motors which have 1/2 in. dia.
shafts, place the adapter sleeve (furnished with the
motor) on the shaft so that the slot in the sleeve is over
the flat spot.
Insert the shaft key (furnished with motor) into the
grooves in the shaft and pulley so that the end of the
key is even with the end of the shaft,
Tighten the set screw. Use a pair of pliers on the short
end of the set screw wrench for increasedleverage. 1/2 IN. DIA.
MOTOR SHAFT
3/16 x 3/16 KEY
I
ii
II
I
FLAT SPOT
SLEEVE
MOUNTING THE MOTOR
1. Position the motor mount as shown and place the
motor on top of it.
2, Find four 5/16 in.--18 x 3/4 in. CARRIAGE BOLTS,
flat washersand hex. nuts. among the loose parts.
3/4 IN.
3. Insert the bolts as shown .,. install washers . .. screw
on nuts but DON'T TIGHTEN them.
BOLT
4. Using a 5/32 inch set screw wrench unscrew the PIVOT
screwsas shown.
Oplvosc :Ew
I0

5, Remove the belt guard by "pushing in" on the two
"'links".
6. Place motor on drill press ... screw the pivot screws
into the holes.
NOTE: DO NOT SCREW THEM IN TOO TIGHT ...
EXCESSIVE TIGHTNESS COULD BEND THE
MOTOR MOUNT.
i
7. Find two 5/16 in-18 hex. nuts among the loose parts
.., screw them on to the pivot screws ... tighten
them with a 1/2 in. wrench while preventing the pivot
screws from turning.
8. Plug motor cord into outlet inside of dirll press.
9. Find the plastic CORD TIE among the loose parts ...
insert the pointed end into the hole in the motor
mount.
10, Gather up the slack in the motor cord ... wrap the
CORD TIE around it. •. insert one end of the TIE into
the hole in the other end. Pull it tightly to secure the
cord to the motor mount.
CAUTION: If you are using aDOUBLE SHAFT motor.
Make sure the SHAFT PROTECTOR is installed. NEVER
USE THE DRILL PRESS WITH THE UNUSED SHAFT
EXPOSED.
CORD TIE

assembJy
iNSTALLING AND TENSIONING BELT
1. Place a straightedge such as a piece of wood, metal or
framing square across the pulleys.
2. Move the motor UPWARDS until the pulleys are IN
LINE ... tighten the motor mounting nuts with a ½ in.
wrench.
3. Place the belt on the pulleys.
4. Put a dab of grease such as Sears gearcaselubricant on
the rubber tip of the BELT TENSIONING ROD.
5. Loosen HEX HEAD SCREW with a7/16 in. wrench
... position BELT TENSIONING ROD as shown.
BELT TENSIONING ROD
MOTOR
MOTOR
MOUNT
6. Push the motor to the right with moderate pressure
while pushing THE BELT TENSIONING rod against
the motor mount ... TIGHTEN the HEX SCREW. _/-_"
/
7. Replace the beltguard.
getting to know your driJJ press
WARNING: FOR YOUR OWN SAFETY TURN
SWITCH "OFF" AND REMOVE PLUG FROM
POWER SOURCE OUTLET BEFORE MAKING
ANY ADJUSTMENTS. 4
BELT TENSION ROD ... maintains constant
tension on the belt, TO RELEASE belt tension for
changing speeds, push the GRIP of the rod up.
2
To APPLY belt tension, PUSH the MOTOR to the
REAR while pulling DOWN on the GRIP of the rod.
Belt should only be tight enough so that it does not
slip. If belt slips while drilling, readjust belt
tensioning rod
FEED HANDLES ... are for moving the quill up or
down. One or two may be removed if necessary
whenever the workpiece is of such unusual shape that
it interferes with the handles.
5
6
Although there is arubber cushion between the
FEED STOP COLLAR and the head, NEVER let go
of the feed handles when you have finished drilling a
hole.
Hole on to the handle while allowing the quill to
return to the UP position.
3DRILLING SPEED ... Can be changed by placing
the belt in any of the STEPS (grooves) in the pulleys.
See Spindle Speedchart on right sideof Head.
To determine the approximate drilling speed, refer to
the table on the RIGHT side of the drill press head.
For example to drill a 5/8 inch hole in wood, the belt
7
8
is placed in the FOURTH step from the top. The
speed will then be 2300 RPM (revolutions per
minute).
QUILL LOCK ... Holds the quill at any desired
point within its travel.
To lock the quill requires only moderate pressure on
the lock handle.
HEAD LOCK HANDLE ... locks the head to the
column. ALWAYS have it locked in place while
operating the drill press.
HEAD SUPPORT COLLAR ... prevents the head
from dropping when the head lock handle is
loosened.
ALWAYS have the collar LOCKED into position
against the UNDERSIDE of the head.
TABLELOCK HANDLE ... locks the table to the
column. ALWAYS have it locked in place while
operating the drill press.
ALWAYS hold the table while unlocking it.
TABLE SUPPORT COLLAR ... Prevents the table
from accidently dropping all the way to the bottom
when the table lock handle is loosened.
ALWAYS have the collar LOCKED into position
approximately 34 in. from the floor for average
drilling operations.
12

getting tO kr ow
SPLINES
(GROOVES)
SPINDLE
QUILL _ RACK
(TEETH)
CHUCK __-_ CHUCK
KEY _
QUILL AND SPINDLE ASSEMBLY
INSIDE OF DRILL PRESS
SPINDLE SPEED CHART
9CHUCK KEY ... is used to tighten or loosen the
chuck. It has a spring loaded EJECTOR pin to "pop'"
it out of the chuck when you let go of it. When not in
use, ALWAYS store the key in the hole in the table.
10 CHUCK LOCKING COLLAR ... draws the chuck
onto the spindle nose.
it prevents the chuck from coming loose during
operation. ALWAYS have the collar tightened.
11"ON-OFF" SWITCH for drill has locking feature.
THIS SHOULD PREVENT UNAUTHORIZED AND
POSSIBLY HAZARDOUS USE BY CHILDREN
AND OTHERS.
Insert KEY into switch. NOTE: Key is made of
yellow plastic.
t3

getting to know your drill press
To turn drill ON ..
Insert finger under switch lever and pull.
TO turn drill OFF ... Push lever in.
In an emergency; ...thedrill bit BINDS ...STALLS ..
STOPS . .. or tends to tear the workpiece loose . .. you
can QUICKLY turn the drill OFF by hitting the switch
with the palm of your hand.
TO lock switch in OFF position ... hold switch IN with
one hand ... REMOVE key with other hand.
WARNING: FOR YOUR OWN SAFETY, ALWAYS LOCK
THE SWITCH "OFF" WHEN DRILL PRESS IS NOT IN
USE ... REMOVE KEY AND KEEP IT IN A SAFE
PLACE ... ALSO ... IN THE EVENT OF A POWER
FAILURE (ALL OF YOUR LIGHTS GO OUT) TURN
SWITCH OFF ... LOCK IT AND REMOVE THE KEY.
THIS WILL PREVENT THE DRILL PRESS FROM
STARTING UP AGAIN WHEN THE POWER COMES
BACK ON.
IHOLD
f
J
_2 REMOVING THE CHUCK.
7.
2=
Insert a piece of 5/16 in. dia. steel rod in one of
the holes in the chuck body.
Insert the CHUCK KEY into one of the holes in
the collar ,., turn it in the direction of arrow
until LOOSE. Continue to turn it until the chuck
is released.
LOCKING
COLLAR
CHUCK KEY CHUCK SLEEVE
IN. ROD
OR DRILL
\
14

_{_ The DEPTH POINTER is locked in place with the
THUMBSCREW.
!_ LFEED STOP NUT limits the downward movement of
the quill at any desired point within its travel, and
prevents the pointer from moving upward.
DR! LLING TO DEPTH
To drill a BLIND hole (not all the way through) to a given
depth, can be done two ways.
1. Mark the depth of the hole on the side of the
workpiece.
2. With the switch OFF bring the drill down until the TIP
or lips are even with the MARK ... LOCK the QUILL.
3. Move the POINTER all the way down and tighten the
thumb screw.
4. Tighten the STOP NUT against the pointer.
5. Unlock the quill.
6. Feed the drill into the workpiece until it is stopped by
the pointer.
J
_5 ANOTHER WAY--
1. With the switch OFF, bring the drill down until
the TIP touches the TOP of the WORKPIECE
•.. lock the quill.
2. Set the POINTE R to the desired DEPTH ... lock
it and TIGHTEN the STOP NUT against it. For
example ... if you want to drill a hole one inch
deep ... set the pointer at the one inch mark in
the scale.
' I
TIP TOUCHES
WORKPIEC_
basic drill press operation
We recommend the following instructions for operating
your drill press so that you get the best results and to
minimize the likelihood of personal injury. 3.
WARNING: FOR YOUR OWN SAFETY, ALWAYS
OBSERVE THE FOLLOWING SAFETY PRECAUTIONS. 4.
properly and that the cutting tool is not causing
excessive vibration.
1. Check spindle speed
2. Before operating, turn the switch "on" then "off" to
make sure that the cutting tool is centered in the chuck
Never perform any operation freehand (hand-hold{ng
workpiece rather than supporting it on table) except
when wire brushing or polishing.
Keep your hands clear of the cutting tool (drill, shaper
cutter or router bit).
5. Make sure quill is locked securely when _haping,
routing, dovetailing, wirebrushing, polishing s_ndh',,_ or
surface planing,
_5

basic drill press operation
INSTALLING DRILLS
Insert drill into chuck far enough to obtain maximum
GRIPPING of the CHUCK JAWS ... the jaws are appox. 1
in. long. When using a small drill do not insert it so far that
the jaws touch the flutes (spiral grooves) of the drill.
Make sure that the drill is CENTERED in the chuck before
tightening the chuck with the key.
Tighten the drill sufficiently, so that it does not SLIP while
drilling.
POSITIONING TABLE AND WORKPIECE
Lock the table to the column in a position so that the tip of
the drill is just a little above the top of the workpiece. It is
not necessary to reposition the TABLE SUPPORT
COLLAR each time you reposition the table. Always keep
the collar locked about 34 in. from the floor.
Always place a piece of BACK-UP MATERIAL (wood,
plywood ...) on the table underneath the workpiece. This
will prevent "splintering" or making a heavy burr on the
underside of the workpiece as the drill breaks through.
Position workpiece to butt against the column whenever
possible - if it is too short, clamp solidly to the Table -
this is to prevent the drill bit from grabbing the work from
your hands, which could result in personal injury. A drill
press vise must be fastened to the table.
CAUTION: To prevent the workpiece or the back-up
material from being torn from your hand while drilling,
position them against the left side of the column. Failure to
do this could result in personal injury.
CAUTION: If the workpiece or the back-up material are
not long enough to reach the column, CLAMP them to the
QUILLHANLO _
VCORKPIECE
table. Failure to do this could result in personal injury.
For small pieces that cannot be clamped to the table, use a WORKPIECE
drill press vise (Optional accessory), The vise must be "\
clamped or bolted to the table. \
DRILL PRESS
VISE
HOLE LOCATION
Make a DENT in the workpiece where you want the hole
... using a CENTER PUNCH or a SHARP NAI L.
Before turning the switch ON, bring the drill down to the
workpiece lining it up with the hole location.
FEEDING
allow the drill to cut.
Feeding TOO SLOWLY might cause the drill to burn ..,
Feeding TOO RAPIDLY might stop the motor .., cause
the belt or drill to SLIP ... tear the workpiece LOOSE
from your hand or BREAK the drill bit.
When drilling metal use Sears Thread-cutting oil
Pull down on the feed handles with only enough effort to
16

diustments
WARNeNG: FOR YOUR OWN SAFETY TURN SWITCH
"OFF" AND REMOVE PLUG FROM POWER SOURCE
OUTLET BEFORE MAKING ANY ADJUSTMENTS.
DEPTH SCALE
When the quill is in the UPPERMOST position, the top
SURFACE OF THE FEED STOP POINTER should be in
line with "0" graduation on the DEPTH SCALE.
If it is not ... LOOSEN both mounting screws and
reposition the scale.
QUILL RETURN SPRING
If the quill does not return to its UPPERMOST position
when the quill !ock is UNLOCKED ,.. or if the return
action is SLUGGISH ... the SPRING TENSION must be
increased.
1. Move DEPTH POINTER to uppermost position and
lock it in place.
2. Lock the quill in the uppermost position.
3. GRASP the HUB ... pull it straight out until it is free
to turn.
4. Rotate hub TOWARD you about 1/4 turn and PUSH it
back in place. This will WIND UP the spring.
5. Unlock quill °.. check tension ... if more is required,
repeat steps 2, 3, 4, and 5.
U
QUILL RETURN SPRING
HUB
t
,FEED
TABLE LOCK HANDLE
HANDLE
TABLE AND HEAD LOCK HANDLES
The lock handles can be adjusted to make them more
convenient to operate.
t. Make sure the support collar is locked in position below
the table or the head.
2. Unscrew the lock handle and push the barrel lock out
of the hole.
3. Rotate the barrel lock 180 ° ,replace it in the hole and
screw in the handle.
NOTE: The HEADLOCK HANDLE is located on the LEFT
side of the head.
TABLE LOCK
HANDLE
BARREL LOCK
BELT TENSION
Refer to section "Getting To Know Your Driit Press" . ..
BELT TENSIONING ROD.
QUILL BEARING ADJUSTMENT
The front of the head is "Split" which permits an
adjustment to be made as the quill and the quill bearing
surfaces inside of the head become worn after an extended
period of use. The front of the head can be SQUEEZED
together or SPREAD apart by adjusting three screws.
1. TIGHTEN quill lock handle.
2. LOOSEN setscrew "A" using a 5/32 in. setscrew
wrench.
3, Rotating the eccentric BUSHING "B" in either
direction will move the pinion shaft TOWARD or
AWAY from the quill.
With a large pair of pliers, rotate bushing so that pinion
shaft moves AWAY from quill.
4. LOOSEN quill lock handte.
!7
QUILL
LOCK
HANDLE ECCENTRIC BUSHING "Bi'
FIBER WASHER
SPLIT
SET SCREW "A"

adiustments
5. LOOSEN all three screws "C", "D", and "E'" four turns
using 1/4 in. setscrew wrench.
NOTE: TIGHTENING BOTH SCREWS "C'" AND "E'"
SQUEEZES HEAD TOGETHER ... TIGHTENING
SCREW "'D" SPREADS IT APART.
a. IF QUILL ISTOOTIGHT
(1) TIGHTEN screw "D" until quill is free to move
up and down.
(2) Extend quill halfway down ... TIGHTEN
screw "E" until quill is LOCKED.
(3) Carefully LOOSEN screw "E" until quill is free.
(4) TIGHTEN screw "'C'" only enough so that it
does not lock the quill ... quill must move up
and down freely.
(5) Re-adjust pinion backlash (See Pinion Backlash
Adjustment).
b. IF QUILL ISTOO LOOSE
(1) Extend quill halfway down ... TIGHTEN
screw "'E" until quill is locked.
COLUMN
LOCK
SCREW
SCREW "E"
I
PINION BACKLASH ADJUSTMENT
Rotating the ECCENTRIC BUSHING in either direction
will move the pinion shaft TOWARD or AWAY from the
quill.
1. LOOSEN setscrew "A "°using 5/32 in. setscrew wrench.
2. With a large pair of pliers, rotate bushing so that pinion
revolves freely with no "clicking" sound.
3. TIGHTEN setscrew.
AUTOMATIC FEED RETURN ADJUSTMENT
If, after adjusting quill bearing and pinion backlash, the
automatic feed return fails to return the quill to the top of
its stroke, or if the action is sluggish,the feed return can be
adjustedasfollows:
1. Lock the quill at the top of its stroke with the quill
lock handle.
2. Pull hub straight out until you can rotate it.
(2) Carefully LOOSEN screw "E" until quill is free,
(3) TIGHTEN screw "C" only enough so that it
does not lock the quill ... quill must move up
and down freely.
(4) Screw in remaining screw "D" all the way ,..
tighten it lightly.
(5) Re-adjust pinion backlash (See Pinion Backlash
Adjustment).
IC BUSHI NG
3. Rotate counterclockwise approximately 1/2 turn ...
push it back in place.
maintenance
WARNING: FOR YOUR OWN SAFETY, TURN SWITCH
"OFF" AND REMOVE PLUG FROM POWER SOURCE
OUTLET BEFORE MAINTAINING OR LUBRICATING
YOUR DRILL PRESS.
Frequently blow out any dust that may accumulate inside
the motor.
Acoat of automobile-type wax applied to the table and
column will help to keep the surfaces clean.
If the power cord is worn or cut, or damaged in any way,
have it replaced immediately.
For motor maintenance, follow instructions furnished with
motor.
4. Loosen quill and check tension. If more is required,
repeat steps 2 & 3 above.
lubrication
All of the BALL BEARINGS are packed with grease at the
factory. They require no further lubrication.
Periodically lubricate the SPLINES (grooves)in the spindle
and the RACK (teeth on the quill).
USE Sears Gear Case Lubricant.
1. Lower quill and spindle all the way down . .. LOCK
the quill.
2. Use a small stick of wood and apply lubricant around
the inside of the hole in the spindle pulley.
3. Apply lubricant to RACK (teeth) on quill extending
below drill press head.
For motors lubrication, follow instructions furnished with
motor.
18

trouble shooting
WARNING: FOR YOUR OWN SAFETY, TURN SWITCH "OFF" AND ALWAYS REMOVE PLUG FROM POWER SOURCE
OUTLET BEFORE TROUBLE SHOOTaNG.
TROUBLE
Noisy Operation
Drill Burns.
Drill leads off... I
hole not round. t
Wood splinters on
underside.
Workpiece torn
loose from hand.
Drill Binds in
workpiece.
Excessive drill
runout or wobble.
PROBABLE CAUSE
1. incorrect belt tension
2. Dry Spindle
3. Loose spindle pulley
or motor pulley.
1. Incorrect speed
2. Chips not coming out
of hole.
3. Dull Drill
4. Feeding too slow,
5, Not lubricated.
6. Drill running backwards.
1. Hard grain in wood or
lengths of cutting
lips and/or angles
not equal.
1. No "back-up material"
under workpiece.
1. Not supported or
clamped properly.
1. Workpiece pinching drill
or excessive feed
pressure.
2. Improper belt tension,
1, Bent drill.
2, Worn spindte bearings.
3. Drill not properly
installed in chuck.
4. Chuck not properly installed.
REMEDY
1. Adjust tension. See section "Getting To Know
Your Drill Press"...BELT TENSIONING ROD.
2. Lubricate spindle. See "Lubrication" section.
3. Tighten setscrews in pulleys.
1.
2.
3.
4.
5.
6.
Change speed. See section "Getting To Know
Your Drill Press"... DRILLING SPEED.
Retract drill frequently to clear chips.
Reshapen drill.
Feed fast enough...allow drill to cut.
Lubricate drill. See "Basic Dritl Press
Operation" section.
Check motor rotation. See "Motor Specifications
and Electrical Requirements" section.
1. Resharpen drill correctly.
1. Use "back-up material"...See Basic Drill
Press Operation" section,
!, Support workpiece or clamp it...See-"Basic
Drill Press Operation" section.
1. Support workpiece or clamp it...See "Basic
Drill Press Operation" section.
2. Adjust tension,..See section "Getting to Know
Your Drill Press"...BELT TENSION ROD.
1. Use a straight drill.
2. Replace bearings.
3. Install drill properly...See "Basic Drill
Press Operation" section.
4. Install chuck properly...refer to "Unpacking
and Assembly Instructions"...INSTALLING THE
CHUCK.
' I I1' r'' I iii
recommended accessories
Drills, Shaper Cutters, Router Bits ......... See Catalog
Rotary Planer ............................. 9-2745
Mortising Chisel Housing .................... 9-2465
Hollow Chisels and Mortising Bits .......... See Catalog
Dovetailing Attachment ..................... 9- 2462
Shaper Fence Attachment ................... 9-2487
Hold-Down and Guide ...................... 9-2457
Drill Press Vises ....................... See Catalog
Rotary Table ............................. 9-2495
Tilt Table ................................ 9-243g
Cotlet Chuck ............................. 9-24672
Shaper Cutter Adapter ..................... 9-24832
Sanding Drum ...................... 9-2497 - 9-2498
Hole Saws up to 21/= in. dia ............... See Catalog
Wire Wheels up to 4 in, dia, max ........... See Catalog
Buffing Wheels up to 4 in. dia. max ......... See Catalog
Polishing Wheel, 1W'x 1 tn .................. 9-64991
Column Collar ............................ 9-2438
The recommended accessories listed here are current and
were available at the time this manual was pr;nted.
79

6O
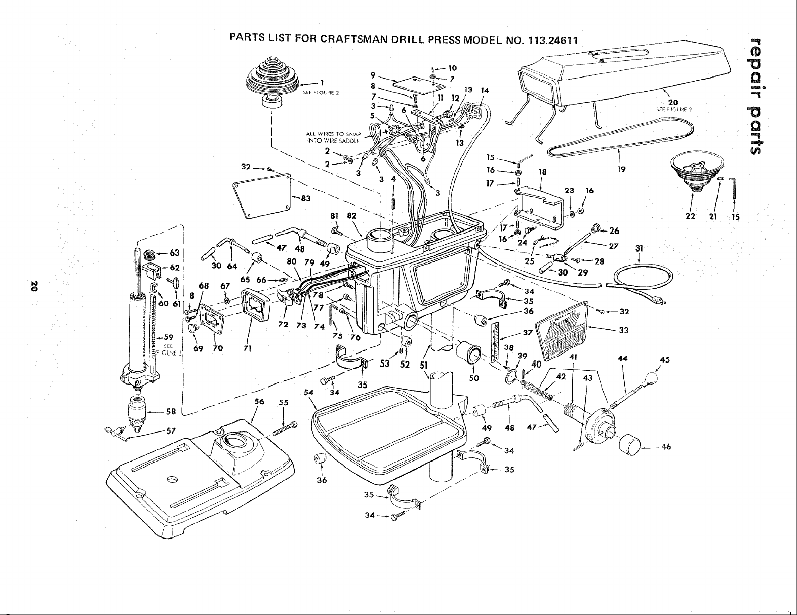
PARTS LIST FOR CRAFTSMAN DRILL PRESS MODEL NO. 113.2461!
68
30 64
T_IO
1813 14
SEE FIGURE 2 11 12
I
J ALL WIRES TO SNAP
INTO WIRE SADDLE
_\ I--.83 _.
81 82
//_ 80 79
65
3
36
2O
SEE FIGURE 2
22 21 15
27
(!)
Q
mmll €)
"0
i i _

Key
No.
1
2
3
4
5
6
7
8
9
10
11
12
13
14
15
16
17
18
19
20
21
22
23
24
25
26
27
78
79
:0
7
2
3
4
5
6
7
8
9
0
1
2
3
4
Part
No.
70197
STD 541110
71046
STD 571812
71163
STD 551210
STD 551208
STD 600605
71092
STD 610805
71170
37818
STD 601103
71056
37837
STD 541031
STD 503105
71164
71138
9411963
71065
STD 551031
STD 533107
71165
71152
71153
60226
71151
60311
71166
145372
71106
STD 523115
71050
38626
71098
STD 600603
38452
60193
71108
71109
60197
71139
PARTS LIST FOR CRAFTSMAN DRILL PRESS MODEL NO, 113.24611
Always orderby Part Number- not by Key Number
FIGURE PARTS LIST
Description
Pulley Assembly (See figure 2)
*Nut, Hex 10-32
Connector, Wire 14-18
*Pin, Rol! 3/16 x 1-1/4
Saddle, Wire
*Lockwasher, Internal No. 10
Lockwasher, Internal No. 8
*Screw, Type 23 Pan Hd. 6-32 x 1/2
Plate, Rear Cover
*Screw, Type A Pan SI. No. 8 x 1/2
Bracket
Relief, Strain
*Screw, Type 23 Pan SI. 10-32 x 3/8
Outlet
Wrench, Hex "L" 5/32
*Nut, Hex 5/16-18
*Screw, Set Cone Pt., 5/16-18 x 1-!/4
Mount, Motor
Belt, V
Guard Assembly (See Figure 2)
*Screw, Set Soc. Cup Pt. 5/16-t8 x 1/2
Pulley, Motor
*Washer, 11/32
*Bolt, Carriage, 5/16-18 x 3/4
Tie, Wire
Tip, Adjusting Rod
Rod, Adjusting
Screw, Adjusting Rod
Clamp,AdjustingRod
Grip
Cord with Plug
*Screw, Drive Rd. Hd. No. 4 x 1/4
Panel, R.H. Trim
*Screw, Mach. Hex Hd. 5/16-18 x 1-1/2
Collar
Lock, Barrel
Scale, Depth
*Screw, Type 23 Pan Hd. 6-32 x 3/8
Washer, Fiber
*Pin, Roll 3/16 x 2-1/4
Hub Assembly (Includes Key Nos. 42 & 43)
Spring
Pin, Roll 1/4 x 1-1/8
Rod
f
Key
No,
45
46
47
48
49
5O
51
52
53
54
55
56
57
58
59
6O
61
62
63
64
65
66
67
68
69
7O
71
72
73
74
75
76
77
78
79
8O
81
82
83
Part
No. Description
38546
71110
60263
60265
38627
71111
71136
38631
138666
71113
STD 525025
71101
71157
38623
71158
71149
60191
71140
71082
71161
38632
63467
318595
448003
60256
71156
71119
60267
60275
60274
30505
9421626
138222
138225
60276
60277
132124
71121
71107
71176
71177
Knob
Cap
Grip
Handle, Lock
Lock, Barrel
Bearing, Eccentric
Tube, Column
Lock, Barrel
*Screw, Set, Hex Soc., Cup Pt,,
5/16-18 x 5/16
Table
Bolt, Hex Hd. 1/2-13 x 2-1/2
Base
Key, Drill Chuck
Chuck, Drill (Includes Key No. 57)
Spindle Ass'y, Stop (See Figure 3)
Shoe, Depth Gage
Screw, Thumb
Pointer, Depth Gage
Nut, Stop
Handle
Lock, Barrel
Cap, Insu!ator
Lockwasher, Int. C'Sink No. 8
Screw, Type 23, Pan Hd, S}ot, 6-32 x 3/8
Key, Switch
Cover, Switch Plate
Plate, Switch Mounting
Switch
Lead,Black(SmallTerminal)
Lead, White (Small Terminal}
Wrench, Hex "L" (1/4)
Screw, Hex Soc. Hd., 5/16-18 x I-I/2
Screw, Hex Soc. Hd., 5/16-18 x 1
Screw, Hex Soc. Hal., 5/16.18 x 1-3/4
Lead, White (Large Terminal)
Lead, Black (Large Terminal)
*Screw Fil. Hd. 10-32 x 3/4
Head, Drill Press
(Includes Key Nos. 8! & 77)
Panel, L.H. Trim
Owners Manual (Not Illustrated)
Bag Assembly, Loose Parts (Not Illustrated)
*Standard Hardware Item - Ma, be Purchased Locally,

PARTS LIST FOR CRAFTSMAN COMMERCIAL DRILL PRESS
S MODEL No. 113.24611
..
__ FIGURE 2 PARTS LIST
Key Part
No. No.
,_,r =
71128
12 \ 144987
471069
5 STD 610807
13 6 60158
7 71071
8 71070
71162
1_] 71072
14 11 71097
12 60227
13 71089
11_ 14 71090
15 STD 315253
15---"--_ 16 71091
16.------_ 17 18414
__._. _Figure 2
T5
Description
*Screw,Type 23, Pan Hd., 4-40 x 3/16
Panel, Front Guard
Screw, Type B, Flat Hd., No. 10× 1/2
Guard
*Screw, Type B, Pan Hd., No. 8 x 3/4
Washer, 13/64 x 9/16 x 3/G4
Clamp
Link, Rear
Clamp
Link, Front
Pulley Assembly, Spindle
Screw, Nylock Set, 5/16-18 x 1/2
Pulley, Spindle
Insert, Pulley
Bearing, Ball
Spacer
Ring, Retaining, 15/16
*Standard Hardware Item - May be Purchased Locally.
"=!
"O
Q
Bm=e
=O
Q
t_

/
/
/
/
t
PARTS LIST FOR CRAFTSMAN COMMERCIAL DRILL PRESS
MODEL No. 113.24611
/
/
/
,/
/
/
1,
/
/
/
/
/
10---_
11
/
FIGURE 3 -- 71158 SPINDLE ASM. STOP PARTS LIST
Key Part
No. No.
1
2
3
4
5
6
7
8
9
10
11
71158
60278
71127
71159
60199
60200
71126
71124
138222
STD 541237
71078
71160
Description
Spindle Assembly, Stop
Ring, Retaining, 5/8
Bearing, Ball
Tube, Quill
Gasket, Quill
Ring, Retaining
Nut, Spindle Bearing
Collar, Feed Stop
*Screw, Hex Soc.Cap, 5/16-18 x 1
*Nut, Hex, Jam., 3/8-18
Rod, Depth Stop
Spindle Assembly
*Standard Hardware Item -May be Purchased Locally:

Sears
SERVICE
MODEL NO.
113.24611
HOW' TO ORDER
REPAIR PARTS
COMMERCIAL
15-1/2 INCH DRILL PRESS
Now that you have purchased your drill press, should a need
ever exist for repair parts or service, simply contact any Sears
Service Center and most Sears, Roebuck and Co. stores. Be sure
to provide all pertinent facts when you call or visit.
The model number of your drill press will be found on a plate
attached to the rear of the head.
WHEN ORDERING REPAIR PARTS, ALWAYS GIVE THE
FOLLOWING INFORMATION
PART NUMBER
MODEL NUMBER
113.24611
PART DESCRIPTION
NAME OF ITEM
15-1/2 INCH COMMERCIAL
DRILL PRESS
All parts listed may be ordered from any Sears Service Center
and most Sears stores. If the parts you need are not stocked
locally, your order will be electronically transmitted to a Sears
Repair Parts Distribution Center for handling.
Sold by SEARS, ROEBUCK AND CO., Chicago, tL. 60684 U.S.A.
Part No. 71176 Form No. SP4! 29-5 Printed in U.S.A. 4/78