Sears 536 884811 Users Manual
536.884811 to the manual e8af78ab-3983-4b05-8879-be4776732bac
2015-02-05
: Sears Sears-536-884811-Users-Manual-399500 sears-536-884811-users-manual-399500 sears pdf
Open the PDF directly: View PDF
.
Page Count: 42

OWNER'S
MANUAL
MODEL NO=
536.884811
Caution'.
Read and Follow
all Safety Rules
and Instructions
Before Operating
This Equipment
CRAFI" SMAH®
5 HORSEPOWER
23" DUAL STAGE
TRAC=PLUS
OPTIONAL ELECTRIC START
SNOW THROWER
•Assembly
°Operation
•Maintenance
°Service and Adjustments
°Repair Parts
ROEBUCK AND Co., Chicago, IL. 60684 U.S.A.
SEARS,

SAFETY RULES
CAUTION: ALWAYS DISCONNECT SPARK PLUG WIRE AND A
PLACE WIRE WHERE IT CANNOT CONTACT SPARK PLUG TO
PREVENT ACCIDENTAL STARTING WHEN SETTING-UP,
TRANSPORTING, ADJUSTING OR MAKING REPAIRS.
IMPORTANT
SAFETY STANDARDS REQUIRE OPERATOR PRESENCE CONTROLS TO MINIMIZE
THE RISK OF INJURY. YOUR SNOW THROWER IS EQUIPPED WITH SUCH CONTROLS.
DO NOT ATTEMPT TO DEFEAT THE FUNCTION OF THE OPERATOR PRESENCE
CONTROL UNDER ANY CIRCUMSTANCES.
BEFORE USE
• Read the owner's manual carefully. Be thor-
oughly familiar with the controls and the proper
use of the snow thrower. Know how to stop the
snow thrower and disengage the controts
quickly°
• Do not operate the snow thrower without wear-
ing adequate winter outer garments. Wear
footwear that will improve footing on slippery
surfaces.
• Keep the area of operation clear of all persons,
particularly small children, and pets.
= Thoroughly inspect the area where the snow
thrower is to be used and remove all doormats,
sleds, boards, wires, and other foreign objects.
• Use extension cords and receptacles as speci-
fied by the manufacturer for all snow throwers
with electric drive motors or electric starting
motors.
• Use only attachments and accessories ap-
proved by the manufacturer of the Snowthrower
(such as tire chains, electric start kits, etc.,)
• Never operate the snow thrower without good
visibility ortight. Always be sure of your footing,
and keep a firm hold on the handles° Walk;
never run.
• This snow thrower is for use on sidewalks,
driveways, and other ground level surfaces.
CAUTION should be exercised while using on
steep sloping surfaces. DO NOT USE SNOW
THROWER ON SURFACES ABOVE
GROUND LEVEL such as roofs of residences,
garages, porches or other such structures or
buildings.
= Check shear bolts and other bolts at frequent
intervals for proper tightness to be sure the
snow thrower is in safe working condition_
• Disengage all clutches and shift into neutral
before starting the engine.,
= Adjust the snow thrower height to clear gravel
or crushed rock surface.
• Let engine and snow thrower adjust to outdoor
temperatures before starting to clear snow.
FUEL SAFETY
• Handle fuef with care; it is highly flammable.
• Use an approved fuel container.
• Check fuel supply before each use, allowing
space for expansion as the heat of the engine
and/or sun can cause fuel to expand.
• Fillfueltankoutdoorswith extreme care. Never
fill fuel tank indoors.
• Replace fuel tank cap securely and wipe up
spilled fuel.
• Never remove fuel tank cap or add fuel to a
running engine or hot engine.,
• Never store fuel or snow thrower with fuel in the
tank inside of a building where fumes may
reach an open flame or spark°
OPERATING SAFETY
• Never allow children or young teenagers to
operate the snow thrower and keep them away
while it is operating. Never allow adults to
operate the snow thrower without proper' in-
struction. Do not carry passengers_
• Always wear safety glasses or eye shields
during operation orwhile performing an adjust-
ment or repair to protect eyes from foreign
objects that may be thrown from the snow
thrower.
• Exercise extrerne caution when operating on
or crossing gravel drives, walks, or roads. Stay
alert for hidden hazards or traffic.
• Do not put hands or feet near or under rotating
parts. Keep clear of the discharge opening at
all times.
• Exercise caution to avoid slipping or falling, es-
pecially when operating in reverse°
• Do not clear snow across the face of slopes.
Exercise caution when changing direction on
slopes. Do not attempt to clear steep slopes.
• Never operatethe snowthrowerwithout proper
guards, plates or other safety protective de-
vices in place.
2

SAFETY RULES
o Never operate the snow thrower near glass en-
closures, automobiles, window wells, drop-
offs, and the like without proper adjustment of
the snow discharge angle. Keep children and
pets away.
® Never operate the snow thrower at high trans-
port speeds on slippery surfaces. Look behind
and use care when backing.
o Never direct discharge at bystanders or allow
anyone in front of the snow thrower°
e Do not run the engine indoors, except when
starting the engine and for transporting the
snow thrower in or out of the building. Open the
outside doors; exhaust fumes are dangerous
(containing CARBON MONOXIDE, an ODOR-
LESS and DEADLY GAS).
• Take all possible precautions when leaving the
snow thrower unattended. Disengage the
auger/impeller, shift to neutral, stop engine,
and remove key°
• Do not overload the machine capacity by at-
tempting to clear snow at too fast a rate.
SAFE STORAGE
o Always referto owner's manual instructions for
important details if the snow thrower is to be
stored for an extended period.
o Disengage power to the auger/impeller when
snow thrower is transported or not in use.
o Never store the snow thrower with fuel in the
fuel tan k inside a building where ignition sou rces
are present such as hot water and space
heaters, clothes dryers, and the like. Allow the
engine to cool before storing in any enclosure.
REPAIR/ADJUSTMENTS SAFETY
eAfter striking a foreign object, stop the engine
(motor), remove the wire from the spark plug,
disconnect the cord on electric motors, thor-
oughly inspect the snow thrower for any dam-
age, and repair the damage before restarting
and operating the snow thrower.
®If the snow thrower should start to vibrate
abnormally, stop the engine (motor) and check
immediately for the cause. Vibration is gener-
ally a warning of trouble.
o Stop the engine (motor) whenever you leave
the operating position, before unclogging the
auger/impeller housing or discharge guide,
and when making any repairs, adjustments, or
inspections.
® When cleaning, repairing, or inspecting, make
certain the auger/impeller and all moving parts
have stopped. Disconnect the spark plug wire
and keep the wire away from the plug to
prevent accidental starting.
o Never attempt to make any adjustments while
the engine is running (except when specifically
recommended by manufacturer).
e Maintain or replace safety and instruction
labels, as necessary_
eRun the snow thrower a few minutes after
throwing snow to prevent freeze-up of the
auger/impeller_
CAUTION: AVOID IN-
JURY FROM ROTAT-
ING AUGER. KEEP
HANDS, FEET, AND
CLOTHING AWAY! ..._ CHARGE CHUTE!
i ........
LOOK FOR THIS SYMBOL TO POINT OUT I
_ IMPORTANT SAFETY PRECAUTIONS, ITI
MEANS--ATTENTION!!! BECOME ALERT...I
YOUR SAFETY,IS I,NVOLVED. I
3

CONGRATULATIONS on your purchase of a Sears
Craftsman Snow Thrower. It has been designed, engi-
neered and manufactured to give you the best possible
dependability and performance°
Should you experience any problem you cannot easily
remedy, please contact your nearest Sears Service Cen-
ter/Department. We have competent, well-trained tech-
nicians and the proper tools to service or repair this unit.
Please read and retain this manual. The instructions will
enable you to assemble and maintain your snow thrower
properly. Always observe the "SAFETY RULES°"
MODEL
NUMBER 536884811
SERIAL
NUMBER
DATE OF
PURCHASE
THE MODEL AND SERIAL NUMBERS WILL BE
FOUND ON A DECAL ATTACHED TO THE REAR
OF THE SNOW THROWER HOUSING.
YOU SHOULD RECORD BOTH SERIAL NUMBER
AND DATE OF PURCHASE AND KEEP INA SAFE
PLACE FOR FUTURE REFERENCE
ii ill
MAINTENANCE AG REEMENT
A Sears Maintenance Agreement is available on this
product. Contact your nearest Sears Store for details.
PRODUCT SPECIFICATIONS
lllll u.,,i ,,, i ill i
HORSE POWER: 5 hp
DISPLACEMENT:
GASOLINE CAPACITY:
Hi, iiu ... H..i
OIL (21 oz. Capacity):
SPARK PLUG :
(GAP .030 in.)
12.04
cu. in.
2 quarts
Unleaded
SAE 10W-30
(5w. 30)
Champion
J8C
VALVE CLEARANCE: Intake: .010 In.
Exhaust: .010 In.
CUSTOMER RESPONSIBILITIES
• Read and observe the safety ruleSo
• Follow a regular schedule in maintaining, caring for and using your snow thrower.
•Follow the instructions under "Maintenance" and "Storage" sections of this owner's manual.
TWO YEAR LIMITED WARRANTY ON CRAFTSMAN
SNOW THROWER
For two years from the date of purchase, when this Craftsman Snow Thrower is maintained, lubricated
and tuned-up according to the instructions in the owner's manual, Sears will repair, free of charge, any
defect in material and workmanship.
If this Craftsman Snow Thrower is used for'commercial or rental purposes, this warranty applies for only
90 days from the date of purchase
This warranty does not cover the following:
:_
•Expendable items which become worn during normal use, such as spark plugs, tire chains, drive belts
and shear pins.
Repairs necessary because o! operator abuse or negligence, including bent crankshafts and the failure
to maintain the equipment according to the instructions contained in the owner's manual.
WARRANTY SERVICE IS AVAILABLE BY RETURNING THE CRAFTSMAN SNOW THROWER TO
THE NEAREST SEARS SERVICE CENTER!DEPARTMENT 1NTHE UNITED STATES. THIS WAR-
RANTY APPLIES ONLY WHILE THIS PRODUCT IS IN USE IN THE UNITED STATES..
This warranty gives you specific legal rights, and you may also have other rights which may vary from
state to state.
SEARS, ROEBUCK AND CQ Department 731CR-W Sears Tower, Chicago, IL 60684
ii.H......, ii i i.ll J i i/u JliiJ.J Hill ii.Jll i jj ii J i i
4

TABLE OF CONTENTS
SAFETY RULES .....................................................2,3
PRODUCT SPECIFICATIONS ...........................4
CUSTOMER RESPONSIBILITIES .....................4
WARRANTY ...............................................................4
TABLE OF CONTENTS ......................................5
INDEX ...........................................................................5
ASSEMBLY ......................................................................6-9
OPERATION .............................................. 10-t 4
MAINTENANCE ....................................................15-16
SERVICE AND ADJUSTMENTS ...............! 7-23
STORAG E ................................................................24
SERVICE RECOMMENDATIONS .....................25
TROUBLE SHOOTING .....................................26
REPAIR PARTS (SNOW THROWER) .....28-36
REPAIR PARTS (ENGINE) ..............................37-40
PARTS ORDERING/SERVICE .......Back Cover
A
Adjustment:
Auger Drive Belt ..................................18, 19
Belts ...............................................................18-20
Belt Guide ................................................................20
Cables ......................................................................18
Carburetor .....................................................23
Friction Wheel ............................................20
Scraper Bar ...................................................17
Spark Plug ......................................................23
Track ...............................................................22
Track and Auger Drive Belts ...............I8
Assembly:
Crank Assembly ..................................8
Shifter Lever ...............................................9
Skid Height Adjustment ...................7, 17
Unpacking .........................................................7
B
Belts:
Adjust Belts ..................................................18
Belt Guide Adjustment .................... 20
Belt Maintenance ...................................t5
Replace Belts ..................................tg, 20
C
Cables,Clutch ................................................7, 9
Carburetor: .................................................23, 24
Chain .......................................................................15
Choke ................................................I O, 11, 13
Clutch, Levers ...........................................1O, t 1
Controls:
Engine ................................................10, 11, 13
Snow Thrower ...................10, t!, 12, 14
Crank:
Adjusting Rod ..................................8, 17
Assembly .......................................................8
Operation ..........................................................t 1
Oustomer Responsibilities ..........................4
D
Drive, Auger ....................................................11
Drive, Track ..............................................11
Deflector, Snow Chute ................................11
E
Engine:
Control .............................................t0, 1I, 13
Oil Cap ...........................................................! 2, 16
Oil Change .........................................................16
Oi! Level .................................................12, 16
Oil Type ..........................................4, 12, 16
Speed Governor .......................................23
Starting the Engine ................................I3
Storage ..........................................................24
INDEX
F
Fuel, Type .......................................................4, 12
Fuel, Storage .....................................................I2, 24
Friction Wheel:
Adjustment ....................................................20
Replacement ...................................................21
G
Gears:
Auger Gear Box ............................15, 16
Hex Shaft .....................................................t5, 16
H
Handle, Upper and Lower ..........................7
Height Adjust Skids ......................................7, 17
Hex Shaft .....................................................15, 16
I
Ignition, Key .................................!0, 11, t3
index ..................................................................5
L
Levers:
Auger Drive Clutch ........................10, 11
Choke .........................................10, tl, 13
Shifter .....................................................9, 11
Throttle Control ...........................10, 11, t3
Traction Drive Olutch ....................10, 11
Lubrication:
Auger Gear Box ....................................16
Auger Shaft .......................................................15
Chain and Sprockets ...............................15
Chart ............................................................25
Engine ...................................................12, 16
Hex Shaft and Gears ...........................15, 16
Weight Transfer System ........................15
M
Maintenance:
Agreement .......................................................4
Auger Gear Box ..................................................16
Auger Shaft .....................................................15
Chain and Sprockets ...............................t5
Engine .................................................................t6
General Recommendations .............i5
Hex Shaft and Gears ...............................15
Weight Transfer System ..................15
O
Oil;
Engine ............................................4, 12, 16
Extreme Cold Weather ...............12, 16
Storage .................................................24
Type .........................................4, 12, t6
Operation:
Engine Controls .........................10, 11, 13
Operating Snow Thrower,,, 11, 12, 14
Operating Tips .............................................14
Starting the Engine ....................................13
Snow Thrower Controls .......10-12, I4
Weight Transfer System .....................12
P
Pads .........................................................28-40
Primer Button ..................................10, 11, 13
R
Repair/Replacem ent Parts .............28-40
Replacements:
Auger Shear Bolt ................................22
Belts ................................................................19.20
Friclion Wheel ....................................21
S
Safety Rules ..................................................2-3
Service and Adjustments:
Auger Housing Height .........................17
Auger Shear Bolt ..............................22
Belts .....................................................18-20
Belt Guide ...........................................20
Belt Replacements .................. t9, 20
Cable .......................................................18
Crank ..........................................................17
Carburetor ...........................................23
Friction Wheel ......................................20, 21
Scraper Bar ..........................................17
Shear Bolt ..................................................22
Spark Plug ......................................................23
Track ..........................................................22
Service Recommendations ......................25
Spark Plug ..............................................I6, 23
Specifications ...........................................4
Speed Governor ............................... 23
Starting the Engine .............................. 13
Stopping the Engine ..................... 11, 13
Stopping the Snow Thrower ..............11
Shipping Carton .................................6, 7
Skid Height ..................................... 7, 17
Shifter Lever .................................. 9-11
Shear Bolts ...........................................22
Storage ....................................... 24
T
Table of Contents ........................................5
Trouble Shooting Chart .................... 26
Tools for Assembly .....................................6
Track Drive Belt .............................18, 20
Track Adjustment ..................................22
W
Warranty .....................................................4
Weight Transfer System ............. 12, 15

ASSEMBLY
THIS SNOW THROWER IS EQUIPPED WITH "TRAC-PLUS" AND ONLY
MOVES EFFECTIVELY WHEN ENGINE IS RUNNING
if your snow thrower must be moved without the aid of the engine, it will be easier' to pullthe snow thrower back-
ward by the handles, rather than pushing.
On start up, the track drive system may be tight and will loosen up as the snow thrower is used. After first use,
check the track for tension and adjust if necessary_ See the Track Adjustment paragraph in the Service and Adjust-
ments section of this manual. Check track adjustment and fasteners regularly.
CONTENTS OF SHIPPING CARTON TOOLS REQUIRED FOR ASSEMBLY
1 - Snow thrower completely assembled except for
the crank assembly, shifter lever assembly and knob,
and the upper handle, which is in the folded down
position.
1 - Parts Bag Containing:
1-Owner's Manual (Not Shown)
Parts Shown Below:
t - Knife (to cut carton and plastic ties)
2-1/2 inch Wrenches (or adjustable wrenches)
2 - 9/16 inch Wrenches (or adjustable wrenches)
2 - 3/4 inch Wrenches (or adjustabte wrenches)
1 - Pair Pliers (to spread cotter pin)
1 - Screwdriver
PARTS BAG CONTENTS
2 - 3t8 In.Flat Washers 2 - Spare Spacers 1- 3/8 - t6 x 2 inch Hex Head Bolt
2- 1/4 - 20 x 1 - 3/4 In..
Hex Head Bolts
Q
1 - 3/8 In..Hex Nut
1-3/8 tn.,Split Lockwasher
1 - Knob With Threads
2 - Spare 1/4 -20 Locknuts
6

Figure i showsthe snowthrowerin the shipping position,,
Figure 2 shows the snow thrower completely assembled,,
Reference to the right and left hand side of the snow
thrower is from the operator's position at the handler
TO REMOVE SNOW THROWER
FROM CARTON (See Fig 1)
e Cut all four corners of the carton from top to bottom
and lay the panels flat..
® Cut the cable ties attached to the auger,,
e Cut and discard the plastic ties that secure the
crank assembly and place the assembly aside,,
® Remove the packing material from the control panelo
e Cut and discard the packing securing the clutch
cables to the handles.
oLoosen (do not remove) both botts securing the
upper and lower handles., Swing the upper handle
into the operating position.
NOTE: Ifthe cables have become disconnected fromthe
clutch levers, reinstall the cables as shown in Figure 3.
® Tighten both bolts securely..
e Roll the snow thrower off the skid by pulling on the
handle.,
NOTE: This snow thrower is equipped with a track drive
and can be hard to push when the engine is not running
It is easier to pull the snow thrower backward if it must be
moved without the engine running
The drive system may be tight when you first use your
snow thrower tt loosens up as you use it
HOW TO SET UP YOUR SNOW
THROWER
TO SET THE SKID HEIGHT
®To adjust the skids height for different conditions,
see To Adjust Skids Height paragraph on page 17,,
i,
CAUTION: IF YOU ARE REMOVING
SNOW FROM ANY ROCKY OR UNEVEN
SURFACES, RAISE THE FRONT OF THE
SNOW THROWER BY MOVING THE
SKIDS DOWN, THIS WILL HELP TO PREVENT
ROCKS AND OTHER DEBRIS FROM BEING
PICKED UP AND THROWN BY THE AUGER.
ASS LY
CONTROL
LOWER HANDLE PANEL
CRANK
ASSEMBLY CLUTCH
CABLE
FIG. 1
HANDLE
ASSEMBLY
FIG. 2
DRIVE
"Z" FITTING LEVER
._"I'HI'H III ,III
FIG. 3
7

EMo ,Y
TO INSTALL THE UPPER HANDLE AND
CRANK ASSEMBLY
o
I
o
0
qll
On the rightside of the handle, install and secure the
following parts (found in parts bag) in the lower
handle hole as shown in figure 4A:
1 - 3/8" x 2" bolt
2- 3/8" flat washers & 1 -3/8" split lockwasher
1 ° 3/8" nut
Remove the 3/8" nylon Iocknut and flatwasher from
tl_e "eye" bolt assembly (on the chute crank assem-
bly) and adjust the remaining 3/8" nut and flatwasher
on the "eye" bolt about half way up the thread..
Install "eye" bolt through lower hole on the left hand
side of the handle.
Install the 3/8" flatwasher and the 3/8" nylon locknut
loosely on the "eye" bolt, as shown°
Remove the plastic cap, the cotter pin and the washer
from the wormed end of the crank assembly and set
aside (See Fig. 5).
• Rotate the notched section of the discharge chute
toward the crank-adjusting rod_
• Install the wormed end of the crank through the hole
in the adjusting rod and secure the end with the flat
washer and cotter pin, as shown in Fig. 5o
• Bendtheendsofthecotterpinaroundtherod andre-
install the plastic cap°
• Tighten the eye bolt installed earlier, keep eye in line
with the rod while tightening the inside nut securely,
• Tighten the outside 3/8" jam nut up against the other
3/8" jam nut (See Fig.. 4B).
• Rotate the chute crank fully c!ockwise and fully
counter-clockwise. The discharge chute should ro-
tate fully to the outer diameter of the worm and should
clear' approximately 1/8" (see Fig. 5), If the chute
crank needs to be adjusted, go to the Service and Ad-
justments section on page 17.
NOTE: Be sure the crank does not touch the side of the
engine or' the cover will be scratched.
PJGHT HANDLE
ADJUST NUTS TO MOVE
LEFT HANDLE EYE BOLT IN OR OUT
EYE BOLT
TIGHTEN _/8" JAM
NUT UP AGAINST
OTHER 3/_," JAM NUT
FIG. 4B
Jii iiii / .... , ,,,lllUiiiiJi iJ i1,11,,i,ii iiiiii i iii / ,,
PLASTIC _ NOTCHED SECTION
,,b
CAP COTTER
INCH CLEARANC
FLATWASHER
1/2 INCH
CRANK ADJUSTING ROD WORM
FIG. 5

AS LY
INSTALL THE SHIFTER LEVERTO
® Stand the snow thrower up on the frontof the auger
housing, as shown in Figure 6.
o Cut the plastic tie which holds the shifter lever as-
sembly to the shift bracket°
•Remove the Iocknut, washer, spring and the bolt..
Reposition the shifter lever into the slot in the control
panel, as shown in Figure 6 and reinstall the bolt,
spring washer and the Iocknut.
® Tighten the Iocknut until1/8" to 3/16" (2or 3threads)
of the bolt protrude past the Iocknuto
• Thread the shifter lever knob onto the threaded end
of the shifter lever until it is tight.
•Move the shifter lever through all the speeds to en-
sure proper tension of the spring. If the shifter Iever
sticks in any of the notches, loosen the Iocknu[ 1/4
turn at a time until the shifter lever moves freely..
TO CHECK/ADJUST CLUTCH
CONTROL CABLES
The control cables attached to the auger clutch lever and
traction clutch lever may need to be adjusted before you
use your snow thrower.
For instructions on checking or adjusting the clutch
control cables, see To Adjust The Clutch Control Cables
paragraph on page 18. FIG. 6
9

i, illlJllJll,i i Ill i, ill iiJlllllj .l= Iill,,ll IJl J;
OPERATION
KNOW YOUR SNOW THROWER ......................................
READ THIS OWNER'S MANUALAND SAFETY RULES BEFORE OPERATING YOUR SNOW
TH ROWER, Compare the illustrations with your snow thrower to familiarize yourself with the location of various
controls and adjustments. Save this manual for future reference_
AUGER DRIVE
LEVER
TRAC'fION DRIVE
LEVER
CHUTE DEFLECTOR
SPEED SHIFTER
LEVER
CRANK
ASSEMBLY
DISCHARGE
CHUTE
WEIGHT
TRANSFER
IGNITION
KEY
BUTTON
CHOKE CONTROL
THROTTLE CONTROL
RECOIL
STARTER
HANDLE
FIG. 7
LI wmuw±
SEARS TRAC-PLUS SNOW THROWERS conform to the safety standards of the American National Standards
Institute.
AUGER DRIVE LEVER: Starts and stops the auge'r"and"
impeller (snow gathering and throwing)=
TRACTION DRIVE LEVER - Propels the snow thrower'
forward and in reverse.
SPEED SHIFTER LEVER - Selects the speed of the
snow thrower (6 speeds forward and 2 speeds reverse).
CRANK ASSEMBLY *Changes the direction of snow
throwing through the discharge chute.
CHUTE DEFLECTOR - Changes the distance the snow
is thrown°
DISCHARGE CHUTE - Changes the direction the snow
is thrown.
WEIGHT TRANSFER PEDAL - Engage for heavy snow
conditions, to keep the snow thrower from climbing drifts
and hard-packed snow.. When released, it eases trans-
port of the snow thrower°
HEIGHT ADJUST SKIDS - Adjusts the ground clear-
ance of the auger housing.
IGNITION KEY - Must be inserted to start the engine.
RECOIL STARTER HANDLE - Starts the engine manu-
allyo
CHOKE CONTROL - Used to start a cold engine.
PRIMER BUTTON - Injects fuel directly into the carbu-
retor manifold for fast starts in cold weather_.
THROTTLE CONTROL - Controls the engine speed..
10

.... ,,, i JI,,,MI
OP RATIO
The operation of any snow th rower can result in foreign objects being thrown int0 the
eyes, which can result in severe eye damage. Always wear safety glasses or eye
shields while operating the snow thrower°
We recommend standard safety glasses or Wide Vision Safety Mask for over your
glasses available at SEARS Retail or Catalog Stores,.
HOW TO USE YOUR SNOW
THROWER
TO CONTROL SNOW DISCHARGE
eTurn the crank assembly to set the direction of the
snow throwing,.
o Loosen the wing knob on the chute deflector and
move the deflector to set the distance.. Move the
deflector UP for more distance, DOWN for less
distance.. Then tighten the wing knob (See Fig, 8).
TO STOP YOUR SNOW THROWER
•To stop throwing snow, release the auger drive
lever (See Fig.. 10).
oTo stop the track, release the traction drive lever,
o To stop the engine, push the throttle control lever to
"STOP" and pull out the ignition key (See Fig. 9),.
TO MOVE FORWARD AND BACKWARD
IMPORTANT:
eTo shift, release the traction drive lever and move
the speed shifter lever to the speed you desire.
Ground speed is determined by snow conditions.
Select the speed you desire by moving the speed
shifter lever intothe appropriate colored area on the
control panel
Red - Wet, Heavy, Slushy, Extra Deep
Amber- Moderate
White - Very Light
Green - Transport only
® Engage the traction drive lever (See Fig 10, left
hand). As the snow thrower starts to move, maintain
a firm hold on the handles, and guide the snow
thrower along the clearing path,. Do not attempt to
push the snow thrower,.
e To move the snow thrower backward, move the
speed shifter lever into first or second reverse and
engage the traction drive lever (left hand).
DO NOT MOVETHE SPEED SHIFTER
LEVER WHILE THE TRACTION
LEVER iS DOWN.
TO THROW SNOW
Push down the auger drive lever (See Fig. 10,
right hand)..
Release to stop throwing snow.
11
WING KNOB
FIG. 8
PRIMER BUTTON
IGNITION
KEY
CHOKE' RECOIL
CONTROl[. STARTER
THROTTLE HANDLE
CONTROL
FIG, 9
,,i i i= =ill 11 .....
TRACTIONDRIVE AUGERDRIVE
LEVER LEVER OFF
....... \ /RIGHT
HAND HAND
FIG. 10
CAUTION: READ OWNER'S MANUAL
BEFORE OPERATING MACHINE,
NEVER DIRECT DISCHARGE TOWARD
BYSTANDERS. STOP THE ENGINE BE*
FORE UNCLOGGING DISCHARGE
CHUTE OR AUGER HOUSING AND
BEFORE LEAVING THE MACHINE,
i,,i, i, ,, u,,

................OPERATION ....................
TO USE WEIGHT TRANSFER SYSTEM
In hard packed or heavy snow conditions, conventional
snow throwers tend to rideup and leave uneven mounds
of snow behind. For these conditions, your new tracked
snow thrower has a unique weight transfer system (See
Fig. 11) designed to minimize ride-up.
Stepping on the weight transfer pedal shins more weight
to the auger housing° This weight transfer keeps the
snow thrower in contact with the ground and reduces
ride-up,
In lighter snow conditions or when transporting, you
should release the weight transfer system for easier
steering.
• To use the weight transfer, hold the upper handle
firmly and push down on the weight transfer pedal
(See Fig. t 1) with the ball of your foot°
• To release, pull up on the weight transfer pedalwith
the top of your foot.
NOTE: The weight transfer system will not work if the
auger housing height adjust skids are adjusted to the
highest position°
BEFORE STARTING THE ENGINE
FILL/ADD OIL:
The engine on this snow thrower was shipped without
oil Add oil before you start the engine. Remove the oil
fill cap/dipstick and fill the crank case to FULL line on
dipstick (about 2t ounces) (See Fig_ 12) with S.A,E
10 W-30 motor oil (or equivalent)., Do not overfill. Tighten
the fill capldipstick securely each time you check the oil
level
NOTE: SA.E 5W-30 motor oil may be used to make
starting easier in areas where temperature is consis-
tently 20 ° F. or lower,
FILL GAS:
WARNING: Experience indicates that alcohol blended
fuels (called gasohol or using ethanol or methanol) can
attract moisture which leads to separation and formation
of acids during storage_ Acidic gas can damage the fuel
system of an engine while in storage.
To avoid engine problems, the fuel system should be
emptied before storage for 30 days or longer. Drain the
gas tank, start the engine and let it run until the fuel lines
and carburetor are empty. Use the carburetor bowl drain
to empty residual gasoline from the float chamber'
(Figure 39). Use fresh fuel next season_ (See Storage
instructions on page 24 for additional information)
Fill the fue! tank with clean, fresh, unleaded grade auto-
motive gasoline. Be sure that the container you pourthe
gasoline from is clear] and free from rustor other foreign
particles., Never use gasoline that may be stale from long
periods of storage in the container.
OFF
ON
FIG,11
OIL FILL CAPtDIPS3"tCK
NOTE: OIL LEVEL
MUST BE BETWEEN
FULL AND ADD MARK
FIG,12
Never use engine or' carburetor cleaner products inthe
fuel tank or permanent damage may occur,
,llllll
CAUTION: GASOLINE IS FLAMMABLE
AND CAUTION MUST BE USED WHEN
HANDLING OR STORING IT.
DO NOT FILL FUEL TANK WHILE SNOW
'THROWER IS RUNNING,WHEN IT IS HOT, OR
WHEN SNOW THROWER IS IN AN ENCLOSED
AREA.
KEEP AWAY FROM OPEN FLAME OR AN ELEC-
TRICAL SPARK AND DO NOT SMOKE WHILE
FILLING THE FUEL 'TANK.
NEVER FILL THE TANK COMPLETELY. FILL
THETANK TO WITHIN 1/4"- 112" FROMTHE TOP
TO PROVIDE SPACE FOR EXPANSION OF FUEL.
ALWAYS FILL FUEL TANK OUTDOORS AND
USE A FUNNEL OR SPOUT TO PREVENT SPILL-
ING,
MAKE SURE TO WIPE UP ANY SPILLED FUEL
BEFORE STARTING THE ENGINE.
STORE GASOLINE IN A CLEAN, APPROVED
CONTAINER AND KEEP THE CAP IN PLACE ON
THE CONTAINER.
12

OP
CAUTION: NEVER RUN ENGINE IN-
DOORS OR IN ENCLOSED, POORLY
VENTILATED AREAS. ENGINE EX-
HAUST CONTAINS CARBON MON-
OXIDE, AN ODORLESS AND DEADLY GAS.
KEEP HANDS, FEET, HAIR AND LOOSE CLOTH-
ING AWAY FROM ANY MOVING PARTS ON
ENGINE AND SNOW THROWER.
WARNING: TEMPERATURE OF MUFFLER AND
NEARBY AREAS MAY EXCEED 150 ° F. AVOID
THESE AREAS.
DO NOT ALLOW CHtL DREN OR YOUNG TEEN-
AGERS TO OPERATE OR BE NEAR SNOW
THROWER WHILE IT IS OPERATING.
..... :: ........ LL
ATIO
iGNITION
KEY
CHOKE
CONTROL
TO STOP ENGINE
eTo stop engine, move the throttle control lever to
"STOP" position and remove key. Keep the key in a
safe place, The engine will not start without the key°
TO START ENGINE
Be sure that the engine has sufficient oil. Before starting
the engine, be certain that you have read the following
information:
COLD START (See Fig. 13)
e Be sure the auger and the traction drive levers are
in the disengaged "RELEASED" position,.
e Move the throttle controt up to "FAST" position_
® Remove the keys from the plastic bag. Insert one
key into the ignition slot,.Be sure it snaps intoplace..
DO NOT TURN KEY. Keep the second key in a
safe place..
e Rotate choke control to "FULL" choke position.,
• Press the primer button two or three times, while
keeping your finger over the vent hole on the primer
button.. Additional priming may be necessary for the
first start if the temperature is below 15° F_
ePull the starter handle rapidly.. Do not allow the
handle to snap back, but allow it to rewind slowly
while keeping a firm hold on the starter handle.
THROTTLE CONTROL
FIG.13
RECOIL
STARTER
HANDLE
WARM START
If restarling a warm engine after a short shutdown, rotate
choke to "OFF" instead of "FULL" and do not push the
primer button°
FROZEN STARTER
If the starter is frozen and will not turn engine:
ePull as much rope out of the starter as possible.
®Release the starter handle and let it snap back
against the starter
If the engine still fails to start, repeal if continued at-
tempts do not free starter, follow the electric starter pro-
cedures to start.
To help prevent possible freeze-up of recoil starter and
engine controls, proceed as follows after each snow
removal job.
®With the engine running, pull the starter rope hard
with acontinuous full arm stroke three or four times.
Pulling of starter rope will produce a loud clattering
sound_ This is not harmful to the engine or starter_
eWith the engine not running, wipe all snow and
moisture fromthe carburetorcover inarea of control
levers.. Also move throttle control, choke control,
and starter handle several times.
• As the engine warms up and begins to operate
evenly, rotate the choke knob slowly to "OFF" posi-
tion., If the engine falters, return to "FULL" choke,
then slowly move to "OFF" choke position_
NOTE: Allow the engine to warm up for a few minutes
because the engine will not deve!op full power until it
reaches operating temperature.
®Run the engine at or near the top speed when
throwing snow.
•t 3

:. ...:......
OPERATION
SNOW THROWING TIPS
O
O
e
o
For maximum snow thrower efficiency, adjust ground
speed, not throttle° Ifthe track slips, reduce forward
speed. The engine is designed to deliver maximum
performance at full throttle and should be run at this
power setting at all times.
Most efficient snow blowing is accomplished when
the snow is removed immediately after it falls
For complete snow removal, slightly overlap each
path previously taken.
The snow should be discharged down wind when-
ever possible.
For normal usage, set the skids so that the scraper
bar is 1/8" above the skids. For extremely hard-
packed snow surfaces, adjust the skids upward so
that the scraper bar touches the ground.
On gravelor crushed rock surfaces, set the skids at
1-1/4" below the scraper bar (see To Adjust Skids
Height paragraph on page 17)_ Rocks and gravel
must not be picked up and thrown by tile machine
If the front of the snow thrower has a tendency to
raise, reduce the ground speed and engage the
weight transfer system_
CAUTION: DO NOT ATTEMPT TO RE-
MOVE ANY ITEM THAT MAY BECOME
LODGED IN AUGER WITHOUT TAKING
THE FOLLOWING PRECAUTIONS:
•RELEASE AUGER DRIVE AND TRACTION
DRIVE LEVERS.
• MOVE THROTTLE LEVER TO STOP POSI-
TION.
• REMOVE (DO NOT TURN):!IGNITION KEY.
• DISCONNECT SPARK PLUG WIRE.
•DO NOT PLACE YOUR HANDS IN THE
AUGER OR DISCHARGE CHUTE, USE A
PRY BAR.
............................ ,, ,,,,,, ,, L,LWL,ll I
After the snow blowing job has been completed,
allowthe engine to idlefor a few minutes, which will
melt snow and accumulated ice off the engine.
o
e
Clean the snow throwerthoroughly after each use.
Remove ice and snow accumulation and all debris
from the entire snow thrower, and fluslt with water
(if possible) to remove all salt or other chemicals
Wipe snow thrower dr,,,.
'_ 14

TE
Ill
GENERAL RECOMMENDATIONS
The warranty on this snow thrower does not cover items
that have been subjected to operator abuse or negli-
gence,. To receive full value from the warranty, operator
must maintain snow thrower as instructed in this manual.,
Some adjustments will need to be made periodically to
properly maintain your snow thrower.,
All adjustments in the Service and Adjustments section of
this manual should be checked at least once each sea-
ANCE
son,,
AFTER FIRST USE
eCheckthe tracksfor tension and adjust if necessary
(See To Adjust Track paragraph on page 22)°
Check the track adjustment and fasteners regularly,,
e Be sure that al_fasteners are tight.
AS REQUIRED
The following adjustments should be performed more
than once each season.,
e Auger and Track Drive Belts should be adjusted after
the first 2 to 4 hours of use and again about mid-
season and twice each season thereafter, See To
Adjust Belts paragraph on page 18,
e Alt screws and nuts should be checked often to make
sure they are tight, preferably after each use.,
SNOW THROWER
LUBRICATION - EVERY TEN HOURS
o
o
@
Chains and Sprockets -Oil chains and sprockets
(See Fig. 14)with 10W-30 oil (or equivalent) after 10
hours use and at the end of each season,.
Weight Transfer System -Coat weight transfer plate
(See Fig,, 15) with clinging type grease, such as
lubriptate, every ten (10) hours and before storage_
Auger Shaft - Using a hand grease gun, lubricate the
auger shaft zerk fittings (See A, Fig 16) every ten
(10) operating hours,, Each time a shear bolt is
replaced (see To Replace Auger Shear Bolt para-
graph onpage 22), the auger shaft MUST be greased..
For storage or when replacing shear bolts, remove
shear bolts and lubricate auger shaft zerks,, Rotate
augers several times on the shaft and reinstall the
shear bolts.
LUBRICATION - NOT REQUIRED
•Hex Shaft and Gears - Hex shaft and gears require
no lubrication. Allbearings and bushings are lifetime
lubricated and require no maintenance (See Fig 17).
Jl i/ i /ill jill i
FIG .14
WEIGHT
TRANSFER
,.J PIVOT
i ill illlll IILllLI
FIG. 15
FIG.16
PLATE
15
FIG,17

MAIN IENANCE
NOTE: Any greasing or oiling of the above components
can cause contamination of the friction wheel Ifthe disc
drive plate or friction wheel come in contact with grease
or oil, damage to the friction wheel will resulL
Should grease or' oil come in contact with the disc drive
plate or friction wheel, be sure to clean the plate and
wheel thoroughly.
NOTE: For storage, the hex shaft and gears should be
wiped with 10W-30 motor oit to prevent rusting (See Fig..
t7)_
Auger Gear Box -The auger gear box has been
factory lubricated for life. Iffor some reason lubricant
should leak out, have augergear case checked by a
competent repairman.
ENGINE
LUBRICA'I'ION
Check the crankcase oil level (See Fig. 18) before
starting the engine and after each five (5) hours of con-
tinuous use., Add S,,A_E.! 0W-30 motor oil or' equivalenL
Tighten fill cap/dipstick securely each time you checkthe
oil level. S..A.E. 5W-30 motor oil may be used to make
starting easier in areas where temperature is consis-
tently 20°F_or lower_
Change the oil after first two hours of operation and every
25 hours thereafter or at least once a year if the snow
thrower is not used fo_ 25 hours. (See Fig. 19)._
• Position snow thrower so that the oil drain plug is
lowest point on the engine,. Remove oil drain plug
and oil fill cap/dipstick. Drain oil into a suitable
container.. Oil wil! drain more freely when warm.
Replace oil drain plug and tighten securely_ Refill
crankcase with S..AE. 10W-30 motoroil (or equiva-
lent). S.AE, 5W-30 motor oil may be used to make
starting easier in areas where temperature is con-
sistently 20° Fo or lower+
__BE BETWEEN
NOTE:OILLEVEL
_f!._ .._ _" FULLAND
ADDMARK
OIL FILLCAP/
DIPSTICK
FIG, 18_
@
FIG. 19
SPARK PLUG
• Make sure that the spark plug is tighte ned securely
into the engine and the spark plug wire is attached
to the spark plug.
• If a torque wrench is available, torque plug to 18 to
23 foot pounds.
• Clean the area around the spark plug base before
removal to prevent dirt from entering the engine.
• Clean the spark plug and reset the gap periodically
16

SCEAN ADJUSTME TS
i
CAUTION: ALWAYS DISCONNECT THE
SPARK PLUG WIRE AND TIE BACK AWAY
FROM THE PLUG BEFORE MAKING ANY
ADJUSTMENTS OR REPAIRS.
i i
TO ADJUST SKIDS HEIGHT
This snow thrower is equipped with two height adjust-
ment skids, located on the outside of the auger housing
These skids elevate the front of the snow thrower°
For normal hard surfaces, adjust the skids as follows:
eMake sure the snow thrower is on a hard, level
surface and the weight transfer system lever is
released See page 12.
o Place extra shear bolts supplied (found in parts
bag) under each end of the scraper bar near but not
under the skids
@Loosen the skid mounting nuts (See Fig 20) and
push the skids down until they touch the ground.
Retighten the mounting nuts
For rocky or uneven surfaces, raise the front of the snow
thrower by moving the skids down This will help prevent
rocks and other debris from being picked up and thrown
by the auger°
NOTE: tfthe skids are at the maximum height, the weight
transfer system will not work
TO ADJUST SCRAPER BAR
After considerable use, the metal scraper bar wilt have a
definite wear pattern. The scraperbar inconjunction with
the skids should always be adjusted to allow 1/8" be-
tween the scraper bar and the sidewalk or area to be
cleaned.
®
o
o
o
o
Position the snow thrower on a level surface
Loosen the carriage bolts and nuts securing the
scraper bar to the auger housing_
Adjust the scraper bar to the proper position
Tighten the carriage bolts and nuts, making su rethat
the scraper bar is parallel with the working surface.
After extended operation, the scraper bar may be re-
versed, if the scraper bar must be replaced due to
wear, remove the carriage bolts and nuts and install
a new scraper bar
SKID MOUNTING NUTS
HEIGHT ADJUST SKID
/ /1//i ill ill illl /i Jl i ii ii i M_
FIG. 20
CAUTION: BE CERTAIN TO MAINTAIN
PROPER GROUND CLEARANCE FOR
YOUR PARTICULAR AREA TO BE
CLEARED. OBJECTS SUCH AS GRAVEL,
ROCKS OR OTHER DEBRIS, IF STRUCK
BY THE IMPELLER, MAY BE THROWN
WITH SUFFICIENT FORCE TO CAUSE
PERSONAL INJURY, PROPERTY DAM-
AGE OR DAMAGE TO THE SNOW
THROWER.
i ill i i llllll/// // i i i
TO ADJUST CHUTE
CRANK ASSEMBLY
If you cannot rotate the chute crank fully to the left and to
the right, you need to adjust the chute crank (See Fig 21)
eLoosen both 1/2" nuts on the crank adjusting rod
(using 3/4" wrenches)
o Rotate the adjusting rod in or out to allow about t/8"
clearance between the notch in the flange and the
outer diameter of the worm
•Once this clearance is set, tighten the nuts
NOTE: Be sure the crank does not touch the side of the
engine or the cover will be scratched
I
FLATWASHER 1
CRANK ADJUSTING ROD
FIG_ 21
WORM
1/2 INCH
17

SERVICE AND US rMEN rs
TO ADJusT THE CLU'TCH CONTROL............................................................................................. '"
CABLES
Periodic adjustment of the cables may be required due to
normal stretch and wear on the belts, To check for corr ect
adjustment, the control lever must be in the full forward
position, restingonthe plastic bumper.. The control cables
are correctly adjusted when the center of the "Z" Fitting is
in the center of the hole and ttlere is no droop inthe cable
(See Fig. 22),.
If adjustment is necessary:
•Push the cable through the spring (See Fig. 23) to
expose the threaded portion of the cable.
• Hold the square end of the threaded portion wittl
pliers and adjust the locknut in or out until the excess
slack is removed..
• Pull the cable back through the spring and connect
the cable.,
• Do the same forthe other lever cable
NOTE: Whenever the track drive or auger belts are
adjusted or replaced, the cables wiltneed to be adjusted,
TO ADJ UST BELTS
: .................... .......
TRACTION _"_
DRIVE __ !(_'_'\ CONTROL LEVER
LEVER _ _ MUSTBEINFULL
/1FORWARDPOSI-
/./1 ']'ION (Just Contact-
i_[._.STICBUMPER
.............................. [Ul
FIG. 22
Belts stretch during normal use., if you need to adjust
the belts due to wear or stretch, proceed as follows:
TRACK DRIVE BELT (See Fig. 25)
The track drive belt has constant spring pressure and
does not require adjustment. Check the clutch control
cable adjustment before replacing the bell
Replace the track drive belt if it is still slipping (see To
Replace Belts paragraph on page t9).,
AUGER DRIVE BELT (See Fig. 25)
If your snow thrower will not discharge snow, check the
control cable adjustment If it is correct, then check the
condition of the auger drive belt. It may be loose or dam-
aged. If it is damaged, replace it., See To Replace Bells
paragraph on page 19. If the auger drive belt is loose,
adjust as follows:
•Disconnect the spark plug wi{e.
•Remove the belt cover,.
• Loosen the nut on the idler pulley (See Fig. 24) and
move the pulley toward the belt about 1t8".
• Tighten the nut..
• Press the augerdrivetever_ Checkthetensiononthe
belt (opposite idler pulley). The belt should deflect
about 1/2" with moderate pressure (See Fig,. 24)_
NOTE: You may have to move the idler pulley more than
once to obtain the correct tension.
•Replace the belt cover.
•Check the clutch control cable adjustment.
•Reconnect the spark plug wire.. 18
ii i
TRACTION
AUGER
DRIVE
SPRING
END
LOCKNUT
FIG. 23
i HHIHIIIH I II JHJIll .....
\:_IMPELLER
_PULLEY
FIG. 24
TRACK DRIVE BELT
_/TRACK DRIVE
;..:_ . PULLEY
._',___/B ELT GUIDE
AUGER DRIVE BELT_ Left Hand)
AUGER DRIVE
(Right Hand) __ _ PULLEY
TRACK DRIVE
AUGERpULLEyIDLER__ IDLER PULLEY
BRAKE ASSEMBLY-""
FIG. 25

..........................SERVICE
TO REPLACE BELTS
The drive belts on this snow thrower are of special con-
struction and should be replaced with original equipment
belts available from your nearest SEARS Store or Serv-
ice Center°
You will need the assistance of a second person while
replacing the belts,,
Drain the gasoline from the fuel tank by removing the fu el
line. Drain the gas and reinstall fuel line,,
ouT
cAo,,o.: I
DOORS, AWAY FROM FIRE OR FLAME I
,,, ,,, ,, , Ill, •
AUGER DRIVE BELT
if your snow thrower will not discharge snow, and the
auger drive belt is damaged, replace it as follows:
• Disconnect the spark plug wire°
eRemove the belt cover (See Fig. 26)
® Loosen the belt guides (See Fig, 28) and pull
away from the drive pulley°
o Loosen the auger idler pulley (See Fig. 28) and
slip the belt out,
eEngage the auger drive lever,, This will pull the
brake assembly (See Fig, 27) away from the
pulley and allow the belt to be slipped out.
e Remove the belt from the auger drive engine
pulley°
e Install the original equipment replacement belt in
reverse order of removal,
•Release the auger drive lever,,
® Place the drive belt onto the auger drive pulley.
• Adjust the drive belt (see To _djust Auger Drive
Belt paragraph on page t8),,
o Adjust the belt guides (see To Adjust The Belt
Guides paragraph on page 20).,
® Reinstall the belt cover_
®Check clutch control cable adjustment (see page
18),,
eReconnect the spark plug wire,
ADJUSTIVIE TS
BELT COVER /
FIG, 26
1/4 X I12 INCH SELF
TAPPING SCREW
TRACTION DRIVE BELT
TRACK DRIVE
IMPELLER PULLEY
DRIVE GUIDE
BELT_ (Left Hand)
AUGER DRIVE
BELT GUIDE PULLEY
(Right
AUGERIDLER
PULLEY
TRACK DRIVE
IDLER PULLEY
19

TS
SERVICE AND ADJUSTMEN
JL ..... ..... ,,,, H i m, Jll,J .....
TRACK DRIVE BELT TO ADJUST THE FRICTION WHEEL
If your snow thrower will not move forward, check the
track drive belt for wear. If the track drive belt needs to
be replaced, proceed as follows:
•Disconnect the spark plug wire.
•Remove the belt cover,
• Loosen the left handbelt guide (See Fig 27) mount-
ing screw and move the belt guide away from the
bell
if the snow thrower will not move forward, you need to
check the track drive belt, the traction drive cable or the
friction wheel it the friction wheel is damaged, it will need
to be replaced_ See the To Replace Friction Wheel para-
graph on page 21. If the friction wheel is not worn, check
the adjustment, as foItows:
•Disconnect the spark plug wire_
• Drain the gasoline from the_]as tank.
• Pull the track drive idler pulley (See Fig. 27) back
and slip the belt past the idler pulley
• Remove the belt from the engine pulley.
• Remove the belt between the two large pulleys
•Install the new original equipment replacement belt
in reverse order of removal.
o
o
O
Adjust the left hand belt guide and tighten the
mounting screw (see To Adjust The Belt Guides
paragraph below).
Reinstall the belt cover.
Reconnect the spark ptug wire_
TO ADJUST THE BELT GUIDES
There are two belt guides onyour snow thrower, a left and
right After you replace a track or auger drive belt, you
need to adjust one or both of the belt guides° Proceed as
follows for each belt:
•Disconnect the spark plug wire.
•Remove the belt cover (See Fig 26)
• Engage the auger drive clutch lever,
• Measure the distance between the belt guides and
the belt (See Fig 28)° The distance should be 3/32"
for each guide.
•If adjustment is necessary, loosen the belt guide
mounting bolts. Move the belt guides to the correct
position Tighten the mounting bolts
Reinstall the belt cover.
o
oReconnect the spark plug wire
REM -_BI_.__I |_.BOLT
PANEL
LOOSEN BOLT,.._ LOOSEN BOLT
TRACK CONNECTING ROD
•Stand snow thrower on the auger housing end.
•Remove the bottom panel (See Fig, 29).
oPosition the shifter lever in first (1) gear.
oNote the position of the friction wheel on the disc
drive plate The right side of the friction wheel should
be 3-3/8" fromthe left outer side of the discddve plate
(See Fig. 30)
If adjustment is necessary:
•Loosen the jam nut "A" on the speed select rod Re-
move the ball joint from the shifter bracket Lengthen
or shorten the rod by turning the adaptor to obtain the
correct friction wheel position (See Fig. 31)
• Reinstall the ball joint and tighten the jam nut.
•Reinstall the bottom panel
FRICTION
WHEEL
3-3/8
INCH
DRIVE
PLATE
FIG. 30
SPEEDSELECTROD
-JAM NUT
IFTER
BRACKET
ADAPTOR,
BALL
I
t
FIG. 29 FIG. 31
2O

SERVICE AN
TO REPLACE FRICTION WHEEL
If the snowthrower will not move forward, and the friction
wheel is worn or damaged, you need to replace it, as
follows:
e Drain the gasoline from the fuel tank by removing
the fuel lineoDrain the fuel and reinstall the fuel line,.
eDisconnect the spark plug wire,
®Stand the snow thrower up on the auger housing
end (See Fig., 32).,
eRemove the bottom panel (See Fig. 29).
eDisconnect the right side track connecting rod,,
ADJUST
LOCKWASHER,
NUT
HEX SHAFT
E TS
FRICTION WHEEL
.T
HUB
BOLT
®Rotate the right side track until it is parallel to the
ground (See Fig 33),,
•Remove the three (3) fasteners securing the friction
wheel to the hub (See Fig. 32).
ii illl
CAUTION: DRAINGASOLINEOUTDOORS
AWAY FROM FIRE OR FLAME.
o Move the shifter lever into first (1) gear.
•Loosen the four No_, 10 keps nuts securing the
bearing plate (See Fig..33), Do not remove the nuts.,
NOTE: Reassembly will be easier if you place a piece of
tape over each of the carriage bolt heads on the inside of
the motor mount before you remove the nuts,_
e Move the speed select lever into sixth (6) gear.,
eRemove the four No,, 10 keps nuts_
® Remove the bearing plate,
® Slide the hex shaft to the right until the friction wheel
can be removed.
O
O
Install the new friction wheel loosely on the hex
shaft,
Reinstall the removed parts in reverse order of re-
moval
HEX SHAFT
(UNIT STANDING ON
AUGER HOUSING END)
FIG. 33
HUB
NOo 10
NUTS
PLATE
AUGER
HOUSING
21

........ IJlJ i ],lll,ll,i, ...................
_SERVICEAND ADJUSTMENrS
TO REPLACE AUGER SHEAR BOLT
The augers are secured to the auger shaft with special
bolts (See Fig. 34) that are designed to break (to protect
the machine) if an object becomes lodged in the auger
housing° Use of a harder bolt wil! destroy the protection
provided by the shear bolt.
IMPORTANT: TO iNSURE SAFETY AND
PERFORMANCE LEVELS, ONLY
ORIGINAL EQUIPMENT SHEAR
BOLTS SHOULD BE USED.. WHEN
REPLACING SHEAR BOLTS, BE SU RE
TO REPLACE SHEAR BOLT
SPACERS.
To replace a broken shear bolt, proceed as follows:
• Move the throttle to STOP and turn off all controls..
•Disconnect the spark plug wire. Be sure alt moving
parts have stopped.
• Lubricate the auger shaft zerk fitting (see the Main-
tenance section, pages !5-16).
oAlign the hole in the auger with the hole in the auger
shafL Install the new shear bolt and shear bolt
spacer provided.
•Reconnect the spark plug wire.
TO ADJUST TRACK
Ifthe snowthrower does not moveforward evenly and the
track slips slightly, you need to check the track, as
follows:
• Measure the distance between the top of the side
plate and the inside of the track.. The distance
should not be more than two (2) inches..
If the distance is greater, you need to adjust the track, as
follows:
o
o
O
Loosen the bolts (A) (See Fig.,35) on both sides of
the track assembly
Turn the cam washers equally on both sides°
Adjust the track to reduce slack, so that the distance
between the top of the side plate and the inside of
the track is not greater than two (2) inches. Be sure
the cam washers are adjusted evenly or the track
will be twisted (See Fig. 36). If the track becomes
twisted, readjust the cam washers to the correct ad-
justmenL
FIG. 34
TRACK DISTANCE SHOULDNOT BE
GREATER THAN 2INCHES
FIG. 35
(A) CAM
WASHER
..............................._0UT OF ADJUSTMENT ..........
_r
-t----CORREC I
FRONT VIEW
FIG. 36
22

SRVICE
TO ADJUST CARBURETOR
AN
The carburetor (See Fig. 37) has been pre-set at the
factory and readjustment should not be necessary..
However, if the carburetor does need to be adjusted,
proceed as follows:
® Close the high speed adjusting screw by hand..
®Do not overtighteno
o Then open it 1-1/4 to 1-1/2 turns°
® Close the id)e adjusting screw by hand, Do not
overtighten.
o Then open it 1-1/4 to 1-1/2 turns_
® Start the engine and let it warm up,
oSet the throttle control to FAST. Adjust the high
speed adjusting screw in until the engine speed or
sound alters° Adjust the screw out until the engine
speed sound alters. Note the difference between
the two limits and set the screw in the middle of the
ADJUST
range..
e Set the throttle control to SLOW,. Adjust the idle
adjusting screw in until the engine speed drops,
then adjust the screw out until the engine speed
drops. Note the difference between the two limits
and set the screw in the middle of the range..
®If the engine tends to stall under load or not accel-
erate from low speed to high speed properly, adjust
the high speed screw out in 1/8 turn increments until
the problem is resolved°
® Let the engine run undisturbed for 30 seconds
between each setting to allow the engine to react to
the previous adjustments.
IMPORTANT: NEVER TAMPER WITH THE ENGINE
GOVERNOR, WHlCH IS FACTORY
SET FOR PROPER ENGINE SPEED.
OVERSPEEDING THE ENGINE
ABOVE THE FACTORY HIGH SPEED
SETTING CAN BE DANGEROUS.
IF YOU THINK THE ENGINE
GOVERNED HIGH SPEED NEEDS
ADJUSTING, CONTACT YOU R
NEAREST SEARS SERVICE CENTER,
WHICH HAS THE PROPER
EQUIPMENT AND EXPERIENCE TO
MAKE ANY NECESSARY
ADJUSTMENTS,.
TO ADJUST OR REPLACE
THE SPARK PLUG
If you have difficulty starting you r snowthrower, you may
need to adjust or replace the spark plug. Follow the
instructions below.
Replace the spark plug it electrodes are pitted or burned
or if the porcelain is cracked 23
ETS
_IDLE ADJUSTING SCREW
_:j- (Close finger tight only)
(Close finger tight only)
i i Hl=,,Hll ,l= ,
FIG. 37
TO ADJUST:
eClean the spark plug by carefully scraping elec-
trodes (do not sand blast or use a wire brush)_
o Be sure the spark plug is clean and free of foreign
matedaL Check electrodes gap (See Fig. 38) with a
wire feeler gauge and reset the gap to 030 inch if
necessary_
.030 GAP
FIG. 38
TO REPLACE:
eIf you need a new spark plug, use only the proper
replacement spark plug.
eSet the gap to _030(See Fig 38).
o Before installing the spark plug, coat its threads
lightly with graphite grease to insure easy removal
•Tighten the plug firmly into the engine,
•Ifa torque wrench is available, to rque the plug to 18
to 23 ft - Ibs

ii ii. E
......................CAUT'iON:NEVE"STORETHEENGINE
WITH FUEL IN THE TANK INDOORS OR
IN AN ENCLOSED, POORLY VENTILATED
AREAWHERE FUEL FUMES MAY REACH
AN OPEN FLAME, SPARK OR PILOT
LIGHT AS ON A FURNACE,. WATER
ttEATER, CLOTHES DRYER, ETC,.
NOTE: Immediately prepare your snow thrower forstor-
age at the end of the season or'if the unit will not be used
for 30 days or more,.
SNOW THROWER
BOWL DRAIN
• Thoroughly clean the snow thrower'.
• Lubricate all lubrication points (see the Mainte-
nance section, pages 15 -16).
•Be sure that all nuts, bolts and screws are securely
fastened. Inspect all visible moving parts for dam-
age, breakage and wear° Replace if necessary.
• Touch up all rusted or chipped paint surfaces; sand
lightlybefore painting,
• Cover the bare metal parts of the blower housing
auger and the impeller with r_Jstpreventative, such
as sprayable lubricant.
NOTE: A yearly checkup o rtuneup by a SEARS Service
Center is a good way to insure that your snow thrower will
provide maximum performance for the next season.,
ENGINE
IMPORTANT: ITIS IMPORTANTTO PREVENTGUM
DEPOSITS FROM FORMING IN
ESSENTIAL FUEL SYSTEM PARTS
SUCH AS THE CARBURETOR, FUEL
FILTER, FUEL HOSE OR TANK
DURING STORAGE.. ALSO,
EXPERIENCE INDICATES THAT
ALCOHOL BLENDED FUELS
(CALLED GASOHOL OR USING
ETHANOL OR METHANOL) CAN
ATTRACT MOISTURE WHICH
LEADS TO SEPARATION AND
FORMATION OF ACIDS DURING
STORAGE. ACIDIC GAS CAN
DAMAGE THE FUEL SYSTEM OFAN
ENGINE WHILE IN STORAGE.
Drain the gasoline from the fuel tank by removing
the fuel line. Drain the fuel and reinstall the fuel lined
FIG. 39
• Start the engine and run at SLOW (idle) speed until
the engine stops from lack of fueL
• Drain the carburetor by pressing upward on the
bowl drain (See Fig_39), located below the carbure-
tor cover_
NOTE: Fuel stabilizer (such as STA-BIL) is an accept-
able alternative in minimizing the formation of fuel gum
deposits dudng storage Add stabilizer to gasoline infuel
tank or storage container, Always follow the mix ratio
found on stabilizer container_ Run engine at least 10
minutes after adding stabilizer to allow the stabilizer' to
reach the carburetor,.Do not drain the gas tank and car-
buretor if using fuel stabilizer_
Remove the spark plug and squirt one (1) ounce of
engine oil into the cylinder. Pult the recoil starter
rope slowly, allowing the piston to coat the internal
engine parts.. Install an old spark plug. This
prevents fouling a new plug with the preservative
used to lubricate the internal parts of the engine_
Close the choke and plug the muffler opening°
OTHER
• If possibJe, store your snow thrower indoors and
cover it to give protection from dust and dirt.
• Ifthe machine mustbe storedoutdoors, block upthe
snow thrower to be sure the entire machine isoff the
ground.
• Cover the snow thrower with a suitable protective
cover that does not retain moisture, Do not use
plastic.,
"'i _ C_'_T'ioN: DRAIN FUEL iNTO i...... ............ .........
Ii APPROVEDCONTAINEROUTDOOBS,I
, ! AWAY FROM OPEN FLAME. ............. i
IMPORTANT: NEVER COVER SNOW THROWER
WHILE ENGINE AND EXHAUST
AREAS ARE STILL WARM
24

SERVICE COIVl NDATiO S
SERVICE RECORDS SCHEDULE
Fill in dates as you com-
plete regular service
ii i
After Before Often Every Every
First 2 Each 10 25 Each Before
hours Use Hours Hours Season Storage
SERVICE
DATES
Check Engine Oil Leve!
Change Engine Oil
33gfiten All Sc'rews and Nuts ...................
....Check Traction Cfutch Cable
Adjustment (See Cable AdjusLrnent)
Replace Sp_ Plug
A_djustDrive" Belts=
Lubricate All Pivot Points
Lubricate Auger Shaft (See Shear Bolt
Replacement)
"=Lubricatesprockets and Chains
Sparingly (Track Assembly)
Drain Fuel
CheckAugerCiuto.Cabie
Adjustment (See Cable Adjustment)
Ii
v"
i III,ILILll
..... ..... J
............. i == =.
....= , i_
ii
LUBRICATION CHART
Lubricate Auger Shaft. Coat
with a clinging type grease
such as lubriplate.
25
Oil chains and
sprockets with
10W-30 oil.

TROUBLE SHOOTING POINTS
TROUBLE
Difficult'starting
CAUSE
Defective spark plug
Water or dirt in fuel system
' 'B'lockedfu':i'"ii'.'eoriowonfuel
Engine tuns erratic
iii
Engine stalls
Engine runs erratic;
Loss of power
Excessive vibration
Unit falls to propel
itself
Unit fails to
discharge snow
,,,,,,,,, , ..........
Unit running on CHOKE
Water or dirt in fuel system
Carburetor out of adjustment
Loose parts;damaged impeller
Drive belt loose or damaged
Incorrect adjustment of traction
drive cable
Worn or damaged friction wheel
Auger drive belt loose or damaged
Auger control cable not adjusted
CORRECTION
Replace defective plug.
Use carburetor bow] drain to flush and refill with fresh
fuel.
Clean fuel line; check fuel supply; add fresh
gasoline (Gasolinetoil mixture if 2 cycle #ngine.),
Set choke lever to RUN positio_
Use carburetor bowl drainto flush and refill withfresh
fuel
Adjust carburetor,
Step engine immediately and discont_ect spark plug wire
Tighten all bolts and make all necessary repairs If vibration
continues, have the unit serviced by a competent repairman
Replace drive belt.
Adjust traction drive cable.
Replace friction wheel.
Adjust auger drive belt; replace if damaged
Adjust auger control cable..
correctly
Shear boil broken
Discharge chute clogged
Replace shear bolt
Stop engine immediately and disconnect spark plug wire..
Clean discharge chute and inside of auger housing
Unit rides up
Foreign object lodgedin auger
Weight transfer disengaged
Stop engine immediately and disconnect spark plug wire.
Remove object from auger
Engage weight transfer pedal
26

I NOTES
27

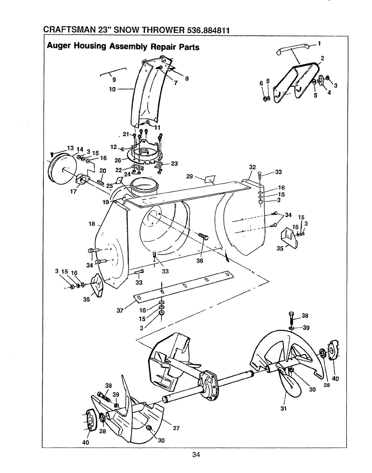
CRAFTSMAN 23" SNOW THROWER 536.884811
Handle Assembly Repair Parts
60 3 1 3 59
1
_--4
39
-40
62
41
28 57
11
29-
30
.10
63
_132 33
64
52
22
16
19
17
18
18
17
24 26
17
16
7
17
45 51,
21
43
28
48
49
46 47
5O
47 46

CRAFTSMAN 23" SNOW THROWER 536.884811
REF.
NO,
1
2
3
4
5
6
7
8
9
t0
11
12
13
14
15
16
17
18
19
2O
21
22
23
24
25
26
27
28
29
30
31
32
PART NO.
3535
309344
3538
4049
308012
70990
309059
308037
6300
71059
71034
306523
310421
308901
310391
71042
71060
50782
6352
50786
71072
71O38
1668
1449
73801
73812
t579
7288
71062
71044
7289
71045
PART NAME
5/16 InoCap Nut
Adapter, Boot to Handle
Pivot Pin
Bumper
Upper Handle
5/16-18 x 1-3/4 Inr Screw
Bracket, Chute Rotate Stop
Shift Lever
Decal, Gear Selector
1/4 In, Lockwasher
1/4..20 Hex Nut
Control Panel
Support Control Panel Ass'y
Taptite Screw, 10-24 x 5/8 lno
1/4-20 x 2 InoCarriage Bolt
5/16-24 Hex Nut
5/16 In. Lockwasher
Ball Joint
Adapter, Speed Control Rod
Spring
t3/32 In., Flatwasher
5/16-18 Hex Nut
Speed Control Rod
Lever, Speed Control
5/32 x 7/8 In..Spring Pin
1/2 in.. Flatwasher
Clutch Cabie
3/8-16 x 3 In. Screw
3/8 In. Lockwasher
3/8-16 Hex Nut
Plastic Stop
3/8-16 Jam Nut
REF.
NO.
33
34
35
36
3'7
38
39
40
41
42
43
44
45
46
47
48
49
5O
5!
52
53
54
55
56
57
58
59
60
61
62
63
64
PART NO.
71457
70984
308011
1672
1673
71035
304872
307399
17
148
71082
104
7O55
7058
7059
70993
7052
1162
71037
71071
71007
3903
3902
308146
308145
50780
307920
307918
309310
309312
71046
307148
PART NAME
,, , ,, .....
Eye Bolt
5/16-18 x 3/4 In Screw
Lower Handle
Drive Clutch Spring
Auger Clutch Spring
1/4-20 Locknut
Retainer Ring
Chute Crank Handle
Chut_e:Crank Assembly
Eye Bolt Grommet
3132 x 1 In. Cotter Pin
Plastic Cap
Chute Control Rod
1/2-20 Jam Nut
I12 InoLockwasher
5/16-18 x 3/4 In. Carriage Bolt
L.H., Chute Rotate Bracket
R..H..Chute Rotate Bracket
5/t6-18 Hex Nut
'11/32 In Ffatwasher
3/8-16 x 2 In. Hex Hd Bolt
Auger Drive Control Decal
Traction Drive Control Decal
Clutch Spring Boot
Eyebo_t Boot
Plastic Knob
Traction Drive Lever, L H
Auger Drive Lever, R..H.
Plug, Nylon
Washer, Flat
3/8" Nylon Locknut
Owner's Manual
29

CRAFTSMAN 23" SNOW THROWER 536.884811
Motor Mount Assembly Repair Parts 49
53
91 !8
51
58 60 5 62 6,
65
57
©
18 54 52
37 55 70
68 _69
67 23
9i
90 13
829 31 32
___ 5O
24 20 60 77
78\
33
42
85
72 87 74
84
81
83
7 73
31
8O
12
15
44
26 /
45
47
46
48 33
25
87
88
71
14 89 88
3O

CRAFTSMAN 23" SNOW THROWER 536.884811
REF,
NO, PARTNO.
i 308646
2 307696
3 308054
4 70988
5 71060
6 85494
7 71074
8 73801
9 53703
10 85492
11 71067
12 70978
13 70982
14 62'15
15 308009
16 50795
17 7287
'18 6106
19 7O985
20 73795
21 53793
22 53794
23 71391
24 53704
25 590
26 71010
27 71072
28 73787
29 55026
30 55027
3! 71071
32 71393
33 577399
34 53788
35 20579
36 30289
37 6103
38 577269
39 53714
40 50677
41 71063
42 71015
43 50793
44 145!
45 443
46 301545
47 5939
48 3526
49 85495
PART NAME
Motor Mount Frame
Belt Cover
Tecumseh Engine, 5 HP, 4 Cy
5/16-18 x1-1/4 In. Bolt
5/16 tn. Lockwasher
Clutch Cable Lever
1/2 In.. Flatwasher
5/32 x 7/8 In. Spring Pin
Bushing, Plastic
Clutch Auger Lever Assembly
1/4 In. Flatwasher
1/4-20 x I/2 In. Self Tapping Scr
5/16-18 x 1/2" Self Tapping Scre
48 Tooth Gear
Bottom Cover
3/4 In..Hypro Key
Roller Bearing
1/2 In. Flatwasher
5/16-18 x 3/4 In. Bolt
5/16 x 1-3/8 In. Flatwasher
Idler Traction Lever
Spacer, Sleeve
5/16-t8 Hex Locknut
Idler Traction Drive Spring
3/8-16 Hex ,Jam Nut
3/8-16 x 1-1/2 In Bolt
318 In.. Flatwasher
Belt Retainer Washer
L.H BeR Guide
R.H. Belt Guide
11/32 In. Flatwasher
5/16-24 x 1 In. Bolt
5/I6-18 x 1/2 In. Set Screw
Engine Pulley
Key, Woodruff # 5
1/2 In. Wave Washer
Outer Bearing Retainer
Engine Pulley Spacer
Engine Drive Pulley
Flatwasher
3/8 In Lockwasher
3/8-24 x 1 InoBolt
1-7/8 In, Idler Pulley
Shaft & Levers Assembly
Auger Brake Spring
5 In. Impeller Pulley
Special Traction Drive Belt
Special Auger Drive Belt
Shift Control Shaft
REF. t
No. I
', I
5O
51
52
53
54
55
56
58
59
60
61
62
63
64
65
66
68
70
71
73
74
75
78
79 ,
81
82 i
83 I
84 1
85 1
!
°°1
87
88
89 I
91
92 t
93 t
94 1
95 f
96 I
97 I
PART NO.
73812
71111
71461
85504
6105
6107
72531
53833
53832
71086
73811
85501
53831
53830
t't87'1
71059
71034
3080O5
71360
71035
51438
73839
85499
53816
71079
73817
53807
7091
7286
53818
53820
53821
53819
73823
73822
71081
70970
73826
53836
5923
71045
71062
48275
307697
310169
308900
308903
71005
PART NAME
1/2 In Flatwasher
3/8-16 Hex Locknut
#10_24 Keps Nut
Bearing Assembly
Inner Bearing Retainer
Ball Bearing
10-24 x 3/8 In_Carriage Bolt
8 Tooth _inion Gear
Hex Disc Friction Wheel Shaft
1/8 x 3/4 In Spring Pin
1/4 In..Snap Ring
Trunion Bearing
Friction Wheel Hub
Friction Wheel
1/4-20 x 5/8 In..Bolt
1/4 In..Split Lockwasher
1/4-20 Hex Nut
Pivot Bracket
1/4-20 x 1-3/4 in Bolt
1/4-20 Hex Locknut
5/16 In..Spacer, Sleeve
1/4-20 x 2-1/4 In. Bolt
Traction Shaft Assembfy
t/2 In. Spacer, Sleeve
1/8 x 1 In_Cotter Pin
1/2 inn Push-on Nut
Friction Wheel Disc
Traction Hex Shaft
Thrust Bearing
Return Spring
Clutch Spring
Clutch Rod
Traction Spring Bracket
1/8 x 1-3/8 In_Spring Pin
1/8 x 1/2 in. Spring Pin
3/32 x 3/4 In. Cotter Pin
1/4-20 x 1-1/4 In Bolt
I/4-20 Hex Locknut
Shaft Hex Bearing
Track Axle Shaft
Nut, 3/8-16
Washer, Splitlock
Washer, Flat 3/4 In
,Fender
Screw, 1/4-20 x 3/8 In
Screw, 14-10 x 3/4 in..
Nut, 14-10 "J" Type
Screw, 3/8-16 x 1 In
31

CRAFTSMAN 23" SNOW THROWER 536.884811
Track Assembly Repair Parts
21
21 22 36 37
15
17
15 26
32
20
25
3O
19
42
43 29 26 25
18 19
15
16 15
14
11
22 37
÷
33
24
\
35 19
26 19 2O 31
23 21
27
36 37
40
32

CRAFTSMAN 23" SNOW THROWER 536.884811
REF.
NO.
1
2
3
4
5
6
7
8
9
10
11
12
113
14
15
16
i
1718
19
20
! 21
22
PART NO.
308048
308038
308039
6025
518
6001
70978
71060
71037
73839
6215
7285
70985
71391
301818
5930
59'17
5947
71067
6108
71348
5951
PART NAME
Foot Pedal
L,H. Bracket, Weight Transfer
R..H, Bracket, Weight Transfer
Tension Spring
1!2 In,,Pal Nut
7/16 In.,Shoulder Bolt
1/4-20 x 1/2 In Serf Tapping Screw
5/! 6 In, Lock'washer
5/16_18 Hex Nut
1/4-20 x 2-1/4 In,,Screw
48 Tooth Gear
Screw, 1/4-20 x 1-1/2 In_
5/16-18 x 3/4 in.,Bolt
5/16-18 Hex Locknut
Track Drive Wheel
Sprocket
Chain #420-50
1/4-28 x 3-3/4 In, Screw
1/4 In. Flatwasher
1/4-28 Locknut
5/16-18 x t/2 In. Screw
5/16 In,.BeIleville Washer
NO.
23
24
25
26
27
28
29
3O
31
32
33
34
35
36
37
38
39
40
41
42
43
PART NO,
5950
9724
302024
7074
301817
305299
308883
308882
308061
308056
9756
301819
71O35
70969
6403
304133
73840
308784
73826
9727
20465
PART NAME
1/2 In. Flatwasher
4-3/4 In_Track
Track Wheel Shaft
1/2 In, Flatwasher
Track Idler Wheel
3/4 In, Flatwasher
Inner L,H, Track Plate
Inner RH. Track Plate
Outer LIH'. Track Plate
Outer RoHoTrack Plate
Inner Track Bearing Hub
Outer Track Bearing Hub
1/4-20 Hex Locknut
1/4_20 x I in. HHC Screw
Cam Washer
Sprocket and Hub Assembly
3/4 In Flatwasher
Trac Plus Decal
1/4-20 Locknut
Tie Rod
1/8 In, Hair Pin
33

CRAFTSMAN 23" SNOW THROWER 536.884811
Auger Housing Assembly Re
,o f il
)air Parts
29
32
3 15 16
18
\
)
33
36
35
38
38 28
3O
31
4O
27
34

CRAFTSMAN 23" SNOW THROWER 536.884811
REFo
NO. PART NO.i
1 308768
2 307665
3 71037
4 57171
5 302680
6 71391
7 302843
8 302634
9 308931
t0 307698
11 302678
12 302635
13 577400
14 53759
15 71060
16 71071
17 308059
18 308119
19 302922
20 20556
PART NAME
Striped Danger Decal
Chute
5/16_18 Hex Nut
Wing Knob
5/16 In. Flatwasher
5/16-18 Hex Locknut
5116-18 x 1-1/4 In. Carriage Bolt
5116-18 x 3/4 In. Screw
Chute Hinge Wire
Lower Chute
•1/4-20 x 112 In. Screw
1/4-20 Wide Flange Locknut
5/16-18 x 3/4 In. Bolt
6.5 In. Auger Pulley
5/16 inn Split Lockwasher
11/32 In, Flatwasher
Bearing & Retainer
R,H Side Plate
Danger Decal, Read From Side
3/16 In_Square Key
REF.
NO.
21
22
23
24
25
26
27
28
29
30
31
32
33
34
35
36
37
38
39
40
PART NO.
71032
309057
85480
71058
70142
308839
308053
73755
70141
73826
308052
308118
70993
70984
307912
7O983
736
9524
3943
53757
PART NAME
8-32 x 1/2 Ino Bolt
Retainer w/Stop Clip,Chute
Lower Chute Ring Clip
#8-32 Hex Locknut
Chute Danger Decal
Lower Chute Ring
R..HoAuger
Auger Washer
Auger Danger Decal
1/4-20 Locknut
L,H. Auger
L,H. Side Plate
5/16-18 x 3/4 ln_ Carriage Bo_t
5/16-18 x 3/4" Self Tapping Screw
Height Adjust Skid
5/16-t8 x 5/8 In, Screw
Scraper Bar
t/4-20 x 1-3/4 In HHC Screw
1/4 In. Spacer
1 In.,Auger Shaft Bearing
35

CRAFTSMAN 23" SNOW THROWER 536.884811
GEAR BOX REPAIR PARTS
7810 11 12 13 1 15 16
5
617
18 19 20 21 2O
19 22
/23
24
6
1
i
tl
PAR]" NO. PART NAME
71393
308051
73905
3956
71100
1065
53737
10905
53735
53734
53733
50795
5/16-24 X I In,. Bolt
impeller'& Shaft Assembly
Woodruff Key #9t
Auger Shaft, 23 Ino
5/16-24 Flange Locknut
Oil Seal
Quad Ring
Flange Bearing
7/8 In,, Flatwasher
7/8 In, Roller Bearing
7/8 In_Flatwasher
3/4 in_Key
REF,
NO, PART NO. PART NAME
13
14
15
!6
17
18
!9
2O
21
22
23
24
36
53732
50683
50688
5373 t
895
53749
53743
53748
53730
897
896
912
1-3/4 In,. Worm Gear
3/4 In. Flatwasher
Retaining Ring
Sleeve Bearing
L_H. Gear Box Housing
1/4 x 18 Pipe Plug
Auger Gear Box Bearing
1 In, Flatwasher
Worm Gear'
Gear Box Gasket
R H. Gear Box Housing
5/16-24 x 1-1/2 In. Bolt

REWIND STARTER NO. 590646
12 !
13
Refo
No. Part Name
iStarter, Rewind
1 iPin, Spring _(}_cLNo. 4)
2Washer
3 Retainer
4 iWasher
5ISpring, Brake
6 Dog, Starter
7 Spring, Dog
8 Pulley
9 Spring, Rewind
10 Cover, Spring
11 Housing Assyo, Starter
12 Rope, Starter (Length 69" E_5/32'
diaJ
Handle, Mitten Grip (Not include,
with starter)
Part
No.
59O646
590599A
590600
590615
590601
590598
590616
590617
590645
590619
590620
590647
590451A
13 590574
_2
37

CRAFTSMAN4-CYCLEENGINE MODEL NUMBER: 143.804072
IIIIIII II IIIII
L
48
218 ,,,...-"*'
221
.J'e.,...._ _'-,-..219
149
18
228
i
I
I
I
11
102 ___31
>
9
290C
I
""_'-186 203 30_i _
"I85 ..f202
MODELandSERIAL ]1
NUMBERSHERE
i
38

CRAFTSMAN
Ref. Part
No. No.
"1
5
6
7
8
9.
10
11
12
20
2t
22
23
24
25
28
31
32
35
45
46
47
47
47
48
48
48
49
49
49
50
51
52
53
54
55
56
57
58
59
60
70
71
72
73
74
75
76
77
78
79
84 i
84
85
86
87
88
89
9O
4=CYCLEENGINE
33674B
34171
3O969
326O0
28277
31334
31510
31335
65O548
_33342
650_1
t33838A
31342
650549
610973
31426
165O139
130322
35440
26727
34740
34535
34536
34537
335628
33563B
335648
33567
33568
33569
20381
32875
32654
32610A
27241
33696
32323
"27677A
34678
27897
30318
35479
30591
30574
30568A
29193
650488
35554
35499
35556
35539
29313C
29315C
32644A
32645A
31672
31673
27666
31410
"27234A
34146
Part Name
Cylinder Assy. (lncl, Nos, 7 846)
Nipple, Pipe
Cap, Oil drain
Seal, Oil
Washer, Flat
Rod, Governor
Lever, Governor
Clamp, Governor lever
Screw, Hex washer hdo, 8-32 x 5/t6
Baffle, Blower housing
Screw, Hex washer hd. Durlok, I/4-20
x 5/8
Control Assy., Bracket (IncL Nos, 23
thru 25, 31 _32)
Spring, Compression
Screw, FiL hd, 5-40 x 7/16
Terminal Assy.
Spring, Extension
Screw, FiL hd. Seres, 8-32 x 1/2
Nut, Lock, 8-32
Knob, Speed control
Pin, Dowel
Crankshaft Assy.
Piston, Pin _Ring Assy. (Std_} (tncl.
Nos_ 48, 49 5" 50)
Piston, Pin Ef Ring Assy, (,010 over-
size) (Inclo Nos. 48, 49 Et 50)
Piston, Pin Et Ring Assy. (,020 over-
size) (fncl. NOSo48, 49 _50)
Piston E_Pin Assy.. (Stdo)(IncL No. 50)
Piston E_ Pin Assy. (Ot0 oversize)
(Incl. No. 50)
Piston _ Pin Assy.. (020 oversize)
(incl_No, 50)
Ring Set, Piston (Std.)
Ring Set, Piston (.O10oversize)
Ring Set, Piston L020 oversize)
Ring, Piston pin retaining
Rod Assy.., Connecting (|ncL Nos, 52
53)
Dipper, Oil
Bolt, Connecting rod
Lifter, Valve
Camshaft (Compression Release)
Washer, Thrust
Gasket, Cylinder cover
Cover, Cylinder(inct, Nos° 59, 60 _ 72)
Seal, Oil
Seal, Camshaft
Washer, F_at
Gear, Governor (Incl, No. 70)
Shaft, Mechanical governor
Spool, Governor
Ring, Retaining
Screw, Hex hd, Seres, 1/4-20 x1.1/4
Tube Assy., Oil fill
"O" Ring
Dipstick
Clip, Oil fill
Valve, Exhaust (Std.) (Incl. Noo 86)
Va}ve, Exhaust (1/32" oversize) (IncL
No. 86)
Valve, Intake (Std.) (lncL No., 86)
Vafve, Intake (!/32" oversize) (tncL No
86)
Spring, Valve
Cap, Valve spring
Body, Valve cover
Element, Valve body
Gasket, Valve cover
Cover. Breather
I Ref.
INo.
r"_'
i 91
I 93
95
i96
i 97
98
99
100
101
102
140
141
142
143
144
145
146
147
148
149
150
160
161
162
163
164
165
181
182
183
184
185
186
187
189
191
192
t93
194
195
196
197
198
201
202
203 i
204 J
205 J
210
211
216
217
218
MODEL NUMBER:
Part
No.
35350
650128
29752
*26756
33691
"33673A
6201
650870
650664
32698
34583
28820
34582
35438
35593
610973
35285
35072
650257
650735
33333
3408O
650872
34443A
610118
650814
611O81
610961
650815
65O863
35557
34212
30200
34126
28545
650760
"33554A
33016A
6021A
650691
650818
33636
29745
650128
35656
570682
32180C
33341
650701
650168
29212
33344
28371B
650694A
143.804072
PartName
Tube, Breather
Screw, Hex hd. Seres, 10-24 x 1/2
Nut _ Lockwasher, 1/4-28
Gasket, Carburetor
Pipe, Intake
Gasket, intake
Screw, Hex hd°, !/4-28 x 7/8
Screw, Hex hd., t/4-28 x1-tl/16
Screw, Fil. hd. Semso I/4-20 x 1-19/32
Link, Governor._tothrottle
Bracket, Chok_-"
Screw, Fil, hd,. Sems, 10_32xt/2
Rod, Choke
Knob, Choke control
Key, Ignition
Terminal Assy.
Wire, Ground
Cover, Carburetor
Screw, Pan hdo Semso 8-32x 5/16
Screw, Hex hd., Seres, rapt(re, t0-24 x
3/8
Bracket, Carburetor cover
Spacer, Flywheel key
Stud, Solid state mounting
Solid State Assy.,
Cover, Spark plug
Screw, Torx hex washer hd. Seres,
10-24 xI
Flywheel (w/ring gear)
Key, Flywheel
Washer, Belleville
Nut, Flywheel
Wire, Ground
Bracket, Hold down
Screw, Hex washer hd. self-tap Sems,
10-24 x 9/16
Bracket, Grommet mounting
Grommet, Plastic
Screw, Pan hd. taptite, 8-32 x 3/8
Gasket, Cylinder head
Head, Cylinder (lncL No.. 218)
Screw, Hex flange hd., 5/16-18 x 1-!/2
Washer, Fiat
Screw, Special hex hd., 5/16-18 x
1-1/2
Plug, Spark (Champion J-8C or
equivalent)
Extension, Blower housing
Screw, Hex hd. Seres, 10-24 x1/2
Housing, Blower
Primer Assy,.
Line, Primer
Extension, Baffle
Screw, Hex washer hd. shakeproof
self-drilling, 8-18 x 7/16
Washer, Flat
Screw, Hex hd_ Seres, 1/4-28 x 7/16
Baffle, Heat
Plate, Fuel tank
Screw, Hex flange hd, 5/16-18 x 2
*Indicates Parts Included in
Gasket Set, ReL No. 305.
39

CRAFTSMAN4-CYCLEENGINE
ReL
No.
)219
22O
)
)
229
23o
231
232
)24_9
i251
)
)
)256
1270
_ 274
!276
276
277
290A
Part
No. Part Name
34182
65O675
65O805
"33670A
33697A
650327
8345
30O63
35584
35355
650665
2646O
30705
34694
65O884
65O168
590574
35392
34346
Bracket, Fuel tank mounting
Washer, Flat
Screw, Hex hd. w/bellevilie washer,
1/4-20 x11/16
Gasket, Exhaust
Muffler
Screw, Fil. hd_ Seres, 1/4-20 x 2-i/2
Washer, Flat
Screw, Hex washer hd. Seres, 1/4-20
xt/2
Tank Assy., Fuet(IncloNos_250 _253)
Cap, Fuel tank
Screw, Hex washer hd. self-tap Seres,
1/4-15 x 7/8
Clamp, Fuel line
Line, Fuel
Cup, Starter
Screw, Hex washer hd.o 8-32 x 1/2
Washer, Flat
Handle, Starter
Plug, Starter
Decal, Instruction
No.
290B
290C
290D
290F
300
301
303
305
MODEL NUMBER: 143.80407_
Part
No. Part Name
34144
35282
34414
35312
632107A
590646
33683B
Decal, Primer
Decal, Choke
Decal, Warning
Decal, Instruction
Carburetor (IncL No. 96)
Starter, Rewind
Electric Starter Kit 143o88933 (Op-
tional) Sold as accessory
Gasket Set (Inctoitems marked *)
RPM Settings: _:
Low Speed: 21(_), High Speed: 3700.
"Indicates Parts Included in
Gasket Set, Ref. No, 305.
tin original production the speed con-
trol assembly is riveted to the blower
housing baffle. Replacement speed
control assembly includes screws and
nutsfor mounting, Replacement baffle
has threaded hoies_
CARBURETOR NO. 632107A
I
[I
!
4... ,..., "m'b (
_..-_ L :) _P'_126
• i31 ). !
15 /:=
24 11 J !
18 12
""" 13
......, 14
,/ 15
17
I
23 _o --22
31----o
30 _{_
32
Ref.
No.
1
2
3
4
5
6
7
8
9
10
1t
t2
13
t4
t5
16
17
18
21
22
23
24
25
26
3O
31
32
Pa1't
No.
632107A
531615
631767
631036
65O5O6
63O766
650417
632108
630735
631815
"630748
"631027
*631021
631022
632019
*631024
631951
27136A
"27554
27110
"31839
*630740
"631838
*631028
631807
630738
630739
31840
Part Name
Carburetor
Shaft _Lever Assy,, Throttle
Spring, Throttle return
Shutter, Throttle
Screw, 4-40 x 3/16
Spring, Idle regulating screw
Screw, Idle regulating
Shaft _Lever Assy, Choke
Spring, Choke stop
Shutter, Choke
Plug, Welch
Plug, Welch
Inlet Needle, Seat et Clip Assy.
Incl. No. 13)
Clip, inlet needle
F(oat, Carburetor
Shaft, Float
Bowl, Float (tncL Nos. 17 8- 18}
Drain Assyo, Bowl (lncl No, 18)
Gasket, Bowl drain
Gasket, Bowl_to-body
Adjustment Screw Assy., Main
(Incl_Nos_ 21, 23, 30 e31)
"O" Ring, Adjustment screw
Screw, Idle adjustment
Gasket, Bowl-to-body
Fitting, Fuel inlet
Spring, Main adjustment screw
Washer, Flat
Repair Kit {Inclo items marked ")
4O

I NOTES
41

OWNER'S
MANUAL
MODEL NO.
536.884811
HOW TO ORDER
REPAIR PARTS
SEARS,
307148 09116!89
CRnFrIMIIN®
5 HORSEPOWER
23" DUAL STAGE
TRAC-PLUS
OPTIONALELECTRIC
START
SNOW THROWER
Each SNOW THROWER has its own MODEL
NUMBER found on the motor mount flame.
Each ENGINE has its own MODEL NUMBER
found on the BLOWER HOUSING°
Always mention these MODEL NUMBERS when
requesting service or Repair Parts for your SNOW
THROWER.
All parts listed herein may be ordered through
any Sears Service Center/Department and most
Sears Stores,
WHEN ORDERING REPAIR PARTS, ALWAYS
GIVE THE FOLLOWING INFORMATION:
* PRODUCT - "SNOW THROWER"
* MODEL NUMBER - 536.884811
* ENGINE MODEL NUMBER 143.804072
*PART NUMBER
* PART DESCRIPTION
"Your Sears merchandise has added value when you
consider that Sears has service units nationwide staffed
with Sears trained technicians ,,.Professional technicians
specifically trained on Sears Products, having the parts,
tools and equipment to insure that we meet our pledge
to you._we service what we sell,"
ROEBUCK AND CO.,
...... i ill lU uJll ill i i i
Chicago IL. 60684
Printed in U.S.Ao