Sears 917 25591 Users Manual
917255910 917255910 CRAFTSMAN SEARS 18 H.P. GARDEN TRACTOR - Manuals and Guides L0805150 View the owners manual for your CRAFTSMAN SEARS 18 H.P. GARDEN TRACTOR #917255910. Home:Lawn & Garden Parts:Craftsman Parts:Craftsman SEARS 18 H.P. GARDEN TRACTOR Manual
CRAFTSMAN Lawn, Tractor Manual L0805150 CRAFTSMAN Lawn, Tractor Owner's Manual, CRAFTSMAN Lawn, Tractor installation guides
!! Sears-29 Sears Lawn Mower Manuals - Lawn Mower Manuals – The Best Lawn Mower Manuals Collection
917.25591 to the manual ee5eb199-3b9d-4809-a6e3-a74b57bfb0b2
2015-02-05
: Sears Sears-917-25591-Users-Manual-399151 sears-917-25591-users-manual-399151 sears pdf
Open the PDF directly: View PDF
.
Page Count: 48

8EA/RS
OWNERS
MANUAL
Caution:
Read Rules for
Safe Operation
and Instruction s
Carefully
GT 18 TWIN
TRACTOR
Assembly
Installation
Operation
Repair Parts
Sears, Roebuck and Con,Chicago, IL 60684 U.S_A.

CONGRATULATIONS on your purchase of a Sears GT 18
Garden Tractor° It has been designed, engineered and manu-
factured to give you dependability and performance. Should
you experience any problem you cannot easily remedy,
please contact your nearest Sears Service Center. They have
competent, well-trained technicians and the proper tools and
parts to service or repair this unit.
Please read and retain this manual° The instructions will enable
you to assemble, operate and maintain your' Tractor proper-
ly. Always observe the "RULES FOR SAFE OPERATION".
YOUR NEW GT 18
GARDEN TRACTOR
FEATURES...
CRAFTSMAN 18 H.P. TWIN-CYLINDER ENGINE-coot-
running performance and long life with plenty of power- to
take on a variety of yard, gardening or snow removal tasks,
INTERLOCK SWITCH SYSTEM--allows engine to start only
when tractor Clutch-Brake Pedal is depressedand Attachment
Clutch Switch is in "OFF" position.
MODEL
NUMBER,
SERIAL
NUMBER,
THE MODEL AND SERIAL NUMBERS WILL BE
FOUND ON THE MODEL PLATE ATTACHED
TO THE DRAWBAR,
YOU SHOULD RECORD BOTH MODEL AND
SERIAL NUMBERS AND KEEP IN A SAFE PLACE
FOR FUTURE REFERENCE=
ATTACHMENT VERSATILITY*-handIes alarge variety of
Sears Yard and Garden Tractor Attachments including _ o o
44 INCH MOWER with three "high-lift" blades to stand
grassup for level cuts.
OTHER SOIL TILLAGE ATTACHMENTS including Plow,
Disc Harrow, Drag Harrow and Cultivator.
46 INCH DOZER or
, _jr r_rnoves snow.
ALL GEAR TRANSMISSION-six speedsforward, two reverse _. (_.INCH SNOW
speeds--to let you select the proper match for the terrain and snow with ease..
tile job. Automotive-type differential helps guard against turf
scuffing_
CONTROL PANEL-wlth Throttle, Choke, Light Switch, Ig-
nition Switch, Ammeter, Parking Brake Lever and C_utch
Swltch--conveniently grouped for ease of use.
powdery
REAR GRADER AND LEVELER BLADE levels new
yards, grading lanes, driveways and parking areas,
LIMITED ONE YEAR WARRANTY
ON ELECTRIC START RIDING EQUIPMENT
For one year from date of purchase, when this ridinq equipment is maintained, lubricated, and tuned up according to the
operating and maintenance instructions in the owner s manual, Sears will repair free of charge any defect in material or'
workmanship in this electric start riding equipment.
This warranty excludes blade(s), blade adapter(s), spark plug(s), air cleaner and belt(s), which are expendable and become
worn during normal use°
This warranty does not cover:
tire replacement or repair caused by punctures from outside objects (such as nails, thorns, stumps, or glass);
and
repairs necessary because of operator abuse or- negligence, including the failure to maintain the equipment
according to instructions contained tn the owner s manual; and
riding equipment used for commercial or rental purposes.
FULL SO-DAY WARRANTY ON BATTERY
For 90 days from the date of purchase, if any battery included with this riding equipment provesdefective in material or
workmanship and our testing determines the battery will not hold a charge_Sears will replace the battery at no charge.
WARRANTY SERVICE iS AVAILABLE BY CONTACTING THE NEAREST SEARS SERVICE CENTER/DEPART-
MENT IN THE UNITED STATES, This warranty applies only while this product is in use in the United States.
This warranty gives you specific legal rights, and you may also have other rights which vary from state to state.
Seam,Roebuck and Co., D/698-731A, Sears Tower,Chicago,/L 60684
-2-

TABLE OF CONTENTS
RULES FOR SAFE OPERATION ........ BELOW MAINTENANCE INSTRUCTIONS ............. 13
ASSEMBLY INSTRUCTIONS ................. 4TROUBLE SHOOTING ..................... 25
OPERATION INSTRUCTIONS ................ 7 REPAIR PARTS ........................... 27
RULES FOR SAFE
1_ Know the controls and how to stop quickly. READ THE
OWNERIS MANUAL.
2. Do- not allow children to operate the vehicle. Do not allow
adults to operate it without proper instruction or with-
out having read the owners manual.
3. Do not carry passengers. Keep children and pets a safe dis-
tance away_
4. Always wear substantial footwear,, Do not wear loose fitting
clothing that could get caught in moving parts°
5. Keep your eyes and m nd on your tractor, mower and the
,I " "U
area being cut. Don t let other interests d_stract yo.,
6o Do not attempt to operate your tractor or mower when
not in the drivers seat.
7. Always get on or off your tractor from the operators left
hand side.
8. Clear the work area of obiects which might be picked up
and thrown,
9. Disengage all attachment clutches before attempting to
start the engine,
10 Disengage power to attachments and stop the engine be-
fore leaving the operator s position.
11o Disengage power to mower, stop the engine and disconnect
spark plug wire(s) from spark plug(s) before cleaning, mak-
ing an adjustment or repairs
12 Disengage power to attachments when transporting or not
in use°
13 Take all possible precautions when leaving the vehicle un-
attended, [Jisengage the power-take=off, lower the attach-
ments, return drive control lever to neutral, shift into
neutral, set the parking brake, stop the engine and remove
the key
14. Do not stop or start suddenly when going uphill or down-
hill. Mow up and down the face of slopes (not greater than
15°); never across the face, Refer to page 47.
15. Reduce speed on slopes and make turns gradually to pre-
vent tipping or loss of control Exercise extreme caution
when changing direction on slopes°
16., While going up or down slopes, place Gear S,bift Control
Lever in 1st gear and Range Shift Lever in "'LO" (Low)
position to negotiate the slope without stopping,
17_ Never mow in wet or slippery grass, when traction is un-
sure or at a speed which could cause a skid.
18o Stay alert for holes in the terrain and other hidden hazards,
19. Do not drive too close to creeks, ditches and public high-
ways,,
20° E_tercise special care when mowing around fixed objects
in order to prevent the blades from striking them Never
deliberately run tractor or mower into or over any foreign
object.
21,, Never shift gears until tractor comes to a stop,
22., Never place hands or feet under the mower, in discharge
chute or near any moving parts while tractor or mower are
running. Always keep clear of discharge chute,
OPERATION
23, Use care when pulling loads or using heavy eqUipment_
a. Use only approved drawbar hitch points.
b Limit loads to those you can safely control.
c, !_o not turn sharply_ Use care when backing°
d. Use counterweight or wheel weights when suggested in
the owner s manual.
24. Watch out for traffic when crossing or near roadways,_
25,, When using any attachments, never direct discharge of
material toward bystanders nor allow anyone near the ve-
hicle while in operation,
26. Handle gasoline with care - it is highly flammable,
a. Use approved gasoline containers.
b. Never remove the cap of the fuel tank or add gasoline to
a running or hot engine, or fill the fuel tank indoors.
Wipe up spilled gasoline.
co Open doors if the engine is run in the garage - exhaust
fumes are dangerous. Do not run the engine indoors,
27° Keep the vehicle and attachments in good operating con-
dition, and keep safety devices in place°
28. Keep all nuts, bolts and screws tight to be sure the equip-
ment is in safe working condition.
29. Never store the equipment with gasoline in the tank inside
a building where fumes may reach an open flame or spark°
Allow the engine to cool before storing in any enclosure.
30. To reduce fire hazard, keep the engine free of grass, leaves
or excessive grease. Do not clean product while engine is
running.
31o Except for adjustment; DO NOT operate Engine if air
cleaner or cover directly over carburetor air intake is re=
moved. Removal of such part could create a fire hazard_
32° Do not operate without a muffler or tamper with the ex-
haust system, Damaged mufflers or spark arresters could
create a fire hazard. Inspect periodically and replace if
necessary.
33. The vehicle and attachments should be stopped and in-
spected for damage after striking a foreign object and the
damage should be repaired before restarting and operating
the equipment,
34, Do not change the engine governor settings or overspeed
the engine; severe damage or injury may result.
35. When using the vehicle with mower, proceed as follows;
a. Mow only in daylight or in good artificial light.
b. Shut the engine off when unclogging chute,
co Check the blade mounting bolts for proper tightness at
frequent intervals,,
36, Do not operate the mower without the deflector shield in
place.
37. Disengage power to mower before backing up. Do not mow
in reverse unless absolutely necessary and then only after
careful observation of the entire area behind the mower
LOOK FOR THIS SYMBOL TO POINT OUT IMPORTANT SAFETY
PRECAUTIONS. IT MEANS -ATTENTION! BECOME ALERT!
YOUR SAFETY IS INVOLVED.
WARNING
This unit is equipped with an internal combustion engine and should not be used on or near any unimproved forest-covered, brush
•f
covered or grass-covered land unless the engine s exhaust system is equipped with a spark arrester meeting applicable local or state
laws (if any). If a spark arrester is used, it should be maintained in effective working order by the operator.
In the State of California the above is required by law (Section 4442 of the California Public Resources Code). Other states may
have similar laws. Federal laws apply on federal lands, See your Authorized Service Center for spark arrester muffler part number
106664X. -3 -

CUT AWAY VIEW
FIGURE 1
BATTERY
COMPARTMENT
FIGURE 2
FIGURE 3
VENT CAP
TUBE
BATTERY
CELL
GRILL
klUT
HER
HEX
BOLTS
BLACK
(NEGATIVEI
CABLE
ASSEMBLY
To assemble and adjust your Tractor you will need:
two 7/16" wrenches, one 3/4" wrench and one 9/16"
wrench
NOTE: RIGHT HAND (R.H_) AND LEFT HAND (LH.) ARE
DETERMINED FROM OPERATOR'S POSITION WHILE
SEATED ON THE TRACTOR
1. Remove Fasteners holding Tractor and Mower Deck to skid.
Also remove Battery, Steering Wheel and Bag of Parts.
WEAR EYE AND FACE SHtELD_
WASH HANDS OR CLOTHING IMMEDI-
ATELY tF ACCIDENTALLY IN CONTACT
WITH ELECTROLYTE°
DO NOT SMOKE, FUMES FROM CHARG-
ED ELECTROLYTE ARE EXPLOSIVE.
2. Fill and charge Battery (before installing)° NOTE: SEE
DETAILED INSTRUCTIONS PACKAGED WITH BAT-
TERY.
a,, Fill Battery with electrolyte to bottoms of tubes in cells
(Fig. 1). NOTE: DO NOT OVERFILL. OVERFILLING
WILL RESULT IN DAMAGE TO TRACTOR.
b. Check level of electrolyte after 30 minutes, Add addi-
tional electrolyte if necessary. NOTE: TIGHTEN VENT
CAPS SECURELY,
c. Charge Battery at a iate not exceeding three amperes
for about two and one half hours,.
d_ Neutralize excess electrolyte for disposal by adding it
to four inches of water in a five gallon plastic contain-
er_ Stir with a wooden or plastic paddle while adding
baking soda until the addition of more soda causes no
more foaming
DO NOT SHORT BATTERY TERMINALS°
BEFORE INSTALLING BATTERY, RE-
MOVE METAL BRACELETS, WRIST=
WATCH BANDS, RINGS, ETC= FROM
YOUR PERSON.
-4-
3. Install Battery.
a. L_ifthood from rear sides (Figo 2),,
b_ Remove tape from Plastic Tray. Make sure Drain Tube
(Fig_ 3) is fastened to Drain Hole in Battery Tray and
Battery Tray is positioned in hole of Battery Support.
c= Flace Battery in Plastic Tray (Battery Terminals to front
of Tractor )(Fig, 3)_
4_ Connect Battery Cables using: two Hex Bolts, two Fiat
Washers, two Lockwashers and two Hex Nuts (shown full
size below) found in Bag of Parts,
°°°"tFROM ACCIDENTAL GROUNDING,
ao Connect RED Battery Cable to Positive (+) Battery Ter-
minal with Hex Bolt, Flat Washer, Lockwasher and Hex
Nut (Fig° 3)° Tighten securely_
b_ Connect BLACK Ground Cable to Negative (-) Battery
Terminal with remaining Hex Bolt, Flat Washer, Lock-
washer and Hex Nut (Fig,, 3}_ Tighten securety_

5o Install Battery using: two Int./Exto Lockwashers, two Wing INTJEXT. WING WING NUT
Nuts {shown full size below) and LOCKWASHER NUT
two Battery Bolts and one Terminal Guard found in Bag of
Parts.
a, Using the square hole on one side of the Battew Support
(Fig, 4") insert one Battery Bolt, head of Bolt down°
Fasten the Battery Bolt to the Terminal Guard using
into/Exto Lockwasher and Wing Nut as shown in Fig. 4.
b. Assemble the remaining Battery Bolt to other side of
Battew Support and fasten Terminal Guard to it with re-
maining lnt./Exto Lockwasher and Wing Nut_ Tighten
Wing Nuts securely by hand (Fig° 4).
NOTE: USE TERMINAL ACCESS DOORS (FIG 4) FOR:
1. Inspection for secure conne_tlons (tighten hardware)..
2. Inspection for corrosion.
3. Testing battery..
4,_ ,Jumping (if required}.
5. Charging {if requiredL
tNTJEXT,
LOCKWASHER
ACCESS
DOOR
TERMINAL
GUARD
TERMINAL
ACCESS DOOR
BATTERY BOLT
BATTERY
SUPPORT
FIGURE 4
HEX WASHER HEAD BOLT
LOCKWASHER
ASHER
WHEN NOT IN USE, KEEP TERMINAL
ACCESS DOORS CLOSED.
DO NOT START ENGINE UNTIL MOWER
SUSPENSION BRACKET HAS BEEN RE-
LEASED° SEE MOWER AND DRIVE BELT
INSTALLATION, PAGE 8.
6. Close Hood.
7. Install Steering Wheel.
NOTE: POSITION FRONT WHEELS FORWARD,
a. Remove Hex Washer Head Bolt, Lockwasher and Large
Washer from Steering Column (Fig_ 5)°
bo Position Steering Wheel over Steering Wheel Insert
c. S_ecure Steering Wheel to Steering Cotumn using Hex
Bolt, Lockwasher and Large Washer (Figr 5).
do Snap Steering Wheel Cap in place on Steering Wheel.
Steering Wheel Cap found in Bag of Parts.
8. To adjust seat position, pivot seat forward. Use 3/4"
wrench to loosen Seat Bolt and stide seat to desired posi-
tion. Make sure seat sets straight on Seat Pan and tighten
Seat Bolt securely (Fig° 6)°
STEERING WHEEL
WHEEL INSERT
STEER,NOCOLUMN
FIGURE 5
-5_
/
SEAT PAN
SEAT BOLT

FIGURE7
"CLUTCH/BRAKE"
POSITION
DIPSTICK
ENGINE
PARKING BRAKE
"ENGAGED" POSITION
ct
"CLUTCH" POSITION BRAKE
SHAFT
FIGURE 8
8NUTIIAL SERVICE
1. This engine hag been shipped filled with oil. Check Engine
Oil Level with Tractor on level ground., Wipe Dipstick
(Fig, 7) clean, push it in tight for afew seconds, remove
and read Oil Level. .. , t_
If necessary, add Oil until FULL
mark is reached,
RECOMMENDED SAE VISCOSITY GRADES
I I I J 1301I.J_LJ_-L--1
-20°0°32° 60° 80° 100 °
TEMPERATURE RANGE EXPECTED BEFORE NEXT OIL
CHANGE, ALL OILS MUST MEET A.Po/. SERVICE CLAS-
StFICATION SD, SE, OR SF.
Capacity is 3pints. NOTE: DO NOT OVERFfLL Dipstick
assembly must be securely tightened into tube at all times
when engine is operating°
2, Fitl Fuel Tank (Fig, 6)r, Use fresh, clean, unleaded auto-
,.II I .
mot ve gasol ne_ (Leaded Regular grade gasoline is an
acceptable substitute, but will increase carbon and lead
oxide deposits and reduce valve tife)_ Capacity is 3 - 1/2
gallons_
WARNING: DO NOT USE GASOHOL OR METHANOL.
These type fuels react with water content in the fuel
and tend to form strong acids which can corrode metal
parts and harm rubber and plastics,,
ATTACHMENT
IGI_
KEY
FIGURE 9
GEAR SHIFT
CONTROL LEVER
_'HRDTTLE
CONTROL
CHOKE
PARKING
BRAKE
"RANGE
IFT
LEVER
FILL TO BOTTOM OF GAS TANK FILL-
ER NECK° DO NOT OVERFILL, WIPE
OFF ANY SPILLED OIL OR FUEL. DO
NOT STORE, SPILL OR USE GASOLINE
NEAR AN OPEN FLAME.
3, Reduce Tire pressure to 14 PSI in front and t0 PSI in rear'
Tires, (Tires were overinflated for' shipping purposes),
4, Remove bands from Mower Suspension Bracket (Fig. 11),
STARTING THE ENGgNE
[ _!_ LEARNTOSTART,STOPANDREVERSE
YOUR TRACTOR IN A LARGE, OPEN
AREA.
NOTE: THIS TRACTOR IS EQUIPPED WITH INTER LOCK
SWITCHES TO PREVENT STARTING OF THE TRACTOR
ENGINE WHILE THE ATTACHMENT CLUTCH OR THE
TRACTOR CLUTCH IS ENGAGED.
IMMEDIATELY REPLACE SWITCHES
THAT ARE NOT IN PROPER WORKING
ORDER. DO NOT ATTEMPT TO DEFEAT
THE PURPOSE OF THESE SWITCHES.
1, Place Attachment Clutch Switch in "DISENGAGED"
position (Fig. 9),
2. Push Clutch-Brake Pedal fully into brake position (Fig. 8),
Place Gear Shift Control Lever- in "N" neutral, start posi-
tion and Range Shift Lever in "N" neutral posltion (Fig. 9)o

4. PullChokeout(Fig.9).
5 MoveThrottleControltomiddleposition(Fig°9)o
6.TurnIgnitionKeyto "START"positionuntilEnginestarts
(Fig,9). NOTE:DONOTRUNSTARTERCONTINU-
OUSLYFORMORETHANFIFTEENSECONDSPER
MINUTE°If enginedoesnotstartafterseveralattempts,
moveThrottleControlto "F" (fast)position,waitafew
minutesandtryagain.
Thefirsttimeyoustarttheengine,it will take extra crank-
ing time to move fuel from tank to the engine.
NOTE: ALLOW ENGINE TO WARM UP FOR A FEW
MINUTES BEFORE ENGAGING CLUTCH OF TRACTOR
OR ATTACHMENT.
DO NOT OPERATE THE MOWER WITH-
OUT THE DEFLECTOR SHIELD 1N
PLACE.
NOTE: A SPARK ARRESTER MUFFLER (PAGE 30) IS
AVAILABLE AS AN ACCESSORY PART FOR YOUR
TRACTOR, CHECK LEGAL REQUIREMENTS IN YOUR
AREA.
STOPPING YOUR TRACTOR
If It _ .
1. Push Clutch-Brake Peda_ into full BRAKE poslt_om
7. When restarting a warm engine, move Throttle Control mid_
way between "S" (slow) and "F" (fast) position. C_hoke
may not have to be used
OPERAT"ON
2_ Place Parking Brake Lever in "ENGAGED _ position and re-
lease pressure from Clutch-Brake. P_dal should remain in
brake position. NOTE: MAKE SURE PARKING BRAKE
WILL HOLD TRACTOR SECURE,
I1 I! _ ,
3o Move Shift Control Lever to NEUTRAL position,,
BEFORE DRIVING THE TRACTOR, IN-
STALL MOWER OR REMOVE FRONT
MOWER SUSPENSION ARM (FIG. 11).
CAUTION
1, Keep all shields in place,
2o Before leaving operator's position:
a. Shif_ transmTssion to neutral
b. Depress Clutch/Brake Pedal and set Parking Brake.
€. Disengage Attachment Lever.
d. Shut off engine.
e. Remove Ignition Key,
3. Wait for al! movement to stop before servicing machine.
4. Keep people and pets a safe distance away from machine,
4, Place Attachment Clutch Lever in "DISENGAGED" posi-
tion=
5Move Throttle Control to "S" (slow) position.
6. Turn Ignition Key to "OFF" position. Never use Choke to
stop Engine.
REMOVE KEY WHEN LEAVING TRAC- !
TOR TO PREVENT UNAUTHORIZED
USE.
TRANSPORTING YOUR TRACTOR
For pushing or towing your tractor, place Gear Shift Control
I! 11 . .
Lever and Range Shift Lever to N neutral posttton (Fig. 9).
NOTE: DO NOT TOW YOUR TRACTOR FASTER THAN
SIX MILES PER HOUR.
5Always wear substantial footwear and avoid loose fitting
clothing that could get caught in moving parts.
TRACTOR OPERATION
1,.With engine running and warm place Throttle Control mid-
ii II |I |I ,
way between S (slow) and F (fast) pos=tton,
2 Push Clutch-Brake Pedal down firmly (Fig, 8). Move Gear
Shift Control Lever to desired gear and Range Shift Lever
to "LO _ (Low) position (Fig 9)
3. Release Clutch-Brake Pedal SLOWLY to start forward
or rearward movement.
4o If ground travel is too slow, move Throttle Control to
"F" (fast) position or press Clutch-Brake Pedal and shift
to a different gear.
NOTE: BRING TRACTOR TO COMPLETE STOP BE-
FORE SHIFTING GEARS. ALWAYS SELECT A
GROUND TRAVEL SPEED THAT WILL SUIT THE TER-
RAIN AND THE ATTACHMENT BEING USED°
NEVER PLACE YOUR HANDS OR FEET
IN OR UNDER ANY POWERED ATTACH-
MENT OR NEAR ANY MOVING PART
WHILE TRACTOR OR ANY POWERED
ATTACHMENT IS RUNNtNG.
TRACTOR OPERATIION ON HH=LS
1. Choose the lowest gear BEFORE starting up or down
hills,
1
DO NOT DRIVE UP OR DOWN HILLS I
WITH SLOPES GREATER THAN 15 ° ,
AND DO NOT DRIVE ACROSS ANY
SLOPE. REFER TO PAGE 47.
2, AVOID STOPPING OR SHIFTING ON HILLS,
a, If slowing is necessary, move Throttle Control Lever
to m_ddle position.
7
LEAVE ENOUGH ROOM WHEN STOP-|
PING AND STARTING TO ALLOW
SLIGHT TRACTOR ROLL DOWNHILL AS
CLUTCH-BRAKE PEDAL MOVES
THROUGH CLUTCH POSITION,
b. tf stopping is absolutely necessary, push Clutch-Brake
Pedal quickly to brake position and engage Parking
Brake.
CoTo restart your tractor, make sure tractor is in 1st gear
and that you have allowed room to roll slightly down-
hill Disengaga Parking Brake and release Clutch-Brake
Pedal SLOWLY to start tractor forward movement_
-7 - 3, Make all turns slowly

NEGATIVE
(BLACK CABLE)
TERMINAL
STARTING YOUR TRACTOR WITN
A LOW BATTERY
if your Battery is too low to start the engine, it should be
recharged. If Jumper Cables" are used for emergency star"_ing
follow this procedure: NOTE: YOUR TRACTOR IS EQUIP-
PED WITH A 12 VOLT NEGATIVE GROUNDED SYSTEM,
THE OTHER VEHICLE MUST ALSO BE A 12 VOLT NEGA,
T1VE GROUNDED SYSTEM.,
LEAD-ACID BATTERIES GENERATE EX-
PLOSIVE GASES. KEEP SPARKS, FLAME,
AND SMOKING MATERIALS AWAY
FROM BATTERIES. ALWAYS WEAR EYE
PROTECTION AROUND BATTERIES,
POSITIVE
(RED CABLE)
TERMINAL
FIGURE 10
1.
2_
3.
4_
Connect each end of the RED cable to the POSITIVE (+)
terminals of each battery (taking care not to short against
chassis)(Fig. 10),
Connect one end of the BLACK cable to the NEGATIVE
(-) terminal of fuIty charged battery°
Connect the other end of the cable to ENGINE BLOCK
or good CHASSIS GROUND on tractor (away from Gas
Tank or Battery},
Disconnect cables in reverse order:
a, Engine Block or chassisof tractor,_
b. Negative terminal of fully charged bat'_ery.
c. Positive terminajso
FIGURE 11
CLUTCH
BRACKET
MOWER
DRIVE
BELT
MOWER AND DRIVE BELT
IN STALLATION
Your tractor has been shipped with the Mower Suspension
Bracket banded to the frame° Remove bands and lower Mower
Suspension Bracket (Fig 11)
DRIVE BELT INSTALLATION
1,, Remove Hood and Grill (see page 24)°
2.
3_
4.
Place Mower Drive Belt over Clutch PuJley and under Idler
Pulley and Tension Pulley (Fig, 12), NOTE" PULL LEVER
UP TO SWING TENSION PULLEY FOR BELT CLEAR-
ANCE_ Make sure narrow "V" side of Beit is engaged with
each Pulley,
Pull Mower Drive Belt over Front Mower Suspension Brack-
et (Fig° 13)_
Replace Hood and Grill°
MOWER SUSPENSION
BRACKET
LEVER
TENSION
PUt_,LEY
IDLER PULLEY
MOWER
DRIVE BELT
FIGURE 12 - 8 -FIGURE 13

4, TheMowerSuspensionArmsandFasteners(shownfull
sizebelow)arefoundinBagofParts,
WASHER
LOCKWASHER HEX NUT
____00 _ RETAINING
OCLIP
CO
BRACKET
RETAINING /WASHER
CLIP •
LIFT LINK
STUD
SUSPENSION
ARM LOCKWASHER
HEX NUT
FIGURE 14
RETAINING CL|P
5. The Mower Suspension Arms have "FRONT" Stamped
between holes. Place the Suspension Arms on Brackets on
both sides of Frame. Retain with Retaining Clip (Fig° 14).
6. Slide Mower under Tractor. Deflector to right hand side..
7. Siide Front Suspension Brackets into Mower Brackets, Re-
tain with Release Pins (Fig= 15). Turn Depth Adjustment
Knob counterclockwise (_) until it stops,
8, Slide Suspens}on Arms into Rear Suspension Brackets=
Retain with Reiease Pins (Fig, 15),
9. Turn Depth Adjustment Knob (Fig. 15) clockwise (/'_)
to remove slack from Mower Suspension. Raise Attachment
Handle to full up position.
10, Press plunger down and push Attachment Handle forward
to lower mower to ground. Roll D'rlve Belt over Primary
Mandrel (Fig. I6),
DEPTH
ADJUSTMENT
KNOB \.
REAR
SUSPENSION
BRACKETS
RELEASEPIN
ATTACHMENT
HANDLE
MOWER
BRACKET
PiN
FRONT
SUSPENSION
BRACKET
FIGURE 15
PRIMARY
MANDREL
MOWER DRIVE
BELT
FIGURE 16
-9_

POSITION
ATTACHMENT
HANDLE
MOWER ADJUSTMENT
Adjust the mower while tractor is parked on level ground or
driveway, Make sure tire pressures are 14 PSI in front; 10
PSI in rear.
FIAIRPIN
CLIP
z1
J
GAUGE
WHEEL CLEVIS
PIN _,
FIGURE 17
SiDE TO SLIDE ADJUSTMENT
1, Use a ruler to make sure Flanges at rear of mower deck
are the same height from the ground on each side (Fig
19).
2. If adjustment is required, snap out Access Cover on LH_
side of tractor above Foot Rest (Fig,, 18),
3o Move Attachment Handle to full '_UPt' position (Fig_ 17).
4. To lower' right side of mower, loosen Nut "B" and screw
Nut "A" down on Adjustment Rod.
5o To lower left side of mower, loosen Nut "B" and screw
Nut "A I_up on Adjustment Rod.
6o Adjust until both rear mower flanges are the same height
•_] tI IT II
above the ground, T=ghten Nuts A and Bsecurely,
Snap AccessCover in place,
NUT "'A"
©
FRONT TO REAR ADJUSTMENT
Move Attachment Handle to full "UP" position (Fig. 17).
After leveling side to side, measure R.H. Flanges at FRONT
AND REAR OF MOWER° The Roll Front Flange should
measure 3/4" lower than the R.H Rear Flange (Fig t9)
If adjustment is required, follow procedure below
FIGURE 18
FRONT
FLANGE
REAR
FLANGE FLANGE
FIGURE 19 -10-

1. TO RAISE FRONT_OF MOWER
Loosen Nuts "D _, Screw Nuts "C" up onto Suspension
Arms (Fig. 20). NOTE; SCREW NUTS "C" ON BOTH
SUSPENSION ARMS THE SAME NUMBER OF TURNS
SO MOWER WILL REMAIN LEVEL. Tighten Nuts "D"
securely.
2. TO LOWER FRONT OF MOWER
Loosen Nuts "C'L Screw Nuts "D" down Suspension Arms,
NOTE: SCREW NUTS "D" THE SAME NUMBER OF
TURNS SO MOWER WILL REMAIN LEVEL. Tighten
Nuts "C" securely.
3, With mower deck at desired height, set Gauge Wheels (Fig°
! 7} to lowest position without touching the ground_
Use Adjustment Handle to set mower at the approximate
cutting height you need. Use Clevis Pins (Fig. 17) to set gauge
wheels at lowest point without touching the ground.
MOWER OPERATUON
When ready to mow, lower Attachment Handle (Fig. 21)
to preferred mower height. Select a gear that a)lows mowing
at full throttle. This allows the mower blades to lift and cut
the grassefficiently.
MOWER ENGAGEMENT
Pull Clutch Switch (Fig. 22) out and up to engage clutch.
There will be an engine hesitation as the clutch engages.
DEPTH ADJUSTMENT
Fine adjustment of mower height is controlled by the Depth
Adjustment Knob. Turn clockwise (_) to raise mower° Turn
counterclockwise 0_'_) to lower mower (Fig, 22).
/
NUT "D"
SUSPENSION
ARMS
FIGURE 20
ATTACHMENT
HANDLE
FIGURE 21
CLUTCHSW|TCH
"ON"POSITION
CLUTCH
SWITCH
"OFF"
POSITION
DEPTH
ADJUSTMENT
KNOB
,FIGURE 22
-11 -

!f-,_-,-RoH,RUNNER
DEFLECTOR
FIGURE 23
FIGURE 24
Use the Runner on the right hand side as a guide; the blade
cuts approximately an inch outside the runner,,
NEVER REMOVE DEFLECTOR. KEEP
HANDS AND FEET FROM UNDER MOW-
ER,
.Before leaving operator s position:
a, Shift transmission to neutral,
b, Set parking brake°
c. Disengage attachment clutch.
do Shut off engine.
eo Remove ignition key,
3. Wait for all movement to stop before servicing machine.
4. Keep people and pets asafe distance away from machine.
NEVER ENGAGE ("ENGAGE" POSITION)
MOWER EXCEPT WHEN SITTING ON
TRACTOR SEAT.
TIRE CHAINS CANNOT BE USED WITH THE MOWER
HOUSING ATTACHED=
READ THE "RULES FOR SAFE OPERA,
TION" CAREFULLY BEFORE OPERAT-
ING YOUR MOWER° REFER TO PAGE 3.
DEPTH
ADJUSTMENT
KNOB
PLUNGER
ENT
HANDLE
5_
6.
Use Attachment Handle to lower mower into cutting posi-
tion, Start mowing at stow speedand increase ground speed
by increasing throttle as conditions will permit,_ Average
cutting height is approximately 2 - I/2 to 2 -3/4 inches,
Height of cut can be adjusted by means of the Depth
Adjustment Knob (Fig, 25). Turn Depth Adjustment Knob
(clockwise ((_} or counterclockwise (f_,) to match pre-
selected Lift Control Lever mowing height.
Drive so that clippings are discharged onto the area that has
been cut. Have the cut area to the right of the machine°
This will result in a more even distribution of clippings
and more uniform cutting. When mowing large areas (Fig.
24), start by turning to the ;ight so that the clippings will
be discharged away from shrubs, fences, driveways, etc.
After two or three rounds, mow in the opposite direction
making left hand turns until f_nished. If grass is extremely
tall, it should be mowed twice. The first time cut relatively
high_ The second time to the desired helght, The left hand
side of mower should be used for trimming.
FIGURE 25'
-12-

MOWER MAINTENANCE
INSTRUCT,ONS
MOWER CLUTCH SWITCH
":'OFF" POSITION ,
BEFORE MAKING ANY INSPECTION,
ADJUSTMENT OR REPAIR: PUSH TRAC-
TOR CLUTCH-BRAKE PEDAL COM-
PLETELY INTO BRAKE POSITION MOVE
SHIFT CONTROL LEVER TO NEUTRAL
POSITION. PLACE PARKING BRAKE IN
"ENGAGED" POSITION. TURN OFF
MOWER CLUTCH SWITCH IFIG. 26).
SHUT OFF THE ENGINE. MAKE ABSO-
LUTELY SURE THE BLADES AND ALl.
MOVING PARTS HAVE COMPLE'TELY
STOPPED. REMOVE THE IGNITION KEY.
DISCONNECT THE SPARK PLUG WIRES
FROM THE SPARK PLUGS AND KEEP
WIRES AWAY FROM THE PLUGS TO
PREVENT INJURY FROM ACCIDENTAL
STARTING,
BLADE CARE
For best results mower blades must be kept sharp, The blades
can be sharpened with a few strokes of a file or on agrinding
wheel We suggest they be sharpened after every 15 hours of
mowing° Do not attempt to sharpen while on mower.
1. When grinding, care should be taken to maintain blade bal-
ance and the blade should be checked for proper balance
before reinstallation on mower_ Unbalanced or bent blade
will cause excessive vibration when running and eventual
damage to mower or engine° Replace bent or damaged
blades_
2. To ensure satisfactory operation, it is recommended that
before the start of each mowing season, the oldblades be
discarded and replaced with new blades. Mower blades can
be purchased at any Sears Service Center/Departments and
most Sears Retail Stores=
CLUTCH-
BRAKE
PEDAL
"BRAKE"
POSITION
IGNITION
LOCKWASHER...----_._
HEX HEAD HEAT--'-_
TREATED BOLT _:_
GRADE5
PARKING
:BRAKE
FIGURE 26
BLADE
FIGURE 27
BLADE REPLACEMENT
It is not necessary to remove mower from tractor for blade re=
placement. By moving Lift Control Lever to up (Rear) posi-
tion wilt permit access to blades
1.. Remove the Hex Head Bott_ Lockwasber and Fiat Washer
(Fig. 27L
2,, Install new blade with SHARP EDGE DOWN and secure
with Flat Washer, Lockwasher and Hex Head Bolt TIGHT-
EN SECURELY,
AGRADE 5 HEAT TREATED BOLT
CAN BE IDENTIFIED BY THREE
LINES INDICATED ON THE BOLT
HEAD AS SHOWN AT LEFT.
ALWAYS USE GRADE 5 HEAT TREATED
BOLTS TO ATTACH BLADES, CHECK
BOLTS IN BLADES OCCASIONALLY TO
MAKE SURE BOLTS ARE TIGHT° TOR-
QUE BOLTS 30- 35 FT. LBS.
DA, LY IWA, NTENANCE
Make sure ati nuts on bolts are tight, cotter p_ns and retainer
springs are secure. Keep blades sharp. Observe all safety pre,
cautions. Keep mower well lubricated°
-13-,

/
CLEAN|NG MOWER
IADISCONNECTSPARKPLUGWIRESTO1
I_PREVENT ACCIDENTAL STARTING BE- |
I FORECLEANING. 1
Water pressure from a garden hose wil! remove fresh clippings
from underside of mower_ Clean mower after each mowing,
FIGURE 28
LUBRtlCATII ON
Under normal usage the Mandrels should require lubrication
after every 50 hours of operation and at the end of each sea-
son. The outer Mandrels should be filled with grease(six shots)
thru the Grease Fittings located between Mower Blade and
underside of the Mower Housing (Fig° 28)° Wipe fitting clean
before greasing, Use high performance, extreme pressure
lubricating grease. Amdex No, IEP or equlvalent. This grease
may be obtained by ordering thru your nearest Sears Repair
Parts Department, Part No, 2557R or equivalent°
POWER
"-OFF
CLUTCH
POWER TA/KE= OFF CLUTCH
The Power Take-Off Clutch (Fig, 29) should provide years of
service. The Clutch incorporates a built in brake that stops the
Pulley almost immediately° Eventually, the internal brake will
wear so the mower blades wilt not stop asrecommended. Ad-
justment should be made by a Sears Service Technician_
FIGURE 29
_14_

OUTER BLADES DRIVE BELT
(CENTER TO OUTER MANDRELS)
BELT ROUTING DECAL UNDER MOWER DECK COVER,
1o Remove Mower from Tractor(see below)°
2, Remove Top Cover Self Tapping Screws, and Nut from
Idler Arm Bolt,.
3, Ro!l Belt over the top of the R.H. Mandrel°
4. Pult Belt off all other Mandrels,
5° Remove any dirt and grass which may have accumulated
around Mandrels and Idler Arm,
6. Check Deck idler Arm Assembly and Flat Idler to see that
they rotate freely (Fig, 30)_
7, Be sure spring is hooked in Deck Idler Atm Assembly and
on bolt in Mower Housing (Fig, 30),
8. Install new Belt in groove of L,H, Mandrel Sheave, lower
groove of Center Mandrel Sheave and around Flat Idler as
shown (Fig, 30)_
9, From a position at discharge end of mower, roll Belt into
groove of RH, Mandrel Sheave (Fig 30),
10o Rotate Center Mandrel Sheave by hand to make sure Belt
is in grooves properly.
ilDLER ARM CENTRAL MANDREL SHEAVE
tNUT
M LANDREFLAT IDLER SHEAvER'H"MANDREL
LH.
SHEAVE
FIGURE 30
/ATTACHMENT
HANDLE _
BLADES WILL ROTATE WITH CENTER
MANDRELSHEAVEo
11, Reassemble Top Cover to Deck, Tighten all Screws secure-
ly,
12. Install Mower to tractor (see page 8)
REMOVING MOWER
FROM TRACTOR
I.,Lower Mower
2 Pull the four (4} Release Pins out of Suspension Brackets
(Fig, 31 ),
3_ Pull back on Attachment Lift Handle and tock into place.
4, Slide Mower forward and remove Belt from Primary Man-
drel.
5,, Raise Attachment Lift Handle. Sl_ide Mower out from unde_
tractor.
"BELT_
ISUSPENSION
BRACKETS BRACKETS
,g I I
RELEASE- RELEASE
PIN
\
FIGURE 31

NOTE: WHEN OPERATING TRACTOR WITHOUT MOWERi
REMOVE IDLER BRACKET FROM FRONT OF TRACTOR.
1, Pull Belt up through Idler Bracket and out of tractor, Use
Lever to swing Tension Pulley for Belt removal.
2, Remove Lockwashers and Nuts from Idler Bracket (Figi
32).
IDLER
BRACKET
HER
NUT
FIGURE 32
LEVER NUT
LOCKWASHER
SPRING
BUSHING
ENT
LIFT SPRING
FIGURE 33
JAM NUT
DISCHARGING
\\
D C AMPERES
CHARGING
/
/
/
IC3 a=r_ = = 1:3
15 lo 50 5 to t5
AMMETER
FIGURE 34
STORAGE
Remove mower from tractor for winter storage. When mower
is to be stored for a period of time, clean it thoroughly, re-
move all dirt, grease, leaves, etc, Give blades and underside of
housing agood coat of grease or rust preventative, Store in a
clean dry area,
Each outer mandrel should be greased thru the Grease Fitting
located between mower blade and underside of the mower
housing (Fig, 28), Give each Grease Fitting 6 shots of Grease.
Wipe fitting clean before greasing. Use high performance ex-
treme pressure lubricating grease. {Amdex No. 1 EP or' equiva_
" lent), Wipe mandrel dean of excess grease.This grease may be
obtained by ordering thru your nearest Sears Repair Parts De-
partment. Part No. 2557R
ATTACHMENT LOFT ADJUSTMENT
Due to different weights of Attachments_ the Attachment
Lift Spring may require adjustment. _he Adjustment Bolt
is located on rear of tractor top left side (Fig. 33).
1,_ Holding Spring Bushing with Wrench, loosen Jam Nut,
2. Turn Adjustment Bott clockwise (F'_) to extend Spring
and reduce lift effort (for heavier Attachments),
3, Turn Adjustment Bolt counterctockwise ((_,) (for lighter
Attachments),
4, Retighten Jam Nut against Spring Bushing,
NOTE: DO NOT ADJUST FOR MAXIMUM SPRING TEN-
SION WHEN USING LIGHT ATTACHMENTS SUCH AS A
MOWER. ADJUST LIFT SPRING TO AID IN LIFTING
ATTACHMENT , DON'T OVER POWER SPRING. WHEN
REMOVING ATTACHMENT ALWAYS ADJUST WITH
SPRING TENSION TO ITS LOWEST POSITION.
TRACTOR MA|NTENANCE
INSTRUCTIONS
To keep your tractor running better', longer; perform nec-
essary service using the following Maintenance Schedule.
Each time you start your tractor, check your Ammeter (Fig,
34), The needle should move towards the + (charging) mark
indicating the battery is being charged as you operate the trac-
tor,. The headlights wlll not show a discharge on the ammeter
because they are not connected to the battery (they have their
own electrical source, see page 26). If you have a lift motor
connected it wilt show adischarge when being operated,
DISCONNECT SPARK PLUG WIRES TO
PREVENT ACCIDENTAL STARTING BE-
FORE MAKING ANY INSPECTION, AD-
JUSTMENT OR REPAIR (EXCEPT CAR-
BURETOR).
-16-

1, CHANGE ENGINE OIL
Changing Oil after the first two hours will help eliminate
break*in residue which might be damaging to your Engine.
NOTE: BE CAREFUL NOT TO ALLOW DIRT TO ENTER
THE ENGINE WHEN CHANGING OIL.
ao Drain oil with Engine warm. Remove Hood and Grill
(see page 24). Place Hose on Oil Drain and loosen Oi!
Drain Wing Nut° Catch oil in a suitable container.
Tighten Oil Drain Wing Nut after all oil has been drained
from Engine° Remove Hose from Oil Drain,
b. Refill Engine Oil. (See chart, page 6). Refill capacity
is 3 pints. NOTE: DO NOT OVERFILL, Replace Dip-
stick.
EVERY HOURS
1, CHECK ENGINE OIL LEVEL
DO NOT CHECK ENGINE OIL LEVEL
WITH ENGINE RUNNING°
Several minutes after stopping Engine, check Engine Oil
Level with Tractor on level ,ground,, Wipe dipstick (Fig.
35) clean push it down tight for a few seconds, remove and
•.,II 11 ,
read Od Level,, If necessary, add Od until FULL mark =s
reached. (See chart, page 6)_ NOTE: DO NOT OVERFILL
ENGINE OIL
DIPSTICK
AND FILL TUBE __
FIGURE 35
- 17-

_WASHER
CARTRIDGE
PLATE
PAPER
CARTRIDGE
OIL FOAM
PRE-CLEANER
FIGURE 36
BODY
LUBRICATE THE
STEERING PLATE
IN AREA OF
SECTOR GEAR
FRONT
AXLE
PIVOT
FRONT SPINDLE
(GREASE FITTING)
LEFT 8= RIGHT)
FRONT WHEEL
(GREASE FITTING}
LEFT & RIGHT)
(EVERY 15 HOURS IF OPERATING
IN VERY DUSTY CONDITIONS)
1.i CLEAN AIR FILTER
a. Unscrew Knob (Fig, 36) to remove Cover.
b. Remove Nut and Washer _o remove Cartridge Plate,
Paper Cartridge and Oil Foam Pre-Cleaner.
c. Wash Foam Pre-Cleaner in detergent and water,,
d, Rinse. squeeze (rather than twist) and allow to dry
thoroughly _ "
e. Coat with three Tablespoons of SAE. 30 Engine Oil,
squeeze to distribute evenly, and squeeze out excess°
f. Check Paper Cartridge. Replace if excessively dirtyr,
g. Reassemble Paper Cartridge and re-positlon on Tractor.
NOTE: NEVER RUN ENGINEWlTHAIR CLEANER RE-
MOVED AS DIRT (DUST} WILL DAMAGE THE
ENGINE_
2_
3_
CLEAN AIR SCREEN
Air' Screen (Fig, 38) must allow free-flow of air to prevent
Engine damage from oven-heating. Clean with awire brush,
or compressed air to remove dirt, chaff, stubborn dried
gum and fibers°
CHANGE ENGINE OIL
The best time to drain Engine Oil is at the end of a day's
operation when all dirt and foreign materials are suspended
in the hot Oil. Refer to page 17.
4_
5_
CLEAN FRONT GRILL
The front Grill (Fig, 2) must allow free flow of air to pre-
vent engine damage from overheating,
a, Brush off debris.
LUBRICATE STEERING AND FRONT WHEELS
There are four Grease Fittings on your Tractor (Fig. 37).
Using a Grease Gun. give each Grease Fitting two shots of
Extreme Pressure Lubricating Grease Amdex No. I or
equivalent (available through your Sears Service Center).
Sears Part No,. 2557R.
6_ OIL PIVOT POINTS
Place several drops of S.A.E. 30 Oil at points where parts
move against each other, especially:
a. Front Axle Pivot,
b_ Hood Hinges.
c, Foot Pedal Shaft (both ends).
d_ Lift Shaft (both ends).
e, Steering Plate.
SEE LUBRICATION CHART, PAGE 19_
FIGURE 37
ENGINE
OIL FILL _ _ _I,L_') _=_L
DIPSTIC v' _=_ .... .
FIGURE 38 _ _"
18-

LUBRICATION
(_ SPINDLE
C'2_ WHEEL BEARINGS--
BOTH ENDS OF
FOOT PEDAL SHAFI'
OSAE MOTOR OIL
EXTREME PRESSURE
LUBRICATING GREASE
AMDEX NO, t, SEARS
PART NO. 2557R
QREFER TO ENGINE OIL SPEC'S.
(UNDER INITIAL PREPARATION
IN OWNERS MANUAL)
/'SPINDLE (_
_ _WHEEL BEARINGS @
ENGINE (_)
-- BOTH ENDS LIFT SHAFT (_)
TRANSAXLE
-- (CHECK LEVEL AT REAR
FILL PLUG) !(_
SEE PAGE 14 FOR MOWER LUBRICATION.
7. CHECK BATTERY
a, Electrolyte solution levei in each Battery Cell should be
even with bottoms of tubes in ceils (Fig, 39)o Add dis-
tilled water if necessary,, NOTE: DO NOT OVERFILL°
b, Keep Battery and Terminals clean. Refer to step 8,
c. Keep Battery Bolts tight,,
d. Keep Vent Caps tight and small vent holes in Caps
open.
e_ Recharge SLOWLY at 3 amperes if necessary.
8o CLEAN BATTERY AND TERMINALS
Corrosion and dirt on the Battery and Terminals cause
the Battery to "leak" power and hinders the operation of
the charger.
a. Remove the Battery from the Tractor and wash with
four tablespoons of baking soda to one gallon of water,
NOTE: BE CAREFUL NOT TO GET THE SODA
SOLUTION INTO THE CELLS. Rinse the Battery with
pfain water, dry and reinstall on Tractor.
b. Clean terminals and cable ends with a wire brush until
bright. Replace Battery Cables. Coat terminal connec-
tions with Vasoline.
CUT-AWAY VIEW
VENT CAP
}ATTERY
.TUBE
FIGURE 39
.,,_._HEAT SHIE LD
w.v .ou.s
1. CLEAN ENGINE COOLING FINS
Remove any dust, dirt or oil from Engine Cooling Fins
to prevent Engine damage from overheating (Fig. 41).
Air Guide Covers must be removed (Fig, 40)_
2. MUFFLER
Do not operate the tractor without a Muffler (Fig. 40) or
tamper with the exhaust system° Damaged Mufflers or
spark arresters could create a fire hazard. Inspect periodi-
cally and repJace if necessary° If your engine is equipped
with a spark arrester screen assembly, remove every 50
hours for cleaning and inspection. R_plaee if damaged. - 19 -
AIR
SCREEN
FIGURE 40

svs.vI]®®.o..s
1. REPLACE SPARK PLUGS
Replace Spark Plugs at the beginning of each season or
every 100 hours_ whichever comas first. Gap should be set
at .030 inch (Fig. 42).
2_ LUBRICATE BALL JOINTS
aMove Rubber Boots to expose Ball Joints on Tie Rods
and Steering Link (Fig. 43)_
b. Coat Ball Joints with Silicone Spray Lubricant
c. Reposition Rubber Boots_
FIGURE 41
PLUG
GAUGE
CLEAN AREA
OF ALL DIRT
AND DEBRIS Ew.v .o..s
1_ REPLACE AIR CLEANER PAPER CARTRIDGE
Refer to page 18,
2. REPLACE IN*LINE FUEL FILTER
a, Remove Hose Clamps from Fuel Lines at Fuel Filter
(Fig_ 44),
b. Remove Fuel Filter°
co Place new Fuel Filter in position with fuel line (arrow on
side of Filter in direction of Fuel Filter) and reinstall
Hose Clamps.
FIGURE 42
TIE ROD
BE SURE THERE ARE NO FUEL LINE
LEAKS AND THAT HOSE CLAMPS ARE
PROPERLY INSTALLED.
BALL JOINTS
TIE ROD
BOOT
FIGURE 43
JAM NUTS
STEERING LINK
1o CHANGE TRANSAXLE OIL
ao Block up Rear Axle (Fig. 45) securely or use a Tractor'
Jack. Remove left Rear Wheel by removing Hub Bolts.
b. Drain Transaxle Oil by removing Drain and Filler Plugs
(Fig's. 45 & 47) and catching Oi! in suitable container..
Replace Drain Plug.
c, Refill Transaxle with S=A..E 30 (SC, SD or SE) Motor
Oi!o Capacity is 5 quarts. Pressure Relief Valve (R..H side
of Transaxle) (Fig. 45 - Inset) may be held open to
allow Transaxie to fill more quickly.
do Check Pressure Relief Valve° It should spring completely
closed when pulled out by hand and released.
eo Reposition wheel. Secure with Hub Bolts.
HOSE
CLAMPS
FUEL FILTER
PLUG
LH. SIDE
FIGURE 44 -20- FIGURE 45

AS NEEDED
1, Make sure all nuts on bolts are tight and cotter pins are se-
cure° Observe all safety precautions, Keep Tractor well
lubricated (refer to page 18),,
2o TOE-IN ADJUSTMENT
If any parts in Front Axle or Steering Mechanism are being
replaced, Toe-In adjustment is required.
a, Loosen .Jam Nuts (Fig_ 46) at each end of Tie Rod
Adjustment Steeves,
b, Adjust both Tie Rods so that Tie Rod Joints measure
Ii
9- 5/8 from center to center,
c, On front of front tires measure distance from center to
center (measurement No,1}o
d, On rear of front tires measure distance from center to
center (measurement No, 2),
eo Compare measurements - measurement No. 1 should be
1/8- 1/4 less than measurement No. 2,
f, If not adjust each Tie Rod equally to get correct meas-
uremento
g, Tighten Jam Nuts making sure Tie Rod Joints are
parallel (180 °) to each other. This adjustment secures
proper front wheel Toe-In and Steering operat_ono
3. CHECK TRANSAXLE OIL LEVEL
a, Remove Filler Plug (Fig, 47) from Transaxieo Oil Level
should be even with Filler Piug threads° Add SoAoE_30
Motor Oii if necessary.
b Check Pressure Relief Valve (Fig, 45 - inset) located on
R.H side near top, It should spring completely closed
when pui{ed out by hand and released.
4. BRAKE ADJUSTMENT
_BALL JOINTB_
fJ T,E.oo
(%
"_RUBBER "_
BOOT J
TIE ROD ._..._
\ADJUSTMENT t \ \
.\ TIE ROD SLEEVE8 _ \\
STEERING LINK
FIGURE 46
• ) TRANSAXLE
.tUG
IF TRACTOR REQUIRES MORE THAN
SIX FEET STOPPING DISTANCE IN
HIGHEST GEAR ON A LEVEL DRY
CONCRETE OR PAVED SURFACE THEN
BRAKE MUST BE ADJUSTED,
a. Remove (4) Hex Washer Head Tapping Screws from
Shift Cover Plate (Fig, 48), located on top of tractor
frame° Remove the Cover Ptateo
b. Loosen Jam Nut (G) on Brake Rod (B) at Clevis (C)
(Fig. 49). If you find it difficult to loosen Jam Nut (G),
remove Cover Plate in LH, Frame Rail,
c, Rotate Brake Rod (B) counterclockwise, ((-_) turning
Brake Rod out of Clevis (C) four to six turns,
d, Start tractor with Transmission in "NEUTRAL" posi-
tion
e, Depress Brake-Clutch Pedal to the point where Belt
stops moving Hold Brake-Clutch Pedal in position by
engaging Parking Brake If Belt begins to move after en-
gaging Parking Brake, depress Brake-Clutch Pedal to next
notch on Parking Brake.
f, Shut engine off. Rotate Brake Rod (B) clockwise by
hand, turning Brake Rod into Clevis (C), until tight,,
T_ghten Jam Nut (G) on Brake Rod (B) at Clevis (C)
(Fig, 49)°
g, Reinstall Lift Cover Plate and four (4) Mounting Screws,
If Cover Plate was removed in step b it should be re-
placed
FIGURE 47
"5 ...........
C
EF
-21 - iFIGURE 49

_HROTTLE
i _CABLE
J
HOLE"A"
GOVERNOR
CONTROL
FIGURE 50
FIGURE 51
R.H. SIDE OF TRACTOR
ENGINE
PULLEY
/. _?_ CLUTCH I
IDLER
BRACKET
1-1/16" i | .... t NUT "A"
TAKE. UP
IDLER "
,FIGURE 5:2
5o CARBURETOR ADJUSTMENT
Never attempt to change maximum engine speed. This is
preset at the factory and should only be changed by a quali-
fied service technician who has the necessary equipment.
a. Move Throttle Control (on the dashboard) to I_SLOW'*
position. Remove'All: Cleaner (Fig. 36).
b. Check that two holes "A" line up. If not, loosen Clamp
Screw and adjust Throttle Cable until the two holes do
line up (Fig. 50 - Inset),
rREFER TO "STARTING THE ENGINE",
PAG E 6.
co Start Engine and allow to warm for five minutes. Make
final adjustments with engine running.
d_ High Speed is fixed, no adjustment is possible,,
e, Adjust Carburetor Mixture Screw to suggested initial
setting,
-- Turn Mixture Screw clockwise (/_) closing finger
tight ONLY, and then turn counterclockwise (f'_)
1 - t/2 turns (Fig. 51).. CAUTION: VALVE MAY
BE DAMAGED IF TURNED IN TOO FAR.
f. Hold Governor Control against Throttle Stop. Turn
Mixture Screw clockwise (('_) until engine begins to
run rough (Fig. 51).
g. Turn Mixture Screw counterclockwise (_) until engine
begins to run rough,. Set Mixture at smoothest idle
between the two points attained in steps f and go
h. Release Governor Control. Engine will speed up for
governed idle. Replace Air Cteanero
6o V-BELT ADJUSTMENT
A new V-Bett may stretch after the first few hours of opera-
tion resulting in lossof ground speed_
a. To tighten Belt, remove (4) Hex Washer Head Tapping
Screws from Shift Cover Plate (Fig. 48) located on top
of tractor frame• Remove the Cover Plate.
•_It E li ,,
b. Place Parking Brake Lever in ENGAG D pos=tlon,,
!1
Refer to Stopping Your Tractor page 7,,
t*lr. li" , .
c. Loosen Nut A located on outside of R.H. Chassis
Frame (Fig. 56), slide Take-Up Idler down approximate-
ly 1/2" and tighten Nut "A",
d. Disengage Parking Brake.
e,, Check position of Clutch Idler Bracket (Fig. 52).
f+ Repeat steps b thru e untd a 1 -1/t6 dmenson is
obtained between Idler Tab and Frame as shown in Fig
52.
g. Tighten Nut "A" securely.
h, Reinstall Shift Cover Plate and (4) Screws removed in
step a,
-22-

7, V-BELT REPLACEMENT
BELT REMOVAL
The belt on this tractor is special for this application.
Always replace with the Sears belt number in the parts
list. It is not necessary to remove mower°
a, Raise hood and disconnect negative ground battery
cable.
b° Set parking brake (to get belt stack),
c_ Loosen (do not remove) two Engine Pulley Belt Guide
Bolts and swivel R,H. side of Belt Guide up, Tighten
LHo Bolt to hold Belt Guide in position (Fig° 53).
do Roll Belt off Enqine Pulley,
e, Roll Belt off I_V" Idler, Flat Idler and Adjustable
Idler Pulleys (Fig. 54)°
f. Pull Belt off Clutch Pulley - between Pulley and Frame
Pull Belt off Transaxle Pulley.
g, Loosen Nut "A" on R.H. outside of Frame (Fig. 56)°
BELT INSTALLATION
NOTE: THERE IS A BELT INSTALLATION DECAL
UNDER LEFT HAND FOOTREST
a, Push Belt down from Engine Pulley area_ Place back
(flat) side of Belt on Flat tdler_ (Flat Idler is next to
Frame.)
b. Place Belt on Adjustable Idler and over Clutch Pulley
"V" (narrow) part of Belt should engage Clutch Pulley,
co Place Belt around Transaxle Pulley. "V" part of Belt
should engage Transaxle Pulley,
1_, It !tvll
d Make sure V part of Belt engages Idler (Fig 54).
e, Roll Belt over Engine Pulley,
f Loosen L.H Engine Pulley Belt Guide Bolt and swivel
Belt Guide onto R_H. Bolt. Tighten LH° and R_H_ Botts
securely (Fig. 55).
g Release Parking Brake. NOTE: WHEN A NEW BELT
HAS BEEN INSTALLED, YOU MUST CHECK V-BELT
ADJUSTMENT AND BRAKE ADJUSTMENT
8_ TIRE CARE
a, Maintain tire pressure in front at 14 PSI and rear tires
at 10 PSL
b Keep tires free of gasoline, oil, or insect control chemi-
cals which can destroy rubber°
c Avoid stumps, stones, deep ruts and other hazards that
may cause tire damage.
d_ Removing front wheel for tire repair (Fig 57).
--- Block up front axle securely°
-- Remove Hub Cap, Klip Ring and Washer to allow
wheel removal
-Repair tire and reassemble° Replace Washer and snap
Klip Ring securely in axle groove Replace Hub Cap.
e, Removing rear wheel for tire repair.
o-- Block up rear axle securely
--- Remove Hub Cap and (5) Hub Bolts to allow wheel
removal.
-_- Repair tire and reassemble. Replace and tighten Hub
Bolts and Hub Cap securely.
WHEN MOUNTING TIRES, UNLESS /
BEADS ARE SEATED, OVERINFLATION /
CAN CAUSE A FATAL EXPLOSION. /
1
"V"IDLER
ADJUSTABLE
IDLER
O O
\
\
PULLEY TRANSAXLE
PULLEY
FIGURE 54
1
3
-I
I
FIGURE 55
FIGURE 56
LOOSEN
FIGURE 53
BELT
PULLEY -23 -
WASHER
FIUB
CAP
KLIP RING
FIGURE 57

SCR
FIGURE 58
WiRE
CONNECTION
9,
10,
FINISH
Keep tractor finish and seat free of gasoline, oil, insect
chemicals or battery electrolyte. Protect painted surfaces
with automotive type wax,
HOOD REMOVAL
a_ Lift Hood_ Disconnect Headlight Wiring Connection
(Fig. 58},
bo Unscrew one Screw at rear of each Side Panel {Fi0.
58)°
co Pivot Hood and Side Panel forward and lift off tractor
(Fig. 59).
d. To replace, reverse the above procedure.
FIGURE 59
DATES
iAS YOU COMPLETE ,,_m__/_ _;k__ ___¢_._-_ _ _ ____q."_>___'J, 9,'_,
Check Engine Oil Level _i_
(_hange Engine Oil (see chart, page 6)
Lubricate Pivot Points (see page 19)
Check Brake Operation
Clean Air Screen
Clean Air Filter
Replace Air Cleaner Paper Cartridge
Clean Engine Cooling Fins
Replace Spark Plug
Check Battery Level
Check Tire Pressure
Replace Fuel Filter
V"
- 24 -

TROUBLE SHOOTING
POSSIBLE CAUSE
WILL NOT START
Clutch-Brake Pedal in drive position
Attachment Clutch Switch in "ENGAGED" position
No gasoline in Fuel Tank or clogged Fuel Line or Fuel
Filter
Blown Fuse
Dead Battery
Defective Ignition or loose Wiring
Spark Plug fouled
POSSIBLE REMEDY
Push Pedal into brake position (Fig, 8).
Move Lever to "DISENGAGED" position (Fig, 9)
Fill Tank with fresh Gasoline, Check Fuel Line (Fig, 44)
and Carburetor (clean if necessary)
Check for fault and replace Fuse
Recharge or replace Battery
Check Wiring
Replace Spark Plug and adjust gap (Fig. 42)
HARD TO START
Choked improperly, flooded Engine
Clogged Fuel Tank, Fuel Line or Fuel Filter
Spark Plug fouled
Defective Battery
Defective Ignition or loose wiring
Water in gasoline or old fuel
Improper Carburetor adjustment
Poor compression
Place Throttle Control in fast position (Fig, 9) and run
starter several times to clean out gas
Remove and clean (Fig, 44)
Replace Spark Plug and adjust gap (Fig, 42)
Recharge or replace
Check the wiring and Spark Plug
Drain Fuel Tank and Carburetor, use fresh fuel and
replace Spark Plug
Make necessary adjustments (Fig 50)
Major engine overhaul
ENGINE MISSES OR LACKS POWER
Engine overloaded
Ctogged Fuel Filter
Clogged Fuel Tank
Partially plugged Air Cleaner
Improper Carburetor adjustment
Dirty Air Screen
Low oil level
Spark Plug fouled, improper gap or wrong type
Faulty ignition
Poor compression
Gasoline in oil
Dirty Air Cleaner
Shift to alower gear or reduce load
Remove and replace (Fig, 44)
Remove and clean
Remove and clean (Fig, 36)
Make necessary adjustments (Fig, 50)
Clean Air Screen, Cylinder Fins (Fig, 41) and Muffler area
Add or change oil (Fig. 35)
Replace Spark Plugs and adjust gap !Fig 42)
Check Spark Plugs and for any loose wires
Major Engine overhaul
Drain Engine oil and refill
Remove and clean (Fig, 36)
ENGINE OVERHEATS
D_rty Air Screen
Low oll level
Dirty Engine
Partially plugged Muffler
Improper Carburetor adjustment
Clean Air Screen (Fig 40)
Add or change oil (Fig, 35)
Clean Cylinder Fins, rotating Screen and Muffler area
Remove and clean Muffler (Fig 40)
Adjust Carburetor {Fig, 50)
NO LIGHTS
No Headlight with Light Switch in "ON" position Check W_re Connections and Switch. Replace Light Bulbs
and engine running
WON'T CHARG E
Blown Fuse Check for fault and replace
Defective Battery Replace
STORAGE =
1, FUEL SYSTEM
NOTE: THE USE OF AFUEL ADDITIVE, SUCH AS STA-
BIL, OR AN EQUIVALENT, WILL MINIMIZE THE FOR-
MATION OF FUEL GUM DEPOSITS DURING STORAGE.
SUCH AN ADDITIVE MAY BE ADDED TO THE GASO-
LINE IN THE FUEL TANK OF THE ENGINE, OR TO
THE GASOLINE IN A STORAGE CONTAINER,
If Sta_Bi! is not used all fuel should be removed from fuel
tank.,
a, Drain fuel tank and carburetor by allowing the engine to
run out of gasoline, I_IOTE: GASOLINE LEFT IN
YOUR ENGINE WILL LEAVE GUM DEPOSITS CLOG-
GING FUEL SYSTEM.
b, Dispose of gasoline if not to be used. NOTE: GASO-
LINE STORED FOR SEVERAL MONTHS LOSES
ITS VOLATILITY (ABILITY TO BURN EFFECT-
IVELY)°
2. ENGINE OIL
Drain (with engine warm) and replace with ctean engine oil.
(See chart, page 6),
3. CYLINDERS
a. Remove Spark Plugs°
b Pour one ounce of oil through spark plug holes into cy-
linders.
c, Turn Ignition Key to "START" position for a few
seconds to distribute oil
d,, Replace with new Spark Plugs=
4. BATTERY
al Remove battery if tractor is not used regularly during
winter months, Store in cool, dry place {above 50°F.).
CAUTION: A DIRTY BATTERY CAN RUIN A
FLOOR. CLEAN BATTERY BEFORE STORAGE.
b. Re-charge each month if necessary. NOTE: BATTERIES
NOT IN USE FOR SEVERAL MONTHS AND NOT
KEPT FULLY CHARGED, PRODUCE SULPHATE
DEPOSITS ON PLATES WHICH CANNOT BE RE-
MOVED BY RECHARGING.
5. GENERAL CLEANING
Clean engine, battery, seat, finish, etc. of all foreign matter,
6, STORE IN A CLEAN AND DRY AREA.
Sears, Roebuck and Co. reserves the right to make any changes
in design or improvements without imposing any obligation
25-t° install the same upon its items heretofore manufaetured_

GT 18 TWIN GARDEN TRACTOR-MODEL NUMBER 917,255910
SCHEMATIC, i;vj,-
, REDt BLACK
RED
RED_
AMMETER*
FUSE RED
30 AMP
IGNITION SWITCH
STD365402
POSITION CIRCUIT
OFF M-G
ON E3-L
START B-S
LIGHTS WILL NOT REGISTER ON
AMMETER°
YOUR TRACTOR IS EQUIPPED WITH A
SPECIAL ALTERNATOR SYSTEM. THE
LIGHTS ARE NOT CONNECTED TO THE
BATTERY, BUT HAVE THEIR OWN i
ELECTRICAL SOURCE_ BECAUSE OF
-T_HjS, THE BRIGHTNESS OF THE
LIGHTS WILL CHANGE WITH THE
ENGINE SPEED. AT IDLE SPEED THE
LIGHTS WILL DIM. AS THE ENGINE IS
SPEEDED UP, THE LIGHTS WILL BE-
COME THEIR BRIGHTEST,
WHITE
S
M
IGNITION
SWITCH
G
POWER
TAKE.OFF ! WHITE
BLACK
MAGNETRON
IGNITION
RED
DIODE
ASSEMBLY
*INDUCTIVE TYPE. WIRE COIL-
ED AS SEEN FROM BACK OF
DASHBOARD_ ORANGE
LIGHT
SWITCH
PTO SWITCH 4021J
POSITION CIRCUIT
OFF B+E, C+D
ON B+A
WIRING INSULATED CLIPS
NOTE: IF WIRING INSULATED CLIPS
WERE REMOVED FOR SERVICING OF
UNIT, THEY SHOULD BE REPLACED
TO PROPERLY SECURE YOUR WIRING.
INTER'K, SW. SOLENOID
BED ELECTRIC BLACK
CLUTCH
PLUGS
BLACK
ENGINE COIL
)
5 AMPS., 10 VAC (MIN.)
@ MAX. R.P.M.
CHASSIS
GROUND
-26 -

REPAIR PARTS
ELECTRICAL
GT 18 TWIN GARDEN TRACTOR--MODEL NUMBER 917,255910
_35 34
48
43
44
18
KEY PART DESCRIPTION
NO. NO.
_\_ 1 STD365410 KeySet
-- '_S-T4;_654_0" * Switch -Ignition
._k$_3 11151000 Washer- Lock- Int, Tooth 5t8
3258J Nut - Hex 5/8- 32
5 105791X Ammeter
6 I05382X Switch- Light
7 913BR Battery
8 7603J Tray - Battery
9C_,,W_.!00541K
10
11
12
o 13
_'_J15 104445X
'_ 16 71031008
17 73951000
!8 106315X
19r_y_,.-_105387 X
2O
21
22
23
_-_- 24
_Jo -- 25
0_'_ 26
._x_ 27
Tube -Drain - ,,-,_,_ '3(_,.',_)
6999R Clamp- Hose
2008J Solenoid
10090400 Washer- Lock 1/4
STD54!225 *Nut- Hex-Jam I/4- 20
17190408 Screw - Hex Washer Thread Cutting
1/4 - 20 x !/2
Switch - Interlock
Screw- Hex Washer No. 10- 32 x 1/2
Nut- Keps No. 10 - 32
Diode Assembly
Harness -Wire,- _=,_4_to53_ 6 _£
4152J Bulb * Headlight
STD380300 * Fuse - 30 Amp
74610628 Bolt - Hex 3/8 - 24 x 1 - 3/4
STD523707 *Bolt - Hex 3/8- 16 x 3/4
4207J Cable - Ground
11050500 Washer- Lock- Ext. Tooth 5/16"
4021J Switch- PTO
4022J Nut. Hex
10
9D
!25
KEY PART
NO.. NO. DESCR IPTION
28 4799J
29 719J
30 51J
31 5t15J
32 106553X
33 106316X
34 106367X
35 106366X
36 19132203
37
38
39
4O
41
42
43
44
45
46
47 ()J_t_&I06617X
48 _v_,__106580X
--- I01539X
-- 106t55X
Cable - Battery
Cover -Terminal
Cover - Terminal
Cable _ Starter
Cover - Cable
Clutch - Electric
Spacer - Clutch
Stop -Clutch
Washer
STD651137 *Washer -Lock 3/8
72240460 Bolt- Carriage 1/4- 20 x 7.1/2
11030400 Washer = Lock- IntJExt. Tooth 1/4
STD54!625 *Nut- Wing 1/4- 20
102476X Guard - Terminal
STD522507 * Bolt - Hex !/4- 20 x 3/4
STD55t025 *Washer 9/32 x 5/8 x 16 G&
STD541025 *Nut- Hex t/4 - 20
STD551125 *Washer - Lock 1/4
!05819X Harness=-Ignition
Clamp, Hose
Kit, Replacement Fuseholder
Sheet, Instruction, Tractor 15o Slope
Manual - Owners
*STANDARD HARDWARE--PURCHASE LOCALLY
-27 -

REPAIR PARTS
GT 18 TWIN GARDEN TRACTOR.-MODEL NUMBER 917.255910
CHASSIS AND ENCLOSURES
63
12
13 52
18
27 27
27
71
61 :M
y M
39
67 E
38
'59
- 28-

REPAIR PARTS
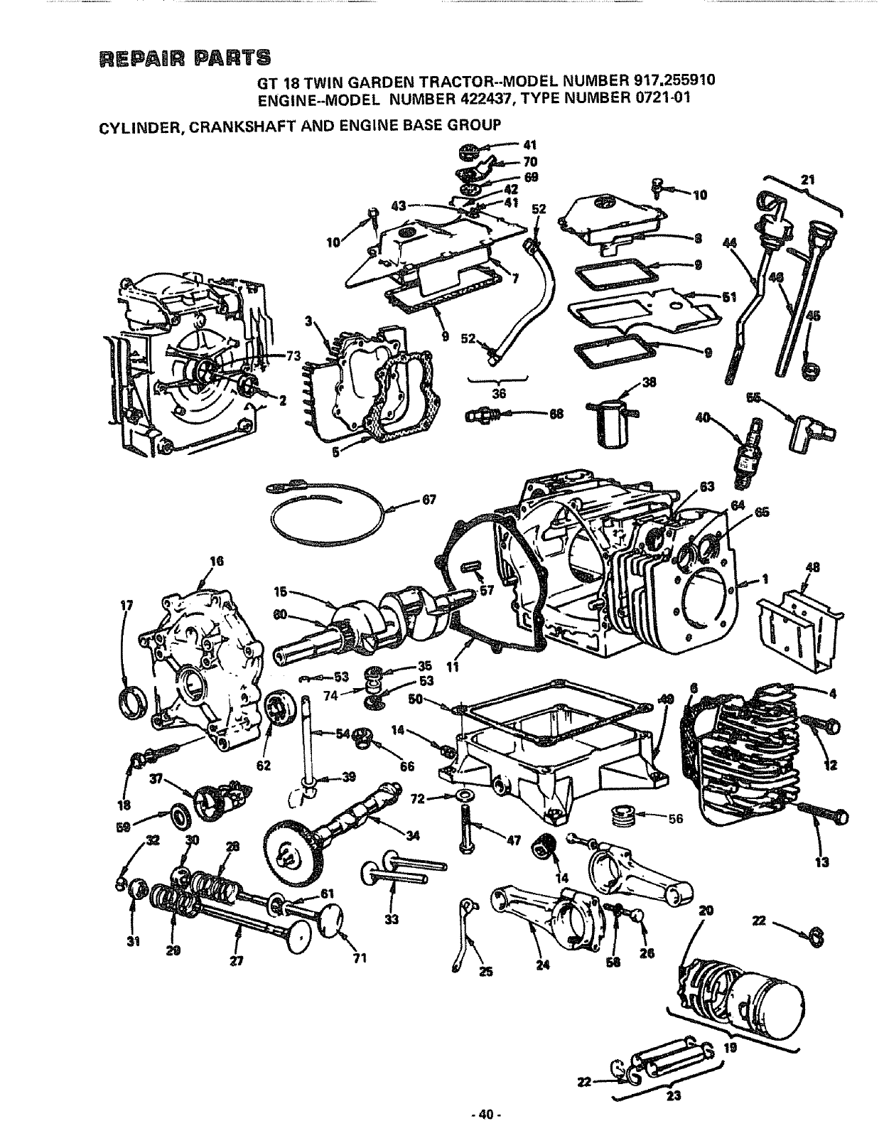
GT 18 TWIN GARDEN TRACTOR*_MODEL NUMBER 917,255910
CHASSIS AND ENCLOSURES
KEY PART DESCRIPTION KEY PART DESCRIPTION
NOo NO NO NO
1
2
3
4
5
6
7
8
9
10
11
12
13
14
15
16
17 17490612
18 105511X
19 105514X
20 1055t2X
21 19132012
22 105531X
23 I05509X
24 106020X
25 105965X
26_,,_106082X
27 6999R
28 5277J
29 3008,1
30 I05465X
3! 105466X
32 105464X
33 !05506X
34 106504X
105515X Seat
105516X Pan Seat
105529X Bolt ° Shoulder
105536X Washer -Spring
73680500 Nut- Lock 5/16- 18
19171912 Washer t7/32 x13/16 x12 Ga.
STD551150 *Washer- Lock 1/2
STD525010 *Bolt _ Hex 1/2 -13 x1
t05513X Bracket - Pivot Seat
73680600 Nut- Lock 3/8 !6
t05507X Fender
t06202X Refector -Taillight
I05801X Decal
STD523797 * Bolt Hex 3/8- 16 x 3/4
105567X Decal -Chassis
17490608 Screw -Hex Washer Thread Rolling
3/8- 16 x 1/2
Screw - Hex Washer Thread Rolling
3/8 x 16 x 3/4
Strap - Fender
Clamp - Spring
Spring - Compression
Washer 13/32 x 1 I/4 x 12 Ga,
Nut - Push
Bracket- Fender
Tank Fuel
Cap Fuel
Pad - Spacer -_:_= - GqSJL1
Clamp- Hose
Line - Fuel
Line Fuel
Footrest L H
Pad oFootrest
Footrest- R H°
Rait- Frame R H
Rait Frame L H
35
36
37
38
39
40
41
42
43
44
45
46
47
46
49
50
51
52
54
55
56
57
58
59
61
62
63
64
65
66
67
68
69
7982J brawbar
74760716 Bolt- Hex 7/16- 14 x 1
73680700 Nut Lock 7/t6 14
105520X Pane_ Side R H
I05562X Decal
t0555tX Panel Side L H.
105494X Bracket Pivot Frame R Ho
I05495X Bracket Pivot Frame - L H.
t06013X Hood
_06087X :'Shield_Heat_ Frbn_;
STD551125 *Washer- Lock 1/4
STD541025 *Nut- Hex 1/4 20
I05526X Gril{
105492X Bracket Pivot Grill- Roll
I05493X Bracket Pivot Grill Loll
106003X Lens R H
106004X Lens LH
106006X Bezel _ LH.
106005X Bezel R.Ho
11030400 Washer Lock - lnt,/Ext, Tooth 1/4
10609tX Hinge R H
106090X Hinge L H
105524X Strap -Grill
105571X Decal - Hood - RHo
105570X Decal- Hood Loll
105569X Decal Fender
106225X Decal - Drive Belt Schematic
4900J Decal Clutch/Brake
3645J Bushing
87103 Stem - Tank, Fuel
105806X Decal - Grill
105568X Decal Grill (Stripe)
70 19131416 • Washer 13/32 x 7/8 x 16 Gao
71
*STANDARD HARDWARE_ PURCHASE LOCALLY
A C D
@4 lo
EFG H J K L M
17 (_21 36 @46 _47 _47 17 14
_10 _47 70
37 t_10
- 29-

REP M PAaT8
GT 18 TWIN GARDEN TRACTOR-MODEL NUMBER 917.255910
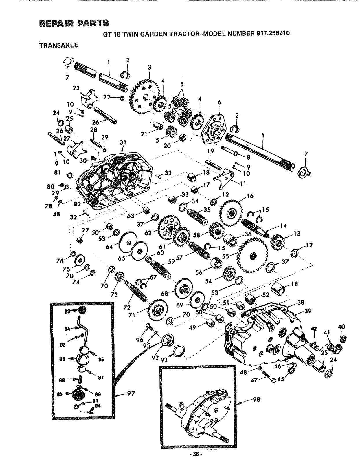
GROUND DRIVE
A B
10 _14
d#11 (_ 15
U
69
71
49
D
l •
A
9
59
OPTtONAt. EQUIPMENT 1
Spark Attester Muffler 106664X
J K L M
70
N O P Q R
@_11 _82 U
-30 -

RmPAURPARTS
GT 18 TWIN GARDEN TRACTOR-MODEL NUMBER 917.255910
GROUND DRIVE
KEY PART DESCRIPTION KEY PART DESCRIPTION
NO_ NO. NO. NO.
14
15
16
17
18
19
20
2t
22
23
24
25
26
27
28
29
30
3!
32
33
34
35
36
1J'_-106B37X Bracket, Support 60
2106035X Engine, 18 H.P., Model No. 422437 61
Type Noo0721-0t 62
313240200 Elbow, Street 63
4_,_ 9767H Valve, Oil Drain 64
5 ,_--_-:_:t3260302; :: ; B_sliing 65
6 66
7 105574X Muffler, L H 67
8I05575X Muffler_ R.H. 68
9 8545J Gasket, Muffler 69
10 74570412 Screw, Socket Hdo, t/4 - 20 x 3/4 70
1t STD551125 _Washer, Lock, 1/4 7t
12 5266J Base, Engine 72
13 STD523707 *Bott, Hex, 3/8 - 16 x 3/4 73
STD523112 *Bolt, Hex, 5/16- 18x 1- 1/4. Gr 5 74
STD551131 *Washer, Lock, 5/16 75
STD541031 *Nut t He×, 5/16 - 18 76
73680600 Nut, Lock, 3/8- 16
I01343L Pulley, Ground Drive
STD551137 *Washer, Lock, 3/8
37
36
39
40
41
42
43
44
45
46
47
48
49
50
51
52
53
54
55
56
57
58
59
19131614
105599X
72110608
106000X
19131612
101344L
5255J
I06048X
106023X
Washer, 13/32 x 1 x 14 Ga..
Bracket, Drive, Mule
Bolt, 3/8- 16 x 1
Bracket, V-Pulley, Drive, Mule
Washer, 13/32 x I x I2 Gao
Pulley, Idler
Bracket, Idler, Flat
Guard, Belt, Mule Drive, Flat Idler
Guard, Belt, Mule Drive, V-idler
72_110616 _::i _B_|t:i Ca_i:_3/8 :__6 _' 2
STD533707 *Bolt, Carro, 3/8_ 16 x 3/4
2083R Idler, Flat
STD551037 *Washer, 13/32 x 13/16 x 16 Ga,
101347L Bracket, Flat Idler
STD533710 *Bolt, Carr, 3/8- t6 x I
STD541037 *Nut, Hex, 3/8- 16
105592X Bracket, Clutch w/Bearing (Inco Key
No 106)
207J Washer, Hardened
12000039 Klip Ring
8846R Idler, Grooved
STD523715 *Bolt, Hex, 3/8- 16x 1 - 1/2
73930600 Nut, Lock, 3/8- 16
101355X Spr_ng, Extension
STD570907 *Pin, Cotter, 3/32 x 3/4
101356L Rod, Clutch
104366X Idler, Flat
STD523720 *Bolt, Hex, 3/8- 16 x 2
19131413 Washer, 13/32 x 7/8 x 13 Ga,
I05597X Retainer, Belt
104577X Adapter
STD5237t0 "Bolt, Hex, 3/8- 16 x 1 Gr. 5
17190512 Screw, Hex, Slotted, 5/16 - 18 x 3/4
t05500X Retainer, Belt, Lower
19131312 Washer, 13/32 x13/16 x12 Ga.
101345M Rod, Shift, Hi-Lo
!05598X Bracket, Rod, Shift
100196K Knob
73680500 Nut, Loc*k, 5/16 _ 18
STD571810 *Pin, Cotter, 3/16 x 1
10!342N V-Belt
77
78
79
80
81
82
83
84
85
86
87
88
89
90
91
92
93
94
95
96
97
98
99
100
10t
t02
103
t04
105
106
107
108
109
1t0
111
7952J
74760716
STD551143
101341M
9204H
104375X
19252016
STD571812
106021X
5693J
17720406
!04596X
11050600
Bracket, Support, Transa_le
Bolt, Hex, 7/16- 14 x 1
Washer, Lock, 7/16
Pulley, Transaxle
Nut, Lock, 1/2_ 20
Shaft, Foot Pedal
Washer, 25/32 x 1-1/4 x 16 Ga.
Pin, Roll, 3/16 x 1 -1/4
Spring, Extension
Control, Throttle
Screw, Hex, Thd. Cut, 1/4 - 20 x 1/2
Control, Choke
Washer, Lock, Ext. Tooth, 3/8
STD541137 *Nut, 3/8 - 24
8893R Cover, Pedal
677A637 Bracket, Brake
74370612 Screw, Mach, Unct. FIo Hd., 3/8 -
16 x 3/4
74760614 Bolt, Hex, 3/8 -16 x 7/8
7920J Band, Brake
72140405 Bolt, Cam, 1/4- 20 x 5/8
STD54t025 "Nut, Hex, 1/4- 20
7229J Guide, Rod, Brake
!685H Nut, Lock, 5/16- 18
STD5331 t0 *Bo!t, Carro, 5/16 -18 x 3/4
5308J Rod, Brake
7241J Spring, Compression
73530600 Nut, Lock, 3/8 - 24
t00604K Yoke
5102J Pin, Clevis
71673 Cap, P_unger
8000J Rod, Parking Brake
19111216 Washer, 11/32 x 3/4 x 16Gao
634A692 Bushing and Wheel Hub
7563R Washer, Thrust, Axle
12000034 Klip Ring
1304H Bolt, Hub
106277X Wheel, Rear
I05588X Tire, Rear
7154J Tu be, Tire (Not furnished)
65139 Val re, Tire
59192 Cap, Valve
214J Drum, Brake
STD541410 *Nut - Lock No. 10- 24
633A109
2228M
4186J
74760740
1013501<
7192J
61159
9858M1
5304J
74321016
Gear Shift Lever Assembly
Key, Woodruff
Spacer, Transaxle
Bolt, Hex, 7/I6- 14 x 2- 1/2
Bearing- Idler
Tie - Cable
Knob - Throttle Control
Key - Woodruff
Actuator - Switch, Interlock
Screw- Fin 10- 24 x 1
112 ,_-*_ _3280252: :Nipple, :Pipe
113,'_,-__:_'_19i320i2 .... Waslier 13_32 x 1- 1/4 x 12 Ga.
! 14_- .'-J104601X Bracket - Interlock
115_,,_. JSTD522507 *Bolt- Hex 1/4- 20 x 3/4
1t6_ _'_:_ 73680400 Nut - Crownlock 1/4- 20
117_'.,"_'=!-104758X Cap- Hub, Rear
118:;_!,:t,;,J19131210 Washer 13/32 x 3/4 x 10 Gao
119 _;!_/._.-_73680700 Nut. Crownlock 7/16 - 14
*STANDARD HARDWAREs-PURCHASE LOCALLY
-31

REPA|R PARTS
GT 18 TWIN GARDEN TRACTOR--MODEL NUMBER 917.255910
STEERING
53 ._52
21_,,_ '_'39
37
-40
M 75
L
78
/48
71
5630
41
32
63
29
17 13 15
82
i81
83
54
2O
21
22
22 26 26
21 22
27
t85
- 32 -

RE PAiR
STEERING
PARTS
GT 18 TWIN GARDEN TRACTOR_-MODEL NUMBER 917,255910
KEY PART DESCRIPTION KEY PART DESCRIPTION
NO. NO. NO. NO.
t106230X Tire, t6 x 6,50
--- 8134H Tube, Front (not furnished with
tractor)
2 106228X Front Wheel (inc. Key No. 3 and 2 of
Key No. 4)
3 278H Fitting, Grease
4 9040H Bearing
5 106045X Spindle, R.H_
6 6266H Bearing, Thrust
7 12000029 Klip Ring
8 5284J Bracket, Axfe
9 STD523707 *Bo_t- Hex 3/8 -16 x 3/4
10 73680600 Nut, Lock, 3/8- t6
11 674A244 Axle t Front, (inc. K_y No. 12)
12 1309H Bearing
13 5298J Tube, P_vot, Axle
14 74781044 Bolt, Hex 5/8- 11 x 2- 3/4 Gr. 5
15 STD551162 *Washer, Lock 5/8
16 STD54t062 *Nut, Hex 5/8- 11
17 6855M Fitting, Grease
18 106046X Spindle, LH_
19 102997X Sector Assembly 64
20 7e24_;3J-- Link, Drag _'_._%'_ P_-_"J_, 65
2! STD551137 *Washer, Loci<3t8 _=,-p,._5 66 19t 1t610
22 STD541137 *Nut, Hex 3/8- 24 _" _" 67 73680500
23 - 5292J Bushing, Beilcrank t_)_''_'-_ 68 7985J
24 677A607 Bellcrank 69 I06199X
25 19292016 Washer 29/32 x I -I/4 x 16 Ga. 70 I05487X
26 7990J Rod, Tie 71 4043J
27 STD523720 *Bolt, Hex 3/8 -16 x 2 Gro 5 72 65139
28 73510600 Nut, Keps 3/8 - 16 73 59192
29 102439X Bracket, Support, Steering 74 106198X
30 104239X Bearing, Flanged 75 105565X
31 72110608 ,Bo]t, Carr. 3/8- t6 x 1 Gr. 5_76 !06615X
32 t01274N Support, Steering 78 8022J
33 17490612 Screw, Hex Washer Thd, Ro!!_ng 79 8921R
3/8 -16 x 3/4 80 8922R
34 102458X Shaft, Steering 81 7919J
35 12000034 Klip Ring 82 73700600
36 100713N Wheel, Steering 83
37 100711L Adapter, Steering 84
38 678H500 Washer 85
39 74040616 Bolt -Hex Slotted Washer Hal. 87_JJ-
3/8- 16 x 1
40 I06014X Sleeve, Steering
4 t 9038R Bearing
42 105519X Dash, Lower
43 105536X Dash
44 105525X Bracket, Support, Dash
i45 19131416 Washer 13/32 x 7/8 x 16 Ga.
46 ,-_-!!05_, Boit- Cam 3/8 - t6 x 2 - 3/4
47 106486X Spacer
48 106002X U-Clip
49 106042X Cover. Gate, Shift
50 105572X Decal. Shift Gate
51 17240408 Screw. Hex Washer Thd. Cutting
1/4 * 20 x I/2
52 105810X Decal. Insert
53 I00710L Insertm Steering Wheel
54 STD525020 *Bolt - Hex 1/2 - 13 x 2
55 73680800 Nut. Lock t/2 - 13
56 19172610 Washer 17/32 x 1 - 5/8 x 10 Ga..
57 t06385X Bracket. Idler
58 677A451 Pulley, Idler
59(_I, L10436 IX Spring _ vo_.s qfg0S
60 STD533720 *Bolt, Carriage 3/8- 16 x 2
61 19131413 Washer 13/32x 7/8 x 13Ga,
62 STD541037 *Nut- Hex 3/8- 16
63 5213J Bracket, Frame Front
105589X Guard, Belt, Engine
STD533110 * Bolt - Carriage 5/16 - 18 x 1
Washer 11/32 x 1 x 10 Ga.
Nut, Lock 5/16- t8
Support, Battery
Decal -Caution
Screw, Special
Washer
Stem, Valve
Cap, Valve
Decal, Dash, Instruction
Decal, Instruction
Pin, Mounting, Idler Bracket
Plug -Dash
Joint - Tie Rod -R°H.. Thread
Joint -Tie Rod - LH. Thread
Rod- Tie
Nut - Hex Jam 3/8- 24_L;H.
STD541337 *Nut - Hex Jam 3/8 o24
STD533107 *Bolt _ Carriage 5/16 - 18 x 3/4
19252016 Washer 25/32 x t -1/4x t6Ga,
19132012 Washer 13/32 x t - 1/4x 12Ga.
88_.__o-174930516 Bolt. Hex 5/!6 _ 18 x 1
89_,._._ STD541031 * Nut_ Hex 5/16- 18
90_ '_ 104757X Cap _ Hub, Front
*STANDARD HARDWARE-PURCHASE LOCALLY
ABCD E
-33-

REPAM PART8
MOWER L ! FT 54
GT 18 TWIN GARDEN TRACTOR-MODEL NUMBER 917.255910
5o
17 1!
14
!
46
43
5g 60
58
49
26
24 23
11
33
41 39
40
45
44

REPAIR PART8
MOWER LIFT GT 18 TWIN GARDEN TRACTOR--MODEL NUMBER 917.255910
KEY
NO.
1
2
3
4
5
6
7
8
9
t0
!1
12
13
14
15
16
17
18
19
20
21
22
23
24
25
26
27
28
29
3O
31
PART DESCRIPTION KEY PART DESCRIPTION
NO. NO. NO.
100734K Handle. Adiust, Lift
STD541237 *Nut, He× Jam, 3/B - 16
1063!8X Rod, Adiust, Lift
STD570907 *Pin, Cotter, 3/32 x 3/4
2876H Spring
19131016 Washer 13/32 x 5/8 x 16 Ga.
105505X Cover_ Access
105559X Shield, Heat, Rear
STD523107 *Bolt, Hex, 5/16 - 18 x 3/4
73680500 Nut, Lock, 5/16 - 18
105573X Brace, Heat Shield
STD522505 *Bolt. Hex, 1/4- 20 x 1/2
73680400 Nut, Lock, 1/4 -20
106504X Bushing, Snap
STD55!13t *Washer, Lock, 5/16
105040X E}racket, Fuel Pump
74750806 Screw, Sl. Hex Hd. No. 8 - 32 × 3/8
STD551108 *Washer, Lock No. 8
105041X Pump, Fuet
STD511005 *Screw, Hex Hd. No. 10 - 24 x 1/2
73631000 Nut, Lock No. 10- 24
105633X Shaft, Lift
6519J Trunnion, Stop Depth
19151216 Washer 15/32 x 3/4 x t6 Ga.
12000037 Kiip Ring
7594J Bracket, Lift, L.H.
7901J Bolt, Shoulder
73900400 Nut, Hex Flange 1/4 - 20
7596J Link, Lift, L.H,
105503X Link, Lift, R.H.
32 4939M Retainer, Spring
33 I05630X Washer, Nyion
34 t05622X Lever, Lift
35_-,_,_*_106644X Rod, Detent _c-,3 Io_G,._QX
36 105723X Plunger, Lever
37 STD523710 *Bolt- Hex 3/8 - 16 x 1
38 106019X Grip, Handle
39 74570616 Screw.. Cap, Hex Socket Head, 3/8 -
16xl
40 STD551050 *Washer 17/32 x 1 _t/16 x 13 Ga.
41 9135R Retainer Spring
42 I05429X Arm, Suspension
43 1054!3X Stud, Pivot Center
44 STD551150 *Washer, Lock, 1/2
45 STD541050 *Nut, Hex, t/2 - 13
46 105501X Bracket, Suspension, Mower
47 STD533707 *Bolt, Carriage, 3/8 -16 x3/4
48 73680600 Nut. Lock. 3/8 -16
Ass v, -Assist, Lift49 674A247 Spring -
50 105589X Guard, Belt. Engine
51 STD533107 *Bolt, Carriage, 5/t6 - 18 x 1
52 19131612 Washer 13/32 x 1 x 12 Ga.
53 105526X Panel, Side, R.H.
54 105527X Panel, Side, L.H.
55 17490608 Bolt, Hex Washer Thd, Roiling,
3/8 - 16 x 1/2
56 73800600 Nut, Lock. Hex w/_Nasher, 3/8 - 16
57 STD541037 *Nut, Hex 3/8.16
58 5328J BoIt- Adiust, Spring, Assist
59 STD551037 *Washer 13/32 x 13/16 x 16 Ga.
60 P_L_678H445 Bracket, Spring - Assist
6!_, _-106012X Spacer
62 _-:_ 1(]4_0!_X __Bracket - Switch
63 _\,_._=,_STD522507 * Bolt - Rex i/4- 20 x 3/4
*STANDARD HARDWARE-PURCHASE LOCALLY
A B C D
13 _) 16
EF(3 H J
_21 _28 _47 _51 ?'55
2= =g @4s
K L
_37 _ 63

REPAIR P_T8
GT 18 TWiN GARDEN TRACTOR--MODEL NUMBER 917.255910
MOWER
38
37
4O
51
35
12
G
6O
56 51
47
45
71
47
/
\
44 55
49
34
18
17
15
17
16
16
17
15
D
35 35
_!/6 32
31
- 36 +

MOWER
a ,RT8
GT 18 TWIN GARDEN TRACTOR-MODEL NUMBER 917.255910
KEY PART
NO. NO. DESCRIPTION KEY PART DESCRIPTION
NO. NO.
!
2
3
4
5
6
7
8
9
10
11
12
13
14
106579X Housing, Mower
106022X Cover - Drive, Deck
17490508 Screw - Hex Washer Thd. Rot! 5/t6 -
18 x 1/2
7631J Runner, L.H.
72110505 Bolt, Cam 5/t6- 18 x 5/8
STD551131 *Washer-Lock, 5/16
STD54t031 *Nut-Hex 5/16 - 18
8418J Runner, R,H.
721,48506 Bolt, Carr. 5/16 -18 x 3/4
1685H Nut, Lock 5/16- 18
STD551031 *Washer 11/32 x 11/16 x 16 Ga.
105194X Mandrel - Secondary
106038X Mandrel - Primary
17490612 Screw. Hex Washer Th& Roll 3/8 -
t6 x 3/4
15_-_,,,J_0_106635X
16
17
t8
t9
20
21
22
23
24
25
26
27
28
29
3O
31
32
33
34
Blade -_,s l_otq_;_'_
STD623715 *Bolt ° Hex, 3/8 = 24 x 1 _ 1/2 Gr. 5
STD551137 *Washer-Lock, 3/8
19132012 Washer 13/32 x 1 - 1/4x 12Ga.
674A213 Arm Assembly, Idler
7834J Liner, Bearing
7835J Bearing
72110522 Bolt, Carriage 5/16 - t8 x 2-3/4
19111610 Washer11/32x l x10Ga.
I02403X Pulley, Idler
STD523715 *Bolt - Hex 3/8- 16x 1 - 1/2
STD541037 *Nut- Hex 3/8- 16
104361X Spring
STD523112 *Bolt- Hex 5/16- 18 x 1 -1/4 Gr. 5
19111216 Washer tl/32 x 3/4 x 16Ga.
8438J Spacer
106224X Decal o V-Belt, Dr., Schematic, Mower
I05448X Bracket, GaoWheel, R,H.
t05449X Bracket, Ga. Wheel, L,H,
STD533707 *Bolt, Carriage 3/8- 16 x 3/4
35
36
37
38
39
40
41
42
43
44
45
46
47
48
49
50
51
52
53
54
55
56
57
58
59
6O
62
63
64
65
66
68
69
73680600 Nut, Crownlock 3/8.16
105453X Bar, Ga, Whee}
5565J Pin, Clevis
4939M Retainer, Spring
4898H Bolt, Shoulder
105455X Wheel, Gauge
105433X Brkt., Suspension
105430X Spacer
105434X Brace, Suspension
105436X Parallel Link
105441X Brkt,, Suspension
78850 Decal -Warning
9135R Retainer- Spring
106381X V-Belt
STD541050 *Nut, 1/2- 13
74760622 Bolt, Hex 3/8 _ t6 xI-3/8
105435X Pin, Release
3720R Spring
12000039 Ring, Klip
19171612 Washer 17/32 x1xI2 Gao
105440X Pin, Clevis
105456X 8rkt., Outer, RoH_
105460X Brkt., Inner, R.H,
105461X Brkto, Inner, L.Ho
105457X Brkt°, Outer, L.H.
73680500 Loeknut 5/1.6- t8
19111016 Washer 11/32x 5/8 x 16Ga.
105895X Shield, Deflector
106551X Spring, Deflector
105896X Bracket, Deflector
106520X Rod, Hinge
5846R Push Nut
3713J Instruction. Caution Decal
70_'_-6224J Decal -Safety Standard
71A_,ko_.73680800 Nut - Hex 1/2- 13
*STANDARD HARDWARE--PURCHASE LOCALLY
ABC
35
D E F G
9 50 14 _ 7
O,o 35
- 37 -

REPAmR PARTS
GT 18 TWIN GARDEN TRACTOR-oMODEL NUMBER 917.255910
TRANSAXLE
3
73
61
59 5_
54
69
70
"49
7
14
40
41
24

REPAmR PARTS
GT 18 TWIN GARDEN TRACTOR--MODEL NUMBER 917.255910
TRANSAXLE
KEY PART DESCRIPTtO"J KEY PART DESCRIPTION
NO,, NO, NO, NO
1
2
3
4
5
6
7
B
9
I0
11
12
13
14
15
16
17
18
19
20
21
22
23
24
25
26
27
28
29
3O
31
32
33
34
35
36
37
38
39
40
41
42
45
46
47
48
4197R Axle Shaft 49 4895H
6845R Retaining Ring 50 4222R
4199R Final Drive Gear 51 1529R
4216R Differential Gear 52 8119M
4215R Differential Pinion 53 4220R
4217R Differential Carrier 54 4209R
6256H Axle Thrust Washer 55 4213R
74020652 Hex Bob 3/8 ..24 x 3- 1/4 56 4442R
(t" Thread Length) 57 4195R
7392M Steel Ball 58 4214R
6272H Spring Shift Fork Detent 59 4194R
4985R Shift Fork, High - Low Range 60 752BR
6266H Thrust Bearing Race 61 4208R
42t2R 4th Reduction Pinion 62 4207R
4196R 3rd Reduction Gear Shaft 63 7398H
6276H Snap Ring ..Crescent Type 64 4203R
633A63 High - Low Range Gears
8118M Needle Bearing 65 4204R
8740H1 Sintered Iron Bearing 66 2698J
6217H Shift Fork Shaft, High -Low Range 67 4926H
4218R Differential Pinion Spacer 68 4205R
6252HI Differential Pinion Bushing 69 4206R
7810H Gripco Centerlock Nut 3t8- 24 70 1370H
4986R Shift Fork - t..Ho 71 633A69
7393R Oil Seal
992Rt Sintered Iron Bearing 72 208J
6216H Shift Fork Shaft 73 420t R
6262H Shift Fork - Roll 74 12000002
101416X Shift Shaft, High. Low Range 75 1153R
6269H Oil Seal 76 7392H
5655H Pressure Relief Valve 77 3990H
101414X Gearcase, Reverse idler Shaft and 78 73220500
Bearings. R.Ho (Inc. Key NoJs. 17, 79 1167R
18, 25, 33, 50, 63, 76, 77 and 82) 80 73360700
6277H Dowel Pin 81 6270H
4225R Needle Bearing 82 7384H
7396H Thrust Bearing Race 83 t00196K
4198R 4th Reduction Gear Shaft 84 5384J
4200R 4th Reduction Gear Spacer 85 297BJ
7395H Thrust Bearing Race 86 633A85
6275H GearcaseGasket 87 8739H!
633A64 Gearcaseand Bearings - L.H. 88 4924H
(Inc. Key No's. 18.25, 49. 50 (2), 89 19151516
51 and 52) 90 8t05R
13060400 Pipe Plug 1/2 o 14 N.P.T. 91 19181511
13200400 Elbow 90°, 1/2. 1/4 NPoTo 92 75J
13280424 Pipe Nipple 1/2 -14 NPT. 93 6274H
6271H Oil Seal 94 76020412
13060200 Pipe Plug 1/4 -18 N.P.To 95 10040500
74780524 *Hex Bolt 5/16 -18 x I ..1/2 96 74760514
Grade 5 97 633A109
10140500 Lockwasher 5/16 Extra Heavy 98 101444X
Needle Bearing
Needle Bearing
Needle Bearing
Needle Bearing
Thrust Bearing Race
3rd Reduction Pinion. Low
4th Reduction Gear
3rd Reduction Pinion Spacer
2nd Reduction Gear Shaft
Final Drive Pinion
1st Reduction Gear Shaft
1st Reduction Shaft Spacer
3rd Reduction Pinion- High
2nd Reduction Gear
Needle Bearing
Low Speed Gear and 2nd Reduction
Pinion Cluster
ReverseGear
Key oHi -Pro 1/8 x17/32
Snap Ring -CrescentType
intermediate Speed Gear
High Speed Gear
Thrust BearingRace
Intermediate and High Speed Cluster
Pinions
Input Shaft
Low Speed Pinion
E-Ring
ReverseIdler Gear
ReverseIdler Thrust Washer
Needle Bearing
*Hex Nut 5/16 ,,18
Sealing Washer
Hex Jam Nut 7/16 - 20
Oil Seal
ReverseIdler Shaft
Control Knob
Gear Shift Lever- Bent
Gear Shift Cap
Gear Shift Ball Cover and Pin
Shift Lever Guide Ball ..Keyed
Spring
Washer t5/32 x15/16 x!6Go,
Shift Mechanism Seal
Washer9/16 x t5/t6 xt2 Go,
Gear Shift Gate and Reinforcement
Shift Ball Cover Gasket
Cotter 1/8 x 3/4
*Lockwasher 5/t 6
*Hex Bolt5/16- 18 UNC x 7/8
Gear Shift Lever Ass'y,
Transaxle Assembly LessBrake Drum
&Shift Lever
"STANDARD HARDWARE,..rpURCHASE LOCALLY
- 39 -

REPAHR PARTS
GT 18 TWIN GARDEN TRACTOR--MODEL NUMBER 917.255910
ENGINE-MODEL NUMBER 422437, TYPE NUMBER 0721-01
CYLINDER, CRANKSHAFT AND ENGINE BASE GROUP
52
3
38
17
16
29
62
27
66
13
- 40 -

REPAIR PARTS
GT 18 TWIN GARDEN TRACTOR-MODEL NUMBER 917.255910
ENGINE_-MODEL HUMBER 422437, TYPE NUMBER 0721-01
CYLINDER, CRANKSHAFT AND ENGINE BASE GROUP
KEY PART DESCRIPTION KEY PART DESCRIPTION
NO, NO. NO NO,
I 394900
2 391086
3212461
4212462
5 270984
8 270983
7 393243
8 393153
9 27803
10 93394
11 270882
tl 271145
11 271148
12 93113
13 93111
t4 91084
15 394430
16 394535
17 291675
18 93847
19 394955
I9 394956
19 394957
19 394958
20 394959
20 394960
20 394961
20 394962
21 394023
22 260924
23 299691
23 391286
24 394306
25 223053
26 92909
27 390420
28 65906
29 26828
30 221596
31 292260
32 93630
33 261368
34 212337
Cylinder Assembly 35 271316
Seal- Oil 36 296004
Head- Cylinder No. t 37 394348
Head- Cylinder No. 2 38 89838
*Gasket ..Cylinder Head No 1 39 220883
*Gasket - Cylinder Head No, 240 394539
Breather Assembly NoD 1
Breather Auembly No, 2 41 90576
*Gasket .. Valve Cover 42 231174
Screw., Scm 43 280180
°Gasket ,. CrankcaseCover t/64" Thick 44 394014
"Gasket _Crankcar_ Cover °008" Thick 45 68838
°Gasket - CrankcaseCover ,089" Thick 46 392782
Screw ,,Cylinder Head (2., t5/16" long) 47 93783
Screw- Cylinder Head (1 !5/16" long) 48 223055
Rug,, Oil Drain 49 394391
Crankshaft 50 270981
Cover Assembly- Crankcase 51 222700
Seal. Oi! 52 93053
Screw- CrankcaseCover Mtg, Sam 53 93851
Piston Assembly •Standard (Inc, 54 394396
Key No_s,20 & 22) 55 66538
Piston A_embly ...010" O.So 56 93448
Piston Assembly- ,020" O,,S, 57 222698
Piston Assembly -°030" O,So 58 220863
Ring Set- Piston, Standard 59 222773
Ring Set., Piston- ,010" O.S, 60 261363
Ring Set, Piston- ,020" O,S. 61 393606
Ring Set- Piston- °030" O,& 62 393741
63 231218
Dipstick and Tube Assembly (inc. 54 210940
Key No's 44, 45 &46) 65 261463
Lock- Piston Pin 66 261559
Pin Assembly ..Piston - Standard 67 391115
(Inc. Key NOD22) 68 230318
Pin Assembly. Piston .. ,005"O.S 69 92791
Rod Assembly- Connecting 70 93722
Dipper- Connecting Rod 71 261528
Screw. Connecting Rod 72 92268
Valve Exhaust 73 261623
Spring, Intake Valve 74 261560
Spring ,.Exhaust Valve
Retainer • Intake Valve
Rotocoil ,,Exhaust
Retainer ..Exhaust Valve Rotocoil
Tappet ,,Valve
Gear. Cam
Foam Seal. Governor Shaft
Pipe. Fuel {Inc. Key No. 52)
Gear. Governor
Wrench - Spark Plug
Washer..Gov. Crank (inside)
Plug. Spark (Resistor) (2 ,.3/8 high- 60
mm)
Nut- Hex 8- 32
Terminal
Grommet _insulator
Cap and Dipstick ,_Oil Filler
Sealo Filler Tube
Tube° Oil Filler
Screw ,,Hex Hd_
Trough -Dipper
Base. Engine
"Gasket, Engine Base
Baffle. Air
Clamp° Fuel Pipe
Retainer. E-Ring
Crank •Governor
Elbow- Spark Plug
Plug. Hex Socket
Key- Flywheel
Washer
Washer -Thrust
Gear° Timin_
SeatAssay,and Retainer
Bearing,, Ball (P.T.O. side)
+Guide. Exhaust Valve
+Seat- Exhaust Valve (Standard)
+Seat _.Intake VaNe (Standard)
Lower Bushing- Gov_
Wire ,,Ground
Connector _Fuel Pipe
Washer. Lock Shakeproof
Terminai ,,Spade
Valve,, Intake
Washer
+ Bearing- Cyiinder
Upper Bushing - Governor
*inc,, in Gasket Set -394501
+Special Too{s required to install

R_PAIR PARTS ..........
GT 18 TWIN GARDEN
ENGINE..M TRACTOR.
ODEL Nit InA_,,,,,,,._ "MODEL NUMBER
AIR CLEANER-CARBURETOR GROUp NUMBER 0721-01
"',==H 422437, TYPE 917.255910
34
55

$ EPABR PARTS
GT 18 TWIN GARDEN TRACTOR-MODEL NUMBER 917.255910
ENGINE-MODEL NUMBER 422437, TYPE NUMBER 0721-01
AIR CLEANER-CARBURETOR GROUP
KEY PART DESCRIPTION KEY PART DESCRIPTION
NO. NO, NO. NOo
1280185
2280168
3_2970
4271412
5 270B84
0 93415
7 032O8
8 398620
397241
10 212718
11 231209
12 282681
13 03499
14 221939
15 392072
16 9102O
17 26157
18 271607
19 298514
2O 230886
21 299098
22 398619
23 222010
24 392673
25 94152
27 93879
28 231338
28A 280474
29 222752
30 212292
31 93715
Tube -Breather 32 261444
Tube- Intake 33 261531
Manifold ASs'y. - Intake 34 261729
+=Gasket- Carb, Mtg. 35 261563
*Gasket °Intake Manifold Mtg. 36 222807
Screw _Carb_ Mt9. Sere 37 222828
Sctow - Intake Manifold Mt9, Sam 38 394324
It
Carburetor Ass y. (inc, Key No s_ 39 393846
9, 10, 11, 12, 13, 14, 150t6, 17,
18, t9, 20, 21, 22, 23, 24, 25, 28, 40 222289
44, 46, 47, 46, 49° 50, 51, 61, 63, 41 93868
64 &65), 42 221535
Body Ass y. • Upper Carb. (inc. Key 43 93893
No's. 10, 13, 18, 23 & 24) 44 397882
Body- Upper Carb. 45 231172
BOshing - .Throttle Shaft 52 271271
+Valve A,'y_- Carb. Idle 53 271411
Screw- Throttle and Choke Valve 54 271180
Mtg. Sam 55 93853
Valve- Throttle 56 92278
Shaft and Lever° Throttle 57 223001
Screw _M_h° FiL Hd. 8- 32 x5/8 58 222835
Spring- Throttle Adj, 59 93496
+'Gasket- C_rburetor Body 60 392643
Float- Carburetor
+Pin- Float Hince 61 261560
+VaNe, Fuel Inlet 62 394018
Body -Lower Carb. (Inc, Key No's, 63 271013
11, 13, 14, 15 & 65) 66 93892
Valve- Choke 67 394358
Shaft and Lever, Choke 68 93053
Screw- Hex Head Sam 69 393815
10132 x 5/8 70 394501
Screw- CasingClamp ..... 394502
°Jet - Needle Valve
O-Ring Seal
Body- Air Cleaner
Knob- Air Clemer
Nut- Hex
Link- Governor
Link- Speed_uot
Spring -Governor
Spring- Governed Idle
Bracket - Speed Control
Lever - S_e_ Control
Plate Ass y. Governor Control
Lever Ass y,- Governor (inc. Key
No's. 40, 55 & 56)
Washer
,_rew. Sam
Clamp- Casing
Screw - Sam
Plug (Inc, Key No, 28A)
Bushing- Speed Control
Element - Air Cleaner
+Gasket- Air Cleaner
Washer
Bolt. Governor Lever
Nut oHex 10.24
Cover - Air Cleu_er
Car_ridg_Plate - Air Qearmr
Saew- Sam
Mounting Strap Ass*y., Air Cleaner
(Inc. Key No. 43)
Upper Bushing -Governor
Certridg_- Air Claaxter
+Washer• Choke Shaft
Screw° Sam
Filter- Fuel
Clamp - Fuel Pipe
Fuel- Line (28"} (cut to required length)
Gasket Set
Carburetor Overhaul Kit
*Included in Gasket Set -394501
+Included in Carburetor Overhaul Kit - 394502
°High Altitude - Jet -Needle
Valve -Part No. 231333
- 43 -

REPAIR PARTS ....
GT 18 TWIN GARDEN TRACTOR*-MODEL NUMBER 917.255910
ENGINE-MODEL NUMBER 422437, TYPE NUMBER 0721_01
STARTER MOTOR GROUP
1
2
31
9
11 33 --_
29 28 I_27
23
20
2_23 __J 17
KEY
NC)_
2
3
4
5
6
7
8
I0
11
12
13
14
15
PART DESCRIPTION KEY PART DESCRIPTION
NO, NO. NO.
394891 Armature Group (Inc_ Key No_s. 16 395538
2,3 & 5) 17 395537
394970 Trigger Coil Assay Magnatron Ignition
221798 Terminaf -Ignition Coils 18 394808
93381 Screw Armature Mtg Sere
394988 Armature Ass'y. 19 392747
392956 Flywheel and Ring Gear Ass'y, 20 394860
93621 Screw _Sere 21 391135
393537 Diode and Connector Ass_yo 22 280104
(Dual Circuit) 23 90366
392595 Stator * Alternator (Dual Circuit_ (Inc_ 24 91162
Key Noo 8) 25 393254
391362 Gear- Ftywheel Ring (Includes Mounting 26 93754
Parts) 27 92674
22906 Nut Flywheel Lock 28 223008
212418 Fan * Booster 29 231247
393825 Housing Assembly 31 93808
19203 Puller- Flywheet (Optional Accessory) 32 393362
94003 Thru BoJt 33 271174
34 396865
BrushSet
Commutator End Cap Ass'y. - Starter
(InCo Key No. 16)
Motor= Starting (Inc. Key No'=. 13,
150 16, 17, 19. 20, 21, 22, 23 & 24)
Armature Assembly (Motor)
Drive End Cap Ass y. - Starter
Crutch Ass'y, * Starter
Gear - Starter
Lockwasher
Screw -Hex Hd. - 6/16.18x 1 - I/2"
Kit - Pinion Springt(tnc_ Key No's. 22 & 26
!Roll Pin
Screw- Hex Hd,
Screen =Rotating
Nut -Hex
Screw - Scm
Alternator HarnessAss y.
Gasket -Exhaust
Starter Drive Group (inc. Key No_s,
21, 22, 25 & 26)
.44.

RI IR PARTS
GT 18 TWIN GARDEN TRACTOR--MODEL NUMBER 917.255910
ENGINE-MODEL NUMBER 422437, TYPE NUMBER 0721-01
MUFFLER, AIR GUIDE AND HOUSING GROUP
KEY
NO,
I
2
3
4
5
PART
NO.
222848
222849
93163
392681
93158
DESCRIPTION
Cover - Air Guide
Cover - Air Guide
Screw- Sere
Housing- Blower
Screw. Sere
KEY PART
NO, NO,
6
7
8
222847
222846
93777
392934
DESCRIPTION
Shield- Cylinder
Shield - Cylinder
Screw- Hex Hd., (Back Plate
to Cylinder )
Back Plate AssJy_
45 -

SERVICS NOTES
- 46

I
SIGHT AND HOLD THSS LEVEL WITH
SKY LaNE OR TREE
®
Operate your Tractor up and down the face of slopes (not
greater than 15°); never across the face, Make turns gradu*
ally to prevent tipping or toss of control. Exercise extreme
caution when changing direction on slopes.

S__S
OWNERS
MANUAL
MODEL NO.
917.255910
HOW TO ORDER
REPAIR PARTS
GT 18 TWIN
6 SPEED
GARDEN TRACTOR
The Model Number will be found on the Model Plate attached
to the Drawbar. Always mention the Model Number when re-
questing service or repair parts for your Garden Tractor.
All parts listed herein may be ordered from any Sears Service
Center/Departments and most Sears Retail Stores.
WHEN ORDERING REPAIR PARTS, ALWAYS GIVE THE
FOLLOWING INFORMATION:
• THE PART NUMBER
O THE PART DESCRIPTION
® THE MODEL NUMBER
O THE NAME OF MERCHANDISE
If the parts you need are not stocked locally, your order will
be electronically transmitted to a Sears Repair Parts Distribu-
tion Center for "expedited handling",
Sears, Roebuck and Co., Chicago, IL 63684 U.&A.