Sears Craftsman 917 257720 Users Manual
917257720 917257720 CRAFTSMAN LAWN TRACTOR - Manuals and Guides L0904392 View the owners manual for your CRAFTSMAN LAWN TRACTOR #917257720. Home:Lawn & Garden Parts:Craftsman Parts:Craftsman LAWN TRACTOR Manual
CRAFTSMAN Lawn, Tractor Manual L0904392 CRAFTSMAN Lawn, Tractor Owner's Manual, CRAFTSMAN Lawn, Tractor installation guides
Craftsman 917.257720 L0904392
917.257720 to the manual 5ecf299b-900b-4f4e-a6e4-2c2a4140d1f6
2015-02-05
: Sears Sears-Craftsman-917-257720-Users-Manual-399113 sears-craftsman-917-257720-users-manual-399113 sears pdf
Open the PDF directly: View PDF
.
Page Count: 60

LNUMBER 917.257720 OWNER'SMANUAL
Assembly
Operation
Customer Responsibilities
Service and Adjustments
Repair Parts
CAUTION: Read and follow all safety rules and instructions before operating this equipment,

SAFETY RULES
Safe Operation Practices for Ride-On Mowers
IMPORTANT: THIS CUTTING MACHINE IS CAPABLE OFAMPUTATING HANDSAND FEETAND THROWING OBJECTS.
FAILURE TO OBSERVE THE FOLLOWING SAFETY INSTRUCTIONS COULD RESULT IN SERIOUS INJURY OR DEATH.
L GENERAL OPERATION
* Read, understand, and follow all instructions in the manual
and on the machine before starting.
Only allow responsible adults, who are familiar with the
instructions, to operate the machine.
Clear the area of objects such as rocks, toys, wire, etc.,
which could be picked up and thrown by the blade.
*Be sure the area is clear of other people before mowing. Stop
machine if anyone enters the area.
,Never carry passengers.
- Do not mow in reverse unless absolutely necessary. Always
look down and behind before and while backing.
Be aware of the mower discharge direction and do not point
it at anyone. Do not operate the mower without either the
entire grass catcher or the guard in place.
Slow down before turning.
= Never leave a running machine unattended. Always turn off
blades, set parking brake, stop engine, and remove keys
before dismounting.
® Turn off blades when not mowing.
® Stop engine before removing grass catcher or unclogging
chute.
o Mow only in daylight or good artificial light.
oDo not operate the machine while under the influence of
alcohol or drugs.
- Watch for traffic when operating near or crossing roadways.
- Use extra care when loading or unloading the machine into
a trailer or truck.
IL SLOPE OPERATION
Slopes are a major factor related to loss-of-control and tipover
accidents, which can result in severe injuryor death. All slopes
require extra caution. If you cannot back up the slope or ifyou feel
uneasy on it, do not mow it.
DO:
oMow up and down slopes, not across.
* Remove obstacles such as rocks, tree limbs, etc.
® Watch for holes, ruts, or bumps. Uneven terrain could
overturn the machine. Tafl grass can hide obstacles.
® Use slow speed. Choose a low gear so that you will not have
to stop or shift while on the slope.
Follow the manufacturer's recommendations for wheel
weights or counterweights to improve stability.
Use extra care with grass catchers or other attachments.
These can change the stability of the machine.
Keep all movement on the slopes slowand gradual Do not
make sudden changes in speed or direction.
o Avoid starting or stopping on a slope. If tires lose traction,
disengage the blades and proceed slowly straight down the
slope.
DO NOT:
Do not turn onslopes unless necessary, and then, turn slowly
and gradually downhill, if possible.
Do not mow near drop-offs, ditches, or embankments. The
mower could suddenly turn over if a wheel is over the edge
of a cliff or ditch, or if an edge caves in.
,Do not mow on wet grass. Reduced traction could cause
sliding.
.Donottrytostabilizethemachinebyputtingyourfootonthe
ground.
,Do not use grass catcher on steep slopes.
t11. CHILDREN
Tragic accidents can occur if the operator is not alert to the
presence of children. Children are often attracted to the machine
and the mowing activity. Neverassume that children will remain
where you last saw them.
* Keep children out ofthe mowing area and under the watchful
care of another responsible adult.
*Be alert and turn machine off if children enter the area.
, Before and when backing, look behind and down for small
children.
, Never carry children. They may fall off and be seriously
injured or interfere with safe machine operation.
-Never allow children to operate the machine.
* Use extra care when approaching blind corners, shrubs,
trees, or other objects that may obscure vision.
IV. SERVICE
- Use extra care in handling gasoline and other fuels. They are
flammable and vapors are explosive.
Use only an approved container.
Never remove gas cap or add fuel with the engine
running. Allow engine to cool before refueling. Do not
smoke.
Never refuel the machine indoors.
Never store the machine or fuel container inside where
there is an open flame, such as a water heater.
•Never run a machine inside a closed area.
Keep nuts and bolts, especially blade attachment bolts, tight
and keep equipment in good condition.
Never tamper with safety devices. Check their proper
operation regularly.
,Keep machine free of grass, leaves, or other debris build-up.
Clean oil or fuel spillage. Allow machine to cool before
storing.
• Stop and inspect the equipment if you strike an object.
Repair, if necessary, before restarting.
, Never make adjustments or repairs with the engine running.
, Grass catcher components are subject to wear, damage, and
deterioration, which could expose moving parts or allow
objects to be thrown. Frequently check components and
replace with manufacturer's recommended parts, when nec o
essary.
Mower blades are sharp and can cut. Wrap the blade(s) or
wear gloves, and use extra caution when servicing them.
- Check brake operation frequently. Adjust and service as
required.
Look for this symbol to point out impor-
tant safety precautions. It means
CAUTION!!! BECOME ALERT!!! YOUR
SAFETY IS INVOLVED.
CAUTION: Always disconnect spark
plug wire and place wire where it cannot
contact spark plug in order to prevent
accidental starting when setting up,
transporting, adjusting or making
repairs,
2

CONGRATULATIONS on your purchase of a Sears
Tractor. It has been designed, engineered and manufac-
tured to give you the best possible dependability and
performance.
Should you experience any problem you cannot easily
remedy, please contact your nearest Sears Authorized
Service Center/Department. We have competent, well-
trained technicians and the proper tools to service or repair
this unit.
Please read and retain this manual. The instructions will
enable you to assemble and maintain your unit properly.
Always observe the "SAFETY RULES".
MODEL
NUMBER 917.257720
SERIAL
NUMBER
DATEOFPURCHASE
THE MODELANDSERIALNUMBERS WILL BE FOUND
ON A PLATE UNDER THE SEAT.
YOU SHOULD RECORD BOTH SERIAL NUMBER AND
DATE OF PURCHASE AND KEEP IN A SAFE PLACE
FOR FUTURE REFERENCE.
PRODUCT SPECIFICATIONS
HORSEPOWER: 18.0
GASOM NE CAPACITY 3,5 GALLONS
AND TYPE: UNLEADED REGULAR
OIL TYPE (API-SG): SAE 30 (above 32°F)
SAE 5W-30 (below 32°F)
OILCAPACITY: W/FILTER: 4.0 PINTS
W/O FILTER: 3.5 PINTS
SPARK PLUG: CHAMPION RV17YC
(GAP: .025")
VALVE CLEARANCE: INTAKE: .003" -.006"
EXHAUST: .016" - .019"
GROUND SPEED (MPH): Forward L.O Ht
1st 0.8 1.8
2nd 1.4 3.4
3rd 2.4 5.6
Reverse 0.9 2.2
TRANSAXLE OIL 4 QUARTS
CAPACITY AND TYPE: SAE 30 API-SG
TIRE PRESSURE: FRONT: 14PSI
REAR: 10 PSI
CHARGING SYSTEM: 15 AMPS @ 3600 RPM
BLADE BOLT TORQUE: 30-35 FT. LBS.
MAINTENANCE AGREEMENT
A Sears Maintenance Agreement is available on this prod-
uct. Contact your nearest Sears store for details.
CUSTOMER RESPONSNBILmTIES
o Read and observe the safety rules.
o Follow a regular schedule in maintaining, caring for and
using your unit.
Follow the instructions under "Customer Responsibili-
ties" and "Storage" sections of this owner's manual.
WARNING: This unit is equipped with an internal combus-
tion engine and should not be used on or near any unim-
proved forest-covered, brush-covered or grass-covered
land unless the engine's exhaust system is equipped with
a spark arrester meeting applicable local or state laws (if
any). If a spark arrester is used, it should be maintained in
effective working order by the operator.
In the state of California the above is required by law
(Section 4442 of the California Public Resources Code).
Other states may have similar laws. Federal laws apply on
federal lands. A spark arrester for the muffler is available
through your nearest Sears Authorized Service Center/
Department (See REPAIR PARTS section of this manual).
LmMR'ED TWO YEAR WARRANTY ON ELECTRIC START RIDING EQUIPMENT
For two (2) years from the date of purchase, if this riding equipment is maintained, lubricated and tuned up according to the
instructions in the owner's manual, Sears will repair or replace, free of charge, any parts found to be defective in material or
workmanship.
This Warranty does not cover:
o Expendable items which become worn during normal use, such as blades, spark plugs, air cleaners and belts.
o Tire replacement or repair caused by punctures from outside objects, such as nails, thorns, stumps, or glass.
o Repairs necessary because of operator abuse, negligence, improper storage or accident or the failure to maintain the
equipment according to the instructions contained in the owner's manual:
Riding equipment used for commercial or rental purposes.
LIMITED 90 DAY WARRANTY ON BATTERY
For ninety (90) days from date of purchase, if any battery included with this riding equipment proves defective in material or
workmanship and our testing determines the battery will not hold a charge, Sears will replace the battery at no charge.
WARRANTY SERVICE tS AVAILABLE BY RETURNING THE RIDING EQUIPMENT TO THE NEAREST SEARS SERVICE
CENTER/DEPARTMENT IN THE UNITED STATES.
This Warranty gives you specific legal rights, and you may also have other rights which may vary from state to state.
SEARS, ROEBUCK AND CO., D/817 WA, HOFFMAN ESTATES, ILLINOIS 60179
3

TA LE OF CON TS
SAFETY RULES ............................................................ 2
PRODUCT SPECIFICATIONS ....................................... 3
CUSTOMER RESPONSIBILITIES ..................... 3, 15-18
WAR RANTY ................................................................... 3
TRACTOR ACCESSORIES ........................... ................ 5
ASSEMBLY .............................................................. 7-10
OPERATION ........................................................... 11-14
MAINTENANCE SCHEDULE ...................................... 15
SERVICE AND ADJUSTMENTS ............................ 19-25
STORAGE .................................................................... 26
TROUBLESHOOTING ............................................ 28=29
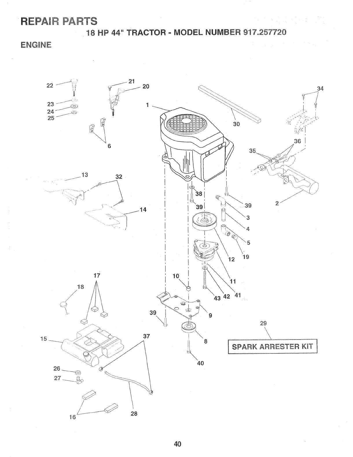
REPAIR PARTS =TRACTOR ................................. 31-47
REPAIR PARTS - ENGINE ..................................... 48°57
PARTS ORDERING/SERVICE ................ BACK COVER
INDEX A
Accessories ........................................... 5
Adjustments:
Brake ............................................ 21
Carburetor .................................... 25
Clutch Pulley ................................ 21
Gauge Wheels ............................. 13
Mower
Front-To-Back ........................ 20
Side-To-Side ........................... 19
Throttle Control Cable .................. 25
Air Filter, Engine .................................. 18
Air Screen. Engine ............................... 18
Assembly .......................................... 7-10
B
Battery:
Charging ......................................... 8
Cleaning ....................................... 16
Installation .................................... 10
Levels ........................................ 8.16
Preparation ..................................... 8
Starting with Weak Battery ........... 21
Storage ......................................... 24
Terminals ...................................... 17
Belt:
Motion Drive
Removal/Replacement ............ 22
Mower Drive
Removal/Replacement ............ 20
Mower Blade Drive
Removal/Replacement ............ 21
Blade:
E
Electrical:
Interlocks and Relays ................... 22
Schematic ..................................... 30
Wiring Diagram ............................. 32
Engine:
Air Filter ........................................ 18
Air Screen ..................................... 18
Cooling Fins ................................. 18
Oil Change ................................... 17
Oil Level ....................................... 17
Oil Type .................................. 13,17
Preparation ................................... 13
Repair Parts ............................ 48-57
Starting .................................... 13.14
Storage ......................................... 26
F
Filter:
Air Filter ........................................ 18
Fuel .............................................. 18
Oil ................................................. 18
Fuel:
Storage ......................................... 26
Type ............................................. 14
Fuse .................................................... 22
H
Headlights ............................................ 24
Hood Removal/Installation ................... 24
Sharpening ................................... 16
L
Leveling Mower Deck .......................... 19
Replacement ................................ 16 Lubrication:
Chart ............................................. 15
Brake Adjustment ................................ 21 Engine .......................................... 16
C
Carburetor Adjustment ....................... 25
Clutch Pulley ........................................ 21
Controls. Tractor .................................. 11
Customer Responsibilities .............. 15-18
Engine:
Air Filter .................................... 18
Air Screen ................................. 18
Cooling Fins ............................. 18
Engine Oil ............................ 13,16
Fuel Filter ................................. 18
Spark Plug(s) ............................. 18
Tractor:
Battery ..................................... 17
Blade ........................................ 14
Lubrication Chart ...................... 15
Maintenance Schedule ............. 15
Tire Care .......................... 8,15,21
Transaxle .................................. 16
Cutting Height, Mower ......................... 12
M
Maintenance Schedule ........................ 15
Mower:
Adjustment, Front-to-Back ............ 19
Adjustment, Side-to-Side .............. 19
lade Replacement ...................... 16
Blade Sharpening ......................... 16
Cutting Height ............................... 12
Installation .................................... 19
Operation ...................................... 13
Removal ....................................... 19
Mowing Tips ........................................ 14
Muffler .................................................. 18
Spark Arrester ........................... 3,38
Oil:
O
Cold Weather Conditions ........ 13.17
Engine .......................................... 17
Storage ......................................... 26
4
Operation ........................................ 11-14
Operating Mower ................................. 13
Options:
Accessories .................................... 5
Spark Arrester ........................... 3,38
P
Parking Brake ................................. 11-12
Parts Bag ............................................... 6
Parts, Replacement/Repair ............ 31-47
Product Specifications ........................... 3
R
Repair Parts ................................... 3! -47
S
Safety Rules .......................................... 2
Seat ...................................................... 8
Service and Adjustments ................ 19-25
Carburetor .................................... 25
Clutch Pulley ................................ 21
Fuse ............................................ 23
Hood Removal/Installation ........... 24
Motion Drive Belt
Removal/Replacement ............ 22
Mower Drive Belt
Removal/Replacement ............ 20
Mower Blade Drive Belt
Removal/Replacement ............ 21
Mower Adjustment
Front-to-Back ........................... 20
Side-to-Side ............................. 19
Mower Removal/Installation ......... 18
Tire Care ............................... 8.15,21
Slope Guide Sheet .............................. 59
Spark Plug(s) ....................................... 17
Specifications ........................................ 3
Starting the Engine ......................... 13-14
Steering Wheel ................................. 7,22
Stopping the Tractor ............................ 12
Storage ................................................ 26
T
Throttle Control Cable Adjustment ...... 25
Tires ............................................. 8.15.21
Troubleshooting Chart ................... 28-29
Transax_e ................................... 16.46-47
W
Warranty ................................................ 3
WiringDiagram .................................... 32
Wiring Schematic ................................. 30

ESSORIES AND ATTAC ENTS
These accessories and attachments were available through most Sears retail outlets and service centers when the tractor was purchased.
Most Sears stores can order these items for you when you provide the model number of your tractor.
ENGINE
SPARK PLUG GAS CAN FUEL STABiLiZER
MAINTENANCE
BLADES BELTS
PERFORMANCE
Sears offers a wide variety of attachments that fit your tractor. Many of these are listed below with brief explanations of how they can help
you. This list was current at the time of publication; however, it may change in future years - more attachments may be added, changes
may be made in these attachments, or some may no longer be available or fit your model. Contact your nearest Sears store for the
accessories and attachments that are available for your tractor.
Most of these attachments do not require additional hitches or conversion kits (those that do are indicated) and are designed for easy
attaching and detaching.
AERATOR promotes deep root growth for a healthy lawn. Tapered
2.5-inch steel spikes mounted on 10-inch diameter discs puncture
holes in soil at close intervals to let moisture soak in. Steel weight tray
for increased penetration_
BUMPER protects front end of tractor from damage.
CARTS make hauling easy. Variety of sizes available, plus accesso-
ries such as side panel kits, toot caddy, cart cover, protective mat and
dolly.
CORING AERATOR takes small plugs out of soil to allow moisture
and nutrients to reach grass roots. 36-inch swath. 24 hardened steel
coring tips. 150 lb. capacity weight tray.
DISC HARROW has 2 gangs of 4 steel blades that angle from 10 to
20 degrees, 40 inches wide. Can hook 2 units in tandem. (Requires
sleeve hitch,)
DOZER BLADE removes snow; grades dirt, sand and gravel. 48
inches wide, 17 inches high, clears 44-inch path when angled. Master
lift control lever for operator ease. Spring trip for snow removal on
uneven pavement; built-in float for blade to follow ground contour,
Reversible, replaceable scraper bar. (Use with tire chains and wheel
weights and/or rear drawbar weight.)
EASY OHL DRAIN VALVE makes oil changes easier, faster.
FRONT NOSE ROLLER canters in front of mower deck to reduce
chances of "scalping" on uneven terrain.
GANG HF['OH lets you tow 2 or 3 pUll*behind attachments at
once, such as sweepers, dethatchers, aerators (not for use with
rollers, carts or other heavy attachments).
MULCH RAKE/DETHATCHER loosens soil and flips thatch and
matted leaves to lawn surface for easy pickup. Twenty spring tine
teeth. Useful to prepare bare areas for seeding. Available for front or
rear mounting. HiGH PERFORMANCE REEL=ACTION SPRING
TINE DETHATCHER covers 36-inch wide path and tosses thatch into
large hopper. Mounts behind tractor.
PLOW turns soil 6 inches deep, cuts 10-inch furrow. Crank adjust-
ment controls depth, 3-position yoke sets width. Heavy steel lands!de
for straight furrowing. (Requires sleeve hitch.)
RAMP TOPS AND FEET let you load and unload tractor from a
pickup truck. Use with 2 x 8 or 2 x 10 lumber.
REAR GRADER BLADE is 42 inches wide and operated from driver's
seat. Reversible steel blade can be angled at 30 degrees for grading.
Reverses for pushing snow backwards. (Requires sleeve hitch.)
ROLLER for smoother lawn surface. 36-inch wide, 18-inch diameter
water-tight drum holds up to 390 Ibm. of weight. Rounded edges
prevent harm to turf. Adjustable scraper automatically cleans drum.
SLEEVE CULTWATOR is 43 inches wide. Prepares ground for
seeding, helps weed control. Steel frame holds 5 adjustable sweeps.
Adjusts vertically, horizontally. (Requires sleeve hitch.) Optional
accessory: steel furrow opener for wider openings for potatoes,
corn, and other deep-seeded crops.
SLEEVE HITCH for use with master lift system. Single pin couples/
uncouples.
SNOWTHROWER has 42-inch swath. Drum-type auger handles
powdery and wet/heavy snow. Mounts easily with simple pin arrange-
ment. Discharge chute adjusts from tractor seat. 6qnch diameter
spout discharges snow 10 to 50 feet. Lift controlled at tractor seat.
(Use with chains and wheel weights and/or rear drawbar weight.)
SPRAYERS use 12wott DC electric motor that connects to the tractor
battery or other 12wolt source. Includes booms for automatic
spraying and hand held wand for spot spraying. Wand has adjustable
spray pattern. For applying herbicides, insecticides, fungicides and
liquid fertilizers.
SPREADER/SEEDERS make seeding, fertilizing, and weed killing
easy. Broadcast spreaders are also useful for granular de-icers and
sand.
SWEEPERS let you collect grass clippings and leaves.
TILLER has 8 hp engine to prepare seed beds, cultivate, and compost
garden residue. Chain-drive transmission. Six 11-inch diameter one
piece heat-treated steel tines. Tills 30-inch path. (Requires sleeve
hitch.) Or use 5 hp tow-behind TILLER with 36-inch swath to prepare
seed beds, cultivate and compost garden residue. Tiller has its own
built-in lift and depth control system and does NOT require a sleeve
hitch. Fits any lawn, yard or garden tractor. Simply hook up to the
tractor drawbar and go! OptionaU accessories for 5 hp tiller convert
unit for dethatching, aerating, hilling...without tools.
TiRE CHAINS are heavy duty; closely spaced extra-large cross links
give smooth ride, outstanding traction.
TRACTOR CAB has heavy duty vinyl fabric over tubular steel frame,
ABS plastic top; clear plastic windshield offers 360 degree visibility.
Hinged metal doors with catch. Keeps operator warm and dry.
Remove vinyl sides and windshields for use as sun protector in
summer, OptionaJ accessories incUude: tinted/tempered solid
safety glass windshield with hand operated wiper; 12-volt amber
caution light for mounting on cab top.
VACS for powerful collection of heavy grass clippings and leaves.
Optional wand attachment to pick up debris in hard-to=reach places_
VAC/CHIPPER includes a chipper-shredder.
WEIGHT BRACKET for drawbar for snow removal applications, can
be mounted on front of tractor for plowing applications. Uses (1) 55
lb. weight.
WHEEL WEIGHTS for rear wheels provide needed traction for snow
removal or dozing heavy materials.
5

CONTENTS ,OF E PACK
Parts Bag contents shown full size
......... 3
=
(1) Shoulder Bolt 5/16-18
(1) Knob
(1) Washer 17/32 x 1-3/!6 x 12 Gauge
_ etainer Springs
Double Loop
=
(4) Retainer Springs
Single Loop
(2) Hex Bolts 1/4-20 x 3/4
(2) Washers 9/32 x 5/8 x 16 Ga.
(2) Hex Nuts 1/4-20
(2) Lock Washers 1/4
(2) Wing Nuts 1/4-20
Parts packed separately in carton
..... .- =
Seat
©
Battery acid
6
Steering Wheel
I 1
Parts Bag
Battery
Owner's Manual
Parts bag contents not shown full size
_.=
(2) Gauge Wheels
(2) Shoulder Bolts
_t Link Assemblies
©
(2)
(2) Washers Lock Nuts
3/8 x 7/8 x 14 Gauge
(2) Battery Carriage Bolts 1/4-20 x 7-1/2
Steering Wheel insert
Terminal Guard
15° Slope Sheet
...... =
(2) Keys
Steering
Sleeve
/\
r
Battery Caps
and Instructions

BLY
Your newtractor has been assembled at the factory with the exception of those parts left unassembled for shipping purposes,
To ensure safe and proper operation of your tractor all parts and hardware you assemble must be tightened securely. Use
the correct tools as necessary to insure proper tightness,
TOOLS REQUIRED FOR ASSEMBLY
A socket wrench set will make assembly easier. Standard
wrench sizes are listed.
(2) 7/16" wrenches Tire pressure gauge
(1) 1/2" wrench Utility knife
(1) 9/16" wrench
(1) 3/4" socket with drive ratchet
When right or left hand is mentioned in this manua, it
means when you are in the operating position (seated
behind the steering wheel).
TO REMOVE TRACTOR FROM CARTON
UNPACK CARTON
® Remove all accessible loose parts and parts cartons
from carton (See page 6).
® Cut, from top to bottom, along lines on all four corners
of carton, and lay panels flat.
o Remove mower and packing materials.
o Check for any additional loose parts or cartons and
remove.
BEFORE ROLLING TRACTOR OFF SKID
STEERING WHEEL iNSERT
_jHEX BOLT
LOCK WASHER
,_!;,_// LARGE FLAT
WASHER
STEERING
WHEEL
STEERING
SHAFT
STEERING
SLEEVE
ATTACH STEERING WHEEL (See Fig. 1)
* Remove hex bolt, lock washer and large flat washer
from steering shaft.
, Position front wheels of the tractor so they are pointing
straight forward,
o Slide steering sleeve over steering shaft,
o Position steering wheel so cross bars are horizontal
(left to right) and slide onto steering wheel adapter.
o Secure steering wheel to steering shaft with hex bolt,
Iockwasher and large flat washer previously removed
Tighten securely.
Snap steering wheel insert into center of steering
wheel.
Remove protective plastic from tractor hood and grill.
IMPORTANT: CHECK FOR AND REMOVE ANY STAPLES
IN SKID THAT MAY PUNCTURE TIRES WHERE TRACTOR
IS TO ROLL OFF SKID.
FIG. 1
TO ROLL TRACTOR OFF SKiD (See Fig, 7)
o Raise attachment lift lever to its highest position.
o Release parking brake by depressing clutch/brake
pedal.
Place gearshift lever in neutral (N) position.
® Rol! tractor backwards off skid,
7

ASSEM LY
HOW TO SET UP YOUR TRACTOR
PREPARE BATTERY (See Fig, 2)
CAUTION: Wear eye and face shield.
Wash Hands or clothing immediately if
accidentally in contact with battery acid.
Do not smoke. Fumes from charged
battery acid are e×pmosive.
Read the instructions included with the
battery vent caps. Always wear gloves,
c_othing and goggles to protect your
Hands, skin and eyes.
Your tractor has a battery charging system which is suffi-
cient for normal use. However, periodic charging of the
battery with an automotive charger wilt extend its life.
o See instructions packed with vent caps in parts bag.
Fill battery with acid. Fill each cell until it reaches the
bottom of the vent wells. Do not overfill.
Allow battery to stand and settle for at least thirty
minutes. After standing, check the battery cell acid
level. If below the vent wells, add more acid until the
correct level is reached.
While battery is standing (after adding acid) and later, while
battery is being charged, continue with assembly of unit.
iMPORTANT: TO MAXIMIZE THE LIFE OF YOUR
BATTERY, IT IS NECESSARY THAT THE BATTERY BE
CHARGED BEFORE USE. FAILURE TO CHARGE
BATTERY CAN RESULT IN A SHORTENED BATTERY
LIFE.
o Charge battery at a rate of 6 amperes for 1 hour. Use
a 12 volt battery charger. Observe all safety precau-
tions required for battery charging.
o Check the acid level after the battery is charged. If the
acid has fallen below the correct level, add distilled or
ironfree water_
Install the vent caps to cover the vent wells. Wash the
top of the battery with water to remove any acid, then
wipe dry.
® Check battery case for leakage to make sure that no
damage has occurred in handling.
•Dispose of excess battery acid. Neutralize acid for
disposal by adding it to two gallons of water in a five
gallon plastic container. Stir with a wooden or plastic
paddle while adding baking soda unti! the addition of
more soda causes no more foaming.
o Follow instructions on how to install battery.
INSTALL SEAT (See Fig. 3)
Adjust seat before tightening adjustment knob.
Remove cardboard packing on seat pan.
o Place seat on seat pan and assemble shoulder bolt.
• Assemble adjustment knob and flat washer loosely.
Do not tighten.
,Tighten shoulder bolt securely.
• Lower seat into operating position and sit on seat.
o Slide seat until a comfortable position is reached which
allows you to press clutch/brake pedal all the way
down.
o Get off seat without moving its adjusted position.
o Raise seat and tighten adjustment knob securely.
SEAT PAN
SHOULDER
BOLT
SEAT
\
FLAT WASHER
ADJUSTMENT
KNOB
FIG. 3
CHECK TIRE PRESSURE
The tires on your tractor were overinflated at the factory for
shipping purposes. Correct tire pressure is important for
best cutting performance.
• Reduce tire pressure to PSI shown in "PRODUCT
SPECIFICATIONS" on page 3 of this manual.
CHECK BRAKE SYSTEM
After you learn how to operate your tractor, check to see
that the brake is properly adjusted. See "TO ADJUST
BRAKE" in the Service and Adjustments section of this
manual.
CUT AWAY ViEW _ VENT CAP
I_ _-_]>._ _ _@/ CELL ACiD
FiG. 2 8

LY
INSTALL MOWER AND DRIVE BELT
(See Figs. 4 and 7}
Be sure tractor is on level surface. Engage parking brake.
oCut and remove tie down securing anti-sway bar.
Swing anti-sway bar to left side of mower deck.
,Relieve idler tension from belt. Push idler forward and
place ablock (standard wood 2 x 4 or equivalent)
behind idler pulley.
® Slide mower under tractor with discharge guard to right
side of tractor.
o Swing L.H. gauge wheel bar forward by removing rear
retainer spnng and pin.
Install one front link in top hole of the L.H. front mower
bracket and L.H. front suspension bracket. Retain with
two single loop retainer springs as shown.
Slide right side of mower deck forward, toward R.H.
front tire.
IMPORTANT: CHECK BELT FOR PROPER ROUTINGIN
ALL MOWER PULLEY GROOVES. INSTALL BELT INTO
ELECTRIC CLUTCH PULLEY GROOVE.
o Install second front link in the top hole of the R.H. front
mower bracket and R.H front suspension bracket.
Retain with two single loop retainer springs as shown.
• Carefully remove block from behind idler pulley.
Turn height adjustment knob counterclockwise unti! it
stops.
o Lower mower linkage with attachment lift lever.
o Place the suspension arms on inward pointing deck
pins. If necessary, rock and raise front of mower to
align deck pins with the holes in suspension arms.
Retain with double loop retainer springs.
- Connect anti-sway bar to chassis bracket under left
footrest and retain with double loop retainer spring.
Turn height adjustment knob clockwise to remove
slack from mower suspension.
® Raise deck to highest position.
• Swing L.H. gauge wheel bar back towards rear of
mower and secure with pin and retainer spnng re-
moved earlier.
o Assemble gauge wheels as shown using long shoulder
bolts, 3/8 washers and nuts. Tighten securely.
® Adjust gauge wheels before operating mowerasshown
in the Operation section of this manual.
CHECK DECK LEVELNESS
For best cutting results, mower housing should be properly
leveled. See "TO LEVEL MOWER HOUSING" in the
Service and Adjustments section of this manual.
CHECK FOR PROPER POSiTiON OF ALL
BELTS
See the figures that are shown for replacing motion, mower
drive, and mower blade drive belts in the Service and
Adjustments section of this manual. Verify that the belts are
routed correctly.
CHASSIS
BRACKET
\\\
DOUBLE LOOP \
RETAINER SPRING
\ \
L.H. GAUGE "_
WHEEL BAR
SHOULDER
BOLT
NUT
3/8 WASHER
ANTI-SWAY
BAR
iDLER
PULLEY
GAUGE
WHEEL
DOUBLE LOOP
RETAINER SPRING
(inward pointing
deck pins)
BLOCK
(Wood2x4orequiv.)
DISCHARGE
GUARD
SUSPENSION FRONT
ARMS LINKS
FRONT
BRACKET
CLUTCH
PULLEY
FRONT
SUSPENSION
BRACKET
LOOP RETAINER
SPRINGS
FRONT MOWER
BRACKET
t
F_Go4 9

ASSEMBLY
INSTALL BATTERY (See Figs, 5 and 6)
CAUTION: Do not short battery termi-
nares°Before installing battery, remove
metam bracelets, wristwatch bands,
rings, etc°
Positive terminal must be connected
first to prevent sparking from acciden-
tal grounding.
- Lift hood to raised position.
o Be sure battery drain tube has not come loose and is
securely attached to drain in battery tray.
o Lower battery into battery tray with terminals to front of
tractor.
o First connect RED battery cable to positive (+) battery
terminal with hex bolt, flat washer, lock washer and hex
nut as shown. Tighten securely.
o Connect BLACK grounding cable to negative (-) battery
terminal with remaining hex bolt, flat washer, lock
washer and hex nut. Tighten securely.
o Slide the two battery bolts through the terminal guard
and start the wing nuts onto the threads.
° Position terminal guard over battery as shown, lower
battery bolts into key holes and slide square shafts of
battery bolts into slots of key holes.
Tighten wing nuts by hand making sure battery bolts
reman in slots of the key holes in the battery support.
o Be sure terminal access doors are closed.
Use terminal access doors for:
• Inspection for secure connections (to tighten hard-
ware).
Inspection for corrosion.
® Testing battery.
o Jumping (if required).
o Periodic charging.
HEX
FLAT WASHER
/
/(POSITWE)
//RED CABLE
HEX BOLT
LOCK WASHER
NEGATIVE)
BLACK CABLE
DRAIN TUBE
KEY HOLE \\
ACCESS
DOORS
VENT
CAPS
BATTERY TRAY
FIG. 6
v"CHECKMST
BEFORE YOU OPERATE AND ENJOY YOUR NEW
TRACTOR, WE WISH TO ASSURE THAT YOU RECEIVE
Tt lE BES T PERFORMANCE AND SA TISFA CTION FROM
THIS QUALITY PRODUCT,
PLEASE REVIEW THE FOLLOWING CHECKLIST:
,/ All assembly instructions have been completed.
¢' No remaining loose parts in carton.
v' Battery is properly prepared and charged. (Minimum
1 hour at 6 amps).
,/ Seat is adjusted comfortably and tightened securely.
,/ All tires are properly inflated. (Forshipping purposes,
the tires were overinfiated at the factory).
v" Be sure mower deck is properly leveled side-to-side/
front-to-rear for best cutting results. (Tires must be
properly inflated for leveling).
,/ Check mower and drive belts. Be sure they are routed
properly around pulleys and inside all belt keepers.
v" Check wiring. See that all connections are still secure
and wires are properly clamped.
WHILE LEARNING HOW TO USE YOUR TRACTOR,
PAY EXTRA A TTEN TION TO THE FOL L0 WING IMPOR-
TANT ITEMS:
,/ Engine oil is at proper level.
,/ Fuel tank is filled with fresh clean, regular unleaded
gasoline.
v" Become familiar with all controls - their location and
function. Operate them before you start the engine.
v" Be sure brake system is in safe operating condition.
FtGo 5
10

ERATION
KNOW YOUR TRACTOR
READ THiS OWNER'S MANUAL AND SAFETY RULES BEFORE OPERATING YOUR TRACTOR
Compare the illustrations with your tractor to familiarize yourself with the locations of various controls and adjustments, Save
this manual for future reference,
AMMETER
CHOKE CONTROL
LIGHT SWITCH
CLUTCH/BRAKE
PEDAL
THROTTLE
CONTROL
ATTACHMENT CLUTCH SWITCH LiFT LEVER
\iGNiTiON SWITCH
LIFT LEVER
PARKING BRAKE
LEVER
HEIGHT
ADJUSTMENT
KNOB ./
/
/
/
/
/
#
GEARSHIFT LEVER
FIG, 7
Our tractors conform to the safety standards of the American National Standards Institute.
RANGE SHIFT
LEVER
ATTACHMENT CLUTCH SWITCH- Used to engage mower
blades or other attachments mounted to your tractor.
UFT LEVER- Used to raise and lower mower deck or other
attachments mounted to your tractor.
LIFT LEVER PLUNGER - Used to release attachement lift
lever when changing its position.
CLUTCH!BRAKE PEDAL - Used for declutching and
braking the tractor and starting the engine.
GEARSHIFT LEVER oSelects the speed and direction of
tractor,
THROTTLE CONTROL - Used to control engine speed.
11
RANGE SHIFT LEVER - Allows high (H) or low (L) speed
for all forward and reverse gears.
IGNITSON SWITCH -Used to start and stop the engine.
AMMETER - Indicates battery charging (+) or discharging
(4.
UGHT SWITCH - Turns the headlights on and off.
PARKmNG BRAKE LEVER -Locks clutch/brake pedal into
the brake position,
CHOKE CONTROL -Used when starting a cold engine,
HEIGHT ADJUSTMENT KNOB- Used to adjust the mower
height.

OPERATI
=_
The operation of any tractor can resumt in foreign objects thrown into the eyes, which can resumt
in severe eye damage. Always wear safety g_asses or eye shieJds white operating your tractor
or performing any adjustments or repairs, We recommend a wide vision safety mask for over
the spectacles or standard safety glasseso
HOW TO USE YOUR TRACTOR
TO SET PARKING BRAKE (See Fig. 8)
• Depress clutch/brake pedal into full "BRAKE" position
and hotd.
Place parking brake lever in "ENGAGED" position and
release pressure from clutch/brake pedal. Pedal should
remain in "BRAKE" position° Make sure parking brake
will hold vehicle secure..
ATTACHMENT
CLUTCH
iGNiTiON KEY SWITCH
PARKING BRAKE "ENGAGED"
"ENGAGED" POSITION
POSiTiON
CHOKE
THROTTLE
CONTROL
LEVER "DISENGAGED"
POSITION
LEVER
GEARSHIFT
HEIGHT LEVER
CLUTCH/ \ ADJUSTMENT
BRAKE \ KNOB \
PEDAL \ "DaSENGAGED"
"BRAKE .... DRIVE" POSNTION
POSKTJON POSITION
FIG. 8
STOPPING (See Fig, 8)
MOWER BLADES -
-Move attachment clutch switch to "DISENGAGED"
position.
GROUND DRIVE -
, Depress clutch/brake pedal into full "BRAKE" position.
* Move gearshift lever to neutral (N) position.
ENGINE -
, Move throttle control to slow (,_) position,
NOTE: Failure to move throttle control to slow (,_)
position and allowing engine to idle before stopping may
cause engine to "backfire".
o Turn ignition key to "OFF" position and remove key.
Always remove key when leaving tractor to prevent
unauthorized use.
Never use choke to stop engine.
NOTE: Under certain conditions when tractor is standing
idle with the engine running, hot engine exhaust gases may
cause "browning" of grass. To eliminate this possibility,
always stop engine when stopping tractor on grass areas.
CAUTmON: Always stop tractor com-
pletely, as described above, before leavo
ing the operator's position; to empty
grass catcher, etc.
TO USE THROTTLE CONTROL (See Fig, 8)
Always operate engine at full throttle.
, Operating engine at less than full throttle reduces the
battery charging rate.
o Full throttle offers the best mower performance.
TO USE CHOKE CONTROL (See Fig, 8)
Use choke control whenever you are starting a cold engine.
Do not use to start a warm engine.
o To engage choke control, pull knob out. Slowly push
knob in to disengage.
TO MOVE FORWARD AND BACKWARD
(See Fig. 8)
The direction and speed of movement _scontrolled by the
gearshift lever.
o Start tractor with clutch/brake pedal depressed and
gearshift lever in neutral (N) position.
- Move gearshift and range shift levers to desired posi-
fion.
° Slowly release clutch/brake pedal to star! movement.
aMPORTANT: BRING TRACTOR TO A COMPLETE STOP
BEFORE SHIFTING OR CHANGING GEARS. FAILURE
TO DO SO WILL SHORTEN THE USEFUL LiFE OF YOUR
TRANSAXLE
TO ADJUST MOWER CUTTING HEIGHT
(See Fig. 8)
The cutting height is controlled by turning the height adjust-
ment knob in desired direction.
o Turn knob clockwise (f-1) to raise cutting height.
o Turn knob counterclockwise (V'_) to lower cutting
height.
The cutting height range is approximately 1-1/4" to 4-1/4".
The heights are measured from the ground to the blade tip
with the engine not running. These heights are approxi-
mate and may vary depending upon soil conditions, height
of grass and types ol grass being mowed.
• The average lawn should be cutto approximately 2-1/2
inches during the cool season and to over 3 inches
during hot months. For healthier and better locking
lawns, mow often and after moderate growth.
o For best cutting performance, grass over 6 inches in
height should oe mowed twice. Make the first cut
relatively high; the second to desired height.
12

OP RAT
TO ADJUST GAUGE WHEELS (See Fig. 9)
® Adjust mower to desired cutting height.
® Lower mower with lift control. Remove rear retainer
spring and clevis pin which secure each gauge wheel.
- Lower gauge wheels to ground. Raise gauge wheels
slightly to align holes in bracket and gauge wheel bar
and insert clevis pins. Gauge wheels should be slightly
off the ground.
Replace retainer springs into clevis pins.
RETAINER
SPRING
CLEVIS PIN
GAUGE WHEEL
GAUGE
WHEEL
TO OPERATE MOWER (See Figs. 7 and 8)
Your unit is equipped with an operator presence sensing
switch. Any attempt by the operator to leave the seat with
the engine running and the attachment clutch engaged will
shut off the engine.
o Select desired height of cut.
o Lower mower with attachment lift control.
o Start mower blades by engaging attachment clutch
control.
o TO STOP MOWER BLADES - disengage attachment
clutch control.
CAUTION: Do not operate the mower _
without either the entire grass catcher,
on mowers so equipped, or the dis-
charge guard in place.
RUNNER
_DISCHARGE
GUARD
TO OPERATE ON HILLS
CAUTION: Do not drive up or down
hills with slopes greater than 15 and
do not drive across any slope.
• Choose the slowest speed before starting up or down
hills.
o Avoid stopping or changing speed on hills.
• tf slowing is necessary, move throttle control lever to
slower position.
If stopping is absolutely necessary, push clutch/brake
pedal quickly to brake position and engage parking
brake°
Move gearshift lever to I st gear and range shift lever to
low (L) position. Be sure you have allowed room for unit
to roll slightly as you restart movement.
To restart movement, slowly release parking brake and
clutch/brake pedal.
• Make all turns slowly.
TO TRANSPORT
o Raise attachment lift to highest position with attach-
ment lift control,
,, When pushing or towing yourtractor, be sure gearshift
lever is in neutral (N) position.
o Do not push or tow tractor at more than five (5) MPH
NOTE: To protect hood from damage when transporting
your tractor on atruck or atrailer, be sure hood is closed and
secured totractor. Use an appropriate means of tying hood
to tractor (rope, cord, etc.).
BEFORE STARTING THE ENGINE
CHECK ENGINE OIL LEVEL (See Fig. 11)
- The engine in your tractor has been shipped from the
factory, already filled with summer weight oil.
® Check engine oil with tractor on level ground.
Remove oil fill cap/dipstick and wipe clean, reinsert the
dipstick and push it all the way down into the tube, wait
for a few seconds, remove and read oil level. If,
necessary, add oil until "FULL" mark on dipstick is
reached. Do not overfill.
,For cold weather operation you should change oil for
easier starting (See "OIL VISCOSITY CHART" in the
Customer Responsibilities section of this manual).
To change engine oil, see the Customer ResponsibiIF
ties section in this manual.
OIL FILL CAP/DIPSTICK
FiG. 10 FIG. 11
13

OPERATmON
ADD GASOUNE
Fill fuel tank. Use fresh, clean, regular unleaded
gasoline. (Use of leaded gasoline will increase carbon
and lead oxide deposits and reduce valve life).
iMPORTANT: WHEN OPERATING IN TEMPERATURES
BELOW 32°F(0°C), USE FRESH, CLEAN WINTER GRADE
GASOLINE TO HELP iNSURE GOOD COLD WEATHER
STARTING.
WARNING: Experience indicates that alcohol blended
fuels (called gasohol or using ethanol or methanol) can
attract moisture which leads to separation and formation of
acids during storage. Acidic gas can damage the fuel
system of an engine while in storage. To avoid engine
problems, the fue! system should be emptied before stor-
age of 30 days or longer. Drain the gas tank, start the
engine and let it run until the fuel lines and carburetor are
empty. Use fresh fuel next season. See Storage Instruc-
tions for additional information. Never use engine or
carburetor charier products in the fuel tank or permanent
damage may occur.
CAUTION: Fill to bottom of gas tank
filler neck. Do not overfiJL Wipe off any
spilled oH or fuel Do not store, spill or
use gasomine near an open flame°
TO START ENGINE (See Fig. 8)
When starting engine for the first time or if engine has run
out of fuel, it will take extra cranking time to move fuel from
the tank to the engine.
Depress clutch!brake pedal aria set parking brake.
Place gearshift lever in neutral (N) position.
® Move attachment clutch to "DISENGAGED" position.
Pult choke control out to choke (1",1)position for cold
engine start For warm engine start do not use choke
control.
o Move throttle contro to midway between fast (@_)and
slow (_) positions.
Insert key into ignition and turn key clockwise to"START"
position and release key as soon as eng ne starts. Do
not run starter continuously for more than fifteen
seconds per minute. If engine does not start after
several attempts, move throttle control to fast (,@)
position, wait a few minutes and try again.
• When engine starts, slowly push choke control in.
Move throttle control to fast (,_) position.
Allow engine to warm up for a Iew minutes before
engaging drive or attachments.
NOTE: If at a high altitude tabove 3000 feet) or in cold
temperatures (below 32°F} the carburetor fuel mixture
may need to be adjusted for best engine performance See
"TO ADJUST CARBURETOR' m _ne Service and Adjust-
ments section of this manual.
MOWING TIPS
Tire chains cannot be used when the mower housing
is attached to unit.
- Mower should be properly leveled for best mowing
performance. See "TO LEVEL MOWER HOUSING" in
the Service and Adjustments section of this manual.
- Use the runner on the right hand side of mower as a
guide. The blade cuts approximately an inch outside
the runner (See Fig. 10).
o The left hand side of mower should be used for trim-
ming.
o Drive so that clippings are discharged onto the area
that has been cut. Have the cut area: to the right of the
machine. This wilt result in a more even distribution of
clippings and more uniform cutting.
When mowing large areas, start by turning to the right
so that clippings will discharge away from shrubs,
fences, driveways, etco After one or two rounds, mow
in the opposite direction making left hand turns until
finished (See Fig. 12).
• If grass is extremely tall, it should be mowed twice to
reduce load and possible fire hazard from dried clip-
pings. Make first cut relatively high; the second to the
desired height.
o Do not mow grass when it is wet. Wet grass will plug
mower and leave undesirable clumps. Allow grass to
dry before mowing.
o Always operate engine at full throttle when mowing to
assure better mowing performance and proper dis-
charge of material. Regulate ground speed by select-
ing a low enough gear to give the mower cutting
performance as well as the quaIity of cut desired.
o When operating attachments, select a ground speed
that will suit the terrain and give best performance of
the attachment being used.
FIG. !2
14

CUSTOME RESPONSiBiLiTiES
MAINTENANCE SCHEDULE
FILL IN DATES
AS YOU COMPLETE
REGULAR SERVICE SERVICE DATES
Check Brake Operation
Check Tire Pressure
T i Check for Loose Fasteners
Sharpen!ReplaceMower Blades
A
C I Lubrication Chart
T I Check Battery,Level/Recharge
O Clean Battery and Terminals
.Check Transaxle cooling
Adjust Blade Belt(s) Tension
Adjust Motion Drive Belt(s) Tension
E!
N
G
J
N
El
Check Engine Oil Level
Change Engine Oil
Clean Air Filter
Clean Air Screen
Inspect Muffler/Spark Attester
Replace Oil Filter (If equipped)
Clean Engine Cooling Fins
Replace Spark Plug
Replace Air Fitter Paper Cartridge
Replace Fuel Filter
Change more often when operating under a heaw load or in high ambient temperatures.
- Service more often when operating in dirty or dusty conditions.
GENERAL RECOMMENDATIONS
The warranty on this tractor does not cover items that have
been subjected to operator abuse or negligence. To
receive fu!l value from the warranty, operator must maintain
tractor as instructed in this manual.
Some adjustments wit! need to be made periodically to
properly maintain your tractor.
All adjustments in the Service and Adjustments section of
this manual should be checked at least once each season.
Once a year you should replace the spark plug, clean
or replace air filter, and check blades and belts for
wear, A new spark plug and clean air filter assure
proper air-fuel mixture and help your engine run better
and last longer.
BEFORE EACH USE
o Check engine oil level.
o Check brake operation.
,, Check tire pressure.
Check for loose fasteners.
IMPORTANT: DO NOT OIL OR GREASE THE PIVOT
POINTS WHICH HAVE SPECIAL NYLON BEARINGS.
VISCOUS LUBRICANTS WILL ATTRACT DUST AND DI RT
THAT WILL SHORTEN THE LIFE OF THE SELF-
LUBRICATING BEARINGS. tF YOU FEEL THEY MUST
BE LUBRICATED, USE ONLY A DRY, POWDERED
GRAPHITE TYPE LUBRICANT SPARINGLY.
3 - tf equipped with oil filter, change oil every 50 hours.
4 - Replace blades more often when mowing in sandy soil.
5 - If equipped with adjustable system.
LUBRICATION CHART
(_)TIE ROD BALL JOINTS
(_) FRONT WHEEL ::::::: ::::: : FRONT WHEEL Q
SECTOR GEAR ENGINE (_)
TEETH
TRANSAXLE
FLUID
15
(_SAE 30 MOTOR OiL API. SG
(_) GENERAL PURPOSE GREASE
(_) REFER TO CUSTOMER RESPONSIBILITIES "ENGINE" SECTION
OSPRAY SILICONE LUBRICANT (MOVE BOOTS TO LUBRICATE)

l
CUSTOME RESPO LITIES
TRACTOR •The blade can be sharpened with a file or on a grinding
Always observe safety rules when performing any mainte-
nance.
BRAKE OPERATION
If unit requires more than six (6) feet stopping distance at
high speed in highest gear, then brake must be adjusted.
(See "TO ADJUST BRAKE" in the Service and Adjust-
ments section of this manual).
TIRES
,, Maintain proper air pressure in al! tires (See "PROD-
UCT SPECIFICATIONS" on page 3 of this manual).
o Keep tires free of gasoline, oil, or insect control chemi-
cals which can harm rubber.
o Avoid stumps, stones, deep ruts, sharp objects and
other hazards that may cause tire damage.
BLADE CARE
For best results mower blades must be kept sharp. Re-
place bent or damaged blades.
BLADE REMOVAL (See Fig. 13)
° Raise mower to highest position to allow access to
blades.
• Remove hex bolt, lockwasher and flat washer securing
blade.
o Install new or resharpened blade with trailing edge up
towards deck as shown;
o Reassemble hex bolt, lock washer and flat washer in
exact order as shown.
o Tighten bolt securely (30-35 Ft. Lbs. torque).
IMPORTANT: BLADE BOLT IS GRADE 8 HEATTREATED.
NOTE: We do not recommend sharpening blade- but if you
do, be sure the blade is balanced.
MANDREL
BLADE ASSEMBLY
LOCK WASHER
FIG. 13
TO SHARPEN BLADE (See Fig° 14)
Care should be taken to keep the blade balanced. An
unbalanced blade will cause excessive vibration and even-
tual damage to mower and engine.
wheel. Do not attempt to sharpen while on the mower.
• To check blade balance, you will need a 5/8" diameter
steel bolt, pin, or acone balancer. (When using acone
balancer, follow the instructions supptied with bal-
ancer).
o Slide blade on to an unthreaded portion of the steel bolt
or pin and hold the bolt or pin parallel with the ground.
If blade is balanced, it should remain in a horizontal
position. If either end of the blade moves downward,
sharpen the heavy end until the blade is balanced.
NOTE: Do not use a nail for balancing blade. The lobes of
the center hole may appear to be centered, but are not.
CENTER HOLE
518" BOLT BLADE
OR PIN j
FIG. ! 4
V-BELTS
Check V-belts for deterioration and wear after 100 hours
and replace if necessary. The belts are not adjustable.
Replace belts if they begin to slip from wear.
TRANSAXLE COOMNG
Keep transaxte free from build-up of dirt and chaff which
can restrict cooling.
CHECK TRANSAXLE OIL LEVEL
(See Fig. 15)
• Block up rear axle securely or use a tractor jack.
o Remove left rear wheel by removing hub bolts.
o Remove filler plug from transaxle. Oil level must be
even with plug threads. If necessary, fill with SAE 30
motor oil, API-SG. Replace filler plug.
o Reassemble wheel to hub.
• For approximate capacity see "PRODUCT SPECIFI-
CATIONS" on page 3 of this manual.
o
o
TRANSAXLE
FILLER PLUG
NG. 15
16

CUSTO Sl LITIES
BATTERY (See Fig. 16)
Your unit has a battery charging system which is sufficient
for normal use However, periodic charging of the battery
with an automotive charger will extend its life,
-Acid solution level in each battery cell should be even
with bottoms of vent wells. Add only distilled or iron free
water if necessary. Do not overfill.
° Keep battery and terminals clean.
Keep battery bolts tight.
Keep vent caps tight and small vent holes in caps open.
o Recharge at 6 amperes for 1 hour.
TO CLEAN BATTERY AND TERMINALS -
Corrosion and dirt on the battery and terminals can cause
the battery to "leak" power.
Remove terminal guard.
• Disconnect BLACK battery cable first then RED bat-
tery cable and remove battery from tractor.
• Wash battery with solution of four tablespoons of
baking sodato one gallon of water. Be careful notto get
the soda solution into the cells.
o Rinse the battery with plain water and dry.
• Clean terminals and battery cable ends with wire brush
until bright.
o Coat terminals with grease or petroleum jelly.
Reinstall battery (See "INSTALL BATTERY" in the
Assembly section of this manual).
CUT AWAY VIEW
L__q::::C:=:ZT__I j VENTvENTCAP
WELL
BATTERY
CELL ACID
LEVEL
FiG. 16
ENGmNE
LUBRiCATiON
Only use high quality detergent oi rated with API service
classification SG. Select the oil's SAE viscosity grade
according to your expected operating temperature.
SAE VISCOSITY GRADES
:)o 30 ° 60 ° 80 _
-20< - 10° 0' 10' 20' 30' 40 °
qEMPERATURE RANGE AN3 r CiPATED BEFORE NEXT OIL CHANGE
NOTE: Although multi-viscosity oils (5W30, !0W30 etc.)
mprove starting in cold weather, these multi-viscosity oils
will result in increased oil consumption when used above
32°F. Check your engine oil level more frequently to avoid
possible engine damage from running low on oil.
Change the oil after the first two hours of operation and
every 50 hours thereafter or at least once a year if the
tractor is not used for 50 hours in one year.
Check the crankcase oil level before starting the engine
and after each eight (8) hours of operation. Tighten oil fill
cap/dipstick securely each time you check the oil level.
TO CHANGE ENGINE OIL (See Figs. 17 and 18)
Determine temperature range expected before oil change.
All oil must meet API service classification SG.
o Be sure tractor is on level surface.
• Oil wil drain more freely when warm.
- Catch oi! in a suitable container,
® Remove oil fill cap/dipstick. Be careful not to allow dirt
to enter the engine when changing oil.
• Remove drain plug.
° After oil has drained corn pletely, replace oil drain plug
and tighten securely.
Refill engine with oil through oil fill dipstick tube. Pour
slowly. Do not overfill. For approximate capacity see
"PRODUCT SPECIFICATIONS" on page 3 of this
manual.
Use gauge on oil fill cap/dipstick for checking level, Be
sure dipstick is in all the way for accurate reading.
Keep oil at "FULL" line on dipstick.
OIL DRAIN PLUG
\\\
OIL FILL
CAP/DIPSTICK
FIG. 18
FIG, 17
17

CUSTOME PONSI ILITIES
CLEAN AmR SCREEN (See Fig. 19)
Air screen must be kept free of dirt and chaff to prevent
engine damage from overheating. Clean with a wire brush
or compressed air to remove dirt and stubborn dried gum
fibers.
ENGINE COOLING FINS (See Fig, 19)
Remove any dust, dirt or oil from engine cooling fins to
prevent engine damage from overheating. Engine blower
housing must be removed. Remove side panels and hood
(See "TO REMOVE HOOD AND GRILL ASSEMBLY" in the
Service and Adjustments section of this manual).
WING NUT
CARTRIDGE
PLATE _S_'_ SEAL
FOAM _'_J JJ
FIG. 20
COOLING FINS
(BOTH S_DES)
A_R SCREEN
\
\
FIG. 19
AIR FmLTER (See Fig. 20)
Your engine will not run properly using a dirty air filter.
Clean the foam pre-cleaner element after every 25 hours of
operation or every season. Service paper cartridge every
100 hours or every season, whichever occurs first.
Service air cleaner more often under dusty conditions.
,, Remove wing nut and cover.
• Remove seal and cartridge plate.
TO SERVICE PRE-CLEANER
,, Slide foam pre-cteaner off cartridge.
o Wash it in liquid detergent and water.
• Squeeze it dry in a clean cloth.
,Saturate it in engine oil. Wrap it in clean, absorbent
cloth and squeeze to remove excess oil.
TO SERVICE CARTRIDGE
, Gently tap the flat side of the paper cartridge to dis-
lodge dirt. Do not wash the paper cartridge or use
pressurized air, as this will damage the cartridge.
Replace a dirty, bent, or damaged cartridge.
Reinstall the pre-cleaner (cleaned and oiled) over the
paper cartridge.
® Reassemble air cleaner, cartridge plate, and seal.
,, Install the air cleaner cover and wing nut. Tighten wing
nut 1/2turn to 1fullturn after nut contactscover. Do not
overtighten.
MUFFLER
inspect and replace corroded muffler and spark arrester (if
equipped) as it could create a fire hazard and/or damage.
SPARK PLUGS
Replace spark plugs at the beginning of each mowing
season or after every 100 hours of operation, whichever
comes first. Spark plug type and gap setting are shown in
"PRODUCT SPECIFICATIONS" on page 3 of this manual.
ENGINE OIL FILTER
Replace the engine oil filer every season or every other oil
change if the tractor is used more than !00 hours in one
year.
IN-LINE FUEL FILTER (See Fig. 21)
The fue! filter should be replaced once each season. If fuel
filter becomes clogged, obstructing fuel flow to carburetor,
replacement is required.
o With engine cool, remove filter and plug fuel line
sections.
• Place new fuel filter in position in fuel line with arrow
pointing towards carburetor.
o Be sure there are no fuel line leaks and clamps are
property positioned.
Immediately wipe up any spilled gasoline.
CLAMP
FUEL FILTER
FMGo21
18
CLEANING
° Clean engine, battery, seat, finish, etc. of all foreign
matter.
• Keep finished surfaces and wheels free of all gasoline,
oil, etc.
• Protect painted surfaces with automotive type wax.
We do not recommend using a garden hose to clean your
tractor unless the electrical system, muffler, air filter and
carburetor are covered to keep water out. Water in engine
can result in a shortened engine life.

SERVICE ADJU NTS
CAUTION: BEFORE PERFORMING ANY SERVICE OR ADJUSTMENTS:
Depress dutch/brake pedal fully and set parking brake,
-Place gearshift lever in neutral (N) position=
oPlace attachment ctutch in "DISENGAGED" position.
•Turn ignition key "OFF" and remove key.
oMake sure the blades and all moving parts have completely stopped,
-Disconnect spark plug wire from spark plug and place wire where it cannot come in contact
with plug.
TRACTOR TO LEVEL MOWER HOUSING
TO REMOVE MOWER (See Fig, 22)
• Place attachment clutch in "DISENGAGED" position.
•Turn height adjustment knob to !owest setting.
• Lower mower to its lowest position.
•Remove retainer spnng holding anti-swaybar to chas-
sis bracket and disengage antioswaybar from bracket.
•Remove retainer springs from suspension arms at
deck and disengage arms from deck.
,Raise attachment lift to its highest position.
•Remove two retainer springs from each front link and
remove links.
• Slide mower forward and remove belt from electric
clutch pulley.
,Slide mower out from under right side of tractor.
IMPORTANT: IF AN ATTACHMENT OTHER THAN THE
MOWER DECK IS TO BE MOUNTED ON THE TRACTOR,
REMOVE THE FRONT LINKS.
TO iNSTALL MOWER
Follow procedure described in "INSTALL MOWER AND
DRIVE BELT" in the Assembly section of this manual,
FRONT
SUSPENSION
BRACKET
ADJUSTMENT \
SUSPENSION NUTS LIFT \
ARMS LINKS \
CHASSIS
BRACKET
FRONT MOWER
BRACKET
Adjust the mower while tractor is parked on level ground or
driveway. Make sure tires are properly inflated (See
"PRODUCT SPECIFICATIONS" on page 3 of this manual)
If tires are over or undednflated, you will not properly adjust
your mower.
SIDE-TO-SIDE ADJUSTMENT (See Figs. 22 and 23)
- Raise mower to its highest position.
• Measure height from bottom of deck cud to ground
level at front corners of mower. Distance "A" should be
the same.
° tf distance "A" needs to be changed, make adjustment
on one side of mower only,
•Raise one side of mower by tightening lift link adjust-
ment nut on that side.
Lower one side of mower by loosening lift link adjust-
ment nut on that side.
NOTE: Each half turn of adjustment nut will change deck
level about 1/4".
•Recheck level after adjusting.
ELECTRIC
CLUTCH
PULLEY
/
RETAINER
SPRING /
/
ANTFSWAY
BAR
FIG. 22
19
RETAINER
SPRINGS
FRONT
SUSPENSION
BRACKET
MOWER
BRACKET
\
\

SERVICE AND AOJ STMENTS
FRONT-TO-BACK ADJUSTMENT (See Figs. 24 and 25) -
iMPORTANT: DECK MUST BE LEVEL SIDE-TO-SIDE. IF
THE FOLLOWING FRONT-TO-BACK ADJUSTMENT IS
NECESSARY, BE SURE TO ADJUST BOTH FRONT LINKS
EQUALLY SO MOWER WILL STAY LEVEL SIDE-TO°SIDE.
To obtain the best cutting results, the mower housing
should be adjusted so the front is approximately 1/8" to 1/2"
lower than the rear when the mower is in its highest
position.
Check adjustment on right side of tractor. Measure dis-
tance ',F" directly in front of and behind the mandrel at
bottom edge of mower housing as shown.
, Before making any necessary adjustments, checkthat
both front links are equal in length:
• If links are not equal in length, adjust one link to same
length as other link.
To lower front of mower housing, loosen nut"G" on both
front links an equal number of turns.
® When distance "F" is 1/8" to 1/2" lower at front than
rear, tighten nut"H" against trunnion on both front links.
. To raise front of mower housing, loosen nut "H" from
trunnion on both front links. Tighten nut "G" on both
front links an equal number of turns.
When distance "F" is 1/8" to 1/2" lower at front than
rear, tighten nut "H" against trunnion on both front
links.
NOTE: Each full turn of nut "G" will change dim. "F" by
approximately 3/8"o
• Recheck side-to-side adjustment.
TO REPLACE MOWER DRIVE. BELT
MOWER DRIVE BELT REMOVAL (See Fig. 26) o
• Park tractor on a level surface. Engage parking brake.
• Remove four screws from L.H. mandrel cover and
remove cover.
Rol! belt over the top of L.H. mandrel pulley.
o Remove belt from electric dutch pulley.
•Remove belt from idler pulleys.
o Remove any dirt or grass clippings which may have
accumulated around mandrels and entire upper deck
surface.
o Check primary idler arm and two idlers to see that they
rotate freely.
o Be sure spring is securely hooked to primary idler arm
and bolt in mower housing.
MOWER DRIVE BELT INSTALLATION (See Fig. 26) -
• Install belt in both idlers. Make sure belt is in both belt
keepers at the idlers as shown.
o Install new belt onto electric clutch pulley.
- Roll belt into upper groove of L.H. mandrel pulley.
Carefully check belt routing making sure belt is in the
grooves correctly and inside belt keepers.
o Reassemble L.H. mandrel cover.
"F" _ _ "F"
G ROU N_DL_NE
/Z7Z?77-77777777_/ 7_;:_:(:7 iTZ777-_T77*777777-T/7
FIG. 24
BOTH FRONT LINKS SHOULD BE EQUAL IN LENGTH
NUT "H"
FRONT LINKS
FiG. 25
2O
SCREWS SPRING
FIG, 26
i:iii!_
BOLT IN
HOUSING

SE CE
TO REPLACE MOWER BLADE DRIVE BELT
(See Fig. 27)
Park the tractor on level surface. Engage parking brake,
Remove mowerdrive belt (See'qO REPLACE MOWER
DRIVE BELT" in this section of this manual),
o Remove mower (See "TO REMOVE MOWER" in this
section of this manual).
o Remove four screws from R.H. mandrel cover and
remove cover. Unhook spring from bolt on mower
housing.
o Carefully roll belt off R.H. mandrel pulley.
- Remove belt from center mandrel pulley, idler pulley,
and L.H. mandrel pulley.
o Remove any dirt or grass which may have accumu-
lated around mandrels and entire upper deck surface.
• Check secondary idler arm and idler to see that they
rotate freely.
Be sure spring is hooked in secondary idler arm and
sway-bar bracket.
o Install new belt in lower groove of L.H. mandrel pulley,
idler pulley, and center mandrel pulley as shown.
• Roll belt over R.H. mandrel pulley. Make sure belt is in
all grooves properly.
Reconnect spring to bolt in mower housing and rein-
stall R.H. mandrel cover.
Reinstall mower to tractor (See"TO INSTALL MOWER"
in the Assembly section of this manual).
o Reassemble mower drive belt (See "TO REPLACE
MOWER DRIVE BELT" in this section of this manual).
ADJUSTMENTS
CENTER
MANDREL
COVER
tSCREW
/
iDLER ARM ,°
SPRING j
SWAY-BAR
BRACKET iDLER
PULLEY
FIG. 27
TO ADJUST ATTACHMENT CLUTCH
(See Fig. 28)
The electric clutch should provioe years of service. The
_tutch has a bulk-in brake that stops the pulley within 5
3econds. Eventually, the internal brake will wear which
may cause the mower blades to not engage, or, to not stop
as required. Adjustments should be made byyour nearest
adthorized service center/department.
° Make sure atta chment clutch and ignition switches are
in "OFF" position.
° Adjust the three nylon Iocknuts until space between
clutch plate and rotor measures .0t2" at all three slot
locations cut inside of brake plate.
NOTE: After installing a new electric clutch, run tractor at
full throttle and engage and disengage electric clutch 10
cycles to wear unclutch plate
NYLON LOCKNUT (3) BRAKE PLATE
FIG, 28
TO ADJUST BRAKE (See Fig. 29)
Your tractor is equipped with an adjustable brake system
which is mounted on the left side of the transaxie.
If tractor requires more than six (6)feet stopping distance
at high speed in highest gear, then brake must be adjusted.
• Depress clutch/brake pedal and engage parking brake.
• Measure distance between brake operating arm and
nut "A" on brake rod.
-If distance is other than 1-3/4", loosen jam nut and turn
nut 'A until distance becomes 1-3/4". Retighten jam
nut against nut "A".
• Road test tractor for proper stopping distance as stated
above. Readjust if necessary. If stopping distance is
still greater than six (6) feet in highest gear, further
maintenance is necessary. Contact your nearest au-
thorized service center/department.
WiTH PARKING BRAKE "ENGAGE"
\NUT "A"
OPERATING
ARM NUT
\
FiG, 29
21

SERVICE AND ADJUSTMENTS
TO REPLACE MOTION DRmVE BELT
(See Fig, 30}
Park the tractor on level surface. Engage parking brake.
For ease of service there is a belt installation guide decal on
bottom of left footrest. It is not necessary to remove mower.
BELT REMOVAL-
• Raise hood and disconnect BLACK (grounding) bat-
tery cable.
o Set parking brake (to get belt slack).
, Remove mower drive belt from electric clutch pulley
only (See "TO REPLACE MOWER DRIVE BELT" in
this section of this manual).
Roll motion drive belt Off transaxle pulley.
Roll belt off clutching idler pulleys, then off engine
pulley and front V-idler pulley.
• Pull belt out of all belt keepers.
BELT INSTALLATION -
Place V part of belt into grooves on engine pulley and
front V-idler, making sure to route belt inside of belt
keepers.
, Put belt coming from V-idler above midspan belt keeper,
then onto clutching idler pulleys as shown.
Make sure "V" part of belt engages "V" idler°
Place belt around transaxle pulley, beginning at top.
"V" part of belt should engage transaxle pulley.
- Place long lower section of belt through loop in midspan
belt keeper.
Check to be sure belt is on proper side of all belt
keepers.
o Reinstall mower drive belt onto electric clutch pulley.
• Release parking brake.
IMPORTANT: CHECK BRAKE ADJUSTMENT.
ENGINE
PULLEY
TRACTOR VoBELT DRIVE SCHEMATaC
VIEWED FROM L;H. SlOE OF TRACTOR
CLUTCHBNG
_DLER BELT
CLUTCHING
FLAT gDLER
ABOVE
PULLEY
BELT
TWISTS BELT TRANSAXLE
KEEPER PULLEY
VqDLER
AS VIEWED FROM BOTTOM
RG. 30
TO ADJUST STEERING WHEEL ALIGNMENT
If steering wheel crossbars are not horizontal (left to right)
when wheels are positioned straightforward, remove steer-
ing wheel and reassemble per instructions in the Assembly
section of this manual.
FRONT WHEEL TOE-IN ADJUSTMENT
Front wheel toe-in is required for proper steering operation.
Toe-in was set at the factory and adjustment should not be
necessary. If parts in the front axle or steering mechanism
have been replaced or damaged, check toe-in and adjust
if necessary.
TO CHECK TOE-IN (SeeFig. 31) -
• Position front wheeis straight ahead.
• Measure distance between wheels at front and rear of
tires (dimensions "A" and "B").
Front dimension "A" should be 1/8" to 1/4" less than
rear dimension "B".
TO ADJUST TOE-IN (See Figs. 31 and 32) -
• Loosen jam nuts at adjustment sleeves on tie rod.
• Adjusttieroduntildimenslon"A"isl/8"tol/4"lessthan
dimension "B".
o Tighten jam nuts securely.
B
_ FRONT OF TRACTOR _
FIG. 31
ADJUSTMENT SLEEVES
TIE ROD
JAM NUTS
/\
FIGo 32
FRONT WHEEL CAMBER
The front whee camber is not adjustable on your tractor. If
damage has occurred to affect the front wheel camber,
contact your nearest authorized service center/depart-
ment.
22

SE CE AN AUSTMENTS
TO REMOVE WHEEL FOR REPAIRS
FRONT WHEEL (See Fig. 33) =
• Block up axle securely.
o Remove axle cover, retaining ring and washers to allow
wheel removal.
Repair tire and reassemble.
o Replace washers and snap retaining Hng securely in
axle groove.
o Replace axle cover.
WASHERS
RETAINING
RING \
AXLE \
covE_ \
FiG. 33
REAR WHEEL -
oBlock rear axle securely.
• Remove five (5) hub bolts to allow wheel removal.
Repair tire and reassemble. Replace and tighten hub
bolts securely.
TO START ENGINE WITH A WEAK BATTERY
See Figs. 34 and 35)
CAUTION: Lead-acid batteries gener=
ate e×plosive gases. Keep sparks, flame
and smoking materials away from bat-
teries. Always wear eye protection
when around batteries.
If your battery is too weak to start the engine, it should be
recharged. If "jumper cables" are used for emergency
starting, follow this procedure:
IMPORTANT: YOUR TRACTOR iS EQUIPPED WITH A 12
VOLT NEGATIVE GROUNDED SYSTEM. THE OTHER
VEHICLE MUST ALSO BE A 12 VOLT NEGATIVE
GROUNDED SYSTEM. DO NOT USE YOUR TRACTOR
BATTERY TO START OTHER VEHICLES.
TO ATTACH JUMPER CABLES -
o Connect each end of the RED cable to the POSITIVE
(+) terminal of each battery, taking care not to short
against chassis,
o Connect one end of the BLACK cable to the NEGA-
TIVE (-) terminal of fully charged battery.
Connect the other end of the BLACK cable to a panel
bolt on the left side of the tractor, away from fuel tank
and battery.
TO REMOVE CABLES, REVERSE ORDER -
BLACK cable first from chassis and fully charged
battery.
o RED cable last from both batteries.
POSTVEI NEGATVE
(+) (-)
FiG. 34
PANEL
° °
FiG. 35
TO REPLACE HEADLIGHT BULB
- Raise hood.
- Pull bulb holder out of the hole in the backside of the
grill.
o Replace bulb in holder and push bulb holder securely
back into the hole in the backside of the grill.
-Close hood.
INTERLOCKS AND RELAYS
Loose or damaged wiring may cause your tractor to run
poorly, stop running, or prevent it from starting.
Check wiring. See electrical wiring diagram _nRepair
Parts section of this manual.
TO REPLACE FUSE
Replace with 30 amp automotive-type plug-in fuse, The
fuse holder is located behind the dash,
23

ECE AND ADJUSTMENTS
TO ADJUST ATTACHMENT LiFT SPIRING
(See Fig. 36)
• While holding spring bushing with wrench, loosen jam
nut.
• Turn adjustment bolt clockwise to extend spring and
reduce lift effort (for heavier attachments).
,, Turn adjustment bolt counterclockwise for lighter at-
tachments.
Retighten jam nut against spring bushing.
IMPORTANT: DO NOT ADJUST FOR MAXIMUM SPRING
TENSION WHEN USING LIGHT ATTACHMENTS SUCH
AS A MOWER. ADJUST LIFT LEVER SPRING TO AID IN
LIFTING ATTACHMENT. DO NOT OVERPOWER SPRING.
WHEN REMOVING ATTACHMENT, ALWAYS ADJUST
SPRING TENSION TO ITS LOWEST POSITION.
ADJUSTMENT SPRING BUSHING
BOLT
® ATTACHMENT
JAM NUT UFT SPRMNG
o ®
FiG. 36
TO REMOVE HOOD AND GRILL ASSEMBLY
(See Fig. 37)
• Raise hood.
,, Unsnap headlight wire connector.
• Stand in front of tractor. Grasp hood at sides, tilt toward
engine and lift off of tractor°
o To replace, reverse above procedure.
HOOD
/
/
,/
WIRE
CONNECTION
/
FNG.37
24

SERVICE A ADJU ENTS
ENGINE
TO ADJUST THROTTLE CONTROL CABLE
(See Fig. 38 & 39)
The throttle control has been preset at the factory and
adjustment should not be necessary. Check adjustment as
described below before loosening cable. If adjustment is
necessary, proceed as follows:
With engine not running, move throttle control lever to
fast ('¢ep)position.
o Check that speed control lever is against stop screw. If
it is not, loosen casing clamp screw and pull throttle
cable until lever is against screw. Tighten clamp screw
securely.
TO ADJUST CARBURETOR (See Fig. 40)
The carburetor has been present at the factory and adjust-
ment should not be necessary. However, minor adjustment
may be required to compensate for differences in fuel.
temperature, altitude or load. If the carburetor does not
need adjustment, proceed as follows:
in general, turning the adjusting needles in (clockwise)
decreases the supply of fuel to the engine giving a leaner
fuel/air mixture. Turning the adjusting needles out (coun-
terclockwise) increases the supply of fuel to the engnne
giving a richer fuel/air mixture.
IMPORTANT: DAMAGE TO THE NEEDLES AND THE
SEATS IN CARBURETOR MAY RESULT IF SCREW IS
TURNED IN TOO TIGHT.
PRELIMINARY SETTING -
* Be sure you have a clean air filter, and the throttle
control cable is adjusted properly (see above).
o With engine off turn idle fuel adjusting needle in (clock-
w_se)closing it finger tight and then turn out (counter-
clockwise) 1-1/4 turns.
Turn main fuel adjusting needle in (clockwise) closing
finger tight and then turn out (counterclockwise) 1turn.
FINAL SETTING -
o Start engine and allow to warm for five minutes. Make
final adjustments with engine running and shift/motion
control lever in neutral (N) position.
• With throttle control lever in fast ( ,1_ ) position, turn
main fuel adjusting needle in (clockwise) until engine
begins to die then turn out (counterclockwise) until
engine runs rough. Turn needle to a point midway
between those two positions
• Idle s_p_eedsetting -With throttle control lever in slow
(,_!) position, engine should idle at 1400 RPM. If
engine idles too slow or fast turn idle speed adjusting
screw in or out until correct idle is attained.
Idle fuel needte setting - With throttle control lever in
slow (_) position, _urn idle fuel adjusting needle in
(clockwise) until engine begins to die and then turn out
(coun[erclockwise) until engine runs rough° Turn needle
to a point midway between those two positions.
Recheck idle speed, Readjust if necessary.
25
ACCELERATION TEST -
• Move throttle control lever from slow (-_) to fast (,@)
position. If engine hesitates or dies, turn idle mixture
screw out (counterclockwise) I/8 turn. Repeat test and
continue to adjust, if necessary, until engine acceler-
ates smoothly.
High speed stop is factory adjusted. Do not adjust-damage
may result.
IMPORTANT: NEVER TAMPER WITH THE ENGINE
GOVERNOR WHICH IS FACTORY SET FOR PROPER
ENGINE SPEED. OVERSPEEDING THE ENGINE ABOVE
THE FACTORY HIGH SPEED SETTING CAN BE
DANGEROUS IFYOUTHINKTHEENGINE-GOVERNED
HIGH SPEED NEEDS ADJUSTING. CONTACT YOUR
NEAREST AUTHORIZED SERVICE CENTER!
DEPARTMENT. WHICH HAS PROPER EQUIPMENT AND
EXPERIENCE TO MAKE ANY NECESSARY
ADJUSTMENTS.
CASING STOP SCREW SPEED CONTROL
CLAMP \ /j" LEVER
/li;?1
FIG. 38
STOP
SPEED
CONTROL
LEVER
FroG.39
IDLE SPEED
ADJUSTING
SCREW -o
FIG, 40

STORAGE
Immediately prepare your tractor for storage at the end of
the season or if the tractor will not be used for 30 days or
more.
TRACTOR
Remove mower from tractor for winter storage When
mower is to be stored for a period of time. clean it thor-
oughly, remove all dirt, grease, leaves, etc. Store in a
clean, dry area.
- Clean entire tractor (See "CLEANING" in the Customer
Responsibilities section of this manual).
o Inspect and replace belts, if necessary (See belt re-
placement instructions in the Service and Adjustments
section of this manual).
Lubricate as shown in the Customer Responsibilities
section of this manual.
o Be sure that all nuts, bolts and screws are securely
fastened. Inspect moving parts for damage, breakage
and wear. Replace if necessary.
o Touch up all rusted or chipped paint surfaces: sand
lightly before painting.
®
o
BATTERY
- Fully charge the battery for storage.
o After a period of time in storage, battery may require
recharging.
- To help prevent corrosion and power leakage during
long periods of storage, battery cables should be
disconnected and battery cleaned tho roughly (see "TO
CLEAN BATTERY AND TERMINALS" in the Cus-
tomer Responsibilities section of this manua ).
- After cleaning, leave cables disconnected and place
cables where they cannot come Jncontact with battery
terminals.
Be sure battery drain tube is securely attached.
If battery is removed from tractor for storage, do not
store battery directly on concrete or damp surfaces.
ENGINE
FUEL SYSTEM
iMPORTANT: IT IS IMPORTANT TO PREVENT GUM
DEPOSITS FROM FORMING IN ESSENTIAL FUEL
SYSTEM PARTS SUCH AS CARBURETOR FUEL FILTER,
FUEL H©SE. OR TANK DURING STORAGE. ALSO,
EXPERIENCE INDICATES THAT ALCOHOL BLENDED
FUELS ICALLED GASOHOL OR USING ETHANOL OR
METHANOL) CAN ATTRACT MOISTURE WHICH LEADS
TO SEPARATION AND FORMATION OF ACIDS DURING
STORAGE. ACIDIC GAS CAN DAMAGE THE FUEL
SYSTEM OF AN ENGINE WHILE IN STORAGE.
Q
e
Drain the fuel tank.
Start the engine and tet it run until the fuel lines and
carburetor are empty.
Never use engine or carburetor cleaner products in the
fuel tank or permanent damage may occur.
Use fresh fuel next season.
NOTE: Fuel stabilizer is an acceptable alternative in
minimizing the formation of fuel gum deposits during stor-
age. Add stabilizer to gasoline in fuel tank or storage
container. Always follow the mix ratio found on stabilizer
container. Run engine at least 10 minutes after adding
stabilizer to allow the stabilizer to reach the carburetor. Do
not drain the gas tank and carburetor if using fuel stabilizer.
ENGINE OIL
Drain oil (with engine warm) and replace with clean engtne
oil. (See "ENGINE" in the Customer Responsibilities
section of this manuab.
CYUNDERS
o Remove spark plug(s).
,Pour one ounce of oil through spark plug hole(s) into
cylinder(s).
•Turn ignition key to"START" position for a few seconds
to distribute oil.
oReplace with new spark plug(s).
OTHER
o Do not store gasoline from one season to another.
Replace your gasoline can if your can starts to rust.
Rust and/or dirt in your gasoline will cause problems
oIf possible, store your tractor indoors and cover it to
give protection from dust and dirt.
o Cover your tractor with a suitable protective cover that
does not retain moisture Do not use plastic. Plastic
cannot breathe which allows condensation to form and
will cause your tractor to rust.
iMPORTANT: NEVER COVER TRACTOR WHILE ENGINE
AND EXHAUST AREAS ARE STILL WARM.
26

SE ICE OTES
27

m
PROBLEM
Wiml not start
Hard to start
Engine will not turn over
Engine clicks but will not
start
Loss of power
Excessive vibration
TiOUBLESHOOTING TS
CAUSE
1. Out of fuel,
2. Engine not "CHOKED" properly.
3. Engine flooded.
4. Bad spark plug.
5. Dirty air filter.
6. Dirty fue! filter.
7. Water in fuel.
8. Loose or damaged wiring.
9. Carburetor out of adjustment.
10. Engine valves out of adjustment,
1. Dirty air filter.
2. Bad spark plug.
3. Weak or dead battery.
4. Dirty fue! filter.
5. Stale or dirty fuel.
6. Loose or damaged wiring.
7. Carburetor out of adjustment.
8, Engine valves out of adjustment.
CORRECTION
1. Fill fuel tank.
2, See "TO START ENGINE" in Operation section.
3. Wait several minutes before attempting to start.
4. Replace spark plug.
5. Clean/replace air filter,
6. Replace fuel filter.
7. Drain fuel tank and carburetor, refill tank with fresh
gasoline and replace fuel filter.
8, Check all wiring.
9. Contact an authorized service center/department.
10. Contact an authorized service center/department.
1. Clean/replace air filter,
2. Replace spark plug.
3. Recharge or replace battery.
4. Replace fuel filter.
5. Drain fuel tank and refill with fresh gasoline.
6. Check al! wiring.
7. Contact an authorized service center/department.
8. Contact an authorized service center/department.
1. Clutch/brake pedal not depressed.
2. Attachment clutch is engaged.
3. Weak or dead battery.
4. Blown fuse.
5. Corroded battery terminals.
6. Loose or damaged wiring.
7, Faulty ignition switch.
8. Faul[y solenoid or starter.
9. Faulty operator presence switch(es).
1, Weak or dead battery.
2. Corroded battery terminals.
3. Loose or damaged wiring.
4. Faulty solenoid or starter.
1. Cutting too much grass/too fast.
2. Throttle in "CHOKE" position,
3. Build-up of grass, leaves and trash under mower,
4, Dirty air filter.
5. Low oil level/dirty oil.
6. Faulty spark plug.
7. Dirty fuel filter.
8. Stale or dirty fuel.
9. Water in fuel.
10. Spark plug wire loose.
!1, Dirty engine air screen/fins,
12. Dirty/clogged muffler.
13. Loose or damaged wiring.
14. Carburetor out of adjustment,
15. Engine valves out of adjustment,
1. Worn, bent or loose blade.
2. Bent blade mandrel.
3, Loose/damaged part(s).
1. Depress clutch/brake pedal.
2, Disengage attachment clutch.
3. Recharge or replace battery.
4. Replace fuse.
5. Clean battery terminals.
6. Check all wiring.
7. ChecWreplace ignition switch.
8. ChecWreplace solenoid orstarter,
9. Contact an authorized service center/department.
1. Recharge or replace battery.
2. Clean battery terminals,
3. Check aft wiring.
4. Check/replace solenoid or starter.
!, Set in "Higher Cut" position/reduce speed.
2. Adjust throttle control.
3. Clean underside of mower housing.
4, Clean/replace air filter.
5. Check oil level/change oil.
6. Clean and regap or change spark plug.
7. Replace fuel filter.
8, Drain fuel tank and refill with fresh gasoline.
9. Drain fuel tank and carburetor, refill tank with fresh
gasoline and replace fuel filter.
10. Connect and tighten spark plug wire.
11. Clean engine air screen/fins.
12. Clean/replace muffler,
3. Check all wiring.
!4. Contact an authorized service center/department.
15. Contact an authorized service center/department.
1. Replace blade. Tighten blade bolt.
2. Replace blade mandrel.
3. Tighten loose part(s). Replace damaged parts.
28

TROU LESH OTI POINTS
PROBLEM
Engine continues to run
when operator leaves seat
with attachment clutch
engaged
Poorcut-uneven
Mower blades wiii not
rotate
Poor grass discharge
Headlight(s) not working
(if so equipped)
Battery will not charge
Engine "backfires"
when turning engine
"OFF"
CAUSE
1 Faulty operator-safety presence control system,
1. Worn. bent or loose blade.
2. Mower deck not level.
3. Buildup of grass, leaves, and trash under mower.
4. Bent blade mandrel.
5. Clogged mower deck vent holes from buildup of
grass, leaves, and trash around mandrels.
1. Obstruction ir clutch mechanism.
2. Worn/damaged mower drive belt.
3. Frozen idler pulley.
4. Frozen blade _nandrel,
1. Engine speed too slow.
2. Travel speed too fast.
3. Wet grass,
4. Mower deck not level.
5. Low/uneven tire air pressure.
6. Worn, bent or loose blade,
7. Buildup of grass, leaves and trash under mower.
8, Mower drive belt worn.
9. Blades improperly installed.
t0, Improper bladeS used
11. Clogged mower deck vent holes from buildup of
grass. Eeaves, and trash around mandrels.
1. Switch is "OFF",
2. Bulb(s) burned out.
3. Faulty light switch.
4. Loose or damaged wiring.
5, Blown fuse.
1. Bad battery cell(s).
2. Poor cable connections.
3. Faulty regulator (if so equipped).
4. Faulty alternator.
1 Engine throttle control not set at "SLOW"
position for 30 seconds before stopping engine,
CORRECTION
1, Check wiring, switches and connections. If net
corrected, contact an authorized service center/
department.
1. Replace blade. Tighten blade bolt.
2. Level mower deck.
3, Clean unaerside Of mower housing.
4. Replace blade mandrel.
5. Clean around mandrels to open vent holes.
1 Remove obstruction,
2, Replace mower drive belt.
3, Replace idler pulley.
4 Replace blade mandrel.
1 Place throttle control in "FAST" position,
2, Shift to slower speed,
3, Allow grass to dry before mowing.
4, Level mower deck,
5 Check tires for proper air pressure.
6. Replace/sharpen blade. Tighten blade bolt.
7 Clean underside of mower housing.
8 Replace mower drive belt,
9 Reinstall blades sharp edge down.
10. Replace with blades listed in this manual.
11 Clean around mandrels to open yen1 holes.
1. Turn switch "ON".
2, Replace bulb(s),
3. Check/replace light switch.
4. Check wiring and connections.
5. Replace fuse.
1. Replace battery.
2. Check/clean all connections.
3. Replace regulator.
4. Replace alternator.
1, Move throttle control to "SLOW" position and allow
to idle for 30 seconds before stopping engine.
29

18 HP 44" TRACTOR = MODEL NUMBER 917.257720
SCHEMATIC
RED
BATTE RY
BLACK
AMMETER
RED
WHITE
FUSE 30 AMP. \
RED RED
[c---; ......... , _ :STARTER
,_ _ I , WH,TEhi @_ BLAO,.
; ("_) I _ L__ SOLENO,D
FCLUTCH /BRAKE
(PEDAL UP)
IGNITION SWITCH
CIRCUIT
_-- M+G
BLACK
RED
ORANGE
ELECTRIC CLUTCH
t
REDo--_a a X a /--O_L!I
SEAT SWITCH
(NOT OCCUPIED)
t 1
I I
q- I--
L__
GROUNDING
CONNECTOR
(_ IGNITION
UNIT
3LACK _D
CHARGING SYSTEM OUTPUT
15 AMP DC @ 3600 RPM
28 VOLTS AC @ 3600 RPM
,REGULATOR DISCONNECTED
I!
SPARK 9_----_ _
PLUGS _ D
I
_i_._ BROWN ___ _ BLACK
HEADLIGHT
SWITCH (OFF)
HEADLIGHTS
• O
NON-REMOVABLE REMOVABLE
CONN ECTtONS CONN ECTIONS
WIRING iNSULATED CLIPS
NOTE: IF WIRING INSULATED
CLIPS WERE REMOVED FOR
SERVICING OF UNIT, THEY
SHOULD BE REPLACED TO
PROPERLY SECURE YOUR WIRING
_D
G FC
If0
E H_B
D IUA
PTO SWITCH
POSITION l CIRCUIT
4
OFF ! C _ G
ON JC+F,B=E,A+D
30

REPAIR
DECALS
PARTS
18 HP 44" TRACTOR - - MODEL NUMBER 917.257720
13
18 637 15 !5
\/8 \
8\
2
/
/
74 13
10
11 12
14,
KEY PART
NO. NO.
1 138955
2 142254
3 138042
4 138043
6 133644
7 138048
8 142243
9 128314
10 137537
!1 4900J
12 138435
KEY PART
DESCRIPTION NO. NO.
Decal
Decal
Decal
Decal
Decal
Decal
Decal
Operating Instruction 13 105567X
Grill GT6000 USA Black !4 139346
Hood, Craftsman, RH 15 142242
Hood, Craftsman, LH 17 138834
Maintenance 18 132266
Side Panel 19 138047
Side Panel 23 I06202X
- - 138311
Decal, Fender, Craftsman
Decal, Caution
Decal, Clutch/Brake
Decal, V-Belt Drive Schematic . =
140330
140331
DESCRIPTION
Decal, Chassis, 6 Speed/44"
Decal, V-Belt Schematic
Decal Hood Insert Hd GT
Decal, Dash
Decal, Insert Strg
Decal, Battery
Reflector, Taillight
Decal, Handle Lft Height Adjust
(Lift Handle)
Manual, Owner's (Eng)
Manual, Owner's (Span)
WHEELS &TIRES
2 _ /3
74
/
5
/8
/
/
/
/
/
KEY PART
NO. NO, DESCRIPTION
1 59192
2 65139
3 106228X427
106277X427
4 8134H
7154J
5 106230X
105588X
6 278H
6856M
7 9040H
8 104757X
136327
Cap, Valve, Tire
Stem Valve
Rim Assembly, Front
Rim Assembly, Rear
Tube, Front (Service Item Only)
Tube, Rear (Service Item Only)
Tire, Front
Tire Rear
Fitting, Grease (Front Wheel Only)
Fitting, Grease
Bearing, Flange (Front Wheel Only)
Cap, Axle (Front Wheel Only)
Cover, Axle (Rear Wheel Only)
NOTE: All component dimensions given in U.S. inches
1 inch = 25.4 mm
31

REPAIR PARTS
18 HP 44" TRACTOR -MODEL NUMBER 917.257720
ELECTRICAL
23
J
41
22
24 \\
42
11
9
7
19 33
\,
25
12 45
1
38
/
54
\
32

REPAIR PARTS
18 HP 44" TRACTOR --MODEL NUMBER 917,257720
ELECTRICAL
KEY PART
NO. NO. DESCRmPTION
1 !21537X Battery
2 74760412 Bolt, Hex 1/4-20 x 3/4
3 STD551025 Washer 9/32 x 5/8 x 16 Ga.
4 STD551125 Washer, Lock 1/4
5 121264X Caps, Battery
6 STD541025 Nut, Hex 1/4-20
7 7697J Tube, Drain
8 7603J Tray, Battery
9 109596X Clamp, Hose
10 72240460 Bolt, Carriage 1/4-20 x 7-1/2
11 !02476X Guard, Terminal
12 123198X Nut, Wing 1!4-20
!9 10090400 Washer, Lock 1/4
20 73350400 Nut, Hex Jam 1/4-20
21 127441X Harness, Light Socket
22 4152J Bulb, Headlight
23 1!150400 Washer, Lock, tnt. Tooth
24 4799J Cable Battery
25 4799J Cable Battery
26 108824X Fuse
28 121080X Cable, Ground
29 121305X Switch, Plunger
30 140399 Switch, Ignition
31 140400 Nut, Ignition
32 141226 Cover, Switch Key
33 140403 Key, Ignition
34 1107t2X Switch, Light
38 140660 Harness Adapter
40 140428 Harness, Ignition
41 17720408 Screw, Hex Washer Head, Thread
Cutting 1/4-20 x 1/2
42 131563 Cover, Terminal
43 138406 Solenoid
45 122822X Ammeter
50 140404 Switch, P.T.O.
51 140405 Ring Retainer PTO
53 71031008 Screw, Hex Washer Head #10-
32xl/2
54 73951000 Nut, Keps #10-32
55 104445X Switch, lntlk CI Grd Gry 2 Term
NOTE: All component dimensions given in U.S. inches
1 inch = 25.4 mm
33

REPAIR PARTS
18 HP 44" TRACTOR = MODEL NUMBER 917.257720
CHASSIS AND ENCLOSURES
59
92
37
93
17
19
3\
93
2O
58
14 18\
\\ \
\
52
43
34
49
68
47
25
73
/
/
94
78
5O
86
85 /
67 21 94/,_
25
39
7O
24
34

REPAIR PARTS
18 HP 44" TRACTOR - MODEL NUMBER 917i257720
CHASSIS AND ENCLOSURES
KEY PART KEY PART
NO. NO. DESCRmPTION NO. NO. DESCRAPTION
1 140505 Rail, Frame RH 44 136940
2 140506 Drawbar, Gt 45 138460
3 136671X459 Panel Asm., Side LH 46 10040400
4 73800700 Nut, Lock Hex 7/16 Unc 47 17490608
5 136696 Dash, Plastic Black 48 136814
6 139420 Dash Asm., Lower 49 136813
7 17720408 Screw, Thd Cut 1/4-20 x !/2 50 136575
8 137563 Support, Battery 5! 72140506
9 108067X Nut, Pa 52 73800500
10 19092016 Washer 9/32 x lq/4 x 16 Ga. 53 137304
1! 137270 Rivet, Ratchet Male 54 126470X
12 137269 Washer, Nylon 56 138461
13 137271 Rivet, Ratchet Female 57 73510400
14 136673X459 HoodAsm, Pnt 58 137113
15 136374 Lens. Bar Clear 59 74180412
16 121794X Cover, Access 60 17490620
17 17490612 Screw, Thdrol 3/8-16 x 3/4 62 72110608
18 136373X428 Grille 63 19131614
19 19131312 Washer 13/32x 13/16x 12Ga. 64 10040600
20 74760616 Bolt, Fin Hex 3/8-16 x 1 65 73220600
21 73800600 Nut, Lock Hex W/Wsh 3/8-16 Unc 66 105466X
22 136670X459 Panel Asm., Side RH 67 137157
23 121045X Panel, Dash Side RH 68 17490508
24 105464X459 Footrest, RH 69 139212
25 17490612 Screw, Thdrol 3/8-16 x 3/4 70 137159
26 17490512 Screw, Thdrol 5/16-18 x 3/4 72 74180512
27 12!046X Panel, Dash Side LH 73 74780616
28 105465X459 Footrest, LH 77 137308
29 138193 Bracket, Support Dash 78 17720408
30 137143X014 Saddle, Slkscr Vgt 84 !38952
31 137556 Brace, Support Steering 85 120404X
32 136742 Bracket Asm., Frame Pivot Lh 86 74760716
33 136741 Bracket Asm., Frame Pivot Rh 88 10040700
34 136963 Bracket, Engine Support Rear 90 11050600
35 19111116 Washer 11i32xll/16x16Ga. 91 140504
36 74780512 Bolt, Fin Hex 5/16-18 x 3/4 92 140941X013
37 121642X459 Fender, Pnt° 93 17490608
38 19091216 Washer 9/32 x 3/4 x 16 Ga. 94 100207K
39 136961 Bracket, Axte Front 95 105531X
40 136962 Bracket, SupportAxle/Engine 96 8022J
41 74760408 Bolt Fin Hex 1/4-20 Unc x 1/2 97 137373
42 72140608 Bolt Carriage 3/8-16 x 1 106 17580520
43 136939 Bracket, Spnsn Front Lh
Bracket, Spnsn Front Rh
Bracket Asm., Susp Chassis Rh
Washer, Lock Hvy Helical 1/4
Screw Thdrol. 3/8-16 x 1/2
Bracket Asm., Pivot Hood Lh
Bracket Asm., Pivot Hood Rh
Bracket, Chassis Front
Bolt, Carriage 5/16-18 x 3/4
Locknut, Hex W/Ins 5/16-18 Unc
Rod, Support Hood
Clip, Insulated
Bracket Asm., Susp Chassis Lh
Nut, Keps Hex 1/4-20
Bracket Asm.. Fender
Screw, Mach Cr 1/4-20 x 3/4
Screw Thdrol. 3/8-16 x 1-1/4
Bolt, Carriage 3/8-16 x 1 Gr. 5
Washer 13/32 x 1 x 14 Ga.
Washer, Lock Hvy Hlcl Spr 3/8
Nut, Fin Hex 3/8-16 Unc
Pad, Footrest
Guide, Belt T/A
Screw Thdrol. 5/16-18 x 1/2
Shield Heat
Guide, Belt Mid Span
Screw, Mach Trhd 5/16-18 x 3/4
Bolt, Fin Hex 3/8-16 x 1 Gr. 5
Shield, Front
Screw, Thd. Cut 1/4-20 x 1/2
Stop, Over Center Mower
Bracket, Support Transaxle
Bolt, Fin Hex 7/16-!4 Uric x 1
Washer, Lock Hvy HIcl Spr 7/16
Washer, Lock External Tooth 3/8
Rail, Frame Lh
Plate, Silkscreen Dash
Screw, Thdroi 3/8-16 x 1/2
Clip, Fue! Line
Push Nut, Nylon
Plug, Hole
Shield, Heat, Engine
Bolt 5/16-18 x 1-!!4
NOTE: All component dimensions given in U.S. inches
1 inch = 25.4 mm
35

REPAIR PARTS
18 HP 44" TRACTOR - MODEL NUMBER 917.257720
GROUND DRIVE
i ': 38
=,, 37 631
36
/
<,._..
64
_ 68
37 /
38 5O
56
36

REPAIR PARTS
18 HP 44" TRACTOR - MODEL NUMBER 917.257720
GROUND DRIVE
KEY PART KEY PART
NO. NO. DESCRiPTiON NO. NO. DESCRiPTiON
1 9858M1 Key, Woodruff 38 110895X
3 7563R Washer, Thrust Axle 39 74321016
5 73680600 Nut, Crownlock 3/8-16 40 5304J
6 76020412 Pin, Cotter 41 73631000
7 135758 Wheel, Hub Assembly 42 8883R
8 12000034 Klip, Ring 43 74760412
9 140080 Bolt, Hub 44 104601X
10 143046 Disc, Brake 45 73800400
11 136927 Yoke, Brake Disc 46 121358X
12 9204H Locknut 1/2-20 47 138228
13 139419 Washer, Special 48 72110614
14 38901 Bushing 49 19131413
15 19131316 Wahser 13/32 x 13/16x 16 Ga. 50 131494
16 143012 Set, Screw 1/4-28 × 3/4 51 73800600
17 126909X Spring 52 139123
18 137104 Lever, Brake 53 207J
!9 136926 Cam, Brake Disc 54 138390
20 72140506 Bolt, Carriage 5/18-18 x 3/4 55 105706X
21 23260412 Screw. Flat Head 1/4-28 x 3/4 56 137153
22 633A109 Gearshift, Lever Assembly 57 105598X
23 106932X Knob 58 73800500
24 136925 Support, Puck Brake 59 122253X
25 136923 Puck. Brake Top 60 122268X
26 137552 Spring, Return 61 137524
27 17490528 Screw, Hex Wsh Thd. 5/16-18 x 1- 62 10040700
3/4 63 74760720
28 73350600 Nut, Hex Jam 3/8-16 64 137649
29 137213 Brake, Rod 65 67609
30 19131614 Washer 13/32 x 1 x 14Ga. 66 140296
31 76020312 Pin, Cotter 3/32 x 3/4 67 19131312
34 124236X Cap, Plunger 68 5!42H
35 137648 Rod, Parking Brake 69 136327
36 138364 Spring, Extension
37 121749X Washer 25/32 x 1-1/4 x 16 Ga.
Nyliner
Screw, Fin. #10-24 x !
Actuator, Interlock Switch
Locknut #10-24
Cover, Pedal
Bolt, Hex 1/4-20 x 3/4
Bracket, Interlock
Locknut w/Insert 1/4-20
Retainer, Spring
Clutch Rod
Bolt, Carriage 3/8-16 x 1-3/4 Gr. 5
Washer 13/32 x 7/8 x 13 Ga.
Pulley, Idler, Flat
Locknut, Hex 3/8-16
Pulley, Idler, Grooved
Washer, Hardened
Clutch, Arm Assembly
Bearing, Idler
WBelt
Bracket, Shift Rod, Hi-Lo
Locknut. Hex, with Insert 5/16-19
Shift Rod, Hi-Lo
Spring Clip, Connecting Link
Pulley, Transaxle
Washer. Lock 7/16
Bolt, Fin Hex 7/16-14 x 1-1/4
Shaft, Clutch/Brake Pedal
Bolt, Shoutder
Washer, Hardened
Washer, Flat
Pin. Roll
Hub, Cover
NOTE: All component dimensions given in U.S. inches
1 inch = 25.4 mm
37

REPAIR PARTS
18 HP 44" TRACTOR =MODEL NUMBER 917.257720
STEERING ASSEMBLY
26
f
/
24
34
/
27
23
22
/
31
/
/
/
33
32
19
27 /
6/
/
/16
5
//
38

REPAIR PARTS
18 HP 44" TRACTOR =MODEL NUMBER 917.257720
STEERING ASSEMBLY
KEY PART
NO. NO. DESCRIPTION
! 121472X
2 137094
3 6855M
4 136960
5 136959
6 6266H
7 121748X
8 12000029
9 121232X
10 74781044
11 136518
12 73901000
13 121749X
14 10040600
15 73610600
16 102458X
17 137347
18 137155
19 138053
20 139811
21 100711L
22 1554J
23 17431008
24 19133808
25 74780616
26 126805X
27 3366R
28 73800600
29 104239X
30 12000034
31 138136
32 19111610
33 10040500
34 74760512
35 138059
36 137156
37 73360600
38 109850X
39 73700600
40 109851X
Wheel, Steering
Axle Asm., Front
Fitting, Grease
Spindle Asm, LH
Spindle Asm., RH
Bearing, Race Thrust Harden
Washer 25/32 x 1-5/8 x 16 Ga.
Ring, Klip #T5304-75
Cap, Spindle
Bolt, Fin Hex 5/8-11 x 2-3/4
Spacer, Brg. Axle Front
Nut Lock Flange 5/8-11 Unc
Washer 25/32 x 1-1/4 x 16 Ga.
Washer, Lock Hvy Hlcl Spr 3/8
Nut, Fin Hex 3/8-24 Unf
Shaft Asm,, Steering
Rod Asm., Tie Ball J Ball Vgt (Inc.
Key No. 36_40)
Draglink, Ball Joint Solid Vgt
Support Asm., Steering Vgt
Column, Steering
Adapter, Wheel Steering
Bushing, Strg. BIk
Screw, Slftp #10-16 x 1/2 Ty-b
Washer 13/32 x 2-3/8 x 8 Ga.
Bolt, Fin Hex 3/8-16 x 1 Gr. 5
Cap, Wheel Steering
Bearing, Col. Strg.
Nut, Lock Hex W/Wsh 3/8-16 Unc
Bearing, Flange
Ring, Klip Truarc #5304-75
Bushing, Nyliner Snap
Washer 11/32 x 1 x lOGa.
Washer, Lock Hvy Hlcl Spr 5/16
Bolt, Hex Hd 5/16-18 x 3/4
Gear, Sector Steering
Tie Rod
Jam Nut RH Thread
Joint Asm. Ball RH Thread
Jam Nut LH Thread
Joint Asm. Ball LH Thread
NOTE: All component dimensions given in U.S. inches
1 inch = 25.4 mm
39

'REPA_ PA_'T$
!8 HP 44!' "TRACTOR
ENGIN,E •" MODEL NUMBER 917.257720
•,...... 13 32
...............
•f
17
18
._,S '/
"1:5
28
37
2O
/
/
/
i
/
/
3O
i
12 19
43 42 41
4O
9
29
[SPARK: ARRESTEF_ K_T]
34,
4O

REPAIR
ENGINE
PARTS
18 HP 44" TRACTOR =MODEL NUMBER 917.257720
KEY PART
NO. NO.
1
214! 948
144110
3 13240300
4 13280328
5 1320030O
6 138129
8 121361X
9 138559
10 105432X
11 137140
12 136907
13 138486
14 138487
15 127334X
16 109227X
17 106082X
18 123549X
19 13290300
2O 133439
21 17720410
KEY PART
DESCRiPTiON NO. NO. DESCRiPTiON
Engine Kohler 18 Mag Vt 22
Muffler Asm Kohler VGT (Inc. Key 23
No. 34) 24
Elbow Street 3/8 NPT 25
Nipple Pipe 3/8NPT X 3 -1/2 26
Elbow STD 90 Degree 3/8 - 18 NPT 27
Clamp Tube Double Engine 28
Pulley V-Idler 29
Stop Keeper Asm VGT 30
Bushing 32
Clutch Electric 34
Pulley Engine VGT Elect Clutch 35
Baffle Air LH Koh VGT 36
Baffle Air RH Koh VGT 37
Tank Fuel W/Sym Vented 38
Pad Spacer 39
Pad Spacer 40
Cap Asm Fuel W/Sym, Vented 41
Plug Oil Drain (Order From Engine 42
Manufacturer) 43
Control Throttle
Screw Hex Thd Cut 1/4 - 20 X 5/8
138672
19132616
11050600
73610600
3645J
139277
7834R
105037X
17490508
17720408
10040500
74570512
123487X
11050600
17490624
17490652
126197X
10040700
71170768
Control Choke
Washer 13/32 X 1 - 5/8 X 16 Ga
Washer Ext Tooth 3/8
Nut Fin Hex 3/8 - 24 UNF
Bushing
Stem Tank Fuel
Fuel Line
Spark Arrester Kit
Strip Foam
Screw Thdrol 5/16 - 18 X 1/2
Screw Thd Cut 1.4 - 20 x 1/2
Washer Lock 5/16
Screw Hex 5/16 - 16 UNC X 3/4
Clamp Hose
Lockwasher Ext Tooth 3/8
Screw Thdrol 3/8 - 16 X 1 - 1/2 TT
Screw Thdrol 3/8 - 16 X 3 - 1/4
Washer 1-1/20D X 15/32 ID X .250
Washer Lock 7/16
Bolt Hex 7/16 - 20 X 4 - 1/4 Ga 5
NOTE: All component dimensions given in U.S. inches
1 inch = 25.4 mm
.J
41

REPAIR PARTS
18 HP 44" TRACTOR - MODEL NUMBER 917,257720
SEAT ASSEMBLY
J
\\\ 5
4
\\18
\
19 ),
12
8--.._ G__/=°
9_-__ S 8
7_ pj_-9
- 4L"
" - " : - - ""'.-.rJ: - ;-.
/5 "'-.
KEY
NO.
1
2
3
4
5
6
7
8
9
!0
12
t3
PART
NO.
127439
140551
140675
127018X
140407
73680600
t24181X
17490508
19131614
140552
121246X
121248X
DESCRiPTiON
Seat
Bracket, Pivot Seat
Strap, Fender
Bolt, Shoulder 5/16o18 x .62
Clip, Push In
Nut, Crownlock 3/8-16 Unc
Spring, Seat Cprsn
Screw. Thdrol 5/16-18 X 1/2
Washer 13/32 X 1 X 14 Ga.
Pan, Seat
Bracket, Mounting Switch
Bushing, Snap
K EY PART
NO. NO.
14 72050411
15 12!249X
16 123740X
17 123976X
!8 19171912
19 120068X
20 124238X
21 139888
22 73680500
DESCRiPTiON
Bolt, Carriage 1/4-20 X 1-3/8
Spacer, Split
Spring, Cprsn
Nut, Lock 1/4 Lge Ftg Gr. 5
Washer 17/32 × !-3/16 x 12 Ga.
Knob, Seat 1/2-13 Unc
Cap, Spring Seat
Bolt, Shoulder 5/16-18
Nut, Crownlock 5/16-18 Uric
NOTE: All component dimensions gwen in U.S. inches
1inch = 25.4 mm
42

REPAIR PARTS
18 HP 44"
LiFT ASSEMBLY
TRACTOR .. MODEL NUMBER 917.257720
KEY
NO.
1
2
3
4
5
6
7
8
9
!0
11
12
13
!4
15
16
17
18
19
20
21
22
23
23
40 42 43 3
39
41 /
42
<
13
_23
\11
23
2
26
25
/
/
/
6
1\
\\
\\\
7/
/
/
/
/
/
/
/
\ \
12 16
13
22
12
20 19"18 15
PART
NO.
!21006X
137295
121002X
12000022
19292016
74780624
125631X
122365X
122364X
2876H
138020
3146R
139867
140302
73800600
674A247
73350600
5329J
19131316
5328J
74760616
127218
4939M
DESCRIPTION
Rod Asm., Lever
Shaft Asm., Lift Vgt
Lever Asm., Lift Rh
EoRing Truarc #5133-87
Washer 29/32 x 1-1/4 x 16 Ga,
Bolt, Fin Hex 3/8-16 x 1-1/2
Grip, Handle Fluted
Button, Plunger
Plunger, Lever Lift
Spring 2-1/8"
Link Lift
Retainer, Spring
Arm, Suspension Vgt
Bearing
Nut, Lock Hex WfWsh 3/8-16 Unc
Spring Asm., Assist Lift
Nut, Hex Jam 3/8-16 Uno
Bracket Spring Assist
Washer 13/32 x 13/16 x 16 Ga.
Bolt, Adjust Spring Assist
Bolt, Fin Hex 3/8-16 x 1
Link, Front
Retainer, Spring 43
KEY PART
NO. NO. DESCRIPTION
24 73350800 Nut, Jam Hex 1/2-13 Unc
25 130171 Trunnion
26 73800800 Nut, LockW/Wsh !/2-13 Uric
27 12000037 Ring, Ktip #T5304-37
28 19151216 Washer 15/32x3/4x16Ga.
29 110810X Trunnion Dp Stop Dbl Thds Pit
30 1!0807X Nut. Special
31 19131016 Washer 13/32x5/8x 16 Ga.
32 137150 Spring, Compression Inf Hgt
33 76020308 Pin, Cotter 3/32 x !/2
34 137167 Rod, Adj Lift
35 138057 Knob, Inf 3/8-16 Unc
36 17490612 Screw, Thdrol 3/8-16 x 3/4
37 120529X Washer, Nylon
38 !23933X505 Pointer, Pnt Height Indicator
39 123935X Plug, Hole
40 74780516 Bolt, Fin Hex 5/16-1 8 x 1
41 10040500 Washer, Lock Hvy HIcl Spr 5/16
42 19112410 Washer 11i32xl-1/2x10Ga.
43 123934X Scale, Indicator Height
NOTE: All component dimensions given in U.S. inches
1inch = 25,4 mm

REPAIR PARTS
18 HP 44" TRACTOR - MODEL NUMBER 917.257720
44" MOWER DECK
6O
59 60
58 \57
55
I
/
64
45
53
48 38 29
3O
32
47
2
24
54
6 \
10
42
\
26 18
17
/
23
22
44

REPAIR PARTS
!8 HP 44" TRACTOR .-MODEL NUMBER 9! 7,257720
44" MOWER DECK
KEY
NO.
1
2
3
4
5
6
7
8
9
10
11
12
13
14
15
16
17
18
19
20
21
22
23
24
25
26
27
28
29
30
31
32
[qq 1- ec, e, olo
PART KEY PART
NO. DESCRIPTION NO. NO.
136471
738O0500
72110506
763tj
138457
4939M
130832
850857
10030600
129962
130652
129895
137553
137152
110485X
136929
106735X
19111016
105304X
t23713X
137607
110452X
109785X
13632'1
19111216
72110614
19131316
132823
73800600
133776
137266
129861
Deck Asm., Mower 44" Vented
Locknut, Hex W/Ins 5/16-18 Unc
Bolt, Carriage 5/16-18 x 3/4
Runner, Mower LH
Bracket Asm., Sway Bar
Retainer, Spring
Arm Suspension, Rear
Bolt 3/8-24 x 1.25 Gr. 8 Patched
Washer, Lock Hvy 3/8 Unplated
Washer, Hard Blade Mower Vented
Blade
Bearing, Ball #6204 (Mandrel)
Shaft Asm., W/Lower Brg (includes
Key No. 12)
Housing, Mandrel 44" Vent
Bearing, Ball Mandrel
Stripper, Mower Vented
Rod, Hinge
Washer 11/32 x 5/8 x 16 Ga,
Cap, Sleeve
Spring, Torsion Deflector
Bracket, Deflector
Nut, Push
Shield, Deflector Mower
Runner, RH
Washer 11/32 x 3/4 x 16 Ga.
Bolt, Carriage 3/8-16 x 1-3/4 Gr. 5
Washer 13/32 x i3/16 x 16 Ga.
Spacer, Spring Stop idler
Nut, Lock Hex W_sh 3/8-16 Unc
Bolt 5/16-18 x 1,25
Nut, Fig Top Lock Cntr 9/16
Pulley, Mandrel
33 129963
34 72140610
35 72110616
36 72110608
37 137166
38 137554
39 131494
40 136572
42 72140506
43 136460
44 122052X
45 73680600
46 74760628
47 137200
48 137729
49 136574
50 137272
51 137273
52 139245
53 137789
54 131264
55 131290
56138687
57 136577
58 133957
59 137644
60 139031
6t 136573
62 133943
63 72110612
64 19121414
67 73930600
DESCRIPTION
Washer, Spacer Mower Vented
Bolt, Carriage 3/8-16 x 1-1/4
Bolt, Carriage 3/8-!6 x 2
Bolt, Carriage 3/8-16 x 1 Gr. 5
Stiffener, Arm Idler
Keeper, Belt Idler
Pulley, Idler Flat
Pulley, Driven
Bolt, Carriage 5/16-18 Unc x 3/4
Arm, idler Secondary
Spacer, Retainer
Nut, Crownlock 3/8-16 Uric
Bolt, Fin Hex 3/8-16 Uric x 1-3/4
Cover, Mandrel RH
Screw, Thd RoW 1/4-20 x 5/8
Cover, Mandrel LH
Arm, Idler Primary
Spring, Secondary
Pulley, idler V Groove
Shield, Idler
V-Belt, Mower Primary
V-Bek, Mower Secondary
Spring, Primary
Bar Asm., Wheel Gauge
Wheel, Gauge
Bolt, Shoulder
Pin, Clevis
Bracket, Wheel Gauge
Washer Hardened
Bolt Cardage 3/8-16 x 1-1/2
Washer 3/8 x 3/4 x 14Ga
Nut, Centerlock 3/8-16
NOTE: All component dimensions given in U.S. inches
1 inch = 25.4 mm
45

REPAIR PARTS
18 HP 44" TRACTOR ° MODEL NUMBER 917.257720
TRANSAXLE
7O
73
86 _85
88_'__87
_94
15
7
,_.----9 7
48

REPAIR PARTS
18 HP 44" TRACTOR =
TRANSAXLE
MODEL NUMBER 917.257720
KEY PART
NO, NO. DESCRiPTiON
1 4197R
2 12000034
3 4199R
4 4216R
5 4215R
6 4217R
7 6256H
8 74020652
9
10
11
12
13
14
!5
16
17
18
19
20
21
22
23
24
25
26
27
28
29
30
31
32
33
34
35
36
37
39
4O
41
45
46
49
50
51
7392M
137261
4985R
6266H
4212R
137125
6276H
633A63
8118M
8740H1
122238X
4218R
6252H1
7810H
6262H
7393R
992R1
139111
4986R
122254X
6269H
5855H
139538
6277H
4225R
7396H
4198R
4200R
7395H
139536
13320400
17580520
6271H
13060200
4895H
4222R
1529R
Axle Shaft
Retaining Ring
Final Drive Gear
Differential Gear
Differential Pinion
Differential Carrier
Axle Thrust Washer
Bolt, Hex Head 3/8-24 x 3-1/4
(1" Thread Length)
Steel Ball
Spring Shift Fork Detent
Shift Fork. High-Low Range
Thrust Bearing Race
4th Reduction Pinion
Shaft, Brake
Snap Ring, Crescent Type
High-Low Range Gears
Needle Bearing
Sintered iron Bearing
Shift Fork Shaft, High-Low Range
Differential Pinion Spacer
Differential Pinion Bushing
Gripco Centerlock Nut 3/8-24
Shift Fork, R.H.
Oil Sea!
Sintered Iron Bearing
Shift Fork Shaft
Shift Fork, L.H.
Shift Shaft, High-Low Range
Oil Seal
Pressure Relief Valve
Gearcase, Reverse Idler Shaft and
Bearings, R.H. (includes Key No.'s
17,18, 25, 33, 50, 63, 77 and 82)
Dowel Pin
Needle Bearing
Thrust Bearing Race
4th Reduction Gear Shaft
4th Reduction Gear Spacer
Thrust Bearing Race
Gearcase and Bearings, L.H.
(Includes Key Numbers 18, 25, 49,
50 (2), 51 and 52)
Pipe Plug 1/2-14 N.P.T.
Bolt, Hex 5/16-18 UNC x 1-1/4
Oil Seal
Pipe Plug 1/4-18 N.P.T.
Needle Bearing
Needle Bearing
Needle Bearing
KEY PART
NO. NO. DESCRiPTiON
52 8119M
53 4220R
54 4209R
55 4213R
56 4442R
57 4195R
58 42t4R
59 4194R
60 7528R
61 4208R
62 4207R
63 7398H
64 4203R
65 4204R
66 2898J
67 12000033
68 4205R
69 4206R
70 1370H
71 633A69
72 139120
73 4201R
74 12000008
75 1153R
77 6803J
79 1167R
80 73360700
81 6270H
82 136984
84 5384J
85 2978J
86 633A85
87 8739H!
88 4924H
89 19151516
90 110542X
91 19181511
92 75J
93 6274H
94 76020412
95 10040500
96 74760514
97 633A109
98 139535
Needle Bearing
Thrust Bearing Race
3rd Reduction Pinion, Low
4th Reduction Gear
3rd Reduction Pinion Spacer
2nd Reduction Gear Shaft
Fina! Drive Pinion
1st Reduction Gear Shaft
1st Reduction Shaft Spacer
3rd Reduction Pinion Hlgh
2nd Reduction Gear
Needle Bearing
Low Speed Gear and 2nd
Reduction Pinion Cluster
Reverse Gear
Key, Hi-Pro !/8 x 17/32
Klip Ring
Intermediate Speed Gear
High Speed Gear
Thrust Bearing Race
Intermediate and High Speed
Cluster Pinions
Input Shaft
Low Speed Pinion
E-Ring
Reverse Idler Gear
Needle Bearing
Sealing Washer
Nut, Hex, ,Jam 7/16-20
Oil Seal
Reverse Idler Shaft
Gearshift Lever, Bent
Gearshift Cap
Gearshift Ball Cover and Pin
Shift Lever Guide Ball, Keyed
Spring
Washer 15/32 x 15/16 x 16 Gauge
Shift Mechanism Seat
Washer 9/16 x !5/16 x 12 Gauge
Gearshift Gate and Reinforcement
Shift Ball Cover Gasket
Cotter Pin 1/8 x 3/4
Washer, Lock 5/16
Bolt, Hex Head 5/16-18 UNC x 7/8
Gearshift Lever Assembly
Transaxle Assembly
(Less Brake Drum and Shift Lever)
NOTE: All component dimensions given in U.S. inches
1inch = 25.4 mm
47

REPAIR PARTS
18 HP 44" TRACTOR -MODEL NUMBER 917.257720
KOHLER ENGINE - MODEL NUMBER MV18S, TYPE NUMBER 58560
/1
/
2m
_3
J
o 5
--8
BAFFLES AND SHROUD
/
8/
7
/
5
,%
/
4
BREATHER AND VENT
11 /lilt I_+ -+ +++++-
48

REPAIR PARTS
18 HP 44" TRACTOR =MODEL NUMBER 917.257720
KOHLER ENGINE =MODEL NUMBER MV18S, TYPE NUMBER 58580
AiR INTAKE BAFFLES & SHROUD
KEY PART DESCRIPTION KEY PART
NO. NO. NO. NO,
!
2X-276-7 Wing Nut t/4-20 1 52 063 41
52 755 83 Kit, Cover and Tube 2 52 313 05
(Includes Key Numbers 3 and 4) 3 52 063 42
Cover, Air Cleaner 4 X-67-83
3 52 096 35
4 52 123 2!
5 231032
6 52 082 04
7 45 083 01
8 45 083 02
9 237423
!0 X-67-98
11 52 201 06
12 277093
13 52 054, 39
14 X-25-79
15 X-50-37
16 X-50-57
17 X-22-9
Tube, Air Intake
Sea!, Element Cover
Cover, Air Cleaner Element
Pre-Cleaner
Element
Seal, Air Cleaner Cover
Screw, Hex Washer Head
#10-32 x 9/16 (4)
Base, Air Cleaner
Gasket, Air Cleaner (2)
Elbow, Air Intake
Washer, Plain #10
Screw, Slotted Pan Head
#10-32 x 2-1/4
Screw, Slotted Pan Head
#10-32 x 1_3/4 (2)
Washer, Lock, Interna Tooth
#10 (2)
Gasket, Air Cleaner Elbow
18 25 04! 06
NOT ILLUSTRATED
- - 25 113 15 Decal, Air Cleaner
-- 5211330 Decal
DESCRIPTION
5 52 755 70
6 52 217 01
7 52 468 16
8 52 086 11
9 52 124 23
Baffle, #2 Cylinder Head
Grommet (2)
Baffle, Fuel Pump
Screw, Hex Washer Head
1/4_20 x 7/16 (14)
Kit, Blower Housing
('Includes Key Numbers 6 thru 8)
Support, Upper Housing
Washer, Flat (2)
Screw 1/4_20 x 5/8 (6)
Baffle, #1 Cylinder Head
NOT ILLUSTRATED
- - 52 113 46 Decal, Horsepower (3)
BREATHER & VENT
KEY PART
NO, NO, DESCRiPTiON
1 X=81-1
2 X-25-12
3 52 096 18
4 52 055 01
5 X-352-39
6 52 326 12
7 52 096 08
8 52 032 04
9 52 462 01
10 52 096 22
11 275220
Nut, Hex !/4-20 (2)
Washer, Plain 1/4 (2)
Cover #2 Cylinder Valve
Gasket. Cover (3)
Stud, #2 Cylinder Valve Cover
1/4-20 x 2-1/4
Hose, Breather
Cover, #1 Upper Cylinder Valve
Seal, Breather
Valve, Umbrella
Cover, #! Lower Cylinder Valve
Stud, #1 Cylinder Valve Cover
1/4-20 x 3q/4
NOTE: All component dimensions given in U.S° inches
1 inch = 25.4 mm
49

REPAIR PARTS
18 HP 44" TRACTOR - MODEL NUMBER 917,257720
KOHLER ENGINE -MODEL NUMBER MV18S, TYPE NUMBER 58560
3
17
/18
'/
5
5O

REPAIR PARTS
18 HP 44" TRACTOR =MODEL NUMBER 9! 7.257720
KOHLER ENGINE =MODEL NUMBER MV18S, TYPE NUMBER 58560
CRANKCASE CARBURETOR
KEY PART DESCRiPTiON KEY PART DESCRIPTION
NO. NO. NO. NO,
1 X-82-2 Nut, Hex 5/16-18 (12) 1 52 041 09
2 52 468 12 Washer, Flat 5/16 (12) 2 52 755 91
3 82 755 16 Kit, #1 Cylinder Barrel 3 52 164 15
4 52 016 05 4 X-21=1
5 52 031 01 5 X-6-29
6 52 316 06 6 X-75-23
7 52 755 50
8 52 072 12 7 235778
8 X-67-97
9 25 086 12
10 X-269-43
11 52 078 05
12 52 030 10
52 030 11
52 030 12
13 25 086 10
14 25 086 13
!5 52 141 02
16 52 139 08
17 25 086 11
18 52 032 10
19 82 755 17
0 - = -
(Includes Key Numbers 4 thru 6)
Valve, Exhaust
Insert, Valve Seat (2)
Guide, Valve (2)
Kit, Oil Relief
Step Stud 5/16-18 x 3/4,
3/8-16 x 5/8, 2" Long (12)
Screw, Hex Flange 5/16-18 x 2 (2)
Ring, Retaining
Shaft, Governor
Bearing, Sleeve, Standard (2)
Bearing, Sleeve .010" (2)
Bearing, Sleeve .020" (2)
Screw, Hex Flange
5/16-18 x 1-1/2 (3)
Screw, Hex Flange
3/8-16 x 3-5/8 (2)
O-Ring
Plug
Screw, Hex Flange
5/16-18 x 3-1/2 (8)
Seal, Oil, Front
Kit. #2 Cylinder Barrel
(Includes Key Numbers 4 thru 6)
Crankcase (Service with Short
Block, Part Number 82 522 30)
9 41 072 19
10 52 063 40
11 25 155 02
12 52 853 25
13 271030
14 52 053 54
15 25 041 06
16 X-77-2
17 232867
18 X-67-62
19 25 086 27
20 25 146 03
21 52 144 24
22 25 368 01
23 25 089 02
24 25 086 26
25 25 089 04
26 25 368 03
27 25 089 02
28 52 090 13
29 25 089 03
30 25 194 01
31 25 146 02
32 25 041 04
33 25 757 09
34 25 104 01
35 25 041 03
36 25 100 05
Gasket, Intake (2)
Kit, Manifold
(includes Key Numbers 3 thru 8)
Manifold, intake
Washer, Lock 5/16 (4)
Screw, Hex Cap 5/16-18 x 2 (4)
Plug, Hex, Countersunk
1/8 N.P.T.F.
Clamp, Cable (2)
Screw, Hex Washer Head
#10-24 x 3/8 (2)
Stud 5/16-18 x 1 (2)
Baffle, Carburetor
Connector, Hose
Kit, Carburetor with Gasket
(Includes Key Numbers 12 thru 14)
Gasket, Carburetor (2)
Carburetor Assembly (information
Only - Not Available Separately)
(includes Key Numbers 18 thru 35)
Gasket, Air Cleaner
Nut 5/16 (2)
Strap, Lifting
Screw, Hex Washer Head
1/4-20 x 3/4
Screw, Throttle and Choke Plate (4)
Plate, Choke
Shaft, Throttle with Lever and Sea
Needle, Idle Fuel Adjust
Spring, Idle, Fuel
Screw, Idle Speed Adjust
Spring, Idle Speed
Needle, Main Fuel
Spring, Main Fuel
Lever, Choke
Spring, Choke, Friction
Ball, Choke, Friction
Plate, Throttle
Gasket, Bowl
Kit, Float
Bowl, Fue!
Gasket, Bowl Retainer Screw
Screw, Bowl Retainer
NOT ILLUSTRATED
- - 25 757 11 Kit, Carburetor Repair
--25 757 23 Kit, Bowl Baffle
NOTE: All component dimensions given in U.S. inches
1 inch = 25.4 mm
51

REPAIR PARTS
18 HP 44" TRACTOR o MODEL NUMBER 917.257720
KOHLER ENGINE - MODEL NUMBER MV18S, TYPE NUMBER 58560
O_4
6
7
1
J
2
1
:1 4_
8
®
@-D
Q
@
--6
52

REPAIR PARTS
18HP 44" TRACTOR .. MODEL NUMBER 917.257720
KOHLER ENGINE °MODEL NUMBER MV18S, TYPE NUMBER 58560
CRANKSHAFT ELECTRIC STARTER
KEY PART DESCRiPTiON KEY PART
NO. NO. NO, NO.
1 52 014 93
2 52 468 03
52 468 04
52 468 05
DiPSTiCK
KEY PART
NO. NO.
1 52 038 14
2 X-25-44
3 52 032 14
4 41 153 01
5 52 126 11
6 52 123 20
7 47 139 01
CYLINDER HEAD
KEY PART
NO, NO,
Crankshaft
Washer, Thrust .119/.122 (A.R.)
Washer, Thrust .128/.131
Washer, Th rust .137/. 140 (A. R,)
DESCRiPTiON
Dipstick Assembly
Includes Key Numbers 2 and 3)
asher, Plain 5/16
Seal, Rubber
Q-Ring
Bracket, Oil Tube Support
Tube, Oil Fill 11-7/8
Plug, Hex, Countersunk
3/4 N.P.T.F.
DESCRiPTiON
Gasket, Head (2)
Cylinder Head (2)
Washer. Plain 5/16 (18)
Screw, Hex Head
5/16-18 x 1-1/2 (18)
1 52 04.1 20
2 52 015 08
3 220534
4 41 086 02
DESCRIPTmON
1 52 098 12
2 X-20-1
3 X-81-1
4 82 755 26
5 52 081 07
6 52 170 05
7 52 211 01
8 52 227 10
9 82 755 28
Starter Assembly
(Includes Key Numbers 4 thru 9)
Washer, Lock 1/4 (2)
Nut, Hex 1/4-20 (2)
Kit, Drive
Cap, Drive End
Armature
Bolt, Thru (2)
Cap, Commutator End
Kit, Brush
NOT ILLUSTRATED
-- 25 450 03 Tag, Caution
EXHAUST
KEY PART
NO. NO, DESCRiPTiON
1
2
3
4
52 126 12
X-25-72
52 086 11
52 041 14
Bracket
Washer, Plain (3)
Screw 1/4-20 x 5/8 (3)
Gasket, Exhaust (2)
NOTE: All component dimensions given in U.S. inches
1 inch = 25.4 mm
53

REPAIR PARTS
18 HP 44" TRACTOR- MODEL ,NUMBER 917o257720
KOHLER ENGINE oMODEL NUMBER MV18S, TYPE NUMBER 58560
iGNiTiON
4
11 _ -_14
10 --_]
9 8
FUEL PUMP
\
s \ 1
!o C
/\g
6_3
8
54

REPAIR PARTS
18 HP 44" TRACTOR - MODEL NUMBER 917.257720
KOHLER ENGINE - MODEL NUMBER MVlSS, TYPE NUMBER 58560
FLYWHEEL FUEL PUMP
KEY PART DESCRIPTION KEY PART DESCRIPTION
NO. NO. NO. NO.
1 25 162 01 Screen. Grass
2 25 086 21 Screw Hex Washer Head
1/4-20 x 5/8 (4)
3 25 112 04 Spacer (4)
4 2515701 Fan
5 25 086 24 Screw, Hex Machine 3/8-24 x 1-1/4
6 52 468 15 Washer_ Plain
7 X-286-17 Key, Square 3/16 x 7/8
8 52 025 36 Flywheel
GOVERNOR
KEY PART DESCRIPTION
NO. NO.
1 231355
2 X-25-12
3 237022
4 A-235743-S
5 52 O78 04
6 X_25-102
7 X-269-28
8 X-25-72
9 52 090 23
10 277341
11 52 158 07
12 25 086 15
13 52 089 07
14 X-81-1
15 X-25-63
16 52 186 09
17 52 211 04
18 25 141 03
19 25 158 08
20 52 079 07
21 52 O79 06
22 52 090 14
23 52 089 08
24 25 086 21
25 X-67-97
26 235778
27 25 431 01
28 X-70-3
29 52 086 05
Pin, Governor Stop
Washer, Plain 1/4
Washer, Thrust
Kit, Governor Gear
Shaft, Governor Cross
Washer, Plain 1/4 (2)
Retainer, Governor
Washer, Plain 1!4 (2)
Lever_ Speed Control
Washer, Tension
Bushing, Throttle Control Lever
Screw. Hex Washer Head
1/4-20 x 1
Spring, Governor
Nut, Hex 1/4-20
Washer, Plain 1/4
Arm, Governor
Screw, Round Head, Square Neck
1/4-20 x 1
Ring, Retaining (4)
Bushing, Linkage Retaining (4)
Linkage, Governor
Linkage, Throttle
Lever. Throttle
Spring, Torsion
Screw, Hex Washer Head
1/4-20 x 5/8
Screw. Hex Washer Head
#10-24 x 3/8 (3)
Clamp, Cable (3)
Bushing, Speed Control Lever
Nut. Hex #10-32
Screw, Hex Head #10-32 x 7/8
1 47 086 08
2 52 559 01
3 X-380-1
4 X-25-63
5 25 041 09
6 25 155 02
7 X-426-9
8 52 353 18
925 050 03
10 15 353 04
Screw, Pozidriv, Truss Head
1/4-20 x 5/8 (2)
Pump, Fuel Assembly
(Includes Key Numbers 3 thru 6)
Connector, Straight
Washer, Plain 1/4 (2)
Gasket Fuel Pump
Connector, Hose
Clamp, Hose (4)
Line, Fuel, 8"
Filter, Fuel
Line, Fuel, 11-1/2"
iGNiTION
KEY PART
NO. NO. DESCRiPTiON
25 755 03
2 X-132-5
3 236602
4 237878
5 X-67-51
6 210281
7 X-67-64
8
9
10
11
12
13
14
15
41 155 03
220297
52 3!3 02
52 132 02
52 126 08
25 086 15
52 584 02
25 086 16
Kit, Rectifier-Regulator
(Includes Key Number 2)
Screw, Hex Cap 1/4-20 x 5/8 (2)
Connector, 3 Contact
Kit, Stator (Includes Key Number 5)
Screw, Hex Cap #10-24 x 3/4 (2)
Clip (2)
Screw, Hex Washer Head
#10-32 x 7/16
Connector, 2 Contact
Grommet, Rubber
Grommet
Spark Plug (2)
Bracket, Module
Screw, Hex Washer Head
!/4-20 x 1 (2)
Module, Ignition
Screw, Hex Washer Head
1/4-20 x 7/8 (2)
NOT ILLUSTRATED
47 518 33 Lead, Violet, Rectifier-Regulator
(11", 14 Gauge, Uninsulated Push
On Tab Terminals)
52 518 !9 Lead, White, Module To Connector
(19-1/2", 14 Gauge, Insulated Push
On Tab, Uninsulated Push On Tab
Terminals)
NOTE: All component dimensions given in U.S, inches
1 inch = 25.4 mm
55

REPAIR PARTS
18 HP 44" TRACTOR -MODEL NUMBER 917.257720
KOHLER ENGINE =MODEL NUMBER MV18S, TYPE NUMBER 58560
OiL PAN _2
--3
J
CAMSHAFT AND VALVES
2
6
OiL FILTER
r__%\°
L____T_____
2
__2
7_ -6
4
56

REPAIR PARTS
18 HP 44" TRACTOR -MODEL NUMBER 917.257720
KOHLER ENGINE -MODEL NUMBER MV18S_ TYPE NUMBER 58560
OIL PAN
KEY PART DESCRIPTION
NO. NO.
1 X-67-64
2 52 050 03
3 52 199 14
4 X-702-14
5 52 054 07
6 X-75-38
7 X-75o10
8 52 086 12
9 52 032 10
OiL FILTER
KEY PART
NO. NO.
1 52 050 02
2 82 755 23
3 X_55-15
4 X-75-23
5 52 041 16
PISTON & ROD
KEY PART
NO. NO.
1 52 067 67
52 067 68
2 52 874 11
52 874 12
52 874 !3
52 874 !4
52 874 15
3 230004
4 52 108 09
52 108 10 Ring Set o010" (2)
52 108 11 Ring Set .020" (2)
52 108 12 Ring Set .030" (2)
LOW OIL PRESSURE SWITCH
Screw, Hex Washer Head KEY PART
#10-32 x 7/16 (2) NO. NO.
Filter, Oil Pickup
Oil Pan (Includes Key #4 thru 6) 1 X-75o23
Plug, Cup 1-1/16
Elbow, Street
Plug, Hex, Countersunk
1/4 N.P.T.F.
Plug, Square Head 3/8 N,P.T.F. (2) KEY PART
Screw, Hex Washer Head NO, NO.
5/16-18 x 1-1/4 (9)
Seal, Oil, Rear
DESCRIPTION
OIl Filter
Kit, Oil Filter Adaptor
(Includes Key Numbers 3 thru 5)
Screw, Hex Socket Head
5/16-18 x !-1/4 (2)
Plug, Hex, Countersunk
t/8 NP.T.F.
Gasket, Oil Filter
DESCRIPTION
Connecting Rod, Standard (2)
Connecting Rod ,010" (2)
Piston with Ring Set, Standard (2)
Piston with Ring Set .003" (2)
Piston with Ring Set .010" (2)
Piston with Ring Set .020" (2)
Piston with Ring Set .030" (2)
Retainer, Piston Pin (4)
Ring Set, Standard and .003" (2)
DESCRIPTION
Plug, Pipe 1/8 N.P.T.F.
CAMSHAFT & VALVES
DESCRIPTION
1 52 012 09
2 52 019 03
3 41 755 10
4 52 413 01
5 25 089 01
6 52 016 05
7 52 0!7 08
8 52 032 13
9 230011
Camshaft
Tappet (4)
Kit, Retainer (4)
Rotator, Exhaust Valve (2)
Spring, Valve (4)
Valve, Exhaust (2)
Valve, Intake (2)
Seal, Intake Valve Stem (2)
Retainer, intake Valve (2)
OiL PUMP
KEY PART
NO. NO. DESCRIPTION
1 X-280-25
2 52 144 05
3 52 422 01
4 52 043 05
5 52 393 09
6 52 096 03
7 X-67-64
Pin, Roll
Shaft, Oil Pump
Spacer, Shim
(As Required, Maximum of 2)
Gear, Oil Pump
Rotor Set
Cover, Oil Pump
Screw, Hex Washer Head
#10-32 x 7/16 (4)
NOT ILLUSTRATED
- - 82 522 30
- _ 52 755 94 Short Block
Gasket Set
RPM Settings: Low Speed: 1150-1650
High Speed: 3200-3400
NOTE: All component dimensions given in U.S. inches
1 inch = 25.4 mm
57

RViCE OTE
58

SUGGESTED GUIDE FOR SiGHTiNG SLOPES FOR SAFE OPERATION
SIGHTING
GUIDE _OUT 0"-
ONLY RIDE UP AND DOWN HILL,
NOT ACROSS HiLL
SIGHT AND HOLD THiS LEVEL WiTH
SKY LiNE OR TREE=
ilili_F='-_ Operate yourTroa---------v---ctor- up and down the face of slopes (not '!
iii| ,_ greater than 15 ), never across the face. Make turns gradu-
il _ ally to prevent tipping or loss of control. Exercise extreme
_iigi caution when changing direction on slopes.

A AL
MODEL NO.
917.257720
IF YOU NEED
REPAIR SERVICE
OR PARTS:
FOR REPAIR SERVICE, CALL
THIS TOLL FREE NUMBER:
1-800-4-REPAIR
(!-800-473-7247)
FOR REPLACEMENT PARTS
INFORMATION AND
ORDERING, CALL THIS
TOLL FREE NUMBER:
1-800-FON-PART
(1-80_66-7278)
®
18.0 HP IC
ELECTRIC START
44" MOWER
6 SPEED TRANS_LE
GARDEN TRACTOR
Each tractor has its own model number. Each engine has
its own model number.
The model number for your tractor will be found on the
model plate located under the seat.
The model number for your engine wil! be found on the
blower housing of the engine.
All parts listed herein may be ordered from any Sears,
Roebuck and Co. Service Center/Department and most Re-
tail Stores.
WHEN ORDERING REPAIR PARTS, ALWAYS GIVE THE
FOLLOWING iNFORMATiON:
,, PRODUCT- TRACTOR
', MODEL NUMBER - 917.257720
,, ENGINE MODEL NO. - MV18S-58556
®PART NUMBER
,, PART DESCRIPTION
Your Sears merchandise has added value when you
consider Sears has service units nationwide staffed with
Sears trained technicians.., professional technicians
specifically trained to insure that we meet our pledge to
you, we service what we sell.
140330 Rev, 1 3.04,94 Printed in U.S.A.