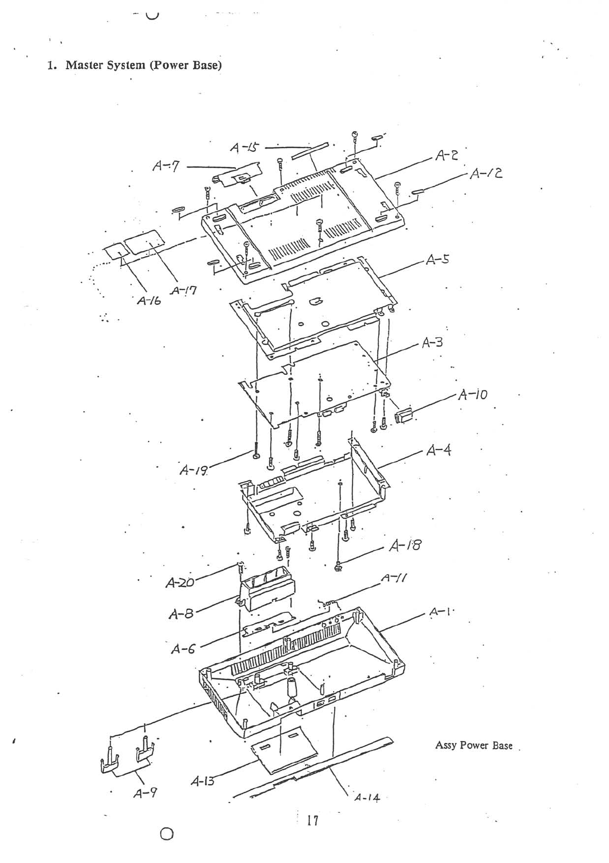
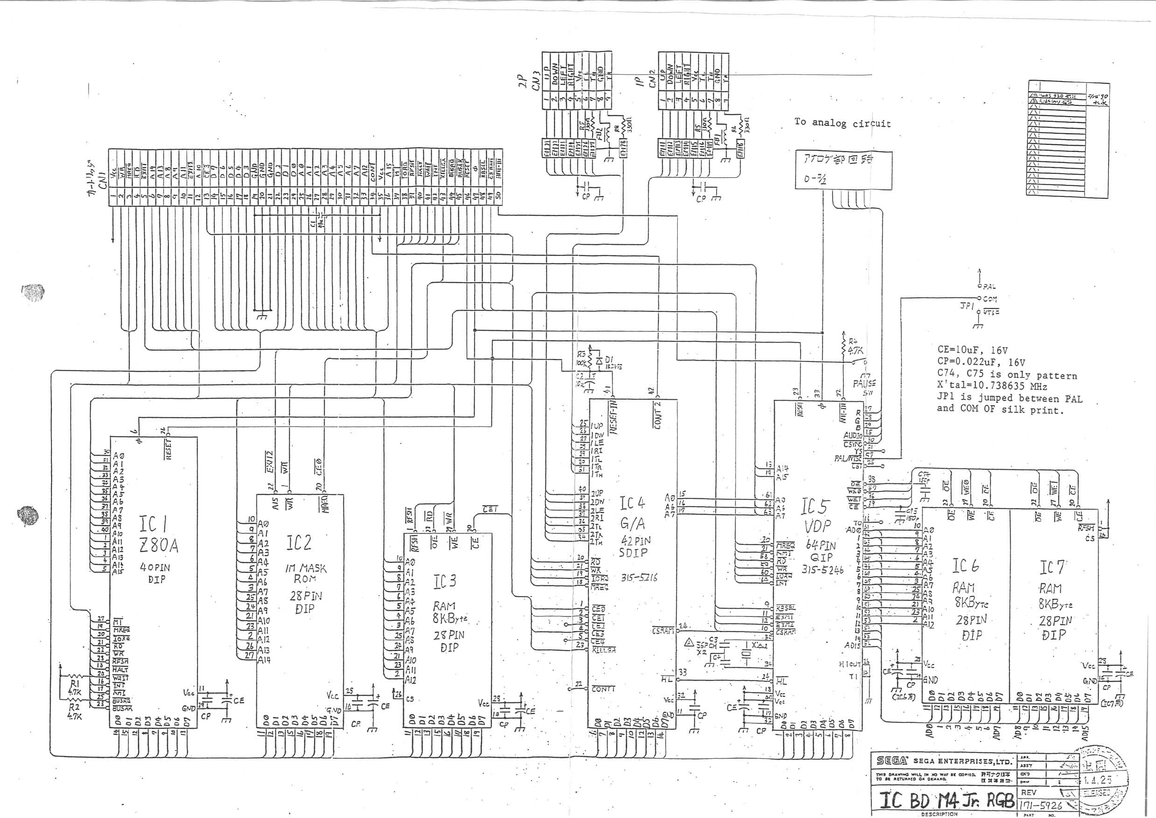
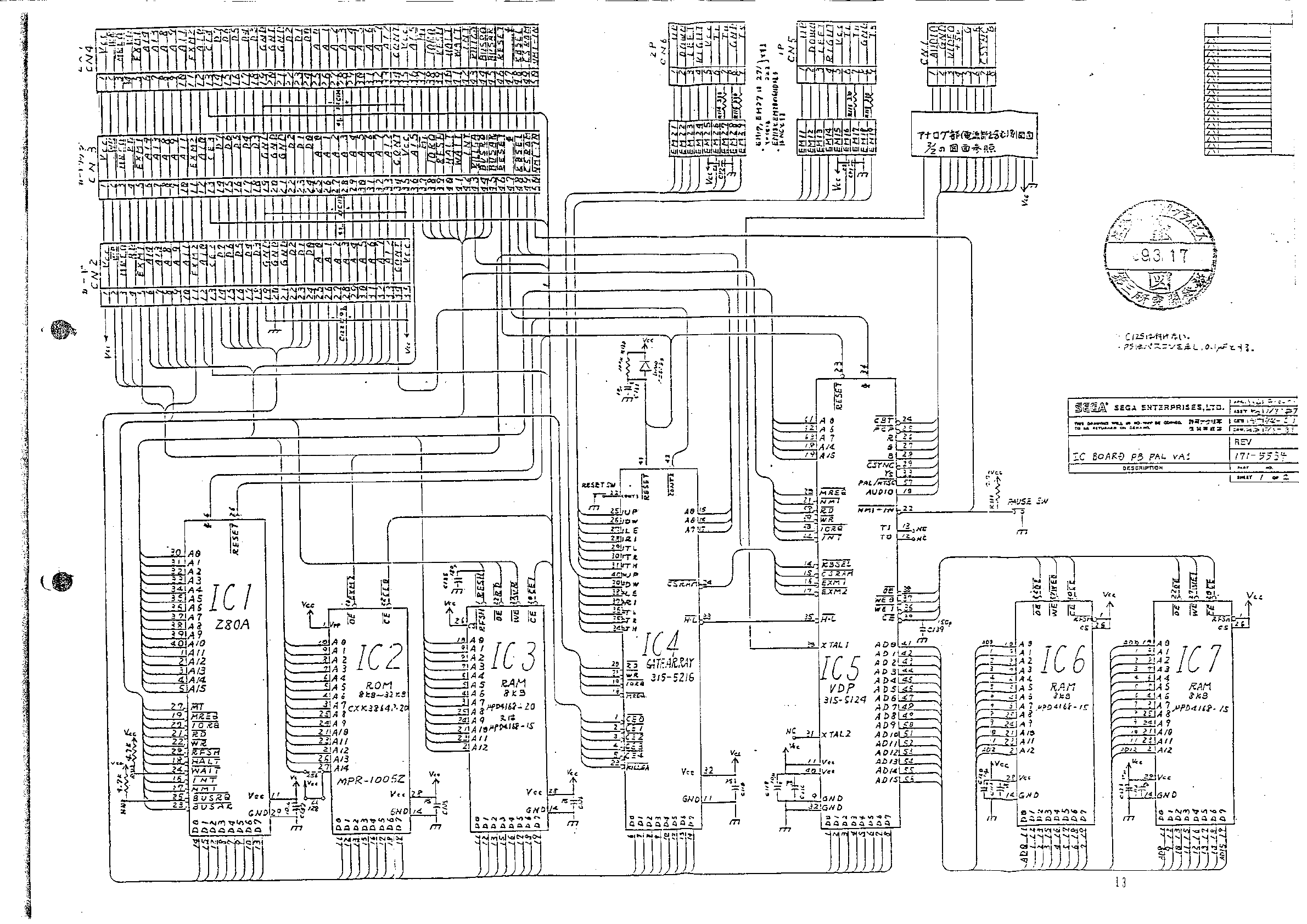
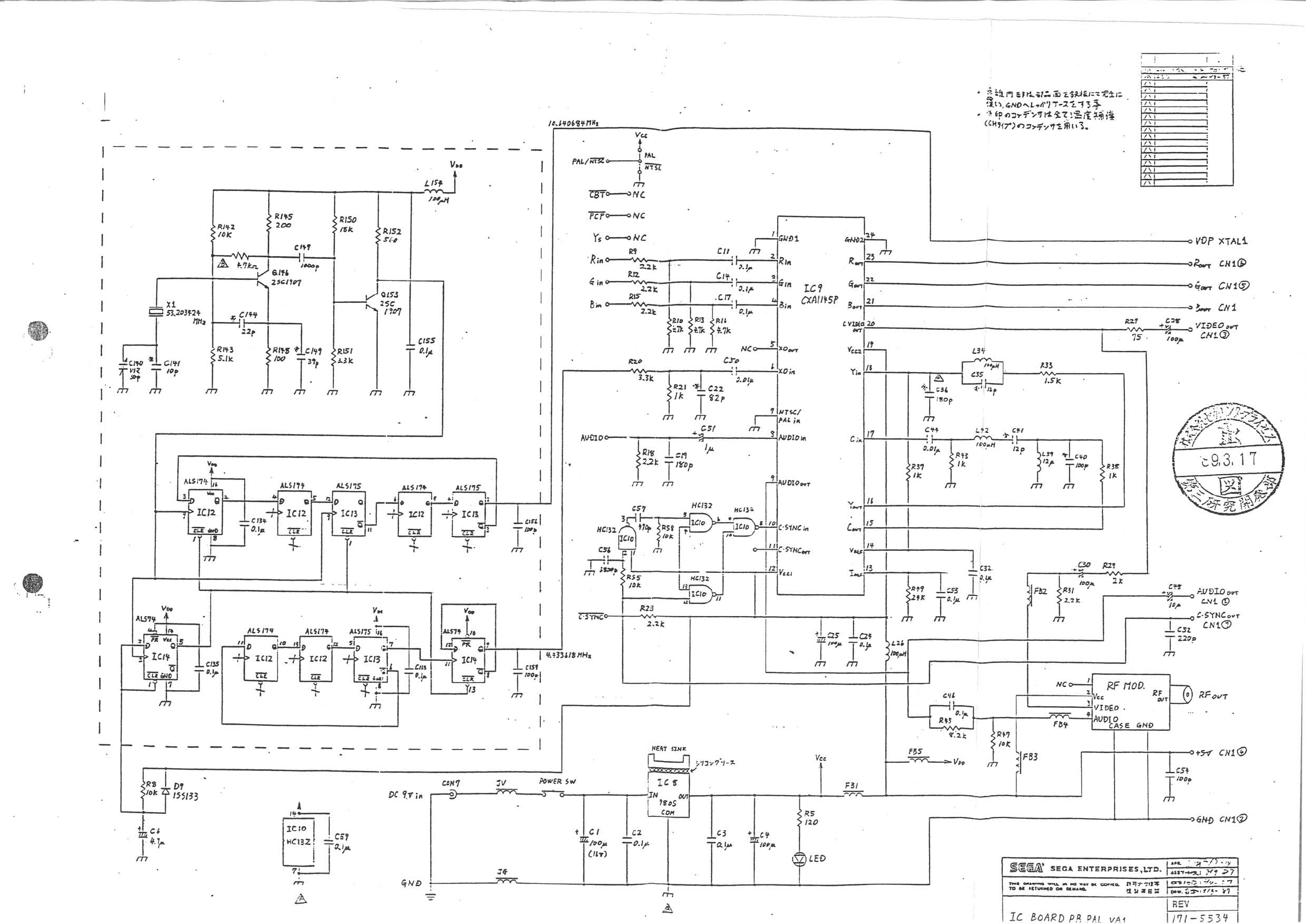
Sega Master System Service Manual
Master System - Service Manual master_system_sm_en Free User Guide for Sega Console, Manual
2015-07-27
: Sega Sega-Master-System-Service-Manual-779091 sega-master-system-service-manual-779091 sega pdf
Open the PDF directly: View PDF
.
Page Count: 33
































