Senao Networks OAP7250AG Wireless 802.11ac/b/g/n access point User Manual OAP7250AG QIG 20151007 Aimee 1019
Senao Networks, Inc. Wireless 802.11ac/b/g/n access point OAP7250AG QIG 20151007 Aimee 1019
User Manual

1
Quick Installation Guide
OAP7250AG
Wireless 450M + 1.3Gbps Long Range outdoor Dual Band Concurrent
AP
Please verify contents of the box before continuing to set up the OAP7250AG.
OAP7250AG Access Point
OAP7250AG Quick Start Guide
Mounting Bracket
PoE injector
Mounting Kit Package (includes hex cap screws, washers, wall anchors and bolts, ring clamp)
Ground Cables
Packaged Ground Screw
Power Adapter
Pole Mounting Bracket
7dBi 5GHz Omni-directional antennas
5dBi 2.4GHz Omni-directional antennas
Connect to the OAP7250AG Access Point
1. Attach and gently tighten the provided antennas to the appropriate port on the OAP7250AG
2. Attach one of the supplied Ground Cables to the Ground screw on the PoE injector.
3. Attach the wire end the Ground Cable to a safety ground.
4. Using one of the CAT5e/CAT6 Ethernet cable, connect one end of the cable to the LAN1 Port (PoE
Input) of the CAP7250AG and the other end into the AP/Bridge port on the PoE injector.
5. Connect the second CAT5e/CAT6 Ethernet cable to the Switch/Computer Ethernet port.
6. Connect the Power adapter to the DC IN port of the PoE injector and plug the other end into an
electrical outlet.

2
Note: The OAP7250AG can be powered through the LAN1 Port (PoE Input) by any PSE (Power Sourcing
Equipment) which supports IEEE802.11at (PoE+) including the provided PoE injector. With adequate input
power, the OAP7250AG can power a device connected to the LAN2 Port (PSE Output).
IP address configuration

3
1. Ensure that TCP/IP is set to On or Enable open Network Connections and then click Local Area
Connection. Select TCP/IPv4 and then click on the Properties button.
2. If your PC is already on a network, ensure that you have set it to a Static IP Address on the interface
(Example 192.168.1.10 and the Subnet Mask as 255.255.255.0)
Access the OAP7250AG
1. To configure the OAP7250AG, open a web browser and enter 192.168.1.1 in the address bar. Then hit
enter.
2. A login screen will appear. The default username and password of the OAP7250AG is admin. Please
enter the username and password and the click Login.

4
Wall Mounting the OAP7250AG
1. Make the four locations of the mounting holes on the flat mounting surface.
2. Drill a 37mm deep 8mm hole in the markings and hammer the bolts into the openings.
3. Place the lock and flat washers on the four hex cap screws and drive the screws to attach the bracket
to the back of the OAP725AG.

5
4. Tighten the flat washers to secure the bracket to the mounting surface.
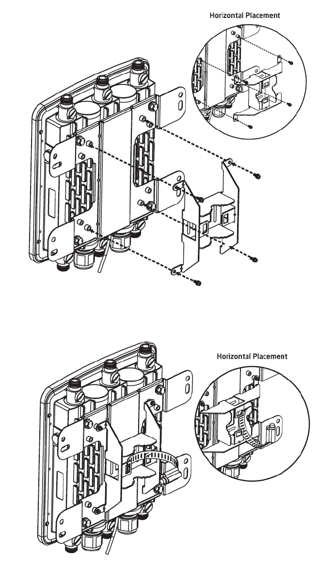
Pole Mounting the OAP7250AG
1. Place the lock and flat washers on the four hex cap screws and drive the screws to attach bracket to
the back of the OAP7250AG

6
2. Drive the four round head screws to attach the Pole Mount Bracket to the bracket.
3. Thread the open end of the Pole Strap through the two tabs on the Pole Mount Bracket.

7
4. Lock and tighten Pole Strap to secure Pole Mount Bracket to the Pole.
8
Federal Communication Commission Interference Statement
This equipment has been tested and found to comply with the limits for a Class B digital device,
pursuant to Part 15 of the FCC Rules. These limits are designed to provide reasonable
protection against harmful interference in a residential installation. This equipment generates,
uses and can radiate radio frequency energy and, if not installed and used in accordance with
the instructions, may cause harmful interference to radio communications. However, there is no
guarantee that interference will not occur in a particular installation. If this equipment does
cause harmful interference to radio or television reception, which can be determined by turning
the equipment off and on, the user is encouraged to try to correct the interference by one of the
following measures:
- Reorient or relocate the receiving antenna.
- Increase the separation between the equipment and receiver.
- Connect the equipment into an outlet on a circuit different from that
to which the receiver is connected.
- Consult the dealer or an experienced radio/TV technician for help.
FCC Caution: Any changes or modifications not expressly approved by the party responsible for
compliance could void the user's authority to operate this equipment.
This device complies with Part 15 of the FCC Rules. Operation is subject to the following two
conditions: (1) This device may not cause harmful interference, and (2) this device must accept
any interference received, including interference that may cause undesired operation.
This transmitter must not be co-located or operating in conjunction with any other antenna or
transmitter.
IMPORTANT NOTE:
FCC Radiation Exposure Statement:
This equipment complies with FCC radiation exposure limits set forth for an uncontrolled
environment. This equipment should be installed and operated with minimum distance 21cm
between the radiator & your body.
9
Professional installation instruction
1. Installation personal
This product is designed for specific application and needs to be installed by a qualified
personal who has RF and related rule knowledge. The general user shall not attempt to install
or change the setting.
2. Installation location
The product shall be installed at a location where the radiating antenna can be kept 21cm from
nearby person in normal operation condition to meet regulatory RF exposure requirement.
3. External antenna
Use only the antennas which have been approved by the applicant. The non-approved
antenna(s) may produce unwanted spurious or excessive RF transmitting power which may
lead to the violation of FCC limit and is prohibited.
4. Installation procedure
Please refer to user’s manual for the detail.
5. Warning
Please carefully select the installation position and make sure that the final output power does
not exceed the limit set force in relevant rules. The violation of the rule could lead to serious
federal penalty.