Servis Rhino Ec72 Users Manual
!! Servis-Rhino-16 Servis Lawn Mower Manuals - Lawn Mower Manuals – The Best Lawn Mower Manuals Collection
EC72 to the manual da35dd3b-98ee-46d4-968c-f949bf9f91f3
2015-02-02
: Servis-Rhino Servis-Rhino-Rhino-Ec72-Users-Manual-490811 servis-rhino-rhino-ec72-users-manual-490811 servis-rhino pdf
Open the PDF directly: View PDF
.
Page Count: 144 [warning: Documents this large are best viewed by clicking the View PDF Link!]
- EC72
- OPERATOR’S MANUAL
- To the Owner/Operator/Dealer
- TABLE OF CONTENTS
- Alamo Group Ag. Division is willing to provide
- one (1) AEM Mower Safety Practices Video
- General Safety Instructions and Practices
- Operator Safety Instructions and Practices
- Equipment Operation Safety Instructions and Practices
- Connecting or Disconnecting Implement Safety Instructions and Practices
- Transporting Safety Instructions and Practices
- Maintenance and Service Safety Instructions and Practices
- Decal Location
- SAFETY SECTION
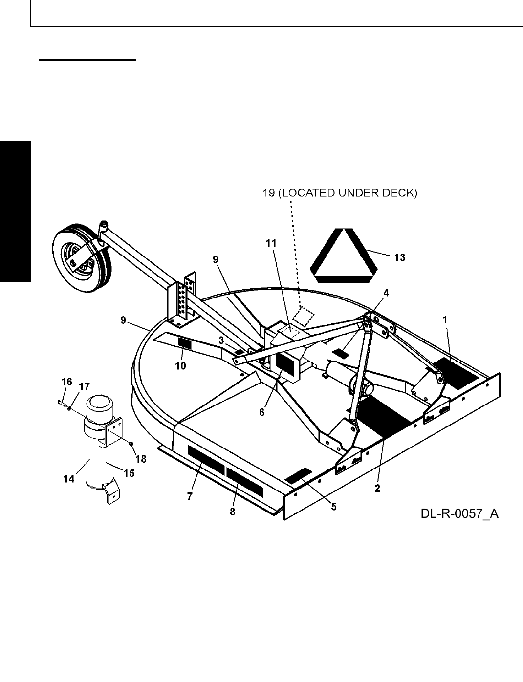
- 1. D389 1 Decal Sheet Multi Hazard
- 2. D388 1 Decal Sheet Driveline Hazards
- 3. D395 1 IMPORTANT Replace Blades in Pairs
- 4. 00776678 1 DANGER Shear Bolt Length
- 5. 00760657 1 IMPORTANT Genuine Parts
- 6. D302 2 LOGO Rhino (4x6)
- 7. D303 2 LOGO Rhino (4x16)
- 8. 00785185 2 NAME EC72
- 9. 2738332 2 REFLECT Red Reflectors
- 10. nfs 1 SERIAL PLATE Serial Number Plate
- 11. 00756004 1** DANGER Shield Missing (Not Shown)
- 12. 00756005 1** DANGER Rotating Driveline (Not Shown)
- 13. 03200347 * REFLECT SMV
- 14. 00776031 1 Canister, Operators Manual
- 15. 00779477C 1 Operator’s Manual
- 16. 10058000 3 Bolt
- 17. 00024100 3 Flatwasher
- 18. 02959924 3 Locknut
- 19. D454 1 WARNING Crushing Hazard (Decal Under Deck)
- Decal Description
- Federal Laws and Regulations
- DEALER SETUP INSTRUCTIONS
- SHIELD ASSEMBLY
- A-FRAME INSTALLATION
- 1. Attach the A-Frame Bars (1) to the right and left Hitch Lugs (2) with two Cat. 1 Hitch Pins (3), 5/8” Flatwashers (4), and Nuts (5).
- 2. Attach the Lift Strap Bars (6) to the Mainframe with two M12 x 40 Bolts (7), Flatwashers (8) and Nuts (9).
- 3. Attach the Lift Strap Bars (6) to the A-Frame Bars (1) with one Bolt (10), Top Link (11), Bushing, (12), and Nut (19).
- 4. Tighten all bolts to the proper torque.
- TAILWHEEL INSTALLATION
- 1. Align Tail Wheel Beam Weldment (1) between pivot brackets located behind gearbox mount on the Mainframe Weldment. Note: Long side of caster fork pivot tube is positioned up. Attach the Tail Wheel Beam Weldment (1) to the Mainframe Weldment with on...
- 2. Insert the Tail Wheel Assembly into the Tail Wheel Beam (1) and retain with Flatwasher (8), and Cotter Pin (8).
- 3. Tighten all Bolts to the proper torque.
- SHEAR BOLT or SLIP CLUTCH DRIVELINE INSTALLATION
- CHECK CHAINS (Extra Equipment) - FIGURE Asm-R-0279
- OFFSET ADAPTER HITCH (EXTRA EQUIPMENT)
- RHINO EC72 ROTARY MOWER
- OPERATION INSTRUCTIONS
- 1. Standard Equipment and Specifications
- 3. TRACTOR REQUIREMENTS
- Tractor Requirements and Capabilities
- 3.1 ROPS and Seat Belt
- 3.2 Tractor Safety Devices
- 3.3 Tractor Horsepower
- 4. GETTING ON AND OFF THE TRACTOR
- 5. STARTING THE TRACTOR
- 6. CONNECTING THE MOWER TO THE TRACTOR
- 6.1 Connecting Mower
- 1. Make sure the tractor is equipped with the correct PTO shaft. Change shafts if needed.
- 2. Shorten or remove the tractor drawbar to avoid interference when raising and lowering the mower.
- 3. Board the tractor and start the engine. Position the tractor to the mower with the 3-point lift arms positioned at the same height and to the outside of the mower hitch pins. Note: Set the 3-point lift control to “Position Control” so that the...
- 4. Turn off the tractor engine and dismount.
- 5. One lift arm at a time, align arm end hole between the set of A-frame lift lugs. Insert hitch pin through the lug and arm holes and insert retaining pin into hitch pin.
- 6. Walk around to opposite side and repeat procedure for remaining lift arm and hitch pin.
- 7. Extend or retract 3-point top link to align its end hole with the holes of the mower’s top link. Insert the top link hitch pin and insert retaining pin into hitch pin.
- 8. Adjust any lower link check chains, guide blocks, or sway blocks to prevent the mower from swaying side to side and possible contact with tractor rear tires.
- 6.2 Safety Chains
- 6.1 Connecting Mower
- 7. SETTING THE MOWER
- 7.1 Setting Mower Height- Lift Type - (Standard or Quick Hitch)
- 1. Park the tractor and mower on level ground.
- 2. Using the 3-point hitch control lever, position the front of the mower with the side skids 1” less off the ground than desired cut height. For example, for a 3” cut, position the skids 2” from the ground. Set the 3-point control lever stop a...
- 3. Shut down the tractor and remove the key.
- 4. Adjust the mower deck front to rear by extending or retracting the 3-point top link. Always set front of deck 3/4” lower than rear for best performance.
- 5. Level the mower side to side by manipulating one lower lift arm length. On most tractors, at least one of the lift arms is designed to allow for manipulation of its length. Shortening or extending will allow for deck leveling from side to side.
- 6. Securely block up the mower at this height.
- 7. Remove the bolts securing the tailwheel beam in position and allow the tailwheel to rest at ground level. Align tailwheel beam between nearest sets of holes in beam support brackets and reinstall support bolts on each side of beam. Tighten all bol...
- 8. Extend the tractor’s top 3-point link so that when lifting the mower, the front of the deck will raise 2 to 2½" before the tail wheel leaves the ground. This will allow the mower to follow the contour of uneven terrain.
- 7.2 Setting Deck Pitch
- 7.1 Setting Mower Height- Lift Type - (Standard or Quick Hitch)
- DRIVELINE ATTACHMENT
- 8. PRE-OPERATION INSPECTION AND SERVICE
- 9. DRIVING THE TRACTOR AND IMPLEMENT
- 14. TROUBLESHOOTING GUIDE
- Problem Possible Cause Remedy
- Check for loose nuts on TIghten if loose.
- blade holder and blades.
- Check for bent output shaft. Replace shaft if bent.
- If shaft is bent, oil will
- normally leak from bottom
- seal.
- Check to see if blades are Free blades so they swing.
- free swinging.
- Check for even wear on Weigh Blades. Weight should be within
- each blade tip. Were both 1 oz. Always replace both blades.
- blades changed at the same
- time?
- Blade Broken. Replace blades, in set.
- Blade Carrier Bent. Replace carrier.
- Blade hub not properly Remove hub, check tapered spline
- seated on shaft. clean and replace.
- New blade or bolts matched Replace blades or bolts in sets.
- with worn blade or bolts.
- Drivelines not phased correctly. Replace driveline.
- Implement & tractor yokes must
- be in line.
- Carrier RPM too low. Use correct PTO speed and check for
- correct gearbox ratio.
- Cutter not level. See Cutting Height Adjustment.
- Tractor tires mashing down grass. Reverse direction of cutting and drive
- with right tractor tire out of cutter
- overlap area. Conditions too wet to cut
- Ground speed too fast. Reduce ground speed by shifting to a
- lower gear.
- Blades locked back. Free blades.
- Blades riding up due to blade bolt Replace blade bolts.
- wear or loose bolts.
- Cutting height too high. Lower cut height as much as possible.
- Blade Bolts Working Loose Bolts not tightened. Tighten Bolts to 300 ft./lbs.
- Bolt hole elongated or oversized. Replace Blade Carrier.
- Locknut worn out. Replace Locknut.
- Rough gears. Run in or change Gears.
- Worn Bearing. Replace Bearing.
- Bent Shaft. Replace Oil Seal and Shaft.
- Oil Seal Race rough. Replace Shaft or repair Race.
- Oil Seal installed wrong. Replace Seal.
- Oil Seal not sealing in the housing. Replace Seal or use a sealant on O.D.
- of Seal.
- Oil level too high. Drain oil to proper level.
- Gasket damaged. Replace Gasket.
- Bolts loose. Tighten Bolts.
- Sand hole in casting. Replace castings or gearbox.
- Blades unable to cut that part of ground speed of tractor but keep
- grass pressed down by path of engine running at full PTO wpm.
- tractor tires. Lowering the cutting height may help.
- Dull blades. Sharpen or replace blades.
- Height of cutter lower at rear or See Cutting Height Instructions.
- front.
- Improper type lubricant. Replace with proper lubricant.
- Excessive trash build-up around Remove trash.
- gearbox.
- Bearing or gears set up improperly. Consult your Dealer.
- Excessively 540 RPM.
- Heavy Material. Reduce ground speed. Raise cutting
- height.
- Not using proper pin. Replace only with recommended shear
- pin.
- PTO engaged at high engine RPM Idle engine to engage PTO
- Cutting in rocky conditions Increase cutting height.
- Blade carrier RPM too high. Check gearbox ratios.
- Blades not properly heat treated. Consult your Dealer.
- MAINTENANCE SECTION
- Lubrication
- GEARBOX
- Problem Possible Cause Remedy
- DRIVELINE LUBRICATION
- MOWER STORAGE
- 1. Thoroughly clean the cutter.
- 2. Lubricate the cutter as covered in Maintenance Section.
- 3. Tighten all bolts and pins to the recommended torque.
- 4. Check the cutter for worn or damaged parts. Make replacements immediately.
- 5. Store the cutter in a clean, dry place with the cutter housing resting on blocks.
- 6. Use spray touch-up enamel where necessary to prevent rust and maintain the appearance of the cutter.
- TORQUE CHART
- GEARBOX SERVICING
- 1. Slide Hammer Puller
- 2. Locktite #5900
- 3. Punch - Long Drift
- 4. Needle Nose Pliers
- 5. Screw Driver
- 6. External Snap Ring Pliers
- 7. Socket Wrench
- 8. 9/16 Socket
- 9. Ball Pin Hammer
- 10. Pry Bar
- GEARBOX DISASSEMBLY
- 1. Remove 6 (16) bolts from input shaft bearing housing (13).
- 2. Tap around circumference of bearing housing (13) to loosen housing and shims. Then pull complete shaft (9) and housing assembly out of main housing. Figure Mnt-R-0247
- 3. Remove 4 bolts (18), break gasket (11 & 12) loose, and then remove the bearing retainer cap (2).
- 4. Output shaft assembly must be removed from main housing by driving or pulling shaft out bottom end.
- 5. The gearbox is now disassembled into four (4) sub-assemblies:
- 1. Input shaft assembly
- 2. Output shaft assembly
- 3. Lower bearing retainer assembly
- 4. Main housing assembly
- 1. Seal Output Shaft
- 2. Cap, Bearing Retainer (Output)
- 3. Gasket, Output, Cap
- 4. Bearing, Ball
- 5. Shaft, (Output Pinion)
- 6. Spacer, Bearing, (Output)
- 7. Snap Ring
- 8. Bearing, (Input Rear)
- 9. Shaft, (Input)
- 10. Gear, (Input)
- 11. Snap Ring
- 12. Shim, Side Housing
- 13. Housing, Side or Input
- 14. Seal, Input
- 15. Housing, main
- 16. Bolt, (3/8” x 1”)
- 17. Lockwasher (3/8”)
- 18. Bolt, (3/8” x 1-1/4)
- 19. Plug, Pipe
- 20. Plug, Pipe (1/8” Oil Level)
- INPUT SHAFT DISASSEMBLY AND ASSEMBLY (Figure Mnt-R-0212)
- 1. Remove bearing housing (Ref. #13) by holding end of shaft which does not have a cross hole or splines and tap opposite end of shaft on a solid surface. Shock force will remove housing from bearing (Ref.#4).
- 2. Remove retaining ring (Ref. #7) closest to bearing. Tap end of shaft as explained in Step 1 until bearing and gear drop off shaft.
- 3. Worn components can now be replaced and assembled in reverse order.
- 1. Install gear onto shaft as shown in Figure Mnt-R-0212. Note location of two snap ring grooves.
- 2. Install bearing on shaft.
- 3. Press oil seal flush with front side of bearing housing (See SEAL INSTALLATION RECOMMENDATION).
- 4. Lubricate ID of seal and insert shaft until bearing contacts housing. Press bearing into housing by hitting end of shaft.
- 1. Check Seal - for damage that may have occurred prior to installation. A sealing lip that is turned back, cut or otherwise damaged should be replaced.
- 2. Check Bore - to see that leading edge is deburred. A rounded corner or chamber should be provided.
- 3. Check Shaft - remove surface nicks, burrs and grooves and lubricate with a hard, fibrous grease. NOTE: Wrap plastic tape around irregular shaft surfaces such as splines to protect seal during assembly.
- 4. Use Correct Installation Tool - Always use a pipe or tube with approximate same OD as seal and press seal by striking tube.
- 1. Install slotted nut (Ref #15, Figure Mnt-R-0211) onto shaft and then tap shaft end on a solid surface to remove lower bearing and spacer.
- 2. Remove retaining ring (Ref #28) and repeat above procedure to remove upper bearing.
- 1. Assembly of output shaft is accomplished in exact reverse order. Install bearing onto shaft and press against gear. Install retaining ring (Ref. #28 Figure Mnt-R-0211).
- 2. Install spacer and lower bearing on shaft.
- 1. Remove old seal from cap and press in new seal. (See SEAL INSTALLATION RECOMMENDATIONS).
- GEARBOX INPUT SHAFT REAR BEARING
- 1. Insert output shaft assembly into main housing and press into place. NOTE: Use pipe or tube with approximate same OD. as bearing cup and press into place by striking or pressing on tube.
- 2. Prelube lower bearing.
- 3. Place lower gasket in place and then carefully slide bearing retainer cap assembly down shaft.
- 4. Install bolts and lockwashers and torque to 40-50 ft. lbs.
- 1. Assemble three shims onto input shaft housing. Insert input shaft assembly into main housing by installing shaft end into bearing in main housing. It may be necessary to rotate shaft to align gear teeth so that housing will install completely. Not...
- 2. Install washers and bolts and torque to 40-50 ft. lbs.
- 3. Gear backlash check procedure (Figure Mnt-R-0044). Install 1/2 x 3 capscrew through shear pin hole. Install flat washers to take up 1/2” space and then install nut and tighten so bolt cannot move. Clamp gearbox to something solid so it will not ...
- TO THE OWNER/OPERATOR/DEALER
- SERVIS-RHINO
- LIMITED WARRANTY
- 1. LIMITED WARRANTIES
- 1.01. Servis-Rhino warrants for one year from the purchase date to the original non-commercial, governmental, or municipal purchaser (“Purchaser”) and warrants for six months to the original commercial or industrial purchaser (“Purchaser”) th...
- 1.02. Manufacturer will replace for the Purchaser any part or parts found, upon examination at one of its factories, to be defective under normal use and service due to defects in material or workmanship.
- 1.03. This limited warranty does not apply to any part of the goods which has been subjected to improper or abnormal use, negligence, alteration, modification, or accident, damaged due to lack of maintenance or use of wrong fuel, oil, or lubricants, ...
- 1.04. Except as provided herein, no employee, agent, Dealer, or other person is authorized to give any warranties of any nature on behalf of Manufacturer.
- 2. REMEDIES AND PROCEDURES.
- 2.01. This limited warranty is not effective unless the Purchaser returns the Registration and Warranty Form to Manufacturer within 30 days of purchase.
- 2.02. Purchaser claims must be made in writing to the Authorized Dealer (“Dealer”) from whom Purchaser purchased the goods or an approved Authorized Dealer (“Dealer”) within 30 days after Purchaser learns of the facts on which the claim is based
- 2.03. Purchaser is responsible for returning the goods in question to the Dealer.
- 2.04. If after examining the goods and/or parts in question, Manufacturer finds them to be defective under normal use and service due to defects in material or workmanship, Manufacturer will:
- (a) Repair or replace the defective goods or part(s) or
- (b) Reimburse Purchaser for the cost of the part(s) and reasonable labor charges (as determined by Manufacturer) if Purchaser paid for the repair and/or replacement prior to the final determination of applicability of the warranty by Manufacturer.
- 2.05. Purchaser is responsible for any labor charges exceeding a reasonable amount as determined by Manufacturer and for returning the goods to the Dealer, whether or not the claim is approved. Purchaser is responsible for the transportation cost for...
- 3. LIMITATION OF LIABILITY.
- 3.01. MANUFACTURER DISCLAIMS ANY EXPRESS (EXCEPT AS SET FORTH HEREIN) AND IMPLIED WARRANTIES WITH RESPECT TO THE GOODS INCLUDING, BUT NOT LIMITED TO, MERCHANTABILITY AND FITNESS FOR A PARTICULAR PURPOSE.
- 3.02. MANUFACTURER MAKES NO WARRANTY AS TO THE DESIGN, CAPABILITY, CAPACITY, OR SUITABILITY FOR USE OF THE GOODS.
- 3.03. EXCEPT AS PROVIDED HEREIN, MANUFACTURER SHALL HAVE NO LIABILITY OR RESPONSIBILITY TO PURCHASER OR ANY OTHER PERSON OR ENTITY WITH RESPECT TO ANY LIABILITY, LOSS, OR DAMAGE CAUSED OR ALLEGED TO BE CAUSED DIRECTLY OR INDIRECTLY BY THE GOODS INCLU...
- 3.04. NO ACTION ARISING OUT OF ANY CLAIMED BREACH OF THIS WARRANTY OR TRANSACTIONS UNDER THIS WARRANTY MAY BE BROUGHT MORE THAN TWO (2) YEARS AFTER THE CAUSE OF ACTION HAS OCCURRED.
- 4. MISCELLANEOUS.
- 4.01. Proper Venue for any lawsuits arising from or related to this limited warranty shall be only in Guadalupe County, Texas.
- 4.02. Manufacturer may waive compliance with any of the terms of this limited warranty, but no waiver of any terms shall be deemed to be a waiver of any other term.
- 4.03. If any provision of this limited warranty shall violate any applicable law and is held to be unenforceable, then the invalidity of such provision shall not invalidate any other provisions herein.
- 4.04. Applicable law may provide rights and benefits to purchaser in addition to those provided herein.
- LIMITED WARRANTY

©2008 Alamo Group Inc.
EC72
Published 03/08 Part NO. 00779477C
OPERATOR’S MANUAL
RHINO®
1020 S. Sangamon Ave.
Gibson City, IL 60936
800-446-5158
Email: parts@servis-rhino.com
ROTARY MOWER
This Operator's Manual is an integral part of the safe operation of this machine and must
be maintained with the unit at all times. READ, UNDERSTAND, and FOLLOW the Safety
and Operation Instructions contained in this manual before operating the equipment. C01-
Cover
$0.00

To the Owner/Operator/Dealer
All implements with moving parts are potentially hazardous. There is no substitute for a cautious, safe-minded
operator who recognizes the potential hazards and follows reasonable safety practices. The manufacturer has
designed this implement to be used with all its safety equipment properly attached to minimize the chance of
accidents.
BEFORE YOU START!! Read the safety messages on the implement and shown in your manual. Observe the
rules of safety and common sense!
WARRANTY INFORMATION:
Read and understand the complete Warranty Statement found in this Manual. Fill out the Warranty Registration
Form in full and return it to within 30 Days. Make certain the Serial Number of the Machine is recorded on the
Warranty Card and on the Warranty Form that you retain
TABLE OF CONTENTS
SAFETY SECTION ........................................................................................ 1-1
General Safety Instructions and Practices........................................................................................................ 1-2
Operator Safety Instructions and Practices ...................................................................................................... 1-3
Equipment Operation Safety Instructions and Practices................................................................................... 1-5
Connecting or Disconnecting Implement Safety Instructions and Practices ................................................... 1-10
Transporting Safety Instructions and Practices .............................................................................................. 1-11
Maintenance and Service Safety Instructions and Practices .......................................................................... 1-13
Storage and Parking Safety Instructions and Practices .................................................................................. 1-15
Concluding Safety Instructions and Practices................................................................................................. 1-15
Decal Location ................................................................................................................................................ 1-16
Decal Description............................................................................................................................................ 1-18
Federal Laws and Regulations ....................................................................................................................... 1-23
INTRODUCTION SECTION ........................................................................... 2-1
ASSEMBLY SECTION................................................................................... 3-1
DEALER SETUP INSTRUCTIONS................................................................................................................... 3-2
SHIELD ASSEMBLY......................................................................................................................................... 3-2
A-FRAME INSTALLATION ............................................................................................................................... 3-3
TAILWHEEL INSTALLATION ........................................................................................................................... 3-4
SHEAR BOLT or SLIP CLUTCH DRIVELINE INSTALLATION ........................................................................ 3-5
Front Deflectors and Rear Metal Band (Standard Equipment) ........................................................................ 3-5
CHECK CHAINS (Extra Equipment) - FIGURE Asm-R-0279 ........................................................................... 3-7
OFFSET ADAPTER HITCH (EXTRA EQUIPMENT) ........................................................................................ 3-8
OPERATION SECTION ................................................................................. 4-1
Standard Equipment and Specifications ........................................................................................................... 4-3
OPERATOR REQUIREMENTS........................................................................................................................ 4-4
TRACTOR REQUIREMENTS........................................................................................................................... 4-5
ROPS and Seat Belt ......................................................................................................................................... 4-5
Tractor Safety Devices...................................................................................................................................... 4-5
Tractor Horsepower .......................................................................................................................................... 4-6
3-Point Hitch ..................................................................................................................................................... 4-6
Front End Weight .............................................................................................................................................. 4-6
Power Take Off (PTO) ...................................................................................................................................... 4-6
GETTING ON AND OFF THE TRACTOR ........................................................................................................ 4-7
Boarding the Tractor ......................................................................................................................................... 4-7
Dismounting the Tractor.................................................................................................................................... 4-8
STARTING THE TRACTOR ............................................................................................................................. 4-8
CONNECTING THE MOWER TO THE TRACTOR .......................................................................................... 4-9
Connecting Mower ............................................................................................................................................ 4-9
Safety Chains.................................................................................................................................................. 4-10
SETTING THE MOWER ................................................................................................................................. 4-10
Setting Mower Height- Lift Type - (Standard or Quick Hitch).......................................................................... 4-10
Setting Deck Pitch........................................................................................................................................... 4-11
DRIVELINE ATTACHMENT ........................................................................................................................... 4-12
Driveline Length Check................................................................................................................................... 4-12
PRE-OPERATION INSPECTION AND SERVICE.......................................................................................... 4-14
Tractor Pre-Operation Inspection/Service....................................................................................................... 4-15
Mower Pre-Operation Inspection/Service ....................................................................................................... 4-15
Cutting Component Inspection........................................................................................................................ 4-18
Blade Bolt Inspection ...................................................................................................................................... 4-20
DRIVING THE TRACTOR AND IMPLEMENT................................................................................................ 4-23
Starting the Tractor ......................................................................................................................................... 4-24
Brake and Differential Lock Setting................................................................................................................. 4-24
Raising the Mower .......................................................................................................................................... 4-25
Driving the Tractor and Mower........................................................................................................................ 4-25
Crossing Ditches and Steep Inclines .............................................................................................................. 4-26
OPERATING THE TRACTOR AND IMPLEMENT.......................................................................................... 4-27
Foreign Debris Hazards .................................................................................................................................. 4-28
Bystanders/Passersby Precautions ................................................................................................................ 4-28
Engaging the Power Take Off (PTO) .............................................................................................................. 4-29
PTO RPM and Ground Speed ........................................................................................................................ 4-30
Operating the Mower ...................................................................................................................................... 4-30
Shutting Down the Implement ......................................................................................................................... 4-33
DISCONNECTING THE MOWER FROM THE TRACTOR ............................................................................ 4-34
MOWER STORAGE ....................................................................................................................................... 4-36
TRANSPORTING THE TRACTOR AND IMPLEMENT .................................................................................. 4-36
Transporting on Public Roadways .................................................................................................................. 4-37
Hauling the Tractor and Implement................................................................................................................. 4-39
TROUBLESHOOTING GUIDE ....................................................................................................................... 4-41
MAINTENANCE SECTION ............................................................................ 5-1
Lubrication ........................................................................................................................................................ 5-2
GEARBOX ........................................................................................................................................................ 5-3
DRIVELINE LUBRICATION.............................................................................................................................. 5-4
BLADE SERVICING ......................................................................................................................................... 5-5
BLADE SHARPENING ..................................................................................................................................... 5-5
BLADE CARRIER REMOVAL/INSTALLATION ................................................................................................ 5-6
BLADE CARRIER REMOVAL .......................................................................................................................... 5-6
BLADE CARRIER INSTALLATION .................................................................................................................. 5-6
BLADE REMOVAL............................................................................................................................................ 5-7
MOWER STORAGE ......................................................................................................................................... 5-8
TORQUE CHART ............................................................................................................................................. 5-8
GEARBOX SERVICING ................................................................................................................................... 5-9
GEARBOX DISASSEMBLY............................................................................................................................ 5-10
INPUT SHAFT DISASSEMBLY AND ASSEMBLY (Figure Mnt-R-0212)........................................................ 5-11
GEARBOX INPUT SHAFT REAR BEARING.................................................................................................. 5-13

In order to reduce accidents and enhance the safe operation of mowers, Alamo Group Ag Division, in
cooperation with other industry manufacturers has developed the AEM/FEMA Industrial and Agricul-
tural Mower Safety Practices video and guide book.
The video will familiarize and instruct mower-tractor operators in safe practices when using industrial
and agricultural mowing equipment. It is important that Every Mower Operator be educated in the oper-
ation of their mowing equipment and be able to recognize the potential hazards that can occur while oper-
ating a mower. This video, along with the mower operator’s manual and the warning messages on the
mower, will significantly assist in this important education.
Your Authorized Alamo Ag Dealer may have shown this video and presented you a DVD Video when you
purchased your mower. If you or any mower operator have not seen this video, Watch the Video, Read
this Operator’s Manual, and Complete the Video Guidebook before operating your new mower. If you
do not understand any of the instructions included in the video or operator’s manual or if you have any
questions concerning safety of operation, contact your supervisor, dealer or Alamo Group Ag.
If you would like a VHS video tape of the video, please e-mail AEMVideo@alamo-group.com or Fax
AEM VHS Video at (830) 372-9529 or mail in a completed copy of the form on the back of this page to
AEM VHS Video 1502 E Walnut Street, Seguin, TX 78155. and request the VHS video version. Please
include your name, mailing address, mower model and serial number.
Every operator should be trained for each piece of equipment (Tractor and Mower), understand the
intended use, and the potential hazards before operating the equipment.

Alamo Group Ag. Division is willing to provide
one (1) AEM Mower Safety Practices Video
Please Send Me: VHS Format – AEM/FEMA Mower Operator Safety Video
DVD Format – AEM/FEMA Mower Operator Safety Video
Mower Operator’s Manual
AEM Mower Operator’s Safety Manual
Requester Name Phone:
Requester Address:
City
State
Zip Code
Mower Model: Serial Number:
Date Purchased: Dealer Salesperson:
Dealership Name: Dealership Location:
Mail to:
AEM Video Services
1502 E Walnut street
Seguin, TX 78155
Or Fax to:
(830) 372-9529
Or E-mail to:
AEMVideo@alamo-group.com

Safety Section 1-1
© 2008 Alamo Group Inc.
SAFETY SECTION

SAFETY
EC72 03/08 Safety Section 1-2
© 2006 Alamo Group Inc.
SAFETY
General Safety Instructions and Practices
A careful operator is the best operator. Safety is of primary importance to the manufacturer and should be to
the owner/operator. Most accidents can be avoided by being aware of your equipment, your surroundings, and
observing certain precautions. The first section of this manual includes a list of Safety Messages that, if
followed, will help protect the operator and bystanders from injury or death. Read and understand these Safety
Messages before assembling, operating or servicing this Implement. This equipment should only be operated
by those persons who have read the Manual, who are responsible and trained, and who know how to do so
responsibly.
The Safety Alert Symbol combined with a Signal Word, as seen below, is used throughout this
manual and on decals which are attached to the equipment. The Safety Alert Symbol means:
“ATTENTION! BECOME ALERT! YOUR SAFETY IS INVOLVED!” The Symbol and Signal Word
are intended to warn the owner/operator of impending hazards and the degree of possible injury
faced when operating this equipment.
Indicates an imminently hazardous situation that, if not avoided, WILL result in DEATH OR
VERY SERIOUS INJURY.
Indicates an imminently hazardous situation that, if not avoided, COULD result in DEATH
OR SERIOUS INJURY.
Indicates an imminently hazardous situation that, if not avoided, MAY result in MINOR
INJURY.
Identifies special instructions or procedures that, if not strictly observed, could result in
damage to, or destruction of the machine, attachments or the environment.
NOTE: Identifies points of particular interest for more efficient and convenient operation or
repair.(SG-1)
Practice all usual and customary safe working precautions and above all---remember safety is
up to YOU. Only YOU can prevent serious injury or death from unsafe practices.
READ, UNDERSTAND, and FOLLOW the following Safety Messages. Serious injury or
death may occur unless care is taken to follow the warnings and instructions stated in the
Safety Messages. Always use good common sense to avoid hazards. (SG-2)
Si no lee ingles, pida ayuda a alguien que si lo lea para que le traduzca las
medidas de seguridad. (SG-3)

SAFETY
EC72 03/08 Safety Section 1-3
© 2008 Alamo Group Inc.
SAFETY
Operator Safety Instructions and Practices
Engine Exhaust, some of its constituents, and certain vehicle components contain or emit
chemicals known to the state of California to cause cancer and birth defects or other
reproductive harm. (SG-30)
The rotating parts of this machine continue to rotate even after the PTO has been turned off.
The operator should remain in his seat for 60 seconds after the brake has been set, the
PTO disengaged, the tractor turned off, and all evidence of rotation has ceased. (S3PT-10)
“Wait a minute...Save a life!”
Never crawl under a raised Implement supported solely by the Tractor 3-Point hitch.
Release of the control lever or mechanical failure will result in the Implement falling and
possible injury or death. Always securely block up the Implement before crawling
underneath to perform repairs and service. (S3PT-19)
N
ever opera
t
e
th
e
T
rac
t
or or
I
mp
l
emen
t
un
til
you
h
ave rea
d
an
d
completely understand this Manual, the Tractor Operator’s Manual, and
each of the Safety Messages found in the Manual or on the Tractor and
Implement. Learn how to stop the tractor engine suddenly in an
emergency. Never allow inexperienced or untrained personnel to
operate the Tractor and Implement without supervision. Make sure the
operator has fully read and understood the manuals prior to operation.
(SG-4)
The operator and all support personnel should wear hard hats, safety
shoes, safety glasses, and proper hearing protection at all times for
protection from injury including injury from items that may be thrown by
the equipment. (SG-16)
PROLONGED EXPOSURE TO LOUD NOISE MAY CAUSE
PERMANENT HEARING LOSS! Tractors with or without an Implement
attached can often be noisy enough to cause permanent hearing loss.
We recommend that you always wear hearing protection if the noise in
the Operator’s position exceeds 80db. Noise over 85db over an
extended period of time will cause severe hearing loss. Noise over 90db
adjacent to the Operator over an extended period of time will cause
permanent or total hearing loss. NOTE: Hearing loss from loud noise
[from tractors, chain saws, radios, and other such sources close to the
ear] is cumulative over a lifetime without hope of natural recovery. (SG-I7)

SAFETY
EC72 03/08 Safety Section 1-4
© 2006 Alamo Group Inc.
SAFETY
Al
ways rea
d
care
f
u
ll
y an
d
comp
l
y
f
u
ll
y w
ith
th
e manu
f
ac
t
urer
’
s
instructions when handling oil, solvents, cleansers, and any other
chemical agent. (SG-22)
KEEP AWAY FROM ROTATING ELEMENTS to prevent entanglement
and possible serious injury or death. (SG-24)
Never allow children to play on or around Tractor or Implement. Children can slip or fall off
the Equipment and be injured or killed. Children can cause the Implement to shift or fall
crushing themselves or others. (SG-25)
NEVER use drugs or alcohol immediately before or while operating the
Tractor and Implement. Drugs and alcohol will affect an operator’s
alertness and coordination and therefore affect the operator’s ability to
operate the equipment safely. Before operating the Tractor or
Implement, an operator on prescription or over-the-counter medication
must consult a medical professional regarding any side effects of the
medication that would hinder their ability to operate the Equipment safely.
NEVER knowingly allow anyone to operate this equipment when their
alertness or coordination is impaired. Serious injury or death to the
operator or others could result if the operator is under the influence of
drugs or alcohol. (SG-27)
P
ro
l
onge
d
opera
ti
on may cause opera
t
or
b
ore
d
om an
d
f
a
ti
gue a
ff
ec
ti
ng sa
f
e opera
ti
on.
Take scheduled work breaks to help prevent these potentially impaired operating
conditions. Never operate the Implement and Tractor in a fatigued or bored mental state
which impairs proper and safe operation. (SG-32)
U
se ex
t
reme cau
ti
on w
h
en ge
tti
ng on
t
o
th
e
I
mp
l
emen
t
t
o per
f
orm repa
i
rs, ma
i
n
t
enance an
d
when removing accumulated material. Only stand on solid flat surfaces to ensure good
footing. Use a ladder or raised stand to access high spots which cannot be reached from
gound level. Slipping and falling can cause serious injury or death. (SG-33)
Avoid contact with hot sur
f
aces including hydraulic oil tanks, pumps, motors, valves and
hose connections. Relieve hydraulic pressure before performing maintenance or repairs.
Use gloves and eye protection when servicing hot components. Contact with a hot surface
or fluid can cause serious injury from burns or scalding. (SG-34)

SAFETY
EC72 03/08 Safety Section 1-5
© 2008 Alamo Group Inc.
SAFETY
Equipment Operation Safety Instructions and Practices
DO NOT operate this Implement on a Tractor that is not properly maintained. Should a
mechanical or Tractor control failure occur while operating, immediately shut down the
Tractor and perform repairs before resuming operation. Serious injury and possible death
could occur from not maintaining this Implement and Tractor in good operating condition.
(SG-36)
Avoid contact with hot surfaces of the engine or muffler. Use gloves and eye protection
when servicing hot components. Contact with a hot surface or fluid can cause serious injury
from burns or scalding. (SG-38)
Do not put hands or feet under mower decks. Blade Contact can result
in serious injury or even death. Stay away until all motion has stopped
and the decks are securely blocked up. (SGM-9)
Always keep a careful lookout and use extreme care when working around utility and
municipal obstructions. Never allow the Mower to contact any utility, municipal, or other
type structure. Clearly mark all mowing obstructions and consult local utility providers for
a safe code of operation. (SPU-5)
Do not operate the implement while wearing loose fitting clothing. Entanglement of th
e
clothing with the rotating elements can result in serious injury or even death. Stay clear o
f
all rotating elements at all times. (SSP-3)
Never leave the Tractor and Implement unattended while the Implement is in the lifted
position. Accidental operation of lifting lever or a hydraulic failure may cause sudden drop
of unit with injury or death by crushing. To properly park the implement when disconnecting
it from the tractor, lower the stand and put the retaining pin securely in place, or put a secure support under the
A-Frame. Lower the implement carefully to the ground. Do not put hands or feet under lifted components.
(S3PT-1)
This Implement is wider than the Tractor. Be careful when operating or transporting this
equipment to prevent the Implement from running into or striking sign posts, guard rails,
concrete abutments or other solid objects. Such an impact could cause the Implement and
Tractor to pivot violently resulting in loss of steering control, serious injury, or even death.
Never allow the Implement to contact obstacles. (S3PT-12)
B
e sure you
h
ave a
d
equa
t
e
k
now
l
e
d
ge o
f
th
e proper
t
y you w
ill
b
e wor
ki
ng on.
T
a
k
e
ti
me
t
o
make yourself aware of any area underground lines or cables. Contact with buried lines o
r
cable could result in serious injury or death. If in doubt about buried utility lines call 811
before digging or 1-800-258-0808. (SBH-6)

SAFETY
EC72 03/08 Safety Section 1-6
© 2006 Alamo Group Inc.
SAFETY
Do not operate Mower if excessive vibration exists. Shut down PTO and the Tractor
engine. Inspect the Mower to determine the source of the vibration. If Mower blades are
missing or damaged replace them immediately. Do not operate the mower until the
blades have been replaced and the Mower operates smoothly. Operating the Mower with excessive vibration
can result in component failure and broken objects to be thrown outward at very high velocities. To reduce the
possibility of property damage, serious injury, or even death, never allow the Mower to be operated with
blades missing. (SFL-4)
Operate this Equipment only with a Tractor equipped with an approved roll-
over-protective system (ROPS). Always wear seat belts. Serious injury or
even death could result from falling off the tractor--particularly during a turnover
when the operator could be pinned under the ROPS. (SG-7)
BEFORE leaving the tractor seat, always engage the brake and/or set
the tractor transmission in parking gear, disengage the PTO, stop the
engine, remove the key, and wait for all moving parts to stop. Place the
tractor shift lever into a low range or parking gear to prevent the tractor
from rolling. Never dismount a Tractor that is moving or while the engine
is running. Operate the Tractor controls from the tractor seat only. (SG-9)
Never allow children or other persons to ride on the Tractor or Implement.
Falling off can result in serious injury or death. (SG-10)
Never allow children to operate, ride on, or come close to the Tractor or
Implement. Usually, 16-17 year-old children who are mature and
responsible can operate the implement with adult supervision, if they
have read and understand the Operator’s Manuals, been trained in
proper operation of the tractor and Implement, and are physically large
enough to reach and operate the controls easily. (SG-11)
Do not mount the Tractor while the tractor is moving. Mount the Tractor
only when the Tractor and all moving parts are completely stopped. (SG-12)

SAFETY
EC72 03/08 Safety Section 1-7
© 2008 Alamo Group Inc.
SAFETY
Start tractor only when properly seated in the Tractor seat. Starting a
tractor in gear can result in injury or death. Read the Tractor operators
manual for proper starting instructions. (SG-13)
Do not operate this Equipment with hydraulic oil or fuel leaking. Oil and
fuel are explosive and their presence could present a hazard. Do not
check for leaks with your hand! High-pressure oil streams from breaks in
the line could penetrate the skin and cause tissue damage including
gangrene. To check for a hose leak, SHUT the unit ENGINE OFF and
remove all hydraulic pressure. Wear oil impenetrable gloves, safety
glasses and use Cardboard to check for evidence of oil leaks. If you
suspect a leak, REMOVE the HOSE and have it tested at a Dealer. If oil
does penetrate the skin, have the injury treated immediately by a
physician knowledgeable and skilled in this procedure. (SG-15)
Never run the Tractor engine in a closed building or without adequate ventilation. The
exhaust fumes can be hazardous to your health. (SG-23)
Do not exceed the rated PTO speed for the Implement. Excessive PTO speeds can cause
Implement driveline or blade failures resulting in serious injury or death. (SG-26)
Operate the Tractor and/or Implement controls only while properly seated in the Tractor seat
with the seat belt securely fastened around you. Inadvertent movement of the Tractor or
Implement may cause serious injury or death. (SG-29)
I
n case o
f
mec
h
an
i
ca
l
diffi
cu
lt
y
d
ur
i
ng opera
ti
on, p
l
ace
th
e
t
ransm
i
ss
i
on
i
n
th
e par
k
position, set the parking brake, shut down all power, including the PTO and the engine and
remove the key. Wait until all rotating motion has stopped before dismounting. (SG-39)
Do Not operate this equipment in areas where insects such as bees may attack you and/or
cause you to lose control of the equipment. If you must enter in such areas, use a tractor
with an enclosed Cab and close the windows to prevent insects from entering. If a tractor
cab is not available, wear suitable clothing including head, face, and hand protection to
shield you from the insects. Attacking insects can cause you to lose control of the tractor,
which can result in serious injury or death to you or bystanders. Never dismount a moving
tractor. (SG-40)

SAFETY
EC72 03/08 Safety Section 1-8
© 2006 Alamo Group Inc.
SAFETY
Mow only in conditions where you have clear visibility in daylight or with adequate artificial
lighting. Never mow in darkness or foggy conditions where you cannot clearly see at least
100 yards(90 m) in front and to the sides of the tractor and mower. Make sure that you can
clearly see and identify passersby, steep slopes, ditches, drop-offs, overhead obstructions,
power lines, debris and foreign objects. If you are unable to clearly see these type of items
discontinue mowing. (SGM-1)
There are obvious and hidden potential hazards in the operation o
f
this
Mower. REMEMBER! This machine is often operated in heavy brush
and in heavy weeds. The Blades of this Mower can throw objects if
shields are not properly installed and maintained. Serious injury or even death may occur
unless care is taken to insure the safety of the operator, bystanders, or passersby in the
area. Do not operate this machine with anyone in the immediate area. Stop mowing if
anyone is within 100 yards of mower. (SGM-2)
The rotating parts of this machine have been designed and tested for rugged use.
However, the blades could fail upon impact with heavy, solid objects such as metal guard
rails and concrete structures. Such impact could cause the broken objects to be thrown
outward at very high velocities. To reduce the possibility of property damage, serious
injury, or even death, never allow the cutting blades to contact such obstacles. (SGM-4)
E
x
t
reme care s
h
ou
ld
b
e
t
a
k
en w
h
en opera
ti
ng near
l
oose o
bj
ec
t
s suc
h
as gravel, rocks, wire, and other debris. Inspect the area before
mowing. Foreign objects should be removed from the site to prevent
machine damage and/or bodily injury or even death. Any objects that cannot be removed
must be clearly marked and carefully avoided by the operator. Stop mowing immediately if
blades strike a foreign object. Repair all damage and make certain rotor or blade carrier is
balanced before resuming mowing. (SGM-5)
M
any var
i
e
d
o
bj
ects, suc
h
as w
i
re, ca
bl
e, rope, or c
h
a
i
ns, can
b
ecome entang
l
e
d
i
n t
h
e
operating parts of the mower head. These items could then swing outside the housing at
greater velocities than the blades. Such a situation is extremely hazardous and could result
in serious injury or even death. Inspect the cutting area for such objects before mowing. Remove any like
object from the site. Never allow the cutting blades to contact such items. (SGM-6)
M
ow a
t
th
e spee
d
th
a
t
you can sa
f
e
l
y opera
t
e an
d
con
t
ro
l
th
e
t
rac
t
or an
d
mower.
Th
e
correct mowing speed depends on terrain condition and grass type, density, and height of
cut. Normal ground speed range is from 2 to 5 mph(3-8 kph). Use slow mowing speeds
when operating on or near steep slopes, ditches, drop-offs, overhead obstructions, power lines, or when
debris and foreign objects are to be avoided. (SGM-7)

SAFETY
EC72 03/08 Safety Section 1-9
© 2008 Alamo Group Inc.
SAFETY
Avoid mowing in reverse direction when possible. Check to make sure there are no
persons behind the mower and use extreme care when mowing in reverse. Mow only at a
slow ground speed where you can safely operate and control the tractor and mower.
Never mow an area that you have not inspected and removed debris or foreign material.
(SGM-8)
Do not mow with two machines in the same area except with Cab tractors with the windows
closed. (SGM-11)
Follow these guidelines to reduce the risk of equipment and grass fires
while operating, servicing, and repairing the Mower and Tractor:
-Equip the Tractor with a fire extinguisher in an accesible location.
-Do Not operate the Mower on a Tractor with an underframe exhaust.
-Do Not smoke or have an open flame near the Mower and Tractor.
-Do Not drive into burning debris or freshly burnt areas.
-Ensure slip clutches are properly adjusted to prevent excessive slippage and plate heating.
-Never allow clippings or debris to collect near drivelines, slip clutches, and gearboxes.
Periodically shut down the Tractor and Mower and clean clippings and collected debris from
the mower deck. (SGM-12)
Th
e
M
ower
i
s
d
es
i
gne
d
f
or cer
t
a
i
n mow
i
ng app
li
ca
ti
ons an
d
i
s ra
t
e
d
t
o cu
t
up
t
o a spec
ifi
c
size vegetation (see Mower Standard Equipment and Specifications). DO NOT use this
mower to cut vegetation above the Mower’s rated capacity or to cut any type of non-
vegetative material. Only operate this Mower on a properly sized and equipped Tractor. Operating this Mower
in an application for which it is not designed and/or operating the Mower with the wrong size Tractor can cause
Mower component damage and equipment failure resulting in possible serious injury or death. (SGM-14)
Do not operate or pull the mower into standing water. When uplift or fan type mower blades
contact water they can be severely deflected downward causing possible failure of blade
resulting in serious boldly injury to the operator or bystanders. (SGM-15)
Use extreme caution when raising the Mower above ground level. Stop the Blades from
turning when the Mower is raised and passersby are within 100 yards. Raising the
Mower exposes the Cutting Blades which creates a potentially serious hazard and can
cause serious injury by objects thrown from the Blades or by contact with the Blades. (SPU-1)

SAFETY
EC72 03/08 Safety Section 1-10
© 2006 Alamo Group Inc.
SAFETY
Connecting or Disconnecting Implement Safety Instructions and
Practices
Rotary Mowers are capable under adverse conditions of throwing
objects for great distances (300 feet or more) and causing serious injury
or death. Follow safety messages carefully.
STOP MOWING IF PASSERSBY ARE WITHIN 100 YARDS UNLESS:
-Front and Rear Deflectors, Chain Guards, or Bands are installed and in good, workable
condition;
-Mower sections or Wings are running close to and parallel to the ground without exposed
Blades;
-Passersby are outside the existing thrown-object zone;
-All areas have been thoroughly inspected and all foreign material such as rocks, cans,
glass, and general debris has been removed.
NOTE: Where there are grass and weeds high enough to hide debris that could be struck
by the blades, the area should be: inspected and large debris removed, mowed at an
intermediate height, inspected, closely with any remaining debris being removed, and
mowed again at desired final height. (This will also reduce power required to mow, reduce
wear and tear on the Mower drivetrain, spread cut material better, reduce streaking, and
make the final cut more uniform). (SRM-1)
Do not turn so sharp or lift mower so high to produce a severe "knocking" of the Driveline
which will cause accelerated wear and breakage of drive train components and could result
in possible injury from the separated Driveline sections. (SRM-4)
Do not let the Blades turn when the Mower Deck is raised for any
reason, including clearance or for turning. Raising the Mower deck
exposes the Cutting Blades which creates a potentially serious hazard
and could cause serious injury or even death from objects thrown from the Blades. (SRM-7)
DO NOT use a PTO adapter to attach a non-matching Implement driveline to a Tractor
PTO. Use of an adapter can double the operating speed of the Implement resulting in
excessive vibration, thrown objects, and blade and implement failure. Adapter use will also
change the working length of the driveline exposing unshielded driveline areas. Serious
bodily injury and/or equipment failure can result from using a PTO adapter. Consult an
authorized dealer for assistance if the Implement driveline does not match the Tractor PTO.
(S3PT-14)

SAFETY
EC72 03/08 Safety Section 1-11
© 2008 Alamo Group Inc.
SAFETY
Transporting Safety Instructions and Practices
Always shut the Tractor completely down, place the transmission in park, and set the
parking brake before you or anyone else attempts to connect or disconnect the Implement
and Tractor hitches. (S3PT-15)
Never operate the Tractor and Mower if the Implement input driveline is directly connected
to the Tractor transmission. Tractor braking distances can be substantially increased by
the momentum of the rotating Mower blades driving the Tractor transmission even though
the Tractor clutch has been disengaged. Install an over running clutch between the Tractor
PTO and the Mower driveline to prevent this potentially dangerous situation. (S3PT-16)
Wh
en a
tt
ac
hi
ng
th
e
I
mp
l
emen
t
i
npu
t
d
r
i
ve
li
ne
t
o
th
e
T
rac
t
or
PTO
,
it
i
s
i
mpor
t
an
t
th
a
t
th
e
connecting yoke spring activated locking collar slides freely and the locking balls are seated
securely in the groove on the Tractor PTO shaft. A driveline not attached correctly to the
Tractor PTO shaft could come loose and result in personal injury and damage to the
Implement. (S3PT-17)
Before operating the Implement, check to make sure the Implement input driveline will not
bottom out or become disengaged. Bottoming out occurs when the inner shaft penetrates
the outer housing until the assembly becomes solid-it can shorten no more. Bottoming out
can cause serious damage to the Tractor PTO by pushing the PTO into the Tractor and
through the support bearings or downward onto the PTO shaft, breaking it off. A broken
driveline can cause personal injury. (S3PT-18)
Be particularly careful when transporting the Implement with the Tractor. Turn curves or go
up hills only at a low speed and using a gradual steering angle. Rear mounted implements
move the center of gravity to the rear and remove weight from the front wheels. Make
certain, by adding front ballast, that at least 20% of the tractor’s weight is on the front wheels to prevent rearing
up, loss of steering control or Tractor tip-over. Slow down on rough or uneven surfaces to prevent loss o
f
steering control which could result in property damage or possible injury. Do not transport unless 3-Point lif
t
lever is fully raised and in the latched transport position. Dropping implement in transport can cause serious
damage to the tractor and/or Implement and possibly cause the operator or others to be injured or killed. (S3PT-2)
Allow sufficient clearance for the Implement to swing outward while turning. Implements
carried behind the Tractor will swing outside the tire path when making turns. Contacting a
solid object while turning will cause equipment damage and possible injury. (S3PT-20)
Make certain that the “Slow Moving Vehicle” (SMV) sign is installed in
such a way as to be clearly visible and legible. When transporting the
Equipment use the Tractor flashing warning lights and follow all local
traffic regulations. (SG-6)

SAFETY
EC72 03/08 Safety Section 1-12
© 2006 Alamo Group Inc.
SAFETY
Transport only at speeds where you can maintain control of the
equipment. Serious accidents and injuries can result from operating this
equipment at high speeds. Understand the Tractor and Implement and
how it handles before transporting on streets and highways. Make sure the Tractor steering
and brakes are in good condition and operate properly.
Before transporting the Tractor and Implement, determine the proper transport speeds for
you and the equipment. Make sure you abide by the following rules:
Test the tractor at a slow speed and increase the speed slowly. Apply the Brakes smoothly
to determine the stopping characteristics of the Tractor and Implement. As you increase
the speed of the Tractor the stopping distance increases. Determine the maximum
transport speed not to exceed 20 mph (30 kph) for transporting this equipment.
Test the equipment at a slow speed in turns. Increase the speed through the turn only after
you determine that the equipment can be operated at a higher speed. Use extreme care
and reduce your speed when turning sharply to prevent the tractor and implement from
turning over. Determine the maximum turning speed for you and this equipment before
operating on roads or uneven ground.
Only transport the Tractor and Implement at the speeds which allow you to properly control
the equipment.
Be aware of the operating conditions. Do not operate the Tractor with weak or faulty brakes
or worn tires. When operating down a hill or on wet or rain slick roads, the braking distance
increases: use extreme care and reduce your speed. When operating in traffic always use
the Tractor’s flashing warning lights and reduce your speed. Be aware of traffic around you
and watch out for the other guy. (SG-19)
B
e part
i
cu
l
ar
l
y care
f
u
l
w
h
en transport
i
ng t
h
e
I
mp
l
ement us
i
ng t
h
e tractor.
T
urn curves or
go up or down hills only at a low speed and at a gradual steering angle. Make certain that
at least 20% of the tractor’s weight is on the front wheels to maintain safe steerage. Slow
down on rough or uneven surfaces. (STI-1)
O
n
l
y
t
ranspor
t
th
e
I
mp
l
emen
t
b
e
hi
n
d
a proper
l
y s
i
ze
d
an
d
equ
i
ppe
d
Tractor which exceeds the weight of the Implement by at least 20%. DO
NOT transport the Implement behind a truck or other type of vehicle.
Never transport the Implement and another Implement connected in
tandem. Never transport the Implement at speeds over 20 MPH. (STI-6)
Your driving vision may be reduced or impaired by the tractor, cab, or implement. Before
driving on public roadways identify any limited vision areas, and make adjustments to your
operating position, mirrors, and the implement transport position so that you can clearly
see the area where you will be traveling, and any traffic that may approach you. Failure to
maintain adequate vision of the public roadway and traffic can result in serious injury or
even death. (STI-10)

SAFETY
EC72 03/08 Safety Section 1-13
© 2008 Alamo Group Inc.
SAFETY
Maintenance and Service Safety Instructions and Practices
Make sure the PTO shield, integral driveline shields, and input shields
are is installed when using PTO-driven equipment. Always replace any
shield if it is damaged or missing. (S3PT-8)
Relieve hydraulic pressure prior to doing any maintenance or repair work
on the Implement. Place the Implement on the ground or securely
blocked up, disengage the PTO, and turn off the tractor engine. Push
and pull the Remote Cylinder lever in and out several times prior to
starting any maintenance or repair work. (S3PT-9)
Always disconnect the main PTO Driveline from the Tractor before performing service on
the Implement. Never work on the Implement with the tractor PTO driveline connected and
running. Rotating Parts, Blades or Drivelines could turn without warning and cause
immediate entanglement, injury or death. (S3PT-11)
N
ever
i
n
t
er
f
ere w
ith
f
ac
t
ory-se
t
h
y
d
rau
li
c ca
lib
ra
ti
ons.
A
ny c
h
ange
i
n ca
lib
ra
ti
on cou
ld
cause a failure of the equipment and may result in injury. (SBH-13)
Always maintain the safety signs in good readable condition. If the safety signs are
missing, damaged, or unreadable, obtain and install replacement safety signs immediately.
(SG-5)
D
o no
t
mo
dif
y or a
lt
er
thi
s
I
mp
l
emen
t
.
D
o no
t
perm
it
anyone
t
o mo
dif
y or a
lt
er
thi
s
Implement, any of its components or any Implement function. (SG-8)
Never work under the Implement, the framework, or any lifted
component unless the Implement is securely supported or blocked up
to prevent sudden or inadvertent falling which could cause serious
injury or even death. (SG-14)
Never attempt to lubricate, adjust, or remove material from the Implement while it is in
motion or while tractor engine is running. (SG-20)

SAFETY
EC72 03/08 Safety Section 1-14
© 2006 Alamo Group Inc.
SAFETY
Periodically inspect all moving parts for wear and replace when
necessary with authorized service parts. Look for loose fasteners, worn
or broken parts, and leaky or loose fittings. Make sure all pins have
cotter pins and washers. Serious injury may occur from not maintaining
this machine in good working order. (SG-21)
Do Not fill gasoline tank while engine is running. Refuel only after engine has cooled down.
If gasoline is spilled, move machine away from the area of the spill and avoid creating any
source of ignition until the gasoline has evaporated. (SG-28)
Perform service, repairs and lubrication according to the maintenance section. Ensure the
unit is properly lubricated as specified in the lubrication schedule and all bolts and nuts are
properly torqued. Failure to properly service, repair and maintain this Implement in good
operating condition could cause component failure and possible serious injury or even
death. (SG-35)
U
se cau
ti
on an
d
wear pro
t
ec
ti
ve g
l
oves w
h
en
h
an
dli
ng s
h
arp o
bj
ec
t
s suc
h
as
bl
a
d
es,
knives, and other cutting edges. Be alert to worn component surfaces which have sharp
edges. Sharp surfaces can inflict severe laceration injuries if proper hand protection is not
worn. (SG-37)
All Safety Shields, Guards and Safety devices including (but not
limited to) - the Deflectors, Chain Guards, Steel Guards, Gearbox
Shields, PTO integral shields, and Retractable Door Shields should
be used and maintained in good working condition. All safety devices should be
inspected carefully at least daily for missing or broken components. Missing, broken,
or worn items must be replaced at once to reduce the possibility of injury or death
from thrown objects, entanglement, or blade contact. (SGM-3)
Replace bent or broken blades with new blades. NEVER ATTEMPT TO STRAIGHTEN,
WELD, OR WELD HARDFACING ON BLADES SINCE THIS WILL LIKELY CRACK OR
OTHERWISE DAMAGE THE BLADE WITH SUBSEQUENT FAILURE AND POSSIBLE
SERIOUS INJURY FROM THROWN BLADES. (SGM-10)

SAFETY
EC72 03/08 Safety Section 1-15
© 2008 Alamo Group Inc.
SAFETY
Storage and Parking Safety Instructions and Practices
Concluding Safety Instructions and Practices
PARTS INFORMATION
Rhino mowers use balanced and matched system components for blade carriers, blades, cuttershafts, knives,
knife hangers, rollers, drivetrain components, and bearings. These parts are made and tested to Rhino
specifications. Non-genuine "will fit" parts do not consistently meet these specifications. The use of “will fit”
parts may reduce mower performance, void warranties, and present a safety hazard. Use genuine Rhino
mower parts for economy and safety. (SPRM-1)
SEE YOUR RHINO DEALER
B
e sure you
h
ave a
d
equa
t
e
k
now
l
e
d
ge o
f
th
e proper
t
y you w
ill
b
e wor
ki
ng on.
T
a
k
e
ti
me
t
o
make yourself aware of any area underground lines or cables. Contact with buried lines
or cable could result in serious injury or death. (STL-1)
I
n we
t
con
diti
ons w
h
ere
th
ere
i
s a
lik
e
lih
oo
d
o
f
ma
t
er
i
a
l
co
ll
ec
ti
ng on
th
e
I
mp
l
emen
t
, ma
k
e
certain that this material is removed before traveling on public roadways. (STL-7)
To prevent tipping of Implement when stored in folded position, use carrying wheels or
adequate stands on center frame. (S3PT-6)
In a
dditi
on
t
o
th
e
d
es
i
gn an
d
con
fi
gura
ti
on o
f
thi
s
I
mp
l
emen
t
,
i
nc
l
u
di
ng
S
a
f
e
t
y
Si
gns an
d
S
a
f
e
t
y
E
qu
i
pmen
t
,
hazard control and accident prevention are dependent upon the awareness, concern, prudence, and proper
training of personnel involved in the operation, transport, maintenance, and storage of the machine. Refer
also to Safety Messages and operation instruction in each of the appropriate sections of the Tractor and
Equipment Manuals. Pay close attention to the Safety Signs affixed to the Tractor and Equipment. (SG-18)

SAFETY
EC72 03/08 Safety Section 1-16
© 2006 Alamo Group Inc.
SAFETY
Decal Location
NOTE: Rhino supplies safety decals on this product to promote safe operation. Damage to the decals may
occur while in shipping, use, or reconditioning. Rhino cares about the safety of its customers, operators, and
bystanders, and will replace the safety decals on this product in the field, free of charge (Some shipping and
handling charges may apply). Contact your Rhino dealer to order replacement decals.

SAFETY
EC72 03/08 Safety Section 1-17
© 2008 Alamo Group Inc.
SAFETY
ITEM PART NO. QTY TYPE DESCRIPTION
1. D389 1 Decal Sheet Multi Hazard
2. D388 1 Decal Sheet Driveline Hazards
3. D395 1 IMPORTANT Replace Blades in Pairs
4. 00776678 1 DANGER Shear Bolt Length
5. 00760657 1 IMPORTANT Genuine Parts
6. D302 2 LOGO Rhino (4x6)
7. D303 2 LOGO Rhino (4x16)
8. 00785185 2 NAME EC72
9. 2738332 2 REFLECT Red Reflectors
10. nfs 1 SERIAL PLATE Serial Number Plate
11. 00756004 1** DANGER Shield Missing (Not Shown)
12. 00756005 1** DANGER Rotating Driveline (Not Shown)
13. 03200347 * REFLECT SMV
14. 00776031 1 Canister, Operators Manual
15. 00779477C 1 Operator’s Manual
16. 10058000 3 Bolt
17. 00024100 3 Flatwasher
18. 02959924 3 Locknut
19. D454 1 WARNING Crushing Hazard (Decal Under Deck)
* Furnished by Tractor Manufacturer
** Furnished by Driveline Manufacturer
Decal Sheets
Name 00781352 (SAFETY)
Name 00785176 (LOGOS)

SAFETY
EC72 03/08 Safety Section 1-18
© 2006 Alamo Group Inc.
SAFETY
Decal Description
Multi Hazard Decal Sheet
P/N D389
Decal D389 consists of the following multi-hazards.

SAFETY
EC72 03/08 Safety Section 1-19
© 2008 Alamo Group Inc.
SAFETY
Driveline Hazards
P/N D388
Decal D388 consists of the following multi-hazards.

SAFETY
EC72 03/08 Safety Section 1-20
© 2006 Alamo Group Inc.
SAFETY
IMPORTANT! Always replace blades in pairs.
P/N D395
DANGER! Shear Bolt Entanglement.
P/N 00776678
For safety and to guarantee optimum product
reliability always use genuine RHINO replacement
parts.
P/N 00760657
Logo Product Name: Rhino
P/N D302

SAFETY
EC72 03/08 Safety Section 1-21
© 2008 Alamo Group Inc.
SAFETY
P/N D303
Logo Product Name: Rhino
EC72 Logo
P/N 00785185
P/N 2738332
Red Reflectors
DANGER! Guard Missing, Do Not Operate. If you
see this decal, Do Not Operate the mower until the
shield has been replaced.
P/N 00756004

SAFETY
EC72 03/08 Safety Section 1-22
© 2006 Alamo Group Inc.
SAFETY
DANGER! Rotating Driveline Keep Away, Contact
can cause death.
P/N 00756005
Slow Moving Vehicle Decal. Keep SMV reflector
clean and visible. DO NOT transport or operate
without the SMV.
Provided by Tractor Manufacturer. Replace if
missing on tractor.
P/N 03200347
Read Operator’s Manual! The operator’s manual is
located inside this canister. If the manual is
missing order one from your dealer.
P/N 00776031
WARNING! Do not store mower vertically on
shipping brackets. To avoid injury store mower lying
down.
P/N D454

SAFETY
EC72 03/08 Safety Section 1-23
© 2008 Alamo Group Inc.
SAFETY
Federal Laws and Regulations
This section is intended to explain in broad terms the concept and effect of federal laws and regulations
concerning employer and employee equipment operators. This section is not intended as a legal
interpretation of the law and should not be considered as such.
Employer-Employee Operator Regulations
U.S. Public Law 91-596 (The Williams-Steiger Occupational and Health Act of 1970) OSHA
This Act Seeks:
“...to assure so far as possible every working man and woman in the nation safe and healthful working
conditions and to preserve our human resources...”
DUTIES
Sec. 5 (a) Each employer-
(1) shall furnish to each of his employees employment and a place of employment which are free from
recognized hazards that are causing or are likely to cause death or serious physical harm to his employees;
(2) shall comply with occupational safety and health standards promulgated under this Act.
(b) Each employee shall comply with occupational safety and health standards and all rules,regulations and
orders issued pursuant to this Act which are applicable to his own actions and conduct.
OSHA Regulations
OSHA regulations state in part: “At the time of initial assignment and at least annually thereafter, the employer
shall instruct every employee in the safe operation and servicing of all equipment with which the employee is,
or will be involved.”
Employer Responsibilities:
To ensure employee safety during Tractor and Implement operation, it is the employer’s responsibility to:
1. Train the employee in the proper and safe operation of the Tractor and Implement.
2. Require that the employee read and fully understand the Tractor and Implement Operator’s manual.
3. Permit only qualified and properly trained employees to operate the Tractor and Implement.
4. Maintain the Tractor and Implement in a safe operational condition and maintain all shields and guards on the
equipment.
5. Ensure the Tractor is equipped with a functional ROPS and seat belt and require that the employee operator
securely fasten the safety belt and operate with the ROPS in the raised position at all times.
6. Forbid the employee operator to carry additional riders on the Tractor or Implement.
7. Provide the required tools to maintain the Tractor and Implement in a good safe working condition and provide the
necessary support devices to secure the equipment safely while performing repairs and service.
8. Require that the employee operator stop operation if bystanders or passerbys come within 25 feet.
Child Labor Under 16 Years of Age
Some regulations specify that no one under the age of 16 may operate power machinery. It is your
responsibility to know what these regulations are in your own area or situation. (Refer to U.S. Dept. of
Labor, Employment Standard Administration, Wage & Home Division, Child Labor Bulletin #102.)













































Introduction Section 2-1
© 2008 Alamo Group Inc.
INTRODUCTION SECTION

INTRODUCTION
EC72 03/08 Introduction Section 2-2
© 2008 Alamo Group Inc.
INTRODUCTION
This Rotary Mower is designed with care and built with quality materials by skilled workers. Proper assembly,
maintenance, and operating practices, as described in this manual, will help the owner/operator get years of
satisfactory service from the machine.
The purpose of this manual is to familiarize, instruct, and train. The Assembly Section instructs the owner/
operator in the correct assembly of the Mower using standard and optional equipment. The Parts Listing
section is designed to familiarize the owner/operator with replaceable parts on the Mower. This section
provides exploded assembly drawings of each mower component illustrating each piece and the
corresponding part number.
Careful use and timely service saves extensive repairs and costly downtime losses. The Operation and
Maintenance Sections of the manual train the owner/operator how to work the Mower correctly and attend to
appropriate maintenance. The Trouble Shooting Guide helps diagnose difficulties with mower and offers
solution to the problems.
Safety is of primary importance to the owner/operator and to the manufacturer. The first section of this manual
includes a list of Safety Messages, that, if followed, will help protect the operator and bystanders from injury or
death. Many of the Safety Messages will be repeated throughout the manual. The owner/operator/dealer
should know these Safety Messages before assembly and be aware of the hazards of operating this mower
during assembly, use, and maintenance. The Safety Alert Symbol combined with a Signal Word, as seen
below, is intended to warn the owner/operator of impending hazards and the degree of possible injury faced
when operating this machine.
The lowest level of Safety Message; warns of possible minor injury. Decals located on the
Cutter with this Signal Word are Black and Yellow.
Serious injury or possible death! Decals are Black and Orange.
Imminent death/critical injury. Decals are Red and White.

INTRODUCTION
EC72 03/08 Introduction Section 2-3
© 2008 Alamo Group Inc.
INTRODUCTION
Your RHINO EC72 mower is designed for light-duty cutting such as pasture mowing, weed and grass control,
and cutting brush up to 1" in diameter. With a reasonable amount of preventive maintenance, your Mower will
provide years of dependable service.
For Non-Agricultural use, OSHA, ASAE, SAE, and ANSI standards require the use of Chain
Guards, Deflectors, or Solid Skirts at all times. The Mower manufacturer strongly
recommends the use of Chain Guards or Rubber Deflectors for Agricultural purposes as
well, to reduce the risk of property damage, serious bodily injury, or even death from objects
thrown out by or from contact with the Cutting Blades.
At least 20% or the tractor’s weight must be on the front tires with the Mower lifted to provide
adequate traction for safe steering under good conditions. Slow down on hills, rough terrain,
and curves.
The front, rear, left, and right are determined by the normal direction of travel, the same as driving an
automobile.

INTRODUCTION
EC72 03/08 Introduction Section 2-4
© 2008 Alamo Group Inc.
INTRODUCTION
Attention Owner/Operator
BEFORE OPERATING THIS MACHINE:
1. Carefully read the Operator’s Manual, completely understand the Safety Messages and instructions, and
know how to operate correctly both the tractor and implement.
2. Fill out the Warranty Card in full. Be sure to answer all questions, including the Serial Number of the
implement. Mail within 30 days of delivery date of this implement.
NOTE: Warranties are honored only if completed “Owner Registration and Warranty” forms are received by
Alamo Group within thirty days of delivery of the implement.
3. Record the Mower Model and Serial Numbers on the Warranty page at the front of the Operator’s Manual.
Keep this as part of the permanent maintenance file for the implement.

Assembly Section 3-1
© 2008 Alamo Group Inc.
ASSEMBLY SECTION

ASSEMBLY
EC72 03/08 Assembly Section 3-2
© 2008 Alamo Group Inc.
ASSEMBLY
DEALER SETUP INSTRUCTIONS
Set up mower as received from factory with these instructions.
This mower is shipped partially assembled. Assembly will be easier if components are aligned and loosely
assembled before tightening hardware. Refer to bolt torque chart in Maintenance Section. All bolts are Grade 5
unless otherwise specified.
1. Position on flat surface.
2. Apply light oil to gear box input shaft.
SHIELD ASSEMBLY
Before installing gearbox shields, check lubricant level in gearbox. Refer to Maintenance Section - Gearbox.
Attach cotter pin and cable assembly (3) through top shield bracket (2) from outside in. Remove the bolts (4) on
the front of the gearbox housing. Align holes in the top shield bracket (2) and gearbox. Reinstall the bolts and
lockwasher (Torque to 33 ft. lbs.). Attach cotter pin (3) through top shield (1) from outside in. Attach shield (1) to
top bracket (2) and secure with flatwasher (5) and nut (6). Figure AsmP-R-0068 & 0069

ASSEMBLY
EC72 03/08 Assembly Section 3-3
© 2008 Alamo Group Inc.
ASSEMBLY
A-FRAME INSTALLATION
1. Attach the A-Frame Bars (1) to the right and left Hitch Lugs (2) with two Cat. 1 Hitch Pins (3), 5/8”
Flatwashers (4), and Nuts (5).
2. Attach the Lift Strap Bars (6) to the Mainframe with two M12 x 40 Bolts (7), Flatwashers (8) and Nuts (9).
3. Attach the Lift Strap Bars (6) to the A-Frame Bars (1) with one Bolt (10), Top Link (11), Bushing, (12), and
Nut (19).
4. Tighten all bolts to the proper torque.

ASSEMBLY
EC72 03/08 Assembly Section 3-4
© 2008 Alamo Group Inc.
ASSEMBLY
TAILWHEEL INSTALLATION
1. Align Tail Wheel Beam Weldment (1) between pivot brackets located behind gearbox mount on the
Mainframe Weldment. Note: Long side of caster fork pivot tube is positioned up. Attach the Tail Wheel
Beam Weldment (1) to the Mainframe Weldment with one Bolt (2), and Nut (3). Slide Tail Wheel Beam
Weldment (1) into Gauge Wheel Mount and retain with two Bolts, (4) Flatwasher (5), and Nuts (6).
2. Insert the Tail Wheel Assembly into the Tail Wheel Beam (1) and retain with Flatwasher (8), and Cotter Pin
(8).
3. Tighten all Bolts to the proper torque.

ASSEMBLY
EC72 03/08 Assembly Section 3-5
© 2008 Alamo Group Inc.
ASSEMBLY
SHEAR BOLT or SLIP CLUTCH DRIVELINE INSTALLATION
Attach rear driveline of U-Joint to input shaft on gearbox, install snap ring in groove on input shaft. NOTE:
Check that Snap Ring is properly seated in groove. This snap ring retains driveline when shear bolt shears.
Install Grad 2 (Only) shear bolt 1/2” x 2-3/4”. Use of a stronger shear bolt other than Grade 2, will result in
driveline failure and will void warranty. Figure AsmP-R-0043
Front Deflectors and Rear Metal Band (Standard Equipment)
Deflectors: Front Deflectors (Standard Equipment) are recommended for the average user and will provide
protection from thrown objects with proper operation under normal conditions. Deflectors must be maintained
in good repair or replaced after no more than two inches of wear off lower edge.
Front rubber-fabric Deflectors are Standard Equipment. Guard must be installed
(and maintained in good repair) except for agricultural purposes only in areas where
persons, vehicles, livestock, or other property will not be endangered by thrown
objects and where such safety equipment would prevent the mower's reasonable
performance of its assigned agricultural task. Assy02-Shielding

ASSEMBLY
EC72 03/08 Assembly Section 3-6
© 2008 Alamo Group Inc.
ASSEMBLY
Front Rubber Fabric Deflectors (Standard Equipment)
Front Deflector (Figure AsmP-R-0064)
Attach the Front Deflector to the Mower with Bolts,
Flatwashers, and Locknuts.
Rear Metal Band - Figure AsmP-R-0063
Attach Deflectors to deck using 1/2” x 1-1/4” Bolts
and Locknuts (6). r.

ASSEMBLY
EC72 03/08 Assembly Section 3-7
© 2008 Alamo Group Inc.
ASSEMBLY
CHECK CHAINS (Extra Equipment) - FIGURE Asm-R-0279
Check chains are available for attachment to front of cutter as an accessory. Check chains are used to control
cut height and especially allows cutter to always be lowered to the same preset cut height.
Drill a 11/16" hole through each lifting lug 2-1/2" below the lift pins and 5/8" from the front of the lug.
Install lower end of check chain (2) to hitch ears (4), through lower holes using bolts and lockwashers. Tighten
securely.
Install chain lugs (3) on either side of tractor top link mounting (1) using bolt or pin of required diameter and
length. Cat. I kit requires a 3/4" diameter bolt. Install top end of check chains in brackets.
Cutting height is then set by placing proper chain link in keyhole slot. Cutting height is easily adjusted by
hooking chain higher or lower in the keyhole brackets (5).
NOTE: For additional safety in transport, raise mower as high as possible without allowing the driveline to
contact the deck, and shorten the chains as much as possible to prevent inadvertent falling in transport.
1. Tractor Top Link
2. Check Chain
3. Chain Lug
4. Hitch Ears
5. Keyhole Bracket

ASSEMBLY
EC72 03/08 Assembly Section 3-8
© 2008 Alamo Group Inc.
ASSEMBLY
OFFSET ADAPTER HITCH (EXTRA EQUIPMENT)
Fasten the Offset Adapter Tube to the three-Point Lift Lugs using the hitch Pin Holes. Fasten the Adjustable
Leg to the right Lug to offset the Mower to the right. Fasten the Adjustable Leg to the left Lug to offset the
Mower to the Left. The Mower will cut cleaner behind the wheel tracks if it is offset to the left.
Install the Adapter Brace Bar to one gearbox mounting bolt. Fasten the Chain End to the Mainframe (hole in
left Stiffener). Adjust the Brace Bar so the Adapter is in a near perpendicular position.
Attach the Mower to the tractor. Attach Stabilizer Bars to prevent side sway of Mower.
Stabilizer Bars or Sway Chains must be installed and adjusted tightly. Without these bars or
chains, serious damage to the Driveline can occur, and broken parts could cause bodily
injury to the operator or bystanders. Stabilizer Bars or Sway Chains are available at most
tractor dealerships.
Raise the mower to check clearance between the Driveline and Mower Deck. Set the lift stop on the tractor to
ascertain that the Driveline does not strike the deck.

Operation Section 4-1
© 2008 Alamo Group Inc.
OPERATION SECTION

OPERATION
EC72 03/08 Operation Section 4-2
© 2008 Alamo Group Inc.
OPERATION
RHINO EC72 ROTARY MOWER
OPERATION INSTRUCTIONS
Rhino EC72 rotary mowers are manufactured with quality material by skilled workers. These mowers are
designed to cut grass, weeds, small brush and other vegetative material up to 1” diameter in areas such as
pastures, industrial areas, and roadsides. The mower is equipped with protective deflectors and/or chain
guards to prevent objects being thrown from the mower by the blades, however, no shielding is 100% effective.
All shields, guards, deflectors, and chains equipped on the unit must be maintained on the mower in good
operational condition.
It is the operator’s responsibility to be knowledgeable of all potential operating hazards and to take every
reasonable precaution to ensure oneself, others, animals, and property are not injured or damaged by the
mower, tractor, or a thrown object. Do not operate the mower if passersby, pets, livestock, or property are
directly in front or to the rear of the unit.
This section of the Operator’s Manual is designed to familiarize, instruct, and educate safe and proper mower
use to the operator. Pictures contained in this section are intended to be used as a visual aid to assist in
explaining the operation of a rotary mower and are not of a EC72 cutter. Some pictures may show shields
removed for purposes of clarity. NEVER OPERATE this implement without all shields in place and in good
operational condition. The operator must be familiar with the mower and tractor operation and all associated
safety practices before operating the mower and tractor. Proper operation of the EC72 mower, as detailed in
this manual, will help ensure years of safe and satisfactory use of the mower.
IMPORTANT: To avoid mower damage, retorque all bolts after the first 10 hours of operation. Retighten blade
carrier retaining nut on gearbox lower shaft to 350 ft. lbs.
READ AND UNDERSTAND THE ENTIRE OPERATING INSTRUCTIONS AND SAFETY SECTION OF THIS
MANUAL AND THE TRACTOR MANUAL BEFORE ATTEMPTING TO USE THE TRACTOR AND
IMPLEMENT. If you do not understand any of the instructions, contact your nearest authorized dealer for a
full explanation. Pay close attention to all safety signs and safety messages contained in this manual and
those affixed to the implement and tractor. OPS-U- 0001
READ, UNDERSTAND, and FOLLOW the following Safety Messages. Serious injury or
death may occur unless care is taken to follow the warnings and instructions stated in the
Safety Messages. Always use good common sense to avoid hazards. (SG-2)
Si no lee ingles, pida ayuda a alguien que si lo lea para que le traduzca las
medidas de seguridad. (SG-3)

OPERATION
EC72 03/08 Operation Section 4-3
© 2008 Alamo Group Inc.
OPERATION
1. Standard Equipment and Specifications
EC72
Horsepower Required 30 Min. HP
Cutting Capacity (Max.) 1”
Cutting Height 1” Min.
Safety Deflector Std. Front, Metal Band Rear
Cutting Width 72”
Overall Length 128
Weight (Approx.) 675 lbs
Hitch CAT I (lift)
Blade Carrier Pan
Blade Tip Speed (FPM) 14,930
Gearbox Rating:
540 RPM 60 HP*
Output Shaft Diameter 1-9/16”
Driveline Size Cat 3
Deck Thickness 11 Ga.
Side Skirt 6-7/8”
Transport Width 79”
*Ratings based on actual field performance.
Th
e
M
ower
i
s
d
es
i
gne
d
f
or cer
t
a
i
n mow
i
ng app
li
ca
ti
ons an
d
i
s ra
t
e
d
t
o cu
t
up
t
o a spec
ifi
c
size vegetation (see Mower Standard Equipment and Specifications). DO NOT use this
mower to cut vegetation above the Mower’s rated capacity or to cut any type of non-
vegetative material. Only operate this Mower on a properly sized and equipped Tractor. Operating this Mower
in an application for which it is not designed and/or operating the Mower with the wrong size Tractor can cause
Mower component damage and equipment failure resulting in possible serious injury or death. (SGM-14)

OPERATION
EC72 03/08 Operation Section 4-4
© 2008 Alamo Group Inc.
OPERATION
2. OPERATOR REQUIREMENTS
Safe operation of the unit is the responsibility of a qualified operator. A qualified operator has read and
understands the implement and tractor Operator’s Manuals and is experienced in implement and tractor
operation and all associated safety practices. In addition to the safety messages contained in this manual,
safety signs are affixed to the implement and tractor. If any part of the operation and safe use of this
equipment is not completely understood, consult an authorized dealer for a complete explanation.
If the operator cannot read the manuals for themselves or does not completely understand the operation of the
equipment, it is the responsibility of the supervisor to read and explain the manuals, safety practices, and
operating instructions to the operator.
Safe operation of equipment requires that the operator wear approved Personal Protective Equipment (PPE)
for the job conditions when attaching, operating, servicing, and repairing the equipment. PPE is designed to
provide operator protection and includes the following safety wear:
PERSONAL PROTECTIVE EQUIPMENT (PPE)
• Protective Eye Glasses, Goggles, or Face
Shield
•Hard Hat
• Steel Toe Safety Footwear
• Gloves
• Hearing Protection
• Close Fitting Clothing
• Respirator or Filter Mask (depends on
operating conditions) OPS-U- 0002
NEVER use drugs or alcohol immediately before or while operating the
Tractor and Implement. Drugs and alcohol will affect an operator’s
alertness and coordination and therefore affect the operator’s ability to
operate the equipment safely. Before operating the Tractor or
Implement, an operator on prescription or over-the-counter medication
must consult a medical professional regarding any side effects of the
medication that would hinder their ability to operate the Equipment safely.
NEVER knowingly allow anyone to operate this equipment when their
alertness or coordination is impaired. Serious injury or death to the
operator or others could result if the operator is under the influence of
drugs or alcohol. (SG-27)

OPERATION
EC72 03/08 Operation Section 4-5
© 2008 Alamo Group Inc.
OPERATION
3. TRACTOR REQUIREMENTS
The tractor used to operate the mower must have the power capacity to lift, pull, and operate the Power Take
Off (PTO) at the mower’s rated speed while traveling at a ground speed between 2 and 5 MPH. Operating the
mower with a tractor that does not meet the following requirements may cause tractor or mower damage and
be a potential danger to the operator and passersby.
Tractor Requirements and Capabilities
• ASABE approved Roll-Over Protective Structure (ROPS) or ROPS cab and seat belt.
• Tractor Safety Devices ..................... Slow Moving Vehicle (SMV) emblem, lighting, PTO master shield
• Tractor Horsepower:
-Minimum ..................30 HP
-Maximum ..................75 HP
• Hitch -Lift Type Mower:
- Lifting Capacity ........ 700 lbs.
- 3-Point Hitch ............CAT I
• Front End Weight ............................. As needed to maintain 20% weight on front axle
• Power Take Off................................. 540 RPM 6-spline, 1-3/6” diameter output shaft
3.1 ROPS and Seat Belt
The tractor must be equipped with a Roll-Over-Protective-Structure (ROPS) (tractor cab or roll-bar) and seat
belt to protect the operator from falling off the tractor, especially during a roll over where the driver could be
crushed and killed. Only operate the tractor with the ROPS in the raised position and seat belt fastened.
Tractor model not equipped with a ROPS and seat belt should have these life saving features installed by an
authorized dealer. OPS-U- 0003
Operate this Equipment only with a Tractor equipped with an approved roll-
over-protective system (ROPS). Always wear seat belts. Serious injury or
even death could result from falling off the tractor--particularly during a turnover
when the operator could be pinned under the ROPS. (SG-7)
3.2 Tractor Safety Devices
If transporting or operating the tractor and implement near a public roadway, the tractor must be equipped with
proper warning lighting and a Slow Moving Vehicle (SMV) emblem which are clearly visible from the rear of
the unit. Lights and a SMV emblem must be equipped directly on implements if the visibility of the tractor
warning signals are obscured.
Maintain all manufacturer equipped safety shields and guards. Always replace shields and guards that were
removed for access to connect, service, or repair the tractor or implement. Never operate the tractor PTO
with the PTO master shield missing or in the raised position. OPS-U- 0004

OPERATION
EC72 03/08 Operation Section 4-6
© 2008 Alamo Group Inc.
OPERATION
3.3 Tractor Horsepower
The power required to operate a mower is determined by the tractor PTO horsepower. For most mowing
conditions, the EC72 mower requires a tractor with at least 30 HP. Operating the mower with a tractor that
does not have adequate power may damage the tractor engine. Exceeding 75 HP may cause mower damage
by overpowering the unit in heavy cutting conditions.
3.4 3-Point Hitch
The tractor 3-point hitch must be rated to lift at least
700 lbs.
The EC72 mower is designed to be mounted on a
tractor with a CAT I 3-point hitch. Refer to the
tractor operator’s manual for the category of the
tractor being used. If the hitch does not conform to
ASAE CAT I dimensions, the mower may not fit or
raise properly. Consult an authorized dealer for
possible modification procedures to mount non-
conforming hitches.
Depending on the hitch category, certain size pins
are used to attach the mower to the tractor. CAT I
hitches require 7/8” lower and 3/4” upper diameter
hitch pins. Standard Hitch
3.5 Front End Weight
A minimum of 20% total tractor weight must be maintained on the tractor front end at all times. Front end
weight is critical to maintain steering control and to prevent the tractor from rearing up while driving. If the
front end is too light, add weight until a minimum of 20% total weight is reached on the front tires. Front
weights and weight carriers can be purchased through an authorized tractor dealership. OPS-U- 0005
3.6 Power Take Off (PTO)
This mower is designed to operate at a PTO speed of 540. Most tractors operate at either 540, or a
combination of 540 and 1000 RPM PTO speeds. The operating speed of the mower and tractor can be
determined by the number of splines on the driveline yoke and PTO output shaft. Those operating at 540
RPM will have a 6-spline shaft and those operating at 1000 RPM will have a 21-spline shaft. Note: The
mower will not operate on tractors equipped with a 1000 RPM 21-spline or 1000 RPM 20-spline, 1-3/4” shaft.
Refer to the tractor owner’s manual for instructions to change PTO speeds on models that operate at more
than one speed.
If operating an older model tractor where the tractor’s transmission and PTO utilize one master clutch, an
over-running clutch must be used between the PTO output shaft and the driveline of the mower. An
authorized tractor dealer can provide the over-running clutch and its installation if needed. OPS-R- 0066

OPERATION
EC72 03/08 Operation Section 4-7
© 2008 Alamo Group Inc.
OPERATION
DO NOT use a PTO adapter to attach a non-matching Implement driveline to a Tractor
PTO. Use of an adapter can double the operating speed of the Implement resulting in
excessive vibration, thrown objects, and blade and implement failure. Adapter use will also
change the working length of the driveline exposing unshielded driveline areas. Serious
bodily injury and/or equipment failure can result from using a PTO adapter. Consult an
authorized dealer for assistance if the Implement driveline does not match the Tractor PTO.
(S3PT-14)
Never operate the Tractor and Mower if the Implement input driveline is directly connected
to the Tractor transmission. Tractor braking distances can be substantially increased by
the momentum of the rotating Mower blades driving the Tractor transmission even though
the Tractor clutch has been disengaged. Install an over running clutch between the Tractor
PTO and the Mower driveline to prevent this potentially dangerous situation. (S3PT-16)
4. GETTING ON AND OFF THE TRACTOR
Before getting onto the tractor, the operator must read and completely understand the implement and tractor
operator manuals. If any part of either manual is not completely understood, consult an authorized dealer for
a complete explanation. OPS-U- 0007
Do not mount the Tractor while the tractor is moving. Mount the Tractor
only when the Tractor and all moving parts are completely stopped. (SG-12)
4.1 Boarding the Tractor
Use both hands and equipped handrails and steps for support when boarding the tractor. Never use control
levers for support when mounting the tractor. Seat yourself in the operator’s seat and secure the seat belt
around you.
Never allow passengers to ride on the tractor or attached equipment. Riders can easily fall off and be
seriously injured or killed from falling off and being ran over. It is the operator’s responsibility to forbid all extra
riders at all times. OPS-U- 0008
Never allow children to operate, ride on, or come close to the Tractor or
Implement. Usually, 16-17 year-old children who are mature and
responsible can operate the implement with adult supervision, if they
have read and understand the Operator’s Manuals, been trained in
proper operation of the tractor and Implement, and are physically large
enough to reach and operate the controls easily. (SG-11)

OPERATION
EC72 03/08 Operation Section 4-8
© 2008 Alamo Group Inc.
OPERATION
Never allow children or other persons to ride on the Tractor or Implement.
Falling off can result in serious injury or death. (SG-10)
4.2 Dismounting the Tractor
Before dismounting, park the tractor and implement on a reasonably level surface, apply the parking brake,
idle the engine down, disengage the PTO, and lower the implement to the ground. Shut down the tractor
engine according to the operator’s manual, remove the key, and wait for all motion to completely stop. Never
leave the seat until the tractor, its engine and all moving parts have come to a complete stop.
Use hand rails and steps when exiting the tractor. Be careful of your step and use extra caution when mud,
ice, snow or other matter has accumulated on the steps or hand rails. Use all handrails and steps for support
and never rush or jump off the tractor. OPS-U- 0009
5. STARTING THE TRACTOR
The operator must have a complete understanding of the placement, function, and operational use of all
tractor controls before starting the tractor. Review the tractor operator’s manual and consult an authorized
dealer for tractor operation instructions if needed.
Essential Tractor Controls:
• Locate the light control lever.
• Locate the engine shut off control.
• Locate the brake pedals and the clutch.
• Locate the PTO control.
• Locate the 3-point hitch control lever.
• Locate the hydraulic remote control levers.
Before starting the tractor ensure the following:
• Conduct all pre-start operation inspection and service according to the tractor operator’s manual.
• Make sure all guards, shields, and other safety devices are securely in place.
• The parking brake is on.
• The PTO control lever is disengaged.
• The 3-point hitch control lever is in the lowered position.
• The hydraulic remote control levers are in the neutral position.
• The tractor transmission levers are in park or neutral.
Refer to the tractor owner’s manual for tractor starting procedures. Only start the tractor while seated and
belted in the tractor operator’s seat. Never bypass the ignition switch by short circuiting the starter solenoid.
After the tractor engine is running, avoid accidental contact with the tractor transmission to prevent sudden
and unexpected tractor movement. OPS-U-0028
Never run the Tractor engine in a closed building or without adequate ventilation. The
exhaust fumes can be hazardous to your health. (SG-23)

OPERATION
EC72 03/08 Operation Section 4-9
© 2008 Alamo Group Inc.
OPERATION
6.1 Connecting Mower
1. Make sure the tractor is equipped with the
correct PTO shaft. Change shafts if needed.
2. Shorten or remove the tractor drawbar to avoid
interference when raising and lowering the
mower.
3. Board the tractor and start the engine. Position
the tractor to the mower with the 3-point lift
arms positioned at the same height and to the
outside of the mower hitch pins. Note: Set the
3-point lift control to “Position Control” so that
the lift arms maintain a constant height when
attaching the mower. See the tractor Operator’s
Manual for correct settings when attaching 3-
point equipment.
4. Turn off the tractor engine and dismount.
5. One lift arm at a time, align arm end hole
between the set of A-frame lift lugs. Insert hitch
pin through the lug and arm holes and insert
retaining pin into hitch pin.
6. Walk around to opposite side and repeat
procedure for remaining lift arm and hitch pin.
7. Extend or retract 3-point top link to align its end
hole with the holes of the mower’s top link.
Insert the top link hitch pin and insert retaining
pin into hitch pin.
8. Adjust any lower link check chains, guide
blocks, or sway blocks to prevent the mower
from swaying side to side and possible contact with tractor rear tires.
Start tractor only when properly seated in the Tractor seat. Starting a
tractor in gear can result in injury or death. Read the Tractor operators
manual for proper starting instructions. (SG-13)
6. CONNECTING THE MOWER TO THE TRACTOR
Use extreme caution when connecting the mower to the tractor. The mower should be securely resting at
ground level or setting on blocks. Keep hands and feet from under the mower deck and clear of pinch points
between the tractor hitch arms and mower pins. OPS-R-0001
Always shut the Tractor completely down, place the transmission in park, and set the
parking brake before you or anyone else attempts to connect or disconnect the Implement
and Tractor hitches. (S3PT-15)

OPERATION
EC72 03/08 Operation Section 4-10
© 2008 Alamo Group Inc.
OPERATION
Note: Offset Adaptor Hitches are available to position the mower to the left or right. Mowers with Offset
Adaptor hitches connect to the 3-Point hitch the same way as the mower A-frame. Mowers with Cat 1 Hitch will
be offset approximately 13” with the use of this accessory. See Offset Hitch in the Assembly Section for details
to equip the mower with this feature.
6.2 Safety Chains
When towing implements on a public roadway, use a safety chain with tensile strength equal to or greater than
the gross weight of the unit being towed. This will control the implement in the event the hitch pin is lost during
transport.
After the ends of the safety chain are attached to the implement and the tractor, make a trial run by driving the
tractor to the right and to the left to check for proper length. If necessary readjust the chain to eliminate loose or
tight chain lengths.
7.1 Setting Mower Height- Lift Type - (Standard or Quick Hitch)
1. Park the tractor and mower on level ground.
2. Using the 3-point hitch control lever, position
the front of the mower with the side skids 1”
less off the ground than desired cut height. For
example, for a 3” cut, position the skids 2” from
the ground. Set the 3-point control lever stop at
this position to maintain this height when
raising and lowering the mower.
3. Shut down the tractor and remove the key.
4. Adjust the mower deck front to rear by
extending or retracting the 3-point top link.
Always set front of deck 3/4” lower than rear for
best performance.
7. SETTING THE MOWER
Properly setting the cutting height is essential for efficient and safe operation. A properly set mower will make
a more uniform cut, distribute clippings more evenly, require minimal tractor work, and follow the contour of
uneven terrain. NOTE: Avoid very low cutting heights, striking the ground with the blades gives the most
damaging shock loads and will cause damage to the mower and drive. Blades contacting the ground may
cause objects to be thrown out from under the mower deck. Always avoid operating the mower at a height
which causes the blades to contact the ground. OPS-U- 0010
Never work under the Implement, the framework, or any lifted
component unless the Implement is securely supported or blocked up
to prevent sudden or inadvertent falling which could cause serious
injury or even death. (SG-14)

OPERATION
EC72 03/08 Operation Section 4-11
© 2008 Alamo Group Inc.
OPERATION
5. Level the mower side to side by manipulating
one lower lift arm length. On most tractors, at
least one of the lift arms is designed to allow for
manipulation of its length. Shortening or
extending will allow for deck leveling from side
to side.
6. Securely block up the mower at this height.
7. Remove the bolts securing the tailwheel beam
in position and allow the tailwheel to rest at
ground level. Align tailwheel beam between
nearest sets of holes in beam support brackets
and reinstall support bolts on each side of
beam. Tighten all bolts and nuts.
8. Extend the tractor’s top 3-point link so that
when lifting the mower, the front of the deck will
raise 2 to 2½" before the tail wheel leaves the
ground. This will allow the mower to follow the
contour of uneven terrain.
NOTE: Install optional check chains when there is a
problem with the hydraulic 3-Point lift maintaining a
set height or when a constant pre-adjusted cut
height is required. See Check Chains in the
Assembly Section for this accessory.
7.2 Setting Deck Pitch
To facilitate safe and efficient operation, the mower
should be operated with the deck approximately
3/4” LOWER IN THE FRONT THAN THE REAR.
Setting Deck Pitch-Lift and Semi-Mount Type
1. Lower the mower until the rear of the mower is
resting securely on its tail wheel.
2. Lower the 3-point lift arms further until the front
of the mower is at least 3/4” lower than the rear.
3. Place the tractor’s 3-point control lever stop at
this point to maintain the deck pitch.
OPS-R-0067

OPERATION
EC72 03/08 Operation Section 4-12
© 2008 Alamo Group Inc.
OPERATION
7.3 Driveline Length Check
When fitting the mower to the tractor, the telescoping driveline must be inspected to ensure that at its most
compressed position, the profiles do not “bottom out”, and when at its farthest extended position, there is
sufficient engagement between the profiles to operate safely. At its shortest length, there must be at least a 1”
clearance between each profile end and opposite profile universal joint. At its farthest operating extension, a
minimum profile engagement of 9” must be maintained.
DRIVELINE ATTACHMENT
The driveline yoke and tractor PTO shaft must be
dirt free and greased for attachment.
To connect the mower driveline to the tractor PTO
output shaft, twist the driveline yoke collar and align
the grooves and splines of the yoke with those of
the PTO shaft. Push the driveline yoke onto the
PTO shaft, release the locking collar, and position
the yoke until the locking collar balls are seated
onto the PTO shaft. Push and pull the driveline
back and forth several times to ensure a secure
attachment. OPS-R-0003_C
Wh
en a
tt
ac
hi
ng
th
e
I
mp
l
emen
t
i
npu
t
d
r
i
ve
li
ne
t
o
th
e
T
rac
t
or
PTO
,
it
i
s
i
mpor
t
an
t
th
a
t
th
e
connecting yoke spring activated locking collar slides freely and the locking balls are seated
securely in the groove on the Tractor PTO shaft. A driveline not attached correctly to the
Tractor PTO shaft could come loose and result in personal injury and damage to the
Implement. (S3PT-17)
Before operating the Implement, check to make sure the Implement input driveline will not
bottom out or become disengaged. Bottoming out occurs when the inner shaft penetrates
the outer housing until the assembly becomes solid-it can shorten no more. Bottoming out
can cause serious damage to the Tractor PTO by pushing the PTO into the Tractor and
through the support bearings or downward onto the PTO shaft, breaking it off. A broken
driveline can cause personal injury. (S3PT-18)

OPERATION
EC72 03/08 Operation Section 4-13
© 2008 Alamo Group Inc.
OPERATION
“Bottoming Out” Check Procedure
• Disconnect driveline from the tractor and slide
the profiles together until fully compressed.
• Place a mark on the inner shield 1/8” from the
end of the outer shield.
• Reattach the driveline to the PTO Shaft.
• Raise the mower. Drive through a typical ditch
which the unit may encounter and watch marks
on the driveline. If the distance between the
mark and the outer shield becomes less than 2”
at any point there is a potential problem
bottoming out the driveline and the driveline
should be shortened. OPS-R-0004_F
Shorten the driveline profiles as follows:
• Remove the driveline from the tractor.
• Raise and lower the mower to find the position
with the shortest distance between the tractor
PTO shaft and cutter gearbox. Shut down the
tractor and securely block the mower in this
position.
• Pull driveline apart and reattach yoke to PTO
shaft.
• Hold driveline sections parallel to one another
and measure back 1” from yoke of each shaft
and place mark on opposite section. Cut this
length off with a saw.
• Round off all sharp edges and debur.
• Thoroughly grease then reinstall the driveline.
• Recheck for proper operation.
Engagement Check Procedure
• With the driveline attached, raise and lower the mower within its operating range. Position the mower to
the point where the telescoping driveline is at its maximum extension. Completely shut down the tractor
and secure in position.
• Mark the inner driveline shield 1/8” from the end of the outer shield.
• Disconnect the driveline from the tractor and separate the two driveline halves.
• Measure the distance from the mark to the end of the inner profile. This length is the amount the driveline
profiles were engaged.
• If the engaged length is less than 9”, the shaft is considered too short and should be replaced with a longer
shaft. Consult an authorized dealer to purchase the required driveline length.
NOTE: When raising the mower, at least 1” clearance must be maintained between the driveline and the
mower deck. If necessary, place an upper lift stop on the 3-point hitch control lever to limit the height the
mower can be raised. OPS-R-0005_E

OPERATION
EC72 03/08 Operation Section 4-14
© 2008 Alamo Group Inc.
OPERATION
8. PRE-OPERATION INSPECTION AND SERVICE
Before each use, a pre-operation inspection and service of the implement and tractor must be performed.
This includes routine maintenance and scheduled lubrication, inspecting that all safety devices are equipped
and functional, and performing needed repairs. DO NOT operate the unit if the pre-operation inspection
reveals any condition affecting safe operation. Perform repairs and replacement of damaged and missing
parts as soon as noticed. By performing a thorough pre-operation inspection and service, valuable down time
and repair cost can be avoided. OPS-U-0029
Always disconnect the main PTO Driveline from the Tractor before performing service on
the Implement. Never work on the Implement with the tractor PTO driveline connected and
running. Rotating Parts, Blades or Drivelines could turn without warning and cause
immediate entanglement, injury or death. (S3PT-11)
Periodically inspect all moving parts for wear and replace when
necessary with authorized service parts. Look for loose fasteners, worn
or broken parts, and leaky or loose fittings. Make sure all pins have
cotter pins and washers. Serious injury may occur from not maintaining
this machine in good working order. (SG-21)

OPERATION
EC72 03/08 Operation Section 4-15
© 2008 Alamo Group Inc.
OPERATION
8.1 Tractor Pre-Operation Inspection/Service
Refer to the tractor operator’s manual to ensure a
complete pre-operation inspection and scheduled
service is performed according to the
manufacturers recommendations. The following
are some of the items that require daily service and
inspection:
• Tire condition/air pressure
• Wheel lug bolts
• Steering linkage
• PTO shield
• SMV sign is clean and visible
• Tractor’s lights are clean and functional
• Tractor Seat belt is in good condition
• Tractor ROPS is in good condition
• ROPS is in the raised position
• No tractor oil leaks
• Radiator free of debris
• Engine oil level and condition
• Engine coolant level and condition
• Power brake fluid level
• Power steering fluid level
• Fuel condition and level
• Sufficient lubrication at all lube points
• Air filter condition OPS-U-0030
8.2 Mower Pre-
O
peration Inspection
/S
ervice
Before each mower use, a complete inspection and service is required to ensure the mower is in a good and
safe working condition. Damaged and/or broken parts should be repaired and/or replaced immediately. To
ensure the mower is ready for operation, conduct the following. OPS-R-0007
The operator’s manual and safety signs affixed on
the unit contain important instructions on the safe
and proper use of the equipment. Maintain these
important safety features on the implement in good
condition to ensure the information is available to
the operator at all times.
• Ensure the manual canister is secured to the
equipment with the operator’s manual inside.
• Ensure all safety signs are in place and legible.
Replace missing, damaged, and illegible
decals. OPS-U- 0011

OPERATION
EC72 03/08 Operation Section 4-16
© 2008 Alamo Group Inc.
OPERATION
• Perform scheduled lubrication as detailed in
the maintenance section.
• Ensure all decals are in place and legible.
• Ensure the driveline is securely attached to
tractor. Make sure the driveline yoke locking
collar is securely seated in the grooves of the
PTO shaft by pushing and pulling the yoke
several times.
• Lift Type-Inspect that the 3-point hitch pins are
the proper size, correctly installed, and secured
to the tractor lift arms with retaining pins
inserted.
• Pull Type-Inspect that the hitch pin is the
correct size. OPS-R-0008_E
• Ensure deflectors are in position and not
damaged. Replace worn, broken, and missing
pieces. OPS-R-0068_A
All Safety Shields, Guards and Safety devices including (but not
limited to) - the Deflectors, Chain Guards, Steel Guards, Gearbox
Shields, PTO integral shields, and Retractable Door Shields should
be used and maintained in good working condition. All safety devices should be
inspected carefully at least daily for missing or broken components. Missing, broken,
or worn items must be replaced at once to reduce the possibility of injury or death
from thrown objects, entanglement, or blade contact. (SGM-3)

OPERATION
EC72 03/08 Operation Section 4-17
© 2008 Alamo Group Inc.
OPERATION
• Lift Type-Ensure the tailwheel beam position
support bolts are properly installed and
tightened.
• Inspect all bolts and screws and tighten to the
recommended torque. OPS-R-0039_E
• Ensure the tractor PTO master shield and the
mower slip clutch shield are in place, lowered,
and in good condition.
• Ensure the driveline integral shield is in good
condition and rotates freely.
• Ensure the driveline slip clutch (if equipped) is
properly adjusted. OPS-R-0039
• Inspect the gearbox oil level. A low oil level is a
warning sign that the gearbox may be cracked
or its seal is damaged and needs replacement.
• Ensure the gearbox vent is in place and free
from clogs. OPS-R-0040

OPERATION
EC72 03/08 Operation Section 4-18
© 2008 Alamo Group Inc.
OPERATION
• Inspect blades and blade bolts for looseness
and excessive wear. Make sure the mower is
securely blocked up before crawling beneath.
Replace damaged, worn and missing blades as
complete sets to maintain rotary balance during
operation.
• Ensure carrier hub nut is tightened with the
cotter pin inserted and spread. OPS-R-0041
8.3
C
utting
C
omponent Inspection
Inspect blade pan and blade assembly for the following:
OPS-U-0031

OPERATION
EC72 03/08 Operation Section 4-19
© 2008 Alamo Group Inc.
OPERATION
Inspect the Blades daily for abnormal wear. REPLACE BOTH BLADES on that carrier
IMMEDIATELY if either blade has:
• Become bent or deformed from it’s original shape or
• Any cracks are visible, or
• Deep gouges in the blade’s surface are persent, or
• Gouges or chipped areas in the cutting edge are larger than 1/2”(12.7mm), or
• The material on the leading edge has been worn away by more than 1/2(12.7mm)”
Failure to replace abnormally worn blades may lead to catastrophic failure of the blades and ejection of the
broken part with tremendous force which may cause serious bodily injury or death. OPS-U-0032

OPERATION
EC72 03/08 Operation Section 4-20
© 2008 Alamo Group Inc.
OPERATION
8.4 Blade Bolt Inspection
Inspect Blade Bolt Head daily for wear as followed:
Inspect the Blade Bolt Heads daily for abnormal wear. REPLACE BOTH BLADE BOLTS on
the Blades IMMEDIATELY if either blade bolts has:
• Visible cracks or
• If the blade bolt crown is worn off or
• If Blade Bolt has gouges or chipped areas.
Failure to replace abnormally worn blade bolts may lead to catastrophic failure of the blades and ejection of
the broken part which may cause serious bodily injury or death.
Always replace Blade Bolts with new bolts whenever replacing the Blades. OPS-U-0037

OPERATION
EC72 03/08 Operation Section 4-21
© 2008 Alamo Group Inc.
OPERATION
Tractor PRE-OPERATION Inspection
Mower ID#________________ Make ____________________
Date: ________________ Shift ____________________
Before conducting the inspection, make sure the tractor engine is off, all
rotation has stopped and the tractor is in park with the parking brake
engaged. Make sure the mower is resting on the ground or securely blocked
up and all hydraulic pressure has been relieved.
Operator’s Signature:
Item Condition at
Start of Shift
Specific Comments if
not O.K.
The flashing lights function properly
The SMV Sign is clean and visible
The tires are in good condition with proper pressure
The wheel lug bolts are tight
The tractor brakes are in good condition
The steering linkage is in good condition
There are no visible oil leaks
The hydraulic controls function properly
The ROPS or ROBS Cab is in good condition
The seatbelt is in place and in good condition
The 3-point hitch is in good condition
The drawbar pins are securely in place
The PTO master shield is in place
The engine oil level is full
The brake fluid level is full
The power steering fluid level is full
The fuel level is adequate
The engine coolant fluid level is full
The radiator is free of debris
The air filter is in good condition
DO NOT OPERATE an UNSAFE TRACTOR or MOWER

OPERATION
EC72 03/08 Operation Section 4-22
© 2008 Alamo Group Inc.
OPERATION
Rotary Mower PRE-OPERATION Inspection
Mower ID#________________ Make ____________________
Date: ________________ Shift ____________________
Before conducting the inspection, make sure the tractor engine is off, all
rotation has stopped and the tractor is in park with the parking brake
engaged. Make sure the mower is resting on the ground or securely blocked
up and all hydraulic pressure has been relieved.
Operator’s Signature:
Item Condition at
Start of Shift
Specific Comments if
not O.K.
The Operator’s Manual is in the canister on the mower
All safety decals are in place and legible
The tongue/hitch connection bolts & pins are tight
There are no cracks in tongue or hitch
The tow chain is secured to the tractor & mower
The hydraulic cylinders pins are tight
There are no leaking or damaged hoses
The mower deck is clear of cut grass and debris
Chain guards/deflectors are in place & in good condition
Driveline/gearbox shields are in good condition
Driveline clutches are in good condition; not frozen
Driveline telescoping members & U-joints are lubricated
Driveline yokes are securely attached to PTO & mower
Gearbox mounting bolts are tight
Gearbox oil is at the proper level
Blade carrier retaining nut is tight
Blades are not chipped, cracked or bent
Blade bolts are tight
Wheel lug nuts are tight
Transport locks are in good condition
DO NOT OPERATE an UNSAFE TRACTOR or MOWER

OPERATION
EC72 03/08 Operation Section 4-23
© 2008 Alamo Group Inc.
OPERATION
9. DRIVING THE TRACTOR AND IMPLEMENT
Safe tractor transport requires the operator possess a thorough knowledge of the model being operated and
precautions to take while driving with an attached implement. Ensure the tractor has the capacity to handle the
weight of the implement and the tractor operating controls are set for safe transport. To ensure safety while
driving the tractor with an attached implement, review the following. OPS-U- 0012
Never run the Tractor engine in a closed building or without adequate ventilation. The
exhaust fumes can be hazardous to your health. (SG-23)
Transport only at speeds where you can maintain control of the
equipment. Serious accidents and injuries can result from operating this
equipment at high speeds. Understand the Tractor and Implement and
how it handles before transporting on streets and highways. Make sure the Tractor steering
and brakes are in good condition and operate properly.
Before transporting the Tractor and Implement, determine the proper transport speeds for
you and the equipment. Make sure you abide by the following rules:
Test the tractor at a slow speed and increase the speed slowly. Apply the Brakes smoothly
to determine the stopping characteristics of the Tractor and Implement. As you increase
the speed of the Tractor the stopping distance increases. Determine the maximum
transport speed not to exceed 20 mph (30 kph) for transporting this equipment.
Test the equipment at a slow speed in turns. Increase the speed through the turn only after
you determine that the equipment can be operated at a higher speed. Use extreme care
and reduce your speed when turning sharply to prevent the tractor and implement from
turning over. Determine the maximum turning speed for you and this equipment before
operating on roads or uneven ground.
Only transport the Tractor and Implement at the speeds which allow you to properly control
the equipment.
Be aware of the operating conditions. Do not operate the Tractor with weak or faulty brakes
or worn tires. When operating down a hill or on wet or rain slick roads, the braking distance
increases: use extreme care and reduce your speed. When operating in traffic always use
the Tractor’s flashing warning lights and reduce your speed. Be aware of traffic around you
and watch out for the other guy. (SG-19)

OPERATION
EC72 03/08 Operation Section 4-24
© 2008 Alamo Group Inc.
OPERATION
9.1 Starting the Tractor
The procedure to start the tractor is model specific.
Refer to the tractor operator’s manual for starting
procedures for your particular tractor. Consult an
authorized dealer if the starting procedure is
unclear. Ensure the 3-point control lever is in the
lowered position and the PTO is disengaged before
starting the tractor. OPS-U-0033
9.2 Brake and Differential Lock Setting
Make sure the tractor brakes are in good
operating condition. Tractor brakes can be set to
operate independently allowing single rear wheel
braking action or locked together to provide
simultaneous rear wheel braking. FOR MOST
DRIVING AND OPERATING CONDITIONS, THE
BRAKE PEDALS SHOULD BE LOCKED
TOGETHER TO PROVIDE THE MOST
EFFECTIVE BRAKING ACTION.
Always disengage the tractor differential lock
when turning. When engaged the differential lock
will prevent or limit the tractor from turning. During
normal cutting conditions, locking the differential
provides no benefit and should not be used.
OPS-U- 0013
Be aware of the operating conditions. Do not operate the Tractor with weak or faulty brakes.
When operating down a hill or on wet or rain slick roads, the braking distance increases; use
extreme care and reduce your speed in these conditions. When operating in traffic, always
use the Tractor’s flashing warning lights and reduce your speed. Be aware of traffic around
you and watch out for the other guy.

OPERATION
EC72 03/08 Operation Section 4-25
© 2008 Alamo Group Inc.
OPERATION
9.3 Raising the Mower
Using the tractor 3-point hitch control lever, raise
the mower off the ground about 6”, or just high
enough to clear any ground obstacles. When
raising the mower, make sure all connection points
are securely attached and at least 1” clearance is
maintained between the driveline and the deck. If
necessary, place an upper lift stop on the 3-point
hitch control lever to limit the height the mower can
be raised to avoid driveline damage. OPS-R-0042
9.4 Driving the Tractor and Mower
Start off driving at a slow speed and gradually increase your speed while maintaining complete control of the
tractor and mower. Moving slowly at first will also prevent the tractor from rearing up and loss of steering
control. The tractor should never be operated at speeds that cannot be safely handled or which will prevent
the operator from stopping quickly during an emergency. If the power steering or engine ceases operating,
stop the tractor immediately as the tractor will be difficult to control.
Perform turns with the tractor and mower at slow
speeds to determine how the tractor with an
attached mower handles a turn. Determine the
safe speed to maintain proper control of the tractor
when making turns. When turning with a towed
implement, the overall working length of the unit is
increased. Allow additional clearance for the
mower when turning.
To avoid overturns, drive the tractor with care and
at safe speeds, especially when operating over
rough ground, crossing ditches or slopes, and
turning corners. Tractor wheel tread spacing
should be increased when working on inclines or
rough ground to reduce the possibility of tipping.
Use extreme caution when operating on steep
slopes. Keep the tractor in a low gear when going
downhill. DO NOT coast or free-wheel downhill.
OPS-R-0019

OPERATION
EC72 03/08 Operation Section 4-26
© 2008 Alamo Group Inc.
OPERATION
9.5 Crossing Ditches and Steep Inclines
When crossing ditches with steep banks or going up
sharp inclines, it is possible that the main driveline
inner profile will penetrate into the outer housing to its
maximum depth until the assembly becomes solid
(driveline is at its extreme shortest length). This type
of abusive operation can cause serious damage to
the tractor and mower drive by pushing the PTO into
the tractor and through the support bearings or
downward onto the PTO shaft, breaking it off.
Damage resulting from over-collapse of the driveline’s inner profile and its outer housing
may allow the driveline to come loose from the Tractor which could cause bodily injury to the
operator or bystanders and/or extensive damage to the Tractor or Implement. OPS-R-0020
When confronted with an incline or ditch, do not
approach from an angle which is perpendicular or
straight on as damage to or over-collapse of the
driveline may occur. OPS-R-0021_A

OPERATION
EC72 03/08 Operation Section 4-27
© 2008 Alamo Group Inc.
OPERATION
Inclines and ditches should be approached along a
line which is at an angle as shown. This type of
path will reduce the possibility of over-collapse of
the driveline and resulting damage. If the gradient
is so steep that such an approach increases the
possibility of a tractor roll-over, select an alternate
crossing path.
When operating the tractor and mower across
slopes and inclines, through ditches, and other
uneven terrain conditions, it is important to maintain
sufficient deck to ground clearance. Blade contact
with the ground may cause soil, rocks and other
debris to be thrown out from under the mower
resulting in possible injury and/or property damage.
Ground contact also produces a severe shock load
on the mower drive and to the mower blades
resulting in possible damage and premature wear.
OPS-R-0022
10. OPERATING THE TRACTOR AND IMPLEMENT
THE OPERATOR MUST COMPLETELY UNDERSTAND HOW TO OPERATE THE TRACTOR AND
IMPLEMENT AND ALL CONTROLS BEFORE ATTEMPTING TO OPERATE. The operator must read and
understand the Safety and Operation Sections of the implement and tractor operator’s manuals. These
manuals must be read and explained to any operator who cannot read. Never allow someone to operate the
implement and tractor without complete operating instructions.
Before starting any operation, the operator must become familiar with the area to be worked in and any
obstacles and hazards contained within to ensure safety to the operator, bystanders, and equipment. Special
attention should be paid to foreign debris, rough terrain, steep slopes, and passersby and animals in the area.
OPS-U- 0015
E
x
t
reme care s
h
ou
ld
b
e
t
a
k
en w
h
en opera
ti
ng near
l
oose o
bj
ec
t
s suc
h
as gravel, rocks, wire, and other debris. Inspect the area before
mowing. Foreign objects should be removed from the site to prevent
machine damage and/or bodily injury or even death. Any objects that cannot be removed
must be clearly marked and carefully avoided by the operator. Stop mowing immediately if
blades strike a foreign object. Repair all damage and make certain rotor or blade carrier is
balanced before resuming mowing. (SGM-5)

OPERATION
EC72 03/08 Operation Section 4-28
© 2008 Alamo Group Inc.
OPERATION
M
any var
i
e
d
o
bj
ec
t
s, suc
h
as w
i
re, ca
bl
e, rope, or c
h
a
i
ns, can
b
ecome en
t
ang
l
e
d
i
n
th
e
operating parts of the mower head. These items could then swing outside the housing at
greater velocities than the blades. Such a situation is extremely hazardous and could result
in serious injury or even death. Inspect the cutting area for such objects before mowing. Remove any like
object from the site. Never allow the cutting blades to contact such items. (SGM-6)
10.1 Foreign Debris Hazards
Before mowing, inspect the area to make sure
there are no foreign objects that the mower blades
could hit or become entangled with. Remove all
foreign objects and debris. If objects are too big to
remove, mark them clearly and be sure to prevent
the mower blades from contacting them.
If you hit a solid object or foreign debris, stop the
mower and tractor at once. Immediately idle the
engine speed and disengage the PTO. Wait for all
mower rotating motion to stop, then raise the
mower and move the tractor and implement off the
object. Inspect the area and remove, or mark the
location of the debris. Inspect the condition of the
mower and make any needed repairs immediately.
Make sure the blades are not damaged and the
carrier is balanced before resuming operation.
Always wear your seat belt securely fastened and
only operate the tractor and mower with the ROPS
in the raised position. If the tractor or mower hits a
tree stump, rock, or bump, a sudden movement
could throw you off of the seat and under the
tractor and/or mower. The seat belt is your best
protection from falling off the tractor and the ROPS
provides protection from being crushed during a
tractor roll-over. OPS-R-0023
10.2 Bystanders/Passersby Precautions
If a bystander comes within 300 feet of the tractor while the mower is being operated, stop the tractor at once,
idle the engine and disengage the PTO. Do not engage the PTO again until all bystanders are well past the
300 foot distance. OPS-R-0024

OPERATION
EC72 03/08 Operation Section 4-29
© 2008 Alamo Group Inc.
OPERATION
Rotary Mowers are capable under adverse conditions of throwing
objects for great distances (300 feet or more) and causing serious injury
or death. Follow safety messages carefully.
STOP MOWING IF PASSERSBY ARE WITHIN 100 YARDS UNLESS:
-Front and Rear Deflectors, Chain Guards, or Bands are installed and in good, workable
condition;
-Mower sections or Wings are running close to and parallel to the ground without exposed
Blades;
-Passersby are outside the existing thrown-object zone;
-All areas have been thoroughly inspected and all foreign material such as rocks, cans,
glass, and general debris has been removed.
NOTE: Where there are grass and weeds high enough to hide debris that could be struck
by the blades, the area should be: inspected and large debris removed, mowed at an
intermediate height, inspected, closely with any remaining debris being removed, and
mowed again at desired final height. (This will also reduce power required to mow, reduce
wear and tear on the Mower drivetrain, spread cut material better, reduce streaking, and
make the final cut more uniform). (SRM-1)
10.3 Engaging the Power Take Off (PTO)
Before engaging the PTO, make certain that the area is clear of bystanders and passersby. The implement
must be completely lowered and the deck positioned at a safe operating height. NEVER engage the PTO with
the implement in the raised position.
Set the tractor engine speed at approximately 1,000 RPM before engaging the PTO. Shift the PTO control to
the on position, and slowly increase the engine speed until the PTO is operating at the rated speed. If you
hear unusual noises or see or feel abnormal vibrations, disengage the PTO immediately. Inspect the
implement to determine the cause of the noise or vibration and repair the abnormality. OPS-U- 0027
Do not let the Blades turn when the Mower Deck is raised for any
reason, including clearance or for turning. Raising the Mower deck
exposes the Cutting Blades which creates a potentially serious hazard
and could cause serious injury or even death from objects thrown from the Blades. (SRM-7)
Do not put hands or feet under mower decks. Blade Contact can result
in serious injury or even death. Stay away until all motion has stopped
and the decks are securely blocked up. (SGM-9)

OPERATION
EC72 03/08 Operation Section 4-30
© 2008 Alamo Group Inc.
OPERATION
10.4 PTO RPM and Ground Speed
Ground speed for mowing will depend upon the height, type, and density of vegetation to be cut.
Recommended speed for efficient mower performance is between 2 and 5 mph(3-8 kph). Operate the mower
at its full rated PTO speed to maintain blade speed for a clean cut. Refer to the tractor operator’s manual or
the tractor instrument panel for the engine speed and gear to provide the required PTO and desired ground
speed. Make sure that the mower is operating at its full rated speed before entering the vegetation to be cut.
If it becomes necessary to temporarily regulate engine speed, increase or decrease the throttle gradually.
Ground speed is achieved by transmission gear selection and not by the engine operating speed. The
operator may be required to experiment with several gear range combinations to determine the best gear and
range which provides the most ideal performance from the mower and most efficient tractor operation. As the
severity of cutting conditions increase, the ground speed should be decreased by selecting a lower gear to
maintain the proper operating PTO speed. OPS-R-0025
Do not exceed the rated PTO speed for the Implement. Excessive PTO speeds can cause
Implement driveline or blade failures resulting in serious injury or death. (SG-26)
M
ow at t
h
e spee
d
t
h
at you can sa
f
e
l
y operate an
d
contro
l
t
h
e tractor an
d
mower.
Th
e
correct mowing speed depends on terrain condition and grass type, density, and height of
cut. Normal ground speed range is from 2 to 5 mph(3-8 kph). Use slow mowing speeds
when operating on or near steep slopes, ditches, drop-offs, overhead obstructions, power lines, or when
debris and foreign objects are to be avoided. (SGM-7)
10.5 Operating the Mower
Only operate the mower from the tractor operator’s seat with the seatbelt securely fastened. The tractor must
be equipped with a ROPS in the raised position or a ROPS cab.
The mower is designed to cut vegetation up to 1” in diameter. Sharp blades will produce a cleaner cut and
require less power. Travel at a speed that allows the mower sufficient time to cut through the vegetation and
maintain the PTO operating speed to prevent overloading the mower and tractor. Choose a driving pattern
that provides the maximum pass length and minimizes turning.
Under certain conditions, tractor tires may roll some grasses down preventing them from being cut at the
same height as the surrounding area. When this occurs, reduce the tractor ground speed while maintaining
the operating speed of the mower. A slower ground speed will permit grasses to at least partially rebound and
be cut. Taking a partial cut and/or reversing the direction of travel may also help produce a cleaner cut.
Avoid mowing in the reverse direction when possible. In situations where the mower must be backed to
access areas to be cut, make sure there are no persons or other foreign debris behind the mower before
mowing in reverse. When mowing in reverse, operate the tractor and mower at a reduced ground speed to
ensure tractor and mower control is maintained. OPS-R-0026_G

OPERATION
EC72 03/08 Operation Section 4-31
© 2008 Alamo Group Inc.
OPERATION
Do not mow with two machines in the same area except with Cab tractors with the windows
closed. (SGM-11)
Mow only in conditions where you have clear visibility in daylight or with adequate artificial
lighting. Never mow in darkness or foggy conditions where you cannot clearly see at least
100 yards(90 m) in front and to the sides of the tractor and mower. Make sure that you can
clearly see and identify passersby, steep slopes, ditches, drop-offs, overhead obstructions,
power lines, debris and foreign objects. If you are unable to clearly see these type of items
discontinue mowing. (SGM-1)
Avoid mowing in reverse direction when possible. Check to make sure there are no
persons behind the mower and use extreme care when mowing in reverse. Mow only at a
slow ground speed where you can safely operate and control the tractor and mower.
Never mow an area that you have not inspected and removed debris or foreign material.
(SGM-8)
Follow these guidelines to reduce the risk of equipment and grass fires
while operating, servicing, and repairing the Mower and Tractor:
-Equip the Tractor with a fire extinguisher in an accesible location.
-Do Not operate the Mower on a Tractor with an underframe exhaust.
-Do Not smoke or have an open flame near the Mower and Tractor.
-Do Not drive into burning debris or freshly burnt areas.
-Ensure slip clutches are properly adjusted to prevent excessive slippage and plate heating.
-Never allow clippings or debris to collect near drivelines, slip clutches, and gearboxes.
Periodically shut down the Tractor and Mower and clean clippings and collected debris from
the mower deck. (SGM-12)
When you get to the end of a pass, slightly raise the
mower (2-4”) before turning. Never raise the
mower entirely while the blades are turning. If the
mower must be raised higher than 12” from ground
level, disengage the tractor PTO and wait for all
mower rotation to come to a complete stop before
proceeding to raise the mower. OPS-R-0027_B

OPERATION
EC72 03/08 Operation Section 4-32
© 2008 Alamo Group Inc.
OPERATION
Do not let the Blades turn when the Mower Deck is raised for any
reason, including clearance or for turning. Raising the Mower deck
exposes the Cutting Blades which creates a potentially serious hazard
and could cause serious injury or even death from objects thrown from the Blades. (SRM-7)
Large, dense, or wet vegetation may need to be
mowed in two or more passes to achieve a uniform
cut. In such conditions, raise the cutting height to
12” or more on the first pass. OPS-R-0043
Then lower the mower to the desired height and
mow the vegetation a second time. If possible,
select a mowing pattern that is at a 90 degree angle
to the first pass to reduce streaking for a more
uniform cut. OPS-R-0044
Stay alert and watch for trees, low hanging limbs,
power lines, and other overhead obstacles and solid
ground objects while you are operating. Use care
to avoid hitting these items. OPS-R-0028_A

OPERATION
EC72 03/08 Operation Section 4-33
© 2008 Alamo Group Inc.
OPERATION
Do not mow, or drive the tractor into material that is burning, or areas that recently burnt and may contain hot
spots. Burning material, sparks, and coals could be thrown from the mower to areas of vegetation that might
ignite. Tire damage can occur when driving over hot material. Oil and grease on the tractor and mower could
ignite resulting in equipment destruction. Carry a fire extinguisher on the tractor at all times to extinguish
possible fires encountered.
10.6
S
hutting Down the Implement
To shut down the implement, first bring the tractor
to a complete stop. Then slow down the implement
by reducing the engine speed before disengaging
the PTO. Wait for all motion to stop before
proceeding to drive or shut down the tractor.
Park the tractor on a level surface, place the
transmission in park or neutral and apply the
parking brake, lower the attached implement to the
ground, shut down the engine, remove the key, and
wait for all motion to come to a complete stop
before exiting the tractor. OPS-U- 0016

OPERATION
EC72 03/08 Operation Section 4-34
© 2008 Alamo Group Inc.
OPERATION
Never stand or allow another person to stand between a running Tractor and the Mower
when disconnecting the Implement from the Tractor 3-point hitch.
11. DISCONNECTING THE MOWER FROM THE TRACTOR
Before disconnecting the mower, the PTO must be
disengaged and blade rotation at a complete stop.
Move the mower to a level storage location and
lower it to the ground. If the mower is not resting
securely on the ground, block the mower up
securely before attempting to disconnect it from
the tractor.
Use extreme care to keep feet and hands from
under the mower and clear of any pinch points
caused by the tractor hitch arms and mower pins.
OPS-R-0030_A
Always shut the Tractor completely down, place the transmission in park, and set the
parking brake before you or anyone else attempts to connect or disconnect the Implement
and Tractor hitches. (S3PT-15)

OPERATION
EC72 03/08 Operation Section 4-35
© 2008 Alamo Group Inc.
OPERATION
T
o disconnect the mower, first extend the tractor 3-
p
oint hitch top link to remove tension on the top link
h
itch pin. When the pin is loose and easy to rotate,
r
emove the pin from the mower. Next remove both
l
ower hitch pins.
A
fter disconnecting the 3 lift points, remove the
m
ower driveline from the tractor PTO shaft. Lay the
d
riveline down carefully on support flat to avoid
d
amaging the driveline or its shield. Do not let the
d
riveline fall into mud or dirt, which can contaminate
t
he bearing and shorten the life of the driveline.
OPS-R-0031_B

OPERATION
EC72 03/08 Operation Section 4-36
© 2008 Alamo Group Inc.
OPERATION
12. MOWER STORAGE
Properly preparing and storing the mower at the end of the season is critical to maintaining its appearance
and to help ensure years of dependable service. The following are suggested storage procedures:
• Thoroughly clean all debris off the mower to
prevent damage from rotting grass and
standing water.
• Lubricate all mower grease points and fill
gearbox oil levels as detailed in the
maintenance section.
• Tighten all bolts and pins to the recommended
torque.
• Check the mower for worn and damaged
parts. Perform repairs and make
replacements immediately so that the mower
will be ready for use at the start of the next
season.
• Store the mower in a clean, dry place with the
mower housing resting securely on blocks or
at ground level.
• Keep the driveline yoke from sitting in water,
dirt and other contaminants.
• Use spray touch-up enamel where necessary to prevent rust and maintain the appearance of the mower.
It is critical that driveline clutches slip when an obstacle or heavy load is encountered to avoid mower and/or
tractor damage. If the mower sits outside for an extended period of time or is exposed to rain and/or humid
air, the clutch lining plates must be inspected to ensure they are not frozen together from rust or corrosion. If
the mower has been exposed to such conditions, at the start of each mowing season, and any time it is
suspected that the slip clutch plates may be frozen together, readjust the slip clutch as detailed in Seasonal
Clutch Maintenance of the maintenance section in this manual. OPS-R-0032_A
Never allow children or other persons to ride on the Tractor or Implement.
Falling off can result in serious injury or death. (SG-10)
13. TRANSPORTING THE TRACTOR AND IMPLEMENT
Inherent hazards of operating the tractor and implement and the possibility of accidents are not left behind
when you finish working in an area. Therefore, the operator must employ good judgement and safe operation
practices when transporting the tractor and implement between locations. By using good judgement and
following safe transport procedures, the possibility of accidents while moving between locations can be
substantially minimized. OPS-U- 0017

OPERATION
EC72 03/08 Operation Section 4-37
© 2008 Alamo Group Inc.
OPERATION
Before transporting the tractor and mower, idle the
tractor engine, disengage the PTO and wait for all
mower moving parts to come to a complete stop.
Once all mower parts are completely stopped, raise
the mower to transport height. NOTE: When
raising the mower, maintain 1” clearance between
the driveline and mower deck. If additional mower
deck height is needed for safe transport, disconnect
the driveline from the tractor and secure its end to
the mower deck. The mower can then be raised to
the maximum lift height. OPS-R-0033_A
If the tractor’s hydraulic pump is not independent of
the tractor PTO, or if the tractor PTO has to be run
to have hydraulic power, disconnect the mower
driveline from the tractor PTO output shaft. Secure
the driveline to the mower deck to prevent driveline
damage or loss during transport. OPS-R-0034
13.1 Transporting on Public Roadways
Extreme caution should be used when transporting the tractor and implement on public roadways. The tractor
must be equipped with all required safety warning features including a SMV emblem and flashing warning
lights to alert drivers of the tractor’s presence. Remember that roadways are primarily designed for
automotive drivers and most drivers will not be looking out for you, therefore, you must look out for them.
Check your side view mirrors frequently and remember that vehicles will approach quickly because of the
tractor’s slower speed. Be extremely cautious when the piece of equipment that you are towing is wider than
the tractor tire width and/or extends beyond your lane of the road.
Make sure that a proper size safety tow chain is secured between the tractor and implement before entering a
public road. OPS-U- 0019
Make certain that the “Slow Moving Vehicle” (SMV) sign is installed in
such a way as to be clearly visible and legible. When transporting the
Equipment use the Tractor flashing warning lights and follow all local
traffic regulations. (SG-6)

OPERATION
EC72 03/08 Operation Section 4-38
© 2008 Alamo Group Inc.
OPERATION
The SMV (Slow-Moving Vehicle) emblem is
universal symbol used to alert drivers of the
presence of equipment traveling on roadways at a
slow speed. SMV signs are a triangular bright
orange with reflective red trim for both easy day and
night visibility. Make sure the SMV sign is clean and
visible from the rear of the unit before transporting
the tractor and implement on a public roadway.
Replace the SMV emblem if faded, damaged, or no
longer reflective. OPS-U- 0020
Make sure that all tractor flashing warning lights,
headlights, and brake/tail lights are functioning
properly before proceeding onto public roads. While
newer model tractors have plenty of lighting to
provide warning signals and operating lighting, most
o
lder models are only equipped with operating lights.
C
onsult an authorized tractor dealer for lighting kits
a
nd modifications available to upgrade the lighting on
o
lder tractor models. OPS-U- 0021
When operating on public roads, have
consideration for other road users. Pull to the side
of the road occasionally to allow all following traffic
to pass. Do not exceed the legal speed limit set in
your country for agricultural tractors. Always stay
alert when transporting the tractor and implement
on public roads. Use caution and reduce speed if
other vehicles or pedestrians are in the area. OPS-
U- 0022

OPERATION
EC72 03/08 Operation Section 4-39
© 2008 Alamo Group Inc.
OPERATION
Reduce speed before turning or applying the brakes.
Ensure that both brake pedals are locked together
when operating on public roads. OPS-U- 0023
13.2 Hauling the Tractor and Implement
Before transporting a loaded tractor and implement,
measure the height and width dimensions and gross
weight of the complete loaded unit. Ensure that the
load will be in compliance with the legal limits set for
the areas that will be traveled through. OPS-U- 0024
Use adequately sized and rated trailers and
equipment to transport the tractor and implement.
Consult an authorized dealer to determine the proper
equipment required. Using adequately sized chains,
heavy duty straps, cables and/or binders, securely tie
down both the front and rear of the tractor utilizing the
proper tie down locations as specified by the tractor
manufacturer. OPS-U- 0025

OPERATION
EC72 03/08 Operation Section 4-40
© 2008 Alamo Group Inc.
OPERATION
Arrange the chains so that when tightened, the
chains are pulling downward and against
themselves. Carefully tighten the securing chains or
other fasteners using boomers or binders to apply
maximum tension. Use extreme care when
attaching and removing the securing devices as the
extreme tension involved when released has the
potential to inflict serious injury.
While hauling the tractor and implement, make
occasional stops to check that the tractor and
implement have not moved or shifted and that the
securing chains have maintained tension. If during
transport a hard braking, sharp turning, or swerving
action was performed, stop at the next safe location
to inspect the security of the load. OPS-U- 0026

OPERATION
EC72 03/08 Operation Section 4-41
© 2008 Alamo Group Inc.
OPERATION
14. TROUBLESHOOTING GUIDE
Problem Possible Cause Remedy
Excessive Vibration Check Gearbox Bolts Tighten if loose.
Check for loose nuts on TIghten if loose.
blade holder and blades.
Check for bent output shaft. Replace shaft if bent.
If shaft is bent, oil will
normally leak from bottom
seal.
Check to see if blades are Free blades so they swing.
free swinging.
Check for even wear on Weigh Blades. Weight should be within
each blade tip. Were both 1 oz. Always replace both blades.
blades changed at the same
time?
Blade Broken. Replace blades, in set.
Blade Carrier Bent. Replace carrier.
Blade hub not properly Remove hub, check tapered spline
seated on shaft. clean and replace.
New blade or bolts matched Replace blades or bolts in sets.
with worn blade or bolts.
Drivelines not phased correctly. Replace driveline.
Implement & tractor yokes must
be in line.
Not Cutting Clean Blades dull. Sharpen or replace Blades.
Carrier RPM too low. Use correct PTO speed and check for
correct gearbox ratio.
Cutter not level. See Cutting Height Adjustment.
Tractor tires mashing down grass. Reverse direction of cutting and drive
with right tractor tire out of cutter
overlap area. Conditions too wet to cut
Ground speed too fast. Reduce ground speed by shifting to a
lower gear.
Blades locked back. Free blades.
Blades riding up due to blade bolt Replace blade bolts.
wear or loose bolts.
Cutting height too high. Lower cut height as much as possible.
Blades Wear Fast Cutting in sandy or rocky conditions Increase cutting height.

OPERATION
EC72 03/08 Operation Section 4-42
© 2008 Alamo Group Inc.
OPERATION
Blade Bolts Working Loose Bolts not tightened. Tighten Bolts to 300 ft./lbs.
Bolt hole elongated or oversized. Replace Blade Carrier.
Locknut worn out. Replace Locknut.
Gearbox Noisy Low Lubricant. Check lubricant level.
Rough gears. Run in or change Gears.
Worn Bearing. Replace Bearing.
Gearbox Leaking Damaged Oil Seal. Replace Seal.
Bent Shaft. Replace Oil Seal and Shaft.
Oil Seal Race rough. Replace Shaft or repair Race.
Oil Seal installed wrong. Replace Seal.
Oil Seal not sealing in the housing. Replace Seal or use a sealant on O.D.
of Seal.
Oil level too high. Drain oil to proper level.
Gasket damaged. Replace Gasket.
Bolts loose. Tighten Bolts.
Sand hole in casting. Replace castings or gearbox.
Streaking Conditions Conditions too wet for cutting. Allow grass to dry before cutting. Slow
Blades unable to cut that part of ground speed of tractor but keep
grass pressed down by path of engine running at full PTO wpm.
tractor tires. Lowering the cutting height may help.
Dull blades. Sharpen or replace blades.
Height of cutter lower at rear or See Cutting Height Instructions.
front.
Gearbox Overheating Low on lubricant. Fill to level plug.
Improper type lubricant. Replace with proper lubricant.
Excessive trash build-up around Remove trash.
gearbox.
Bearing or gears set up improperly. Consult your Dealer.
Shear Pin Shears Tractor PTO not being run at Run at 540 RPM.
Excessively 540 RPM.
Heavy Material. Reduce ground speed. Raise cutting
height.
Not using proper pin. Replace only with recommended shear
pin.
PTO engaged at high engine RPM Idle engine to engage PTO
Cutting in rocky conditions Increase cutting height.
Blade carrier RPM too high. Check gearbox ratios.
Blades not properly heat treated. Consult your Dealer.

Maintenance Section 5-1
© 2008 Alamo Group Inc.
MAINTENANCE SECTION

MAINTENANCE
EC72 03/08 Maintenance Section 5-2
© 2008 Alamo Group Inc.
MAINTENANCE
Before operating your Rotary Cutter, make sure it is properly lubricated and thoroughly inspected. Only a
minimum of time and effort is required to regularly lubricate and maintain this machine to provide long life and
trouble free operation.
Always disengage the PTO before raising the Rotary Cutter for transporting or making
adjustments.
Lubrication
Do not let excess grease collect on or around parts, particularly when operating in sandy areas. The
illustrations below shows lubrication points (Figure Mnt-R-0080). The chart gives the frequency of lubrication
in hours, based on normal operating conditions. Severe or unusual conditions may require more frequent
lubrication.
Use an SAE multipurpose, lithium-type grease for all locations shown. Be sure to clean the fitting thoroughly
before using grease gun. Daily lubrication of the driveline slip joint is necessary. Failure to maintain proper
lubrication will result in damage to U-joints, gearbox, and/or driveshaft.
Lubrication Fitting Location
ITEM DESCRIPTION FREQUENCY
1 U-Joints 8 hours
2 Gearbox 8 hours
3 Wheel Hub Weekly
4 Telescoping 8 hours
5 Tailwheel Beam 8 hours
6 Shield Bearings 40 hours
7 Twist Collar Yoke Weekly
8 Shear Pin Yoke As Needed

MAINTENANCE
EC72 03/08 Maintenance Section 5-3
© 2008 Alamo Group Inc.
MAINTENANCE
GEARBOX
The gearbox should be full (18 ounces).54 liters
and not require additional lubricant unless the box
is cracked or a seal is leaking. It is recommended
that the hex oil level check plug (Figure MntP-R-
0039) be removed to check oil level after every 8
hours of operation. If required, oil should be added
until it runs out hole.
Recommended lubricant is NLGI 000 Grease,
Servis-Rhino P/N 00769030. NOTE: Make sure
mower is level when checking oil in the gearbox.
NOTE: Overfilling of Gearbox will cause pressure to
build up and cause Grease Seals to leak.

MAINTENANCE
EC72 03/08 Maintenance Section 5-4
© 2008 Alamo Group Inc.
MAINTENANCE
DRIVELINE LUBRICATION
Grease Fittings are located on the Cross Assembly
of each U-Joint and on the telescoping tubes.
Grease the U-Joint after each 8 hours of use.
Figure MntP-R-0021. Do not force grease through
the Needle Cup Assemblies. Grease the
telescoping tubes after every 8 hours use. To
grease profile tube, disconnect drive from PTO and
pull halves apart. Pump grease into outer profile
tube and reinstall together. Lube Twist Collar
weekly with WD40 or equivalent weight oil. Figure
Mnt-R-0037.
The Driveline Integral Shields should not become dented or otherwise damaged. The Integral Shield Assembly
has a Nylon Bearing at each end and should turn freely. This nylon bearing should require lubrication every 40
hours. To remove the Integral Shields for replacement or repair, turn the three Nylon Nuts 1/4 turn in the Shield
Slots of the Cone and Tube and remove them. Slip the Shield Cone Assembly off inner section of the Driveline.
Install the new or repaired Shield on the Driveline. Place the split Nylon Bearing over the Driveline Housing of
Shaft against the Yoke and in the Bearing groove. Install shield over the Housing so the Nylon Bearing fits into
the Shield Bearing Retainer. Align a slot in the Shield Cone with one of the slots in the Shield. Put one of the
Nylon Nuts back in through the aligned slots and turn until it is perpendicular to the slots. Add the other two
Nylon Nuts.
Make certain that the Driveline Integral Shields are free to telescope and rotate around the
Driveline without binding.

MAINTENANCE
EC72 03/08 Maintenance Section 5-5
© 2008 Alamo Group Inc.
MAINTENANCE
SHEAR PIN YOKE LUBRICATION
Yoke is supplied with a grease fitting to lube
between gearbox shaft and yoke. This allows yoke
to spin freely on gearbox shaft when pin shears.
Failure to lube may cause yoke to gall and spin
weld to shaft. Adding even small amounts of grease
will greatly prolong life of yoke. The shear bolt (1/2”
x 2-3/4”) MUST BE a Grade 2 to ensure that it
shears when high torque load is encountered.
When attaching PTO yoke to tractor PTO shaft, it is important that spring-activated locking
collar slides freely and locking balls are seated in groove on PTO shaft. A loose shaft could
slip off and result in personal injury or damage to cutter.
BLADE SERVICING
Inspect blades before each use to determine that they are properly installed and in good condition. Replace
any blade that is bent, excessively nicked, worn, or has any other damage. Small nicks can be ground out
when sharpening.
Use only original equipment blades on this cutter. They are made of special heat-treated
alloy steel. Substitute blades may not meet specifications and may fail in a hazardous
manner that could cause injury.
BLADE SHARPENING
When sharpening blades, grind each blade the same amount to maintain balance. Follow
original sharpening pattern as shown in Figure Mnt-R-0008. Always sharpen blades by
grinding. Always sharpen both blades at same time to maintain balance. The difference in
blade weights should not exceed 1 ounce. Unbalanced blades will cause excessive
vibration which can damage gear box bearings. Vibration may also cause structural cracks
in cutter housing. DO NOT heat and pound out edge. Do not sharpen blade to a razor edge,
but leave a 1/16” blunt edge. Do not sharpen back side of blade.
Avoid personal injury. Always block the cutter up to prevent if from falling when the blades
and/ or carrier are being serviced.
Replace bent or broken blades with new blades. NEVER ATTEMPT TO STRAIGHTEN,
WELD, OR WELD HARDFACING ON BLADES SINCE THIS WILL LIKELY CRACK OR
OTHERWISE DAMAGE THE BLADE WITH SUBSEQUENT FAILURE AND POSSIBLE
SERIOUS INJURY FROM THROWN BLADES. (SGM-10)

MAINTENANCE
EC72 03/08 Maintenance Section 5-6
© 2008 Alamo Group Inc.
MAINTENANCE
BLADE CARRIER REMOVAL/INSTALLATION
Avoid personal injury. Blade and/or blade carrier removal should be done only with the
tractor engine shut off, key removed, in neutral, parking brake on, and PTO disengaged and
the cutter blocked in the raised position.
BLADE CARRIER REMOVAL
Remove cotter pin and loosen slotted nut on gearbox shaft. Loosen but do not remove the nut until the blade
carrier is loosened. Use a suitable 2 jaw gear puller to pull carrier off tapered gearbox shaft. If gear puller is not
available use long bar inserted through blade bolt access hole with end against rotor bar. Strike opposite end of
bar with sledge hammer. Rotate blade carrier 180 degrees and repeat process until carrier breaks loose.
BLADE CARRIER INSTALLATION
Clean the splines on both the blade carrier and output shaft. Position carrier on the gearbox output shaft and
install special washer nut.
Tighten nut holding blade carrier to minimum 350 ft. pounds, strike the carrier near the hub several times with a
heavy hammer to seat the hub. Use a suitable spacer over the nut to prevent damage to the nut and threads.
Retighten the nut to 350 ft. pounds. Install cotter pin and spread.
Always recheck gearbox output shaft slotted blade carrier retaining nut torque after a few
hours operation.
Avoid personal injury. Do not work under cutter without support blocks to keep frame from
falling.

MAINTENANCE
EC72 03/08 Maintenance Section 5-7
© 2008 Alamo Group Inc.
MAINTENANCE
BLADE REMOVAL
Remove locknut from blade bolt through inspection
hole in deck of mower near the gearbox to remove
blades for sharpening or replacement. See Figure
MntP-R-0022. Always replace nut when replacing
blade bolt. When installing blades be sure and
check blade bolt pivot diameter for wear. Replace
bolt if worn more than 1/4 inch at any point.
Tighten lock nut to 300 ft. lbs.

MAINTENANCE
EC72 03/08 Maintenance Section 5-8
© 2008 Alamo Group Inc.
MAINTENANCE
MOWER STORAGE
Your rotary cutter represents an investment from which you should get the greatest possible benefit. Therefore,
when the season is over, the cutter should be thoroughly checked and prepared for storage so that a minimum
amount of work will be required to put it back into operation for the next season. The following are suggested
storage procedures:
1. Thoroughly clean the cutter.
2. Lubricate the cutter as covered in Maintenance Section.
3. Tighten all bolts and pins to the recommended torque.
4. Check the cutter for worn or damaged parts. Make replacements immediately.
5. Store the cutter in a clean, dry place with the cutter housing resting on blocks.
6. Use spray touch-up enamel where necessary to prevent rust and maintain the appearance of the cutter.
TORQUE CHART
The chart lists the correct tightening torque for fasteners. When bolts are to be tightened or replaced, refer to
this chart to determine the grade of bolts and the proper torque except when specific torque values are
assigned in manual text.
RECOMMENDED TORQUE IN FOOT POUNDS UNLESS OTHERWISE STATED IN THE MANUAL*
NOTE: These values apply to fasteners as received from supplier, dry or when lubricated with normal engine
oil. They do not apply if special graphited or molydisulphide greases or other extreme pressure lubricants are
used. This applies to both UNF fine and UNC coarse threads.

MAINTENANCE
EC72 03/08 Maintenance Section 5-9
© 2008 Alamo Group Inc.
MAINTENANCE
GEARBOX SERVICING
TOOLS NEEDED FOR DISASSEMBLY AND ASSEMBLY OF GEARBOX
1. Slide Hammer Puller
2. Locktite #5900
3. Punch - Long Drift
4. Needle Nose Pliers
5. Screw Driver
6. External Snap Ring Pliers
7. Socket Wrench
8. 9/16 Socket
9. Ball Pin Hammer
10. Pry Bar
Be certain to clamp or securely support the gearbox and sub-assemblies to prevent injuries
to hands and feet due to inadvertent dropping or falling over.
Always wear safety glasses and gloves to prevent eye and hand injury when chiseling or
hammering on metal components. Hardened metal will chip unexpectedly.
An assembled gearbox is quite heavy. Use a hoist or get help to handle them safely. Lift
carefully and properly using your legs to lift - not your back.
NOTICE: Refer to operator’s manual for instructions for proper re-assembly onto the mower deck. Tighten
correctly.

MAINTENANCE
EC72 03/08 Maintenance Section 5-10
© 2008 Alamo Group Inc.
MAINTENANCE
GEARBOX DISASSEMBLY
1. Remove 6 (16) bolts from input shaft bearing housing (13).
2. Tap around circumference of bearing housing (13) to loosen housing and shims. Then pull complete shaft
(9) and housing assembly out of main housing. Figure Mnt-R-0247
3. Remove 4 bolts (18), break gasket (11 & 12) loose, and then remove the bearing retainer cap (2).
4. Output shaft assembly must be removed from main housing by driving or pulling shaft out bottom end.
NOTE: Once lower bearing is out of housing the complete assembly will drop down until top bearing
engages lower bearing bore. To complete removal of output shaft assembly it is necessary to keep shaft
aligned on center line of housing when removing top bearing out bottom end. Normally the simplest
method of removing the output shaft assembly is to attach a slide hammer puller to the shaft and use that
to pull the shaft out.
5. The gearbox is now disassembled into four (4) sub-assemblies:
1. Input shaft assembly
2. Output shaft assembly
3. Lower bearing retainer assembly
4. Main housing assembly
1. Seal Output Shaft
2. Cap, Bearing Retainer (Output)
3. Gasket, Output, Cap
4. Bearing, Ball
5. Shaft, (Output Pinion)
6. Spacer, Bearing, (Output)
7. Snap Ring
8. Bearing, (Input Rear)
9. Shaft, (Input)
10. Gear, (Input)
11. Snap Ring
12. Shim, Side Housing
13. Housing, Side or Input
14. Seal, Input
15. Housing, main
16. Bolt, (3/8” x 1”)
17. Lockwasher (3/8”)
18. Bolt, (3/8” x 1-1/4)
19. Plug, Pipe
20. Plug, Pipe (1/8” Oil Level)

MAINTENANCE
EC72 03/08 Maintenance Section 5-11
© 2008 Alamo Group Inc.
MAINTENANCE
INPUT SHAFT DISASSEMBLY AND ASSEMBLY (Figure Mnt-R-0212)
1. Remove bearing housing (Ref. #13) by holding end of shaft which does not have a cross hole or splines
and tap opposite end of shaft on a solid surface. Shock force will remove housing from bearing (Ref.#4).
2. Remove retaining ring (Ref. #7) closest to bearing. Tap end of shaft as explained in Step 1 until bearing
and gear drop off shaft.
3. Worn components can now be replaced and assembled in reverse order.
ASSEMBLY ORDER
1. Install gear onto shaft as shown in Figure Mnt-R-0212. Note location of two snap ring grooves.
2. Install bearing on shaft.
NOTE: Use tube with ID just large enough to go over shaft to drive bearing against gear. Install retaining
ring (Ref 7).
3. Press oil seal flush with front side of bearing housing (See SEAL INSTALLATION RECOMMENDATION).
4. Lubricate ID of seal and insert shaft until bearing contacts housing. Press bearing into housing by hitting
end of shaft.
SEAL INSTALLATION RECOMMENDATIONS
1. Check Seal - for damage that may have occurred prior to installation. A sealing lip that is turned back,
cut or otherwise damaged should be replaced.
2. Check Bore - to see that leading edge is deburred. A rounded corner or chamber should be provided.
3. Check Shaft - remove surface nicks, burrs and grooves and lubricate with a hard, fibrous grease.
NOTE: Wrap plastic tape around irregular shaft surfaces such as splines to protect seal during
assembly.
4. Use Correct Installation Tool - Always use a pipe or tube with approximate same OD as seal and press
seal by striking tube.
NEVER HAMMER DIRECTLY ON THE SURFACE OF THE SEAL.

MAINTENANCE
EC72 03/08 Maintenance Section 5-12
© 2008 Alamo Group Inc.
MAINTENANCE
DISASSEMBLY OUTPUT SHAFT
1. Install slotted nut (Ref #15, Figure Mnt-R-0211) onto shaft and then tap shaft end on a solid surface to
remove lower bearing and spacer.
2. Remove retaining ring (Ref #28) and repeat above procedure to remove upper bearing.
ASSEMBLY
1. Assembly of output shaft is accomplished in exact reverse order. Install bearing onto shaft and press
against gear. Install retaining ring (Ref. #28 Figure Mnt-R-0211).
2. Install spacer and lower bearing on shaft.
LOWER BEARING RETAINER CAP (Figure Mnt-R-0213)
1. Remove old seal from cap and press in new seal. (See SEAL INSTALLATION RECOMMENDATIONS).

MAINTENANCE
EC72 03/08 Maintenance Section 5-13
© 2008 Alamo Group Inc.
MAINTENANCE
GEARBOX INPUT SHAFT REAR BEARING
Remove bearing (Ref. #25 Figure Mnt-R-0211) from inside main housing. A special slide hammer puller
(PROTO No. 4056) or equal may be required to remove bearing. Press in new bearing using a driving tube or
pipe with approximate same OD. as bearing cup. Seat outer race of bearing against shoulder in housing.
GEARBOX ASSEMBLY STEPS
Clean and scrape all gasket surfaces.
A.
1. Insert output shaft assembly into main housing and press into place. NOTE: Use pipe or tube with
approximate same OD. as bearing cup and press into place by striking or pressing on tube.
2. Prelube lower bearing.
3. Place lower gasket in place and then carefully slide bearing retainer cap assembly down shaft.
4. Install bolts and lockwashers and torque to 40-50 ft. lbs.
B.
1. Assemble three shims onto input shaft housing. Insert input shaft assembly into main housing by installing
shaft end into bearing in main housing. It may be necessary to rotate shaft to align gear teeth so that
housing will install completely. Note position of shield mounting holes in housing.
2. Install washers and bolts and torque to 40-50 ft. lbs.
3. Gear backlash check procedure (Figure Mnt-R-0044). Install 1/2 x 3 capscrew through shear pin hole.
Install flat washers to take up 1/2” space and then install nut and tighten so bolt cannot move. Clamp
gearbox to something solid so it will not move when shaft is rotated by hand. Measure 1-1/2 inches from
side of shaft to point on bolt and mark (See Figure Mnt-R-0044). Set dial indicator at marked point, then
while holding bottom shaft so it will not rotate, rotate the input shaft back and forth noting extreme indicator
reading. If total indicator deflection reading does not fall between 0.006 to 0.018, then shims (Ref. #12
Figure Mnt-R-0211) will have to be added to increase backlash or deleted to decrease backlash.

SERVIS-RHINO
LIMITED WARRANTY
1. LIMITED WARRANTIES
1.01. Servis-Rhino warrants for one year from the purchase date to the original non-commercial, governmental, or municipal purchaser
(“Purchaser”) and warrants for six months to the original commercial or industrial purchaser (“Purchaser”) that the goods purchased
are free from defects in material or workmanship.
1.02. Manufacturer will replace for the Purchaser any part or parts found, upon examination at one of its factories, to be defective under
normal use and service due to defects in material or workmanship.
1.03. This limited warranty does not apply to any part of the goods which has been subjected to improper or abnormal use, negligence,
alteration, modification, or accident, damaged due to lack of maintenance or use of wrong fuel, oil, or lubricants, or which has
served its normal life. This limited warranty does not apply to any part of any internal combustion engine, or expendable items such
as blades, shields, guards, or pneumatic tires except as specifically found in your Operator’s Manual.
1.04. Except as provided herein, no employee, agent, Dealer, or other person is authorized to give any warranties of any nature on behalf
of Manufacturer.
2. REMEDIES AND PROCEDURES.
2.01. This limited warranty is not effective unless the Purchaser returns the Registration and Warranty Form to Manufacturer within 30
days of purchase.
2.02. Purchaser claims must be made in writing to the Authorized Dealer (“Dealer”) from whom Purchaser purchased the goods or an
approved Authorized Dealer (“Dealer”) within 30 days after Purchaser learns of the facts on which the claim is based.
2.03. Purchaser is responsible for returning the goods in question to the Dealer.
2.04. If after examining the goods and/or parts in question, Manufacturer finds them to be defective under normal use and service due to
defects in material or workmanship, Manufacturer will:
(a)Repair or replace the defective goods or part(s) or
(b)Reimburse Purchaser for the cost of the part(s) and reasonable labor charges (as determined by Manufacturer) if Purchaser
paid for the repair and/or replacement prior to the final determination of applicability of the warranty by Manufacturer.
The choice of remedy shall belong to Manufacturer.
2.05. Purchaser is responsible for any labor charges exceeding a reasonable amount as determined by Manufacturer and for returning
the goods to the Dealer, whether or not the claim is approved. Purchaser is responsible for the transportation cost for the goods or
part(s) from the Dealer to the designated factory.
3. LIMITATION OF LIABILITY.
3.01. MANUFACTURER DISCLAIMS ANY EXPRESS (EXCEPT AS SET FORTH HEREIN) AND IMPLIED WARRANTIES WITH
RESPECT TO THE GOODS INCLUDING, BUT NOT LIMITED TO, MERCHANTABILITY AND FITNESS FOR A PARTICULAR
PURPOSE.
3.02. MANUFACTURER MAKES NO WARRANTY AS TO THE DESIGN, CAPABILITY, CAPACITY, OR SUITABILITY FOR USE OF THE
GOODS.
3.03. EXCEPT AS PROVIDED HEREIN, MANUFACTURER SHALL HAVE NO LIABILITY OR RESPONSIBILITY TO PURCHASER OR
ANY OTHER PERSON OR ENTITY WITH RESPECT TO ANY LIABILITY, LOSS, OR DAMAGE CAUSED OR ALLEGED TO BE
CAUSED DIRECTLY OR INDIRECTLY BY THE GOODS INCLUDING, BUT NOT LIMITED TO, ANY INDIRECT, SPECIAL,
CONSEQUENTIAL, OR INCIDENTAL DAMAGES RESULTING FROM THE USE OR OPERATION OF THE GOODS OR ANY
BREACH OF THIS WARRANTY. NOT WITHSTANDING THE ABOVE LIMITATIONS AND WARRANTIES, MANUFACTURER’S
LIABILITY HEREUNDER FOR DAMAGES INCURRED BY PURCHASER OR OTHERS SHALL NOT EXCEED THE PRICE OF
THE GOODS.
3.04. NO ACTION ARISING OUT OF ANY CLAIMED BREACH OF THIS WARRANTY OR TRANSACTIONS UNDER THIS WARRANTY
MAY BE BROUGHT MORE THAN TWO (2) YEARS AFTER THE CAUSE OF ACTION HAS OCCURRED.
4. MISCELLANEOUS.
4.01. Proper Venue for any lawsuits arising from or related to this limited warranty shall be only in Guadalupe County, Texas.
4.02. Manufacturer may waive compliance with any of the terms of this limited warranty, but no waiver of any terms shall be deemed to be
a waiver of any other term.
4.03. If any provision of this limited warranty shall violate any applicable law and is held to be unenforceable, then the invalidity of such
provision shall not invalidate any other provisions herein.
4.04. Applicable law may provide rights and benefits to purchaser in addition to those provided herein.
KEEP FOR YOUR RECORDS
ATTENTION: Purchaser should fill in the blanks below for his reference when buying repair parts and/or for proper machine identification when
applying for warranty.
Servis-Rhino Implement Model Serial Number
Date Purchased Dealer
ATTENTION:
READ YOUR OPERATOR'S MANUAL
RHINO®
1020 S Sangamon Ave.
Gibson City, IL 60936
800-446-5158
Email: parts@servis-rhino.com

TO THE OWNER/OPERATOR/DEALER
To keep your implement running efficiently and safely, read your manual thoroughly and
follow these directions and the Safety Messages in this Manual. The Table of Contents clearly identifies each
section where you can easily find the information you need.
The OCCUPATIONAL SAFETY AND HEALTH ACT (1928.51 Subpart C) makes these minimum safety
requirements of tractor operators:
REQUIRED OF THE OWNER:
1. Provide a Roll-Over-Protective Structure that meets the requirements of this Standard; and
2. Provide Seat belts that meet the requirements of this paragraph of this Standard and SAE J4C; and
3. Ensure that each employee uses such Seat belt while the tractor is moving; and
4. Ensure that each employee tightens the Seat belt sufficiently to confine the employee to the protected
area provided by the ROPS
REQUIRED OF THE OPERATOR:
1. Securely fasten seat belt if the tractor has a ROPS.
2. Where possible, avoid operating the tractor near ditches, embankments, and holes.
3. Reduce speed when turning, crossing slopes, and on rough, slick, or muddy surfaces.
4. Stay off slopes too steep for safe operation.
5. Watch where you are going - especially at row ends, on roads, and around trees.
6. Do not permit others to ride.
7. Operate the tractor smoothly - no jerky turns, starts, or stops.
8. Hitch only to the drawbar and hitch points recommended by the tractor manufacturer.
9. When the tractor is stopped, set brakes securely and use park lock, if available.
Keep children away from danger all day, every day...
Equip tractors with rollover protection (ROPS) and keep
all machinery guards in place...
Please work, drive, play and live each day with care and
concern for your safety and that of your family and fellow
citizens.

EC72-SOM-03/08 P/N 00779477C
Printed U.S.A
EC72
ROTARY MOWER