Sharp Sgh C130 Users Manual C
SGH-C130 to the manual 9eeeefa7-9c57-4093-a174-e3836013ec49
2015-01-23
: Sharp Sharp-Sgh-C130-Users-Manual-285471 sharp-sgh-c130-users-manual-285471 sharp pdf
Open the PDF directly: View PDF
.
Page Count: 60

GSM TELEPHONE
SGH-C130
GSM TELEPHONE CONTENTS
1. Safety Precautions
2. Specification
3. Product Function
4. Array course control
5. Exploded View and Parts List
6. Disassembly and Assembly
instructions
7. MAIN Electrical Parts List
8. Block Diagrams
9. PCB Diagrams
10. Flow Chart of Troubleshooting
11. Reference data

Contents
1. Safety Precautions
1-1. Repair Precaution ...........................................................................1-1
1-2. ESD(Electrostatically Sensitive Devices) Precaution ...........................1-2
2. Specification
2-1. GSM General Specification ..............................................................2-1
2-2. GSM Tx Power Class ......................................................................2-2
3. Product Function
3-1. Main Function ................................................................................3-1
4. Array course control
Software Downloading
4-1. Downloading Binary Files ................................................................4-2
4-2. Pre-requsite for Downloading ..........................................................4-2
4-3. S/W Downloader Program ...............................................................4-3
5. Exploded View and Parts List
5-1. Cellular phone Exploded View .........................................................5-1
5-2. Cellular phone Part list ...................................................................5-2
6. Disassembly and Assembly instructions
6-1. Disassembly ..................................................................................6-1
6-2. Assembly ......................................................................................6-3
7. MAIN Electrical Parts List
8. Block Diagrams
9. PCB Diagrams
10. Flow Chart of Troubleshooting
10-1. Baseband
10-1-1. Power ON ..............................................................................10-1

Contents
10-1-2. Initial ....................................................................................10-5
10-1-3. Sim Part ...............................................................................10-8
10-1-4. Microphone Part ...................................................................10-10
10-1-5. Receiver Part .......................................................................10-12
10-1-6. Speaker Part ........................................................................10-12
10-2. RF
10-2-1. EGSM RX .............................................................................10-16
10-2-2. DCS RX ...............................................................................10-18
10-2-3. EGSM TX .............................................................................10-20
10-2-4. DCS TX ...............................................................................10-22
11. Reference data

SAMSUNG Proprietary-Contents may change without notice
1. Safety Precautions
1-1
This Document can not be used without Samsung's authorization
1-1. Repair Precaution
●Repair in Shield Box, during detailed tuning.
Take specially care of tuning or test,
because specipicty of cellular phone is sensitive for surrounding interference(RF noise).
●Be careful to use a kind of magnetic object or tool,
because performance of parts is damaged by the influence of manetic force.
●Surely use a standard screwdriver when you disassemble this product,
otherwise screw will be worn away.
●Use a thicken twisted wire when you measure level.
A thicken twisted wire has low resistance, therefore error of measurement is few.
●Repair after separate Test Pack and Set because for short danger (for example an
overcurrent and furious flames of parts etc) when you repair board in condition of
connecting Test Pack and tuning on.
●Take specially care of soldering, because Land of PCB is small and weak in heat.
●Surely tune on/off while using AC power plug, because a repair of battery charger is
dangerous when tuning ON/OFF PBA and Connector after disassembing charger.
●Don't use as you pleases after change other material than replacement registered on SEC
System. Otherwise engineer in charge isn't charged with problem that you don't keep this
rules.

SAMSUNG Proprietary-Contents may change without notice
Safety Precautions
1-2
This Document can not be used without Samsung's authorization
1-2. ESD(Electrostatically Sensitive Devices) Precaution
Several semiconductor may be damaged easilly by static electricity. Such parts are called by
ESD(Electrostatically Sensitive Devices), for example IC,BGA chip etc. Read Precaution below.
You can prevent from ESD damage by static electricity.
●Remove static electricity remained your body before you touch semiconductor or parts with
semiconductor. There are ways that you touch an earthed place or wear static electricity
prevention string on wrist.
●Use earthed soldering steel when you connect or disconnect ESD.
●Use soldering removing tool to break static electricity. , otherwise ESD will be damaged by
static electricity.
●Don't unpack until you set up ESD on product. Because most of ESD are packed by box
and aluminum plate to have conductive power,they are prevented from static electricity.
●You must maintain electric contact between ESD and place due to be set up until ESD is
connected completely to the proper place or a circuit board.

SAMSUNG Proprietary-Contents may change without notice
2. Specification
2-1
This Document can not be used without Samsung's authorization
2-1. GSM General Specification
GSM900
Phase 1
EGSM 900
Phase 2
DCS1800
Phase 1
Freq. Band[MHz]
Uplink/Downlink
890~915
935~960
880~915
925~960
1710~1785
1805~1880
ARFCN range 1~124 0~124 &
975~1023 512~885
Tx/Rx spacing 45 MHz 45 MHz 95 MHz
Mod. Bit rate/
Bit Period
270.833 kbps
3.692 us
270.833 kbps
3.692 us
270.833 kbps
3.692 us
Time Slot
Period/Frame Period
576.9 us
4.615 ms
576.9 us
4.615 ms
576.9 us
4.615 ms
Modulation 0.3 GMSK 0.3 GMSK 0.3 GMSK
MS Power 33 dBm~13 dBm 33 dBm~5 dBm 30 dBm~0 dBm
Power Class 5 p cl ~ 1 5 pcl 5 pcl ~ 19 pcl 0 pcl ~ 15 pcl
Sensitivity -102 dBm -102 dBm -100 dBm
TDMA Mux 8 8 8
Cell Radius 35 Km 35 Km 2 Km

SAMSUNG Proprietary-Contents may change without notice
Specification
2-2
This Document can not be used without Samsung's authorization
2-2. GSM TX power class
TX Power
control level GSM900
533±2dBm
631±2dBm
729±2dBm
827±2dBm
925±2dBm
10 23±2 dBm
11 21±2 dBm
12 19±2 dBm
13 17±2 dBm
14 15±2 dBm
15 13±2 dBm
16 11±3 dBm
17 9± 3dBm
18 7±3 dBm
19 5±3 dBm
TX Power
control level DCS1800
0 30±3 dBm
1 28±3 dBm
2 26±3 dBm
3 24±3 dBm
4 22±3 dBm
5 20±3 dBm
6 18±3 dBm
7 16±3 dBm
8 14±3 dBm
9 12±4 dBm
10 10±4 dBm
11 8±4 dBm
12 6±4 dBm
13 4±4 dBm
14 2±5 dBm
15 0±5 dBm

SAMSUNG Proprietary-Contents may change without notice
3. Product Function
3-1
This Document can not be used without Samsung's authorization
3-1. Main Function
-Camera and camcorder
-Music player
-Bluetooth
-Web browser
-Get personal with photo caller ID
-Name card
-Multimedia Message Service (MMS)
-Java
-Calendar
-Voice recorder
-Alarm

SAMSUNG Proprietary-Contents may change without notice
4. Array course control
4-1
This Document can not be used without Samsung's authorization
Test Jig (GH80-03307A)
Test Cable (GH39-00127A)
RF Test Cable (GH39-00283A)

SAMSUNG Proprietary-Contents may change without notice
Array course control
4-2
This Document can not be used without Samsung's authorization
Software Downloading
4-1. Downloading Binary Files
• Three binary files for downloading C130.
– C130XXYY.s3 : Main source code binary.
4-2. Pre-requsite for Downloading
• Downloader Program(OptiFlash.exe)
• C130 Mobile Phone
• Data Cable
• Binary files

SAMSUNG Proprietary-Contents may change without notice
Array course control
4-3
This Document can not be used without Samsung's authorization
4-3. S/W Downloader Program
1. Load the binary download programby executing the “OptiFlash.exe”
2. Select the “Options” -> “Settings” -> “Generic” -> “Specify hardware
platform”.
Choose hardware platform for the downloader file setting.
Set the everything else as the default values which are shown below
1.

SAMSUNG Proprietary-Contents may change without notice
Array course control
4-4
This Document can not be used without Samsung's authorization
3. Select the COM port when the download cable is connected
Up to twelve ports are supported. Additionally you can select the
maximum transfer speed OptiFlash will use to communicate with
the phone. However, OptiFlash will use a slower speed if either the
PC’s or the phone’s serial hardware is incapable of handling the
selected speed

SAMSUNG Proprietary-Contents may change without notice
Array course control
4-5
This Document can not be used without Samsung's authorization
4. Select the“Flash&Verify” -> “Browse”
Set the directory path and choose the latest s/w binary, for example
“XC30XXYY.s3”,for the downloader binary setting.
Make sure that not to change the reserved memory
regions.
In case of C130 the reserved regions are :
-0x00fc0000 – 0x00ffffff

SAMSUNG Proprietary-Contents may change without notice
Array course control
4-6
This Document can not be used without Samsung's authorization
5. Click “OK” button then press “Flash”.
(Before pressing ‘Flash’ button, push the button ‘*’and ‘END’ at the same
time. Then press ‘Flash’.)
Downloader will upload the binary file as below for the downloading.
6. When downloading is finished successfully, there is a “All is well”
message.
7. After finishing downloading, Certain memory resets should be done to
guarantee the normal performance.
8. Confirm the downloaded version name and etc. :
*#5002*8376263#
Full Reset :
*2767*3855#

SAMSUNG Proprietary-Contents may change without notice
5. Exploded View and Parts List
5-1
This Document can not be used without Samsung's authorization
5-1. Cellular phone Exploded View
QMP01
QFR01
QIF01
QKP01
QRE02
QLC01
QAN02
QRE01
QBA00
QCR17
QSP01
QME01
QMI01
QMO01
QRF03
QCR06
QRF01
QBA01
QAR01
QAN06

SAMSUNG Proprietary-Contents may change without notice
Exploded View and Parts List
5-2
This Document can not be used without Samsung's authorization
Design LOC Discription SEC CODE
QAN02 INTENNA-SGHC130 GH42-00826A
QAN06 MEC-ANT CONTACT RUBBER GH75-09635A
QAR01 AUDIO-RECEIVER 3009-001201
QBA00 MEC-COVER BATT GH75-09643A
QBA01 INNER BATTERY PACK-750MAH,BLK, GH43-02483A
QCR06 SCREW-MACHINE 6001-001155
QCR17 SCREW-MACHINE 6001-001460
QKP01 MEC-KEYPAD GH75-09645A
QLC01 LCD-SGHC130 MODULE GH07-00915A
QME01 UNIT-METAL DOME GH59-03151A
QMI01 MICROPHONE-ASSY-SGHC130 GH30-00276A
QMO01 MOTOR-DC 3101-001324
QMP01 PBA MAIN-SGHC130 GH92-02745A
QRE01 MEC-COVER REAR GH75-09642A
QRE02 MEC-BRACKET REAR GH75-09644A
QRF01 RMO-COVER RF GH73-06809A
QRF03 PMO-COVER EAR GH72-30146A
QSP01 SPEAKER 3001-001966
QFR01 MEC-COVER FRONT GH75-09641A
QIF01 PMO-COVER IF GH72-30148A
5-2. Cellular phone Parts list

SAMSUNG Proprietary-Contents may change without notice
Exploded View and Parts List
5-3
This Document can not be used without Samsung's authorization
Discription SEC CODE
BAG PE 6902-000297
ADAPTOR-SGHN288 TAD GH44-00184A
LABEL(P)-IMEI GH68-01335D
LABEL(P)-WATER SOAK GH68-02026A
MANUAL USERS-EU RUSSIAN GH68-10872A
LABEL(R)-MAIN SEK GH68-11303B
CUSHION-CASE TA2 MA2 GH69-03897A
BOX(P)-UNIT MAIN(EU) GH69-04012A
RMO-CUSHION RUBBER TR GH73-07077A
MPR-SPONGE VIBRATOR GH74-14818A
MPR-CUSHION INTENNA GH74-22230A
MPR-CUSHION RCV GH74-23341A
MPR-TAPE GND GH74-23342A
MPR-TAPE IF CON GH74-23343A
MPR-TAPE BACKUP BATTERY GH74-23544A
MPR-VINYL BOHO MAIN GH74-24760A

SAMSUNG Proprietary-Contents may change without notice
6. Disassembly and Assembly instructions
6-1
This Document can not be used without Samsung's authorization
6-1. Disassembly
1) Unlock 4 screws.
※caution
1) Be careful not to make scratch and
molding damage!
1) Raise up the upper part of SET.
※caution
1) Be careful not to make scratch and
molding damage!
2) Must unlock the upper side first.
-If you unlock the lower part first,
locker of the lower part is damaged.
1
43
2
1) Unlock rightside of SET
※caution
1) Be careful not to make scratch and
molding damage!
1) Unlock leftside of SET
※caution
1) Be careful not to make scratch and
molding damage!

SAMSUNG Proprietary-Contents may change without notice
Disassembly and Assembly instructions
6-2
This Document can not be used without Samsung's authorization
1) Holding and pulling the upper part of REAR
disassamble the lower part of REAR.
※caution
1) Be careful not to make scratch and
molding damage!
2) Be careful not to make damage of the
lower locker!
1) Holding FRONT and pushing KEA PAD,
disassamble the MIC FPCB.
2) Pushing KEY PAD under the earjack,
disassable the lower part of PBA
※caution
1) Be careful not to make scratch and
molding damage!
2) When you disassamble PBA, be careful not
to make MIC FPCB damage!
56
7 8
1) Rising up PBA LCD PART slowly and
disassamble RECEIVER.
※caution
1) Be careful not to make scratch and
molding damage!
2) Be careful not to make RECEIVER WIRE
damage!
3) Be careful not to make LCD damage!

SAMSUNG Proprietary-Contents may change without notice
Disassembly and Assembly instructions
6-3
This Document can not be used without Samsung's authorization
6-2. Assembly
1) Fix into SILK GUIDE LINE, attach the
RECEIVER PORON.
1)Attach the CUSION ROBBER on ceter of
AGERETCCHIP.
2)Attach the ELECTRIC TAPE for covering top
of BACK UP BATT.
1) Fix into PCB GND corner, Attach the
SHIELD GARSKET.
2) Fix into outline of DOME SHEET and PCB
GRD corner, Attach the ELECTRIC TAPE
and cover the reverse side of PCB
※caution
1) After attaching the ELECTRIC TAPE, rup up
it not to take off.
1
43
2
1)fix into silk guide line,Attach the CUSION
INTENNA PORON
2)fix into undet intenna contact shape,attach
ROBBER.
COVER TOP OF BACK UP BATT
ATTACH THE PART
OF CENTER
PCB OUTLINE
AND DOME
SHEET
OUTLINE
PCB GND
CORNER
SILK GUIDE LINE
SILK GUIDE LINE

SAMSUNG Proprietary-Contents may change without notice
Disassembly and Assembly instructions
6-4
This Document can not be used without Samsung's authorization
1) Check the polarity and and solder the
RECEIVER
※caution
1) Be careful circuit short and soldering error.
1) Fix into LCD FPCB soldering guide
hole,
solder LCD FPCB.
※caution
1) Be careful not to make LCD FPCB damage.
2) Be careful circuit short and soldering error.
5
7
6
1) Fix into MIC soldering guide hole,
solder MIC FPCB.
※caution
1) Be careful circuit short and soldering error.
1) Assemble the LCD ON the PCB.
※caution
1) Be careful not to make LCD FPCB damage.
8
CHECK the
soldering guide
hole
Check
the
polarity.
Check the
soldering
guide hole
Locking point check

SAMSUNG Proprietary-Contents may change without notice
Disassembly and Assembly instructions
6-5
This Document can not be used without Samsung's authorization
1) Check the polarity and and solder the
RECEIVER
2) Attach the MOTER on the SHIELD CAN
※caution
1) Attaching moter, check the direction.
(same as picture)
2) Be careful circuit short and soldering error.
1)Check the polarity of SPEAKER, solder it
※caution
1) Be careful circuit short and soldering error.
9
11
10
1) Screw up the SHEILD CAN at 4 Points.
[M1.4 x L2.3]
※caution
1) Torque 0.8 ± 0.1 Kgf/㎠
2) Be careful not to damage LCD !
1)Assemble intenna on PBA
※caution
1) Be careful not to damage LCD !
12
Check the point
Check the
polarity
납땜 기준홀 확인
Check the polarity Check the locking point

SAMSUNG Proprietary-Contents may change without notice
Disassembly and Assembly instructions
6-6
This Document can not be used without Samsung's authorization
13
15
14
16
1) Insert RECEIVER in the FRONT
※caution
1) Torque 0.8 ± 0.1 Kgf/㎠
2) Be careful not to make scratch and
molding damage!
1) Insert PBA in the FRONT.
※caution
1) Inserting PBA, be caful not to make MIC
FPCB damage!
2) Be careful not to make scratch and
molding damage!
1) Insert MIC in the FRONT MIC HOLE.
※caution
1) Be careful not to make the MIC FPCB
damage!
2) Be careful not to make scratch and
molding damage!
1) Assemble FRONT and ROAR Locker..
※caution
1) Be careful not to make locker damage
2) Be careful not to make scratch and
molding damage!
After inserting
reciver, insert LCD
After inserting PBA, check the
locking point
Folding MIC FPCB, insert
it in FRONT
Check the
Bottom side
LOCKING

SAMSUNG Proprietary-Contents may change without notice
Disassembly and Assembly instructions
6-7
This Document can not be used without Samsung's authorization
1817
1) After assambling the bottom side, push
and assamble the upper side
※caution
1) Be careful not to make scratch and
molding damage!
1) Screw up the REAR at 4 Points.
[M1.4* L3.5]
※caution
1) Torque 0.8 ± 0.1 Kgf/㎠
2) Be careful not to make scratch and
molding damage!
After assembling the
lower side,
assemble upper side
Check SCREW 4
points

SAMSUNG Proprietary-Contents may change without notice
7. MAIN Electrical Parts List
7-1
This Document can not be used without Samsung's authorization
SEC CODE Design LOC Discription STATUS
0403-001427 ANT100 DIODE-ZENER SA
0403-001547 BAT300 DIODE-ZENER SA
0404-001172 BTC104 DIODE-SCHOTTKY SA
0406-001083 C100 DIODE-TVS SA
0406-001083 C101 DIODE-TVS SA
0406-001083 C102 DIODE-TVS SA
0406-001210 C105 DIODE-TVS SA
0406-001210 C106 DIODE-TVS SA
0406-001210 C107 DIODE-TVS SA
0406-001210 C108 DIODE-TVS SA
0406-001210 C109 DIODE-TVS SA
0406-001210 C110 DIODE-TVS SA
0406-001254 C112 DIODE-TVS SA
0406-001254 C113 DIODE-TVS SA
0406-001254 C115 DIODE-TVS SA
0406-001254 C116 DIODE-TVS SA
0406-001254 C117 DIODE-TVS SA
0406-001254 C118 DIODE-TVS SA
0406-001254 C119 DIODE-TVS SA
0406-001254 C120 DIODE-TVS SA
0407-001002 C121 DIODE-ARRAY SA
0501-000225 C126 TR-SMALL SIGNAL SA
0504-000168 C127 TR-DIGITAL SA
0601-001979 C129 LED SA
0601-001979 C130 LED SA
0801-002529 C132 IC-CMOS LOGIC SA
1108-000070 C133 IC-MCP SA
1201-002364 C134 IC-POWER AMP SA
1203-003304 C135 IC-POWER SUPERVISOR SA
1203-003663 C136 IC-BATTERY SA
1203-003737 C137 IC-POSI.FIXED REG. SA
1203-004337 C138 IC-DC/DC CONVERTER SA
1204-001811 C139 IC-MELODY SA
1205-002683 C140 IC-TRANSCEIVER SA
1209-001219 C141 IC-SENSOR SA
1405-001082 C142 VARISTOR SA
1405-001082 C143 VARISTOR SA
1405-001082 C146 VARISTOR SA
1405-001082 C147 VARISTOR SA
1405-001082 C149 VARISTOR SA
1405-001082 C150 VARISTOR SA
1405-001082 C151 VARISTOR SA
1405-001082 C152 VARISTOR SA

SAMSUNG Proprietary-Contents may change without notice
Main Electrical Parts List
7-2
This Document can not be used without Samsung's authorization
SEC CODE Design LOC Discription STATUS
1405-001082 C153 VARISTOR SA
1405-001082 C155 VARISTOR SA
1405-001082 C156 VARISTOR SA
1405-001093 C158 VARISTOR SA
2007-000140 C160 R-CHIP SA
2007-000140 C161 R-CHIP SA
2007-000142 C162 R-CHIP SNA
2007-000148 C164 R-CHIP SA
2007-000148 C165 R-CHIP SA
2007-000148 C166 R-CHIP SA
2007-000148 C167 R-CHIP SA
2007-000157 C168 R-CHIP SA
2007-000157 C170 R-CHIP SA
2007-000157 C171 R-CHIP SA
2007-000157 C172 R-CHIP SA
2007-000160 C173 R-CHIP SA
2007-000161 C174 R-CHIP SA
2007-000161 C175 R-CHIP SA
2007-000161 C176 R-CHIP SA
2007-000161 C178 R-CHIP SA
2007-000162 C179 R-CHIP SA
2007-000162 C180 R-CHIP SA
2007-000162 C181 R-CHIP SA
2007-000162 C182 R-CHIP SA
2007-000162 C183 R-CHIP SA
2007-000162 C188 R-CHIP SA
2007-000164 C198 R-CHIP SA
2007-000170 C199 R-CHIP SA
2007-000171 C200 R-CHIP SA
2007-000171 C201 R-CHIP SA
2007-000171 C202 R-CHIP SA
2007-000171 C203 R-CHIP SA
2007-000171 C204 R-CHIP SA
2007-000171 C205 R-CHIP SA
2007-000172 C206 R-CHIP SA
2007-000172 C207 R-CHIP SA
2007-000172 C208 R-CHIP SA
2007-000566 C209 R-CHIP SA
2007-000566 C210 R-CHIP SA
2007-000566 C211 R-CHIP SA
2007-000566 C212 R-CHIP SA
2007-000775 C213 R-CHIP SA
2007-000775 C214 R-CHIP SA

SAMSUNG Proprietary-Contents may change without notice
Main Electrical Parts List
7-3
This Document can not be used without Samsung's authorization
SEC CODE Design LOC Discription STATUS
2007-000775 C215 R-CHIP SA
2007-000831 C216 R-CHIP SA
2007-000831 C217 R-CHIP SA
2007-001119 C220 R-CHIP SA
2007-001308 C222 R-CHIP SA
2007-001320 C223 R-CHIP SA
2007-001320 C225 R-CHIP SA
2007-001323 C226 R-CHIP SA
2007-001325 C227 R-CHIP SA
2007-002797 C228 R-CHIP SA
2007-002965 C229 R-CHIP SA
2007-002965 C230 R-CHIP SA
2007-002965 C233 R-CHIP SA
2007-002965 D200 R-CHIP SA
2007-002965 D201 R-CHIP SA
2007-007197 EAR102 R-CHIP SA
2007-007197 F101 R-CHIP SA
2007-007573 F102 R-CHIP SA
2007-007573 GND101 R-CHIP SA
2007-008137 IFC101 R-CHIP SA
2007-008419 L100 R-CHIP SA
2007-008419 L101 R-CHIP SA
2007-008419 L102 R-CHIP SA
2007-008419 L104 R-CHIP SA
2007-008419 L105 R-CHIP SA
2007-008419 L110 R-CHIP SA
2007-008419 L111 R-CHIP SA
2007-008419 L200 R-CHIP SA
2007-008419 LED200 R-CHIP SA
2007-008419 LED201 R-CHIP SA
2007-008419 OSC100 R-CHIP SA
2007-008419 OSC200 R-CHIP SA
2007-008486 PAM100 R-CHIP SA
2007-008516 R104 R-CHIP SA
2007-008516 R105 R-CHIP SA
2007-008590 R107 R-CHIP SNA
2007-009160 R108 R-CHIP SA
2007-009171 R111 R-CHIP SA
2203-000233 R112 C-CER,CHIP SA
2203-000233 R113 C-CER,CHIP SA
2203-000233 R114 C-CER,CHIP SA
2203-000233 R115 C-CER,CHIP SA
2203-000233 R116 C-CER,CHIP SA

SAMSUNG Proprietary-Contents may change without notice
Main Electrical Parts List
7-4
This Document can not be used without Samsung's authorization
SEC CODE Design LOC Discription STATUS
2203-000254 R117 C-CER,CHIP SA
2203-000254 R118 C-CER,CHIP SA
2203-000254 R120 C-CER,CHIP SA
2203-000254 R121 C-CER,CHIP SA
2203-000254 R122 C-CER,CHIP SA
2203-000254 R123 C-CER,CHIP SA
2203-000254 R128 C-CER,CHIP SA
2203-000254 R131 C-CER,CHIP SA
2203-000254 R133 C-CER,CHIP SA
2203-000254 R135 C-CER,CHIP SA
2203-000254 R137 C-CER,CHIP SA
2203-000359 R138 C-CER,CHIP SA
2203-000359 R139 C-CER,CHIP SA
2203-000386 R140 C-CER,CHIP SA
2203-000386 R142 C-CER,CHIP SA
2203-000386 R143 C-CER,CHIP SA
2203-000438 R144 C-CER,CHIP SA
2203-000654 R145 C-CER,CHIP SA
2203-000679 R146 C-CER,CHIP SA
2203-000812 R147 C-CER,CHIP SA
2203-000812 R150 C-CER,CHIP SA
2203-000812 R151 C-CER,CHIP SA
2203-000940 R152 C-CER,CHIP SA
2203-000995 R153 C-CER,CHIP SA
2203-000995 R155 C-CER,CHIP SA
2203-000995 R156 C-CER,CHIP SA
2203-001072 R157 C-CER,CHIP SA
2203-001405 R158 C-CER,CHIP SA
2203-001412 R159 C-CER,CHIP SA
2203-005344 R168 C-CER,CHIP SA
2203-005344 R170 C-CER,CHIP SA
2203-005344 R171 C-CER,CHIP SA
2203-005682 R172 C-CER,CHIP SA
2203-005682 R179 C-CER,CHIP SA
2203-005682 R180 C-CER,CHIP SA
2203-005682 R181 C-CER,CHIP SA
2203-005736 R182 C-CER,CHIP SA
2203-005736 R183 C-CER,CHIP SA
2203-005736 R184 C-CER,CHIP SA
2203-005792 R185 C-CER,CHIP SA
2203-005792 R186 C-CER,CHIP SA
2203-005819 R190 C-CER,CHIP SA
2203-005819 R191 C-CER,CHIP SA

SAMSUNG Proprietary-Contents may change without notice
Main Electrical Parts List
7-5
This Document can not be used without Samsung's authorization
SEC CODE Design LOC Discription STATUS
2203-005819 R192 C-CER,CHIP SA
2203-005819 R193 C-CER,CHIP SA
2203-005819 R194 C-CER,CHIP SA
2203-005993 R195 C-CER,CHIP SNA
2203-005993 R196 C-CER,CHIP SNA
2203-006048 R197 C-CER,CHIP SA
2203-006048 R198 C-CER,CHIP SA
2203-006048 R199 C-CER,CHIP SA
2203-006048 R200 C-CER,CHIP SA
2203-006048 R201 C-CER,CHIP SA
2203-006048 R204 C-CER,CHIP SA
2203-006048 R206 C-CER,CHIP SA
2203-006048 R207 C-CER,CHIP SA
2203-006048 R209 C-CER,CHIP SA
2203-006048 R214 C-CER,CHIP SA
2203-006048 R216 C-CER,CHIP SA
2203-006048 R243 C-CER,CHIP SA
2203-006194 R244 C-CER,CHIP SA
2203-006194 R245 C-CER,CHIP SA
2203-006257 R247 C-CER,CHIP SA
2203-006260 R249 C-CER,CHIP SA
2203-006260 R250 C-CER,CHIP SA
2203-006260 R251 C-CER,CHIP SA
2203-006260 RFS100 C-CER,CHIP SA
2203-006318 SIM103 C-CER,CHIP SA
2203-006318 TA101 C-CER,CHIP SA
2203-006318 TA102 C-CER,CHIP SA
2203-006324 TA103 C-CER,CHIP SA
2203-006348 TA104 C-CER,CHIP SA
2203-006423 TA105 C-CER,CHIP SA
2203-006423 TA106 C-CER,CHIP SA
2203-006423 TA107 C-CER,CHIP SA
2203-006423 TA108 C-CER,CHIP SA
2203-006423 TA109 C-CER,CHIP SA
2203-006556 TR103 C-CER,CHIP SA
2203-006556 TR104 C-CER,CHIP SA
2203-006562 U102 C-CER,CHIP SA
2203-006562 U105 C-CER,CHIP SA
2203-006562 U106 C-CER,CHIP SA
2203-006562 U109 C-CER,CHIP SA
2203-006562 U202 C-CER,CHIP SA
2203-006626 U203 C-CER,CHIP SA
2203-006626 U204 C-CER,CHIP SA

SAMSUNG Proprietary-Contents may change without notice
Main Electrical Parts List
7-6
This Document can not be used without Samsung's authorization
SEC CODE Design LOC Discription STATUS
2203-006648 UCP101 C-CER,CHIP SA
2203-006824 UCP201 C-CER,CHIP SA
2404-001225 UME200 C-TA,CHIP SA
2404-001225 VR112 C-TA,CHIP SA
2404-001339 VR118 C-TA,CHIP SA
2404-001343 VR119 C-TA,CHIP SA
2404-001374 VR203 C-TA,CHIP SA
2404-001381 VR204 C-TA,CHIP SA
2404-001381 VR205 C-TA,CHIP SA
2404-001406 VR206 C-TA,CHIP SA
2404-001414 VR207 C-TA,CHIP SA
2503-001053 VR208 C-NETWORK SA
2503-001053 VR209 C-NETWORK SA
2503-001053 VR210 C-NETWORK SA
2703-002313 VR212 INDUCTOR-SMD SA
2703-002346 ZD112 INDUCTOR-SMD SA
2703-002485 ZD114 INDUCTOR-SMD SA
2703-002558 ZD115 INDUCTOR-SMD SA
2703-002603 ZD116 INDUCTOR-SMD SA
2703-002842 ZD117 INDUCTOR-SMD SA
2703-002842 ZD118 INDUCTOR-SMD SA
2801-004426 ZD119 CRYSTAL-SMD SA
2801-004466 ZD121 CRYSTAL-SMD SA
2904-001592 ZD122 FILTER-SAW SA
2904-001599 ZD123 FILTER-SAW SA
3705-001358 ZD124 CONNECTOR-COAXIAL SA
3709-001384 ZD125 CONNECTOR-CARD EDGE SA
3710-001611 ZD126 CONNECTOR-INTERFACE SA
3711-006228 ZD127 HEADER-BATTERY SA
3722-002067 ZD214 JACK-EAR PHONE SA
4302-001130 ZD215 BATTERY-LI(2ND) SA
GH09-00036A ZD216 IC MICOM-SGHX480 SA
GH71-05646A ZD217 NPR-ANTENNA CONTACT SA
GH71-05646A ZD218 NPR-ANTENNA CONTACT SA

SAMSUNG Proprietary-Contents may change without notice
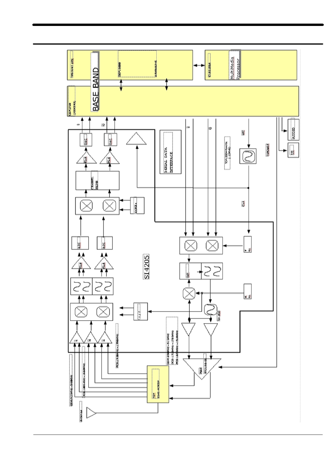
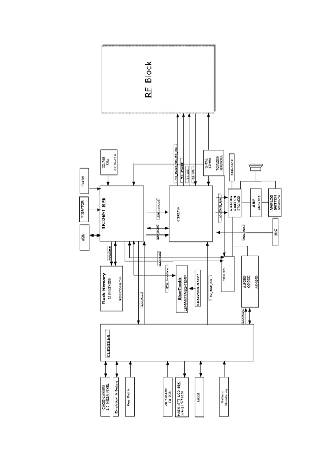
8. Block Diagrams
8-1
This Document can not be used without Samsung's authorization

SAMSUNG Proprietary-Contents may change without notice
Block Diagrams
8-2
This Document can not be used without Samsung's authorization

SAMSUNG Proprietary-Contents may change without notice
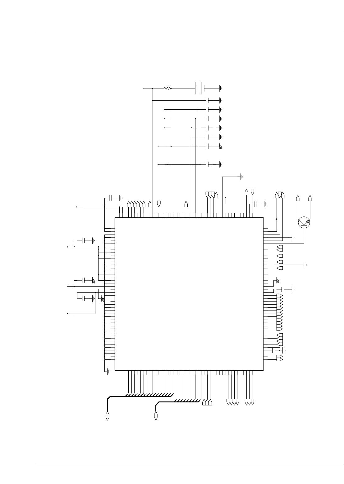
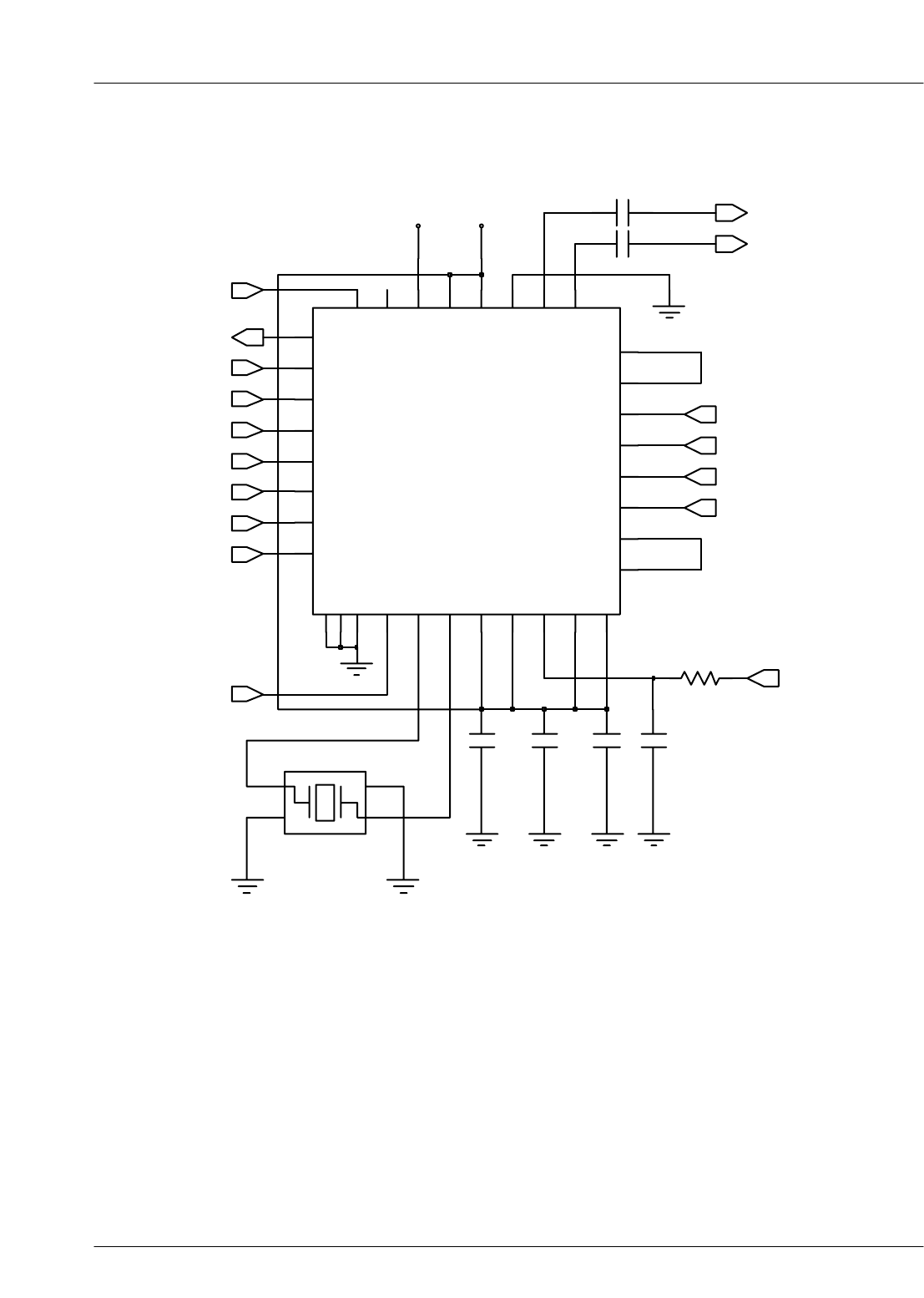
9. PCB Diagrams
9-1
This Document can not be used without Samsung's authorization
*0
123
456
789
CLEAR
DOWN
G1
G2
G3
G4
G5 G6
I
LED200 LED201
T
F
E
L
MENU
MOD500
PWR
4
0
1
R
9
7
1
R
T
H
G
I
R
SEND
SHARP
2
0
1
K
P
S
STO
UP
4
0
1
R
V
5
0
1
R
V
6
0
1
R
V
7
0
1
R
V
8
0
1
R
V
9
1
1
R
V
1
0
2
R
V
2
0
2
R
V
3
0
2
R
V4
0
2
R
V
5
0
2
R
V
6
0
2
R
V
7
0
2
R
V
8
0
2
R
V
9
0
2
R
V
0
1
2
R
V
1
1
2
R
V
2
1
2
R
V
ZD214 ZD215

SAMSUNG Proprietary-Contents may change without notice
PCB Diagrams
9-2
This Document can not be used without Samsung's authorization
ANT100
BAT300
BTC104
CP_TCK
CP_TDI
CP_TDO
CP_TMS
D200
1
0
2
D
2
0
1
R
A
E
F101F102
GND1
GND100 GND101
IFC101
MIC100
MOTOR
OSC100
0
0
2
C
S
O
0
0
1
M
A
P
RFS100
RST
SIM103
SPK101
1
0
1
A
T
2
0
1
A
T
3
0
1
A
T4
0
1
A
T
TA105
TA106
TA107
TA108
TA109
TP100
TR103
TR104
U102
U105
U106
7
0
1
U
9
0
1
U
U202
U203
4
0
2
U
UCP201
0
0
2
E
M
U
1
0
1
R
V
2
0
1
R
V
VR103
9
0
1
R
V
0
1
1
R
V
1
1
1
R
V
VR112
VR113
VR114
5
1
1
R
V
6
1
1
R
V
7
1
1
R
V
8
1
1
R
V
0
0
1
D
Z
2
1
1
D
Z
4
1
1
D
Z
1
2
1
D
Z
2
2
1
D
Z
ZD123
ZD124

SAMSUNG Proprietary-Contents may change without notice
10. Flow Chart of Troubleshooting
10-1
This Document can not be used without Samsung's authorization
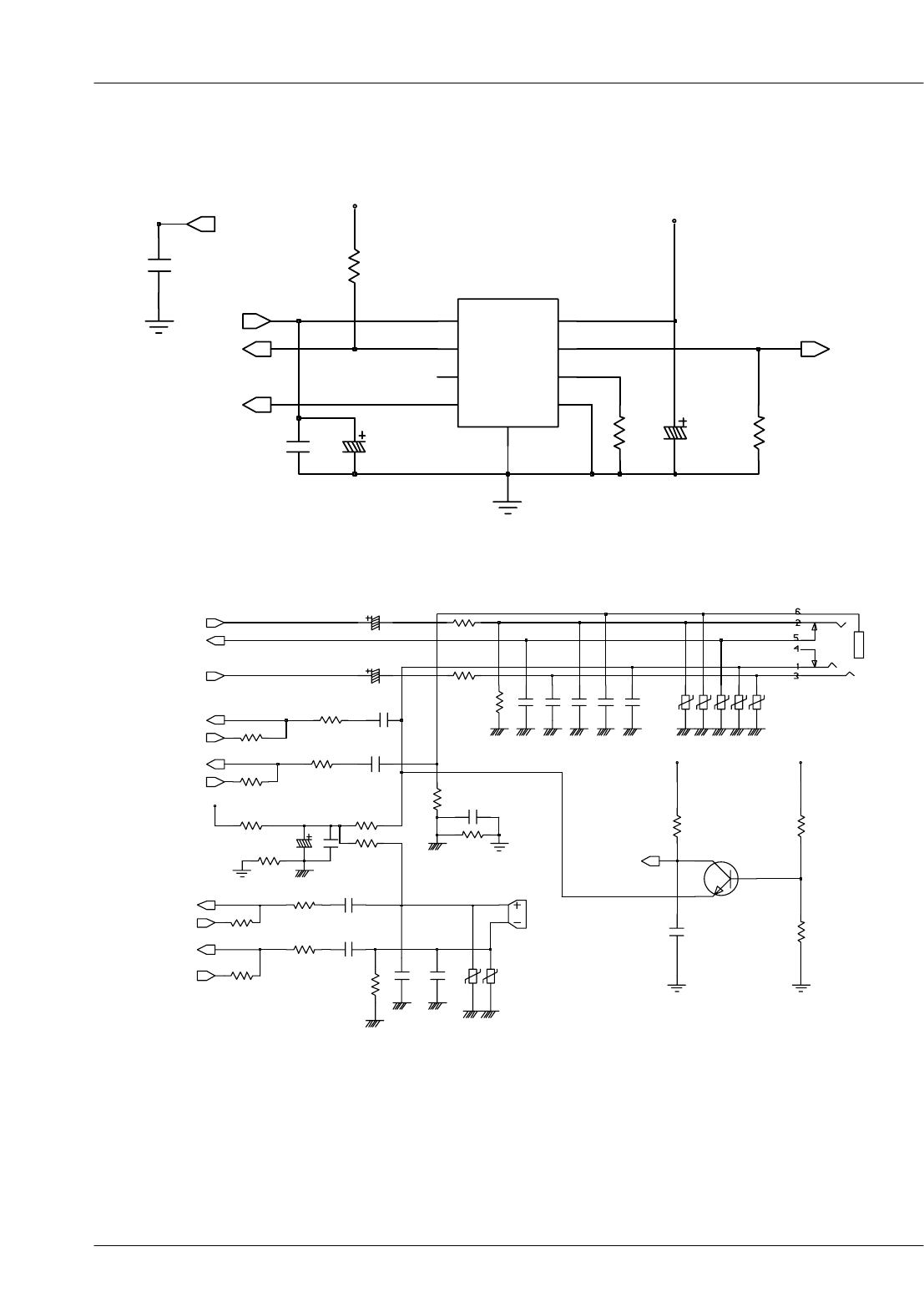
10-1.Baseband
10-1-1. Power ON
'Power On' does not work
Voltage >=3.3V
Download again
Charge the Battery
Pin#J12 >= 2.8V Check U107 and C173
Pin#A13 and
pin#A14 =2.8V Check U107 and C174
Freq = 13MHz
Vrms >=300mV
Vpp≒900mV
Check the clock generation circuit
(related to OSC100)
Check the initial operation
END
No
Yes
Yes
Yes
Yes
Yes
Yes
No
No
No
No
pin#G11 =
1.8V
No
Yes
Check the current consumption
Check the Vbat Voltage
Check the pin of U107
Checktheclocksignalatpin#8ofU102
Current consumption
>= 100mA
①
②
③
④

SAMSUNG Proprietary-Contents may change without notice
Flow Chart of Troubleshooting
10-2
This Document can not be used without Samsung's authorization
①
①
②
③
②
④

SAMSUNG Proprietary-Contents may change without notice
Flow Chart of Troubleshooting
10-3
This Document can not be used without Samsung's authorization
VBAT
P
G
E
R
V
3
1
M
VRTCH11
VSIMK12
1
S
S
V5
G
2
S
S
V4
K
3
S
S
V2
R
4
S
S
V6
P
M
C
V
X
V
3
1
R
Q
A
N
E
O
X
1
D
R157
C9
VL5S_B
VLDO_1G11
VLDO_2J12
VLDO_3A13
VLDO_4B12
VLDO_5B10
VLDO_6A14
VLDO_7C12
VREFA10
N
G
E
R
V
4
1
R
D
D
D
V1
1
N
V
D
D
V1
1
L
1
O
I
_
D
D
V5
N
2
O
I
_
D
D
V4
J
L
T
C
O
_
D
D
V4
C
VEXTE14
VIB_DRVF15
N
E
_
G
N
R
_
B
I
V
9
L
VL4S_AA12
VL4S_BB11
VL5S_AD10
R10
VACCF14
VBATE13
1
D
D
V3
J
VDD12J13
2
D
D
V3
M
3
D
D
V6
N
VDD34C11
5
D
D
V0
1
C
7
6
D
D
V3
1
B
B
D
D
V6
A
SERCK
C2
C1SERDA
B1SERLE1
SERLE2
A2
SIM_CLKK14
SIM_IOJ11
SIM_RSTK11
P
X
T
7
E
UP_CLKN9
UP_IOP10
UP_RST
RING_DRVF13
RTC_ALMNH10
K
L
C
_
C
T
R
4
N
RWN
L2
N
I
X
T
X
R
6
D
P
I
X
T
X
R
7
D
N
Q
X
T
X
R
6
C
P
Q
X
T
X
R
7
C
SCLK_PSCL8
M7
SDI_PSC
SDO_PSCN7
OCTL5
OCTL6
B3
A3OCTL7
F
U
B
_
1
W
S
P
7
L
P
E
E
K
_
R
W
P
9
M
N
1
W
S
_
R
W
P
5
1
C
2
W
S
_
R
W
P
4
1
C
1
F
E
R
A
R
6
B
2
F
E
R
A
R
5
B
R3RESETN_CSP
O
_
T
E
S
E
R
9
K
5
1
P
P
T
U
O
C
I
M
5
1
N
E
D
O
M
0
1
N
1
5
C
N
6
C
N2
7
C
N
5
P
OCTL0
E6
C5OCTL1
OCTL2
F5
E5OCTL3
OCTL4
A4
G6
L
T
C
O
_
D
N
G4
B
1
C
S
P
_
D
N
G5
1
B
2
C
S
P
_
D
N
G5
1
K
Q
R
T
N
I
0
1
L
L3I|O
LED1_DRVG13
LED2_DRVG12
C
M
6
R
N
N
I
C
I
M
4
1
M
P
N
I
C
I
M
4
1
N
N
T
U
O
C
I
M
7
1
S
D
N
G0
1
K
2
S
D
N
G8
F
3
S
D
N
G9
F
4
S
D
N
G0
1
F
5
S
D
N
G7
G
6
S
D
N
G8
G
7
S
D
N
G9
G
8
S
D
N
G0
1
G
9
S
D
N
G6
H
V
D
N
G3
1
P
R
U
C
H
_
D
N
G1
1
F
6
F
D
D
N
G0
1
M
Q
D
N
G8
E
1
S
D
N
G7
F
0
1
S
D
N
G7
H
1
1
S
D
N
G8
H
9
H
2
1
S
D
N
G
3
1
S
D
N
G7
J
4
1
S
D
N
G8
J
5
1
S
D
N
G9
J
6
1
S
D
N
G0
1
J
DB15
D2
DB2
K3
J5DB3
DB4
J6
DB5
H5
DB6
G3
DB7
G4
DB8
F4
DB9
F1
R
T
N
I
D
3
P
B
D
N
G
K
C
I
A
D
4
R
I
D
I
A
D
6
L
O
D
I
A
D
6
M
N
R
I
A
D
4
P
DB0
K1
K2DB1
DB10
F2
DB11
F3
DB12
E2
DB13
E3
DB14
D3
N
N
I
X
U
A
4
1
L
P
N
I
X
U
A
5
1
M
N
T
U
O
X
U
A
3
1
L
P
T
U
O
X
U
A
3
1
K
3
C
D
A
_
X
U
A3
1
D
CH_BDRVE11
CH_ISENF12
CH_RESD14
E9
CREF
K8
CSN_PSC
M2AB5
AB6
M1
K7AB7
AB8
K5
ADC_AUX1E10
ADC_AUX2D15
C
F
A
9
D
N
A
T
U
O
A
2
1
N
P
A
T
U
O
A
1
1
P
N
B
T
U
O
A
2
1
P
P
B
T
U
O
A
2
1
R
U107
AB0
K6
P1AB1
AB2
L5
N1AB3
AB4
N2
VCCB_2.9V
C174
VCCD_2.9V
C155
C173
TR103
13
2
C172
1
2
RB414_IV02N
BAT300
VCCD_1.8V
TP100
VRF_2.9V
VCCD_2.9V
C168
VCCA_2.9V
VRTC_3V
C175
C152
VCCD_2.9V
C162
C182
C171
C170
100NF
10V
C180
VBAT
C179
VCCA_2.9V
C153
KEY_BL1
SIM_RST
SIM_IO
VSIM
SIM_CLK
UP_SDO
UP_SCLK
UP_CS
BAND_SEL1
VREF
N
T
U
O
X
U
A
KEY_COL(2)
KEY_ROW(0)
RTCALARM
UP_SDI
SIMCLK
SIMDATA
SIMRST
P
B
T
U
O
A
N
B
T
U
O
A
K
2
3
K
L
C
C
M
_
M
3
1
K
L
C
N
O
_
R
W
P
N
O
_
G
I
J
P
N
I
C
I
M
N
N
I
C
I
M
P
T
U
O
C
I
M
N
T
U
O
C
I
M
P
N
I
X
U
A
P
T
U
O
X
U
A
N
N
I
X
U
A
TX_EN
RF_EN
VMOD_EN
XOENA
C
F
A
INTRQ
PWR_KEEP
RST
T
N
I
_
P
S
D
C
P
A
V
P
I
X
T
R
N
I
X
T
R
P
Q
X
T
R
N
Q
X
T
R
P
A
T
U
O
A
N
A
T
U
O
A
DSP_DB(0)
DSP_AB(0:8)
DSP_AB(8)
DSP_AB(7)
DSP_AB(6)
DSP_AB(5)
DSP_AB(4)
DSP_AB(3)
DSP_AB(2)
DSP_AB(1)
DSP_AB(0)
DSP_IO
DSP_RWN
FLASH_RESET
SERLE
SERDAT
SERCLK
DSP_DB(0:15)
DSP_DB(15)
DSP_DB(14)
DSP_DB(13)
DSP_DB(12)
DSP_DB(11)
DSP_DB(10)
DSP_DB(9)
DSP_DB(8)
DSP_DB(7)
DSP_DB(6)
DSP_DB(5)
DSP_DB(4)
DSP_DB(3)
DSP_DB(2)
DSP_DB(1)

SAMSUNG Proprietary-Contents may change without notice
Flow Chart of Troubleshooting
10-4
This Document can not be used without Samsung's authorization
4
3
1
OSC100
2
C119
VRF_2.9V
C120
C146
R143
VCCD_2.9V
_SEN
2
26
V
I
D
X
N
E
X
32
E
D
O
M
X
25
8XOUT
31
1
L
A
T
X
30
2
L
A
T
X
9
N
D
P
_
10
T
E
S
E
R
_
1615
L
O
F
R
SCLK
1
SDIO
3
D
D
V
12
D
D
V
13
D
D
V
28
D
D
V
29
11
O
I
V
24
RFIAP 23
RFIDN20
RFIDP 19
RFIEN 22
RFIEP 21
RFIPN 18
RFIPP17
H
O
F
R
BIN
BIP
7
BQN
4
BQP
5
14
D
N
G
D
N
G
3334
C
N
35
C
N
RFIAN
U102
C
F
A
27
6
C147
C150 C151
GSM_LNA_IN_N
GSM_LNA_IN_P
SERCLK
SERDAT
XOENA
13M_OUT
RF_EN
SERLE
DPCS_PAM_IN
GSM_PAM_IN
AFC
RTXIN
RTXIP
RTXQN
RTXQP
DCS_LNA_IN_N
DCS_LNA_IN_P

SAMSUNG Proprietary-Contents may change without notice
Flow Chart of Troubleshooting
10-5
This Document can not be used without Samsung's authorization
10-1-2. Initial
Initial Failure
The pin #G11 of U107 =
1.8V and
the pin #J12 of U107 =
2.8V ?
Check the U107
(if it has some problem, it is to be replaced.)
Yes
No
Is the pin #K9 of U107
"Low →High" ?
Yes
No Check the U107
(if it has some problem, it is to be replaced.)
There is 32.768kHz wave
forms at the C216 and
C217
Yes
No
Check the UCP201
Is the pin #A4 of U107
is "High"
The voltage is "High" at
the C170,C172,C173 Check the U107
Check the UCP201
LCD display is O.K
No
No
Yes
Yes
Yes
Check the LCD part
No
Sound is O.K
Yes
No
Check the Audio part
END
Yes
①
①
②
③
④

SAMSUNG Proprietary-Contents may change without notice
Flow Chart of Troubleshooting
10-6
This Document can not be used without Samsung's authorization
①
②③
④
③
④
④
④

SAMSUNG Proprietary-Contents may change without notice
Flow Chart of Troubleshooting
10-7
This Document can not be used without Samsung's authorization
1
M
O
I
/
9
2
A
P
IOBIT[2]/VEC[3]/EROMHI
F
R
E
P
_
S
C
_
R
T
/
]
2
[
B
K
_
P
C
0
E
Z
I
S
_
R
T
/
]
4
[
B
K
_
P
C
O
M
_
P
C
/
9
1
A
P
I
M
_
P
C
/
0
2
A
P
CKO/IACK/ERAMHI
1
M
I
/
1
3
A
P
A
Q
E
R
_
T
/
3
3
A
P
M
O
R
I
_
S
C
_
R
T
/
]
1
[
B
K
_
P
C
B
Q
E
R
_
T
/
4
3
A
P
K
L
C
_
0
M
S
/
K
L
C
_
M
I
S
P
C
P
I
_
S
C
_
R
T
/
]
3
[
B
K
_
P
C
IOBIT[1]/VEC[4]/PLLTOA
M
A
R
I
_
S
C
_
R
T
/
]
0
[
B
K
_
P
C
0
M
O
/
5
2
A
P
1
X
T
/
3
1
A
P
K
C
A
_
T
/
8
1
A
P
K
L
C
_
R
T
/
]
5
[
B
K
_
P
C
1
M
O
/
6
2
A
P
0
M
O
I
/
8
2
A
P
1
E
Z
I
S
_
R
T
/
]
7
[
B
K
_
P
C
Q
R
D
/
7
1
N
P
C
E
X
E
N
_
R
T
/
]
8
[
B
K
_
P
C
T
E
S
E
R
_
H
S
A
L
F
A
T
A
D
_
0
M
S
/
A
T
A
D
_
M
I
S
K
L
C
_
1
M
S
/
7
2
A
P
A
T
A
D
_
1
M
S
/
2
2
A
P
0
T
O
R
P
_
R
T
/
]
6
[
B
K
_
P
C
0
M
I
/
0
3
A
P
A
M
D
_
T
N
G
_
R
T
/
]
9
[
B
K
_
P
C
1
X
R
/
4
1
A
P
C216
R204
C202
C203
D12
0
1
F
F
E
R
V
X
XPA6/BE1N
XPA7/IRQ1
M9
T5 XPA8/IRQ2
XPA9/IRQ3
P2
1
M
W
P
X
5
R
XRTCALARM_N E8
0
1
N
2
1
U
XTIC_MODE
N
0
S
C
_
2
3
A
P
X
7
1
N
7
1
M
2
2
A
_
5
3
A
P
X3
1
L
5
1
N
N
5
S
C
_
3
2
A
_
6
3
A
P
X
N14 XPA3/CS4N
XPA4/OEN
P16
XPA5/WAITN
P15
T15
2
G
4
G
5
G
1
F
M11 XPA2/CS3N
3
F
1
E
4
1
H
2
L
M14 XPA1/CS2N
1
L
4
KK
C
S
_
P
C
/
1
2
A
P
X
6
J
6
H2
M
W
P
/
3
2
A
P
X
5
H3
M
W
P
/
4
2
A
P
X
3
M
XPA10/IRQ4
5
KX
R
A
D
R
I
/
1
1
A
P
X
1
NX
T
A
D
R
I
/
2
1
A
P
X
6
G
3
G
0
X
T
/
5
1
A
P
X
4
H
3
L0
X
R
/
6
1
A
P
X
4
E
3
1
P
K
C
T
_
P
C
X
3
1
DO
D
T
_
P
C
X
S
M
T
_
P
C
X
8
G
9
FN
T
S
R
T
_
P
C
X
C13 XCP_WEN
4
F
C6
XOSC32OUT
XPA0/CS1N
M15
N2
1
T
2
R
3
T
3
U
3
P
4
T
3
N
7
D
XCP_D6
E7
D5 XCP_D7
C4 XCP_D8
XCP_D9
B4
7
CI
D
T
_
P
C
X
4
L
5
L
4
M
XCP_D11
XCP_D12
C2
D2 XCP_D13
D3 XCP_D14
XCP_D15
E3
F8 XCP_D2
XCP_D3
F7
C5 XCP_D4
XCP_D5
D6
XCP_A8
B17
C17 XCP_A9
A13 XCP_CSRAMEN
XCP_CSROMEN
A12
XCP_D0
A6
B5 XCP_D1
XCP_D10
B3
C1
XCP_A2
E14
XCP_A20
L15
L16 XCP_A21
D15 XCP_A3
B15 XCP_A4
XCP_A5
C14
A16 XCP_A6
XCP_A7
A15
XCP_A12
G14
G13 XCP_A13
XCP_A14
G17
J12 XCP_A15
K12 XCP_A16
XCP_A17
K13
K14 XCP_A18
XCP_A19
L14
XAG2 E11
D11
XAG3
XBSWN B7
XCPTSTSTOP_CKO M12
B13 XCP_A0_BEON
F11 XCP_A1
D16 XCP_A10
XCP_A11
F14
7
J
S
S
V
6
K
S
S
V
0
1
E
A
S
S
V
5
1
E
L
L
P
D
_
S
S
V
X1RTC A7
D10
X2RTC
B11
XAG0
XAG1 A11
S
S
V
1
1
J
S
S
V
S
S
V9
L
3
A
S
S
V
6
F
S
S
V
S
S
V9
G
0
1
G
S
S
V
S
S
V7
H
S
S
V1
1
H
E
D
D
V
L
L
P
D
_
D
D
V6
1
G
C
T
R
V8
D
S
S
V2
A
S
S
V7
K
S
S
V6
L
0
1
L
S
S
V
S
S
V7
M
8
L
E
D
D
V1
M
2
U
E
D
D
V
E
D
D
V8
P
5
1
U
E
D
D
V
E
D
D
V6
1
U
6
1
N
E
D
D
V
E
D
D
V6
1
E
7
1
E
D
D
V
D
D
V3
1
T
6
1
R
D
D
V
D
D
V7
1
R
5
A
D
D
V
D
D
V6
1
C
A
D
D
V1
1
C
1
B
E
D
D
V
E
D
D
V4
1
B
F12
TDO
G12
TMS
TRST F15
D
D
V2
E
7
1
L
D
D
V
1
G
D
D
V
D
D
V1
R
4
R
IO7
K11
L12
C
N1
2
C
N
B
T
S
R2
1
C
RWN U5
H13
TCK
TDI H12
U7
DB#4
T7
DB#5
DB#6 R7
M6
DB#7
P7
DB#8
DB#9 N7
N4
INT#0 R12
DB#1
DB#10 N8
M8
DB#11
DB#12 U11
T11
DB#13
R11
DB#14
DB#15 P10
R6
DB#2
DB#3 P6
P11
P12
AB#5
AB#6 R14
AB#7 T14
T17
AB#8
7
1
F
I
K
C
G15
DB#0 P5
U6
U13
AB#0
AB#1 M10
R13
AB#2
N11
AB#3
AB#4
UCP201
C217
R214
VCCD_1.8V
C215
C201
VCCD_2.9V
U202
GND
3
2VO VS 1
VRTC_3V
C220
VCCD_1.8V
VCCD_1.8V
VCCB_2.9V
VBAT
R207
R209
R243
R206
R216
C200
VCCD_2.9V
VCCD_2.9V
OSC200
A(21)
BP_CF
LCD_CS
CP_CSROMEN2
UP_SDO
CHG_DET
DEBUG_DTR
DEBUG_RTS
UP_SDI
CP_TDO
TR_RST
CP_TDI
CP_TMS
TR_RST
UP_SCLK
UP_CS
FLASH_RESET
VREF
ICHRG
LED_EN
EAR_SWITCH
CHG_OFF
SIMRST
PWR_KEEP
DEBUG_TXD
DEBUG_CTS
SDS_TXD
INTRQ
DEBUG_RXD
SDS_RXD
SIMDATA
SIMCLK
DEBUG_RI
DSP_IO
DSP_RWN
DSP_INT
TR_RST
CLK13M_TR
CLK32K
RTCALARM
JACK_IN
DEBUG_DSR
TR_RST
CP_TCK
KEY_COL(4)
KEY_COL(3)
KEY_COL(2)
KEY_COL(1)
KEY_COL(0)
DSP_AB(8:0)
DSP_AB(7)
DSP_AB(6)
DSP_AB(5)
DSP_AB(4)
DSP_AB(3)
DSP_AB(2)
DSP_AB(1)
DSP_AB(0)
KEY_ROW(4)
DSP_AB(8)
YMU_EN
A(22)
CP_CSROMEN1
CP_CSRAMEN
DLC_DETECT
CP_WEN
CP_OEN
DEBUG_DCD
UPPER_BYTE
YMU_IRQ
D(3)
D(2)
D(1)
D(0)
A(0:20)
A(20)
A(19)
A(18)
A(17)
A(16)
A(15)
A(14)
A(13)
A(12)
A(11)
A(10)
A(9)
A(8)
A(7)
A(6)
A(5)
A(4)
A(3)
A(2)
A(1)
A(0)
KEY_ROW(0:4)
KEY_ROW(3)
KEY_ROW(2)
KEY_ROW(1)
KEY_ROW(0)
KEY_COL(0:4)
DSP_DB(15:0)
DSP_DB(0)
DSP_DB(1)
DSP_DB(2)
DSP_DB(3)
DSP_DB(4)
DSP_DB(5)
DSP_DB(6)
DSP_DB(7)
DSP_DB(8)
DSP_DB(9)
DSP_DB(10)
DSP_DB(11)
DSP_DB(12)
DSP_DB(13)
DSP_DB(14)
DSP_DB(15)
D(0:15)
D(15)
D(14)
D(13)
D(12)
D(11)
D(10)
D(9)
D(8)
D(7)
D(6)
D(5)
D(4)

SAMSUNG Proprietary-Contents may change without notice
Flow Chart of Troubleshooting
10-8
This Document can not be used without Samsung's authorization
10-1-3. Sim Part
Check the voltage at
pin#1 of SIM103 >=
2.8V ?
"Insert SIM is displayed on the LCD
Check the SIM
connector's (SIM103)
connection to SIM card
Check the U107
Resolder or change SIM103
END
No
Yes
Yes
Yes
Yes
No
No
Is there any signals
pin#2,#3,#4 of SIM103 ? Check the U107
Check the SIM Card
①
③
②

SAMSUNG Proprietary-Contents may change without notice
Flow Chart of Troubleshooting
10-9
This Document can not be used without Samsung's authorization
③
①
②

SAMSUNG Proprietary-Contents may change without notice
Flow Chart of Troubleshooting
10-10
This Document can not be used without Samsung's authorization
10-1-4. Microphone Part
Is the assembled status
of microphone O.K?
Microphone does not work
Reassembled the microphone
Resolder or change
R150,R151,C156,R153,R152,C158
R147,TA109,C149,R194,C161,C160
END
No
Yes
Yes
Yes
Yes
No
Is microphone ok?
No
Check U107
Check the reference voltage on mic path
VR118 ≒2.0V ?
Yes
①
②

SAMSUNG Proprietary-Contents may change without notice
Flow Chart of Troubleshooting
10-11
This Document can not be used without Samsung's authorization
①

SAMSUNG Proprietary-Contents may change without notice
Flow Chart of Troubleshooting
10-12
This Document can not be used without Samsung's authorization
10-1-5. Receiver Part
10-1-6. Speaker Part
There is no sound from the Receiver
Is the terminal of Receiver
O.K ?
No
Replace the Receiver
Yes
No
Yes
Check U107,R192,193
Is there any signals at
the pin#A11 and
pin#N12 of U107 ?
END
①
②
There is no sound from the Buzzer
Is the terminal of Speaker
O.K ? Replace the Speaker
Is there any signals at
the pin#A13 and
pin#N12 of U107 ? Check U107,R198,R199
END
Yes
Yes
Yes
Yes
No
No

SAMSUNG Proprietary-Contents may change without notice
Flow Chart of Troubleshooting
10-13
This Document can not be used without Samsung's authorization
①
①
②
②

SAMSUNG Proprietary-Contents may change without notice
Flow Chart of Troubleshooting
10-14
This Document can not be used without Samsung's authorization
R171 TA103
TA104
VCCD_2.9V
C142
50V
33PF
C188
IMIN 6
7
IREF
1VIN
3_CHG
_EN
4
_PPR
2
U105
BAT 8
5
GND
GND
9
VBAT
R172
R170
SIM_IO
ICHRG
TA_VEXT
CHG_OFF
CHG_DET
R142
C158
C198
R145
R144
C149
R139
R140
R185
C183
TR104
2
3
1
R151
C156
R195
C136
C133
VCCA_2.9V
R147
R128
R135
VR118
MIC100
R184
C161
R194
C130
EAR102
R153
C134
VCCD_2.9V
R146
R186
R167
R168
C160
TA107
TA108
C135
R137
VCCA_2.9V
R150
R152
C132
VR116 VR117VR115VR114VR113
VR119
TA109
C137
EAR_SWITCH
AOUTBN
JACK_IN
AUXOUTP
AUXINP
MICOUTP
MICINP
AOUTBP
MICINN
MICOUTN
AUXINN
AUXOUTN

SAMSUNG Proprietary-Contents may change without notice
Flow Chart of Troubleshooting
10-15
This Document can not be used without Samsung's authorization
DEBUG_CTS
DEBUG_TXD
DEBUG_RI
JIG_ON
DEBUG_DCD
DEBUG_DTR
DEBUG_DSR
SDS_RXD
DEBUG_RXD
DEBUG_RTS
BP_CF
DLC_DETECT
SDS_TXD
R104
R179
R114
R107
R121
R120
R108
ZD100
NC
5
6NC
NC
7
BTC104
1
1
22
3
3
4NC
VR107
R112
R123
VCCD_2.9V
R105
R116
6
6
77
8
8
99
GND 22
21
GND
16
16
17 17
18
18
19 19
2
2
20
20
33
4
4
55
11
10
10
11 11
12
12
13
13
14
14
15 15
IFC101
ZD112
R122
R115
VR104 VR106
R181
C121
VR102 VR105
R111
VR103
TDZ5.6
ZD114
VBAT
TA102
R180
VR112
VR111VR108 VR110VR109VR101
R113
DEBUG_DCD
DEBUG_DSR
DEBUG_RI
DEBUG_RTS
DEBUG_DTR
DEBUG_CTS
DEBUG_TXD
DEBUG_RXD
JIG_ON_IF
SDS_RXD
SDS_TXD
DLC_DETECT
TA_VEXT
BP_CF
R193
C122
C131
ZD123
C125
SPK101
SPK102
ZD121
C114
R198
R192
ZD124
ZD122
R199
SPK_P
SPK_N
AOUTAP
AOUTAN

SAMSUNG Proprietary-Contents may change without notice
Flow Chart of Troubleshooting
10-16
This Document can not be used without Samsung's authorization
PAM100 CHECK
pin12 ≥-65dBm ?
10-2.RF
10-2-1. EGSM RX CONTINUOUS RX ON
RF INPUT : 62CH
AMP : -50dBm
NORMAL CONDITION
catch the channel? CHECK
ANT contact ?
U102
pin 12,13,25,26,27:
2.8V ?
PAM100 CHECK
pin16 ≥-65dBm ?
U102 CHECK
pin21,22 ≥-65dBm ?
PAM100,RFS100
resolder or change
PAM100
resolder or change
C105,C109,L104
resolder or change
U107 pinA13, C172
change or resolder
U102 CHECK
pin 30,31 :
26MHz ?
Vp-p : 950mV?
OSC100
change or resolder
U102
resolder or change
U107 CHECK!!
U102
pin 4,5,6,7 Vp-p
: 120mV ?
NO
YES
NO
NO
NO
NO
NO
NO
YES
YES
YES
YES
YES
YES
①
③
②
④⑤
⑥
⑦
⑧
F101 CHECK
pin3,4 ≥-65dBm ?
F101
resolder or change
YES
NO

SAMSUNG Proprietary-Contents may change without notice
Flow Chart of Troubleshooting
10-17
This Document can not be used without Samsung's authorization
①
②
③
④
⑤
⑦
③

SAMSUNG Proprietary-Contents may change without notice
Flow Chart of Troubleshooting
10-18
This Document can not be used without Samsung's authorization
PAM100 CHECK
pin12 ≥-65dBm ?
10-2-2. DCS RX
CONTINUOUS RX ON
RF INPUT : 698CH
AMP : -50dBm
YES
①
NORMAL CONDITION
catch the channel? CHECK
ANT contact ?
U102
pin 12,13,25,26,27:
2.8V ?
PAM100 CHECK
pin20 ≥-65dBm ?
U102 CHECK
pin21,22 ≥-65dBm ?
PAM100,RFS100
resolder or change
PAM100
resolder or change
C117,C118,L105
resolder or change
U107 pinA13, C172
change or resolder
U102 CHECK
pin 30,31 :
26MHz ?
Vp-p : 950mV?
OSC100
change or resolder
U102
resolder or change
U107 CHECK!!
U102
pin 4,5,6,7 Vp-p
: 120mV ?
NO
YES
NO
NO
NO
NO
NO
YES
YES
YES
YES
YES
③
②
④⑤
⑥
⑦
⑧
F102 CHECK
pin3,4 ≥-65dBm ?
F101
resolder or change
YES
NO

SAMSUNG Proprietary-Contents may change without notice
Flow Chart of Troubleshooting
10-19
This Document can not be used without Samsung's authorization
①
②
③
④
⑤
⑦
③

SAMSUNG Proprietary-Contents may change without notice
Flow Chart of Troubleshooting
10-20
This Document can not be used without Samsung's authorization
10-2-3. EGSM TX
PAM100 pin12
:about2~3
dBm?
C199,RFS100
check&change
PAM100
pin6 : 2.8 V?
U107
check & change
PAM100
pin7 : 3.7 V?
NO NO
YES
YES
NO BATTERY
check & change
PAM100
pin 8 : 1.6V ?
YES
NO
PAM100 pin11
about : -5dBm
?
YES
PAM100
pin 4 : 2.9V?
YES
YES
PAM100
change or resolder
NO
U107
check
R118
Check
NO
U102
pin12,13,25,26,
28 : 2.8V ?
U107
pinA13,C172
change or resolder
YES
U102
pin30,31 :
26MHz ?
Vp-p : 950mV?
U102
pin4,5,6,7:100m
V?
YES
U107
change or resolder
NO
NO
U102
change or resolder
YES
NO OSC100
change or resolder
CONTINOUS TX ON CONDITION
TX POWER DAC: 600 CODE APPLIED
CH : 62
RBW : 100KHz
VBW : 100KHz
SPAN : 10MHz
REF LEV. : 10dBm
ATT. : 20dB
⑥
⑤
③
②
①
⑦

SAMSUNG Proprietary-Contents may change without notice
Flow Chart of Troubleshooting
10-21
This Document can not be used without Samsung's authorization
①
③
⑤
⑦
③

SAMSUNG Proprietary-Contents may change without notice
Flow Chart of Troubleshooting
10-22
This Document can not be used without Samsung's authorization
10-2-4. DCS TX
CONTINUOUS TX ON CONDITION
CH : 698CH(DCS)
TX POWER CODE: 520 CODE Aplied
RBW : 100KHz
VBW : 100KHz
SPAN : 10MHz
REF LEV. : 10dBm
ATT. : 20dB
PAM100 pin12
:about2~3
dBm?
C199,RFS100
check&change
PAM100
pin6 : 2.8 V?
U107
check & change
PAM100
pin7 : 3.7 V?
NO NO
YES
YES
NO BATTERY
check & change
PAM100
pin 8 : 1.6V ?
YES
NO
PAM100 pin1
about : -5dBm
?
YES
PAM100
pin 4 : 0V?
YES
YES
PAM100
change or resolder
NO
U107
check
R118
Check
NO
U102
pin12,13,25,26,
28 : 2.8V ?
U107
pinA13,C172
change or resolder
YES
U102
pin30,31 :
26MHz ?
Vp-p : 950mV?
U102
pin4,5,6,7:100m
V?
YES
U107
change or resolder
NO
NO
YES
NO OSC100
change or resolder
⑥
⑤
③
②
①
⑦

SAMSUNG Proprietary-Contents may change without notice
Flow Chart of Troubleshooting
10-23
This Document can not be used without Samsung's authorization
①
③
⑤
⑦
③

SAMSUNG Proprietary-Contents may change without notice
Flow Chart of Troubleshooting
10-24
This Document can not be used without Samsung's authorization
DEBUG_CTS
DEBUG_TXD
DEBUG_RI
JIG_ON
DEBUG_DCD
DEBUG_DTR
DEBUG_DSR
SDS_RXD
DEBUG_RXD
DEBUG_RTS
BP_CF
DLC_DETECT
SDS_TXD
R142
R104
R179
VBAT
P
G
E
R
V
3
1
M
VRTCH11
VSIMK12
1
S
S
V5
G
2
S
S
V4
K
3
S
S
V2
R
4
S
S
V6
P
M
C
V
X
V
3
1
R
Q
A
N
E
O
X
1
D
R157
C9
VL5S_B
VLDO_1G11
VLDO_2J12
VLDO_3A13
VLDO_4B12
VLDO_5B10
VLDO_6A14
VLDO_7C12
VREFA10
N
G
E
R
V
4
1
R
D
D
D
V1
1
N
V
D
D
V1
1
L
1
O
I
_
D
D
V5
N
2
O
I
_
D
D
V4
J
L
T
C
O
_
D
D
V4
C
VEXTE14
VIB_DRVF15
N
E
_
G
N
R
_
B
I
V
9
L
VL4S_AA12
VL4S_BB11
VL5S_AD10
R10
VACCF14
VBATE13
1
D
D
V3
J
VDD12J13
2
D
D
V3
M
3
D
D
V6
N
VDD34C11
5
D
D
V0
1
C
7
6
D
D
V3
1
B
B
D
D
V6
A
SERCK
C2
C1SERDA
B1SERLE1
SERLE2
A2
SIM_CLKK14
SIM_IOJ11
SIM_RSTK11
P
X
T
7
E
UP_CLKN9
UP_IOP10
UP_RST
RING_DRVF13
RTC_ALMNH10
K
L
C
_
C
T
R
4
N
RWN
L2
N
I
X
T
X
R
6
D
P
I
X
T
X
R
7
D
N
Q
X
T
X
R
6
C
P
Q
X
T
X
R
7
C
SCLK_PSCL8
M7
SDI_PSC
SDO_PSCN7
OCTL5
OCTL6
B3
A3OCTL7
F
U
B
_
1
W
S
P
7
L
P
E
E
K
_
R
W
P
9
M
N
1
W
S
_
R
W
P
5
1
C
2
W
S
_
R
W
P
4
1
C
1
F
E
R
A
R
6
B
2
F
E
R
A
R
5
B
R3RESETN_CSP
O
_
T
E
S
E
R
9
K
5
1
P
P
T
U
O
C
I
M
5
1
N
E
D
O
M
0
1
N
1
5
C
N
6
C
N2
7
C
N
5
P
OCTL0
E6
C5OCTL1
OCTL2
F5
E5OCTL3
OCTL4
A4
G6
L
T
C
O
_
D
N
G4
B
1
C
S
P
_
D
N
G5
1
B
2
C
S
P
_
D
N
G5
1
K
Q
R
T
N
I
0
1
L
L3I|O
LED1_DRVG13
LED2_DRVG12
C
M
6
R
N
N
I
C
I
M
4
1
M
P
N
I
C
I
M
4
1
N
N
T
U
O
C
I
M
7
1
S
D
N
G0
1
K
2
S
D
N
G8
F
3
S
D
N
G9
F
4
S
D
N
G0
1
F
5
S
D
N
G7
G
6
S
D
N
G8
G
7
S
D
N
G9
G
8
S
D
N
G0
1
G
9
S
D
N
G6
H
V
D
N
G3
1
P
R
U
C
H
_
D
N
G1
1
F
6
F
D
D
N
G0
1
M
Q
D
N
G8
E
1
S
D
N
G7
F
0
1
S
D
N
G7
H
1
1
S
D
N
G8
H
9
H
2
1
S
D
N
G
3
1
S
D
N
G7
J
4
1
S
D
N
G8
J
5
1
S
D
N
G9
J
6
1
S
D
N
G0
1
J
DB15
D2
DB2
K3
J5DB3
DB4
J6
DB5
H5
DB6
G3
DB7
G4
DB8
F4
DB9
F1
R
T
N
I
D
3
P
B
D
N
G
K
C
I
A
D
4
R
I
D
I
A
D
6
L
O
D
I
A
D
6
M
N
R
I
A
D
4
P
DB0
K1
K2DB1
DB10
F2
DB11
F3
DB12
E2
DB13
E3
DB14
D3
N
N
I
X
U
A
4
1
L
P
N
I
X
U
A
5
1
M
N
T
U
O
X
U
A
3
1
L
P
T
U
O
X
U
A
3
1
K
3
C
D
A
_
X
U
A3
1
D
CH_BDRVE11
CH_ISENF12
CH_RESD14
E9
CREF
K8
CSN_PSC
M2AB5
AB6
M1
K7AB7
AB8
K5
ADC_AUX1E10
ADC_AUX2D15
C
F
A
9
D
N
A
T
U
O
A
2
1
N
P
A
T
U
O
A
1
1
P
N
B
T
U
O
A
2
1
P
P
B
T
U
O
A
2
1
R
U107
AB0
K6
P1AB1
AB2
L5
N1AB3
AB4
N2
C158
4
3
1
R114
OSC100
2
C198
R107
R145
TA105
C105
R171
R193
R144
VCCB_2.9V
C174
C149
R121
TA103
1
1
22
GND101
C138
L111
VCCD_2.9V
VCCD_2.9V
C155
C115
R120
L102
R139
C101
C122
T
S
R
/
4
28/WR
R108
2
T
U
O
P
S
18
15
SPVDD
S
S
V
P
S
16
7
D
D
V
9
F
E
R
V
S
S
V
8
3
Q
R
I
/
HPOUT-L/MONO10
11
HPOUT-R
6
C
L
L
P
17
1
T
U
O
P
S
13
EQ2
EQ314
G
33
34GG35
G36
26D1
25
2
D
3
D
2423
4
D
5
D
2221
6
D
7
D
20
EQ112
U106
1
I
K
L
C
D0
27
R159
C173
R140
R185
C164
TR103
13
2
1
9
1
R
ZD100
C183
TR104
2
3
1
C172
R151
NC
5
6NC
NC
7
C108
BTC104
1
1
22
3
3
4NC
C156
1
2
2
G
5
G
1
IN
3OUT
OUT
4
BAT300
TA104
F101
C119
C131
VCCD_2.9V
0
9
1
R
C129
VRF_2.9V
VCCD_1.8V
R195
C142
TP100
R182
VR107
ZD123
R117
R112
R123
C136
C140
VRF_2.9V
R155
VCCD_2.9V
VCCD_2.9V
R105
R118
C127
R116
C125
6
6
77
8
8
99
GND22
21
GND
16
16
1717
18
18
1919
2
2
20
20
33
4
4
55
11
10
10
1111
12
12
13
13
14
14
1515
C106
IFC101
ZD112
R196
C100
C133
C120
R122
R115
VCCA_2.9V
C168
R147
C188
R128
VR104
R135
VR106
C118
R158
VR118
C166
G
5
IN1
3OUT
OUT
4
MIC100
F102
G
2
C102
R184
A
2
3C
1G
4G
VCCA_2.9V
C161
R194
RFS100
C141
VRTC_3V
C110
C139
C130
EAR102
C175
SPK101
C152
C181
R153
C134
VCCD_2.9V
A
2
B
1
GND
3
VCC
5
Y4
U109
R146
C178
VCCD_2.9V
C113
L110
27nH
2
L100
ANT100
1
1
2
GND100
11
2
2
C162
C146
L101
R186
R167
R168
C199
TA101
VBAT
C182
C165
SPK102
VBAT
R181
C160
2
7
VBATT
VBS
4
VCC110
3
VCC2
9
VMOD_EN
VRAMP8
VTX
6
D
N
G
9
1D
N
G
1
2D
N
G
11GSM900_IN
NC14
NC18
RX1
20
RX2
16V1
T
N
A2
1
1DCSIN
5D
N
G
3
1D
N
G
5
1D
N
G
7
1
R143
PAM100
TA107
R131
IMIN6
7
IREF
1VIN
3_CHG
_EN
4
_PPR
2
U105
BAT8
5
GND
GND
9
C121
1C
C
V
C
C
V
2
P
P
V
5
TA106
3K
L
C
4D
N
G
6O
/
I
7C
N
C
N
8
C
N
9
0
1C
N
SIM103
VCCD_2.9V
VBAT
C171
ZD121
TA108
C135
C170
C126
C104
C114
C109
R198
_SEN
2
VR102
26
V
I
D
X
N
E
X
32
E
D
O
M
X
25
8XOUT
31
1
L
A
T
X
30
2
L
A
T
X
9
N
D
P
_
10
T
E
S
E
R
_
16
15
L
O
F
R
SCLK
1
SDIO
3
D
D
V
12
D
D
V
13
D
D
V
28
D
D
V
29
11
O
I
V
24
RFIAP23
RFIDN20
RFIDP19
RFIEN22
RFIEP21
RFIPN18
RFIPP17
H
O
F
R
BIN
BIP
7
BQN
4
BQP
5
14
D
N
G
D
N
G
33
34
C
N
35
C
N
RFIAN
U102
C
F
A
27
6
VR105
C180
R111
VBAT
R137
R197
VR103
ZD114
R192
VBAT
VBAT
R183
C147
ZD124
C176
ZD122
VCCA_2.9V
R172
R150
R152
R199
C179
VCCA_2.9V
C150
C112
L104
R170
TA102
R180
C132
C116
VR116VR117
VR115
C151
VR114
VR112
VR111
VR113
C153
VR108VR110
VR109
VR119
TA109
L105
C117
C167
VR101
L113
C137
R113
R156
R133
SPK_P
SPK_N
C107
TX_EN
BAND_SEL1
KEY_BL1
ANT
GSM_LNA_IN_N
GSM_LNA_IN_P
DPCS_PAM_IN
DCS_LNA_IN_P
DCS_LNA_IN_N
AOUTAP
AOUTAN
AOUTBP
CLK13M_YMU
GSM_PAM_IN
VMOD_EN
VAPC
)
6
(
D
)
5
(
D
)
4
(
D
)
3
(
D
)
2
(
D
D(1)
D(0)
CLK13M_YMU
A(0)
MEM_RST
CP_OEN
YMU_IRQ
YMU_EN
P
_
K
P
S
N
_
K
P
S
N
E
_
B
I
V
)
7
(
D
EAR_SWITCH
AOUTBN
JACK_IN
CP_WEN
TA_VEXT
JIG_ON_IF
SIM_IO
SIM_RST
SIM_IO
VSIM
SIM_CLK
UP_SDO
UP_SCLK
UP_CS
BAND_SEL1
VREF
N
T
U
O
X
U
A
KEY_COL(2)
KEY_ROW(0)
RTCALARM
UP_SDI
SIMCLK
SIMDATA
SIMRST
P
B
T
U
O
A
N
B
T
U
O
A
K
2
3
K
L
C
C
M
_
M
3
1
K
L
C
N
O
_
R
W
P
N
O
_
G
I
J
P
N
I
C
I
MN
N
I
C
I
M
P
T
U
O
C
I
MN
T
U
O
C
I
M
P
N
I
X
U
A
P
T
U
O
X
U
A
N
N
I
X
U
A
TX_EN
RF_EN
VMOD_EN
XOENA
C
F
A
INTRQ
PWR_KEEP
RST
T
N
I
_
P
S
D
C
P
A
V
P
I
X
T
R
N
I
X
T
RP
Q
X
T
R
N
Q
X
T
R
P
A
T
U
O
A
N
A
T
U
O
A
DSP_DB(0)
DSP_AB(0:8)
DSP_AB(8)
DSP_AB(7)
DSP_AB(6)
DSP_AB(5)
DSP_AB(4)
DSP_AB(3)
DSP_AB(2)
DSP_AB(1)
DSP_AB(0)
DSP_IO
DSP_RWN
FLASH_RESET
SERLE
SERDAT
SERCLK
DSP_DB(0:15)
DSP_DB(15)
DSP_DB(14)
DSP_DB(13)
DSP_DB(12)
DSP_DB(11)
DSP_DB(10)
DSP_DB(9)
DSP_DB(8)
DSP_DB(7)
DSP_DB(6)
DSP_DB(5)
DSP_DB(4)
DSP_DB(3)
DSP_DB(2)
DSP_DB(1)
ICHRG
TA_VEXT
CHG_OFF
CHG_DET
CLK13M_TR
JIG_ON
SIM_RST
VSIM
SIM_CLK
AUXOUTP
AUXINP
MICOUTP
MICINP
AOUTBP
MICINN
MICOUTN
AUXINN
AUXOUTN
GSM_LNA_IN_N
GSM_LNA_IN_P
SERCLK
SERDAT
XOENA
13M_OUT13M_OUT
RF_EN
SERLE
DPCS_PAM_IN
GSM_PAM_IN
AFC
CLK13M_MC
DEBUG_DCD
DEBUG_DSR
DEBUG_RI
RTXIN
RTXIP
RTXQN
RTXQP
DCS_LNA_IN_N
DCS_LNA_IN_P
DEBUG_RTS
DEBUG_DTR
DEBUG_CTS
DEBUG_TXD
DEBUG_RXD
JIG_ON_IF
SDS_RXD
SDS_TXD
DLC_DETECT
TA_VEXT
BP_CF

SAMSUNG Proprietary-Contents may change without notice
11. Reference data
11-1
This Document can not be used without Samsung's authorization
11-1. Reference Abbreviate
AAC: Advanced Audio Coding.
AVC : Advanced Video Coding.
BER :BitErrorRate
BPSK: Binary Phase Shift Keying
CA :ConditionalAccess
CDM : Code Division Multiplexing
C/I : Carrier to Interference
DMB : Digital Multimedia Broadcasting
EN : European Standard
ES : Elementary Stream
ETSI: European Telecommunications Standards Institute
MPEG: Moving Picture Experts Group
PN : Pseudo-random Noise
PS : Pilot Symbol
QPSK: Quadrature Phase Shift Keying
RS : Reed-Solomon
SI : Service Information
TDM : Time Division Multiplexing
TS : Transport Stream

Samsung Electronics Co.,Ltd.
Code No.: GH68-10807A
2006. 06. Rev.1.0
ⓒ
This Service Manual is a property of Samsung Electronics Co.,Ltd.
Any unauthorized use of Manual can be punished under applicable
International and/or domestic law.