Shen Zhen MTC 58345806 LED TV User Manual MUAV5801 34580
Shen Zhen MTC Co., LTD LED TV MUAV5801 34580
Users Manual

USER MANUAL
MUAV58<-34580
Please read this User Manual carefully to ensure use of this product and keep this
manual for future reference
LED TV
Contents
Safety and warnings.............................................................2-3
Introduction........................................................................... 4
Installation........................................................................ ..5-8
Remote Control.................................................................9-10
Operation........................................................................ 11-14
Trouble Shooting...................................................................15
-1-

-2-
SAFETY AND WARNINGS
IMPORTANT SAFETY INSTRUCTION
TO REDUCE THE RISK OF ELECTRIC SHOCK, DO
NOT REMOVE COVER (OR BACK).NO USER
SERVICEABLE PARTS INSIDE. REFER SERVICING
TO QUALIFIED SERVICE PERSONNEL.
RISK OF ELECTRIC SHOCK
DO NOT OPEN!
CAUTION
CAUTION
The symbol indicates that dangerous
voltages constituting a risk of electric
shock are present within this unit.
The symbol indicates that there are
important operating and maintenance
instructions in the literaturaccompanying
this unit.
To reduce the risk of fire or electric
shock, do not expose this apparatus to
rain or moisture.
WARNING:
1) Read these instructions.
2) Keep these instructions.
3) Heed all warnings.
4) Follow all instructions.
5) Do not use this apparatus near water.
6) Clean only with dry cloth.
7) Do not block any ventilation openings,
install in accordance with the instructions.
8) Do not install near any heat sources such as
radiations, heat registers, stoves, or other
apparatus (including amplifiers) that produce
heat.
9) Do not defeat the safety purpose of the
polarized plug. If the provided plug does not fit
into your outlet, consult an electrician for
replacement of the obsolete outlet.
10) Protected the power cord from being
walked on or pinched particularly at plugs,
convenience receptacles, and the point where
they exit from the apparatus.
11) Only use attachments/accessories
specified by the manufacturer.
12) Unplug this apparatus during lighting
storms or when unused for long periods of
time.
13) Refer all servicing to qualified service
personnel. Servicing is required when the
apparatus has been damaged in any way, such
as power-supply cord or plug is damaged,
liquid has been spilled or objects have fallen
into the apparatus, the apparatus has been
exposed to rain or moisture, does not operate
normally, or has been dropped.
14) Mains plug is used as the disconnect
device, the disconnect device shall remain
readily operable.
15) The ventilation should not be impeded by
covering the ventilation openings with items,
such as newspapers, table-cloth, curtains, etc.
16) No naked flame sources, such as lighted
candles, should be placed on the apparatus.
17) Attention should be drawn to the
environmental aspects of battery disposal.
18) The use of apparatus in moderate climate.
19) The apparatus shall not be exposed to
dripping or splashing and that no objects filled
with liquids, such as vases, shall be placed on
the apparatus.
Warning: To avoid any injury caused by lean of
the product, please always ensure the whole
product was placed within the table surface in
horizontal.
The batteries shall not be exposed to
excessive heat such as sunshine, fire or
the like.
WARNING:
WARNING
Never place a television set in an unstable
location. A television set may fall, causing serious
personal injury or death. Many injuries,
particularly to children, can be avoided by taking
simple
precautions such as:
– Using cabinets or stands recommended by the
manufacturer of the television set.
– Only using furniture that can safely support the
television set.
– Ensuring the television set is not overhanging
the edge of the supporting furniture.
– Not placing the television set on tall furniture
(for example, cupboards or bookcases) without
anchoring both the furniture and the television se
t to a suitable support.
– Not placing the television set on cloth or other
materials that may be located between the
television set and supporting furniture.
– Educating children about the dangers of
climbing on furniture to reach the television set or
its controls.
If your existing television set is being retained an
d relocated, the same considerations as above
should be applied.

SAFETY AND WARNINGS
Step one: Use the expansion
bolts(4*36PWA) to fix the wall mount
brackets into the wall
Step Two: Fix the wall mount screws
(M6x8mm/4pcs) into the rear side of the LC
D TV,using the tongue
of 8kgf.cm.
* The TV appearance subject to material
object.
Step Three: Put the LCD TV with wall moun
t screws onto the wall mount brackets.
Warning: the angle between the TV and wall
must not be bigger than 3º.
This symbol indicates that this product
incorporates double insulation between
hazardous mains voltage and user
accessible parts. When servicing use only
identical replacement parts.
This marking indicates that this product
should not be disposed with other
household wastes throughout the EU. To
prevent possible harm to the environment
or human health from uncontrolled waste
disposal, recycle it responsibly to promote
the sustainable reuse of material
resources. To return your used device,
please use the return and collection
systems or contact the retailer where the
product was purchased. They can take this
product for environmental safe recycling.
Warning: Changes or modifications to this unit not
expressly approved by the party responsible for
compliance
could void the user’s authority to operate
the equipment.
NOTE: This equipment has been tested and found to
comply with the limits for a Class B digital device,
pursuant to Part 15 of the FCC Rules.
These limits are designed to provide
reasonable protection against harmful interference in
a residential installation.
This equipment generates, uses and can
radiate radio frequency energy and, if not installed an
d used in accordance
with the instructions, may cause harmful
interference to radio communications.
However, there is no guarantee that interference will
not occur in a particular installation. If this equipment
does cause harmful interference
to radio or television reception, which can be
determined by turning the equipment off and on, the
user is encouraged to try to
correct the interference by one or more of the
following measures:
o Reorient or relocate the receiving antenna.
o Increase the separation between the equipment and
receiver.
o Connect the equipment into an outlet on a circuit
different from that to which the receiver is
connected.
Consult the dealer or an experienced radio/TV
technician for help.
This device complies with Part 15 of the FCC Rules.
Operation is subject to the following two conditions:
(1) this device may not cause harmful interference,
and
(2) this device must accept any interference received,
including interference that may cause undesired
operation.
Use only with the cart, stand, tripod, bracket, or
the apparatus. When a cart is used, use caution
when moving the cart/apparatus combination to
avoid injury from tip-over.

-3-
WARNINGS AND CAUTIONS
Warning
High voltages are used in the operation
of this television receiver. Do not remove
the cabinet back from your set. Refer
servicing to qualified service personnel.
Warning
To prevent fire or electrical shock
hazard, do not expose the television
receiver to rain or moisture.
Warning
Do not drop or push objects into the
television cabinet slots or openings.
Never spill any kind of liquid on the
television receiver.
Caution
Do not block the ventilation holes in the
back cover. Adequate ventilation is
essential to prevent failure of electrical
components.
Caution
Do not trap the power supply cord under
the television receiver.
Caution
Never stand on, lean on, or suddenly push
the television or its stand. You should pay
special attention to children. Serious injury
may result if it should fall.
Caution
Do not place your television on an unstable
cart, stand, shelf or table. Serious injury to
an individual , and damage to the
television, may result if it should fall.
Caution
When the television receiver is not
used for an extended period of time, it
is advisable to disconnect the AC power
cord from the AC outlet.
Dim:515*320mm(不包括底座)
Caution
If the television is to be built into a
compartment or similar enclosure, the
minimum distances must be maintained.
Heat build-up can reduce the service life of
your television, and can also be
dangerous.

INTRODUCTION
-4-
Thank you very much for purchasing this
TV. To enjoy your product from the very
beginning, read this manual carefully and
keep it handy for easy reference.
INSTALLATION
CAUTION
*Locate the TV in the room where light
does not strike the screen directly.
*Total darkness or a reflection on the
picture screen can cause eyestrain. Soft
and indirect lighting is recommended for
comfortable viewing.
*Allow enough space between the TV and
the wall to permit ventilation.
*Avoid excessively warm locations to
prevent possible damage to the cabinet or
premature component failure.
*Do not cover the ventilation openings
when using theTV.
Never tamper with any components inside
the TV, or any other adjustment controls
not mentioned in this manual. All LED-TVs
are high voltage instruments. When you
clean up dust or water drops on the LED
PANEL or CABINET, the power cord should
be pulled out from the receptacle, then
wipe the TV with a dry soft cloth. During
thunder and lighting, unplug the power cord
and antenna cord to prevent damage to
your TV. All repairs to this TV should only
be performed by qualified TV service
personnel.
Panel
TV System PAL-B/G、I、D/K
SECAM- B/G、D/K、L、 LL
Video Signal System PAL/NTSC/SECAM
Input Power Voltage
Power consumption
Audio Output Power (THD 7%)2x10W
Signal Input Analog RGB(PC)x1
High-Definition Multimedia Interface(HDMI) x2
Video INput x1
Audio Input x2
Horizontal definition(TV line)Composite Video input >=350
Super Video Input >=400
Y Cb(Pb) Cr(Pr) >=400
58
150W
Main parameter
Y、Cb (Pb) Cr (PR)x1、
Main features
① Used as Television, display terminal,
PC display;
② High luminance, wide viewing
Angle;
3 HDMI interface and SCART
Interface;
4 NICAM;
USB Input x1
Mini SCART X1
100-240V~50/60Hz

-5-
INSTALLATION
REAR Connections
SIDE Connections
All the terminals are (from left to right):
HDMI1, HDMI2, HDMI3/MHL, HEADPHONE, YPbPr, USB, RF.
All the terminals are (from left to right):
AC POWER SOURCE, OPTICAL, AUDIO OUTPUT, VIDEO, AUDIO INPUT.
VIDEO LR
OPTICAL
AC-INPUT
100-240V 50/60Hz RL
AUDIO OUTPUT
HDMI1 HDMI2
HEADPHONE
USB RF
MHL YPbPr
HDMI3
KEYBOARD
Front panel
1: Remote control sensor.
2: Indicator LED: RED STANDBY.
3: Key board
3
2
1
KEYBOARD
The keyboard is located at the bottom left near the right
side of signal indicator.
Remote Buttons
Bottom
“ ” VOL- and move left
“ ” VOL+ and move right
“ ” CH- and move down
“ ” CH+ and move up
“ Center button ” power key and source key, hold it for a
long time, the TV will power down.

-6-
ANTENNA
INSTALLATION
Note:
Aerial connections: (female).
Input impendance: 75 unbalanced.
F
PRESET MODE (HDMI)
1
2
3
800*600
1024*768
60
60
37.88
48.36
RESOLUTION V.Freq.(Hz) H.Freq.(KHz)
1360*768 60 47.7
4
1280*768 60 47.3
5
1920*1080 60 67.5
6
30 67.5
7
50 112.5
8
60 135
3840*2160
3840*2160
3840*2160

-7-
INSTALLATION

-8-
INSTALLATION
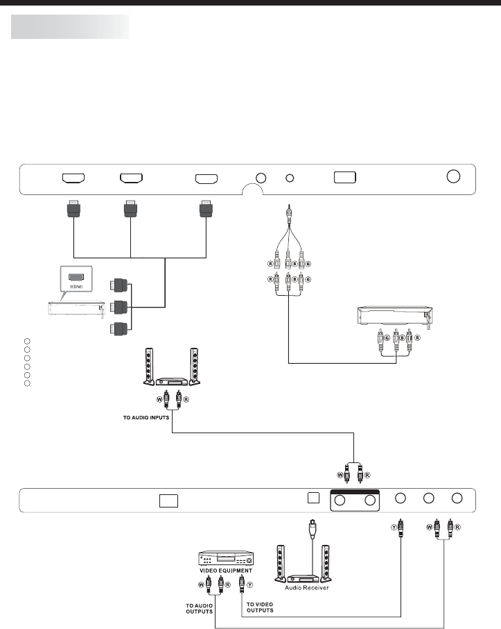
AV EQUIPMENT
There are three HDMI ports located on the back of your TV. You can connect a Blu-ray player,
DVD player, or other video equipment through these ports.
The port is MHL enabled. You can connect MHL devices, such as the compatible
mobile phones and tablets.
NOTE: a USB to HDMI cable is required to connect a mobile phone or tablet to the TV. Please
check the documentation of your device.
Please see the diagram below. You may also need to refer to the owner's manual of the device
that you are trying to connect.
HDMI3
There is one component (Y, Pb, Pr) and video input located on your TV. You can connect a VCR,
cable box, or other video equipment to these jacks.
The television's inputs can be connected to the following types of equipment: VCR, multi disc player,
DVD, camcorder, video game or stereo system, etc.....
YPbPr can support these video formats:480i,576i,480p,576p,720p,1080i, 1080p.
VIDEO EQUIPMENT with YPbPr
Red (audio R)
White(audio L)
Red(Pr or Cr)
R
W
R
Blue(Pb or Cb)
Green(Y)
B
G
Yellow (video)
Y
AMPLIFIER
HDMI1 HDMI2
HEADPHONE
USB RF
MHL YPbPr
HDMI3
VIDEO LR
OPTICAL
AC-INPUT
100-240V 50/60Hz RL
AUDIO OUTPUT

REMOTE CONTROL
-9-
REMOTE CONTROL
1
OK
2 3
4 5 6
7 8 9 0
+
CH
_
+
_
VOL
POWER MUTE
TV AUDIO
RECALL/GOTO
TV MENU SOURCE
DVD MENU SOUND EXIT
PIC
SLEEP ASPECT
TEXTTV/RADIODVD SETUP
EPG FAV INFO
DISPLAY DVD AUDIO
ANGLEPBCDVD/USB TITLE
SUBPAGE SIZE MIX
REVEAL HOLD LIST INDEX
RETURN SUBTITLE
FREEZE
2
3
4
1
5
6
7
8
9
10
11
12
13
14
15
16
17
18
19
20
21
22
23
24
25
26
27
28
29
30
31
32
33
34
35
36
37
38

-10-
REMOTE CONTROL
E
TEXT
SELECTING A PAGE
DIRECT ACCESS
TO THE ITEMS
INDEX
SUB PAGE
HOLD
REVEAL
Press: You will obtain :
LIST
TELETEXT
Enter the number of the page required using the 0 to 9 up/down.
Example: page 120, enter 120. The number is displayed top left, the
counter turns and then the page is displayed. Repeat this operation to
view another page. If the counter continues to search, this means
that the page is not transmitted. Select another number.
Coloured are as are displayed at the bottom of the screen. The 4
coloured keys are used to access the items or corresponding pages.
The coloured areas flash when the item or the page is not yet
available.
This returns to the contents page (usually page 100).
Certain pages contain sub-pages which are automatically
displayed successively. This key is used to stop or resume sub-
page acquisition. The indication appears top left.
To freeze the page.
To display or hide the concealed information (games solutions).
The user can set four favorite pages to be directly linked to the four
color keys. While list mode is activated, it is not possibility to use TOP
or FLOF navigation with the colorkeys. The favorite page numbers
should be stored and restored to/from nonvolatile memory for each
channel by the system software.
This is used to call or exit teletext modes. The summary appears with
a list of items that can be accessed. Each item has a corresponding
3 digit page number. If the channel selected does not broadcast
teletext, theindication 100 will be displayed and the screen will
remain blank (in this case, exit teletext and select another channel).
Teletext is an information system broadcast by certain channels which can be
consulted like a newspaper. It also offers access to subtitles for viewers with hearing
problems or who are not familiar with the transmission language(cable networks,
satellite channels, etc.)
Insert Batteries Into the Remote Control
1. Remove the battery cover.
2. Inserting the 2 AAA 1.5V batteries
making sure the polarity (+ or -) of the
batteries matches the polarity marks
inside the unit.
3. Mount the battery cover. Replace with
new batteries when the TV set begins to
show the following symptoms: Operation is
unsteady or erratic. Sometimes the TV set
does not function with Remote Control
Unit.
Remark:
1) Alkaline Battery Recommended.
2) Remove batteries when they are
exhausted or if the remote control is not to
be used for Long time.

-11-
OPERATION
Installation Guide
Pls press to select country at first , then
press OK button to start auto tuning .
NOTE:
All the channels including ATV, DTV and Radio
can be tuning by one time,if the Tune Type is
DTV+ATV .
This screen only appear when the TV first time
turn on or reset to factory set.You can choose
language and country, auto turning programs .
And after turning the screen will skip to the first
DTV program.
1.CHANNEL MENU
The first item of the MENU is channel menu( for
TV or DTV source only).
You can search channels and edit programs here.
1).Auto tuning:
Search all the channels automatically(you can
select ATV and DTV)
Tune Type DTV+ATV
Germany
Greece
Hungary
Italy
Luxembourg
Netherlands
Norway
Poland
Portugal
MENU
All the stored channels will be disappear after
auto tuning .
After auto tuning , the channel will skip to
the first DTV channel.
2).DTV Manual tuning:
You can select a DTV channel then find the
program in this channel.
Pls press to select the channel , then press
OK to search the programs .
NOTE:
Bad Normal Good means signal intensity.
Switzerland
NewZealand
Norway
Poland
Portugal
Slovenia
Spain
Sweden
Country
OK
Rumania
Russian
Serbia
Morocco
Tunis
Algeria
UK
Dansk
Deutsch
Hrvatski
Italiano
Please select an OSD Language
OK
Magyar
Nederlands
Norsk
PolskiEnglish
Cesky
E ka
Espanol
~
Fran ais
Portugues
Pycck
Channel Tuning
TV : 0 Programme(s)
DTV : 0 Programme(s)
Radio : 0 Programme(s)
Date: 0 Programme(s)
96% UHF CH 68 DTV
3). ATV Manual tuning :
You can change the sound system to search
the analog TV channels and fine tune the
channels , then storage the channels you
selected.
ATV Manual Tuning
Storage To 1
System BG
Current CH 1
Search
Fine-Tune
Frequency 255.25 MHz
Save MENU
_+
DTV Manual Tuning
VHF CH 5
_+
Bad Nomal Good
Press OK to search
ATV Manual Tuning
Programme Edit
Signal Information
<
>
CHANNEL
Auto Tuning
DTV Manual Tuning
Software Update(USB)
Software Update(OAD)Off
CI Information

-12-
OPERATION
<
>
Balance
Auto Volume
Sound Mode Standard
SOUND
3.SOUND MENU
The third item of the MENU is the SOUND
MENU.
You can adjust the sound effect here such as
treble, bass, balance etc.
Press to move, press OK to adjust.
Note:
Auto volume: only available when the input
signal volume is too large or distortion.
Favourite
Press to choose the program , press FAV
button , it will show on the right side of the
program.Choose the FAV program , press
FAV button again , you can cancel the FAV,
the will disappear .
Once your favorite group is created, you can
press the FAV key to quickly access your favorite
channel.
The second item of the MENU is PICTURE MENU.
You can adjust picture effect here, such as
contrast, brightness, etc.
Press OK to move, press OK to adjust.
2. PICTURE MENU
5). CI information: (optional)
This menu can display the CI card' s information.
Rename:
Only can rename ATV programs .
Move the cursor to the program, press teletext
green button to rename the program.
Press to choose the character. Press to
move the cursor .
Press MENU button to exit edit , Press EXIT to
exit the menu.
Note: ATV programs name only can be 5 character,
DTV programs name can be 25 character.
Move the cursor to the program , press teletext
yellow button , it will show yellow cursor , Press
to move the program.
Press to choose the program , press teletext
blue button to skip this program, The will
show on the right side of the program .
Choose the skipped program, press blue button
again , you can cancel the skip ,The will
disappear .
NOTE:
Press teletext red button to storage to channels
after manual tuning .
4). Program edit:
You can Delete ,Rename ,Move, Skip , FAV any
programs.
Delete
Press teletext red button , the program in cursor
will delete.
4.TIME MENU
The forth item of the menu is the TIME MENU
You can adjust the clock, power on/off time,
sleep time etc Press to move, press OK to
adjust
NOTE:
Within 15 minutes there is no signal, the TV
will auto sleep , if Auto Sleep is set ON. The
clock time can get from the DTV system auto.
Off Time
On Time
Sleep Timer
Auto Sleep
Time Zone
Clock -- -- -- --
TIME
< >
Color Temperature
Aspect Ratio
Noise Reduction
Screen
Picture Mode Energy Saving
< >
PICTURE
MENU
Picture Mode Energy Saving
Contrast 50
Brightness 50
Color 50
Sharpness 50
Tint 50
Color Temperature Medium
Red 40
Green 31
Blue 50
MENU
Note:
1) If you want to adjust contrast, brightness, color, and sharpness,
the picture mode must be set to personal.
2) This will increase or decrease Warm (red) and Cool (blue) colors to
suit your personal preference.
Select Cool to give the white colors a blue tint, Normal to give the
white colors a neutral tint, Warm to give the white colors a red tint.
Energy saving is the default setting, if you select some other options,
the power consumption may change.
This product default mode (Energy saving) already pass the Energy
star test, If TV set in other mode, may increase energy consumption
beyond the limits required for ENERGY STAR qualification

-13-
OPERATION
6.LOCK MENU
NOTE:
The default pass word is 6666.
Block program: Press to choose the
program ,press teletext green button to block
the program. If you want unblock the program,
pls enter the main menu , input the password,
then press green button again.Parental
guidance: Press to choose 4~18 years.
The sixth item of the menu is the LOCK MENU
You can lock system, set password, block program
and set parental guidance Once you set the lock
system on you can not search the channels or
change any programs.
5.OPTION MENU
The fifth item of the MENU is the OPTION
MENU. You can adjust the Menu language,
Audio language,Subtitle language etc.
NOTE:
Restore factory default will clear all the programs
and password.
<
>
Restore Factory Default
OSD Language English
OPTION
Audio Languages Deutsch
Subtitle Languages Deutsch
Country Germany
PVR File System
7. APPLICATIONS MENU
The sixth item of the MENU is the OPTION MENU.
Press OK button to enter the DMP menu.
Please make sure that the USB device have
plugged in the slot.There are four type media
item can be selected, such as photo, music,
Movie, and text. Select the type media item by
pressing , press OK button to enter
the disk selection menu.
PHOTO MUSIC MOVIE TEXT
USB 2.0
Return C
1/1
<
>
APPLICATIONS
DMP
Press the to select the right disk and press
OK to display media files and folder list or
choose Return to back to the media type
selection menu.
Sample1.ts Sample2.ts
Return
Movies
1/1
Sample3.ts Sample4.ts
Resolution: 688x412
AudioTrack: 1/2
Subtitle: 1/3
Program: 1/5
Size: 511457 KBytes
Sample1.ts
Set Password
Lock System
LOCK
<
>
Block Program
Parental Guidance Off
Check PVR File System Start
USB Disk
Format
Time Shift Size
Speed
Free Record Limit 6 Hr.
Select Disk C:
In PVR File system menu you can set up USB
disk for PVR.

OPERATION
Select the media file by pressing or , then
the preview frame will pop up.Press the button
to play the media file in full screen.When the
media file (photo,music, Movie, or text type) is
playing, press the OK or Info button can display
the control bar.
Press to select the function icon, press OK
button to confirm the function.
Press or EXIT button to exit the control bar.
NOTE:
You can adjust the audio track, subtitle, or
program in the Info menu while Playing the
video file.Choose the Info icon and press OK
can display the Info MENU.
Pause FF Prev. NextFB Stop
Repeat ALL
00:00:33/00:04:22
Info.
Sample1.ts
Resolution: 720x576
Subtitle: 1/3
Program: 1/6
Size: 30574 KBytes
Close
AudioTrack: 1/2
8.EPG Menu(Electronic Program
Guide).
The EPG menu is used to look at what is being
broadcasted on DTV or Radio channel in the day.
To access the EPG menu, press the EPG
botton,the following menu will be displayed:
28 Apr
04:39
800 SZTVM01 No Information
801 SZTVM02
802 SZTVM03
803 SZTVM04
804 Date
No Information
No Information
No Information
No Information
PROGRAMME GUIDE TIME
ScheduleRecord INFO Remind
OK INDEX
1.
Use to choose the programs , Press
INFO key, you can display the highlight program's
information.
INFO
2.
Press the teletext yellow key, It can list
all the reminder schedule, press to choose
the list, press red key to delete the
schedule list, Press EPG to return to EPG menu.
Schedule
DELETE
4.
Press the blue key to choose one program
and set up one reminder time, the TV screen will
skip to the choosed program in the reminder time
automatically.
Remind
3. Record
Press the red key ,It can set the program
to be recorded.
Schedule List 04:55 28th Apr Delete
Time Date Programme Title Channel Name
802 SZTVM03
08 Minute
05 Hour
Apr Month
28 Date
Once Mode
Reminder setting
BACK
OK
_+
-14-

Picture Audio
Snow Noise antenna position, direction
or connection
Inspection Check
Interference Noise electronic equipment,car/
motorcycle,fluorescent light
Normal Picture Mute
Volume(check if mute is
activated or if the audio system
connections are not correct)
No picture Mute
Power cord is not inserted
Power switch is not opened
Contrast and brightness/volume
setup
Press standby key on the remote
control for inspecting
No colour Normal audio Colour control
Picture
breaking up
Normal audio
or weak
retune channel
No colour Noise TVsystem
Normal audio
antenna position, direction
or connection
TROUBLE SHOOTING
Trouble phenomenon Symptom
Ghost
-15-
The LED TV panel is built with very high precision technology giving you fine picture details
in vibrant color. Occasionally, a few non-active pixels may appear on the screen as a fixed
point of red, green, blue, black or white. Please note this does not affect the performance of
the product.

LED TV