Siemens S7 Users Manual SIMATIC NET
S7 to the manual 52c9e4c8-04e3-4963-98dc-1e3ebacea63f
2015-02-05
: Siemens Siemens-S7-Users-Manual-410532 siemens-s7-users-manual-410532 siemens pdf
Open the PDF directly: View PDF
.
Page Count: 222 [warning: Documents this large are best viewed by clicking the View PDF Link!]
- Back to home
- SIMATIC NET NCM for Industrial Ethernet
- This Manual on SIMATIC NET NCM S7 for Industrial Ethernet
- Contents
- 1 Communication via Ethernet CPs in S7 Stations
- 1.1 Industrial Ethernet
- 1.2 SIMATIC S7 Communication with S7 Ethernet CPs
- 1.3 PG/OP Communication via Industrial Ethernet
- 1.4 S7 Communication on Industrial Ethernet
- 1.5 S5-compatible Communication (SEND/RECEIVE Interface1)
- 1.6 FETCH/WRITE Services (Server)
- 1.7 Networking Stations with STEP 7
- 1.7.1 Network/Project Variant: One Subnet – One Project
- 1.7.2 Network/Project Variant: SIMATIC S5 and Non-SIMATIC Devices on the Subnet
- 1.7.3 Network/Project Variant: Two or More Subnets – One Project
- 1.7.4 Network/Project Variant: One Subnet – More Than One (Sub)Project
- 1.7.5 Network/Project Variant: Several Subnets in Several (Sub) Projects
- 1.7.6 Network/Project Variant: Connections between Subnets (TCP/IP)
- 2 Installing and Starting the Ethernet CP with STEP 7
- 3 SEND/RECEIVE Interface in the User Program
- 4 Configuring Communication Connections
- 5 Programming FCs (Functions) and FBs for S7 Ethernet CPs
- 6 NCM S7 Diagnostics
- 7 Firmware Loader
- A References
- B Glossary
- C Linking to Other Systems with FETCH/ WRITE
- D Document History
- A&D Technical Support

Preface, Contents
Communication via Ethernet CPs
in S7 Stations 1
Installing and Starting the
Ethernet CP with STEP 7 2
SEND/RECEIVE
interface 3
Configuring Communication
Connections 4
Programming Functions (FCs) 5
NCM S7 Diagnostics 6
Firmware Loader 7
Appendix
References A
Glossary B
Linking to Other Systems with
FETCH/WRITE C
Document History D
Index
Manual
for NCM S7 V5.2 and higher
11/2002
C79000–G8976–C129
Release 06
SIMATIC NET
NCM for Industrial Ethernet

2SIMATIC NET NCM S7 for Industrial Ethernet
C79000-G8976-C129–06
Classification of Safety–Related Notices
This manual contains notices which you should observe to ensure your own
personal safety, as well as to protect the product and connected equipment. These
notices are highlighted in the manual by a warning triangle and are marked as
follows accordin
g
to the level of dan
g
er:
!Danger
indicates that death or severe personal injury will result if proper precautions are
not taken.
!Warning
indicates that death or severe personal injury can result if proper precautions are
not taken.
!Caution
with warning triangle indicates that minor personal injury can result if proper
precautions are not taken.
Caution
without warning triangle indicates that damage to property can result if proper
precautions are not taken.
Notice
indicates that an undesirable result or status can occur if the relevant notice is
ignored.
Note
highlights important information on the product, using the product, or part of the
documentation that is of particular importance and that will be of benefit to the
user.

3
SIMATIC NET NCM S7 for Industrial Ethernet
C79000-G8976-C129–06
Trademarks
SIMATICR, SIMATIC HMIR and SIMATIC NETR are registered trademarks of
SIEMENS AG.
Third parties using for their own purposes any other names in this document which
refer to trademarks might infringe upon the rights of the trademark owners.
Safety Instructions Regarding your Product:
Before you use the product described here, read the safety instructions below
thoroughly.
Qualified Personnel
Only qualified personnel should be allowed to install and work on this equipment.
Qualified persons are defined as persons who are authorized to commission, to
ground, and to tag circuits, equipment, and systems in accordance with
established safety practices and standards.
Correct Usage of Hardware Products
Note the following
!Warning
This device and its components may only be used for the applications described in
the catalog or the technical description, and only in connection with devices or
components from other manufacturers which have been approved or recommen-
ded by Siemens.
This product can only function correctly and safely if it is transported, stored, set
up, and installed correctly, and operated and maintained as recommended.
Before you use the supplied sample programs or programs you have written your-
self, make certain that no injury to persons nor damage to equipment can result in
your plant or process.
EU Directive: Do not start up until you have established that the machine on which
you intend to run this component complies with the directive 89/392/EEC.
Correct Usage of Software Products
Note the following
!Warning
This software may only be used for the applications described in the catalog or the
technical description, and only in connection with software products, devices, or
components from other manufacturers which have been approved or recommen-
ded by Siemens.
Before you use the supplied sample programs or programs you have written your-
self, make certain that no injury to persons nor damage to equipment can result in
your plant or process.

4SIMATIC NET NCM S7 for Industrial Ethernet
C79000-G8976-C129–06
Prior to Startup
Before putting the product into operation, note the following warning:
Caution
Prior to startup you must observe the instructions in the relevant documentation.
For ordering data of the documentation please refer to the catalogs or contact your
local SIEMENS representative.
We have checked the contents of this manual for agreement with the hard-
ware and software described. Since deviations cannot be precluded entirely,
we cannot guarantee full agreement. However, the data in this manual are
reviewed regularly and any necessary corrections included in subsequent
editions. Suggestions for improvement are welcomed.
Disclaimer of LiabilityCopyright E Siemens AG 2001–2002 All rights reserved
The reproduction, transmission or use of this document or its contents is not
permitted without express written authority. Offenders will be liable for
damages. All rights, including rights created by patent grant or registration of
a utility model or design, are reserved.
Siemens AG
Automation and Drives
Postfach 4848, D-90327 Nürnberg
Subject to technical change.
Siemens Aktiengesellschaft G79000–G8976–C129–06

5
SIMATIC NET NCM S7 for Industrial Ethernet
C79000-G8976-C129–06
This Manual on SIMATIC NET NCM S7 for
Industrial Ethernet
...supports you when using the communication services provided by the SIMATIC
NET communications processors (Industrial Ethernet CPs) for communication on
SIMATIC NET with Industrial Ethernet in the management and cell areas.
The documentation on your S7-CPs and NCM S7 is in several parts that fit
together as shown below:
SS7-CP
– selecting
– installing
– commissioning
– performance data
SS7-CP and STEP 7 / NCM S7
– familiarization
– testing interfaces
– commissioning
SCommunication services
with STEP 7 / NCM S7
– programming
– configuring
– downloading /
commissioning
– diagnostics
Manual
Primer
NCM S7
Manual
STEP 7
NCM S7
S7-CP
for
S7-300 /
S7-400

This Manual on SIMATIC NET NCM S7 for Industrial Ethernet
6SIMATIC NET NCM S7 for Industrial Ethernet
C79000-G8976-C129–06
Audience
This manual is intended for personnel responsible for installing and programming
STEP 7 programs and for service personnel.
Scope of this Manual
This manual applies to version 5.2 and higher of the NCM S7 configuration
software for Industrial Ethernet and to version 5.2 and higher of the STEP 7
software.
This version of the manual includes information relating to new functions in STEP 7
and NCM S7 as of V5.2.
In the main, this involves the following topics:
SS7 communication over routers (single-ended client and server functionality) via
an IE/PB Link or CP (see Section 1.4)
SMultiprojects
With the new multiproject functionality, projects can be split up and distributed
for engineering and then merged again.
Symbols used in this Manual
This symbol indicates functions requiring STEP 7 version V5.2.
This symbol appears in the margin to draw your attention to useful tips.
This symbol indicates recommended documentation.
Where you see this symbol, you should also refer to additional information in the
basic help system of STEP 7.
This symbol indicates where detailed context-sensitive help is available. You can
display these help texts with the F1 key or by clicking on the “Help” button in the
relevant dialog.
F1

This Manual on SIMATIC NET NCM S7 for Industrial Ethernet
7
SIMATIC NET NCM S7 for Industrial Ethernet
C79000-G8976-C129–06
You will find additional information in the following sources:
This manual is also part of the NCM S7 for Industrial Ethernet documentation
package. These documents are also on the Manual Collection CD supplied with
every S7-CP and they are also available on the Internet. The following table
provides you with an overview.
Title Content
S7-CPs for Industrial
Ethernet
Manual
The manual S7-CPs for Industrial Ethernet contains information on the
characteristics of the CPs and instructions on installation and connections.
This is available on the Internet at:
SGeneral Section: http://www4.ad.siemens.de/view/cs/de/8777865
SCP 343-1: http://www4.ad.siemens.de/view/cs/de/8777308
SCP 343-1 PN: http://www4.ad.siemens.de/view/cs/de/8776538
SCP 343-1 IT: http://www4.ad.siemens.de/view/cs/de/8776544
SCP 443-1: http://www4.ad.siemens.de/view/cs/de/8776219
SCP 443-1 IT: http://www4.ad.siemens.de/view/cs/de/8776322
NCM S7 for Industrial
Ethernet
Primer
Based on simple examples, the primer introduces you to the methods of
connecting and networking SIMATIC S7 stations with CPs on Industrial
Ethernet. It shows you how the communications calls are entered in the user
program to allow you to use the services via the SEND/RECEIVE interface.
You will learn how simple it is to create a configuration for standard
applications using STEP 7 and the NCM S7 optional package.
The examples described here can also be found in the project folder for
sample programs after you have installed STEP 7 and the NCM S7 for
Industrial Ethernet option!
This is available on the Internet at:
http://www4.ad.siemens.de/view/cs/de/1172503
NCM S7 for Industrial
Ethernet
Manual
The manual is intended as a guide and reference work for configuring and
programming an Industrial Ethernet CP.
This is available on the Internet at:
http://www4.ad.siemens.de/view/cs/de/1172423
IT-CP
Manual
The manual is intended as a guide and source of reference when working with
the IT-CP. In addition to the functions provided by an Ethernet CP, the IT-CP
also provides functions for Internet technology.
This is available on the Internet at:
http://www4.ad.siemens.de/view/cs/de/1172744
Advanced PC
Configuration
Manual
Advanced PC Configuration is the new tool with which you can commission a
PC station as part of an industrial communication network.
The manual supports you and helps you to make efficient use of
communications with your PC applications in conjunction with the SIMATIC
NET modules. This explains the steps involved in configuration with NCM S7.
This is available on the Internet at:
http://www4.ad.siemens.de/view/cs/

This Manual on SIMATIC NET NCM S7 for Industrial Ethernet
8SIMATIC NET NCM S7 for Industrial Ethernet
C79000-G8976-C129–06
Quick Start CD: Samples covering all aspects of communication
The Quick Start CD that can be ordered separately is a
treasure-trove of sample programs and configurations.
You can order this directly over the Internet at:
http://www.ad.siemens.de/net/html_00/online_zugreifen.htm
Additional Information on SIMATIC S7 and STEP 7
The following documentation contains additional information about the STEP 7
standard software of the SIMATIC programmable controllers and can be obtained
from your local Siemens office.
Topic Document
Basic information for technical
personnel using the STEP 7
standard software for control
tasks with S7-300/400
programmable controllers.
STEP 7 basics with
SConfiguring hardware with STEP 7
SProgramming with STEP 7
SManual for converting from S5 to S7
SPrimer for a fast start
The reference works describing
the programming languages
LAD/FBD and STL as well as the
standard and system functions in
addition to the STEP 7 basic
knowledge.
STEP 7 reference manuals with
SManuals for LAD/FBD/STL
SStandard and system functions for
S7-300/400
You will also find information on SIMATIC programmable controllers on the Quick
Start CD and from the Customer Support Online services at:
http://www.siemens.de/simatic–net General information
or
http://www.ad.siemens.de/csi/net Product information and downloads

This Manual on SIMATIC NET NCM S7 for Industrial Ethernet
9
SIMATIC NET NCM S7 for Industrial Ethernet
C79000-G8976-C129–06
Access to Online Help of STEP 7 and NCM S7
With the online help, you can obtain the following information:
SYou can display the contents of the STEP 7 basic help system with the menu
command Help –> Contents.
SContext-sensitive help on the selected object using the Help –>
Context-Sensitive Help menu command, the F1 function key or the question
mark in the toolbar.
You can then access further information relating to the current topic.
SGlossary for all STEP 7 applications by clicking the “Glossary” button.
Please note that each STEP 7 application has its own contents and
context-sensitive help.
Conventions
References to other manuals and documentation are indicated by numbers in
slashes /.../. These numbers refer to the titles of manuals listed in the References
section of the Appendix.
-
F1

10 SIMATIC NET NCM S7 for Industrial Ethernet
C79000-G8976-C129–06
Contents
1 Communication via Ethernet CPs in S7 Stations 13. . . . . . . . . . . . . . . . . . . . . . . . . .
1.1 Industrial Ethernet 14. . . . . . . . . . . . . . . . . . . . . . . . . . . . . . . . . . . . . . . . . . . . . . .
1.2 SIMATIC S7 Communication with S7 Ethernet CPs 15. . . . . . . . . . . . . . . . . .
1.3 PG/OP Communication via Industrial Ethernet 19. . . . . . . . . . . . . . . . . . . . . .
1.3.1 PG Communication with STEP 7 over Industrial Ethernet 21. . . . . . . . . . . . .
1.3.2 OP Operation: Connecting Operator Interface Devices via Industrial
Ethernet 22. . . . . . . . . . . . . . . . . . . . . . . . . . . . . . . . . . . . . . . . . . . . . . . . . . . . . . .
1.4 S7 Communication on Industrial Ethernet 23. . . . . . . . . . . . . . . . . . . . . . . . . . .
1.5 S5-compatible Communication (SEND/RECEIVE Interface) 27. . . . . . . . . . .
1.6 FETCH/WRITE Services (Server) 30. . . . . . . . . . . . . . . . . . . . . . . . . . . . . . . . .
1.7 Networking Stations with STEP 7 31. . . . . . . . . . . . . . . . . . . . . . . . . . . . . . . . . .
1.7.1 Network/Project Variant: One Subnet – One Project 33. . . . . . . . . . . . . . . . . .
1.7.2 Network/Project Variant: SIMATIC S5 and Non-SIMATIC Devices
on the Subnet 34. . . . . . . . . . . . . . . . . . . . . . . . . . . . . . . . . . . . . . . . . . . . . . . . . . .
1.7.3 Network/Project Variant: Two or More Subnets – One Project 35. . . . . . . . .
1.7.4 Network/Project Variant: One Subnet – More Than One (Sub)Project 36. . .
1.7.5 Network/Project Variant: Several Subnets in Several (Sub) Projects 39. . . .
1.7.6 Network/Project Variant: Connections between Subnets (TCP/IP) 41. . . . . .
2 Installing and Starting the Ethernet CP with STEP 7 43. . . . . . . . . . . . . . . . . . . . . . .
2.1 General Information About the NCM S7 for Industrial Ethernet Option 44. .
2.2 Procedure 45. . . . . . . . . . . . . . . . . . . . . . . . . . . . . . . . . . . . . . . . . . . . . . . . . . . . . .
2.2.1 Creating an Industrial Ethernet Subnet 46. . . . . . . . . . . . . . . . . . . . . . . . . . . . .
2.2.2 Entering an Ethernet CP in the Hardware Configuration 49. . . . . . . . . . . . . .
2.2.3 Displaying the Network Attachments of a Station 52. . . . . . . . . . . . . . . . . . . .
2.2.4 Setting Further CP Properties 54. . . . . . . . . . . . . . . . . . . . . . . . . . . . . . . . . . . . .
2.2.5 “Substitute Objects” in the STEP 7 Project 60. . . . . . . . . . . . . . . . . . . . . . . . . .
2.2.6 Configuring Communication Services 63. . . . . . . . . . . . . . . . . . . . . . . . . . . . . .
2.3 Assigning Addresses for the First Time (Applies to Latest CPs) 64. . . . . . . .
2.3.1 Addressing by Selecting the Target System in the SIMATIC Manager 65. . .
2.3.2 Addressing using the Properties Dialog in HW Config or NetPro 68. . . . . . .
2.4 Downloading the Configuration Data to the Target System 69. . . . . . . . . . . .
3 SEND/RECEIVE Interface in the User Program 73. . . . . . . . . . . . . . . . . . . . . . . . . . . .
3.1 How the SEND/RECEIVE Interface Works on the CPU 74. . . . . . . . . . . . . . .
3.2 Programming the SEND/RECEIVE Interface 75. . . . . . . . . . . . . . . . . . . . . . . .
3.3 Data Exchange S7 CPU <–> Ethernet CP 78. . . . . . . . . . . . . . . . . . . . . . . . . .
3.4 Additional Information 80. . . . . . . . . . . . . . . . . . . . . . . . . . . . . . . . . . . . . . . . . . . .
3.4.1 Programming Data Transfer on TCP Connections 80. . . . . . . . . . . . . . . . . . .
3.4.2 Recommendations for Use with a High Communications Load 81. . . . . . . . .
4 Configuring Communication Connections 83. . . . . . . . . . . . . . . . . . . . . . . . . . . . . . . .
4.1 Procedure 84. . . . . . . . . . . . . . . . . . . . . . . . . . . . . . . . . . . . . . . . . . . . . . . . . . . . . .

Contents
11
SIMATIC NET NCM S7 for Industrial Ethernet
C79000-G8976-C129–06
4.2 Possible Connection Configurations 85. . . . . . . . . . . . . . . . . . . . . . . . . . . . . . . .
4.3 Connections 87. . . . . . . . . . . . . . . . . . . . . . . . . . . . . . . . . . . . . . . . . . . . . . . . . . .
4.3.1 Creating a New Connection 90. . . . . . . . . . . . . . . . . . . . . . . . . . . . . . . . . . . . . . .
4.3.2 Connections to Partners in Other Projects 93. . . . . . . . . . . . . . . . . . . . . . . . . .
4.3.3 Further Functions 96. . . . . . . . . . . . . . . . . . . . . . . . . . . . . . . . . . . . . . . . . . . . . . .
4.3.4 Connections Without Assignment 97. . . . . . . . . . . . . . . . . . . . . . . . . . . . . . . . . .
4.4 Configuring ISO Transport Connections 99. . . . . . . . . . . . . . . . . . . . . . . . . . . .
4.4.1 Specifying the Local Connection Endpoint 100. . . . . . . . . . . . . . . . . . . . . . . . . .
4.4.2 Specifying ISO Transport Addresses 102. . . . . . . . . . . . . . . . . . . . . . . . . . . . . . .
4.4.3 Specifying ISO Transport Dynamic Properties 105. . . . . . . . . . . . . . . . . . . . . . .
4.4.4 ISO Transport with the FETCH/WRITE Mode 107. . . . . . . . . . . . . . . . . . . . . . .
4.4.5 Checking ISO Transport Connection Properties 109. . . . . . . . . . . . . . . . . . . . .
4.5 Configuring ISO-on-TCP Connections Properties 110. . . . . . . . . . . . . . . . . . . .
4.5.1 Specifying the Local Connection Endpoint 111. . . . . . . . . . . . . . . . . . . . . . . . . .
4.5.2 Specifying ISO-on-TCP Addresses 113. . . . . . . . . . . . . . . . . . . . . . . . . . . . . . . .
4.5.3 ISO-on-TCP with the FETCH/WRITE Mode 116. . . . . . . . . . . . . . . . . . . . . . . . .
4.5.4 Checking ISO-on-TCP Connection Properties 118. . . . . . . . . . . . . . . . . . . . . . .
4.6 Configuring TCP Connection Properties 119. . . . . . . . . . . . . . . . . . . . . . . . . . . .
4.6.1 Specifying the Local Connection Endpoint 120. . . . . . . . . . . . . . . . . . . . . . . . . .
4.6.2 Specifying TCP Addresses 122. . . . . . . . . . . . . . . . . . . . . . . . . . . . . . . . . . . . . . .
4.6.3 TCP with the FETCH/WRITE Mode 125. . . . . . . . . . . . . . . . . . . . . . . . . . . . . . . .
4.6.4 Checking TCP Connection Properties 127. . . . . . . . . . . . . . . . . . . . . . . . . . . . . .
4.7 Configuring UDP Connection Properties 128. . . . . . . . . . . . . . . . . . . . . . . . . . . .
4.7.1 Specifying the Local Connection Endpoint 129. . . . . . . . . . . . . . . . . . . . . . . . . .
4.7.2 Specifying UDP Addresses 131. . . . . . . . . . . . . . . . . . . . . . . . . . . . . . . . . . . . . . .
4.7.3 UDP with Broadcast and Multicast 134. . . . . . . . . . . . . . . . . . . . . . . . . . . . . . . . .
4.7.4 Checking the Properties of a UDP Connection 138. . . . . . . . . . . . . . . . . . . . . . .
4.7.5 Free UDP Connection 139. . . . . . . . . . . . . . . . . . . . . . . . . . . . . . . . . . . . . . . . . . . .
4.8 Routing to Distribute Load 140. . . . . . . . . . . . . . . . . . . . . . . . . . . . . . . . . . . . . . . .
5 Programming FCs (Functions) and FBs for S7 Ethernet CPs 141. . . . . . . . . . . . . . .
5.1 General Notes on FCs / FBs 142. . . . . . . . . . . . . . . . . . . . . . . . . . . . . . . . . . . . . .
5.2 Setting Parameters for FC Calls 145. . . . . . . . . . . . . . . . . . . . . . . . . . . . . . . . . . .
5.2.1 Parameters for CP and Connection Assignment (input parameters) 145. . . .
5.2.2 Parameters for Specifying a CPU Data Area (input parameters) 147. . . . . . .
5.2.3 Status Information (output parameters) 147. . . . . . . . . . . . . . . . . . . . . . . . . . . . .
5.3 FCs for Configured Connections 148. . . . . . . . . . . . . . . . . . . . . . . . . . . . . . . . . . .
5.3.1 FC5 AG_SEND / FC50 AG_LSEND 152. . . . . . . . . . . . . . . . . . . . . . . . . . . . . . .
5.3.2 FC6 AG_RECV / FC60 AG_LRECV 161. . . . . . . . . . . . . . . . . . . . . . . . . . . . . . .
5.4 FCs for Access Coordination with FETCH/WRITE 167. . . . . . . . . . . . . . . . . . .
5.4.1 FC7 AG_LOCK 169. . . . . . . . . . . . . . . . . . . . . . . . . . . . . . . . . . . . . . . . . . . . . . . . .
5.4.2 FC8 AG_UNLOCK 171. . . . . . . . . . . . . . . . . . . . . . . . . . . . . . . . . . . . . . . . . . . . . .
5.5 Numeric Data / Resource Requirements of the FCs 173. . . . . . . . . . . . . . . . . .
6 NCM S7 Diagnostics 175. . . . . . . . . . . . . . . . . . . . . . . . . . . . . . . . . . . . . . . . . . . . . . . . . . . .
6.1 Overview 176. . . . . . . . . . . . . . . . . . . . . . . . . . . . . . . . . . . . . . . . . . . . . . . . . . . . . . .
6.2 Functions of NCM S7 Diagnostics 177. . . . . . . . . . . . . . . . . . . . . . . . . . . . . . . . .

Contents
12 SIMATIC NET NCM S7 for Industrial Ethernet
C79000-G8976-C129–06
6.2.1 Installing and Starting NCM S7 Diagnostics 178. . . . . . . . . . . . . . . . . . . . . . . . .
6.2.2 General Menu Commands 180. . . . . . . . . . . . . . . . . . . . . . . . . . . . . . . . . . . . . . . .
6.3 Starting Diagnostics – Establishing a Connection to the Ethernet CP 182. . .
6.4 How to Use Diagnostics 185. . . . . . . . . . . . . . . . . . . . . . . . . . . . . . . . . . . . . . . . . .
6.5 Call-Specific Diagnostic Functions 186. . . . . . . . . . . . . . . . . . . . . . . . . . . . . . . . .
6.6 Checklist for ‘Typical Problems‘ in a System 188. . . . . . . . . . . . . . . . . . . . . . . .
6.6.1 Checklist for General CP Functions 189. . . . . . . . . . . . . . . . . . . . . . . . . . . . . . . .
6.6.2 Communication Connections Checklist 190. . . . . . . . . . . . . . . . . . . . . . . . . . . . .
7 Firmware Loader 191. . . . . . . . . . . . . . . . . . . . . . . . . . . . . . . . . . . . . . . . . . . . . . . . . . . . . . .
7.1 Application 192. . . . . . . . . . . . . . . . . . . . . . . . . . . . . . . . . . . . . . . . . . . . . . . . . . . . .
7.2 Loading Firmware 193. . . . . . . . . . . . . . . . . . . . . . . . . . . . . . . . . . . . . . . . . . . . . . .
A References 197. . . . . . . . . . . . . . . . . . . . . . . . . . . . . . . . . . . . . . . . . . . . . . . . . . . . . . . . . . . . .
B Glossary 201. . . . . . . . . . . . . . . . . . . . . . . . . . . . . . . . . . . . . . . . . . . . . . . . . . . . . . . . . . . . . . .
B.1 General Section 202. . . . . . . . . . . . . . . . . . . . . . . . . . . . . . . . . . . . . . . . . . . . . . . . .
B.2 Industrial Ethernet 206. . . . . . . . . . . . . . . . . . . . . . . . . . . . . . . . . . . . . . . . . . . . . . .
B.3 PROFInet 208. . . . . . . . . . . . . . . . . . . . . . . . . . . . . . . . . . . . . . . . . . . . . . . . . . . . . .
C Linking to Other Systems with FETCH/WRITE 211. . . . . . . . . . . . . . . . . . . . . . . . . . . .
D Document History 217. . . . . . . . . . . . . . . . . . . . . . . . . . . . . . . . . . . . . . . . . . . . . . . . . . . . . .
E SIMATIC NET Support and Training 219. . . . . . . . . . . . . . . . . . . . . . . . . . . . . . . . . . . . . .
Automation and Drives, Service & Support 219. . . . . . . . . . . . . . . . . . . . . . . . . . . . . . . . . .

13
SIMATIC NET NCM S7 for Industrial Ethernet
C79000-G8976-C129–06
Communication via Ethernet CPs in S7
Stations
The Ethernet CP for SIMATIC S7 provides a series of communications services for
different tasks.
This chapter explains the following:
SThe types of communication possible with the Ethernet CP on Industrial
Ethernet
SThe tasks handled by the Ethernet CP for the various services
SHow to create the conditions for your communications requirements
You will find further information in the following sources:
SWhen installing the Ethernet CP, please refer to the instructions in the manual
/1/ supplied with the Ethernet CP. This also contains further information about
the performance of the Ethernet CP .
SFor the functions and use of the STEP 7 configuration software, some of which
is used to configure the CP (such as hardware configuration), please refer to /6/
and /8/.
SFor using, structuring and handling Industrial Ethernet, you will find detailed
information in /11/.
SFor a general introduction to local area networks with TCP/IP refer to /16/ and
/17/.
1

Communication via Ethernet CPs in S7 Stations
14 SIMATIC NET NCM S7 for Industrial Ethernet
C79000-G8976-C129–06
1.1 Industrial Ethernet
Definition
Within the open, heterogeneous SIMATIC NET communication system, Industrial
Ethernet is the network for the management and cell level. Physically, Industrial
Ethernet is an electrical network that uses a shielded coaxial cable or twisted pair
or an optical network with fiber-optic cables.
Industrial Ethernet is defined by the international standard IEEE 802.3 (see /11/).
All-Round Communication in the Industrial Sector
Industrial Ethernet is integrated in the SIMATIC NET concept that allows
comprehensive networking of the management, cell and field levels in conjunction
with PROFIBUS and the AS-interface (AS-i).
PROFIBUS
(EN 50170 Vol. 2 PROFIBUS)
AS-Interface
(AS-i, Actuator-Sensor Interface)
Industrial
Ethernet
(IEEE 802.3)
Figure 1-1 Industrial Ethernet in the SIMATIC NET Concept
Network Access
Industrial Ethernet is accessed using the CSMA/CD (Carrier Sense Multiple
Access with Collision Detection) network access technique specified in
IEEE 802.3.

Communication via Ethernet CPs in S7 Stations
15
SIMATIC NET NCM S7 for Industrial Ethernet
C79000-G8976-C129–06
1.2 SIMATIC S7 Communication with S7 Ethernet CPs
Types of Communication
The Ethernet CP for SIMATIC S7 supports the following types of communication
depending on the CP type:
Possible types of communication Interfaces / Services /
Protocols
S7-300
S7/M7-400
SPG/OP communication
SS7 communication
with the protocols
– ISO
– TCP/IP (RFC 1006)
SS5-compatible communication
SPROFInet communication
SHTML process control with
web browser
SFile management and file
access with FTP
with the SEND / RECEIVE interface and the protocols
– ISO Transport
– ISO-on-TCP (TCP/IP with RFC 1006)
– TCP/IP
– UDP
– E-mail:
with FETCH / WRITE services and the protocols
– ISO Transport
– ISO-on-TCP
– TCP/IP
with the protocols
– TCP/IP
with the protocols
– HTTP / IP protocol
with the protocols
– FTP / IP protocol
Ethernet CP
Ethernet CP
SPG/OP communication
PG/OP communication is used to download programs and configuration data,
to run tests and diagnostic functions, and to control and monitor a plant from
OPs.

Communication via Ethernet CPs in S7 Stations
16 SIMATIC NET NCM S7 for Industrial Ethernet
C79000-G8976-C129–06
SS7 communication
S7 communication forms a simple and efficient interface between SIMATIC S7
stations and PGs/PCs using communication function blocks.
SS5-compatible communication with SEND/RECEIVE interface
Depending on the CP type, the SEND/RECEIVE interface allows
program-controlled communication on a configured connection from a SIMATIC
S7 PLC to another SIMATIC S7 PLC, to a SIMATIC S5 PLC, to PCs/PGs, and
to any other station.
Depending on the CP type, the following communications services are available
on the SEND/RECEIVE interface:
– ISO Transport
optimized for top performance at the self-contained manufacturing level
– TCP/IP for internetwork communication with
ISO-on-TCP connections (RFC 1006), TCP connections and
UDP datagram service (including broadcast / multicast).
– Sending E-mail
The controller is capable of sending messages triggered by process events
(refer to the IT-CP manual for details /5/).
SS5-compatible communication with FETCH/WRITE services (server)
The FETCH/WRITE services (server) allow direct access to the system
memory areas on the SIMATIC S7 CPU from SIMATIC S5 or from devices of
other ranges.
Depending on the CP type, the following communications services are available
for FETCH/WRITE access:
– ISO Transport
optimized for top performance at the self-contained manufacturing level
– TCP/IP for internetwork communication with
ISO-on-TCP connections (RFC 1006), TCP connections.
SPROFInet communication
PROFInet is a standard of the PROFIBUS Users organization defining a
heterogeneous communications and engineering model.
An S7-300 station equipped with a CP capable of PROFInet can be
interconnected as a PROFInet component in SIMATIC iMap.
TCP connections are used for the PROFInet communication.
For more detailed information on PROFInet, refer to /23/.
SHTML process control
With an IT-CP, use the supplied functions and HTML pages to query important
system data using a Web browser (you should also refer to the instructions on
the IT-CP /5/).

Communication via Ethernet CPs in S7 Stations
17
SIMATIC NET NCM S7 for Industrial Ethernet
C79000-G8976-C129–06
SFile management and file access with FTP
The IT-CP (S7-400 / S7-300) provides additional functions for FTP services.
You can use your S7 station both as an FTP client and as an FTP server (refer
to the manual of the IT-CP /5/).
– S7 Station as FTP Client
You can transfer data blocks from or to a file server.
– S7 Station as FTP Server
Another station, for example, a PC transfers data blocks to or from the S7
station the file system on the IT-CP.
Possibilities for Communication between Device Types
The possible communication available with the types of communication listed
above is shown in the following table:
S7-300 S5-115 to -155U/H
S7-400
PC
S7-300
S7/M7-400
SEND/RECEIVE
S7 communication SEND/RECEIVE
SEND/RECEIVE
S7 communication
SEND/RECEIVE
S7 communication
SEND/RECEIVE
SEND/RECEIVE
S7 communication1)
HTML process
control
FETCH/WRITE
FETCH/WRITE
SEND/RECEIVE
FETCH/WRITE
PG/OP
communication1)
S7 communication1)
HTML process
control
SEND/RECEIVE
FETCH/WRITE
PG/OP
communication1)
FTP services
FTP services
S7 communication
1) PC only as client
PROFInet
PROFInet
FTP services

Communication via Ethernet CPs in S7 Stations
18 SIMATIC NET NCM S7 for Industrial Ethernet
C79000-G8976-C129–06
Configuration and Diagnostics
To connect and configure the Ethernet CP, you require the STEP 7 configuration
software and the SIMATIC NET NCM S7 for Industrial Ethernet option.
NCM S7 for Industrial Ethernet is installed as a STEP 7 option and is therefore
integrated in STEP 7.
NCM S7 for Industrial Ethernet also provides a wide range of diagnostic functions
for the various types of communication.
When configuring PROFInet communication, you also use the engineering tool
SIMATIC iMap; for detailed information on SIMATIC iMap, refer to the manual
Component based Automation – Configuring Plants with SIMATIC iMap /23/.

Communication via Ethernet CPs in S7 Stations
19
SIMATIC NET NCM S7 for Industrial Ethernet
C79000-G8976-C129–06
1.3 PG/OP Communication via Industrial Ethernet
Application
PG/OP communication provides functions that are already integrated in every
SIMATIC S7/M7/C7 device.
A distinction must be made between the following two types of function:
SPG communication
PG communication with STEP 7 PLCs on Industrial Ethernet means the
following:
– You can use the complete range of functions of STEP 7 on Industrial
Ethernet.
– You can use programming, diagnostic, operating and monitoring functions on
all modules in the SIMATIC S7 PLC via Industrial Ethernet.
SOP Operation
PG/OP communication on Industrial Ethernet allows the operation and
monitoring of all modules in a SIMATIC S7 PLC using operator interface
systems (TD/OP).
The Ethernet CP acts as a “communications relay” that relays the PG/OP
communication via Industrial Ethernet.

Communication via Ethernet CPs in S7 Stations
20 SIMATIC NET NCM S7 for Industrial Ethernet
C79000-G8976-C129–06
Ethernet
S7 – 300
Create configuration data for
every CP and download to the
Ethernet CPs
STEP 7
NCM S7
S7 – 400
Ethernet CP
Ethernet attachment
* only TCP/IP
S7 – 400
Ethernet CP
Modem /
ISDN
WAN *
Ethernet CP
PC with Ethernet CP
Operator Inter-
face functions
OP
Figure 1-2 Configuration for PG/OP Operation

Communication via Ethernet CPs in S7 Stations
21
SIMATIC NET NCM S7 for Industrial Ethernet
C79000-G8976-C129–06
1.3.1 PG Communication with STEP 7 over Industrial Ethernet
Requirements for PG Communication
PG communication is possible when the following requirements are met:
SAn Ethernet CP is installed in the PG or engineering station or there is a
modem/ISDN interface for remote access.
SThe Ethernet CP must have an address (default MAC address or set the IP
address).
Networking the PG / Engineering Station
Depending on the configuration of the PG or Engineering Station, the following two
situations are possible when using PG communication:
SPG / Engineering Station in the Configured Mode
If you select this configuration when you commission the PG / engineering
station, the interfaces of the communication modules you are using are already
known. The option in “Set PG/PC Interface” is automatically set to
“PC-internal”.
Once you have downloaded this configuration to your PG / engineering station,
you can exchange PG functions with the accessible nodes in the network with
STEP 7 without requiring any further settings.
SPG / Engineering Station in PG Operation
If your PG or engineering station is configured for this mode, you must specify the
interface on the PG or engineering station explicitly with “Set PG/PC Interface”.
Follow the steps outlined below:
1. Open the “Set PG/PC Interface” dialog box in the Windows Control Panel.
2. Set the PG/PC interface according to the CPs available on your PG and
according to the bus attachment (interface parameter assignment used).
For more detailed information on the topic of PG operation and engineering station,
refer to /4/.

Communication via Ethernet CPs in S7 Stations
22 SIMATIC NET NCM S7 for Industrial Ethernet
C79000-G8976-C129–06
1.3.2 OP Operation: Connecting Operator Interface Devices via
Industrial Ethernet
Requirements
Operation allowing operator interface functions is possible when the following
conditions are met:
SThe operator interface device has:
– an Ethernet CP installed
– SOFTNET S7 for Ind. Ethernet or S7-1613/ WIN 95, WIN NT, MS-DOS,
Windows installed.
SThe CPs in the S7 stations are supplied with a MAC/IP address (use the default
MAC address or set an IP address).
Procedure
To be able to use S7 communication, address the required module in the SIMATIC
S7 PLC on your operator interface system.
For more detailed information, refer to the description of your operator interface
system.

Communication via Ethernet CPs in S7 Stations
23
SIMATIC NET NCM S7 for Industrial Ethernet
C79000-G8976-C129–06
1.4 S7 Communication on Industrial Ethernet
Application
S7 communication via Industrial Ethernet allows program-controlled
communication using communication SFBs/FBs via configured S7 connections.
Per job, up to 64 Kbytes of user data can be transmitted.
The Ethernet CP acts as an “S7 communication relay” by passing on the S7
functions via Industrial Ethernet (see /8/). Depending on the configuration of the
Ethernet CP, data transfer is on the basis of the ISO transport or the ISO-on-TCP
protocol (TCP/IP with RFC 1006).
From the perspective of the user, S7 communication is identical over PROFIBUS
and Industrial Ethernet.
Nodes
Two cases can be distinguished depending on device type and plant configuration:
SClient and server functionality at both ends
S7 connections can be operated between the following nodes with the entire
functionality of S7 communication:
– between S7 stations S7-300 and S7-400;
– between S7 stations and PC/PG stations with an Ethernet CP.
Ethernet
PC/PG with Ethernet CP
S7 – 400 S7 – 300
Ethernet CP
M7
* only TCP/IP
S7 – 300 / 400
Ethernet CP
PUT / GET
BSEND / BRECV
USEND / URECV
WAN *
Figure 1-3 Nodes Communicating on S7 Connections over Industrial Ethernet

Communication via Ethernet CPs in S7 Stations
24 SIMATIC NET NCM S7 for Industrial Ethernet
C79000-G8976-C129–06
SClient and server functionality at one end only (S7 connections
configured at one end)
In the following situations, write and read functions can be implemented with
PUT / GET:
– S7 communication over router
PG/PC stations can access S7 stations if the PG/PC stations are connected
to a different subnet (PROFIBUS / Ethernet) via routers (for example, an
IE/PB Link); in this case, S7 stations are servers.
S7 communication is possible over a gateway.
Ethernet
PROFIBUS
IE/PB Link
PC/PG Station
S7 – 400 S7 – 300
Ethernet CP Ethernet CP
PUT / GET
Ethernet
PUT / GET
PC/PG Station
Figure 1-4 PC/PG station communicates over a gateway with S7 stations on an underlying PROFIBUS
or Ethernet
For more detailed information on the features supported by your Ethernet CP, refer
to the manual /1/.

Communication via Ethernet CPs in S7 Stations
25
SIMATIC NET NCM S7 for Industrial Ethernet
C79000-G8976-C129–06
Configuring S7 Connections
Create S7 connections to use S7 communication for data exchange between two
SIMATIC S7 stations.
For more detailed information, refer to the STEP 7 Description /6/ /8/.
Notice
S7 connections via routers are supported only within a STEP 7 project but not bet-
ween partners in different STEP 7 projects of a multiproject!
Interface in the User Program of the S7 Station
You use SFBs (for S7-400) and FBs (for S7-300) in the user program.
Block type 1) Client Server Described in
SFB / FB12 BSEND x – STEP 7
D t ti /9/
SFB / FB13 BRCV x Documentation /9/
SFB / FB15 PUT x – 1)
SFB / FB14 GET x – 1)
SFB / FB8 USEND x –
SFB / FB9 URCV – x
SFC / FC62 CONTROL (S7-400) /
C_CNTRL (S7-300) xx 2)
1) you do not need to configure a connection on the server
2) for S7-300
Notice
Please remember the following points regarding data consistency in your user pro-
gram:
In the CPU of the S7 station, the read or written information is taken from the S7
user program into the operating system or copied from the operating system to the
S7 user program in blocks of 8 or 32 bytes (depending on the firmware version).
If information in the word or double-word format is located across such bounda-
ries, data inconsistency may arise during transmission using S7 communication!
For more detailed information, refer to the STEP 7 documentation /9/.

Communication via Ethernet CPs in S7 Stations
26 SIMATIC NET NCM S7 for Industrial Ethernet
C79000-G8976-C129–06
Notes on S7 communication between PC/PG station and S7 station
Applications in a PC/PG station communicate with the S7 station over an OPC
interface or SAPI-S7 interface for operator intervention, monitoring and control.
The S7 stations use the integrated communication SFBs/FBs (client and server
functionality at both ends).
The following general requirements must be met by a PC/PG station for S7
communication:
SOn the PC/PG:
– an Ethernet CP installed
– there is an interface for S7 communication installed: SOFTNET S7 for Ind.
Ethernet or S7-1613/ WIN 95, WIN NT, MS-DOS, Windows.
SThe CPs in the S7 stations are supplied with a MAC/IP address (use the default
MAC address or set an IP address).
To use S7 communication with the SIMATIC S7 PLC from a PC, address the
required CPU module in the SIMATIC S7 PLC that you want to communicate with
in your PC application.
S7 communication via routers (one-ended client and server functionality)
It is possible to reach the S7 station from an application (OPC server) of the
PC/PG station that is attached to another subnet. The subnets must be connected
over a router such as the IE/PB Link. An S7 station or a PC connected to both
subnets can also serve as a router.
In this configuration, the S7 station can only be addressed by the PC/PG station as
a communications server on S7 connections configured at one end.
The requirements for the configuration of the PC/PG station are identical to those
for operation in the same subnet (see above); the CP in the PC/PG station must
also have routing capability.
In this situation, configure a one-ended S7 connection to the PC/PG station in the
other subnet for the PC/PG station in STEP 7 NetPro. You can then access data in
the S7 station in your user program using the functions PUT (writing) and GET
(reading).

Communication via Ethernet CPs in S7 Stations
27
SIMATIC NET NCM S7 for Industrial Ethernet
C79000-G8976-C129–06
1.5 S5-compatible Communication (SEND/RECEIVE
Interface1)
Application
Using the SEND/RECEIVE interface, your S7 user program has access to
S5-compatible communication with configured transport connections.
Data transmission on a configured transport connection is suitable for
Sthe reliable transmission of related blocks of data between two Ethernet nodes
using
– TCP (see /17//19//20/) with ISO-on-TCP connection (see /18/) or TCP
connection;
– ISO transport connection
Ssimple (unacknowldeged) transfer of related blocks of data (datagram service)
between two Ethernet nodes with UDP (User Datagram Protocol) on IP.
The SEND/RECEIVE interface is also suitable for sending E-mail (refer to the
manual for the IT-CP /5/).
For TCP applications, there is an active network with IP protocol (see /20/).
ISO Transport Connection
ISO transport provides services for the reliable transfer of data on configured
connections. Due to the segmentation of the data, large amounts of data can be
transmitted.
Transmission reliability is extremely high due to automatic repetition and additional
field check mechanisms. The communications partner confirms reception of data
and the sender receives a return value on the SEND/RECEIVE interface.
ISO transport is operated only on Industrial Ethernet and is optimized for
high-performance operation at the self-contained manufacturing level.
1The
previous name of the SEND/RECEIVE interface was S5S5 connections

Communication via Ethernet CPs in S7 Stations
28 SIMATIC NET NCM S7 for Industrial Ethernet
C79000-G8976-C129–06
IP (Internet Protocol)
For internetwork data transmission, the following services are available with
suitable CPs such as the CP 443-1 TCP:
SISO-on-TCP connection
ISO-on-TCP is intended for reliable, internetwork data transmission.
The ISO-on-TCP service corresponds to the TCP/IP standard (Transmission
Control Protocol/Internet Protocol) with the RFC 1006 extension according to
layer 4 of the ISO reference model (see /18/).
RFC 1006 extends the TCP protocol by allowing the transmission of blocks of
data (“messages”) assuming that both partners support RFC 1006.
Transmission reliability is extremely high due to automatic repetition and
additional field check mechanisms. The communications partner confirms
reception of data and the sender receives a return value on the
SEND/RECEIVE interface.
STCP connection
When using the SEND/RECEIVE interface on TCP connections, the Ethernet
CP supports the socket interface (for example, Winsock.dll) to TCP/IP found on
almost every system (PC or other system).
TCP is intended for reliable internetwork data transmission.
The TCP service complies with the TCP/IP standard (Transmission Control
Protocol/Internet Protocol; see /18/).
SUDP connection
UDP is intended for simple internetwork data transmission without confirmation.
If the connection is suitably configured, broadcast and multicast frames can
also be sent on UDP connections.
To avoid overload due to high broadcast load, the CP does not allow reception
of UDP broadcasts. As an alternative, use the multicast function over a UDP
connection. This allows you to register the CP as a node in a multicast group.
SEND/RECEIVE interface
Data transfer is triggered by the user program. The interface to the user program in
the SIMATIC S7 is formed by special SIMATIC S7 blocks of the type FC
(functions).

Communication via Ethernet CPs in S7 Stations
29
SIMATIC NET NCM S7 for Industrial Ethernet
C79000-G8976-C129–06
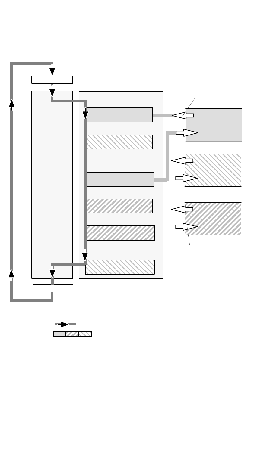
Stations
The SEND/RECEIVE interface allows program-controlled communication on
Industrial Ethernet between the SIMATIC S7 PLC and the following:
SSIMATIC S7 PLC with Ethernet CP
SSIMATIC S5 PLC with Ethernet CP
SPC/PG with Ethernet CP
SOther station with Industrial Ethernet attachment
Ethernet
PG/PC with Ethernet
attachment
SIMATIC S5
with Ethernet CP
D D D
D D DD D D
S7 – 300
S7 – 400 Ethernet CP
Other station with
Ethernet attachment
D D D
WAN
Internet only TCP/IP
Router
Ethernet CP
Figure 1-5 SIMATIC S7 PLC with Possible Communications Partners on the SEND/RECEIVE Interface

Communication via Ethernet CPs in S7 Stations
30 SIMATIC NET NCM S7 for Industrial Ethernet
C79000-G8976-C129–06
1.6 FETCH/WRITE Services (Server)
Application
In addition to the SEND/RECEIVE interface, the FETCH/WRITE functionality
provides further services for S5-compatible communication on configured transport
connections.
The FETCH/WRITE interface is used primarily to attach SIMATIC S7 to SIMATIC
S5 and to other non-S7 stations (for example PCs).
SFETCH
The partner on the connection (SIMATIC S5 or non-S7 station) can read
system data on the SIMATIC S7 PLC.
SWRITE
The partner on the connection (SIMATIC S5 or non-S7 station) can write
system data on the SIMATIC S7 PLC.
From the point of view of the SIMATIC S7 PLC, this is a passive communication
function; the communications partner initiates the connection establishment.
For further information, refer to the system documentation of the SIMATIC S5 PLC
or the non-S7 station you are using.
Connection Types
To access a station with FETCH or WRITE functions, a FETCH passive or WRITE
passive connection must be configured. The following types are possible:
SISO Transport
SISO-on-TCP
STCP
Coordinating Access Using the User Program
To coordinate access, you can use the FCs AG_LOCK and AG_UNLOCK.
With these FCs, you can coordinate access to system memory areas so that no
inconsistent data are created and transferred.
SIMATIC S5
On the SIMATIC S5 station, the FETCH/WRITE services are configured and
started by READ ACTIVE/PASSIVE and WRITE ACTIVE/PASSIVE.

Communication via Ethernet CPs in S7 Stations
31
SIMATIC NET NCM S7 for Industrial Ethernet
C79000-G8976-C129–06
1.7 Networking Stations with STEP 7
Configuring
To allow stations to communicate with each other the networks must be configured
in the STEP 7 projects.
Configuring a network or subnet involves the following:
1. You create one or more subnets of the required subnet type in the project.
2. You select the properties of the subnet. Normally the default settings are
adequate.
3. You connect the station “logically” to the subnet.
4. You set up connections for communication.
Networking in a Multiproject
STEP 7 as of Version V5.2 supports configuration in a multiproject.
Using a multiproject, for example, you can create a project for distributed editing by
various editors and distribute the stations to the projects according to their editors.
To allow this, functions are available for branching and merging (sub) projects.
Interproject subnets and connections can be created.
Tools
The SIMATIC Manager provides convenient tools for configuring and documenting
networks (also graphically with NetPro).
The chapters describing network configuration in /6/ and the online help system
also contain information about configuring SIMATIC S7 networks.

Communication via Ethernet CPs in S7 Stations
32 SIMATIC NET NCM S7 for Industrial Ethernet
C79000-G8976-C129–06
Variants
Before configuring networks with STEP 7, you should be aware of the various
configurations possible in the STEP 7 project. The following configurations are
typical for stations networked with CPs:
Variant (examples) Characteristics/Configuration
11 subnet – 1 project
2Additional SIMATIC S5 stations and stations with equipment of other vendors
32 or more subnets – 1 project
41 subnet – more than one project
5More than one subnet – more than one project
6Internetwork connections (TCP)
These variants will be used as a basis to illustrate how real configurations can be
created in STEP 7 projects.

Communication via Ethernet CPs in S7 Stations
33
SIMATIC NET NCM S7 for Industrial Ethernet
C79000-G8976-C129–06
1.7.1 Network/Project Variant: One Subnet – One Project
Configuration of the System
In the simplest case, your system consists of SIMATIC S7 stations connected by
one subnet, for example of the type Industrial Ethernet.
Ethernet (1)
System
“Production”
View in a STEP 7 Project
You create an Industrial Ethernet object in the STEP 7 project. Stations created
in the same project refer to this object as soon as they are configured as
network nodes.
S7-400/1 S7-300/1
S7-300/2

Communication via Ethernet CPs in S7 Stations
34 SIMATIC NET NCM S7 for Industrial Ethernet
C79000-G8976-C129–06
1.7.2 Network/Project Variant: SIMATIC S5 and Non-SIMATIC Devices
on the Subnet
Configuration of the System
In addition to SIMATIC S7 stations, SIMATIC S5 stations and non-SIMATIC
devices can be included in your system.
Ethernet (1)
System
“Production”
SIMATIC S5
Non-SIMATIC
S7-400/1
S7-300/1
S7-300/2
SIMATIC S5 stations you intend to include in the communication can be
selected directly. Non-SIMATIC devices must be entered in the configuration as
Other stations.
View in a STEP 7 Project

Communication via Ethernet CPs in S7 Stations
35
SIMATIC NET NCM S7 for Industrial Ethernet
C79000-G8976-C129–06
1.7.3 Network/Project Variant: Two or More Subnets – One Project
Configuration of the System
Due to the different tasks of the stations or due to the extent of the system it may
be necessary to operate more than one network.
View in a STEP 7 Project
System
”Production and
Management Level”
You can create the subnets in one STEP 7 project and configure the stations for
communication.
S7-400/1
S7-300/1 S7-300/2
S7-400/2
PROFIBUS CP
Ethernet CP
Ethernet (1)
PROFIBUS (1)
This representation illustrates the following:
SMore than one subnet can be managed in one project.
SEach station is created once in the project.
SEach station can be assigned to more than one subnet by assigning its CPs to
different subnets.

Communication via Ethernet CPs in S7 Stations
36 SIMATIC NET NCM S7 for Industrial Ethernet
C79000-G8976-C129–06
1.7.4 Network/Project Variant: One Subnet – More Than One
(Sub)Project
Configuration of the System
In complex networked systems, during configuration it is sometimes more efficient
to manage plant sections in different (sub) projects.
The situation can arise that communication takes place over an interproject subnet
and that interproject connections must then also be created.
Example:
S7 400/1
S7 – 300/3
System section
“Production 1”
S7 300/1 S7 – 300/2
S7 – 400/2
System section
“Production 2”
Ethernet (1)
Organization in a Multiproject
User-friendly and consistent configuration of such communication is supported in
STEP 7 as of Version V5.2 with the multiproject.
The functions for multiprojects in STEP 7 allow the following:
SSeveral projects can be managed in one multiproject and edited separately
SProjects can be branched and merged
Two different strategies can be distinguished in a multiproject:
SSeveral employees work at the same time on a multiproject in a networked
environment. The projects of the multiproject are in different network folders. In
this case, all connection partners are available for configuring connections.
SOne employee manages the multiproject centrally. This person creates the
structures for projects (when necessary locally) and contracts individual projects
out for external editing. The central configuration engineer then returns these
projects to the multiproject and synchronizes the interproject data with system
support and where necessary executes the required interproject functions.
In this case, agreement is necessary, for example, regarding the assignment of
connection names because it will be far easier when synchronizing the projects

Communication via Ethernet CPs in S7 Stations
37
SIMATIC NET NCM S7 for Industrial Ethernet
C79000-G8976-C129–06
to bring connections with identical connection names together.
The topic of multiprojects is dealt with in detail in the STEP 7 basic help.
Here, you will find information on the following topics:
SRequirements for interproject functions
SHow to create multiprojects
SHow to create a new project in a multiproject
SHow to separate a project from a multiproject
SHow to include projects in the multiproject
SHow to synchronize projects in a multiproject
SMoving stations within a multiproject (when a station is moved from one project
of a multiproject to another project of the same multiproject (for example using
drag & drop), the interproject connections are retained).
SPossible problems in distributed projects and tips on how to avoid them
Possibilities for stations outside the current project
The addition of the multiproject functionality means that the following situations can
arise:
SConnection to a partner in an unknown project
The new multiproject functionality allows you to create a connection to a partner
in an unknown project. In this case, you can specify a connection name as a
reference in the properties dialog of the connection. When the projects are
merged, STEP 7 then supports you with automatic synchronization of the
separately configured connections.
The connection remains unspecified until the projects have been merged and
the connections synchronized. Only following this synchronization can the
configuration data be downloaded to the local station without inconsistencies.
You should therefore use this variant when you know that the projects will be
merged in a multiproject.
SSpecified connections with representative objects
To allow you to create specified connections to stations in a different project (for
example production 2) or that are not managed with STEP 7, you can configure
these stations as other stations(example in the project production 1).
This makes it possible to create consistent, fully specified configuration data
and to download it to the local station.
It is also possible to create specified connections between these stations in
different, independent projects. The stations can then communicate
immediately over the created connections after the configuration data have
been downloaded.
Use this variant when you want to operate projects separately due to the
complexity.

Communication via Ethernet CPs in S7 Stations
38 SIMATIC NET NCM S7 for Industrial Ethernet
C79000-G8976-C129–06
Stations of the type SIMATIC S5 function in just the same way as
representative objects.
Merging projects in the multiproject:
If you have used the multiproject functions allowing you to use connections to a
partner in an unknown project, STEP 7 will automatically attempt to synchronize
two separately configured connections.
If you have configured projects with representative objects and want to merge
these projects into a multiproject, you have the following options:
SYou can leave the representative objects with the configured connections
unchanged.
SYou can reassign the connection partner and then delete the representative
objects.

Communication via Ethernet CPs in S7 Stations
39
SIMATIC NET NCM S7 for Industrial Ethernet
C79000-G8976-C129–06
1.7.5 Network/Project Variant: Several Subnets in Several (Sub)
Projects
Configuration of the System
If several network types need to be used and if these need to be managed in
different projects due to the different tasks of the stations or due to the large span
of the plant, stations can be created as follows:
SUsing (sub) projects in the “multiproject”
Sby configuring ”Other stations / SIMATIC S5” in the other project.
S7 – 300/1 S7 – 300/2
S7 – 400/1
Cell level = (sub)project 1
Cell level = (sub)project 2
PROFIBUS CP
Ethernet (1)
PROFIBUS (1)
Ethernet CP
Organization in a Multiproject
If you use a multiproject organization, follow the steps below to connect the
S7-400/1 station to the PROFIBUS (1) subnet:
Create a subnet of the type PROFIBUS in both subprojects and merge these two
subnets in NetPro.

Communication via Ethernet CPs in S7 Stations
40 SIMATIC NET NCM S7 for Industrial Ethernet
C79000-G8976-C129–06
Representative Objects for Stations Outside the Current Project
If you do not want to use the multiproject functions, you can fall back on the use of
representative objects as used previously.
To be able to network the representative objects, you must once again create a
subnet of the type PROFIBUS in both projects as shown in the example here.

Communication via Ethernet CPs in S7 Stations
41
SIMATIC NET NCM S7 for Industrial Ethernet
C79000-G8976-C129–06
1.7.6 Network/Project Variant: Connections between Subnets
(TCP/IP)
Configuration of the System
If connections are required to stations on network structures connected by routers
due to the differing tasks of the stations or the large span of the network, the
stations in the other project can be reached by configuring “Other Stations”.
S7 – 400/1
Ethernet CP
S7 – 400/2
Ethernet CP
* only TCP/IP
Router *
S7 – 300/1
Ethernet (1)
Ethernet (2)
WAN
Internet *
If the stations in the two networks are managed in the same project, the
networking appears as shown below in NetPro.
View in a STEP 7 Project

Communication via Ethernet CPs in S7 Stations
42 SIMATIC NET NCM S7 for Industrial Ethernet
C79000-G8976-C129–06
-

43
SIMATIC NET NCM S7 for Industrial Ethernet
C79000-G8976-C129–06
Installing and Starting the Ethernet CP
with STEP 7
To attach a SIMATIC station to Industrial Ethernet via the Ethernet CP, configure
the CP with the NCM S7 configuration software. The chapter explains the
following:
SHow the CP is configured in the STEP 7 project
SHow the various network configurations are managed (setting up access to
other systems)
SHow to control and supply the CP with data using NCM S7
You will find further information in the following sources:
SWhen installing the Ethernet CP, please refer to the instructions in the manual
/1/ supplied with the Ethernet CP. This also contains further information about
the performance of the Ethernet CP .
SFor more information about the functions and applications of STEP 7 in which
the NCM S7 option is integrated, please read the following topics:
– For using the help functions, read the section Working with STEP 7 in /6/.
– Configuring and assigning parameters to modules in /6/
– Configuring networks in /6/. You will find this information in the online help
with integrated in STEP 7 by selecting Help " Contents.
SYou will find examples of configurations in the Primer /3/.
2

Installing and Starting the Ethernet CP with STEP 7
44 SIMATIC NET NCM S7 for Industrial Ethernet
C79000-G8976-C129–06
2.1 General Information About the NCM S7 for Industrial
Ethernet Option
Installation
Please follow the instructions in the README file when installing the NCM S7 for
Industrial Ethernet option on your PG/PC under STEP 7.
Functions
NCM S7 consists of the following:
SCP-specific index dialogs that you call using the properties dialog box of the
modules.
SDialogs for the connection configuration
SDiagnostic functions that you obtain as follows:
– Using the “Diagnostics” tab in the properties dialog
– Using the standard Start menu of Windows with which you can call the
SIMATIC program group
SFunctions displayed with SIMATIC " NCM... in the Start menu of Windows:
– Diagnostics
– Help for functions (FCs)
– “Readme” file with current information about NCM
– Firmware loader
Operation
Operating and handling the software package is as explained in the STEP 7 user
manual /6/.

Installing and Starting the Ethernet CP with STEP 7
45
SIMATIC NET NCM S7 for Industrial Ethernet
C79000-G8976-C129–06
2.2 Procedure
A CP is managed in an S7 project just as the other modules. You use STEP 7 to
configure the hardware and create and manage the user software (see /6/).
Configuring a CP involves the following basic steps (the broken lines indicate
options):
Program the SEND/RECEIVE interface (Chap. 3)
Create the Industrial Ethernet subnet (see 2.2.1)
Enter the Ethernet CP in the hardware configuration
(see 2.2.2)
Make further CP settings (see 2.2.4)
Configuring communication services (Chap 4)
– S7 connections /6/
– ISO transport connections
– ISO-on-TCP connections
– TCP connections
– UDP
Download the configuration to the PLC (see 2.4).
Configuration data in
the STEP 7 project
Check or set the network properties
Attach the Ethernet CP to the Ethernet subnet
(see 2.2.2)
Display the network attachments of a station (see 2.2.3)
The steps are explained in detail in the sections shown.
Fields with broken lines are optional.

Installing and Starting the Ethernet CP with STEP 7
46 SIMATIC NET NCM S7 for Industrial Ethernet
C79000-G8976-C129–06
2.2.1 Creating an Industrial Ethernet Subnet
Aims
To be able to attach the SIMATIC stations to a subnet, you create the subnet in
your project. This means that all the parameters for the entire subnet are managed
centrally.
Procedure
It is advisable to create the subnet before you configure the stations since the
assignment of the SIMATIC stations is then performed largely automatically.
It is also possible to create the subnet at a later point in time when configuring a
CP. This is explained in more detail later in the chapter.
Follow the steps outlined below:
1. Select the project in the SIMATIC Manager.
2. Select Insert " Subnet " Industrial Ethernet.
Result: An object of the type network is created in the project. This allows all
the SIMATIC stations created in the project to be attached to this subnet.
Figure 2-1 Project with Assigned Ethernet Network

Installing and Starting the Ethernet CP with STEP 7
47
SIMATIC NET NCM S7 for Industrial Ethernet
C79000-G8976-C129–06
3. If you prefer a NetPro graphic network display, select the network object
“Ethernet” and confirm with Edit " Open Object.
Figure 2-2 Graphic Network Representation (here showing stations not yet networked)
From this graphic representation, you can also activate all the functions for
networking and configuring connections with the Ethernet CPs.
You can also create the subnets in NetPro! Open the catalog using the menu
command Insert " Network Objects.
Organization in a Multiproject
If you use the multiproject form of organization, this has the following effects when
creating subnets.
You create subnets initially in the subprojects as described above. To be able to
network S7 stations, you will, for example, need to create a suitable subnet of the
type Industrial Ethernet in each subproject.
If this is physically a subnet that extends beyond the boundaries of the subproject,
you should first merge the subnets before configuring the communication
connections between the S7 stations.
If you do not merge the subnets, NetPro assumes that you are connecting the
subnets via routers and displays warning messages to this effect.
Properties of Merged Subnets (Multiproject)
When you merge subnets, transferable subnet properties such as the subnet ID of
the master subnet will be transferred to the other subnets of the group.
Some parameters relate specifically to a subproject and remain unchanged; these
include, for example, descriptive parameters such as the name, author, and any
comments.

Installing and Starting the Ethernet CP with STEP 7
48 SIMATIC NET NCM S7 for Industrial Ethernet
C79000-G8976-C129–06
Notice
Preserving Consistency in Merged Subnets
After merging the subnets, you should check the consistency throughout the multi-
project using the menu command Network > Check Interproject Consistency in
NetPro to make sure that there is consistency throughout the multiproject. This
check detects, for example, S7 subnet IDs that are not unique within the multipro-
ject.

Installing and Starting the Ethernet CP with STEP 7
49
SIMATIC NET NCM S7 for Industrial Ethernet
C79000-G8976-C129–06
2.2.2 Entering an Ethernet CP in the Hardware Configuration
Procedure
By installing and assigning the Ethernet CP in the rack of a SIMATIC station, you
establish the logical attachment between the Internet CP and the subnet.
1. Select the station in your project that you want to attach to Industrial Ethernet
using an Ethernet CP.
2. Select the CP in the hardware configuration just like any other module by
selecting it in the hardware catalog and then selecting the slot in the rack.
You select CPs in the hardware catalog using a short text and the order
number. Once you have installed NCM S7, the CPs are available in the catalog.
Result: The CP is assigned to the SIMATIC station.
For information about the permitted slots, refer to /1/.
How to configure a module is described in detail in /6/.
Subnet Attachment
To allow you to activate the network attachment of the Ethernet CP, the SIMATIC
Manager displays the following dialog:

Installing and Starting the Ethernet CP with STEP 7
50 SIMATIC NET NCM S7 for Industrial Ethernet
C79000-G8976-C129–06
Note
You can open the dialog for setting the interface at any time from the Properties
dialog of the CP in the “General” tab.
1. If you have not yet created a subnet in the project or have not yet created the
selected subnet, you can now create a subnet. To do this, select the “New”
button.
Result: An object of the type network is created in the project.
2. Check the addresses and if necessary change them. The system enters the
next free address automatically.
You will find detailed information on the address ranges in the online help.
Please note the following additional information:
– MAC address
The latest Ethernet CPs are supplied with a default MAC address (address
printed on the module). To be sure that you have a unique address
assignment, do not enter a MAC address in the configuration (the option is
deactivated). This means that the module automatically uses the factory–set
address. If you want to use ISO services, we recommend that you enter the
address printed on the module in the configuration.
Note
The ”IP address” and ”Subnet mask” input fields have no significance for ISO
transport (option ”IP protocol being used”).
3. Select the required subnet type in the “Subnet” list box.
4. You can display the properties dialog box for the selected subnet by clicking the
Properties button.
5. Enter information specific to the subnet node in the “General” tab.
6. You must finally confirm your input with OK, otherwise the networking is not
entered (refer to Point 3.).
Result: The CP is now configured as a network node for the corresponding S7
station.

Installing and Starting the Ethernet CP with STEP 7
51
SIMATIC NET NCM S7 for Industrial Ethernet
C79000-G8976-C129–06
Setting Addresses in the Configuration and Addressing for the First Time
The address settings described here are made on the CP only after you download
the configuration data.
With the latest Ethernet CPs, the situation is as follows:
To be able to reach the CP using these addresses before you download the
configuration data, you can address the CP using its default MAC address and
then supply it with project-specific address information.
How to do this is described in Section 2.3.

Installing and Starting the Ethernet CP with STEP 7
52 SIMATIC NET NCM S7 for Industrial Ethernet
C79000-G8976-C129–06
2.2.3 Displaying the Network Attachments of a Station
Procedure
You can easily get an overview of the network attachment configurations of a
SIMATIC station in one of the following ways:
SA graphic overview in NetPro;
SAn overview in table form in the Properties dialog of the station
Graphic Overview in NetPro
The NetPro view provides you with a good overview of the networked stations:
Follow the steps below:
1. Double-click one of the network objects, for example Ethernet in your project in
the SIMATIC Manager.
Figure 2-3 NetPro View of a Subnet of the Type Industrial Ethernet

Installing and Starting the Ethernet CP with STEP 7
53
SIMATIC NET NCM S7 for Industrial Ethernet
C79000-G8976-C129–06
Overview in Table Form
The table view in the Properties dialog of the station provides a detailed overview
of the components used for network attachment.
Follow the steps below:
1. Using the SIMATIC Manager, select the station in your project that you want to
check.
2. Select the Object Properties using the menu option Edit " Object Properties
or by double-clicking the station symbol.
3. Select the “Interfaces” tab.
Result:
Figure 2-4 “Interface” Tab in the “SIMATIC 300/400” Properties Dialog Box
In the displayed dialog, you can see the subnet attachments that were configured
for the SIMATIC station.

Installing and Starting the Ethernet CP with STEP 7
54 SIMATIC NET NCM S7 for Industrial Ethernet
C79000-G8976-C129–06
2.2.4 Setting Further CP Properties
Overview
In addition to the network attachment, you can also make further settings for the
specific module or you can call functions.
1. Select the Ethernet CP in the hardware configuration.
2. Select Edit " Object Properties. In the dialog, you will see further tabs in
addition to the “General” tab described in Section 2.2.2 depending on the type
and CP, some of which are shown in the example of a CP 443-1:
Figure 2-5 Example of the “General” Tab of the “Properties CP” Dialog Box for the CP 443-1 TCP
Please read the description of the Properties dialog of the CP in the integrated
help. The functions are explained in detail there.
Addresses Tab
The Addresses tab displays the address at which the module can be addressed by
the user program. You require this address when calling the FCs for transport
connections –> see Chapter 5.
F1

Installing and Starting the Ethernet CP with STEP 7
55
SIMATIC NET NCM S7 for Industrial Ethernet
C79000-G8976-C129–06
Notice
Please note the following information on S7–300 stations:
If you selected the option ”Update OB1 process image cyclically” in the CPU confi-
guration, (default), make sure that the start address of the CP is outside the pro-
cess image area (start addresses in the ”Addresses” tab).
Example: if the process image selected for the CPU = 1024 (0...1023), an address
>= 1024 must be selected for the CP.
Options Tab
Depending on the CP type, you can make the following settings:
Table 2-1 Settings in the “Options” Tab
Option Meaning / Effect
STime-of-Day Synchronization Here, you decide whether the CP passes on time-of-day frames or
not. You require this function if you have several CPs in a station
since only one CP (on the same network) is permitted to pass on the
time synchronization messages.
Note
The time-of-day synchronization function does not exist for all module
types.
SData transfer > 240 bytes With this option, you specify whether or not the CP will support jobs
with a data length of more than 240 bytes (for S7-300 stations).
Notes
SThe transfer of more than 240 bytes of data is supported by
newer version CPs. Please note the information in the product
information bulletin / manual of the Ethernet CP.
Please note the information in Section 5.1 on the
newer CP types.
SRemember that with this configuration on an S7-300, one
connection resource (free connection for S7 functions) of the
S7-300 CPU is used. CPU connection resources are also used,
for example, by S7-300 CPs, in the FMS mode or by PGs and
OPs. For more detailed information about the maximum
connection resources, refer to /13/ and /7/.

Installing and Starting the Ethernet CP with STEP 7
56 SIMATIC NET NCM S7 for Industrial Ethernet
C79000-G8976-C129–06
Table 2-1 Settings in the “Options” Tab , continued
Option Meaning / Effect
SReplace Module without PG With this option, you can have the configuration data of the CP stored
on the CPU. If you then replace CP, the configuration data for the
new CP are downloaded automatically from the CPU when the CP is
started up.
If you select this option, the configuration data are stored long-term
on the CPU instead of in the EEPROM of the CP. Remember,
however, that long-term storage on the CPU is only safe from power
outages if the CPU is protected by battery backup or by using an S7
Memory Card.
Note
If you store the configuration data on the CPU, please read the note
below.
The following functions do not modify the configuration data on the
CPU:
SResetting module memory
SResetting to factory settings
SAssigning an IP address1) (using the target system selection in
the SIMATIC Manager or the properties dialog in HW Config or
NetPro)
If you subsequently upload the configuration data from the CPU to a
PG you will always object the configuration data that were previously
on the CP (with parameters, connections, IP address).
1) Note: You should only use the assign IP address function during
commissioning; in other words, before downloading the configuration
data.
SEthernet Profile for
Fault-Tolerant Connections Select this profile if you use fault-tolerant communication in your
system. Fault-tolerant communication means that Industrial Ethernet
is designed with redundancy and that you have configured
fault-tolerant S7 connections.
If you select the Ethernet profile for fault-tolerant connections here,
the time response of the S7 connections is adapted. As a result,
breakdowns of a connection are detected more quickly and the
failover to redundant connections is faster.
Note
Select the Ethernet profile for fault-tolerant connections only when
you actually use fault-tolerant S7 connections. Otherwise you must
expect your system to be more susceptible to problems since, for
example, the number of transfer or connection establishment
attempts is reduced compared with non-redundant systems.

Installing and Starting the Ethernet CP with STEP 7
57
SIMATIC NET NCM S7 for Industrial Ethernet
C79000-G8976-C129–06
Table 2-1 Settings in the “Options” Tab , continued
Option Meaning / Effect
SIndividual Network Settings Here, you can make fixed network settings, when necessary. As
default, “Automatic Setting” is selected and this setting generally
guarantees problem-free communication in most situations.
If problems occur in communication (for example, when connections
are not established or when there are often disturbances on the
network), the reason may be that the selected or automatic network
settings are not suitable. You can then select a network setting to suit
your network configuration.
SSend Keepalives for
Connections Here, you can set the interval at which keepalives are sent to the
partner of a communications connection. This setting decides the
latest time after which the failure of a communications partner is
detected.
For all connection-oriented services, the Ethernet CP is configured so
that keepalives are sent. This guarantees that connections are
closed if a communications partner fails and that the connection
resources are released. The setting made here applies to all TCP
and ISO-on-TCP connections operated via the CP; a
connection-oriented setting is not possible.
Possible values:
Default Setting: 30 seconds
Turn keepalives off: 0 seconds
Maximum value: 65535 seconds
Notes / Recommendations:
Remember that the keepalive mechanism can keep underlying
connections established (for example, an ISDN telephone
connection) although no user data are actually being transmitted. If
this is not required, set the interval so high that the underlying
connection is closed down when no further user data are sent before
a keepalive is sent.

Installing and Starting the Ethernet CP with STEP 7
58 SIMATIC NET NCM S7 for Industrial Ethernet
C79000-G8976-C129–06
Table 2-1 Settings in the “Options” Tab , continued
Option Meaning / Effect
SMultiplex OP Connections /
Reserve Internal CPU
Connection Resources
To attach TD/OPs or HMI devices, you can optimize the connection
resources on the S7-300 CPU by having up to 16 of these devices
communication on a single CPU connection resource (multiplex
mode).
If you do not use this option, the number of operable TD/OPs or HMI
devices depends on the number of available connection resources of
the CPU you are using.
As default, this option is deactivated. This means that a CPU
connection resource is used for multiplex only when necessary.
Configured S7 connections over the CP use the same multiplex
channel as you use for multiplexing the HMI connections. If you
configure S7 connections, this means that one CPU connection
resource is already used.
Please note: PG connections do not use the multiplexer; if you use a
PG, one connection resource is always occupied.
Note on Programming:
When you use the multiplex mode, you must specify the rack/slot
assignment of the CP for addressing on TD/OP/HMI connections
instead of the rack/slot assignment of the CPU!
Applications (for example ProAgent) that require block-related
messages (Alarm_S: SFC17-19) are not supported in the multiplex
mode.
Time-of-Day Synchronization Tab
In this tab, you can make the settings for one of the two synchronization modes
explained below:
SSIMATIC mode
If the CP receives MMS time-of-day frames, its local time is synchronized
providing the NTP mode was not configured (MMS = Manufacturing Message
Specification).
The advantage of this mode is the accuracy that is generally higher than
achieved with the NTP mode.
SNTP mode (NTP: Network Time Protocol)
In the NTP mode, the CP sends time queries (in the client mode) at regular
intervals to the NTP server in the subnet (LAN). Based on the replies from the
server, the most reliable and most accurate time is calculated and the time of
day on the station is synchronized.
The advantage of this mode is that the time of day can be synchronized beyond
the boundaries of the subnet.

Installing and Starting the Ethernet CP with STEP 7
59
SIMATIC NET NCM S7 for Industrial Ethernet
C79000-G8976-C129–06
Diagnostics Tab
In the “Diagnostics” tab, you can start NCM S7 Ethernet Diagnostics.
See Chapter 6 Diagnostics for a description of the diagnostic functions
themselves.
Addressing Tab
In the ”Addressing” tab, you can assign the previously configured IP address and
IP parameters to the CP.
This is necessary before the configuration data can be downloaded to the CP over
Ethernet.
For a detailed description, refer to Section 2.3.

Installing and Starting the Ethernet CP with STEP 7
60 SIMATIC NET NCM S7 for Industrial Ethernet
C79000-G8976-C129–06
2.2.5 “Substitute Objects” in the STEP 7 Project
Overview
Communication connections can be configured fully when the communications
partners are available in the current project. For the stations on the Ethernet
subnet, whose configuration data were not created in STEP 7 or whose
configuration data are not managed in the currently active project, the following
substitute objects can be created in the project:
SSIMATIC S5 stations
SPG/PC
SOther stations
– for devices of other manufacturers
– for SIMATIC S7 stations in another project (not necessary in a multiproject)
Note
Instead of creating substitute objects, you can also configure unspecified
connections for connections to the stations listed above.
In the Properties dialog of these connections, you must then specify the full
partner address. These partners do not appear in the NetPro plant view.
Ethernet subnet (1)
Plant
”Production 1”
SIMATIC S5
Non-Siemen
s device
S7-400/1
S7-400/5
Plant
”Production 2”
S7-400/2 S7–400/4
S7-400/3
PC/PG

Installing and Starting the Ethernet CP with STEP 7
61
SIMATIC NET NCM S7 for Industrial Ethernet
C79000-G8976-C129–06
Procedure
To enter a substitute object in the project, following the steps below:
1. Select the project in the SIMATIC Manager.
2. Select the menu command Insert " Station " and then as necessary
Other Station, PG/PC or SIMATIC S5.
Possible result: the selected object is created in the project.
Figure 2-6 Project With Substitute Objects Configured
Attaching Non-S7 Stations to the Subnet
The next step is to assign the substitute objects to the subnet, as follows:
1. Select the required object in the project and select Edit " Object Properties.
2. In the Properties dialog box that is displayed select the ”Interfaces” tab and
click the “New” button (for example “Other Station”.
Result: The New Interface – Type Selection dialog box is displayed.

Installing and Starting the Ethernet CP with STEP 7
62 SIMATIC NET NCM S7 for Industrial Ethernet
C79000-G8976-C129–06
Figure 2-7 Selecting the Subnet Type for “Other Station” (Example)
3. Select a subnet.
Result: The “Properties – Ethernet Interface” dialog is displayed. Here, you can
select the subnet, connect the station to the network and set the address (MAC,
IP). All the SIMATIC stations in the project can establish communication
relationships to this substitute object.
The addresses (MAP/IP) configured for the substitute object here must also be set
on the station using the appropriate tool, for example COM 1430.

Installing and Starting the Ethernet CP with STEP 7
63
SIMATIC NET NCM S7 for Industrial Ethernet
C79000-G8976-C129–06
2.2.6 Configuring Communication Services
Setting Up Connections
You must set up connections for the connection-oriented services supported by the
Industrial Ethernet CP, see also the Table in Section 1.2.
SS7 connections
see the STEP 7 user manual /6/
SISO transport connections
see Section 4.4
SISO-on-TCP connections
see Chapter 4.5.
STCP connections
see Section 4.6
SConnections for UDP
see Section 4.7.
SInterconnections for PROFInet communication
see manual Component based Automation – configuring plants with SIMATIC
iMap /23/
The information in the STEP 7 user manual /6/ in the chapter “Creating
Communication Connections Between Two Programmable Modules” also applies
to the additional types of connection possible with the CPs.
You will find this information in the online help with integrated in STEP 7 by
selecting Help " Contents. Select the topic “Configuring Connections and Data
Exchange.

Installing and Starting the Ethernet CP with STEP 7
64 SIMATIC NET NCM S7 for Industrial Ethernet
C79000-G8976-C129–06
2.3 Assigning Addresses for the First Time (Applies to
Latest CPs)
Meaning of the Address Assignment – MAC Address and IP Address
The CP ships with a factory-set MAC address. Without further configuration, the
device can only be accessed over the Ethernet port using this MAC address.
In its original state, you can already use the following functions via the CP using
the ISO protocol and the factory-set MAC address:
SDownload the defined configuration to the CP or CPU
SRun diagnostics on the CP or CPU
Before you can download defined configuration data to the device using an IP
address, you must first assign an IP address to the CP.
Assigning the Address – Options and Recommendations
There are three ways of assigning this address in STEP 7:
SAddressing by selecting the target system in the SIMATIC Manager
This option allows you to assign the address without having to set up a STEP 7
project. This is useful, for example, if you want to download defined
configuration data you created offline to the S7 station.
This is described in Section 2.3.1.
SAddressing using the properties dialog in HW Config or NetPro
This option assumes that the CP was networked in STEP 7. The advantage of
this method is that the IP parameters set during configuration in STEP 7 /
NetPro can be used.
In the “Addressing” tab, you assign the previously configured IP address and IP
parameters to the CP.
This is necessary before the configuration data can be downloaded to the CP
over Ethernet.
This is described in Section 2.3.2.
SDownloading configuration data using the ISO protocol
Another option is to download configuration data with a defined IP address
using the ISO protocol (see above).

Installing and Starting the Ethernet CP with STEP 7
65
SIMATIC NET NCM S7 for Industrial Ethernet
C79000-G8976-C129–06
Requirements
Before you can use the addressing described here, the CP must be obtainable
online, which means:
SAn attachment to the Ethernet LAN must already exist; there must be no
routers between subnets in the path.
SThe Ethernet port of your PG/PC must be accessible to STEP 7.
Notice
The options for assigning an address as described here are available only if you
have a module that can be reached using the default MAC address; such modules
must support the PST (Primary Setup Tool) function. Please refer to the informa-
tion in the relevant manual /1/.
2.3.1 Addressing by Selecting the Target System in the SIMATIC
Manager
Follow the steps below to assign the IP address the first time:
1. Open the SIMATIC Manager
2. Select the menu command PLC " Assign Ethernet Address.

Installing and Starting the Ethernet CP with STEP 7
66 SIMATIC NET NCM S7 for Industrial Ethernet
C79000-G8976-C129–06
3. Start a network search for available modules by selecting the “Browse...”
button.
4. Select the CP with the matching MAC address from the components listed.
5. Enter the required IP parameters and assign them to the CP.
Result:
The CP is now accessible on Industrial Ethernet using the IP address.
Note
You will find further detailed information on this procedure in the STEP 7 online
help.

Installing and Starting the Ethernet CP with STEP 7
67
SIMATIC NET NCM S7 for Industrial Ethernet
C79000-G8976-C129–06
Alternative Procedure
You can also follow the steps outlined below in the SIMATIC Manager:
1. Use the menu command PLC" Display Accessible Nodes to display the
nodes that you can access over Industrial Ethernet.
2. Select the required node in the list displayed.
3. Then select the menu command PLC" Ethernet Address.
Result: The previously selected node is entered directly into the ”Addressing”
dialog. You cannot modify the MAC address of the node.
4. Enter the required IP parameters and assign them to the CP (see above under
STEP 5.).
Result:
The CP is now accessible on Industrial Ethernet using the IP address.

Installing and Starting the Ethernet CP with STEP 7
68 SIMATIC NET NCM S7 for Industrial Ethernet
C79000-G8976-C129–06
2.3.2 Addressing using the Properties Dialog in HW Config or NetPro
Follow the steps below to assign the IP address the first time:
1. Open the SIMATIC Manager.
2. Define the configuration of your S7 station with the appropriate components in
HW Config in an existing or newly created project.
3. When you create the CP, network it with an Industrial Ethernet subnet.
When you create the CP in HW Config, the necessary dialog is displayed in
which you can network the device and assign the IP address.
4. Select the ”Addressing” tab in the properties dialog of the CP you want to
address.
The tab displayed is identical to the dialogs illustrated in Section 2.3.1.
5. Start a network search for available modules by selecting the “Browse...”
button.
6. Select the CP with the matching MAC address from the components listed.
7. Assign the IP parameters taken from the networking to the CP by clicking the
relevant button.
Result:
The CP is now accessible on Industrial Ethernet using the IP address.
Note
You will find further detailed information on this procedure in the STEP 7 online
help.

Installing and Starting the Ethernet CP with STEP 7
69
SIMATIC NET NCM S7 for Industrial Ethernet
C79000-G8976-C129–06
2.4 Downloading the Configuration Data to the Target
System
Principle
The configuration data of the Ethernet CP are downloaded from the hardware
configuration. All the configuration data of the S7 station are downloaded including
the central configuration, all relevant DP master systems and all parameter
settings.
The data of the configured connections must also be downloaded, see below.
Type of Interface
You can download the configuration data to the S7 station on the following paths
(interfaces):
SMPI interface
You can use this interface to download configuration data or when assigning a
MAC/IP address for the first time (node initialization – for details, refer to the
manual /1/ “Assigning Addresses for the First Time”).
SIndustrial Ethernet
Here, you use the PG mode of the Ethernet CP in the S7 station (see also
Section 1.3).
Depending on the PG/PC interface used by the station on which you create
your configuration, you can download the defined configuration data to the S7
station over the TCP/IP interface or over the ISO interface of STEP 7.
– When you download over the IP interface, the CP must already have been
assigned an IP address; refer to Chapter 2.3.
– When you download over the ISO interface, you can use the preset MAC
address. However, please note the following:
Note
If you want to download the configuration data over the ISO interface to a CP with
an unchanged, factory-set MAC address and you have configured a different MAC
address in your STEP 7 project, you must start the download in NetPro or HW
Config; this is the only way you will be prompted to enter the current MAC
address. The SIMATIC Manager, on the other hand, aborts the download if the
target station cannot be reached.

Installing and Starting the Ethernet CP with STEP 7
70 SIMATIC NET NCM S7 for Industrial Ethernet
C79000-G8976-C129–06
Procedure
To download the configuration data to the S7 station, follow the steps outlined
below:
1. Open the “Set PG/PC Interface” dialog box in the Windows Control Panel.
2. Set the PG/PC interface according to the CPs available on your PG and
according to the bus attachment (interface parameter assignment used).
For more detailed information, refer to the integrated help system.
3. Change the CPU to the STOP mode (regardless of the type of interface – see
above).
4. Select the menu command PLC " Download to Module.
STEP 7 then guides you through dialog boxes. Note the additional information in
the “STEP 7 User Manual”, Chapter “Configuring and Assigning Parameters to
Modules” /6/.
Deactivating the MAC Address in the Configuration
If you deactivate the use of the MAC address when you are configuring the CP, the
CP can be reached via the preset MAC address, however you cannot define any
ISO transport connections or S7 connections over ISO connections in your
configuration.
Saving the Configuration Data in Non-Volatile Memory
You can download the configuration data step-by-step or all at once. If you
download step-by-step, you will be prompted to start the download function
separately for each module. You must select this method if you want to save the
configuration data in non-volatile memory on the Ethernet CP. In this case, select
the “Copy to ROM” button in the “Download” dialog for the CP.
Downloading the Configured Connections
To download configured connections, you use a corresponding download function
in the connection configuration (NetPro).
Notice
If you have assigned a new address to the Ethernet CP or have configured
connections, you must always download the connection configuration again.
Remember that you also make suitable address adaptations for the other stations
or “substitute objects”.
F1

Installing and Starting the Ethernet CP with STEP 7
71
SIMATIC NET NCM S7 for Industrial Ethernet
C79000-G8976-C129–06
Relocating the CP in the Hardware Configuration
If you are using communication services with configured connections, the
connection IDs also identify the slot of the CP. If you “drag” a CP you have already
configured to a different slot, note the following:
Notice
If you drag the CP to a different slot, the data of the connection configuration are
automatically updated. The data of the connection configuration must, however, be
downloaded again!
-

Installing and Starting the Ethernet CP with STEP 7
72 SIMATIC NET NCM S7 for Industrial Ethernet
C79000-G8976-C129–06

73
SIMATIC NET NCM S7 for Industrial Ethernet
C79000-G8976-C129–06
SEND/RECEIVE Interface in the User
Program
This chapter explains the following:
SHow to send and receive data.
SWhich data areas can be used on the S7 CPU.
SHow to program the SEND/RECEIVE interface in the user program.
You will find further information in the following sources:
SFor programming and configuring nodes for connections (for example a
SIMATIC S5 PLC with the CP 1430 TCP, PC with CP 1413), please refer to the
appropriate manuals.
SThe FCs for programming connections are described in Section 5.3.
SConfiguring the Ethernet CP with NCM S7 is described in Chapter 4.
Sample programs:
Sample configurations and programs are available for the SEND/RECEIVE
interface described here:
SIn the sample project PROJECT_ETHERNET that you can start immediately
after installing NCM S7; for a description, refer to the Primer /2/.
SOn the Internet as downloadable sample projects; refer to the information in
Appendix C “Support and Training”.
The Quick Start CD that can be ordered separately is a
treasure-trove of sample programs and configurations.
You can order this directly on the Internet at:
http://www.ad.siemens.de/net/html_00/
online_zugreifen.htm
3

SEND/RECEIVE Interface in the User Program
74 SIMATIC NET NCM S7 for Industrial Ethernet
C79000-G8976-C129–06
3.1 How the SEND/RECEIVE Interface Works on the CPU
Functions (FCs)
The following functions (FCs) are available for handling communication on
connections:
SAG_SEND/AG_LSEND
This block takes the user data from the specified user data area and transfers it
to the Ethernet CP.
SAG_RECV/AG_LRECV
This block transfers received user data to the user data area specified in the
call.
The diagram below illustrates the situation. Using the FCs AG_SEND/AG_LSEND
and AG_RECV/AG_LRECV, the user program instructs the Ethernet CP to send or
receive data on the configured connection.
Communication
connection
Ethernet CPCPU
STEP 7
user program
User data
buffer
CP
database
Ethernet station SIMATIC S7
receive
send
User data
areas
AG_RECV
AG_SEND
Figure 3-1 Interaction of the CPU and Ethernet CP on Connections
Amounts of Data
The Ethernet CP can transfer the amounts of data shown in the table below per job
on one connection:
Table 3-1
ISO Transport ISO-on-TCP TCP UDP
Sending 8192 bytes 8192 bytes 8192 bytes 2048 bytes
Receiving 8192 bytes 8192 bytes 8192 bytes 2048 bytes

SEND/RECEIVE Interface in the User Program
75
SIMATIC NET NCM S7 for Industrial Ethernet
C79000-G8976-C129–06
3.2 Programming the SEND/RECEIVE Interface
Principle of Job and Data Transfer
The user program triggers the transfer of the user data areas with FC calls and
monitors the transfer by evaluating the return codes of the FCs.
The following parameters are transferred when the FCs are called:
SThe number of the connection (ID)
SThe location of the user data area in the CPU
For detailed information about the call interface see Chapter 5.
Purpose of the FCs
Calling the function blocks has the following effects:
SThe user data area is transferred to the Ethernet CP or received from the
Ethernet CP.
SThe execution of the job is confirmed positively or negatively in a status
message.
Programming Connections
Program the SEND/RECEIVE interface in the user program as follows:
1. Use the following functions (FCs) for data transmission on connections:
– AG_SEND/AG_LSEND for transferring the user data area to the Ethernet
CP
– AG_RECV/AG_LRECV for entering data received from the Ethernet CP in
the user data area
2. Evaluate the following bits in the FCs:
– for AG_SEND/AG_LSEND the parameters DONE, ERROR, STATUS
– for AG_RECV/AG_LRECV the parameters NDR, ERROR, STATUS
Notice
Connection numbers (IDs) must be taken from the configuration when
programming.
To ensure correct parameter settings for the block calls, The LAD/STL/FBD editor
in STEP 7 provides you with the option of accepting all the relevant parameters
from the hardware configuration (HW Config) and from the connection
configuration. For more information, refer to Section 5.2

SEND/RECEIVE Interface in the User Program
76 SIMATIC NET NCM S7 for Industrial Ethernet
C79000-G8976-C129–06
Calling FCs in the CPU Program
One possible sequence for FCs in conjunction with the organization and program
blocks in the CPU cycle is illustrated in the following diagram.
AG_RECV
AG_SEND
AG_SEND
Read in the received
data of the
connection
Transfer send data
for the connection
Write PIQ
OB
Legend: Sequence of the CPU cycle
AG_RECV
AG_RECV
Communication
connection
AG_SEND
User program
The different shading shows which
connections and FC blocks belong
together.
Read PII
Communication
connection
Communication
connection
Figure 3-2 Typical Sequence of Function Calls in the CPU Cycle
The following points are illustrated by the diagram:
SThe user program consisting of any number of blocks (OBs, FBs or FCs –> see
also /6/ accesses several connections (Figure 3-2 illustrates three
connections).

SEND/RECEIVE Interface in the User Program
77
SIMATIC NET NCM S7 for Industrial Ethernet
C79000-G8976-C129–06
SAt various points (event and program-controlled) the user program sends data
on a connection using the AG_SEND call.
SAt various points in the CPU cycle, the user program accepts the data received
on the connection using an AG_RECV call.
Note
The blocks can also be called more than once in a cycle for the same
communication connection.

SEND/RECEIVE Interface in the User Program
78 SIMATIC NET NCM S7 for Industrial Ethernet
C79000-G8976-C129–06
3.3 Data Exchange S7 CPU <–> Ethernet CP
The Ethernet CP processes the send and receive jobs independent of the CPU
cycle and requires one transmission time. The interface to the user program with
the FCs is synchronized by an acknowledgment. Two situations must be
distinguished:
SThe CPU cycle is faster than the transmission time.
SThe CPU cycle is slower than the transmission time.
Note
Please refer to the sequence charts for the FCs in Chapter 5. These charts show
how to handle the SEND/RECEIVE interface in the user program for problem-free
data exchange.
Remember the points below about the CPU cycle and transmission time.
FC Calls Faster than the Transmission Time
If a block is called again in the user program before data were transferred or
received, the procedure is as follows on the interface of the FCs:
SAG_SEND/AG_LSEND:
No further job is accepted until the transmission of the data on the connection
has been acknowledged by the Ethernet station. During this time, the user
program receives the message “job active” until the Ethernet CP can accept the
next job on the same connection.
SAG_RECV/AG_LRECV:
The job is acknowledged with the message “no data available yet” if there are
no received data on the Ethernet CP. The user program receives this message
in the CPU cycle until the Ethernet CP has received data again on the
connection.
FC Calls Slower than the Transmission Time
If a block is called again before the data were completely transferred or received,
the procedure is as follows on the interface of the FC blocks:
SAG_SEND/AG_LSEND:
The job is positively acknowledged. The Ethernet CP is ready to receive a new
send job (at the earliest however with the next call).
SAG_RECV/AG_LRECV:
The job is acknowledged with “New Data Received” when the data have been
transferred to the user program. Following this, the FC call can be repeated.

SEND/RECEIVE Interface in the User Program
79
SIMATIC NET NCM S7 for Industrial Ethernet
C79000-G8976-C129–06
Notice
Remember that resource shortages can occur if the processing speeds on the
sender and receiver are not the same (sender faster than receiver).
The sender receives a message from the FCs if problems occur (“No resources on
the destination station”).

SEND/RECEIVE Interface in the User Program
80 SIMATIC NET NCM S7 for Industrial Ethernet
C79000-G8976-C129–06
3.4 Additional Information
3.4.1 Programming Data Transfer on TCP Connections
Purpose of TCP Connections
TCP connections should be used above all for connections to systems of a
different type if they do not support RFC1006.
For communication between devices of the SIMATIC family, you should use the
more convenient ISO-on-TCP connections! The following sections explain certain
special points to note.
Special Features
SBlock types (FC calls)
Use only the following functions (FCs) for data transmission:
– With the S7-CPs for S7-400, you must use FCs AG_LSEND (FC 50) and
AG_LRECV (FC 60) on TCP connections!
– With the latest S7-CPs for S7-300, you also use FCs AG_SEND (FC 5) and
AG_RECV (FC 6) for TCP connections.
SFrame length
On the TCP connections, the protocol contains no information about the end of
a message and start of a new message.
The receiving station must therefore know how many bytes belong to a
message and transfer an ANY pointer corresponding exactly to this length when
FC AG_LRECV is called. (Example: if 100 bytes of data are always transferred,
the ANY pointer could appear as: P#DB100.DBX 0.0 Byte 100)
If you want to receive data with a variable length, follow the steps below:
Include information on the length of the user data in the frame before the actual
user data. In the receiving station, you evaluate only the length information and
then fetch the appropriate amount of data in a further receive job. Fetch the
appropriate length of user data in another receive job by specifying an ANY
pointer of the required length on the FC interface for fetching the actual user
data.

SEND/RECEIVE Interface in the User Program
81
SIMATIC NET NCM S7 for Industrial Ethernet
C79000-G8976-C129–06
3.4.2 Recommendations for Use with a High Communications Load
Overview
The points below will help you to avoid overload situations on your CPU when
using the Ethernet CPs.
In particular when you replace an older CP with a newer CP and are then
confronted with overload problems, you should check your application for the
pitfalls outlined below.
Known Problems
SThe functions for sending and receiving (FC5/FC6 or FC50/60) are often called
cyclically in OB1. This leads to constant communication between the CPU and
CP. As a result, other types of communication such as PG functions cannot be
executed or only very slowly.
SHMI systems access data of the CPU too often using S7 functions. This slows
down communication generally and there may be a lack of resources when
SEND/RECEIVE FCs are called cyclically in OB1.
Remedy
The recommendations below will help to avoid these situations:
SDo not call communication blocks cyclically in OB1!
Communication should be called time-controlled in a suitable cyclic-interrupt
OB. The call interval of this OB should be significantly higher than the average
cycle time of your program.
SYou should set a minimum cycle time that is higher than the average runtime of
OB1. This frees resources for communication on the CPU. This is, for example,
a remedy for existing applications when communication already takes place
cyclically in OB1.
SIf necessary, reduce the time taken for communication processing on the CPU
by changing the parameters set for “cyclic load due to communication” in the
properties dialog of the CPU.

SEND/RECEIVE Interface in the User Program
82 SIMATIC NET NCM S7 for Industrial Ethernet
C79000-G8976-C129–06
-

83
SIMATIC NET NCM S7 for Industrial Ethernet
C79000-G8976-C129–06
Configuring Communication Connections
This chapter explains the following:
SThe general aspects of configuring communication connections
SHow to configure ISO transport connections, ISO-on-TCP and TCP connections
SHow to use the connection configuration functions to specify communication
partners that exchange data via UDP
You will find a description of the connection-specific properties dialogs in the
following sections:
SISO transport connections see Section 4.4
SISO-on-TCP connections see Section 4.5
STCP connections see Section 4.6
SUDP see Section 4.7
You will find further information in the following sources:
SFor the properties of the configurable connection types, refer to Section 1.5.
SFor the properties of the configurable connection type E-mail, refer to /5/.
SYou will find information on the numbers of connections and amounts of data in
Section 3.1.
SFor information on configuring connections, refer to the online help of STEP 7
by selecting Help " Contents.
4

Configuring Communication Connections
84 SIMATIC NET NCM S7 for Industrial Ethernet
C79000-G8976-C129–06
4.1 Procedure
Steps
The following steps are necessary to operate connections on the SIMATIC S7 PLC
with the Ethernet CP:
Program the
SEND/RECEIVE interface in
the user program.
(Refer to Section 3.2 and the
detailed FC description in
Chapter 5).
Programming
Create new
connections
If necessary,
configure “Other
Station” for
connections using the
appropriate tool.
Download connection configurations
to the CP
Configure connection
properties.
Configuring
necessary steps
optional steps
Figure 4-1 Operating Connections with the Ethernet CP

Configuring Communication Connections
85
SIMATIC NET NCM S7 for Industrial Ethernet
C79000-G8976-C129–06
4.2 Possible Connection Configurations
Communication connections are possible between the communication partners
shown in the diagram below.
The communication partners can be in the same project or distributed in the
subprojects of a multiproject.
Connections to communication partners outside a project are configured using the
STEP 7 object “Partner other project” or using substitute objects such as ”Other
stations” or SIMATIC S5.
S7 – 400 S7 – 300 Ethernet CP
Ethernet CP
Subnet 1
SIMATIC S5
S7 – 400
Ethernet /IT-CP
Ethernet CP
PG/PC with Ethernet CP
Ethernet CP
S7 – 400
WAN*
LAN *
Subnet 2
Ethernet CP
Other station with
Ethernet attachment
only TCP/IP
Figure 4-2 Possible Connections

Configuring Communication Connections
86 SIMATIC NET NCM S7 for Industrial Ethernet
C79000-G8976-C129–06
Organization in a Multiproject
If interproject subnets are configured, you can also configure connections over
such subnets using STEP 7 V5.2. The endpoints of these connections can be
located in different projects.
STEP 7 supports you both when creating interproject connections within a
multiproject as well as when synchronizing connections that were configured
without a multiproject context.

Configuring Communication Connections
87
SIMATIC NET NCM S7 for Industrial Ethernet
C79000-G8976-C129–06
4.3 Connections
Characteristics of a Connection
A communication connection allows program-controlled communication between
two nodes on Industrial Ethernet with the following characteristics:
SThe data transfer is bi-directional, in other words, it is possible to transmit and
receive on the connection simultaneously.
SBoth stations have the same rights, in other words, each station can trigger the
send and receive procedures in response to events.
SThe address of the communication partner is specified in the configuration.
The free UDP connection is the exception to this. Here, the address is specified
at the FC interface in the user program.
Communication
connection
Ethernet CP
Ethernet
node
SIMATIC S7 station
with Ethernet CP
receive
send receive
send
Ethernet
node
receive
send
receive
send Communication
connection
Figure 4-3 Sending and Receiving via one Communication Connection
Note
The term “connection” is also used here for UDP. Reason: during configuration
(just as in TCP) the communication partners are assigned to each other and
therefore logically “connected”. In actual fact, with UDP there is no explicit
connection establishment between communication partners.

Configuring Communication Connections
88 SIMATIC NET NCM S7 for Industrial Ethernet
C79000-G8976-C129–06
Amounts of Data
Refer to the manual /1/ supplied with the Ethernet CP for the number of
communication connections supported by the Ethernet CP. The number of
connections per station can be increased by adding more CPs.
The Ethernet CP can transfer the amounts of data shown in the table below per job
on one connection:
Table 4-1
ISO Transport ISO-on-TCP TCP UDP
Sending 8192 bytes 8192 bytes 8192 bytes 2048 bytes
Receiving 8192 bytes 8192 bytes 8192 bytes 2048 bytes
Notice
The transfer of more than 240 bytes of data is supported by newer version CPs.
Please note the information in Section 5 and in the manual of the Ethernet CP.
Tasks of the Ethernet CP
When handling the data transfer on a connection, the Ethernet CP has the
following tasks:
SWhen receiving
Receiving data from Ethernet and transferring it to the user data area on the
CPU.
SWhen sending
Taking data from the user data area on the CPU and sending the data via
Ethernet.
For a free UDP connection, the following functions are also necessary in addition
to those above:
SWhen receiving
Entry of the sender of the message in the job header.
SWhen sending
Evaluation of the job header and addressing the partner
The connection is established automatically as soon as the partner is obtainable.

Configuring Communication Connections
89
SIMATIC NET NCM S7 for Industrial Ethernet
C79000-G8976-C129–06
Requirements for Configuring Connections
The Ethernet CP was entered in the hardware configuration and connected to the
subnet.
As a bus node, the Ethernet CP has an address.
Notice
All stations not in the STEP 7 project must be configured with substitute objects
(for example as “SIMATIC S5” or “Other stations”).
or
Use the “unspecified” partner type when you create the connection.

Configuring Communication Connections
90 SIMATIC NET NCM S7 for Industrial Ethernet
C79000-G8976-C129–06
4.3.1 Creating a New Connection
Principle
When you create new connections, you start from entered and networked stations.
A connection is then configured starting from a station or CPU in the current S7
project and then selecting a destination station.
Due to the networking, the node addresses (MAC or IP addresses) of the two
stations are already decided. The local/remote TSAPs (Transport Service Access
Point) or ports at both ends of the connection are automatically assigned default
values.
If the partner station is a station outside the current project or a non-S7 station, the
remote TSAPs (Transport Service Access Point) or ports must be specified in the
Properties dialog of the connection.
The endpoint of the connection to a SIMATIC S7 station is always a CPU. A
separate connection table is created for each CPU and displays the connection
partner and types of connections.
New Connection
To configure a new connection, the stations and their CPs must be configured and
networked in the S7 project. To create a new connection, follow the steps below:
In NetPro, follow the steps below:
1. In NetPro, select the station or the CPU in the station from which you want to
establish the connection.
2. Select the menu command Insert " New Connections (also available with the
right mouse button!).
Result: The following dialog appears on the screen.

Configuring Communication Connections
91
SIMATIC NET NCM S7 for Industrial Ethernet
C79000-G8976-C129–06

Configuring Communication Connections
92 SIMATIC NET NCM S7 for Industrial Ethernet
C79000-G8976-C129–06
Figure 4-4 Layout of the “New Connection” Dialog (Example of an ISO Transport Connection)
3. Select the partner station to which you want to establish a connection (if several
CPUs exist, please select the required CPU).
4. Select the connection type you want to use (for example ISO transport
connection) in the “Type” box
When you confirm your input with Apply, the new connection is created and the
”New Connection” dialog box remains open. This allows you to create further
connections without needing to reopen the dialog box. At the same time, the
connection list is updated.
When you click OK, the connection is entered in the list, the dialog is terminated
and the display in the main dialog is updated.
If you click Cancel, the dialog is terminated and the connection is not entered in
the list.

Configuring Communication Connections
93
SIMATIC NET NCM S7 for Industrial Ethernet
C79000-G8976-C129–06
Handling Connections in a Multiproject
Interproject connections to a specified partner (for example, a CPU) are created in
the same way as connections within a project (identical procedure). The dialog for
selecting the connection partner has been extended and allows you not only to
select the endpoint (module) but also the project within a multiproject to which the
endpoint belongs.
The consistency of interproject connections is retained when you work with the
projects of the multiproject:
SInterproject connections within a multiproject are implicitly broken when a
project is taken out of the multiproject for distributed editing and the connection
partner is located in the removed project.
SWhen the removed project is returned to the multiproject, STEP 7 automatically
merges the broken connections consistently.
Connections to Non-S7 Stations using Substitute Objects
If you want to configure connections to devices or stations that are not S7 stations,
select a station of the type “SIMATIC S5”, “PC/PG” or “Other Station” as the
destination station.
By creating these stations in NetPro and networking them, you have already
specified the node addresses (MAC or IP addresses) of the two stations. You must
specify the TSAP (Transport Service Access Point) for the destination station.
Notice
Connections to non-S7 stations (for example SIMATIC S5) are generated as
incompletely specified connections; in other words, the remote TSAP or port is
empty. These connections must be specified in the Properties dialog.
4.3.2 Connections to Partners in Other Projects
There are various ways of creating connections to partners configured in other
STEP 7 projects or with other tools outside the current STEP 7 project:
SConnections using substitute objects such as “SIMATIC S5”, “PC/PG” ,
“SIMATIC PC Station” or “Other Station”.
This method is described in the section above.
SUnspecified connections
SSTEP 7 object ”Partner in other project” (multiproject)
With this method, a connection is reserved in both subprojects that can be
synchronized later by the system when the partner project is included in the
multiproject.

Configuring Communication Connections
94 SIMATIC NET NCM S7 for Industrial Ethernet
C79000-G8976-C129–06
In both projects, the same connection name must be configured in the
properties of the connection. The connection name is used as a textual
reference when the projects are merged. Based on the connection name it is
possible to assign the connection partner and synchronize the connection
properties.
Before the projects are merged, such connections are ”unspecified
connections” in terms of addressing; in other words, the partner addresses
remain empty.
Unspecified Connections
Connections to an as yet unknown device (for example a diagnostic unit) are
configured as “unspecified” connections. They can be specified later in the
Properties dialog.
You can create an unspecified connection simply by selecting station “unspecified”
for the connection partner when you create the connection. The unspecified
connection can be used in two ways (explained below based on the example of an
ISO-on-TCP connection (ISO transport and TCP connections are analogous):
SDeclare readiness for communication – passive connection establishment
The connection establishment is then set to passive (see settings in the
General tab).
The address setting for the ISO-on-TCP connection is then as follows:
The remote IP address is 0.0.0.0 and the remote TSAP is empty; in other
words, they are not relevant for the CP. When the connection is established,
any partner is accepted (partner = connection name that addresses the CP with
the correct IP address and TSAP).
It is also possible to use a partial specification; in other words, communication
is permitted with any partner that matches the specified TSAP.
SConnection to a specific station in any project
The address setting for the ISO-on-TCP connection is then as follows:
You can specify the remote IP address and the port of any destination station.
The destination station can be in the current STEP 7 project or in another
project.
Use this method if you have not created a substitute object for the partner
station, for example SIMATIC S5, in the current project.
The following table lists the possible options.
Table 4-2
Meaning for Connection
Establishment IP Address /
MAC Address TSAP / Port Possible Connection
Establishment
by any partner empty empty passive
by any partner via specific TSAP empty specified passive
to or by a specific partner specified specified active / passive

Configuring Communication Connections
95
SIMATIC NET NCM S7 for Industrial Ethernet
C79000-G8976-C129–06
The free UDP connection is another variant. With this type of connection, the
address of the connection partner is left open during configuration. The
communication nodes are identified by address information in the communication
job in the user program.
For further information, refer to the sections dealing with specific connections.
Notice
The number of connections possible per Ethernet CP can be found in the manual
/1/supplied with the CP. If several CPs are installed in one station, the next CP is
automatically selected if the limit is exceeded. The connections can be routed in
the Properties dialog of the connection.

Configuring Communication Connections
96 SIMATIC NET NCM S7 for Industrial Ethernet
C79000-G8976-C129–06
4.3.3 Further Functions
Toolbar
In the toolbar of the connection configuration dialog the following functions are
available:
Save To save the configured connection, select the Save function or click the save
button.
Print You can print the entire connection table or individual sections of it by selecting
the Print function or clicking the print button.
The following print options are available:
SOverview of all connections (complete connection table)
SOverview of the selected connections (selected area)
SDetailed printout of all connections (details of all connections)
SDetailed printout of the selected connections (details of the selected area)
Change Connection
Partners You assign a new partner station to the selected connection.
Important!
Remember that this also changes the partner ID on connections of the
SEND/RECEIVE interface. You may need to adapt your user program.
Insert Connection You create a new entry in the connection table.
Download You download the connection table to the PLC. For more detailed information
call up the integrated help function.
Help If you require help or more information, select the Help function or click the
help button.
The help button provides you with context-related help. Using the help function
you call a help dialog familiar from other Windows applications.
Print Function in the “Overview” Tab
An additional function for printing the configured connections and configuration
status is available in the “Overview” tab.

Configuring Communication Connections
97
SIMATIC NET NCM S7 for Industrial Ethernet
C79000-G8976-C129–06
4.3.4 Connections Without Assignment
Overview
This section explains the actions that can lead to a configured connection losing its
assignment to the CP or being deleted.
Caution
Remember that in contrast to the S7 connections, the connections of the
SEND/RECEIVE interface are assigned a CP-dependent ID. The actions below
may require the ID to be modified so that the interface information in the user
program must also be adapted.
Table 4-3 Actions That Can Cause Changes to Configured Connections
Action Consequences for the
Connections How to Establish the Connection
Again
The CP (module) is
moved to a different
location in the hardware
configuration (drag and
drop)
The connections are retained.
The connection IDs are
automatically updated.
1. Adapt the module start address
LADDR in the user program.
2. Download the connection
configuration to the CP again.
The CP (module) is
deleted in the hardware
configuration.
You receive the message
“CP has n connections;
the assignment will be lost
in the connection table”.
The connections remain without
assignment to a CP in the
connection table. In the
“Overview” tab of the Properties
dialog, the connections are
identified with “!”.
Once you have placed a CP in the
hardware configuration and networked it:
1. Assign the CP in the connection
properties dialog in the “Addresses”
tab.
or
Reassign the connection using the
menu option Edit " Connection
Partner....
2. Adapt the connection ID in the user
program.
3. Download the connection
configuration to the CP again.
Deleting the SIMATIC S7
station. All the connections to this station
are deleted within the project. Reconfigure the station and
connections.

Configuring Communication Connections
98 SIMATIC NET NCM S7 for Industrial Ethernet
C79000-G8976-C129–06
Table 4-3 Actions That Can Cause Changes to Configured Connections, continued
Action How to Establish the Connection
Again
Consequences for the
Connections
Deleting a remote station. The connections of the stations
in the project to remote stations
remain without assignment in
the connection table. In the
“Overview” tab of the Properties
dialog, the connections are
identified with “!”.
Reassign a remote station (or even a
local station) using the menu option Edit
" Connection Partner....
Changing the subnet
assignment of the CP. The connections that were
assigned via the CP remain
without an assignment in the
connection table. In the
“Overview” tab of the Properties
dialog, the connections are
identified with “!”.
Reassign the connections using the
menu option Edit " Connection
Partner... or in the “Addresses” tab of
the properties dialog for the connection.
Display (Example)
The status of connections is displayed in the “Properties ISO Transport
Connection” dialog in the “Overview” tab.
Figure 4-5 Status of the Connections in the “Overview” Tab (Example of ISO Transport Connections)
Notice
If you replace one CP with another, this must provide at least the same services
and have at least the same version.

Configuring Communication Connections
99
SIMATIC NET NCM S7 for Industrial Ethernet
C79000-G8976-C129–06
4.4 Configuring ISO Transport Connections
Introduction
As well as the entry in the connection table, you can also modify special properties
for each configured connection.
Here, you can change specific connection parameters that were entered as
defaults during the new connection dialog.
Opening the Dialog
To call the dialog for special connection properties, follow the steps outlined below:
1. Select the required connection in the connection table.
2. Select the menu option Edit " Object Properties
Result: The “Properties ISO Transport Connection” dialog appears.
Tabs
The following tabs are available for ISO transport connections:
SGeneral
Displays the global parameters of the connection and the local name of the ISO
transport connection.
SAddresses
Displays the local and remote address information.
SDynamics
Displays the relevant timers and counters.
SOptions
Here, you can decide whether or not you want to use the connection for one of
the access types FETCH or WRITE.
SOverview
This is an overview of all the configured ISO transport connections of the
selected S7 station with their parameters and the status of the connection.
SStatus Information
This tab displays the current status information for the connection (valid at the
time the dialog is opened). This information corresponds to that displayed by
NCM diagnostics.

Configuring Communication Connections
100 SIMATIC NET NCM S7 for Industrial Ethernet
C79000-G8976-C129–06
4.4.1 Specifying the Local Connection Endpoint
General Tab
This tab of the Properties dialog displays general connection parameters that
identify the local connection endpoint.
Figure 4-6 Layout of the Properties Dialog for the “General” Tab (ISO Transport Connections)

Configuring Communication Connections
101
SIMATIC NET NCM S7 for Industrial Ethernet
C79000-G8976-C129–06
Attributes Description Access
Local Endpoint
ID The entry is identical to the Local ID parameter in the connection list. Selectable
Name When you create the connection, a name is proposed here along
with a connection number as suffix.
With unspecified connections, use this box to identify the partner.
Modifiable
Via CP If the station contains more than one CP of the same type connected
to the same subnet, you can select the connection route. –> “Route”
button see Section 4.8.
If no CP is assigned (for example because the CP was previously
deleted) “none” is displayed here.
Display only
Active Connection
Establishment With this option, you specify whether the connection is established by
this S7 station. This is the default setting when the address of the
partner is specified.
ON: the connection is established actively.
OFF: the connection is established by the partner.
If you selected partner “unspecified” when you created the
connection, the option is deselected as default. If you activate the
option, you must also specify the address of the partner in the
“Addresses” tab.
Note:
Please note the effects on the mode. If you want to use the FETCH
or WRITE mode (refer to the ”Options” tab), the mode must be set to
”Passive”.
Modifiable
Block Parameters
ID This value must be entered as a block call parameter ID for calling
the FC in the user program to identify the connection. The ID
changes if the local ID is changed.
Display only
LADDR This value must be entered as a block call parameter ID for calling
the FC in the user program to identify the connection. Display only
Connection Name (Reference) – Only in Multiproject
If you create a connection to a partner in another project, that has not yet been
merged with the current multiproject, you must enter a connection name as
reference. Interproject connections can then be joined up based on this reference.
As soon as the connections have been brought together, the connection name
(reference) can no longer be entered.

Configuring Communication Connections
102 SIMATIC NET NCM S7 for Industrial Ethernet
C79000-G8976-C129–06
4.4.2 Specifying ISO Transport Addresses
Address Parameters
An ISO transport connection is specified by the local and remote connection
endpoint.
SLocal addresses:
Local MAC address and local TSAP
(Transport Service Access Point)
SRemote addresses:
Remote MAC address and remote TSAP
ISO transport
connection
MAC
address A
Ethernet station BEthernet station A
MAC
address B
Remote
TSAP
Local
TSAP
Local
TSAP
Remote
TSAP
Figure 4-7 Sending and Receiving on One ISO Transport Connection
Notice
The TSAPs of an ISO transport connection must match as follows:
Remote TSAP (on Ethernet CP) = local TSAP (in destination station);
Local TSAP (on Ethernet CP) = remote TSAP (in destination station);

Configuring Communication Connections
103
SIMATIC NET NCM S7 for Industrial Ethernet
C79000-G8976-C129–06
Addresses Tab
The addresses tab displays proposed values for the relevant local and remote
address information. When connecting to non-S7 stations, you can set the TSAP
addresses individually.
Figure 4-8 Layout of the “Addresses” Tab of the Properties Dialog with Default TSAPs
TSAP Format
ISO transport connections have a TSAP length of 1 to 16 bytes. When you are
entering values, the current length is displayed automatically (visible display: 20
ASCII characters). Local and remote TSAPs can be input as hexadecimal values
or as ASCII strings. If you make your entries in ASCII, the characters you enter are
also displayed in hexadecimal format. If you make your entries in hexadecimal,
printable characters are displayed in ASCII (8 hexadecimal values are visible). If
you enter nonprintable characters, the ASCII display is gray (no further ASCII
entries possible) and the nonprintable characters are displayed as periods.
Local and Remote TSAPs
Remote and local TSAPs can be identical since the connection is uniquely
identified by the different MAC addresses. If you require more than one connection
between two stations, the TSAPs must also be different.

Configuring Communication Connections
104 SIMATIC NET NCM S7 for Industrial Ethernet
C79000-G8976-C129–06
Default TSAPs
When configuring the local and remote TSAPs, there is a default value “ISO-1” for
the first connection between the two partners (can be changed). For a new
connection between the two partners, the default value “ISO-2” is proposed. With a
new connection to a new partner, the value ISO-1 is used again.
Addresses Tab – Unspecified ISO transport connection
If you select the partner type as “unspecified”, depending on your task, you can
enter address information about the communication partner here. The options
available to you are explained in detail in Section 4.3.1.
The Addresses tab shown here illustrates the situation in which the MAC address
and the remote TSAP were not specified. If you do not make any further settings,
this means that you are willing to accept a connection establishment request from
any communication partner.
Figure 4-9 Layout of the “Addresses” Tab of the Properties Dialog for an Unspecified Connection

Configuring Communication Connections
105
SIMATIC NET NCM S7 for Industrial Ethernet
C79000-G8976-C129–06
4.4.3 Specifying ISO Transport Dynamic Properties
Dynamics Tab
The Dynamics tab displays the relevant timers and counters of this connection.
You can normally accept these default values.
If necessary, for example with connections to non-Simatic systems, you can set
the timers and counters individually and influence the dynamic response of the
connection.
Figure 4-10 Layout of the “Dynamics” Tab of the Properties Dialog
Attributes Description Access
Connection Establishment
Retransmission Time The retransmission time specifies the interval after
which an unsuccessful connection establishment
attempt can be triggered again (1–60 s, default 5 s)
– if connection establishment is active
– if connection establishment is passive (–> irrelevant) Modifiable
–––––
Data Transfer
Retransmission time This parameter specifies the interval after which an
unsuccessful transmission attempt can be triggered
again (100–30000 ms, default 1000 ms).
Modifiable
Max. Count Max. Count is the number of attempted transmissions
including the first (1–100, default 5). Modifiable

Configuring Communication Connections
106 SIMATIC NET NCM S7 for Industrial Ethernet
C79000-G8976-C129–06
Attributes AccessDescription
Inactivity Time The inactivity time specifies the interval after which
the connection is terminated if no sign of life is
received from the partner (6–180 s, default 30 s).
Modifiable
Window Time The window time specifies the interval at which sign
of life frames are sent. For SIMATIC NET CPs, the
window time is set to 1/3 of the inactivity time (2–60
s, default 10 s). Sign of life frames are sent to check
the connection when there is no data traffic.
Display only
Notice
Window Time and Inactivity Time
The partner responds to a sign of life frame with a frame. They are therefore sent
to the partner at the intervals of the window time. To avoid unwanted connection
termination, the inactivity time should be at least three times as long as the
window time.

Configuring Communication Connections
107
SIMATIC NET NCM S7 for Industrial Ethernet
C79000-G8976-C129–06
4.4.4 ISO Transport with the FETCH/WRITE Mode
Using FETCH PASSIVE / WRITE PASSIVE
If you select one of the FETCH PASSIVE or WRITE PASSIVE modes for the ISO
transport connection, you can access the system areas on a SIMATIC S7 PLC
from a SIMATIC S5 station or other non-S7 station.
Figure 4-11
The connection can then only be used for this mode; sending or receiving with the
FCs AG_SEND/AG_LSEND or AG_RECV/AG_LRECV is then no longer possible.
The connection establishment is passive; in other words, only the partner station
(SIMATIC S5 station or other non-S7 station) can establish the connection. The
setting is made automatically in the “General” tab and cannot be changed.
SFETCH
If you select the FETCH mode, you allow direct read access to system memory
on the SIMATIC S7 PLC. Such access can be, for example, from a SIMATIC
S5 station or other station.
SWRITE
If you select the WRITE mode, you allow direct write access to system memory
on the SIMATIC S7 PLC. Such access can be, for example, from a SIMATIC
S5 station or other station.

Configuring Communication Connections
108 SIMATIC NET NCM S7 for Industrial Ethernet
C79000-G8976-C129–06
Notice
Remember that with this configuration on an S7-300, one connection resource
(free connection for S7 functions) of the S7-300 CPU is used. CPU connection
resources are also used, for example, by S7-300 CPs, in the FMS mode or by
PGs and OPs. For more detailed information about the maximum connection
resources, refer to /13/ and /7/.
System Memory
You can access the following address areas in the system memory on the
SIMATIC S7 PLC using FETCH or WRITE:
SData blocks (DB)
(When accessing DBs, remember that the highest DB number is 255.)
SBit memory (M, MB, MW, MD)
SProcess image input table (I, IB, IW, ID)
SProcess image output table (Q, QB, QW, QD)
SI/O area inputs (PIW, PID, PIB)
SI/O area outputs (PQW, PQD, PQB)
SCounters (C)
STimers (T)
Links to Other Systems
The FETCH and WRITE modes supported on ISO transport connections and
ISO-on-TCP or TCP connections can be used with any other device to access the
S7 system memory areas.
To be able to use this type of access, for example for PC applications, you need to
know the PDU structure of the jobs. The required S7 or S5 headers for request
and response frames are 16 bytes long and their structure is described in the
Appendix.
Messages in the Diagnostic Buffer
As a result of FETCH/WRITE access, negative acknowledgments from the
S7-CPU are possible. This then leads to corresponding connection-oriented entries
in the diagnostic buffer that you can read out with NCM Diagnostics (see Section
6.5).

Configuring Communication Connections
109
SIMATIC NET NCM S7 for Industrial Ethernet
C79000-G8976-C129–06
4.4.5 Checking ISO Transport Connection Properties
Overview Tab
The Overview tab displays all previously configured ISO transport connections and
their parameters for this station (information only).
For an example of this display, refer to Section 4.3.4.
Parameter Description
Local ID This is the connection ID of the ISO transport connection
Name Entered connection name. This identifies the ISO transport connection.
CPU / Applications If you display all the ISO transport connections being operated in this station
in the multiprocessor mode (with PC stations: multiple applications), the
CPU/application that is the endpoint of the particular connection is specified
here.
R/S or via CP With S7-CPs: Rack/slot of the local CP via which the connection is
established.
With PC stations: Display of the CP over which the connection is
maintained.
Remote
address Specifies the remote MAC address of the connection on the Ethernet
subnet.
Local TSAP Local connection endpoint (Transport Service Access Point).
Partner TSAP Remote connection endpoint (Transport Service Access Point).
Mode Displays the mode configured in the ”Options” tab.
Status Indicates the current configuration of the connection.
“Connections without assignment” are indicated by “No local CP/No remote
CP” in the status column and a “!” character at the end of the“Local ID” (for
example: 0002 A000!).
Connections you are currently editing are also indicated by “!” at the end of
the local ID.
You can set the column widths in the “Overview” tab individually.
Connection Overview with Multiple CPUs in an S7 Station
If you operate more than one CPU in your S7 station, you can click the button to
extend the overview to the connections on all CPUs.

Configuring Communication Connections
110 SIMATIC NET NCM S7 for Industrial Ethernet
C79000-G8976-C129–06
4.5 Configuring ISO-on-TCP Connections Properties
Introduction
As well as the entry the connection table, you can also modify specific connection
parameters that were entered as defaults during the New connection dialog.
Opening the Dialog
To call the dialog for special connection properties, follow the steps outlined below:
1. Select the required connection in the connection table.
2. Select the menu option Edit " Object Properties
Result: The “Properties ISO-on-TCP Connection” dialog appears.
Tabs
The following tabs are available for ISO-on-TCP connections:
SGeneral
Displays the parameters of the connection and the local name of the
ISO-on-TCP connection.
SAddresses
Displays the local and remote address information.
SOptions
Here, you can decide whether or not you want to use the connection for one of
the access types FETCH or WRITE.
SOverview
This is an overview of all the configured ISO-on-TCP connections of the
selected S7 station with their parameters and the status of the connection.
SStatus Information
This tab displays the current status information for the connection (valid at the
time the dialog is opened). This information corresponds to that displayed by
NCM diagnostics.

Configuring Communication Connections
111
SIMATIC NET NCM S7 for Industrial Ethernet
C79000-G8976-C129–06
4.5.1 Specifying the Local Connection Endpoint
General Tab
This tab of the Properties dialog displays general connection parameters that
identify the local connection endpoint.
Figure 4-12 Layout of the “General” Tab in the Properties Dialog for ISO-on-TCP Connections

Configuring Communication Connections
112 SIMATIC NET NCM S7 for Industrial Ethernet
C79000-G8976-C129–06
Parameter Description Access
Local Endpoint
ID The entry is identical to the Local ID parameter in the
connection list. Selectable
Name When you create the connection, a name is proposed here
along with a connection number as suffix.
With unspecified connections, use this box to identify the
partner.
Modifiable
Via CP If the station contains more than one CP of the same type
connected to the same subnet, you can select the connection
route. –> “Route” button see Section 4.8.
If no CP is assigned (for example because the CP has been
deleted) “none” is displayed here.
Display only
Active Connection
Establishment With this option, you specify whether the connection is
established by this S7 station. This is the default setting when
the address of the partner is specified.
ON: the connection is established actively.
OFF: the connection is established by the partner.
If you selected partner “unspecified” when you created the
connection, the option is deselected as default. If you activate
the option, you must also specify the address of the partner in
the “Addresses” tab.
Note:
Please note the effects on the mode. If you want to use the
FETCH or WRITE mode (refer to the ”Options” tab), the mode
must be set to ”Passive”.
Modifiable
Block Parameters
ID This value must be entered as a block call parameter ID for
calling the FC in the user program to identify the connection.
The ID changes if the local ID is changed.
Display only
LADDR This value must be entered as a block call parameter ID for
calling the FC in the user program to identify the connection. Display only
Connection Name (Reference) – Only in Multiproject
If you create a connection to a partner in another project, that has not yet been
merged with the current multiproject, you must enter a connection name as
reference. Interproject connections can then be joined up based on this reference.
As soon as the connections have been brought together, the connection name
(reference) can no longer be entered.

Configuring Communication Connections
113
SIMATIC NET NCM S7 for Industrial Ethernet
C79000-G8976-C129–06
4.5.2 Specifying ISO-on-TCP Addresses
Address parameter
A connection is specified by the local and remote connection endpoint.
SLocal addresses:
Local IP address and local TSAP
(Transport Service Access Point)
SRemote addresses:
Remote IP address and remote TSAP
ISO-on-TCP
connection
MAC
address A
Ethernet station BEthernet station A
IP address
B
Remote
TSAP
Local
TSAP
Local
TSAP
Remote
TSAP
Figure 4-13 Sending and Receiving on One ISO-on-TCP Connection
The address parameters are configured with NCM S7 and saved in the CP
database. Modifications and extensions to the Industrial Ethernet network topology
do not therefore have any effect on the CPU user program.
Notice
When you configure the Ethernet CP and the Ethernet destination station, the
TSAPs of an ISO-on-TCP connection must cross match:
Remote TSAP (in Ethernet CP) = local TSAP (in destination station)
Local TSAP (in Ethernet CP) = remote TSAP (in destination station)

Configuring Communication Connections
114 SIMATIC NET NCM S7 for Industrial Ethernet
C79000-G8976-C129–06
Addresses Tab
The addresses tab displays proposed values for the relevant local and remote
address information. If necessary, you can set the TSAP addresses individually.
Figure 4-14 Layout of the “Addresses” Tab of the Properties Dialog with Default TSAPs for ISO-on-TCP
Connections
TSAP Format
ISO-on-TCP connections have a TSAP length of 1 to 16 bytes. When you are
entering values, the current length is displayed automatically (visible display: 20
ASCII characters). Local and remote TSAPs can be input as hexadecimal values
or as ASCII strings. If you make your entries in ASCII, the characters you enter are
also displayed in hexadecimal format. If you make your entries in hexadecimal,
printable characters are displayed in ASCII (8 hexadecimal values are visible). If
you enter nonprintable characters, the ASCII display is gray (no further ASCII
entries possible) and the nonprintable characters are displayed as periods.
Local and Remote TSAPs
Remote and local TSAPs can be identical since the connection is uniquely
identified by the different MAC addresses. If you require more than one connection
between two stations, the TSAPs must also be different.

Configuring Communication Connections
115
SIMATIC NET NCM S7 for Industrial Ethernet
C79000-G8976-C129–06
Default TSAPs
When configuring the local and remote TSAPs, there is a default value “TCP-1” for
the first connection between the two partners (can be changed). For a new
connection between the two partners, the default value “TCP-2” is proposed. With
a new connection to a new partner, the value TCP-1 is used again.
Addresses Tab – Unspecified ISO-on-TCP Connection
If you select the partner type as “unspecified”, depending on your task, you can
enter address information about the communication partner here. The options
available to you are explained in detail in Section 4.3.1.
The Addresses tab shown here illustrates the situation in which the remote IP
address and the remote TSAP were not specified. If you make no further entries,
you are accepting connection establishment from any communication partner.
Figure 4-15 Layout of the “Addresses” Tab of the Properties Dialog for an Unspecified Connection

Configuring Communication Connections
116 SIMATIC NET NCM S7 for Industrial Ethernet
C79000-G8976-C129–06
4.5.3 ISO-on-TCP with the FETCH/WRITE Mode
Using FETCH PASSIVE / WRITE PASSIVE
If you select one of the FETCH PASSIVE or WRITE PASSIVE modes for the
ISO-on-TCP connection, you can access the system areas on a SIMATIC S7 PLC
from a SIMATIC S5 station or other non-S7 station.
Figure 4-16
The connection can then only be used for this mode; sending or receiving with the
FCs AG_SEND/AG_LSEND or AG_RECV/AG_LRECV is then no longer possible.
The connection establishment is passive; in other words, only the partner station
(SIMATIC S5 station or other non-S7 station) can establish the connection. The
setting is made automatically in the “General” tab and cannot be changed.
SFETCH
If you select the FETCH mode, you allow direct read access to system memory
on the SIMATIC S7 PLC. Such access can be, for example, from a SIMATIC
S5 station or other station.
SWRITE
If you select the WRITE mode, you allow direct write access to system memory
on the SIMATIC S7 PLC. Such access can be, for example, from a SIMATIC
S5 station or other station.

Configuring Communication Connections
117
SIMATIC NET NCM S7 for Industrial Ethernet
C79000-G8976-C129–06
Notice
Remember that with this configuration on an S7-300, one connection resource
(free connection for S7 functions) of the S7-300 CPU is used. CPU connection
resources are also used, for example, by S7-300 CPs, in the FMS mode or by
PGs and OPs. For more detailed information about the maximum connection
resources, refer to /13/ and /7/.
System Memory
You can access the following address areas in the system memory on the
SIMATIC S7 PLC using FETCH or WRITE:
SData blocks (DB)
(When accessing DBs, remember that the highest DB number is 255.)
SBit memory (M, MB, MW, MD)
SProcess image input table (I, IB, IW, ID)
SProcess image output table (Q, QB, QW, QD)
SI/O area inputs (PIW, PID, PIB)
SI/O area outputs (PQW, PQD, PQB)
SCounters (C)
STimers (T)
Links to Other Systems
The FETCH and WRITE modes supported on ISO transport connections and
ISO-on-TCP or TCP connections can be used with any other device to access the
S7 system memory areas.
To be able to use this type of access, for example for PC applications, you need to
know the PDU structure of the jobs. The required S7 or S5 headers for request
and response frames are 16 bytes long and their structure is described in the
Appendix.
Messages in the Diagnostic Buffer
As a result of FETCH/WRITE access, negative acknowledgments from the
S7-CPU are possible. This then leads to corresponding connection-oriented entries
in the diagnostic buffer that you can read out with NCM Diagnostics (see Section
6.5).

Configuring Communication Connections
118 SIMATIC NET NCM S7 for Industrial Ethernet
C79000-G8976-C129–06
4.5.4 Checking ISO-on-TCP Connection Properties
Overview Tab
The overview shows all the configured ISO-on-TCP connections and their
parameters (cannot be modified here).
You can adjust the width of the columns in the table.
For an example of this display, refer to Section 4.3.4 (the ISO transport
connection).
Parameter Description
Local ID This is the connection ID of the ISO-on-TCP connection (STEP 7 connection
configuration; DWORD)
Name (loc.
endpoint) Entered connection name. This identifies the ISO-on-TCP connection.
CPU /
Applications If you display all the ISO transport connections being operated in this station in the
multiprocessor mode (with PC stations: multiple applications), the CPU/application that
is the endpoint of the particular connection is specified here.
R/S or via CP With S7-CPs: Rack/slot of the local CP via which the connection is established.
With PC stations: Display of the CP over which the connection is maintained.
Partner
address Specifies the remote IP address of the connection.
Local TSAP Local Transport Service Access Point (8 characters default)
Remote TSAP Remote transport service access point (8 characters default).
Mode Displays the mode configured in the ”Options” tab.
Status Indicates the current configuration of the connection.
“Connections without assignment” are indicated by “No local CP/No remote CP” in the
status column and a “!” character at the end of the“Local ID” (for example: 0002 A000!).
Connections you are currently editing are also indicated by “!” at the end of the local ID.
Connection Overview with Multiple CPUs in an S7 Station
If you operate more than one CPU in your S7 station, you can click the button to
extend the overview to the connections on all CPUs.

Configuring Communication Connections
119
SIMATIC NET NCM S7 for Industrial Ethernet
C79000-G8976-C129–06
4.6 Configuring TCP Connection Properties
Introduction
After the entry in the connection table, you can modify specific connection
parameters for each configured connection that were given default values when
you created the connection.
Opening the Dialog
To call the dialog for special connection properties, follow the steps outlined below:
1. Select the required connection in the connection table.
2. Select the menu option Edit " Object Properties
Result: The “Properties – TCP Connection” dialog appears.
Tabs
The following tabs are available for TCP connections:
SGeneral
Displays the parameters of the connection and the local name of the TCP
connection.
SAddresses
Displays the local and remote address information.
SOptions
Here, you can decide whether or not you want to use the connection for one of
the access types FETCH or WRITE.
SOverview
This is an overview of all the configured TCP connections of the selected S7
station with their parameters and the status of the connection.
SStatus Information
This tab displays the current status information for the connection (valid at the
time the dialog is opened). This information corresponds to that displayed by
NCM diagnostics.

Configuring Communication Connections
120 SIMATIC NET NCM S7 for Industrial Ethernet
C79000-G8976-C129–06
4.6.1 Specifying the Local Connection Endpoint
General Tab
This tab of the Properties dialog displays general connection parameters that
identify the local connection endpoint.
Figure 4-17 Layout of the “General” Tab in the Properties Dialog for TCP Connections

Configuring Communication Connections
121
SIMATIC NET NCM S7 for Industrial Ethernet
C79000-G8976-C129–06
Attributes Description Access
Local Endpoint
ID The entry is identical to the Local ID parameter in the
connection list. Selectable
Name (loc. endpoint) When you create the connection, a name is proposed here
along with a connection number as suffix.
With unspecified connections, use this box to identify the
partner.
Modifiable
Via CP If the station contains more than one CP of the same type
connected to the same subnet, you can select the connection
route –> “Route”, see Section 4.8.
If no CP is assigned (for example because the CP has been
deleted) “none” is displayed here.
Display only
Active Connection
Establishment With this option, you specify whether the connection is
established by this S7 station. This is the default setting when
the address of the partner is specified.
If you selected partner “unspecified” when you created the
connection, the option is deselected as default. If you activate
the option, you must also specify the address of the partner in
the “Addresses” tab.
ON: the connection is established actively.
OFF: the connection is established by the partner.
Modifiable
Use for FTP protocol Selecting the option has the following effects:
SThe TCP connection is now used as an FTP connection.
S”Addresses” tab: The addresses are specified automatically
(Port=21)
S”Options” tab: The mode is set permanently to FTP.
SThe ”Active connection establishment” option is irrelevant
and cannot be set.
No. of connections: See /1/
Precondition: The option can only be selected for an
unspecified TCP connection.
Modifiable
Block Parameters
ID This value must be entered as a block call parameter ID for
calling the FC in the user program to identify the connection.
The ID changes if the local ID is changed.
Display only
LADDR This value must be entered as a block call parameter ID for
calling the FC in the user program to identify the connection. Display only
Connection Name (Reference) – Only in Multiproject
If you create a connection to a partner in another project, that has not yet been
merged with the current multiproject, you must enter a connection name as
reference. Interproject connections can then be joined up based on this reference.
As soon as the connections have been brought together, the connection name
(reference) can no longer be entered.

Configuring Communication Connections
122 SIMATIC NET NCM S7 for Industrial Ethernet
C79000-G8976-C129–06
4.6.2 Specifying TCP Addresses
Address Parameters and Connection Types
With TCP, the communication partners are addressed by the local and remote
endpoints as follows:
SLocal addresses:
Local IP address and local port
SRemote addresses:
Remote IP address and remote port
TCP
connection
MAC
address A
Ethernet station BEthernet station A
IP address
B
remote
port
local
port
local
port
remote
port
Figure 4-18 Sending and Receiving on One TCP Connection
Depending on the required connection type, the remote address parameters are
either specified or left open during configuration.
SSpecified TCP connection
You specified a destination station when you created the connection.
SUnspecified TCP connection
You entered “unspecified” for the connection partner when you created the
connection.

Configuring Communication Connections
123
SIMATIC NET NCM S7 for Industrial Ethernet
C79000-G8976-C129–06
Addresses Tab – Specified TCP Connection
The addresses tab displays proposed values for the relevant local and remote
address information. You can change the port settings individually.
Figure 4-19 Layout of the Properties Dialog in the “Addresses” tab with DEFAULT Ports for TCP
Connections
Ports
The ports or port addresses define the access point to the user program within the
station / CPU. They must be unique within the station / CPU!
The following table shows the range of values:
Table 4-4
Application / Note Port Addresses
Fixed, must not be used! 0
Assigned as default, should not be used (well-known ports) 1 to 1024
Range used by NCM in which a free port address is
searched for and assigned.
You can set any port address within this range.
from 2000 to 5000
Port addresses higher than 5000 are used by the system!
Note:
If you want to use these port addresses, please contact
your system administrator.
from 5000...65535

Configuring Communication Connections
124 SIMATIC NET NCM S7 for Industrial Ethernet
C79000-G8976-C129–06
Addresses Tab – Unspecified TCP Connection
If you select the partner type as “unspecified”, depending on your task, you can
enter address information about the communication partner here. The options
available to you are explained in detail in Section 4.3.1.
The Addresses tab shown here illustrates the situation in which the remote port but
not the IP address was specified. If you make no further entries, you are accepting
connection establishment with any communication partner that uses the specified
port.
Figure 4-20

Configuring Communication Connections
125
SIMATIC NET NCM S7 for Industrial Ethernet
C79000-G8976-C129–06
4.6.3 TCP with the FETCH/WRITE Mode
Using FETCH PASSIVE / WRITE PASSIVE
If you select one of the FETCH PASSIVE or WRITE PASSIVE modes for the TCP
connection, you can access the system areas on a SIMATIC S7 PLC from a
SIMATIC S5 station or other non-S7 station.
Figure 4-21
The connection can then only be used for this mode; sending or receiving with the
FCs AG_SEND/AG_LSEND or AG_RECV/AG_LRECV is then no longer possible.
The connection establishment is passive; in other words, only the partner station
(SIMATIC S5 station or other non-S7 station) can establish the connection. The
setting is made automatically in the “General” tab and cannot be changed.
SFETCH
If you select the FETCH mode, you allow direct read access to system memory
on the SIMATIC S7 PLC. Such access can be, for example, from a SIMATIC
S5 station or other station.
SWRITE
If you select the WRITE mode, you allow direct write access to system memory
on the SIMATIC S7 PLC. Such access can be, for example, from a SIMATIC
S5 station or other station.

Configuring Communication Connections
126 SIMATIC NET NCM S7 for Industrial Ethernet
C79000-G8976-C129–06
Notice
Remember that with this configuration on an S7-300, one connection resource
(free connection for S7 functions) of the S7-300 CPU is used. CPU connection
resources are also used, for example, by S7-300 CPs, in the FMS mode or by
PGs and OPs. For more detailed information about the maximum connection
resources, refer to /13/ and /7/.
System Memory
You can access the following address areas in the system memory on the
SIMATIC S7 PLC using FETCH or WRITE:
SData blocks (DB)
(When accessing DBs, remember that the highest DB number is 255.)
SBit memory (M, MB, MW, MD)
SProcess image input table (E)
SProcess image output table (A)
SI/O area inputs (PIW, PID, PIB)
SI/O area outputs (PQW, PQD, PQB)
SCounters (C)
STimers (T)
Links to Other Systems
The FETCH and WRITE modes supported on ISO transport connections and
ISO-on-TCP or TCP connections can be used with any other device to access the
S7 system memory areas.
To be able to use this type of access, for example for PC applications, you need to
know the PDU structure of the jobs. The required S7 or S5 headers for request
and response frames are 16 bytes long and their structure is described in the
Appendix.
Messages in the Diagnostic Buffer
As a result of FETCH/WRITE access, negative acknowledgments from the S7
CPU are possible. This then leads to corresponding connection-oriented entries in
the diagnostic buffer that you can read out with NCM Diagnostics (see Section
6.5).

Configuring Communication Connections
127
SIMATIC NET NCM S7 for Industrial Ethernet
C79000-G8976-C129–06
4.6.4 Checking TCP Connection Properties
Overview Tab
The overview shows all the previously configured TCP connections and their
parameters (cannot be modified here).
For an example of this display, refer to Section 4.3.4 (the ISO transport
connection).
Parameter Description
ID This is the connection ID of the TCP connection (STEP 7 connection
configuration; DWORD).
Name (loc. endpoint) Entered connection name. It identifies the TCP connection (8
character double width).
CPU / Applications If you display all the ISO transport connections being operated in this
station in the multiprocessor mode (with PC stations: multiple
applications), the CPU/application that is the endpoint of the
particular connection is specified here.
R/S or via CP With S7-CPs: Rack/slot of the local CP via which the connection is
established.
With PC stations: Display of the CP over which the connection is
maintained.
Partner address Specifies the remote IP address of the connection.
Local port Local port (8 characters default length)
Remote port Remote port (8 characters default width)
Mode Displays the mode configured in the ”Options” tab.
Status Indicates the current configuration of the connection.
“Connections without assignment” are indicated by “No local CP/No
remote CP” in the status column and a “!” character at the end of
the“Local ID” (for example: 0002 A000!).
Connections you are currently editing are also indicated by “!” at the
end of the local ID.
You can set the column widths in the “Overview” tab individually.
Connection Overview with Multiple CPUs in an S7 Station
If you operate more than one CPU in your S7 station, you can click the button to
extend the overview to the connections on all CPUs.

Configuring Communication Connections
128 SIMATIC NET NCM S7 for Industrial Ethernet
C79000-G8976-C129–06
4.7 Configuring UDP Connection Properties
Introduction
After the entry in the connection table, you can modify specific connection
parameters for each configured connection that were given default values when
you created the connection.
Opening the Dialog
To call the dialog for special connection properties, follow the steps outlined below:
1. Select the required connection in the connection table.
2. Select the menu option Edit " Object Properties
Result The “Properties – UDP Connections“ dialog appears.
Tabs
The following tabs are available for UDP connections:
SGeneral
Displays the parameters of the connection and the local name of the UDP
connection.
SAddresses
Displays the local and remote address information.
SOverview
Overview of all configured UDP connections of the selected S7 station with
corresponding parameters and the status of the connection.
SStatus Information
This tab displays the current status information for the connection (valid at the
time the dialog is opened). This information corresponds to that displayed by
NCM diagnostics.

Configuring Communication Connections
129
SIMATIC NET NCM S7 for Industrial Ethernet
C79000-G8976-C129–06
4.7.1 Specifying the Local Connection Endpoint
General Tab
This tab of the Properties dialog displays the parameters of the connection and a
local connection name for the UDP connection.
The local ID is identical to the ID in the NetPro connection table (STEP 7
connection configuration) and is shown here to illustrate the assignment.
Figure 4-22 Layout of the “General” Tab in the Properties Dialog for UDP Connections

Configuring Communication Connections
130 SIMATIC NET NCM S7 for Industrial Ethernet
C79000-G8976-C129–06
Attributes Description Access
Local Endpoint
ID The entry is identical to the Local ID parameter in the
connection list. Selectable
Name When you create the connection, a name is proposed here
along with a connection number as suffix.
With unspecified connections, use this box to identify the
partner.
Modifiable
Via CP If the station contains more than one CP of the same type
connected to the same subnet, you can select the connection
route –> “Route”, see Section 4.8.
If no CP is assigned (for example because the CP has been
deleted) “none” is displayed here.
Display only
Block Parameters
ID This value must be entered as a block call parameter ID for
calling the FC in the user program to identify the connection.
The ID changes if the local ID is changed.
Display only
LADDR This value must be entered as a block call parameter ID for
calling the FC in the user program to identify the connection. Display only
Connection Name (Reference) – Only in Multiproject
If you create a connection to a partner in another project, that has not yet been
merged with the current multiproject, you must enter a connection name as
reference. Interproject connections can then be joined up based on this reference.
As soon as the connections have been brought together, the connection name
(reference) can no longer be entered.

Configuring Communication Connections
131
SIMATIC NET NCM S7 for Industrial Ethernet
C79000-G8976-C129–06
4.7.2 Specifying UDP Addresses
Address Parameters and Connection Types
With UDP, the communication partners are addressed using the local and remote
endpoint, as follows.
SLocal addresses:
Local IP address and local port
SRemote addresses:
Remote IP address and remote port
Note
The term “connection” is also used here for UDP. Reason:
During configuration (just as in TCP) the communication partners are assigned to
each other and therefore logically “connected”. In actual fact, with UDP there is no
explicit connection establishment between communication partners.
UDP
connection
MAC
address A
Ethernet station BEthernet station A
IP address
B
remote
port
local
port
local
port
remote
port
Figure 4-23 Sending and Receiving on One UDP Connection
Depending on the required connection type, the remote address parameters are
either specified or left open during configuration.
SSpecified UDP connection
You specified a destination station when you created the connection.
Configuring broadcast or multicast provides you with a further option (see
Section 4.7.3 below).
SUnspecified UDP connection
You entered “unspecified” for the connection partner when you created the
connection.

Configuring Communication Connections
132 SIMATIC NET NCM S7 for Industrial Ethernet
C79000-G8976-C129–06
Addresses Tab – Specified UDP Connections
The addresses tab displays proposed values for the relevant local and remote
address information. You can make the settings for the ports individually.
Figure 4-24 Layout of the Properties Dialog in the “Addresses” tab with DEFAULT Ports for UDP
Connections
Ports
The ports or port addresses define the access point to the user program within the
station / CPU. They must be unique within the station / CPU!
The following table shows the range of values:
Table 4-5
Application / Note Port Addresses
Fixed, must not be used! 0
Assigned as default, should not be used (well-known ports) 1 to 1024
Range used by NCM in which a free port address is
searched for and assigned. 2000... onwards

Configuring Communication Connections
133
SIMATIC NET NCM S7 for Industrial Ethernet
C79000-G8976-C129–06
Addresses Tab – Unspecified UDP Connection
An unspecified UDP connection can be used in two ways:
SFree UDP Connection
To configure a free UDP connection, select the “Address assignment in block”
check box. The input boxes for the remote IP address and the remote port are
then deactivated since the destination addresses are now specified by the user
program.
SConnection to a remote station in a different project
You can specify the remote IP address and the port for any destination station.
The destination station can be in the current STEP 7 project or in another
project.
Please note:
Since no connection is actually established with UDP (datagram service),
communication on the configured UDP connection is only possible when the
partner addresses (IP address and port ) are specified.
Figure 4-25 Layout of the Properties Dialog in the “Addresses” Tab for the “Free UDP Connection” Mode

Configuring Communication Connections
134 SIMATIC NET NCM S7 for Industrial Ethernet
C79000-G8976-C129–06
4.7.3 UDP with Broadcast and Multicast
Application
When you select the connection partner, you have the following two extra options
on UDP connections:
SConnection to all Broadcast Nodes
If you select the “all broadcast nodes”, you specify that UDP frames are sent to
all obtainable broadcast nodes.
Notice
When using broadcast, you can only send with S7-CPs; reception is not possible
(see below)!
SConnection to all Multicast Nodes
If you select “all multicast nodes” as the partner, you specify that UDP frames
are sent to all nodes of a multicast group and that multicast frames can be
received.
Multicast is a special, configurable connection option that is supported by
Industrial Ethernet CPs only on UDP connections.
The frames are sent without acknowledgment because the UDP protocol has no
provision for acknowledgments. This is designed to avoid floods of data resulting
from the acknowledgments. If, for example, frames are sent to 100 partners, 100
acknowledgments (1 per partner) will arrive at the same time. The sending module
would not be able to evaluate such a flurry of data.
When to Use Multicast instead of Broadcast ?
To allow the simultaneous transmission of a frame to a number of partners, the
connection option Multicast for UDP connections was introduced.
In contrast to the broadcast connection option, it is also possible to receive frames
sent to several nodes in the multicast circle on this connection type.
By specifying a particular group of recipients (multicast circle), load on recipients
for which the message is not intended is prevented. Multicast therefore represents
a better solution than broadcast when frames are sent to groups of partner
stations.

Configuring Communication Connections
135
SIMATIC NET NCM S7 for Industrial Ethernet
C79000-G8976-C129–06
Why Does an S7-CP Prevent Reception on Broadcast Connections?
It is often necessary for one station to send frames to a number of partner stations.
It is important that the frames are sent at the same time and arrive and practically
the same time. Sending and receiving broadcast frames is always required. A
broadcast message is received by all nodes in the network.
A typical application is the sending of broadcast frames to find a MAC address for
an IP address (ARP request).
For this reason, a communications module must accept broadcast frames and
evaluate them in its software. The major disadvantage of this is that network
performance sinks significantly if there are too many broadcast frames because
each individual module needs to process all the broadcast frames to find out
whether the frames were intended for it.
To avoid these disadvantages, S7-CPs handle broadcast as follows:
SFollowing reception, the broadcast frames are filtered out with high priority by all
Ethernet CPs. This means that frames that cannot be interpreted are discarded
immediately. Only frames that can be interpreted, for example an ARP request,
are passed on over the LAN controller and evaluated. This prevents a negative
influence on the other connections by broadcast frames.
SFor the application, this means that the S7-CP cannot receive broadcast frames
intended for the transfer of user data. It is, however, possible for the module to
send broadcast frames within the network.

Configuring Communication Connections
136 SIMATIC NET NCM S7 for Industrial Ethernet
C79000-G8976-C129–06
Addresses Tab – Connection to all Broadcast Nodes
If you select “all broadcast nodes” as the connection partner, you specify that UDP
frames are sent to all obtainable broadcast nodes.
In the “Addresses” tab, a valid broadcast address in the network is proposed for
the partner under the IP address (IP).
You must enter a PORT address suitable for all partners you want to reach under
PORT.
Figure 4-26 Layout of the Properties Dialog “Addresses” Tab for the “Broadcast” Mode

Configuring Communication Connections
137
SIMATIC NET NCM S7 for Industrial Ethernet
C79000-G8976-C129–06
Addresses Tab – Connection to all Multicast Nodes
By selecting “all multicast nodes” as the connection partner, you specify that
Ssent UDP frames are delivered to all multicast nodes of the multicast group;
Sthe local device receives multicast frames in the specified multicast group.
In the “Addresses” tab, a valid multicast address in the network is proposed for the
partner under the IP address (IP). When using multicast, the partner is always a
group of receivers (multicast group).
You must enter a PORT address suitable for all partners you want to reach under
PORT.
Figure 4-27
IP addresses from 224.0.0.0 to 239.255.255.255 can be used for IP multicast.
Since the IP addresses up to 224.0.0.255 are reserved for special purposes, we
recommend that you use IP addresses starting at 224.0.1.0 (default) for IP
multicast.

Configuring Communication Connections
138 SIMATIC NET NCM S7 for Industrial Ethernet
C79000-G8976-C129–06
4.7.4 Checking the Properties of a UDP Connection
Overview Tab
At the overview level, all the configured UDP connections and their parameters in
this station are displayed (cannot be modified).
For an example of this display, refer to Section 4.3.4 (the ISO transport
connection).
Parameter Description
Local ID This is the connection ID of the UDP connection (STEP 7 connection
configuration; DWORD).
Name (loc. endpoint) Entered connection name. This identifies the UDP connection (8
characters default length).
CPU / Applications If you display all the ISO transport connections being operated in this
station in the multiprocessor mode (with PC stations: multiple
applications), the CPU/application that is the endpoint of the
particular connection is specified here.
R/S Rack/slot of the local CP via which the connection is established.
Partner address Specifies the remote IP address of the connection.
Local port Local port (8 characters default length)
Remote port Remote port (8 characters default width)
Status Indicates the current configuration of the connection.
“Connections without assignment” are indicated by “No local CP/No
remote CP” in the status column and a “!” character at the end of
the“Local ID” (for example: 0002 A000!).
Connections you are currently editing are also indicated by “!” at the
end of the local ID.
You can set the column widths in the “Overview” tab individually.
Connection Overview with Multiple CPUs in an S7 Station
If you operate more than one CPU in your S7 station, you can click the button to
extend the overview to the connections on all CPUs.

Configuring Communication Connections
139
SIMATIC NET NCM S7 for Industrial Ethernet
C79000-G8976-C129–06
4.7.5 Free UDP Connection
Program-Controlled Addressing
A free UDP connection allows program-controlled addressing of the
communication partner. Communication between two nodes on Industrial Ethernet
has the following properties:
SData transfer is bi-directional; in other words it is possible to send and receive
on the UDP connection at the same time.
SThe local node is specified in the configuration. The remote node is entered in
the job header of the job buffer by the user program when it calls AG_SEND.
This allows any node on Ethernet/LAN/WAN to be reached.
SThe IP address and the port of the sender can be read from the job header of
AG_RECV.
unspecified
UDP connection
Ethernet
node
(unspecified)
SIMATIC S7 station
with Ethernet CP
receive
send receive
send
Job header
User data
Job header
User data
User data area
Job buffer
Figure 4-28 Sending and Receiving on an Unspecified UDP Connection with Programmed Addressing
Amounts of Data
Refer to the manual /1/ supplied with the Ethernet CP for the number of UDP
connections supported by the Ethernet CP. The number of connections per station
can be increased by adding more CPs.
Up to 2042 bytes of user data can be transferred per job buffer. The job header
uses an additional 6 bytes.

Configuring Communication Connections
140 SIMATIC NET NCM S7 for Industrial Ethernet
C79000-G8976-C129–06
4.8 Routing to Distribute Load
Routing to Distribute Load
If more than one CP of the same type exists in a station and is connected to the
same subnet, the route can be selected.
Click the “Route” button in the “General” tab to display the route dialog:
If you have configured a load distribution on two or more Ethernet CPs at the local
or remote end, you can assign the connection to the required route via the CP.
Parameter Description
Via CP / Local If more than one Ethernet CP exists in the station via which connections operated you
can select route here.
The CPs are only displayed for selection if they are networked.
If no CP is assigned (for example because the CP was deleted previously) “(None)” is
displayed here.
If there is only one CP plugged into the station, no selection is possible.
Via CP /
Partner
(remote)
Depending on the local selection, the possible remote CPs are displayed. All the CPs
connected to the same subnet (networked) and the local CP can be selected.
Alternatives are only available when a connection is established to a remote station
configured in the same project and the remote station has two or more CPs.
If there is no CP assigned on the partner (for example because the CP was deleted
previously) “None” is displayed here.
If there is only one CP in the remote station, no selection is possible.
If the partner is an “other station” or SIMATIC S5 PLC, one or more attachments are
displayed for selection depending on the configuration and networking of the station.
-

141
SIMATIC NET NCM S7 for Industrial Ethernet
C79000-G8976-C129–06
Programming FCs (Functions) and FBs for
S7 Ethernet CPs
Ready-made blocks form the interface to some of the communications services
available with the Ethernet CPs. This chapter includes a detailed description of
these blocks.
The description of each FC includes the following sections that may be extended
by specific information:
SMeaning
SCall Interface
SHow the Block Works
SExplanation of the Formal Parameters
SCondition Codes
This chapter provides you with information over and above the general information
available in the online help for the FCs when programming in STEP 7.
You will find further information in the following sources:
SThe communication FBs (BSEND, BRCV, PUT, GET, USEND, URCV,
C_CNTRL) for programming S7 communication are described in the STEP 7
Documentation /9/.
Sample configurations and programs are available for the SEND/RECEIVE
interface described here:
SIn the sample project PROJECT_ETHERNET that you can start immediately
after installing NCM S7; for a description, refer to the Primer /3/.
SOn the Internet as downloadable sample projects; refer to the information in
Appendix C “Support and Training”.
The Quick Start CD that can be ordered separately is a
treasure-trove of sample programs and configurations.
You can order this directly on the Internet at:
http://www.ad.siemens.de/csi/net
5

Programming FCs (Functions) and FBs for S7 Ethernet CPs
142 SIMATIC NET NCM S7 for Industrial Ethernet
C79000-G8976-C129–06
5.1 General Notes on FCs / FBs
Block Library
The functions (FCs) and function blocks (FBs) described here are supplied with the
STEP 7 basic package unless indicated otherwise.
The following list shows the numbers of the FCs as they are supplied with the
configuration tool. You can change these numbers. You will also find the following
information on the block library in the SIMATIC Manager:
SSIMATIC_NET_CP
These blocks are available when you install the NCM S7 for Industrial Ethernet
option (default setting in STEP 7 Setup). Please note that you must use
different FCs for the S7-300 and S7-400 (separate libraries).
Communicatio
Si
Block Type SIMATIC Manager Library Described in
n Service SIMATIC_NET_CP
CP 300 CP 400
SEND/RECEIVE FC5 AG_SEND x x Chapter 5.3
(S5-compatible
communication)
FC6 AG_RECV x x
commun
i
ca
ti
on
)
FC7 AG_LOCK x x
FC8 AG_UNLOCK x x
FC50 AG_LSEND x
FC60 AG_LRECV x
S7
iti
FB12 BSEND x STEP 7
Dtti
communication FB13 BRCV x Documentation
/
9
/
FB15 PUT x
/9/
FB14 GET x
FB8 USEND x
FB9 URCV x
FC62 C_CNTRL x
FTP (IT-CPs) FC40 FTP_CONNECT x x SIMATIC NET
IT CP M l
FC41 FTP_STORE x x IT-CP, Manual
/
5
/
FC42 FTP_RETRIEVE x x
/5/
FC43 FTP_DELETE x x
FC44 FTP_QUIT x x
PROFInet FB88 1) PN_InOut 1) xManual CP
343-1 PN /1/
1) FB88 supplied along with the engineering tool SIMATIC iMap.
2) Not to be used for the latest CPs

Programming FCs (Functions) and FBs for S7 Ethernet CPs
143
SIMATIC NET NCM S7 for Industrial Ethernet
C79000-G8976-C129–06
Which Block Version Should I Use?
The following descriptions also include information on differences between the
various block versions. Please take note of the version identifiers of the blocks you
are using.
The SIMATIC Manager block libraries installed with STEP 7 / NCM S7 contain the
block versions that were current at the time of the STEP 7 release.
Note
We recommend that you always use the latest block versions for all module types.
You will find information on the current block versions and the current blocks to
download from the Internet in our customer support.
http://www4.ad.siemens.de/view/cs/de/8797900
Entry ID: 8797900
With the older module types, this recommendation assumes that you are using the
latest firmware for the particular block type.
Notice
At various points in this chapter, you will find information on the different CP
versions. These passages are highlighted with the following symbol:
Newer CP types are CPs / module types with the following versions or higher:
CP 343-1
6GK 7343-1EX11-0XE0 version 1 or higher / firmware version V2.0 or higher
CP 343-1PN
6GK 7343-1HX00-0XE0 version 1 or higher / firmware version V1.0 or higher
CP 343-1 IT
6GK 7343-1GX11-0XE0 version 1 or higher / firmware version V2.0 or higher
FCs and Module Replacement (Spares)
Module replacement in this sense means the replacement of a module with
another module that may be a more recent version.

Programming FCs (Functions) and FBs for S7 Ethernet CPs
144 SIMATIC NET NCM S7 for Industrial Ethernet
C79000-G8976-C129–06
Notice
Please remember that if you replace a module, you must only use the blocks per-
mitted for the configured CP type in the user program.
This means:
SIf you replace the module without adapting the configuration data to the
possibly newer module type, you do not need to make any changes to the
blocks used.
SIf you replace the module and you do adapt the configuration data to the newer
module type, you must use the block versions approved for this module type.
We recommend that you always use the latest block versions for all module types.
With the older module types, this recommendation assumes that you are using the
latest firmware for the particular block type.
You will find more information on replacing blocks in our Customer Support on the
Internet.
The manuals /1/ contain information on the compatibility of the S7-CPs and the
corresponding blocks (FCs / FBs).

Programming FCs (Functions) and FBs for S7 Ethernet CPs
145
SIMATIC NET NCM S7 for Industrial Ethernet
C79000-G8976-C129–06
5.2 Setting Parameters for FC Calls
Before describing the FCs in detail, a few general comments on calling and setting
parameters for FCs will be useful in this point.
It is possible to make the following general statements about the following
parameter groups that occur in all FCs:
SParameters for CP and connection assignment (input parameters)
SParameters for specifying a CPU data area (input parameters)
SStatus information (output parameters)
Calling Communication Blocks for an S7-300
Caution
The communication blocks for S7-300 (SIMATIC NET block libraries for S7-300 in
STEP 7) must not be called in more than one priority class! If, for example, you
call a communication block in OB1 and in OB35, block execution could be inter-
rupted by the higher-priority OB.
If you call blocks in more than one OB, you must write your program so that a
communication block that is currently executing cannot be interrupted by another
communication block (for example by disabling/enabling SFC interrupts).
5.2.1 Parameters for CP and Connection Assignment (input
parameters)
When you call an FC, you transfer the module start address of the Ethernet CP in
the CPLADDR or LADDR parameter. The module start address of the Ethernet CP
can be found in the properties dialog of the CP in the ”Address/Input” tab (can be
selected in the SIMATIC Manager or in HW Config).
With connection-oriented jobs, you must also reference the connection to be used
by its connection ID. You will find this in the properties dialog of the connection
under “Block parameters” (refer to the information in NetPro).

Programming FCs (Functions) and FBs for S7 Ethernet CPs
146 SIMATIC NET NCM S7 for Industrial Ethernet
C79000-G8976-C129–06
Setting Block Parameters Automatically1)
To ensure correct parameter settings for the block calls, The LAD/STL/FBD editor
in STEP 7 provides you with the option of accepting all the relevant parameters
from the hardware configuration (HW Config) and from the connection
configuration.
When assigning the parameters for the block in the user program, follow the steps
outlined below:
1. Select the block call and its block parameters;
2. Right-click and select the menu command “Connections...”.
3. Depending on the block type, you can now select the connection and/or module
intended for the block from a list.
4. Confirm your selection; as far as possible, the available parameter values are
entered in the block call.
Response to Incorrect Addresses
If the S7 CPU cannot communicate with the Ethernet CP using the specified
module base address, the errors described below occur.
Cause Reaction / Code
No module can be addressed or
identified at the specified CP address. The CPU remains in the stop with system error
state; in this case, evaluate the diagnostic
buffer of the CPU.
The CP address points to a different
module type. Possible error code in the STATUS parameter
of the communication block:
8184H System error
80B0H Module does not
recognize data
record.
80C0H Data record cannot
be read.
80C3H Resources
occupied (memory).
80D2H Logical base address
wrong.
Notice
If you inadvertently address not a CP but another module type, errors occur that
cannot be indicated by the error messages of the FCs themselves.
1). This function is possible only with the block library ..V5.0 SP3 or later.

Programming FCs (Functions) and FBs for S7 Ethernet CPs
147
SIMATIC NET NCM S7 for Industrial Ethernet
C79000-G8976-C129–06
5.2.2 Parameters for Specifying a CPU Data Area (input parameters)
Specifying the Data Area on the CPU
When you call an FC, you transfer the address and length of the data area on the
CPU in which the user data are available or will be stored or which can contain
further parameter information.
The ANY pointer data type is used to address this area. For more detailed
information on this data type, refer to the STEP 7 online help under the topic
“Format of the Parameter Type ANY”. You will also find a detailed description of
the ANY point in /21/.
5.2.3 Status Information (output parameters)
For status evaluation, the following parameters must be evaluated in the user
program:
SDONE or NDR
These parameters (DONE with send jobs and NDR with receive jobs) signal
(successful) completion of the job.
SERROR
This indicates that the job could not be executed error-free.
SSTATUS
This parameter supplies detailed information about the execution of the job.
Status codes can be returned during execution of the job (DONE=0 and
ERROR=0).
Evaluating Status Codes
Remember that the status codes DONE, NDR, ERROR, STATUS are updated at
each block call.
Status Codes during CP Startup
With a complete restart or restart of the Ethernet CP (after activating a switch on
the module), the output parameters of the FC are reset as follows:
SDONE = 0
SNDR = 0
SERROR = 0
SSTATUS = 8180H for AG_RECV / AG_LRECV or 8181H for AG_SEND
/AG_LSEND

Programming FCs (Functions) and FBs for S7 Ethernet CPs
148 SIMATIC NET NCM S7 for Industrial Ethernet
C79000-G8976-C129–06
5.3 FCs for Configured Connections
Overview
The following functions (FCs) are available for transferring data over configured
connections:
FC Can be used with 1) Meaning
S7 – 300 S7 – 400
AG_SEND (FC5) x x for sending data
AG_RECV (FC6) x x for receiving data
AG_LSEND (FC50) xfor sending data
AG_LRECV (FC60) xfor receiving data
1) Notes on the FCs in FCs for an S7-300 and S7-400
SS7-300:
With older versions of the Ethernet CPs, the data length per job is restricted to
<=240 bytes (applies up to block version V3.0 of AG_SEND / AG_RECV); with
later versions, longer data records (up to 8092 bytes) can be transferred with
FCs AG_LSEND or AG_LRECV.
With the latest versions of the Ethernet CPs, only FCs AG_SEND and
AG_RECV are used; due to a new and more efficient internal protocol, the data
up to 8092 bytes can be transferred.
SS7-400:
With FCs AG_SEND / AG_RECV the data length per job is restricted to <=240
bytes.
Longer data records (up to 8092 bytes) can be transferred with FCs
AG_LSEND or AG_LRECV.
Please check the manual /3/ of the S7-CP you are using for the data areas
supported. You will find an overview of the versions of the FCs/FBs in the
documentation and block history.
Application
The following diagram illustrates the use of the FCs described here for
bi-directional data transfer on one configured connection.

Programming FCs (Functions) and FBs for S7 Ethernet CPs
149
SIMATIC NET NCM S7 for Industrial Ethernet
C79000-G8976-C129–06
Connection
Ethernet CPCPU
STEP 7
user
program
receive
send
User data areas
AG_RECV
AG_SEND
CPU
STEP 7
user program
User data areas
AG_RECV
AG_SEND
Ethernet CP
send
receive
Note
Unless specifically stated otherwise, the information on this and the following
pages refers to AG_SEND / AG_LSEND or AG_RECV / AG_LRECV.
Specifying the Data Area on the CPU
When you call an FC, you transfer the address and length of the data area in the
CPU. Remember, that the maximum length of the data area depends on the block
type and block version being used.
SAG_SEND and AG_RECV
Up to version V3.0 of these blocks, a maximum of 240 bytes could be sent or
received. The current block versions allow a data area of up to 8192 bytes for
an S7-300. With an S7-400, the FCs AG_LSEND / AG_LRECV must still be
used for larger data areas.
SAG_LSEND / AG_LRECV
Using the CPs of the S7-400 and with earlier versions of the S7-300, larger
data areas can only be transferred with the FCs AG_LSEND or AG_LRECV.
Please check the length of the data area in the product information.
The following table shows the limit values of the various connection types.

Programming FCs (Functions) and FBs for S7 Ethernet CPs
150 SIMATIC NET NCM S7 for Industrial Ethernet
C79000-G8976-C129–06
Table 5-1
FC ISO Transport ISO-on-TCP TCP UDP
AG_LSEND
(S7-400)
AG_SEND
(S7-300)
8192 bytes 8192 bytes 8192 bytes 2048 bytes
AG_LRECV
(S7-400)
AG_RECV
(S7-300)
8192 bytes 8192 bytes 8192 bytes 2048 bytes
Note
For information on the length of the data area you can transfer with older versions
of the Ethernet CPs, refer to the product information bulletin / manual of the
Ethernet CP you are using /1/.
Working without the Job Header
On specified connections, the address and job parameters are specified by the
connection configuration. The user program only provides the user data in the UDP
data area when sending with AG_SEND / AG_LSEND or receives the data with
AG_RECV / AG_LRECV.

Programming FCs (Functions) and FBs for S7 Ethernet CPs
151
SIMATIC NET NCM S7 for Industrial Ethernet
C79000-G8976-C129–06
Working with the Job Header
Free UDP connections require a job header in the user data area.
The following schematic illustrates the structure of the job buffer and the meaning
and location of the parameters in the job header.
Job header
User data
User data area
Job buffer 03H (high byte)EBH (low byte)
0BH
8EH23H
28H
Data byte 2041Data byte 2040
Bytes 0,1
Bytes 2,3
Bytes 4,5
Bytes
2046,2047
Data byte 1Data byte 0 Bytes 6,7
Port
IP address
Figure 5-1 Sending and Receiving on a Free UDP Connection with Programmed Addresses
SIn the picture (entries in hexadecimal) the following IP address is assumed:
142.11.40.35 (example only);
SFor the port address 1003, the following would be entered: for low byte: EBH;
for high byte: 03H.
SThe user data area can be up to 2048 bytes long. Up to 2042 bytes of user data
can be transferred. 6 bytes are reserved for the job header.
Please note that the data length specified in the block call (LEN parameter)
must include the header and the user data!

Programming FCs (Functions) and FBs for S7 Ethernet CPs
152 SIMATIC NET NCM S7 for Industrial Ethernet
C79000-G8976-C129–06
5.3.1 FC5 AG_SEND / FC50 AG_LSEND
Meaning of the Block
The FCs AG_SEND / AG_LSEND pass data to the Ethernet CP for transfer over a
configured connection.
The selected data area can be a process image area, a memory bit area or a data
block area.
Error-free execution of the function is indicated when the entire user data area
could be sent on Ethernet.
Note:
Unless otherwise stated, all the following information applies to both the FCs
AG_SEND and AG_LSEND.
Call
Call interface in LAD representation
ACT
LADDR
DONE
AG_SEND / AG_LSEND
ID
SEND
LEN
ERROR
STATUS
BOOL
INT
WORD
ANY
INT
WORD
BOOL
BOOL
Example in STL representation
STL Explanation
call fc 5
ACT := M 10.0
ID := MW 12
LADDR := W#16#0100
SEND := P#db99.dbx10.0 byte 240
LEN := MW 14
DONE := M 10.1
ERROR := M 10.2
STATUS := MW 16
//AG_SEND / AG_LSEND block call
//Job triggered by memory bit
//Connection ID acc. to configuration
//=LADDR 256 dec. in hardware configuration
//Buffer with send data
//Length for send data
//Execution code
//Error code
//Status code

Programming FCs (Functions) and FBs for S7 Ethernet CPs
153
SIMATIC NET NCM S7 for Industrial Ethernet
C79000-G8976-C129–06
Notice
Please not the following special feature on TCP connections:
With the S7-CPs for S7-400, you must use FC AG_LSEND on TCP connections!
With the latest S7-CPs for S7-300, you must also use FC AG_SEND for TCP
connections.
How the Block Works
The following diagram illustrates the normal sequence of data transmission
triggered in the user program using AG_SEND.
The send job in executed as soon as the parameter ACT = 1 is passed.
Following this, the parameter ACT = 0 must be passed in at least one further call.
The status code in the output parameters DONE, ERROR and STATUS is updated
in each block call and can be evaluated. To update the status code without starting
a new send job, start a new block call with the parameter ACT = 0.
Refer to the sample program at the end of Section 5.3.1.

Programming FCs (Functions) and FBs for S7 Ethernet CPs
154 SIMATIC NET NCM S7 for Industrial Ethernet
C79000-G8976-C129–06
User program
(CPU cycle) Ethernet CP Communications Partner
AG_SEND
0, 0, 81811)
1, 0, 00001)
AG_SEND
Supply AG_SEND with
data “X”
ACT = 1
Transfer
“X”
active on
Ethernet
Legend:
1) parameter transfer DONE, ERROR, STATUS
Time Time Time
Supply AG_SEND
ACT = 0
AG_SEND
0, 0, 81811)

Programming FCs (Functions) and FBs for S7 Ethernet CPs
155
SIMATIC NET NCM S7 for Industrial Ethernet
C79000-G8976-C129–06
Explanation of the Formal Parameters
The following table explains all the formal parameters for the AG_SEND
/AG_LSEND functions.
Parameter Declara-
tion Type Possible
Values Remarks
ACT INPUT BOOL 0,1 If an FC is called with ACT=1, LEN bytes are
sent from the ISO transport data area specified
with the SEND parameter.
If an FC is called with ACT = 0, the status
codes DONE, ERROR and STATUS are
updated.
ID INPUT INT 1,2...64
(S7-400)
1,2...16
(S7-300)
The connection number of the connection is
specified in the parameter ID. (see
Configuration Section 4.3.1)
LADDR INPUT WORD Module base address
When you configure the CP with STEP 7
hardware configuration, the module base
address is displayed in the configuration table.
Specify this address here.
SEND INPUT ANY Specifies the address and length.
The address of the data area refers to one of
the following:
– Process image area
– Bit memory
– Data block area

Programming FCs (Functions) and FBs for S7 Ethernet CPs
156 SIMATIC NET NCM S7 for Industrial Ethernet
C79000-G8976-C129–06
Parameter RemarksPossible
Values
TypeDeclara-
tion
LEN INPUT INT On ISO
Transport and
ISO-on-TCP /
TCP:
1 2 t 32767
Number of bytes to be sent from the data area
with this job. The possible values range from 1
to length specified for the SEND parameter.
SNote the block type:
1,2, to 32767
(or up to “length
specified for
SEND
parameter”)
On UDP:
1,2,...2048 (or
– S7-300
With older versions of FC AG_SEND
(up to V3.0), the data area is always
restricted to a maximum of 240 bytes.
The current versions allow up to 8192
bytes (2048 bytes for UDP).
1
,
2
,...
2048 (or
up to “length
specified for
SEND
parameter”)
– S7-400
With FC AG_SEND, the data area is
restricted to a maximum of 240 bytes.
SNote on the S7-400:
Data transfer may be restricted to
LEN<=240 bytes with older versions of the
CP firmware!
For further information, see /1/
SImproved performance with shorter data
records:
Transfer of data records up to 240 bytes
results in better performance regardless of
the block type used.
DONE OUTPUT BOOL 0: Job active
1: done This parameter indicates whether or not the job
was completed without errors.
As long as DONE = 0, no further job can be
triggered. DONE is set to 0 by the CP when it
accepts a new job.
For the meaning of this parameter in
conjunction with the ERROR and STATUS
parameters, refer to the following table.
ERROR OUTPUT BOOL 0: –
1: error For the meaning of this parameter in
conjunction with the DONE and STATUS
parameters, refer to the follow table.
STATUS OUTPUT WORD see following
table Status code
The following table shows the condition codes
formed by the DONE and ERROR parameters.
Condition Codes
The following table shows the condition codes formed by the DONE, ERROR and
STATUS parameters that must be evaluated by the user program.

Programming FCs (Functions) and FBs for S7 Ethernet CPs
157
SIMATIC NET NCM S7 for Industrial Ethernet
C79000-G8976-C129–06
Note
For entries coded with 8FxxH in STATUS, refer to the information in the STEP 7
Standard and System Functions reference manual. The chapter describing error
evaluation with the RET_VAL output parameter contains detailed information.
To find out which SFCs are used and are relevant for error evaluation, display the
properties dialog of the FC described here in the “Calls” tab.
Table 5-2 AG_SEND / AG_LSEND Codes
DONE ERROR STATUS Meaning
1 0 0000 H Job completed without error.
0 0 0000 H No job being executed.
0 0 8181HJob active.
0 1 7000HThis code is possible only with the S7-300: the FC was called
with ACT=0; the job has not yet been processed.
0 1 8183HNo configuration or the ISO/TCP service has not yet started on
the Ethernet CP.
0 1 8184HSystem error.
0 1 8185HLEN parameter longer than SEND source area.
0 1 8186HID parameter invalid. ID!=1,2 to 64.
0 1 8302HNo receive resources on the destination station; the receiving
station cannot process received data quickly enough or has not
prepared any receive resources.
0 1 8304HThe connection is not established. The send job should only be
attempted again after waiting for at least 100 ms.
0 1 8311HThe destination station cannot be obtained under the specified
Ethernet address.
0 1 8312HEthernet error on the CP.
0 1 8F22HSource area invalid, for example:
Area does not exist in the DB
LEN parameter < 0
0 1 8F24HArea error reading a parameter.
0 1 8F28HAlignment error reading a parameter.
0 1 8F32HParameter contains a DB number that is too high.
0 1 8F33HDB number error.
0 1 8F3AHArea not loaded (DB).
0 1 8F42HTimeout reading a parameter from the I/O area.
0 1 8F44HAddress of the parameter to be read is disabled in the access
track.

Programming FCs (Functions) and FBs for S7 Ethernet CPs
158 SIMATIC NET NCM S7 for Industrial Ethernet
C79000-G8976-C129–06
Table 5-2 AG_SEND / AG_LSEND Codes
DONE MeaningSTATUSERROR
0 1 8F7FHInternal error, e.g. illegal ANY reference.
e.g. parameter LEN=0
0 1 8090HNo module with this address exists or the CPU is in the STOP
mode.
0 1 8091HLogical base address not at a double word boundary.
0 1 8092HIn the ANY reference, a type other than BYTE is specified.
(S7-400 only)
0 1 80A4HThe communication bus connection between the CPU and CP is
not established. (Only with newer CPU versions)
0 1 80B0HThe module does not recognize the data record.
0 1 80B1HThe specified length (in the LEN parameter) is incorrect.
0 1 80B2HThe communication bus connection between the CPU and CP is
not established.
0 1 80C0HThe data record cannot be read.
0 1 80C1HThe specified data record is currently being processed.
0 1 80C2HThere are too many jobs pending.
0 1 80C3HCPU resources (memory) occupied.
0 1 80C4HCommunication error (occurs temporarily and a repetition in the
user program will often remedy the problem).
0 1 80D2HModule base address incorrect.

Programming FCs (Functions) and FBs for S7 Ethernet CPs
159
SIMATIC NET NCM S7 for Industrial Ethernet
C79000-G8976-C129–06
Example of AG_SEND
Below you will find an executable example of an FC5 (AG_SEND) call and
parameter evaluation.
The OB100 listed below belongs to the FC100 selected here in which the send call
takes place; OB100 sets the ACT bit correctly when the CPU starts up.
To function correctly, a DB100 with a size of at least 240 bytes must be loaded.
The program requires a CP at address 256 and a configured connection of the
type ISO Transport / ISO-on-TCP or TCP with ID=1 (please adapt your
configuration where necessary !).
//––––––––––––––––––––––––––––––––––––––––––––––––––––––––––––––––––––––––––
FUNCTION FC 100: VOID
TITLE = SENDE_DEMO
AUTHOR : Tester
FAMILY : S7300
NAME : FC5_Demo
VERSION : 1.0
//––––––––––––––––––––––––––––––––––––––––––––––––––––––––––––––––––––––––––
BEGIN
CALL FC 5 (
ACT := M100.0,
ID := 1,
LADDR := W#16#100,
SEND := P#DB100.dbx0.0 BYTE 240,
LEN := 240,
DONE := M100.1,
ERROR := M100.2,
STATUS := MW102 );
//––––––––––––––––––––––––––––––––––––––––––––––––––––––––––––––––––––
R M100.0;
SET;
A M100.1;
JC done;
SET;
A M100.2;
JC err;
//
//
//
//
//
//
//
Reset parameter ACT for all further FC5 calls;
Test whether DONE = TRUE
Test whether ERROR = TRUE
//––––––––––––––––––––––––––––––––––––––––––––––––––––––––––––––––––––
BEU; //
//
Neither DONE nor ERROR is set, the job is
still running.
//––––––––––––––––––––––––––––––––––––––––––––––––––––––––––––––––––––
done S M100.0;
BEU;
//
//
Job completed without error. Set ACT = TRUE so
that the following call can trigger the new
job.
//–––––––––––––––––––––––––––––––––––––––––––––––––––––––––––––––––––

Programming FCs (Functions) and FBs for S7 Ethernet CPs
160 SIMATIC NET NCM S7 for Industrial Ethernet
C79000-G8976-C129–06
err: NOP 1;
NOP 1;
S M100.0;
BEU;
//
//
//
//
An error occurred. The status word can be eva-
luated here. Set ACT to TRUE in any case, so
that a new send job can be triggered if the
error disappears.
//–––––––––––––––––––––––––––––––––––––––––––––––––––––––––––––––––––
END_FUNCTION
ORGANIZATION_BLOCK OB100
TITLE = Init_for_FC100
FAMILY: S7300
NAME: SENDE_DEMO_INIT
VERSION: 1.0
VAR_TEMP
OB1_System: array [1..20] of byte;
END_VAR
BEGIN
SET
S M100.0
END_ORGANIZATION_BLOCK
//
//
// Initialize ACT parameter

Programming FCs (Functions) and FBs for S7 Ethernet CPs
161
SIMATIC NET NCM S7 for Industrial Ethernet
C79000-G8976-C129–06
5.3.2 FC6 AG_RECV / FC60 AG_LRECV
Meaning of the Block
The AG_RECV / AG_LRECV function receives the data transferred on a
configured connection from the Ethernet CP.
The data area specified for the receive data can be a process image area, a bit
address area or a data block area.
Error-free execution is indicated when the data could be received from the
Ethernet CP.
Note:
Unless otherwise stated, all the following information applies to both the FCs
AG_RECV and AG_LRECV.
Call
Call interface in LAD representation
LADDR
AG_RECV / AG_LRECV
ID
RECV LEN
ERROR
STATUS
INT
WORD
ANY INT
WORD
NDR BOOL
BOOL
Example in STL representation
STL Explanation
call fc 6
ID := MW 40
LADDR := W#16#0100
RECV := P#M 0.0 BYTE 100
NDR := DB 110.DBX 0.6
ERROR := DB 110.DBX 0.7
STATUS := DB 110.DBW 2
LEN := DB 110.DBW 4
//AG_RECV/AG_LRECV block call
//Connection ID acc. to configuration
//=LADDR 256 dec. in hw configuration
//Buffer for received data
//Receive code
//Execution code
//Error code
//Status code

Programming FCs (Functions) and FBs for S7 Ethernet CPs
162 SIMATIC NET NCM S7 for Industrial Ethernet
C79000-G8976-C129–06
Notice
Please not the following special feature on TCP connections:
With the S7-CPs for S7-400, you must use FC AG_LRECV on TCP connections!
With the latest S7-CPs for S7-300, you must also use FC AG_RECV for TCP
connections.

Programming FCs (Functions) and FBs for S7 Ethernet CPs
163
SIMATIC NET NCM S7 for Industrial Ethernet
C79000-G8976-C129–06
How the Block Works
The following diagram illustrates the normal sequence of data acceptance
triggered by an AG_RECV in the user program.
Each AG_RECV job in the user program is acknowledged by the Ethernet CP with
an entry in the output parameters NDR, ERROR and STATUS.
Accept / evaluate
received data “A”
User program
(CPU cycle) Ethernet CP Communications Partner
1, 0, 00001)
0, 1, 8180 1)
AG_RECV
AG_RECV
AG_RECV
0, 0, 81801)
1, 0, 00001)
AG_RECV
AG_RECV
Transfer
“A”
active on
Ethernet
Transfer
“B”
active on
Ethernet
Transfer
“C”
active on
Ethernet
Legend:
1) Parameter transfer NDR, ERROR, STATUS
Time Time Time
Accept / evaluate
received data “B”
.
.
.
The status code is updated at each block call.

Programming FCs (Functions) and FBs for S7 Ethernet CPs
164 SIMATIC NET NCM S7 for Industrial Ethernet
C79000-G8976-C129–06
Explanation of the Formal Parameters
The following table explains all the formal parameters for the AG_RECV /
AG_LRECV function.
Parameter Declara-
tion Type Possible
Values Remarks
ID INPUT INT 1,2...16 The connection number of the ISO transport
connection is specified in the ID parameter (see
Configuration Section 4.3.1)
LADDR INPUT WORD Module base address
When you configure the CP with STEP 7
hardware configuration, the module base
address is displayed in the configuration table.
Specify this address here.
RECV INPUT ANY Specifies the address and length.
The address of the data area refers to one of
the following:
– Process image area
– Bit memory
– Data block area
Note on length:
Performance is improved in transfer of data
records up to 212 bytes if you also restrict the
length to 212 with the RECV parameter.
NDR OUTPUT BOOL 0: –
1: new data This parameter indicates whether new data
were received.
For the meaning of this parameter in
conjunction with the ERROR and STATUS
parameters, refer to the following table.
ERROR OUTPUT BOOL 0: –
1: error Error code
For the meaning of this parameter in
conjunction with the DONE and STATUS
parameters, refer to the following table.
STATUS OUTPUT WORD see following
table Status code
For the meaning of this parameter in
conjunction with the NDR and ERROR
parameters, refer to the following table.

Programming FCs (Functions) and FBs for S7 Ethernet CPs
165
SIMATIC NET NCM S7 for Industrial Ethernet
C79000-G8976-C129–06
Parameter RemarksPossible
Values
TypeDeclara-
tion
LEN OUTPUT INT On ISO
Transport and
ISO-on-TCP:
1,2...8192
Specifies the number of bytes accepted from
the Ethernet CP and entered in the data area.
SNote the block type:
– S7-300
On UDP:
1,2...2048
With older versions of FC AG_RECV (up
to V3.0), the data area is always
restricted to a maximum of 240 bytes.
The current versions allow up to 8192
bytes (2048 bytes for UDP).
– S7-400
With FC AG_RECV, the data area is
restricted to a maximum of 240 bytes.
Condition Codes
The following table shows the codes formed by the DONE, ERROR and STATUS
parameters that must be evaluated by the user program.
Note
For entries coded with 8FxxH in STATUS, refer to the information in the STEP 7
Standard and System Functions reference manual. The chapter describing error
evaluation with the RET_VAL output parameter contains detailed information.
To find out which SFCs are used and are relevant for error evaluation, display the
properties dialog of the FC described here in the “Calls” tab.
Table 5-3 AG_RECV / AG_LRECV Codes
NDR ERROR STATUS Meaning
1 0 0000 H New data accepted.
0 0 8180HThere are not yet any data available.
0 0 8181HJob active.
0 1 8183HNo configuration or the ISO transport service has not yet started
on the Ethernet CP.
0 1 8184HSystem error (the source data area is incorrect).
0 1 8185HDestination buffer (RECV) is too short.
0 1 8186HID parameter invalid.
ID != 1,2....16 (S7-300).
ID != 1,2....64.(S7-400)

Programming FCs (Functions) and FBs for S7 Ethernet CPs
166 SIMATIC NET NCM S7 for Industrial Ethernet
C79000-G8976-C129–06
Table 5-3 AG_RECV / AG_LRECV Codes
NDR MeaningSTATUSERROR
0 1 8304HThe connection is not established. The send job should only be
attempted again after waiting for at least 100 ms.
0 1 8F23HSource area invalid, for example:
Area does note exist in the DB.
0 1 8F25HArea error writing a parameter.
0 1 8F29HAlignment error writing a parameter.
0 1 8F30HParameter is in the write-protected 1st act. data block.
0 1 8F31HParameter is in the write-protected 2nd act. data block.
0 1 8F32HParameter contains a DB number that is too high.
0 1 8F33HDB number error.
0 1 8F3AHDestination area not loaded (DB).
0 1 8F43HTimeout writing a parameter to the I/O area.
0 1 8F45HAddress of the parameter to be read is disabled in the access
track.
0 1 8F7FHInternal error, e.g. illegal ANY reference.
0 1 8090HNo module with this address exists or the CPU is in the STOP
mode.
0 1 8091HLogical base address not at a double word boundary.
0 1 8092HIn the ANY reference, a type other than BYTE is specified.
(S7-400 only)
0 1 80A0HNegative acknowledgment reading from the module.
0 1 80A4HThe communication bus connection between the CPU and CP is
not established.
0 1 80B0HThe module does not recognize the data record.
0 1 80B1HDestination area invalid.
0 1 80B2HThe communication bus connection between the CPU and CP is
not established.
0 1 80C0HThe data record cannot be read.
0 1 80C1HThe specified data record is currently being processed.
0 1 80C2HThere are too many jobs pending.
0 1 80C3HCPU resources (memory) occupied.
0 1 80C4HCommunication error (occurs temporarily and a repetition in the
user program will often remedy the problem).
0 1 80D2HModule base address incorrect.

Programming FCs (Functions) and FBs for S7 Ethernet CPs
167
SIMATIC NET NCM S7 for Industrial Ethernet
C79000-G8976-C129–06
5.4 FCs for Access Coordination with FETCH/WRITE
Overview
The following FCs are available for FETCH/WRITE function to coordinate access:
FC can be used with: Meaning
S7 – 300 S7 – 400
AG_LOCK (FC7) x x Locks external data access
with FETCH/WRITE.
AG_UNLOCK (FC8) x x Releases external data
access with FETCH/WRITE.
Caution when Configuring
If you use FCs AG_LOCK and AG_UNLOCK, you must specify the following
information for S7-400 stations in the configuration:
Sin HW Config
In the “Addresses” tab, the option “Address setting for LOCK/UNLOCK” must
be selected.
How the Block Works
With these FCs, you can coordinate access to system memory areas so that no
inconsistent data are created and transferred. The control is from the user program
in the S7 CPU that can, if necessary disable an external FETCH/WRITE access
using an AG_LOCK call. After a certain time or after the local write/read access is
completed, an AG_UNLOCK job can be used to enable external access again.
Another advantages is that this access lock only applies to the FETCH/WRITE
connection specified in the call. If more than one FETCH/WRITE connections are
configured, these can, for example, be used for certain specific system areas and
a selective access coordination can be implemented.
The following diagram illustrates the usual chronological sequence of memory
access coordination controlled in the user program with AG_LOCK and
AG_UNLOCK.

Programming FCs (Functions) and FBs for S7 Ethernet CPs
168 SIMATIC NET NCM S7 for Industrial Ethernet
C79000-G8976-C129–06
User program
(CPU cycle) Ethernet CP Communications Partner
LOCKED = 0
LOCKED = 0
AG_LOCK
AG_LOCK
AG_LOCK
LOCKED = 1
FETCH/WRITE
access to DB x
active
FETCH/WRITE
access to DB x
active
Time Time Time
Data
processing
in DB x
FETCH/WRITE
FETCH/WRITE rejected
AG_UNLOCK
STATUS = 700x
Cycle n
Cycle n+1
Cycle n+2
Cycle n+m
...
The lock job must first be monitored in the user program using the code in the
return parameter LOCKED. As long as LOCKED=0 is indicated, it must be
assumed that there is still a FETCH/WRITE access active.
If LOCKED=1 is indicated, this shows that the lock is active; data can now be
modified by the user program.
The status code is updated at each block call.

Programming FCs (Functions) and FBs for S7 Ethernet CPs
169
SIMATIC NET NCM S7 for Industrial Ethernet
C79000-G8976-C129–06
5.4.1 FC7 AG_LOCK
Meaning of the Block
Using the AG_LOCK block the data exchange using FETCH or WRITE on the
connection selected with the parameter ID is disabled. The LOCKED output
indicates whether or not the lock was successful. If the lock was not successful,
the job must be triggered again in a later CPU cycle.
The STATUS output indicates the status of the CP for this connection.
Call
Representation of the AG_LOCK Function
LADDR
AG_LOCK
ID STATUS
LOCKED
Example in STL representation
STL Explanation
call fc 7
ID := DB 100.DBW 2
LADDR := W#16#0100
STATUS := DB 100.DBW 4
LOCKED := DB 100.DBX 0.6
//Block call
//Connection ID acc. to configuration
//=LADDR 256 dec. in hardware configuration
//Status code
//Status code of access disable
Explanation of the Formal Parameters
The following table explains all the formal parameters for the AG_LOCK function:

Programming FCs (Functions) and FBs for S7 Ethernet CPs
170 SIMATIC NET NCM S7 for Industrial Ethernet
C79000-G8976-C129–06
Parameter Declara-
tion Type Possible
Values Remarks
ID INPUT INT 1,2...16 for
S7-300
1,2...64 for
S7-400
The connection number of the connection is
specified in the parameter ID. (see
Configuration Section 4.3.1)
LADDR INPUT WORD Module base address
When you configure the CP with STEP 7
hardware configuration, the module base
address is displayed in the configuration table.
Specify this address here.
LOCKED OUTPUT BOOL 0: not (yet)
locked
1: locked
Shows the status of the access lock requested
on the specified FETCH/WRITE connection.
STATUS OUTPUT WORD see following
table Status code
For meaning, refer to the table below.
Condition Codes
The following table shows the STATUS code that must be evaluated by the user
program.
Table 5-4 AG_LOCK Condition Codes
STATUS Meaning
7000 CP is not processing a job
7001 FETCH active
7002 WRITE active
8183 FETCH/WRITE not configured for this connection
8186 ID number not in permitted range (e.g. 1...64 with S7-400 Industrial Ethernet CPs)

Programming FCs (Functions) and FBs for S7 Ethernet CPs
171
SIMATIC NET NCM S7 for Industrial Ethernet
C79000-G8976-C129–06
5.4.2 FC8 AG_UNLOCK
Meaning of the Block
Using the AG_UNLOCK function, the external access to system areas on the S7
CPU with FETCH or WRITE on the connection specified by the ID parameter is
released.
The next external FETCH/WRITE job to arrive for the CP can then be processed.
The AG_UNLOCK follows an access lock with AG_LOCK.
Call
Representation of the AG_UNLOCK Function
LADDR
AG_UNLOCK
ID STATUS
Example in STL representation
STL Explanation
call fc 8
ID := DB 100.DBW 2
LADDR := W#16#0100
STATUS := DB 100.DBW 4
//Block call
//Connection ID acc. to configuration
//=LADDR 256 dec. in hardware configuration
//Status code
How the Block Works
To release the connection again, the LOCK request bit must be reset by the FC
again. The FC also shows the current status using error messages.
Explanation of the Formal Parameters
The following table explains all the formal parameters for the AG_UNLOCK
function:

Programming FCs (Functions) and FBs for S7 Ethernet CPs
172 SIMATIC NET NCM S7 for Industrial Ethernet
C79000-G8976-C129–06
Parameter Declara-
tion Type Possible
Values Remarks
ID INPUT INT 1,2...16 for
S7-300
1,2...64 for
S7-400
The connection number of the connection is
specified in the parameter ID. (see
Configuration Section 4.3.1)
LADDR INPUT WORD Module base address
When you configure the CP with STEP 7
hardware configuration, the module base
address is displayed in the configuration table.
Specify this address here.
STATUS OUTPUT WORD see following
table Status code
For meaning, refer to the table below.
Condition Codes
The following table shows the STATUS code that must be evaluated by the user
program.
Table 5-5 AG_UNLOCK Condition Codes
STATUS Meaning
7000 CP is not processing a job
7001 FETCH active
7002 WRITE active
8183 FETCH/WRITE not configured for this connection
8186 ID number not in permitted range (e.g. 1...64 with S7-400 Industrial Ethernet CPs)

Programming FCs (Functions) and FBs for S7 Ethernet CPs
173
SIMATIC NET NCM S7 for Industrial Ethernet
C79000-G8976-C129–06
5.5 Numeric Data / Resource Requirements of the FCs
Notice
Please note the version information of the blocks. Blocks with other versions have
different resource requirements.
Table 5-6 Information for FCs with an S7-400
NAME Version FC no. Load
memory
bytes
Work
memory
bytes
MC7
Bytes
Local data
Bytes
AG_SEND 1.1 5 732 576 540 20
AG_RECV 1.1 6 656 522 486 20
AG_LOCK 1.0 7 272 200 164 6
AG_UNLOCK 1.0 8 256 186 150 6
AG_LSEND 3.0 50 1044 846 810 52
AG_LRECV 3.0 60 1190 992 956 58
Table 5-7 Information for FCs with an S7-300
NAME Version FC no. Load
memory
bytes
Work
memory
bytes
MC7
Bytes
Local data
Bytes
AG_SEND 4.1 5 1916 1610 1574 50
AG_RECV 4.5 6 1408 1174 1138 40
AG_LOCK 4.0 7 748 636 600 34
AG_UNLOCK 4.0 8 712 604 568 32

Programming FCs (Functions) and FBs for S7 Ethernet CPs
174 SIMATIC NET NCM S7 for Industrial Ethernet
C79000-G8976-C129–06
-

175
SIMATIC NET NCM S7 for Industrial Ethernet
C79000-G8976-C129–06
NCM S7 Diagnostics
The NCM S7 Diagnostics described here provides dynamic information on the
operating state of the communication functions of online CPs.
This chapter provides a general overview of the individual diagnostic functions.
The following checklist will help you to recognize several typical problems and their
possible causes and shows how you can use the NCM S7 for PROFIBUS
diagnostics tool to remedy the situation.
Further information is available from the following sources:
SWhen you are working with the diagnostic tool, the integrated help system
provides you with context-related support.
SYou will find detailed information on working with STEP 7 programs in the Help
on STEP 7, which includes the topic “Diagnosing Hardware”.
Note
NCM S7 Diagnostics supports not only diagnostics for CPs (communication
modules) but also other module types such as the IE/PB Link. In this chapter, the
term CP is therefore synonymous with all modules with which you can run NCM
S7 diagnostic functions.
6

NCM S7 Diagnostics
176 SIMATIC NET NCM S7 for Industrial Ethernet
C79000-G8976-C129–06
6.1 Overview
Diagnostic Options in STEP 7
STEP 7 provides you with a graded concept allowing you to query information
about the status of your SIMATIC S7 components and functions and to sort out
problems in a variety of different situations. These options cover the following:
SHardware Diagnostics and Troubleshooting with STEP 7
Hardware diagnostics provides dynamic information on the operating mode of
modules including CPs when the S7 station is online.
You can recognize the existence of diagnostic information for a module by the
diagnostics icon in the project window of the SIMATIC Manager. Diagnostic
icons show the status of the corresponding module and also the operating
mode of CPUs.
Detailed diagnostic information is displayed in the “module information” that you
can open by double-clicking a diagnostic icon in the quick view or the diagnostic
view.
SCommunication Diagnostics with NCM S7 Diagnostics
The NCM S7 Diagnostics described here provides dynamic information on the
operating state of the communication functions of online CPs or modules.
SHW Config Provides Static Information
Static information means the configured communication properties of an online
or offline CP and you can display this at any time using the hardware
configuration shown by HW Config.
What You Should Already Know
You should be familiar with the basic information from Chapter 2 about handling
NCM S7. This means that you know how to connect the Ethernet CP to the PG
and how to control the module using the PG.
Where to Find Further Information
Further information is available from the following sources:
SInformation about the communication services is available in the appropriate
chapters in this manual.
SWhen you are working with the diagnostic tool, the integrated help system
provides you with context-related support.
SYou will find detailed information on working with STEP 7 programs in the Help
on STEP 7, which includes the topic “Diagnosing Hardware”.

NCM S7 Diagnostics
177
SIMATIC NET NCM S7 for Industrial Ethernet
C79000-G8976-C129–06
6.2 Functions of NCM S7 Diagnostics
Functions
The diagnostic functions can be grouped as follows:
SGeneral diagnostic and statistical functions
SType and mode-dependent diagnostic functions
General diagnostic and statistical functions
Regardless of the configured mode of the Ethernet CP, the following diagnostic
functions are possible:
SQuerying the operating mode on Ethernet
SQuerying the event messages recorded on the Ethernet CP (diagnostic buffer)
Mode-Dependent Functions
Depending on the configured mode of the Ethernet CP, the following diagnostic
functions are possible:
SDiagnostics of ISO transport connections
SDiagnostics of ISO-on-TCP connections
SDiagnostics of TCP connections
SDiagnostics of UDP connections;
SDiagnostics of E-mail connections;
SDiagnostics of TCP connections for PROFInet

NCM S7 Diagnostics
178 SIMATIC NET NCM S7 for Industrial Ethernet
C79000-G8976-C129–06
6.2.1 Installing and Starting NCM S7 Diagnostics
Installation
NCM S7 Diagnostics is an integrated component of the NCM S7 for Industrial
Ethernet optional package.
NCM S7 Ethernet Diagnostics is installed along with NCM S7 for Ethernet on your
PG.
There are several ways in which you can start the diagnostic tool:
SFrom the standard Start menu of Win-
dows (program group
SIMATIC"..."NCM).
Use this method if the STEP 7 project
in which the CP was configured is not
available on your PG (for service pur-
poses).
SFrom the Properties dialog of the CP within
your STEP 7 project.
Alternative 1 Alternative 2

NCM S7 Diagnostics
179
SIMATIC NET NCM S7 for Industrial Ethernet
C79000-G8976-C129–06
Structure
In the same way, for example, as the SIMATIC Manager, NCM S7 Diagnostics
appears as a separate two-part application window with a menu and toolbar:
Navigation area with
diagnostic objects
Content area with the
diagnostic result
SIn the navigation area on the left-hand side, you will find the hierarchically
arranged diagnostic objects.
You have an overview of the available diagnostic functions at all times. The
object structure displayed in the navigation area is adapted to the type of CP
you are currently checking and the functions and connections configured for the
CP.
SIn the content area, on the right-hand side, you will see the result of the
diagnostic function you selected in the navigation area.
Operation
SBy selecting a diagnostic object in the navigation area with the mouse, you
execute the diagnostic function.
SUsing the menu bar and toolbar, you control the sequence of the diagnostics
with context-sensitive menu commands.

NCM S7 Diagnostics
180 SIMATIC NET NCM S7 for Industrial Ethernet
C79000-G8976-C129–06
6.2.2 General Menu Commands
Overview
When running diagnostic functions, the following menu commands have general
significance. Depending on the context, other functions may be available; for more
detailed information refer to the online help for NCM Diagnostics.
Table 6-1 Meaning of the Menu Commands
Menu Meaning
Diagnostics"
Open Online Connection...
Diagnostics"
Close Online Connection...
With this menu command, you can establish a connection to a different CP
you want to check without having to quit and restart the diagnostic tool. The
current diagnostic connection is closed.
If you want to use more than one diagnostic connection at the same time,
you can start NCM S7 diagnostics more than once.
Operating Mode"You can control the CP as follows:
Stop a module Stops the CP.
Start a module Starts the CP if the RUN/STOP switch is set to RUN.
Reset module memory With certain CP types, for example the CP 443-5 Basic, you can reset the
CP memory. This function must be confirmed before it is executed.
Following this memory reset, the CP retains the preset MAC address and
the retentive parameters. The CP is therefore immediately ready for
downloads using the IP address.
The retentive parameters include:
SIP address and IP parameters
SA newly set MAC address
SLAN settings
Resetting to factory
settings With some modules, it is possible to reset to the factory settings. The
function corresponds to a memory reset.
When you reset to the factory settings, the retentive parameters are also
deleted. After this, the module retains only the factory-set MAC address (as
shipped).
View"Update Each time you activate this menu command, the displayed diagnostic and
status information is updated once.
View"
Update Cyclically Using this menu command, you activate and deactivate the automatic
(cyclic off) updating of the displayed diagnostic and status information.
You can set the interval between update points with the menu command
Options"Customize.

NCM S7 Diagnostics
181
SIMATIC NET NCM S7 for Industrial Ethernet
C79000-G8976-C129–06
Table 6-1 Meaning of the Menu Commands
Menu Meaning
Options"Customize With this menu command, you set the general parameters for the diagnostic
session.
On Ethernet:
SDialog update time
This sets the interval at which the diagnostic data are updated in a
contents area when cyclic updating is selected.
SShow TSAP in ASCII
You can decide whether the TSAP is shown in ASCII or hexadecimal in
the following tab page dialogs.
Help"You can obtain help about the current diagnostic function As an alternative,
you can also press the F1 key.
Remember that you can also call up context-related help for some of the
diagnostic functions. To obtain help, position the cursor on the output field
and press the F1 key.
Note
If the connection to the CP is terminated during the diagnostic session, the
following message is displayed: “The online connection was terminated”.
You can reestablish the connection to the CP with the corresponding
acknowledgment in the dialog. The connection is then automatically reestablished
whenever possible.

NCM S7 Diagnostics
182 SIMATIC NET NCM S7 for Industrial Ethernet
C79000-G8976-C129–06
6.3 Starting Diagnostics – Establishing a Connection to the
Ethernet CP
Initial Situation
Establish the physical connection between the PG and the SIMATIC S7 Station.
There are two ways of doing this:
SMPI
SIndustrial Ethernet
SIndustrial Ethernet TCP/IP
SPROFIBUS
Starting Diagnostics from the NCM Program Group
If there are no configuration data on your PG/PC, follow the steps outlined below to
start diagnostics with a connected CP:
1. Select the function “NCM Diagnostics” in the NCM S7 program group.
NCM S7 Diagnostics is started with the message “No online connection to the
CP” in the contents area.
2. Select the “Diagnostics"Open Online Connection...” menu command.
3. In the displayed dialog “NCM S7 Diagnostics”, select the interface to match
your hardware configuration.
Depending on the type of network attachment you have, you will be prompted
to specify an address:
Table 6-2 Possible Settings for the Online Paths – without Parameters for Internetworking
Attachment on
Destination Station Node Address Location of the Module
Rack / Slot
MPI MPI address of the CP if this has its
own MPI address.
Otherwise specify the MPI address of
the CPU.
Rack/slot no. of the CP to be
checked.
If you specify the MPI address of the
CP, you can simply use the default
setting “0/0”.
With this setting, the CP whose
address was specified as the node
address is accessed.
PROFIBUS PROFIBUS address of the
PROFIBUS CP via which the S7
station is reached.
Rack/slot no. of the CP to be
checked.

NCM S7 Diagnostics
183
SIMATIC NET NCM S7 for Industrial Ethernet
C79000-G8976-C129–06
Table 6-2 Possible Settings for the Online Paths – without Parameters for Internetworking
Attachment on
Destination Station Location of the Module
Rack / Slot
Node Address
Industrial Ethernet MAC address of the Ethernet CP via
which the S7 station is reached.
Entered in hexadecimal.
Rack/slot no. of the CP to be
checked.
If you specify “0/0”, the CP specified
with the node address is accessed
directly.
Industrial Ethernet
TCP/IP IP address of the Industrial Ethernet
CP via which the S7 station is
reached.
Entered in decimal.
Example:
IP address decimal 142.120.9.134
Rack/slot no. of the CP to be
checked.
If you specify “0/0”, the CP specified
with the node address is accessed
directly.
Internetworking
If the CP you want to check with diagnostic functions can only be reached via a
gateway, you must select the device and specify its node address in the local
network.
You must also specify the S7 subnet ID of the destination network:
The subnet ID consists of two numbers separated by a dash:
– One number for the project
– One number for the subnet
You will find the subnet ID in the object properties of the subnet in the STEP 7
project. The subnet ID is also printed out with the network configuration.
Starting Diagnostics from the Properties Dialog of the CP
If the project data are available on your PG/PC, follow the steps outlined below:
1. Select the S7 station in the project and open the hardware configuration (HW
Config).
2. Select the CP and open the Properties dialog.
3. Select the “Diagnostics” dialog.
4. Select the “Run” button.
Result:
NCM S7 Diagnostics is opened. The path is set automatically to match the current
connection in STEP 7.

NCM S7 Diagnostics
184 SIMATIC NET NCM S7 for Industrial Ethernet
C79000-G8976-C129–06
Other Startup Options
In the Properties dialog of the connections:
1. Select the PLC"Activate Connection Status menu command to activate
online access.
2. Select the “Special Diagnostics” button in the “Status Information” tab.
In the hardware configuration tool HW Config:
1. With the S7 station online, select the PLC"Module Status menu command;
2. Select the “Special Diagnostics” button in the dialog that is opened.
Note
To operate several diagnostic connections at the same time, you can start NCM
S7 Diagnostics more than once.
You can also start NCM S7 Diagnostics twice with an online connection to the
same CP; this can, for example, be useful if you want to monitor the diagnostic
buffer at the same time as running diagnostic functions on a connection.
Requirement: You have an online connection available via the LAN (ISO or
TCP/IP) on the one hand and an online connection via the communication (K) bus
on the other (alternatively via the CPU or via PG channel routing via a further CP).

NCM S7 Diagnostics
185
SIMATIC NET NCM S7 for Industrial Ethernet
C79000-G8976-C129–06
6.4 How to Use Diagnostics
Procedure
To use diagnostics efficiently, particularly when working with the diagnostic tool for
the first time, the following procedure can be recommended.
1. Use the sequence shown below as a basis for using diagnostics:
Begin NCM S7 Diagnostics:
– Establish connection to the CP (Section 6.3
– Make the required settings (See Section 6.2.2))
– Identify the Ethernet CP
Query the current status of the CP
”Operating Mode” tab”
View / evaluate the diagnostic buffer to obtain an overview
and detailed explanation of diagnostic events.
TCP connection
ISO transport connection/
ISO-on-TCP connections
UDP connections
If the CP is in the RUN mode
If necessary, correct configuration or programming.
If the CP is not
in the RUN mode
If anything unusual is displayed for
– connection status
– receive status,
– send status
2. Pinpoint your problem or task, for example based on the checklist in Section 6.6
and select the diagnostic function you require based on the recommendation in
the list.

NCM S7 Diagnostics
186 SIMATIC NET NCM S7 for Industrial Ethernet
C79000-G8976-C129–06
6.5 Call-Specific Diagnostic Functions
The following table shows the diagnostic options that exist in the available
functions.
Table 6-3 General Diagnostic and Statistical Functions
Diagnostic
Functions /
Diagnostic Object
Diagnostic Aims Special Features
CP information The aim is to identify the CP to which
NCM S7 Diagnostics is connected and
to find out the current mode.
Mode Here, the aim is to find out the current
operating mode of the Ethernet CP as a
module in the S7-300/400 and as a node
on Industrial Ethernet and, if necessary,
to modify the mode (menu command
Operating Mode"Stop Module / Start
Module / Reset Memory / Reset to
Factory Settings).
Diagnostic buffer General Error Diagnostics Using
Diagnostic Buffers:
To display and decode event messages
recorded on the CP in detail. The
diagnostic buffer provides you with
detailed information about all the
communication services of the CP.
Event messages are recorded on the CP
in a ring buffer. The ring buffer can
contain up to 50 entries.
In NCM S7, on the other hand, up to 500
messages can be saved!
All the CP functions can generate event
messages. When you call the diagnostic
object, the messages are read out and
displayed. The latest message is
displayed in the top line with the highest
consecutive number.
If you double-click a previously selected
event message, you display a help text
explaining the message in greater detail.
Table 6-4 Mode-Dependent Functions
Diagnostic
Functions /
Diagnostic Object
Diagnostic Aims Special Features
To display and monitor communication connections. You obtain an overview or detailed information in the
contents area depending on the diagnostic object you select.
Connections SOverview of All Connection Types
Used By double-clicking the objects in the
contents area, you can display detailed
information.

NCM S7 Diagnostics
187
SIMATIC NET NCM S7 for Industrial Ethernet
C79000-G8976-C129–06
Table 6-4 Mode-Dependent Functions, continued
Diagnostic
Functions /
Diagnostic Object
Special FeaturesDiagnostic Aims
Connections "
Type SOverview of all the communication
connections of a particular type, for
example all TCP connections;
SInformation on the connection status
Connections "
Type "
Type-connection-n
SDetailed information about the status
of a communication connection.

NCM S7 Diagnostics
188 SIMATIC NET NCM S7 for Industrial Ethernet
C79000-G8976-C129–06
6.6 Checklist for ‘Typical Problems‘ in a System
Meaning
The following lists contain several typical problems and their possible causes and
how you can use the NCM S7 Ethernet Diagnostics tool to remedy the situation.
The checklists deal with the following topics:
1. Checklist for General CP Functions
2. Communication Connections Checklist
Note
In the column “Identifying the Cause and Remedy”, you will see the diagnostic
function recommended for dealing with the problem shown in bold face.

NCM S7 Diagnostics
189
SIMATIC NET NCM S7 for Industrial Ethernet
C79000-G8976-C129–06
6.6.1 Checklist for General CP Functions
Table 6-5 Checklist for Typical Problems When Operating a CP in a System
Problem Possible Cause Identifying the Cause and Remedy
The Ethernet CP will not
change to the RUN mode. Invalid configuration
loaded on the Ethernet
CP.
Yellow STOP LED and red SF LED lit
continuously.
Call up the diagnostic buffer in NCM S7
Ethernet Diagnostics.
Example of an entry
CP STOP due to invalid CP parameter
assignment
What to do:
Correct the configuration of the Ethernet CP.
Switch set to STOP on the
Ethernet CP. Query the operating mode in NCM S7
Diagnostics.
Operating mode: STOP, Cause: switch set to
STOP
What to do:
Change the switch to RUN on the Ethernet CP

NCM S7 Diagnostics
190 SIMATIC NET NCM S7 for Industrial Ethernet
C79000-G8976-C129–06
6.6.2 Communication Connections Checklist
Table 6-6 Checklist for Typical Problems with ISO Transport / ISO-on-TCP / UDP Connections
Problem Possible Cause Identifying the Cause and Remedy
No data transfer on an
ISO transport connection
/
ISO-on-TCP connection
or only in one direction.
AG-SEND and AG-RECV
are not called in the user
program.
or
Receive or send buffer too
small or incorrect.
Check the user program.
Evaluate status bytes in AG-SEND and
AG-RECV.
What to do:
If necessary, configure FC blocks.
If necessary, correct ANY pointer.
The connection is not
established. Evaluate status bytes of the FC blocks or
evaluate diagnostic buffer.
What to do:
Change the address parameters (MAC/IP
address, TSAP).
Data transfer too slow Receiving device too slow Evaluate diagnostic buffer.
Entry: “No receive resources on destination
station XX”.
What to do:
Delay the send trigger or check the destination
station and optimize reception.
The complete data field
is not sent on an ISO
transport /
ISO-on-TCP/UDP
connection.
LEN parameter for
AG-SEND is set to the
wrong value.
What to do:
Set the LEN parameter to the required size.
The complete data field
is not sent on an ISO
transport /
ISO-on-TCP/UDP
connection.
The buffer specified with
the ANY pointer is too
small.
What to do:
Correct the LEN parameter and the ANY pointer.
-

191
SIMATIC NET NCM S7 for Industrial Ethernet
C79000-G8976-C129–06
Firmware Loader
This chapter will familiarize you with the uses and handling of the Firmware
Loader.
The firmware loader allows you to download more recent firmware versions to the
SIMATIC NET modules.
7

Firmware Loader
192 SIMATIC NET NCM S7 for Industrial Ethernet
C79000-G8976-C129–06
7.1 Application
Firmware
Here, firmware means the system programs in the SIMATIC NET modules.
Uses of the Firmware Loader
The firmware loader allows you to download more recent firmware versions to the
SIMATIC NET modules. It is used on the following:
SPROFIBUS modules
SIndustrial Ethernet modules
Installation
The firmware loader is available when you have installed NCM on your PG/PC.
Load Files
The firmware loader supports the following file types:
S<file>.LAD
A file format containing only the system program that can be downloaded to the
module.
S<file>.FWL
A file form that contains information that can be displayed in the dialogs of the
firmware loader in addition to the LAD file form.
For detailed information, read the documentation, for example, the README file
shipped with the load file.
Working with the Firmware Loader
Depending on the module type, the downloading is prepared and executed in three
or four steps.
For more detailed information, refer to the next section and the dialog boxes
themselves.

Firmware Loader
193
SIMATIC NET NCM S7 for Industrial Ethernet
C79000-G8976-C129–06
7.2 Loading Firmware
Starting the Download
Start the program from the Windows standard Start menu using the SIMATIC
"NCM S7 " Firmware Loader menu command.
Select the Next button and follow the instructions displayed in the dialog.
1st Step
Select the firmware to be downloaded using the Browse... button.
The text box for selecting files also displays a list box in which the last ten selected
load files are displayed and can be selected.
With FWL load files, the comment box may also contain additional information
about the file.
!Caution
Make sure that the load file you are using is intended as an update for the version
of the firmware contained on your module. If you are in any doubt, contact your
local Siemens advisor.

Firmware Loader
194 SIMATIC NET NCM S7 for Industrial Ethernet
C79000-G8976-C129–06
2nd Step
Select the interface via which you want to download the firmware.
The interface type (PROFIBUS or Industrial Ethernet) is already decided by the
load file you selected.
SFor a PROFIBUS module:
There are no further settings in this dialog; go to the next step.
SFor an Industrial Ethernet module:
Select or specify the MAC address of the Ethernet module and go to the next
step.
Note
The following applies to an Industrial Ethernet module:
If a download to the module was previously aborted, you must click the
Emergency Address button. In this case, it is assumed that module memory has
been reset and it is now only accessible using the emergency address.
With newer modules, a fixed MAC address assigned to the module is used
instead of an emergency address. Please refer to the information in the relevant
manual /1/ on the topic of “Downloading New Firmware”.
3rd Step
Check the configuration.
You can check and adjust settings for the PG/PC interface using the Modify...
button.
Set the PG/PC interface according to the CPs available on your PG (“Device
Parameter Assignments” list box) and according to the bus attachment
(“Properties” list box).
For more detailed information, refer to the integrated help system.
Continue to follow the instructions in the dialog to establish the connection to the
Ethernet CP.

Firmware Loader
195
SIMATIC NET NCM S7 for Industrial Ethernet
C79000-G8976-C129–06
!Caution
Remember that interrupting the download can lead to an inconsistent state on the
module!
With Industrial Ethernet, please note the instruction in the second step for
displaying the emergency address.
Using the Modify... button, you can set the PG/PC interface back to its original
values.
For more detailed information, refer to the integrated help system.

Firmware Loader
196 SIMATIC NET NCM S7 for Industrial Ethernet
C79000-G8976-C129–06
-

197
SIMATIC NET NCM S7 for Industrial Ethernet
C79000-G8976-C129–06
References
/1/
Product information bulletin / manual SIMATIC NET CP
Supplied with the specific CP
Siemens AG
/2/
NCM S7 for PROFIBUS Primer
Part
– of the documentation package NCM S7 for PROFIBUS
– of the online documentation in the STEP 7 optional package NCM S7 for
PROFIBUS
SIEMENS AG
/3/
NCM S7 for Industrial Ethernet Manual
Part
– of the documentation package NCM S7 for Industrial Ethernet
– of the online documentation in the STEP 7 optional package NCM S7 for
Industrial Ethernet
SIEMENS AG
/4/
SIMATIC NET, manual
Commissioning PC Stations
Part
– of the documentation package NCM S7 for Industrial Ethernet
– of the online documentation in the STEP 7 optional package NCM S7 for
Industrial Ethernet
Siemens AG
A

References
198 SIMATIC NET NCM S7 for Industrial Ethernet
C79000-G8976-C129–06
/5/
SIMATIC NET IT–CP, manual
Part
– of the documentation package NCM S7 for Industrial Ethernet
– of the online documentation in the STEP 7 optional package NCM S7 for
Industrial Ethernet
Siemens AG
/6/
SIMATIC STEP 7 Configuring Hardware with STEP 7
Part of the standard STEP 7 Documentation Package
Part of the online documentation in STEP 7
SIEMENS AG
/7/
SIMATIC Communication with SIMATIC
Manual
SIEMENS AG
/8/
SIMATIC STEP 7 Programming with STEP 7
Part of the standard STEP 7 Documentation Package
Part of the online documentation in STEP 7
SIEMENS AG
/9/
SIMATIC STEP 7 Reference Manual Documentation Package
SIEMENS AG
/10/
SIMATIC NET Industrial Twisted Pair Networks
SIEMENS AG
/11/
Ethernet, IEEE 802.3
(ISO 8802-3)

References
199
SIMATIC NET NCM S7 for Industrial Ethernet
C79000-G8976-C129–06
/12/
SINEC CP 1413
Manuals for MS-DOS, Windows
SIEMENS AG
/13/
SIMATIC S7
S7-300 Programmable Controller
Hardware and Installation
Manual
SIEMENS AG
/14/
SIMATIC NET Manual for Triaxial Networks
SIEMENS AG
/15/
SIMATIC NET Ethernet Manual
SIEMENS AG
/16/
Lokale Netze –
Kommunikationsplattform der 90er Jahre
Andreas Zenk
Addison–Wesley
ISBN 3-89319-567-X
/17/
TCP/IP
Internet-Protokolle im professionellen Einsatz
Mathias Hein
International Thomson Publishing
ISBN 3-8266-400-4
ITP Online-Center: http://www.ora.de
/18/
RFC1006 (Request For Comment)

References
200 SIMATIC NET NCM S7 for Industrial Ethernet
C79000-G8976-C129–06
/19/
RFC793 (TCP)
/20/
RFC791 (IP)
/21/
Berger, Hans
Automation with STEP 7
SIMATIC S7-300/400 Programmable Logic Controllers
For configuring PROFInet components and systems:
Basic help in the SIMATIC iMap engineering tool
For configuring PROFInet components and systems:
Component based Automation – Configuring Systems with SIMATIC
iMap
Manual
Order Numbers
The order numbers for the SIEMENS documentation listed above can be found in
the catalogs “SIMATIC NET Industrial Communication, Catalog IK PI” and
“SIMATIC Programmable Controllers SIMATIC S7 / M7 / C7”.
You can obtain these catalogs and any further information you require from your
local SIEMENS office or national head office.
Some of the documents listed here are also on the Manual Collection CD supplied
with every S7–CP.
/22/
/23/

201
SIMATIC NET NCM S7 for Industrial Ethernet
C79000-G8976-C129–06
Glossary
B.1 General Section 202. . . . . . . . . . . . . . . . . . . . . . . . . . . . . . . . . . . . . . . . . . . . . . . . .
B.2 Industrial Ethernet 206. . . . . . . . . . . . . . . . . . . . . . . . . . . . . . . . . . . . . . . . . . . . . . .
B.3 PROFInet 208. . . . . . . . . . . . . . . . . . . . . . . . . . . . . . . . . . . . . . . . . . . . . . . . . . . . . .
B

Glossary
202 SIMATIC NET NCM S7 for Industrial Ethernet
C79000-G8976-C129–06
B.1 General Section
Baud rate –> transmission rate
Broadcast A broadcast is like ”calling all stations”: Using one broadcast frame, you can re-
ach all nodes that are prepared to accept broadcast frames.
Bus segment
Part of a –> subnet. Subnets can consist of bus segments and connectivity devi-
ces such as repeaters and bridges. Segments are transparent for addressing.
Client A client is a device or, in general terms, an object that requests a service from a
–> server.
Configuration data
Parameters that determine the modes and functions of a–> CP. They are set and
downloaded using the NCM S7 configuration tool.
CP Communications Processor. Module for communications tasks.
CSMA/CD CSMA/CD (Carrier Sense Multiple Access with Collision Detection)
Frame A message from one PROFIBUS/Ethernet station/node to another.
Frame header
A frame header consists of an identifier for the –> frame and the source and de-
stination address.
Frame Trailer
A frame trailer consists of a checksum and the end identifier of the –> frame.

Glossary
203
SIMATIC NET NCM S7 for Industrial Ethernet
C79000-G8976-C129–06
Functions (FCs)
STEP 7 code blocks of the type ”function”.
Gateway Intelligent connectivity device that connects local area–> networks of different
types at the ISO Layer 7 level.
Industrial Ethernet
A LAN system complying with IEEE 802.3 (ISO 8802–2)
Multicast A multicast is like ”calling all group stations”: Using one multicast frame, you can
reach all the nodes that belong to the multicast group and that are prepared to
receive frames.
NCM S7 for Industrial Ethernet
Configuration software for configuration and diagnostic functions on an Ethernet
CP.
NCM S7 for PROFIBUS
Configuration software for configuration and diagnostic functions on a
PROFIBUS CP.
Network A network consists of one or more interconnected –> subnets with any number
of –> nodes. Several networks can exist side by side.
PG operation
A mode of the PROFIBUS/Ethernet CP in which the SIMATIC S7-CPU is pro-
grammed, configured or diagnosed over PROFIBUS/Ethernet. This mode is
handled by the S7 functions.
Process image
The process image is a special memory area in the programmable logic control-
ler. At the start of the cyclic program, the signal states of the input modules are
transferred to the process input image. At the end of the cyclic program, the pro-
cess output image is transferred as a signal state to the output modules.

Glossary
204 SIMATIC NET NCM S7 for Industrial Ethernet
C79000-G8976-C129–06
PROFInet Standard of the PROFIBUS Users organization defining a heterogeneous com-
munications and engineering model.
Protocol A set of rules for transferring data. Using these rules, both the formats of the fra-
mes and the data flow are specified.
Segment Synonym for –> Bus segment.
Server A server is a device, or in general terms, an object that provides certain services.
A service is started at the instigation of a –> client.
Services Services provided by a communication protocol.
SIMATIC NET
Siemens SIMATIC Network and Communication. Product name for –> networks
and network components from Siemens. (previously SINEC)
SIMATIC NET Ind. Ethernet
SIMATIC NET LAN system for industrial applications based on Ethernet.
(previously SINEC H1)
SINEC Previous product name for–> networks and network components from Siemens.
Now: SIMATIC NET
Station
A station is identified by a
SMAC address in the Ethernet network
SPROFIBUS address in the PROFIBUS network

Glossary
205
SIMATIC NET NCM S7 for Industrial Ethernet
C79000-G8976-C129–06
Subnet
A subnet is part of a –> network whose parameters (for example –> PROFIBUS)
must be matched. The subnet includes bus components and all the attached
stations. Subnets can, for example, be connected together by –> gateways to
form a network.
A –> system consists of several subnets with unique –> subnet numbers. A
subnet consists of several –> stations with unique –> PROFIBUS or MAC
addresses (Industrial Ethernet).
System This means all the electrical equipment within a system. A system includes,
among other things, programmable logic controllers, devices for operation and
monitoring, bus systems, field devices, actuators, supply lines.
Transmission rate
According to DIN 44302, this is the number of binary decisions transmitted per
time unit. The unit is bps. he set or selected transmission rate depends on va-
rious conditions, for example the distance across the network.
Transport layer
The transport layer is layer 4 of the ISO/OSI reference model for open system
interconnection. The purpose of the transport layer is to transfer data reliably
from device to device. Transport connections can be used for the transmission.
Transport interface
The transport interface of a SIMATIC S5 PLC is the access to the connection-
oriented services of the transport layer on the CP. The transport interface pre-
sents itself to the control program in the form of handling blocks (HDBs).
TSAP Transport Service Access Point
Watchdog Mechanism for monitoring operability.

Glossary
206 SIMATIC NET NCM S7 for Industrial Ethernet
C79000-G8976-C129–06
B.2 Industrial Ethernet
Base address
Logical address of a module in S7 systems.
SFor PROFIBUS
The PROFIBUS base address is the address starting at which all addresses
that are calculated automatically in the project are assigned.
SFor Industrial Ethernet
The base MAC address is the address starting at which all addresses that are
calculated automatically in the project are assigned.
Ind. Ethernet station
A station is identified by a –> MAC address in –> Industrial Ethernet.
ISO–on–TCP
Transport layer connection (layer 4 communication complying with ISO)
simulated on TCP.
On an ISO-on-TCP connection, messages can be exchanged in both directions.
TCP provides the data flow communication without segmenting the data into
messages. ISO, on the other hand, is message-oriented. With ISO-on-TCP, this
mechanism is simulated on TCP. This is described in RFC1006 (Request For
Comment).
ISO-on-TCP connections allow program/event-controlled communication via
Ethernet from a SIMATIC S7 PLC to
SSIMATIC S7 PLC with Ethernet CP
SSIMATIC S5 PLC with Ethernet CP
SPC/PG with Ethernet CP
Sany system

Glossary
207
SIMATIC NET NCM S7 for Industrial Ethernet
C79000-G8976-C129–06
ISO Transport Connection
see ISO–on–TCP
Communication connection of the transport layer (with the CP/COM 143
previously S5S5 connection).
ISO transport connections allow program/event-controlled communication on
Industrial Ethernet between SIMATIC S7 PLCs and
SSIMATIC S7 PLC with Ethernet CP
SSIMATIC S5 with an Ethernet CP (e.g. CP 143 or CP 1430)
SPC/PG with Ethernet CP (for example CP 1413)
SAny system using the ISO transport protocol (ISO 8073)
The transfer of blocks of data on an ISO transport connection is bi-directional.
MAC address
Address to distinguish between different stations connected to a common trans-
mission medium (Industrial Ethernet).
Media Access Control (MAC)
Mechanisms for controlling access by a station to a common transmission me-
dium shared with other stations.
RFC1006 see ISO–on–TCP
S5S5 connection
see ISO transport connection
Subnet mask
The subnet mask specifies which parts of an IP address are assigned to the net-
work number (see ISO-on-TCP). The bits in the IP address whose corresponding
bits in the subnet mask have the value 1 are assigned to the network number.
Subnet number
A –> system consists of several –> subnets with unique subnet numbers.

Glossary
208 SIMATIC NET NCM S7 for Industrial Ethernet
C79000-G8976-C129–06
TCP/IP TCP = Transport Connection Protocol; IP = Internet Protocol
UDP User Datagram Protocol. User Datagram Protocol: datagram service for simple
internetwork transmission without acknowledgment.
B.3 PROFInet
Component based Automation
Concept for implementing modular, distributed automation applications on the
basis of open standards and data communication.
Component based Automation is an expansion of Totally Integrated Automation
(TIA).
Device In Component based Automation: part of the PROFInet component that contains
the hardware–specific data of the PROFInet component. In SIMATIC iMap, a
device is the software representation of the physical device for which the
PROFInet component was created. It is displayed in the network view of
SIMATIC iMap as an object with one or more bus attachments. The following
distinction is made according to the communication functionality: –> PROFInet
devices and –> PROFIBUS devices.
Interconnection
General: Logical data connection between two objects. In SIMATIC iMap:
Connection between two technological functions. An output is interconnected
with an input of the same type. Interconnections are represented in SIMATIC
iMap by lines.
Network view
View of the devices and the networks (Ethernet, PROFIBUS) in SIMATIC iMap.
Plant view View of the technological functions of the automation system and its
interconnections in SIMATIC iMap. One chart is displayed in the plant view.

Glossary
209
SIMATIC NET NCM S7 for Industrial Ethernet
C79000-G8976-C129–06
PROFIBUS device
In Component based Automation: A PROFIBUS device has only one PROFIBUS
attachment as a slave. It does not take part directly in PROFInet communication
but is linked using a proxy PROFInet device.
PROFInet Standard of the PROFIBUS Users organization defining a heterogeneous
communications and engineering model.
PROFInet device
A device on Ethernet is a PROFInet device. A PROFInet device can also have a
PROFIBUS attachment as master and proxy PROFInet device for PROFIBUS
devices.
PROFInet device, proxy
A PROFInet device that has the role of the master for PROFIBUS devices. This
allows PROFIBUS slaves to be included in PROFInet communication.
PROFInet component
Software representation of a technological module with defined functionality. An
automation system is made up of several PROFInet components.
A PROFInet component always includes a technological function and the
corresponding device.
SIMATIC IMap
Engineering tool from Siemens for Component based Automation. Allows the
configuration, commissioning, and monitoring of modular, distributed automation
systems based on the PROFInet standard.
SIMATIC iMap – STEP 7 AddOn
Software for the SIMATIC iMap interface to STEP 7.
-

Glossary
210 SIMATIC NET NCM S7 for Industrial Ethernet
C79000-G8976-C129–06

211
SIMATIC NET NCM S7 for Industrial Ethernet
C79000-G8976-C129–06
Linking to Other Systems with
FETCH/WRITE
The FETCH and WRITE modes supported on ISO transport connections, TCP,
and ISO-on-TCP connections can be used with any other device to access the S7
system memory areas.
To be able to use this type of access, for example for PC applications, you need to
know the PDU structure of the jobs. The required S7 or S5 header for request and
response frames are 16 bytes long and their structure is described in this chapter.
C

Linking to Other Systems with FETCH/WRITE
212 SIMATIC NET NCM S7 for Industrial Ethernet
C79000-G8976-C129–06
a) Structure of WRITE Frames
The meaning and values of parameters shown without values in the following table
can be found in the section “Parameter Values“.
WRITE request frame WRITE acknowledgment frame
0System ID =”S” 0 System ID =”S”
1 =”5” 1 =”5”
2Length of header =16d. 2 Length of header =16d.
3ID OP code =01 3 ID OP code =01
4Length OP code =03 4 Length OP code =03
5OP code =03 5 OP code =04
6ORG field =03 6 Ack field =0Fh
7Length ORG field =08 7 Length ack field =03
8ORG ID 8Error field =No
9DBNR 9Empty field =FFh
AStart address High Byte ALength empty field =07
BLow Byte B
CLength High Byte C
DLow Byte D free
EEmpty field =FFh. E
FLength empty field =02 F
Data up to 64 K

Linking to Other Systems with FETCH/WRITE
213
SIMATIC NET NCM S7 for Industrial Ethernet
C79000-G8976-C129–06
a) Structure of FETCH Frames
The meaning and values of parameters shown without values in the following table
can be found in the section “Parameter Values“.
FETCH request frame FETCH response frame
0System ID =”S” 0 System ID =”S”
1 =”5” 1 =”5”
2Length of header =16d. 2 Length of header =16d.
3ID OP code =01 3 ID OP code =01
4Length OP code =03 4 Length OP code =03
5OP code =05 5 OP code =06
6ORG field =03 6 Ack field =0Fh
7Length ORG field =08 7 Length ack field =03
8ORG ID 8Error field =No
9DBNR 9Empty field =FFh
AStart address High Byte ALength empty field =07
BLow Byte B
CLength High Byte C
DLow Byte D free
EEmpty field =FFh. E
FLength empty field =02 F
Data up to 64 K but
only if Error no. =0

Linking to Other Systems with FETCH/WRITE
214 SIMATIC NET NCM S7 for Industrial Ethernet
C79000-G8976-C129–06
Parameter Values
S7 Address Area DB MI Q
ORG ID 01H02H03H04H
Source/dest.
data from/to
data block in
main memory
Source/dest.
data from/to
flag area
Source/dest.
data from/to
process
image of the
inputs (PII)
Source/dest.
data from/to
process
image of the
outputs (PIQ)
DBNR DB, from
which the
source data
are taken or
to which the
dest data are
transferred
irrelevant irrelevant irrelevant
permitted range 1...255
Start address DW number,
from which
the data are
taken or
written to
Flag byte no.,
from which
the data are
taken or
written to
Input byte no.,
from which
the data are
taken or
written to
Output byte
no., from
which the
data are
taken or
written to
permitted range 0...2047 0...255 0...127 0...127
Length Length of the
source/dest.
data field in
words
Length of the
source/dest.
data field in
bytes
Length of the
source/dest.
data field in
bytes
Length of the
source/dest.
data field in
bytes
permitted range 1...2048 1...256 1...128 1...128

Linking to Other Systems with FETCH/WRITE
215
SIMATIC NET NCM S7 for Industrial Ethernet
C79000-G8976-C129–06
S7
Address Area
PI/PQ C T
ORG ID 05H06H07H
Source/dest.
data from/to in
I/O modules.
With source
data input
modules, with
dest data
output modules
Source/dest
data from/to
counter cells
Source/dest
data from/to
timer cells
DBNR irrelevant irrelevant irrelevant
Start address I/O byte no.,
from which the
data are taken
or written to
Number of the
counter cell
from which the
data are taken
or written to
Number of the
timer cell from
which the data
are taken or
written to
permitted range 0...127
digital I/Os
128...255
analog I/Os
0...255 0...255
Length Length of the
source/dest.
data field in
bytes
Length of the
source/dest.
data field in
words (counter
cell = 1 word)
Length of the
source/dest.
data field in
words (counter
cell = 1 word)
permitted range 1...256 1 1

Linking to Other Systems with FETCH/WRITE
216 SIMATIC NET NCM S7 for Industrial Ethernet
C79000-G8976-C129–06
-

221
SIMATIC NET NCM S7 for Industrial Ethernet
C79000-G8976-C129–06
Document History
This section provides an overview of the previous releases of this manual and the
functional expansions in STEP 7 and NCM S7.
New in Release 05 / STEP 7 V5.1 SP3
SConfiguring multicast and broadcast on UDP connections.
See Chapter 4.
SThe blocks AG_SEND and AG_RECV can now be used for “long data packets”
with an S7–300. See Chapter 5.
SThe S7 CPs for Ind. Ethernet are now supplied with a default MAC address
allowing configuration data to be downloaded over Ethernet without a ”node
initialization”.
New in Release 04 / up to STEP 7 V5.1 SP2
SThe FETCH/WRITE mode is now supported on TCP connections. See
Chapter 4.
SThe FETCH/WRITE mode can be coordinated in the user program by the new
FCs AG_LOCK and AG_UNLOCK. See Chapter 5.
SNCM Diagnostics has a completely revised user interface. See Chapter 6
The description of NCM S7 Diagnostics has been restructured. While this
manual provides you with an overview and checklists, the online help provides
you with detailed information on the diagnostic events.
D

Document History
222 SIMATIC NET NCM S7 for Industrial Ethernet
C79000-G8976-C129–06

Index-223
SIMATIC NET NCM S7 for Industrial Ethernet
C79000-G8976-C129–06
A
Access coordination, 167
Address parameters
broadcast, 136, 137
unspecified ISO-on-TCP connection, 115
unspecified TCP connection, 124
unspecified UDP connection, 133
AS-interface, 14
B
Broadcast, with UDP, 134
C
Communication options, 15
Communication services, configuring, 63
Configuration data, download to target system,
69
Connection, properties, 87
Connection configuration, 85
CP address, 142
CP configuration data, saving, 70
Creating a subnet, 46
CSMA/CD, 14
D
Diagnostics, 59
Displaying network attachments, 52
Downloading, 69
Dynamic properties, 105
E
Ethernet, overview, 14
Ethernet CP
further CP properties, 54
time, 55
installing and starting, 43
procedure, 45
F
FCs
block number, 142
general notes, 142
FCs for access coordination with
FETCH/WRITE, 167
FETCH/WRITE services
configuration for ISO-on-TCP, 116
configuration for ISO transport, 107
configuration for TCP, 125
overview, 30
Firmware Loader, 191
application, 192
loading firmware, 193
Functions
AG-RECV, 74, 75
AG-SEND, 74, 75
Functions (FC), typical sequence, 76
Functions (FCs)
AG_LOCK, 169
AG_LOCK / AG_UNLOCK, 167
AG_RECV / AG_LRECV, 161
AG_SEND / AG_LSEND, 152
AG_UNLOCK, 171
for configured connections, 148
Further functions, 96
H
Hardware configuration, Ethernet CP, 49
I
Industrial Ethernet, overview, 14
Industrial Ethernet; user interface to, 23
ISO transport connection, 99
amount of data and number of connections,
87
checking, 109
connection without assignment, 97
dynamic properties, 105
printing configured connections, 96
properties dialog, 99
addresses, 103
dynamics, 105
general, 100
overview, 109
save connection, 96
unspecified connection, 104
ISO–on–TCP connection, specifying the
connection partner, 111

Index-224 SIMATIC NET NCM S7 for Industrial Ethernet
C79000-G8976-C129–06
ISO-on-TCP connection
addresses, 113
checking, 118
properties, 110
J
Job header, 150
M
MAC address, 70
Multicast, with UDP, 134, 137
Multiproject, 31, 36
configuring connections, 86, 93
N
NCM S7
general information, 44
installation, 44
NCM S7 Diagnostics, 175
NCM S7 diagnostics, overview, 176
Network access, 14
New connection, 90
O
Operator interface devices, 22, 23
Other station, 31, 93
configuring, 60
connecting a subnet, 61
P
PG communication
in configured mode, 21
in PG operation, 21
with STEP 7 on PROFIBUS, 21
PG operation, with STEP 7 via Ethernet, 19
PG/PC interface, 23
PROFIBUS, 14
PROFIBUS; user interface to, 23
PROFInet communication, 15, 16
Project variant
1 subnet – 1 project, 33
1 subnet – more than 1 project, 36
2 or more subnets – 1 project, 35
several subnets – several projects, 39
several subnets several projects, 41
SIMATIC S5 and non-SIMATIC devices, 34
R
Routing, 140
S
S7 communication on Ethernet, 15, 23
S7 communication relay, 15, 23
S7 functions, 15
SEND/RECEIVE interface, 15
CPU cycle, 78
data exchange, 74
overview, 27
user program, 75
SIMATIC NET, 14
System memory, access using
FETCH/WRITE, 108, 117, 126
T
TCP Connection, checking properties, 127
TCP connection, 119
addresses, 122
specifying the connection partner, 120
Type of communication, 15
U
UDP
addresses, 131
checking, 138
configuring, 128
UDP connection, specifying the connection
partner, 129
Unspecified connection, 94

A&D Technical Support
A&D Technical Support
Worldwide, available 24 hours a day:
Beijing
Nuernberg
Johnson City
Worldwide (Nuernberg)
Technical Support
24 hours a day, 365 days a year
Phone: +49 (0) 180 5050-222
Fax: +49 (0) 180 5050-223
E-Mail: adsupport@
siemens.com
GMT: +1:00
Europe / Africa (Nuernberg)
Authorization
Local time: Mon.-Fri. 8:00 to 17:00
Phone: +49 (0) 180 5050-222
Fax: +49 (0) 180 5050-223
E-Mail: adsupport@
siemens.com
GMT: +1:00
United States (Johnson City)
Technical Support and
Authorization
Local time: Mon.-Fri. 8:00 to 17:00
Phone: +1 (0) 770 740 3505
Fax: +1 (0) 770 740 3699
E-Mail: isd-callcenter@
sea.siemens.com
GMT: -5:00
Asia / Australia (Beijing)
Technical Support and
Authorization
Local time: Mon.-Fri. 8:30 to 17:30
Phone: +86 10 64 75 75 75
Fax: +86 10 64 74 74 74
E-Mail: adsupport.asia@
siemens.com
GMT: +8:00
The languages of the SIMATIC Hotlines and the authorization hotline are generally German and English.

A&D Technical Support
A&D Technical Support
Service & Support on the Internet
In addition to our documentation, we offer our Know-how online on the internet at:
http://www.siemens.com/automation/service&support
where you will find the following:
• The newsletter, which constantly provides you with up-to-date information on
your products.
• The right documents via our Search function in Service & Support.
• A forum, where users and experts from all over the world exchange their
experiences.
• Your local representative for Automation & Drives via our representatives
database.
• Information on field service, repairs, spare parts and more under "Services".