Sierra Wireless ULC HL8549 Module User Manual HL8549 G
Sierra Wireless Inc. Module HL8549 G
HL8549-G User manual

4115653
3.0
July 31, 2014
AirPrime HL8549 and HL8549-G
Product Technical Specification

4115653 Rev 3.0 July 31, 2014 2
Product Technical Specification
Important Notice
Due to the nature of wireless communications, transmission and reception of data can never be
guaranteed. Data may be delayed, corrupted (i.e., have errors) or be totally lost. Although significant
delays or losses of data are rare when wireless devices such as the Sierra Wireless modem are used
in a normal manner with a well-constructed network, the Sierra Wireless modem should not be used
in situations where failure to transmit or receive data could result in damage of any kind to the user or
any other party, including but not limited to personal injury, death, or loss of property. Sierra Wireless
accepts no responsibility for damages of any kind resulting from delays or errors in data transmitted or
received using the Sierra Wireless modem, or for failure of the Sierra Wireless modem to transmit or
receive such data.
Safety and Hazards
Do not operate the Sierra Wireless modem in areas where cellular modems are not advised without
proper device certifications. These areas include environments where cellular radio can interfere such
as explosive atmospheres, medical equipment, or any other equipment which may be susceptible to
any form of radio interference. The Sierra Wireless modem can transmit signals that could interfere
with this equipment. Do not operate the Sierra Wireless modem in any aircraft, whether the aircraft is
on the ground or in flight. In aircraft, the Sierra Wireless modem MUST BE POWERED OFF. When
operating, the Sierra Wireless modem can transmit signals that could interfere with various onboard
systems.
Note: Some airlines may permit the use of cellular phones while the aircraft is on the ground and the door
is open. Sierra Wireless modems may be used at this time.
The driver or operator of any vehicle should not operate the Sierra Wireless modem while in control of
a vehicle. Doing so will detract from the driver or operator’s control and operation of that vehicle. In
some states and provinces, operating such communications devices while in control of a vehicle is an
offence.
Limitations of Liability
This manual is provided “as is”. Sierra Wireless makes no warranties of any kind, either expressed or
implied, including any implied warranties of merchantability, fitness for a particular purpose, or
noninfringement. The recipient of the manual shall endorse all risks arising from its use.
The information in this manual is subject to change without notice and does not represent a
commitment on the part of Sierra Wireless. SIERRA WIRELESS AND ITS AFFILIATES
SPECIFICALLY DISCLAIM LIABILITY FOR ANY AND ALL DIRECT, INDIRECT, SPECIAL,
GENERAL, INCIDENTAL, CONSEQUENTIAL, PUNITIVE OR EXEMPLARY DAMAGES INCLUDING,
BUT NOT LIMITED TO, LOSS OF PROFITS OR REVENUE OR ANTICIPATED PROFITS OR
REVENUE ARISING OUT OF THE USE OR INABILITY TO USE ANY SIERRA WIRELESS
PRODUCT, EVEN IF SIERRA WIRELESS AND/OR ITS AFFILIATES HAS BEEN ADVISED OF THE
POSSIBILITY OF SUCH DAMAGES OR THEY ARE FORESEEABLE OR FOR CLAIMS BY ANY
THIRD PARTY.
Notwithstanding the foregoing, in no event shall Sierra Wireless and/or its affiliates aggregate liability
arising under or in connection with the Sierra Wireless product, regardless of the number of events,
occurrences, or claims giving rise to liability, be in excess of the price paid by the purchaser for the
Sierra Wireless product.
Customer understands that Sierra Wireless is not providing cellular or GPS (including A-GPS)
services. These services are provided by a third party and should be purchased directly by the
Customer.

4115653 Rev 3.0 July 31, 2014 3
Product Technical Specification
SPECIFIC DISCLAIMERS OF LIABILITY: CUSTOMER RECOGNIZES AND ACKNOWLEDGES
SIERRA WIRELESS IS NOT RESPONSIBLE FOR AND SHALL NOT BE HELD LIABLE FOR ANY
DEFECT OR DEFICIENCY OF ANY KIND OF CELLULAR OR GPS (INCLUDING A-GPS)
SERVICES.
Patents
This product may contain technology developed by or for Sierra Wireless Inc.
This product includes technology licensed from QUALCOMM®.
This product is manufactured or sold by Sierra Wireless Inc. or its affiliates under one or more patents
licensed from InterDigital Group and MMP Portfolio Licensing.
Copyright
© 2014 Sierra Wireless. All rights reserved.
Trademarks
Sierra Wireless®, AirPrime®, AirLink®, AirVantage®, WISMO® and the Sierra Wireless and Open AT
logos are registered trademarks of Sierra Wireless, Inc. or one of its subsidiaries.
Watcher® is a registered trademark of NETGEAR, Inc., used under license.
Windows® and Windows Vista® are registered trademarks of Microsoft Corporation.
Macintosh® and Mac OS X® are registered trademarks of Apple Inc., registered in the U.S. and other
countries.
QUALCOMM® is a registered trademark of QUALCOMM Incorporated. Used under license.
Other trademarks are the property of their respective owners.
Contact Information
Sales Desk:
Phone:
1-604-232-1488
Hours:
8:00 AM to 5:00 PM Pacific Time
Contact:
http://www.sierrawireless.com/sales
Post:
Sierra Wireless
13811 Wireless Way
Richmond, BC
Canada V6V 3A4
Technical Support:
support@sierrawireless.com
RMA Support:
repairs@sierrawireless.com
Fax:
1-604-231-1109
Web:
http://www.sierrawireless.com/
Consult our website for up-to-date product descriptions, documentation, application notes, firmware
upgrades, troubleshooting tips, and press releases: www.sierrawireless.com

4115653 Rev 3.0 July 31, 2014 4
Product Technical Specification
Document History
Version
Date
Updates
1.0
April 23, 2014
Creation
1.1
April 25, 2014
Updated:
1.3 General Features
1.9.2 Regulatory
Deleted 7.4 IC Regulations
2.0
July 08, 2014
Updated:
Table 1 Supported Bands/Connectivity
Table 2 AirPrime HL8549 and HL8549-G Features
Table 6 Regulation Compliance
Table 7 Pad Definition
Table 9 Current Consumption (at nominal voltage, 3.7V)
Table 11 VGPIO Electrical Characteristics
Table 16 GPIO Pin Description
3.10 POWER ON Signal (PWR_ON)
Table 20 ADC Electrical Characteristics
Table 21 PWM Electrical Characteristics
3.15 PCM
Table 27 SW Trace Pin Description
3.19 PPS (HL8549-G Only)
Table 31 RF Performance
5.1 Power-Up Sequence
5.2 Module Switch-Off
7 FCC Legal Information
Added:
Band 19 support
Table 10 Current Consumption per Power Supply (VBATT_PA and
VBATT)
5.3 Emergency Power OFF
5.5 Power Supply Design
3.0
July 31, 2014
Updated:
1.1 Common Flexible Form Factor (CF3)
Table 3 GNSS Capabilities
3.22 GNSS Interface
Table 37 Ordering Information

4115653 Rev 3.0 July 31, 2014 5
Contents
1. INTRODUCTION .................................................................................................. 9
1.1. Common Flexible Form Factor (CF3) ................................................................................ 9
1.2. Physical Dimensions ....................................................................................................... 10
1.3. General Features ............................................................................................................. 10
1.4. GNSS Features ............................................................................................................... 13
1.5. Architecture ..................................................................................................................... 13
1.6. Interfaces ......................................................................................................................... 14
1.7. Connection Interface ....................................................................................................... 14
1.8. ESD ................................................................................................................................. 15
1.9. Environmental & Certifications ........................................................................................ 15
1.9.1. Environmental Specifications ................................................................................... 15
1.9.2. Regulatory ................................................................................................................ 16
1.9.3. RoHS Directive Compliant ....................................................................................... 17
1.9.4. Disposing of the Product .......................................................................................... 17
1.9.5. References ............................................................................................................... 17
2. PAD DEFINITION ............................................................................................... 18
2.1. Pin Configuration (Top View, Through Module) .............................................................. 22
3. DETAILED INTERFACE SPECIFICATIONS ..................................................... 23
3.1. Power Supply .................................................................................................................. 23
3.2. Current Consumption ...................................................................................................... 23
3.3. VGPIO ............................................................................................................................. 25
3.4. BAT_RTC ........................................................................................................................ 25
3.5. SIM Interface ................................................................................................................... 25
3.5.1. UIM1_DET................................................................................................................ 26
3.6. USB ................................................................................................................................. 26
3.7. Electrical Information for Digital I/O ................................................................................. 26
3.8. General Purpose Input/Output (GPIO) ............................................................................ 27
3.9. Main Serial Link (UART1) ................................................................................................ 28
3.10. POWER ON Signal (PWR_ON) ...................................................................................... 28
3.11. Reset Signal (RESET) ..................................................................................................... 29
3.12. ADC ................................................................................................................................. 30
3.13. PWM ................................................................................................................................ 30
3.13.1. Electrical Characteristics .......................................................................................... 30
3.13.2. Pin Description ......................................................................................................... 31
3.13.3. Application ................................................................................................................ 31
3.14. Clock Interface ................................................................................................................. 31
3.15. PCM ................................................................................................................................. 32

4115653 Rev 3.0 July 31, 2014 6
Product Technical Specification
3.16. I2C Interface ..................................................................................................................... 33
3.17. HSIC ................................................................................................................................ 33
3.18. Debug Interfaces ............................................................................................................. 34
3.18.1. Debug Port ............................................................................................................... 34
3.18.2. JTAG ........................................................................................................................ 34
3.19. PPS (HL8549-G Only) ..................................................................................................... 35
3.20. EXT_LNA_GPS_EN (HL8549-G only) ............................................................................ 35
3.21. RF Interface ..................................................................................................................... 35
3.21.1. RF Connection ......................................................................................................... 35
3.21.2. RF Performances ..................................................................................................... 36
3.21.3. TX Burst Indicator (2G_TX_ON) .............................................................................. 36
3.22. GNSS Interface ............................................................................................................... 37
3.22.1. GNSS Performances ................................................................................................ 37
3.22.2. GNSS Antenna Interface .......................................................................................... 38
3.22.3. GNSS Antenna Recommendations ......................................................................... 38
4. MECHANICAL DRAWINGS ............................................................................... 40
5. DESIGN GUIDELINES ....................................................................................... 42
5.1. Power-Up Sequence ....................................................................................................... 42
5.2. Module Switch-Off ........................................................................................................... 42
5.3. Emergency Power OFF ................................................................................................... 43
5.4. Sleep Mode Management ............................................................................................... 43
5.4.1. Using UART ............................................................................................................. 43
5.4.2. Using USB ................................................................................................................ 44
5.5. Power Supply Design ...................................................................................................... 44
5.6. ESD Guidelines for SIM Card .......................................................................................... 44
5.7. ESD Guidelines for USB.................................................................................................. 45
5.8. Dual SIM Application ....................................................................................................... 45
5.9. Radio Integration ............................................................................................................. 46
5.9.1. GSM Antenna Integration with Antenna Detection Circuitry .................................... 46
5.9.2. GNSS Active Antenna Integration ............................................................................ 46
6. X-RAY EXPOSURE ............................................................................................ 47
7. FCC LEGAL INFORMATION ............................................................................. 48
7.1. IC Regulations ................................................................................................................. 49
8. ORDERING INFORMATION .............................................................................. 51
9. TERMS AND ABBREVIATIONS ........................................................................ 52

4115653 Rev 3.0 July 31, 2014 7
List of Figures
Figure 1. AirPrime HL8549 and HL8549-G Architecture Overview (TBC) .................................... 13
Figure 2. AirPrime HL8549 and HL8549-G Mechanical Overview ................................................ 14
Figure 3. Pin Configuration ............................................................................................................. 22
Figure 4. PWR_ON Assertion Time ................................................................................................ 29
Figure 5. Relative Timing for the PWM Output ............................................................................... 30
Figure 6. Example of an LED Driven by either the PWM1 or PWM2 Output ................................. 31
Figure 7. PCM Timing Waveform (TBC) ......................................................................................... 33
Figure 8. PPS Signal ...................................................................................................................... 35
Figure 9. 2G_TX_ON State during TX Burst .................................................................................. 37
Figure 10. AirPrime HL8549x Mechanical Drawing .......................................................................... 40
Figure 11. AirPrime HL8549x Footprint ............................................................................................ 41
Figure 12. PWR_ON Sequence with VGPIO Information ................................................................ 42
Figure 13. PWR_ON Sequence with Trampup ..................................................................................... 42
Figure 14. Power OFF Sequence for PWR_ON, VGPIO ................................................................. 43
Figure 15. Voltage Limiter Example ................................................................................................. 44
Figure 16. EMC and ESD Components Close to the SIM ................................................................ 44
Figure 17. ESD Protection for USB .................................................................................................. 45
Figure 18. Reference Design for Dual SIM Application .................................................................... 45
Figure 19. GSM Antenna Connection with Antenna Detection ........................................................ 46
Figure 20. GNSS Application with Active Antenna ........................................................................... 46

4115653 Rev 3.0 July 31, 2014 8
List of Tables
Table 1. Supported Bands/Connectivity .......................................................................................... 9
Table 2. AirPrime HL8549 and HL8549-G Features .................................................................... 10
Table 3. GNSS Capabilities ........................................................................................................... 13
Table 4. ESD Specifications .......................................................................................................... 15
Table 5. AirPrime HL8549 and HL8549-G Environmental Specifications .................................... 15
Table 6. Regulation Compliance ................................................................................................... 16
Table 7. Pad Definition .................................................................................................................. 18
Table 8. Power Supply .................................................................................................................. 23
Table 9. Current Consumption (at nominal voltage, 3.7V) ............................................................ 23
Table 10. Current Consumption per Power Supply (VBATT_PA and VBATT) ............................... 24
Table 11. VGPIO Electrical Characteristics ..................................................................................... 25
Table 12. BAT_RTC Electrical Characteristics................................................................................ 25
Table 13. Electrical Characteristics of UIM1 ................................................................................... 26
Table 14. USB Pin Description ........................................................................................................ 26
Table 15. Digital I/O Electrical Characteristics ................................................................................ 27
Table 16. GPIO Pin Description ...................................................................................................... 27
Table 17. UART1 Pin Description ................................................................................................... 28
Table 18. PWR_ON Electrical Characteristics ................................................................................ 29
Table 19. RESET Electrical Characteristics .................................................................................... 29
Table 20. ADC Electrical Characteristics ........................................................................................ 30
Table 21. PWM Electrical Characteristics ....................................................................................... 31
Table 22. PWM Pin Description ...................................................................................................... 31
Table 23. Clock Interface Pin Description ....................................................................................... 32
Table 24. Digital Audio Electrical Characteristics ............................................................................ 32
Table 25. I2C Pin Description .......................................................................................................... 33
Table 26. HSIC Pin Description ....................................................................................................... 33
Table 27. SW Trace Pin Description ............................................................................................... 34
Table 28. JTAG Pin Description ...................................................................................................... 34
Table 29. PPS Electrical Characteristics ......................................................................................... 35
Table 30. RF Connection................................................................................................................. 35
Table 31. RF Performance .............................................................................................................. 36
Table 32. Burst Indicator States ...................................................................................................... 36
Table 33. TX Burst Characteristics .................................................................................................. 36
Table 34. GNSS Interface Specifications ........................................................................................ 37
Table 35. GNSS Antenna Specifications ......................................................................................... 38
Table 36. GNSS Antenna Recommendations ................................................................................. 38
Table 37. Ordering Information ....................................................................................................... 51

4115653 Rev 3.0 July 31, 2014 9
1. Introduction
This document is the Product Technical Specification for the AirPrime HL8549 and HL8549-G
Embedded Modules. It defines the high level product features and illustrates the interfaces for these
features. This document is intended to cover the hardware aspects of the product series, including
electrical and mechanical.
The AirPrime HL8549 and HL8549-G belong to the AirPrime HL Series from Essential Connectivity
Module family. These are industrial grade Embedded Wireless Modules that provides voice and data
connectivity on GPRS, EDGE, WCDMA, HSDPA and HSUPA networks (as listed in Table 1
Supported Bands/Connectivity). On top of this, the HL8549-G also provides GNSS functionality.
The HL8549 and HL8549-G support a large variety of interface like Digital Audio and Dual SIM Single
Standby to provide customers with the highest level of flexibility in implementing high-end solutions.
Table 1. Supported Bands/Connectivity
RF Band
Transmit band (Tx)
Receive band (Rx)
Maximum Output Power
UMTS B1
1922 to1978 MHz
2112 to 2168 MHz
23 dBm (+/- 2dBm) Class 3bis
UMTS B2
1852 to 1908 MHz
1932 to 1988 MHz
23 dBm (+/- 2dBm) Class 3bis
UMTS B5
826 to 847 MHz
871 to 892 MHz
23 dBm (+/- 2dBm) Class 3bis
UMTS B6
832 to 838 MHz
877 to 883 MHz
23 dBm (+/- 2dBm) Class 3bis
UMTS B8
882 to 913 MHz
927 to 958 MHz
23 dBm (+/- 2dBm) Class 3bis
UMTS B19
832.4 to 842.6 MHz
877.4 to 887.6 MHz
GSM 850
824 to 849 MHz
869 to 894 MHz
2 Watts GSM, GPRS and EDGE
E-GSM 900
880 to 915 MHz
925 to 960 MHz
2 Watts GSM, GPRS and EDGE
DCS 1800
1710 to 1785 MHz
1805 to 1880 MHz
1 Watt GSM, GPRS and EDGE
PCS 1900
1850 to 1910 MHz
1930 to 1990 MHz
1 Watt GSM, GPRS and EDGE
GPS
--
1575.42 ± 20 MHz
--
GLONASS
--
1597.5 to 1605.8 MHz
--
1.1. Common Flexible Form Factor (CF3)
The AirPrime HL8549 and HL8549-G belong to the Common Flexible Form Factor (CF3) family of
modules. This family consists of a series of WWAN modules that share the same mechanical
dimensions (same width and length with varying thicknesses) and footprint. The CF3 form factor
provides a unique solution to a series of problems faced commonly in the WWAN module space as it:
Accommodates multiple radio technologies (from 2G to LTE advanced) and band groupings
Supports bit-pipe (Essential Module Series) and value add (Smart Module Series) solutions
Offers electrical and functional compatibility

4115653 Rev 3.0 July 31, 2014 10
Product Technical Specification
Introduction
1.2. Physical Dimensions
The AirPrime HL8549 and HL8549-G modules are compact, robust, fully shielded modules with the
following dimensions:
Length: 25 mm
Width: 24 mm
Thickness: 2.5 mm
Weight: 3.5 g
Note: Dimensions specified above are typical values.
1.3. General Features
The table below summarizes the AirPrime HL8549 and HL8549-G features.
Table 2. AirPrime HL8549 and HL8549-G Features
Feature
Description
Physical
Small form factor (146-pin solderable LGA pad) – 25mm x 24mm x 2.5mm
(nominal)
Complete body shielding
RF connection pads – RF primary and GNSS interface
Baseband signals connection
Electrical
Single or double supply voltage (VBATT and VBATT_PA) – 3.2V – 4.5V
RF
Quad-band GSM / GPRS / EDGE (850 MHz, 900 MHz, 1800 MHz,
1900 MHz)
Hexa-band UMTS WCDMA FDD (800 MHz (B19), 850 MHz(B5/B6),
900MHz(B8), 1900 MHz(B2), 2100MHz(B1))
GPS (1575.42 MHz), GLONASS (1602MHz)
Audio interface
Digital interface only
Supports Enhanced Full Rate (EFR), Full Rate (FR), Half Rate (HR), and
both Narrow-Band and Wide-band Adaptive Multirate (AMR-NB and AMR-
WB) vocoders
MO and MT calling
Echo cancellation and noise reduction
Emergency calls (112, 110, 911, etc.)
Incoming call notification
DTMF generation
SIM interface
Dual SIM Single Standby with fast network switching capability
1.8V/3V support
SIM extraction / hot plug detection
SIM/USIM support
Conforms with ETSI UICC Specifications
Supports SIM application tool kit with proactive SIM commands

4115653 Rev 3.0 July 31, 2014 11
Product Technical Specification
Introduction
Feature
Description
Application interface
NDIS NIC interface support (Windows XP, Windows 7, Windows 8,
Windows CE, Linux)
Multiple non-multiplexed USB channel support
Dial-up networking
USB selective suspend to maximize power savings
CMUX multiplexing over UART
AT command interface – 3GPP 27.007 standard, plus proprietary extended
AT commands
Protocol Stack
Dual-mode UMTS (WCDMA) / HSDPA / HSUPA / EDGE / GPRS / GSM operation
GSM/GPRS/EDGE
GPRS/EDGE – Class 33 (296 kbits downlink and 236.8 kbits uplink)
CSD (Circuit-switched data bearers)
Release 4 GERAN Feature Package 1
SAIC / DARP Phase 1
Latency Reduction
Repeated FACCH and Repeated SACCH
A-GPS support
GPRS ROHC
Enhanced Operator Name String (EONS)
Enhanced Network Selection (ENS)
WCDMA
3GPP WCDMA FDD Multimode Type II UE Protocol Stack
Configurable for data classes up to 384 kBit/s
Inter-RAT Handover and Cell Reselection
Supports two types of Compressed Mode
Network Assisted Cell Change from UTRAN to GERAN and GERAN to
UTRAN
A-GPS support
CSD (Circuit-switched data bearers) over WCDMA (transparent/non
transparent up to 64 kBit/s; Support for Video Telephony)
HSDPA (High Speed Downlink Packet Access)
Compliant with 3GPP Release 5
HSDPA Category 8 data rate – 7.2 Mbps (peak rate)
IPv6 support
HSUPA (High Speed Uplink Packet Access)
Compliant with 3GPP Release 6
HSUPA Category 6 data rate - 5.76 Mbps (peak rate)
Robust Header Compression (RoHC)
Fractional DPCH
SMS
SMS MO and MT
CS and PS support
SMS saving to SIM card or ME storage
SMS reading from SIM card or ME storage
SMS sorting
SMS concatenation
SMS Status Report
SMS replacement support
SMS storing rules (support of AT+CNMI, AT+CNMA)

4115653 Rev 3.0 July 31, 2014 12
Product Technical Specification
Introduction
Feature
Description
Supplementary Services
Call Barring
Call Forwarding
Call Hold
Caller ID
Call Waiting
Multi-party service
USSD
Automatic answer
GNSS*
Provides:
Standalone GNSS functionality
GPS and GLONASS support
A-GPS features
NMEA support
Note: GNSS specifications are preliminary targets that are subject to change
without notice. Actual GNSS functionality is dependent on the firmware
version, and on module configuration.
Connectivity
Multiple (up to 20) cellular packet data profiles
Sleep mode for minimum idle power draw
Automatic GPRS attach at power-up
GPRS detach
Mobile-originated PDP context activation / deactivation
Support QoS profile
Release 97 – Precedence Class, Reliability Class, Delay Class, Peak
Throughput, Mean Throughput
Release 99 QoS negotiation – Background, Interactive, and Streaming
Static and Dynamic IP address. The network may assign a fixed IP address
or dynamically assign one using DHCP (Dynamic Host Configuration
Protocol).
Supports PAP and CHAP authentication protocols
PDP context type (IPv4, IPv6, IPv4v6). IP Packet Data Protocol context
RFC1144 TCP/IP header compression
Interaction with existing GSM services (MO/MT SMS voice calls) while:
GPRS is attached, or
In a GPRS data session (class B GPRS suspend / resume procedures)
Environmental
Operating temperature ranges (industrial grade):
Class A: -30°C to +70°C
Class B: -40°C to +85°C
RTC
Real Time Clock (RTC) with calendar and alarm
Temperature Sensor
Temperature monitoring
Alarms
* Only available on the AirPrime HL8549-G.

4115653 Rev 3.0 July 31, 2014 13
Product Technical Specification
Introduction
1.4. GNSS Features
The table below summarizes the AirPrime HL8549-G GNSS capabilities.
Table 3. GNSS Capabilities
Feature
Description
GPS
L1 band (CDMA 1575.42 MHz)
GLONASS
L1 Band (FDMA 1602MHz)
Channels
52
Antenna
Passive or active antenna support
Assistance data
Server-generated Extended Ephemeris
1.5. Architecture
The figure below presents an overview of the AirPrime HL8549 and HL8549-G internal architecture
and external interfaces.
Note: Dotted parts are only supported on the AirPrime HL8549-G.
HL8549 and HL8549-G
Memory
(Flash + RAM)
GNSS
SAW
Filters
Antenna
Switch
CTRL
DATA
16.369 MHz
26MHz 32.768KHz
UART1 (8pins)
Debug (2pins)
VBATT
GND
VGPIO
BAT_RTC
GPIO x 12
ADC x2
I²C
RESET_IN
RF
RF
JTAG
LGA-
146
Baseband
EXT_LNA_GPS_EN
PPS
SAW
Filter
RF
LNA
SIM1
MCU DSP
PMU RF
Analog Baseband
Peripherals
RX_GSM,
RX_PCS,
RX_WCDMA
RX_DCS
RF
TX_GSM
TX_3G
RX_DCS
TX_WCDMA LGA-
146
2G_TX_ON
26M_CLKOUT
32K_CLKOUT
TP1
PWR_ON
2G_TX_ON
PWM x 2
PPS
Dulpexer
PA
TX_GSM
USB
HSIC
Figure 1. AirPrime HL8549 and HL8549-G Architecture Overview (TBC)

4115653 Rev 3.0 July 31, 2014 14
Product Technical Specification
Introduction
1.6. Interfaces
The AirPrime HL8549 and HL8549-G module provides the following interfaces and peripheral
connectivity:
1 8-pins UART
1 I2C
1 HSIC
Active Low RESET
USB 2.0
1 Backup Battery Interface
2 System Clock Out
Active Low POWER ON
1 1.8V/3V SIM
1 Digital Audio
2 ADC
1 JTAG Interface
2 PWM
12 GPIOs with 4 multiplexes
2G TX Burst Indicator
GSM Antenna
In addition, the AirPrime HL8549-G module provides the following additional interfaces and peripheral
connectivity:
GNSS Antenna
External GNSS LNA Enable/Disable
Pulse Per Second
1.7. Connection Interface
The AirPrime HL8549 and HL8549-G module is an LGA form factor device. All electrical and
mechanical connections are made through the 146 Land Grid Array (LGA) pads on the bottom side of
the PCB.
Figure 2. AirPrime HL8549 and HL8549-G Mechanical Overview
The 146 pads have the following distribution:
66 inner signal pads, 1x0.5mm, pitch 0.8mm
1 reference test point (Ground), 1.0mm diameter
7 test point (JTAG), 0.8mm diameter, 1.20mm pitch

4115653 Rev 3.0 July 31, 2014 15
Product Technical Specification
Introduction
64 inner ground pads, 1.0x1.0mm, pitch 1.825mm/1.475mm
4 inner corner ground pads, 1x1mm
4 outer corner ground pads, 1x0.9mm
1.8. ESD
Refer to the following table for ESD Specifications.
Note: Information specified in the following table is preliminary and subject to change.
Table 4. ESD Specifications
Category
Connection
Specification
Operational
RF ports
IEC-61000-4-2 — Level (Electrostatic Discharge Immunity Test)
Non-operational
Host connector
interface
Unless otherwise specified:
JESD22-A114 +/- 2kV Human Body Model
JESD22-A115 +/- 200V Machine Model
JESD22-C101C +/- 500V Charged Device Model
Signals
SIM connector
ESD protection is highly recommended at the point where the USIM
contacts are exposed, and for any other signals that would be
subjected to ESD by the user.
Other host signals
1.9. Environmental & Certifications
1.9.1. Environmental Specifications
The environmental specification for both operating and storage conditions are defined in the table
below.
Table 5. AirPrime HL8549 and HL8549-G Environmental Specifications
Conditions
Range
Operating Class A
-30°C to +70°C
Operating Class B
-40°C to +85°C
Storage
-40°C to +85°C
Class A is defined as the operating temperature ranges that the device:
Shall exhibit normal function during and after environmental exposure.
Shall meet the minimum requirements of 3GPP or appropriate wireless standards.
Class B is defined as the operating temperature ranges that the device:
Shall remain fully functional during and after environmental exposure
Shall exhibit the ability to establish a voice, SMS or DATA call (emergency call) at all times
even when one or more environmental constraint exceeds the specified tolerance.
Unless otherwise stated, full performance should return to normal after the excessive
constraint(s) have been removed.

4115653 Rev 3.0 July 31, 2014 16
Product Technical Specification
Introduction
1.9.2. Regulatory
The AirPrime HL8549 and HL8549-G are both compliant with the following regulations:
R&TTE directive 1999/5/EC
FCC
ANATEL
These compliances will be reflected on the AirPrime HL8549 and HL8549-G labels when applicable.
Table 6. Regulation Compliance
Document
Current Version
Title
NAPRD.03
v5.18 or later
Overview of PCS Type certification review board (PTCRB) Mobile
Equipment Type Certification and IMEI control
GCF-CC
v3.51.1 or later
GCF Conformance Certification Criteria
TS 51.010-1
V10.0.0 (2012-03)
3rd Generation Partnership Project; Technical Specification
Group GSM/EDGE Radio Access Network; Digital cellular
telecommunications system (Phase 2+); Mobile Station (MS)
conformance specification; Part 1: Conformance specification
TS 51.010-2
V10.0.0 (2012-03)
3rd Generation Partnership Project; Technical Specification
Group GSM/EDGE Radio Access Network; Mobile Station (MS)
conformance specification; Part 2: Protocol Implementation
Conformance Statement (PICS) proforma specification
EN 301511
V9.0.2 (2003-03)
Global System for Mobile Communications (GSM); Harmonized
EN for Mobile Stations in the GSM 900 and GSM 1800 Bands
Covering Essential Requirements Under Article 3.2 of the R&TTE
Directive (1999/5/EC)
EN 301489-1
V1.9.2 (2011-09)
Electromagnetic compatibility and Radio spectrum Matters
(ERM); ElectroMagnetic Compatibility (EMC) standard for radio
equipment and services; Part 1: Common technical requirements
EN 301489-3
V1.4.1 (2002-08)
Electromagnetic compatibility and Radio spectrum Matters
(ERM); ElectroMagnetic Compatibility (EMC) standard for radio
equipment and services; Part 3: Specific conditions for Short-
Range Devices (SRD) operating on frequencies between 9 kHz
and 40 GHz
EN 301489-7
V1.3.1 (2005-11)
Electromagnetic Compatibility and Radio Spectrum Matters
(ERM); ElectroMagnetic Compatibility (EMC) Standard for Radio
Equipment and Services; Part 7: Specific Conditions for Mobile
and Portable Radio and Ancillary Equipment of Digital Cellular
Radio Telecommunications Systems (GSM and DCS)
EN 60950-1
NA
IEC 60950-1:2005/A1:2009
EN 60950-1:2006/A11:2009/A1:2010/A12:2011/AC :2011
Information technology equipment – safety- and general
requirements
EN 300440-1
v1.6.1 (2012-08)
Electromagnetic compatibility and Radio spectrum Matters
(ERM); Short range devices; Radio equipment to be used in the 1
GHz to 40 GHz frequency range;
Part 1: Technical characteristics and test methods
EN 300440-2
V1.4.1 (2012-08)
Electromagnetic compatibility and Radio spectrum Matters
(ERM); Short range devices; Radio equipment to be used in the 1
GHz to 40 GHz frequency range;
Part 2: Harmonized EN under article 3.2 of the R&TTE Directive
FCC Part 22H
NA
Cellular Radiotelephone Service; Subpart H: Cellular
Radiotelephone Service

4115653 Rev 3.0 July 31, 2014 17
Product Technical Specification
Introduction
Document
Current Version
Title
FCC Part 24E
NA
Personal Communications Service; Subpart E: Broadband PCS.
RSS-132
Issue 2:2005
Cellular telephones employing new technologies operating in the
824-849 MHz and 869-894 MHz bands.
RSS-133
Issue 5:2009
2 GHz personal communications services
Decree 2338 of
07/10/1997 (ANATEL)
1997
Agência Nacional de Telecomunicações do Brazil.
1.9.3. RoHS Directive Compliant
The AirPrime HL8549 and HL8549-G module is compliant with RoHS Directive 2011/65/EU which
sets limits for the use of certain restricted hazardous substances. This directive states that “from 1st
July 2006, new electrical and electronic equipment put on the market does not contain lead, mercury,
cadmium, hexavalent chromium, polybrominated biphenyls (PBB) or polybrominated diphenyl ethers
(PBDE)”.
1.9.4. Disposing of the Product
This electronic product is subject to the EU Directive 2012/19/EU for Waste Electrical
and Electronic Equipment (WEEE). As such, this product must not be disposed of at a
municipal waste collection point. Please refer to local regulations for directions on
how to dispose of this product in an environmental friendly manner.
1.9.5. References
[1] AirPrime HL Series Customer Process Guidelines
Reference Number: 4114330
[2] AirPrime HL6 and HL8 Series AT Commands Interface Guide
Reference Number: 4114680

4115653 Rev 3.0 July 31, 2014 18
2. Pad Definition
AirPrime HL8549 and HL8549-G pins are divided into 2 functional categories.
Core functions and associated pins cover all the mandatory features for M2M connectivity and will be available by default across all CF3 family of
modules. These Core functions are always available and always at the same physical pin locations. A customer platform using only these functions
and associated pins is guaranteed to be forward and/or backward compatible with the next generation of CF3 modules.
Extension functions and associated pins bring additional capabilities to the customer. Whenever an Extension function is available on a module, it
is always at the same pin location.
Other pins marked as “not connected” or “reserved” should not be used.
Table 7. Pad Definition
Pin #
Signal Name
Function
I/O
Active
Low/High
Power Supply
Domain
Recommendation for
Unused Pins
Type
1
GPIO1 / I2C_CLK
General purpose input/output/I2C Clock
I/O
1.8V
Left Open
Extension
2
UART1_RI
UART1 Ring indicator
O
1.8V
Left Open
Core
3
UART1_RTS
UART1 Request to send
I
L
1.8V
Connect to UART1_CTS
Core
4
UART1_CTS
UART1 Clear to send
O
L
1.8V
Connect to UART1_RTS
Core
5
UART1_TX
UART1 Transmit data
I
1.8V
Mandatory connection
Core
6
UART1_RX
UART1 Receive data
O
1.8V
Mandatory connection
Core
7
UART1_DTR
UART1 Data terminal ready
I
L
1.8V
Connect to UART1_DSR
Core
8
UART1_DCD
UART1 Data carrier detect/
O
L
1.8V
Left Open
Core
9
UART1_DSR
UART1 Data set ready
O
L
1.8V
Connect to UART1_DTR
Core
10
GPIO2
General purpose input/output
I/O
1.8V
Left Open
Core
11
RESET_IN
Input reset signal
I
L
1.8V
Left Open
Core

4115653 Rev 3.0 July 31, 2014 19
Product Technical Specification
Pad Definition
Pin #
Signal Name
Function
I/O
Active
Low/High
Power Supply
Domain
Recommendation for
Unused Pins
Type
12
USB_D-
USB Data Negative (Low / Full Speed)
I/O
3.3V
Left Open
Extension
USB Data Negative (High Speed)
0.38V
13
USB_D+
USB Data Positive (Low / Full Speed)
I/O
3.3V
Left Open
Extension
USB Data Positive (High Speed)
0.38V
14
HSIC_DATA
High Speed Inter-Chip Data
I/O
1.2V
Left Open
Extension
15
HSIC_STRB
High Speed Inter-Chip Strobe
I/O
1.2V
Left Open
Extension
16
USB_VBUS
USB VBUS
I
5V
Left Open
Extension
17
NC
Not Connected (Reserved for future use)
Left Open
Not connected
18
NC
Not Connected (Reserved for future use)
Left Open
Not connected
19
NC
Not Connected (Reserved for future use)
Left Open
Not connected
20
NC
Not Connected (Reserved for future use)
Left Open
Not connected
21
BAT_RTC
Power supply for RTC backup
I/O
1.8V
Left Open
Extension
22
26M_CLKOUT
26MHz System Clock Output
O
1.8V
Left Open
Extension
23
32K_CLKOUT
32.768kHz System Clock Output
O
1.8V
Left Open
Extension
24
ADC1
Analog to digital conversion
I
1.2V
Left Open (TBC)
Extension
25
ADC0
Analog to digital conversion
I
1.2V
Left Open (TBC)
Extension
26
UIM1_VCC
1.8V/3V SIM1 Power supply
O
1.8V/3V
Mandatory connection
Core
27
UIM1_CLK
1.8V/3V SIM1 Clock
O
1.8V/3V
Mandatory connection
Core
28
UIM1_DATA
1.8V/3V SIM1 Data
I/O
1.8V/3V
Mandatory connection
Core
29
UIM1_RESET
1.8V/3V SIM1 Reset
O
L
1.8V/3V
Mandatory connection
Core
30
NC
Not Connected (Reserved for future use)
Left Open
Not connected
31
NC
Not Connected (Reserved for future use)
Left Open
Not connected
32
NC
Not Connected (Reserved for future use)
Left Open
Not connected
33
PCM_OUT
PCM data out
O
1.8V
Left Open
Extension
34
PCM_IN
PCM data in
I
1.8V
Left Open
Extension

4115653 Rev 3.0 July 31, 2014 20
Product Technical Specification
Pad Definition
Pin #
Signal Name
Function
I/O
Active
Low/High
Power Supply
Domain
Recommendation for
Unused Pins
Type
35
PCM_SYNC
PCM sync out
I/O
1.8V
Left Open
Extension
36
PCM_CLK
PCM clock
I/O
1.8V
Left Open
Extension
37
GND
Ground
0V
0V
Mandatory connection
Core
38
RF_GPS
RF GNSS Input
Mandatory connection
Extension
39
GND
Ground
0V
0V
Mandatory connection
Core
40
GPIO7
General purpose input/output
I/O
1.8V
Left Open
Core
41
GPIO8
General purpose input/output
I/O
1.8V
Left Open
Core
42
PPS
GNSS Pulse Per Second
O
1.8V
Left Open
Extension
43
EXT_LNA_GPS_EN
External GNSS LNA enable
O
H
1.8V
Left Open
Extension
44
DEBUG_TX
Debug transmit data
O
1.8V
Left Open
Extension
45
VGPIO
GPIO voltage output
O
1.8V
Left Open
Core
46
GPIO6
General purpose input/output
I/O
1.8V
Left Open
Core
47
TP1
Test Point 1
0 - Download Mode
Open - Normal Mode
I
L
1.8V
Left Open
Extension
48
GND
Ground
0V
Mandatory connection
Core
49
RF_MAIN
RF GSM Input/output
Mandatory connection
Core
50
GND
Ground
0V
Mandatory connection
Core
51
DEBUG_RX
Debug receive data
I
1.8V
Left Open
Extension
52
GPIO10
General purpose input/output
I/O
1.8V
Left Open
Extension
53
GPIO11
General purpose input/output
I/O
1.8V
Left Open
Extension
54
GPIO15
General purpose input/output
I/O
1.8V
Left Open
Extension
55
NC1
Reserved for future use
Left Open
Not connected
56
NC2
Reserved for future use
Left Open
Not connected
57
PWM1
Pulse Width Modulation
O
1.8V
Left Open
Extension

4115653 Rev 3.0 July 31, 2014 21
Product Technical Specification
Pad Definition
Pin #
Signal Name
Function
I/O
Active
Low/High
Power Supply
Domain
Recommendation for
Unused Pins
Type
58
PWM2 / GPIO12
Pulse Width Modulation /
General purpose input/output
I/O
1.8V
Left Open
Extension
59
PWR_ON
Active Low Power On control signal
I
L
1.8V
Mandatory connection
Core
60
2G_TX_ON
2G TX burst indicator
O
H
1.8V
Left Open
Extension
61
VBATT_PA
Power supply (refer to section 3.1 Power
Supply for more information)
I
3.2V (min)
3.7V (typ)
4.5V (max)
Mandatory connection
Core
62
VBATT_PA
Power supply (refer to section 3.1 Power
Supply for more information)
I
3.2V (min)
3.7V (typ)
4.5V (max)
Mandatory connection
Core
63
VBATT
Power supply
I
3.2V (min)
3.7V (typ)
4.5V (max)
Mandatory connection
Core
64
GPIO3 / UIM1_DET
General purpose input/output /
UIM1 Detection
I/O
H
1.8V
Left Open
Core
65
GPIO4
General purpose input/output
I/O
H
1.8V
Left Open
Extension
66
GPIO5 / I2C_SDA
General purpose input/output/I2C Data
I/O
1.8V
Left Open
Extension
67-70
GND
Ground
GND
0V
Core
71 - 166
Note: These pins are not available on the AirPrime HL8549 and HL8549-G modules.
167-234
GND
Ground
GND
0V
Core
235
GND
Ground
GND
0V
Not connected
236
JTAG_RESET
JTAG RESET
I
L
1.8V
Left Open
Extension
237
JTAG_TCK
JTAG Test Clock
I
1.8V
Left Open
Extension
238
JTAG_TDO
JTAG Test Data Output
O
1.8V
Left Open
Extension
239
JTAG_TMS
JTAG Test Mode Select
I
1.8V
Left Open
Extension
240
JTAG_TRST
JTAG Test Reset
I
L
1.8V
Left Open
Extension
241
JTAG_TDI
JTAG Test Data Input
I
1.8V
Left Open
Extension
242
JTAG_RTCK
JTAG Returned Test Clock
O
1.8V
Left Open
Extension

4115653 Rev 3.0 July 31, 2014 22
Product Technical Specification
Pad Definition
2.1. Pin Configuration (Top View, Through Module)
Figure 3. Pin Configuration

4115653 Rev 3.0 July 31, 2014 23
3. Detailed Interface Specifications
Note: If not specified, all electrical values are given for VBATT=3.7V and an operating temperature of
25°C.
For standard applications, VBATT and VBATT_PA must be tied externally to the same power
supply. For some specific applications, AirPrime HL8549 and HL8549-G module supports separate
VBATT and VBATT_PA connection if requirements below are fulfilled.
3.1. Power Supply
The AirPrime HL8549 and HL8549-G module is supplied through the VBATT signal with the following
characteristics.
Table 8. Power Supply
Supply
Minimum
Typical
Maximum
VBATT voltage (V)
3.21
3.7
4.5
VBATT_PA voltage (V) Full Specification
3.21
3.7
4.5
VBATT_PA voltage (V) Extended Range
2.8
3.7
4.5
1 This value has to be guaranteed during the burst
Note: Load capacitance for VBATT is around 30µF ± 20% embedded inside the module.
Load capacitance for VBATT_PA is around 20µF ± 20% embedded inside the module.
3.2. Current Consumption
The following table lists the current consumption of the AirPrime HL8549 and HL8549-G at different
conditions.
Table 9. Current Consumption (at nominal voltage, 3.7V)
Parameter
Typical
Off mode
40 µA
Sleep mode - GSM DRX2 (registered to the
network)
GSM900
1.9 mA
DCS1800
1.7 mA
GSM850
1.7 mA
PCS1900
1.7 mA
Sleep mode - GSM DRX9 (registered to the
network)
GSM900
1.3 mA
DCS1800
1.2 mA
GSM850
1.2 mA
PCS1900
1.1 mA
Sleep mode - WCDMA DRX6 (registered to
the network)
Band 1
1.9 mA
Band 2
1.9 mA
Band 5 / 6
1.9 mA
Band 8
1.9 mA

4115653 Rev 3.0 July 31, 2014 24
Product Technical Specification
Detailed Interface Specifications
Parameter
Typical
Sleep mode - WCDMA DRX9 (registered to
the network)
Band 1
1.2 mA
Band 2
1.2 mA
Band 5 / 6
1.2 mA
Band 8
1.2 mA
WCDMA in communication mode (Voice
Call)
Band 1
596 mA
Band 2
555 mA
Band 5 / 6
505 mA
Band 8
536 mA
WCDMA in communication mode (HSDPA)
Band 1
670 mA
Band 2
684 mA
Band 5 / 6
558 mA
Band 8
722 mA
WCDMA in communication mode (HSUPA)
Band 1
626 mA
Band 2
547 mA
Band 5 / 6
658 mA
Band 8
683 mA
GSM in communication mode
GSM900 / GSM850 (PCL=5)
245 mA
DCS / PCS (PCL=0)
170 mA
GPRS (2 TX,3 RX)
GSM900 / GSM850 (PCL=5)
452 mA
DCS / PCS (PCL=0)
298 mA
Peak current consumption
GSM900 / GSM850
1.9 A
DCS / PCS
1.8 A
Table 10. Current Consumption per Power Supply (VBATT_PA and VBATT)
Parameters
Typical
VBATT_PA
Average current
GSM in communication mode
E-GSM 900 / GSM 850 (PCL=5)
194 mA
DCS 1800/ PCS 1900 (PCL=0)
126 mA
Average current
GPRS (2 TX,3 RX)
E-GSM 900 / GSM 850 (PCL=5)
380 mA
DCS 1800/ PCS 1900 (PCL=0)
236 mA
Average current
WCDMA in communication
mode (Voice Call)
Band 1
475 mA
Band 2
421 mA
Band 5 / 6
390 mA
Band 8
416 mA
VBATT
Average current
GSM in communication mode
E-GSM 900 / GSM 850 (PCL=5)
41 mA
DCS 1800/ PCS 1900 (PCL=0)
39 mA
Average current
GPRS (2 TX,3 RX)
E-GSM 900 / GSM 850 (PCL=5)
60 mA
DCS 1800/ PCS 1900 (PCL=0)
58 mA
Average current
WCDMA in communication
mode (Voice Call)
Band 1
128 mA
Band 2
127 mA
Band 5 / 6
118 mA
Band 8
119 mA

4115653 Rev 3.0 July 31, 2014 25
Product Technical Specification
Detailed Interface Specifications
3.3. VGPIO
The VGPIO output can be used to:
Pull-up signals such as I/Os
Supply the digital transistors driving LEDs
Act as a voltage reference for the ADC interfaces, ADC0 and ADC1
The VGPIO output is available when the AirPrime HL8549 or HL8549-G module is switched ON.
Table 11. VGPIO Electrical Characteristics
Parameter
Min
Typ
Max
Remarks
Voltage level (V)
1.7
1.8
1.9
Both active mode and sleep mode
Current capability (mA)
-
-
50
Power Management support up to 50mA output.
Rise Time(ms)
-
-
1.5
Start-Up time from 0V
3.4. BAT_RTC
The AirPrime HL8549 and HL8549-G module provides an input/output to connect a Real Time Clock
power supply.
This pin is used as a back-up power supply for the internal Real Time Clock. The RTC is supported
when VBATT is available but a back-up power supply is needed to save date and hour when VBATT
is switched off.
If VBATT is available, the back-up battery can be charged by the internal 1.8V power supply regulator.
Table 12. BAT_RTC Electrical Characteristics
Parameter
Minimum
Typical
Maximum
Unit
Input voltage
-
1.8
-
V
Input current consumption
-
2.5 (TBC)
-
µA
Output voltage
-5%
1.8
+5%
V
Max charging current (@VBATT=3.7V)
-
25
-
mA
3.5. SIM Interface
The AirPrime HL8549 and HL8549-G has one physical SIM interface, UIM1, which has optional
support for dual SIM application with an external SIM switch. Refer to Section 5.8 Dual SIM
Application for more information regarding dual SIM.
The UIM1 interface allows control of a 1.8V/3V SIM and is fully compliant with GSM 11.11
recommendations concerning SIM functions.
The four signals used by this interface are as follows:
UIM1_VCC: power supply
UIM1_CLK: clock
UIM1_DATA: I/O port

4115653 Rev 3.0 July 31, 2014 26
Product Technical Specification
Detailed Interface Specifications
UIM1_RST: reset
UIM1_DET: SIM detection
Table 13. Electrical Characteristics of UIM1
Parameter
Min
Typ
Max
Remarks
UIM1 Interface Voltage (V)
(VCC,CLK,IO,RST)
2.7
3.0
3.15
The appropriate output voltage is auto
detected and selected by software.
1.65
1.80
1.95
UIM1 Detect
1.33
1.80
2.1
High active
UIM1_VCC Current (mA)
-
-
10
Max output current in sleep mode = 3 mA
UIM1_VCC Line Regulation (mV/V)
-
-
50
At Iout_Max
UIM1_VCC Power-up Setting Time
(µs) from power down
-
10
-
3.5.1. UIM1_DET
UIM1_DET is used to detect and notify the application about the insertion and removal of a SIM
device in the SIM socket connected to the main SIM interface (UIM1). When a SIM is inserted, the
state of UIM1_DET transitions from logic 0 to logic 1. Inversely, when a SIM is removed, the state of
UIM1_DET transitions from logic 1 to logic 0.
Enabling or disabling this SIM detect feature can be done using the AT+KSIMDET command. For more
information about this command, refer to document [2] AirPrime HL6 and HL8 Series AT Commands
Interface Guide.
3.6. USB
The AirPrime HL8549 and HL8549-G have one USB interface.
Table 14. USB Pin Description
Pin Number
Signal Name
I/O
Function
12
USB_D-
I/O
USB Data Negative
13
USB_D+
I/O
USB Data Positive
16
USB_VBUS
I
USB VBUS
Note: When the 5V USB supply is not available, connect USB_VBUS to VBAT_BB to supply the USB
interface.
3.7. Electrical Information for Digital I/O
The AirPrime HL8549 and HL8549-G supports three groups of digital interfaces with varying current
drain limits. The following list enumerates these interface groupings and Table 15 Digital I/O Electrical
Characteristics enumerates the electrical characteristics of each digital interface.
Group 1 (8mA current drain limit)
UART
GPIOs
JTAG

4115653 Rev 3.0 July 31, 2014 27
Product Technical Specification
Detailed Interface Specifications
RESET
PWM
Group 2 (5mA current drain limit)
PCM
Group 3 (1mA current drain limit)
I²C
Table 15. Digital I/O Electrical Characteristics
Parameter
Min
Typ
Max
Remarks
Input Current-High(µA)
-
-
125
(TBD)
Input Current-Low(µA)
-
-
125
(TBD)
Group 1
DC Output Current-High (mA)
-
-
8
DC Output Current-Low (mA)
-8
-
-
Group 2
DC Output Current-High (mA)
-
-
5
DC Output Current-Low (mA)
-5
-
-
Group 3
DC Output Current-High (mA)
-
-
1
DC Output Current-Low (mA)
-1
-
-
Input Voltage-High(V)
1.33
2.1
Input Voltage-Low(V)
-
-
0.34
Output Voltage-High(V)
1.5
-
1.9
Output Voltage-Low(V)
-
-
0.2
3.8. General Purpose Input/Output (GPIO)
The AirPrime HL8549 and HL8549-G modules provide 12 GPIOs, 4 of which have multiplexes.
Table 16. GPIO Pin Description
Pin Number
Signal Name
Multiplex
I/O
Power Supply Domain
1
GPIO1
I2C_CLK
I/O
1.8V
10
GPIO2*
I/O
1.8V
40
GPIO7
I/O
1.8V
41
GPIO8
I/O
1.8V
46
GPIO6
I/O
1.8V
52
GPIO10
I/O
1.8V
53
GPIO11
I/O
1.8V
54
GPIO15
I/O
1.8V
58
GPIO12
PWM2
I/O
1.8V
64
GPIO3
UIM1_DET
I/O
1.8V
65
GPIO4
I/O
1.8V
66
GPIO5
I2C_SDA
I/O
1.8V
* This pin can be used to trigger the module to wake up from Sleep Mode.

4115653 Rev 3.0 July 31, 2014 28
Product Technical Specification
Detailed Interface Specifications
3.9. Main Serial Link (UART1)
The main serial link (UART1) is used for communication between the AirPrime HL8549 and
HL8549-G module and a PC or host processor. It consists of a flexible 8-wire serial interface that
complies with RS-232 interface.
The supported baud rates of the UART1 are 300, 1200, 2400, 4800, 9600, 19200, 38400, 57600,
115200, 230400, 460800, 500000, 750000, 921600, 1843200, 3000000, 3250000 and 6000000 bit/s.
The signals used by UART1 are as follows:
TX data (UART1_TX)
RX data (UART1_RX)
Request To Send (UART1_RTS)
Clear To Send (UART1_CTS)
Data Terminal Ready (UART1_DTR)
Data Set Ready (UART1_DSR)
Data Carrier Detect (UART1_DCD)
Ring Indicator (UART1_RI)
Note: Signal names are according to PC view.
UART1 pin description is summarized in the table below.
Table 17. UART1 Pin Description
Pin #
Signal Name*
I/O*
Description
2
UART1_RI
O
Signal incoming calls (voice and data), SMS, etc.
3
UART1_RTS
I
Wakes the module up when KSLEEP=1 is used
4
UART1_CTS
O
AirPrime HL8549 and HL8549-G is ready to receive AT
commands
5
UART1_TX
I
Transmit data
6
UART1_RX
O
Receive data
7
UART1_DTR
I (active low)
Prevents the AirPrime HL8549 and HL8549-G from entering
sleep mode, switches between data mode and command
mode, and wakes the module up.
8
UART1_DCD
O
Signal data connection in progress
9
UART1_DSR
O
Signal UART interface is ON
* According to PC view.
3.10. POWER ON Signal (PWR_ON)
A low level signal has to be provided to switch the AirPrime HL8549 and HL8549-G module ON.
It is internally connected to the permanent 1.8V supply regulator inside the HL8549 and HL8549-G via
a pull-up resistor. Once VBAT is supplied to the HL8549 and HL8549-G module, this 1.8V supply
regulator will be enabled and so the PWR_ON signal is by default at high level.
The PWR_ON signal’s characteristics are listed in the table below.

4115653 Rev 3.0 July 31, 2014 29
Product Technical Specification
Detailed Interface Specifications
Table 18. PWR_ON Electrical Characteristics
Parameter
Min
Typical
Max
Input Voltage-Low (V)
-
0.51
Input Voltage-High (V)
1.33
-
2.2
Power-up period from PWR_ON falling edge (ms)
2000
-
-
PWR_ON assertion time (ms)
25
Note: As PWR_ON is internally pulled up with 200kΩ, a simple open collector or open drain transistor
must be used for ignition.
The software starts operating when the module is ON, but “AT Command Ready” will depend on
whether UART or USB is used.
PWR_ON
assertion time
> 25 ms
PWR_ON
Figure 4. PWR_ON Assertion Time
VGPIO is an output from the module that can be used to check if the module is active.
When VGPIO = 0V, the module is OFF.
When VGPIO = 1.8V, the module is ON (it can be in idle, communication or sleep mode)
Note: PWR_ON cannot be used to power the module off. To power the module off, use AT command
AT+CPOF.
3.11. Reset Signal (RESET)
To reset the module, a low level pulse must be sent on the RESET pin for 10ms. This action will
immediately restart the AirPrime HL8549 and HL8549-G module with the PWR_ON signal at low
level. (If the PWR_ON signal is at high level, the module will be powered off.) As RESET is internally
pulled up, a simple open collector or open drain transistor can be used to control it.
The RESET signal will reset the registers of the CPU and reset the RAM memory as well, for the next
power on.
Note: As RESET is referenced to the VGPIO domain (internally to the module), it is impossible to reset
before the module starts or to try to use RESET as a way to start the module.
Another more costly solution would be to use MOS transistor to switch the power supply off and
restart the power up procedure using the PWR_ON input line.
Table 19. RESET Electrical Characteristics
Parameter
Min
Typical
Max
Input Voltage-Low (V)
-
0.51

4115653 Rev 3.0 July 31, 2014 30
Product Technical Specification
Detailed Interface Specifications
Parameter
Min
Typical
Max
Input Voltage-High (V)
1.33
-
2.2
Power-up period (ms) from RESET falling edge*
2000
-
-
* With the PWR_ON Signal at low level
3.12. ADC
Two Analog to Digital Converter inputs, ADC0 and ADC1, are provided by the AirPrime HL8549 and
HL8549-G module. These converters are 10-bit resolution ADCs ranging from 0 to 1.2V.
Typically, the ADCx input can be used to monitor external temperature. This is very useful for
monitoring the application temperature and can be used as an indicator to safely power the
application OFF in case of overheating (for Li-Ion batteries).
Both ADCs have the characteristics listed in the table below.
Table 20. ADC Electrical Characteristics
Parameter
Min
Typ
Max
Remarks
ADC Resolution (bits)
-
10
-
Input Voltage Range (V)
0
-
1.2
General purpose input
Update rate per channel (kHz)
-
-
125
Integral Nonlinearity (bits)
-
-
±2
LSB
Offset Error (bits)
-
-
±1
LSB
Gain
849
853
858
Input Resistance (MΩ)
1
-
-
Input Capacitance (pF)
-
1
-
3.13. PWM
The AirPrime HL8549 and HL8549-G modules provide two PWM signals that can be used in
conjunction with an external transistor for driving a vibrator, or a backlight LED.
Each PWM uses two 7-bit unsigned binary numbers: one for the output period and one for the pulse
width or the duty cycle.
The relative timing for the PWM output is shown in the figure below.
Figure 5. Relative Timing for the PWM Output
3.13.1. Electrical Characteristics
The following table describes the electrical characteristics of the PWM interface.

4115653 Rev 3.0 July 31, 2014 31
Product Technical Specification
Detailed Interface Specifications
Table 21. PWM Electrical Characteristics
Parameter
Conditions
Minimum
Typical
Maximum
Unit
VOH
High impedance load
--
1.8
-
V
VOL
-
-
-
0.2
V
IPEAK
-
-
-
8
mA
Frequency
-
25.6
-
1625
kHz
Duty cycle
-
1
-
99
%
3.13.2. Pin Description
The following table describes the pin description of the PWM interface.
Table 22. PWM Pin Description
Pin Number
Signal Name
I/O
I/O Type
Description
57
PWM1
I/O
1.8V
PWM output
58
PWM2
I/O
1.8V
PWM output multiplexed with GPIO12
3.13.3. Application
Both PWM1 and PWM2 signals can be used in conjunction with an external transistor for driving a
vibrator, or a backlight LED.
Figure 6. Example of an LED Driven by either the PWM1 or PWM2 Output
The value of R607 can be harmonized depending on the LED (D605) characteristics.
The recommended digital transistor to use for T601 is the DTC144EE from ROHM.
3.14. Clock Interface
The AirPrime HL8549 and HL8549-G modules support two digital clock interfaces.
The following table describes the pin description of the clock out interfaces.

4115653 Rev 3.0 July 31, 2014 32
Product Technical Specification
Detailed Interface Specifications
Table 23. Clock Interface Pin Description
Pin Number
Signal Name
I/O
I/O Type
Description
22
26M_CLKOUT
O
1.8V
26MHz Digital Clock output
23
32K_CLKOUT
O
1.8V
32.768kHz Digital Clock output
Enabling or disabling the clock out feature can be done using AT commands. For more information
about AT commands, refer to document [2] AirPrime HL6 and HL8 Series AT Commands Interface
Guide.
3.15. PCM
The Digital Audio (PCM) Interface allows connectivity with standard audio peripherals. It can be used,
for example, to connect an external audio codec.
The programmability of this interface allows addressing a large range of audio peripherals.
The signals used by the Digital Audio Interface are as follows:
PCM_SYNC: The frame synchronization signal delivers an 8 kHz frequency pulse that
synchronizes the frame data in and the frame data out.
PCM_CLK: The frame bit clock signal controls data transfer with the audio peripheral.
PCM_OUT: The frame “data out” relies on the selected configuration mode.
PCM_IN: The frame “data in” relies on the selected configuration mode.
The PCM interface is a high speed full duplex interface that can be used to send and receive digital
audio data to external audio ICs. The Digital Audio Interface also features the following:
PCM master or slave
16 bits data word length, linear mode
MSB first
Configurable PCM bit clock rate on 256kHz, 384kHz or 512kHz
Long frame sync
Refer to the following table for the electrical characteristics of the digital audio interface.
Table 24. Digital Audio Electrical Characteristics
Signal
Description
Minimum
Typical
Maximum
Unit
Tsync_low +
Tsync_high
PCM-SYNC period
125
µs
Tsync_low
PCM-SYNC low time
124
µs
Tsync_high
PCM-SYNC high time
1
µs
TCLK-cycle
PCM-CLK period
3.9
µs
TIN-setup
PCM-IN setup time
59.6
ns
TIN-hold
PCM-IN hold time
12
ns
TOUT-delay
PCM-OUT delay time
21.6
ns
TSYNC-delay
PCM-SYNC output delay
-24
31.2
ns

4115653 Rev 3.0 July 31, 2014 33
Product Technical Specification
Detailed Interface Specifications
The following figure shows the PCM timing waveform.
Figure 7. PCM Timing Waveform (TBC)
3.16. I2C Interface
NMEA frames can be output from USB, UART1 or through a dedicated serial port (I2C).
Table 25. I2C Pin Description
Pin Number
Signal Name
Function
1
I2C_CLK
I2C Clock
66
I2C_SDA
I2C Data
Note: I2C pins are multiplexed with GPIO features and are internally pulled to VGPIO with 4.7kΩ.
3.17. HSIC
The AirPrime HL8549 and HL8549-G embedded modules provide a standard high-speed inter-chip
(HSIC) interface as slave.
Table 26. HSIC Pin Description
Pin Number
Signal Name
Function
14
HSIC_DATA
High Speed Inter-Chip Data
15
HSIC_STRB
High Speed Inter-Chip Strobe

4115653 Rev 3.0 July 31, 2014 34
Product Technical Specification
Detailed Interface Specifications
3.18. Debug Interfaces
The AirPrime HL8549 and HL8549-G module provides 2 interfaces for a powerful debug system.
3.18.1. Debug Port
The AirPrime HL8549 and HL8549-G provides a 2-wire debug port interface, providing real-time
instruction and data trace of the Modem Core.
Table 27. SW Trace Pin Description
Pin Number
Signal Name*
I/O*
Function
44
DEBUG_TX
O
Debug Transmit Data
51
DEBUG_RX
I
Debug Receive Data
* According to module view.
Note: It is strongly recommended to provide access through Test Points to this interface.
3.18.2. JTAG
The JTAG interface provides debug access to the core of the HL8549 and HL8549-G. These JTAG
signals are accessible through solder-able test points.
Table 28. JTAG Pin Description
Pin Number
Signal Name
Function
47
TP1
Test Point 1
236
JTAG_RESET
JTAG RESET
237
JTAG_TCK
JTAG Test Clock
238
JTAG_TDO
JTAG Test Data Output
239
JTAG_TMS
JTAG Test Mode Select
240
JTAG_TRST
JTAG Test Reset
241
JTAG_TDI
JTAG Test Data Input
242
JTAG_RTCK
JTAG Returned Test Clock
Note: It is recommended to provide access through Test Points to this interface (for Failure Analysis
debugging). All signals listed in table above shall be outputs on the customer board to allow JTAG
debugging.

4115653 Rev 3.0 July 31, 2014 35
Product Technical Specification
Detailed Interface Specifications
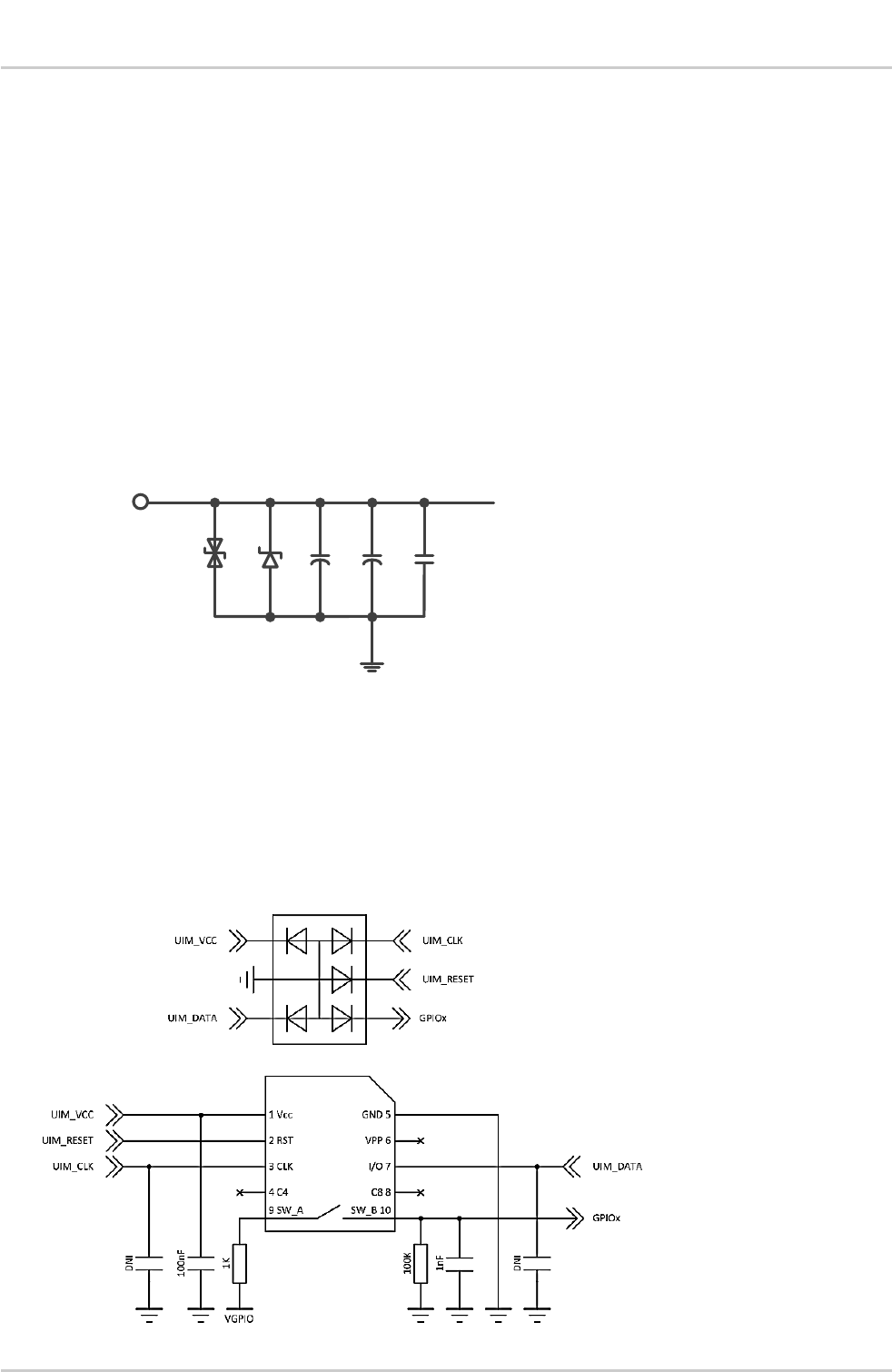
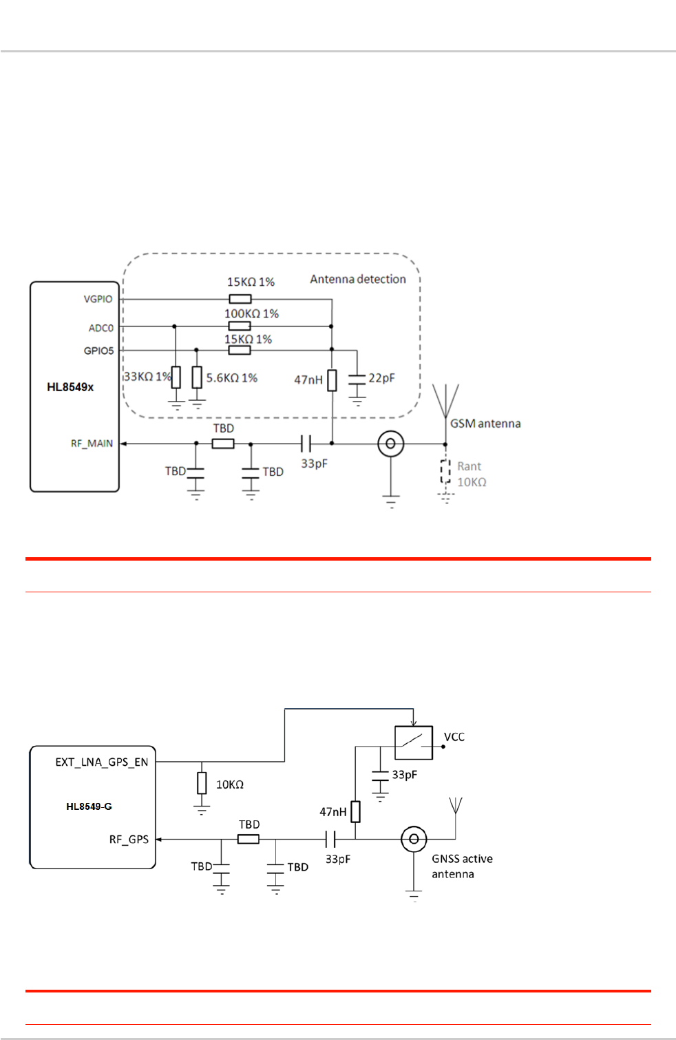
3.19. PPS (HL8549-G Only)
The PPS signal is an output pulse related to GNSS receiver time.
Table 29. PPS Electrical Characteristics
Parameter
Min
Typ
Max
Test Conditions
Frequency
1Hz
Pulse width (high)
250ms
Pulse width (low)
750ms
Synchronization to GNSS time
1µs
Note: This output is available only when GNSS is in tracking mode.
250 ms
1.8V
750 ms
0V
Figure 8. PPS Signal
3.20. EXT_LNA_GPS_EN (HL8549-G only)
EXT_LNA_GPS_EN ON indicates whether the GNSS receiver is active and can be used to enable an
external LNA (or active antenna), especially during GNSS low power mode.
3.21. RF Interface
The GSM RF interface of the HL8549 and HL8549-G module allows the transmission of RF signals.
This interface has a 50Ω nominal impedance.
3.21.1. RF Connection
A 50Ω stripline can be used to connect to standard RF connectors such as SMA, UFL, etc. for
antenna connection.
Table 30. RF Connection
RF Signal
Impedance
VSWR Rx (max)
VSWR Tx (max)
RF_MAIN
50Ω
1.5:1
1.5:1

4115653 Rev 3.0 July 31, 2014 36
Product Technical Specification
Detailed Interface Specifications
3.21.2. RF Performances
RF performances are compliant with the ETSI recommendation GSM 05.05.
Table 31. RF Performance
Frequency Band
Typical Sensitivity (dBm)
GSM850/EGSM
-109
DCS/PCS
-108
UMTS B1
-110
UMTS B2
-110
UMTS B5/6
-110
UMTS B8
-110
3.21.3. TX Burst Indicator (2G_TX_ON)
The AirPrime HL8549 and HL8549-G module provides a signal, 2G_TX_ON, for TX Burst indication.
The 2G_TX_ON is a 1.8V signal and its status signal depends on the module transmitter state.
Refer to the following table for the status of the 2G_TX_ON signal depending on the embedded
module’s state.
Table 32. Burst Indicator States
Embedded Module State
2G_TX_ON
During TX burst
High
No TX
Low
During TX burst, there is a higher current drain from the VBATT_PA power supply which causes a
voltage drop. This voltage drop from VBATT_PA is a good indication of a high current drain situation
during TX burst.
The blinking frequency is about 217Hz.
The output logic high duration, Tduration, depends on the number of TX slots and is computed as follows:
T duration = T advance + (0.577ms x number of TX slots) + T delay
Table 33. TX Burst Characteristics
Parameter
Minimum
Typical
Maximum
Tadvance
30µs
Tdelay
5µs

4115653 Rev 3.0 July 31, 2014 37
Product Technical Specification
Detailed Interface Specifications
Figure 9. 2G_TX_ON State during TX Burst
3.22. GNSS Interface
The AirPrime HL8549-G embeds an integrated and high-sensitivity Global Navigation Satellite System
(GNSS) solution.
Based on SiRFstarV™ from CSR, the HL8549-G combines GPS and GLONASS reception to improve
navigation capabilities and position accuracy in obstructed view environments such as urban canyons.
GNSS performances are improved by CW jammer and interference mitigation system and automated
hardware blanking capabilities.
In addition, it supports Control Plane Assisted GPS and Secure User Plane Location (SUPL) protocol
to reduce the time to first fix in the presence of assistance information from wireless networks.
The operation of GNSS is offloaded to a GNSS standalone solution to guaranty the modem resources
availability for the best performances.
The GNSS implementation supports GPS L1 signal (1575.42 ± 20 MHz) and GLONASS L1 FDMA
signals for frequency -7 to 6 (1597.5 – 1605.8 MHz), with 50Ω connection on RF_GPS pad.
3.22.1. GNSS Performances
Table 34. GNSS Interface Specifications
Test
Parameters
Typical Value
Sensitivity
GPS Autonomous Acquisition without LNA (dBm)
-147
GPS Navigation without LNA (dBm)
-161
GLONASS Navigation (dBm)
TBD
GPS Tracking (dBm)
TBD
GLONASS Tracking (dBm)
TBD
Autonomous Cold Start
Time To First Fix (s)
50%
TBD
95%
TBD
2D Position Error (m)
50%
TBD
95%
TBD

4115653 Rev 3.0 July 31, 2014 38
Product Technical Specification
Detailed Interface Specifications
Test
Parameters
Typical Value
Autonomous Warm Start
Time To First Fix (s)
50%
TBD
95%
TBD
2D Position Error (m)
50%
TBD
95%
TBD
Autonomous Hot Start
Time To First Fix (s)
50%
TBD
95%
TBD
2D Position Error (m)
50%
TBD
95%
TBD
Aiding Warm Start
Time To First Fix (s)
50%
TBD
95%
TBD
2D Position Error (m)
50%
TBD
95%
TBD
3.22.2. GNSS Antenna Interface
Specifications for the GNSS antenna interface are defined in the table below.
Table 35. GNSS Antenna Specifications
Characteristics
GNSS
Frequency (MHz)
GPS L1
1575.42±20
GLONASS L1 FDMA
1597.5-1605.8
RF Impedance (Ω)
50
VSWR max
2:1
The minimum isolation between GNSS and GSM antennas should be 20dB.
3.22.3. GNSS Antenna Recommendations
Both passive and active antennas are supported by the AirPrime HL8549-G module.
The table below describes the expected performance function as input signal power.
Table 36. GNSS Antenna Recommendations
GNSS Signal Level Description
Input Signal
Power (dBm)
Expected Performances
Absolute maximum
-110
Maximum to input level
Good
>-134
Best performance in TTFF and position accuracy,
allow to enter low power modes
Acceptable
>-147
Minimum input level to allow initial acquisition
without aiding
Poor
<-147
No signal acquisition without aiding
Minimum usable signal
-161
Below this level, no fix with reasonable error

4115653 Rev 3.0 July 31, 2014 39
Product Technical Specification
Detailed Interface Specifications
GNSS Signal Level Description
Input Signal
Power (dBm)
Expected Performances
Minimum tracking level
-165
Minimum level to lock the signal for fast recovery
when the signal returns to the minimum usable
level
For passive antennas, the internal LNA should be set in high gain mode.
For active antennas, the internal LNA gain should be set to low gain if external net gain is higher than
16dB. If the external net gain is lower than 16dB, it is advised to set the internal LNA gain in high gain.
In any case, the external net gain should not exceed 24dB.

4115653 Rev 3.0 July 31, 2014 40
4. Mechanical Drawings
Figure 10. AirPrime HL8549x Mechanical Drawing

4115653 Rev 3.0 July 31, 2014 41
Product Technical Specification
Mechanical Drawings
Figure 11. AirPrime HL8549x Footprint

4115653 Rev 3.0 July 31, 2014 42
5. Design Guidelines
5.1. Power-Up Sequence
Apply a LOW level logic to the PWR_ON pin (pin 59); within 25ms, VGPIO will appear to be at 1.8V.
Either a USB or UART1 interface could be used to send AT commands. Note that for USB
connections, the time when AT commands can be sent will depend on the initialization time used for
the USB connection with the USB host.
Figure 12. PWR_ON Sequence with VGPIO Information
Note: As PWR_ON is internally pulled up with 200kΩ, a simple open collector or open drain transistor
must be used for ignition.
The PWR_ON pin has the minimum assertion time requirement of 25ms, with LOW active. Once the
valid power on trigger is detected, the PWR_ON pin status can be left open.
VBATT has to ramp up within 32 ms to reach the value of 3.2V; otherwise, the module may not power
up.
Figure 13. PWR_ON Sequence with Trampup
5.2. Module Switch-Off
AT command AT+CPOF enables the user to properly switch the AirPrime HL8549 and HL8549-G
module off. The PWR_ON signal must be set to high (inactive) before the AT+CPOF command is sent.
Note: If the PWR_ON signal is active (low level) when the AT+CPOF command is sent, the module will
not power off.
If required, the module can be switched off by controlling the power supply. This can be used, for
example, when the system freezes and no reset line is connected to the AirPrime HL8549 and
HL8549-G module. In this case, the only way to get control over the module back is to switch off the
power line.

4115653 Rev 3.0 July 31, 2014 43
Product Technical Specification
Design Guidelines
Figure 14. Power OFF Sequence for PWR_ON, VGPIO
Note: PWR_ON is internally pulled up by 200kΩ to 1.8V.
5.3. Emergency Power OFF
If required, the module can be switched off by controlling the RESET pin (pin 11). This must only be
used in emergency situations if the system freezes (not responding to AT commands).
To perform an emergency power off, a low level pulse must be sent on the RESET pin for 10ms while
the PWR_ON signal is inactive (high level). This action will immediately shut the HL8549x module
down and the registers of the CPU and RAM memory will be reset for the next power on.
5.4. Sleep Mode Management
5.4.1. Using UART
AT command AT+KSLEEP enables sleep mode configuration.
AT+KSLEEP=0:
The AirPrime HL8549 and HL8549-G module is active when DTR signal is active (low
electrical level).
When DTR is deactivated (high electrical level), the AirPrime HL8549 and HL8549-G module
enters sleep mode after a while.
On DTR activation (low electrical level), the AirPrime HL8549 and HL8549-G module wakes
up.
AT+KSLEEP=1:
The AirPrime HL8549 and HL8549-G module determines when it enters sleep mode (when
no more tasks are running).
“0x00” character on the serial link wakes the AirPrime HL8549 and HL8549-G module up.
AT+KSLEEP=2:
The AirPrime HL8549 and HL8549-G module never enters sleep mode.

4115653 Rev 3.0 July 31, 2014 44
Product Technical Specification
Design Guidelines
5.4.2. Using USB
Use AT+KSLEEP=1 to allows the module to automatically enter sleep mode while the USB interface is
in use.
5.5. Power Supply Design
The AirPrime HL8549x module should not be supplied with voltage over 4.5V even temporarily or
however briefly.
If the system’s main board power supply unit is unstable or if the system’s main board is supplied with
over 4.5V, even in the case of transient voltage presence on the circuit, the HL8549x’s power
amplifier and GPS chipset may be severely damaged.
To avoid such issues, add a voltage limiter to the module’s power supply lines so that VBATT and
VBATT_PA signal pads will never receive a voltage surge over 4.5V. The voltage limiter can be as
simple as a Zener diode with decoupling capacitors as shown in the diagram below.
Power Supply VBATT/VBATT_PA
D404
0.5 pF
D405
C404
1.5 mF +
+
C405
150 µF
C407
100 nF
Figure 15. Voltage Limiter Example
5.6. ESD Guidelines for SIM Card
Decoupling capacitors must be added as close as possible to the SIM card connectors on UIM1_CLK,
UIM1_RST, UIM1_VCC and UIM1_DATA signals to avoid EMC issues and to pass the SIM card type
approval tests, according to the drawings below.
A typical schematic for hardware SIM detection is provided below.
Figure 16. EMC and ESD Components Close to the SIM

4115653 Rev 3.0 July 31, 2014 45
Product Technical Specification
Design Guidelines
5.7. ESD Guidelines for USB
When the USB interface is externally accessible, it is required to have ESD protection on the
USB_VBUS, USB_D+ and USB_D- signals.
Figure 17. ESD Protection for USB
Note: It is not recommended to have an ESD diode with feedback path from USB_VBUS to either
USB_D+ or USB_D-.
5.8. Dual SIM Application
Using an external switch and GPIOs, the HL8549 and HL8549-G can support Dual SIM Single
Standby with fast network switching. Refer to document [2] AirPrime HL6 and HL8 Series AT
Commands Interface Guide for related AT commands.
Figure 18. Reference Design for Dual SIM Application

4115653 Rev 3.0 July 31, 2014 46
Product Technical Specification
Design Guidelines
5.9. Radio Integration
5.9.1. GSM Antenna Integration with Antenna Detection
Circuitry
The AirPrime HL8549 and HL8549-G is equipped with external antennas. A 50Ω line matching circuit
between the module, the customer’s board and the RF antennas is required, for GSM and GPS feed
path, as shown in the example below.
Figure 19. GSM Antenna Connection with Antenna Detection
Note: Antenna detection circuit is optional. Rant is the equivalent DC terminating resistor of the antenna.
Rant should be close to 10KΩ.
5.9.2. GNSS Active Antenna Integration
The AirPrime HL8549-G module embeds a GPS/GLONASS receiver inside. A possible
implementation with an active GNSS antenna is defined below.
Figure 20. GNSS Application with Active Antenna
EXT_LNA_GPS_EN is a specific signal that automatically sets the AirPrime HL8549-G module
internal LNA to low gain when an external pull-down resistor is detected.
Note: When the application needs to monitor the active antenna current, current monitor devices can be
connected to any of the module’s GPIOs, and read with a dedicated AT command.

4115653 Rev 3.0 July 31, 2014 47
6. X-Ray Exposure
X-ray exposure results in an undesirable shift in programmed bit threshold voltage of the Flash
memory.
As a result, Sierra Wireless recommends avoiding any X-ray exposure during customer manufacturing
process to ensure software integrity and long term reliability.
In case X- ray inspection could not be eliminated from the customer manufacturing process, a variety
of mitigation methods should be implemented to lower the risk of potential failure:
Use of filter between source and module to minimize exposure to harmful soft X- ray
300µm Zn filter or 1mm Al filter are optimal
Zn and Al absorb soft X-ray to which silicon is particularly vulnerable, and transmit soft
and medium energy X-rays required to obtain good imaging
Minimize X-Ray dose
should be less than 10 RADs
KV peak should be less than 50KV peak
tube current should be less than 20µA
Maximize distance between source and the module
Minimize the X-ray time
use the shortest exposure time possible
sampling only, not 100% inspection
Note that these mitigation guidelines are for information only as it’s NOT possible to provide accurate
acceptable or unacceptable X- ray exposure criteria, e.g. maximum safe dose rate, maximum safe
exposure time, etc.

4115653 Rev 3.0 July 31, 2014 48
7. FCC Legal Information
The HL8549x module has been granted modular approval for mobile applications. Integrators may
use the HL8549x module in their final products without additional FCC certification if they meet the
following conditions. Otherwise, additional FCC approvals must be obtained.
1. At least 20 cm separation distance between the antenna and the user’s body must be
maintained at all times.
2. To comply with FCC regulations limiting both maximum RF output power and human
exposure to RF radiation, the maximum antenna gain including cable loss in a mobile-only
exposure condition must not exceed:
TBD dBi in the cellular band
TBD dBi in the PCS band
3. The HL8549x module must not transmit simultaneously with other collocated radio
transmitters within a host device.
4. The RF signal must be routed on the application board using tracks with a 50Ω characteristic
impedance. Basically, the characteristic impedance depends on the dielectric, the track width
and the ground plane spacing. In order to respect this constraint, Sierra Wireless
recommends using MicroStrip or StripLine structure and computing the Tracks width with a
simulation tool (like AppCad shown in the figure below and that is available free of charge at
http://www.agilent.com).

4115653 Rev 3.0 July 31, 2014 49
Product Technical Specification
FCC Legal Information
If a multi-layered PCB is used, the RF path on the board must not cross any signal (digital,
analog or supply).
If necessary, use StripLine structure and route the digital line(s) "outside" the RF structure. An
example of proper routing is shown in the figure below.
Stripline and Coplanar design requires having a correct ground plane at both sides.
Consequently, it is necessary to add some vias along the RF path. It is recommended to use
Stripline design if the RF path is fairly long (more than 3cm), since MicroStrip design is not
shielded. Consequently, the RF signal (when transmitting) may interfere with neighbouring
electronics (AF amplifier, etc.). In the same way, the neighbouring electronics (micro-
controllers, etc.) may degrade the reception performances. The GSM/GPRS connector is
intended to be directly connected to a 50Ω antenna and no matching is needed.
5. A label must be affixed to the outside of the end product into which the HL8549x module is
incorporated, with a statement similar to the following:
This device contains FCC ID: N7NHL8549G
6. A user manual with the end product must clearly indicate the operating requirements and
conditions that must be observed to ensure compliance with current FCC RF exposure
guidelines.
The end product with an embedded HL8549x module may also need to pass the FCC Part 15
unintentional emission testing requirements and be properly authorized per FCC Part 15.
Note: If this module is intended for use in a portable device, you are responsible for separate approval to
satisfy the SAR requirements of FCC Part 2.1093.
7.1. IC Regulations
IC Radiation Exposure Statement:
This equipment complies with IC RSS-102 radiation exposure limits set forth for an
uncontrolled environment. This equipment should be installed and operated with minimum
distance 20cm between the radiator & your body.
This device and its antenna(s) must not be co-located or operating in conjunction with any
other antenna or transmitter.
This Class B digital apparatus complies with Canadian ICES-003.
Under Industry Canada regulations, this radio transmitter may only operate using an antenna
of a type and maximum (or lesser) gain approved for the transmitter by Industry Canada. To
reduce potential radio interference to other users, the antenna type and its gain should be so
chosen that the equivalent isotropically radiated power (e.i.r.p) is not more than necessary for
successful communication.
Labeling Requirements for the Host Device (from Section 3.2.1, RSS-Gen, Issue 3,
December 2010): The host device shall be properly labeled to identify the module within the
host device. The Industry Canada certification label of a module shall be clearly visible at all
times when installed in the host device, otherwise the host device must be labeled to display
the Industry Canada certification number of the module, preceded by the words – Contains

4115653 Rev 3.0 July 31, 2014 50
Product Technical Specification
FCC Legal Information
transmitter module‖, or the word – Contains‖, or similar wording expressing the same
meaning, as follows: Contains transmitter module IC: 2417C-HL8549G.
This device complies with Industry Canada license-exempt RSS standard(s). Operation is
subject to the following two conditions: (1) this device may not cause interference, and (2) this
device must accept any interference, including interference that may cause undesired
operation of the device. Le présent appareil est conforme aux CNR d'Industrie Canada
applicables aux appareils radio exempts de licence.
This radio transmitter (identify the device by certification number, or model number if
Category II) has been approved by Industry Canada to operate with the antenna types listed
below with the maximum permissible gain and required antenna impedance for each antenna
type indicated. Antenna types not included in this list, having a gain greater than the
maximum gain indicated for that type, are strictly prohibited for use with this device.

4115653 Rev 3.0 July 31, 2014 51
8. Ordering Information
Table 37. Ordering Information
Model Name
Part Number
Designation
HL8549
1102258
HL8549
HL8549-G
1102276
HL8549-G
DEV-KIT
6000575
DEV-KIT, HL series

4115653 Rev 3.0 July 31, 2014 52
9. Terms and Abbreviations
Abbreviation
Definition
ADC
Analog to Digital Converter
AGC
Automatic Gain Control
AT
Attention (prefix for modem commands)
CDMA
Code Division Multiple Access
CF3
Common Flexible Form Factor
CLK
Clock
CODEC
Coder Decoder
CPU
Central Processing Unit
DAC
Digital to Analog Converter
DTR
Data Terminal Ready
EGNOS
European Geostationary Navigation Overlay Service
EMC
Electromagnetic Compatibility
EMI
Electromagnetic Interference
EN
Enable
ESD
Electrostatic Discharges
ETSI
European Telecommunications Standards Institute
FDMA
Frequency-division multiple access
GAGAN
GPS aided geo augmented navigation
GLONASS
Global Navigation Satellite System
GND
Ground
GNSS
Global Navigation Satellite System
GPIO
General Purpose Input Output
GPRS
General Packet Radio Service
GSM
Global System for Mobile communications
Hi Z
High impedance (Z)
IC
Integrated Circuit
IMEI
International Mobile Equipment Identification
I/O
Input / Output
LED
Light Emitting Diode
LNA
Low Noise Amplifier
MAX
Maximum
MIN
Minimum
MSAS
Multi-functional Satellite Augmentation System
N/A
Not Applicable
PA
Power Amplifier
PC
Personal Computer
PCB
Printed Circuit Board
PCL
Power Control Level
PLL
Phase Lock Loop
PWM
Pulse Width Modulation
QZSS
Quasi-Zenith Satellite System

4115653 Rev 3.0 July 31, 2014 53
Product Technical Specification
Terms and Abbreviations
Abbreviation
Definition
RF
Radio Frequency
RFI
Radio Frequency Interference
RMS
Root Mean Square
RST
Reset
RTC
Real Time Clock
RX
Receive
SCL
Serial Clock
SDA
Serial Data
SIM
Subscriber Identification Module
SMD
Surface Mounted Device/Design
SPI
Serial Peripheral Interface
SW
Software
PSRAM
Pseudo Static RAM
TBC
To Be Confirmed
TBD
To Be Defined
TP
Test Point
TX
Transmit
TYP
Typical
UART
Universal Asynchronous Receiver-Transmitter
UICC
Universal Integrated Circuit Card
USB
Universal Serial Bus
UIM
User Identity Module
VBATT
Main Supply Voltage from Battery or DC adapter
VSWR
Voltage Standing Wave Ratio
WAAS
Wide Area Augmentation System
