Sierra Wireless ULC Q52OMNI Dual mode transceiver User Manual
Sierra Wireless, Inc. Dual mode transceiver
User Manual

Revision: 004
Date: December 01, 2008
Reference: WI_DEV_ASSM_PTS_001
Product Technical Specification &
Customer Design Guidelines
Q52 Omni
Wireless CPU®

Q52 Omni Product
Technical Specification
© Confidential Page 1 / 78
This document is the sole and exclusive property of WAVECOM. Not to be distributed or divulged without prior written
agreement.
Q52 Omni Wireless CPU®
Product Technical Specification &
Customer Design Guidelines
Reference:
WI_DEV_ASSM_PTS_001
Revision:
004
Date:
December 01, 2008
Powered by the Wavecom Operating System and Open AT®

Q52 Omni Product
Technical Specification
© Confidential Page 2 / 78
This document is the sole and exclusive property of WAVECOM. Not to be distributed or divulged without prior written
agreement.
Document History
Level Date List of revisions
001 March 5, 2008 Creation Wavecom
002 August 26, 2008 Update Wavecom
003 November 14, 2008 Addition of the “Declaration of Conformity” Wavecom
004 December 1, 2008 Update Wavecom

Q52 Omni Product
Technical Specification
© Confidential Page 3 / 78
This document is the sole and exclusive property of WAVECOM. Not to be distributed or divulged without prior written
agreement.
Overview
This document defines and specifies the Q52 Omni GSM/Orbcomm dual mode
transceiver.

Q52 Omni Product
Technical Specification
© Confidential Page 4 / 78
This document is the sole and exclusive property of WAVECOM. Not to be distributed or divulged without prior written
agreement.
Table of Contents
1 References............................................................................................ 11
1.1 Reference Documents ........................................................................... 11
1.1.1 Wavecom Reference Documentation.............................................. 11
1.1.2 General Reference Documents....................................................... 11
1.2 List of Abbreviations ............................................................................. 12
2 General Description............................................................................... 15
2.1 General Information .............................................................................. 15
2.1.1 Overall Dimensions........................................................................ 15
2.1.2 Environment and Mechanics .......................................................... 15
2.1.3 Transceiver Features..................................................................... 15
2.1.4 Primary Interfaces......................................................................... 16
2.1.5 Operating System .......................................................................... 16
2.2 Functional Description .......................................................................... 17
2.2.1 GSM Functionalities ...................................................................... 18
2.2.2 Orbcomm Functionality.................................................................. 18
2.3 Operating System.................................................................................. 18
3 Interfaces ............................................................................................. 19
3.1 System Connector................................................................................. 19
3.2 Power Supply ........................................................................................ 20
3.2.1 Power Supply Description .............................................................. 20
3.2.2 Power Consumption....................................................................... 22
3.2.3 Recommendations for Less Consumption ..................................... 29
3.3 Electrical Information for Digital I/O....................................................... 30
3.4 Serial Interface ..................................................................................... 31
3.4.1 SPI Bus ......................................................................................... 31
3.4.2 I2C Bus ......................................................................................... 33
3.5 Main Serial Link (UART1)....................................................................... 34
3.5.1 Features........................................................................................ 34
3.5.2 Pin Description of UART1 Interface................................................ 35
3.6 Auxiliary Serial Link (UART2)................................................................. 38
3.6.1 Features........................................................................................ 38
3.7 General Purpose Input/Output................................................................ 39

Q52 Omni Product
Technical Specification
© Confidential Page 5 / 78
This document is the sole and exclusive property of WAVECOM. Not to be distributed or divulged without prior written
agreement.
3.8 Analog to Digital Converters.................................................................. 40
3.8.1 Features........................................................................................ 40
3.8.2 Pins Description ............................................................................ 40
3.9 Digital to Analog Converter.................................................................... 41
3.9.1 Features........................................................................................ 41
3.9.2 Pin Description .............................................................................. 41
3.10 Analog Audio Interface .......................................................................... 42
3.10.1 Microphone Input .......................................................................... 42
3.10.2 Speaker Output Characteristics ..................................................... 44
3.10.3 Design Recommendation ............................................................... 45
3.10.4 Buzzer Output................................................................................ 48
3.11 ~ON / OFF Signal ................................................................................... 50
3.11.1 Features........................................................................................ 50
3.11.2 Pin Description .............................................................................. 50
3.11.3 Application.................................................................................... 50
3.12 External Interrupt.................................................................................. 55
3.13 BOOT Signal.......................................................................................... 55
3.13.1 Features........................................................................................ 56
3.13.2 Pin Description .............................................................................. 56
3.13.3 Application.................................................................................... 56
3.14 VREF_2V8 Output .................................................................................. 57
3.15 BAT-RTC (Backup Battery) .................................................................... 57
3.15.1 Interface Description..................................................................... 57
3.16 FLASH-LED Signal ................................................................................. 58
3.17 GPS Functionality.................................................................................. 59
3.17.1 Features (eRide Documentation Extract: For Information Only)....... 59
3.17.2 Performances (eRide Documentation Extract: For Information Only)59
3.18 RF Interface .......................................................................................... 65
3.18.1 RF Connections ............................................................................. 65
3.18.2 RF Performance............................................................................. 65
3.18.3 Transmitter Parameters................................................................. 66
3.18.4 Antenna Specifications ................................................................. 66
4 Technical Specifications ....................................................................... 67
4.1 Environmental Specifications ................................................................ 67
4.2 Mechanical Specifications..................................................................... 69
4.3 Antenna Cable....................................................................................... 70
4.4 GSM Antenna ........................................................................................ 70
5 Appendix............................................................................................... 71

Q52 Omni Product
Technical Specification
© Confidential Page 6 / 78
This document is the sole and exclusive property of WAVECOM. Not to be distributed or divulged without prior written
agreement.
5.1 Standards and Recommendations.......................................................... 71
5.2 Declaration of Conformity...................................................................... 75
5.3 Safety Recommendations (for Information Only) .................................... 76
5.3.1 RF Safety ...................................................................................... 76
5.3.2 General Safety............................................................................... 77

Q52 Omni Product
Technical Specification
© Confidential Page 7 / 78
This document is the sole and exclusive property of WAVECOM. Not to be distributed or divulged without prior written
agreement.
List of Figures
Figure 1: Top Level Architecture ........................................................................... 17
Figure 2: Power supply during burst emission...................................................... 21
Figure 3: Connected Mode Current Waveform ...................................................... 25
Figure 4: Slow Idle Mode Current Waveform ........................................................ 26
Figure 5: Fast Idle Mode Current Waveform ......................................................... 26
Figure 6: Transfer Mode Class 10 Current Waveform ........................................... 27
Figure 7: SPI Timing diagrams, Mode 0, Master, 4 wires ..................................... 31
Figure 8: I²C Timing diagrams, Master ................................................................. 33
Figure 9: Example of V24/CMOS serial link implementation for UART1................. 36
Figure 10: Example of full modem V24/CMOS serial link implementation for UART1
....................................................................................................................... 37
Figure 11: Example of MIC input connection with LC filter ................................... 43
Figure 12: Example of MIC input connection without LC filter .............................. 43
Figure 13: Example of Speaker connection ........................................................... 45
Figure 14: Capacitor near Microphone.................................................................. 46
Figure 15: Audio track design ............................................................................... 47
Figure 16: Example of buzzer implementation ...................................................... 49
Figure 17: Example of LED driven by the BUZZ-OUT output ................................. 49
Figure 18 : Example of ON/~OFF pin connection .................................................. 50
Figure 19 : Power-ON sequence (no PIN code activated) ...................................... 51
Figure 20 : Power-OFF sequence.......................................................................... 54
Figure 21: Boot Selection Application Example ..................................................... 56
Figure 22: Real Time Clock power supply ............................................................. 57
Figure 23: GPS TTFF, Hot Start Configuration ...................................................... 60
Figure 24: GPS TTFF, Warm Start Configuration .................................................. 61
Figure 25: GPS TTFF, Simulator Cold Start Configuration ..................................... 61
Figure 26: First Position Fix Accuracy Chart 01 .................................................... 62
Figure 27: First Position Fix Accuracy Chart 02 .................................................... 63
Figure 28: First Position Fix Accuracy Chart 03 .................................................... 64
Figure 29: Environmental classes ......................................................................... 68

Q52 Omni Product
Technical Specification
© Confidential Page 8 / 78
This document is the sole and exclusive property of WAVECOM. Not to be distributed or divulged without prior written
agreement.
List of Tables
Table 1: GSM /GPRS Frequency............................................................................ 18
Table 2: System connector pinout ........................................................................ 20
Table 3: Power Supply Voltage ............................................................................. 21
Table 4: GSM power consumption without Open AT® processing ....................... 23
Table 5: Power consumption with Dhrystone Open AT® application .................... 24
Table 6: Power Supply Pin-out ............................................................................. 28
Table 7: CMOS Output / Input Electrical Characteristics for 2.8 volt signals.......... 30
Table 8: CMOS Output / Input Electrical Characteristics for 1.8 volt signals.......... 30
Table 9: Open Drain Electrical Characteristics....................................................... 30
Table 10: SPI Bus AC characteristics .................................................................... 32
Table 11: SPI Bus Configuration ........................................................................... 32
Table 12: SPI Bus Pin description ......................................................................... 32
Table 13: I²C Bus AC characteristics..................................................................... 34
Table 14: IC Bus Pin Description........................................................................... 34
Table 15: UART1 Pin Description.......................................................................... 35
Table 16: UART2 Pin Description.......................................................................... 38
Table 17: GPIOs Pin Description ........................................................................... 39
Table 18: ADCs Electrical Characteristics.............................................................. 40
Table 19: ADCs Pin Description ............................................................................ 40
Table 20: DAC Electrical Characteristics ............................................................... 41
Table 21: DAC Pin Description.............................................................................. 41
Table 22: MIC2 Pin Description ............................................................................ 42
Table 23: MIC2 Electrical Characteristics .............................................................. 42
Table 24: SPK Pin Description .............................................................................. 44
Table 25: SPK Electrical Characteristics ................................................................ 44
Table 26: Audio filtering Examples with Murata Components .............................. 47
Table 27: PWM/Buzzer Output Electrical Characteristics ...................................... 48
Table 28: PWM/Buzzer Output Pin Description..................................................... 48
Table 29: External Interrupt Pin description .......................................................... 55
Table 30: External Interrupt Electrical Characteristics ........................................... 55
Table 31: Boot Signal Mode ................................................................................. 56
Table 32: Boot Pin description .............................................................................. 56
Table 33: VREF_2V8 Pin Description ..................................................................... 57

Q52 Omni Product
Technical Specification
© Confidential Page 9 / 78
This document is the sole and exclusive property of WAVECOM. Not to be distributed or divulged without prior written
agreement.
Table 34: VREF_2V8 Electrical Characteristics....................................................... 57
Table 35: Bat-RTC Pin Description........................................................................ 58
Table 36: Bat-RTC Electrical Characteristics ......................................................... 58
Table 37: Flash-LED Status................................................................................... 58
Table 38: Flash-LED Pin Description ..................................................................... 59
Table 39: Flash-LED Electrical Characteristics....................................................... 59
Table 40: GPS Functionality Performances ........................................................... 60
Table 41: GSM Antenna Specifications................................................................. 66

Q52 Omni Product
Technical Specification
Cautions
This platform contains a modular transmitter. This device is used for wireless
applications. Note that all electronics parts and elements are ESD sensitive.
Information provided herein by WAVECOM is accurate and reliable. However no
responsibility is assumed for its use and any of such WAVECOM information is
herein provided “as is” without any warranty of any kind, whether express or
implied.
General information about WAVECOM and its range of products is available at the
following internet address: http://www.wavecom.com
Trademarks
, , ®, inSIM®, “YOU MAKE IT, WE MAKE IT
WIRELESS”®, WAVECOM®, Wireless Microprocessor®, Wireless CPU®, Open AT®
and certain other trademarks and logos appearing on this document, are filed or
registered trademarks of Wavecom S.A. in France and/or in other countries. All
other company and/or product names mentioned may be filed or registered
trademarks of their respective owners.
Copyright
This manual is copyrighted by WAVECOM with all rights reserved. No part of this
manual may be reproduced, modified or disclosed to third parties in any form
without the prior written permission of WAVECOM.
No Warranty/No Liability
This document is provided “as is”. Wavecom makes no warranties of any kind,
either expressed or implied, including any implied warranties of merchantability,
fitness for a particular purpose, or noninfringement. The recipient of the
documentation shall endorse all risks arising from its use. In no event shall
Wavecom be liable for any incidental, direct, indirect, consequential, or punitive
damages arising from the use or inadequacy of the documentation, even if
Wavecom has been advised of the possibility of such damages and to the extent
permitted by law.
© Confidential Page 10 / 78
This document is the sole and exclusive property of WAVECOM. Not to be distributed or divulged without prior written
agreement.

Q52 Omni Product
Technical Specification
© Confidential Page 11 / 78
This document is the sole and exclusive property of WAVECOM. Not to be distributed or divulged without prior written
agreement.
1 References
1.1 Reference Documents
For more details, several reference documents may be consulted. The Wavecom
reference documents are provided in the Wavecom document package, contrary to
the general reference documents which are not authored by Wavecom.
1.1.1 Wavecom Reference Documentation
[1] Wireless Microprocessor® WMP100 Technical Specification
Reference: WM_DEV_WUP_PTS_004
[2] WMP100 Development Kit User Guide
Reference: WM_DEV_WUP_UGD_001
[3] AT Command Interface Guide for Open AT® Firmware v7.0
Reference: WM_DEV_OAT_UGD_059
1.1.2 General Reference Documents
[4] “I²C Bus Specification”, Version 2.0, Philips Semiconductor 1998
[5] ISO 7816-3 Standard

Q52 Omni Product
Technical Specification
© Confidential Page 12 / 78
This document is the sole and exclusive property of WAVECOM. Not to be distributed or divulged without prior written
agreement.
1.2 List of Abbreviations
Abbreviation Definition
AC Alternating Current
ADC Analog to Digital Converter
A/D Analog to Digital conversion
AF Audio-Frequency
AT ATtention (prefix for modem commands)
AUX AUXiliary
CAN Controller Area Network
CB Cell Broadcast
CEP Circular Error Probable
CLK CLocK
CMOS Complementary Metal Oxide Semiconductor
CS Coding Scheme
CTS Clear To Send
DAC Digital to Analog Converter
dB Decibel
DC Direct Current
DCD Data Carrier Detect
DCE Data Communication Equipment
DCS Digital Cellular System
DR Dynamic Range
DSR Data Set Ready
DTE Data Terminal Equipment
DTR Data Terminal Ready
EFR Enhanced Full Rate
E-GSM Extended GSM
EMC ElectroMagnetic Compatibility
EMI ElectroMagnetic Interference
EMS Enhanced Message Service
EN ENable
ESD ElectroStatic Discharges
FIFO First In First Out
FR Full Rate

Q52 Omni Product
Technical Specification
© Confidential Page 13 / 78
This document is the sole and exclusive property of WAVECOM. Not to be distributed or divulged without prior written
agreement.
Abbreviation Definition
FTA Full Type Approval
GND GrouND
GPI General Purpose Input
GPC General Purpose Connector
GPIO General Purpose Input Output
GPO General Purpose Output
GPRS General Packet Radio Service
GPS Global Positioning System
GSM Global System for Mobile communications
HR Half Rate
I/O Input / Output
LED Light Emitting Diode
LNA Low Noise Amplifier
MAX MAXimum
MIC MICrophone
MIN MINimum
MMS Multimedia Message Service
MO Mobile Originated
MT Mobile Terminated
na Not Applicable
NF Noise Factor
NMEA National Marine Electronics Association
NOM NOMinal
NTC Negative Temperature Coefficient
PA Power Amplifier
Pa Pascal (for speaker sound pressure measurements)
PBCCH Packet Broadcast Control CHannel
PC Personal Computer
PCB Printed Circuit Board
PDA Personal Digital Assistant
PFM Power Frequency Modulation
PSM Phase Shift Modulation
PWM Pulse Width Modulation
RAM Random Access Memory
RF Radio Frequency

Q52 Omni Product
Technical Specification
© Confidential Page 14 / 78
This document is the sole and exclusive property of WAVECOM. Not to be distributed or divulged without prior written
agreement.
Abbreviation Definition
RFI Radio Frequency Interference
RHCP Right Hand Circular Polarization
RI Ring Indicator
RST ReSeT
RTC Real Time Clock
RTCM Radio Technical Commission for Maritime services
RTS Request To Send
RX Receive
SCL Serial CLock
SDA Serial DAta
SIM Subscriber Identification Wireless CPU
SMS Short Message Service
SPI Serial Peripheral Interface
SPL Sound Pressure Level
SPK SPeaKer
SRAM Static RAM
TBC To Be Confirmed
TDMA Time Division Multiple Access
TP Test Point
TVS Transient Voltage Suppressor
TX Transmit
TYP TYPical
UART Universal Asynchronous Receiver-Transmitter
USB Universal Serial Bus
USSD Unstructured Supplementary Services Data
VSWR Voltage Standing Wave Ratio

Q52 Omni Product
Technical Specification
© Confidential Page 15 / 78
This document is the sole and exclusive property of WAVECOM. Not to be distributed or divulged without prior written
agreement.
2 General Description
2.1 General Information
The Q52 Omni is a dual mode GSM/Orbcomm transceiver consisting of an E-
GSM/GPRS 900/1800 and 850/1900 quad-band GSM transceiver combined with a
full function Orbcomm transceiver. The operating mode of the dual mode
transceiver is managed by an internal communication controller that employs an
always best connected strategy with priority given to the GSM mode of operation
2.1.1 Overall Dimensions
Length: 114.55 mm
Width: 47.5 mm
Thickness: 16.2 mm
2.1.2 Environment and Mechanics
• Green policy: RoHS compliant
• Complete shielding
The Q52 Omni is compliant with RoHS (Restriction of Hazardous Substances in
Electrical and Electronic Equipment) Directive 2002/95/EC which sets limits for the
use of certain restricted hazardous substances. This directive states that “from 1st
July 2006, new electrical and electronic equipment put on the market does not
contain lead, mercury, cadmium, hexavalent chromium, polybrominated biphenyls
(PBB) or polybrominated diphenyl ethers (PBDE)”.
Transceivers which are compliant with this directive
are identified by the RoHs logo on their label.
2.1.3 Transceiver Features
• 2-Watt EGSM 900/GSM 850 radio
• 1-Watt GSM1800/1900 radio
• Hardware GPRS class 10 capable
• Internal GSM SIM card
• 5-Watt Orbcomm radio

Q52 Omni Product
Technical Specification
2.1.4 Primary Interfaces
• Power supply
• 2* UARTs Serial links
• GSM Analog audio
• Serial Protocol Interface (SPI)
• I2C Interface
• 2 A/D inputs and 1 D/A output
• Digital I/Os
• GSM , GPS† and Orbcomm antenna ports
2.1.5 Operating System
• Real Time Clock with calendar
• Echo Cancellation + noise reduction (quadri codec)
• Full GSM or GSM/GPRS Operating System stack
• Full Orbcomm Operating System stack
• Full GPS Operating System Stack‡
© Confidential Page 16 / 78
This document is the sole and exclusive property of WAVECOM. Not to be distributed or divulged without prior written
agreement.
* One on Version with GPS functionnality
† According to version
‡ According to version

Q52 Omni Product
Technical Specification
© Confidential Page 17 / 78
This document is the sole and exclusive property of WAVECOM. Not to be distributed or divulged without prior written
agreement.
2.2 Functional Description
The top level architecture of the Q52 Omni is described below:
Figure 1: Top Level Architecture

Q52 Omni Product
Technical Specification
2.2.1 GSM Functionalities
The Radio Frequency (RF) range of the GSM transceiver complies with the Phase II
EGSM 900/DCS 1800 and GSM 850/PCS 1900 recommendations. The frequencies
are:
Transmit band (Tx) Receive band (Rx)
GSM 850 824 to 849 MHz 869 to 894 MHz
E-GSM 900 880 to 915 MHz 925 to 960 MHz
DCS 1800 1710 to 1785 MHz 1805 to 1880 MHz
PCS 1900 1850 to 1910 MHz 1930 to 1990 MHz
Table 1: GSM /GPRS Frequency
2.2.2 Orbcomm Functionality
TBD
2.3 Operating System
The Operating System offers an extensive set of AT commands to control both the
GSM and Orbcomm functionality of the module.
The Operating System in the module is Open AT® compliant. This enables the
application developer to optionally integrate various types of specific process
applications such as vertical applications (telemetry, multimedia, automotive…) into
the internal ARM9 microprocessor.
© Confidential Page 18 / 78
This document is the sole and exclusive property of WAVECOM. Not to be distributed or divulged without prior written
agreement.

Q52 Omni Product
Technical Specification
© Confidential Page 19 / 78
This document is the sole and exclusive property of WAVECOM. Not to be distributed or divulged without prior written
agreement.
3 Interfaces
3.1 System Connector
Pin Signal Description Dir
Pin Type Alternate Function
1 BUZZ-OUT Buzzer Output O Open Drain
2 VREF_2V8 Logic Voltage Reference O V-Ref
3 FLASH-LED Flash LED Driver O Open Drain
4 BAT-RTC Battery for RTC I/O
Power
5 GND Chassis Ground Ground
6 GND Chassis Ground Ground
7 SPK2 Speaker Audio from module O Audio
8 GND Chassis Ground Ground
9 AGND Analog Reference Ground
10 MIC2 Microphone Audio to module
I Audio
11 DAC0 8 bit D/A Converter Output O 0 - 2 volts
12 PWR_EN Switches the module on/off I
13 ADC0 10 bit A/D Converter Input I 0 - 2 volts
14 ADC1 10 bit A/D Converter Input I 0 - 2 volts
15 HW_SD Hardware Shutdown I/O
CMOS_2V8
16 EXT-INT0 External Interrupt Signal I CMOS_1V8 GPIO3
17 SPI-I SPI Input (four wire
interface)
I CMOS_2V8 GPIO30
18 SPI1-IO SPI1 Out (four wire
interface)
SPI1 IO (three wire
interface)
O
I/O
CMOS_2V8
GPIO29
19 SPI-CLK SPI1 Clock I/O
CMOS_2V8 GPIO28
20 SPI-CS SPI1 Chip Select O CMOS_2V8 GPIO31
21 GND Chassis Ground Ground
22 GND Chassis Ground Ground
23 DCD1 Data Carrier Detect_UART1 O CMOS_2V8 GPIO43
24 RI1 Ring Indicator_UART1 O CMOS_2V8 GPIO42
25 CTS1 Clear to Send_UART1 O CMOS_2V8 GPIO39

Q52 Omni Product
Technical Specification
© Confidential Page 20 / 78
This document is the sole and exclusive property of WAVECOM. Not to be distributed or divulged without prior written
agreement.
Pin Signal Description Dir
Pin Type Alternate Function
26 DTR1 Data Terminal
Ready_UART1
I CMOS_2V8 GPIO41
27 TXD1 Transmit Data_UART1 I CMOS_2V8 GPIO36
28 RTS1 Request to Send_UART1 I CMOS_2V8 GPIO38
29 VCC_12V 12 VDC supply input I Power
30 RXD1 Receive Data_UART1 O CMOS_2V8 GPIO37
31 VCC_12V 12 VDC supply input I Power
32 VCC_12V 12 VDC supply input I Power
33 VCC_3V6 3.6 VDC regulated supply I Power
34 VCC_3V6 3.6 VDC regulated supply I Power
35 SDA_I2C I2C Data I/O
Open Drain GPIO27
36 SCL_I2C I2C Clock O Open Drain GPIO26
37 TXD2 Transmit Data_UART2 I CMOS_1V8 GPIO14
38 CTS2 Clear to Send_UART2 O CMOS_1V8 GPIO16
39 RXD2 Receive Data_UART2 O CMOS_1V8 GPIO15
40 RTS2 Request to Send_UART2 I CMOS_1V8 GPIO17
Table 2: System connector pinout
3.2 Power Supply
3.2.1 Power Supply Description
The power supply required for the Q52Omni is a dual rail supply; VCC_3V6 and
VCC_12V. VCC_12V is only required to support Satellite mode operation. VCC_3V6
is used for GSM/GPRS, Satellite and GPS operation.
The power supply is one of the key issues in the design of a dual mode terminal.
Operation in GSM mode requires particularly careful attention to the ability of the
power supply to provide clean DC power.
Due to the burst emission mode used in GSM/GPRS, the VCC_3V6 power supply
must be able to deliver high current peaks in a short time. During the peaks, the
ripple (Uripp) on the supply voltage must not exceed a certain limit (see Table 3:
Power Supply Voltage).
• In communication mode, a GSM/GPRS class 2 terminal emits 577μs radio
bursts every 4.615ms (see Figure 2).

Q52 Omni Product
Technical Specification
© Confidential Page 21 / 78
This document is the sole and exclusive property of WAVECOM. Not to be distributed or divulged without prior written
agreement.
Uripp
VCC 3V6
Uripp
T = 4,615 ms
t = 577 µs
Figure 2: Power supply during burst emission
• In communication mode, a GPRS class 10 terminal emits 1154μs radio
bursts every 4.615ms.
Only the VCC_3V6 (+3.6 VDC) power supply input is necessary during GSM mode
of operation
VCC_3V6:
• Supplies the GSM RF components. It is essential to keep a minimum voltage
ripple at this connection in order to avoid any phase error.
The RF Power Amplifier current (2.0 A peak in GSM /GPRS mode) flows with a ratio
of:
• 1/8 of the time (around 577μs every 4.615ms for GSM /GPRS cl. 2) and
• 2/8 of the time (around 1154μs every 4.615ms for GSM /GPRS
cl. 10).
The rise time is around 10μs.
• Supplies the GSM baseband components
Vmin Vnom Vmax Ripple max (Uripp)
VCC_12V 11.0 13.6 16.0 TBD mVpp
VCC_3V61,
2
3.6 3.8 4.0 200mVrms
Table 3: Power Supply Voltage
(1): This value has to be guarantied during the burst (with 2.0A Peak in GSM or
GPRS mode)
(2): Max operating Voltage Stationary Wave Ratio (VSWR) 2:1
When the Wireless CPU® is in Alarm mode, no voltage must be applied on any pin
of the 40-pin connector except on VRTC (pin 4) for RTC operation or PWR_EN (pin
12) to power ON the dual mode Transceiver.
When supplying the Q52 OMNI with a battery, the total impedance
(battery+protections+PCB) on 3V6 should be <150 mOhms.

Q52 Omni Product
Technical Specification
3.2.2 Power Consumption
GSM power consumption is dependent on the configuration used. It is for this
reason that the following consumption values are given for each mode, RF band
and type of software used (AT or Open AT™).
All the following information is given assuming a 50 Ω RF output.
The following consumption values were obtained by performing measurements on
Wireless Microprocessor samples at a temperature of 25° C.
Three VCC_3V6 values are used to measure the consumption, VCC_3V6MIN (3.2V),
VCC_3V6MAX (4.8V) and VCC_3V6TYP (3.6V).
The average current is given for the three VBATT values and the peak current given
is the maximum current peak measured with the three VCC_3V6 voltages.
For a more detailed description of the operating modes, see the appendix of the AT
Command Interface Guide for Open AT® Firmware v7.0.
All following consumption measurement values have to be confirmed.
3.2.2.1 Power Consumption without Open AT® Processing
The following measurement results are relevant when:
• There is no Open AT® application
• The Open AT® application is disabled
• No processing is required by the Open AT® application
© Confidential Page 22 / 78
This document is the sole and exclusive property of WAVECOM. Not to be distributed or divulged without prior written
agreement.

Q52 Omni Product
Technical Specification
© Confidential Page 23 / 78
This document is the sole and exclusive property of WAVECOM. Not to be distributed or divulged without prior written
agreement.
Operating mode Parameters
IMIN
average
VCC_3V6
=4.8V
INOM
average
VCC_3V6
=3.6V
IMAX
average
VCC_3V6
=3.2V
IMAX
peak
unit
Alarm Mode 21 16 15 µA
Paging 9 (Rx burst occurrence ~2s) 15 17 18 160
RX
mA
Fast Idle Mode
Paging 2 (Rx burst occurrence ~0,5s)
17 18 19 160
RX
mA
Paging 9 (Rx burst occurrence ~2s) 1.5
(1.5 to 1.75)
1.6
(1.6 to 1.9)
1.7
(1.7 to 2.05)
160 RX
mA
Slow Idle Mode 1
Paging 2 (Rx burst occurrence ~0,5s)
4
(4 to 4.3)
4.4
(4.4 to 4.75)
4.6
(4.6 to 4.95)
160 RX
mA
Fast Standby Mode 30 36 39 mA
Slow Standby Mode 1.4 1.4 1.5 mA
PCL5 (TX power
33dBm) 210 218 222 1450
TX mA
850/900 MHz
PCL19 (TX power
6dBm) 81 89 92 270
TX
mA
PCL0 (TX power
33dBm) 145 153 157 850
TX
mA
Connected Mode
1800/1900
MHz PCL19 (TX power
6dBm) 77 85 88 250
TX
mA
PCL3 (TX power
33dBm) 201 209 213 1450
TX mA
850/900 MHz
PCL17 (TX power
5dBm) 78 85 88 270
TX
mA
PCL3 (TX power
30dBm) 138 146 149 850
TX
mA
Transfer Mode
class 8 (4Rx/1Tx)
1800/1900
MHz PCL18 (TX power
0dBm) 74 81 84 250
TX
mA
PCL3 (TX power
33dBm) 364 372 378 1450
TX mA
850/900 MHz
PCL17 (TX power
5dBm) 112 120 123 270
TX
mA
PCL3 (TX power
30dBm) 237 245 248 850
TX
mA
Transfer Mode
class 10 (3Rx/2Tx)
1800/1900
MHz PCL18 (TX power
0dBm) 104 111 115 250
TX
mA
Table 4: GSM power consumption without Open AT® processing
TX means that the current peak is the RF transmission burst (Tx burst)
RX means that the current peak is the RF reception burst (Rx burst)

Q52 Omni Product
Technical Specification
© Confidential Page 24 / 78
This document is the sole and exclusive property of WAVECOM. Not to be distributed or divulged without prior written
agreement.
1 Slow Idle Mode consumption is depends on the SIM card used. Some SIM cards
respond faster than others, the longer the response time, the higher the
consumption. The measurements were performed with a large number of 3V SIM
cards, the results in brackets are the minimum and maximum currents measured
from among all the SIMs used.
3.2.2.2 Power consumption with Open AT® software
The Open AT™ software used is the Dhrystone application, the following
consumption results are measured during the run of the Dhrystone application.
Operating mode Parameters
IMIN
average
VBATT=4,8
V
INOM
average
VBATT=3,6
V
IMAX
average
VBATT=3,2
V
IMAX
peak
uni
t
Alarm Mode N/A N/A N/A µA
Paging 9 (Rx burst occurrence ~2s) 31 38 41 160
RX mA
Fast Idle Mode
Paging 2 (Rx burst occurrence ~0,5s)
32 39 42 160
RX mA
Paging 9 (Rx burst occurrence ~2s) N/A N/A N/A 160
RX mA
Slow Idle Mode
Paging 2 (Rx burst occurrence ~0,5s)
N/A N/A N/A 160
RX mA
Fast Standby Mode 31 38 41 mA
Slow Standby Mode N/A N/A N/A mA
PCL5 (TX power
33dBm) 211 219 223 1450
TX mA
850/900 MHz
PCL19 (TX power
6dBm) 82 90 93 270
TX mA
PCL0 (TX power
33dBm) 146 154 159 850
TX mA
Connected Mode
1800/1900
MHz PCL19 (TX power
6dBm) 78 85 89 250
TX mA
PCL3 (TX power
33dBm) 202 210 214 1450
TX mA
850/900 MHz
PCL17 (TX power
5dBm) 78 86 89 270
TX mA
PCL3 (TX power
30dBm) 140 148 151 850
TX mA
Transfer Mode
class 8 (4Rx/1Tx)
1800/1900
MHz PCL18 (TX power
0dBm) 75 82 85 250
TX mA
PCL3 (TX power
33dBm) 365 373 379 1450
TX mA
850/900 MHz
PCL17 (TX power
5dBm) 113 121 125 270
TX mA
PCL3 (TX power
30dBm) 239 247 250 850
TX mA
Transfer Mode
class 10 (3Rx/2Tx)
1800/1900
MHz PCL18 (TX power
0dBm) 105 113 117 250
TX mA
Table 5: Power consumption with Dhrystone Open AT® application

Q52 Omni Product
Technical Specification
© Confidential Page 25 / 78
This document is the sole and exclusive property of WAVECOM. Not to be distributed or divulged without prior written
agreement.
TX means that the current peak is the RF transmission burst (Tx burst)
RX means that the current peak is the RF reception burst (Rx burst)
3.2.2.3 Consumption Waveform Samples
The consumption waveforms are given for EGSM900 network configuration with
AT software running on the internal ARM9 CPU.
The VCC_3V6 voltage is at the typical value of 3.6V.
Four significant operating mode consumption waveforms are described:
• Connected Mode (PCL5: Tx power 33dBm)
• Slow Idle mode (Paging 9)
• Fast idle mode (Paging 9)
• Transfer mode (GPRS class 10, PCL3: Tx power 33dBm )
The following waveform shows only the form of the current, for correct current
values, see sections 3.2.2.1 and 3.2.2.2.
3.2.2.3.1 Connected Mode Current Waveform
Connected mode 33dBm
Current(A) / Time (s)
0
0.2
0.4
0.6
0.8
1
1.2
1.4
1.6
0
0.002
0.004
0.006
0.008
0.01
0.012
0.014
Figure 3: Connected Mode Current Waveform
TX PEAK

Q52 Omni Product
Technical Specification
3.2.2.3.2 Slow Idle Mode Current Waveform
Slow Idle mode Paging ~2s
Current(A) / Time (s)
-0.02
0
0.02
0.04
0.06
0.08
0.1
0.12
0.14
0.16
0
1
2
3
4
5
6
7
RX PEAK
Figure 4: Slow Idle Mode Current Waveform
3.2.2.3.3 Fast Idle Mode Current Waveform
Fast Id e Paging ~2s
Current(A) / Time (s)
0
0.02
0.04
0.06
0.08
0.1
0.12
0.14
0.16
0
1
2
3
4
5
6
7
le mod
RX PEAK
Figure 5: Fast Idle Mode Current Waveform
© Confidential Page 26 / 78
This document is the sole and exclusive property of WAVECOM. Not to be distributed or divulged without prior written
agreement.

Q52 Omni Product
Technical Specification
3.2.2.3.4 Transfer Mode Class 10 Current Waveform
Transfer mode Class 10 33dBm
Current(A) / Time (s)
0
0.2
0.4
0.6
0.8
1
1.2
1.4
1.6
0
0.002
0.004
0.006
0.008
0.01
0.012
0.014
TX PEAK
Figure 6: Transfer Mode Class 10 Current Waveform
© Confidential Page 27 / 78
This document is the sole and exclusive property of WAVECOM. Not to be distributed or divulged without prior written
agreement.

Q52 Omni Product
Technical Specification
3.2.2.4 Satellite Mode Power Consumption
The satellite portion of Q52Omni draws current from both the VCC_3V6 and
VCC_12V power supply rails. In order to eliminate the GSM/GPRS radio from the
values below it was placed in the Fast Standby Mode.
Operating mode Power Supply Rail IMAX unit
VCC_3V6 (nominal voltage) 250 mA
Satellite TX Mode
VCC_12V (nominal voltage) 1500 mA
Satellite non TX Mode VCC_12V (nominal voltage) 20 mA
These values in the above table are only applicable to the Satellite in TX Mode
operation. The VCC_3V6 power supply rail is also used by the GSM/GPRS radio
and the GPS, so there power consumption needs must also be taken into account
for the power supply design.
3.2.2.5 Power Supply Pin-Out
Signal Pin number
VCC_3V6 33,34
VCC_12V 29, 31,32
GND 5,6,8,21,22,
Table 6: Power Supply Pin-out
© Confidential Page 28 / 78
This document is the sole and exclusive property of WAVECOM. Not to be distributed or divulged without prior written
agreement.

Q52 Omni Product
Technical Specification
© Confidential Page 29 / 78
This document is the sole and exclusive property of WAVECOM. Not to be distributed or divulged without prior written
agreement.
3.2.3 Recommendations for Less Consumption
For a better consumption, in particular for the quiescent current, it is recommended
to drive the GPIOs like show in the table below.
Signal Muxed
with I/O
I/O type Reset state
SW driver
recommended
(output state)
GPIO14* TXD2 I/O 1V8 Z 0 logic level
GPIO15* RXD2 I/O 1V8 Z 0 logic level
GPIO16* CTS2 I/O 1V8 Z 0 logic level
GPIO17* RTS2 I/O 1V8 Z 0 logic level
GPIO24 HW-SD I/O 2V8 Z 0 logic level
GPIO26 SCL I/O Open drain
Z 0 logic level
GPIO27 SDA I/O Open drain
Z 0 logic level
GPIO28 SPI1-CLK I/O 2V8 Z 0 logic level
GPIO29 SPI1-IO I/O 2V8 Z 0 logic level
GPIO30 SPI1-I I/O 2V8 Z 0 logic level
GPIO31 SPI1-CS I/O 2V8 Z 0 logic level
GPIO46 EXT-INT I/O 2V8 Z 0 logic level
* If available
If the FLASH-LED are not necessary it is possible to disable them.
For further details refer to document [3] AT Command Interface Guide for Open
AT® Firmware v7.0).

Q52 Omni Product
Technical Specification
© Confidential Page 30 / 78
This document is the sole and exclusive property of WAVECOM. Not to be distributed or divulged without prior written
agreement.
3.3 Electrical Information for Digital I/O
The CMOS signals of the Q52 OMNI shall only be considered valid when the level
of the VREF_2V8 signal is above 2.4V.
Limits Parameters for CMOS_2V8 Signals
(Nominal voltage level is 2.8V)
Test
Conditions Min Max Units
High level output voltage (IOH = 4mA)
VOH 2.4 Volts
Low level output voltage (IOL = -4mA)
VOL 0.4 Volts
High level input voltage (IIH = 60 µA) VIH 1.96 3.2*Volts
Low level input voltage (IIL = 60 µA) VIL -0.5*0.84 Volts
Table 7: CMOS Output / Input Electrical Characteristics for 2.8 volt signals
Limits
Parameters for CMOS_1V8 Signals
(Nominal voltage level is 1.8V)
Test
Conditions
Min Max Units
High level output voltage
(IOH= 4mA) VOH 1.4 Volts
Low level output voltage
(IOL = -4mA) VOL 0.4 Volts
High level input voltage (IIH = 60 µA) VIH 1.33 2.2*Volts
Low level input voltage (IIL = 60 µA) VIL -0.5*0.54 Volts
Table 8: CMOS Output / Input Electrical Characteristics for 1.8 volt signals
Limits
Parameters for Open Drain Signals
Parameter Min Max
VOH 0.4V
FLASH-LED
IOL 8mA
VOL 0.4V
BUZZ_OUT
IOL 100mA
VTOLERATED 3.3V
VIH 2.0V
VIL 0.8V
VOL 0.4V
SDA/GPIO27 and SCL/GPIO26
IOL 3mA
Table 9: Open Drain Electrical Characteristics
* Absolute Maximum Ratings

Q52 Omni Product
Technical Specification
© Confidential Page 31 / 78
This document is the sole and exclusive property of WAVECOM. Not to be distributed or divulged without prior written
agreement.
3.4 Serial Interface
3.4.1 SPI Bus
The SPI bus interface includes:
• A Clock signal
• A SPI Data output or SPI Data Input/Output signal depending on whether 4
or 3 wires SPI interface is selected
• A SPI Data Input signal for applications using 4 wires interface
• A SPI Chip Select signal
SPI bus characteristics:
• Master mode operation
• SPI speed is from 101.5 Kbit/s to 13 Mbit/s in master mode operation
• 3 or 4-wire interface
• SPI-mode configuration: 0 to 3
• 1 to 16 bits data length
3.4.1.1 SPI Waveforms
Waveform for SPI transfer with 4-wire configuration in master mode 0 (slave select
signal is not represented).
Data-OUTdelay
CLK-cycle
Data-IN-hold
Data-IN-setup
Data valid
Data valid
SPI-CLK
SPI-IO
SPI-I
Figure 7: SPI Timing diagrams, Mode 0, Master, 4 wires

Q52 Omni Product
Technical Specification
Signal Description Minimum
Typ Maximum Unit
CLK-cycle SPI clock frequency 0.1015 13 MHz
Data-OUT delay Data out ready delay time
10 ns
Data-IN-setup Data in setup time 2 ns
Data-OUT-hold Data out hold time 2 ns
Table 10: SPI Bus AC characteristics
3.4.1.2 SPI Configuration
For a 4-wire SPI interface; SPI-IO is used as output only of data from the master
and SPI-I is used as input only.
For a three wire SPI interface; SPI-IO is used for both input and output of data
to/from the master.
Operation Maximum
Speed
SPI-
Mode
Duplex
3-wire type 4-wire type
Master 13 Mb/s 0,1,2,3 Half SPI-CLK
SPI-IO
SPI-CS
SPI-CLK
SPI-I
SPI-IO
SPI-CS
Table 11: SPI Bus Configuration
3.4.1.3 SPI Bus Pin Description
Signal Pin
number
I/O I/O
type
Reset
state
Description Multiplexed
with
SPI1-CLK 15 O 2V8 Z SPI Serial Clock GPIO28
SPI1-IO 14 I/O 2V8 Z SPI Serial input/output GPIO29
SPI1-I 13 I 2V8 Z SPI Serial input GPIO30
SPI1-CS 16 O 2V8 Z SPI Slave Enable GPIO31
Table 12: SPI Bus Pin description
See Chapter 3.2.3, “Electrical information for digital I/O” for Open drain, 2V8 and 1V8 voltage
characteristics and Reset state definitions.
© Confidential Page 32 / 78
This document is the sole and exclusive property of WAVECOM. Not to be distributed or divulged without prior written
agreement.

Q52 Omni Product
Technical Specification
© Confidential Page 33 / 78
This document is the sole and exclusive property of WAVECOM. Not to be distributed or divulged without prior written
agreement.
Data valid
3.4.2 I2C Bus
3.4.2.1 Features
The I2C interface includes a clock signal (SCL) and data signal (SDA) complying
with a 100Kbit/s-standard interface (standard mode: s-mode).
3.4.2.2 Characteristics
The I²C bus is always master.
The maximum speed transfer range is 400Kbit/s (fast mode: f-mode).
For more information on the bus, see the [4]“I²C Bus Specification”, Version 2.0,
Philips Semiconductor 1998
3.4.2.3 I²C Waveforms
I²C bus waveform in master mode configuration:
SCL
SDA
Data valid
T-free
T-start
T-high
T-data-
setup
T-data-
hold
T-stop
SCL-freq
Figure 8: I²C Timing diagrams, Master

Q52 Omni Product
Technical Specification
Signal Description Minimum
Typ
Maximum Unit
SCL-freq I²C clock frequency 100 400 KHz
T-start Hold time START condition 0.6 µs
T-stop Setup time STOP condition 0.6 µs
T-free Bus free time, STOP to START 1.3 µs
T-high High period for clock 0.6 µs
T-data-hold Data hold time 0 0.9 µs
T-data-setup Data setup time 100 ns
Table 13: I²C Bus AC characteristics
3.4.2.4 I²C Bus Pin-Out
Signal Pin
number
I/O I/O type Reset
state
Description Multiplexed
with
SCL 36 O Open drain Z Serial Clock GPIO26
SDA 35 I/O Open drain Z Serial Data GPIO27
Table 14: IC Bus Pin Description
See Chapter 3.2.3, “Electrical information for digital I/O” for Open drain, 2V8 and 1V8 voltage
characteristics and Reset state definitions.
3.5 Main Serial Link (UART1)
The UART interface functions as a DCE serial device. A flexible 7-wire serial
interface is available, complying with V24 protocol signaling but not with V28
(electrical interface) due to a 2.8-Volt interface.
The signals are as follows:
3.5.1 Features
The maximum baud rate of the UART1 is 921 Kbit/s.
The signals are the follows:
• TX data (CT103/TX)
• RX data (CT104/RX)
• Request To Send (~CT105/RTS)
• Clear To Send (~CT106/CTS)
• Data Terminal Ready (~CT108-2/DTR)
© Confidential Page 34 / 78
This document is the sole and exclusive property of WAVECOM. Not to be distributed or divulged without prior written
agreement.

Q52 Omni Product
Technical Specification
© Confidential Page 35 / 78
This document is the sole and exclusive property of WAVECOM. Not to be distributed or divulged without prior written
agreement.
• Data Carrier Detect (~CT109/DCD)
• Ring Indicator (~CT125/RI).
3.5.2 Pin Description of UART1 Interface
Table 15: UART1 Pin Description
* According to PC view
See Wireless Microprocessor® WMP100 Technical Specification for Open drain, 2V8 and 1V8 voltage
characteristics and for Reset state definition.
The rise and fall time of the reception signals (mainly TXD_UART1) must be less
than 300 ns.
The Q52 Omni is designed to operate using all the serial interface signals. In
particular, it is mandatory to use RTS and CTS for hardware flow control in order to
avoid data corruption during transmission.
For the use case with 5-wire serial interface
• Signal: CT103/TXD1*, CT104/RXD1*, ~CT105/RTS1*, ~CT106/CTS1*
• The signal ~CT108-2/DTR1* must be managed following the V24 protocol
signalling if we want to use the slow idle mode
• The other signals and their multiplexed are not available
• Please refer to the document [3] AT Command Interface Guide for Open AT®
Firmware v7.0 for more information.
Signal Pin
number
I/
O
I/O
type
Reset
state
Description Multiplexed
with
CT103/TXD1* 27 I 2V8 Z Transmit serial
data
GPIO36
CT104/RXD1* 30 O
2V8 1 Receive serial
data
GPIO37
~CT105/RTS1* 28 I
2V8 Z Request To Send GPIO38
~CT106/CTS1* 25 O
2V8 Z Clear To Send GPIO39
~CT108-2/DTR1* 26 I
2V8 Z Data Terminal
Ready
GPIO41
~CT109/DCD1* 23 O
2V8 Undefined Data Carrier
Detect
GPIO43
~CT125/RI1* 24 O
2V8 Undefined Ring Indicator GPIO42
CT102/GND* Chassis
GND
GND
Ground

Q52 Omni Product
Technical Specification
For the use case with 4-wire serial interface
• CT103/TXD1*, CT104/RXD1*, ~CT105/RTS1*, ~CT106/CTS1*
• The signal ~CT108-2/DTR1* must be configured at the low level
• The other signals and their multiplexed are not available
• Please refer to the document [3] AT Command Interface Guide for Open AT®
Firmware v7.0 for more information.
For the use case with 2-wire serial interface
• This case is possible for connected external chip but not recommended (and
forbidden for AT command or modem use)
• The external chip must be a flow control
• CT103/TXD1*, CT104/RXD1*
• The signal ~CT108-2/DTR1* must be configured at the low level
• The signals ~CT105/RTS1*, ~CT106/CTS1* are not used, please configure
the AT command (AT+IFC=0,0 see document [3] AT Command Interface
Guide for Open AT® Firmware v7.0).
• The signal ~CT105/RTS1* must be configured at the low level
• The other signals and their multiplexed are not available
• Please refer to the document [3] AT Command Interface Guide for Open AT®
Firmware v7.0 for more information.
V24/CMOS possible design:
Q52 Omni
( DCE )
~PWR_EN
CT103-TXD1 / GPIO36
CT104-RXD1 / GPIO37
~CT105-RTS1 / GPIO38
~CT106-CTS1 / GOPI39
12
5, 6, 21, 22
28
30
27
GND
Rx
RTS
CTS
GND
Tx
25
Customer
Application
( DTE )
Figure 9: Example of V24/CMOS serial link implementation for UART1
The design shown in the above figure is a basic design.
However, a more flexible design to access this serial link with all modem signals is
shown below
© Confidential Page 36 / 78
This document is the sole and exclusive property of WAVECOM. Not to be distributed or divulged without prior written
agreement.

Q52 Omni Product
Technical Specification
© Confidential Page 37 / 78
This document is the sole and exclusive property of WAVECOM. Not to be distributed or divulged without prior written
agreement.
Customer
Application
( DTE )
Q52 Omni
( DCE )
GND
PWR_EN
~CT109-DCD1 / GPIO43
~CT108-2-DTR1 / GPIO41
~CT125-RI1 / GPIO42
12
23
26
24
GND
DCD
DTR
RI
GND
2
2.8Volt
2x 15K
CT103-TXD1 / GPIO36
CT104-RXD1 / GPIO37
~CT105-RTS1 / GPIO38
~CT106-CTS1 / GOPI39
25
28
30
27
Rx
RTS
CTS
Tx
Figure 10: Example of full modem V24/CMOS serial link implementation for
UART1
It is recommended to add a 15K-ohm pull-up resistor on ~CT125-RI1 and ~CT109-
DCD1 to set high level during reset state.
The UART1 interface is 2.8 Volt type, but is 3 Volt tolerant.
The Q52 Omni UART1 is designed to operate using all the serial interface signals.
In particular, it is mandatory to use RTS and CTS for hardware flow control in order
to avoid data corruption during transmission.
Warning: If you want to activate Power Down mode (Wavecom 32K mode) in your
Open AT® application, you need to wire the DTR pin to a GPIO. Please refer to the
document [3] AT Command Interface Guide for Open AT® Firmware v7.0 (see the
“Appendixes”) for more information on Wavecom 32K mode activation using the
Open AT® Software Suite.

Q52 Omni Product
Technical Specification
3.6 Auxiliary Serial Link (UART2)
3.6.1 Features
The maximum baud rate of UART2 is 921 kbit/s.
For peripheral connectivity an auxiliary serial interface (UART2) is available on the
system connector only on series without GPS functionality. On Q52 Omni series
with GPS functionality GPIO16 and GPIO17 are available.
The signals are the follows:
• TX data (CT103/TX)
• RX data (CT104/RX)
• Request To Send (~CT105/RTS)
• Clear To Send (~CT106/CTS)
The Q52 Omni is designed to operate using all the serial interface signals. In
particular, it is mandatory to use RTS and CTS for hardware flow control in order to
avoid data corruption during transmission.
For the use case with 2-wire serial interface
• This case is possible for connected external chip but not recommended (and
forbidden for AT command or modem use)
• The external chip must be a flow control
• CT103/TXD2*, CT104/RXD2*
• The signals ~CT105/RTS2*, ~CT106/CTS2* are not used, please configure
the AT command (AT+IFC=0,0. Please refer to the document [3] AT
Command Interface Guide for Open AT® Firmware v7.0.
• The signal ~CT105/RTS2* must be configured at the low level
• The other signal and their multiplexed are not available
• Please refer to the document [3] AT Command Interface Guide for Open AT®
Firmware v7.0 (see the “Appendixes”).
Signal Pin
number
I/O I/O type Reset
state
Description Multiplexed
with
TXD2 37 I 1V8 Z Transmit serial data
GPIO14
RXD2 39 O
1V8 Z Receive serial data GPIO15
CTS2 38 O
1V8 Z Clear To Send GPIO16
RTS2 40 I 1V8 Z Request To Send GPIO17
Table 16: UART2 Pin Description
See Chapter 3.2.3, “Electrical information for digital I/O” for Open drain, 2V8 and 1V8 voltage
characteristics and Reset state definitions.
© Confidential Page 38 / 78
This document is the sole and exclusive property of WAVECOM. Not to be distributed or divulged without prior written
agreement.

Q52 Omni Product
Technical Specification
© Confidential Page 39 / 78
This document is the sole and exclusive property of WAVECOM. Not to be distributed or divulged without prior written
agreement.
3.7 General Purpose Input/Output
The Q52 Omni provides up to 18 General Purpose I/Os. These pins are multiplexed
with other IO functions, so the number of pins programmed as GPIOs will depend
on the functionality required for a specific application
Signal
Pin
numb
er
I/O
I/O type*
Reset state
Multiplexed with
GPIO14/INT6 37 I/O 1V8** Z TXD2
GPIO15 39 I/O 1V8** Z RXD2
GPIO16 38 I/O 1V8 Z CTS2
GPIO17/INT17 40 I/O 1V8 Z RTS2
GPIO3/A26 49 I/O 2V8 Z INT0
GPIO26 44 I/O Open drain
Z SCL
GPIO27 46 I/O Open drain
Z SDA
GPIO28 23 I/O 2V8 Z SPI1-CLK
GPIO29 25 I/O 2V8 Z SPI1-IO
GPIO30 30 I/O 2V8 Z SPI1-I
GPIO31 31 I/O 2V8 Z SPI1-CS
GPIO36 71 I/O 2V8 Z TXD1
GPIO37 73 I/O 2V8 1 RXD1
GPIO38 72 I/O 2V8 Z RTS1
GPIO39 75 I/O 2V8 Z CTS1
GPIO41 76 I/O 2V8 Z DTR1
GPIO42 69 I/O 2V8 Undefined RI1
GPIO43 70 O 2V8 Undefined DCD1
Table 17: GPIOs Pin Description
See Chapter 3.2.3, “Electrical information for digital I/O” for Open drain, 2V8 and 1V8 voltage
characteristics and Reset state definitions.
** If GPS functionality is available on Q52 Omni, these GPIOs are not available.

Q52 Omni Product
Technical Specification
© Confidential Page 40 / 78
This document is the sole and exclusive property of WAVECOM. Not to be distributed or divulged without prior written
agreement.
3.8 Analog to Digital Converters
3.8.1 Features
Two Analog to Digital Converter inputs are provided by the Q52 Omni. The
converters are 10-bit resolution, ranging from 0 to 2V.
Parameter Min Typ Max Unit
Resolution 10 bits
Sampling rate 216 S/s
Integral Accuracy 15 mV
Differential Accuracy 2.5 mV
Input signal range 0 2 V
ADC0 1M
Ω
Input
impedance
ADC1 1M
Ω
Table 18: ADCs Electrical Characteristics
3.8.2 Pins Description
Table 19: ADCs Pin Description
Signal Pin number
I/O I/O type Description
ADC0 18 I Analog A/D converter
ADC1 19 I Analog A/D converter

Q52 Omni Product
Technical Specification
3.9 Digital to Analog Converter
One Digital to Analog Converter (DAC) input is provided by the Q52 Omni.
3.9.1 Features
The converter is 8-bit resolution, guaranteed monotonic with a range from 0V to
2.3V.
This output assumes a typical external load of 2kΩ and 50pF in parallel to GND.
Parameter Min Typ Max Unit
Resolution - 8 - bits
Maximum Output voltage 2.1 2.2 2.3 V
Minimum Output voltage 0 - 40 mV
Output voltage after reset - 1.147 - V
Integral Accuracy -5 - +5 LSB
Differential Accuracy -1 - +1 LSB
Full scale settling time
(load: 50pF // 2kΩ to GND)
- 40 - µs
One LSB settling time
(load: 50pF // 2kΩ to GND )
- 8 - µs
Table 20: DAC Electrical Characteristics
3.9.2 Pin Description
Signal Pin number
I/O
I/O type Description
AUX-DAC0 11 O Analog D/A converter
Table 21: DAC Pin Description
© Confidential Page 41 / 78
This document is the sole and exclusive property of WAVECOM. Not to be distributed or divulged without prior written
agreement.

Q52 Omni Product
Technical Specification
© Confidential Page 42 / 78
This document is the sole and exclusive property of WAVECOM. Not to be distributed or divulged without prior written
agreement.
3.10 Analog Audio Interface
The Q52 OMNI provides a single ended microphone input and single ended
speaker output for GSM audio I/O. An echo cancellation feature allows hands free
functionality in GSM voice mode.
3.10.1 Microphone Input
3.10.1.1 Features
The MIC input includes the biasing for an electret microphone, thus allowing easy
connection. The gain of the MIC input is internally adjusted and may be tuned
using an AT command. AC coupling is already embedded in the Q52 Omni.
When you design the audio analog interface be sure to have a very good ground
plane, a very good filtering as well as shielding in order to avoid any disturbance on
the audio path.
Signal Pin
number
I/O I/O type Description
MIC2 10 I Analog Microphone input
Table 22: MIC2 Pin Description
3.10.1.2 Electrical Characteristics
Parameter Min. Typ Max. Unit
Voltage 2 2.1 2.2 V
Internal
Biasing Output Current 0.5 1.5 mA
Internal AC coupling 100 nF
Impedance
single-ended MIC to AGND 0.9 1.1 1.4 kΩ
Positive* 7.35 V
Input
voltage* Negative -0.9 V
Table 23: MIC2 Electrical Characteristics
• * The input voltage depends on the input microphone gain set by AT command.
• ** Because MIC2 is internally biased, a coupling capacitor must be used to connect an
audio signal provided by an active generator. Only a passive microphone may be directly
connected to the MIC2 input.

Q52 Omni Product
Technical Specification
© Confidential Page 43 / 78
This document is the sole and exclusive property of WAVECOM. Not to be distributed or divulged without prior written
agreement.
3.10.1.3 Application Example
Figure 11: Example of MIC input connection with LC filter
*:Z2 is from 200Hz to 4kHz. For more characteristics refer to the chapter 3.14.1.1.2.
Internal input impedance value becomes 1100 ohms.
It is recommended to add L1 and C2 footprint to add a LC filter to try to eliminate
the TDMA noise.
When not used, the filter can be removed by replacing L1 by a 0 Ohm resistor and
by disconnecting C2, as the following schematic.
Figure 12: Example of MIC input connection without LC filter
*:Z2 is from 200Hz to 4kHz. For more characteristics refer to the chapter 3.14.1.1.2.
The capacitor C1 is highly recommended to eliminate the TDMA noise. C1 must be
close to the microphone.

Q52 Omni Product
Technical Specification
Recommended components:
C1: 12pF to 33pF (depending of the design ,needs to be tuned )
C2: Must be tuned depending of the design.
L1: Must be tuned depending of the design.
3.10.2 Speaker Output Characteristics
3.10.2.1 Features
The connection is single-ended on SPK. Be sure to have a good ground plane, good
filtering and adequate shielding in order to avoid any disturbance on the audio
path.
Signal Pin
number
I/O I/O type Description
SPK2 7 O Analog Speaker Output
Table 24: SPK Pin Description
3.10.2.2 Electrical Characteristics
Parameters Min Typ Max Unit
Biasing
voltage
SPK2 1.30 V
© Confidential Page 44 / 78
This document is the sole and exclusive property of WAVECOM. Not to be distributed or divulged without prior written
agreement.
RL=8Ω: AT+VGR=6* - - 2 Vpp
Output
swing
voltage - -
RL=32Ω: AT+VGR=6* 2.5 Vpp
RL Load resistance 6 8 - Ω
IOUT - - 90 mA
Output current; peak value; RL=8Ω
POUT - - 125 mW
RL=8Ω; AT+VGR=6*;
RPD Output pull-down resistance at power-
down
28 40 52
KΩ
VPD Output DC voltage at power-down - - 100 mV
Table 25: SPK Electrical Characteristics
*The output voltage depends of the output speaker gain set by AT command. Please refer to the
document [3] AT Command Interface Guide for Open AT® Firmware v7.0.

Q52 Omni Product
Technical Specification
© Confidential Page 45 / 78
This document is the sole and exclusive property of WAVECOM. Not to be distributed or divulged without prior written
agreement.
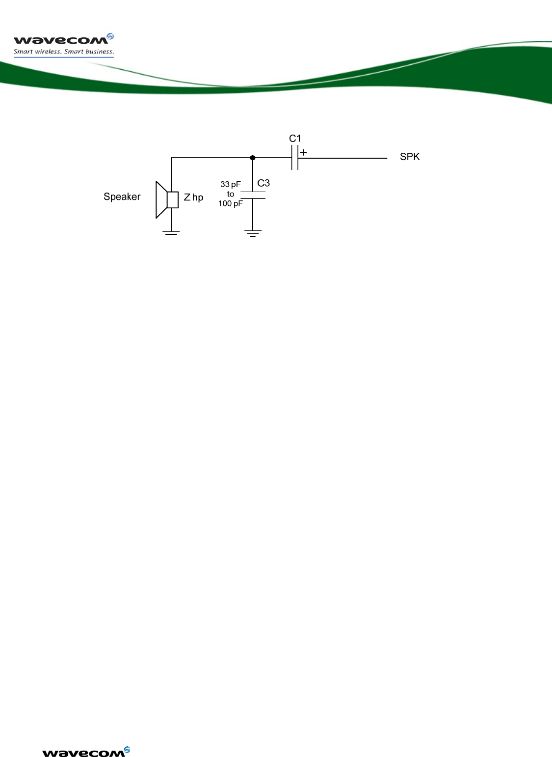
3.10.2.3 Application Example
Figure 13: Example of Speaker connection
4.7 μF < C1 < 47 μF (depending on speaker characteristics and output power).
The connection between the Q52 Omni pin and the speaker must be designed to
keep the serial impedance lower than 1.5 Ω in single ended mode.
3.10.3 Design Recommendation
3.10.3.1 General
When speakers and microphones are exposed to the external environment, it is
recommended to add ESD protection as closed as possible to the speaker or
microphone, connected between the audio lines and a good ground.
You ensure to have a good ground plane, a good filtering as well as shielding, in
order to avoid any disturbance on the audio path.
It is important to select an appropriate microphone, speaker and filtering
components to avoid TDMA noise
3.10.3.2 Recommended Microphone Characteristics
• The impedance of the microphone has to be around 2 kΩ.
• Sensitivity from -40dB to –50 dB.
• SNR > 50 dB.
• Frequency response compatible with the GSM specifications.
To suppress TDMA noise, it is highly recommended to use microphones with two
internal decoupling capacitors:
-CM1=56pF (0402 package) for the TDMA noise coming from the demodulation of
the GSM 850 and GSM900 frequency signal.
-CM2=15pF (0402 package) for the TDMA noise coming from the demodulation of
the DCS/PCS frequency signal.
The capacitors have to be soldered in parallel of the microphone

Q52 Omni Product
Technical Specification
© Confidential Page 46 / 78
This document is the sole and exclusive property of WAVECOM. Not to be distributed or divulged without prior written
agreement.
CM
Figure 14: Capacitor near Microphone
3.10.3.3 Recommended Speaker Characteristics
• Type of speakers: Electro-magnetic /10mW
• Impedance: 8Ω for hands-free (SPK2)
• Sensitivity: 110dB SPL min
• Receiver frequency response compatible with the GSM specifications.
3.10.3.4 Recommended Filtering Components
When designing a GSM application, it is important to select the right audio filtering
components.
The strongest noise, called TDMA, is mainly due to the demodulation of the
GSM850/GSM900/DCS1800 and PCS1900 signal: A burst being produced every
4.615ms; the frequency of the TDMA signal is equal to 216.7Hz plus harmonics.
The TDMA noise can be suppress by filtering the RF signal using the right
decoupling components.
The types of filtering components are:
-RF decoupling inductors
-RF decoupling capacitors
A good “Chip S-Parameter” simulator is proposed by Murata, the following link
help to find it:
http://www.murata.com/designlib/mcsil.html
Using different Murata components, we could see that the value, the package and
the current rating can have different decoupling effects.
The table below shows some examples with different Murata components:

Q52 Omni Product
Technical Specification
Package 0402
Filtered band GSM900 GSM 850/900 DCS/PCS
Value 100nH 56pF 15pF
Types Inductor Capacitor Capacitor
Position Serial Shunt Shunt
Manufacturer Murata Murata Murata
Rated 150mA 50V 50V
Reference LQG15HSR10J02
or
LQG15HNR10J02
GRM1555C1H560JZ01 GRM1555C1H150JZ01
or
GRM1555C1H150JB01
Package 0603
Filtered band GSM900 GSM 850/900 DCS/PCS
Value 100nH 47pF 10pF
Types Inductor Capacitor Capacitor
Position Serial Shunt Shunt
Manufacturer Murata Murata Murata
Rated 300mA 50V 50V
Reference LQG18HNR10J00 GRM1885C1H470JA01
or
GRM1885C1H470JB01
GRM1885C1H150JA01
or
GQM1885C1H150JB01
Table 26: Audio filtering Examples with Murata Components
3.10.3.5 Audio Track and PCB Layout Recommendation
To avoid TDMA noise, it is recommended to surround the audio tracks by ground:
© Confidential Page 47 / 78
This document is the sole and exclusive property of WAVECOM. Not to be distributed or divulged without prior written
agreement.
Audio line Application
board
Q52
Omni
Connector
Ground
Plane
Figure 15: Audio track design
Note: Avoid digital tracks crossing under and over the audio tracks.

Q52 Omni Product
Technical Specification
3.10.4 Buzzer Output
3.10.4.1 Features
This output is controlled by a PWM controller and can be used as buzzer or as
PWM.
BUZZ-OUT is an open drain output. A buzzer can be directly connected between
this output and VCC_MAIN. The maximum current is 100 mA (PEAK).
Parameter Condition Minimum
Maximum Unit
VOL on Iol = 100mA 0.4
© Confidential Page 48 / 78
This document is the sole and exclusive property of WAVECOM. Not to be distributed or divulged without prior written
agreement.
V
IPEAK VCC_MAIN (max) 100 mA
Frequency TBD TBD
Hz
Duty Cycle TBD TBD
Table 27: PWM/Buzzer Output Electrical Characteristics
3.10.4.2 Pinout
Signal Pin
number
I/O I/O type Reset state
Description
BUZZ-OUT 1 O Open drain
Z PWM/Buzzer output
Table 28: PWM/Buzzer Output Pin Description
See Chapter 3.2.3, “Electrical information for digital I/O” for Open drain, 2V8 and 1V8 voltage
characteristics and Reset state definitions.

Q52 Omni Product
Technical Specification
3.10.4.3 Application Example
The maximum peak current is 100 mA and the maximum average current is 40
mA. A diode against transient peak voltage must be added as described below.
© Confidential Page 49 / 78
This document is the sole and exclusive property of WAVECOM. Not to be distributed or divulged without prior written
agreement.
BUZZ-OUT
C1
D1
VBATT
R1
Q52 Omni
Figure 16: Example of buzzer implementation
Where:
• R1 must be chosen in order to limit the current at IPEAK max
• C1 = 0 to 100 nF (depending on the buzzer type)
• D1 = BAS16 (for example)
Recommended characteristics for the buzzer:
• electro-magnetic type
• Impedance: 7 to 30 Ω
• Sensitivity: 90 dB SPL min @ 10 cm
• Current: 60 to 90 mA
The BUZZ-OUT output can also be used to drive a LED as shown in the Figure
below:
BUZZ-OUT
« BUZZER »
D1
1
2
R1
470 Ω
VBATT
Figure 17: Example of LED driven by the BUZZ-OUT output
R1 value can be accorded depending of the LED (D1) characteristics.

Q52 Omni Product
Technical Specification
3.11 ~ON / OFF Signal
This input is used to switch ON or OFF the Wireless Microprocessor.
A low level signal has to be provided on the pin ON/~OFF to switch ON the
Wireless Microprocessor.. The voltage of this signal has to be maintained at 0.2 x
VBATT during a minimum of 1500ms. This signal can be left at low level until
switch off.
To switch OFF the Q52 OMNI the pin ~ON/OFF has to be released. The Wireless
Microprocessor can be switched off through the Operating System.
) Warning:
All external signals must be inactive when the Wireless Microprocessor is
OFF to avoid any damage when starting and allow Wireless Microprocessor
to start and stop correctly.
3.11.1 Features
Electrical Characteristics of the signal
Parameter I/O type Minimum Maximum Unit
VIL CMOS VBATT x 0.2 V
VIH CMOS VBATT x 0.8 VBATT V
3.11.2 Pin Description
Signal Pin number I/O type Description I/O
~ON/OFF U5 I CMOS Q52 Omni Power ON
3.11.3 Application
Figure 18 : Example of ON/~OFF pin connection
© Confidential Page 50 / 78
This document is the sole and exclusive property of WAVECOM. Not to be distributed or divulged without prior written
agreement.

Q52 Omni Product
Technical Specification
3.11.3.1 Power ON
Once Q52 Omni/Open AT® Software Suite v2.0 is powered, the application must
set the ON/OFF signal to low to start the Q52 Omni/Open AT® Software Suite v2.0
power ON sequence. The ~ON/OFF signal must be held low during a minimum
delay of Ton/off-hold (Minimum hold delay on the ~ON/OFF signal) to power-ON. After
this delay, an internal mechanism maintains the Q52 OMNI /Open AT® Software
Suite v2.0 in power ON condition.
During the power ON sequence, an internal reset is automatically performed by the
Q52 OMNI /Open AT® Software Suite v2.0 for 40ms (typically). During this phase,
any external reset should be avoided during this phase.
© Confidential Page 51 / 78
This document is the sole and exclusive property of WAVECOM. Not to be distributed or divulged without prior written
agreement.
POWER SUPPLY
ON/OFF
STATE OF THE MODULE
AT answers «OK »
Module READY
Ton/off- hold
(2000ms min)
Module OFF
IBB+RF < 22µA
SIM and Network dependent
RESET mode
IBB+RF =20 to 40mA
INTERNAL RST
Trst
(40ms typ)
Module ON
IBB+RF <120mA
(no loc. update)
Tinitialization
(2000ms min)
Figure 19 : Power-ON sequence (no PIN code activated)

Q52 Omni Product
Technical Specification
The duration of the firmware power-up sequence depends on:
• The need to perform a recovery sequence if the power has been lost during a
flash memory modification.
Other factors have a minor influence
• the number of parameters stored in EEPROM by the AT commands received
so far
• the ageing of the hardware components, especially the flash memory
• the temperature conditions
The
recommended
way to de-assert the ~ON/OFF signal is to use either an AT
command or WIND indicators: the application has to detect the end of the power-
up initialization and de-assert ~ON/OFF afterwards.
• Send an “AT” command and wait for the “OK” answer: once the initialization is
complete the AT interface answers « OK » to “AT” message*.
• Wait for the “+WIND: 3” message: after initialization, the Q52 OMNI /Open AT®
Software Suite v2.0, if configured to do so, will return an unsolicited “+WIND:
3” message. The generation of this message is enabled or disabled via an AT
command.
Note:
• Please refer to the document [3] AT Command Interface Guide for Open AT®
Firmware v7.00 for more information on these commands.
Proceeding thus – by software detection - will always prevent the application from
de-asserting the ~ON/OFF signal too early.
If WIND indicators are disabled or AT commands unavailable or not used, it is still
possible to de-assert ~ON/OFF after a delay long enough (Ton/off-hold) to ensure that
the firmware has already completed its power-up initialization.
The table below gives the minimum values of Ton/off-hold:
Tinitialization minimum values
Tinitialization
Open AT® Firmware Safe evaluations of the firmware
power-up time
6.65 & above 8 s
The above figure take the worst cases into account: power-loss recovery
operations, slow flash memory operations in high temperature conditions, and so
on. But they are safe because they are large enough to ensure that ~ON/OFF is not
de-asserted too early.
Additional notes:
* If the application manages hardware flow control, the AT command can be sent during the
initialisation phase.
© Confidential Page 52 / 78
This document is the sole and exclusive property of WAVECOM. Not to be distributed or divulged without prior written
agreement.

Q52 Omni Product
Technical Specification
© Confidential Page 53 / 78
This document is the sole and exclusive property of WAVECOM. Not to be distributed or divulged without prior written
agreement.
1. Typical power-up initialization time figures for best cases conditions (no
power-loss recovery, fast and new flash memory…) approximate 3.5
seconds in every firmware version. But releasing ~ON/OFF after this delay
does not guarantee that the application will actually start-up if for example
the power plug has been pulled off during a flash memory operation, like a
phone book entry update or an AT&W command…
2. The ~ON/OFF signal can be left at a low level until switch OFF. But this is
not recommended as it will prevent the AT+CPOF command from
performing a clean power-off. (See also the note in the Power OFF chapter
for an alternate usage.)
3. When using a battery as power source, it is not recommended to let this
signal high:
If the battery voltage is too low and the ~ON/OFF signal at high level, an
internal mechanism switches OFF the Q52 OMNI /Open AT® Software
Suite v1.0. This automatic process prevents the battery to be over
discharged and optimize its life span.
4. During the power-ON sequence, an internal reset is automatically
performed by the Q52 OMNI /Open AT® Software Suite v2.0 for 40 ms
(typically). Any external reset should be avoided during this phase.
5. After a reset (hardware or software), if the ~ON/OFF signal is OFF (High
level) the Q52 OMNI switches OFF.

Q52 Omni Product
Technical Specification
© Confidential Page 54 / 78
This document is the sole and exclusive property of WAVECOM. Not to be distributed or divulged without prior written
agreement.
3.11.3.2 Power OFF
To properly power OFF the Q52 OMNI/Open AT® Software Suite v2.0 the
application must set the ~ON/OFF signal and then send the AT+CPOF command to
deregister from the network and switch off the Q52 OMNI /Open AT® Software
Suite v2.0.
Once the « OK » response is issued by the Q52 OMNI /Open AT® Software Suite
v2.0, the power supply can be switched off.
P
O
WER
SU
PPLY
ON/OFF
AT COMMAND
STATE OF T HE MODULE
AT+CPOF
Module
READY
Module OFF
IBB + RF <2 2
µ
A
Ne tw ork depe nd ent
OK response
IBB + R F = overall current consumption (Base Band + RF part)
Figure 20 : Power-OFF sequence
Note:
• If the ~ON/OFF pin is maintained to ON (Low Level) then the module can’t be
switched OFF.

Q52 Omni Product
Technical Specification
3.12 External Interrupt
The Q52 OMNI provides one external interrupt input. The interrupt input can be
activated on:
• High to low edge
• Low to high edge
• Low to high and high to low edge
• Low level
• High level
When used, the interrupt input must not be left open.
If not used, it must be configured as a GPIO.
Signal Pin
number
I/O I/O type
Reset
state
Description Multiplexed
with
INT1 17 I 2V8 Z External Interrupt GPIO3
Table 29: External Interrupt Pin description
See Chapter 3.2.3, “Electrical information for digital I/O” for Open drain, 2V8 and 1V8 voltage
characteristics and Reset state definitions.
Parameter Minimum Maximum Unit
VIL 0.84 V
INT1
VIH V
1.96
Table 30: External Interrupt Electrical Characteristics
3.13 BOOT Signal
A specific control signal BOOT is available to download the Q52 Omni only if the
standard XMODEM download, controlled with AT command, is not possible.
Specific PC software, provided by WAVECOM, is needed to perform this download,
specifically for the first download of the Flash memory.
© Confidential Page 55 / 78
This document is the sole and exclusive property of WAVECOM. Not to be distributed or divulged without prior written
agreement.

Q52 Omni Product
Technical Specification
© Confidential Page 56 / 78
This document is the sole and exclusive property of WAVECOM. Not to be distributed or divulged without prior written
agreement.
3.13.1 Features
The BOOT signal is muxed with DCD1 pin.
The BOOT signal must be connected to the VCC_1V8 for this specific download.
BOOT Operating mode Comment
Leave open Normal use
DCD function
No download
Leave open Download XMODEM
DCD function
AT command for Download
AT+WDWL
1 Download specific Need WAVECOM PC software
Table 31: Boot Signal Mode
For more information, see chapter 3.8.3.
This BOOT signal must be left open for normal use or XMODEM download.
3.13.2 Pin Description
Signal Pin number I/O I/O type Description
BOOT
(DCD pin)
23 I 1V8 Download mode selection
Table 32: Boot Pin description
3.13.3 Application
Figure 21: Boot Selection Application Example

Q52 Omni Product
Technical Specification
3.14 VREF_2V8 Output
This output can only be used to connect pull-up resistor. VCC_2V8 must be used
as a reference supply. The voltage supply is available when the Q52 OMNI is on.
Signal Pin number I/O
I/O type
Description
VREF_2V8 2 O Supply Digital supply
Table 33: VREF_2V8 Pin Description
Parameter Minimum
Typ Maximum Unit
Output voltage 2.74 2.8 2.86 V
VCC_2V8
Output Current
15 mA
Table 34: VREF_2V8 Electrical Characteristics
3.15 BAT-RTC (Backup Battery)
The Q52 Omni provides an input/output to connect a Real Time Clock power
supply.
3.15.1 Interface Description
This pin is used as a back-up power supply for the internal Real Time Clock. The
RTC is supported by the Q52 Omni when VCC_3V6 is available, but a back-up
power supply is needed to save date and time when the VCC_3V6 is switched off
(VCC_3V6 = 0V).
© Confidential Page 57 / 78
This document is the sole and exclusive property of WAVECOM. Not to be distributed or divulged without prior written
agreement.
2.5V regulator
1.8V regulator
from VCC_3V6
Q52 Omni
to RTC
BATT-RTC (pin 4)
Figure 22: Real Time Clock power supply
If the RTC is not used, this pin can be left open.
If VCC_MAIN is available, the back-up battery can be charged by the internal 2.5V
power supply regulator.

Q52 Omni Product
Technical Specification
Signal Pin number I/O
I/O type
Description
BATT-RTC 4 I/O Supply RTC Back-up supply
Table 35: Bat-RTC Pin Description
Parameter Minimum
Typ Maximum
Unit
Input voltage 1.85 2.5 V
Input current
consumption*
3.3 µA
Output voltage 2.45 V
Output current 2 mA
Table 36: Bat-RTC Electrical Characteristics
*Provided by an RTC back-up battery when Q52 OMNI VCC_MAIN power supply is off (VCC_MAIN =
0V).
3.16 FLASH-LED Signal
FLASH LED is an open drain output. A LED and a resistor can be directly connected
between this output and VCC_MAIN.
When the Q52 Omni CPU is ON, this output is used to indicate network status.
GSM
status
VCC_3V6 status FLASH-LED status Q52 OMNI GSM status
Permanent Q52 Omni switched ON, not
registered on the network
© Confidential Page 58 / 78
This document is the sole and exclusive property of WAVECOM. Not to be distributed or divulged without prior written
agreement.
Slow flash
LED ON for 200 ms, OFF
for 2 s
Q52 Omni switched ON,
registered on the network
Quick flash
LED ON for 200 ms, OFF
for 600 ms
Q52 Omni switched ON,
registered on the network,
communication in progress
ON VCC_3V6 = 3.6V
Very quick flash Q52 Omni switched on,
software downloaded is either
corrupted or non-compatible
("BAD SOFTWARE")
LED ON for 100ms, OFF
for 200ms
Table 37: Flash-LED Status

Q52 Omni Product
Technical Specification
© Confidential Page 59 / 78
This document is the sole and exclusive property of WAVECOM. Not to be distributed or divulged without prior written
agreement.
Signal Pin
number
I/O I/O type Reset state
Description
FLASH-
LED
3 O Open Drain
Output
1 and
Undefined
LED driving
Table 38: Flash-LED Pin Description
See Chapter 3.2.3, “Electrical information for digital I/O” for Open drain, 2V8 and 1V8 voltage
characteristics and Reset state definitions.
FLASH-LED state is undefined during the software initialization time. During
software initialization time, for 2 seconds max after POWER_EN is pulled active
low, the FLASH-LED signal is toggling and does not provide Q52 Omni GSM
status. After the 2s period, the FLASH-LED provides the true status of the Q52
Omni GSM connection.
Parameter Condition Minimum
Typ Maximum Unit
VOL 0.4 V
IOUT 8 mA
Table 39: Flash-LED Electrical Characteristics
3.17 GPS Functionality
The Q52 Omni provides in option GPS functionality. The GPS is assumed by e-Ride
solution based on Opus
III
®
Chipsets. This part is controlled by a Q52 Omni’s
CPU.
For list of command available refer to AT command list…
3.17.1 Features (eRide Documentation Extract: For Information Only)
• Supports GPS L-band C/A code channels and 2 additional dedicated WAAS
channels for enhanced accuracy
• High indoor sensitivity of -161dBm achieved utilizing 44,000 effective
correlators (both in acquisition & tracking mode)
• Fast TTFF of typically < 1s when in hot and 34s in cold start conditions
• Accuracy of 2.5m outdoors (CEP 50%) and 10m indoors
• User interface via a serial port, 1Hz update rate
3.17.2 Performances (eRide Documentation Extract: For Information Only)
Parameter Conditions Min Typ Max Unit
Hot Start @-135 dBm 1 s
Hot Start @-155 dBm All SV’s same level 13 s

Q52 Omni Product
Technical Specification
© Confidential Page 60 / 78
This document is the sole and exclusive property of WAVECOM. Not to be distributed or divulged without prior written
agreement.
Parameter Conditions Min Typ Max Unit
Warm Start @-135
dBm
33 s
Warm Start @-145
dBm
All SV’s same level 67 s
Cold Start @-135 dBm 34 s
Cold Start @-145 dBm All SV’s same level 83 s
Acquisition sensitivity,
hot start
-161 dBm
Acquisition sensitivity,
warm start
-146.5 dBm
Tracking sensitivity -161 dBm
Position accuracy,
outdoors
Open sky, CEP 50% 2.5 m
Position accuracy,
indoors
CEP 50% 10 m
Table 40: GPS Functionality Performances
3.17.2.1 Time-to-First-Fix Charts
Figure 23: GPS TTFF, Hot Start Configuration

Q52 Omni Product
Technical Specification
Figure 24: GPS TTFF, Warm Start Configuration
Figure 25: GPS TTFF, Simulator Cold Start Configuration
© Confidential Page 61 / 78
This document is the sole and exclusive property of WAVECOM. Not to be distributed or divulged without prior written
agreement.

Q52 Omni Product
Technical Specification
3.17.2.2 First Position Fix Accuracy Charts
Figure 26: First Position Fix Accuracy Chart 01
© Confidential Page 62 / 78
This document is the sole and exclusive property of WAVECOM. Not to be distributed or divulged without prior written
agreement.

Q52 Omni Product
Technical Specification
Figure 27: First Position Fix Accuracy Chart 02
© Confidential Page 63 / 78
This document is the sole and exclusive property of WAVECOM. Not to be distributed or divulged without prior written
agreement.

Q52 Omni Product
Technical Specification
Figure 28: First Position Fix Accuracy Chart 03
© Confidential Page 64 / 78
This document is the sole and exclusive property of WAVECOM. Not to be distributed or divulged without prior written
agreement.

Q52 Omni Product
Technical Specification
3.18 RF Interface
The RF impedance GSM, Orbcomm and GPS* antenna outputs is 50 Ohms
nominal and the DC impedance is 0 Ohm.
The GPS* antenna provides 3V biasing for active antenna.
3.18.1 RF Connections
The Q52 OMNI RF connections are assumed by FAKRA Type connectors:
Fakra Type Color RF Type
GSM/GPRS Type D Bordeaux Violet
Satellite Type K Curry Yellow
GPS* Type C Blue
• *if available
•
•
•
3.18.2 RF Performance
GSM mode RF performance is compliant with the ETSI GSM 05.05
recommendation.
The GSM Receiver parameters are:
• GSM850 Reference Sensitivity = -108 dBm Static & TUHigh
• E-GSM900 Reference Sensitivity = -108 dBm Static & TUHigh
• DCS1800 Reference Sensitivity = -107 dBm Static & TUHigh
• PCS1900 Reference Sensitivity = -107 dBm Static & TUHigh
• Selectivity @ 200 kHz: > +9 dBc
• Selectivity @ 400 kHz: > +41 dBc
• Linear dynamic range: 63 dB
• Co-channel rejection: >= 9 dBc
© Confidential Page 65 / 78
This document is the sole and exclusive property of WAVECOM. Not to be distributed or divulged without prior written
agreement.

Q52 Omni Product
Technical Specification
3.18.3 Transmitter Parameters
• Maximum output power (EGSM & GSM850): 33 dBm +/- 2 dB at ambient
temperature
• Maximum output power (GSM1800 & PCS1900): 30 dBm +/- 2 dB at bient
temperature
• Minimum output power (EGSM & GSM850): 5 dBm +/- 5 dB at ambient
temperature
• Minimum output power (GSM1800 & PCS1900): 0 dBm +/- 5 dB at ambient
temperature
3.18.4 Antenna Specifications
The antenna must meet the following requirements:
• The optimum operating frequency depends on the application. A dual band
or quad band antenna shall operate in these frequency bands and have the
following characteristics:
Q52 Omni GSM Mode of Operation
Characteristic E-GSM 900 DCS 1800 GSM 850 PCS 1900
TX Frequency 880 to
915 MHz
1710 to 1785
MHz
824 to
849 MHz
1850 to
1910 MHz
© Confidential Page 66 / 78
This document is the sole and exclusive property of WAVECOM. Not to be distributed or divulged without prior written
agreement.
RX Frequency 925 to
960 MHz
1805
to 1880 MHz
869 to
894 MHz
1930 to
1990 MHz
Impedance 50 Ohms
Rx max 1.5:1
VSWR Tx max 1.5:1
Typical
radiated gain 0dBi in one direction at least
Table 41: GSM Antenna Specifications

Q52 Omni Product
Technical Specification
© Confidential Page 67 / 78
This document is the sole and exclusive property of WAVECOM. Not to be distributed or divulged without prior written
agreement.
4 Technical Specifications
4.1 Environmental Specifications
Wavecom specifies the following temperature range for the Q52 OMNI dual mode
product.
The dual mode transceiver is compliant with the following operating class.
Conditions Temperature range
Operating / Class A -20 °C to +55°C
Operating / Storage / Class B -40 °C to +85°C
Function Status Classification:
Class A:
The Wireless CPU® remains fully functional, meeting GSM performance criteria in
accordance with ETSI requirements, across the specified temperature range.
Class B:
The Wireless CPU® remains fully functional, across the specified temperature range.
Some GSM parameters may occasionally deviate from the ETSI specified
requirements and this deviation does not affect the ability of the Wireless CPU® to
connect to the cellular network and function fully.

Q52 Omni Product
Technical Specification
© Confidential Page 68 / 78
This document is the sole and exclusive property of WAVECOM. Not to be distributed or divulged without prior written
agreement.
Q52 Omni Transceiver ENVIRONNEMENTAL CLASSES
TYPE OF TEST STANDARDS STORAGE TRANSPORTATION OPERATING (PORT USE)
Class 1.2 Class 2.3 Class 7.3
Cold IEC 68-2.1 -25° C 72 h -40° C 72 h -20° C (GSM900) 16 h
Ab test -10° C (GSM1800/1900) 16h
Dry heat IEC 68-2.2 +70° C 72 h +70° C 72 h +55° C 1 6 h
Bb test
Change of t em peratu re I EC 68-2.1 4 -40° / +30° C 5 cycles -20° / +30° C (GSM900) 3 cycles
Na/Nb test t 1 = 3 h -10° / +30° C (GSM1800/1900):
3 cycles t1 = 3 h
Damp heat IEC 68-2.30 +30° C 2 cycles +40° C 2 cycles +40° C 2 cycles
cyclic Db test 90% - 100% RH 90% - 100% RH 90% - 100% RH
variant 1 variant 1 varian t 1
Damp heat IEC 68-2.56 +30° C 4 days +40° C 4 days +40° C 4 days
Cb test
Sinusoidal vibration IEC 68-2.6 5 - 62 Hz : 5 mm / s
Fc t est 62 - 2 00Hz : 2 m / s2
3 x 5 sweep cycles
5 - 20 Hz : 0.96 m2 / s3 10 -12 Hz : 0.96 m2 / s3
Random vibration I EC 68-3.3 6 20 - 50 0Hz : - 3 d B / oct 12 - 150Hz : - 3 dB / oct
wide band Fdb test 3 x 10 min 3 x 30 min
Figure 29: Environmental classes

Q52 Omni Product
Technical Specification
4.2 Mechanical Specifications
© Confidential Page 69 / 78
This document is the sole and exclusive property of WAVECOM. Not to be distributed or divulged without prior written
agreement.

Q52 Omni Product
Technical Specification
4.3 Antenna Cable
TBD
4.4 GSM Antenna
GSM antennas and support for antenna adaptation can be obtained from
manufacturers such as:
• ALLGON (http://www.allgon.com )
• IRSCHMANN (http://www.hirschmann.com/ )
© Confidential Page 70 / 78
This document is the sole and exclusive property of WAVECOM. Not to be distributed or divulged without prior written
agreement.

Q52 Omni Product
Technical Specification
© Confidential Page 71 / 78
This document is the sole and exclusive property of WAVECOM. Not to be distributed or divulged without prior written
agreement.
5 Appendix
5.1 Standards and Recommendations
GSM ETSI, 3GPP, GCF and NAPRD03 recommendations for Phase II & FCC.
Specification Reference Title
3GPP TS 45.005 v5.5.0
(2002-08) Release 5
Technical Specification Group GSM/EDGE. Radio
Access Network; Radio transmission and reception
GSM 02.07 V8.0.0
(1999-07)
Digital cellular telecommunications system (Phase 2+);
Mobile Stations (MS) features (GSM 02.07
version 8.0.0 Release 1999)
GSM 02.60 V8.1.0
(1999-07)
Digital cellular telecommunications system (Phase 2+);
General Packet Radio Service (GPRS);
Service description, Stage 1 (GSM 02.60 version 8.1.0
Release 1999)
GSM 03.60 V7.9.0
(2002-09)
Technical Specification Group Services and System
Aspects;
Digital cellular telecommunications system (Phase 2+);
General Packet Radio Service (GPRS);
Service description; Stage 2 (Release 1998)
3GPP TS 43.064 V5.0.0
(2002-04)
Technical Specification Group GERAN; Digital cellular
telecommunications system (Phase 2+); General Packet
Radio Service (GPRS); Overall description of the GPRS
radio interface; Stage 2 (Release 5)
3GPP TS 03.22 V8.7.0
(2002-08)
Technical Specification Group GSM/EDGE. Radio
Access Network; Functions related to Mobile Station
(MS) in idle mode and group receive mode; (Release
1999)
3GPP TS 03.40 V7.5.0
(2001-12)
Technical Specification Group Terminals;
Technical realization of the Short Message Service
(SMS)
(Release 1998)
3GPP TS 03.41 V7.4.0
(2000-09)
Technical Specification Group Terminals; Technical
realization of Cell Broadcast Service (CBS)
(Release 1998)
ETSI EN 300 903 V8.1.1
(2000-11)
Digital cellular telecommunications system (Phase 2+);
Transmission planning aspects of the speech service in
the GSM
Public Land Mobile Network (PLMN) system
(GSM 03.50 version 8.1.1 Release 1999)

Q52 Omni Product
Technical Specification
© Confidential Page 72 / 78
This document is the sole and exclusive property of WAVECOM. Not to be distributed or divulged without prior written
agreement.
Specification Reference Title
3GPP TS 04.06 V8.2.1
(2002-05)
Technical Specification Group GSM/EDGE Radio Access
Network; Mobile Station - Base Station System
(MS - BSS) interface; Data Link (DL) layer specification
(Release 1999)
3GPP TS 04.08 V7.18.0
(2002-09)
Technical Specification Group Core Network;
Digital cellular telecommunications system (Phase 2+);
Mobile radio interface layer 3 specification (Release
1998)
3GPP TS 04.10 V7.1.0
(2001-12)
Technical Specification Group Core Networks;
Mobile radio interface layer 3 Supplementary services
specification; General aspects (Release 1998)
3GPP TS 04.11 V7.1.0
(2000-09)
Technical Specification Group Core Network; Digital
cellular telecommunications system (Phase 2+);
Point-to-Point (PP) Short Message Service (SMS)
support on mobile radio interface
(Release 1998)
3GPP TS 45.005 v5.5.0
(2002-08)
Technical Specification Group GSM/EDGE. Radio
Access Network; Radio transmission and reception
(Release 5)
3GPP TS 45.008 V5.8.0
(2002-08)
Technical Specification Group GSM/EDGE
Radio Access Network; Radio subsystem link control
(Release 5)
3GPP TS 45.010 V5.1.0
(2002-08)
Technical Specification Group GSM/EDGE
Radio Access Network; Radio subsystem
synchronization (Release 5)
3GPP TS 46.010 V5.0.0
(2002-06)
Technical Specification Group Services and System
Aspects;
Full rate speech; Transcoding (Release 5)
3GPP TS 46.011 V5.0.0
(2002-06)
Technical Specification Group Services and System
Aspects;
Full rate speech; Substitution and muting of lost
frames for
full rate speech channels (Release 5)
3GPP TS 46.012 V5.0.0
(2002-06)
Technical Specification Group Services and System
Aspects;
Full rate speech; Comfort noise aspect for full rate
speech traffic channels (Release 5)

Q52 Omni Product
Technical Specification
© Confidential Page 73 / 78
This document is the sole and exclusive property of WAVECOM. Not to be distributed or divulged without prior written
agreement.
Specification Reference Title
3GPP TS 46.031 V5.0.0
(2002-06)
Technical Specification Group Services and System
Aspects;
Full rate speech; Discontinuous Transmission (DTX) for
full rate speech traffic channels (Release 5)
3GPP TS 46.032 V5.0.0
(2002-06)
Technical Specification Group Services and System
Aspects;
Full rate speech; Voice Activity Detector (VAD) for full
rate speech traffic channels (Release 5)
TS 100 913V8.0.0
(1999-08)
Digital cellular telecommunications system (Phase 2+);
General on Terminal Adaptation Functions (TAF) for
Mobile Stations (MS) (GSM 07.01 version 8.0.0
Release 1999)
GSM 09.07 V8.0.0
(1999-08)
Digital cellular telecommunications system (Phase 2+);
General requirements on interworking between the
Public Land Mobile Network (PLMN) and the Integrated
Services Digital Network (ISDN) or Public Switched
Telephone Network (PSTN) (GSM 09.07 version 8.0.0
Release 1999)
3GPP TS 51.010-1 v5.0.0
(2002-09)
Technical Specification Group GSM/EDGE ; Radio
Access Network ;Digital cellular telecommunications
system (Phase 2+);Mobile Station (MS) conformance
specification; Part 1: Conformance specification
(Release 5)
3GPP TS 51.011 V5.0.0
(2001-12)
Technical Specification Group Terminals; Specification
of the Subscriber Identity Module - Mobile Equipment
(SIM - ME) interface (Release 5)
ETS 300 641 (1998-03) Digital cellular telecommunications system (Phase 2);
Specification of the 3 Volt Subscriber Identity Module -
Mobile Equipment (SIM-ME) interface (GSM 11.12
version 4.3.1)
GCF-CC V3.7.1 (2002-08) Global Certification Forum – Certification criteria
NAPRD03 V2.6.0 (2002-06)
North America Permanent Reference Document for
PTCRB tests
The Q52 Omni connected on a development kit board application is certified to be
in accordance with the following Rules and Regulations of the Federal
Communications Commission (FCC).
Power listed on the Gant is conducted for Part 22 and conducted for Part 24

Q52 Omni Product
Technical Specification
© Confidential Page 74 / 78
This document is the sole and exclusive property of WAVECOM. Not to be distributed or divulged without prior written
agreement.
This device contains GSM, GPRS Class 10 functions in the 900 and 1800MHz
Band which are not operational in U.S. Territories.
This device is to be used only for mobile and fixed applications. The antenna(s)
used for this transmitter must be installed to provide a separation distance of at
least 20cm from all persons and must not be co-located or operating in conjunction
with any other antenna or transmitter.
Users and installers must be provided with antenna installation instructions and
transmitter operating conditions for satisfying RF exposure compliance.
Antennas used for this OEM module must not exceed 3.1dBi gain for PCS 1900
MHz and 0.9dBi for GSM 850 MHz for mobile and fixed operating configurations.
This device is approved as a module to be installed in other devices.
Installed in other portable devices, the exposure conditions require a separate
equipment authorization.
The license module had a FCC ID label on the module itself. The FCC ID label must
be visible through a window or it must be visible when an access panel, door or
cover is easily removed.
If not, a second label must be placed on the outside of the device that contains the
following text:
Contains FCC ID: O9EQ52OMNI
This device complies with Part 15 of the FCC Rules. Operation is subject to the
following two conditions:
(1) this device may not cause harmful interference,
(2) this device must accept any interference received, including
interference that may cause undesired operation.
IIMPORTANT: Manufacturers of mobile or fixed devices incorporating the Q52
Omni device are advised to:
• clarify any regulatory questions,
• have their completed product tested,
• have product approved for FCC compliance, and
• include instructions according to above mentioned RF exposure statements in
end product user manual.
Please note that changes or modifications not expressly approved by the party
responsible for compliance could void the user’s authority to operate the
equipment.

Q52 Omni Product
Technical Specification
© Confidential Page 75 / 78
This document is the sole and exclusive property of WAVECOM. Not to be distributed or divulged without prior written
agreement.
5.2 Declaration of Conformity
To Whom it May Concern:
We, Wavecom
430 Davis Drive Suite 300
PO Box 13920
Research Triangle Park
NC 27709 USA
declare under our sole responsibility that the Product
Q52 OMNI
to which this declaration relates is in conformity with the
following standards or other normative documents
EN 301 721
EN 301-489-20
as they apply to the above referenced Product.
Research Triangle Park
November 12, 2008
Peter Cotterill
Certification Manager

Q52 Omni Product
Technical Specification
5.3 Safety Recommendations (for Information Only)
IMPORTANT
FOR THE EFFICIENT AND SAFE OPERATION OF YOUR GSM APPLICATION
PLEASE READ THIS INFORMATION CAREFULLY
5.3.1 RF Safety
5.3.1.1 General
Your GSM terminal* is based on the GSM standard for cellular technology. The
GSM standard is spread all over the world. It covers Europe, Asia and some parts
of America and Africa. This is the most used telecommunication standard.
Your GSM terminal is actually a low power radio transmitter and receiver. It sends
out and receives radio frequency energy. When you use your GSM application, the
cellular system which handles your calls controls both the radio frequency and the
power level of your cellular modem.
5.3.1.2 Exposure to RF Energy
There has been some public concern about possible health effects of using GSM
terminals. Although research on health effects from RF energy has focused on the
current RF technology for many years, scientists have begun research regarding
newer radio technologies, such as GSM. After existing research had been
reviewed, and after compliance to all applicable safety standards had been tested,
it has been concluded that the product was fitted for use.
If you are concerned about exposure to RF energy there are things you can do to
minimize exposure. Obviously, limiting the duration of your calls will reduce your
exposure to RF energy. In addition, you can reduce RF exposure by operating your
cellular terminal efficiently by following the guidelines below.
5.3.1.3 Efficient Terminal Operation
For your GSM terminal to operate at the lowest power level, consistent with
satisfactory call quality:
If your terminal has an extendable antenna, extend it fully. Some models allow you
to place a call with the antenna retracted. However your GSM terminal operates
more efficiently with the antenna fully extended.
Do not hold the antenna when the terminal is "IN USE". Holding the antenna affects
call quality and may cause the modem to operate at a higher power level than
needed.
© Confidential Page 76 / 78
This document is the sole and exclusive property of WAVECOM. Not to be distributed or divulged without prior written
agreement.
* based on WISMO2D

Q52 Omni Product
Technical Specification
5.3.1.4 Antenna Care and Replacement
Do not use the GSM terminal with a damaged antenna. If a damaged antenna
comes into contact with the skin, a minor burn may result. Replace a damaged
antenna immediately. Consult your manual to see if you may change the antenna
yourself. If so, use only a manufacturer-approved antenna. Otherwise, have your
antenna repaired by a qualified technician.
Use only the supplied or approved antenna. Unauthorized antennas, modifications
or attachments could damage the terminal and may contravene local RF emission
regulations or invalidate type approval.
5.3.2 General Safety
5.3.2.1 Driving
Check the laws and the regulations regarding the use of cellular devices in the area
where you have to drive as you always have to comply with them. When using
your GSM terminal while driving, please:
• give full attention to driving,
• pull off the road and park before making or answering a call if driving
conditions so require.
5.3.2.2 Electronic Devices
Most electronic equipment, for example in hospitals and motor vehicles is shielded
from RF energy. However RF energy may affect some improperly shielded
electronic equipment.
5.3.2.3 Vehicle Electronic Equipment
Check your vehicle manufacturer representative to determine if any on-board
electronic equipment is adequately shielded from RF energy.
5.3.2.4 Medical Electronic Equipment
Consult the manufacturer of any personal medical devices (such as pacemakers,
hearing aids, etc...) to determine if they are adequately shielded from external RF
energy.
Turn your terminal OFF in health care facilities when any regulations posted in the
area instruct you to do so. Hospitals or health care facilities may be using RF
monitoring equipment.
5.3.2.5 Aircraft
Turn your terminal OFF before boarding any aircraft.
• Use it on the ground only with crew permission.
• Do not use it in the air.
© Confidential Page 77 / 78
This document is the sole and exclusive property of WAVECOM. Not to be distributed or divulged without prior written
agreement.

Q52 Omni Product
Technical Specification
© Confidential Page 78 / 78
This document is the sole and exclusive property of WAVECOM. Not to be distributed or divulged without prior written
agreement.
To prevent possible interference with aircraft systems, Federal Aviation
Administration (FAA) regulations require you to have permission from a crew
member to use your terminal while the aircraft is on the ground. To prevent
interference with cellular systems, local RF regulations prohibit using your modem
while airborne.
5.3.2.6 Children
Do not allow children to play with your GSM terminal. It is not a toy. Children could
hurt themselves or others (by poking themselves or others in the eye with the
antenna, for example). Children could damage the modem, or make calls that
increase your modem bills.
5.3.2.7 Blasting Areas
To avoid interfering with blasting operations, turn your unit OFF when in a
"blasting area" or in areas posted: "turn off two-way radio". Construction crew often
uses remote control RF devices to set off explosives.
5.3.2.8 Potentially Explosive Atmospheres
Turn your terminal OFF when in any area with a potentially explosive atmosphere.
It is rare, but your modem or its accessories could generate sparks. Sparks in such
areas could cause an explosion or fire resulting in bodily injuries or even death.
Areas with a potentially explosive atmosphere are often, but not always, clearly
marked. They include fueling areas such as petrol stations; below decks on boats;
fuel or chemical transfer or storage facilities; and areas where the air contains
chemicals or particles, such as grain, dust, or metal powders.
Do not transport or store flammable gas, liquid, or explosives, in the compartment
of your vehicle which contains your terminal or accessories.
Before using your terminal in a vehicle powered by liquefied petroleum gas (such
as propane or butane) ensure that the vehicle complies with the relevant fire and
safety regulations of the country in which the vehicle is to be used.

WAVECOM S.A. : 3 esplanade du Foncet - 92442 Iss
y
-les-Moulineaux - France - Tel: +33 1 46 29 08 00 - Fax: +33 1 46 29 08 08
Wavecom, Inc: 430 Davis Drive, Suite 300 Research Triangle Park, North Carolina, USA - Tel: +1 919 237 4000 - Fax: +1 919 237 4140
WAVECOM Asia-Pacific: Unit 201-207, 2nd Floor, Bio-Informatics Centre No. 2 Science Park West Avenue, Hong Kong Science Park,
Shatin, New Territories, Hong Kong (PRC) - Tel: +852-2824 0254 - Fax: +852-2824 0255 [Online contact details, GPS and maps]