Silicon Laboratories Finland 61F8D Wallaby User Manual Heading 1
ACKme Networks Inc Wallaby Heading 1
Users Manual

AMW004 • 802.11b/g/n WICED™ Module
ADS-MW004-100D8 • Preliminary Data Sheet March 4, 2014
©2014 ACKme Networks. http://ack.me
AMW004
Data Sheet
WTS-Lab

AMW004 • 802.11b/g/n WICED™ Module
ADS-MW004-100D8 • Preliminary Data Sheet Page | i
©2014 ACKme Networks. http://ack.me March 4, 2014
Disclaimer
While the information provided in this document is be-
lieved to be accurate, it is under development and
ACKme Networks reserves the right to make changes
without further notice to the product described herein
to improve reliability, function, or design, and makes no
guarantee or warranty concerning the accuracy of said
information, nor shall it be responsible for any loss or
damage of whatever nature resulting from the use of,
or reliance upon, such information. ACKme Networks
makes no warranties of any kind, whether express, im-
plied or arising by custom or course of trade or perfor-
mance, and specifically disclaims the implied warranties
of title, non-infringement, merchantability, or fitness for
a particular purpose.
No part of this document may be copied, reproduced,
stored in a retrieval system, or transmitted, in any form
or by any means, electronic, mechanical, photographic,
or otherwise, or used as the basis for manufacture or
sale of any items without the prior written consent of
ACKme Networks.
Trademarks
ACKme Networks and the ACKme Networks logo are
trademarks of ACKme Networks. WICED™ is a trade-
mark of Broadcom Corporation, Inc. Other trademarks
in this document belong to their respective owners.
Copyright © 2014 ACKme Networks.
All rights reserved.
Document Number: ADS-MW004-1xx
Release Date: TBA
Contact
Email: info@ack.me
Web: http://ack.me
http://ackmenetworks.com
About this Data Sheet
This document provides information on the
AMW004 802.11b/g/n WICED module from ACKme
Networks. Specifications for the module I/O and pe-
ripherals are taken from the SAM4S Series data sheet
from Atmel Corporation. Specifications for the WLAN
subsystem were compiled from measured data unless
otherwise noted.
Organization
This data sheet is organized into the following sections:
Features & Applications
General Description, Section 1
Block Diagram, Section 2
Electrical Specifications, Section 3
WLAN RF Specifications, Section 4
Pinout and Signal Descriptions, Section 5
Design Guidelines, Section 6
Regulatory Certification, Section 7
Packaging, Handling &
Storage, RoHS, Section 8
Revision History & Glossary, Section 9
References, Section 10
WTS-Lab

ADS-MW004-100D8 • Preliminary Data Sheet Page | ii
©2014 ACKme Networks. http://ack.me March 4, 2014
AMW004 Data Sheet
2.4GHz IEEE 802.11b/g/n WICED™ Module
Features
Self-contained low-power Wi-Fi networking mod-
ule with onboard microcontroller and antenna.
Integrated SPI-serial flash for software upgrades
Works seamlessly with Broadcom WICED Devel-
opment System.
Wi-Fi
Broadcom BCM43362 single band 2.4GHz IEEE
802.11b/g/n 1x1 Wi-Fi transceiver
Includes support for all Wi-Fi security modes in-
cluding Open, WEP, WPA, and WPA2-PSK
Microprocessor
Atmel AT91SAM4S16C ARM 32-bit Cortex™-M4
CPU, with a 2kB cache at up to 120MHz.
Integrated 1MB Flash memory and 128kB SRAM
Clock, reset & supply management including 32kHz
RTC, high-precision 8/12MHz RC oscillator, PoR,
brownout detector and watchdog
Up to 22 Peripheral DMA controller channels
Ultra Low Power sleep, wait and backup modes
128-bit unique ID
Interfaces*
A/D converters: 10 channel input, 12-bit resolu-
tion, 1Msps with gain control and auto calibration
D/A converter: 1 channel x 12-bit, 1Msps
UART: 2 x 4-wire, 2 x 2-wire up to 7.5Mbit/s
SPI: 1 x SPI master/slave up to 120Mbit/s
I2C: 2 x I2C interfaces (SMBus/PMBus)
I2S: 1 x I2S / Synchronous Serial Controller
GPIO: Up to 29 GPIOs (overlaid with peripherals)
USB: 1 x USB2.0 full-speed device controller with
dedicated DMA, on-chip full-speed PHY
Timers: 2 x 3-Channel 16-bit Timer/Counter with
IC/OC/PWM capability, quadrature decoder logic
and additional 4-Channel 16-bit PWM
Wake-up : 12 External wake inputs and RTC/RTT
wake for ultra-low power operation
External Wi-Fi antenna option
JTAG/SWD debug interface
*Some interfaces share module pins
Operational & Radio
Single operating voltage : 3.3V (typical)
Operational Temperature Range: -30°C to +85°C
Size : 1.25” x 0.70” x 0.11” (31.8 x 17.8 x 2.7mm)
Weight : 0.07oz (2g)
Current consumption @ 25°C
- Backup : 1.85µA, <300µs wakeup
- Wait : 28µA, <100µs wakeup, RAM retention
- Wi-Fi Powersave : 0.77mA
- Active receive : 6.9mA @ 1Mbit/s
- Active transmit : 12.5mA @ 1Mbit/s
Maximum RF transmit power
- 802.11b/g : +18.5 dBm
- 802.11n : +13.5 dBm
Minimum Receive sensitivity
- 802.11b/g : -94 dBm
- 802.11n : -86 dBm
Sustained TCP throughput : >20Mbit/s
Applications
Industrial, M2M and Home Automation
- Environmental monitoring
- Energy monitoring
- Wireless sensing, remote data logging
- HVAC, power, light, & thermostat control
- Appliance control
Security
- Cameras, Doors/Window monitoring
- Alarms, Smoke Detectors
- Door and entry control
Health & Fitness
- Fitness Equipment
- Home health monitoring eg. weight scales
Consumer
- Audio, Toys, Robots
WTS-Lab

AMW004 • 802.11b/g/n WICED™ Module
ADS-MW004-100D8 • Preliminary Data Sheet Page | 1
©2014 ACKme Networks. http://ack.me March 4, 2014
Contents
1 General Description ............................................... 1
2 Block Diagram ........................................................ 2
3 Electrical Specifications .......................................... 3
3.1 Absolute Maximum Ratings ............................ 3
3.2 Recommended Operating Conditions ............ 3
DC Operating Conditions ........................ 3 3.2.1
Environmental Conditions ...................... 3 3.2.2
3.3 Power Consumption ....................................... 4
3.4 32kHz Crystal .................................................. 4
4 WLAN RF Specifications ......................................... 5
4.1 Summary WLAN Specifications ....................... 5
4.2 WLAN Receiver Specifications ........................ 5
4.3 WLAN Transmitter Specifications ................... 6
5 Pinout and Signal Descriptions .............................. 7
5.1 Pinout.............................................................. 7
5.2 Pin Description ................................................ 7
6 Design Guidelines ................................................. 10
6.1 Recommended PCB Footprint ...................... 10
6.2 Routing Recommendations .......................... 10
6.3 Soldering Information ................................... 10
6.4 Module Photograph ...................................... 11
6.5 Application Examples .................................... 11
Power Supply ........................................ 11 6.5.1
Programming and Debug ...................... 12 6.5.2
Operation using WiConnect ................. 12 6.5.3
7 Regulatory Certification ....................................... 14
7.1 United States ................................................ 14
Labeling and User Information 7.1.1
Requirements ....................................................... 14
RF Exposure .......................................... 15 7.1.2
External Antenna .................................. 15 7.1.3
Further Information .............................. 15
7.1.4
7.2 Canada .......................................................... 15
Labeling and User Information 7.2.1
Requirements....................................................... 15
External Antenna Types ........................ 16 7.2.2
Further Information .............................. 16 7.2.3
7.3 Europe .......................................................... 17
Labeling and User Information 7.3.1
Requirements....................................................... 17
External Antenna Requirements .......... 17 7.3.1
Further Information .............................. 17 7.3.2
7.4 Australia ........................................................ 18
External Antenna Requirements .......... 18 7.4.1
Further Information .............................. 18 7.4.2
7.5 New Zealand ................................................. 18
External Antenna Requirements .......... 18 7.5.1
Further Information .............................. 18 7.5.2
8 Packaging, Handling & Storage, RoHS ................. 19
8.1 Packaging ...................................................... 19
8.2 Handling & Storage ....................................... 19
8.3 RoHS Directive .............................................. 19
9 Revision History & Glossary ................................. 20
9.1 Revision History ............................................ 20
9.2 Glossary ........................................................ 20
10 References ........................................................... 21
WTS-Lab

AMW004 • 802.11b/g/n WICED™ Module
General Description, Section 1
ADS-MW004-100D8 • Preliminary Data Sheet Page | 1
©2014 ACKme Networks. http://ack.me March 4, 2014
1 General Description
The AMW004 module from ACKme Networks combines
a SAM4S microcontroller with a BCM43362 Wi-Fi device
and on-board antenna to provide an advanced stand-
alone Wi-Fi and networking solution.
An integrated module avoids difficult RF layout and en-
ables designers to rapidly embed Wi-Fi and secure net-
working functionality into virtually any device.
Custom applications may be developed for the module
using the Broadcom WICED Software Development Kit.
Alternately, the ACKme Networks WiConnect serial-to-
Wi-Fi application may be used to fast-track module in-
tegration into end products.
With dimensions of just 0.7 x 1.25 inches and a wide
temperature range, the module is suitable for integra-
tion into most embedded applications.
The Wi-Fi device from Broadcom includes an integrated
RF transmit power amplifier and provides superior
Wi-Fi performance and full compatibility with all 2.4GHz
802.11b/g/n Wi-Fi networks. An external antenna op-
tion provides additional performance and flexibility if
required.
The SAM4S microprocessor from Atmel is based on a
high-performance ARM® Cortex™-M4 32-bit RISC core
operating at a frequency up to 120MHz. The SAM4S
incorporates high-speed embedded memory including
1MB Flash memory and 128kB SRAM, and an extensive
range of enhanced I/Os and peripherals.
The AMW004 module connects a large number of
SAM4S pins to capitalize on the extensive SAM4S I/O
and peripheral interfaces. The module supports the fol-
lowing list of interfaces, and provides additional inter-
face combinations by leveraging SAM4S I/O multiplex-
ing and alternate function capabilities.
10 x 12-bit A/D converters
1 x 12-bit D/A converters
1 x 4-Wire USART interface
1 x 4-Wire, 2 x 2-Wire UART interfaces
1 x SPI master/slave bus
2 x I2C interfaces
1 x I2S interface
1 x USB full-speed device interface
12 x edge/level sensitive wake inputs
The module may be powered by a single 3.3V power
supply. A separate power supply pin for the Wi-Fi sub-
system is provided to minimize power supply noise
coupling into the WLAN subsystem, and to enable addi-
tional control for power sensitive applications.
Power consumption in various states is determined by
the power consumption of the SAM4S microprocessor
and BCM43362 Wi-Fi chip. The power supply to the
Wi-Fi chip and radio subsystem may be externally knife-
switched under software control to achieve minimum
power consumption in an ultra-low power backup state
described in the SAM4S datasheet.
The microprocessor may be woken from low power
states by connecting any of 12 different module pins, or
by other methods including an internal RTC/RTT timer
or supply monitor as described in the SAM4S datasheet.
The module incorporates a 32.768kHz crystal to main-
tain an accurate real time clock. A 32kHz clock output is
available on a dedicated module pin in both active and
SAM4S powerdown modes. The 32kHz clock output
may be used to drive the clock input of other system
devices. This avoids the need for an additional crystal
thereby minimizing total system cost.
Application debugging with a software debugger such
as gdb is enabled with a standard JTAG (or Serial Wire
Debug) interface.
The module has FCC modular approval for use in the
United States, and CE approval for use in Europe and
other countries.
WTS-Lab

AMW004 • 802.11b/g/n WICED™ Module
Block Diagram, Section 2
ADS-MW004-100D8 • Preliminary Data Sheet Page | 2
©2014 ACKme Networks. http://ack.me March 4, 2014
2 Block Diagram
Figure 1 is a block diagram of the AMW004 module. The
main components of the module are an AT91SAM4S16C
microprocessor and BCM43362 Wi-Fi System-in-
Package (SiP) module. The SAM4S ARM processor and
peripherals are driven by a 12MHz crystal, the integrat-
ed RTC is driven by a 32.768kHz crystal. An integrated
1MByte serial flash chip may be used to store additional
applications, user data or firmware images as part of an
over the air (OTA) update process.
A dedicated power supply input to the WLAN subsys-
tem is controlled by an application running on the
SAM4S, enabling the module to achieve minimum pow-
er consumption when the Wi-Fi networking interface is
not required.
The module includes an antenna diversity switch. The
switch enables static or dynamic selection of the on-
board antenna or an external antenna plugged to the
u.FL connector.
Figure 1. AMW004 Architecture
AT91
SAM4S16C
120MHz MCU
1MB Flash
128kB RAM
BCM43362
Wi-Fi
Antenna
Antenna
Switch
u.FL
3v3 MCU
3v3 Wi-Fi
32kHz Out
ADC/DAC
SPI
UART
GPIO
I2C
I2S
USB
JTAG/SWD
Reset
12MHz
32kHz
1 MByte
Serial Flash
Wi-Fi
AMW004
WTS-Lab

AMW004 • 802.11b/g/n WICED™ Module
Electrical Specifications, Section 3
ADS-MW004-100D8 • Preliminary Data Sheet Page | 3
©2014 ACKme Networks. http://ack.me March 4, 2014
3 Electrical Specifications
3.1 Absolute Maximum Ratings
CAUTION! The absolute maximum ratings in Table 1 and Table 2 indicate levels where permanent damage to the de-
vice can occur, even if these limits are exceeded for only a brief duration. Functional operation is not guaranteed un-
der these conditions. Operation at absolute maximum conditions for extended periods can adversely affect long-
term reliability of the device.
The values in Table 1 reflect absolute maximum ratings from the respective ATSAM4S16C and BCM43362 datasheets.
Table 1. Absolute Maximum Voltage Ratings
Symbol
Ratings
Min
Max
Unit
VDD_3V3
External power supply voltage to MCU subsystem
-0.3
4.0
V
VDD_3V3_WIFI
External power supply voltage to WLAN subsystem
-0.5
6.0
Vin
Input voltage on any other MCU pin
-0.3
4.0
Table 2. Absolute Maximum Environmental Ratings
Characteristic
Note
Min
Max
Unit
Storage Temperature
–
-40
+125
°C
Relative Humidity
Non-condensing
–
65
%
3.2 Recommended Operating Conditions
Functional operation is not guaranteed outside the limits shown in Table 3 and Table 4, and operation outside these
limits for extended periods can adversely affect long-term reliability of the device.
DC Operating Conditions 3.2.1
Table 3. Recommended DC Operating Conditions
Symbol
Ratings
Min
Typ
Max
Unit
VDD_3V3
External power supply voltage to MCU subsystem
1.62
3.3
3.6
V
VDD_3V3_WIFI
External power supply voltage to WLAN subsystem
2.3
3.3
3.6
Note: VDD_3V3 and VDD_3V3_WIFI must be at the same voltage when using the Wi-Fi.
Environmental Conditions 3.2.2
Table 4. Recommended Environmental Conditions
Characteristic
Note
Min
Max
Unit
Ambient Temperature
Limited by WLAN chip specification
-30
+85
°C
WTS-Lab

AMW004 • 802.11b/g/n WICED™ Module
Electrical Specifications, Section 3
ADS-MW004-100D8 • Preliminary Data Sheet Page | 4
©2014 ACKme Networks. http://ack.me March 4, 2014
Characteristic
Note
Min
Max
Unit
Relative Humidity
Non-condensing
–
85
%
3.3 Power Consumption
Table 5. Power consumption
Operational State
Note
Typ1
Max1
Max1
Unit
TA =
25°C
TA =
85°C
Backup
SAM4S Backup Mode, Wi-Fi powered off
1.85
1.85
12.42
µA
Wait3
SAM4S Wait Mode, Wi-Fi powered off
32.2
32.2
590
µA
Sleep
SAM4S Sleep Mode, Wi-Fi powered off
–
6.89
–
mA
Wi-Fi Powersave2,3
SAM4S Wait mode, Wi-Fi in powersave
0.77
–
–
mA
Active Receive2,3,4
SAM4S Wait mode, Wi-Fi active receive
6.9
–
–
mA
Active Transmit2,3,5
SAM4S Wait mode, Wi-Fi active transmit
12.5
–
–
mA
Wi-Fi Tx Test Mode6
SAM4S Active mode, Wi-Fi active transmit
–
349
–
mA
Notes:
1. Total combined current consumed by all power supplies: VDD_3V3, VDD_3V3_WIFI.
2. 802.11 beacon Interval = 102.4ms, DTIM=3, Beacon Duration = 1ms @ 1Mbps.
3. SAM4S Wait Mode with 10µs wakeup latency
4. Average current receiving 1Mbit/s UDP at 802.11n MCS7
5. Average current transmitting 1Mbit/s UDP at 802.11n MCS7
6. Wi-Fi Transmitting at +18.5dBm CCK 11Mbit/s with maximum duty cycle
3.4 32kHz Crystal
Table 6. 32kHz Crystal Specifications
Operational State
Note
Min
Typ
Max
Unit
Frequency
–
32768
–
Hz
Frequency Tolerance
–
20
–
ppm
Frequency Ageing
Measured @25°C ±3°C
-3
–
3
ppm
Notes:
1. Reproduced from manufacturers datasheet.
WTS-Lab

AMW004 • 802.11b/g/n WICED™ Module
WLAN RF Specifications, Section 4
ADS-MW004-100D8 • Preliminary Data Sheet Page | 5
©2014 ACKme Networks. http://ack.me March 4, 2014
4 WLAN RF Specifications
The AMW004 WLAN radio specifications are derived from the Broadcom BCM43362 WLAN radio specifications.
Unless otherwise stated, the specifications in this section apply when the operating conditions are within the limits
specified in Section 3.2, Recommended Operating Conditions. Functional operation outside these limits is not guar-
anteed.
All specifications are measured by connecting directly to the u.FL connector.
4.1 Summary WLAN Specifications
Table 7. Summary WLAN Specifications
Feature Supported
Description
WLAN Standard
IEEE 802.11b/g/n 1x1 SISO
Frequency Band
2.400 GHz – 2.484 GHz
WLAN Channels
Channels 1 – 14
Data Rates
802.11b (1, 2, 5.5, 11 Mbps)
802.11g (6, 9, 12, 24, 36, 48, 54 Mbps)
802.11n (HT20 MCS0-MCS7)
Maximum Receive level
@ 2.4GHz
-2.5 dBm @ 1, 2 Mbps (8% PER, 1024 octets)
-8.5 dBm @ 5.5, 11 Mbps (8% PER, 1024 Octets)
-12 dBm @ 6-54 Mbps (10% PER, 1000 Octets)
Maximum RF Tx Output Power
+18.5 dBm @ 802.11b (EVM < -9 dB)
+13.5 dBm @ 802.11n MCS7 (EVM < -28 dB)
Carrier Frequency Accuracy
±20 ppm (26MHz crystal with ±10 ppm @ 25C)
4.2 WLAN Receiver Specifications
Table 8. WLAN Receiver Performance Specifications
Parameter
Condition/Notes
Min
Typical
Max
Unit
Frequency Range
–
2400
–
2500
MHz
Operating Temperature1
–
-30
–
+85
°C
Receive Sensitivity2
(8% PER for 1024 octet PSDU)
at u.FL connector
1 Mbps DSSS
–
-94
-91
dBm
11 Mbps CCK
–
-87
-83
Receive Sensitivity2
(10% PER for 1000 octet
PSDU) at u.FL connector1
6 Mbps OFDM
–
-86
-81
dBm
54 Mbps OFDM
–
-73
-69
WTS-Lab

AMW004 • 802.11b/g/n WICED™ Module
WLAN RF Specifications, Section 4
ADS-MW004-100D8 • Preliminary Data Sheet Page | 6
©2014 ACKme Networks. http://ack.me March 4, 2014
Parameter
Condition/Notes
Min
Typical
Max
Unit
Receive Sensitivity2
(10% PER for 4096 octet
PSDU) at u.FL connector. De-
fined for default parameters:
GF, 800ns GI, and non-STBC
65 Mbps MCS0, HT20
–
-86
-81
dBm
65 Mbps MCS7, HT20
–
-70
-65
Max. Receive Level @ 2.4GHz
@ 1, 2 Mbps (8% PER, 1024 octets)
-2
–
–
dBm
@ 5.5, 11 Mbps (8% PER, 1024 Octets)
-8
–
–
@ 6-54 Mbps (10% PER, 1000 Octets)
-11.5
–
–
Notes:
1. Operation below -20°C and above +65°C with parameter derating per Note 2
2. Derate receive sensitivity by 1.5dB for operation between temperatures of -30°C to -20°C and 65°C to 85°C
4.3 WLAN Transmitter Specifications
Table 9. WLAN Transmitter Performance Specifications
Parameter
Condition/Notes
Min
Typical
Max
Unit
Frequency Range
–
2400
–
2500
MHz
Operating Temperature1
–
-30
–
+85
°C
Transmit power2 measured at
u.FL connector for highest
power level setting at 25°C,
VDD-3V3_RF_IN=3.3V with
spectral mask and EVM com-
pliance
EVM does NOT exceed :
1 Mbps DSSS
-11 dB
+15.5
+17
+18.5
dBm
11 Mbps CCK
-11 dB
+15.5
+17
+18.5
6 Mbps OFDM
-22 dB
+12.5
+14
+15.5
54 Mbps OFDM
-25 dB
+12.5
+14
+15.5
MCS0, HT20
-22 dB
+10.5
+12
+13.5
MCS7, HT20
-28 dB
+10.5
+12
+13.5
Notes:
1. Operation below -20°C and above +65°C with parameter derating per Note 2
2. Derate transmit power by 1.5dB for operation between temperatures of -30°C to -20°C and 65°C to 85°C
WTS-Lab

AMW004 • 802.11b/g/n WICED™ Module
Pinout and Signal Descriptions, Section 5
ADS-MW004-100D8 • Preliminary Data Sheet Page | 7
©2014 ACKme Networks. http://ack.me March 4, 2014
5 Pinout and Signal Descriptions
5.1 Pinout
A top view of the AMW004 pinout is depicted in Figure
2. All dimensions are in thousands of an inch. A rec-
ommended footprint is provided in Section 6.1.
Figure 2. AMW004 Pinout (TOP View – Pins NOT visible from top!)
5.2 Pin Description
Table 10. AMW004 Pin Definitions
Pin
Name
Type1
SAM4S
I/O2
Primary Function
Alternate & Other Function(s)
1
GND
S
GND
Ground
-
2
VDD_3V3_WIFI
S
-
3.3V WLAN
power supply
-
3
JTAG_TDI
I/O
PB4
JTAG TDI
GPIO, I2C_TWD1
4
JTAG_TDO
I/O
PB5
JTAG TDO
GPIO, I2C_TWCK1, TRACESWO
5
JTAG_TMS
I/O
PB6
JTAG TMS
GPIO, SWDIO
WTS-Lab

AMW004 • 802.11b/g/n WICED™ Module
Pinout and Signal Descriptions, Section 5
ADS-MW004-100D8 • Preliminary Data Sheet Page | 8
©2014 ACKme Networks. http://ack.me March 4, 2014
Pin
Name
Type1
SAM4S
I/O2
Primary Function
Alternate & Other Function(s)
6
JTAG_TCK
I/O
PB7
JTAG TCK
GPIO, SWCLK
7
GPIO_0
I/O
PB14
GPIO
SPI_NPCS1, PWM_H3, DAC1
8
GPIO_1
I/O
PB10
GPIO
USB_DDM
9
GPIO_2
I/O
PB11
GPIO
USB_DDP
10
OSC_32K_OUT
O
PB13
OSC_32K_OUT
-
11
GPIO_3
I/O
PB2
GPIO
UART_RXD1, SPI_NPCS2, AD6, WKUP12
12
GPIO_4
I/O
PB3
GPIO
UART_TXD1, AD7, PCK2
13
GPIO_5
I/O
PA0
GPIO
PWM_H0, WKUP0
14
GPIO_6
I/O
PA1
GPIO
PWM_H1, WKUP1
15
GPIO_7
I/O
PA17
GPIO
SSC_TD, PWM_H3, AD0, PCK1
16
GND
S
GND
Ground
-
17
GPIO_8
I/O
PA18
GPIO
SSC_RD, AD1, PCK2
18
GPIO_9
I/O
PA19
GPIO
SSC_RK, PWM_L0, AD2, WKUP9
19
GPIO_10
I/O
PA15
GPIO
SSC_TF, PWM_L3, TIOA1, WKUP14
20
GPIO_11
I/O
PA16
GPIO
SSC_TK, PWM_L2, TIOB1, WKUP15
21
GPIO_12
I/O
PA20
GPIO
SSC_RF, PWM_L1, AD3, WKUP10
22
GND
S
GND
Ground
-
23
GPIO_13
I/O
PA21
GPIO
USART_RXD1, AD8, PCK1
24
GPIO_14
I/O
PA22
GPIO
USART_TXD1, SPI_NPCS3, AD9
25
MCU_ERASE
I
MCU_
ERASE
MCU_ERASE
-
26
GPIO_15
I/O
PA24
GPIO
USART_RTS1, PWM_H1
27
GPIO_16
6I/O
PA25
GPIO
USART_CTS1, PWM_H2
28
GND
S
GND
Ground
-
29
VDD_3V3
S
VDDIN,
VDDIO,
ADVREF
3.3V MCU power
supply input
-
30
GPIO_17
I/O
PA14
GPIO
SPI_SPCK, PWM_H3, WKUP8
31
GPIO_18
I/O
PA13
GPIO
SPI_MOSI, PWM_H2
32
GPIO_19
I/O
PA12
GPIO
SPI_MISO, PWM_H1
33
GPIO_20
I/O
PA11
GPIO
SPI_NPCS0, PWM_H0, WKUP7
WTS-Lab

AMW004 • 802.11b/g/n WICED™ Module
Pinout and Signal Descriptions, Section 5
ADS-MW004-100D8 • Preliminary Data Sheet Page | 9
©2014 ACKme Networks. http://ack.me March 4, 2014
Pin
Name
Type1
SAM4S
I/O2
Primary Function
Alternate & Other Function(s)
34
GPIO_21
I/O
PC13
GPIO
AD10, PWM_L0
35
GPIO_22
I/O
PC12
GPIO
AD12
36
GPIO_23
I/O
PA10
GPIO
UART_TXD0, SPI_NPCS2
37
GPIO_24
I/O
PA9
GPIO
UART_RXD0, SPI_NPCS1, WKUP6,
PWM_FI0
38
GPIO_25
I/O
PA6
GPIO
USART_TXD0, PCK0
39
GPIO_26
I/O
PA5
GPIO
USART_RXD0, SPI_NPCS3, WKUP4
40
RESET_L
I
NRST
System Reset
-
41
GPIO_27
I/O
PA4
GPIO
I2C_TWCK0, WKUP3, TCLK0
42
GPIO_28
I/O
PA3
GPIO
I2C_TWD0, SPI_NPCS3
43-54
GND
S
-
Ground
-
Notes:
1. I = Input, O = Output, S = Supply
2. All pins are connected directly to the AT91SAM4S16C as noted in the column titled SAM4S I/O unless other-
wise indicated.
WTS-Lab

AMW004 • 802.11b/g/n WICED™ Module
Design Guidelines, Section 6
ADS-MW004-100D8 • Preliminary Data Sheet Page | 10
©2014 ACKme Networks. http://ack.me March 4, 2014
6 Design Guidelines
6.1 Recommended PCB Footprint
Figure 3. AMW004 Recommended Footprint (Top)
All dimensions are in thousands of an inch unless oth-
erwise marked. The addition of castellation’s on the
periphery of the module carrier board directly beneath
the end of the module nearest the antenna (as depict-
ed in Figure 3) are strongly recommended.
6.2 Routing Recommendations
When designing a carrier board, the addition of ground
fill directly underneath the AMW004 module, rather
than signal or power traces, is recommended. If traces
must be routed directly beneath the module, avoid
routing directly under tests pads or under the end of
the module close to the antenna. Failure to comply
with these recommendations may result in degraded
performance of WLAN functionality.
6.3 Soldering Information
TBA
WTS-Lab

AMW004 • 802.11b/g/n WICED™ Module
Design Guidelines, Section 6
ADS-MW004-100D8 • Preliminary Data Sheet Page | 11
©2014 ACKme Networks. http://ack.me March 4, 2014
6.4 Module Photograph
Figure 4. AMW004 Photograph (Top)
6.5 Application Examples
This section provides circuit examples demonstrating
how to configure the module to meet various applica-
tion requirements.
Power Supply 6.5.1
The module requires at least 10µF of bulk capacitance
between VDD_3V3 pin 29 and ground and between
VDD_3V3_WIFI pin 2 and ground. The WLAN radio per-
formance may be significantly degraded if ground Pins
44-54 near the antenna are not connected to a solid
ground.
For applications that do not require separate control of
the WLAN power supply, the VDD_3V3 and
VDD_3V3_WIFI power supply pins may be connected
together as shown in .
Alternately, for applications that require finer control
over power consumption, the VDD_3V3_WIFI supply
can be dynamically driven. This is achieved using a sep-
arate regulator, or with a P-channel MOSFET as shown
in . The WIFI_EN gate enable signal may be connected
to any available GPIO on the module and controlled by
software to power on or off the WLAN subsystem as
required.
Figure 5. Common Power Supply
Figure 6. Gated WLAN Power Supply
WTS-Lab

AMW004 • 802.11b/g/n WICED™ Module
Design Guidelines, Section 6
ADS-MW004-100D8 • Preliminary Data Sheet Page | 12
©2014 ACKme Networks. http://ack.me March 4, 2014
Programming and Debug 6.5.2
The module may be programmed using the WICED SDK
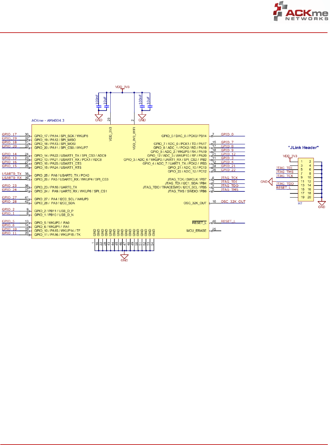
by connecting power and a JTAG JLINK header as shown
in Figure 7. JTAG adapters from Olimex, Segger or oth-
ers may be used as described in the WICED SDK docu-
mentation.
Figure 7. Connecting the AMW004 Module for Programming and Debug
Operation using WiConnect 6.5.3
The AMW004 module is pre-installed with WiConnect,
ACKme Networks feature-rich and reliable serial Wi-Fi
networking application with easy-to-use commands.
The module only requires power and a connection to a
serial interface such as UART or SPI. A host processor
connects to pins 23/24 (or 38/39) as shown in Figure 8
if the USART1 (or USART0) serial interface is used.
WTS-Lab

AMW004 • 802.11b/g/n WICED™ Module
Regulatory Certification, Section 7
ADS-MW004-100D8 • Preliminary Data Sheet Page | 14
©2014 ACKme Networks. http://ack.me March 4, 2014
7 Regulatory Certification
The AMW004 module has been certified for operation
in various regulatory domains. This section outlines cer-
tification information specific to the following countries
and regions:
United States
Canada
Europe
Australia
New Zealand
Should you require regulatory certification for the
AMW004 module in a country or region not listed,
please contact your local ACKme Networks sales office
or create a support request via our website at
http://ack.me.
7.1 United States
The ACKme Networks AMW004 module has received
Federal Communications Commission (FCC) CFR47 Tele-
communications, Part 15 Sub-part C “Intentional Radia-
tors” modular approval in accordance with Part 15.212
Modular Transmitter approval. Modular approval al-
lows the end user to integrate the AMW004 module
into a finished product without obtaining subsequent
and separate FCC approvals for intentional radiation,
provided no changes or modifications are made to the
module circuitry. Changes or modifications could void
the user’s authority to operate the equipment. The end
user must comply with all of the instructions provided
by the Grantee which indicate installation and/or oper-
ating conditions necessary for compliance.
The finished product is required to comply with all ap-
plicable FCC equipment authorization, regulations, re-
quirements, and equipment functions not associated
with the transmitter module portion. For example,
compliance must be demonstrated to regulations for
other transmitter components within the host product;
to requirements for unintentional radiators (Part 15
Sub-part B “Unintentional Radiators”), such as digital
devices, computer peripherals, radio receivers, etc.; and
to additional authorization requirements for non-
transmitter functions on the transmitter module (i.e.
Verification, or Declaration of Conformity) (e.g., trans-
mitter modules may also contain digital logic functions)
as appropriate.
Labeling and User Information 7.1.1
Requirements
The AMW004 module has been labelled with a unique
FCC ID number, and if the FCC ID is not visible when the
module is installed inside another device, then the out-
side of the finished product into which the module is
installed must also display a label referring to the en-
closed module. This exterior label can use wording as
follows:
The user manual for the product should include the fol-
lowing statement:
Contains FCC ID: 2ABPY-61F8D
This device complies with Part 15 of the FCC Rules.
Operation is subject to the following two conditions:
(1) this device may not cause harmful interference,
and (2) this device must accept any interference
received, including interference that may cause un-
desired operation.
This equipment has been tested and found to com-
ply with the limits for a Class B digital device, pursu-
ant to part 15 of the FCC Rules. These limits are de-
signed to provide reasonable protection against
harmful interference in a residential installation.
This equipment generates, uses and can radiate ra-
dio frequency energy and if not installed and used in
accordance with the instructions, may cause harm-
ful interference to radio communications. However,
there is no guarantee that interference will not oc-
cur in a particular installation. If this equipment
does cause harmful interference to radio or televi-
sion reception, which can be determined by turning
the equipment off and on, the user is encouraged to
try to correct the interference by one or more of the
following measures:
Reorient or relocate the receiving antenna.
Increase the separation between the equip-
ment and receiver.
Connect the equipment into an outlet on a cir-
cuit different from that to which the receiver is
connected.
Consult the dealer or an experienced radio/TV
technician for help.
WTS-Lab

AMW004 • 802.11b/g/n WICED™ Module
Regulatory Certification, Section 7
ADS-MW004-100D8 • Preliminary Data Sheet Page | 15
©2014 ACKme Networks. http://ack.me March 4, 2014
Additional information on labeling and user information
requirements for Part 15 devices can be found in KDB
Publication 784748 available at the FCC Office of Engi-
neering and Technology (OET) Laboratory Division
Knowledge Database (KDB) at the following website:
https://apps.fcc.gov/oetcf/kdb/index.cfm
RF Exposure 7.1.2
All transmitters regulated by FCC must comply with RF
exposure requirements. OET Bulletin 65, Evaluating
Compliance with FCC Guidelines for Human Exposure to
Radio Frequency Electromagnetic Fields, provides assis-
tance in determining whether proposed or existing
transmitting facilities, operations or devices comply
with limits for human exposure to Radio Frequency (RF)
fields adopted by the Federal Communications Com-
mission (FCC). The bulletin offers guidelines and sugges-
tions for evaluating compliance.
If appropriate, compliance with exposure guidelines for
mobile and unlicensed devices can be accomplished by
the use of warning labels and by providing users with
information concerning minimum separation distances
from transmitting structures and proper installation of
antennas.
The following statement must be included as a CAU-
TION statement in manuals and OEM products to alert
users of FCC RF exposure compliance:
If the AMW004 module is used in a portable application
(i.e., the antenna is less than 20 cm from persons dur-
ing operation), the integrator is responsible for per-
forming Specific Absorption Rate (SAR) testing in ac-
cordance with FCC rules 2.1091.
External Antenna 7.1.3
Modular approval in the United States is permitted with
the use of the integrated antenna ONLY. If an external
antenna is used with the AMW004 module, additional
testing of the end product is needed to meet FCC re-
quirements.
Further Information 7.1.4
Additional information regarding FCC certification and
use of the AMW004 module in the United States is
available from the following sources.
Federal Communications Commission (FCC)
http://www.fcc.gov.au
FCC Office of Engineering and Technology (OET)
Laboratory Division Knowledge Database (KDB)
http://apps.fcc.gov/oetcf/kdb/index.cfm
7.2 Canada
The AMW004 module has been certified for use in Can-
ada under Industry Canada (IC) Radio Standards Specifi-
cation (RSS) RSS-210 and RSSGen. Modular approval
permits the installation of a module in a host device
without the need to recertify the device.
Labeling and User Information 7.2.1
Requirements
Labeling Requirements for the Host Device (from Sec-
tion 3.2.1, RSS-Gen, Issue 3, December 2010): The host
device shall be properly labeled to identify the module
within the host device.
The Industry Canada certification label of a module
shall be clearly visible at all times when installed in the
host device, otherwise the host device must be labeled
to display the Industry Canada certification number of
the module, preceded by the words “Contains transmit-
ter module”, or the word “Contains”, or similar wording
expressing the same meaning, as follows:
User Manual Notice for License-Exempt Radio Appa-
ratus (from Section 7.1.3 RSS-Gen, Issue 3, December
2010): User manuals for license-exempt radio appa-
To satisfy FCC RF Exposure requirements for mobile
and base station transmission devices, a separation
distance of 20 cm or more should be maintained
between the antenna of this device and persons
during operation. To ensure compliance, operation
at closer than this distance is not recommended.
The antenna(s) used for this transmitter must not
be co-located or operating in conjunction with any
other antenna or transmitter
Contains transmitter module IC: 11685A-61F8D
WTS-Lab

AMW004 • 802.11b/g/n WICED™ Module
Regulatory Certification, Section 7
ADS-MW004-100D8 • Preliminary Data Sheet Page | 16
©2014 ACKme Networks. http://ack.me March 4, 2014
ratus shall contain the following or equivalent notice in
a conspicuous location in the user manual or alterna-
tively on the device or both:
Transmitter Antenna Notification (from Section 7.1.2
RSS-Gen, Issue 3, December 2010): User manuals for
transmitters shall display the following notice in a con-
spicuous location:
The above notice may be affixed to the device instead
of displayed in the user manual.
User manuals for transmitters equipped with detach-
able antennas shall also contain the following notice in
a conspicuous location:
Immediately following the above notice, the manufac-
turer shall provide a list of all antenna types approved
for use with the transmitter, indicating the maximum
permissible antenna gain (in dBi) and required imped-
ance for each.
External Antenna Types 7.2.2
Transmitter Antenna (from Section 7.1.2 RSS-Gen, Issue
3, December 2010):
The AMW004 module can only be operated with the
on-board antenna with which it was approved without
additional testing.
If an external antenna is used with the AMW004 mod-
ule, additional testing of the end product is needed to
meet IC requirements as described in the previous sec-
tion.
Further Information 7.2.3
Additional information may be obtained from the In-
dustry Canada website at http://www.ic.gc.ca
This device complies with Industry Canada license-
exempt RSS standard(s). Operation is subject to the
following two conditions: (1) this device may not
cause interference, and (2) this device must accept
any interference, including interference that may
cause undesired operation of the device.
Le présent appareil est conforme aux CNR d'Indus-
trie Canada applicables aux appareils radio exempts
de licence. L'exploitation est autorisée aux deux
onditions suivantes: (1) l'appareil ne doit pas
produire de brouillage, et (2) l'utilisateur de l'appa-
reil doit accepter tout brouillage radioélectrique
subi, meme si le brouillage est susceptible d'en
compromettre le fonctionnement.
Under Industry Canada regulations, this radio
transmitter may only operate using an antenna of a
type and maximum (or lesser) gain approved for the
transmitter by Industry Canada. To reduce potential
radio interference to other users, the antenna type
and its gain should be so chosen that the equivalent
isotropically radiated power (EIRP) is not more than
that necessary for successful communication.
Conformément à la réglementation d'Industrie Can-
ada, le présent émetteur radio peut fonctionner
avec une antenne d'un type et d'un gain maximal
(ou inférieur) approuvé pour l'émetteur par Indus-
trie Canada. Dans le but de réduire les risques de
brouil-lage radioélectrique à l'intention des autres
utilisa-teurs, il faut choisir le type d'antenne et son
gain de sorte que la puissance isotrope rayonnée
équivalente (p.i.r.e.) ne dépasse pas l'intensité
nécessaire à l'établissement d'une communication
satisfaisante.
This radio transmitter (identify the device by certifi-
cation number, or model number if Category II) has
been approved by Industry Canada to operate with
the antenna types listed below with the maximum
permissible gain and required antenna impedance
for each antenna type indicated. Antenna types not
included in this list, having a gain greater than the
maximum gain indicated for that type, are strictly
prohibited for use with this device.
Le présent émetteur radio (identifier le dispositif
par son numéro de certification ou son numéro de
modèle s'il fait partie du matériel de catégorie I) a
été approuvé par Industrie Canada pour fonctionner
avec les types d'antenne énumérés ci-dessous et
ayant un gain admissible maximal et l'impédance
requise pour chaque type d'antenne. Les types d'an-
tenne non inclus dans cette liste, ou dont le gain est
supérieur au gain maximal indiqué, sont strictement
interdits pour l'exploitation de l'émetteur.
WTS-Lab

AMW004 • 802.11b/g/n WICED™ Module
Regulatory Certification, Section 7
ADS-MW004-100D8 • Preliminary Data Sheet Page | 17
©2014 ACKme Networks. http://ack.me March 4, 2014
7.3 Europe
The AMW004 module is an R&TTE Directive assessed
radio module that is CE marked and has been manufac-
tured and tested with the intention of being integrated
into a final product.
The AMW004 module has been tested to R&TTE Di-
rective 1999/5/EC Essential Requirements for Health
and Safety Article 3.1(a), Electromagnetic Compatibility
(EMC) Article 3.1(b), and Radio Article 3.2 and the re-
sults are summarized in Table 11. A Notified Body Opin-
ion has also been issued. All AMW004 test reports are
available on the ACKme Networks website at
http://ack.me.
The R&TTE Compliance Association provides guidance
on modular devices in the document titled Technical
Guidance Note 01 available on the website at
http://www.rtteca.com/html/download_area.htm.
Labeling and User Information 7.3.1
Requirements
The label on the final product which contains the
AMW004 module must follow CE marking require-
ments. The R&TTE Compliance Association Technical
Guidance Note 01 provides guidance on final product
CE marking
External Antenna Requirements 7.3.1
From R&TTE Compliance Association document Tech-
nical Guidance Note 01:
Provided the integrator installing an assessed radio
module with an integral or specific antenna and in-
stalled in conformance with the radio module manufac-
turer’s installation instructions requires no further
evaluation under Article 3.2 of the R&TTE Directive and
does not require further involvement of an R&TTE Di-
rective Notified Body for the final product. [Section
2.2.4]
The European Compliance Testing listed in Table 11 was
performed using the AMW004 on-board antenna.
Further Information 7.3.2
A document that can be used as a starting point in un-
derstanding the use of Short Range Devices (SRD) in
Europe is the European Radio Communications Com-
mittee (ERC) Recommendation 70-03 E, which can be
downloaded from the European Radio Communications
Office (ERO) at: http://www.ero.dk.
Further information may be obtained from the follow-
ing websites:
Radio and Telecommunications Terminal Equip-
ment (R&TTE)
http://ec.europa.eu/enterprise/rtte/index_en.htm
European Conference of Postal and Telecommuni-
cations Administrations (CEPT)
http://www.cept.org
European Telecommunications Standards Institute
(ETSI)
http://www.etsi.org
European Radio Communications Office (ERO)
http://www.ero.dk
The Radio and Telecommunications Terminal
Equipment Compliance Association (R&TTE CA)
http://www.rtteca.com/
NOTE: To maintain conformance to the testing
listed in Table 11, the module shall be installed in
accordance with the installation instructions in this
data sheet and shall not be modified.
When integrating a radio module into a completed
product the integrator becomes the manufacturer
of the final product and is therefore responsible for
demonstrating compliance of the final product with
the essential requirements of the R&TTE Directive.
WTS-Lab

AMW004 • 802.11b/g/n WICED™ Module
Regulatory Certification, Section 7
ADS-MW004-100D8 • Preliminary Data Sheet Page | 18
©2014 ACKme Networks. http://ack.me March 4, 2014
Table 11. European Compliance Testing
Certification
Standard
Article
Laboratory
Report Number
Date
Safety
EN 60950-
1:2006+A11:2009+A1:2010
3.1(a)
Worldwide Testing
Services (Taiwan)
<TBD>
<TBD>
Health
EN 50371:2002-03
<TBD>
<TBD>
EMC
EN 301 489-1 v1.81 (2008-04)
3.1(b)
<TBD>
<TBD>
EN301 489-17 v2.1.1 (2009-05)
Radio
EN 300 328 v1.7.1 (2006-10)
3.2
<TBD>
<TBD>
Notified Body
Opinion
<MARK TBD>
Eurofins
<TBD>
<TBD>
7.4 Australia
Australian radio regulations do not provide a modular
approval policy similar to the United States (FCC) and
Canada (IC). However, AMW004 module test reports
may be used in part to demonstrate compliance in ac-
cordance with ACMA Radio communications “Short
Range Devices” Standard 2004 which references Aus-
tralia/New Zealand industry standard AS/NZS-
4268:2008. AMW004 RF transmitter test reports may
be used as part of the product certification and compli-
ance folder. For further information regarding the
availability of RF test reports, please contact ACKme
Networks via our website at http://ack.me.
External Antenna Requirements 7.4.1
The compliance test reports provided in Table 11 were
performed using the AMW004 on-board antenna. If an
external antenna is used with the AMW004 module,
additional testing of the end product is needed to meet
Australian regulatory requirements.
Further Information 7.4.2
Additional information may be obtained from the Aus-
tralian Communications and Media Authority website
at http://www.acma.gov.au.
7.5 New Zealand
New Zealand radio regulations do not provide a modu-
lar approval policy similar to the United States (FCC)
and Canada (IC). However, AMW004 module test re-
ports may be used in part to demonstrate compliance
with the New Zealand “General User Radio License for
Short Range Devices”. New Zealand Radio communica-
tions (Radio Standards) Notice 2010 references Austral-
ia/New Zealand industry standard AS/NZS-4268:2008.
AMW004 RF transmitter test reports may be used as
part of the product certification and compliance folder.
For further information regarding the availability of RF
test reports, please contact ACKme Networks via our
website at http://ack.me.
External Antenna Requirements 7.5.1
The compliance test reports provided in Table 11 were
performed using the AMW004 on-board antenna. If an
external antenna is used with the AMW004 module,
additional testing of the end product is needed to meet
New Zealand regulatory requirements.
Further Information 7.5.2
Additional information may be obtained from the New
Zealand Radio Spectrum Ministry of Economic Devel-
opment website at http://www.rsm.govt.nz.
WTS-Lab

AMW004 • 802.11b/g/n WICED™ Module
Packaging, Handling & Storage, RoHS, Section 8
ADS-MW004-100D8 • Preliminary Data Sheet Page | 19
©2014 ACKme Networks. http://ack.me March 4, 2014
8 Packaging, Handling &
Storage, RoHS
8.1 Packaging
The AMW004 module is shipped in a moisture resistant
sealed bag. The shelf life of the sealed bag is 12 months
at 40°C and <90% Relative Humidity (RH). Please refer
to the bag seal date.
8.2 Handling & Storage
CAUTION
MSL3 Sensitive Device!
The AMW004 module is a moisture sensitive device
rated at Moisture Sensitive Level 3 (MSL3) per
IPC/JEDEC J-STD-20.
After opening the moisture sealed storage bag, mod-
ules that will be subjected to reflow solder or other
high temperature processes must be:
1. mounted to a circuit board within 168 hours at
factory conditions (≤30°C and <60% RH)
OR
2. continuously stored per IPC/JEDEC J-STD-033
Modules that have been exposed to moisture and envi-
ronmental conditions exceeding packaging and storage
conditions MUST be baked before mounting according
to IPC/JEDEC J-STD-033.
Failure to meet packaging and storage conditions will
result in irreparable damage to modules during solder
reflow.
8.3 RoHS Directive
The AMW004 module is produced according to the
RoHS (Restriction of the use of certain Hazardous Sub-
stances in electrical and electronic equipment) directive
and complies with the directive.
WTS-Lab

AMW004 • 802.11b/g/n WICED™ Module
Revision History & Glossary, Section 9
ADS-MW004-100D8 • Preliminary Data Sheet Page | 20
©2014 ACKme Networks. http://ack.me March 4, 2014
9 Revision History & Glossary
9.1 Revision History
Table 12: Document Revision History
Revision
Date
Change Description
AN-DSM4-100D2
Jul 8, 2013
Draft release
AN-DSM4-100D3
Aug 15, 2013
Added RF measurement values
AN-DSM4-100D4
Sep 11, 2013
Updated pinout and added serial flash and 32k crystal
ADS-MW004-100D6
Nov 16, 2013
Added preliminary power consumption measurements, formatting
ADS-MW004-100D7
Nov 18, 2013
Clarification of Tx/Rx operation temperature specifications
ADS-MW004-100D8
Mar 4, 2014
Added packaging & certification information, added 32k crystal spec
9.2 Glossary
In most cases, acronyms and abbreviations are defined on first use. A comprehensive list of acronyms and other
terms used in ACKme Networks documents are provided on the ACKme Networks website at
http://ack.me/FAQs/Glossary.
WTS-Lab

AMW004 • 802.11b/g/n WICED™ Module
References, Section 10
ADS-MW004-100D8 • Preliminary Data Sheet Page | 21
©2014 ACKme Networks. http://ack.me March 4, 2014
10 References
Throughout this data sheet, references to other docu-
ments are listed. The following documents provide ad-
ditional material:
1. ATSAM4S16C Data Sheet
Rev. D
Atmel Corporation, July 2012
2. IEEE 802.11 Standard – 2012
Institute of Electrical and Electronics Engineers.
http://standards.ieee.org
WTS-Lab

AMW004 • 802.11b/g/n WICED™ Module
ACKme reserves the right to make changes without further notice to any products or data herein
to improve reliability, function, or design. Information furnished by ACKme is believed to be accu-
rate and reliable. However, ACKme does not assume any liability arising out of the application or
use of this information, nor the application or use of any product described herein, neither does it
convey any license under its patent rights nor the rights of others.
ACKme
Networks
US Headquarters: Australian Office:
2 North Santa Cruz Ave Level 21, Tower 2
Suite #207 201 Sussex St
Los Gatos CA 95030 Sydney NSW 2000
© 2014 by ACKme Networks. All rights reserved.
ADS-MW004-100D8 • Preliminary Data Sheet
March 4, 2014
Contact: +1 (408) 402 5708
e-mail: info@ack.me
http://ack.me
http://ackmenetworks.com
WTS-Lab
