Silicon Laboratories Finland B5BD9 Numbat User Manual Heading 1
ACKme Networks Inc Numbat Heading 1
Users Manual

AMW006 • Embedded Wi-Fi Networking Solution
ADS-MW006-102R • Preliminary Data Sheet April 1, 2015
©2014 ACKme Networks. http://ack.me Page | i
Disclaimer
While the information provided in this document is be-
lieved to be accurate, it is under development and
ACKme Networks reserves the right to make changes
without further notice to the product described herein
to improve reliability, function, or design, and makes no
guarantee or warranty concerning the accuracy of said
information, nor shall it be responsible for any loss or
damage of whatever nature resulting from the use of,
or reliance upon, such information. ACKme Networks
makes no warranties of any kind, whether express, im-
plied or arising by custom or course of trade or perfor-
mance, and specifically disclaims the implied warranties
of title, non-infringement, merchantability, or fitness for
a particular purpose.
No part of this document may be copied, reproduced,
stored in a retrieval system, or transmitted, in any form
or by any means, electronic, mechanical, photographic,
or otherwise, or used as the basis for manufacture or
sale of any items without the prior written consent of
ACKme Networks.
Trademarks
ACKme Networks and the ACKme Networks logo are
trademarks of ACKme Networks. Other trademarks in
this document belong to their respective owners.
Copyright © 2014 ACKme Networks.
All rights reserved.
Document Number: ADS-MW006
Release Date: April 1, 2015
Contact
http://ack.me/contact
About this Data Sheet
This document provides information on the
AMW006 802.11b/g/n Wi-Fi networking module from
ACKme Networks. Specifications for the module I/O
and peripherals are taken from MCU datasheet. Specifi-
cations for the WLAN subsystem were compiled from
measured data unless otherwise noted.
Organization
This data sheet is organized into the following sections:
Features & Applications
General Description, Section 1
Block Diagram, Section 2
Electrical Specifications, Section 3
WLAN RF Specifications, Section 4
Pinout and Signal Descriptions, Section 5
Design Guidelines, Section 6
Regulatory Certification, Section 7
Packaging, Handling & Storage, RoHS, Section 8
Ordering Information, Section 9
Revision History & Glossary, Section 10
References, Section 11

ADS-MW006-102R • Preliminary Data Sheet April 1, 2015
©2014 ACKme Networks. http://ack.me Page | ii
AMW006 Data Sheet
Embedded Wi-Fi Networking Solution
Features
Self-contained ultra-low power Wi-Fi module with
microcontroller and secure TCP network stack.
Integrated SPI-serial flash for software upgrades
and user accessible read/write file system
Wi-Fi
Broadcom single band 2.4GHz IEEE 802.11b/g/n
1x1 Wi-Fi transceiver
Includes support for all Wi-Fi security modes in-
cluding Open, WEP, WPA, and WPA2-PSK
Microprocessor
ARM Cortex M4 based microprocessor operating at
up to 84MHz for 105 DMIPs
Interfaces*
UART: 2 x 4-wire up to 10.5Mbit/s
SPI : SPI-Master (42Mbit/s), SPI-Slave (21Mbit/s)
GPIO: Up to 21 GPIOs (overlaid with peripherals)
A/D converter: 9 channel input, 12-bit resolution,
2.4MSPS sampling in single-shot or scan mode
PWM: Up to 14 PWM outputs
Wake-up: Wake pin for ultra-low power operation
Two external antennas for diversity and improved
range
*Some interfaces share module pins
Operational & Radio
Single operating voltage : 3.3V (typical)
All I/O pins are +5V tolerant
Operational Temperature Range: -30°C to +85°C
Size : 20.3 x 15.2 x 2.7mm (0.80” x 0.60” x 0.11”)
Weight : 0.07 oz (2g)
Current consumption @ 3.3V, 25°C
- VBAT : 0.97µA (with 32k RTC)
- Standby : 2.8µA (3.8uA with 32k RTC)
- Stop : 10µA with RAM retention (113µs wake)
- Wi-Fi Powersave : 0.77mA (DTIM = 3)
- Active receive : 5.7mA @ 1Mbit/s UDP
- Active transmit : 11.4mA @ 1Mbit/s UDP
Maximum RF transmit power
- 802.11b/g : +19 dBm
- 802.11n : +14 dBm
Minimum Receive sensitivity
- 802.11b/g : -94 dBm
- 802.11n : -86 dBm
Sustained TCP throughput : 10 Mbit/s
Applications
Industrial, M2M and Home Automation
- Environmental monitoring
- Energy monitoring
- Wireless sensing, remote data logging
- HVAC, power, light, & thermostat control
- Appliance control
Security
- Cameras, Doors/Window monitoring
- Alarms, Smoke Detectors
- Door and entry control
Health & Fitness
- Fitness Equipment
- Home health monitoring e.g. weight scales
Consumer
- Audio, Toys, Robots

AMW006 • Embedded Wi-Fi Networking Solution
ADS-MW006-102R • Preliminary Data Sheet April 1, 2015
©2014 ACKme Networks. http://ack.me Page | iii
Contents
1 General Description ............................................... 1
2 Block Diagram ........................................................ 2
3 Electrical Specifications .......................................... 3
3.1 Absolute Maximum Ratings ............................ 3
3.2 Recommended Operating Conditions ............ 3
DC Operating Conditions ........................ 3
Environmental Conditions ...................... 4
3.3 Power Consumption ....................................... 4
3.4 32kHz Crystal .................................................. 4
4 WLAN RF Specifications ......................................... 5
4.1 Summary WLAN Specifications ....................... 5
4.2 WLAN Receiver Specifications ........................ 5
4.3 WLAN Transmitter Specifications ................... 6
5 Pinout and Signal Descriptions .............................. 7
5.1 Pinout.............................................................. 7
5.2 Pin Description ................................................ 7
6 Design Guidelines ................................................. 10
6.1 Recommended PCB Footprint ...................... 10
6.2 Routing Recommendations .......................... 10
6.3 Soldering Information ................................... 10
6.4 Module Photograph ...................................... 10
6.5 External Antennas ......................................... 11
PCB Trace Antenna ............................... 11
Wire Antenna ........................................ 11
Monopole Antenna ............................... 11
6.6 Application Examples .................................... 12
Operation using WiConnect ................. 12
7 Regulatory Certification ....................................... 13
7.1 United States ................................................ 13
Labeling and User Information
Requirements ....................................................... 13
RF Exposure .......................................... 14
Approved External Antenna Types ....... 14
Further Information .............................. 14
7.2 Canada .......................................................... 14
Labeling and User Information
Requirements....................................................... 14
External Antenna Types ........................ 16
Further Information .............................. 16
7.3 Europe .......................................................... 16
Labeling and User Information
Requirements....................................................... 17
External Antenna Requirements .......... 17
Further Information .............................. 17
7.4 Australia ........................................................ 18
External Antenna Requirements .......... 18
Further Information .............................. 18
7.5 New Zealand ................................................. 18
External Antenna Requirements .......... 18
Further Information .............................. 18
8 Packaging, Handling & Storage, RoHS ................. 19
8.1 Packaging ...................................................... 19
8.2 Handling & Storage ....................................... 19
8.3 RoHS Directive .............................................. 19
9 Ordering Information ........................................... 20
10 Revision History & Glossary ................................. 21
10.1 Revision History ............................................ 21
10.2 Glossary ........................................................ 21
11 References ........................................................... 22

AMW006 • Embedded Wi-Fi Networking Solution
General Description, Section 1
ADS-MW006-102R • Preliminary Data Sheet April 1, 2015
©2014 ACKme Networks. http://ack.me Page | 1
1 General Description
The AMW006 module from ACKme Networks combines
a microcontroller with a BCM43362 Wi-Fi device to
provide an advanced stand-alone Wi-Fi and networking
solution.
An integrated module avoids difficult RF layout and en-
ables designers to rapidly embed Wi-Fi and secure net-
working functionality into virtually any device.
The ACKme Networks WiConnect serial-to-Wi-Fi appli-
cation, pre-programmed into all modules, may be used
to fast-track module integration into end-products.
With dimensions of just 20.3mm x 15.2mm and a wide
temperature range, the module is suitable for integra-
tion into most embedded applications.
The Wi-Fi device from Broadcom includes an integrated
RF transmit power amplifier and provides superior
Wi-Fi performance and full compatibility with all 2.4GHz
802.11b/g/n Wi-Fi networks. Connections for two ex-
ternal antennas provide applications with maximum
radio range and mechanical design flexibility.
The microprocessor is based on a high-performance
ARM® 32-bit Cortex™-M4 operating at a frequency up
to 84MHz providing 1.25 DMIPS/MHz. An extensive
range of enhanced I/Os and peripherals are also availa-
ble.
The AMW006 module offers extensive I/O and periph-
eral interfaces listed below, and provides additional
interface combinations by leveraging multiplexing and
alternate function capabilities.
2 x 4-Wire UART interfaces
2 x SPI interfaces (1 master, 1 slave)
21 x GPIOs
9 x 12-bit A/D converters
14 x PWM outputs
1 x ultra-low power wake input
The module is powered by a 3.3V power supply, a sep-
arate WLAN power supply pin is provided to minimize
noise coupling into the WLAN subsystem.
Various powersave modes offer ultra-low power opera-
tion. Wake from low power sleep mode is possible us-
ing IO pins or the internal real-time clock, and wake
from ultra-low power standby mode is achieved using
the dedicated wake pin.
The module incorporates a 32.768kHz crystal to main-
tain an accurate real time clock. A 32kHz clock output is
available on a dedicated module pin in both active
power save modes. The 32kHz clock output may be
used to drive the clock input of other system devices.
This avoids the need for an additional crystal thereby
minimizing total system cost.
The module has FCC & IC modular approval for use in
the United States and Canada, and CE approval for use
in Europe and other countries.

AMW006 • Embedded Wi-Fi Networking Solution
Block Diagram, Section 2
ADS-MW006-102R • Preliminary Data Sheet April 1, 2015
©2014 ACKme Networks. http://ack.me Page | 2
2 Block Diagram
Figure 1 is a block diagram of the AMW006 module. The
main components of the module are a microprocessor
and BCM43362 Wi-Fi System-on-Chip (SoC). The pro-
cessor and peripherals are driven by a 26MHz crystal.
The integrated real-time clock (RTC) is driven by a
32.768kHz crystal. An on-board 1MByte serial flash
chip may be used to store user data and configuration,
additional applications, and firmware images as part of
the ACKme secure over the air (OTA) update process.
The WLAN subsystem is controlled by WiConnect ena-
bling the module to achieve minimum power consump-
tion when the Wi-Fi networking interface is not re-
quired.
The module includes an antenna diversity switch. The
switch enables static or dynamic control of the external
antenna(s).
Figure 1. AMW006 Architecture
Antenna
Switch
VBAT
3v3 MCU
3v3 Wi-Fi
32kHz Out
ADC
PWM
UART
SPI
GPIO
Reset
ARM
Cortex M4
84 MHz
512 kB Flash
96 kB RAM
BCM43362
Wi-Fi
26MHz
32kHz
1 MByte
Serial Flash
AMW006
Antenna 1
Antenna 2

AMW006 • Embedded Wi-Fi Networking Solution
Electrical Specifications, Section 3
ADS-MW006-102R • Preliminary Data Sheet April 1, 2015
©2014 ACKme Networks. http://ack.me Page | 3
3 Electrical Specifications
3.1 Absolute Maximum Ratings
CAUTION! The absolute maximum ratings in Table 1 and Table 2 indicate levels where permanent damage to the de-
vice can occur, even if these limits are exceeded for only a brief duration. Functional operation is not guaranteed un-
der these conditions. Operation at absolute maximum conditions for extended periods can adversely affect long-
term reliability of the device.
The values in Table 1 reflect absolute maximum ratings from the respective microprocessor and BCM43362
datasheets.
Table 1. Absolute Maximum Voltage Ratings
Symbol
Ratings
Min
Max
Unit
VBAT
External power supply voltage to MCU VBAT pin
-0.3
4.0
V
VDD_3V3
External power supply voltage to MCU subsystem
-0.3
4.0
VDD_3V3_WIFI
External power supply voltage to WLAN subsystem
-0.5
6.0
Vin
Input voltage on any other MCU pin
GND - 0.3
VDD_3V3 + 4.0
Table 2. Absolute Maximum Environmental Ratings
Characteristic
Note
Min
Max
Unit
Storage Temperature
–
-40
+125
°C
Relative Humidity
Non-condensing (storage)
–
65
%
3.2 Recommended Operating Conditions
Functional operation is not guaranteed outside the limits shown in Table 3 and Table 4, and operation outside these
limits for extended periods can adversely affect long-term reliability of the device.
DC Operating Conditions
Table 3. Recommended DC Operating Conditions
Symbol
Ratings
Min
Typ
Max
Unit
VBAT
External power supply voltage to MCU VBAT pin
3.0
3.3
3.6
V
VDD_3V31
External power supply voltage to MCU subsystem
3.0
3.3
3.6
VDD_3V3_WIFI1,2
External power supply voltage to WLAN subsystem
3.0
3.3
3.6
Notes:
1. VDD_3V3 and VDD_3V3_WIFI must be at the same voltage when using the Wi-Fi subsystem
2. The performance of the Wi-Fi subsystem is degraded significantly at low voltages

AMW006 • Embedded Wi-Fi Networking Solution
Electrical Specifications, Section 3
ADS-MW006-102R • Preliminary Data Sheet April 1, 2015
©2014 ACKme Networks. http://ack.me Page | 4
Environmental Conditions
Table 4. Recommended Environmental Conditions
Characteristic
Note
Min
Max
Unit
Ambient Temperature
Limited by WLAN chip specification
-30
+85
°C
Relative Humidity
Non-condensing (operating)
–
85
%
3.3 Power Consumption
Table 5. Power consumption (VDD_3V3, VDD_3V3_WIFI, VBAT @ 3.3V)
Operational State
Note
Typ1
Max1
Max1
Unit
TA =
25°C
TA =
85°C
VBAT
MCU VBAT Mode, RTC on, Wi-Fi powered off
0.97
–
3.0
µA
Standby
MCU Standby Mode, RTC on, Wi-Fi powered off
3.8
5.0
17.0
µA
Stop3
MCU Stop Mode, Wi-Fi powered off
10
28
230
µA
Wi-Fi Powersave2,3
MCU Stop mode, Wi-Fi in powersave
0.77
–
–
mA
Active Receive2,3,4
MCU Stop mode, Wi-Fi active receive
5.7
–
–
mA
Active Transmit2,3,5
MCU Stop mode, Wi-Fi active transmit
11.4
–
–
mA
Wi-Fi Tx Test Mode6
MCU Stop mode, Wi-Fi active transmit
–
320
–
mA
Notes:
1. Total combined current consumed by all power supplies: VBAT, VDD_3V3, VDD_3V3_WIFI.
2. 802.11 beacon Interval = 102.4ms, DTIM=3, Beacon Duration = 1ms @ 1Mbps.
3. MCU Stop Mode with 113µs wakeup latency (flash in deep power down mode)
4. Average current receiving 1Mbit/s UDP at 802.11n MCS7
5. Average current transmitting 1Mbit/s UDP at 802.11n MCS7
6. Wi-Fi Transmitting at +18dBm CCK 11Mbit/s with maximum duty cycle
3.4 32kHz Crystal
Table 6. 32kHz Crystal Specifications1
Operational State
Note
Min
Typical
Max
Unit
Frequency
–
32768
–
Hz
Frequency Tolerance
–
20
–
ppm
Frequency Ageing
Measured @25°C ±3°C
-3
–
+3
ppm
Notes:
1. Reproduced from manufacturer’s datasheet.

AMW006 • Embedded Wi-Fi Networking Solution
WLAN RF Specifications, Section 4
ADS-MW006-102R • Preliminary Data Sheet April 1, 2015
©2014 ACKme Networks. http://ack.me Page | 5
4 WLAN RF Specifications
The AMW006 WLAN radio specifications are derived from the Broadcom BCM43362 WLAN radio specifications.
Unless otherwise stated, the specifications in this section apply when the operating conditions are within the limits
specified in Section 3.2, Recommended Operating Conditions. Functional operation outside these limits is not guar-
anteed.
All specifications are measured by connecting directly to either of the antenna ports via a short PCB trace with the
other antenna port terminated in 50 ohms.
4.1 Summary WLAN Specifications
Table 7. Summary WLAN Specifications
Feature Supported
Description
WLAN Standard
IEEE 802.11b/g/n 1x1 SISO
Frequency Band
2.400 GHz – 2.484 GHz
WLAN Channels
Channels 1 – 13
Data Rates
802.11b (1, 2, 5.5, 11 Mbps)
802.11g (6, 9, 12, 24, 36, 48, 54 Mbps)
802.11n (HT20 MCS0-MCS7)
Maximum Receive level
@ 2.4GHz
-2.5 dBm @ 1, 2 Mbps (8% PER, 1024 octets)
-8.5 dBm @ 5.5, 11 Mbps (8% PER, 1024 Octets)
-12 dBm @ 6-54 Mbps (10% PER, 1000 Octets)
Maximum RF Tx Output Power
+19 dBm @ 802.11b (EVM < -9 dB)
+14 dBm @ 802.11n MCS7 (EVM < -28 dB)
Carrier Frequency Accuracy
±20 ppm (26MHz crystal with ±10 ppm @ 25C)
4.2 WLAN Receiver Specifications
Table 8. WLAN Receiver Performance Specifications
Parameter
Condition/Notes
Min
Typical
Max
Unit
Frequency Range
–
2400
–
2500
MHz
Operating Temperature1
–
-30
–
+85
°C
Receive Sensitivity2
(8% PER for 1024 octet PSDU)
at either antenna port3
1 Mbps DSSS
–
-94
-91
dBm
11 Mbps CCK
–
-87
-83
Receive Sensitivity2
(10% PER for 1000 octet
PSDU) at either antenna port3
6 Mbps OFDM
–
-86
-81
dBm
54 Mbps OFDM
–
-73
-69

AMW006 • Embedded Wi-Fi Networking Solution
WLAN RF Specifications, Section 4
ADS-MW006-102R • Preliminary Data Sheet April 1, 2015
©2014 ACKme Networks. http://ack.me Page | 6
Parameter
Condition/Notes
Min
Typical
Max
Unit
Receive Sensitivity2
(10% PER for 4096 octet
PSDU) at either antenna port3.
Defined for default parame-
ters: GF, 800ns GI, and non-
STBC
65 Mbps MCS0, HT20
–
-86
-81
dBm
65 Mbps MCS7, HT20
–
-70
-65
Max. Receive Level @ 2.4GHz
@ 1, 2 Mbps (8% PER, 1024 octets)
-2
–
–
dBm
@ 5.5, 11 Mbps (8% PER, 1024 Octets)
-8
–
–
@ 6-54 Mbps (10% PER, 1000 Octets)
-11.5
–
–
Notes:
1. Operation below -20°C and above +65°C with parameter derating per Note 2
2. Derate receive sensitivity by 1.5dB for operation between temperatures of -30°C to -20°C and 65°C to 85°C
3. All measurements performed with the other antenna port terminated in 50 ohms
4.3 WLAN Transmitter Specifications
Table 9. WLAN Transmitter Performance Specifications
Parameter
Condition/Notes
Min
Typical
Max
Unit
Frequency Range
–
2400
–
2500
MHz
Operating Temperature1
–
-30
–
+85
°C
Transmit power2 measured at
either antenna port3 for high-
est power level setting at
25°C, VDD-3V3_RF_IN=3.3V
with spectral mask and EVM
compliance
EVM does NOT exceed :
1 Mbps DSSS
-11 dB
+15
+17
+19
dBm
11 Mbps CCK
-11 dB
+15
+17
+19
6 Mbps OFDM
-22 dB
+12
+14
+16
54 Mbps OFDM
-25 dB
+12
+14
+16
MCS0, HT20
-22 dB
+10
+12
+14
MCS7, HT20
-28 dB
+10
+12
+14
Notes:
1. Operation below -20°C and above +65°C with parameter derating per Note 2
2. Derate transmit power by 1.5dB for operation between temperatures of -30°C to -20°C and 65°C to 85°C
3. All measurements performed with the other antenna port terminated in 50 ohms

AMW006 • Embedded Wi-Fi Networking Solution
Pinout and Signal Descriptions, Section 5
ADS-MW006-102R • Preliminary Data Sheet April 1, 2015
©2014 ACKme Networks. http://ack.me Page | 7
5 Pinout and Signal Descriptions
5.1 Pinout
A top view of the AMW006 pinout is depicted in Figure 2.
All dimensions are in thousands of an inch. A recom-
mended footprint is provided in Section 6.1.
Figure 2. AMW006 Pinout (TOP View – Pins NOT visible from top!)
5.2 Pin Description
Table 10. AMW006 WiConnect Pin Definitions
Pin
Name
Type1
Primary Function
Alternate & Other Function(s)
1-2
GND
S
Ground
-
3
VBAT
S
VBAT MCU supply
-
4
GPIO_0
I/O
Factory Reset2
SPI1_MISO (S), GPIO
5
GPIO_1
I/O
GPIO
-
6
GPIO_2
I/O
GPIO
SPI1_SCK (S)
7
GPIO_3
I/O
GPIO
SPI1_CS (S)
8
GPIO_4
I/O
GPIO
-
9
OSC_32K_OUT
O
OSC_32K_OUT
-
10
VDD_3V3
I/O
3.3V MCU supply
11-12
GND
S
Ground
-
13
GPIO_5
I/O
GPIO
SPI1_MOSI (slave), PWM5

AMW006 • Embedded Wi-Fi Networking Solution
Pinout and Signal Descriptions, Section 5
ADS-MW006-102R • Preliminary Data Sheet April 1, 2015
©2014 ACKme Networks. http://ack.me Page | 8
Pin
Name
Type1
Primary Function
Alternate & Other Function(s)
14
GPIO_6
I/O
SPI0_MISO (M)
ADC6
15
GPIO_7
I/O
SPI0_SCK (M)
ADC5
16
GPIO_8
I/O
SPI0_MOSI (M)
ADC7
17
GPIO_9
I/O
GPIO
UART0_RTS
18
GPIO_10
I/O
GPIO
UART0_CTS, PWM0
19
GPIO_11
I/O
UART0_RX
GPIO, PWM0
20
GPIO_12
I/O
UART0_TX
GPIO, PWM0
21
GPIO_13
I/O
GPIO
PWM1
22
GPIO_14
I/O
GPIO
PWM3
23
GPIO_15
I/O
GPIO
PWM3
24
GPIO_16
I/O
GPIO
PWM6
25
GPIO_17
I/O
GPIO
UART1_RX, ADC3, PWM4
26-27
GND
I/O
Ground
-
28
GPIO_18
I/O
GPIO
-
29
GPIO_19
I/O
GPIO
UART1_TX, ADC2, PWM4
30
GPIO_20
I/O
GPIO
ADC9, PWM2
31
GPIO_21
I/O
GPIO
ADC8, PWM2
32
GPIO_22
I/O
GPIO
UART1_CTS, WAKE, ADC0, PWM1
33
GPIO_23
I/O
GPIO
UART1_RTS, ADC1, PWM4
34
RESET_N
I
System Reset4
35
VDD_WIFI
S
3.3V WLAN supply
-
36-42
GND
S
Ground
-
43
ANTENNA_1
O
Wi-Fi Antenna3
-
44-46
GND
S
Ground
-
47
ANTENNA_2
O
Wi-Fi Antenna3
-
48-52
GND
S
Ground
-
Notes:
1. I = Input, O = Output, S = Supply
2. Factory reset is sampled at power-on-reset and available for other purposes thereafter.
3. Wi-Fi Antenna pins are AC-coupled and have a nominal 50 ohms output impedance.
4. The module Reset pin is connected to the internal MCU via a 1k resistor.
We recommend driving the pin. If the pin is not driven, add a 0.1uF cap on the reset line to bypass noise which
may cause accidental reset.

AMW006 • Embedded Wi-Fi Networking Solution
Design Guidelines, Section 6
ADS-MW006-102R • Preliminary Data Sheet April 1, 2015
©2014 ACKme Networks. http://ack.me Page | 10
6 Design Guidelines
6.1 Recommended PCB Footprint
All dimensions in Figure 3 are in thousands of an inch unless otherwise marked.
Figure 3. AMW006 Recommended Footprint (Top)
6.2 Routing Recommendations
When designing a carrier board, the addition of ground
fill directly underneath the AMW006 module, rather
than signal or power traces, is recommended. If traces
must be routed directly beneath the module, avoid
routing directly underneath keepout areas. All ground
pads adjacent to antenna pins must be connected to a
solid ground plane. Failure to comply with these rec-
ommendations may result in degraded performance of
WLAN functionality.
6.3 Soldering Information
TBA
6.4 Module Photograph
Figure 4. AMW006 Photograph (Top)

AMW006 • Embedded Wi-Fi Networking Solution
Design Guidelines, Section 6
ADS-MW006-102R • Preliminary Data Sheet April 1, 2015
©2014 ACKme Networks. http://ack.me Page | 11
6.5 External Antennas
The AMW006 module supports two external antennas
and per-packet antenna diversity to achieve maximum
range. Antenna selection is available by setting WiCon-
nect variables.
NOTE! BOTH antenna ports must be terminated in 50
ohms. If a single antenna is used, the other antenna
port must be terminated with a 50 ohm load. Failure to
terminate both antenna ports will result in degraded
radio performance.
Table 11 - Tested External Antenna Types
Model
Type
Gain (dBi)
Printed antenna
PCB trace
TBD
Wire
Monopole
TBD
ACA-1SRPP-2400
Monopole
0.6
ACA-4HSRPP-2458
Monopole
1.0
Note: An antenna type comprises antennas having simi-
lar in-band and out-of-band radiation patterns.
PCB Trace Antenna
This 2.4 GHz PCB antenna can fit in an area smaller than
21mm x 10mm, and as small as 15mm x 6mm. To
achieve optimum performance, make an exact copy of
this reference design.
Figure 5 - Trace Antenna
Wire Antenna
A suitable wire antenna is an 18-gauge wire with a
length of 25.4mm ± 2mm. The wire antenna should be
perpendicular to a generous ground plane.
Figure 6 - AMW006-A01 adaptor with wire antennas
Monopole Antenna
Any monopole or whip antenna may be used with the
AMW006 provided the gain is no greater than 2.2 dBi. A
u.FL connector layout such as the one shown below can
be used to connect the whip antenna(s).
Figure 7 - u.FL connector layout
Suitable monopole antennas include the
ACA_1SSRPP_2400 and ACA_4HSRPP_2458, both of
which are available online at http://ack.me.
Figure 8 - ACA-1SSRPP-2400
Figure 9 - ACA-4HSRPP-2458

AMW006 • Embedded Wi-Fi Networking Solution
Design Guidelines, Section 6
ADS-MW006-102R • Preliminary Data Sheet April 1, 2015
©2014 ACKme Networks. http://ack.me Page | 12
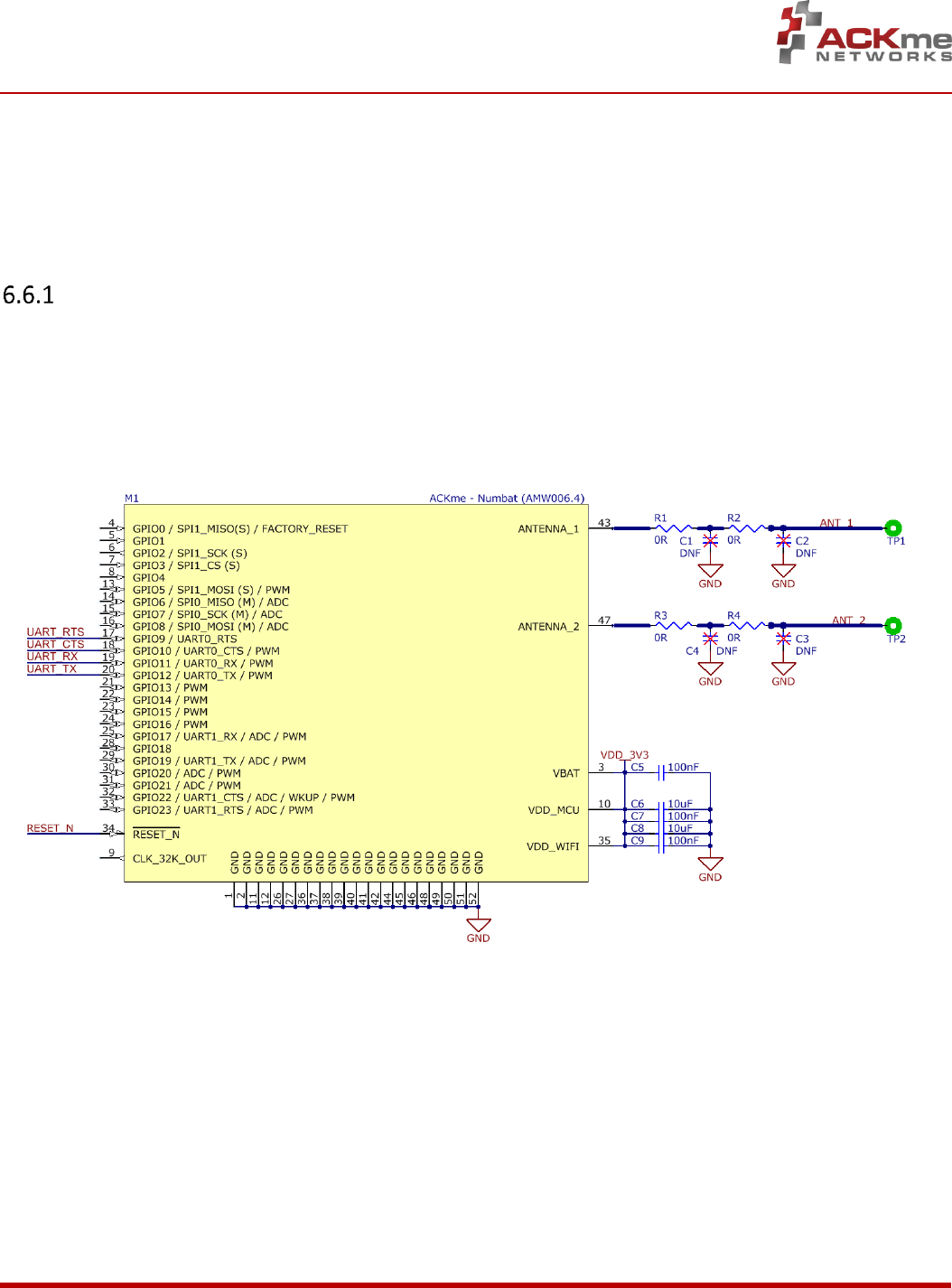
6.6 Application Examples
TBD
Operation using WiConnect
To use ACKme’s easy-to-use WiConnect serial-to-Wi-Fi
application, the module only requires an external con-
nection to power and a UART serial interface. A host
processor connects to UART0 (pins 19/20) or UART1
(pins 25/29) as shown in Figure 10.
Figure 10. Using the AMW006 Module with WiConnect and a UART serial interface

AMW006 • Embedded Wi-Fi Networking Solution
Regulatory Certification, Section 7
ADS-MW006-102R • Preliminary Data Sheet April 1, 2015
©2014 ACKme Networks. http://ack.me Page | 13
7 Regulatory Certification
The AMW006 module has been certified for operation
in various regulatory domains. This section outlines cer-
tification information specific to the following countries
and regions:
United States
Canada
Europe
Australia
New Zealand
Should you require regulatory certification for the
AMW006 module in a country or region not listed,
please contact your local ACKme Networks sales office
or create a support request via our website at
http://ack.me/contact.
7.1 United States
The ACKme Networks AMW006 module has received
Federal Communications Commission (FCC) CFR47 Tele-
communications, Part 15 Sub-part C “Intentional Radia-
tors” modular approval in accordance with Part 15.212
Modular Transmitter approval. Modular approval al-
lows the end user to integrate the AMW006 module
into a finished product without obtaining subsequent
and separate FCC approvals for intentional radiation,
provided no changes or modifications are made to the
module circuitry. Changes or modifications could void
the user’s authority to operate the equipment. The end
user must comply with all of the instructions provided
by the Grantee which indicate installation and/or oper-
ating conditions necessary for compliance.
The finished product is required to comply with all ap-
plicable FCC equipment authorization, regulations, re-
quirements, and equipment functions not associated
with the transmitter module portion. For example,
compliance must be demonstrated to regulations for
other transmitter components within the host product;
to requirements for unintentional radiators (Part 15
Sub-part B “Unintentional Radiators”), such as digital
devices, computer peripherals, radio receivers, etc.; and
to additional authorization requirements for non-
transmitter functions on the transmitter module (i.e.
Verification, or Declaration of Conformity) (e.g., trans-
mitter modules may also contain digital logic functions)
as appropriate.
Labeling and User Information
Requirements
The AMW006 module has been labelled with a unique
FCC ID number, and if the FCC ID is not visible when the
module is installed inside another device, then the out-
side of the finished product into which the module is
installed must also display a label referring to the en-
closed module. This exterior label can use wording as
follows:
The user manual for the product should include the fol-
lowing statement:
Contains FCC ID: 2ABPY-B5BD9
This device complies with Part 15 of the FCC Rules.
Operation is subject to the following two conditions:
(1) this device may not cause harmful interference,
and (2) this device must accept any interference
received, including interference that may cause un-
desired operation.
This equipment has been tested and found to com-
ply with the limits for a Class B digital device, pursu-
ant to part 15 of the FCC Rules. These limits are de-
signed to provide reasonable protection against
harmful interference in a residential installation.
This equipment generates, uses and can radiate ra-
dio frequency energy and if not installed and used in
accordance with the instructions, may cause harm-
ful interference to radio communications. However,
there is no guarantee that interference will not oc-
cur in a particular installation. If this equipment
does cause harmful interference to radio or televi-
sion reception, which can be determined by turning
the equipment off and on, the user is encouraged to
try to correct the interference by one or more of the
following measures:
Reorient or relocate the receiving antenna.
Increase the separation between the equip-
ment and receiver.
Connect the equipment into an outlet on a cir-
cuit different from that to which the receiver is
connected.
Consult the dealer or an experienced radio/TV
technician for help.

AMW006 • Embedded Wi-Fi Networking Solution
Regulatory Certification, Section 7
ADS-MW006-102R • Preliminary Data Sheet April 1, 2015
©2014 ACKme Networks. http://ack.me Page | 14
Additional information on labeling and user information
requirements for Part 15 devices can be found in KDB
Publication 784748 available at the FCC Office of Engi-
neering and Technology (OET) Laboratory Division
Knowledge Database (KDB) at the following website:
https://apps.fcc.gov/oetcf/kdb/index.cfm
RF Exposure
All transmitters regulated by FCC must comply with RF
exposure requirements. OET Bulletin 65, Evaluating
Compliance with FCC Guidelines for Human Exposure to
Radio Frequency Electromagnetic Fields, provides assis-
tance in determining whether proposed or existing
transmitting facilities, operations or devices comply
with limits for human exposure to Radio Frequency (RF)
fields adopted by the Federal Communications Com-
mission (FCC). The bulletin offers guidelines and sugges-
tions for evaluating compliance.
If appropriate, compliance with exposure guidelines for
mobile and unlicensed devices can be accomplished by
the use of warning labels and by providing users with
information concerning minimum separation distances
from transmitting structures and proper installation of
antennas.
The following statement must be included as a CAU-
TION statement in manuals and OEM products to alert
users of FCC RF exposure compliance:
If the AMW006 module is used in a portable application
(i.e., the antenna is less than 20 cm from persons dur-
ing operation), the integrator is responsible for per-
forming Specific Absorption Rate (SAR) testing in ac-
cordance with FCC rules 2.1091.
Approved External Antenna Types
Modular approval testing of the AMW006 was per-
formed with the antenna types listed in Table 11 - Test-
ed External Antenna Types.
To maintain modular approval in the United States, only
the tested antenna types shall be used. It is permissible
to use different antenna manufacturers provided the
antenna types match: in-band and out-of-band radia-
tion patterns and antenna gain must be similar to those
tested.
Further Information
Additional information regarding FCC certification and
use of the AMW006 module in the United States is
available from the following sources.
Federal Communications Commission (FCC)
http://www.fcc.gov.au
FCC Office of Engineering and Technology (OET)
Laboratory Division Knowledge Database (KDB)
http://apps.fcc.gov/oetcf/kdb/index.cfm
7.2 Canada
The AMW006 module has been certified for use in Can-
ada under Industry Canada (IC) Radio Standards Specifi-
cation (RSS) RSS-210 and RSSGen. Modular approval
permits the installation of a module in a host device
without the need to recertify the device.
Labeling and User Information
Requirements
Labeling Requirements for the Host Device (from Sec-
tion 3.2.1, RSS-Gen, Issue 3, December 2010): The host
device shall be properly labeled to identify the module
within the host device.
The Industry Canada certification label of a module
shall be clearly visible at all times when installed in the
host device, otherwise the host device must be labeled
to display the Industry Canada certification number of
the module, preceded by the words “Contains transmit-
ter module”, or the word “Contains”, or similar wording
expressing the same meaning, as follows:
To satisfy FCC RF Exposure requirements for mobile
and base station transmission devices, a separation
distance of 20 cm or more should be maintained
between the antenna of this device and persons
during operation. To ensure compliance, operation
at closer than this distance is not recommended.
The antenna(s) used for this transmitter must not
be co-located or operating in conjunction with any
other antenna or transmitter

AMW006 • Embedded Wi-Fi Networking Solution
Regulatory Certification, Section 7
ADS-MW006-102R • Preliminary Data Sheet April 1, 2015
©2014 ACKme Networks. http://ack.me Page | 15
User Manual Notice for License-Exempt Radio Appa-
ratus (from Section 7.1.3 RSS-Gen, Issue 3, December
2010): User manuals for license-exempt radio appa-
ratus shall contain the following or equivalent notice in
a conspicuous location in the user manual or alterna-
tively on the device or both:
Transmitter Antenna Notification (from Section 7.1.2
RSS-Gen, Issue 3, December 2010): User manuals for
transmitters shall display the following notice in a con-
spicuous location:
The above notice may be affixed to the device instead
of displayed in the user manual.
User manuals for transmitters equipped with detach-
able antennas shall also contain the following notice in
a conspicuous location:
Contains transmitter module IC: 11685A-61F8D
This device complies with Industry Canada license-
exempt RSS standard(s). Operation is subject to the
following two conditions: (1) this device may not
cause interference, and (2) this device must accept
any interference, including interference that may
cause undesired operation of the device.
Le présent appareil est conforme aux CNR d'Indus-
trie Canada applicables aux appareils radio exempts
de licence. L'exploitation est autorisée aux deux
onditions suivantes: (1) l'appareil ne doit pas
produire de brouillage, et (2) l'utilisateur de l'appa-
reil doit accepter tout brouillage radioélectrique
subi, meme si le brouillage est susceptible d'en
compromettre le fonctionnement.
Under Industry Canada regulations, this radio
transmitter may only operate using an antenna of a
type and maximum (or lesser) gain approved for the
transmitter by Industry Canada. To reduce potential
radio interference to other users, the antenna type
and its gain should be so chosen that the equivalent
isotropically radiated power (EIRP) is not more than
that necessary for successful communication.
Conformément à la réglementation d'Industrie Can-
ada, le présent émetteur radio peut fonctionner
avec une antenne d'un type et d'un gain maximal
(ou inférieur) approuvé pour l'émetteur par Indus-
trie Canada. Dans le but de réduire les risques de
brouil-lage radioélectrique à l'intention des autres
utilisa-teurs, il faut choisir le type d'antenne et son
gain de sorte que la puissance isotrope rayonnée
équivalente (p.i.r.e.) ne dépasse pas l'intensité
nécessaire à l'établissement d'une communication
satisfaisante.

AMW006 • Embedded Wi-Fi Networking Solution
Regulatory Certification, Section 7
ADS-MW006-102R • Preliminary Data Sheet April 1, 2015
©2014 ACKme Networks. http://ack.me Page | 16
Immediately following the above notice, the manufac-
turer shall provide a list of all antenna types approved
for use with the transmitter, indicating the maximum
permissible antenna gain (in dBi) and required imped-
ance for each.
External Antenna Types
Modular approval testing of the AMW006 was per-
formed with the antenna types listed in Table 11 - Test-
ed External Antenna Types.
Transmitter Antenna (from Section 7.1.2 RSS-Gen, Issue
3, December 2010):
The AMW006 module can only be sold or operated with
antennas with which it was approved. Transmitter may
be approved with multiple antenna types. An antenna
type comprises antennas having similar in-band and
out-of-band radiation patterns. Testing shall be per-
formed using the highest gain antenna of each combi-
nation of transmitter and antenna type for which ap-
proval is being sought, with the transmitter output
power set at the maximum level. Any antenna of the
same type having equal or lesser gain as an antenna
that had been successfully tested with the transmitter,
will also be considered approved with the transmitter,
and may be used and marketed with the transmitter.
When a measurement at the antenna connector is used
to determine RF output power, the effective gain of the
device's antenna shall be stated, based on measure-
ment or on data from the antenna manufacturer.
For transmitters of output power greater than 10 milli-
watts, the total antenna gain shall be added to the
measured RF output power to demonstrate compliance
to the specified radiated power limits.
Further Information
Additional information may be obtained from the In-
dustry Canada website at http://www.ic.gc.ca
7.3 Europe
The AMW006 module is an R&TTE Directive assessed
radio module that is CE marked and has been manufac-
tured and tested with the intention of being integrated
into a final product.
The AMW006 module has been tested to R&TTE Di-
rective 1999/5/EC Essential Requirements for Health
and Safety Article 3.1(a), Electromagnetic Compatibility
(EMC) Article 3.1(b), and Radio Article 3.2 and the re-
sults are summarized in Table 12. European Compliance
Testing. Opinion has also been issued. All AMW006 test
reports are available on the ACKme Networks website
at http://ack.me/contact.
The R&TTE Compliance Association provides guidance
on modular devices in the document titled Technical
Guidance Note 01 available on the website at
http://www.rtteca.com/html/download_area.htm.
This radio transmitter (identify the device by certifi-
cation number, or model number if Category II) has
been approved by Industry Canada to operate with
the antenna types listed below with the maximum
permissible gain and required antenna impedance
for each antenna type indicated. Antenna types not
included in this list, having a gain greater than the
maximum gain indicated for that type, are strictly
prohibited for use with this device.
Le présent émetteur radio (identifier le dispositif
par son numéro de certification ou son numéro de
modèle s'il fait partie du matériel de catégorie I) a
été approuvé par Industrie Canada pour fonctionner
avec les types d'antenne énumérés ci-dessous et
ayant un gain admissible maximal et l'impédance
requise pour chaque type d'antenne. Les types d'an-
tenne non inclus dans cette liste, ou dont le gain est
supérieur au gain maximal indiqué, sont strictement
interdits pour l'exploitation de l'émetteur.

AMW006 • Embedded Wi-Fi Networking Solution
Regulatory Certification, Section 7
ADS-MW006-102R • Preliminary Data Sheet April 1, 2015
©2014 ACKme Networks. http://ack.me Page | 17
Labeling and User Information
Requirements
The label on the final product which contains the
AMW006 module must follow CE marking require-
ments. The R&TTE Compliance Association Technical
Guidance Note 01 provides guidance on final product
CE marking
External Antenna Requirements
From R&TTE Compliance Association document Tech-
nical Guidance Note 01:
Provided the integrator installing an assessed radio
module with an integral or specific antenna and in-
stalled in conformance with the radio module manufac-
turer’s installation instructions requires no further
evaluation under Article 3.2 of the R&TTE Directive and
does not require further involvement of an R&TTE Di-
rective Notified Body for the final product. [Section
2.2.4]
The European Compliance Testing listed in Table 12.
European Compliance Testing was performed using an-
tenna types listed in Table 11 - Tested External Antenna
Types.
Further Information
A document that can be used as a starting point in un-
derstanding the use of Short Range Devices (SRD) in
Europe is the European Radio Communications Com-
mittee (ERC) Recommendation 70-03 E, which can be
downloaded from the European Radio Communications
Office (ERO) at: http://www.ero.dk.
Further information may be obtained from the follow-
ing websites:
Radio and Telecommunications Terminal Equip-
ment (R&TTE)
http://ec.europa.eu/enterprise/rtte/index_en.htm
European Conference of Postal and Telecommuni-
cations Administrations (CEPT)
http://www.cept.org
European Telecommunications Standards Institute
(ETSI)
http://www.etsi.org
European Radio Communications Office (ERO)
http://www.ero.dk
The Radio and Telecommunications Terminal
Equipment Compliance Association (R&TTE CA)
http://www.rtteca.com/
NOTE: To maintain conformance to the testing
listed in Table 12. European Compliance Testing, the
module shall be installed in accordance with the
installation instructions in this data sheet and shall
not be modified.
When integrating a radio module into a completed
product the integrator becomes the manufacturer
of the final product and is therefore responsible for
demonstrating compliance of the final product with
the essential requirements of the R&TTE Directive.

AMW006 • Embedded Wi-Fi Networking Solution
Regulatory Certification, Section 7
ADS-MW006-102R • Preliminary Data Sheet April 1, 2015
©2014 ACKme Networks. http://ack.me Page | 18
Table 12. European Compliance Testing
Certification
Standard
Article
Laboratory
Report Number
Date
Safety
EN 60950-
1:2006+A11:2009+A1:2010
3.1(a)
Worldwide Testing
Services (Taiwan)
<TBD>
<TBD>
Health
EN 50371:2002-03
<TBD>
<TBD>
EMC
EN 301 489-1 v1.81 (2008-04)
3.1(b)
<TBD>
<TBD>
EN301 489-17 v2.1.1 (2009-05)
Radio
EN 300 328 v1.7.1 (2006-10)
3.2
<TBD>
<TBD>
Notified Body
Opinion
<MARK TBD>
Eurofins
<TBD>
<TBD>
7.4 Australia
Australian radio regulations do not provide a modular
approval policy similar to the United States (FCC) and
Canada (IC). However, AMW006 module test reports
may be used in part to demonstrate compliance in ac-
cordance with ACMA Radio communications “Short
Range Devices” Standard 2004 which references Aus-
tralia/New Zealand industry standard AS/NZS-
4268:2012. AMW006 RF transmitter test reports may
be used as part of the product certification and compli-
ance folder. For further information regarding the
availability of RF test reports, please contact ACKme
Networks via our website at http://ack.me/contact.
External Antenna Requirements
Compliance tests were performed using antenna types
listed in Table 11 - Tested External Antenna Types.
If an external antenna is used with the AMW006 mod-
ule, additional testing of the end product is needed to
meet Australian regulatory requirements.
Further Information
Additional information may be obtained from the Aus-
tralian Communications and Media Authority website
at http://www.acma.gov.au.
7.5 New Zealand
New Zealand radio regulations do not provide a modu-
lar approval policy similar to the United States (FCC)
and Canada (IC). However, AMW006 module test re-
ports may be used in part to demonstrate compliance
with the New Zealand “General User Radio License for
Short Range Devices”. New Zealand Radio communica-
tions (Radio Standards) Notice 2010 references Austral-
ia/New Zealand industry standard AS/NZS-4268:2012.
AMW006 RF transmitter test reports may be used as
part of the product certification and compliance folder.
For further information regarding the availability of RF
test reports, please contact ACKme Networks via our
website at http://ack.me/contact.
External Antenna Requirements
Compliance tests were performed using antenna types
listed in Table 11 - Tested External Antenna Types.
If an external antenna is used with the AMW006 mod-
ule, additional testing of the end product is needed to
meet New Zealand regulatory requirements.
Further Information
Additional information may be obtained from the New
Zealand Radio Spectrum Ministry of Economic Devel-
opment website at http://www.rsm.govt.nz.

AMW006 • Embedded Wi-Fi Networking Solution
Packaging, Handling & Storage, RoHS, Section 8
ADS-MW006-102R • Preliminary Data Sheet April 1, 2015
©2014 ACKme Networks. http://ack.me Page | 19
8 Packaging, Handling &
Storage, RoHS
8.1 Packaging
The AMW006 module is shipped in a moisture resistant
sealed bag. The shelf life of the sealed bag is 12 months
at 40°C and <90% Relative Humidity (RH). Please refer
to the bag seal date.
8.2 Handling & Storage
CAUTION
MSL3 Sensitive Device!
The AMW006 module is a moisture sensitive device
rated at Moisture Sensitive Level 3 (MSL3) per
IPC/JEDEC J-STD-20.
After opening the moisture sealed storage bag, mod-
ules that will be subjected to reflow solder or other
high temperature processes must be:
1. mounted to a circuit board within 168 hours at
factory conditions (≤30°C and <60% RH)
OR
2. continuously stored per IPC/JEDEC J-STD-033
Modules that have been exposed to moisture and envi-
ronmental conditions exceeding packaging and storage
conditions MUST be baked before mounting according
to IPC/JEDEC J-STD-033.
Failure to meet packaging and storage conditions will
result in irreparable damage to modules during solder
reflow.
8.3 RoHS Directive
The AMW006 module is produced according to the
RoHS (Restriction of the use of certain Hazardous Sub-
stances in electrical and electronic equipment) directive
and complies with the directive.

AMW006 • Embedded Wi-Fi Networking Solution
Ordering Information, Section 9
ADS-MW006-102R • Preliminary Data Sheet April 1, 2015
©2014 ACKme Networks. http://ack.me Page | 20
9 Ordering Information
The AMW006 module is available individually or in a bulk tray of 32 units as described in Table 13.
Table 13. Ordering Information
Part Number
Description
AMW006/S
1 x AMW006 module with WiConnect pre-installed. Each module is individually packaged in
an ESD and MSL3-rated moisture sensitive bag.
AMW006/T
A single tray containing 32 x AMW006 modules, each with WiConnect pre-installed. The entire
tray is packaged in an ESD and MSL3-rated moisture sensitive bag.

AMW006 • Embedded Wi-Fi Networking Solution
Revision History, Section 10
ADS-MW006-102R • Preliminary Data Sheet April 1, 2015
©2014 ACKme Networks. http://ack.me Page | 21
10 Revision History & Glossary
10.1 Revision History
Table 14: Document Revision History
Revision
Date
Change Description
ADS-MW006-100R
Oct 20, 2014
Initial preliminary release
ADS-MW006-101R
Nov 25, 2014
Updated schematic, PCB trace antenna
ADS-MW006-102R
Mar 20, 2015
Added note on reset pin
10.2 Glossary
In most cases, acronyms and abbreviations are defined on first use. A comprehensive list of acronyms and other
terms used in ACKme Networks documents are provided on the ACKme Networks website at
http://ack.me/FAQs/Glossary.

AMW006 • Embedded Wi-Fi Networking Solution
References, Section 11
ADS-MW006-102R • Preliminary Data Sheet April 1, 2015
©2014 ACKme Networks. http://ack.me Page | 22
11 References
Throughout this data sheet, references to other docu-
ments are listed. The following documents provide ad-
ditional material:
1. IEEE 802.11 Standard – 2012
Institute of Electrical and Electronics Engineers.
http://standards.ieee.org

AMW006 • Embedded Wi-Fi Networking Solution
ACKme reserves the right to make changes without further notice to any products or data herein to improve reliability, function, or design.
Information furnished by ACKme is believed to be accurate and reliable. However, ACKme does not assume any liability arising out of the
application or use of this information, nor the application or use of any product described herein, neither does it convey any license under
its patent rights nor the rights of others.
ACKme
Networks
US Headquarters:
2 North Santa Cruz Ave
Suite #207
Los Gatos CA 95030
© 2014 ACKme Networks Inc. All rights reserved.
ADS-MW006-102R • Preliminary Data Sheet
April 1, 2015
Contact Information
+1 (408) 402 5708
http://ack.me/contact
Phone:

