Silicon Laboratories Finland WT41U WT41u long range Bluetooth 2.1+EDR module User Manual Data Sheet
Silicon Laboratories Finland Oy WT41u long range Bluetooth 2.1+EDR module Data Sheet
Contents
Data Sheet

WT41u
DATA SHEET
Friday, 03 February 2017
Version 1.0

Silicon Labs
VERSION HISTORY
Version Comment
0.8 First version
0.8.1 Table reformatting, value updates etc
0.8.2 Replaced “Bluecore4” with “chipset”, added ordering codes
0.8.3 Rest of table reformatting, added antenna & connector dimension drawings
0.8.4 Added current consumption, RF characteristics
0.8.5 Added certification texts
0.8.6 Added current consumption results, edit TX power variation over VDD range.
0.8.7 Slight edits to specifications
0.8.8 OPN descriptions updated
1.0 Full production
Silicon Labs
TABLE OF CONTENTS
1 Ordering Information......................................................................................................................................6
2 Pinout and Terminal Description ...................................................................................................................7
3 Electrical Characteristics ............................................................................................................................ 11
3.1 Absolute Maximum Ratings ................................................................................................................ 11
3.2 Recommended Operating Conditions ................................................................................................. 11
3.3 Input / Output Terminal Characteristics .............................................................................................. 12
3.3.1 Input/Output Terminal Characteristics (Digital) ............................................................................ 12
3.3.2 Input/Output Terminal Characteristics (USB) .............................................................................. 13
3.4 PIO Current Sink and Source Capability ............................................................................................. 13
3.5 Transmitter Performance For BDR ..................................................................................................... 14
3.6 Receiver Performance ........................................................................................................................ 15
3.7 Current Consumption .......................................................................................................................... 15
4 Physical Dimensions .................................................................................................................................. 16
5 Soldering Recommendations ..................................................................................................................... 19
6 Layout Guidelines ....................................................................................................................................... 20
7 UART Interface ........................................................................................................................................... 21
7.1 UART Bypass ...................................................................................................................................... 23
7.2 UART Configuration While Reset is Active ......................................................................................... 23
7.3 UART Bypass Mode ............................................................................................................................ 23
8 USB Interface ............................................................................................................................................. 24
8.1 USB Data Connections ....................................................................................................................... 24
8.2 USB Pull-Up resistor ........................................................................................................................... 24
8.3 USB Power Supply .............................................................................................................................. 24
8.4 Self-Powered Mode ............................................................................................................................. 24
8.5 Bus-Powered Mode ............................................................................................................................. 25
8.6 USB Suspend Current ......................................................................................................................... 26
8.7 USB Detach and Wake-Up Signaling.................................................................................................. 26
8.8 USB Driver .......................................................................................................................................... 27
8.9 USB v2.0 Compliance and Compatibility ............................................................................................ 27
9 Serial Peripheral Interface (SPI) ................................................................................................................. 28
10 PCM Codec Interface ............................................................................................................................. 29
10.1 PCM Interface Master/Slave ........................................................................................................ 29
10.2 Long Frame Sync ......................................................................................................................... 30
10.3 Short Frame Sync ........................................................................................................................ 30
10.4 Multi-slot Operation ...................................................................................................................... 31
10.5 GCI Interface ................................................................................................................................ 31
10.6 Slots and Sample Formats ........................................................................................................... 32
Silicon Labs
10.7 Additional Features ...................................................................................................................... 33
10.8 PCM_CLK and PCM_SYNC Generation ..................................................................................... 33
10.9 PCM Configuration ....................................................................................................................... 34
11 I/O Parallel Ports ..................................................................................................................................... 37
11.1 PIO Defaults ................................................................................................................................. 37
12 Reset ....................................................................................................................................................... 38
12.1 Pin States on Reset ..................................................................................................................... 39
13 Certifications ........................................................................................................................................... 40
13.1 Bluetooth ...................................................................................................................................... 40
13.2 FCC .............................................................................................................................................. 40
13.3 ISEDC .......................................................................................................................................... 41
13.3.1 ISEDC (Français) ......................................................................................................................... 41
13.4 CE ................................................................................................................................................ 42
13.5 MIC Japan .................................................................................................................................... 43
13.6 Qualified Antenna Types for WT41u-E and WT41u-N ................................................................ 44
13.7 Moisture Sensitivity Level (MSL).................................................................................................. 44

Silicon Labs
WT41u Bluetooth® Module
DESCRIPTION
WT41u is a long range class 1, Bluetooth® 2.1 +
EDR module. WT41u is a highly integrated and
sophisticated Bluetooth® module, containing all the
necessary elements from Bluetooth® radio and a
fully implemented protocol stack. Therefore, WT41u
provides an ideal solution for developers who want
to integrate Bluetooth® wireless technology into
their design with limited knowledge of Bluetooth®
and RF technologies. WT41u is optimized for long
range applications is available with an integrated
chip antenna, an RF pin for a custom on-board
antenna or a U.FL connector for an external 2dBi
dipole antenna.
By default, WT41u module is equipped with
powerful and easy-to-use iWRAP firmware. iWRAP
enables users to access Bluetooth® functionality
with simple ASCII commands delivered to the
module over serial interface - it's just like a
Bluetooth® modem.
APPLICATIONS:
• Hand held terminals
• Industrial devices
• Point-of-Sale systems
• PCs
• Personal Digital Assistants (PDAs)
• Computer Accessories
• Access Points
• Automotive Diagnostics Units
FEATURES:
• Fully Qualified Bluetooth v2.1 + EDR end
product
• CE qualified
• Full modular certification for FCC and IC
• MIC Japan compatibility fully tested with ARIB
STD-T66
• TX power: 17 dBm
• RX sensitivity: -94 dBm
• Integrated chip antenna, RF pin or U.FL
antenna connector
• Class 1, range up to 650 meters with chip
antenna or up to 1km with an external dipole
• Industrial temperature range from -40oC to
+85oC
• RoHS Compliant
• USB interface (USB 2.0 compatible)
• UART with bypass mode
• 6 x GPIO
• 1 x 8-bit AIO
• Integrated iWRAPTM Bluetooth stack or HCI
firmware

Silicon Labs
Page 6 of 44
1 Ordering Information
Firmware U.FL Connector Internal chip antenna
iWRAP 5.6 firmware WT41u-E-AI56 WT41u-A-AI56
iWRAP 5.5 firmware WT41u-E-AI55 WT41u-A-AI55
iWRAP 5.0.2 firmware WT41u-E-AI5 WT41u-A-AI5
HCI firmware, BT2.1 + EDR WT41u-E-HCI21 WT41u-A-HCI21
Table 1: Ordering information

Silicon Labs
Page 7 of 44
2 Pinout and Terminal Description
Pins 1 and 52 (GND)
are not connected
and have been
removed
2
3
4
5
6
7
8
9
10
11
12
13
14
15
16
17
18
19
20
21
22
23
24
25
26
27
28
29
51
49
48
47
46
45
44
43
42
41
40
39
38
37
36
35
34
33
32
31
30
59
58
57
56
55
54
53
GND
GND
GND
GND
GND
GND
GND
GND
GND
GND
GND
GND
GND
GND
GND
GND
RFGND
RF
GND
GND
GND
GND
GND
GND
VDD_PA
PIO2
PIO3
UART_RTS
UART_RX
GND
USB+
USB-
UART_CTS
PCM_IN
PCM_CLK
PCM_SYNC
GND
GND
GND
GND
GND
GND
PCM_OUT
PIO4
GND
VDD
RESET
PIO6
PIO7
GND
SPI_CSB
SPI_CLK
SPI_MISO
SPI_MOSI
PIO5
UART_TX
AIO
50
Figure 1: WT41u pin out

Silicon Labs
Page 8 of 44
Pad name Pad
number Pad type Description
NC 1, 52 Not connected Pins 1 and 52 are not present on the footprint
RESET 33 Digital input Active low reset with weak internal pull-up. Keep
low for >5ms to reset module
GND 2-10, 16, 23,
24, 26-28,
30, 31, 36,
44-49, 53-
59
Ground Ground pads should all be connected to a ground
plane with minimum trace length, especially on the
antenna end of the module
RF 51 Not connected No internal connection
RFGND 50 Ground Connect to ground plane
VDD_PA 11 Supply voltage Supply voltage for the RF power amplifier and low
noise amplifier
VDD 32 Supply voltage Supply voltage for the Bluetooth chipset
Table 2: Supply and RF Terminal Descriptions
PIO signal Pad number Description
PIO[2] 12 Bi-directional digital in/out with programmable strength and pull-up/pull-
down
PIO[3] 13 Bi-directional digital in/out with programmable strength and pull-up/pull-
down
PIO[4] 29 Bi-directional digital in/out with programmable strength and pull-up/pull-
down
PIO[5] 41 Bi-directional digital in/out with programmable strength and pull-up/pull-
down
PIO[6] 34 Bi-directional digital in/out with programmable strength and pull-up/pull-
down
PIO[7] 35 Bi-directional digital in/out with programmable strength and pull-up/pull-
down
AIO[1] 43 Bi-directional analog in/out
Table 3: GPIO Terminal Descriptions

Silicon Labs
Page 9 of 44
PCM signal Pad number Pad type Description
PCM_OUT 25 Output, weak internal pull-down Synchronous data output
PCM_IN 20 Input, weak internal pull-down Synchronous data input
PCM_SYNC 22 Bi-directional, weak internal pull-down Synchronous data sync
PCM_CLK 21 Bi-directional, weak internal pull-down Synchronous data clock
Table 4: PCM Terminal Descriptions
UART signal Pad number Pad type Description
UART_TX 42
Output, weak internal
pull-up UART data output, active
high
UART_RTS# 14
Output, weak internal
pull-up
UART request to send,
active low
UART_RX 15 Input, weak internal pull-
down
UART data input, active
high
UART_CTS# 19 Input, weak internal pull-
down
UART clear to send,
active low
Table 5: UART Terminal Descriptions
USB signal Pad number Pad type Description
USB+ 17 Bidirectional USB data line with internal 1.5kohm pull-up
USB- 18 Bidirectional USB data line
Table 6: USB Terminal Descriptions

Silicon Labs
Page 10 of 44
SPI signal Pad
number Pad type Description
SPI_MOSI 40 Input, weak internal pull-down SPI data input
SPI_CS# 37 Input, weak internal pull-up Chip select, active low
SPI_CLK 38 Input, weak internal pull-down SPI clock
SPI_MISO 39 Output, weak internal pull-down SPI data output
Table 7: Terminal Descriptions

Silicon Labs
Page 11 of 44
3 Electrical Characteristics
3.1 Absolute Maximum Ratings
Specification Min Max Unit
Storage temperature -40 85 °C
VDD_PA, VDD -0.4 3.7 V
Other terminal voltages VSS-0.4 VDD+0.4 V
Table 8: Absolute Maximum Ratings
3.2 Recommended Operating Conditions
Specification Min Max Unit
Operating temperature -40 85 °C
VDD_PA, VDD 3.0 3.6 V
Table 9: Recommended Operating Conditions

Silicon Labs
Page 12 of 44
3.3 Input / Output Terminal Characteristics
3.3.1 Input/Output Terminal Characteristics (Digital)
Digital Terminals Min Typ Max Unit
Input Voltage Levels
VIL input logic level low 2.7 V ≤ VDD ≤ 3.0 V -0.4 - 0.8 V
1.7 V ≤ VDD ≤ 1.9 V -0.4 - 0.4 V
VIH input logic level high 0.7 VDD - VDD + 0.4 V
Output Voltage Levels
VOL output logic level low
(IO = 4.0 mA) 2.7V ≤ VDD ≤ 3.0 V
- - 0.2 V
VOL output logic level low
(IO = 4.0 mA) 1.7V ≤ VDD ≤ 1.9
- - 0.4 V
VOL output logic level high
(IO = 4.0 mA) 2.7V ≤ VDD ≤ 3.0 VDD - 0.2 - V
VOL output logic level high
(IO = 4.0 mA) 1.7V ≤ VDD ≤ 1.9 VDD - 0.4 - V
Input and Tristate Current with
Strong pull-up -100 -40 -10 µA
Strong pull-down 10 40 100 µA
Weak pull-up -5.0 -1.0 -0.2 µA
Weak pull-down 0.2 1.0 5.0 µA
I/O pad leakage current -1 0 1 µA
CI input capacitance 1.0 - 5.0 pF

Silicon Labs
Page 13 of 44
3.3.2 Input/Output Terminal Characteristics (USB)
USB Terminals Min Typ Max Unit
VDD_USB for correct USB operation 3.1 3.6 V
Input Threshold
VIL input logic level log - - 0.3VDD_USB V
VIH input logic level high 0.7VDD_USB - - V
3.4 PIO Current Sink and Source Capability
Figure 2: WT41u PIO Current Drive Capability

Silicon Labs
Page 14 of 44
3.5 Transmitter Performance For BDR
RF characteristic Min Typ Max Bluetooth specification Unit
Max transmit power 16 17 18 <20 dBm
Transmit power variation over temperature
range -2 2 dB
Transmit power variation over supply voltage
range -0.5 0.5 dB
Transmit power variation over frequency
range -0.5 0.5 dB
Transmit power control range -13 17 dBm
20dB bandwidth for modulated carrier 998 <1000 kHz
Avg drift -11 6 ±40 kHz
ΔF1avg 165 140 to 175 kHz

Silicon Labs
Page 15 of 44
3.6 Receiver Performance
Antenna gain not taken into account
Characteristic, VDD=3.3V, room temperature Packet type Typ Bluetooth
specification Unit
Sensitivity for 0.1% BER
DH1 -94.1 -70 dBm
DH5 -90.5 dBm
2-DH1 -96.5 dBm
2-DH5 -94.5 dBm
3-DH1 -89.5 dBm
3-DH5 -86 dBm
Sensitivity variation over temperature range +/-2 dB
Table 10: Receiver sensitivity
3.7 Current Consumption
Operating mode Peak Average Unit
Stand-by, page mode 0 2000 1 2 mA
TX 3-DH5 108 85 mA
TX 2-DH5 108 85 mA
TX DH5 184 136 mA
RX 50 44 mA
Deep sleep, page mode 0 2000 1 0.36 mA
Inquiry 113 58 mA
Table 11: Current consumption

Silicon Labs
Page 16 of 44
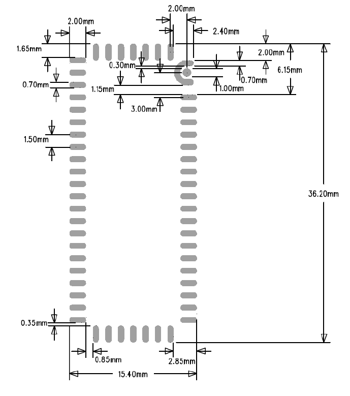
4 Physical Dimensions
Figure 3: Physical dimensions (top view)
Figure 4: Dimensions for the RF pin used as antenna connection on WT41u-N (top view)

Silicon Labs
Page 17 of 44
Figure 5: Dimensions of WT41u-E
Figure 6: Dimensions of WT41u-A

Silicon Labs
Page 18 of 44
Figure 7: Recommended land pattern
Silicon Labs
Page 19 of 44
5 Soldering Recommendations
This section describes the soldering recommendations regarding WT41u Module.
WT41u is compatible with industrial standard reflow profile for Pb-free solders. The reflow profile used is
dependent on the thermal mass of the entire populated PCB, heat transfer efficiency of the oven, and
particular type of solder paste used.
• Refer to technical documentations of particular solder paste for profile configurations.
• Avoid using more than two reflow cycles.
• Aperture size of the stencil should be 1:1 with the pad size.
• A no-clean, type-3 solder paste is recommended.
• For further recommendation, please refer to the JEDEC/IPC J-STD-020, IPC-SM-782 and IPC 7351
guidelines.

Silicon Labs
Page 20 of 44
6 Layout Guidelines
Use good layout practices to avoid excessive noise coupling to supply voltage traces or sensitive analog
signal traces, such as analog audio signals. If using overlapping ground planes use stitching vias separated
by max 3 mm to avoid emission from the edges of the PCB. Connect all the GND pins directly to a solid GND
plane and make sure that there is a low impedance path for the return current following the signal and supply
traces all the way from start to the end.
A good practice is to dedicate one of the inner layers to a solid GND plane and one of the inner layers to
supply voltage planes and traces and route all the signals on top and bottom layers of the PCB. This
arrangement will make sure that any return current follows the forward current as close as possible and any
loops are minimized.
Signals
GND
Power
Signals
Figure 8: Typical 4-layer PCB construction
Overlapping GND layers without
GND stitching vias Overlapping GND layers with
GND stitching vias shielding the
RF energy
Figure 9: Use of stitching vias to avoid emissions from the edges of the PCB

Silicon Labs
Page 21 of 44
7 UART Interface
This is a standard UART interface for communicating with other serial devices.WT41u UART interface
provides a simple mechanism for communicating with other serial devices using the RS232 protocol.
Four signals are used to implement the UART function. When WT41u is connected to another digital device,
UART_RX and UART_TX transfer data between the two devices. The remaining two signals, UART_CTS and
UART_RTS, can be used to implement RS232 hardware flow control where both are active low indicators. All
UART connections are implemented using CMOS technology and have signalling levels of 0V and VDD.
UART configuration parameters, such as data rate and packet format, are set using WT41u software.
Note:
In order to communicate with the UART at its maximum data rate using a standard PC, an accelerated serial
port adapter card is required for the PC.
Parameter Possible values
Data rate Minimum 1200bps (2% error)
9600bps (1% error)
Maximum 3Mbps (1% error)
Flow control RTS/CTS or None
Parity None, Odd or Even
Number of stop bits 1 or 2
Bits per channel 8
Table 12: Possible UART Settings
The UART interface is capable of resetting WT41u upon reception of a break signal. A break is identified by a
continuous logic low (0V) on the UART_RX terminal, as shown in Figure 10. If tBRK is longer than the value,
defined by PSKEY_HOST_IO_UART_RESET_TIMEOUT, (0x1a4), a reset will occur. This feature allows a
host to initialise the system to a known state. Also, WT41u can emit a break character that may be used to
wake the host.
Figure 10: Break Signal
Table 17 shows a list of commonly used data rates and their associated values for
PSKEY_UART_BAUD_RATE (0x204). There is no requirement to use these standard values. Any data rate
within the supported range can be set in the PS Key according to the formula in Equation 1.

Silicon Labs
Page 22 of 44
Equation 1: Data Rate
Data rate [bits/s] Persistent store value
(Hex) Error [bits/s] Error [%]
1200 0x0005 5 1.73
2400 0x000A 10 1.73
4800 0x0014 20 1.73
9600 0x0027 39 -0.82
19200 0x004F 79 0.45
38400 0x009D 157 -0.18
57600 0x00EC 236 0.03
76800 0x013B 315 0.14
115200 0x01D8 472 0.03
230400 0x03B0 944 0.03
460800 0x075F 1887 -0.02
921600 0x0EBF 3775 0
1382400 0x161E 5662 -0.01
1843200 0x1D7E 7550 0
2764800 0x2C3D 11325 0
Table 13: Standard Data Rates

Silicon Labs
Page 23 of 44
7.1 UART Bypass
Figure 11: UART Bypass Architecture
7.2 UART Configuration While Reset is Active
The UART interface for WT41u while the chip is being held in reset is tristate. This will allow the user to daisy
chain devices onto the physical UART bus. The constraint on this method is that any devices connected to
this bus must tristate when WT41u reset is de-asserted and the firmware begins to run.
7.3 UART Bypass Mode
Alternatively, for devices that do not tristate the UART bus, the UART bypass mode on the chipset can be
used. The default state of the chipset after reset is de-asserted; this is for the host UART bus to be connected
to the chipset UART, thereby allowing communication to the chipset via the UART. All UART bypass mode
connections are implemented using CMOS technology and have signalling levels of 0V and VDD.
In order to apply the UART bypass mode, a BCCMD command will be issued to the chipset. Upon this issue, it
will switch the bypass to PIO[7:4] as Figure 11 indicates. Once the bypass mode has been invoked, WT41u
will enter the Deep Sleep state indefinitely.
In order to re-establish communication with WT41u, the chip must be reset so that the default configuration
takes effect.
It is important for the host to ensure a clean Bluetooth disconnection of any active links before the bypass
mode is invoked. Therefore, it is not possible to have active Bluetooth links while operating the bypass mode.
The current consumption for a device in UART bypass mode is equal to the values quoted for a device in
standby mode.
Silicon Labs
Page 24 of 44
8 USB Interface
This is a full speed (12Mbits/s) USB interface for communicating with other compatible digital devices. WT41u
acts as a USB peripheral, responding to requests from a master host controller such as a PC.
The USB interface is capable of driving a USB cable directly. No external USB transceiver is required. The
device operates as a USB peripheral, responding to requests from a master host controller such as a PC.
Both the OHCI and the UHCI standards are supported. The set of USB endpoints implemented can behave as
specified in the USB section of the Bluetooth v2.1 + EDR specification or alternatively can appear as a set of
endpoints appropriate to USB audio devices such as speakers.
As USB is a master/slave oriented system (in common with other USB peripherals), WT41u only supports
USB Slave operation.
8.1 USB Data Connections
The USB data lines emerge as pins USB_DP and USB_DN. These terminals are connected to the internal
USB I/O buffers of the the chipset, therefore, have a low output impedance. To match the connection to the
characteristic impedance of the USB cable, resistors must be placed in series with USB_DP/USB_DN and the
cable.
8.2 USB Pull-Up resistor
WT41u features an internal USB pull-up resistor. This pulls the USB_DP pin weakly high when WT41u is
ready to enumerate. It signals to the PC that it is a full speed (12Mbits/s) USB device.
The USB internal pull-up is implemented as a current source, and is compliant with section 7.1.5 of the USB
specification v1.2. The internal pull-up pulls USB_DP high to at least 2.8V when loaded with a 15kΩ 5% pull-
down resistor (in the hub/host) when VDD_PADS = 3.1V. This presents a Thevenin resistance to the host of
at least 900Ω. Alternatively, an external 1.5kΩ pull-up resistor can be placed between a PIO line and D+ on
the USB cable. The firmware must be alerted to which mode is used by setting PSKEY_USB_PIO_PULLUP
appropriately. The default setting uses the internal pull-up resistor.
8.3 USB Power Supply
The USB specification dictates that the minimum output high voltage for USB data lines is 2.8V. To safely
meet the USB specification, the voltage on the VDD supply terminal must be an absolute minimum of 3.1V.
Silicon Labs recommends 3.3V for optimal USB signal quality.
8.4 Self-Powered Mode
In self-powered mode, the circuit is powered from its own power supply and not from the VBUS (5V) line of the
USB cable. It draws only a small leakage current (below 0.5mA) from VBUS on the USB cable. This is the
easier mode for which to design, as the design is not limited by the power that can be drawn from the USB
hub or root port. However, it requires that VBUS be connected to WT41u via a resistor network (Rvb1 and
Rvb2), so WT41u can detect when VBUS is powered up. The chipset will not pull USB_DP high when VBUS is
off.
Self-powered USB designs (powered from a battery or PSU) must ensure that a PIO line is allocated for USB
pullup purposes. A 1.5kΩ 5% pull-up resistor between USB_DP and the selected PIO line should be fitted to
the design. Failure to fit this resistor may result in the design failing to be USB compliant in self-powered
mode. The internal pull-up in the chipset is only suitable for bus-powered USB devices, e.g., dongles.

Silicon Labs
Page 25 of 44
Figure 12: USB Connections for Self-Powered Mode
The terminal marked USB_ON can be any free PIO pin. The PIO pin selected must be registered by setting
PSKEY_USB_PIO_VBUS to the corresponding pin number.
Identifier Value Function
Rs 27Ω nominal Impedance matching to USB cable
Rvb1 22kΩ 5% VBUS ON sense divider
Rvb2 47kΩ 5% VBUS ON sense divider
Figure 13: USB Interface Component Values
8.5 Bus-Powered Mode
In bus-powered mode, the application circuit draws its current from the 5V VBUS supply on the USB cable.
WT41u negotiates with the PC during the USB enumeration stage about how much current it is allowed to
consume. On power-up the device must not draw more than 100 mA but after being configured it can draw up
to 500 mA.
For WT41u, the USB power descriptor should be altered to reflect the amount of power required. This is
accomplished by setting PSKEY_USB_MAX_POWER (0x2c6). This is higher than for a Class 2 application
due to the extra current drawn by the Transmit RF PA. By default for WT41u the setting is 300 mA.
When selecting a regulator, be aware that VBUS may go as low as 4.4V. The inrush current (when charging
reservoir and supply decoupling capacitors) is limited by the USB specification. See the USB Specification.
Some applications may require soft start circuitry to limit inrush current if more than 10uF is present between
VBUS and GND. The 5V VBUS line emerging from a PC is often electrically noisy. As well as regulation down
to 3.3V and 1.8V, applications should include careful filtering of the 5V line to attenuate noise that is above the
voltage regulator bandwidth. Excessive noise on WT41u supply pins will result in reduced receiver sensitivity
and a distorted RF transmit signal.

Silicon Labs
Page 26 of 44
Figure 14: USB Connections for Bus-Powered Mode
8.6 USB Suspend Current
All USB devices must permit the USB controller to place them in a USB suspend mode. While in USB
Suspend, bus-powered devices must not draw more than 2.5mA from USB VBUS (self-powered devices may
draw more than 2.5mA from their own supply). This current draw requirement prevents operation of the radio
by bus-powered devices during USB Suspend.
When computing suspend current, the current from VBUS through the bus pull-up and pull-down resistors
must be included. The pull-up resistor at the device is 1.5 kΩ. (nominal). The pull-down resistor at the hub is
14.25kΩ. to 24.80kΩ. The pull-up voltage is nominally 3.3V, which means that holding one of the signal lines
high takes approximately 200uA, leaving only 2.3mA available from a 2.5mA budget. Ensure that external
LEDs and/or amplifiers can be turned off by the chipset. The entire circuit must be able to enter the suspend
mode.
8.7 USB Detach and Wake-Up Signaling
WT41u can provide out-of-band signaling to a host controller by using the control lines called USB_DETACH
and USB_WAKE_UP. These are outside the USB specification (no wires exist for them inside the USB cable),
but can be useful when embedding WT41u into a circuit where no external USB is visible to the user. Both
control lines are shared with PIO pins and can be assigned to any PIO pin by setting
PSKEY_USB_PIO_DETACH and PSKEY_USB_PIO_WAKEUP to the selected PIO number.
USB_DETACH is an input which, when asserted high, causes WT41u to put USB_DN and USB_DP in high
impedance state and turns off the pull-up resistor on DP. This detaches the device from the bus and is
logically equivalent to unplugging the device. When USB_DETACH is taken low, WT41u will connect back to
USB and await enumeration by the USB host.
USB_WAKE_UP is an active high output (used only when USB_DETACH is active) to wake up the host and
allow USB communication to recommence. It replaces the function of the software USB WAKE_UP message
(which runs over the USB cable) and cannot be sent while the chipset is effectively disconnected from the
bus.

Silicon Labs
Page 27 of 44
Figure 15: USB_Detach and USB_Wake_Up Signals
8.8 USB Driver
A USB Bluetooth device driver is required to provide a software interface between the chipset and Bluetooth
software running on the host computer. Please, contact Silicon Labs support at http://www.silabs.com for
suitable drivers.
8.9 USB v2.0 Compliance and Compatibility
Although WT41u meets the USB specification, Silicon Labs cannot guarantee that an application circuit
designed around the module is USB compliant. The choice of application circuit, component choice and PCB
layout all affect USB signal quality and electrical characteristics. The information in this document is intended
as a guide and should be read in association with the USB specification, with particular attention being given
to Chapter 7. Independent USB qualification must be sought before an application is deemed USB compliant
and can bear the USB logo. Such qualification can be obtained from a USB plugfest or from an independent
USB test house.
Terminals USB_DP and USB_DN adhere to the USB Specification v2.0 (Chapter 7) electrical requirements.
The chipset is compatible with USB v2.0 host controllers; under these circumstances the two ends agree the
mutually acceptable rate of 12Mbits/s according to the USB v2.0 specification.

Silicon Labs
Page 28 of 44
9 Serial Peripheral Interface (SPI)
The SPI port can be used for system debugging. It can also be used for programming the Flash memory and
setting the PSKEY configurations. WT41u uses 16-bit data and 16-bit address serial peripheral interface, where
transactions may occur when the internal processor is running or is stopped. SPI interface is connected using
the MOSI, MISO, CSB and CLK pins. Please, contact the Silicon Labs support at http://www.silabs.com for
detailed information about the instruction cycle.

Silicon Labs
Page 29 of 44
10 PCM Codec Interface
PCM is a standard method used to digitize audio (particularly voice) for transmission over digital
communication channels. Through its PCM interface, WT41u has hardware support for continual transmission
and reception of PCM data, thus reducing processor overhead for wireless headset applications. WT41u
offers a bidirectional digital audio interface that routes directly into the baseband layer of the on-chip firmware.
It does not pass through the HCI protocol layer.
Hardware on WT41u allows the data to be sent to and received from a SCO connection. Up to three SCO
connections can be supported by the PCM interface at any one time.
WT41u can operate as the PCM interface master generating an output clock of 128, 256 or 512kHz. When
configured as PCM interface slave, it can operate with an input clock up to 2048kHz. WT41u is compatible
with a variety of clock formats, including Long Frame Sync, Short Frame Sync and GCI timing environments.
It supports 13-bit or 16-bit linear, 8-bit µ-law or A-law companded sample formats at 8ksamples/s and can
receive and transmit on any selection of three of the first four slots following PCM_SYNC. The PCM
configuration options are enabled by setting PSKEY_PCM_CONFIG32.
WT41u interfaces directly to PCM audio devices.
NOTE: Analog audio lines are very sensitive to RF disturbance. Use good layout practices to ensure noise
less audio. Make sure that the return path for the audio signals follows the forward current all the way as close
as possible and use fully differential signals when possible. Do not compromise audio routing.
10.1 PCM Interface Master/Slave
When configured as the master of the PCM interface, WT41u generates PCM_CLK and PCM_SYNC.
Figure 16: PCM Interface Master
When configured as the Slave of the PCM interface, WT41u accepts PCM_CLK rates up to 2048kHz.

Silicon Labs
Page 30 of 44
Figure 17: PCM Interface Slave
10.2 Long Frame Sync
Long Frame Sync is the name given to a clocking format that controls the transfer of PCM data words or
samples. In Long Frame Sync, the rising edge of PCM_SYNC indicates the start of the PCM word. When
WT41u is configured as PCM master, generating PCM_SYNC and PCM_CLK, then PCM_SYNC is 8-bits
long. When WT41u is configured as PCM Slave, PCM_SYNC may be from two consecutive falling edges of
PCM_CLK to half the PCM_SYNC rate, i.e., 62.5s long.
Figure 18: Long Frame Sync (Shown with 8-bit Companded Sample)
WT41u samples PCM_IN on the falling edge of PCM_CLK and transmits PCM_OUT on the rising edge.
PCM_OUT may be configured to be high impedance on the falling edge of PCM_CLK in the LSB position or
on the rising edge.
10.3 Short Frame Sync
In Short Frame Sync, the falling edge of PCM_SYNC indicates the start of the PCM word. PCM_SYNC is
always one clock cycle long.

Silicon Labs
Page 31 of 44
Figure 19: Short Frame Sync (Shown with 16-bit Sample)
As with Long Frame Sync, WT41u samples PCM_IN on the falling edge of PCM_CLK and transmits
PCM_OUT on the rising edge. PCM_OUT may be configured to be high impedance on the falling edge of
PCM_CLK in the LSB position or on the rising edge.
10.4 Multi-slot Operation
More than one SCO connection over the PCM interface is supported using multiple slots. Up to three SCO
connections can be carried over any of the first four slots.
Figure 20: Multi-slot Operation with Two Slots and 8-bit Companded Samples
10.5 GCI Interface
WT41u is compatible with the GCI, a standard synchronous 2B+D ISDN timing interface. The two 64kbits/s B
channels can be accessed when this mode is configured.

Silicon Labs
Page 32 of 44
Figure 21: GCI Interface
The start of frame is indicated by the rising edge of PCM_SYNC and runs at 8kHz. With WT41u in Slave
mode, the frequency of PCM_CLK can be up to 4.096MHz.
10.6 Slots and Sample Formats
WT41u can receive and transmit on any selection of the first four slots following each sync pulse. Slot
durations can be either 8 or 16 clock cycles. Durations of 8 clock cycles may only be used with 8-bit sample
formats. Durations of 16 clocks may be used with 8-bit, 13-bit or 16-bit sample formats.
WT41u supports 13-bit linear, 16-bit linear and 8-bit -law or A-law sample formats. The sample rate is
8ksamples/s. The bit order may be little or big endian. When 16-bit slots are used, the 3 or 8 unused bits in
each slot may be filled with sign extension, padded with zeros or a programmable 3-bit audio attenuation
compatible with some Motorola codecs.

Silicon Labs
Page 33 of 44
Figure 22: 16-bit Slot Length and Sample Formats
10.7 Additional Features
WT41u has a mute facility that forces PCM_OUT to be 0. In master mode, PCM_SYNC may also be forced to
0 while keeping PCM_CLK running which some codecs use to control power down.
10.8 PCM_CLK and PCM_SYNC Generation
WT41u has two methods of generating PCM_CLK and PCM_SYNC in master mode. The first is generating
these signals by DDS from the chipset internal 4MHz clock. Using this mode limits PCM_CLK to 128, 256 or
512kHz and PCM_SYNC to 8kHz. The second is generating PCM_CLK and PCM_SYNC by DDS from an
internal 48MHz clock (which allows a greater range of frequencies to be generated with low jitter but
consumes more power). This second method is selected by setting bit 48M_PCM_CLK_GEN_EN in
PSKEY_PCM_CONFIG32. When in this mode and with long frame sync, the length of PCM_SYNC can be
either 8 or 16 cycles of PCM_CLK, determined by LONG_LENGTH_SYNC_EN in PSKEY_PCM_CONFIG32.
The Equation 2 describes PCM_CLK frequency when being generated using the internal 48MHz clock:

Silicon Labs
Page 34 of 44
Equation 2: PCM_CLK Frequency When Being Generated Using the Internal 48MHz Clock
The frequency of PCM_SYNC relative to PCM_CLK can be set using Equation 3:
Equation 3: PCM_SYNC Frequency Relative to PCM_CLK
CNT_RATE, CNT_LIMIT and SYNC_LIMIT are set using PSKEY_PCM_LOW_JITTER_CONFIG. As an
example, to generate PCM_CLK at 512kHz with PCM_SYNC at 8kHz, set
PSKEY_PCM_LOW_JITTER_CONFIG to 0x08080177.
10.9 PCM Configuration
The PCM configuration is set using two PS Keys, PSKEY_PCM_CONFIG32 detailed in Table 18 and
PSKEY_PCM_LOW_JITTER_CONFIG in Table 19. The default for PSKEY_PCM_CONFIG32 is 0x00800000,
i.e., first slot following sync is active, 13-bit linear voice format, long frame sync and interface master
generating 256kHz PCM_CLK from 4MHz internal clock with no tri-state of PCM_OUT.

Silicon Labs
Page 35 of 44
Name Bit
position Description
- 0 Set to 0
SLAVE MODE EN 1 0 selects Master mode with internal generation of PCM_CLK and
PCM_SYNC. 1 selects Slave mode requiring externally generated
PCM_CLK and PCM_SYNC. This should be set to 1 if
48M_PCM_CLK_GEN_EN (bit 11) is set.
SHORT SYNC EN 2 0 selects long frame sync (rising edge indicates start of frame),
- 3 Set to 0
SIGN EXTENDED
EN 4 0 selects long frame sync (rising edge indicates start of frame), 1 selects
short frame sync (falling edge indicates start of frame).
LSB FIRST EN 5 0 transmits and receives voice samples MSB first, 1 uses LSB
TX TRISTATE EN 6 0 transmits and receives voice samples MSB first, 1 uses LSB
TX TRISTATE
RISING EDGE EN 7 0 tristates PCM_OUT immediately after the falling edge of PCM_CLK in the
last bit of an active slot, assuming the next slot is also not active. 1 tristates
PCM_OUT after the rising edge of PCM_CLK.
SYNC SUPPRESS
EN 8 0 enables PCM_SYNC output when master, 1 suppresses PCM_SYNC
whilst keeping PCM_CLK running. Some CODECS utilize this to enter a
low power state
GCI MODE EN 9 1 enables GCI mode.
MUTE EN 10 1 forces PCM_OUT to 0.
48M PCM CLK GEN
EN 11 0 sets PCM_CLK and PCM_SYNC generation via DDS from internal 4
MHz clock. 1 sets PCM_CLK and PCM_SYNC generation via DDS from
internal 48 MHz clock.
LONG LENGTH
SYNC EN 12 0 sets PCM_SYNC length to 8 PCM_CLK cycles and 1 sets length to 16
PCM_CLK cycles. Only applies for long frame sync and with
48M_PCM_CLK_GEN_EN set to 1.
- [20:16] Set to 0b00000.
MASTER CLK RATE [22:21] Selects 128 (0b01), 256 (0b00), 512 (0b10) kHz PCM_CLK frequency
when master and 48M_PCM_CLK_GEN_EN (bit 11) is low.
ACTIVE SLOT [26:23] Default is 0001. Ignored by firmaware
SAMPLE FORMAT [28:27] Selects between 13 (0b00), 16 (0b01), 8 (0b10) bit sample with 16 cycle
slot duration 8 (0b11) bit sample 8 cycle slot duration.
Table 14: PSKEY_PCM_CONFIG32 description

Silicon Labs
Page 36 of 44
Name Bit position Description
CNT LIMIT [12:0] Sets PCM_CLK counter limit
CNT RATE [23:16] Sets PCM_CLK count rate
SYNC LIMIT [31:24] Sets PCM_SYNC division relative to PCM_CLK
Table 15: PSKEY_PCM_LOW_JITTER_CONFIG Description
Silicon Labs
Page 37 of 44
11 I/O Parallel Ports
Six lines of programmable bidirectional input/outputs (I/O) are provided. All the PIO lines are power from VDD.
PIO lines can be configured through software to have either weak or strong pull-ups or pull-downs. All PIO
lines are configured as inputs with weak pull-downs at reset. Any of the PIO lines can be configured as
interrupt request lines or as wake-up lines from sleep modes.
WT41u has a general purpose analogue interface pin AIO[1]. This is used to access internal circuitry and
control signals. It may be configured to provide additional functionality.
Auxiliary functions available via AIO[1] include an 8-bit ADC and an 8-bit DAC. Typically the ADC is used for
battery voltage measurement. Signals selectable at this pin include the band gap reference voltage and a
variety of clock signals: 48, 24, 16, 8MHz and the XTAL clock frequency. When used with analogue signals,
the voltage range is constrained by the analogue supply voltage internally to the module (1.8V). When
configured to drive out digital level signals (e.g., clocks), the output voltage level is determined by VDD.
11.1 PIO Defaults
Silicon Labs cannot guarantee that these terminal functions remain the same. Refer to the software release
note for the implementation of these PIO lines, as they are firmware build-specific.

Silicon Labs
Page 38 of 44
12 Reset
WT41u may be reset from several sources: RESET pin, power on reset, a UART break character or via
software configured watchdog timer. The RESET pin is an active low reset and is internally filtered using the
internal low frequency clock oscillator. A reset will be performed between 1.5 and 4.0ms following RESETB
being active. It is recommended that RESET be applied for a period greater than 5ms.
The power on reset occurs when the VDD_CORE supply internally to the module falls below typically 1.5V
and is released when VDD_CORE rises above typically 1.6V. At reset the digital I/O pins are set to inputs for
bidirectional pins and outputs are tri-state.
The reset should be held active at power up until all the supply voltages have stabilized to ensure correct
operation of the internal flash memory. Following figure shows an example of a simple power up reset circuit.
Time constant of the RC circuitry is set so that the supply voltage is safely stabilized before the reset
deactivates.
Figure 23: Example of a simple power on reset circuit.

Silicon Labs
Page 39 of 44
12.1 Pin States on Reset
Pad name State
PIO[7:2] Input, weak pull-down
PCM_OUT 3-state, weak pull-down
PCM_IN Input, weak pull-down
PCM_SYNC Input, weak pull-down
PCM_CLK Input, weak pull-down
UART_TX 3-state, weak pull-up
UART_RX Input, weak pull-down
UART_RTS 3-state, weak pull-up
UART_CTS Input, weak pull-down
USB+ Input, weak pull-down
USB- Input, weak pull-down
SPI_CSB Input, weak pull-down
SPI_CLK Input, weak pull-down
SPI_MOSI Input, weak pull-down
SPI_MISO 3-state, weak pull-down
AIO[1] Output, driving low
Table 16: Pin States on Reset
Silicon Labs
Page 40 of 44
13 Certifications
13.1 Bluetooth
The WT41u is Bluetooth qualified and the declaration ID is B015141 (QDID 22298)
13.2 FCC
This device complies with Part 15 of the FCC Rules. Operation is subject to the following two conditions:
1. This device may not cause harmful interference, and
2. This device must accept any interference received, including interference that may cause
undesirable operation.
Any changes or modifications not expressly approved by Silicon Labs could void the user’s authority to
operate the equipment.
FCC RF Radiation Exposure Statement:
This equipment complies with FCC radiation exposure limits set forth for an uncontrolled environment. End
users must follow the specific operating instructions for satisfying RF exposure compliance. This transmitter
meets both portable and mobile limits as demonstrated in the RF Exposure Analysis. This transmitter must not
be co-located or operating in conjunction with any other antenna or transmitter except in accordance with FCC
multi-transmitter product procedures. As long as the condition above is met, further transmitter testing will not
be required. However, the OEM integrator is still responsible for testing their end-product for any additional
compliance requirements required with this module installed (for example, digital device emissions, PC
peripheral requirements, etc.).
OEM Responsibilities to comply with FCC Regulations
The WT41u Module has been certified for integration into products only by OEM integrators under the
following condition:
• The antenna(s) must be installed such that a minimum separation distance of 42 mm is
maintained between the radiator (antenna) and all persons at all times.
• The transmitter module must not be co-located or operating in conjunction with any other
antenna or transmitter except in accordance with FCC multi-transmitter product procedures.
As long as the conditions above are met, further transmitter testing will not be required. However, the OEM
integrator is still responsible for testing their end-product for any additional compliance requirements required
with this module installed (for example, digital device emissions, PC peripheral requirements, etc.).
Note: In the event that this condition cannot be met (for certain configurations or co-location with another
transmitter), then the FCC authorization is no longer considered valid and the FCC ID cannot be used on the
final product. In these circumstances, the OEM integrator will be responsible for re-evaluating the end product
(including the transmitter) and obtaining a separate FCC authorization.
End Product Labeling
The WT41u Module is labeled with its own FCC ID. If the FCC ID is not visible when the module is installed
inside another device, then the outside of the device into which the module is installed must also display a
label referring to the enclosed module. In that case, the final end product must be labeled in a visible area with
the following:
"Contains Transmitter Module FCC ID: QOQWT41u"
or
"Contains FCC ID: QOQWT41u"
Silicon Labs
Page 41 of 44
The OEM integrator must not provide information to the end user regarding how to install or remove this RF
module or change RF related parameters in the user manual of the end product.
13.3 ISEDC
This radio transmitter (IC: 5123A-WT41U) has been approved by Industry Canada to operate with the
embedded chip antenna. Other antenna types are strictly prohibited for use with this device.
This device complies with Industry Canada’s license-exempt RSS standards. Operation is subject to the
following two conditions:
1. This device may not cause interference; and
2. This device must accept any interference, including interference that may cause undesired operation
of the device.
RF Exposure Statement
Exception from routine SAR evaluation limits are given in RSS-102 Issue 5. WT41u meets the given
requirements when the minimum separation distance to human body 40 mm. RF exposure or SAR evaluation
is not required when the separation distance is 40 mm or more. If the separation distance is less than 40 mm
the OEM integrator is responsible for evaluating the SAR.
OEM Responsibilities to comply with IC Regulations The WT41u Module has been certified for integration into
products only by OEM integrators under the following conditions:
• The antenna(s) must be installed such that a minimum separation distance of 40 mm is maintained
between the radiator (antenna) and all persons at all times.
• The transmitter module must not be co-located or operating in conjunction with any other antenna or
transmitter.
As long as the two conditions above are met, further transmitter testing will not be required. However, the
OEM integrator is still responsible for testing their end-product for any additional compliance requirements
required with this module installed (for example, digital device emissions, PC peripheral requirements, etc.).
Note: In the event that these conditions cannot be met (for certain configurations or co-location with another
transmitter), then the IC authorization is no longer considered valid and the IC ID cannot be used on the final
product. In these circumstances, the OEM integrator will be responsible for re-evaluating the end product
(including the transmitter) and obtaining a separate IC authorization.
End Product Labeling
The WT41u module is labeled with its own IC ID. If the IC ID is not visible when the module is installed inside
another device, then the outside of the device into which the module is installed must also display a label
referring to the enclosed module. In that case, the final end product must be labeled in a visible area with the
following:
"Contains Transmitter Module IC: 5123A-WT41u"
or
"Contains IC: 5123A-WT41u"
The OEM integrator has to be aware not to provide information to the end user regarding how to install or
remove this RF module or change RF related parameters in the user manual of the end product.
13.3.1 ISEDC (Français)
Cet émetteur radio (IC : 5123A-WT41u) a reçu l'approbation d'Industrie Canada pour une exploitation avec
l'antenne puce incorporée. Il est strictement interdit d'utiliser d'autres types d'antenne avec cet appareil.

Silicon Labs
Page 42 of 44
Le présent appareil est conforme aux CNR d’Industrie Canada applicables aux appareils radio exempts de
licence. L’exploitation est autorisée aux deux conditions suivantes:
1. L’appareil ne doit pas produire de brouillage; et
2. L’appareil doit accepter tout brouillage radioélectrique subi, même si le brouillage est susceptible de
provoquer un fonctionnement non désiré de l’appareil.
Déclaration relative à l'exposition aux radiofréquences (RF)
Les limites applicables à l’exemption de l’évaluation courante du DAS sont énoncées dans le CNR 102, 5e
édition. Le module Bluetooth WT41u répond aux exigences données quand la distance de séparation
minimum par rapport au corps humain est de 40 mm. L'évaluation de l'exposition aux RF ou du DAS n'est pas
requise quand la distance de séparation est de 40 mm ou plus. Si la distance de séparation est inférieure à 40
mm, il incombe à l'intégrateur FEO d'évaluer le DAS.
Responsabilités du FEO ayant trait à la conformité avec les règlements IC
Le Module Bluetooth WT41u a été certifié pour une intégration dans des produits uniquement par les
intégrateurs FEO dans les conditions suivantes:
• La ou les antennes doivent être installées de telle façon qu'une distance de séparation minimum de 40 mm
soit maintenue entre le radiateur (antenne) et toute personne à tout moment.
• Le module émetteur ne doit pas être installé au même endroit ou fonctionner conjointement avec toute autre
antenne ou émetteur.
Dès lors que les deux conditions ci-dessus sont respectées, aucun test supplémentaire de l’émetteur n’est
obligatoire. Cependant, il incombe toujours à l'intégrateur FEO de tester la conformité de son produit final vis-
à-vis de toute exigence supplémentaire requise avec ce module installé (par exemple, émissions de
dispositifs numériques, exigences relatives aux matériels périphériques PC, etc).
Note: S'il s'avère que ces conditions ne peuvent être respectées (pour certaines configurations ou la
colocation avec un autre émetteur), alors l'autorisation IC n'est plus considérée comme valide et l'identifiant IC
ne peut plus être employé sur le produit final. Dans ces circonstances, l'intégrateur FEO aura la responsabilité
de réévaluer le produit final (y compris l'émetteur) et d'obtenir une autorisation IC distincte.
Étiquetage du produit final
L'étiquette du Module WT41u porte son propre identifiant IC. Si l'identifiant IC n'est pas visible quand le
module est installé à l'intérieur d'un autre appareil, alors l'extérieur de l'appareil dans lequel le module est
installé doit aussi porter une étiquette faisant référence au module qu'il contient. Dans ce cas, une étiquette
comportant les informations suivantes doit être apposée sur une partie visible du produit final.
"Contient le module émetteur IC: 5123A-WT41U"
ou
"Contient IC : 5123A-WT41U"
L'intégrateur FEO doit être conscient de ne pas fournir d'informations à l'utilisateur final permettant d'installer
ou de retirer ce module RF ou de changer les paramètres liés aux RF dans le mode d'emploi du produit final.
13.4 CE
The Declaration of Compliance and the test documentation can be consulted in www.silabs.com.
Please note that every application using the WT41-A or WT41-N will need to perform the radio EMC tests on
the end product according to EN 301 489-17.
RF exposure requirements must be verified in an end product assembly.
Test documentation and software for the EN 300 328 radiated spurious emissions testing can be requested
from the Silicon Labs support.
Silicon Labs
Page 43 of 44
13.5 MIC Japan
The WT41u module in certified for Japan. Certification number: 209-J00231 Since September 1, 2014 it is
allowed (and highly recommended) that a manufacturer who integrates a radio module in their host equipment
can place the certification mark and certification number (the same marking/number as depicted on the label
of the radio module) on the outside of the host equipment. The certification mark and certification number
must be placed close to the text in the Japanese language which is provided below. This change in the Radio
Law has been made in order to enable users of the combination of host and radio module to verify if they are
actually using a radio device which is approved for use in Japan.
当該機器には電波法に基づく、技術基準適合証明等を受けた特定無線設備を装着している。
Translation: “This equipment contains specified radio equipment that has been certified to the Technical
Regulation Conformity Certification under the Radio Law.”

Silicon Labs
Page 44 of 44
13.6 Qualified Antenna Types for WT41u-E and WT41u-N
This device has been designed to operate with a standard 2.14 dBi dipole antenna. Any antenna of a different
type or with a gain higher than 2.14 dBi is strictly prohibited for use with this device. Using an antenna of a
different type or gain more than 2.14 dBi will require additional testing for FCC, CE and IC. The required
antenna impedance is 50 Ω.
Antenna type Maximum gain
Dipole 2.14 dBi
Table 17: Qualified Antenna Types for WT41u-E/N
To reduce potential radio interference to other users, the antenna type and its gain should be so chosen that
the equivalent isotropically radiated power (EIRP) is not more than that permitted for successful
communication.
Any standard 2.14 dBi dipole antenna can be used without an additional application to FCC.
13.7 Moisture Sensitivity Level (MSL)
Moisture sensitivity level (MSL) of this product is 3. For the handling instructions please refer to JEDEC J-
STD-020 and JEDEC J-STD-033.
If baking is required, devices may be baked for 12 hours at 125°C +/-5°C for high temperature device
containers.

http://www.silabs.com
Silicon Laboratories Inc.
400 West Cesar Chavez
Austin, TX 78701
USA
Simplicity Studio
One-click access to MCU and
wireless tools, documentation,
software, source code libraries &
more. Available for Windows,
Mac and Linux!
IoT Portfolio
www.silabs.com/IoT
SW/HW
www.silabs.com/simplicity
Quality
www.silabs.com/quality
Support and Community
community.silabs.com
Disclaimer
Silicon Labs intends to provide customers with the latest, accurate, and in-depth documentation of all peripherals and modules available for system and software implementers using or
intending to use the Silicon Labs products. Characterization data, available modules and peripherals, memory sizes and memory addresses refer to each specific device, and "Typical"
parameters provided can and do vary in different applications. Application examples described herein are for illustrative purposes only. Silicon Labs reserves the right to make changes
without further notice and limitation to product information, specifications, and descriptions herein, and does not give warranties as to the accuracy or completeness of the included
information. Silicon Labs shall have no liability for the consequences of use of the information supplied herein. This document does not imply or express copyright licenses granted
hereunder to design or fabricate any integrated circuits. The products are not designed or authorized to be used within any Life Support System without the specific written consent of
Silicon Labs. A "Life Support System" is any product or system intended to support or sustain life and/or health, which, if it fails, can be reasonably expected to result in significant personal
injury or death. Silicon Labs products are not designed or authorized for military applications. Silicon Labs products shall under no circumstances be used in weapons of mass
destruction including (but not limited to) nuclear, biological or chemical weapons, or missiles capable of delivering such weapons.
Trademark Information
Silicon Laboratories Inc.® , Silicon Laboratories®, Silicon Labs®, SiLabs® and the Silicon Labs logo®, Bluegiga®, Bluegiga Logo®, Clockbuilder®, CMEMS®, DSPLL®, EFM®, EFM32®,
EFR, Ember®, Energy Micro, Energy Micro logo and combinations thereof, "the world’s most energy friendly microcontrollers", Ember®, EZLink®, EZRadio®, EZRadioPRO®,
Gecko®, ISOmodem®, Precision32®, ProSLIC®, Simplicity Studio®, SiPHY®, Telegesis, the Telegesis Logo®, USBXpress® and others are trademarks or registered trademarks of Silicon
Labs. ARM, CORTEX, Cortex-M3 and THUMB are trademarks or registered trademarks of ARM Holdings. Keil is a registered trademark of ARM Limited. All other products or brand
names mentioned herein are trademarks of their respective holders.