Simoco EMEA SDB670AC01 25W D.C. AC Band SDB670 User Manual Manual
Simoco EMEA Ltd 25W D.C. AC Band SDB670 Manual
Manual

SDB670 BASE STATION
SERVICE MANUAL
TNM-M-E-0032, Issue – 1.0
May 2013
The contents of this document are
CONFIDENTIAL
and must not be disclosed to a third
party without permission in writing from Simoco.
©Simoco 2013
Field House,
Uttoxeter Old Road
Derby
DE1 1NH
Tel: +44 (0) 1332 375500
FAX: +44 (0) 1332 375501
http://www.simocogroup.com
1270 Ferntree Gully Road,
Scoresby
Victoria, 3179
Australia
Tel: +61 (0)3 9730 3999
FAX: +61 (0)3 9730 3988
http://www.simocogroup.com

SDB670 – SERVICE MANUAL TNM-M-E-0032
May 13 Page 2 PREFACE
PREFACE
D
ECLARATION
This Service Manual covers the SDB670 Digital Mobile Radio (DMR) Base Station.
Any performance figures quoted are subject to normal manufacturing and service tolerances. The
right is reserved to alter the equipment described in this manual in the light of future technical
development.
Changes or modifications not expressly approved by the party responsible for compliance could
void the user’s authority to operate the equipment.
NOTE.
The manufacturer is not responsible for any radio or television interference caused by
unauthorized modifications to this equipment. Such modifications could void the
user’s authority to operate the equipment.
C
OPYRIGHT
All information contained in this document is the property of Simoco. All rights are reserved. This
document may not, in whole or in part, be copied, photocopied, reproduced, translated, stored, or
reduced to any electronic medium or machine-readable form, without prior written permission from
Simoco.
C
OMPUTER
S
OFTWARE
C
OPYRIGHTS
The AMBE+2TM voice coding Technology embodied in this product is protected by intellectual
property rights including patent rights, copyrights and trade secrets of Digital Voice Systems, Inc.
This voice coding Technology is licensed solely for use within this Communications Equipment.
The user of this Technology is explicitly prohibited from attempting to extract, remove, decompile,
reverse engineer, or disassemble the Object Code, or in any other way convert the Object Code
into a human-readable form. U.S. Patent Nos. #6,912,495 B2, #6,199,037 B1, #5,870,405,
#5,826,222, #5,754,974, #5,701,390, #5,715,365, #5,649,050, #5,630,011, #5,581,656,
#5,517,511, #5,491,772, #5,247,579, #5,226,084 and #5,195,166.
D
ISCLAIMER
There are no warranties extended or granted by this document. Simoco accepts no responsibility
for damage arising from use of the information contained in the document or of the equipment and
software it describes. It is the responsibility of the user to ensure that use of such information,
equipment and software complies with the laws, rules and regulations of the applicable
jurisdictions.
E
QUIPMENT AND
M
ANUAL
U
PDATES
In the interests of improving the performance, reliability or servicing of the equipment, Simoco
reserves the right to update the equipment or this document or both without prior notice.

SDB670 – SERVICE MANUAL TNM-M-E-0032
May 13 Page 3 PREFACE
E
RRORS AND
O
MISSIONS
The usefulness of this publication depends upon the accuracy and completeness of the information
contained within it. Whilst every endeavour has been made to eliminate any errors, some may still
exist. It is requested that any errors or omissions noted should be reported to either of the
following who are part of the Simoco group:
Field House
Uttoxeter Old Road, Derby
DE1 1NH
United Kingdom
1270 Ferntree Gully Road
Scoresby
Victoria. 3179
Australia
Tel: +44 (0) 871 741 1050 Tel: +61 (0)3 9730 3800
E-mail: customer.service@simocogroup.com E-mail: simoco@simoco.com.au
D
OCUMENT
H
ISTORY
Issue Date Comments
1.0 21 May 2013 Initial Issue.
R
ELATED
D
OCUMENTS
1. TNM-I-E-0041. SDB670 Base Station – Installation Guide, Issue 1.0, dated April 2013.
2. TNM-S-E-0005. SDM600 Series – Issue 4.0 Circuit Diagrams, Issue 1.0, dated
January 2013.
To order printed copies of this or any of the above publications, please contact Simoco. See the
Support page for contact information.
A comprehensive list of documentation is available for download on the Simoco website
http://www.simocogroup.com via the Partner Portal.

SDB670 – SERVICE MANUAL TNM-M-E-0032
May 13 Page 4 CONTENTS
TABLE OF CONTENTS
Page
Title Page ...................................................................................................................................... 1
Preface .......................................................................................................................................... 2
Table of Contents (This List) ....................................................................................................... 4
List of Figures ................................................................................................................................
List of Tables ..................................................................................................................................
Personal Safety ..............................................................................................................................
Equipment Safety ...........................................................................................................................
WEEE Notice ..................................................................................................................................
General Notes ................................................................................................................................
Support ...........................................................................................................................................
Abbreviations .................................................................................................................................
1
INTRODUCTION ................................................................................................................. 16
1.1
S
IMOCO
X
D
SDB600
S
ERIES
............................................................................................ 16
1.2
F
EATURES
........................................................................................................................ 16
2
PRODUCT CODES ............................................................................................................. 17
2.1
O
RDER
C
ODE
................................................................................................................... 17
2.2
F
ACTORY
C
ODE
................................................................................................................ 18
2.3
R
ADIO
L
ABEL
................................................................................................................... 18
2.3.1
Radio Serial Number.............................................................................................. 18
2.4
MAC
A
DDRESS
................................................................................................................ 19
3
SPECIFICATIONS............................................................................................................... 20
3.1
G
ENERAL
......................................................................................................................... 20
3.2
T
X
S
PECIFICATIONS
.......................................................................................................... 20
3.3
R
ECEIVER
......................................................................................................................... 21
4
DESCRIPTION .................................................................................................................... 22
4.1
SDM600
S
UB
-A
SSEMBLIES
.............................................................................................. 23
4.2
F
RONT
P
ANEL
.................................................................................................................. 24
4.2.1
LED Indicators........................................................................................................ 24
4.3
R
EAR
P
ANEL
C
ONNECTORS
.............................................................................................. 24
4.3.1
Tx/Rx Connections................................................................................................. 25
4.3.2
Power Input Connection ......................................................................................... 26
4.3.3
Earth Point ............................................................................................................. 26
4.3.4
P4 USB Type B Connector..................................................................................... 26
4.3.5
P3 USB Type A Connector..................................................................................... 27
4.3.6
P5 Ethernet ............................................................................................................ 27
4.3.7
S2 Serial Port......................................................................................................... 27
4.3.8
Facilities Connector................................................................................................ 28
4.3.9
Battery Backup....................................................................................................... 29
5
TECHNICAL DESCRIPTION............................................................................................... 30

SDB670 – SERVICE MANUAL TNM-M-E-0032
May 13 Page 5 CONTENTS
5.1
MMI
B
OARD
..................................................................................................................... 30
5.1.1
Description ............................................................................................................. 30
5.2
C
ONTROL
B
OARD
............................................................................................................. 30
5.2.1
Circuit Board Layout............................................................................................... 30
5.2.2
Circuit Description .................................................................................................. 31
5.2.2.1
Power............................................................................................................ 31
5.2.2.2
Main Processor ............................................................................................. 31
5.2.2.3
DSP Co-processor ........................................................................................ 31
5.2.2.4
Ethernet Interface.......................................................................................... 31
5.2.2.5
Radio Interface.............................................................................................. 31
5.2.2.6
USB A ........................................................................................................... 31
5.2.2.7
USB B ........................................................................................................... 31
5.2.2.8
Digital I/O ...................................................................................................... 31
5.2.2.9
Fan Control ................................................................................................... 31
5.2.2.10
Analogue Outputs ......................................................................................... 31
5.2.2.11
Analogue Inputs ............................................................................................ 32
5.2.2.12
GPS Input ..................................................................................................... 32
5.2.2.13
External Power.............................................................................................. 32
5.2.2.14
RS232 Serial Interface (DB9) ........................................................................ 32
5.2.2.15
Expansion Header......................................................................................... 32
5.3
T
RANSMITTER AND
R
ECEIVER
M
ODULES
............................................................................ 32
5.3.1
Control ................................................................................................................... 32
5.3.1.1
DSP and FPGA............................................................................................. 32
5.3.1.2
DSP Clock Oscillator..................................................................................... 33
5.3.1.3
Analogue Inputs and Outputs........................................................................ 33
5.3.1.4
Flash Memory ............................................................................................... 33
5.3.2
Receiver................................................................................................................. 34
5.3.2.1
Front End Filters and RF Amplifier ................................................................ 34
5.3.2.2
Mixer and IF Section ..................................................................................... 34
5.3.2.3
IF Analogue to Digital Convertor ................................................................... 35
5.3.3
Transmitter............................................................................................................. 35
5.3.3.1
Drivers and PA Stages.................................................................................. 35
5.3.3.2
Power Control ............................................................................................... 36
5.3.3.3
Antenna Switch and Harmonic Filter ............................................................. 36
5.3.3.4
Temperature Sensor ..................................................................................... 36
5.3.4
Frequency Synthesiser........................................................................................... 37
5.3.4.1
General ......................................................................................................... 37
5.3.4.2
Fractional PLL............................................................................................... 37
5.3.4.3
Negative Bias Generator and Loop Filter ...................................................... 37
5.3.4.4
Reference Oscillator...................................................................................... 37
5.3.4.5
VCO’s ........................................................................................................... 38
5.3.5
Audio Processing ................................................................................................... 38
5.3.5.1
Receiver Audio.............................................................................................. 38
5.3.5.2
Transmitter Audio.......................................................................................... 39
5.3.6
Power Supplies ...................................................................................................... 39
5.3.6.1
Power On/Off Function.................................................................................. 39
5.3.6.2
Radio Power Supplies................................................................................... 40
6
MAINTENANCE .................................................................................................................. 43
6.1
T
ORQUE
S
ETTINGS
........................................................................................................... 43
6.2
D
ISASSEMBLY
.................................................................................................................. 43
6.2.1
To Remove the Base from a Rack.......................................................................... 43
6.2.2
To Open the SDB670............................................................................................. 43
6.2.3
To Remove the Tx Assembly ................................................................................. 43

SDB670 – SERVICE MANUAL TNM-M-E-0032
May 13 Page 6 CONTENTS
6.2.4
To Remove the Rx Assembly................................................................................. 44
6.2.5
To Remove the Control Board................................................................................ 45
6.2.6
To Remove the PSU and Fuse Board Assembly (AC version only)........................ 46
6.2.7
To Remove the Fan Assembly ............................................................................... 47
6.2.8
To Remove the MMI Board Panel .......................................................................... 47
6.2.9
To Remove the Internal Fan Assembly .................................................................. 47
6.3
R
EASSEMBLY
................................................................................................................... 48
6.3.1
To Fit the Internal Fan Assembly............................................................................ 48
6.3.2
To Fit the MMI Board.............................................................................................. 48
6.3.3
To Fit the Heat Sink Fan Assembly ........................................................................ 48
6.3.4
To Fit the PSU and Fuse Board Assembly (AC version only) ................................. 48
6.3.5
To Fit the Control Board ......................................................................................... 49
6.3.6
To Fit the Rx Assembly .......................................................................................... 49
6.3.7
To fit the Tx Assembly............................................................................................ 50
7
SPARES.............................................................................................................................. 52
7.1
S
ERVICE
C
ONCEPT
........................................................................................................... 52
7.2
L
EVEL
2
S
PARES
S
CHEDULE
............................................................................................. 52
7.2.1
SDB670 DMR Base Station.................................................................................... 52
7.3
W
ARRANTY
...................................................................................................................... 53
7.3.1
Service Within and Out Of Warranty....................................................................... 53
7.3.2
Ancillary Items........................................................................................................ 53
7.3.3
Unpacking Equipment ............................................................................................ 53
7.4
S
OFTWARE
P
OLICY
........................................................................................................... 53
APPENDICIES
A DMR CONTROL BOARD BLOCK DIAGRAM.

SDB670 – SERVICE MANUAL TNM-M-E-0032
May 13 Page 7 CONTENTS
LIST OF FIGURES
Page
Figure 1. Simoco Xd, SDB600 Series Base Station. .................................................................... 16
Figure 2. Internal Layout of DMR Base Station (AC version)........................................................ 22
Figure 3. Internal Layout of DMR Base Station (DC version)........................................................ 23
Figure 4. SDB670 Front Panel. .................................................................................................... 24
Figure 5. Layout of Rear Panel (AC version)................................................................................ 25
Figure 6. Layout of Rear Panel (DC version)................................................................................ 25
Figure 7. AC and DC power connectors....................................................................................... 26
Figure 8. Digital Inputs and Outputs............................................................................................. 29
Figure 9. Control Board Layout. ................................................................................................... 30
Figure 10. Tx and Rx Modules – VHF/UHF Block Diagram. ......................................................... 42
Figure 11. Removal of Tx Assembly............................................................................................. 44
Figure 12. Removal of Rx Assembly. ........................................................................................... 45
Figure 13. Removing the Control Board. ...................................................................................... 46
Figure 14. Removal of PSU and Fuse Board Assembly (AC version only). .................................. 46
Figure 15. Removal of Fan Assembly. ......................................................................................... 47
Figure 16. Heat Pipe Array........................................................................................................... 50
Figure A1. DMR Control Board Block Diagram. ........................................................................... 55
LIST OF TABLES
Page
Table 1. Order Code Information.................................................................................................. 17
Table 2. Factory Code Information. .............................................................................................. 18
Table 3. Radio Serial Number Information. .................................................................................. 19
Table 4. General Specifications. .................................................................................................. 20
Table 5. 25 W Transmitter Specifications..................................................................................... 20
Table 6. Receiver Specifications.................................................................................................. 21
Table 7. Details of Front Panel LED Indicators............................................................................. 24
Table 8. Rear Panel Connections. ............................................................................................... 25
Table 9. DC Power Connector Pin-outs. ...................................................................................... 26
Table 10. USB Type B Connector Pin-outs. ................................................................................. 26
Table 11. USB Type A Connector Pin-outs. ................................................................................. 27
Table 12. Ethernet RJ45 Connector Pin-outs. .............................................................................. 27
Table 13. S2 Serial Port Connector Pin-outs................................................................................ 27
Table 14. Facilities Connector Pin-outs........................................................................................ 28
Table 15. PSU TB1 Connections. ................................................................................................ 49
Table 16. Service Levels.............................................................................................................. 52
Table 17. Service Level 2 Recommended Spares Schedule........................................................ 53

SDB670 – SERVICE MANUAL TNM-M-E-0032
May 13 Page 8 WARNINGS
PERSONAL SAFETY
Safety Precautions
These Safety Precautions, Warnings and Cautions advise personnel of specific hazards which may
be encountered during the procedures contained in this document and that control measures are
required to prevent injury to personnel, and damage to equipment and/or the environment.
Before commencing the installation or any maintenance of this equipment, personnel are to
acquaint themselves with all risk assessments relevant to the work site and the task. They must
then comply with the control measures detailed in those risk assessments.
References covering safety regulations, health hazards and hazardous substances are detailed
under the WARNINGS section below. These are referred to in the tasks, when encountered.
Adequate precautions must be taken to ensure that other personnel do not activate any equipment
that has been switched off for maintenance. Refer to the relevant Electrical Safety Regulations
appropriate to the country of operation.
Where dangerous voltages are exposed during a task, safety personnel are to be provided as
detailed in the Electricity at Work regulations 1989. Where safety personnel are required for any
other reason, management are to ensure that the personnel detailed are aware of the hazard and
are fully briefed on the action to be taken in an emergency.
Where equipment contains heavy components or units that require lifting, lowering, pulling or
pushing operations to be performed on them during maintenance tasks, all managers and
tradesmen are to be conversant with the Manual Handling Operations Regulations 1992, ISBN
0110259203.
Hazardous Substances
Before using any hazardous substance or material, the user must be conversant with the safety
precautions and first aid instructions:
• On the label of the container in which it was supplied.
• On the material Safety Data Sheet.
• In any local Safety Orders and Regulations.
Warnings
Beryllium and Beryllia
WARNING
BERYLLIUM AND BERYLLIA. THE POWER AMPLIFIER (PA) MODULE
(IF FITTED) USES SEMICONDUCTOR DEVICES CONTAINING
BERYLLIUM OXIDE. REFER TO THE CONTROL OF SUBSTANCES
HAZARDOUS TO HEALTH REGULATIONS (COSHH) 2002 AND/OR THE
APPROPRIATE SAFETY DATA SHEET.

SDB670 – SERVICE MANUAL TNM-M-E-0032
May 13 Page 9 WARNINGS
Heavy Equipment
WARNING
HEAVY EQUIPMENT. THE WEIGHT OF A FULLY ASSEMBLED DMR
BASE IN THE WALL MOUNT IS APPROX 10 KG (2 MEN TO LIFT).
REFER TO THE MANUAL HANDLING OPERATIONS REGULATIONS
1992.
Radio Frequency Radiation
WARNING
RADIO FREQUENCY RADIATION. A RADIO FREQUENCY (RF)
RADIATION HAZARD EXISTS IN THIS EQUIPMENT. TO AVOID RF
INJURY, DO NOT TOUCH THE ANTENNA WHEN THE TRANSMITTER IS
IN USE. DO NOT OPERATE TRANSMITTER WITH ANTENNA
DISCONNECTED.
Dangerous Voltages
Dangerous voltages exist in this equipment, for the appropriate Safety precautions, refer to the
Electrical Safety Regulations appropriate to the country of operation.
Depending on the variant, the DMR Base Station may be fitted with an Internal AC Power Supply.
If an Internal AC Power Supply is fitted, a standard IEC mains connector will be fitted on the rear
panel (refer to the Section 3 - Description for further details).
WARNING
THIS EQUIPMENT MUST TO BE CONNECTED TO A MAINS POWER
SUPPLY THAT HAS A SAFETY EARTH CONNECTION.
WARNINGS
DO NOT CONNECT THE MAINS ELECTRICITY SUPPLY UNTIL THE
INSTALLATION IS COMPLETE
DISCONNECT THE MAINS ELECTRICITY SUPPLY BEFORE WORKING
ON AN OPEN WALL MOUNT OR POWER SUPPLY UNIT TRAY
Heat Sink Compound
WARNING
HEAT SINK COMPOUND. DOW CORNING DC340 HEAT SINK
COMPOUND IS USED IN THE MAINTENANCE OF THIS EQUIPMENT.
REFER TO THE COSHH REGULATIONS 2002 AND THE APPROPRIATE
PRODUCT SAFETY DATA SHEET.

SDB670 – SERVICE MANUAL TNM-M-E-0032
May 13 Page 10 WARNINGS
EQUIPMENT SAFETY
Installation and Maintenance
The DMR Series of base stations should only be installed and maintained by qualified
personnel.
Cautions
CAUTION
The Antenna system must be protected against lightning by means of an
earthing system and surge protection device.
Do not connect Antenna Lightning conductors to the base station or Mains
Earth.
CAUTION
EQUIPMENT DAMAGE. During assembly operations, the Torque settings must
be adhered to or damage to the equipment may result.
Maintenance Precautions
CAUTION
Electrostatic Discharge Sensitive Devices (ESDS Devices). This equipment
contains ESDS Devices, the handling procedures detailed in BS EN 61340-5-
1:2007 or ANSI/ESD S20.20-1999 are to be observed.

SDB670 – SERVICE MANUAL TNM-M-E-0032
May 13 Page 11 WEEE NOTICE
WASTE ELECTRICAL AND ELECTRONIC EQUIPMENT (WEEE)
NOTICE
The Waste Electrical and Electronic Equipment (WEEE) Directive became law
in most EU countries during 2005. The directive applies to the disposal of
waste electrical and electronic equipment within the member states of the
European Union.
As part of the legislation, electrical and electronic equipment will feature the
crossed out wheeled bin symbol (see image at left) on the product or in the
documentation to show that these products must be disposed of in accordance
with the WEEE Directive.
In the European Union, this label indicates that this product should not be disposed of with
domestic or “ordinary” waste. It should be deposited at an appropriate facility to enable recovery
and recycling.

SDB670 – SERVICE MANUAL TNM-M-E-0032
May 13 Page 12 GENERAL NOTES
GENERAL NOTES
M
ANUAL
C
OMPILATION
This manual provides detailed information on the SDB670 DMR Base Station including
Introduction, Specifications, General Description, Technical Description, Maintenance, and Spares.
Details of both “basic” and “optional units” have been included in this Service Manual, therefore,
some material may not be relevant to every system. Configuration is dependent upon the
specification by the customer when the equipment was ordered and installed.
The manual has been compiled with a two-tier maintenance policy in mind, i.e. first-line fault
location and repair by replacement, followed by subsequent bench-testing of sub-assemblies to
specification. Consequently, some “overlap” and/or duplication of information has resulted.
P
AGINATION
This manual is divided into a number of sections, each section deals with one aspect of the
system.
Following initial issue, any page that has been amended or updated will also bear an updated
reference.
P
ARTS
L
ISTING
A Composite List of Replaceable Assemblies (i.e. a list of all components used in the system) is
included at Section 7.

SDB670 – SERVICE MANUAL TNM-M-E-0032
Oct 12 Page 13 SUPPORT
SUPPORT
C
ONTACT
I
NFORMATION
At Simoco we welcome your comments, feedback and suggestions. Departmental contacts have
been provided for your quick reference below.
UK Customer Services
Email: customer.service@simocogroup.com
Tel: UK: 08717 411 050
International: +44 (0) 1332 375 671
Fax: UK: 08717 411 049
International: +44 (0) 1332 376 672
Sales
Email sales@teamsimoco.com
Marketing
Email marketing@simocogroup.com
Technical Support
Email: techsupport@simocogroup.com
Technical Support Helpline
Tel: UK: 08717 411 040
International: +44 (0) 1332 375 671
Australian Customer Services
Email: simoco@simoco.com.au
Tel: Within Australia: 1300 363 607
International: +61 3 9730 3800
US Customer Services
Email: customerservice@simocoamericas.com
Tel: +1 (0) 877 848 3876
US Technical Support
Email: techsupport@simocoamericas.com

SDB670 – SERVICE MANUAL TNM-M-E-0032
May 13 Page 14 ABBREVIATIONS
ABBREVIATIONS
The following abbreviations are used through out this document. Whenever practicable, wherever
the abbreviation is first used the full meaning is given with the abbreviation in parenthesis, after
that only the abbreviation will be used.
LIST OF ABBREVIATIONS
Abbreviation Meaning
‘……’ Reference to a feature, label or setting exactly as it is displayed on the
equipment or software application.
2U Two Units (U = vertical measurement of 44.45 mm for equipment racks
AC Alternating Current
ADC Analogue to Digital Converter
AFC Automatic Frequency Control
AGC Automatic Gain Control
BER Bit Error Rate
BNC Bayonet Neill-Concelman
CoDec Coder Decoder
COSHH Control Of Substances Hazardous to Health
CRU Central Repair Unit
CTCSS Continuous Tone Controlled Sub-audible Squelch
CTS Clear To Send (RS232 flow control signal)
DAC Digital to Analogue Converter
DC Direct Current
DCS Digital Coded Squelch
DMR Digital Mobile Radio
DSP Digital Signals Processor
EMC Electromagnetic Compatibility
EMIF External Memory InterFace
ESDS Devices Electrostatic Discharge Sensitive Devices
ETSI European Telecommunications Standards Institute
FPGA Field Programmable Gate Array
FPP Field Personality Programmer
GPIO General Purpose Input/Output
GPS Global Positioning System
IB Isolated Base
IC Integrated Circuit
IEC International Electrotechnical Commission
IF Intermediate Frequency
I/O Input/Output
IP Internet Protocol
IS Isolated Site
LED Light Emitting Diode
LVDS Low Voltage Differential Signal
MCP Master Control Program
MMI Man Machine Interface
MOSFET Metal Oxide Semiconductor Field Effect Transistor
NC Not Connected

SDB670 – SERVICE MANUAL TNM-M-E-0032
May 13 Page 15 ABBREVIATIONS
LIST OF ABBREVIATIONS
Abbreviation Meaning
OMAP Open Multimedia Applications Platform
PA Power Amplifier
PABX Private Automatic Branch Exchange
PC Personal Computer
PCB Printed Circuit Board
PLL Phase Locked Loop
PMIC Power Management Multi-Channel Integrated Circuit
PMR Private Mobile Radio
PSU Power Supply Unit
PTT Push (Press) To Talk
PWM Pulse Width Modulation
R&TTE Radio and Telecommunications Terminal Equipment
RAM Random Access Memory
RF Radio Frequency
RSSI Received Signal Strength Indicator
RTS Request To Send (RS232 flow control signal)
RX Receiver
SDB Simoco Digital Base
SDRAM Synchronous Dynamic Random Access Memory
SINAD Signal to Noise plus Distortion
SIP Session Initiation Protocol
SM Site Master
SW SoftWare
TCXO Temperature Compensated Crystal Oscillator
TX Transmitter
UHF Ultra High Frequency
USB Universal Serial Bus
VAC Voltage Alternating Current
VAC
(2)
Virtual Area Controller
VCO Voltage Controlled Oscillator
VCTCXO Voltage Controlled Temperature Compensated Crystal Oscillator
VDC Voltage Direct Current
VHF Very High Frequency
VM VAC Master
VoIP Voice over Internet Protocol
VSWR Voltage Standing Wave Ratio
WEEE Waste Electrical and Electronic Equipment

SDB670 – SERVICE MANUAL TNM-M-E-0032
May 13 Page 16 INTRODUCTION
1 INTRODUCTION
1.1 S
IMOCO
X
D
SDB600
S
ERIES
Figure 1. Simoco Xd, SDB600 Series Base Station.
The SDB670 is a fully integrated Digital Mobile Radio (DMR) base station repeater. Conforming to
European Telecommunications Standards Institute (ETSI) open standards, SDB670 combines
Simoco’s Voice over Internet Protocol (VoIP) technology with advanced digital radio modules.
This IP connected infrastructure platform supports DMR Tier II and Tier III operation as standard
with features being enabled via software licensing. Use of Ethernet networks enables the
deployment of multi-site radio systems and allows the inclusion of additional features such as
Session Initiation Protocol (SIP) Private Automatic Branch Exchange (PABX) interconnection and
Dispatcher terminals.
The 2U SDB670 is suitable for 19 inch rack installations and an optional wall mount is available.
All variants use a common programming application.
1.2 F
EATURES
• Compact 2U size.
• Integrated Power Supply.
• Optional rack mountings for desktop or rack-mounted use.
• Easily identifiable indications for Transmit and Receive in both slots.
• Health and alarms are clear-at-a-glance, with further information available via IP
management application.
• 100% Duty Cycle at 25 W.
• IP connectivity for applications interface, configuration, monitoring, telephony and trunking
support.
• Programmable facilities connector.

SDB670 – SERVICE MANUAL TNM-M-E-0032
May 13 Page 17 PRODUCT CODES
2 PRODUCT CODES
This section specifies how the DMR equipment will be coded and labelled, and the structure of
these codes. The following information is displayed on the Type Approval Label located on the
rear panel of the base station.
2.1 O
RDER
C
ODE
The order code specifies the Transceiver’s model and features. The Order Code structure consists
of eight fields with 11 alphanumeric characters.
Field 1 Field 2 Field 3 Field 4 Field 5 Field 6 Field 7 Field 8
6 B 1 TU A1 S 0 00
The fields of the order code are broken down as shown below in Table 1.
Table 1. Order Code Information.
Field Description Range Example Explanation
1 Model 0 – Z 6 SDX600 range of products
B Base Station
K SDP660 Portable – Keypad version
M SDM600 Mobile range
2 Type 0 – Z
N SDP650 Portable – Non-keypad version
3 HW Series 0 – Z 1 Used for major changes in mechanics or hardware
builds. 0 = Prototype/Revision 1
AC 136 MHz – 174 MHz
TU 400 MHz – 480 MHz
UW 440 MHz – 520 MHz
4
00
TU
Not Applicable
Includes chassis/case, endplates, sealing
00 Prototype
01 Standard Mobile
02 Black Portable
03 Yellow Portable
04 Red Portable
05 Blue Portable
A1 AC – 25 W
A2 AC – 50 W
A3 AC – 100 W
D1 DC – 25 W
D2 DC – 50 W
5 Mechanics 00 - ZZ
D3 DC – 100 W
Used by factory Program to select/create appropriate
label.
C China
H Harris
(Note 2)
6 Market Code 0 – Z
S Simoco International
(Note 1)
7 HW Option 0 – Z 0 Specifies Option board fitted.
0 = Standard Radio – No Option Board.
8 Spare 00 – ZZ 00 Reserved for future use.
Note 1. Includes labelling suitable for Australia, Europe, USA, Canada.
Note 2. Example of support for rebranded radios.

SDB670 – SERVICE MANUAL TNM-M-E-0032
May 13 Page 18 PRODUCT CODES
2.2 F
ACTORY
C
ODE
The Factory Code number is used to uniquely identify the equipment.
This number is generated from the Order Code, Engineering Change Number (ECN)/build version,
the date of manufacture, manufacturer code, and a unique four character base 33 sequence
number.
The factory code is printed on a label that is fitted to the base station’s Control Board, MMI Board
and the chassis. The label shall also contain a 3D ‘QR’ code.
The factory code is also included on the Radio Label.
Fields 1 – 8 Field 9 Field 10 Field 11 Field 12
6B1TUA1S000 0006 1305 7 0001
The fields of the factory code are broken down as shown below in Table 2.
Table 2. Factory Code Information.
Fields Description Range Example Explanation
1-8 Order Code 6B1TUA1S000 Refer Section 2.1.
9 ECN/Build
Version 0 – Z 0006
Four digit alpha numeric ECN number.
Entered via drop-down list in factory
programmer.
10 Date of
Manufacture YYWW 1305 Year 2013, Week 5
3 ADI
5 EMMT
7 Jabil
8 Tioga
11 Manufacturer
Code 0 – Z
9 Simoco Derby
12 Serial Number 0001 – ZZZZ 0001 Sequential serial numbers. Base 33
(excludes I, O and U).
2.3 R
ADIO
L
ABEL
The Radio Label shall contain information that uniquely identifies the Transceiver, including a
unique Radio Serial Number.
2.3.1 Radio and Control Card Serial Number
The Radio and Control Card Serial Numbers are generated from the Factory Code and are created
with the following fields:
Field 1 Field 2 Field 3 Field 4 Field 5 Field 6
3 6 M TU 1305 153T
The fields of the radio serial number are broken down as shown overleaf in Table 3.

SDB670 – SERVICE MANUAL TNM-M-E-0032
May 13 Page 19 PRODUCT CODES
Table 3. Radio Serial Number Information.
Field1 Description Range Example Explanation
3 ADI
5 EMMT
7 Jabil
8 Tioga
1 Manufacturer Code 0 – Z
9 Simoco Derby
2 Model 0 – Z 6 SDX600 range of products
B Base Station
C Control Card
I MMI Board
K SDP660 Portable – Keypad version
M SDM600 Mobile range
3 Type 0 – Z
N SDP650 Portable – Non-keypad version
E0 66 MHz – 88 MHz
AC 136 MHz – 174 MHz
KM 208 MHz – 245 MHz
R3 335 MHz – 400 MHz
TU 400 MHz – 480 MHz
UW 440 MHz – 520 MHz
X8 806 MHz – 870 MHz
4 Frequency Band
00
TU
Not Applicable
5 Date of Manufacture
YYWW 1305 Year 2013, Week 5
6 Serial Number 0001 – ZZZZ 153T Sequential serial numbers. Base 33
(excludes I, O and U).
2.4 MAC
A
DDRESS
Each DMR Base is assigned a unique 12-character alphanumeric Media Access Control (MAC)
address, which is included on the Radio Label on the rear panel of the DMR Base.

SDB670 – SERVICE MANUAL TNM-M-E-0032
May 13 Page 20 SPECIFICATIONS
3 SPECIFICATIONS
The specifications of the DMR Base Station are detailed in the following paragraphs and tables.
3.1 G
ENERAL
The General specifications are contained below in Table 4.
Table 4. General Specifications.
Frequency Bands AC: 136 MHz – 174 MHz; TU: 400 MHz – 480 MHz;
UW
(Note 1)
440 MHz – 500 MHz
Power Supply 12 VDC or 110/240 VAC
Frequency Stability ± 0.5 ppm
Channel Spacing 12.5 kHz, 25 kHz.
Channel Capacity 2000
Antenna Connect Tx - 50 Ω female N-type. Rx – BNC.
Type Approval
CE Type approvals to Radio and Telecommunications Terminal
Equipment (R&TTE) Directive 1999/05/EC: EN300-086 -2: V1.3
Analogue; EN300-113-1: V1.6.1 Digital; EN301-489-5: V1.3.1
Electromagnetic Compatibility (EMC); IEC60950-1:2005 (2
nd
Edition)
+ Am 1:2009 EN60950-1:2006/A12:2011.
Dimensions 89 mm (2U) High x 482 mm Wide x 485 mm Deep (Excluding cables
and ears)
Weight 8.95 kg
Environmental:
Storage Temperature −40 °C to +80 °C (-40 °F to +176 °F)
Operating Temperature −30 °C to +55 °C (Full Spec.), (-22 °F to +131 °F)
IP Rating/Humidity IP30 ingress protection, Humidity <95% non-condensing
Note 1. For future development.
3.2 T
X
S
PECIFICATIONS
The Transmitter specifications are contained below in Table 5.
Table 5. 25 W Transmitter Specifications.
Transmit Power 0.5 W to 25 W in steps
Typical: 25 W: 7 A @ 13.6 V (20 °C)
Tx Current Consumption Max: 25 W: 10 A @ 13.6 V (fans & audio on max)
Modulation Limiting ±2.5 kHz @ 12.5 kHz, ±5.0 kHz @ 25 kHz
FM Hum and Noise >40 dB (12.5 kHz), 45 dB (25 kHz)
Conducted/ Radiated Emission
Complies with ETS086-1, ASNZS4295, TIA603-B
Adjacent Channel Power -60 dBc (ETS086-1)
Audio Response +1/-3 dB (analogue)
Audio Distortion 3% (TIA-603-B)
Digital Vocoder Type AMBE+2 half rate

SDB670 – SERVICE MANUAL TNM-M-E-0032
May 13 Page 21 SPECIFICATIONS
3.3 R
ECEIVER
The Receiver specifications are contained below in Table 6.
Table 6. Receiver Specifications.
Analogue Sensitivity -117.5 dBm (12 dB SINAD)
Digital Sensitivity -117.5 dBm (BER 1%)
Typical:
Rx Current Consumption Max:
Intermodulation 70 dB (ETS086-1)
Adjacent Channel Sensitivity 65 dB (ETS086-1)
Spurious Rejection 70 dB (ETS086-1)
Hum and Noise -40 dB (TIA603-B)
Audio Response +1/-2 dB (0.3 kHz – 2.55 kHz analogue)
Audio Distortion 3% @ 4 W Analogue Mode
Conducted Spurious Emission -57 dBm (ETS086-1)

SDB670 – SERVICE MANUAL TNM-M-E-0032
May 13 Page 22 DESCRIPTION
4 DESCRIPTION
The SDB670 DMR Base Station is a two Unit (2U) high by 19” wide rack-mountable unit containing
two SDM600 sub-assemblies, a control card, a Man-Machine Interface (MMI) card. An integrated
Power Supply Unit (PSU) is also fitted in the AC version.
The internal layout of the AC version of the DMR Base Station showing the position of the main
sub-assemblies is shown below in Figure 2.
Figure 2. Internal Layout of DMR Base Station (AC version).
The internal layout of the DC version of the DMR Base Station is shown overleaf in Figure 3.
5
2
3
1
4

SDB670 – SERVICE MANUAL TNM-M-E-0032
May 13 Page 23 DESCRIPTION
Figure 3. Internal Layout of DMR Base Station (DC version).
In Figures 2 and 3, the main sub-assemblies are numbered and refer to the following:
1. Tx Engine Assembly.
2. Rx Engine Assembly.
3. Control Board Printed Circuit Board (PCB).
4. PSU Assembly (AC version only).
5. Heat Pipe Assembly.
6. MMI PCB.
7. External Fan.
8. Internal Fan (AC version only).
9. Fuse Board (DC version only).
4.1 SDM600
S
UB
-A
SSEMBLIES
The RF performance of this product is derived from a pair of SDM600 Engine Assembly PCBs
mounted on a Heat sink sub-assembly that is designed to permit continuous operation at full
power. The sub-assembly also provides RF screening, so it is important that it is accurately
assembled and reassembled.
5
2
3
6
1

SDB670 – SERVICE MANUAL TNM-M-E-0032
May 13 Page 24 DESCRIPTION
These units are electrically identical to the SDM600 Mobile and are also fully interchangeable in
the 25 W power group. Control is provided via the 10-way RJ45 connector. Power is supplied via
the power harness connector and RF signals are coupled to the British Naval Connector (BNC)
sockets with double-screened cables.
4.2 F
RONT
P
ANEL
The SDB670 front panel is illustrated below in Figure 4.
Figure 4. SDB670 Front Panel.
4.2.1 LED Indicators
On the front of the SDB670 base station there are 12 Light Emitting Diode (LED) indicators. There
details are explained below in Table 7.
Table 7. Details of Front Panel LED Indicators.
LED Legend
Colour Description
Health
Ì
Green Indicates
Func 1 VM For Tier II this is a programmable function.
For Tier III this indicates the base is a VAC Master
Func 2 SM For Tier II this is a programmable function.
For Tier III this indicates the base is a Site Master.
Indicates base is in Analogue Mode
Rx 1 R1 Indicates signal received on Slot 1
Tx 1 T1 Indicates unit is keyed up and transmitting on Slot 1
Power Indicates the presence of electrical supply voltage.
Tx 2 T2 Red Indicates unit is keyed up and transmitting on Slot 2
Rx 2 R2 Yellow Indicates signal received on Slot 2
Indicates base is in DMR Mode
Func 3 IS Orange For Tier II this is a programmable function.
For Tier III this indicates the base is an Isolated Site.
Func 4 IB Orange For Tier II this is a programmable function.
For Tier III this indicates the base is an Isolated Base.
Alarm Red Indicates a pre-arranged alarm condition exists.
4.3 R
EAR
P
ANEL
C
ONNECTORS
The rear panel of the SDM670 DMR base station showing all the external connections for both the
AC and DC version are shown overleaf in Figures 5 and 6. The functions of each connector on
the rear panel are detailed in Table 8.

SDB670 – SERVICE MANUAL TNM-M-E-0032
May 13 Page 25 DESCRIPTION
Figure 5. Layout of Rear Panel (AC version).
Figure 6. Layout of Rear Panel (DC version).
Table 8. Rear Panel Connections.
Connector #
Conn Type
Function Description
Power I/P 13.8 V DC power input
S2 RS232 Serial Port
S1 D Type Facilities
P5 RJ45 Ethernet 10/100 base-T RJ45 Ethernet connector
P4 USB Type B
Peripheral USB peripheral interface
P3 USB Type A
Host USB interface
Battery Backup
Tx N Type Tx O/P RF Power output from the Tx
Rx 1 BNC Rx I/P Rx input for full duplex operation
4.3.1 Tx/Rx Connections
The Tx antenna connection on the DMR Base is provided with 50 Ω female N-type socket, while
for the Rx antenna connection a BNC socket is used.
The Tx antenna cable connection must be made with 50 Ω N-type on a flexible tail. The Voltage
Standing Wave Ratio (VSWR) of Tx and Rx connections should be tested prior to use by using of a
suitable test set, e.g. an Anritsu/Wiltron S331A. A good VSWR of 1.5:1 or better at the relevant Tx
and Rx frequencies should be ensured.
Mating connectors should be galvanically compatible with nickel outer and gold centre pin to
minimise passive intermodulation.
A minimum of 85 dB transmit-receive isolation should be provided by the antenna system and
associated filters.
It is recommended that a good quality flexible co-axial cable is used, e.g. with double-screening
braid and multi-strand copper inner.

SDB670 – SERVICE MANUAL TNM-M-E-0032
May 13 Page 26 DESCRIPTION
CAUTION
The Antenna System must to be protected against lightning by means of an
earthing system and surge protection device.
Do not connect Antenna Lightning conductors to the base station or Mains
Earth.
4.3.2 Power Input Connection
Depending on the variant of DMR Base (DC or AC), the power connection can be either a 2 Pin,
DC connector or a standard IEC AC mains socket.
For DC power, a 2-pin IP67 DC plug connector is used. Only two pins are wired to suit the voltage
range, see Table 9 below.
Table 9. DC Power Connector Pin-outs.
Pin
Description
1 +13.8 V
2 Ground
For AC power, a standard IEC Mains connector is used (see Figure 5 below). An appropriate
version of power cord, relevant to the area of use, is supplied with the SDB670 DMR base station
(see Section 7).
Figure 7. AC and DC power connectors.
4.3.3 Earth Point
On both the AC and DC versions, the earth stud on the rear panel is provided for protective
earthing on the equipment. This should be connected using heavy duty earthing wire, with a
capacity greater than mains feed to equipment and with as few bends as possible, typically 6 mm
Green/Yellow with 5 mm eyelet tag.
4.3.4 P4 USB Type B Connector
The Universal Serial Bus (USB) Type B connector is used as the peripheral connection to a PC.
The connector pin-outs are detailed below in Table 10.
Table 10. USB Type B Connector Pin-outs.
Pin Function
1 Vcc (+5 V)
2 Data -
3 Data +
4 Ground
Standard IEC AC Mains Connector
2-pin IP67 DC Connector

SDB670 – SERVICE MANUAL TNM-M-E-0032
May 13 Page 27 DESCRIPTION
4.3.5 P3 USB A Duel
The USB Type A connector is used as the host connection. The connector pin-outs are detailed
below in Table 11.
Table 11. USB Type A Connector Pin-outs.
Pin Function
1 Vcc (+5 V)
2 Data -
3 Data +
4 Ground
4.3.6 P5 Ethernet
The Ethernet socket is a 10/100 base-T RJ45 connection. The Ethernet socket provides a 10Base
Ethernet connection which is used for network connection.
The P5 Ethernet connector uses standard network cable wiring for an RJ45, which is detailed
below in Table 12.
Table 12. Ethernet RJ45 Connector Pin-outs.
Pin Description
1 Tx Data+, balanced I/P 1
2 Tx Data-, balanced I/P 2
3 Rx Data+, balanced O/P 1
4 NC
5 NC
6 Rx Data-, balanced O/P 2
7 NC
8 NC
4.3.7 S2 Serial Port
The serial connection is a standard DB-9 female RS-232 socket. The connector pin-outs for the 9-
way D Type S2 Serial Port are shown below in Table 13.
Table 13. S2 Serial Port Connector Pin-outs.
Pin Function
1 Connected to pin 4 and 6
2 Tx 1
3 Rx 1
4 Connected to pin 1 and 6
5 0 V
6 Connected to pin 1 and 4
7 Rx 2 (opt CTS 1)
8 Tx 2 (opt RTS 1)
9 NC
1
8

SDB670 – SERVICE MANUAL TNM-M-E-0032
May 13 Page 28 DESCRIPTION
4.3.8 Facilities Connector
The 25-way D Type facilities connector can be programmed for any combination of digital inputs
and outputs.
The connector pin-outs for the 25-way D Type Facilities Connector are shown below in Table 14.
Table 14. Facilities Connector Pin-outs
Pin Function Pin Function
1 Digital Input 14 Digital Output
2 Digital Input 15 Digital Output
3 Digital Input 16 Digital Output
4 Digital Input 17 Digital Output
5 Digital Input 18 Digital Output
6 Digital Input 19 Digital Output
7 Digital Input 20 Digital Output
8 Digital Input 21 Digital Output
9 GPS Rx + 22 GPS Rx -
10 GPS Tx + 23 GPS Tx -
11 1PPS Rx + 24 1PPS Rx -
12 Digital to Analogue Convertor (DAC)
Output 25 0 V
13 Supply Voltage
The maximum current provided by the supply voltage pin is 1 A, which is protected by a self
resetting fuse.
Digital Outputs are open collector able to sink 300 mA each; the total for all outputs must not
exceed 600 mA. See Figure 8 overleaf.
Digital inputs are active low. Digital high voltages should not exceed 20 V. See Figure 8.
GPS Rx and 1PPS Rx are Differential RS422.
The “Analogue Out” signal is between 0 V and 5 V and software controlled to indicate various
functions e.g. RSSI.

SDB670 – SERVICE MANUAL TNM-M-E-0032
May 13 Page 29 DESCRIPTION
Figure 8. Digital Inputs and Outputs.
4.3.9 Battery Backup
The Battery Backup facility uses a two-pin Mate-N-Lok connector.
When the unit is used with a backup battery the following conditions must be met:
1. The Battery must be of a 12 V lead acid type.
2. The capacity of the battery should not exceed 12 Ah.
3. The cable used to connect the Battery to the unit must be capable of carrying 10 A and fused
near the battery @ 10A.
3V3 D5
D6
D7
D8
D9
D10
D11
D12
BAT54
BAT54
BAT54
BAT54
BAT54
BAT54
BAT54
BAT54
I/P1
I/P2
I/P3
I/P4
I/P5
I/P6
I/P7
I/P8
O/P1
O/P2
O/P3
O/P4
O/P5
O/P6
O/P7
O/P8
Darlington
Driver
1
2
3
4
5
6
7
8
9 10
11
12
13
14
15
16
17
18
IN1
IN2
IN3
IN4
IN5
IN6
IN7
IN8
OUT1
OUT8
OUT7
OUT6
OUT5
OUT4
OUT3
OUT2
GND COM D
D13
L23
BLM18A
L32
BLM18A
L31
BLM18A
L29
BLM18A
L28
BLM18A
L26
BLM18A
L25
BLM18A
L24
BLM18A
L9
BLM18A
L22
BLM18A
L20
BLM18A
L19
BLM18A
L17
BLM18A
L15
BLM18A
L13
BLM18A
L11
BLM18A
U17
ULN2803A
R111
R112
R113
R114
R115
R116
R117
R118
BZX384-C43
4K7
1n
1n
1n
1n
1n
1n
1n
1n
1n
1n
1n
1n
1n
1n
1n
1n

SDB670 – SERVICE MANUAL TNM-M-E-0032
May 13 Page 30 TECHNICAL DESCRIPTION
5 TECHNICAL DESCRIPTION
5.1 MMI
B
OARD
5.1.1 Description
The purpose of the MMI Board is to provide the Man-Machine Interface between the Control Board
and the user.
A I2C interface from the control board controls a General Purpose Input Output (GPIO) device.
The GPIO device controls 12 LEDs for user diagnostics.
5.2 C
ONTROL
B
OARD
5.2.1 Circuit Board Layout
The layout of the Control Board PCB is shown in Figure 9.
Figure 9. Control Board Layout.

SDB670 – SERVICE MANUAL TNM-M-E-0032
May 13 Page 31 TECHNICAL DESCRIPTION
5.2.2 Circuit Description
A detailed block diagram of the Control Board is provided in Appendix A.
5.2.2.1 Power
The control board requires a 12 V nominal supply. A switch mode power supply IC is used to
generate the 5 V supply used by the Power Management Multi-Channel Integrated Circuit (PMIC)
to supply the power rails of the processor. Linear regulators are provided to reduce the 5 V rail
down to provide supply voltages to the Digital Signals Processor (DSP) Co-Processor, Ethernet
and USB devices.
5.2.2.2 Main Processor
The main processor is a Texas Instruments OMAP DM3725; this is a dual core device containing
an ARM Cortex A8 and a C64+ DSP. The Open Multimedia Applications Platform (OMAP) is a
package-on-package device where the device providing the flash and Synchronous Dynamic
Random Access Memory (SDRAM) is soldered directly to the top of the processor.
5.2.2.3 DSP Co-processor
The DSP Co-processor is a Texas Instruments TMS320C5509, which provides the additional DSP
processing power.
5.2.2.4 Ethernet Interface
A LAN9514 USB Ethernet Hub device provides an Ethernet interface to the OMAP processor. This
device is interfaced to an RJ45 socket with built in magnetics.
5.2.2.5 Radio Interface
The control card supports the connection of three SDM radio modules, one as a transmitter and
two as receivers. These are connected to the OMAP processor via a Low Voltage Differential
Signal (LVDS) interface presented on 10 Way RJ45 connectors.
5.2.2.6 USB A
A USB Ethernet Hub device provides four USB A connections two of which are presented
externally.
5.2.2.7 USB B
The PMIC device provides a USB B type interface for connection to a PC.
5.2.2.8 Digital I/O
Digital I/O is provided by the OMAP processor to provide digital I/O to the Facilities Connector as
well as internal control.
5.2.2.9 Fan Control
The OMAP processor performs fan control via a Maxim Fan Controller IC. The speed of the Fan is
dependent on the temperature reported by the Tx Radio engine. The fan generates a tachometer
output that allows the software to detect a fan failure or potential failure by monitoring fan speed.
5.2.2.10 Analogue Outputs
Two analogue outputs are provided by a dual-channel DAC (AD5322). One provides control of the
Voltage Controlled Temperature Compensated Crystal Oscillator (VCTCXO) and the other
provides an analogue output to the Facilities Connector, for example the Received Signal Strength
Indicator (RSSI) level.

SDB670 – SERVICE MANUAL TNM-M-E-0032
May 13 Page 32 TECHNICAL DESCRIPTION
5.2.2.11 Analogue Inputs
The PMIC provides multiple analogue inputs which are currently used to provide voltage
monitoring of the unregulated supply.
5.2.2.12 GPS Input
The facilities connector provides an RS422 serial connection with a primary purpose of connecting
a GPS receiver to provide an accurate time stamp. An RS422 input is also provided for connection
of the 1PPS output from a GPS Rx to provide a very accurate reference clock to tune the internal
oscillator.
5.2.2.13 External Power
The control card provides the supply voltage at up to 1 A on the facilities connector.
5.2.2.14 RS232 Serial Interface (DB9)
The rear of the control card contains a standard 9-way serial connection in order that a straight
through cable may be used to provide debug and control data.
5.2.2.15 Expansion Header
An expansion header provides the necessary signals to support a multitude of future expansion
boards.
5.3 T
RANSMITTER AND
R
ECEIVER
M
ODULES
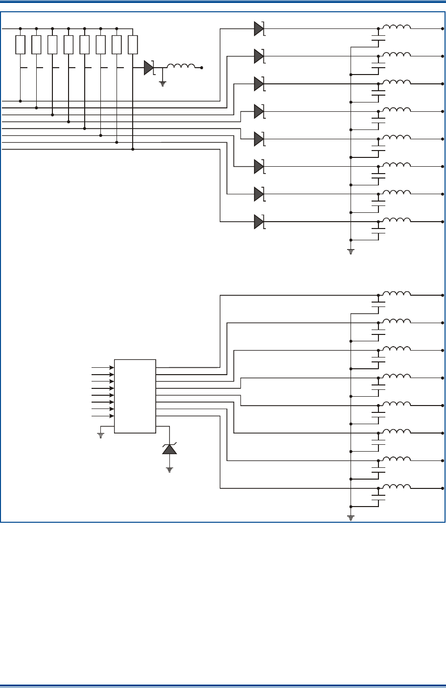
5.3.1 Control
Refer to Figure 10 (page 42) and Figures 2 and 3 in TNM-S-E-0005, SDM600 Series – Issue 4
Circuit Diagrams [2].
5.3.1.1 DSP and FPGA
The SDM600 transceiver operates under the control of a DSP (U203) and Field Programmable
Gate Array (FPGA) (U300) combination that, together with a number of other dedicated devices,
perform all the operational and processing functions required by the radio, the software for which is
contained in flash memory. The FPGA contains an internal embedded processor core and
provides the majority of radio functionality, including demodulation, while the DSP provides most of
the complex filter and timing functions, a 57.6 MHz clock to the FPGA and ADC conversion. Both
the DSP and FPGA have internal Random Access Memory (RAM) for rapid code execution. In
addition, the FPGA utilizes external RAM contained in Cellular RAM U304 for increased capacity.
The FPGA in conjunction with the DSP provides the following functions:
• Channel set-up of all operating frequencies.
• Modulation processing and filtering.
• De-modulation processing and filtering.
• Tx power output.
• Modulation equalisation adjustment.
• Rx front-end tuning.
• Serial communications with Alignment Tool and options including LVDS for microphone and
control head.
• Modem functionality for data modulation.
• All DMR/CTCSS/DCS generation and decoding.

SDB670 – SERVICE MANUAL TNM-M-E-0032
May 13 Page 33 TECHNICAL DESCRIPTION
• DSP clock dither.
• Rx muting control.
• RSSI/Automatic Gain Control (AGC) control.
• Tx/Rx switching and Press (Push) To Talk (PTT) control.
• Synthesiser Fast-Lock control.
• Phase Locked Loop (PLL) lock detect.
• Rx/Tx Audio switching.
• Power On/Off control.
• Interface functionality with Option Boards and External Devices.
• Battery voltage, reset and Tx current monitor.
• LED status indicators.
• Software upload from Flash.
• Update Flash variables.
• RAM read/write.
• Software security.
5.3.1.2 DSP Clock Oscillator
SYN-FCLK1 is routed to DSP U203-F2 via Clock Amplifier Q201 and Clock Spread-Spectrum
circuit comprising D205 and associated components. The Clock Spread-Spectrum circuit is
incorporated to reduce the coherent 21.4 MHz frequency component by utilizing a spread spectrum
technique. This is achieved by driving varactor diode D205 with a noise source derived from an
FPGA Pulse Width Modulated (PWM) noise signal. This phase modulates the 21.6 MHz signal
with noise so that it covers a wider spectrum, thereby reducing its narrow band power level. The
output of the Spread-Spectrum circuit is amplified and squared up by Inverter U208 prior to
clocking the DSP.
5.3.1.3 Analogue Inputs and Outputs
The FPGA must supply several analogue signals to control the radio including radio tuning and
control. It does this with a separate PWM output for each function.
For example, the front-end tune signals (RX-TUNE1 to RX-TUNE4) originate from the FPGA in the
form of PWM signals, which are then integrated to provide variable low noise DC voltages. The
values for these outputs are stored in flash memory from radio alignment or hard coded into radio
software. They are selected depending on the channel that the radio is currently tuned to.
Other analogue PWM derived signals used include Tx power (PA-TXPWR), current limit (PA-ICAL)
Rx AGC voltage (RX-AGC), AFC (SYN-AFC1), VCO ALC (SYN-ALCSET), varactor bias (SYN-
VARSET), ADC dither (RX-DITHER+/-) and clock spread spectrum (CLK-SS).
Four Analogue to Digital Converters (ADCs) in the DSP, two of which are multiplexed by an
Analogue MUX U205, monitor analogue inputs. This provides a total of ten analogue inputs that
can be monitored, the main ones being PA-ISENSE, PA-TEMPSENSE, PA-TXMON, BAT-SENSE,
VCO-BIAS, LOOP-VOLTS, EXT-SENSE.
5.3.1.4 Flash Memory
Flash Memory U204 contains 64 Megabits of storage. It contains all the radio operating software,
alignment database, customer configuration and necessary status variables. When power is off, all
program software and data are retained in Flash Memory. At power-on, a boot program

SDB670 – SERVICE MANUAL TNM-M-E-0032
May 13 Page 34 TECHNICAL DESCRIPTION
downloads the DSP and FPGA software from Flash Memory to their internal RAMs for faster
program execution and access to data. All software, except for the customer configuration, is
loaded by the factory into the Flash Memory and can be updated via the SDM600/SDP600 Code
Loader connected to external interface connector S3. DSP software comprises Boot code and
Application code, while FPGA code comprises FPGA code and MCP code. High-level software
comprising Operational Code and Customer Configuration is loaded at distribution centres and is
loaded via the SDM600/SDP600 Field Personality Programmer (FPP).
5.3.2 Receiver
Refer to Figure 10 (page 42) and Figures 7 and 11 in TNM-S-E-0005, SDM600 Series – Issue 4
Circuit Diagrams [2].
5.3.2.1 Front End Filters and RF Amplifier
The Rx input signal from the antenna passes through the harmonic filter and antenna switch. With
the mobile in receive mode, diodes D500, D5502 and D503 in the antenna switch are reverse
biased allowing the Rx input signal to be coupled through to the Rx front-end with minimal loss.
The overall insertion loss of the harmonic filter and switch is approximately 0.8 dB.
A noise blanker is also fitted to E0 band radios. The noise blanker samples the received signal
and gates the 45 MHz signal in the Intermediate Frequency (IF) stage in the event that high level
noise transients are received. Due to inherent time delays in the bandpass filters prior to the
blanking gate, gating synchronisation occurs before the transients can adversely affect the
following stages.
Varactor-tuned bandpass filters at the input and output of the RF amplifier provide Rx front-end
selectivity. Varactor tuning voltages are derived from the alignment data stored in the radio. The
DSP processes this data to optimise front end tuning relative to the programmed channel
frequencies, which may be changed at any time without re-aligning the radio.
To achieve the required varactor tuning range, an arrangement of positive and negative bias power
supplies is used to provide a total bias across the varactors of up to 14.0 VDC. A fixed 1.6 V
positive bias derived from the 3.2 V supply and voltage divider R438/R439 is applied to the
cathodes of the varactor diodes. The negative bias supplies are derived from –12 V and controlled
by the FPGA, which outputs PWM for the four front-end tuning voltages RX-TUNE1 to 4, for the
particular channel frequency selected. The PWM signal is dependent on channel frequency and
tuning and passes through level shifting transistors Q403 to Q410 where it is converted to a
negative voltage in the range –0.5 V to –11.5 V. The –12 V rail of the level translators is generated
by U908A/B/F with D912 to D915 providing the required voltage multiplication.
The RF amplifier stage comprises a low noise transistor amplifier Q402, which is compensated to
maintain good linearity and low noise matching, and Q400/Q401 provide it with a constant current
source. This provides excellent intermodulation and blocking performance across the full operating
range. The overall gain of the front-end is typically 14 dB for all bands. D412 provides protection
for Q402 from high level signals.
5.3.2.2 Mixer and IF Section
The output of the last front-end bandpass filter is coupled into a double balanced mixer comprising
T471/D470/T472, which converts the RF signal to an IF frequency of 45 MHz. The local oscillator
injection level from the Voltage Controlled Oscillator (VCO) is typically +7 dBm at TP414 with low
side injection used for UHF bands and high side for frequency bands less than 400 MHz.
Following the mixer is crystal filter Z400, its matching networks and IF amplifier Q419. The IF
amplifier provides approximately 20 dB of gain, and drives an AGC circuit comprising D413/D414.
The purpose of the AGC circuit is to linearise the Rx gain across the band as well as limiting very
high level signals that could reduce the Rx performance. The AGC is set via RX-AGC during radio
alignment and is controlled via a PWM output from the FPGA. The gain of Q419 can also be

SDB670 – SERVICE MANUAL TNM-M-E-0032
May 13 Page 35 TECHNICAL DESCRIPTION
reduced by approximately 20 dB in a single step when D415/D416 are turned on by the FPGA via
RX-GAIN.
The output of the AGC circuit contains a matching network for the following crystal filter Z401,
which in turn is matched to a dual current amplifier U402. The crystal filters provide part of the
required selectivity for rejection of close in unwanted signals.
The current amplifier provides an unbalanced to balanced conversion as well as providing a low
source impedance suitable for driving the following DAC U401. The filter comprising L485a/L486a
and associated components provides correct matching to the IF ADC.
5.3.2.3 IF Analogue to Digital Convertor
The 45 MHz balanced output from the IF stages is fed to U401 pins 1 and 2 where it is directly
clocked in via a 21.6 MHz clock at pin 9. This converts the 45 MHz analogue signal to 12 bit digital
outputs ADC-0 to ADC-D11. In addition, dither inputs are also provided in parallel with the IF input
via shaping filter L490/L491 and associated components. The dither inputs are derived from the
FPGA as 48 kHz triangular waveforms at a level such that improved resolution of the least
significant ADC bit can be obtained, effectively resulting in a reduction of at least 40 dB to the
measured noise floor, thereby enabling the measurement of a much lower level of IF signal.
Suitable high frequency roll-off is provided on all the digital outputs to minimize noise. In addition,
a 1.5 V reference voltage is derived from U401-31 which is used for biasing its analogue inputs
and also to provide low impedance current limited source voltages 1V5-S and 1V5-REF via U400.
The 12 bit digital outputs running at a 21.6 MHz sample rate are fed to the FPGA U300 where they
are processed to form I/Q quadrature signals running at a 96 kHz sample rate. This is then fed
through a series of digital filters to provide the final stage of adjacent channel filtering, after which it
is fed to the DSP U203 via the EMIF bus.
5.3.3 Transmitter
Refer to Figure 10 (page 42) and Figures 8 and 12 in TNM-S-E-0005, SDM600 Series – Issue 4
Circuit Diagrams [2].
5.3.3.1 Drivers and PA Stages
The VCO provides approximately 7 dBm output that is switched to the Tx Buffers via T/R switch
comprising D700 and D701. Tx buffers Q501 and Q502 increase the VCO level to provide
approximately 17 dBm of drive power to the Tx driver Q500. The Tx driver stage then typically
provides 16 dBm of drive to the PA module. Inter-stage attenuator networks are provided between
all amplifier stages to provide a high degree of isolation of the VCO from the Tx output.
PA module U505 utilises three Metal Oxide Semiconductor Field Effect Transistor (MOSFET)
stages (UHF) and two MOSFET stages (VHF) to achieve the required RF output power up to a
level of +44 dBm (25 Watts).
The gain of the PA module is controlled by the power control loop to ensure that Tx output power
remains within defined limits over supply voltage and temperature extremes.
Note.
Care should be taken during servicing for low output power. If the drive power is lost,
the power control voltage will go high, which may cause the current or power into the
PA to exceed its specification. Therefore, the power supply current should be
monitored at all times and preset to as low as required. The radio has additional
inbuilt safeguards, but these should not be relied on.

SDB670 – SERVICE MANUAL TNM-M-E-0032
May 13 Page 36 TECHNICAL DESCRIPTION
5.3.3.2 Power Control
Output power is stabilised by a power control feedback loop. A printed circuit transmission line,
L521, R557, C557, D506 and associated components comprise the power detector. Comparator
U502A and associated components provide the power setting and control functions. Forward and
reverse power is sampled by the power detector and applied as a DC voltage to the inverting input
of the comparator.
Power output settings are derived from alignment data stored in flash memory during the initial
factory alignment. The DSP processes this data to extrapolate the power output level relative to
any programmed channel frequency. The PA-TXPWR voltage is read from the flash and outputted
from the FPGA as a PWM signal. This is integrated by a low pass filter comprising R81k and
C43k. Further low pass filtering is provided through the buffer stage U502B. The Tx power set
voltage at U502B-7 is a DC voltage proportional to the programmed Tx power setting and is
applied to the non-inverting input of the comparator U502A.
The resulting output from U502A is a voltage that corrects for output power variations and also set
to the required programmed level. This is applied to the power module U505-2 and controls the
internal gate bias level on each stage.
PA module output level changes due to supply voltage, load or temperature variations, are
detected and applied to the comparator. This proportionally adjusts the PA module bias supply to
compensate for these variations.
High temperature protection is provided by thermistor R590, which progressively reduces the
power level if the PA module temperature becomes excessive.
PA current is monitored via comparator U500A, which checks the voltage drop across
L500/L501/L502 and compares this to its pre-programmed alignment setting PA-ICAL. If this is
exceeded, PA-ISENSE will increase, thereby causing the Tx output power to be proportionally
reduced via the PA-TXPWR voltage until the current is below the aligned setting.
Note.
Care should be taken during servicing for low output power. If the drive power is lost,
the power control voltage will go high, thereby possibly causing the current or DC
power into the PA to exceed its specification. Therefore, the power supply current
should be monitored at all times and preset to as low as required. The radio has
additional inbuilt safeguards, but these should not be relied on.
5.3.3.3 Antenna Switch and Harmonic Filter
The antenna switch circuit consisting of pin diodes D500/D502/D503, is controlled by
Q504/Q508/Q509 and associated circuitry via PA-ON1. This allows the Tx output to be coupled to
the antenna while providing isolation for the Rx input and vice versa. PA-ON1 goes high with the
Tx switched on, so that all diodes are forward biased allowing power to be coupled through to the
antenna and isolating the Rx by RF grounding its input at C542. The short circuit at the Rx input is
transformed to an effective open circuit at D500 by L528, which minimises Tx loading. With the Tx
switched off, PA-ON1 goes low so that the diodes are reverse biased allowing the Rx input signal
to reach the Rx front end with minimal loss. The harmonic rejection low pass filter comprises
L513/L514/L515 and associated capacitors and this is designed to give maximum rejection at
approximately twice the maximum carrier frequency. The sharp cut-off characteristic is aided by
resonant notch capacitors C576, C577 and C580.
5.3.3.4 Temperature Sensor
A temperature sensor U503 has been provided to accurately measure the internal PCB
temperature in the vicinity of the Tx PA module. This temperature is automatically read by the

SDB670 – SERVICE MANUAL TNM-M-E-0032
May 13 Page 37 TECHNICAL DESCRIPTION
Alignment Tool to measure the actual operating temperature and can also be used for advanced
control functions.
5.3.4 Frequency Synthesiser
5.3.4.1 General
Refer to Figure 10 (page 42) and Figures 9, 10, 13 and 14 in TNM-S-E-0005, SDM600 Series –
Issue 4 Circuit Diagrams [2].
The frequency synthesiser consists of one VCO each for the Tx and Rx, loop filter, varactor
negative bias generator, reference oscillator, a dual PLL U701, VCO buffers and PLL feedback
buffer.
5.3.4.2 Fractional PLL
The Fractional PLL device contains two prescalers, programmable dividers and phase
comparators to provide a main and auxiliary PLL. The main PLL of U701 controls the frequency of
the Tx/Rx VCOs via Charge Pump output CPRF at pin 1 via the Loop Filter. This voltage is set to
a nominal 1.6 V that provides a suitable operating point for the VCO varactor diodes. This voltage
will be maintained for any frequency but may vary slightly with temperature. VCO feedback to
pin 4 is provided via Feedback Buffer Q710 and associated circuitry. The auxiliary PLL is not used
in this application. The PLL operation involves the division of the 95.04 MHz reference frequency
to a preset comparator frequency of 1760 kHz (Rfr1=54) or 1728 kHz (Rfr2=55) by internal
dividers. The VCO frequency is sampled and divided down to the same comparison frequency
after which it is phase compared to the comparator reference. The fractional feature of this PLL
enables very fine increments of the channel frequency such that any customer requirement can be
fulfilled. Any error produces an offset to the Charge Pump output voltage, which is then used to
correct the VCO frequency. A valid lock detect output is derived from PLL pin 12 and is sampled
by the FPGA. During transmit, if an unlocked signal is detected, the radio will switch back to
receive mode. An unlocked signal in receive mode will cause the radio to beep. The Feedback
Buffer circuit is provided in the feedback path to provide VCO isolation and correct input level to
the PLL.
5.3.4.3 Negative Bias Generator and Loop Filter
A negative varactor bias supply similar to the front-end varactor arrangement has been used to
achieve the required broadband tuning range of the VCOs. This voltage is filtered by R706 and
C717 to provide a very clean output to the VCOs and it can vary between –0.5 V and –16 V. It is
controlled by SYN-VARSET and is derived from another PWM output from the FPGA. This voltage
is translated to a negative voltage by the circuit comprising Q701 to Q704. The resulting low noise
voltage VAR-BIAS is applied to the anode side of the VCO varactor tuning diodes as a negative
bias voltage. The –16 V rail of this supply is generated by U908A/B/F with D912 to D915 providing
the voltage multiplication needed to achieve –16 V.
The Loop Filter, comprising R719, R719b, R721, C722 to C725a, C731d and C732, is placed in
series with CPP-RF and U701-1 and connected to VAR-BIAS as its reference. The purpose of the
Loop Filter is to remove Charge Pump reference components and other PLL generated noise.
However, this requirement conflicts with the extremely fast switching times required for DMR
operation. As a result, a quad analogue gate U700 has been added. This switches in fast time
constant values across the Loop Filter components to rapidly stabilise the CPP-RF output prior to
transmission or reception. Timing for these gates is controlled by the FPGA via SYN-FAST1 and
SYN-FAST2.
5.3.4.4 Reference Oscillator
Temperature Controlled Crystal Oscillator (TCXO) U702 determines the overall frequency stability
and frequency setting of the radio. The frequency setting is achieved by adjusting its ADJ voltage
SYN-AFC1 with the Alignment Tool. In addition, the ADJ input can be used in a frequency control
loop with the demodulated I and Q signals to provide Rx Automatic Frequency Control (AFC).

SDB670 – SERVICE MANUAL TNM-M-E-0032
May 13 Page 38 TECHNICAL DESCRIPTION
U702 operates at 21.6 MHz and is specified at ±0.5 ppm frequency stability over the temperature
range –30 °C to +85 °C. Its output drives Clock Synthesiser U720 to provide two digital 21.6 MHz
outputs and a 95.04 MHz output. The 95.04 MHz output is used as the reference frequency for the
PLL as described above. The 21.6 MHz output SYN-ACLK is used as the clock for the Rx ADC
U401 and the other 21.6 MHz output SYN-DCLK1 goes via Schmitt Trigger U307 to provide SYN-
FCLK1 to clock the FPGA and also the DSP.
5.3.4.5 VCO’s
The Tx and Rx VCO’s use low noise transistors Q602 (Rx), Q604 (Tx) and associated parts to
generate the signals for the required band coverage. Electronic tuning is provided by varactor
diodes D604 to D615 where fitted with their control voltage CPP-RF derived from the Loop Filter
and PLL. A Negative Bias Generator is used to apply an adjustable negative bias to the varactor
anodes to extend their tuning range. VCO switching and timing is controlled by the DSP/FPGA via
the 5V-RX and 5V-TX power supplies and applied through switches Q607 (Rx) and Q608 (Tx).
VCO buffer Q605/Q606 isolates the VCO from load variations in following circuits and active power
supply filter Q600 minimises supply related noise. A PLL feedback signal is sampled from the
VCO buffer output via buffer Q710. The output from the VCO Buffers is passed through Tx/Rx
switch D700/D701, which switches it between either to the Mixer input or Tx Buffer. This switch is
controlled by the 5V-RX supply.
In addition, each VCO includes an RF negative feedback network (ALC) to set their operation
levels for optimum noise reduction. This is achieved via diodes D616 to D619 that rectify the RF
signal. This is filtered and applied to input pins on op-amp U600, which provides amplified
correction voltages to the base bias of Q602 and Q604. This circuit also contains a means of
presetting and monitoring of the operating current via VCO-BIAS and SYN-ALCSET. The SYN-
ALCSET value is factory preset and stored in Flash.
5.3.5 Audio Processing
Refer to Figure 10 (page 42) and Figure 5 in TNM-S-E-0005, SDM600 Series – Issue 4 Circuit
Diagrams [2].
5.3.5.1 Receiver Audio
The baseband quadrature signal sent to the DSP U203 is converted into a single digital data input
CD-DIN to the Coder-Decoder (CODEC) U803, which in turn converts it into an analogue signal
after further processing.
All Rx audio processing and filtering functions are performed by the CODEC under the control of
the DSP. These include de-emphasis, mute noise processing, mute control and volume control for
narrow and wideband operation. A CODEC DAC then converts the fully processed signal to an
analogue audio signal. Independent processing can be achieved on four separate outputs C-
OUT1, C-OUT2, C-OUT3 and C-OUT4, which enables great flexibility to suit customer
requirements. C-OUT3 normally provides volume controlled, de-emphasised audio to the audio
PA U808 via differential amplifier U804A. With a normal radio FPP configuration, the maximum
sinusoidal output is limited to 4 V
RMS
across the 4 Ω speaker. However, when more power is
required, it is possible to achieve up to 16 W into a suitable 4 Ω speaker.
In addition to the CODEC mute control, the audio PA is also muted on and off via inverter Q800
and CD-SPKRON derived from the FPGA. The other CODEC outputs C-OUT2, C-OUT3 and C-
OUT4 can provide any combination of audio characteristics including muted, unmuted, de-
emphasised, flat and volume dependency.
All CODEC outputs are fed to analogue gate U806 via differential amplifiers U804 and U805. This
enables switching flexibility to the radio connectors S1-4 (LINE-OUT1), S3-1 (LINE-OUT3) and S5-
18 (LINE-OUT2).

SDB670 – SERVICE MANUAL TNM-M-E-0032
May 13 Page 39 TECHNICAL DESCRIPTION
U805A and U805B are set up as differential constant current amplifiers with 600 Ω source
impedances. U804A and U804B are differential voltage amplifiers with LINE-OUT source
impedances of approximately 600 Ω and 40 Ω respectively.
An optional CODEC U800 can be provided to provide more complex functionality but is normally
not fitted.
5.3.5.2 Transmitter Audio
The microphone audio input signal is applied to the microphone input at S1-8 and is derived from
an external microphone unit with an applied nominal level of 40 mV
RMS
. This is then routed to
CODEC U803-35 as MIC-AUDIO where it is limited to approximately 800 mV
p-p
by D801.
Microphone bias, if required, is derived from U803-36, which can apply a pre-programmed bias
voltage to the microphone.
Alternate modulation inputs from connectors S3-4 (LINE-IN2), S5-19 (LINE-IN4), S5-14 (LINE-IN5)
can also be provided.
CODEC U803 provides input switching of the audio paths after which they are fed to one of two
CODEC ADCs. The output of these is routed to the DSP via CD-OUT. All pre-emphasis, filtering,
compression and limiting processes for narrow and wideband operation are carried out in the DSP.
This processed Tx audio/data is then fed to a Modulation Equaliser that takes equalisation values
stored in flash after radio alignment. It applies these values to the Tx data and then directly
programs these into PLL U701 via its SYN-PLL-DATA/CLK/STB bus as new frequency data values
resulting in frequency modulation of the VCO. The purpose of the Modulation Equaliser is to
correct for frequency response variations caused by the VCO loop filter resulting in a flat frequency
response from 0 Hz up to the maximum modulation frequency.
5.3.6 Power Supplies
Refer to Figure 10 (page 42) and Figures 4 and 6 in TNM-S-E-0005, SDM600 Series – Issue 4
Circuit Diagrams [2].
5.3.6.1 Power On/Off Function
The radio ON/OFF function can be achieved in two ways as follows:
(a). Analogue control via Q902, Q922 and Q901. In this case a momentary low voltage pulse
from the control unit or microphone handset PWR ON button briefly turns on
Q902/Q922/Q901. In this time, the radio powers up and the DSP samples the PWR_DET
line after Boot Code has loaded. If this is high, it writes this status to flash, sets PWR-INH
low and gets the FPGA to set its PWR-OFF line high. This latches the radio on and the radio
remains powered up. If the DSP sees that the PWR-DET is low, it will check the ON/OFF
status in flash. If this corresponds to OFF, the DSP will power down the radio by setting
PWR-INH high. If the ON/OFF flash status corresponds to ON, the DSP sets PWR-INH low.
The FPGA will also read the ON/OFF flash status and will set its PWR-OFF line high so that
the radio will remain on.
The Power-off operation requires the ON/OFF button to be pressed for more than 2 seconds.
If the ON/OFF button is sensed going low for approximately two seconds by the DSP via the
PWR_DET line, the DSP will save radio settings to flash including the OFF status. It will then
set the PWR-INH line high, thereby turning Q901 and hence the radio off.
(b). Digital control via an external device. This is necessary when multiple devices are
connected. It enables the radio to determine which devices are connected and which one
has master control. When the ON/OFF button is pressed on any device, the radio will turn
everything on as described above and a microprocessor in any external device will note this
and send and serial ID message to the radio. After everything has been turned on, pressing
the ON/OFF button on the master will send a serial command to the radio to turn everything

SDB670 – SERVICE MANUAL TNM-M-E-0032
May 13 Page 40 TECHNICAL DESCRIPTION
off by setting PWR-INH high. The radio also has the ability to power off all external devices
whilst remaining on via an FPGA software command at ACCESS-EN.
5.3.6.2 Radio Power Supplies
The unregulated 13.8 V DC input (BAT-UNSW) is routed directly to all high current devices and
also to the Main Power Switch Q901 provide BAT_SW supply for all other circuits. BAT-UNSW is
used to power the Tx PA U505, the Audio PA U808 and Ripple Filter Q1 and associated parts.
The output from Q901 feeds two dual switch-mode regulators U905A/B and U906A/B, which
provide 5.0 V, 8.0 V, 3.2 V and 1.2 V outputs respectively at high efficiency. Various protection
circuits have been included as follows:
• F1 and F905 are resettable fuses protecting against excess current to accessories and radio.
• U902 and U903 protect digital circuits from over-voltage transients.
• D24 and U10 in conjunction with associated parts protect radio circuits from external
transients applied to the radio.
• D1, D2, D3, D4, D5, D6, D8, D22, D23, D29 and D30 protect analogue circuits from over-
voltage transients.
The following is a list of the radio power supplies and the main devices and circuits they supply.
8 V Regulator U905B
Regulated 8VVCO supply:
• Tx and Rx VCO’s via active filter Q600.
5 V Regulator U905A
Regulated 5VS supply:
• 5V-RX analogue supply via Q915 to Rx front-end, IF Amplifier, T/R switch, Loop Filter.
• 5V-TX analogue supply via Q918 to Tx buffers, VCO switch.
• 5V-RF analogue supply to U400, U500, U502, U700, VCO buffers, VCO Varactor Reference
Supply, TCXO.
• 5VD digital supply via L915 to U11, U12, Q800.
• 5VA analogue supply via L915 and L919 to audio circuits including U804, U805, U806.
• 3V2A low noise regulated supply via U910 to U401, U503, U701, U719, U803 via L801, RX-
TUNE controls and varactor bias.
• Various switching functions.
3.2 V Regulator U906A
Regulated 3.2 V supply (3V2S):
• 3V2AD reference supply via L931A to ADC U401.
• 3V2D digital supply via L931 to U201, U202, U203, U204, U205, U208, U300, U302, U307.
• 1V8 digital supply via regulator U911 to CODEC U803, Cellular RAM U304 and FPGA
U300D.
• 2V5D digital supply via regulator U909 and L929 to FPGA U300C.

SDB670 – SERVICE MANUAL TNM-M-E-0032
May 13 Page 41 TECHNICAL DESCRIPTION
• 2V5A analogue supply via regulator U909 and L929a to U804, U805 as a reference supply.
1.2 V Regulator U906B
Regulated 1.2V supply (1V2S):
• 1V2D digital supply via L928/L928a to DSP core U203.
• 1V2 digital supply via L928b/L928c to FPGA core U300C and ADC U401.
3V0 Regulator U310
• 3 V supply (3V0) reference for external interface transient protection.
• –12 V supply (–12V) for front-end varactor tuning.
–12/-16 V Power Supply U908A/B/F
• –16 V supply (–16V) for VCO varactor tuning reference.
• –12 V supply (–12V) for front-end varactor tuning.
Unregulated 13.8 V (BAT-UNSW)
• Supplies BAT-UNSW to Tx PA module U505.
• Supplies BAT-UNSW to Antenna changeover switch Q504/Q508/Q509.
• Supplies BAT-UNSW to Ripple Filter via R37.
• Supplies BAT-UNSWF to Rx audio PA U808 via L3, L3A, F900.
Unregulated 12 V (BAT-SWF)
Supplies BAT-SWF to external accessories via ripple filter Q901. The ripple filter is designed to
isolate external accessories from the effects of vehicle-induced ripple on the battery supply.

SDB670 – SERVICE MANUAL TNM-M-E-0032
May 13 Page 42 TECHNICAL DESCRIPTION
Figure 10. Tx and Rx Modules – VHF/UHF Block Diagram.
VCO BUFFER
CRYS TAL
FILTER
45MHz RX -LNA
TUNED
FILTER
30W PA
HARMONIC
FILTER
DRIV ERBUFFE R
BP FILTER
PLL
MIXER
TX/RX SW ITCH
FB BUFFER
IF AGC AMP
TRANSMITTER
RECEIVER SECTION
DUAL VCO'S & BUFFERS
SYNTHESISER
7dBm
AUDIO PROCESSING
AUDIO POW E R
AMPLIFIE R
DSP
SPI
FLASH
PROCESSOR
RECE IVE R FRONT END
TX VCO
ANTE NNA SW ITCH
POWE R
CONTROL
COMPARATOR
VARACTOR
BIAS SUPPLY
ADAP TIV E LOOP FILTER
ANALOG OUTPUTS
14 CH D/A
CONV E RTER
ANALOG INPUTS
DIGITAL OUTPUTSDIGITAL INPUTS
ADC DRIVE R
TX VCO
ALC
D/COUPLER
DETE CTOR
CONTROLLER
FPGA
RAM
SECURITY
TUNED
FILTER
DIFFE RE NTIAL
FILTER
TEMPE RATURE
CONTROL
CD-DIN
21.6MHz
REFERE NCE VCTCX O
M1
CD-DOUT
CODE C
SYN-ALCS ET
TEMP SENS OR
LM94022BIMG
TX-MOD
CLIP PER
SYN-AFC
MIC-AUDIO
CLOCK S YNTHESIZER
ADC
PA-TX MON
PA-TEMPSENSE
VCO-BIAS
LOOP-VOLTS
CD-DIN
CD-DOUT
CD-MCLK
CD-DATA
AlN-
AlN+
PLL-DATA
PA-ON2
SYN-AFC
SYN-ALCSET
SYN-VARSE T
TUNE1
TUNE2
TUNE3
TUNE4
RX-AGC
PA-TX PW R
SYN-LOCK
IGN-SENS E
PW R-SENSE
SPKR-MUTE
SPKR-
SPKR+
TX-MOD
SYN-LOCK
PLL-DATA
SYN-VARSET
CPP-IN
FIN-RF
VCO-RFOUT
VCO-BIAS
CPP-OUT
5V-TX
RX-LO
TUNE_1
TUNE_2
TUNE_4
TUNE_3
PA-TXPWR
PA-ON1
PA-TEMPSENSE
RX_IN
RX-AGC
ADC_CLOCK
RECEIVE D DATA
CLOCK-DATA
DCLK
DCLK
SYN-RE F2
57.6MHz
95.04MHz
21.6MHz
21.6MHz
21.6MHz
PA-ON2
LOWPASS
FILTER
RX VCO
RX V CO
ALC
VCO-BIAS
SYN-ALCS ET
VCO-BIAS
VAR-BIAS
CRYS TAL
FILTER
45MHz
RECEIVE R IFRECEIV ER DEMODULATOR
PA-ON1
ANTENNA SOCKET
EXT-TX-AUDIO
EXT-RX-AUDIO
400 to 480MHz
355 to 435MHz
SPKR-MUTE
DIGITAL BUS
PA-TXMON
LOOP-VOLTS
CURE NT
LIMITE R
PA-ISENSE
PA-IS E NSE
395 to 475MHz
355 to 480MHz
355 to 480MHz
400 to 480MHz
400 to 480MHz
400 to 480MHz
45MHz 45MHz 45MHz
45MHz
355 to 480MHz

SDB670 – SERVICE MANUAL TNM-M-E-0032
May 13 Page 43 MAINTENANCE
6 MAINTENANCE
Although no routine scheduled maintenance is required on the DMR Base Station, it is generally
good practice to clean the inside of the equipment on each occasion that it is necessary to open it.
Dust and light debris may accumulate in the area of the Fans, Heatsinks and Vents.
Use a fine bristle brush to remove the dust/debris from these areas, taking care not to damage the
equipment.
6.1 T
ORQUE
S
ETTINGS
CAUTION
EQUIPMENT DAMAGE. During assembly operations, the Torque settings must
be adhered to or damage to the equipment may result.
The torque settings to be used on the various fixings within the SDB670 Base Station are as
follows:
• Heat Pipe Assembly and Heatsink fixings – 1.5 Nm.
• Tx Assembly, M3 x 12 mm Torq Pan Hd Screw – 1.5 Nm.
6.2 D
ISASSEMBLY
When disassembling any part of the DMR base station, take care to note where cables are
connected to and where parts belong.
6.2.1 To Remove the Base from a Rack
1. Switch off the equipment.
2. Undo the screws securing the SDB670 to the rack.
3. If the SDB670 base station is to be removed entirely, disconnect all the cables from the rear
of the equipment.
4. The SDB670 can now be lifted away from the shelf support or the slide runners if fitted.
6.2.2 To Open the SDB670
1. On the sides of the SDB670, remove the four (two per side) M3 x 6 mm screws.
2. Lift and pull the lid to remove it.
6.2.3 To Remove the Tx Assembly
1. Remove the lid and open the SDB670 as detailed in Section 6.2.2.
2. On the Heat Pipe Array, release the four M4 x 20 mm socket cap head screws that secure
the array to the 50 W Fan/Heat Sink Assembly.
3. On the Fuse Board, disconnect the Tx Assembly power cable from socket ‘S1’.
4. On the Tx Assembly, referring to Figure 11 below, carry out the following:

SDB670 – SERVICE MANUAL TNM-M-E-0032
May 13 Page 44 MAINTENANCE
4.1. Disconnect the Tx RF cable from the BNC socket.
4.2. Disconnect the Tx Engine to Control Board cable from the RJ45 connector.
4.3. Release the four M4 hexagonal nuts that secure the Tx Assembly to the Tx Engine
Adjustment Chassis.
5. The Tx Assembly can now be removed from the unit.
Note.
Care should be taken to support the Heat Pipe Assembly during assembly and
disassembly operations.
6. To remove the heat pipe array from the Tx Assembly, remove the two M4 x 16 mm socket
cap head screws and the two M3 x 25 mm Pan Head screws that secure the array to the Tx
Assembly.
Figure 11. Removal of Tx Assembly.
6.2.4 To Remove the Rx Assembly
1. Remove the lid and open the SDB670 as detailed in Section 5.2.2.
2. On the Fuse Board, disconnect the Rx Assembly power cable from socket ‘S2’.
3. On the Rx Assembly, referring to Figure 12 overleaf, carry out the following:
3.1. Disconnect the Rx RF cable from the BNC socket.
3.2. Disconnect the Rx Engine to Control Board cable from the RJ45 connector.
3.3. Release the four M4 hexagonal nuts that secure the Rx Assembly to the chassis.
Tx RF Cable
(BNC)
Tx Engine to
Control Board Cable
(RJ45)
Heat Pipe
Array
Power Cable
(from socket S1
on Fuse Board)
M
4
N
u
t
s
s
e
c
u
r
i
n
g
T
x
A
s
s
e
m
b
l
y

SDB670 – SERVICE MANUAL TNM-M-E-0032
May 13 Page 45 MAINTENANCE
4. The Rx Assembly can now be removed from the unit.
Figure 12. Removal of Rx Assembly.
6.2.5 To Remove the Control Board
1. Remove the lid and open the SDB670 as detailed in Section 5.2.2.
CAUTION
This equipment contains ESDS Devices, static handling procedures are to be
observed. Refer to the personal safety pages.
2. On the Control Board, referring to Figure 13 overleaf, carry out the following:
2.1. Disconnect the fan power cable from connector ‘P8FAN’.
2.2. Disconnect the DC power cable from connector ‘VDC’.
2.3. Disconnect the Tx, Rx and MMI RJ45 cables from the RJ45 sockets ‘TX’, ‘RX1’ and ‘S3
MMI’ respectively.
3. On the SDB670 rear panel, remove the four socket fasteners from the 9-way and 25-way
connectors.
4. On the Control Board, release the six screws that secure the Control Board to the mounting
pillars.
5. Carefully lift out the Control Board from the unit.
Rx RF Cable
(BNC)
Rx Engine to
Control Board Cable
(RJ45)
Power Cable
(from socket S2
on Fuse Board)
M
4
N
u
t
s
s
e
c
u
r
i
n
g
R
x
A
s
s
e
m
b
l
y

SDB670 – SERVICE MANUAL TNM-M-E-0032
May 13 Page 46 MAINTENANCE
Figure 13. Removing the Control Board.
6.2.6 To Remove the PSU and Fuse Board Assembly (AC version only)
1. Remove the lid and open the SDB670 as detailed in Section 6.2.2.
Figure 14. Removal of PSU and Fuse Board Assembly (AC version only).
2. On the Fuse Board, disconnect the following cables:
2.1. The Tx Assembly power cable from connector ‘S1’.
2.2. The Rx Assembly power cable from connector ‘S2’.
2.3. The Control Board power cable from connector ‘S4’.
2.4. The DC power in and Battery Back-up out cable from connector ‘S5’.
Fuse Board
PSU
Mate ‘n’ Lock
Connectors
TB1 Screw
Connectors
S1
S2
S5
S4
M4 Nuts securing
PSU Chassis
S3 J4 J5
P8FAN
VDC
Cable Connections
Six Mounting Screw Locations
Socket Fasteners

SDB670 – SERVICE MANUAL TNM-M-E-0032
May 13 Page 47 MAINTENANCE
3. On the PSU, disconnect all the screw connections from ‘TB1’.
4. Referring to Figure 14 above, remove the two M4 nuts that secure the PSU Support Chassis
to the SDB670 chassis.
5. The PSU Support Chassis complete with Fuse Board and PSU can now be removed from
the unit.
6.2.7 To Remove the Rear 50 W Fan Assembly
1. Remove the lid and open the SDB670 as detailed in Section 6.2.2.
2. On the Control Board, disconnect the Fan power cable from connector ‘P8FAN’.
3. On the rear panel, remove the two M3 x 6 mm screws (one each side) that secure the Fan
chassis to the rear panel (see Figure 15 below).
4. On the Heat Sink assembly, remove the four M3 x 6 mm screws (two each side) that secure
the Fan chassis to the Heatsink.
5. Carefully feed the fan power cable through the rear panel and through the Heat Sink
assembly.
6. On the Fan chassis, remove the four self tapping screws that secure the Fan and Fan Guard
to the Fan chassis.
Figure 15. Removal of Fan Assembly.
6.2.8 To Remove the MMI Board Panel
1. Remove the lid and open the SDB670 as detailed in Section 6.2.2.
2. Remove the Rx Assembly as detailed in Section 6.2.4.
3. On the MMI Board, disconnect the Control Board to MMI cable from the ‘S1’ RJ45 socket.
4. On the MMI Board, remove the six securing screws and remove the MMI Board from the
front panel.
6.2.9 To Remove the Internal Fan Assembly
1 Remove the lid and open the SDB670 as detailed in Section 6.2.2.
2 Disconnect the fan power cable from the Mate-n-lok connector of the Internal Fan Extension
cable.
3 Remove the two 4 mm nuts that secure the fan cradle to the chassis.
4 Remove the four M3 screws that secure the fan to the fan cradle.

SDB670 – SERVICE MANUAL TNM-M-E-0032
May 13 Page 48 MAINTENANCE
6.3 R
EASSEMBLY
In general, the re-assembly procedures are the reverse of the disassembly procedures. If there
are any differences or there are any special areas of concern, they are described in this section.
6.3.1 To Fit the Internal Fan Assembly
Note.
When fitting the internal fan to the fan cradle, it should be orientated so that the fan
power cable can be routed out of the cable slot near the top of the cradle.
1 Fit the internal fan into the fan cradle and secure in place with the four M3 screws.
2 Locate the fan cradle (complete with fan) onto the 2 studs in the SDB670 chassis. Secure in
place with the two 4 mm nuts.
3 Connect the fan power cable to the Mate-n-lok connector on the Internal Fan Extension
Cable.
6.3.2 To Fit the MMI Board
1. Carefully place the MMI Board onto the front panel and secure in place with the six securing
screws.
2. On the MMI Board, connect the Control Board to MMI Cable to the ‘S1’ RJ45 socket.
6.3.3 To Fit the Heat Sink Fan Assembly
Note.
When fitting the Fan to the Fan chassis, it should be orientated in such a way that the
fan power cable can be routed through the heatsink at its shortest point.
1. Fit the 50 W Fan and Fan Guard to the 50 W Fan Support Chassis using the four self-tapping
screws supplied with the fan.
2. On the SDB670 rear panel, carefully feed the fan power cable through the hole provided in
the Heat Sink assembly and in the rear panel.
3. On the Heat Sink assembly, using the four M3 x 6 mm screws, secure the Fan Support
Chassis to the Heat Sink.
4. On the SDB670 rear panel, using the two M3 x 6 mm screws, secure the Fan Support
Chassis to the rear panel.
5. On the Control Board, connect the fan power cable to the ‘P8FAN’ connector.
6.3.4 To Fit the PSU and Fuse Board Assembly (AC version only)
1. Taking care not to trap any cables, position the PSU Chassis (complete with Fuse Board and
PSU attached) onto the two M4 locating studs on the SDB670 chassis. Secure in place with
the two M4 hexagonal nuts.
2. On the Fuse Board, connect the following cables:
2.1. The Tx Assembly power cable to connector ‘S1’.
2.2. The Rx Assembly power cable to connector ‘S2’.

SDB670 – SERVICE MANUAL TNM-M-E-0032
May 13 Page 49 MAINTENANCE
2.3. The Control Board power cable to connector ‘S4’.
2.4. The DC power in and Battery Back-up out cable to connector ‘S5’.
3. On the PSU, connect the power cables to the screw connections of ‘TB1’ as detailed in
Table 15 below.
Table 15. PSU TB1 Connections.
TB1
Terminal
Cable Colour Details
+V Red +ve DC Output to S5 (VIN pin) connector on Fuse Board.
-V Black -ve DC Output to S5 (top 0V pin) connector on Fuse Board.
Green/Yellow Earth connection to SDB670 chassis.
FG Green/Yellow Earth wire
L Brown Live wire
N Blue Neutral wire
AC mains Input from rear panel.
6.3.5 To Fit the Control Board
CAUTION
This equipment contains ESDS Devices, static handling procedures are to be
observed. Refer to the personal safety pages.
1. Carefully place the Control Board into the SDB670 chassis, ensuring that all the connectors
are correctly located in their respective cut-outs on the rear panel and that the Control Board
is correctly located on the six PCB mounting pillars.
2. Once in position, secure the Control Board into position on the six PCB mounting pillars with
the six screws provided.
3. On the SDB670 rear panel, secure the control boards’ 9-way and 25-way connectors to the
chassis with the four socket fasteners.
4. On the Control Board, carry out the following:
4.1. Connect the fan power cable to connector ‘P8FAN’.
4.2. Connect the Control Board DC power cable to connector ‘UDC’.
4.3. Connect the Tx, Rx and MMI RJ45 cables to the ‘TX’, ‘RX1’ and ‘S3 MMI’ RJ45 sockets
respectively.
6.3.6 To Fit the Rx Assembly
1. Taking care not to trap any cables, position the Rx Assembly onto the four M4 locating studs
on the SDB670 chassis. Secure in place with the four M4 hexagonal nuts.
2. On the Rx Assembly, referring to Figure 12, carry out the following:
2.1. Connect the Rx RF cable to the BNC socket.
2.2. Connect the Rx Engine to Control Board cable to the RJ45 socket.

SDB670 – SERVICE MANUAL TNM-M-E-0032
May 13 Page 50 MAINTENANCE
3. On the Fuse Board, connect the Rx Assembly power cable to socket ‘S2’.
6.3.7 To fit the Tx Assembly
WARNING
HEAT SINK COMPOUND. DOW CORNING DC340 HEAT SINK
COMPOUND IS USED IN THE MAINTENANCE OF THIS EQUIPMENT.
REFER TO THE PERSONAL SAFETY PAGES.
Note.
Care should be taken to support the Heat Pipe Assembly during assembly and
disassembly operations.
1. If required, fit the Heat Pipe Array to the Tx Assembly as follows:
1.1. On the Heat Pipe Array, referring to Figure 16 below, apply a small amount of Dow
Corning DC340 Heatsink Compound to the Tx engine mating surface.
Figure 16. Heat Pipe Array.
1.2. Place the Heat Pipe Array onto its location on the Tx Assembly and secure in place
with the two M4 x 16 mm Cap Head screws and two M3 x 25 mm Pan Head screws.
2. On the Heat Pipe Array, referring to Figure 16 above, apply a small amount of Dow Corning
DC340 Heatsink Compound to the heatsink mating surface.
3. Taking care not to trap any cables, position the Tx Assembly onto the four M4 locating studs
on the Tx Engine Adjustment Chassis. Ensure that the Heat Pipe Array is correctly aligned
with the Heatsink.
4. Secure the Heat Pipe Array to the Heatsink with the four M4 x 20 mm socket cap head
screws.
5. Secure the Tx Assembly to the Tx Engine Adjustment Chassis with the four M4 hexagonal
nuts.
6. On the Tx Assembly, referring to Figure 11, carry out the following:
6.1. Connect the Tx RF cable to the BNC socket.
Tx Engine Mating Surface
Heat Sink Mating Surface
Apply a small amount of Dow Corning DC340
Heat Sink compound to mating surfaces.

SDB670 – SERVICE MANUAL TNM-M-E-0032
May 13 Page 51 MAINTENANCE
6.2. Connect the Tx Engine to Control Board cable to the RJ45 connector.
7. On the Fuse Board, connect the Tx Assembly power cable to socket ‘S1’.

SDB670 – SERVICE MANUAL TNM-M-E-0032
May 13 Page 52 SPARES
7 SPARES
7.1 S
ERVICE
C
ONCEPT
The SDB670 DMR Base Station has been designed to provide a fully integrated DMR base station
repeater, using common core electronics, software and interfacing.
It is a requirement that once the customer has purchased equipment, Simoco can follow this up by
providing an ongoing, high level of customer support together with a competitive and professional
servicing activity.
There are three levels of service available, these are detailed in Table 16 below.
Table 16. Service Levels.
Level
Activity Recommended
Spares
Recommended Test
Equipment and Tools
1 This is intended to achieve rapid
turn around by:
• Complete replacement of
transceiver or ancillaries.
• Replacement of sub-
assemblies.
• Reprogramming.
• Checking/replacement of
fuses.
Faulty units are to be returned to a
Level 2 service facility with an
attached fault report.
This level of service should not
exceed 20 minutes.
Fans.
Spare cable assys.
Replacement fuses.
Multimeter.
PC with Programmer.
Engineering handset.
Small flat-blade screwdriver.
Small cross-head
screwdriver.
Large pozi-drive screwdriver.
2 Level 2 service includes Level 1
with the addition of fault
rectification by:
• Replacement of PCB,
mechanical component, or
cable assembly.
• Cosmetic repair.
Listed in Level 2
Spares Schedule.
Spare parts available to
order from Central
Spares.
As above + service aids and
test equipment.
3 Repair by PCB or mechanical
component replacement, Cosmetic
repair.
Repair of PCB to component level
in Central Repair Unit (CRU).
Listed in Level 2
Spares Schedule.
Radio PCB
components only
available to CRU.
As above + service aids and
test equipment.
7.2 L
EVEL
2
S
PARES
S
CHEDULE
7.2.1 SDB670 DMR Base Station
The recommended spares schedule for Service Level 2 is shown overleaf in Table 17.

SDB670 – SERVICE MANUAL TNM-M-E-0032
May 13 Page 53 SPARES
Table 17. Service Level 2 Recommended Spares Schedule.
Item
Description Part Number
1 Case Lid D175-0010-M-02-001
2 DMR Control Board D175-0044-C
3 MMI Board D175-0060-C
4 Fuse Board Assembly (AC) D175-0023-A
Fuse Board Assembly (DC) D175-0027-A
5 Power Supply Unit 15 V, 10 A 52701-0000040-0
AC 136 – 174 MHz 6102-350-17910
TU 400 – 480 MHz 6102-350-17710
6 Tx Assembly
(25 W)
UW 440 – 500 MHz Contact Simoco
AC 136 – 174 MHz 6102-350-17810
TU 400 – 480 MHz 6102-350-17610
7 Rx Assembly
(25 W)
UW 440 – 500 MHz Contact Simoco
8 Cable Assembly RF (Tx) D175-0036-W
9 Cable Assembly RF (Rx) D175-0037-W
10 Cable Assembly RJ45 (C/Bd – MMI) D175-0032-W
11 Cable Assembly DC Power D175-0031-W
12 Cable Assembly Control Board Power D175-0035-W
13 Heat Pipe Array D175-0020-A-01-001
14 Case D175-0001-M
15 Front Panel D175-0105-M
16 Internal Fan, 80 mm AK-181BKT-C
17 Fan 80 x 80, 12 V D175-0028-A
7.3 W
ARRANTY
Unless superseded by specific contractual/supply agreements, the normal statutory 24 month
warranty will apply to all base stations and ancillaries.
7.3.1 Service Within and Out Of Warranty
Please contact our Customer Service department regarding support of either type. In some
countries a local Simoco agent may be responsible for providing this service. See the Support
page for contact details.
7.3.2 Ancillary Items
Please contact our Customer Service department regarding service, for replacement of these
parts. See the Support page for contact details.
7.3.3 Unpacking Equipment
Any damaged or missing parts must be notified to Simoco or their agent in writing within 10 days of
receipt.
7.4 S
OFTWARE
P
OLICY
Software provided by Simoco shall remain the Company’s property or that of its licensors and the
customer recognises the confidential nature of the rights owned by the Company.

SDB670 – SERVICE MANUAL TNM-M-E-0032
May 13 Page 54 SPARES
The customer is granted a personal, non-exclusive, non-transferable limited right of use of such
software in machine-readable form in direct connection with the equipment for which it was
supplied only.
In certain circumstances, the customer may be required to enter into a separate licence agreement
and pay a licence fee, which will be negotiated at the time of the contract.
The customer undertakes not to disclose any part of the software to third parties without the
Company’s written consent, nor to copy or modify any software. The Company may, at its
discretion, carry out minor modifications to software. Major modifications may be undertaken
under a separate agreement, and will be charged separately.
All software is covered by a warranty of three months from delivery and, within this warranty
period, the Company will correct errors or defects, or at its option, arrange free-of-charge
replacement against return of defective material.
Other than in the clause above, the Company makes no representations or warranties, expressed
or implied such, by way of example, but not of limitation regarding merchantable quality or fitness
for any particular purpose, or that the software is error free, the Company does not accept liability
with respect to any claims for loss of profits or of contracts, or of any other loss of any kind
whatsoever on account of use of software and copies thereof.

SDB670 – SERVICE MANUAL TNM-M-E-0032
May 13 Page 55 APPENDIX A
APPENDIX A
DMR CONTROL BOARD BLOCK DIAGRAM
Figure A1. DMR Control Board Block Diagram.
Barrier
Barrier
POTS
DAA
CPC5620
RJ11 RJ45 RJ45
Tx Radio Rx Radio
Rx Radio
LVDS
DS90LV049
LVDS
DS90LV049
LVDS
DS90LV049
PA
Interface
4 x Ana
2 x Dig
SPI UART
SC16IS762IPN
SPI UART
SC16IS762IPN
Power
TPS65950
AD7332
CODEC
AD7332
CODEC
USB3320
LAN9514
DM3725
TMS320
C5509
POP
512 MB
FLASH
256 MB
SDRAM
SPORT
Fan
Controller
MAX6651
Fan 9-way D
RS232
Buffer
RS422
Buffer
1 PPS
RS422
Buffer
2 Channels
D/A
Open
Collector
Buffers
Facilities Connector
25-way D Type
Input
Buffers
RJ45 +
Magnetics USB A
Connector
USB B
Connector
GPIO
GPIO
LEDs
GPIO
Speaker
12C
MMI
12C2
SPI1SPI4
12C1
EMIF
McBSP4
12C3
UART 3
UART 1
Timer
SPI3
GPIO
USB2HS
McBSP5
USB0HS
12C4
A/D
x7
McBSP2
Analogue Option Board
(for future development)
BSP

SIMOCO GROUP
Global Headquarters: Field House, Uttoxeter Old Road, Derby DE1 1NH
United Kingdom: Tel: 08717 411 050
Fax: 08717 411 049
International: Tel: +44 (0) 1332 375 671
Fax: +44 (0) 1332 375 672
www.simocogroup.com