Simplicity 1694768 Parts Manual Citation Series Zero Turn Riders & Mowwer Decks
2014-12-13
: Simplicity Simplicity-1694768-Parts-Manual-127184 simplicity-1694768-parts-manual-127184 simplicity pdf
Open the PDF directly: View PDF
.
Page Count: 56

Parts Manual
Rev. 03/2005
Citation
Series Zero Turn Riders & Mower Decks
TP 400-4197-00-CI-S
Mf
g
. No. Descri
p
tion
21HP Product
1694768 Citation, 21HP Zero Turn Rider
Mf
g
. No. Descri
p
tion
2
3
HP Product
1694769 Citation, 23HP Zero Turn Rider
Mf
g
. No. Descri
p
tion
Mower Decks
1694770 48" Mower Deck
1694771 52" Mower Deck

Table Of Content
s
Torque Specification Chart ..................................................................... Inside Back Cover
PRODUCT COMPONENTS PAGES
Main Frame & Front Caster Group ...................................................................................................................... 4
Rear Bumper Group ............................................................................................................................................. 6
Engine & PTO Group ........................................................................................................................................... 8
Instrument Panel Group ....................................................................................................................................... 10
Pump Drive Group ............................................................................................................................................... 12
Motion Control Group ........................................................................................................................................... 14
Hydraulic Group ................................................................................................................................................... 18
Hydraulic Tank Mount Group ............................................................................................................................... 20
Electrical Group - Early Models ........................................................................................................................... 22
Electrical Group - Later Models ........................................................................................................................... 24
Seat Mount & Floor Group ................................................................................................................................... 26
Fuel Tank & Mount Group .................................................................................................................................... 28
Parking Brake Group ........................................................................................................................................... 30
Rear Suspension Group ...................................................................................................................................... 32
Deck Lift Group .................................................................................................................................................... 34
Wheel & Tire Group ............................................................................................................................................. 38
Decals - Brand & Model ....................................................................................................................................... 40
Decals - Safety & Operation ................................................................................................................................ 42
48" & 52" Mower Deck - Hanger Chains ............................................................................................................. 44
48" & 52" Mower Deck - Housing, Cover, Spindle & Blade ................................................................................. 46
48" & 52" Mower Deck - Pulleys, Belts & Idler Arm ............................................................................................. 48
48" & 52" Mower Deck - Rollers .......................................................................................................................... 50
48" & 52" Mower Deck - Spindle Service Parts Group ........................................................................................ 52

Main Frame & Front Caster Group
NOTE: Unless noted otherwise,
use the standard hardware torque
specification chart.
197frm0
The above parts group applies to the following Mfg. Nos.:
2005 4
© Copyright Simplicity Manufacturing, Inc. All Rights Reserved.
1694768 - Citation
1694769 - Citation
TP 400-4197-00-CI-S

PART NO. DESCRIPTIONREF NO QTY.
Main Frame & Front Caster Group
Footnotes
1 503849958 1 MAIN FRAME ASSEMBLY
2 503861365 1 PIVOTING FRONT END ASSEMBLY
3 5025284 1 NUT, 3/4-16 Hex Nylon Lock
4 502526552 1 BOLT, 3/4-16 X 6-1/2"
5 5047489 1 SPACER, .75 X 1.00 X 2.38
6 5022852 1 PIVOT BEARING
7 5045990 2 FRICTION PLATE
8 5025303 8 SCREW, 5/16-18 X 1 FLAT HD SC
9 5025057 4 NUT 5/16-18 Hex Nylon Lock
10 5021072 1 GREASE SEAL
11 5025104 1 NUT, 3/4-16 Hex Slotted
12 5021073 2 CAP
13 5047049 2 CASTER YOKE
14 502520310 1 COTTER PIN, 1/4" x 1-1/4"
15 5020884 2 BEARING, Tapered Roller
16 5025160 3 WASHER, 3/4" SAE
The above parts group applies to the following Mfg. Nos.:
2005 5
© Copyright Simplicity Manufacturing, Inc. All Rights Reserved.
1694768 - Citation
1694769 - Citation
TP 400-4197-00-CI-S

Rear Bumper Group
NOTE: Unless noted otherwise,
use the standard hardware torque
specification chart.
197bmp0
The above parts group applies to the following Mfg. Nos.:
2005 6
© Copyright Simplicity Manufacturing, Inc. All Rights Reserved.
1694768 - Citation
1694769 - Citation
TP 400-4197-00-CI-S

PART NO. DESCRIPTIONREF NO QTY.
Rear Bumper Group
Footnotes
1 - - MAIN FRAME (See Main Frame Group)
2 503861732 1 BUMPER
3 5023484 6 PLUG, PANEL, 1.25 BLACK
4 502501810 4 BOLT, 1/2-20 X 1-1/4"
5 5025397 4 NUT, 1/2-20 Hex Nylock Flange
6 5025158 2 WASHER, 1/2" SAE
The above parts group applies to the following Mfg. Nos.:
2005 7
© Copyright Simplicity Manufacturing, Inc. All Rights Reserved.
1694768 - Citation
1694769 - Citation
TP 400-4197-00-CI-S

Engine & PTO Group
NOTE: Unless noted otherwise,
use the standard hardware torque
specification chart.
197engb0
The above parts group applies to the following Mfg. Nos.:
2005 8
© Copyright Simplicity Manufacturing, Inc. All Rights Reserved.
1694768 - Citation
1694769 - Citation
TP 400-4197-00-CI-S

PART NO. DESCRIPTIONREF NO QTY.
Engine & PTO Group
Footnotes
1 - - MAIN FRAME (See Main Frame Group)
2 * 1 ENGINE, 21HP Briggs & Stratton (Model# 385777, Type# 0115-E1)
2 * 1 ENGINE, 25HP Briggs & Stratton (Model# 386777, Type# 0114-E1)
3 - 1 CRANKSHAFT PULLEY (See Pump Drive Group)
4 5046845 1 SPACER, 1.13 X 1.75 X .97
5 5023432 1 CLUTCH
6 5045475 1 SPACER, .45 X 1.88 X .38
7 5044853 1 BOLT, CRANKSHAFT, 7/16" X 2"
8 505040728 1 KEY, 1/4" SQ. X 3-1/2"
9 5023389 1 MUFFLER
10 503861857 1 CLUTCH ANCHOR PLATE
11 5047027 2 SPACER, .51 X .75 X .56
12 5043636 1 CLUTCH ANCHOR PAD
13 5025155 11 WASHER, 5/16" SAE
14 50250118 5 BOLT, 5/16-18 X 1"
15 5044617009 3 WASHER, Clutch Anchor
16 5025057 3 NUT 5/16-18 Hex Nylon Lock
17 5025392 8 NUT, 5/16-18 Hex Nylock Flange
18 5048681 1 OIL DRAIN HOSE
19 5021500 1 CLAMP, Vinyl Insulated
20 50250106 1 BOLT, 1/4-20 X 3/4"
21 5025126 1 NUT, 1/4-20 Hex Serrated Flange
22 502501114 4 BOLT, 5/16-18 X 1-3/4"
23 502501112 2 BOLT, 5/16-18 X 1-1/2"
24 5025188 4 WASHER, 5/16" Internal Tooth Lock
25 5021379 1 GROMMET, 7/8"
* See your local Briggs & Stratton distributor for parts and service.
The above parts group applies to the following Mfg. Nos.:
2005 9
© Copyright Simplicity Manufacturing, Inc. All Rights Reserved.
1694768 - Citation
1694769 - Citation
TP 400-4197-00-CI-S

Instrument Panel Group
NOTE: Unless noted otherwise,
use the standard hardware torque
specification chart.
197ins0
The above parts group applies to the following Mfg. Nos.:
2005 10
© Copyright Simplicity Manufacturing, Inc. All Rights Reserved.
1694768 - Citation
1694769 - Citation
TP 400-4197-00-CI-S

PART NO. DESCRIPTIONREF NO QTY.
Instrument Panel Group
Footnotes
1 502861361 1 CONTROL PANEL
2 5020927 1 SWITCH, Ignition, Complete (See Electrical Group for parts breakdown)
3 5022180 1 SWITCH, PTO
4 5022222 2 SWITCH RETAINER RING
5 5046501 1 CABLE, CHOKE CONTROL
6 5048231 1 CABLE, Throttle, 40"
7 1725523 1 HOUR METER, DIGITAL
8 50250106 2 BOLT, 1/4-20 X 3/4"
9 5025126 2 NUT, 1/4-20 Hex Serrated Flange
10 50252994 3 SCREW, Allen Head, 1/4-20 x 1/2
11 1703799 1 SWITCH, Headlight
12 5025035 1 NUT, 3/8-24 Hex
The above parts group applies to the following Mfg. Nos.:
2005 11
© Copyright Simplicity Manufacturing, Inc. All Rights Reserved.
1694768 - Citation
1694769 - Citation
TP 400-4197-00-CI-S

Pump Drive Group
NOTE: Unless noted otherwise,
use the standard hardware torque
specification chart.
197pdr0
The above parts group applies to the following Mfg. Nos.:
2005 12
© Copyright Simplicity Manufacturing, Inc. All Rights Reserved.
1694768 - Citation
1694769 - Citation
TP 400-4197-00-CI-S

PART NO. DESCRIPTIONREF NO QTY.
Pump Drive Group
Footnotes
1 - - MAIN FRAME (See Main Frame Group)
2 5023254 2 KEY, 5MM SQ. x 25MM w/ Round Ends
3 5047075 1 CRANKSHAFT PULLEY
4 5022314 2 BELT, Pump Drive (set of 2)
5 5025034 2 NUT, 3/8-16 Hex
6 5023497 1 EYE BOLT, 3/8-16 X 5"
7 502501332 1 BOLT, 3/8-16 X 4"
8 5022157 2 BUSHING, Brass
9 5025096 2 NUT, 3/8-16 Hex Nylon Lock
10 5025156 1 WASHER, 3/8" SAE
11 502501318 1 BOLT, 3/8-16 X 2-1/4"
12 502501314 1 BOLT, 3/8-16 X 1-3/4"
13 5025128 1 NUT, 3/8-16 Hex Large Serrated Flange
14 5025100 1 NUT, 3/8-16 Hex Side Lock
15 5022847 1 SPRING, Extension, Swivel End
16 5022621 1 PULLEY, Idler (Single Flange)
17 503846430 1 PUMP DRIVE IDLER ARM
18 5045135 1 SPACER, .39 X 1.00 X 2.55
19 5025305 1 WASHER, 3/8 x 1-3/4
20 50250108 4 BOLT, 1/4-20 X 1"
21 5022586 2 PULLEY, Pump Drive
22 5022587 2 BUSHING, Tapered Hub
23 5045475 1 SPACER, .45 X 1.88 X .38
The above parts group applies to the following Mfg. Nos.:
2005 13
© Copyright Simplicity Manufacturing, Inc. All Rights Reserved.
1694768 - Citation
1694769 - Citation
TP 400-4197-00-CI-S

Motion Control Group
NOTE: Unless noted otherwise,
use the standard hardware torque
specification chart.
197mcg0
The above parts group applies to the following Mfg. Nos.:
2005 14
© Copyright Simplicity Manufacturing, Inc. All Rights Reserved.
1694768 - Citation
1694769 - Citation
TP 400-4197-00-CI-S

PART NO. DESCRIPTIONREF NO QTY.
Motion Control Group
Footnotes
1 - - MAIN FRAME (See Main Frame Group)
2 50250118 4 BOLT, 5/16-18 X 1"
3 5025170 4 WASHER, 5/16" Lock
4 5025155 8 WASHER, 5/16" SAE
5 502523210 2 CLEVIS PIN, 5/16" X 1-1/4"
6 5025211 2 HAIR PIN
7 502501110 8 BOLT, 5/16-18 X 1-1/4"
8 502501112 2 BOLT, 5/16-18 X 1-1/2"
9 502501320 4 BOLT, 3/8-16 X 2-1/2"
10 502501324 2 BOLT, 3/8-16 X 3"
11 5025156 6 WASHER, 3/8" SAE
12 5025394 6 NUT, 3/8-16 Hex Nylock Flange
13 5025096 8 NUT, 3/8-16 Hex Nylon Lock
14 50250106 4 BOLT, 1/4-20 X 3/4"
15 5025154 4 WASHER, 1/4" SAE
16 50250138 2 BOLT, 3/8-16 X 1"
17 502501310 2 BOLT, 3/8-16 X 1-1/4"
18 502501314 4 BOLT, 3/8-16 X 1-3/4"
19 50251794 4 SCREW, #10-24 X 1/2"
20 5025029 4 NUT, #10-24 Hex
21 503861838 2 MOTION CONTROL GUARD
22 5021146 2 BALL JOINT, 5/16-24 Female
23 5046420 2 HYDRO CONTROL ROD
24 5023260 2 BUSHING, Flange
25 5049969 2 NEUTRAL CONTROL ROD
26 5021171 2 CLEVIS, 3/8-24, Plastic
27 5010546 2 COLLAR, 3/8" Set
28 5022645 2 SPRING, Compression
29 5025035 2 NUT, 3/8-24 Hex
30 5022978 2 DAMPENER
31 5048264 6 SPACER, .63 X .39 X 1.50
32 503849872 1 NEUTRAL LOCK PLATE, RH
33 503849873 1 NEUTRAL LOCK PLATE, LH
34 5022095 2 SWITCH, Plunger, NO/NC
35 5047004 2 CONTROL ARM MOUNT
36 5021499 2 BEARING, Flange
37 5022628 2 BALL JOINT, 5/16-24 Female LH
38 5023212 2 NUT, 5/16-24 Hex LH
39 5025033 6 NUT, 5/16-24 Hex
40 5022665 4 BODY CLIP, 1/4-20
41 5025057 4 NUT, 5/16-18 Hex Nylon Lock
42 5025335 4 BOLT, M8-1.25 x 35MM
43 5025354 4 NUT, M8-1.25 Hex Nylon Lock
44 5025355 4 NUT, M8-1.25 Hex Serrated Flange
The above parts group applies to the following Mfg. Nos.:
2005 15
© Copyright Simplicity Manufacturing, Inc. All Rights Reserved.
1694768 - Citation
1694769 - Citation
TP 400-4197-00-CI-S

Motion Control Group
NOTE: Unless noted otherwise,
use the standard hardware torque
specification chart.
197mcg0
The above parts group applies to the following Mfg. Nos.:
2005 16
© Copyright Simplicity Manufacturing, Inc. All Rights Reserved.
1694768 - Citation
1694769 - Citation
TP 400-4197-00-CI-S

PART NO. DESCRIPTIONREF NO QTY.
Motion Control Group
Footnotes
45 5025139 4 NUT, 5/16-18 Hex Large Serrated Flange
46 5025127 8 NUT, 5/16-18 Hex Small Serrated Flange
47 5022068 2 GRIP, Foam
48 5021098 2 BEARING, Flange
49 503849843 1 CONTROL SHAFT, RH
50 503849842 1 WCONTROL SHAFT, LH
51 503847056 1 MOTION CONTROL HANDLE, RH
52 503847055 1 MOTION CONTROL HANDLE, LH
53 - - HYDRAULIC PUMP (See Hydraulic Group)
The above parts group applies to the following Mfg. Nos.:
2005 17
© Copyright Simplicity Manufacturing, Inc. All Rights Reserved.
1694768 - Citation
1694769 - Citation
TP 400-4197-00-CI-S

Hydraulic Group
NOTE: Unless noted otherwise,
use the standard hardware torque
specification chart.
197hyd0
The above parts group applies to the following Mfg. Nos.:
2005 18
© Copyright Simplicity Manufacturing, Inc. All Rights Reserved.
1694768 - Citation
1694769 - Citation
TP 400-4197-00-CI-S

PART NO. DESCRIPTIONREF NO QTY.
Hydraulic Group
Footnotes
1 5100017 1 CAP, Hydraulic Oil Only
2 5061712 1 HYDRAULIC OIL RESERVOIR, Complete (Includes Ref No. 3 - 6)
3 5023118 1 FITTING, Elbow, 3/8"
4 5023120 1 GROMMET
5 5023121 1 GROMMET
6 5023119 1 FITTING, Elbow, 5/8"
7 5021164 2 CLAMP, #10 Hose
8 505093324 1 HOSE, Hydraulic, 24"
9 5022922 1 CLAMP, #4 Hose
10 505086018 1 HOSE, Hydraulic, 18"
11 5023268 11 CLAMP, Hose
12 5023370 2 HYDRAULIC HOSE ASSEMBLY, 25"
13 5022711 2 HYDRAULIC HOSE ASSEMBLY, 21"
14 5022633 2 FITTING, O-Ring Adapter
15 5022599 2 FITTING, O-Ring, 90 Deg.
16 5023316 2 HYDRAULIC WHEEL MOTOR, Complete (Includes Ref No. 17 & 18)
17 50220422 2 KEY
18 50220423 2 NUT & COTTER PIN
19 505086023 1 HOSE, Hydraulic, 23"
20 5023338 4 FITTING, O-Ring, 45 Deg.
21 5023267 2 FITTING, O-Ring, 90 Deg.
22 5022920 2 FITTING, TEE, 3/8" Hose
23 5023346 1 FITTING, O-Ring, 90 Deg.
24 5023461 3 FITTING, O-Ring, 45 Deg.
25 5023096 1 FILTER HEAD
26 1719168 1 FILTER
27 505086065 2 HOSE, Hydraulic, 6-1/2"
28 5023373 1 HYDRAULIC PUMP, RH
28 5023371 1 FAN SHROUD
29 5023372 1 HYDRAULIC PUMP, LH
29 5023371 1 FAN SHROUD
30 50508606 2 HOSE, Hydraulic, 6"
31 5025128 4 NUT, 3/8-16 Hex Serrated Flange
32 502501310 4 BOLT, 3/8-16 X 1-1/4"
The above parts group applies to the following Mfg. Nos.:
2005 19
© Copyright Simplicity Manufacturing, Inc. All Rights Reserved.
1694768 - Citation
1694769 - Citation
TP 400-4197-00-CI-S

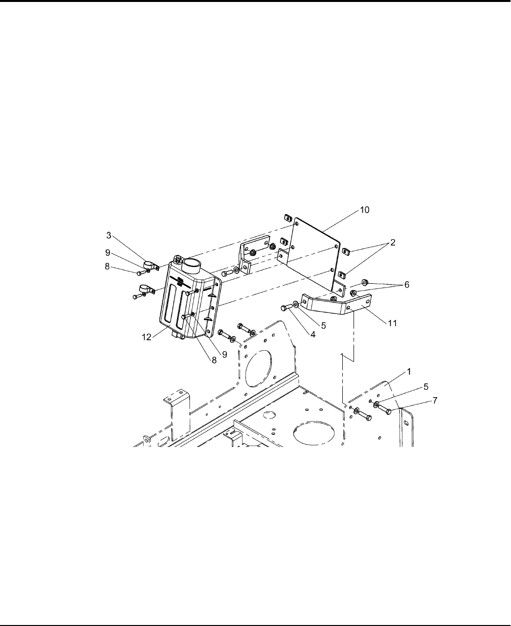
Hydraulic Tank Mount Group
NOTE: Unless noted otherwise,
use the standard hardware torque
specification chart.
197hyt0
The above parts group applies to the following Mfg. Nos.:
2005 20
© Copyright Simplicity Manufacturing, Inc. All Rights Reserved.
1694768 - Citation
1694769 - Citation
TP 400-4197-00-CI-S

PART NO. DESCRIPTIONREF NO QTY.
Hydraulic Tank Mount Group
Footnotes
1 - - MAIN FRAME (See Main Frame Group)
2 5022665 4 BODY CLIP, 1/4-20
3 5021500 2 CLAMP, Vinyl Insulated
4 502501310 2 BOLT, 3/8-16 X 1-1/4"
5 5025156 6 WASHER, 3/8" SAE
6 5025394 6 NUT, 3/8-16 Hex Nylock Flange
7 502501312 4 BOLT, 3/8-16 X 1-1/2"
8 50250108 4 BOLT, 1/4-20 X 1"
9 5025154 4 WASHER, 1/4" SAE
10 503861747 1 HYDRAULIC TANK MOUNT
11 503861746 2 MOUNT BRACKET
12 - 1 HYDRAULIC TANK (See Hydraulic Group)
The above parts group applies to the following Mfg. Nos.:
2005 21
© Copyright Simplicity Manufacturing, Inc. All Rights Reserved.
1694768 - Citation
1694769 - Citation
TP 400-4197-00-CI-S

Electrical Group - Early Models
NOTE: Unless noted otherwise,
use the standard hardware torque
specification chart.
Seat
Switch
(NC)
To Electric
Clutch
To Charge
Circuit
To Fuel
Shut-Off
To Engine
Magneto
LH Control
Lever Switch
(See Motion Control Group
for Mounting Hardware)
RH Control
Lever Switch
(See Motion Control Group
for Mounting Hardware)
Brake Switches
UNDER SEAT PLATE
UNDER CONTROL
PANEL
UNDER SEAT
PLATE
UNDER ENGINE
DECK
12
3
4
6
5
20
28
To Engine
Starter
To Engine
Mount Bolt
To Engine
Mount Bolt
12
13
14
31
32
15
19
21
21
29
30
16
18
17
33
34
34
35
7
22
23
24
25
26
27
23
24
25
26
27
8
9
11
10
197egb0
The above parts group applies to the following Mfg. Nos.:
2005 22
© Copyright Simplicity Manufacturing, Inc. All Rights Reserved.
1694768 - Citation
1694769 - Citation
TP 400-4197-00-CI-S

PART NO. DESCRIPTIONREF NO QTY.
Electrical Group - Early Models
Footnotes
1 5020927 1 SWITCH, Ignition, Complete (Includes Ref No. 2 - 4)
2 5022789 1 KEY, Ignition Molded (Set of 2)
3 5022790 1 COVER
4 5022791 1 PLASTIC NUT
5 5022180 1 SWITCH, PTO
6 1725523 1 HOUR METER
7 1703799 1 HEADLIGHT SWITCH
8 5025271 2 NUT, #10-24 Hex Nylon Lock
9 5061763 2 SPACER, .20 x .38 x 1.25
10 5023499 2 WASHER, #10 SAE
11 502527016 2 SCREW, #10-24 x 2"
12 5021603 4 FUSE, 20A
13 5022805 1 FUSE BLOCK COVER
14 5049972 1 HARNESS ASSEMBLY, Main
15 5049974 1 ENGINE HARNESS
16 1724815 1 SOLENOID
17 5023217 2 WASHER, Light Lock, 5/16
18 5023216 2 NUT, Hex Jam, 5/16-24
19 1716368 1 SWITCH, Seat, Gray, NC
20 1960536 2 BOLT, Hex Washer Head PLASTITE, 1/4 X 1/2
21 5022095 2 SWITCH, Plunger, NO/NC
22 5061793 1 HEADLIGHT HARNESS
23 502501010 2 BOLT, 1/4-20 X 1-1/4
24 5025154 2 WASHER, 1/4" SAE
25 5023482 2 HEADLIGHT
26 5044933 2 SPACER, .39 X .75 X .38
27 5025391 2 NUT, 1/4-20 Hex Nylock Flange
28 5022182 2 SWITCH, Plunger, Snap-In, NO/NC
29 1722009 1 STRAP, BATTERY, 14 LONG, Rubber
30 1685215 1 BATTERY, Lawn & Garden, 12V (BCIU1, 340 CCA)
31 5023488 1 POSITIVE (+) BATTERY CABLE, 22"
32 5021405 1 POSITIVE (+) BATTERY CABLE, 22"
33 50250106 4 BOLT, 1/4-20 x 3/4
34 5025126 4 NUT, 1/4-20 Hex Serrated Flange
35 5044014 1 CABLE, Ground
The above parts group applies to the following Mfg. Nos.:
2005 23
© Copyright Simplicity Manufacturing, Inc. All Rights Reserved.
1694768 - Citation
1694769 - Citation
TP 400-4197-00-CI-S

Electrical Group - Later Models
NOTE: Unless noted otherwise,
use the standard hardware torque
specification chart.
Seat
Switch
(NC)
To Electric
Clutch
LH Control
Lever Switch
(See Motion Control Group
for Mounting Hardware)
RH Control
Lever Switch
(See Motion Control Group
for Mounting Hardware)
Brake Switches
UNDER SEAT PLATE
UNDER CONTROL
PANEL
UNDER SEAT
PLATE
UNDER ENGINE
DECK
12
3
4
6
5
21
29
To Engine
Starter
To Engine
Mount Bolt
To Engine
Mount Bolt
7
12
13
15
32
33
16
20
22
22
30
31
17
19
18
34
35
35
36
14
8
9
11
23
24
25
26
27
28
24
25
26
27
28
10
To Charge
Circuit
To Fuel
Shut-Off
To Engine
Magneto
197egb1
The above parts group applies to the following Mfg. Nos.:
2005 24
© Copyright Simplicity Manufacturing, Inc. All Rights Reserved.
1694768 - Citation
1694769 - Citation
TP 400-4197-00-CI-S

PART NO. DESCRIPTIONREF NO QTY.
Electrical Group - Later Models
Footnotes
1 5020927 1 SWITCH, Ignition, Complete (Includes Ref No. 2 - 4)
2 5022789 1 KEY, Ignition Molded (Set of 2)
3 5022790 1 COVER
4 5022791 1 PLASTIC NUT
5 5022180 1 SWITCH, PTO
6 1725523 1 HOUR METER
7 1703799 1 HEADLIGHT SWITCH
8 5025271 2 NUT, #10-24 Hex Nylon Lock
9 5061763 2 SPACER, .20 x .38 x 1.25
10 5023499 2 WASHER, #10 SAE
11 502527016 2 SCREW, #10-24 x 2"
12 5021603 4 FUSE, 20A
13 5022805 1 FUSE BLOCK COVER
14 5400067 1 HARNESS ASSEMBLY, Control Panel
15 5400068 1 HARNESS ASSEMBLY, Main
16 5049974 1 ENGINE HARNESS
17 1724815 1 SOLENOID
18 5023217 2 WASHER, Light Lock, 5/16
19 5023216 2 NUT, Hex Jam, 5/16-24
20 1716368 1 SWITCH, Seat, Gray, NC
21 1960536 2 BOLT, Hex Washer Head PLASTITE, 1/4 X 1/2
22 5022095 2 SWITCH, Plunger, NO/NC
23 5061793 1 HEADLIGHT HARNESS
24 502501010 2 BOLT, 1/4-20 X 1-1/4
25 5025154 2 WASHER, 1/4" SAE
26 5023482 2 HEADLIGHT
27 5044933 2 SPACER, .39 X .75 X .38
28 5025391 2 NUT, 1/4-20 Hex Nylock Flange
29 5022182 2 SWITCH, Plunger, Snap-In, NO/NC
30 1722009 1 STRAP, BATTERY, 14 LONG, Rubber
31 1685215 1 BATTERY, Lawn & Garden, 12V (BCIU1, 340 CCA)
32 5023488 1 POSITIVE (+) BATTERY CABLE, 22"
33 5021405 1 POSITIVE (+) BATTERY CABLE, 22"
34 50250106 4 BOLT, 1/4-20 x 3/4
35 5025126 4 NUT, 1/4-20 Hex Serrated Flange
36 5044014 1 CABLE, Ground
The above parts group applies to the following Mfg. Nos.:
2005 25
© Copyright Simplicity Manufacturing, Inc. All Rights Reserved.
1694768 - Citation
1694769 - Citation
TP 400-4197-00-CI-S

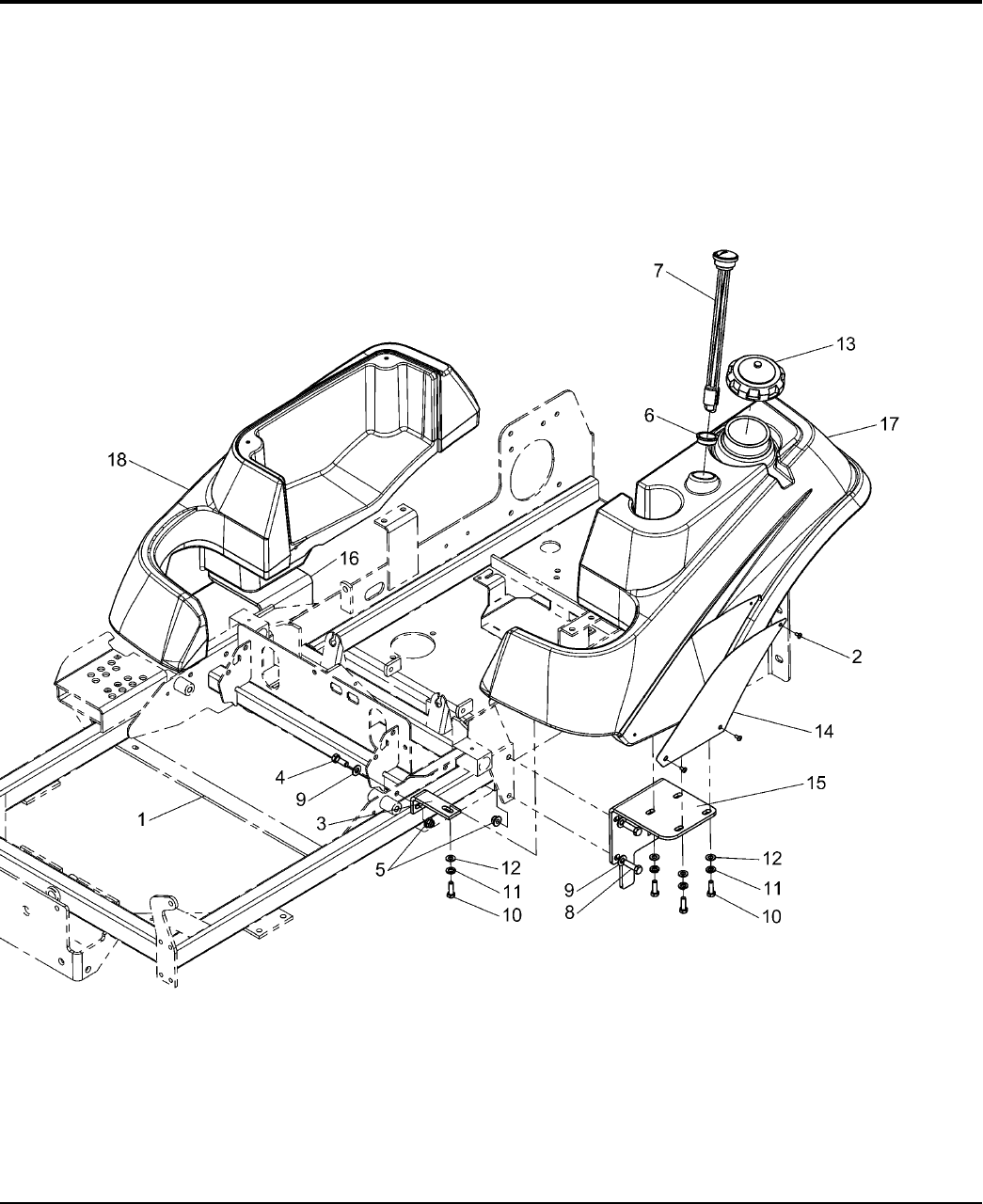
Seat Mount & Floor Group
NOTE: Unless noted otherwise,
use the standard hardware torque
specification chart.
197stm0
The above parts group applies to the following Mfg. Nos.:
2005 26
© Copyright Simplicity Manufacturing, Inc. All Rights Reserved.
1694768 - Citation
1694769 - Citation
TP 400-4197-00-CI-S

PART NO. DESCRIPTIONREF NO QTY.
Seat Mount & Floor Group
Footnotes
1 - - MAIN FRAME (See Main Frame Group)
2 50250118 8 BOLT, 5/16-18 X 1
3 5025155 8 WASHER 5/16" SAE
4 5025392 12 NUT, 5/16-18 Hex Nylock Flange
5 502501010 4 BOLT, 1/4-20 X 1-1/4
6 5025154 4 WASHER, 1/4" SAE
7 5025391 4 NUT, 1/4-20 Hex Nylock Flange
8 502501348 2 BOLT, 3/8-16 X 6
9 5025156 2 WASHER 3/8" SAE
10 5025394 2 NUT, 3/8-16 Hex Nylock Flange
11 5025127 2 NUT, 5/16-18 Hex Small Serrated Flange
12 5049979 1 SAFETY WALK, FLOOR REST
13 5049978 1 SAFETY WALK, FLOOR PLATE
14 5061599 1 SEAT, BLACK
15 5022612 2 BUMPER, RUBBER 5/16-18
16 5300028 1 ASSM, SEAT PLATE (Includes safety decal)
17 5061754 2 BLOCK, DECK LIFT SUPPORT
18 503849976 1 SUPPORT, SEAT PLATE
19 503849953 1 PLATE, FLOOR
The above parts group applies to the following Mfg. Nos.:
2005 27
© Copyright Simplicity Manufacturing, Inc. All Rights Reserved.
1694768 - Citation
1694769 - Citation
TP 400-4197-00-CI-S

Fuel Tank & Mount Group
NOTE: Unless noted otherwise,
use the standard hardware torque
specification chart.
197tnk0
The above parts group applies to the following Mfg. Nos.:
2005 28
© Copyright Simplicity Manufacturing, Inc. All Rights Reserved.
1694768 - Citation
1694769 - Citation
TP 400-4197-00-CI-S

PART NO. DESCRIPTIONREF NO QTY.
Fuel Tank & Mount Group
Footnotes
1 - - MAIN FRAME (See Main Frame Group)
2 5025386 3 SCREW, Allen Head, #10-24 x 3/8"
3 5400012C 2 MOUNT, TANK, FRONT
4 50250138 2 BOLT, 3/8-16 X 1" GD5
5 5025394 6 NUT, 3/8-16 Hex Nylock Flange
6 50229171 1 GROMMET
7 5023381 1 GAUGE, FUEL LEVEL
8 502501310 4 BOLT, 3/8-16 X 1-1/4"
9 5025156 6 WASHER 3/8" SAE
10 50250118 10 BOLT, 5/16-18 X 1"
11 5025170 10 WASHER, 5/16" Lock
12 5025155 10 WASHER, 5/16" SAE
13 5022158 1 CAP, FUEL TANK, 3-1/2" NECK
14 5400250C 2 PLATE, BADGE
15 503849942 1 TANK MOUNT - LH
16 503849941 1 TANK MOUNT - RH
17 5049947 1 TANK, FUEL - LH
18 5049948 1 TANK - RH
The above parts group applies to the following Mfg. Nos.:
2005 29
© Copyright Simplicity Manufacturing, Inc. All Rights Reserved.
1694768 - Citation
1694769 - Citation
TP 400-4197-00-CI-S

Parking Brake Group
NOTE: Unless noted otherwise,
use the standard hardware torque
specification chart.
197pbr0
The above parts group applies to the following Mfg. Nos.:
2005 30
© Copyright Simplicity Manufacturing, Inc. All Rights Reserved.
1694768 - Citation
1694769 - Citation
TP 400-4197-00-CI-S

PART NO. DESCRIPTIONREF NO QTY.
Parking Brake Group
Footnotes
1 - - MAIN FRAME (See Main Frame Group)
2 - - MOTOR MOUNT (See Rear Suspension Group)
3 5023490 8 BOLT, 5/16-18 X 3/4" 12 Point Flange
4 5023249 2 WASHER, 1 x 2
5 50250136 4 BOLT, 3/8-16 X 3/4"
6 5025394 6 NUT, 3/8-16 Hex Nylock Flange
7 502501114 2 BOLT, 5/16-18 X 1-3/4"
8 5025392 2 NUT, 5/16-18 Hex Nylock Flange
9 503861794 2 BRAKE LOCK LINK
10 502501312 2 BOLT, 3/8-16 X 1-1/2"
11 5025128 2 NUT, 3/8-16 Hex Serrated Flange
12 5023368 2 WHEEL & BRAKE HUB
13 5023500 1 BRAKE ASSEMBLY, LH
14 5023501 1 BRAKE ASSEMBLY, RH (Not Shown)
15 5045404 2 SPACER, .32 X .75 X 1.06
16 5021098 2 BEARING, Flange
17 1722302 1 GRIP
18 5041930 2 SPACER, .38 X .50 X .27
19 5025156 2 WASHER, 3/8" SAE
20 5023320 2 SPRING, Compression
21 5022361 2 SPRING, Compression
22 5025155 2 WASHER, 5/16" SAE
23 5025045 2 NUT, 5/16-24 Hex Nylon Lock
24 5023324 2 PARKING BRAKE CABLE
25 5020979 2 CLEVIS, 5/16-24, Plastic
26 5025033 2 NUT, 5/16-24 Hex
27 50252138 2 CLEVIS PIN, 5/16" X 1"
28 502520310 2 COTTER PIN, 1/8" X 1-1/4"
29 5021397 2 GROMMET, 1-1/4"
30 503849831 1 BRAKE SHAFT
31 - - WHEEL MOTOR (See Hydraulic Group)
The above parts group applies to the following Mfg. Nos.:
2005 31
© Copyright Simplicity Manufacturing, Inc. All Rights Reserved.
1694768 - Citation
1694769 - Citation
TP 400-4197-00-CI-S

Rear Suspension Group
NOTE: Unless noted otherwise,
use the standard hardware torque
specification chart.
197susr0
The above parts group applies to the following Mfg. Nos.:
2005 32
© Copyright Simplicity Manufacturing, Inc. All Rights Reserved.
1694768 - Citation
1694769 - Citation
TP 400-4197-00-CI-S

PART NO. DESCRIPTIONREF NO QTY.
Rear Suspension Group
Footnotes
1 - - MAIN FRAME (See Main Frame Group)
2 502501752 2 BOLT, 1/2-13 X 6-1/2"
3 5025158 10 WASHER, 1/2" SAE
4 5023436 2 SHOCK ASSEMBLY
5 50250138 12 BOLT, 3/8-16 X 1"
6 5025156 12 WASHER, 3/8" SAE
7 502505818 2 BOLT, 3/8-16 X 2-1/4" TFL
8 5025084 2 NUT, 3/8-16 Hex Jam
9 5025165 8 WASHER, 3/8" FENDER
10 5025394 17 NUT, 3/8-16 Hex Nylock Flange
11 5061339 2 SPACER, .52 X 1.00 X 3.42
12 5025056 6 NUT, 1/2-13 Hex Nylon Lock
13 - - WHEEL MOTOR
14 5023481 4 BOLT, 1/2-13 X 2-1/4" w/ Loctite Patch
15 5025330 4 NUT, 1/2-13 Square
16 502501728 4 BOLT, 1/2-13 X 3-1/2"
17 5061670 8 SPACER, .53 X 1.00 X 1.00
18 502501324 2 BOLT, 3/8-16 X 3"
19 5020020 2 GREASE FITTING
20 503861628 1 TIE BAR
21 503861750 1 FRAME SUPPORT, LH
22 503861752 1 FRAME SUPPORT, RH
23 5021541 4 BUSHING, Flange
24 503849813 1 MOTOR MOUNT, RH
25 503849812 1 MOTOR MOUNT, LH
26 - - TANK MOUNT (See Fuel Tank & Mount Group)
(See Hydraulic Group)
The above parts group applies to the following Mfg. Nos.:
2005 33
© Copyright Simplicity Manufacturing, Inc. All Rights Reserved.
1694768 - Citation
1694769 - Citation
TP 400-4197-00-CI-S

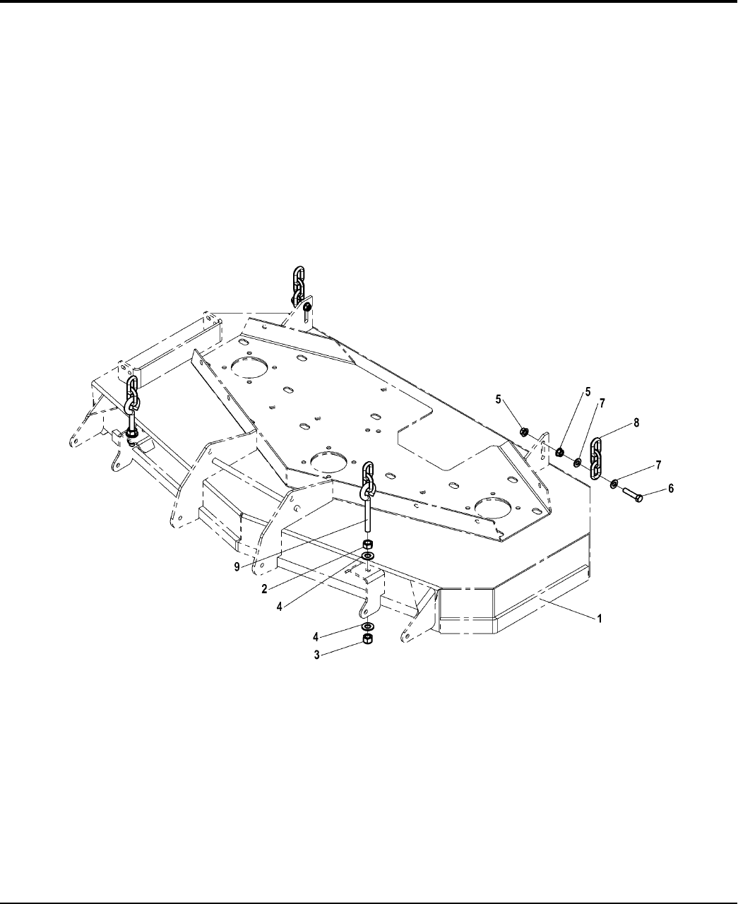
Deck Lift Group
NOTE: Unless noted otherwise,
use the standard hardware torque
specification chart.
197dlt0
The above parts group applies to the following Mfg. Nos.:
2005 34
© Copyright Simplicity Manufacturing, Inc. All Rights Reserved.
1694768 - Citation
1694769 - Citation
TP 400-4197-00-CI-S

PART NO. DESCRIPTIONREF NO QTY.
Deck Lift Group
Footnotes
1 - - MAIN FRAME (See Main Frame Group)
2 - - MOTOR MOUNT (See Rear Suspension Group)
3 5023498 1 HITCH PIN, 1/2 X 2"
4 502501310 6 BOLT, 3/8-16 X 1-1/4"
5 5025156 10 WASHER, 3/8" SAE
6 5025394 9 NUT, 3/8-16 Hex Nylock Flange
7 50250138 4 BOLT, 3/8-16 X 1"
8 502501724 1 BOLT, 1/2-13 X 3"
9 5025158 5 WASHER, 1/2" SAE
10 50250106 2 BOLT, 1/4-20 x 3/4"
11 5025391 2 NUT, 1/4-20 Hex Nylock Flange
12 502501714 4 BOLT, 1/2-13 X 1-3/4"
13 5043686 2 CLEVIS PIN, 1/2" X 1-1/4"
14 5025210 2 HAIR PIN CLIP
15 5025040 8 NUT, 5/8-11 HEX
16 1715834 1 FOOT PEDAL
17 5020441 5 COLLAR, 5/8" Split
18 5020602 4 COLLAR, 1" Split
19 5023497 1 EYE BOLT, 3/8-16 X 5"
20 5025034 2 NUT, 3/8-16 Hex
21 5020095 6 GREASE FITTING
22 5023343 8 BUSHING, Flange
23 5047103 1 ADAPTER, CASTER AXLE
24 5023174 2 CLEVIS , 1/2-20, STEEL
25 5045447 4 SPRING ROD PIVOT
26 5049971 2 DECK ADJUSTMENT ROD
27 503861569 1 FOOT PEDAL MOUNT
28 503849839 1 DECK LIFT SHAFT
29 5061527 1 DECK LIFT LOCK ROD
30 5022434 5 BALL JOINT, 1/2-20 Male
31 503849867 2 DECK STABILIZER
32 5049868 2 DECK STABILIZER SHAFT
33 5025056 6 NUT, 1/2-13 Hex Nylon Lock
34 5025089 6 NUT, 1/2-20 Hex Jam
35 5010114 4 COLLAR, 3/4" Split
36 5021880 1 GRIP
37 5025301 1 NUT, 1/2-13 Hex Jam
38 502501718 1 BOLT, 1/2-13 X 2-1/4"
39 502514616 1 CARRIAGE BOLT, 3/8-16 X 2"
40 5025412 1 CLEVIS PIN, 1/4" x 3/4"
41 5025096 2 NUT, 3/8-16 Hex Nylon Lock
42 5020639 1 SPRING, Extension
43 5023355 1 DECK LIFT SPRING
44 5025154 2 WASHER, 1/4" SAE
The above parts group applies to the following Mfg. Nos.:
2005 35
© Copyright Simplicity Manufacturing, Inc. All Rights Reserved.
1694768 - Citation
1694769 - Citation
TP 400-4197-00-CI-S

Deck Lift Group
NOTE: Unless noted otherwise,
use the standard hardware torque
specification chart.
197dlt0
The above parts group applies to the following Mfg. Nos.:
2005 36
© Copyright Simplicity Manufacturing, Inc. All Rights Reserved.
1694768 - Citation
1694769 - Citation
TP 400-4197-00-CI-S

PART NO. DESCRIPTIONREF NO QTY.
Deck Lift Group
Footnotes
45 5049848 2 DECK LIFT ROD
46 503845449 1 DECK LIFT PIVOT, LH (Shown)
46 503845450 1 DECK LIFT PIVOT, RH (Not Shown)
47 503849836 1 REAR DECK LIFT, LH (Shown)
47 503849837 1 REAR DECK LIFT, RH (Not Shown)
48 5061523 1 DECK ADJUST LINK
The above parts group applies to the following Mfg. Nos.:
2005 37
© Copyright Simplicity Manufacturing, Inc. All Rights Reserved.
1694768 - Citation
1694769 - Citation
TP 400-4197-00-CI-S

Wheel & Tire Group
NOTE: Unless noted otherwise,
use the standard hardware torque
specification chart.
197whl0
The above parts group applies to the following Mfg. Nos.:
2005 38
© Copyright Simplicity Manufacturing, Inc. All Rights Reserved.
1694768 - Citation
1694769 - Citation
TP 400-4197-00-CI-S

PART NO. DESCRIPTIONREF NO QTY.
Wheel & Tire Group
Footnotes
1 5022631S 2 WHEEL & TIRE ASSEMBLY, 13 x 5.0 - 6, Complete (Includes Ref No. 2 - 7)
2 50220291 2 TIRE, 13 x 5.0 -6
3 5022631S1 2 WHEEL ASSEMBLY, for 13 x 5.0 - 6 Tire, Complete (Includes Ref No. 4 & 5)
4 5022631S2 4 BEARING, Tapered Roller (2 per tire)
5 5022631S3 4 GREASE SEAL (2 per tire)
6 5047103 4 ADAPTER, Caster Wheel (2 per tire)
7 502501764 2 BOLT, 1/2-13 x 8"
8 5025056 2 NUT, 1/2-13 Hex Nylon Lock
9 5023369 2 WHEEL & TIRE ASSEMBLY, 22 x 11 - 10, Complete (Includes Ref No. 10 & 11)
10 50233692 2 TIRE, 22 x 11 - 10
11 50233691 2 WHEEL ASSEMBLY, 10 X 7
12 5020601 10 LUG NUT, 1/2-20
The above parts group applies to the following Mfg. Nos.:
2005 39
© Copyright Simplicity Manufacturing, Inc. All Rights Reserved.
1694768 - Citation
1694769 - Citation
TP 400-4197-00-CI-S

Decals - Brand & Model
NOTE: Unless noted otherwise,
use the standard hardware torque
specification chart.
1
2
3
4
5
6
1
2
3
4
5, 6
197dclb
The above parts group applies to the following Mfg. Nos.:
2005 40
© Copyright Simplicity Manufacturing, Inc. All Rights Reserved.
1694768 - Citation
1694769 - Citation
TP 400-4197-00-CI-S

PART NO. DESCRIPTIONREF NO QTY.
Decals - Brand & Model
Footnotes
1 1722551 1 DECAL, Simplicity Logo
2 5061821 1 DECAL, Citation
3 5061817 1 DECAL, Badge, RH
4 5061816 1 DECAL, Badge, LH
5 5022811 1 DECAL, 48"
6 5022812 1 DECAL, 52"
The above parts group applies to the following Mfg. Nos.:
2005 41
© Copyright Simplicity Manufacturing, Inc. All Rights Reserved.
1694768 - Citation
1694769 - Citation
TP 400-4197-00-CI-S

Decals - Safety & Operation
NOTE: Unless noted otherwise,
use the standard hardware torque
specification chart.
1
2
3
4
5
6
7
8
9
10
11
1
2
3
4
5
7
8
9
10
12
12
11
197dcls
The above parts group applies to the following Mfg. Nos.:
2005 42
© Copyright Simplicity Manufacturing, Inc. All Rights Reserved.
1694768 - Citation
1694769 - Citation
TP 400-4197-00-CI-S

PART NO. DESCRIPTIONREF NO QTY.
Decals - Safety & Operation
Footnotes
1 5061106 1 DECAL, Main
2 1704277 1 DECAL, Danger (Chute In Place)
3 1704276 1 DECAL, Danger (Hand Under Deck)
4 5049658 1 DECAL, Danger
5 1725941 1 DECAL, CZT Hydro Release
6 5061790 1 DECAL, Belt & Blade (located under seat mount)
7 5061724 1 DECAL, Height of Cut
8 5061572 1 DECAL, Ignition / Throttle
9 5048454 1 DECAL, Oil Reservoir
10 5046503 1 DECAL, Fuse Location
11 1704473 1 DECAL, Hot
12 * 1 DECAL, ID Plate
* Not a serviceable part.
The above parts group applies to the following Mfg. Nos.:
2005 43
© Copyright Simplicity Manufacturing, Inc. All Rights Reserved.
1694768 - Citation
1694769 - Citation
TP 400-4197-00-CI-S

48" & 52" Mower Deck - Hanger Chains
NOTE: Unless noted otherwise,
use the standard hardware torque
specification chart.
1975ch0
The above parts group applies to the following Mfg. Nos.:
2005 44
© Copyright Simplicity Manufacturing, Inc. All Rights Reserved.
1694770 - 48" Mower
1694771 - 52" Mower
TP 400-4197-00-CI-S

PART NO. DESCRIPTIONREF NO QTY.
48" & 52" Mower Deck - Hanger Chains
Footnotes
1 - - MOWER DECK
2 5025038 2 NUT, 1/2-13 Hex
3 5025056 2 NUT, 1/2-13 Hex Nylon Lock
4 5025158 4 WASHER, 1/2" SAE
5 5025128 4 NUT, 3/8-16 Hex Large Serrated Flange
6 502501314 2 BOLT, 3/8-16 X 1-3/4"
7 5025156 4 WASHER 3/8" SAE
8 50508783 2 CHAIN, 5/16" GD30, 3 LINKS
9 5047503 2 HANGER, Front Deck, 2 Link
The above parts group applies to the following Mfg. Nos.:
2005 45
© Copyright Simplicity Manufacturing, Inc. All Rights Reserved.
1694770 - 48" Mower
1694771 - 52" Mower
TP 400-4197-00-CI-S

48" & 52" Mower Deck - Housing, Cover, Spindle & Blade
NOTE: Unless noted otherwise,
use the standard hardware torque
specification chart.
1975hc0
The above parts group applies to the following Mfg. Nos.:
2005 46
© Copyright Simplicity Manufacturing, Inc. All Rights Reserved.
1694770 - 48" Mower
1694771 - 52" Mower
TP 400-4197-00-CI-S

PART NO. DESCRIPTIONREF NO QTY.
48" & 52" Mower Deck - Housing, Cover, Spindle & Blade
Footnotes
1 5025155 8 WASHER, 5/16" SAE
2 5022308 6 BODY CLIP, 5/16-18
3 50250116 6 BOLT, 5/16-18 X 3/4"
4 5025045 2 NUT 5/16-24 Hex Nylon Lock
5 5042555 1 ROD, Linkage
6 5025392 12 NUT, 5/16-18 Hex Nylock Flange
7 5023156 12 BOLT, Flange Head, 5/16-18 x 1-1/4
8 5025159 3 WASHER, 5/8" USS
9 502532014 3 BOLT, 5/8-11 X 1-3/4"
10 503849881 1 GUARD, 48" DECK - RH
10 503861810 1 GUARD, 52" DECK - RH
11 503849882 1 GUARD, 48" DECK - LH
11 503861811 1 GUARD, 52" DECK - LH
12 5061095 3 SPINDLE ASSEMBLY, Complete (See Spindle Service Parts group)
13 5020843 3 MOWER BLADE, 16-1/4" (48" deck)
13 5021227 3 MOWER BLADE, 18" (52" Deck)
14 5061582 1 RUBBER CHUTE
15 503861581 1 CHUTE FRAME
16 503861586 1 CHUTE SUPPORT
17 502501310 1 BOLT, 3/8-16 X 1-1/4"
18 5025394 1 NUT, 3/8-16 Hex Nylock Flange
19 503861596 1 DISCHARGE CHUTE ASSEMBLY (Includes Ref No. 15 - 19)
20 5300030 1 48" MOWER DECK ASSEMBLY (Includes safety decals)
20 5300031 1 52" MOWER DECK ASSEMBLY (Includes safety decals)
21 5061598 1 TORSION SPRING SPACER
22 5023385 1 TORSION SPRING
23 5025164 1 WASHER, 5/16" Fender
24 5023489 1 CAP
The above parts group applies to the following Mfg. Nos.:
2005 47
© Copyright Simplicity Manufacturing, Inc. All Rights Reserved.
1694770 - 48" Mower
1694771 - 52" Mower
TP 400-4197-00-CI-S

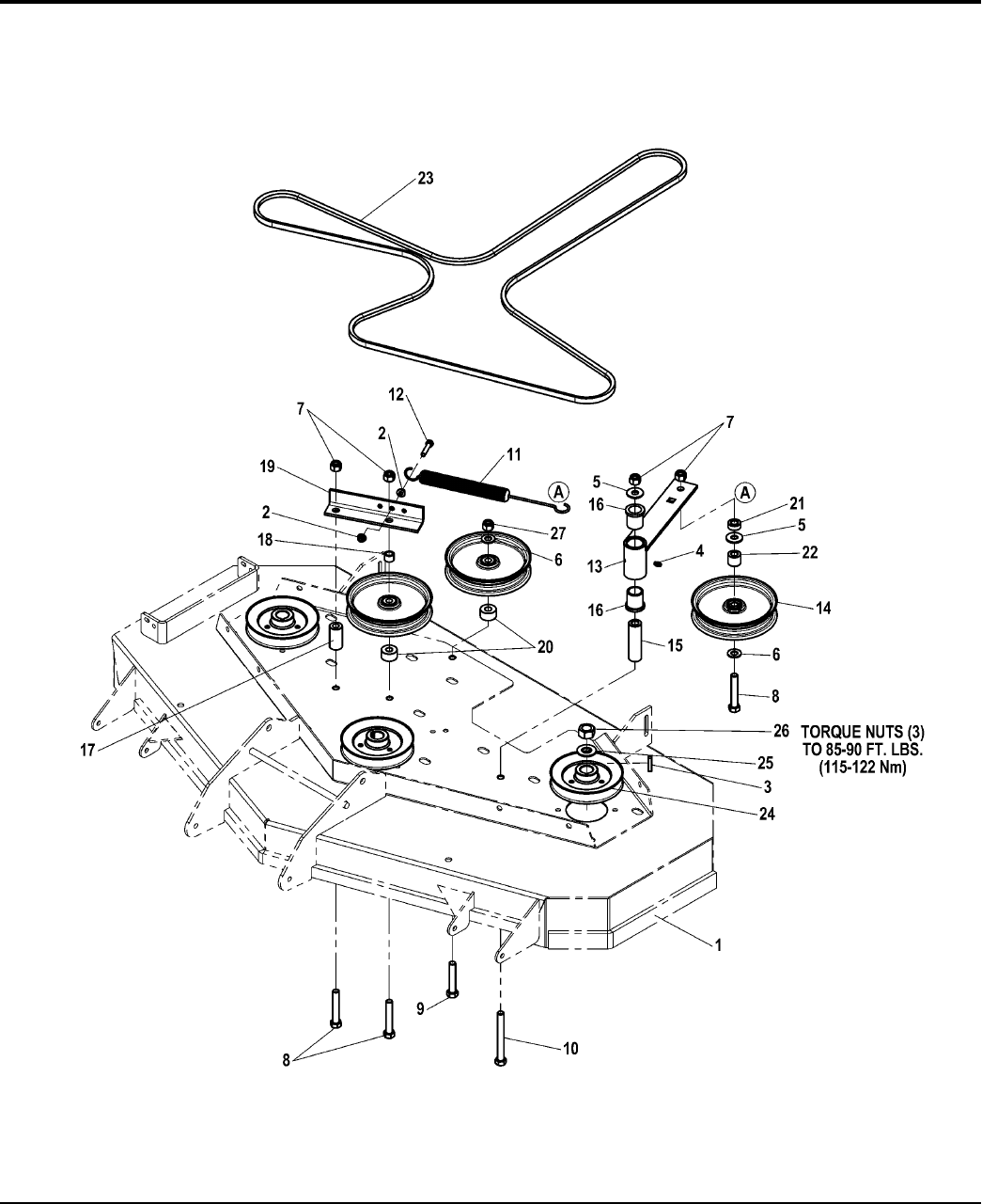
48" & 52" Mower Deck - Pulleys, Belts & Idler Arm
NOTE: Unless noted otherwise,
use the standard hardware torque
specification chart.
1975pb0
The above parts group applies to the following Mfg. Nos.:
2005 48
© Copyright Simplicity Manufacturing, Inc. All Rights Reserved.
1694770 - 48" Mower
1694771 - 52" Mower
TP 400-4197-00-CI-S

PART NO. DESCRIPTIONREF NO QTY.
48" & 52" Mower Deck - Pulleys, Belts & Idler Arm
Footnotes
1 - - MOWER DECK
2 5025127 2 NUT, 5/16-18 Hex Small Serrated Flange
3 50504075 3 KEY, 1/4 SQ. X 1-1/4
4 5020095 1 GREASE FITTING
5 5025150 2 WASHER, 1/2" USS
6 5025158 2 WASHER, 1/2" SAE
7 5025056 4 NUT, 1/2-13 Hex Nylon Lock
8 502501726 3 BOLT, 1/2-13 x 3-1/4
9 502501820 1 BOLT, 1/2-20 x 2-1/2
10 505025422 1 BOLT, 1/2-13 X 4-3/4
11 5023340 1 SPRING, Extension, Swivel End
12 502501112 1 BOLT, 5/16-18 x 1-1/2
13 503845106 1 IDLER ARM
14 5021976 3 PULLEY, Idler
15 5061339 1 SPACER, .52 X 1.00 X 3.42
16 5021541 2 BUSHING, Flange
17 5043607 1 SPACER, .50 X 1.00 X 2.00
18 5047027 1 SPACER, .51 X .75 X .56
19 503849874 1 ANCHOR, SPRING
20 5047142 2 SPACER, .52 X 1.25 X .70
21 5045023 1 SPACER, .52 X 1.00 X .44
22 5044673 1 SPACER, .52 X 1.00 X .88
23 5023297 1 BELT, 48" DECK
23 5023435 1 BELT, 52" DECK
24 5023175 3 PULLEY, Spindle, 5.72" (48" Deck)
24 5023178 3 PULLEY, Spindle, 6.12" (52" Deck)
25 5025406 1 WASHER, 3/4" Belleville (Included with Complete Spindle Assembly)
26 5025405 1 NUT, 3/4-16 Hex (Included with Complete Spindle Assembly)
27 5025098 1 NUT, 1/2-20 Hex Nylon Lock
The above parts group applies to the following Mfg. Nos.:
2005 49
© Copyright Simplicity Manufacturing, Inc. All Rights Reserved.
1694770 - 48" Mower
1694771 - 52" Mower
TP 400-4197-00-CI-S

48" & 52" Mower Deck - Rollers
NOTE: Unless noted otherwise,
use the standard hardware torque
specification chart.
1975rl0
The above parts group applies to the following Mfg. Nos.:
2005 50
© Copyright Simplicity Manufacturing, Inc. All Rights Reserved.
1694770 - 48" Mower
1694771 - 52" Mower
TP 400-4197-00-CI-S

PART NO. DESCRIPTIONREF NO QTY.
48" & 52" Mower Deck - Rollers
Footnotes
1 5025156 2 WASHER 3/8" SAE
2 5025394 4 NUT, 3/8-16 Hex Nylock Flange
3 5046586 2 SPACER, .38 X .50 X 5.06
4 5025158 4 WASHER, 1/2" SAE
5 502501348 2 BOLT, 3/8-16 X 6"
6 108765 2 BOLT, REAR WHEEL
7 1960027 4 WASHER
8 1714760 6 GAUGE WHEEL
9 503848603 1 STRIPER MOUNT, LH
10 503848604 1 STRIPER MOUNT, RH
11 5046903 1 SHAFT, Roller
12 5020785 2 ROLLER
13 5020441 3 COLLAR, 5/8" Split
14 5020594 2 COLLAR, 3/4" Double Split
15 5022846 2 BEARING, Flange
16 503846900 1 GUIDE SHAFT, LH
17 503846901 1 GUIDE SHAFT, RH
18 5023155 4 BUSHING, Flange
19 502501110 8 BOLT, 5/16-18 X 1-1/4"
20 50250106 8 BOLT, 1/4-20 X 3/4"
21 5025155 4 WASHER, 5/16" SAE
22 5025154 8 WASHER, 1/4" SAE
23 5025126 8 NUT, 1/4-20 Hex Serrated Flange
24 5025292 4 WASHER, 5/16" GD 9
25 5025139 4 NUT, 5/16-18 Hex Large Serrated Flange
26 5025057 4 NUT 5/16-18 Hex Nylon Lock
27 5022845 2 SPRING, Compression
The above parts group applies to the following Mfg. Nos.:
2005 51
© Copyright Simplicity Manufacturing, Inc. All Rights Reserved.
1694770 - 48" Mower
1694771 - 52" Mower
TP 400-4197-00-CI-S

48" & 52" Mower Deck - Spindle Service Parts Group
NOTE: Unless noted otherwise,
use the standard hardware torque
specification chart.
197spn0
The above parts group applies to the following Mfg. Nos.:
2005 52
© Copyright Simplicity Manufacturing, Inc. All Rights Reserved.
1694770 - 48" Mower
TP 400-4197-00-CI-S

PART NO. DESCRIPTIONREF NO QTY.
48" & 52" Mower Deck - Spindle Service Parts Group
Footnotes
1 5061095 3 SPINDLE ASSEMBLY, Complete (Includes Ref No. 2 - 10)
2 5023329 3 GREASE FITTING
3 5025405 3 NUT, 3/4-16 Hex
4 5025406 3 WASHER, 3/4" Belleville
5 5049793 6 TRASH SHIELD
6 5023330 6 BEARING
7 5023296 3 RELIEF VALVE
8 5061097 3 SPINDLE HOUSING
9 5061099 3 SPACER, 1.00 x 1.25 x 1.75
10 5061098 3 SPINDLE SHAFT
The above parts group applies to the following Mfg. Nos.:
2005 53
© Copyright Simplicity Manufacturing, Inc. All Rights Reserved.
1694770 - 48" Mower
TP 400-4197-00-CI-S

Torque Specification Chart
FOR STANDARD MACHINE HARDWARE (Tolerance ± 20%)
Hardware
Grade
SAE Grade 2 SAE Grade 5 SAE Grade 8
Size Of
in/lbs in/lbs
in/lbs
Hardware ft/lbs Nm. ft/lbs Nm. ft/lbs Nm.
8-32
19
2.1
30
3.4
41
4.6
8-36
20
2.3
31
3.5
43
4.9
10-24
27
3.1
43
4.9
60
6.8
10-32
31
3.5
49
5.5
68
7.7
1/4-20
66
7.6 810.9 12 16.3
1/4-28
76
8.6 10 13.6 14 19.0
5/16-18 11 15.0 17 23.1 25 34.0
5/16-24 12 16.3 19 25.8 27 34.0
3/8-16 20 27.2 30 40.8 45 61.2
3/8-24 23 31.3 35 47.6 50 68.0
7/16-14 30 40.8 50 68.0 70 95.2
7/16-20 35 47.6 55 74.8 80 108.8
1/2-13 50 68.0 75 102.0 110 149.6
1/2-20 55 74.8 90 122.4 120 163.2
9/16-12 65 88.4 110 149.6 150 204.0
9/16-18 75 102.0 120 163.2 170 231.2
5/8-11 90 122.4 150 204.0 220 299.2
5/8-18 100 136 180 244.8 240 326.4
3/4-10 160 217.6 260 353.6 386 525.0
3/4-16 180 244.8 300 408.0 420 571.2
7/8-9 140 190.4 400 544.0 600 816.0
7/8-14 155 210.8 440 598.4 660 897.6
1-8 220 299.2 580 788.8 900 1,244.0
1-12 240 326.4 640 870.4 1,000 1,360.0
Hex Head Capscrew
Hex Nut
Lockwasher
Washer
Carriage Bolt
NOTES
1. These torque values are to be used for all hardware
excluding: locknuts, self-tapping screws, thread forming
screws, sheet metal screws and socket head setscrews.
2. Recommended seating torque values for locknuts:
a. for prevailing torque locknuts - use 65% of grade 5
torques.
b. for flange whizlock nuts and screws - use 135% of
grade 5 torques.
3. Unless otherwise noted on assembly drawings, all torque
values must meet this specification.
Hardware Identification & Torque Specifications
Common Hardware Types
Screw, 1/2 x 2
Body
Diameter
Body
Length
Inside
Diameter
Nut, 1/2”
No
Marks
3/8” Bolt or Nut
Wrench—9/16”
3/8
5/16” Bolt or Nut
Wrench—1/2”
5/16
1/4” Bolt or Nut
Wrench—7/16”
1/4
1/2” Bolt or Nut
Wrench—3/4”
1/2
DIA.
7/16
DIA.
7/16” Bolt or Nut
Wrench (Bolt)—5/8”
Wrench (Nut)—11/16”
Wrench & Fastener Size Guide
Standard Hardware Sizing
When a washer or nut is identified as 1/2”, this is the
Nominal size
, meaning the
inside diameter
is 1/2 inch; if a
second number is present it represent the
threads per inch
When bolt or capscrew is identified as 1/2 - 16 x 2”, this
means the
Nominal size
, or
body diameter
is 1/2 inch; the
second number represents the
threads per inch
(16 in this
example, and the final number is the
body length
of the
bolt or screw (in this example 2 inches long).
The guides and ruler furnished below are designed to
help you select the appropriate hardware and tools.
0
1/4 3/4
1/2
1
1/4 3/4
1/2
2
1/4 3/4
1/2
3
1/4 3/4
1/2
4

500 N. Spring Street / PO Box 997
Port Washington, WI 53074-0997 USA
www.simplicitymfg.com
MANUFACTURING, INC.
© Copyright Simplicity Manufacturing, Inc.
All Rights Reserved. Printed In USA.
2005