Simplicity 18 5Hp Parts Manual Regent / 500 2500 Series Lawn Tractors & Mower Decks RMO
2014-12-13
: Simplicity Simplicity-18-5Hp-Parts-Manual-126363 simplicity-18-5hp-parts-manual-126363 simplicity pdf
Open the PDF directly: View PDF
.
Page Count: 64

Parts Manual
Rev. 03/2006
Regent / 500 / 2500
Series Lawn Tractors & Mower Decks RMO
Mf
g
. No. Descri
p
tion
18.5HP Product
2690492 Regent, 18.5HP B&S Hydro RMO w/38" Mower
2690493 Regent, 18.5HP B&S Hydro RMO w/44" Mower
2690494 2518, 18.5HP B&S Hydro RMO w/44" Mower
2690495 Regent, 18.5HP B&S Hydro RMO w/40" Mower
Mf
g
. No. Descri
p
tion
18HP Product
2690436 Regent, 18HP KOH Hydro RMO w/38" Mower
2690472 2518, 18HP KOH Hydro RMO w/38" Mower
2690499 518, 18HP KOH Hydro RMO w/38" Mower
Mf
g
. No. Descri
p
tion
20HP Product
2690437 Regent, 20HP B&S Hydro RMO w/38" Mower
2690468 520, 20HP B&S Hydro RMO w/38" Mower
2690471 2520, 20HP B&S Hydro RMO w/38" Mower
2690496 Regent, 20HP B&S Hydro RMO w/44" Mower
2690515 Regent, 20HP B&S Hydro RMO TRACTOR ONLY
Mf
g
. No. Descri
p
tion
22HP Product
2690438 Regent, 22HP B&S Hydro RMO w/44" Mower
2690467 522, 22HP B&S Hydro RMO w/44" Mower
2690470 2522, 22HP B&S Hydro RMO w/44" Mower
2690516 Regent, 22HP B&S Hydro RMO TRACTOR ONLY
Mf
g
. No. Descri
p
tion
24HP Product
2690439 Regent, 24HP B&S Hydro RMO w/50" Mower
2690466 524, 24HP B&S Hydro RMO w/50" Mower
2690469 2524, 24HP B&S Hydro RMO w/50" Mower
2690517 Regent, 24HP B&S Hydro RMO TRACTOR ONLY
Mf
g
. No. Descri
p
tion
Mower Decks
1694885 38" Mower Deck
1694888 38" Mower Deck
1694936 38" Mower Deck
1694974 38" Mower Deck (CE)
1694977 38" Mower Deck (CE)
1694976 40" Mower Deck (CE)
1694889 42" Mower Deck
1694886 44" Mower Deck
1694890 44" Mower Deck
1694937 44" Mower Deck
1694975 44" Mower Deck (CE)
1694978 44" Mower Deck (CE)
1695011 44" Mower Deck (CE)
1694887 50" Mower Deck
1694891 50" Mower Deck
1694938 50" Mower Deck
TP 400-4275-02-RG-SMA
1732835
Part No.:

Table Of Content
s
Torque Specification Chart ..................................................................... Inside Back Cover
PRODUCT COMPONENTS PAGES
Frame & Front Axle Group ................................................................................................................................... 4
Steering Group ..................................................................................................................................................... 6
Engine & Electric Clutch Group, 38" & 42" ......................................................................................................... 8
Engine & Electric Clutch Group, 44" & 50" .......................................................................................................... 10
Transmission Group ............................................................................................................................................. 12
Controls Group ..................................................................................................................................................... 14
Electrical Group .................................................................................................................................................... 16
Hood, Grille & Dash Group .................................................................................................................................. 20
Seat Deck & Fuel Tank Group ............................................................................................................................. 22
Lift Group - Manual .............................................................................................................................................. 24
Wheels & Tires Group .......................................................................................................................................... 26
Decals Group - Brand & Model ............................................................................................................................ 28
Decals Group - Safety & Common Group ........................................................................................................... 30
38" Mower Deck - Belt, Idler Arm & Hitch Group ................................................................................................. 32
38" Mower Deck - Height Adjustment & Roller Bar Group .................................................................................. 34
38" Mower Deck - Housing, Arbors & Blades Group ........................................................................................... 38
40" Mower Deck - Belt, Idler Arm & Hitch Group ................................................................................................. 40
40" Mower Deck - Height Adjustment & Roller Bar Group .................................................................................. 42
40" Mower Deck - Housing, Arbors & Blades Group ........................................................................................... 46
44" & 50" Mower Deck - Belt, Idler Arm & Hitch Group ....................................................................................... 48
44" Mower Deck - Height Adjustment & Roller Bar Group .................................................................................. 50
44" Mower Deck - Housing, Arbors & Blades Group ........................................................................................... 54
50" Mower Deck - Height Adjustment & Roller Bar Group .................................................................................. 56
50" Mower Deck - Housing, Arbors & Blades Group ........................................................................................... 60

Frame & Front Axle Group
NOTE: Unless noted otherwise,
use the standard hardware torque
specification chart.
986847
The above parts group applies to the following Mfg. Nos.:
2006 4
© Copyright Simplicity Manufacturing, Inc. All Rights Reserved.
2690436 - Re
g
ent
2690437 - Regent
2690438 - Re
g
ent
2690439 - Re
g
ent
2690466 - 524
2690467 - 522
2690468 - 520
2690469 - 2524
2690470 - 2522
2690471 - 2520
2690472 - 2518
2690492 - Regent
2690493 - Re
g
ent
2690494 - 2518
2690495 - Re
g
ent
2690496 - Re
g
ent
2690499 - 518
2690515 - Regent
2690516 - Re
g
ent
2690517 - Regent
TP 400-4275-02-RG-SMA

PART NO. DESCRIPTIONREF NO QTY.
Frame & Front Axle Group
Footnotes
PIVOT, Hood Powdered Metal 1 1728086 2
NUT, Hex, Flange Whizlock, 5/16-18 2 1931277 16
SUPPORT, Muffler, Hood 14GA 3 1727982A 1
CARRIAGE BOLT, 5/16-18 x 1 4 1931335 2
SCREW, Taptite, 5/16-18 x 5/8 5 1930601 14
CAPSCREW, Hex Head, 5/8-11 x 3-1/4 G5 6 2860744 1
WASHER, Flat, 5/8 7 1960035 1
SUPPORT, Front Footrest RH 8 1727904A 1
TOWER, 12GA 9 1727260A 1
SUPPORT, Seat Deck 12GA 10 1731310A 1
SUPPORT, Rear Frame 12GA 11 1731309A 1
CAPSCREW, Hex Head, Flange Whiz Lock, 5/16-18 x 3/4 12 1930591 14
SUPPORT, Front Footrest LH 13 1727905A 1
FRAME, 12GA 14 1727901A 1
NUT, Hex Flange Two-Way Lock, 5/8-11 15 2860646 1
PLATE, Axle Support 16 1727902A 1
LOCKNUT, Hex, Flange, 7/16-14 17 1930650 2
BUSHING, Nylon, 3/4 Diameter 18 2176440 4
FITTING, Zerk 19 1704214 3
LINK, Drag 20 1727868 1
SPINDLE & ARM ASSEMBLY, LH 21 1727873A 1
NUT, Hex Nylock 3/8-24 22 1960747 2
WASHER, 3/4 23 1960160 4
ROD, Tie 24 1728080A 1
NUT, Hex, Flange, Locking, 3/8-16 25 1930645 2
SPINDLE & CUP ASSEMBLY, RH 26 1727872A 1
BUSHING, Powdered Metal 27 1731912 2
CAPSCREW, Hex Head, 3/8-16 x 1-1/4, .141 Thread G5 28 1960032 2
CAPSCREW, 7/16-14 x 2 29 1927531 2
HOOK, "J" 30 1721918A 1
BUSHING, Axle Pivot Powdered Metal 31 1730186 2
AXLE, Front Iron Casting Machined 32 1728018 1
RING, Klipring Extension 33 1611710 2
CAP, Hub 34 1726504 2
The above parts group applies to the following Mfg. Nos.:
2006 5
© Copyright Simplicity Manufacturing, Inc. All Rights Reserved.
2690436 - Re
g
ent
2690437 - Regent
2690438 - Re
g
ent
2690439 - Re
g
ent
2690466 - 524
2690467 - 522
2690468 - 520
2690469 - 2524
2690470 - 2522
2690471 - 2520
2690472 - 2518
2690492 - Regent
2690493 - Re
g
ent
2690494 - 2518
2690495 - Re
g
ent
2690496 - Re
g
ent
2690499 - 518
2690515 - Regent
2690516 - Re
g
ent
2690517 - Regent
TP 400-4275-02-RG-SMA

Steering Group
NOTE: Unless noted otherwise,
use the standard hardware torque
specification chart.
986843
The above parts group applies to the following Mfg. Nos.:
2006 6
© Copyright Simplicity Manufacturing, Inc. All Rights Reserved.
2690436 - Re
g
ent
2690437 - Regent
2690438 - Re
g
ent
2690439 - Re
g
ent
2690466 - 524
2690467 - 522
2690468 - 520
2690469 - 2524
2690470 - 2522
2690471 - 2520
2690472 - 2518
2690492 - Regent
2690493 - Re
g
ent
2690494 - 2518
2690495 - Re
g
ent
2690496 - Re
g
ent
2690499 - 518
2690515 - Regent
2690516 - Re
g
ent
2690517 - Regent
TP 400-4275-02-RG-SMA

PART NO. DESCRIPTIONREF NO QTY.
Steering Group
Footnotes
CAP, Steering Wheel 1 1722319 1
NUT, Hex Lock, ESNA Light, 5/8-18, Thin 2 1960576 1
WASHER, 5/8 3 1924366 1
STEERING WHEEL, w/Aluminum Insert 4 1728069 1
RING, Klipring Extension 5 1611710 1
WASHER 6 1960114 2
BUSHING, Steering 7 1729665 2
NUT, Hex, Flange Whizlock, 5/16-18 8 1931277 4
BRACKET, Sector Support 9 1727940A 1
CAPSCREW, Hex Head, Flange Whiz Lock, 5/16-18 x 3/4 10 1930591 4
NUT, Whizlock, 3/8-16 11 1931211 2
GEAR, Steering, 26 teeth 12 1728027 1
SPACER, Sector Gear 0.374ID 1.25OD Powdered Metal Yellow 13 1728122 2
CAPSCREW, Hex, Flange, Whizlock, 3/8-16 x 1 14 1934654 2
SHAFT, Steering Gear & Spline Yellow 15 1727813 1
The above parts group applies to the following Mfg. Nos.:
2006 7
© Copyright Simplicity Manufacturing, Inc. All Rights Reserved.
2690436 - Re
g
ent
2690437 - Regent
2690438 - Re
g
ent
2690439 - Re
g
ent
2690466 - 524
2690467 - 522
2690468 - 520
2690469 - 2524
2690470 - 2522
2690471 - 2520
2690472 - 2518
2690492 - Regent
2690493 - Re
g
ent
2690494 - 2518
2690495 - Re
g
ent
2690496 - Re
g
ent
2690499 - 518
2690515 - Regent
2690516 - Re
g
ent
2690517 - Regent
TP 400-4275-02-RG-SMA

Engine & Electric Clutch Group, 38" & 42"
NOTE: Unless noted otherwise,
use the standard hardware torque
specification chart.
987056
The above parts group applies to the following Mfg. Nos.:
2006 8
© Copyright Simplicity Manufacturing, Inc. All Rights Reserved.
2690492 - Re
g
ent
2690493 - Regent
2690494 - 2518
2690495 - Re
g
ent
TP 400-4275-02-RG-SMA

PART NO. DESCRIPTIONREF NO QTY.
Engine & Electric Clutch Group, 38" & 42"
Footnotes
VALVE, Oil Drain 1 1717473 1
ENGINE, 18HP B&S Intek 1 Cylinder - Model # 31P777 Type # 0121 Trim # B1 2** 1
ENGINE, 20HP B&S Intek Twin - Model # 406577 Type # 0143 Trim # B1 2** 1
EDGING, Rubber, Short (B&S V-Twin) 3 1731970 1
EDGING, Rubber, Long (B&S Single Only) 3 1731971 1
CONTROL, Throttle Double 20.5, 23.5 B&S Single 4 1731410 1
CONTROL, Throttle Double 34.7, 36 B&S Twin 4 1731411 1
CLAMP, Hose Type E 5 2860112 2
HOSE, Fuel, 45-1/2" Long (B&S V-Twin) 6 1676861 1
HOSE, Fuel 55" Long (B&S Single Only) 6 1732001 1
CLIP, Hose, Plastic, Push-In 7 1730268 2
SHIELD, Heat 8 1728058A 1
SCREW, Taptite, 5/16-18 x 5/8 9 1930601 4
KEY, Hi-Pro, 1/4 x 2-1/2 10 1720463 1
PULLEY 11 1723497 1
TIE, Self Locking 7-5/16 13 2825094 1
CLUTCH ASSEMBLY, Long OGURA 14 1718836 1
WASHER 15 1708264 1
CAPSCREW, 7/16-20 x 3-1/2, Hex Head 16 1960649 1
LOCKWASHER, 7/16 17 1918199 1
SCREW, Hex, Washer Head, Taptite, 3/8-16 x 1-1/4 18 2828635 4(1)
CAPSCREW, Hex Head, Taptite, 3/8-16 x 1-1/2 (B&S Single Only) 18 2827187 3
WASHER, 3/8 19 1924940 1
RETAINER, Clutch, Yellow 20 1732026 1
LOCKWASHER, External Tooth, 3/8 21 2820427 1
SHIELD, Heat B&S Twin 20GA 22 1727997A 1
SCREW, Taptite, 1/4-20 x 1/2 23 1925003 4
PIPE, Exhaust w/Flange LH B&S INT 24 1727980 1
PIPE, Exhaust w/Flange RH B&S INT 25 1727979 1
GASKET, Exhaust B&S 26 1731214 2(1)
LOCKWASHER, 5/16 27 1917356 4(2)
CAPSCREW, Socket Head, 5/16-18 x 3/4 28 1936228 4(2)
BRACKET, Muffler Mount 12GA 29 1727976A 1
MUFFLER, B&S Twin 30 1727994 1
CLIP, Wire 31 2834683 1
SHIELD, Heat Single Cycle 20GA 32 1727996A 1
MUFFLER, B&S Single 33 1727993 1
PIPE, Exhaust w/Flange B&S 1 Cycle 34 1728959 1
Note** See your local Briggs & Stratton distributor for parts and service.
The above parts group applies to the following Mfg. Nos.:
2006 9
© Copyright Simplicity Manufacturing, Inc. All Rights Reserved.
2690492 - Re
g
ent
2690493 - Regent
2690494 - 2518
2690495 - Re
g
ent
TP 400-4275-02-RG-SMA

Engine & Electric Clutch Group, 44" & 50"
NOTE: Unless noted otherwise,
use the standard hardware torque
specification chart.
986840
The above parts group applies to the following Mfg. Nos.:
2006 10
© Copyright Simplicity Manufacturing, Inc. All Rights Reserved.
2690436 - Re
g
ent
2690437 - Regent
2690438 - Re
g
ent
2690439 - Re
g
ent
2690466 - 524
2690467 - 522
2690468 - 520
2690469 - 2524
2690470 - 2522
2690471 - 2520
2690472 - 2518
2690496 - Regent
2690499 - 518
2690515 - Regent
2690516 - Re
g
ent
2690517 - Re
g
ent
TP 400-4275-02-RG-SMA

PART NO. DESCRIPTIONREF NO QTY.
Engine & Electric Clutch Group, 44" & 50"
Footnotes
VALVE, Oil Drain 1 1717473 1
ENGINE, 18HP Kohler Single Courage Pro - Model # SV540S-18 HP Spec #PS-
SV540-0017
2* 1
ENGINE, 20HP B&S Intek Twin - Model # 406577 Type # 0143 Trim # B1 2** 1
ENGINE, 22HP B&S Intek Twin - Model # 445677 Type # 0421 Trim # B1 2** 1
ENGINE, 24HP B&S Intek Twin - Model # 441777 Type # 0117 Trim # B1 2** 1
EDGING, Rubber, Short (B&S V-Twin & Kohler Single) 3 1731970 1
CONTROL, Throttle Double 19" Long (Kohler Single) 4 1731409 1
CONTROL, Throttle Double 34.7" Long (B&S Twin) 4 1731411 1
CLAMP, Hose Type E 5 2860112 2
HOSE, Fuel, 45-1/2" Long (B&S V-Twin & Kohler Single) 6 1676861 1
HOSE, Fuel 55" Long (B&S Single Only) 6 1732001 1
CLIP, Hose, Plastic, Push-In 7 1730268 2
SHIELD, Heat 8 1728058A 1
SCREW, Taptite, 5/16-18 x 5/8 9 1930601 4
KEY, Square, 1/4 x 1/4 x 29/32 Hard 10 2154096 2
PULLEY 11 1723497 1
SPACER, 1.01 ID x 1.68 OD x 3/8 LG Powdered Metal Yellow 12 1732208 1
TIE, Self Locking 7-5/16 13 2825094 1
CLUTCH ASSEMBLY, Mid-Range OGURA 14 1731275 1
WASHER 15 1708264 1
CAPSCREW, 7/16-20 x 3 16 2860631 1
LOCKWASHER, 7/16 17 1918199 1
SCREW, Hex, Washer Head, Taptite, 3/8-16 x 1-1/4 18 2828635 4(1)
WASHER, 3/8 19 1924940 1
RETAINER, Clutch, Black 20 1732199 1
LOCKWASHER, External Tooth, 3/8 21 2820427 1
SHIELD, Heat B&S Twin 20GA 22 1727997A 1
SCREW, Taptite, 1/4-20 x 1/2 23 1925003 4
PIPE, Exhaust w/Flange LH B&S INT 24 1727980 1
PIPE, Exhaust w/Flange RH B&S INT 25 1727979 1
GASKET, Exhaust B&S 26 1731214 2(1)
LOCKWASHER, 5/16 27 1917356 4(2)
CAPSCREW, Socket Head, 5/16-18 x 3/4 28 1936228 4(2)
BRACKET, Muffler Mount 12GA 29 1727976A 1
MUFFLER, B&S Twin 30 1727994 1
CLIP, Wire 31 2834683 1
SHIELD, Heat Single Cycle 20GA 32 1727996A 1
MUFFLER, B&S Single 33 1727993 1
PIPE, Exhaust w/Flange Kohler 34 1727978 1
Note* See your local Kohler distributor for parts & service.
Note** See your local Briggs & Stratton distributor for parts and service.
The above parts group applies to the following Mfg. Nos.:
2006 11
© Copyright Simplicity Manufacturing, Inc. All Rights Reserved.
2690436 - Re
g
ent
2690437 - Regent
2690438 - Re
g
ent
2690439 - Re
g
ent
2690466 - 524
2690467 - 522
2690468 - 520
2690469 - 2524
2690470 - 2522
2690471 - 2520
2690472 - 2518
2690496 - Regent
2690499 - 518
2690515 - Regent
2690516 - Re
g
ent
2690517 - Re
g
ent
TP 400-4275-02-RG-SMA

Transmission Group
NOTE: Unless noted otherwise,
use the standard hardware torque
specification chart.
987060
The above parts group applies to the following Mfg. Nos.:
2006 12
© Copyright Simplicity Manufacturing, Inc. All Rights Reserved.
2690436 - Re
g
ent
2690437 - Regent
2690438 - Re
g
ent
2690439 - Re
g
ent
2690466 - 524
2690467 - 522
2690468 - 520
2690469 - 2524
2690470 - 2522
2690471 - 2520
2690472 - 2518
2690492 - Regent
2690493 - Re
g
ent
2690494 - 2518
2690495 - Re
g
ent
2690496 - Re
g
ent
2690499 - 518
2690515 - Regent
2690516 - Re
g
ent
2690517 - Regent
TP 400-4275-02-RG-SMA

PART NO. DESCRIPTIONREF NO QTY.
Transmission Group
Footnotes
CAPSCREW, Hex Head, Taptite, 5/16-18 x 3/4 1 1664847 1
NUT, Hex, Flange Whizlock, 5/16-18 2 1931277 8
ROD, Bypass, 11.44 LG Yellow 3 1728120 1
PIN, Quick 4 1722460 2
NUT, Hex Flange, 5/16-18 ESNA 5 1960686 1
SUPPORT, Transmission 6 1727903A 2
CAPSCREW, Hex Head, Flange Whiz Lock, 5/16-18 x 3/4 7 1930591 4
TRANSMISSION ASSEMBLY, K46 8 1729588 1
TRANSMISSION ASSEMBLY, K46HD (Used with 22" Tire Models) 8 1729589 1
SCREW, Hex Head Flange Lock, 5/16-18 x 2-1/2 9 1960586 4
NUT, Hex Flange, 5/16-18 ESNA 10 1960686 1
SPACER 11 1666697 1
CAPSCREW, Hex Head, 5/16-18 x 1-3/4 18 1922127 1
V-BELT, Drive Belt, Aramid/Kevlar 12 1728008 1
ARM, Control 7GA 13 1727258A 1
WASHER, Flat, 5/16 14 1919326 1
CAPSCREW, Hex Head, 5/16-18 x 1 15 1921333 1
STRAP, Torque 7 GA 16 1728043A 1
WASHER, Plain, 5/16 17 1919381 1
The above parts group applies to the following Mfg. Nos.:
2006 13
© Copyright Simplicity Manufacturing, Inc. All Rights Reserved.
2690436 - Re
g
ent
2690437 - Regent
2690438 - Re
g
ent
2690439 - Re
g
ent
2690466 - 524
2690467 - 522
2690468 - 520
2690469 - 2524
2690470 - 2522
2690471 - 2520
2690472 - 2518
2690492 - Regent
2690493 - Re
g
ent
2690494 - 2518
2690495 - Re
g
ent
2690496 - Re
g
ent
2690499 - 518
2690515 - Regent
2690516 - Re
g
ent
2690517 - Regent
TP 400-4275-02-RG-SMA

Controls Group
NOTE: Unless noted otherwise,
use the standard hardware torque
specification chart.
986842
The above parts group applies to the following Mfg. Nos.:
2006 14
© Copyright Simplicity Manufacturing, Inc. All Rights Reserved.
2690436 - Re
g
ent
2690437 - Regent
2690438 - Re
g
ent
2690439 - Re
g
ent
2690466 - 524
2690467 - 522
2690468 - 520
2690469 - 2524
2690470 - 2522
2690471 - 2520
2690472 - 2518
2690492 - Regent
2690493 - Re
g
ent
2690494 - 2518
2690495 - Re
g
ent
2690496 - Re
g
ent
2690499 - 518
2690515 - Regent
2690516 - Re
g
ent
2690517 - Regent
TP 400-4275-02-RG-SMA

PART NO. DESCRIPTIONREF NO QTY.
Controls Group
Footnotes
PAD, Foot Pedal Reverse 1 1727259 1
CARRIAGE BOLT, 5/16-18 x 1-1/4 2 1960223 2
SPACER, Pivot 0.330ID 1.76OD .37TH Powdered Metal 3 1727935 2
PEDAL, Reverse 4 1727246A 1
SPACER, Foot Pedal Powdered Metal 5 1728024 1
NUT, Hex, Flange Whizlock, 5/16-18 6 1931277 6
ACTUATOR, RMO Switch 20GA 7 1728025 1
ROD, Cruise Latch, 16.97LG 8 1727898 1
CLIP, Linkage, Black 9 1728111 2
ROD, Parking Brake, 16.38 LG Yellow 10 1727267 1
CARRIAGE BOLT, 3/8-16 x 1-1/4 11 1960268 2
BRACKET, Idler 7GA 12 1727894A 1
SPRING, Extension 07.52 LG Black 13 1729620 1
PULLEY, 3 OD Plastic 14 1728001 1
NUT, Hex Flange, 3/8-16 ESNA 15 1960687 2
CARRIAGE BOLT, 5/16-18 x 1 16 1931335 1
PULLEY, Idler 17 1728000 1
SPRING, Extension 18 1721995 1
PIN, Cotter 3/32 x 3/4 19 1918447 1
ROD, Brake, 15.1 LG 20 1727253 1
SPRING, Extension 05.37 LG Black 21 1731262 1
PEDAL, Brake Rubber 22 1727261 1
PIN, Quick 23 1722460 1
ROD, Brake Return, 12.60 LG 24 1727254 1
PEDAL ASSEMBLY, Brake 25 1727252A 1
ROD, Cruise Latch, 2.83 LG 26 1727899 1
SPRING, Tension, Clutch 27 2159181 1
LATCH, Cruise Powdered Metal 28 1727897 1
BOLT, Shoulder 5/16-18 G5 29 1728976 1
LATCH, Brake Lock 10GA 30 1727269A 1
BOLT, Shoulder 5/16-18 G5 31 1729576 1
SCREW, Taptite, 5/16-18 x 5/8 32 1930601 3
PLATE, Bearing 33 1727911A 1
BRACKET, Pedal Pivot 10GA 34 1727909A 1
CAPSCREW, Hex Head, Flange Whiz Lock, 5/16-18 x 3/4 35 1930591 1
PEDAL ASSEMBLY, Forward 36 1727250A 1
PAD, Foot Pedal Forward 37 1721675 1
The above parts group applies to the following Mfg. Nos.:
2006 15
© Copyright Simplicity Manufacturing, Inc. All Rights Reserved.
2690436 - Re
g
ent
2690437 - Regent
2690438 - Re
g
ent
2690439 - Re
g
ent
2690466 - 524
2690467 - 522
2690468 - 520
2690469 - 2524
2690470 - 2522
2690471 - 2520
2690472 - 2518
2690492 - Regent
2690493 - Re
g
ent
2690494 - 2518
2690495 - Re
g
ent
2690496 - Re
g
ent
2690499 - 518
2690515 - Regent
2690516 - Re
g
ent
2690517 - Regent
TP 400-4275-02-RG-SMA

Electrical Group
NOTE: Unless noted otherwise,
use the standard hardware torque
specification chart.
Battery to•
RH rear
engine MTG
At seat switch connection
Thru back
of heat
shield
Starter
conection
Secure harness
to RH hood
pivot bracket
Engine
connection
Tie to seat
support for models
without 12V outlet
See steering group
for mounting hardware
10
18
16
22
8
20 17
19
7
21
33
30
37
40
34
29
36
32
35
38
39
47
13
43 41
14
11 12
49
15
6
5
50 52
51
2
4
3
9
646 17
645
644
648
17
28
42
31
1
24
25
26
27
23
986851
The above parts group applies to the following Mfg. Nos.:
2006 16
© Copyright Simplicity Manufacturing, Inc. All Rights Reserved.
2690436 - Re
g
ent
2690437 - Regent
2690438 - Re
g
ent
2690439 - Re
g
ent
2690466 - 524
2690467 - 522
2690468 - 520
2690469 - 2524
2690470 - 2522
2690471 - 2520
2690472 - 2518
2690492 - Regent
2690493 - Re
g
ent
2690494 - 2518
2690495 - Re
g
ent
2690496 - Re
g
ent
2690499 - 518
2690515 - Regent
2690516 - Re
g
ent
2690517 - Regent
TP 400-4275-02-RG-SMA

PART NO. DESCRIPTIONREF NO QTY.
Electrical Group
Footnotes
SWITCH ASSEMBLY, Ignition, 6-Pole (Includes Ref. 2, 3, 4 & 5) 1 1716061 1
WASHER, 5/8 2 2101025 1
LOCKWASHER, Internal Tooth, 5/8 3 1960547 1
NUT, Hex, Flange, 5/8-32 4 1717549 1
COVER, Ignition 5 1717550 1
IGNITION KEY (Set of 2) 6 1717163 1
SWITCH, Headlights, 2 Terminal 7 1716951 1
PLUG, Hole, Square 8 1722611 1
PLUG, Hour Meter (Kohler and B&S Single) 9 1729993 1
METER, Hour, LCD (B&S V-Twin Only) 10 1728068 1
WASHER, Plain, 1/4 (6 Total for Export) 11 1960353 1
NUT, Wing, 1/4-20 12 2860293 1
CARRIAGE BOLT, 1/4-20 x 7/8 13 1931318 1
NUT, Push On 14 1960518 1
HOLD DOWN, Battery 15 1730007 1
SWITCH, Push Button (NC) 16 1732005 1
TIE, Self Locking 7-5/16 17 2825094 3
OUTLET, 12 Volt DC Power 18 7073090 1
PLUG, Hole Models W/O 12V Adapter 19 1732007 1
SWITCH, Push Button (NO/NC) 20 1732006 1
SUPPORT, Battery 12 GA 21 1727282A 1
SCREW, Taptite, 5/16-18 x 5/8 22 1930601 4
HEADLIGHT ASSEMBLY (Includes Ref. 24, 25, 26 & 27) 23 1727296 1
SOCKET ASSEMBLY 24 1723451 2
BULB, 1141-12V 21CP 25 1677371 2
REFLECTOR, Headlight 26 1728973 1
LENS, Headlight 27 1728974 1
CLIP, Speed Wire 28 2834683 1
NUT, Hex, Flange, 1/4-20 29 1960294 1
COVER, Terminal 30 1713535 1
HARNESS, Wiring 31 1728097 1
CABLE, Solenoid to Starter 32 1721830 1
SOLENOID 33 1728963 1
SCREW, Taptite, 1/4-20 x 1/2 34 1925003 2
LOCKWASHER, External Tooth, 5/16 35 2820426 2
NUT, Hex, 5/16-24 NF 36 2820263 2
BATTERY 36 1722841 1
CABLE, #6 x 10 Long, with 2 Ring Terminals, Battery to Solenoid 37 1716549 1
NUT, Hex, Flange Whizlock, 5/16-18 38 1931277 2
SUPPORT, RMO Switch 39 1728026A 1
CARRIAGE BOLT, 5/16-18 x 3/4 40 1931333 2
BOOT, Insulator 41 1677296 1
BATTERY 42 1722841 1
SWITCH, Push Button (NO), Reverse Pedal 43 1732004 1
The above parts group applies to the following Mfg. Nos.:
2006 17
© Copyright Simplicity Manufacturing, Inc. All Rights Reserved.
2690436 - Re
g
ent
2690437 - Regent
2690438 - Re
g
ent
2690439 - Re
g
ent
2690466 - 524
2690467 - 522
2690468 - 520
2690469 - 2524
2690470 - 2522
2690471 - 2520
2690472 - 2518
2690492 - Regent
2690493 - Re
g
ent
2690494 - 2518
2690495 - Re
g
ent
2690496 - Re
g
ent
2690499 - 518
2690515 - Regent
2690516 - Re
g
ent
2690517 - Regent
TP 400-4275-02-RG-SMA

Electrical Group
NOTE: Unless noted otherwise,
use the standard hardware torque
specification chart.
Battery to•
RH rear
engine MTG
At seat switch connection
Thru back
of heat
shield
Starter
conection
Secure harness
to RH hood
pivot bracket
Engine
connection
Tie to seat
support for models
without 12V outlet
See steering group
for mounting hardware
10
18
16
22
8
20 17
19
7
21
33
30
37
40
34
29
36
32
35
38
39
47
13
43 41
14
11 12
49
15
6
5
50 52
51
2
4
3
9
646 17
645
644
648
17
28
42
31
1
24
25
26
27
23
986851
The above parts group applies to the following Mfg. Nos.:
2006 18
© Copyright Simplicity Manufacturing, Inc. All Rights Reserved.
2690436 - Re
g
ent
2690437 - Regent
2690438 - Re
g
ent
2690439 - Re
g
ent
2690466 - 524
2690467 - 522
2690468 - 520
2690469 - 2524
2690470 - 2522
2690471 - 2520
2690472 - 2518
2690492 - Regent
2690493 - Re
g
ent
2690494 - 2518
2690495 - Re
g
ent
2690496 - Re
g
ent
2690499 - 518
2690515 - Regent
2690516 - Re
g
ent
2690517 - Regent
TP 400-4275-02-RG-SMA

PART NO. DESCRIPTIONREF NO QTY.
Electrical Group
Footnotes
NUT, Hex, Full, 1/4-20 44 2816622 2
LOCKWASHER, 1/4 45 2816964 2
WASHER, 1/4 I.D. 46 2821319 2
CABLE, Battery to Ground 47 1713163 1
CAPSCREW, Hex Head, 1/4-20 x 3/4 48 2823341 2
FUSE, Wiring Harness 49 1731957 1
NO-MOW MODULE 50 1726556 1
KEY, w/Hang Tag for RMO Module 51 1727185 1
SWITCH, PTO, Push/Pull Symbols 52 1722887 1
The above parts group applies to the following Mfg. Nos.:
2006 19
© Copyright Simplicity Manufacturing, Inc. All Rights Reserved.
2690436 - Re
g
ent
2690437 - Regent
2690438 - Re
g
ent
2690439 - Re
g
ent
2690466 - 524
2690467 - 522
2690468 - 520
2690469 - 2524
2690470 - 2522
2690471 - 2520
2690472 - 2518
2690492 - Regent
2690493 - Re
g
ent
2690494 - 2518
2690495 - Re
g
ent
2690496 - Re
g
ent
2690499 - 518
2690515 - Regent
2690516 - Re
g
ent
2690517 - Regent
TP 400-4275-02-RG-SMA

Hood, Grille & Dash Group
NOTE: Unless noted otherwise,
use the standard hardware torque
specification chart.
986844
The above parts group applies to the following Mfg. Nos.:
2006 20
© Copyright Simplicity Manufacturing, Inc. All Rights Reserved.
2690436 - Re
g
ent
2690437 - Regent
2690438 - Re
g
ent
2690439 - Re
g
ent
2690466 - 524
2690467 - 522
2690468 - 520
2690469 - 2524
2690470 - 2522
2690471 - 2520
2690472 - 2518
2690492 - Regent
2690493 - Re
g
ent
2690494 - 2518
2690495 - Re
g
ent
2690496 - Re
g
ent
2690499 - 518
2690515 - Regent
2690516 - Re
g
ent
2690517 - Regent
TP 400-4275-02-RG-SMA

PART NO. DESCRIPTIONREF NO QTY.
Hood, Grille & Dash Group
Footnotes
HOOD, with Louver, (Red) 1 1722110D 1
HOOD, with Louver, (Orange) 1 1722110C 1
CAPSCREW, Whizlock, 1/4-20 x 5/8 2 1960295 12
DUCT, Air Inlet Plastic 3 1731891 1
ROD, Dash Support 4 1723123 1
NUT, Push Pal 5 1960518 2
KNOB, Cruise Lock Green Plastic 6 1728090 1
COVER, Steering Shaft Plastic 7 1727999 1
CAPSCREW, Hex Head, Taptite, 5/16-18 x 3/4 8 1664847 2
WASHER, Plain, 5/16 9 1919381 2
KNOB, Brake Lock Plastic 10 1728089 1
DASHBOARD 11 1727293 1
GUIDE, Hood RH 12 1732031 1
WASHER 13 1960096 2
RIVET, Pop, Stem Black 14 1928707 2
GUIDE, Hood LH 15 1732030 1
NUT, Hex Flange Whiz, 1/4-20 16 1930641 12
PANEL, Hood LH Side (Red) 17 1728030D 1
PANEL, Hood LH Side (Orange) 17 1728030C 1
NUT, Hex, Nylon, Lock, #10-24 18 1933896 1
SCREW, Self-Tap 19 1925003 1
INSERT, Lightbar 20 1728975 1
HINGE, Hood RH 21 1727280A 1
HINGE, Hood LH 21 1727279A 1
GRILLE 22 1727297D 1
GRILLE, Orange 22 1727297C 1
PANEL, Hood RH Side (Red) 23 1728029D 1
PANEL, Hood RH Side (Orange) 23 1728029C 1
SCREW, Pan Head #10-24 x 1/2 24 1960392 1
HEADLIGHT ASSEMBLY 25 1727296 1
The above parts group applies to the following Mfg. Nos.:
2006 21
© Copyright Simplicity Manufacturing, Inc. All Rights Reserved.
2690436 - Re
g
ent
2690437 - Regent
2690438 - Re
g
ent
2690439 - Re
g
ent
2690466 - 524
2690467 - 522
2690468 - 520
2690469 - 2524
2690470 - 2522
2690471 - 2520
2690472 - 2518
2690492 - Regent
2690493 - Re
g
ent
2690494 - 2518
2690495 - Re
g
ent
2690496 - Re
g
ent
2690499 - 518
2690515 - Regent
2690516 - Re
g
ent
2690517 - Regent
TP 400-4275-02-RG-SMA

Seat Deck & Fuel Tank Group
NOTE: Unless noted otherwise,
use the standard hardware torque
specification chart.
987074
The above parts group applies to the following Mfg. Nos.:
2006 22
© Copyright Simplicity Manufacturing, Inc. All Rights Reserved.
2690436 - Re
g
ent
2690437 - Regent
2690438 - Re
g
ent
2690439 - Re
g
ent
2690466 - 524
2690467 - 522
2690468 - 520
2690469 - 2524
2690470 - 2522
2690471 - 2520
2690472 - 2518
2690492 - Regent
2690493 - Re
g
ent
2690494 - 2518
2690495 - Re
g
ent
2690496 - Re
g
ent
2690499 - 518
2690515 - Regent
2690516 - Re
g
ent
2690517 - Regent
TP 400-4275-02-RG-SMA

PART NO. DESCRIPTIONREF NO QTY.
Seat Deck & Fuel Tank Group
Footnotes
SEAT, Hi Back, Steel Pan 1 1730159 1
WASHER, Plain, 5/16 2 1919381 4
LATCH, Seat 20GA E-Coat 3 1727268 1
CAPSCREW, Hex Head Flange Dog Point, 5/16-18 x 1 4 1960667 4
SPACER, 0.32 ID x 1-1/2 OD x 3/10 THK Powdered Metal Yellow 5 1731300 4
SUPPORT, Seat 12GA 6 1727265A 1
CARRIAGE BOLT, 5/16-18 x 3/4 7 1960282 2
PIVOT, Seat 10GA 8 1727266A 1
BOLT, Carriage, 5/16-18 x 3/4 9 1931333 4
NUT, Hex Flange, 5/16-18 ESNA 10 1960686 4
BOLT, Shoulder 5/16-18 G5 11 1729576 2
SPRING, Compression 12 1704728 2
WASHER, Spring Black 13 1709256 4
COVER, Spring 14 1704724 2
POD, LH Cup Holder 15 1729001 1
ELBOW FITTING 16 1674231 1
BUSHING 17 1654930 1
TANK, Fuel 18 1727305 1
CAP, Gas 19 1715917 1
PAD, Footrest LH 20 1728006 1
NUT, Hex, Flange Whizlock, 5/16-18 21 1931277 4
PAD, Footrest RH 22 1728007 1
DECK, Seat w/Footrests (Orange) 23 1727264C 1
DECK, Seat w/Footrests (Red) 23 1727264D 1
SCREW, Hex, Washer Head, Plastite, 1/4-20 x 1/2 24 1960536 6
SCREW, Taptite, 5/16-18 x 5/8 25 1930601 2
POD, RH Lift Quadrant 26 1729000 1
The above parts group applies to the following Mfg. Nos.:
2006 23
© Copyright Simplicity Manufacturing, Inc. All Rights Reserved.
2690436 - Re
g
ent
2690437 - Regent
2690438 - Re
g
ent
2690439 - Re
g
ent
2690466 - 524
2690467 - 522
2690468 - 520
2690469 - 2524
2690470 - 2522
2690471 - 2520
2690472 - 2518
2690492 - Regent
2690493 - Re
g
ent
2690494 - 2518
2690495 - Re
g
ent
2690496 - Re
g
ent
2690499 - 518
2690515 - Regent
2690516 - Re
g
ent
2690517 - Regent
TP 400-4275-02-RG-SMA

Lift Group - Manual
NOTE: Unless noted otherwise,
use the standard hardware torque
specification chart.
986849
The above parts group applies to the following Mfg. Nos.:
2006 24
© Copyright Simplicity Manufacturing, Inc. All Rights Reserved.
2690436 - Re
g
ent
2690437 - Regent
2690438 - Re
g
ent
2690439 - Re
g
ent
2690466 - 524
2690467 - 522
2690468 - 520
2690469 - 2524
2690470 - 2522
2690471 - 2520
2690472 - 2518
2690492 - Regent
2690493 - Re
g
ent
2690494 - 2518
2690495 - Re
g
ent
2690496 - Re
g
ent
2690499 - 518
2690515 - Regent
2690516 - Re
g
ent
2690517 - Regent
TP 400-4275-02-RG-SMA

PART NO. DESCRIPTIONREF NO QTY.
Lift Group - Manual
Footnotes
DECAL, Mower Transport Lift 1 1730263 1
CARRIAGE BOLT, 1/4-20 x 5/8 G5 2 1960252 1
QUADRANT, Lift 12GA 3 1729583A 1
NUT, Hex Flange Whiz, 1/4-20 4 1930641 1
GRIP 5 1722302 1
ROD, Lift Handle E-Coat, 17.7 LG 6 1728070 1
CAPSCREW, Hex Head, 5/16-18 x 1 7 1921333 1
WASHER, Plain, 21/64 x 1-1/4 8 1960044 1
SPRING, Torsion, 2.12 LG Black 9 1729652 1
CLEVIS, Lift 7GA 10 1728990A 1
SPACER, Pivot 0.330ID 1.76OD .37TH Powdered Metal 11 1727935 1
NUT, Hex, Flange Whizlock, 5/16-18 12 1931277 1
PLATE, Bearing 13 1727911A 1
SCREW, Taptite, 5/16-18 x 5/8 14 1930601 2
WASHER, Flat, 5/16 (Quantity 1 used with 38" Mower Deck) 15 1919326 2
CLIP, Spring (Quantity 2 used with 38" Mower Deck) 16 1960074 4
CABLE, Lift Ring Terminals (Quantity 1 used with 38" Mower Deck) 17 1732009 2
PIN, Clevis (Quantity 1 used with 38" Mower Deck) 18 1732049 2
WASHER, 3/8 (Quantity 1 used with 38" Mower Deck) 19 1924940 2
SHAFT ASSEMBLY, Lift 20 1727951A 1
ROD, Lift, 5.43 LG 21 1727954 1
The above parts group applies to the following Mfg. Nos.:
2006 25
© Copyright Simplicity Manufacturing, Inc. All Rights Reserved.
2690436 - Re
g
ent
2690437 - Regent
2690438 - Re
g
ent
2690439 - Re
g
ent
2690466 - 524
2690467 - 522
2690468 - 520
2690469 - 2524
2690470 - 2522
2690471 - 2520
2690472 - 2518
2690492 - Regent
2690493 - Re
g
ent
2690494 - 2518
2690495 - Re
g
ent
2690496 - Re
g
ent
2690499 - 518
2690515 - Regent
2690516 - Re
g
ent
2690517 - Regent
TP 400-4275-02-RG-SMA

Wheels & Tires Group
NOTE: Unless noted otherwise,
use the standard hardware torque
specification chart.
W986848
The above parts group applies to the following Mfg. Nos.:
2006 26
© Copyright Simplicity Manufacturing, Inc. All Rights Reserved.
2690436 - Re
g
ent
2690437 - Regent
2690438 - Re
g
ent
2690439 - Re
g
ent
2690466 - 524
2690467 - 522
2690468 - 520
2690469 - 2524
2690470 - 2522
2690471 - 2520
2690472 - 2518
2690492 - Regent
2690493 - Re
g
ent
2690494 - 2518
2690495 - Re
g
ent
2690496 - Re
g
ent
2690499 - 518
2690515 - Regent
2690516 - Re
g
ent
2690517 - Regent
TP 400-4275-02-RG-SMA

PART NO. DESCRIPTIONREF NO QTY.
Wheels & Tires Group
Footnotes
WASHER, 3/4 1 1960160 8
WHEEL & TIRE ASSEMBLY, Front 2 1729708 2
TIRE, Turf 15 X 6.00 - 6 Saver TL 3 1731951 1
TUBE, Tire, Front 4 1664090 1
WHEEL & BUSHINGS ASSEMBLY, Front 5 1726301 1
VALVE STEM & CAP 6 2172353 2
BEARING 7 1713167 4
FITTING, Grease, 1/4-28 Thread 8 2812808 1
WASHER, Special Yellow 9 1722717 4
RING, Retaining 10 2827794 4
CAP, Hub 11 1722676 4
KEY, 3/16 x 3/16 x 3 12 1713409 2
WASHER 13 2860202 2
SPACER, 0.77 ID x 1-1/4 OD x 1.65 LG Powdered Metal Black 14 1730181 2
WHEEL & TIRE ASSEMBLY, Rear 20" 15 1729709 2
WHEEL & TIRE ASSEMBLY, Rear 22" 15 1729710 2
TIRE, Turf 22 X 8.00 - 8 Saver TL 16 1731952 1
TIRE, Turf 22 X 10.00 - 8 Saver TL 16 1731953 1
TUBE, Tire, Rear, 22 X 8 - 8 17 2164247 1
TUBE, Tire, Rear, 22 X 10 - 8 17 2173477 1
WHEEL, Hub 18 1731954 1
The above parts group applies to the following Mfg. Nos.:
2006 27
© Copyright Simplicity Manufacturing, Inc. All Rights Reserved.
2690436 - Re
g
ent
2690437 - Regent
2690438 - Re
g
ent
2690439 - Re
g
ent
2690466 - 524
2690467 - 522
2690468 - 520
2690469 - 2524
2690470 - 2522
2690471 - 2520
2690472 - 2518
2690492 - Regent
2690493 - Re
g
ent
2690494 - 2518
2690495 - Re
g
ent
2690496 - Re
g
ent
2690499 - 518
2690515 - Regent
2690516 - Re
g
ent
2690517 - Regent
TP 400-4275-02-RG-SMA

Decals Group - Brand & Model
NOTE: Unless noted otherwise,
use the standard hardware torque
specification chart.
B986848
The above parts group applies to the following Mfg. Nos.:
2006 28
© Copyright Simplicity Manufacturing, Inc. All Rights Reserved.
2690436 - Re
g
ent
2690437 - Regent
2690438 - Re
g
ent
2690439 - Re
g
ent
2690466 - 524
2690467 - 522
2690468 - 520
2690469 - 2524
2690470 - 2522
2690471 - 2520
2690472 - 2518
2690492 - Regent
2690493 - Re
g
ent
2690494 - 2518
2690495 - Re
g
ent
2690496 - Re
g
ent
2690499 - 518
2690515 - Regent
2690516 - Re
g
ent
2690517 - Regent
TP 400-4275-02-RG-SMA

PART NO. DESCRIPTIONREF NO QTY.
Decals Group - Brand & Model
Footnotes
DECAL, Simplicity, LH Stripe 1 1731390 1
DECAL, Simplicity, RH Stripe 2 1731391 1
DECAL, SMI Steering Wheel Icon Orange 3 1731418 1
DECAL, Simplicity 4 1722551 1
DECAL, Regent, Silver & Blue 5 1722772 1
DECAL, 18HP, Silver/Clear 6 1722779 1
DECAL, 18.5HP, Silver/Clear 6 1731925 1
DECAL, 20HP, Silver/Clear 6 1722780 1
DECAL, 22HP, Silver/Clear 6 1726944 1
DECAL, 24HP, Silver/Clear 6 1731926 1
DECAL, AGCO, LH Hood Stripe 7 1731396 1
DECAL, AGCO, RH Hood Stripe 8 1731397 1
DECAL, AGCO Logo 9 1708926 1
DECAL, 518 White/Clear 10 1731961 1
DECAL, 520 White/Clear 10 1731962 1
DECAL, 522 White/Clear 10 1731963 1
DECAL, 524 White/Clear 10 1731964 1
DECAL, Massey, LH Hood Stripe 11 1731394 1
DECAL, Massey, RH Hood Stripe 12 1731395 1
DECAL, Massey Ferguson 13 1714363 1
DECAL, 2518, Gray/Clear 14 1728053 1
DECAL, 2520, Gray/Clear 14 1731958 1
DECAL, 2522, Gray/Clear 14 1731959 1
DECAL, 2524, Gray/Clear 14 1731960 1
The above parts group applies to the following Mfg. Nos.:
2006 29
© Copyright Simplicity Manufacturing, Inc. All Rights Reserved.
2690436 - Re
g
ent
2690437 - Regent
2690438 - Re
g
ent
2690439 - Re
g
ent
2690466 - 524
2690467 - 522
2690468 - 520
2690469 - 2524
2690470 - 2522
2690471 - 2520
2690472 - 2518
2690492 - Regent
2690493 - Re
g
ent
2690494 - 2518
2690495 - Re
g
ent
2690496 - Re
g
ent
2690499 - 518
2690515 - Regent
2690516 - Re
g
ent
2690517 - Regent
TP 400-4275-02-RG-SMA

Decals Group - Safety & Common Group
NOTE: Unless noted otherwise,
use the standard hardware torque
specification chart.
C986848
The above parts group applies to the following Mfg. Nos.:
2006 30
© Copyright Simplicity Manufacturing, Inc. All Rights Reserved.
2690436 - Re
g
ent
2690437 - Regent
2690438 - Re
g
ent
2690439 - Re
g
ent
2690466 - 524
2690467 - 522
2690468 - 520
2690469 - 2524
2690470 - 2522
2690471 - 2520
2690472 - 2518
2690492 - Regent
2690493 - Re
g
ent
2690494 - 2518
2690495 - Re
g
ent
2690496 - Re
g
ent
2690499 - 518
2690515 - Regent
2690516 - Re
g
ent
2690517 - Regent
TP 400-4275-02-RG-SMA

PART NO. DESCRIPTIONREF NO QTY.
Decals Group - Safety & Common Group
Footnotes
DECAL, Ignition Switch Symbol, White/Black 1 1722806 1
DECAL, Transport/Free Float 2 1720363 1
DECAL, Transmission Tow/ Release Lever 3 1730202 1
DECAL, Fuel Level 4 1730172 1
DECAL, Safety Instructions (CE) 5 1723175 1
DECAL, Tunnel 5 1730170 1
DECAL, Belts, Blades 6 1730171 1
DECAL, ID Plate 7* 1
DECAL, Mower Height 8 1721197 1
DECAL, Danger, Chute in Place 9 1704277 1
DECAL, 38" 10 1722787 1
DECAL, 44" 10 1722789 1
DECAL, 50" 10 1722790 1
DECAL, OPEI 11 * 1
DECAL, Danger, Hand Under Deck 12 1704276 1
DECAL, Free Floating Mower 13 1722771 1
DECAL, Danger, Rotating Blades (CE) 14 1720389 2
DECAL, Patient 15 * 1
Note* Not a serviceable part.
The above parts group applies to the following Mfg. Nos.:
2006 31
© Copyright Simplicity Manufacturing, Inc. All Rights Reserved.
2690436 - Re
g
ent
2690437 - Regent
2690438 - Re
g
ent
2690439 - Re
g
ent
2690466 - 524
2690467 - 522
2690468 - 520
2690469 - 2524
2690470 - 2522
2690471 - 2520
2690472 - 2518
2690492 - Regent
2690493 - Re
g
ent
2690494 - 2518
2690495 - Re
g
ent
2690496 - Re
g
ent
2690499 - 518
2690515 - Regent
2690516 - Re
g
ent
2690517 - Regent
TP 400-4275-02-RG-SMA

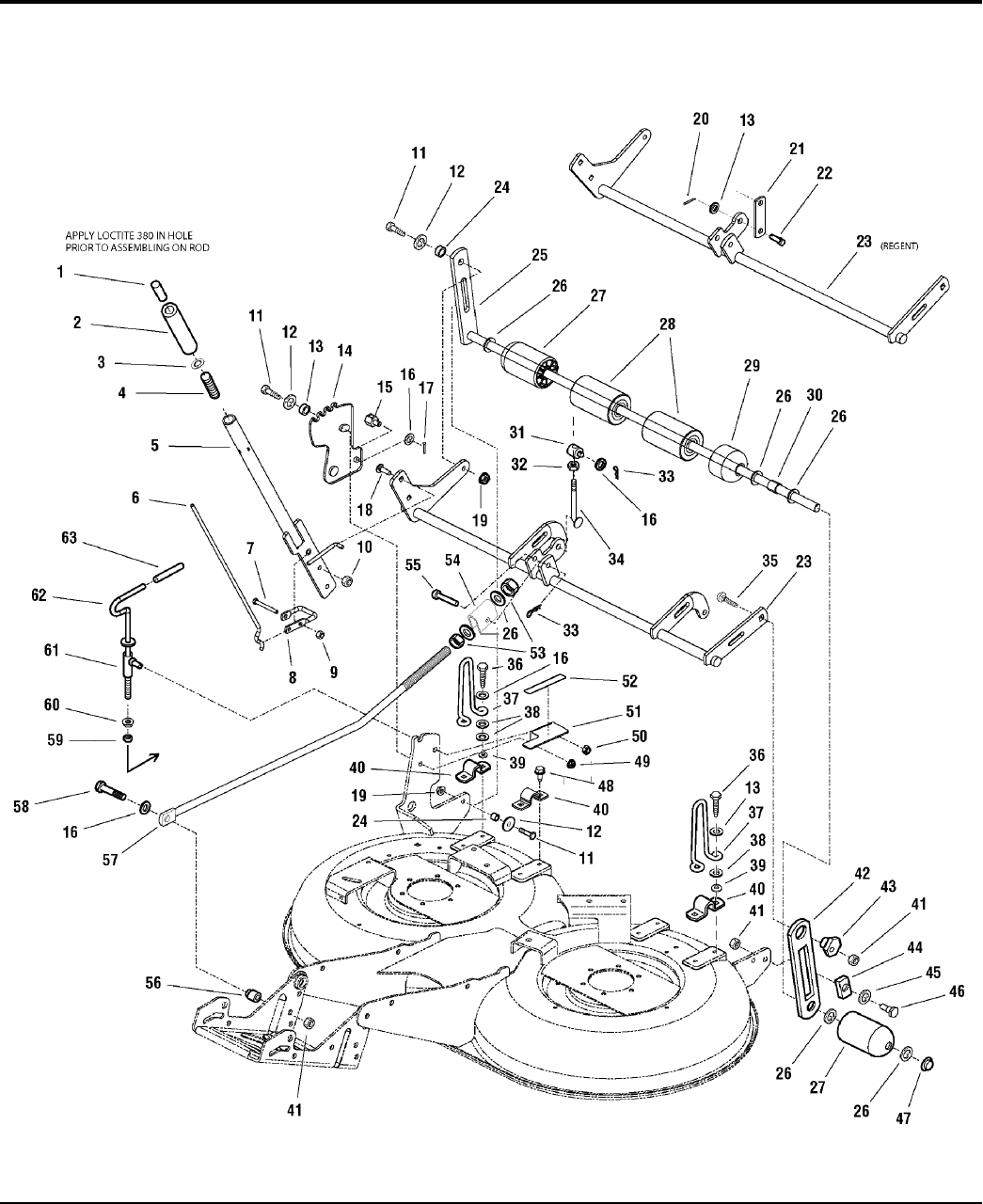
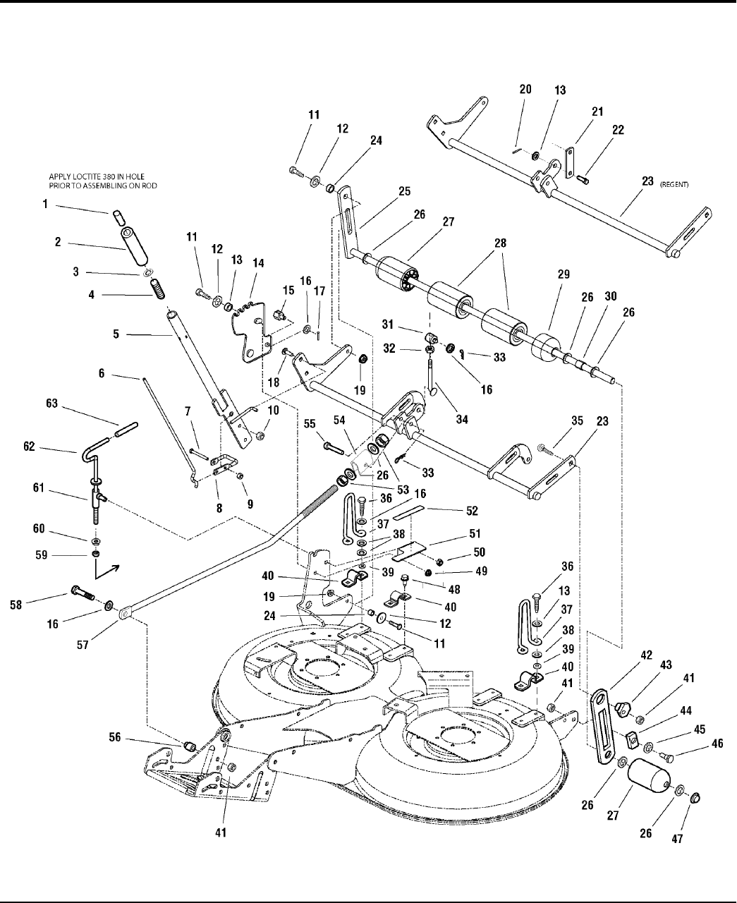
38" Mower Deck - Belt, Idler Arm & Hitch Group
NOTE: Unless noted otherwise,
use the standard hardware torque
specification chart.
987078
The above parts group applies to the following Mfg. Nos.:
2006 32
© Copyright Simplicity Manufacturing, Inc. All Rights Reserved.
1694885 - 38" Mower
1694936 - 38" Mower
1694974 - 38" Mower
2690436 - Re
g
ent
2690437 - Re
g
ent
2690468 - 520
2690471 - 2520
2690472 - 2518
2690492 - Re
g
ent
2690499 - 518
TP 400-4275-02-RG-SMA

PART NO. DESCRIPTIONREF NO QTY.
38" Mower Deck - Belt, Idler Arm & Hitch Group
Footnotes
V-BELT 1 1723025 1
V-BELT, (CE) 1 1732205 1
CAPSCREW, Hex Head, 3/8-16 x 2-1/2 2 1921972 1
WASHER, 3/8 3 1924940 1
PULLEY ASSEMBLY 4 2171247 1
SPACER 5 1667812 1
NUT, Hex, Flange, Locking, 3/8-16 6 1930645 2
WASHER, Plain, 13/32 x 1-1/2 x 1/8 7 1924356 2
ARM, Idler 7GA 8 1731893A 1
NUT, Whizlock, 3/8-16 9 1931211 1
SPRING, Extension, Idler Arm 10 1715435 1
SPACER, 0.387 ID x 1-1/2 OD x 1.04 LG Powdered Metal 11 1729007 1
CAPSCREW, Hex Head, 3/8-16 x 2 12 1923701 1
The above parts group applies to the following Mfg. Nos.:
2006 33
© Copyright Simplicity Manufacturing, Inc. All Rights Reserved.
1694885 - 38" Mower
1694936 - 38" Mower
1694974 - 38" Mower
2690436 - Re
g
ent
2690437 - Re
g
ent
2690468 - 520
2690471 - 2520
2690472 - 2518
2690492 - Re
g
ent
2690499 - 518
TP 400-4275-02-RG-SMA

38" Mower Deck - Height Adjustment & Roller Bar Group
NOTE: Unless noted otherwise,
use the standard hardware torque
specification chart.
987081
The above parts group applies to the following Mfg. Nos.:
2006 34
© Copyright Simplicity Manufacturing, Inc. All Rights Reserved.
1694885 - 38" Mower
1694936 - 38" Mower
1694974 - 38" Mower
2690436 - Re
g
ent
2690437 - Re
g
ent
2690468 - 520
2690471 - 2520
2690472 - 2518
2690492 - Re
g
ent
2690499 - 518
TP 400-4275-02-RG-SMA

PART NO. DESCRIPTIONREF NO QTY.
38" Mower Deck - Height Adjustment & Roller Bar Group
Footnotes
NUT, Push, 3/8 1 1960093 1
KNOB, Chute Control Spinner 2 1714084 1
CRANK, Height Adjustment, Black 3 1719901 1
TRUNNION, Threaded 4 1704087 1
SPACER 5 1602946 6
WASHER, 1/2 6 1960170 3
TRUNNION 7 1704086 1
WASHER, Detent 8 1704097 1
PIN, Spring 9 2816001 1
NUT, Hex Head, 1/2-13 10 1930644 2
WASHER, 5/8 11 1924366 8
ROLLER, Rounded End 12 1722036 2
ROLLER 13 1668513 6
SHAFT & BAR ASSEMBLY, Roller 38" (CE) 14 1723305A 1
SHAFT & BAR ASSEMBLY, Roller 38" 14 1729757A 1
CAPSCREW, Hex Head, 5/16-18 x 1-1/4 15 1921977 4
ARM, Rear, Mower, RH 16 1726409A 1
ARM, Rear, Mower, RH (CE) 16 1704083A 1
STRAP, Trunnion Retainer 17 1704077A 1
BRACKET, Cutting Height 18 1704116A 1
NUT, Hex, Flange Whizlock, 5/16-18 19 1931277 4
CAPSCREW, Hex Head, Taptite, 5/16-18 x 3/4 20 1664847 6
STRAP 21 1665374 2
CARRIAGE BOLT, 3/8-16 x 1-1/2 22 1931352 3
SHAFT ASSEMBLY, Rocker 38" (CE) 23 1732098A 1
SHAFT ASSEMBLY, Rocker 38" 23 1729756A 1
Pin 24 2118053 1
CLIP, Spring 25 1960074 1
LOCKNUT, Hex, Jam, 1/2-13 26 1913744 2
TRUNNION 27 1704081A 1
NUT, Hex Toplock Spiral Flange, 3/8-16 28 2860681 5
NUT, Adjuster 29 1704082 1
SLIDE 30 1677507 1
WASHER, Plain 31 1924361 1
SHOULDER BOLT 32 2172622 1
PUSH NUT, 5/8 33 1960520 1
WASHER, Plain, 5/8 (Early models only) 34 1960020 1
BAR, Roller 38" Mower 35 1731189A 1
BAR, Roller 38" Mower (CE) 35 1704073A 1
ROD 36 1713578 1
SPRING, Extension 37 2156302 1
ROD 38 1715759 1
SUPPORT, 38" Mower 7 GA 39 1731406A 1
NUT, Push, 1/2 40 1960519 1
The above parts group applies to the following Mfg. Nos.:
2006 35
© Copyright Simplicity Manufacturing, Inc. All Rights Reserved.
1694885 - 38" Mower
1694936 - 38" Mower
1694974 - 38" Mower
2690436 - Re
g
ent
2690437 - Re
g
ent
2690468 - 520
2690471 - 2520
2690472 - 2518
2690492 - Re
g
ent
2690499 - 518
TP 400-4275-02-RG-SMA

38" Mower Deck - Height Adjustment & Roller Bar Group
NOTE: Unless noted otherwise,
use the standard hardware torque
specification chart.
987081
The above parts group applies to the following Mfg. Nos.:
2006 36
© Copyright Simplicity Manufacturing, Inc. All Rights Reserved.
1694885 - 38" Mower
1694936 - 38" Mower
1694974 - 38" Mower
2690436 - Re
g
ent
2690437 - Re
g
ent
2690468 - 520
2690471 - 2520
2690472 - 2518
2690492 - Re
g
ent
2690499 - 518
TP 400-4275-02-RG-SMA

PART NO. DESCRIPTIONREF NO QTY.
38" Mower Deck - Height Adjustment & Roller Bar Group
Footnotes
SPACER, 3/8 x 3/4 x 15/16 41 1706644 1
WASHER, 3/8 42 1924940 3
CAPSCREW, Hex Head, 3/8-16 x 1 3/4 43 1922606 1
ROD, E-Coat, 1/2-13 x 5.3, 28.900LG 44 1729625 1
SPACER 45 2172329 2
PLATE, Support 46 1704115A 1
INDICATOR, Cutting Height 47 1704114 1
WASHER, Plain, 5/16 48 1919381 1
The above parts group applies to the following Mfg. Nos.:
2006 37
© Copyright Simplicity Manufacturing, Inc. All Rights Reserved.
1694885 - 38" Mower
1694936 - 38" Mower
1694974 - 38" Mower
2690436 - Re
g
ent
2690437 - Re
g
ent
2690468 - 520
2690471 - 2520
2690472 - 2518
2690492 - Re
g
ent
2690499 - 518
TP 400-4275-02-RG-SMA

38" Mower Deck - Housing, Arbors & Blades Group
NOTE: Unless noted otherwise,
use the standard hardware torque
specification chart.
987075
The above parts group applies to the following Mfg. Nos.:
2006 38
© Copyright Simplicity Manufacturing, Inc. All Rights Reserved.
1694885 - 38" Mower
1694936 - 38" Mower
1694974 - 38" Mower
2690436 - Re
g
ent
2690437 - Re
g
ent
2690468 - 520
2690471 - 2520
2690472 - 2518
2690492 - Re
g
ent
2690499 - 518
TP 400-4275-02-RG-SMA

PART NO. DESCRIPTIONREF NO QTY.
38" Mower Deck - Housing, Arbors & Blades Group
Footnotes
NUT, Hex, Flange, 9/16-8 1 1714419 2
WASHER, Belleville 2 1713675 4
PULLEY, RH, 5-1/4 OD 3 1714346 1
PULLEY, RH (CE) 3 1732123 1
PULLEY, LH 4 1713160 1
PULLEY, LH (CE) 4 1713161 1
HUB, Pulley, RH 5 1713613 1
HUB 6 1713614 1
COVER, Arbor Housing 7 1713199A 2
SPACER 8 1713204 2
BEARING 9 1705897 4
GASKET, Foam 10 1707335 2
HOUSING ASSEMBLY, Arbor Bottom, w/Lube Fitting (Includes Ref. No. 40) 11 1713338A 2
WASHER 12 1713619 2
SHAFT, Arbor, RH 13 1713609 1
SHAFT, Arbor 14 1713610 1
NUT, Hex, Flange Whizlock, 5/16-18 (Quantity 6 Used on CE Models) 15 1931277 2
NUT, Hex, Flange Whizlock, 5/16-18 15 1931277 6
WASHER, 3/8 16 1924940 2
NUT, Hex, Flange ESNA Lock, 5/16-18 17 1960686 1
UPSTOP 18 1731415 1
CAPSCREW, Taptite, 5/16-18 x 1-1/4 19 1931202 3
BLADE, 16-1/8 20 1704856 1
WASHER, Hex 21 1713089 2
WASHER, Spring 22 1656916 2
SHIELD, Grass, Lower 23 1713196 2
CAPSCREW, Hex Head, Taptite, 5/16-18 x 3/4 24 1664847 9
CAPSCREW, Hex Head, 7/16-14 x 1-1/4 25 2823471 2
BAFFLE, Blowout 38" Mower 26 1715817A 1
BOLT, Carriage, 5/16-18 x 3/4 27 1931333 4
BLADE, Mower 38" 28 1704101 1
CARRIAGE BOLT, 1/4-20 x 1, Black 29 1960698 2
NUT, Push On 30 1960518 2
WASHER, Plain, 1/4 (6 Total for Export) 31 1960353 2
CLAMP 32 1704873 1
NUT, Hex Lock, ESNA, 1/4-20 33 1920397 2
WASHER, Flat, 5/16 34 1919326 1
DEFLECTOR, Plastic 35 1705449 1
SPRING 36 1723938 1
ROD, Deflector, Front 37 1706709A 1
PLUG, Plastic 38 1705115 2
HOUSING ASSEMBLY, 38" Mower (Red) 39 1729761D 1
HOUSING ASSEMBLY, 38" Mower (Orange) 39 1729761C 1
LUBE FITTING, 1/4 Drive , Check Ball 40 1704314 2
The above parts group applies to the following Mfg. Nos.:
2006 39
© Copyright Simplicity Manufacturing, Inc. All Rights Reserved.
1694885 - 38" Mower
1694936 - 38" Mower
1694974 - 38" Mower
2690436 - Re
g
ent
2690437 - Re
g
ent
2690468 - 520
2690471 - 2520
2690472 - 2518
2690492 - Re
g
ent
2690499 - 518
TP 400-4275-02-RG-SMA

40" Mower Deck - Belt, Idler Arm & Hitch Group
NOTE: Unless noted otherwise,
use the standard hardware torque
specification chart.
987297
The above parts group applies to the following Mfg. Nos.:
2006 40
© Copyright Simplicity Manufacturing, Inc. All Rights Reserved.
1694976 - 40" Mower
2690495 - Regent
TP 400-4275-02-RG-SMA

PART NO. DESCRIPTIONREF NO QTY.
40" Mower Deck - Belt, Idler Arm & Hitch Group
Footnotes
NUT, Hex Lock, ESNA, 3/8-16 1 1919439 1
PULLEY, Idler 2 1725408 1
WASHER, 3/8 3 1924940 6
V-BELT, PTO, Front 4 1721532 1
WASHER 5 1960534 2
BELT GUIDE 6 1722175A 1
CAPSCREW, Hex Head, 3/8-16 x 3 G8 7 1960614 1
WASHER, 3/8 8 1922755 5
BUSHING 9 1663114 2
SPRING, Extension, Idler Arm 10 1715435 1
ARM ASSEMBLY, with Bushing & Fitting, 38 Tooth (Includes Ref. Nos. 26 & 37) 11 1724835 1
SPACER, Hardened 12 1657242 1
FITTING, Grease, 1/4-28 Thread 13 2812808 1
CARRIAGE BOLT, 3/8-16 x 2-1/4 14 1931355 1
CAPSCREW, Hex Head, 3/8-16 x 2-1/4 15 1922130 1
PULLEY 16 1723952 1
SPACER 17 1667812 1
BELT GUIDE 18 1722182A 1
NUT, Hex, Flange, Whizlock, 5/16-18 x 1/2 19 1928352 3
CAPSCREW, Hex Head, 3/8-16 x 1-3/8 20 1921968 2
SPACER 21 2172329 2
ROD 22 1713578 1
SPRING, Extension 23 2156302 1
ROD 24 1715759 1
HITCH, Mower 25 1720044A 1
NUT, Push, 1/2 26 1960519 1
NUT, Hex Toplock Spiral Flange, 3/8-16 27 2860681 2
WASHER & NUT ASSEMBLY, 3/8 x 1-1/2 28 1721425 1
SPRING, Extension 29 1674671 1
ARM, Idler 30 1726387A 1
HUB 31 1719221 2
PULLEY, Idler 32 1731892 2
SPACER 33 1666697 1
SCREW, Hex Head, Flange 3/8-16 x 2 34 1960746 2
SCREW, Taptite, 5/16-18 x 5/8 35 1930601 1
BELT, Timing, 38" Tooth 36 1724625 1
WASHER, 3/8 37 1933263 1
The above parts group applies to the following Mfg. Nos.:
2006 41
© Copyright Simplicity Manufacturing, Inc. All Rights Reserved.
1694976 - 40" Mower
2690495 - Regent
TP 400-4275-02-RG-SMA

40" Mower Deck - Height Adjustment & Roller Bar Group
NOTE: Unless noted otherwise,
use the standard hardware torque
specification chart.
987287
The above parts group applies to the following Mfg. Nos.:
2006 42
© Copyright Simplicity Manufacturing, Inc. All Rights Reserved.
1694976 - 40" Mower
2690495 - Regent
TP 400-4275-02-RG-SMA

PART NO. DESCRIPTIONREF NO QTY.
40" Mower Deck - Height Adjustment & Roller Bar Group
Footnotes
BUTTON 1 1723124 1
GRIP, Lift Lever 2 1713995 1
NUT, Push 1/4 Thread 3 1960518 1
SPRING, Compression 4 1723321 1
HANDLE ASSEMBLY, Lift 5 1720695A 1
ROD, Latch 6 1721257 1
CAPSCREW, Hex Head, 1/4-20 x 2-1/4 7 1921159 1
LATCH 8 1720599 1
NUT, Hex Lock, ESNA, 1/4-20 9 1920397 1
NUT, 5/16-18, Hex Flange Whiz Lock Small 10 1931277 2
CAPSCREW, Hex Head, 5/16-18 x 1-1/4 11 1921977 3
WASHER, Plain, 21/64 x 1-1/4 12 1960044 3
SPACER 13 1666697 1
BRACKET, Adjusting 14 1723409A 1
PIVOT 15 2108512 1
WASHER, 3/8 16 1924940 9
PIN, Cotter 3/32 x 3/4 17 1918447 1
CARRIAGE BOLT, 5/16-18 x 1 18 1931335 2
NUT, Hex Flange Collar Lock, 5/16-18 19 2860643 2
PIN, Cotter 20 1918448 1
LINK, Lift Mower 21 1732102A 1
PIN, Clevis 22 1732049 1
SHAFT ASSEMBLY, Rocker Mulch 23 1731993A 1
SPACER 24 1960236 2
SHAFT & BAR ASSEMBLY 25 1723305A 1
WASHER, 5/8 26 1924366 7
ROLLER, Rounded End 27 1722036 2
ROLLER 28 1668513 6
ROLLER, End 29 1717675 1
SPACER 30 1602946 1
TRUNNION 31 7028200 1
NUT, Jam, 5/16-18 32 1920161 1
CLIP, Spring 33 1960074 2
ROD, Height Adjustment 34 1724959 1
CARRIAGE BOLT, 3/8-16 x 1-1/2 35 1931352 1
CAPSCREW, Taptite, 5/16-18 x 1-1/4 36 1931202 4
UPSTOP 37 1732010A 1
WASHER, Plain, 5/16 38 1919381 6
NUT, Push 39 1933988 4
STRAP 40 1665374 3
NUT, Hex Toplock Spiral Flange, 3/8-16 41 2860681 3
BAR, Roller 42 1704073A 1
NUT, Adjuster 43 1704082 1
SLIDE 44 1677507 1
The above parts group applies to the following Mfg. Nos.:
2006 43
© Copyright Simplicity Manufacturing, Inc. All Rights Reserved.
1694976 - 40" Mower
2690495 - Regent
TP 400-4275-02-RG-SMA

40" Mower Deck - Height Adjustment & Roller Bar Group
NOTE: Unless noted otherwise,
use the standard hardware torque
specification chart.
987287
The above parts group applies to the following Mfg. Nos.:
2006 44
© Copyright Simplicity Manufacturing, Inc. All Rights Reserved.
1694976 - 40" Mower
2690495 - Regent
TP 400-4275-02-RG-SMA

PART NO. DESCRIPTIONREF NO QTY.
40" Mower Deck - Height Adjustment & Roller Bar Group
Footnotes
WASHER, Plain 45 1924361 1
SHOULDER BOLT 46 2172622 1
PUSH NUT, 5/8 47 1960520 1
CAPSCREW, Hex Head, Taptite, 5/16-18 x 3/4 48 1664847 2
NUT, Hex, Flange Lock, 5/16-18 49 1935048 1
NUT, Hex, Flange, Locking, 3/8-16 50 1930645 1
BRACKET, Height of Cut 51 1720931A 1
DECAL, Height 52 1720919 1
NUT, Hex, Full, 5/8 53 1915726 2
TRUNNION, Rod 54 1706645A 1
Pin 55 2118053 1
SPACER, 3/8 x 3/4 x 15/16 56 1706644 1
ROD, Adjusting 57 1722661 1
CAPSCREW, Hex Head, 3/8-16 x 1 3/4 58 1922606 1
NUT, Jam, Hex, 3/8-16 59 1917421 1
NUT, Hex Flange, 3/8-16 60 1960601 1
SOCKET ASSEMBLY 61 2108241 1
ROD & WASHER ASSEMBLY, Adjust Handle 62 1720704 1
GRIP 63 1651820 1
The above parts group applies to the following Mfg. Nos.:
2006 45
© Copyright Simplicity Manufacturing, Inc. All Rights Reserved.
1694976 - 40" Mower
2690495 - Regent
TP 400-4275-02-RG-SMA

40" Mower Deck - Housing, Arbors & Blades Group
NOTE: Unless noted otherwise,
use the standard hardware torque
specification chart.
987296
The above parts group applies to the following Mfg. Nos.:
2006 46
© Copyright Simplicity Manufacturing, Inc. All Rights Reserved.
1694976 - 40" Mower
2690495 - Regent
TP 400-4275-02-RG-SMA

PART NO. DESCRIPTIONREF NO QTY.
40" Mower Deck - Housing, Arbors & Blades Group
Footnotes
DEFLECTOR, Discharge 1 1723453 1
COVER, Arbor RH Black 2 1732085 1
CAPSCREW, Hex Flange, 7/16-14 x 3-1/2 G8 3 1930585 1
WASHER 4 1933263 2
WASHER, Spring 5 1656916 4
CAPSCREW, 7/16-14 x 2-3/4 G8 6 2830584 1
PULLEY, Drive 7 1732123 1
HUB 8 1732051 1
SPROCKET & FLANGE ASSEMBLY, Riveted, 38 Tooth 9 1724453 2
SHIELD, Bearing Upper, Arbor 10 1657969 2
COVER, Arbor Housing 11 1655729A 2
GASKET, Foam 12 1707335 2
ARBOR SHAFT & BEARINGS ASSEMBLY (Includes Ref. Nos 48& 49) 13 1722396 2
BEARING, Upper 14 2108202 4
SHAFT, Spline 5.389LG 15 1722394 2
HOUSING, Arbor Bottom (Includes Ref. No 50) 16 1703273A 2
FITTING, Grease 17 1704314 2
CAPSCREW, Hex Head, Taptite, 5/16-18 x 3/4 18 1664847 6
COVER, Arbor, LH 19 1724601 1
HOUSING ASSEMBLY, 40" Mulcher Orange 20 1731992C 1
CAPSCREW, Taptite Hex Washer Head, 5/16-18 x 1 21 1960373 12
PIN, Blade 22 1722258 2
BLADE, Mower 40" Mower LH 23 1719624 1
CAPSCREW, Hex Head, 7/16-14 x 2-1/4 G8 24 2827120 2
WASHER, Spline 25 1722257 2
BLADE, Mower 40" Mower RH 26 1719623 1
ADAPTOR, Blade 27 1655777 2
SHIELD, Bearing 28 1700229 2
WASHER, Shim 29 1700230 2
ADAPTOR, Arbor 30 1677274A 2
CARRIAGE BOLT, 1/4-20 x 7/8 31 1931318 1
NUT, Push On 32 1960518 1
WASHER, Plain, 1/4 (6 Total for Export) 33 1960353 1
CLAMP 34 1704873 1
NUT, Hex, 1/4-20 35 1920397 1
DOOR, Mulching, Black Plastic 36 1719597 1
SPRING 37 1723938 1
CARRIAGE BOLT, 5/16-18 x 1 38 1931335 1
NUT, Push 39 1933988 1
ROD, Pivot 40 1719617 1
WASHER, Plain, 5/16 41 1919381 1
LOCKWASHER, 5/16 42 1917356 1
NUT, Hex, Full, 5/16-18 43 1917372 1
The above parts group applies to the following Mfg. Nos.:
2006 47
© Copyright Simplicity Manufacturing, Inc. All Rights Reserved.
1694976 - 40" Mower
2690495 - Regent
TP 400-4275-02-RG-SMA

44" & 50" Mower Deck - Belt, Idler Arm & Hitch Group
NOTE: Unless noted otherwise,
use the standard hardware torque
specification chart.
987079
The above parts group applies to the following Mfg. Nos.:
2006 48
© Copyright Simplicity Manufacturing, Inc. All Rights Reserved.
1694886 - 44" Mower
1694887 - 50" Mower
1694937 - 44" Mower
1694938 - 50" Mower
1694975 - 44" Mower
1695011 - 44" Mower
2690438 - Re
g
ent
2690439 - Regent
2690466 - 524
2690467 - 522
2690469 - 2524
2690470 - 2522
2690493 - Re
g
ent
2690494 - 2518
2690496 - Re
g
ent
TP 400-4275-02-RG-SMA

PART NO. DESCRIPTIONREF NO QTY.
44" & 50" Mower Deck - Belt, Idler Arm & Hitch Group
Footnotes
NUT, Hex Flange Center Locking, 3/8-16 1 1960339 2
WASHER, Plain, 13/32 x 1-1/2 x 1/8 2 1924356 2
ARM, Idler 7GA 3 1730090A 1
SPACER 4 1714255 1
CAPSCREW, Hex Head, 3/8-16 x 2-1/2 5 1921972 1
WASHER, 3/8 6 1924940 1
PULLEY ASSEMBLY 7 2171247 1
SPACER 8 1667812 1
NUT, Whizlock, 3/8-16 9 1931211 1
SPRING, Extension, Idler Arm (44" Mower Deck) 10 1656936 1
SPRING, Extension, Idler Arm (50" Mower Deck) 10 1715435 1
V BELT, Arbor Drive, 44" 11 1729627 1
V BELT, Arbor Drive, 44" (CE Only) 11 1732409 1
V-BELT, Arbor Drive, 50" 11 1703466 1
CAPSCREW, Hex Head, 3/8-16 x 1-1/4, G8 12 1922605 1
The above parts group applies to the following Mfg. Nos.:
2006 49
© Copyright Simplicity Manufacturing, Inc. All Rights Reserved.
1694886 - 44" Mower
1694887 - 50" Mower
1694937 - 44" Mower
1694938 - 50" Mower
1694975 - 44" Mower
1695011 - 44" Mower
2690438 - Re
g
ent
2690439 - Regent
2690466 - 524
2690467 - 522
2690469 - 2524
2690470 - 2522
2690493 - Re
g
ent
2690494 - 2518
2690496 - Re
g
ent
TP 400-4275-02-RG-SMA

44" Mower Deck - Height Adjustment & Roller Bar Group
NOTE: Unless noted otherwise,
use the standard hardware torque
specification chart.
987082
The above parts group applies to the following Mfg. Nos.:
2006 50
© Copyright Simplicity Manufacturing, Inc. All Rights Reserved.
1694886 - 44" Mower
1694937 - 44" Mower
1694975 - 44" Mower
1695011 - 44" Mower
2690438 - Re
g
ent
2690467 - 522
2690470 - 2522
2690493 - Regent
2690494 - 2518
2690496 - Re
g
ent
TP 400-4275-02-RG-SMA

PART NO. DESCRIPTIONREF NO QTY.
44" Mower Deck - Height Adjustment & Roller Bar Group
Footnotes
WASHER, 5/8 1 1924366 10
ROLLER 2 1668513 7
PUSH NUT, 5/8 3 1960520 2
ROLLER, Rounded End 4 1722036 2
SHAFT ASSEMBLY, Roller 44" (CE) 5 1716159A 1
SHAFT ASSEMBLY, Roller 44" 5 1729738A 1
NUT, Adjuster 6 1704082 1
NUT, Hex Toplock Spiral Flange, 3/8-16 7 2860681 3
SLIDE 8 1677507 1
WASHER, Plain 9 1924361 1
SHOULDER BOLT 10 2172622 1
SPACER (Quantitiy 3 Used on 44" (CE) Deck) 11 1602946 2
CAPSCREW, Hex Head, 5/16-18 x 1-1/4 12 1921977 2
ARM, Rear Mower, RH (CE) 13 1704083A 1
ARM, Rear Mower, RH 13 1726409A 1
BRACKET, Cutting Height 14 1704116A 1
NUT, 5/16-18, Hex NC-2B 15 1931277 2
BAR, Roller 44" (CE) 16 1704074A 1
BAR, Roller 44" & 50" 16 1731190A 1
NUT, Hex Head, 1/2-13 17 1930644 2
CAPSCREW, Hex Head, Taptite, 5/16-18 x 3/4 18 1664847 6
CARRIAGE BOLT, 3/8-16 x 1-1/2 19 1931352 3
STRAP 20 1665374 3
SHAFT ASSEMBLY, Rocker 44" (CE) 21 1732101A 1
SHAFT ASSEMBLY, Rocker 44" 21 1729626A 1
PIN 22 2118053 1
CLIP, Spring 23 1960074 1
TRUNNION 24 1704081A 1
WASHER, 1/2 25 1960170 3
LOCKNUT, Hex, Jam, 1/2-13 26 1913744 2
NUT, Hex, 3/8-16 ESNA Lock 27 1960687 2
WASHER, 3/8 28 1924940 5
SPACER 29 2172329 2
NUT, Push, 1/2 30 1960519 1
ROD 31 1715759 1
SUPPORT, Mower 32 1731406A 1
ROD 33 1713578 1
SPACER, 3/8 x 3/4 x 15/16 34 1706644 1
CAPSCREW, Hex Head, 3/8-16 x 1 3/4 35 1922606 1
ROD, E-Coat, 1/2-13 x 5.3, 28.900LG 36 1729625 1
SPRING, Extension 37 2156302 1
CAPSCREW, Taptite, 5/16-18 x 1-1/4 38 1931202 2
WASHER, Plain, 5/16 39 1919381 1
ROD, Indicator Cutting Height (CE) 40 1704114 1
The above parts group applies to the following Mfg. Nos.:
2006 51
© Copyright Simplicity Manufacturing, Inc. All Rights Reserved.
1694886 - 44" Mower
1694937 - 44" Mower
1694975 - 44" Mower
1695011 - 44" Mower
2690438 - Re
g
ent
2690467 - 522
2690470 - 2522
2690493 - Regent
2690494 - 2518
2690496 - Re
g
ent
TP 400-4275-02-RG-SMA

44" Mower Deck - Height Adjustment & Roller Bar Group
NOTE: Unless noted otherwise,
use the standard hardware torque
specification chart.
987082
The above parts group applies to the following Mfg. Nos.:
2006 52
© Copyright Simplicity Manufacturing, Inc. All Rights Reserved.
1694886 - 44" Mower
1694937 - 44" Mower
1694975 - 44" Mower
1695011 - 44" Mower
2690438 - Re
g
ent
2690467 - 522
2690470 - 2522
2690493 - Regent
2690494 - 2518
2690496 - Re
g
ent
TP 400-4275-02-RG-SMA

PART NO. DESCRIPTIONREF NO QTY.
44" Mower Deck - Height Adjustment & Roller Bar Group
Footnotes
ROD, Indicator Cutting Height 40 1732092 1
PLATE, Mower Support 41 1704080A 1
TRUNNION 42 1704086 1
PIN, Spring 43 2816001 1
WASHER, Detent 44 1704097 1
TRUNNION, Threaded 45 1704087 1
CRANK, Height Adjustment, Black 46 1719901 1
KNOB, Chute Control Spinner 47 1714084 1
NUT, Push, 3/8 48 1960093 1
The above parts group applies to the following Mfg. Nos.:
2006 53
© Copyright Simplicity Manufacturing, Inc. All Rights Reserved.
1694886 - 44" Mower
1694937 - 44" Mower
1694975 - 44" Mower
1695011 - 44" Mower
2690438 - Re
g
ent
2690467 - 522
2690470 - 2522
2690493 - Regent
2690494 - 2518
2690496 - Re
g
ent
TP 400-4275-02-RG-SMA

44" Mower Deck - Housing, Arbors & Blades Group
NOTE: Unless noted otherwise,
use the standard hardware torque
specification chart.
987076
The above parts group applies to the following Mfg. Nos.:
2006 54
© Copyright Simplicity Manufacturing, Inc. All Rights Reserved.
1694886 - 44" Mower
1694937 - 44" Mower
1694975 - 44" Mower
1695011 - 44" Mower
2690438 - Re
g
ent
2690467 - 522
2690470 - 2522
2690493 - Regent
2690494 - 2518
2690496 - Re
g
ent
TP 400-4275-02-RG-SMA

PART NO. DESCRIPTIONREF NO QTY.
44" Mower Deck - Housing, Arbors & Blades Group
Footnotes
NUT, Hex, Flange, 9/16-8 1 1714419 3
WASHER, Belleville 2 1713675 6
PULLEY, RH Arbor & LH Arbor, 4-1/2 3 1713161 3
PULLEY, RH Arbor & LH Arbor, 4-1/4 (CE) 3 1713098 3
HUB, Pulley, RH 4 1713613 2
COVER, Arbor Housing 5 1713199A 3
HUB, Adapter, LH 6 1713616 1
SPACER 7 1713204 3
BEARING 8 1705897 6
GASKET, Foam 9 1707335 3
HOUSING ASSEMBLY, Arbor Bottom, w/Lube Fitting (Includes Ref. No. 42) 10 1713338A 3
FITTING, Grease 11 1704314 2
CAPSCREW, Hex Head Washer Taptite, 3/8-16 x 3/4 12 1923683 1
COVER, Arbor 13 1720560A 1
CAPSCREW, Hex Head, Taptite, 5/16-18 x 3/4 14 1664847 27
WASHER 15 1713619 3
SHAFT, Arbor 16 1713612 1
SHIELD, Grass, Lower 17 1713196 3
BLADE, 44" 18 1704100 3
WASHER, Hex 19 1713089 3
WASHER, Spring 20 1656916 3
CAPSCREW, Hex Head, 7/16-14 x -1/4 21 2823471 3
BAFFLE, Anti-Blowout 22 1724538A 1
BOLT, Carriage, 5/16-18 x 3/4 (Quantity 8 Used on CE Deck) 23 1931333 2
NUT, Hex, Flange Whizlock, 5/16-18 (Quantity 8 Used on CE Deck) 24 1931277 2
BAFFLE, Blowout LH, 44" 25 1716879A 1
BAFFLE, Blowout 44" Mower 26 1731990 1
SHAFT, Arbor, RH 27 1713609 2
CARRIAGE BOLT, 1/4-20 x 1-1/2, Black 28 1960633 1
CARRIAGE BOLT, 1/4-20 x 1, Black (Domestic Only) 29 1960698 2
CARRIAGE BOLT, 1/4-20 x 1-1/2, Black (CE Only) 29 1960633 1
COVER, Arbor, RH 30 1715673 1
NUT, Push On 31 1960518 2
WASHER, Plain, 1/4 (6 Total for Export) 32 1960353 2
CLAMP 33 1704873 1
NUT, Hex Lock ESNA, 1/4-20 34 1920397 2
WASHER, Flat, 5/16 35 1919326 1
DEFLECTOR, Plastic 36 1705449 1
SPRING 37 1723938 1
PLUG, Button for .344 Square Hole 38 1705115 1
ROD, Deflector, Front 39 1706709A 1
NUT, Hex, 1/4-20 40 1916622 1
HOUSING ASSEMBLY, 44" Mower (Orange) 41 1729596C 1
HOUSING ASSEMBLY, 44" Mower (Red) 41 1729596D 1
The above parts group applies to the following Mfg. Nos.:
2006 55
© Copyright Simplicity Manufacturing, Inc. All Rights Reserved.
1694886 - 44" Mower
1694937 - 44" Mower
1694975 - 44" Mower
1695011 - 44" Mower
2690438 - Re
g
ent
2690467 - 522
2690470 - 2522
2690493 - Regent
2690494 - 2518
2690496 - Re
g
ent
TP 400-4275-02-RG-SMA

50" Mower Deck - Height Adjustment & Roller Bar Group
NOTE: Unless noted otherwise,
use the standard hardware torque
specification chart.
987083
The above parts group applies to the following Mfg. Nos.:
2006 56
© Copyright Simplicity Manufacturing, Inc. All Rights Reserved.
1694887 - 50" Mower
1694938 - 50" Mower
2690439 - Re
g
ent
2690466 - 524
2690469 - 2524
TP 400-4275-02-RG-SMA

PART NO. DESCRIPTIONREF NO QTY.
50" Mower Deck - Height Adjustment & Roller Bar Group
Footnotes
WASHER, 5/8 1 1924366 6
SPACER, 1-1/4 x 5/8 2 1709195 3
ROLLER 3 1668513 8
PUSH NUT, 5/8 4 1960520 2
ROLLER, Rounded End 5 1722036 2
SHOULDER BOLT 6 2172622 1
WASHER, Plain 7 1924361 1
SLIDE 8 1677507 1
NUT, Hex Toplock Spiral Flange, 3/8-16 9 2860681 3
NUT, Adjuster 10 1704082 1
ROCKER SHAFT ASSEMBLY, 50" 11 1729739A 1
CAPSCREW, Hex Head, 5/16-18 x 1-1/4 12 1921977 2
ARM, Rear 13 1726409A 1
BRACKET, Cutting Height 14 1704116A 1
BAR, Roller 44", 50" 15 1731190A 1
NUT, Hex Head, 1/2-13 16 1930644 2
NUT, Hex, 5/16-18 NC-2B 17 1931277 2
CAPSCREW, Hex Head, Taptite, 5/16-18 x 3/4 18 1664847 6
STRAP 19 1665374 3
CARRIAGE BOLT, 3/8-16 x 1-1/2 20 1931352 3
SHAFT ASSEMBLY, Rocker 50" 21 1729594A 1
CLIP, Spring 22 1960074 1
Pin 23 2118053 1
TRUNNION 24 1704081A 1
WASHER, 1/2 25 1960170 3
LOCKNUT, Hex, Jam, 1/2-13 26 1913744 2
NUT, Hex ESNA Lock, 3/8-16 27 1960687 2
WASHER, 3/8 28 1924940 5
SPACER 29 2172329 2
ROD 30 1715759 1
SUPPORT, Mower 31 1731406A 1
NUT, Push, 1/2 32 1960519 1
ROD 33 1713578 1
CAPSCREW, Hex Head, 3/8-16 x 1 3/4 34 1922606 1
ROD, E-Coat, 1/2-13 x 5.3, 28.900LG 35 1729625 1
SPACER, 3/8 x 3/4 x 15/16 36 1706644 1
SPRING, Extension 37 2156302 1
CAPSCREW, Taptite, 5/16-18 x 1-1/4 38 1931202 2
WASHER, Plain, 5/16 39 1919381 1
ROD, Indicator, Cutting Height 40 1732092 1
PLATE, Mower Support 41 1704080A 1
PIN, Spring 43 2816001 1
TRUNNION 44 1704086 1
The above parts group applies to the following Mfg. Nos.:
2006 57
© Copyright Simplicity Manufacturing, Inc. All Rights Reserved.
1694887 - 50" Mower
1694938 - 50" Mower
2690439 - Re
g
ent
2690466 - 524
2690469 - 2524
TP 400-4275-02-RG-SMA

50" Mower Deck - Height Adjustment & Roller Bar Group
NOTE: Unless noted otherwise,
use the standard hardware torque
specification chart.
987083
The above parts group applies to the following Mfg. Nos.:
2006 58
© Copyright Simplicity Manufacturing, Inc. All Rights Reserved.
1694887 - 50" Mower
1694938 - 50" Mower
2690439 - Re
g
ent
2690466 - 524
2690469 - 2524
TP 400-4275-02-RG-SMA

PART NO. DESCRIPTIONREF NO QTY.
50" Mower Deck - Height Adjustment & Roller Bar Group
Footnotes
WASHER, Detent 45 1704097 1
TRUNNION, Threaded 46 1704087 1
CRANK, Height Adjustment, Black 47 1719901 1
KNOB, Chute Control Spinner 48 1714084 1
NUT, Push, 3/8 49 1960093 1
The above parts group applies to the following Mfg. Nos.:
2006 59
© Copyright Simplicity Manufacturing, Inc. All Rights Reserved.
1694887 - 50" Mower
1694938 - 50" Mower
2690439 - Re
g
ent
2690466 - 524
2690469 - 2524
TP 400-4275-02-RG-SMA

50" Mower Deck - Housing, Arbors & Blades Group
NOTE: Unless noted otherwise,
use the standard hardware torque
specification chart.
987077
The above parts group applies to the following Mfg. Nos.:
2006 60
© Copyright Simplicity Manufacturing, Inc. All Rights Reserved.
1694887 - 50" Mower
1694938 - 50" Mower
2690439 - Re
g
ent
2690466 - 524
2690469 - 2524
TP 400-4275-02-RG-SMA

PART NO. DESCRIPTIONREF NO QTY.
50" Mower Deck - Housing, Arbors & Blades Group
Footnotes
NUT, Hex, Flange, 9/16-8 1 1714419 3
WASHER, Belleville 2 1713675 6
PULLEY, RH Arbor & LH Arbor, 4-1/2 3 1713161 3
HUB, Pulley, RH 4 1713613 2
COVER, Arbor Housing 5 1713199A 3
HUB, Adapter, LH 6 1713616 1
BEARING 7 1705897 6
SPACER 8 1713204 3
GASKET, Foam 9 1707335 3
HOUSING ASSEMBLY, Arbor Bottom, w/Lube Fitting 10 1713338A 3
FITTING, Grease 11 1704314 2
COVER, Arbor 12 1720560A 1
CAPSCREW, Hex Head, Serrated Flange Taptite, 5/16-18 x 2 G5 13 1960730 1
CARRIAGE BOLT, 1/4-20 x 1-1/2, Black 14 1960698 1
NUT, 1/4-20, Hex 15 1931277 1
CAPSCREW, Hex Head, Taptite, 5/16-18 x 3/4 16 1664847 26
HOUSING ASSEMBLY, 50" (Orange) 17 1729367C 1
HOUSING ASSEMBLY, 50" (Red) 17 1729367D 1
WASHER 18 1713619 3
SHAFT, Arbor 19 1713612 1
SHIELD, Grass, Lower 20 1713196 3
BLADE, 18-1/8, 50" Deck 21 1708229 3
WASHER, Hex 22 1713089 3
WASHER, Spring 23 1656916 3
CAPSCREW, Hex Head, 7/16-14 x -1/4 24 2823471 3
BOLT, Carriage, 5/16-18 x 3/4 25 1931333 2
BAFFLE, Anti-Blowout 26 1724538A 1
NUT, Hex, Flange Whizlock, 5/16-18 27 1931277 3
SHAFT, Arbor, RH 28 1713609 2
CARRIAGE BOLT, 1/4-20 x 1, Black 29 1960698 2
COVER, Arbor, RH 30 1715673 1
WASHER, Plain, 1/4 (6 Total for Export) 31 1960353 2
CLAMP 32 1704873 1
NUT, Hex Lock, ESNA, 1/4-20 33 1920397 2
WASHER, Flat, 5/16 34 1919326 1
DEFLECTOR, Plastic 35 1705449 1
SPRING 36 1723938 1
ROD, Deflector, Front 37 1706709A 1
PLUG, Plastic 38 1705115 1
NUT, Push On 39 1960518 2
The above parts group applies to the following Mfg. Nos.:
2006 61
© Copyright Simplicity Manufacturing, Inc. All Rights Reserved.
1694887 - 50" Mower
1694938 - 50" Mower
2690439 - Re
g
ent
2690466 - 524
2690469 - 2524
TP 400-4275-02-RG-SMA

Torque Specification Chart
FOR STANDARD MACHINE HARDWARE (Tolerance ± 20%)
Hardware
Grade
SAE Grade 2 SAE Grade 5 SAE Grade 8
Size Of
in/lbs in/lbs
in/lbs
Hardware ft/lbs Nm. ft/lbs Nm. ft/lbs Nm.
8-32
19
2.1
30
3.4
41
4.6
8-36
20
2.3
31
3.5
43
4.9
10-24
27
3.1
43
4.9
60
6.8
10-32
31
3.5
49
5.5
68
7.7
1/4-20
66
7.6 810.9 12 16.3
1/4-28
76
8.6 10 13.6 14 19.0
5/16-18 11 15.0 17 23.1 25 34.0
5/16-24 12 16.3 19 25.8 27 34.0
3/8-16 20 27.2 30 40.8 45 61.2
3/8-24 23 31.3 35 47.6 50 68.0
7/16-14 30 40.8 50 68.0 70 95.2
7/16-20 35 47.6 55 74.8 80 108.8
1/2-13 50 68.0 75 102.0 110 149.6
1/2-20 55 74.8 90 122.4 120 163.2
9/16-12 65 88.4 110 149.6 150 204.0
9/16-18 75 102.0 120 163.2 170 231.2
5/8-11 90 122.4 150 204.0 220 299.2
5/8-18 100 136 180 244.8 240 326.4
3/4-10 160 217.6 260 353.6 386 525.0
3/4-16 180 244.8 300 408.0 420 571.2
7/8-9 140 190.4 400 544.0 600 816.0
7/8-14 155 210.8 440 598.4 660 897.6
1-8 220 299.2 580 788.8 900 1,244.0
1-12 240 326.4 640 870.4 1,000 1,360.0
Hex Head Capscrew
Hex Nut
Lockwasher
Washer
Carriage Bolt
NOTES
1. These torque values are to be used for all hardware
excluding: locknuts, self-tapping screws, thread forming
screws, sheet metal screws and socket head setscrews.
2. Recommended seating torque values for locknuts:
a. for prevailing torque locknuts - use 65% of grade 5
torques.
b. for flange whizlock nuts and screws - use 135% of
grade 5 torques.
3. Unless otherwise noted on assembly drawings, all torque
values must meet this specification.
Hardware Identification & Torque Specifications
Common Hardware Types
Screw, 1/2 x 2
Body
Diameter
Body
Length
Inside
Diameter
Nut, 1/2”
No
Marks
3/8” Bolt or Nut
Wrench—9/16”
3/8
5/16” Bolt or Nut
Wrench—1/2”
5/16
1/4” Bolt or Nut
Wrench—7/16”
1/4
1/2” Bolt or Nut
Wrench—3/4”
1/2
DIA.
7/16
DIA.
7/16” Bolt or Nut
Wrench (Bolt)—5/8”
Wrench (Nut)—11/16”
Wrench & Fastener Size Guide
Standard Hardware Sizing
When a washer or nut is identified as 1/2”, this is the
Nominal size
, meaning the
inside diameter
is 1/2 inch; if a
second number is present it represent the
threads per inch
When bolt or capscrew is identified as 1/2 - 16 x 2”, this
means the
Nominal size
, or
body diameter
is 1/2 inch; the
second number represents the
threads per inch
(16 in this
example, and the final number is the
body length
of the
bolt or screw (in this example 2 inches long).
The guides and ruler furnished below are designed to
help you select the appropriate hardware and tools.
0
1/4 3/4
1/2
1
1/4 3/4
1/2
2
1/4 3/4
1/2
3
1/4 3/4
1/2
4

500 N. Spring Street / PO Box 997
Port Washington, WI 53074-0997 USA
www.simplicitymfg.com
MANUFACTURING, INC.
© Copyright Simplicity Manufacturing, Inc.
All Rights Reserved. Printed In USA.
2006