Simplicity 2690784 Users Manual Print
2014-12-13
: Simplicity Simplicity-2690784-Users-Manual-126261 simplicity-2690784-users-manual-126261 simplicity pdf
Open the PDF directly: View PDF
.
Page Count: 44

BETJENINGS-
VEJLEDNING
19,5 HK Hydro traktorer
Fabr. Nr. Betegnelse Beskrivelse
2690782 19,5 HK Simplicity Regent XL RD, 19,5 HK OHV
2690784 19,5 HK Snapper ELT19540RD
22 HK Hydro traktorer
Fabr. Nr. Betegnelse Beskrivelse
2690783 22 HK Simplicity Regent XL RD, 22 HK V-Twin
2690785 22 HK Snapper ELT2240RD
Regent XL / RD serien
1736245
Revision 03
Revisionsdato 04/2008
TP-113-4841-03-RG-SN

1
Eftersyn af klipperknivenes timing ........................26
Eftersyn og påfyldning af motorolien.....................27
Olieaftapningsventilens funktion ...........................28
Udskiftning af motorolie .......................................28
Udskiftning af motorolie og filter............................28
Servicearbejde på luftfilter og forfilter
(V-Twin-modeller)..................................................29
Servicearbejde på luftfilter og forfilter
(En-cylinders modeller) .........................................30
Udskiftning af tændrør ..........................................31
Fejlfinding, justeringer og service...................33
Fejlfinding på traktoren .........................................33
Fejlfinding på klipperen .........................................34
Sædejusteringer....................................................35
Bremsejustering ....................................................35
Opladning af batteriet............................................35
Udskiftning af sikring.............................................35
PTO- koblingsjustering..........................................36
Udskiftning af klipperens rem................................37
Udskiftning af knivakselrem ..................................38
Specifikationer...................................................39
Reservedele og tilbehør....................................40
BEMÆRK: I denne manual henviser ”venstre”og ”højre”
til, hvordan det ser ud fra førerens stilling.
Sikkerhedsregler og oplysninger ......................2
Identifikationsnumre ...........................................7
Sikkerhedsmærkater...........................................8
Sikkerhedssymboler ...........................................8
Funktioner og betjeningskontroller.................10
Kontrolfunktioner...................................................10
Parkeringsbremsens funktion ...............................12
Brug af cruise control ............................................12
Timetæller .............................................................12
Betjening af traktoren .......................................13
Sikkerhedsblokeringssystemet .............................13
Generel betjeningssikkerhed ................................13
Påfyldning af brændstof ........................................13
Start af motoren ....................................................13
Stop af traktor og motor ........................................14
Kørsel med traktoren ............................................14
Klipning .................................................................14
Baglæns klipning...................................................14
Betjening af ekstraudstyr ved baglænskørsel .......14
Skubning af traktoren med håndkraft....................14
Afmontering og montering af klipper .....................15
Montering af klipperen ..........................................16
Tømning af opsamleren ........................................17
Opsamler demontering og montering ...................17
Finsnitningskontakt montering og demontering ....18
Justering af alarmen for fyldt opsamler.................18
Justering af græsmængde ....................................18
Placering af klipperen i klippehøjde ......................19
Brug af påhængsvogn...........................................19
Opbevaring ...........................................................19
Almindelig Vedligeholdelse..............................20
Vedligeholdelsesplan og -procedurer ...................20
Eftersyn af dæktrykket ..........................................20
Eftersyn af sikkerhedsblokeringssystemet............21
Knivbremseeftersyn ..............................................21
PTO-koblingsjustering og -eftersyn.......................21
Vedligeholdelse af motoren ..................................21
Batterivedligeholdelse...........................................21
Identifikation af transmissionen.............................22
Vedligeholdelse af transmissionen .......................22
Afmontering og installering af kølerhjælm.............22
Smøring ................................................................23
Smøring af bagdrivaksler ......................................24
Service af klipperknivene ......................................25
Indholdsfortegnelse

2
Sikkerhedsregler og oplysninger
Betjeningssikkerhed
Tillykke med købet af en plæne- og havetraktor af enestående
kvalitet. Vore produkter er udviklet og fabrikeret til at imødekomme
eller overgå alle industristandarder for sikkerhed.
Motoriseret udstyr er kun så sikkert som føreren. Hvis det
misbruges eller ikke vedligeholdes korrekt, kan det være farligt!
Husk, at du er ansvarlig for både din egen og omkringståendes
sikkerhed.
Brug sund fornuft og gennemtænk, hvad du vil gøre. Hvis du ikke er
sikker på, at det arbejde, du er i færd med at påbegynde, kan
udføres på en sikker måde med det udstyr, du har valgt, så spørg
en professionel. Henvend dig til din autoriserede forhandler.
Læs manualen
Betjeningsvejledningen indeholder vigtige sikkerhedsoplysninger, som man skal
være bekendt med FØR såvel som UNDER brug af udstyret.
Sikker betjening, forklaringer af produktets egenskaber og
kontrolfunktioner, samt vedligeholdelsesoplysninger er inkluderet for at
hjælpe dig få mest muligt ud af din investering i udstyret.
Læs de sikkerhedsregler og oplysninger, som findes på de følgende
sider, grundigt og fuldstændigt. Læs også afsnittet Betjening
fuldstændigt.
Børn
Tragiske ulykker kan forekomme med børn. Lad dem end
ikke komme tæt på det område, hvor du arbejder med
traktoren. Børn føler sig ofte tiltrukket af maskinen og
klippeaktiviteten. Gå aldrig ud fra, at børnene vil forblive, hvor
du sidst så dem. Hvis der er risiko for, at børn kan komme
ind i det område, hvor du klipper, skal du have en anden
ansvarsbevidst voksen til holde øje med dem.
LAD IKKE BØRN KØRE MED PÅ TRAKTOREN! Dette
kunne på et senere tidspunkt opmuntre dem til at komme tæt
på traktoren, mens den kører, og de kunne komme alvorligt til
skade. De kan måske komme tæt op på traktoren for at køre
med, når du mindst venter det, og du kunne køre over dem.
Bakgear
Klip ikke under baglænskørsel, med
mindre det er strengt nødvendigt. Se
altid nedad og bagud, før
eller imens du kører
baglæns, selv med
klipperen koblet fra.

3
Sikkerhedsregler og oplysninger
Kørsel på skråninger
Du kan komme alvorligt til skade eller endda miste livet, hvis du kører
med traktoren på en skråning, som er for stejl. Hvis du bruger maskinen
på en skråning, som er for stejl, eller hvor du ikke har god traktion, kan
du miste kontrollen og vælte.
En god tommelfingerregel er ikke at bruge maskinen på nogen skråning,
hvor du ikke kan bakke op (med 2-hjulstræk). Du må ikke bruge
maskinen på skråninger over 10° (1 m stigning pr. 6 m længde). Kør
altid op og ned ad skråninger, aldrig på tværs.
Bemærk også, at den overflade, du kører på, har stor indflydelse på
stabilitet og kontrol. Vådt græs eller isbelagte overflader kan mindske
din kontrol over maskinen betydeligt.
Hvis du ikke føler dig sikker på, om du burde bruge maskinen på en
skråning, så lad være. Det er ikke risikoen værd.
Bevægelige dele
Denne maskine har mange bevægelige dele, som kan forårsage tilskadekomst
for dig selv eller andre. Men hvis du sidder rigtigt i sædet og følger reglerne i
denne håndbog, er det sikkert at bruge maskinen.
Klipperen har roterende knive, som kan amputere hænder og fødder. Lad ingen
omkringstående komme nær maskinen, mens den kører!
For at hjælpe dig, føreren, med at bruge denne maskine på en sikker måde, er
den udstyret med et “føreren til stede”-sikkerhedssystem. Forsøg IKKE på at
modificere eller omgå systemet. Henvend dig omgående til din forhandler, hvis
systemet ikke består alle de sikkerhedsblokeringsprøver, som findes i denne
håndbog.
Udslyngende genstande
Denne maskine har roterende klipperknive. Disse knive kan gribe fat i og
kaste genstande og andet materiale ud således, at omkringstående kan
komme til skade. Gør det område, der skal klippes, rent FØR du begynder at
klippe!
Brug ikke maskinen med mindre hele græsopsamleren, udkastskærmen
(deflektor) og andet nødvendigt sikkerhedsudstyr er installeret.
Og tillad ingen omkringstående i området, mens maskinen kører! Hvis nogen
kommer ind på området, så sluk straks for maskinen, indtil de går bort igen.
Brændstof og vedligeholdelse
Benzin er meget brandfarligt. Dens dampe er også yderst brandfarlige, og
kan drive hen til fjernereliggende antændelseskilder. Benzin må kun bruges
som brændstof, ikke som opløsningsmiddel eller rengøringsmiddel. Den må
aldrig opbevares i noget område, hvor dampe kan ansamles eller drive hen
til antændelseskilder som f.eks vågeblus. Brændstof hører hjemme i en
godkendt, aflukket benzindunk i plastik, eller i traktorens brændstoftank med
dækslet forsvarligt skruet til. Spildt brændstof skal viskes op omgående.
Korrekt vedligeholdelse er kritisk for maskinens sikkerhed og god ydeevne.
Vær sikker på, at du får alle vedligeholdelsesprocedurer udført, ikke mindst
regelmæssig afprøvning af sikkerhedssystemet.

4
Sikkerhedsregler og oplysninger
GENEREL BETJENING
1. Læs, forstå og følg alle anvisninger i håndbogen og
på maskinen før start.
2. Hold ikke hænder eller fødder nær de roterende dele
eller under maskinen. Hold dig altid på afstand af
udkaståbningen.
3. Tillad kun ansvarsbevidste voksne, som er bekendt
med betjeningsanvisningerne, at køre med dette
udstyr (lokale forordninger kan muligvis pålægge
begrænsninger vedrørende førerens alder).
4. Gør området rent for genstande som sten, legetøj,
ståltråd og andet, som ellers kan blive samlet op og
kastet ud fra klipperen knive.
5. Vær sikker på, at omkringstående har forladt
området, før du begynder at klippe. Stands maskinen,
hvis nogen kommer ind i området.
6. Tillad aldrig passagerer.
7. Klip ikke under baglænskørsel, med mindre det er
strengt nødvendigt. Se altid nedad og bagud, før og
imens du kører baglæns.
8. Vend aldrig udkastmaterialet efter nogen. Undgå at
udkaste materiale imod en mur eller nogen anden
forhindring. Materialet kan slynges tilbage mod
føreren. Stands kniven(e), når du kører over
grusbelagte overflader.
9. Brug ikke maskinen med mindre hele
græsopsamleren, udkastskærmen (deflektor) eller
andet nødvendigt sikkerhedsudstyr er installeret.
10. Tag farten af, før du drejer.
11. Efterlad aldrig en maskine gående uden opsyn. Slå
altid knivene (PTO) fra, sæt parkeringsbremsen til,
stands motoren og fjern nøglerne, før du står af maskinen.
12. Kobl knivene (PTO) fra, når du ikke umiddelbart er i
færd med at klippe. Sluk for motoren og vent, indtil
alle maskinens dele er standset helt, før rengøring af
maskinen, aftagning af græsopsamleren eller
udrensning af udkastskærmen.
13. Brug kun maskinen i dagslys eller ved godt kunstigt lys.
14. Brug ikke maskinen, mens du er under indflydelse af
alkohol, medicin eller narkotika.
15 Hold øje med trafikken, når du bruger maskinen nær
ved eller kører over veje.
16. Vær ekstra forsigtig ved af- eller pålæsning af
maskinen på en påhængsvogn eller lastvogn.
17. Brug altid sikkerhedsbriller under kørsel med maskinen.
18. Statistikker antyder, at førere på 60 år eller derover er
involveret i en stor andel af ulykker, som involverer
selvkørende maskiner. Disse førere bør kritisk
overveje deres evne til at betjene sådanne maskiner
på en sikker måde, så hverken de selv eller andre
risikerer tilskadekomst.
19. Følg fabrikantens anbefalinger for brug af hjulvægte
eller kontravægte.
20. Hold dig for øje, at føreren er ansvarlig for uheld, som
medfører personskade eller materiel skade på andres
ejendom.
21. Alle førere bør opsøge og få professionel
undervisning i betjeningen af udstyret.
22. Brug altid solidt fodtøj og benklæder. Kør aldrig med
maskinen barfodet eller med sandaler.
23. Før brug skal du sikre, at knivene og alt tilhørende
isenkram er solidt på plads og i god stand. Udskift
slidte eller beskadigede dele.
24. Kobl udstyret ud før: påfyldning af brændstof,
aftagning af udstyr eller udførelse af justeringer
(medmindre disse kan foretages fra førersædet).
25. Når maskinen parkeres, opbevares eller efterlades
uden opsyn, skal klipperknivene sænkes, medmindre
der anvendes en absolut, mekanisk låsemekanisme.
26. Før du forlader førersædet, uanset grunden dertil,
skal du slå parkeringsbremsen til (hvis maskinen har
en), slå knivene (PTO) fra, standse motoren og fjerne
nøglen.
27. Hold maskinen fri for græs, blade og overskydende
olie for at mindske brandfare. Undgå at standse eller
parkere over tørre blade, græs eller andet
antændeligt materiale.
28. Det er ulovligt ifølge California Public Resource Code
Section 4442 at bruge eller have motoren gående på
eller i nærheden af områder, der er dækket af skov,
buskads eller græs, medmindre udstødningssystemet
er udstyret med en gnistfænger, der opfylder de
relevante lokale eller delstatslige vedtægter. Andre
stater eller lande kan have lignende love.
Læs disse sikkerhedsregler og følg dem omhyggeligt. Hvis du ikke overholder disse sikkerhedsregler, kan det
medføre tab af kontrol over maskinen, personlig tilskadekomst eller død for dig selv eller omkringstående,
eller beskadigelse af maskinen eller anden ejendom.
Klipperen er i stand til at amputere hænder og fødder og til at kaste genstande omkring.
Trekanten hvor den forekommer i teksten, angiver vigtige forholdsregler eller advarsler, som skal følges.
TRANSPORT OG OPBEVARING
1. Under transport af maskinen på en åben
påhængsvogn skal det sikres, at den vender fremad,
i kørselsretningen. Hvis den vender baglæns, kan
opdrift fra vinden beskadige maskinen.
2. Påfyldning af brændstof efter transport eller
opbevaring skal altid gøres i overensstemmelse med
gældende sikkerhedsanvisninger.
3. Maskinen må aldrig opbevares (med brændstof) i en
indelukket, dårligt ventileret bygning.
Brændstofdampe kan drive hen til antændelseskilder
(som f.eks. varmefyr eller varmtvandsbeholdere) og
kan forårsage eksplosion. Brændstofdampe er også
giftige for både mennesker og dyr.
4. Følg altid anvisningerne i motorhåndbogen for
nødvendigt forberedende arbejde, før maskinen
opbevares i såvel korte som længere perioder.
5. Følg altid anvisningerne i motorhåndbogen for korrekt
startprocedure, når maskinen tages i brug igen.
6. Opbevar aldrig maskinen eller brændstoftanke inden
døre, hvor der forefindes åben flamme eller et
vågeblus som i f.eks. en varmtvandsbeholder. Lad
motoren køle af før opbevaring.

5
Sikkerhedsregler og oplysninger
3. Lad aldrig børn eller andre sidde i eller på det
bugserede udstyr.
4. På skråninger kan vægten af det bugserede udstyr
forårsage tab af traktion og tab af kontrol.
5. Kør langsomt, og tillad ekstra plads til at standse på.
6. Skift aldrig til frigear så du blot ruller ned ad bakke.
BØRN
Tragiske ulykker kan forekomme, hvis føreren ikke er
bevidst om tilstedeværende børn. Børn føler sig ofte
tiltrukket af maskinen og klippeaktiviteten. Gå aldrig ud fra,
at børnene vil forblive, hvor du sidst så dem.
1. Hold børn væk fra klippeområdet og under opsyn af
en anden ansvarlig voksen.
2. Vær opmærksom, og sluk for maskinen, hvis børn
kommer ind på arbejdsområdet.
3. Se bagud og nedefter for småbørn før og under
baglænskørsel.
4. Lad aldrig børn køre med på maskinen, selv med
kniven(e) standset. De kan falde af og komme
alvorligt til skade, eller de kan være til hinder for
sikker kørsel med maskinen. Børn, som man har ladt
køre med på et tidligere tidspunkt, kan pludselig
dukke op, hvor man klipper, for at køre med igen og
kan blive påkørt, for-eller baglæns, af maskinen.
5. Lad aldrig børn føre maskinen.
6. Vær ekstra forsigtig, når du kører omkring blinde
hjørner, buske, træer eller andre ting, som kan
nedsætte udsynet.
EMISSION
1. Udstødnigsgasser fra dette produkt indeholder
kemikalier, som i visse mængder vides at forårsage
cancer, fødselsmisdannelser eller anden reproduktiv
skade.
2. Se efter de relevante emissions varighed- og
luftindeksoplysninger på motorens emissionsmærkat.
TÆNDINGSSYSTEM
1. Dette tændingssystem er i overensstemmelse med
Canadiske ICES-002.
KØRSEL PÅ SKRÅNINGER
Skråninger er ofte årsag til tab af kontrol over maskinen
eller væltning, hvilket kan medføre alvorlig tilskadekomst
eller død. Kørsel på skråninger kræver ekstra påpasselighed.
Hvis du ikke er i stand til at bakke op ad en skråning eller
ikke føler dig godt tilpas ved at køre der, bør du ikke gøre det.
Kontrol over en maskine, som glider ned ad en skråning,
kan ikke genvindes ved brug af bremsen, hvad enten det
er en maskine, man sidder på eller går bagved. De
væsentligste grunde til tab af kontrol er: utilstrækkelig
kontakt mellem dækkene og jorden, for høj hastighed,
utilstrækkelig bremsning, forkert anvendelse af maskinen til
et givent stykke arbejde, manglende overblik over
jordbundsforholdene, forkert tilkobling af udstyr eller forkert
vægtfordeling.
1. Klip op og ned ad skråninger, ikke på tværs.
2. Hold øjnene åbne for huller, hjulspor og ujævnheder.
Ujævnt terræn kan vælte maskinen. Højt græs kan
gemme forhindringer.
3. Vælg en langsom hastighed, så det ikke vil være
nødvendigt at standse eller skifte hastighed, mens du
befinder dig på skråningen.
4. Klip ikke græs, når det er vådt. Hjulene kan miste
deres traktion.
5. Hold altid traktoren i gear, især ved kørsel ned ad
skråninger. Skift aldrig til frigear og rul ned ad bakken.
6. Undgå at starte, standse eller vende på en skråning.
Hvis hjulene mister traktion, skal man koble knivene
fra og fortsætte langsomt lige ned ad skråningen.
7. Hold al kørsel på skråninger i et langsomt og gradvist
tempo. Foretag ingen pludselige ændringer i fart
eller retning, som kunne få maskinen til at vælte.
8. Vær ekstra forsigtig, mens du bruger maskinen med
græsopsamlere eller andet tilbehør, idet de kan
påvirke maskinens stabilitet. Anvend ikke maskinen
på stejle skråninger.
9. Prøv aldrig at stabilisere maskinen ved at sætte en
fod på jorden (med maskiner, som man sidder på).
10. Klip ikke tæt på stejle skrænter, grøfter eller andre
stejle terrænændringer. Maskinen kan pludeselig
vælte, hvis et hjul kommer ud over kanten af en grøft
eller skrænt, eller hvis en kant skrider sammen.
11. Brug ikke græsopsamlere på stejle skråninger.
12. Klip ikke græs på skråninger, der er for stejle til at
bakke op ad.
13. Henvend dig til den autoriserede forhandler for
anbefalinger vedrørende hjulvægte eller
kontravægte, som kan forbedre maskinens stabilitet.
14. Fjern forhindringer så som sten, og grene.
15. Kør langsomt. Hjulene kan miste deres traktion på
skråninger, selv om bremserne fungerer, som de skal.
16. Drej ikke på skråninger medmindre det er
nødvendigt, og i så fald drej langsomt og gradvist ned
ad bakke, hvis det er muligt.
BUGSERET UDSTYR (MASKINER TIL AT
SIDDE PÅ)
1. Udstyr må kun bugseres med en maskine, der har
træktøj beregnet til bugsering. Bugseret udstyr må
kun fastgøres til træktøjet.
2. Følg fabrikantens anvisninger vedr. vægtgrænser for
bugseret udstyr og bugsering på skråninger.
ADVARSEL
Traktoren må aldrig køres på skråninger på mere end
10 ° (17 %), hvilket er en hældning på 1 m vertikalt for
hver 6 m horisontalt (17 cm/m).
Ved kørsel på skråninger skal der bruges ekstra
hjulvægte eller modvægte. Henvend dig til
forhandleren for oplysninger om, hvilke vægte, der
kan fås, og er hensigtsmæssige for din traktor.
Vælg langsom kørehastighed, før du kører på en
skråning. Udover at have monteret vægte fortil skal
du udvise speciel forsigtighed ved kørsel på
skråninger med græsopsamler monteret bagtil.
Kør OP og NED ad bakke, aldrig på tværs af
skråningen, når du klipper græs, og vær yderst
forsigtig, når du er nødt til at dreje. MAN MÅ IKKE
STANDSE ELLER STARTE PÅ EN SKRÅNING.

6
Sikkerhedsregler og oplysninger
SERVICE OG VEDLIGEHOLDELSE
Sikker håndtering af benzin
1. Sluk alle cigaretter, cigarer, piber og alle andre
antændelseskilder.
2. Brug kun godkendte benzindunke.
3. Tag aldrig benzindækslet af eller fyld brændstof på
med motoren gående. Lad motoren køle af før
påfyldning af brændstof.
4. Fyld aldrig brændstof på inden døre.
5. Opbevar aldrig maskinen eller brændstoftanke, hvor
der forefindes åben flamme, gnister eller et vågeblus
som i f.eks. en varmtvandsbeholder eller andre
husholdningsmaskiner.
6. Fyld aldrig beholdere inden i et køretøj eller på ladet
af en lastbil med en plastikindsats. Placer altid
beholdere på jorden i nogen afstand fra køretøjer før
påfyldning.
7. Fjern benzindrevet udstyr fra ladet på en lastbil eller
påhængsvogn og påfyld brændstof på jorden. Hvis
dette ikke er muligt, skal sådant udstyr, som sidder på
en påhængsvogn, fyldes op med en dunk i stedet for
med benzinstationens slange.
8. Hold slangens mundstykke i kontakt med kanten af
benzintankens eller dunkens åbning hele tiden, indtil
du er færdig med at fylde brændstof på. Brug ikke
anordninger, der holder mundstykket åbent.
9. Hvis du spilder benzin på tøjet, skal du omgående
skifte tøj.
10. Overfyld aldrig brændstoftanken. Sæt benzindækslet
på og stram det forsvarligt igen.
11. Vær ekstra forsigtig under håndtering af benzin og
andet brændstof. De er brandfarlige, og dampene kan
eksplodere.
12. Hvis du spilder brændstof, må du ikke forsøge at
starte motoren, men skal flytte maskinen bort fra det
område, hvor der blev spildt, og undgå at skabe
antændelseskilder, indtil brændstofdampene er
afluftet.
13. Sæt dækslerne forsvarligt på benzintanke og -dunke igen.
Service og vedligeholdelse
1. Lad aldrig maskinen køre i et lukket rum, hvor
kuliltedampe kan samles.
2. Se efter, at bolte og møtrikker, især dem, der holder
knivene på plads, sidder godt fast, og hold maskinen i
god stand.
3. Sæt aldrig sikkerhedsudstyr ud af kraft. Efterse dets
funktion regelmæssigt og foretag nødvendige
reparationer, hvis det ikke fungerer, som det skal.
4. Hold maskinen ren for græs, blade og andet ophobet
materiale. Visk spildt olie eller brændstof op og fjern
materiale, som er blevet gennemvædet dermed. Lad
motoren køle af før opbevaring.
5. Hvis du rammer en genstand, bør du standse og
efterse maskinen. Foretag nødvendige reparationer,
før du starter maskinen igen.
6. Foretag aldrig justeringer eller reparationer med
motoren gående.
7. Efterse græsopsamlerens komponenter og
udkastskærmen ofte og udskift med reservedele som
anbefalet af fabrikanten, når det er nødvendigt.
8. Klipperknivene er skarpe. Vikl noget om knivene eller
brug handsker og vær ekstra forsigtig ved
servicearbejde, som involverer knivene.
9. Efterse bremsernes funktion regelmæssigt og ofte.
Juster eller reparer efter behov.
10. Vedligehold sikkerheds- og anvisningsmærkater, og
udskift dem, hvis det er nødvendigt.
11. Fjern ikke benzinfilteret, mens motoren er varm, idet
spildt benzin kan antændes. Spred ikke
benzinslangeklemmerne mere end nødvendigt. Vær
sikker på, at klemmerne holder slangerne godt fast på
filteret efter installation.
12. Brug ikke benzin, som indeholder METANOL, eller
benzin som indeholder mere end 10 % ETANOL,
benzinadditiver eller hvid benzin, idet det kan
resultere i beskadigelse at motoren/brændstofsystemet.
13. Hvis brændstoftanken skal tømmes, skal det gøres
udendørs.
14. Udskift lydpotter, som er i dårlig stand.
15. Brug kun fabrikantautoriserede reservedele ved
reparation.
16. Overhold altid fabrikantens specifikationer ved
justeringer og indstillinger.
17. For væsentligt service- eller reparationsarbejde bør
du kun anvende autoriserede serviceforhandlere.
18. Prøv aldrig at udføre væsentligt reparationsarbejde
på maskinen, medmindre du har den rette træning.
Forkert udført servicearbejde kan gøre anvendelse af
maskinen farlig, medføre beskadigelse af maskinen
og ugyldiggøre fabrikantens garanti.
19. På klippere med flere knive skal man være forsigtig,
idet drejning af én kniv kan få andre knive til at drejes.
20. Lav ikke modifikationer på motorens regulator eller
andre hastighedskontroller. Kørsel med motoren ved
for høj hastighed kan øge faren for personskade.
21. Kobl udstyrsdrev fra, stands motoren, tag startnøglen
ud, og tag tændrørskabler af før rengøring af
udkaståbninger, ved alt servicearbejde, hvis knivene
har ramt noget, eller hvis maskinen vibrerer unormalt.
Efter at man har ramt en genstand, skal maskinen
efterses for beskadigelse og nødvendigt
reparationsarbejde udføres, før maskinen startes og
køres igen.
22. Hold hænderne borte fra roterende dele som f.eks.
hydrauliske pumpers køleventilator, mens traktoren
går. (Hydrauliske pumpers køleventilatorer er typisk
placeret ovenpå transakslen).
23. Enheder med hydrauliske pumper, slanger eller
motorer: ADVARSEL: Hydraulisk væske, som slippes
ud under tryk, kan ramme hårdt nok til at
gennemtrænge huden og forårsage alvorlig
tilskadekomst. Hvis fremmedartet væske skydes ind i
huden, skal den fjernes operativt indenfor nogle få
timer af en doktor, som er bekendt med denne form
for skade. Ellers kan det forårsage gangræn. Hold
krop og fingre væk fra små huller og dyser, som
udsender hydraulisk væske under højt tryk. Brug
papir eller pap - ikke hænderne - til at søge efter
lækager. Vær sikker på, at alle tilslutninger, der fører
hydraulisk væske, sidder stramt, og at alle
hydrauliske slanger og rør er i god stand, før der
sættes tryk på systemet. Hvis der forekommer
lækager, skal enheden omgående til service hos den
autoriserede forhandler.
24. ADVARSEL: Dele og væsker kan være under tryk.
Forkert udløsning af fjedre kan forårsage alvorlig
personskade. Fjedre bør kun fjernes af en autoriseret
reparatør.
25. Modeller, som er udstyret med en motorkøler:
ADVARSEL: Dele og væsker kan være under tryk.
For at undgå alvorlig legemsbeskadigelse fra varm
kølervæske eller udløst damp, må man aldrig forsøge
at fjerne kølerdækslet, mens motoren går. Stands
motoren, og vent indtil den er kølet af. Så skal man
endda stadig udvise forsigtighed.

7
Identifikationsnumre
Traktorens
ID-skilt
Når du henvender dig til den autoriserede forhandler
for reservedele, service eller information SKAL du
have disse numre ved hånden.
Skriv dit modelnavn og -nummer, fabrikantens ID-numre
og motorens serienummer i det afsatte område, så de er
nemme at finde. Disse numre findes på de viste steder.
BEMÆRK: For placeringen af motorens
identifikationsnumre, se motorhåndbogen.
Part No. xxxxxxx
xxxxxxxxxxxxxxx
Serial No. xxxxxxxxxx
20xx
kW: x.xx
xxxx max
xxxxxxxxxxxxxxxxxxxxxxx
xxxxxxxxxxxxxxxxxxxxxxx
xxxxxxxxxxxxxxxxxxxxxxx
xxxxxxxxxxxxxxxxxxxxxxx
xxx
dB
kg: xxx
EKSEMPEL
MOTOR - HENVISNINGSDATA
Modelbeskrivelse, navn/nummer
Maskinensfabrikationsnummer
PRODUKT - HENVISNINGSDATA
Maskinens SERIEnummer
Forhandlerens navn Dato købt
Motorfabrikant
Motortype/spec
Motormodel
Motorkode/serienummer
Klipperaggregatets fabrikationsnummer Klipperaggregatets SERIEnummer
Markeringer på CE identifikationsskilte
A. Fabrikantens identifikationsnummer
B. Fabrikantens serienummer
C. Kraftydelse i kW
D. Maksimal motorrotationshastighed i rpm (o/m).
E. Fabrikantens adresse
F. Fabrikationsår
G. CE overensstemmelse-logo
H. Maskinens vægt i kg
I. Lydstyrke i decibel
Identifikationsnumre
Part No. xxxxxxx
xxxxxxxxxxxxxxx
Serial No. xxxxxxxxxx
20xx
kW: x.xx
xxxx max
xxxxxxxxxxxxxxxxxxxxxxx
xxxxxxxxxxxxxxxxxxxxxxx
xxxxxxxxxxxxxxxxxxxxxxx
xxxxxxxxxxxxxxxxxxxxxxx
xxx
dB
kg: xxx
A
B
C
D
E
FG
H
I

8
Sikkerhedsmærkater
Advarsel: Se
Betjeningsvejledningen.
Læs og forstå
betjeningsvejledningen før brug af
maskinen.
Fare: Udslyngende genstande.
Denne maskine er i stand til at
kaste genstande og andet
materiale. Hold omkringstående
væk.
Advarsel: Fjern startnøglen før
servicearbejde.
Fjern nøglen og gennemlæs den
tekniske vejledning, før du udfører
reparationer eller
vedligeholdelsesarbejde.
Fare: Fare for at vælte.
Brug ikke denne maskine på
skråninger over 10°.
Fare: Fare for amputering.
Denne maskine kan amputere
lemmer. Hold omkringstående,
deriblandt børn borte, når motoren
går.
Fare: Fare for amputering.
Denne maskine kan amputere
lemmer. Hold hænder og fødder
borte fra knivene.
Fare: Brandfare.
Brændstof må ikke påfyldes, mens
motoren er varm eller går. Stands
motoren og lad den køle af i 3
minutter, før du fylder brændstof på.
Fare: Varme komponenter.
Lad motoren køle af, før du berører
området.
Fare: Kulilteforgiftning.
Lad ikke motoren gå i et dårligt
ventileret område.
Sikkerhedsmærkater
Denne maskine er designet og fremstillet til at give dig
den sikkerhed og pålidelighed, som du må kunne
forvente fra en førende virksomhed indenfor fremstilling
af motoriserede frilandsredskaber.
Selvom læsningen af håndbogen med dens indhold af
sikkerhedsmæssige anvisninger vil give dig den
fornødne grundlæggende viden til at betjene dette udstyr
sikkert og effektivt, så har vi desuden placeret et antal
sikkerhedsmærkater på maskinen for at minde dig om
disse vigtige anvisninger, mens du betjener maskinen.
Alle advarende mærkater (FARE, ADVARSEL og
FORSIGTIG) og alle instruktive mærkater på traktor og
klipper bør læses omhyggeligt og efterleves. Det kan
føre til personskade, hvis disse anvisninger ikke følges.
De gives af hensyn til din sikkerhed, og de er vigtige! De
nedenstående sikkerhedsmærkater er at finde på
traktoren og klipperen.
Hvis nogen af disse mærkater er beskadiget eller gået
tabt skal de omgående udskiftes. Henvend dig til din
lokale forhandler for nye mærkater.
Disse mærkater er nemme at montere, og de fungerer
som en stadig og synlig påmindelse til dig selv og andre,
som måtte betjene udstyret, om at følge alle de
sikkerhedsanvisninger, som er af betydning for
betryggende og hensigtsmæssig betjening.
Sikkerhedssymboler

9
Sikkerhedsmærkater
Placering af
sikkerhedsmærkater
Transmissionsudløser
Reservedelsnr. 1735265
Betjeningsanvisninger,
CE-modeller, reservedelsnr. 1734027
Udstyrsløftehåndtag
Reservedelsnr. 1730264
Brændstofniveau
Reservedelsnr.
S532-0-8732-762-3
R
4
3
2
R
4
3
2
Tændingskontaktpositioner
Reservedelsnr. 1722806

10
Funktioner og betjeningskontroller
Gasspjældskontrol
Gashåndtaget kontrollerer motorens hastighed. Når
gashåndtaget skubbes fremad, øger det motorens
hastighed, når det trækkes tilbage mindsker det
motorens hastighed. Kør altid motoren ved FULD gas.
Choker
Luk chokeren ved koldstart. Luk op for chokeren, så
snart motoren starter. En varm motor kræver ofte ingen
choker. Skub håndtaget fremad for at lukke chokeren.
Forlygter
Lyskontakten tænder og slukker for traktorens forlygter.
Timetæller
Timetælleren måler det antal timer, nøglen har været i
RUN-stillingen.
Kontrolfunktioner
Oplysningerne nedenfor giver en kort beskrivelse af de særskilte kontrolfunktioner. Start, standsning, kørsel og
klipning kræver kombineret brug af adskillige kontrolgreb i en bestemt rækkefølge. For at lære hvilke kombinationer
og rækkefølgen af kontrolgreb, der anvendes til de forskellige typer arbejde, se afsnittet BETJENING.
12V

Baglæns klipning (Reverse Mowing
Option, RMO)
Baglæns klipning tillader klipning (eller brug af andet PTO-
drevet udstyr) under baglænskørsel. For at bruge
baglæns klipning (RMO) skal RMO-nøglen drejes, efter
PTO er koblet til. Lysdioden vil tændes og føreren kan nu
udføre baglæns klipning. Hver gang PTO kobles fra, skal
der tændes for RMO igen, hvis man ønsker at fortsætte i
baglæns retning.
PTO-kobling
PTO koblingen (Power Take-Off, kraftudtag) starter og
standser udstyr, som bruger PTO’et. PTO’et kobles til ved
at trække OP på koblingsomskifterhåndtaget. Tryk NED
for at koble fra.
Bemærk, at føreren skal sidde solidt i
traktorens sæde for at PTO’et kan fungere.
Tændingskontakt
Tændingskontakten starter og standser motoren, og har
tre stillinger:
OFF (slukket) Standser motoren og slukker for
det elektriske system.
RUN (kør) Tillader motoren at køre og sætter
strøm på det elektriske system.
START Tørner motoren under start.
BEMÆRK: Lad aldrig tændingskontakten sidde i RUN-
stillingen med motoren standset – dette vil aflade batteriet.
Kørehastighedspedaler
Traktorens kørehastighed fremad kontrolleres vha.
fremad-kørehastighedspedalen. Traktorens
kørehastighed baglæns kontrolleres vha. baglæns-
kørehastighedspedalen.
Tryk på en af pedalerne vil øge kørehastigheden.
Bemærk, at jo mere pedalen trædes ned, jo hurtigere
kører traktoren.
Cruise Control
Cruise control bruges til at fastlåse fremadgående
kørehastighed. Cruise control har 5 låsestillinger.
Klipperløftestang
Klipperløftestangen kontrollerer klippehøjden. Træk
tilbage på klippeløftestangen for at løfte højden, og skub
fremad for at mindske højden.
11
Funktioner og betjeningskontroller
Sædejusteringshåndtag
Sædet kan justeres frem og tilbage. Ved greb i
håndtaget kan sædet indstilles efter ønske, og håndtaget
slippes, hvilket fastlåser sædet i den nye position.
Transmissions udløserventilhåndtag
Transmissionens udløsningsventiler deaktiverer
transmissionen, så traktoren kan skubbes med
håndkraft. Se afsnittet SKUBNING AF TRAKTOREN
MED HÅNDKRAFT for yderligere anvisninger.
Brændstoftank
Dækslet tages af ved at skrue det mod uret.
Strømudtag (visse modeller)
Strømudtaget er 12 V jævnstrøm. Tilbehør, som det
bruges til, skal være nomineret til 9 A eller derunder.
Brændstofniveaumåler
Viser brændstofniveauet i tanken.
Parkeringsbremse
Parkeringsbremseknappen bruges til at låse
parkeringsbremsen, når traktoren er standset. Træd
bremsepedalen helt i bund, og træk opad på knappen for
at aktivere parkeringsbremsen. Se side 12 for en fuld
forklaring af parkeringsbremsens funktioner.
Bremsepedal
Bremsen engageres, når bremsepedalen trædes ned.
12V

12
Funktioner og betjeningskontroller
Figur 1. Aktivering af parkeringsbremsen
A. Kørehastighedspedaler
B. Bremsepedal
C. Parkeringsbremseknap
D. Cruise control-knap
E. Timetæller
Parkeringsbremsens funktion
Brug af parkeringsbremsen - Se Figur 1. Sådan
sættes parkeringsbremsen: Tag foden af
kørehastighedspedalen (A), træd helt ned på
bremsepedalen (B), træk OPAD på
parkeringsbremseknappen (C) og tag så foden af
bremsepedalen.
Udløsning af parkeringsbremsen - Se Figur 1. Sådan
udløses parkeringsbremsen: Træd ned på
bremsepedalen (B).
Brug af cruise control
SÅDAN ENGAGERES CRUISE CONTROL:
1. Træk opad på cruise control-knappen (D, Figur 1).
2. Træd nedad på fremad-kørehastighedspedalen (A).
3. Løft opad på cruise control-knappen (D), når den
ønskede hastighed er nået. Cruise control vil så
låses fast i en af de 5 indstillinger.
SÅDAN AFBRYDES CRUISECONTROL:
1. Træd på bremsepedalen (B, Figur 1).
ELLER
2. Træd nedad på fremad-kørehastighedspedalen (A).
Timetæller
Timetælleren (E, Figur 1) måler det antal timer, nøglen
har været i RUN-stillingen.
FORSIGTIG
Undgå tilskadekomst! Sikker betjening kræver din
fulde opmærksomhed. Brug ikke hovedtelefoner
med radio eller musik, mens du kører med denne
maskine.
B
C
A
E
D

13
Betjening af traktoren
Generel betjeningssikkerhed
Alle oplysninger i afsnittene om Sikkerhed og betjening
skal læses, før det forsøges at køre maskinen. Gør dig
bekendt med alle kontrolfunktionerne og med, hvordan
man standser maskinen.
Påfyldning af brændstof
Sådan påfyldes brændstof:
1. Fjern brændstofdækslet (A, Figur 2).
2. Fyld tanken. Må ikke overfyldes. Lad der være plads
nok i tanken til, at brændstoffet kan udvide sig. Se
motorhåndbogen for specifikke anbefalinger for
brændstof.
3. Sæt brændstofdækslet på og stram det let til.
Start af motoren
1. Træd bremsepedalen i bund eller slå
parkeringsbremsen til, mens du sidder i førersædet.
2. Forvis dig om, at cruise-control-knappen er stillet i
neutral og at du ikke træder ned på
kørehastighedspedalerne.
3. Udløs PTO-koblingen.
4. Sæt gashåndtaget på FULD gas.
5. Luk af for chokeren.
BEMÆRK: En varm motor kræver ofte ingen choker.
6. Sæt startnøglen i , og drej den til START.
7. Efter motoren er startet, skal gashåndtaget flyttes til
halv hastighed. Varm motoren op ved at lade den
løbe i mindst 30 sekunder.
8. Sæt den så på FULD gas.
BEMÆRK: I nødstilfælde kan motoren standses ved blot
at dreje startnøglen til STOP. Brug kun denne mulighed
i nødsituationer. For normal standsning af motoren skal
man gå frem som anvist i STOP AF TRAKTOREN. @1st
Head UL:Stop af traktor og motor
1. Tag foden af kørehastighedspedalen.
ADVARSEL
Benzin er meget brandfarligt og skal håndteres
med omtanke. Fyld aldrig tanken, mens motoren
stadig er varm efter nyligt kørsel. Tillad aldrig
åben ild, rygning eller tændstikker i området.
Undgå overfyldning og visk spildt benzin op.
Brug ikke benzin, som indeholder
METHANOL, gasohol, som indeholder mere
end 10% ETHANOL, benzinadditiver eller
hvid benzin, idet det kan resultere i
beskadigelse af motoren/brændstofsystemet.
Test af
sikkerhedsblokeringssystemet
Denne maskine er udstyret med et
sikkerhedsblokeringssystem og andet sikkerhedsudstyr.
Dette sikkerhedssystem er installeret af hensyn til din
sikkerhed. Forsøg ikke at omgå sikkerhedsafbryderne,
eller på anden måde sætte sikkerhedssystemet ud af
kraft. Efterprøv deres funktion regelmæssigt.
Efterprøvning af SIKKERHEDSSYSTEMET
Denne maskine er udstyret med et
sikkerhedsblokeringssystem for sædet. Efterprøv
sædekontakten hvert forår og efterår med de følgende
tests.
Test 1 — Motoren bør IKKE tørne, hvis:
• PTO-koblingen er slået TIL, ELLER
• Bremsepedalen IKKE er helt trådt i bund (med
parkeringsbremsen slået FRA), ELLER
• Cruise control-håndtaget IKKE er i NEUTRAL.
Test 2 — Motoren BØR tørne og starte, hvis:
• Føreren sidder i sædet, OG
• PTO er koblet fra (OFF), OG
• Bremsepedalen er helt trådt i bund (med
parkeringsbremsen slået TIL), OG
• Cruise control-håndtaget er i NEUTRAL
Test 3 — Knivbremseeftersyn
Knivene og klipperens drivremme skal standse fuldstændigt
inden for 5 sekunder efter, at den elektriske PTO-
koblingskontakt er slået fra (eller føreren rejser sig fra sædet).
Hvis klipperens drivrem ikke standser inden for 5 sekunder,
skal PTO-koblingen justeres som beskrevet i afsnittet
JUSTERING, eller du skal henvende dig til forhandleren.
Test 4 — Baglæns klipning (RMO) afprøvning
• Motoren skal standse, hvis det forsøges at køre baglæns
med PTO allerede tilkoblet, men hvor RMO ikke er blevet
aktiveret.
• RMO -lyset skal lyse op, når RMO aktiveres.
ADVARSEL
Hvis maskinen ikke består en af disse
sikkerhedsprøver, må den ikke bruges.
Henvend dig til din autoriserede forhandler. Du
må under ingen omstændigheder prøve at omgå
formålet med sikkerhedsblokeringssystemet.

14
Betjening af traktoren
2. Kobl PTO fra, og vent til alle roterende dele er standset.
3. Briggs & Stratton-modeller: Skub gaskontrollen til
LANGSOM, og drej startnøglen til OFF. Fjern nøglen.
Kørsel med traktoren
1. Sæt dig i sædet og juster sædet, så du nemt kan nå alle
betjeningsgreb og se instrumentbrættet.
2. Slå parkeringsbremsen til.
3. Forvis dig om, at PTO er koblet fra.
4. Start motoren (se START AF MOTOREN).
5. Slå parkeringsbremsen fra og tag foden af
bremsepedalen.
6. Træd ned på fremad-kørehastighedspedalen. Tag
foden af pedalen for at standse. Bemærk, at jo mere
pedalen trædes ned, jo hurtigere kører traktoren.
7. Stop traktoren ved at tage foden af
kørehastighedspedalen; slå så parkeringsbremsen til og
stop motoren (se STOP AF TRAKTOR OG MOTOR).
Klipning
1. Indstil klippehøjden til den ønskede græshøjde. og sæt
indstillingshjulene i den rigtige højde (hvis klipperen har
dem).
2. Slå parkeringsbremsen til. Forvis dig om, at PTO er
koblet fra.
3. Start motoren (se START AF MOTOREN).
4. Sænk klipperen helt ned vha. udstyrsløfterhåndtaget, og
indstil klippehøjden.
5. Sæt gashåndtaget på FULD gas.
6. Sæt PTO i gang (klipperen).
7. Begynd klipning. Wenn das "Fangfederblech voll"
Töne alarmieren, stellen Sie den Zapfwellenantrieb
sofort ab, um die Entladung Schlauchverstopfung zu
verhindern. Reisen Sie zur gewünschten Position und
leeren Sie das Fangfederblech.
8. Se afsnit LC (Vedligeholdelse og klipning af en plæne)
vedr. tips om klippemønstre, plænepleje og
fejlfindingsprocedurer.
9. Når du er færdig, skal PTO kobles fra og klipperen
løftes vha. udstyrsløfterhåndtaget.
10. Stands motoren (se STANDSNING AF TRAKTOR OG
MOTOR).
ADVARSEL
Motoren vil slukkes, hvis baglæns-
kørehastighedspedalen trædes ned, mens PTO er
koblet til eller RMO (baglæns klipning – Reverse
Mowing Option) ikke er blevet aktiveret. Føreren
skal altid slukke for PTO, før der køres over veje,
stier eller andre områder, der muligvis anvendes
af andre køretøjer. Pludseligt tab af drivkraft kan
medføre sikkerhedsfare.
ADVARSEL
Baglæns klipning kan være farligt for
omkringstående. Tragiske ulykker kan
forekomme, hvis føreren ikke er bevidst om
tilstedeværende børn. Brug aldrig RMO, hvis der
er børn til stede. Børn føler sig ofte tiltrukket af
maskinen og klippeaktiviteten.
TRAKTOREN MÅ
IKKE BUGSERES
Bugsering af traktoren
vil forårsage
beskadigelse af
transmissionen.
• Brug aldrig noget
andet køretøj til at
skubbe eller trække
denne maskine med.
• Transmissionsudløser-
ventilens håndtag må
ikke aktiveres, mens
motoren går.
Figur 2. Transmissionsudløserhåndtag og
brændstoftank
A. Brændstofdæksel
B. Transmissionsudløserhåndtag
Baglæns klipning
Hvis føreren ønsker at klippe under baglænskørsel, kan
RMO-systemet bruges. For at bruge baglæns klipning
(RMO) skal RMO-nøglen drejes, efter PTO er koblet til.
Lysdioden vil tændes, og føreren kan nu udføre baglæns
klipning. Hver gang PTO kobles fra, skal der tændes for
RMO igen, hvis man ønsker at fortsætte i baglæns
retning. Nøglen skal fjernes for at mindske muligheden
for uforvaret omstilling til RMO.
Betjening af ekstraudstyr ved
baglænskørsel
Hvis føreren ønsker at bruge andet PTO-drevet udstyr
under baglænskørsel, kan RMO-systemet bruges. For at
bruge baglæns klipning (RMO) skal RMO-nøglen drejes,
efter PTO er koblet til. Lysdioden vil tændes, og føreren
kan nu bruge udstyret under baglæns kørsel. Hver gang
PTO kobles fra, skal der tændes for RMO igen, hvis man
ønsker at fortsætte i baglæns retning. Nøglen skal fjernes
for at mindske muligheden for uforvaret omstilling til RMO.
Skubning af traktoren med håndkraft
1. Kobl PTO fra og stop motoren.
2. Træk transmissionsudløseren (B, Figur 2) tilbage ca.
6 cm for at låse den i udløst stilling.
3. Traktoren kan nu skubbes med håndkraft.
A
B

Figur 5. Afmontering og montering af drivrem
A. Strammerullens arm
B. PTO-remskive
15
Betjening af traktoren
Figur 4. Montering og afmontering af klipperen
(set fra under højre side af traktoren)
A. Hårnåleclips D. Øverste fjeder
B. Drejetappe E. Nederste fjedre (2)
C. Løftestang F. Ophæve Rod
A
B
Figur 3. Udstyrsløftehåndtag (sænket stilling)
A. Løftehåndtag
A
Figur 6. Klipperens ophængsbeslag
A. A. Traktorens ophængsbeslag
AA
ADVARSEL
Sæt parkeringsbremsen, frakobl PTO, stands
motoren og fjern tændingsnøglen før klipperen
installeres eller fjernes.
Afmontering og montering af klipper
Afmontering af klipper
1. Parker traktoren på en flad, vandret overflade som
f.eks. et betongulv. Sluk for PTO og motoren, tag
startnøglen ud og sæt parkeringsbremsen til.
2. Placér klipperen i den laveste klippeindstilling vha.
klipperløftestangen (A, Figur 3).
3. Placér udstyrsløftehåndtaget (A) i den laveste stilling.
4. Træk hårnåleclipsene (A, Figur 4) ud fra
drejetapperne (B) på begge sider af
klipperaggregatet. Tag drejetappene ud fra
klipperens løftestænger (C). Sæt hårnåleclipsene i
igen, så de ikke går tabt.
5. Fjern den øverste fjeder (D) og de to nederste fjedre
(E) på hver side af klipperen.
FORSIGTIG
Lydpotten og de omgivende områder kan være
glohede.
6. Udløs stramningen på remmen med strammerullen
(A). Fjern remmen fra PTO-remskiven (B, Figur 5).
7. Vend hjulene lige fremad. Løft klipperens ophæng af
traktorens ophængsbeslag (A, Figur 6).
8. Skub udkastkanalen (A, Figur 7) bagud for at frigøre
den fra klipperens udkaståbning (B).
9. Drej hjulene helt til venstre, og træk klipperen ud
under traktorens højre side.
D
B
AE
F
C

16
Betjening af traktoren
Montering af klipperen
1. Parker traktoren, sluk for PTO og motoren, tag
startnøglen ud og sæt parkeringsbremsen til. Drej
hjulene helt til venstre, og skub klipperen ind under
traktorens højre side.
2. Bagfra, med græsopsamleren åben trækkes
udkastkanalen bagud for at sikre, at den ikke er i
vejen for montering af klipperaggregatet.
3. Lad udkastkanalen (A Figur 7) sidde der indtil videre.
4. Vend hjulene lige fremad. Løft klipperens ophæng op
på traktorens ophængsbeslag (A, Figur 6).
5. Sæt remmen på PTO-remskiven.
6. Sæt den øverste fjeder på (D, Figur 4) og de to
nederste fjedre (E) på hver side af klipperen.
7. Sæt drejetappene (B) i klipperens løftestænger (C).
Fastgør dem med hårnåleclipsene (A).
8. Flyt strammerullens arm (A, Figur 5) for at øge
remmens stramning.
9. Stil udkastkanalen på linie med klipperens
udkaståbning og sæt dem sammen.
10. Monter græsopsamleren (Se “Afmontering og
installering af græsopsamleren”).
11. Indstille mower stak, hvis det skal være (se efter
“Placering af klipperen i klippehøjde”).
Figur 7. Udkastkanal
A. Udkastkanal
B. Klipperens udkaståbning
A
A
B

17
Figur 8. Tøm opsamleren
A. Opsamlerstang
B. Opsamler
Tømning af opsamleren
For at tømme opsamleren skal du:
1. Forlæng opsamlerstangen og skub fremad (A, Figur
8) for at tømme opsamleren (B).
2. Anvend opsamlerstangen til at lukke opsamleren og
skub den tilbage ind i opsamleren.
Opsamler demontering og montering
1. Lås opsamlerens spærhage op (A, Figur 9) placeret
bag venstre baghjul.
2. Løft opsamlerens spærhage op og skub den tilbage.
3. Anvend opsamlerstangen (B) til at åbne opsamleren
lidt.
4. Løft opsamleren af de bagerste støttestænger.
5. Montér i modsat rækkefølge af demontering. For at
lette monteringen af opsamleren, sørg for at stille
indstillingspilene på opsamleren og bagenden af
traktoren på linje.
ADVARSEL
Brug aldrig enheden mindre enten tragten eller
skærmen er på plads.
Figur 9. Fjern opsamleren
A. Opsamlerens spærhage
B. Opsamlerstang
A
B
A
B
Betjening af traktoren

18
Betjening af traktoren
Finsnitningskontakt montering og
demontering
ADVARSEL
Af sikkerhedsmæssige årsager skal du ikke
håndtere de skarpe klipperknive med de bare
hænder. Skødesløs eller forkert håndtering af
knive kan medføre alvorlige kvæstelser.
1. Fjern opsamleren.
2. Mens håndtaget holdes (A, Figur 10), skubbes
kontakten ind i tunnelen. Vær sikker på at hylsteret
glider oven over glidestyringen inde i aggregatet.
3. Tryk håndtaget for at sammenpresse den indre
fjeder.
4. Indfør rørforlængeren ind i hullet i enden af tunnelen
og fastgør med hårnål (B).
5. Genmonter opsamleren.
6. Fjern finsnitningskontakten i den modsatte
rækkefølge.
Justering af alarmen for fyldt opsamler
Græsmængden i opsamleren kan ændres ved at justere
alarmens skovlhjul (se Figur 11).
Justering af græsmængde
Skub skovlhjulets beslag (A, Figur 11) op for at øge
græsmængden i opsamleren inden alarmen udløses.
Skub skovlhjulets beslag ned for at mindske
græsmængden i opsamleren inden alarmen udløses.
1. Løsning af hardwarebeslag (B).
2. Skub skovlhjuletsbeslag (A) op eller ned.
3. Spænd hardwarebeslagget.
Figur 10. Monter Finsnifinsnitningskontakten
A. Håndtag
B. Hårnål
Figur 11. Justering af opsamlerens alarm
A. Skovlhjulets beslag
B. Hardwarebeslag
A
B
B
A

19
Betjening af traktoren
Figur 12. Løftning og sænkning af klipperen
A. Udstyrsløftehåndtag
Placering af klipperen i klippehøjde
Udstyrsløftehåndtaget (A, Figur 12) bruges til at sænke
klipperen til klippestilling eller løfte den til transportstilling.
For at løfte klipperen trækker man lidt tilbage i
udstyrsløftehåndtaget (A), skubber det til venstre og
flytter det nedad. Klipperen løftes for transport ved at
trække opad i udstyrsløftehåndtaget (A) og låse det i et
hak til højre. Der må ikke klippes i transportstilling.
Brug af påhængsvogn
Den maksimale tilladelige horisontale kraftpåvirkning på
trækstangen er 280 Newton. Den maksimale tilladelige
vertikale kraftpåvirkning på trækstangen er 160 Newton.
Dette svarer til en 113 kg påhængsvogn på en 10°
bakke. Fastgør påhængsvognen med en passende
splitpind (A, Figur 13) og en clips (B).
A
ADVARSEL
Rideren må aldrig opbevares (med brændstof) i
en indelukket, dårligt ventileret bygning.
Brændstofdampe kan drive hen til
antændelseskilder (som f.eks. varmefyr eller
varmtvandsbeholdere) og forårsage eksplosion.
Brændstofdampe er også giftige for både
mennesker og dyr.
Opbevaring
Før maskinen stilles til opbevaring ved enden af
sæsonen, skal du læse Vedligeholdelses- og
opbevaringsanvisninger i afsnittet Sikkerhedsregler, og
så gøre følgende:
• Slå PTO fra, slå parkeringsbremsen til og tag nøglen
ud.
• Udfør det vedligeholdelsesarbejde og de
opbevaringsforberedelser, som er anført i
motorhåndbogen. Dette inkluderer tømning af
brændstofsystemet eller tilsætning af
brændstofstabilisator. (En maskine med brændstof
må ikke opbevares i en indelukket bygning – se
advarsel).
• Batteriets levetid kan forlænges, hvis det tages ud,
opbevares på et tørt, køligt sted og oplades helt ca.
en gang om måneden. Hvis batteriet efterlades i
maskinen, skal det negative kabel frakobles.
Før rideren startes – efter opbevaring:
• Efterse alle væskers niveauer. Gennemgå alle
vedligeholdelsespunkter.
• Udfør alle anbefalede eftersyn og øvrigt arbejde som
det anbefales i motorhåndbogen.
• Lad motoren varme op i adskillige minutter før brug.
Figur 13. Anbefalet maksimal vægt for påhængsvogn
A. Splitpind B. Sikkerhedsclips
A
B

20
Almindelig
Vedligeholdelse
Vedligeholdelses plan og -procedurer
Den følgende plan skal følges som led i normal vedligeholdelse af din traktor og klipper.
• = Alle modeller
B & S = Briggs & Stratton-modeller
* Se motorhåndbogen. Skift den oprindelige motorolie
efter indkøringsperioden.
** Oftere i meget varmt (over 30° C) vejr eller støvede
driftsforhold.
Eftersyn af dæktrykket
Serviceinterval: Efter hver 25 driftstimer
Dæktrykket skal efterses regelmæssigt og holdes inde for de
rammer, som er angivet i skemaet (se Figur 14). Bemærk at
disse tryk kan variere en smule fra det ”maksimale tryk”, som
angives på siden af dækkene. Det angivne tryk giver den rette
traktion, forbedrer klippekvaliteten og forlænger dækkets levetid. Figur 14. Dæktryk
Størrelse psi bar
22 x 10,0-8 10 0,68
20 x 8,0-8 10 0,68
15 x 6,0-6 12-14 0,82-0,96
PUNKTER VEDRØRENDE
SIKKERHED Før
hver
brug
Efter
hver 5
timer
Efter
hver 25
timer
Efter
hver 100
timer
Efter
hver 250
timer
Forår
og
efterår
Efterse sikkerhedsblokeringssystemet •
Efterse traktorens bremser •
Aprøv klippeknivenes standsningstid • •
TRAKTORENS VEDLIGEHOLDELSE Før
hver
brug
Efter
hver 5
timer
Efter
hver 25
timer
Efter
hver 100
timer
Efter
hver 250
timer
Forår
og
efterår
Efterse timingremmens stramning • •
Efterse stramningen af klippeaggregatets V-rem. • •
Efterse traktor og klipper for løse dele •
Efterse/rengør kølefinner (hvis der er sådanne) •
Eftersyn/justering af PTO-kobling •
Smør traktor og klipper ** •
Smøring af bagerste drivaksler Årligt
Gør batteri og kabler rene •
Efterse dæktrykket •
Gør klipperen ren og efterse/udskift klipperknive ** •
MOTORENS VEDLIGEHOLDELSE Før
hver
brug
Efter
hver 5
timer
Efter
hver 25
timer
Efter
hver 100
timer
Efter
hver 250
timer
Forår
og
efterår
Efterse motorolieniveau •
Efterse/udskift luftfilter * •
Udskift motorolie * B & S • •
Skift motorolie og -filter * •
Efterse tændrør * •
Efterse/udskift brændstoffilter *

21
Almindelig Vedligeholdelse
Eftersyn af
sikkerhedsblokeringssystemet
Serviceinterval: Hvert forår og efterår
Efterse funktionen af sikkerhedsblokeringssystemet vha.
den testprocedure, som findes på side 13 i denne
vejledning. Hvis traktoren ikke består disse prøver, skal
du henvende dig til forhandleren.
Knivbremseeftersyn
Serviceinterval: Hver 100 timer eller forår og efterår
Klipperens knive og remme skal standse helt indenfor 5
sekunder efter, at den elektriske PTO-kobling er blevet
slået fra.
1. Med traktoren i neutral skal PTO kobles fra og
føreren skal sidde i sædet og starte motoren.
2. Se ud over venstre sides fodhviler og iagttag
klipperens drivrem. Kobl PTO til og vent i adskillige
sekunder. Kobl PTO ud og tag tid på, hvor længe
klipperens rem er om at standse.
3. Hvis klipperens drivrem ikke standser indenfor 5
sekunder, skal du justere koblingen eller henvende
dig til forhandleren.
PTO-koblingsjustering og -eftersyn
Serviceinterval: Efter hver 250 driftstimer
Efterse PTO-koblingsjusteringen efter hver 250 friftstimer
- eller hvis koblingen begynder at glide eller ikke vil gribe
ind. Efterse og juster koblingen vha. den procedure som
er beskrevet i afsnittet Justeringer i denne håndbog.
Vedligeholdelse af motoren
Der henvises til motorhåndbogen for alle motorrelaterede
vedligeholdelsesprocedurer og anbefalinger.
Batterivedligeholdelse
Rengøring af batteri og kabler
Serviceinterval: Efter hver 100 driftstimer
1. Kobl batterikablerne fra batteriet, de negative kabler
først (A, Figur 15), derefter dækslet og de positive
kabler (B).
2. Løsn fløjmøtrikken og spændeskiven (D).
3. Sving holdebeslaget (C) op og bort fra batteriet.
Fastgør det til ratsøjlen.
4. Fjern batteriet (E).
5. Gør batterirummet rent med en opløsning af
bagesoda og vand.
6. Gør batteriterminalerne og kabelenderne rene med
en stålbørste og terminalrenser indtil de skinner.
7. Sæt batteriet (E) i batterirummet igen. Sæt batteriets
holdebeslag (C) og fløjmøtrik og spændeskive (D) på.
8. Sæt batterikabler på igen, de positive kabler og
dækslet først (B), derefter de negative kabler (A).
9. Påfør vaselin eller et andet ikke-ledende
smøremiddel på batteriterminalerne og
kabelklemmerne.
ADVARSEL
Når man fjerner eller installerer batterikabler skal
det negative kabel tages af FØRST og sættes på
SIDST igen. Hvis det ikke gøres i denne rækkefølge,
kan den positive terminal nemt blive kortsluttet til
chassiset af et stykke værktøj.
Figur 15. Vedligeholdelse af batteriet
A. Negative kabler
B. Positive kabler og hætte
C. Holdebeslag
D. Fløjmøtrik og spændeskive
E. Batteri
A
C
B
E
D

22
Almindelig Vedligeholdelse
Figur 16. Placering af transmissionens ID-mærkat
A. Identifikationsmærkat
TUFF TORQ K46Z
1001010101010010101
Identifikation af transmissionen
Du kan afgøre hvilken transmission, din traktor har, ved
at se på identifikationsmærkaten, som sidder på
tranmissionsakslen (Figur 16) eller se i traktormanualens
reservedelsliste.
Vedligeholdelse af transmissionen
K46 transmissionen er en forseglet enhed, og kræver
ingen regelmæssig vedligeholdelse. Hvis tranmissionen
ikke synes at have det fornødne drev eller er urimeligt
støjende, skal den måske renses ud. Henvend dig til
forhandleren for service.
A
Afmontering og installering af kølerhjælm
AFMONTERING AF KØLERHJÆLM
1. Åbn kølerhjælmen.
2. Fjern forlygternes fatninger og pærer (A, Figur 17)
ved at dreje fatningerne mod uret og trække dem ud
fra lygtekransen (B). Gentag på den anden side.
3. Vip kølerhjælmen (B, figur 18) lidt tilbage og løft den
af drejetappene (C). Sæt kølerhjælmen på en ren,
flad overflade.
MONTERING AF KØLERHJÆLMEN
1. Sæt hængselsbeslagene (A, Figur 18) på
drejetappene (C).
2. Sving kølerhjælmen fremad, indtil den hviler på
stopklodserne (D).
3. Sæt forlygternes fatning og pære (A) i lygtekransene
(B) igen, og drej dem med uret. Gentag på den anden
side.
4. Luk kølerhjælmen.
Figur 18. Montering og afmontering af kølerhjælm
A. Hængselsbeslag
B. Kølerhjælm
C. Drejetap
D. Stopklods
AC
B
Figur 17. Forlygter
A. Fatning og pære
B. Lygtekrans
A
B
A
D

23
Almindelig Vedligeholdelse
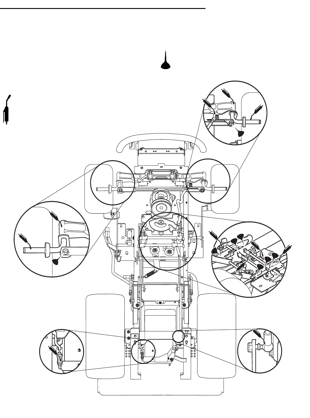
Figur 19. Traktorens smørepunkter
Smøring
Serviceinterval: Efter hver 25 driftstimer
Smør traktoren på de steder, der er anvist i Figur 19-22,
såvel som på de smøresteder, der er beskrevet i listen.
Generelt skal alle bevægelige metaldele smøres, hvor de
kommer i kontakt med andre dele. Hold olie og
smørefedt ude af remme og remskiver. Visk alle
overflader rene før og efter smøring.
Smørefedt:
• styretøjsforbindelser
• klipperledforbindelser
• drivakslers kontaktflader (fjern hjulfælgene)
• forakslernes ophæng
Brug smørenipler, hvor de forefindes. Vi anbefaler
lithiumsmørefedt til automobilbrug til traktoren.
Olie:
• fodpedalers forbindelsesstænger og andet beslag
• sædejusteringsmekanismen
• styreforbindelsesstang
• klippehøjdejusteringens ledforbindelser
• transmissionsstrammerullens drejebeslag

Almindelig Vedligeholdelse
24
Smøring af bagdrivaksler
Serviceinterval: Årligt
Vi anbefaler, at baghjulens tages af, og at bagakslerne
smøres årligt. Dette afholder hjulnavene fra at fryse fast
på akslerne, så fremtidigt servicearbejde er nemmere.
1. Slå PTO fra, sæt parkeringsbremsen til, sluk af med
startnøglen, og bloker forhjulene.
2. Løft forsigtigt bagenden op vha. enten en donkraft
eller et hejseværk placeret ved midten af chassiset,
indtil bagdækkene er 3-5 cm over jorden.
BEMÆRK: Af hensyn til maskinens generelle stabilitet
under servicearbejdet må bagenden ikke løftes højere
end det er nødvendigt for at fjerne hjulene.
Figur 23. Bagakslens dele
A. Feder
B. Afstandsstykke
C. Hjul og nav
D. Specialskive
E. Lille skive
F. E-clips
G. Akselhætte
H. Stor skive
G
B
D
A
E
F
C
Figur 20. Knivakslens smørepunkter
Figur 21. Smøring af klipperens forbindelsesstænger
(typisk)
H
H
Figur 22. Klipperaggregatets smørepunkter
3. Understøt maskinens bagende med
opklodsningsbukke under chassisets bagende.
BEMÆRK: Bagakslens bestanddele kan være lidt
anderledes på din traktor end det er på illustrationen:
antallet af skiver justeres for at tillade en lille smule
spillerum ved akslernes ender.
4. Fjern de dele, som holder hjulsamlingen fast på
akslen, og smør akslen med et antirivningsmiddel
eller lithiumsmørefedt.
5. Monter komponenterne i baglæns rækkefølge fra
adskillelsen, og sæt maskinen ned igen. Se efter, at
federen (A, Figur 23) sidder rigtigt i akslens kilegang.

ADVARSEL
For din egen sikkerheds skyld bør du ikke
håndtere de skarpe knive med de bare hænder.
Skødesløs eller forkert omgang med knivene kan
forårsage alvorlig tilskadekomst.
ADVARSEL
For din personlige sikkerheds skyld skal de
sekskantskruer, som holder knivene, alle
monteres med en sekskant-/tandlåseskive og en
fjederskive, og så spændes forsvarligt til.
Monteringsboltene efterspændes til 30 +/- 3 Nm.
FORSIGTIG
For øjeblikket den mower klinge slå en gedigen
objekt, stop den maskine straks og indskrive den
klinge. Den klippe nåle må tage skade eller klip.
Service af klipperknivene
Serviceinterval: Hver 100 timer eller efter behov
BEMÆRK: The mower blades must be sharp, balanced,
and straight. These conditions are important for the
evenness of height of mowing and quality of cut. The
blunt cutting edge worsens both the quality of mowing
and result of mowed grass collecting.
1. Fjern klipperen (Se Afmontering af klipperen).
2. Se Figur 24. Knivene tages af, så de kan slibes, idet
de blokeres med en træklods, mens sekskantskruen,
der holder dem på plads, fjernes.
3. Fjern sekskantskruen (A, Figur 26), fjederskiven (B),
tandlåseskiven (E), opretningspinden (C) og kniven
(D). Fjern ikke knivadapteren (F).
4. Brug en fil til at slibe knivene til de er godt skarpe.
Hvis en kniv er alvorligt beskadiget skal den
udskiftes.
5. Balancer kniven med hullet hængende på et søm
smurt med en dråbe olie som vist i Figur 25. En
velbalanceret kniv vil holde sig vandret.
6. Monter knivene igen med ombukkene vendt op mod
klippeaggregatets bund som vist.
7. Indstil knivene på tværs af hinanden som vist i Figur
27. Hvis det ikke synes umiddelbart muligt, så
gennemgå “Eftersyn af klipperknivenes timing” i dette
afsnit.
8. Fastgør med tandlåseskive (E, Figur 26), fjederskive
(B), sekskantskrue (A). Brug en træblok (A) for at
forhindre knivene i at rotere, mens de spændes til, og
spænd sekskantskruerne til 30 +/- 3 Nm
Almindelig Vedligeholdelse
Arbejdsbord
Søm
Figur 24. Afmontering af knivene
25
LØSN
Figur 25. Balancering af kniven

A
A
Figur 26. Montering af kniven
A. Maskinbolt
B. Fjederskive
C. Opretningspind
D. Blad
E. Notskive
F. Anlægsflange
26
Almindelig Vedligeholdelse
Figur 27. Eftersyn af knivenes timing
Eftersyn af klipperknivenes timing
Serviceinterval: Årligt
1. PTO slås FRA, parkeringsbremsen sættes til,
motoren standses, og startnøglen tages ud. Fjern
klipperen (Se Afmontering af klipper).
2. Vend bunden i vejret på klipperen og tjek knivenes
indbyrdes stilling. Knivene skal være stillet på tværs
af hinanden som vist i Figur 27. Hvis ikke, så gå
videre til trin 3.
3. Se Figur 24. Knivene tages af, så de kan slibes, idet
de blokeres med en træklods, mens sekskantskruen,
der holder dem på plads, løsnes.
4. Fjern sekskantskruen (A, Figur 26), fjederskiven (B)
og tandlåseskiven (E).
5. Tag opretningspinden (C) ud. Drej knivene (D)
manuelt, indtil de står på tværs af hinanden som vist i
Figur 27. Det kan være nødvendigt at tage
anlægsflangen (F) af og dreje den for at få
opretningshullerne til at rette ind.
6. Sæt opretningspind (C, Figur 26), tandlåseskive (E),
fjederskive (B) og sekskantskrue (A) på plads igen.
Brug en træblok (A) for at forhindre knivene i at
rotere,mens de spændes til, og spænd
sekskantskruerne (A) til 30 +/- 3 Nm.
F
BE
C
D

27
Almindelig Vedligeholdelse
Eftersyn og påfyldning af motorolien
Serviceinterval: Før hver brug, og hver 8 timer.
1. Stands motoren, og sæt parkeringsbremsen til.
2. Gør området omkring oliemålepinden rent (C, Figur
28 eller 29).
3. Tag målepinden (C) ud og visk den ren med en
serviet.
4. Sæt målepinden (C) tilbage i motoren. Ved Briggs &
Stratton-modeller skal dækslet skrues på røret.
5. Tag målepinden ud, og efterse nu olieniveauet.
Olieniveauet skal være mellem “FULL”- og ”ADD”-
markørerne (D). Hvis ikke, tilsættes der olie i henhold
til skemaet med “Anbefalet motorolie” (Figur 30).
Figur 29. V-Twin motormodeller
A. Olieaftapningsprop
B. Oliefilter
C. Målepind
D. Eftersyn af motorolieniveau
A
C
DB
Figur 28. Encylinders motormodeller
A. Olieaftapningsprop
B. Oliefilter
C. Målepind
D. Eftersyn af motorolieniveau
A
C
D
B
Figur 30. Anbefalet motorolie
Use oil classified API Service Class SF,
SG, SH, SJ or better with SAE Viscosity:
10080604020
32
0-20
3827164-7
0
-18-30
˚F
˚C
30 Conventional**
Synthetic 5W-30, 10W-30
5W-30
10W-30
Conventional*
*CAUTION: Air cooled engines run hotter than automotive engines.
The use of non-synthetic multi-viscosity oils (5W-30, 10W-30, etc.)
in temperatures above 40º F (4ºC) will result in higher than normal
oil consumption. When using a multi-viscosity oil, check oil level
more frequently.
**CAUTION: SAE 30 oil, if used below 40º F (4ºC), will result in hard
starting and possible engine bore damage due to inadequate
lubrication.
FULL
ADD
FULL
ADD
Brug olie, som er klassificeret API sevice SF,
SG, SH, SJ eller bedre med SAE viskositet:
3D konventionel **
Syntetisk 5W-30, 10W-30
5W-30
10W-30
konventionel *
*FORSIGTIG: Luftkølede motorer kører varmere end bilmotorer.
Brugen af ikke-syntetiske multiviskositetsolier (5W-40, 10W-30 osv.)
ved temperaturer over 4° C vil resultere i større olieforbrug end
normalt. Olieniveauet skal efterses oftere, når der anvendes en
multiviskositetsolie.
**FORSIGTIG: Hvis SAE 30 olie anvendes under 4° C vil det gøre det
sværere at starte og, det vil muligvis resultere i beskadigelse af
cylinderen på grund af utilstrækkelig smøring.

28
Almindelig Vedligeholdelse
Figur 31. Olieaftapningsventilen
A. Motorblok / ventilsæde
B. Olieaftapningsventil
C. Dæksel
D. Studs
AA
BB
CC
D
Olieaftapningsventilens funktion
1. Placer en passende beholder med 4 liters kapacitet
under olieaftapningsventilen (A, Figur 28 eller 29)
2. Løsn eller fjern målepinden (C).
3. Visk olieaftapningsventilen (B, Figur 31) og dækslet
(C) af med en serviet eller en klud.
BEMÆRK: Man kan putte en slange med 12,5 mm
indvendig diameter over ventilens studs, hvilket kan
være til hjælp med aftapning af olien.
4. Drej olieaftapningsventilen (B) mod uret og træk den
ca. 6 mm udad for at aftappe motorolien. Tillad god
tid for grundig aftapning.
5. Efter al olien er aftappet, lukkes ventilen (B) igen ved
at skubbe den ind og dreje den med uret.
6. Visk studsen (D) af med en serviet eller en klud. Sæt
dækslet (C) over studsen (D).
Udskiftning af motorolie
BRIGGS & STRATTON-MODELLER
Serviceinterval: 50 timer eller en gang hver sæson.
Oliekapacitet: Ca. 1,8 l uden udskiftning af filter.
BEMÆRK: Udskift motorolien, mens motoren er varm.
Kør motoren i nogle få minutter, sluk så for motoren og
lad den køle ned fra kogende til varm.
1. Gør området omkring oliemålepinden rent (C, Figur
28 eller 29) og olieaftapningsventilen (A).
2. Aftap motorolien. Se
OLIEAFTAPNINGSVENTILENS FUNKTION ovenfor.
3. Fyld olie på krumtaphuset. Se EFTERSYN AF
MOTOROLIENIVEAU.
Udskiftning af motorolie og filter
BRIGGS & STRATTON-MODELLER
Serviceinterval: 100 timer eller en gang hver sæson.
Oliekapacitet: Ca. 1,9 l med oliefilterskift.
BEMÆRK: Udskift motorolien, mens motoren er varm.
Kør motoren i nogle få minutter, sluk så for motoren og
lad den køle ned fra kogende til varm.
1. Gør området omkring oliemålepinden rent (C, Figur
28 eller 29) og olieaftapningsventilen (A).
2. Aftap motorolien. Se
OLIEAFTAPNINGSVENTILENS FUNKTION ovenfor.
3. Tag oliefilteret (B) af. Bortskaf filteret.
4. Put en dråbe olie på fingeren, og fugt pakningen på
undersiden af det nye filter med olie.
5. Skru filteret på med uret, indtil gummipakningen
sidder op mod filtersædet. Stram det så 1/2 til 3/4
omdrejning mere.
6. Fyld olie på krumtaphuset. Se EFTERSYN AF
MOTOROLIENIVEAU.
7. Start motoren og efterse for lækager. Stands
motoren i 1 minut, og efterse olieniveauet igen.
Ventil
lukket
Ventil
åben

29
Almindelig Vedligeholdelse
Figur 32. Luftfiltersamling – V-Twin-modeller
A. Skruer
B. Dæksel
C. Luftfilter
D. Forfilter
Servicearbejde på luftfilter og forfilter
(V-TWIN-MODELLER)
Serviceinterval: Forfilter: 25 timer eller efter behov.
Luftfilter: 50 timer eller efter behov.
Udskiftningsinterval: Forfilter: Efter behov. Luftfilter:
200 timer eller en gang hver sæson.
Montering og afmontering af luftfilter
1. Løsn de fire skruer (A, Figur 32) ved at dreje dem
mod uret.
2. Fjern dækslet (B). Fjern filteret (C) og forfilteret (D).
3. Monter forfilteret (D) med trådnettet opad. Sæt nyt
filter (C) i som vist.
4. Sæt dækslet (B) på igen som vist, og pas på, at
fligene går rigtigt på plads. Skru de 4 skruer fast
igen.
Service af forfilter
BEMÆRK: Udskift et slidt eller beskadiget forfilter.
1. Vask forfilteret i flydende vaskemiddel og vand (se
Figur 33).
2. Klem forfilteret tørt og gennemvæd det med
motorolie. Klem al overflødig motorolie ud i en
absorberende klud.
Service af luftfilter
BEMÆRK: Udskift et slidt eller beskadiget luftfilter.
1. Hvis der er påstemplet “Washable” kan filteret vaskes
med varmt vand og mild sæbe (se Figur 33).
2. Skyl med postevand med trådnettet OPAD, så snavs
og fremmedmateriale kan filtreres ud.
3. Lad filteret tørre natten over før det geninstalleres.
B
C
D
A
1.
Pre-Cleaner Air Filter
1.
2. 2.
Figur 33. Service af luftfilteret
Forfilter Luftfilter

30
Almindelig Vedligeholdelse
1.
2.
3.
Figur 34. Luftfiltersamling – Enkeltcylinders modeller
A. Lukkemekanisme
B. Dæksel
A
B
Servicearbejde på luftfilter ogforfilter
ENCYLINDREDE BRIGGS & STRATTON-MODELLER
Serviceinterval: Forfilter: 25 timer eller efter behov.
Luftfilter: 50 timer eller efter behov.
Udskiftningsinterval:Forfilter: Efter behov. Luftfilter:
200 timer eller en gang hver sæson.
Montering og afmontering af luftfilter
1. Løft up i lukkemekanismen (A Figur 34).
2. Drej lukkemekanismen til indersiden.
3. Træk dækslet (B) ud og af.
4. Løft filteret (C, Figur 35) og forfilteret (D), hvis der er
et, op fra ventilatorhuset.
5. Monter forfilteret (D) med trådnettet opad. Sæt nyt
filter (C) i som vist.
6. Sæt dækslet (B) på igen som vist, og pas på, at
fligene går rigtigt på plads. Sæt lukkemekanismen
(A) på plads.
Service af forfilter
BEMÆRK: Udskift et slidt eller beskadiget forfilter.
1. Vask forfilteret i flydende vaskemiddel og vand (se
Figur 33).
2. Klem forfilteret tørt. Kom ikke olie på forfilteret.
Service af luftfilter
BEMÆRK: Udskift et slidt eller beskadiget luftfilter.
1. Hvis der er påstemplet “Washable” kan filteret vaskes
med varmt vand og mild sæbe (se Figur 33).
2. Skyl med postevand med trådnettet opad, så snavs
og fremmedmateriale kan filtreres ud.
3. Lad filteret tørre natten over før det geninstalleres.
A
B
A
B
Figur 35. Luftfiltersamling – enkeltcylinders modeller
A. Lukkemekanisme
B. Dæksel
C. Luftfilter
D. Forfilter
AC
D
B

31
Figur 36. Indstilling af tændrørets gnistgab
Udskiftning af tændrør
Serviceinterval: Årligt
Gnistgab: 0,76 mm (0,030”)
Udskiftning af tændrør
Resistor tændrør Champion RC12YC
1. Stands motoren og lad den køle af.
2. Gør området omkring tændrøret rent (se Figur 36 eller
37).
3. Tag tændrøret ud.
4. Efterse gnistgabet. Det bør være 0,76 mm (0,030”).
5. Sæt tændrøret i cylinderhovedet igen. Stram
tændrøret til 20 Nm.
Figur 37. Indstilling af tændrørets gnistgab
Almindelig Vedligeholdelse
0,76 mm
(.030")
0,76 mm
(.030")
0,76 mm
(.030")
0,76 mm
(.030")

32
Almindelig Vedligeholdelse

33
Fejlfinding,
justering og service
Fejlfinding
Selvom normal omsorg og almindelig vedligeholdelse
forlænger maskinens levetid, vil langvarig eller konstant
brug med tiden kræve, at der udføres service, så
maskinen fortsat kan fungere korrekt.
Fejlfindingsvejledningen nedenfor opregner de mest
almindelige problemer, deres årsager og udbedringer.
Se oplysningerne på de følgende sider for at få
vejledning i, hvordan de fleste mindre justeringer og
servicearbejder kan udføres af dig selv. Hvis du
foretrækker det, kan alt dette servicearbejde udføres for
dig af den lokale forhandler.
Fejlfinding på traktoren
PROBLEM ÅRSAG AFHJÆLPNING
Motoren kan ikke tørnes 1. Bremsepedalen er ikke trådt helt i bund. Træd pedalen helt ned.
eller startes. 2. PTO-kontakten (elektrisk kobling) Sæt i frakoblet stilling (OFF).
i tilkoblet (ON) stilling.
3. Cruise-control er sat til. Sæt håndtaget i neutral/slukket stilling.
4. Tør for brændstof. Hvis motoren er varm, så lad den køle af, før
du fylder brændstof på.
5. Motoren druknet. Nulstil chokeren.
6. Sikring sprunget. Udskift.
7. Batteriterminalerne skal Se afsnittet Batterivedligeholdelse.
gøres rene.
8. Batteriet er afladet eller dødt. Oplad eller udskift batteriet.
9. Løse eller knækkede ledninger. Efterse ledningsføringen og udskift knækkede og
beskadigede ledninger. Fastgør all løse forbindelser.
10. Solenoide eller startmotor defekt. Henvend dig til forhandleren.
11. Sikkerhedsblokeringens kontakt er Henvend dig til forhandleren.
defekt.
12. Tændingsrør er udbrændt, tilsodet Gør det rent og indstil gabet eller udskift det.
eller har forkert gnistgab. Se motorhåndbogen.
13. Vand i brændstoffet. Aftap brændstoffet og fyld friskt brændstof på.
Udskift brændstoffilteret.
14. Benzinen er for gammel. Aftap brændstoffet og fyld friskt brændstof på.
Udskift brændstoffilteret.
Motoren har svært ved at starte 1. Benzinblandingen er for fed. Gør luftfilteret rent. Efterse chokerens justering.
eller løber dårligt. 2. Tændingsrør er udbrændt, tilsodet Gør det rent og indstil gabet eller udskift det.
eller har forkert gnistgab. Se motorhåndbogen.
Motoren banker. 1. Lavt motorolieniveau. Efterse oliestanden. Påfyld olie efter behov.
2. Du anvender den forkerte type olie. Se motorhåndbogen.
Overforbrug af olie. 1. Motorens arbejdstemperatur er for høj. Gør motorens køleribber, ventilatorgitter, og
luftrenser rene. Gør kølergitteret rent.
2. Du anvender den forkerte vægttype olie. Se motorhåndbogen.
3. For meget olie i krumtaphuset. Aftap overflødig olie.
Motorens udstødning er sort. 1. Luftfilteret er snavset. Udskift luftfilteret. Se motorhåndbogen.
2. Chokeren er lukket. Åbn chokeren.
Motoren går, men traktoren 1. Kørekastighedspedalen er Træd ned i en pedal.
vil ikke køre. ikke trådt ned.
2. Transmissionsudløserhåndtag Sæt det i kørestilling.
i “skubbe”-stilling.
3. Drivremmen er gået itu. Henvend dig til forhandleren.
4. Drivremmen glider. Se årsager og afhjælpninger nedenfor.
5. Parkeringsbremsen er slået til. Slå parkeringsbremsen fra.
ADVARSEL
For at undgå alvorlig tilskadekomst må
vedligeholdelsesarbejde på traktoren og
klipperen kun foretages, når motoren er stoppet
og parkeringsbremsen er slået til.
Fjern altid startnøglen, kobl tændrørskablet fra og
gør det fast i forsvarlig afstand fra tændrøret, før
du foretager vedligeholdelsesarbejde, for at
undgå utilsigtet start af motoren.

34
Fejlfinding, justeringer og service
Fejlfinding, traktor, fortsat.
Drivremmen glider. 1. Remskiver eller rem er fedtede. Rengør efter behov.
2. Remmen er blevet strakt eller slidt. Henvend dig til forhandleren.
3. Strammerullearmen Tag strammerullearmen ud, gør den ren, og
er “frosset fast” i løs stilling. smør den.
Bremsen vil ikke holde. 1. Interne bremsedele er slidte. Henvend dig til forhandleren.
Traktoren er svær at 1. Styretøjet er løst. Efterse og stram løse dele.
styre eller er svær at håndtere. Se Justering af styretøj.
2. Forkert dæktryk. Efterse og korriger.
3. Forhjulsophængets Smør ophængets aksler. Se Smøring af
aksellejer er tørre for smørefedt. traktoren.
Fejlfinding på klipperen
PROBLEM ÅRSAG AFHJÆLPNING
Klipperen kan ikke løftes. 1. Løftegrejet er ikke monteret korrekt, Sæt fast eller reparer.
eller det er beskadiget.
Klipperen laver et ujævnt skår. 1. Klipperens nivellering er forkert. Se Klipperjustering.
2. Traktorens dæk er ikke pumpet Se afsnittet om vedligeholdelse.
ensartet eller tilstrækkelig op.
Skåret ser groft ud. 1. Motorhastigheden for lav. Sæt den på fuld gas.
2. Kørehastigheden for høj. Kør langsommere.
3. Knivene er sløve. Slib eller udskift knivene.
Se Service af klipperknivene.
4. Klipperens drivrem glider Gør remmen ren, eller udskift den.
fordi den er slidt eller fedtet.
5. Efterse PTO justeringen Se afsnittet om justeringer.
(elektrisk kobling).
6. Knivene sidder ikke rigtigt fast Se Service af klipperknivene.
på remskiveakslerne.
Motoren staller nemt, 1. Motorhastigheden for lav. Sæt den på fuld gas.
når klipperen er slået til. 2. Kørehastigheden for høj. Kør langsommere.
3. Luftfilteret er snavset eller tilstoppet. Se motorhåndbogen.
4. Klippehøjden er sat for lavt. Klip højt græs ved den højeste
klippehøjde ved første klipning.
5. Udkastkanalen bilver tilstoppet Klip med udkastkanalen pegende mod
med afklippet græs. et allerede klippet område.
6. Motoren har ikke opnået den Lad motoren gå i adskillige minutter for at
optimale driftstemperatur. varme op.
7. Du har startet klipperen i højt græs. Start klipperen på et sted uden højt græs.
Klipperen vibrerer for meget. 1. Knivenes monteringsbolte Stram til 61-75 Nm.
sidder løse.
2. Klipperknive, remskiveaksler, Efterse og udskift efter behov.
eller remskiver er bøjede.
3. Klipperknivene er ude Tag dem af, slib og balancer knivene.
af balance. Se Service af klipperknivene.
4. Remmen er monteret forkert. Sæt den rigtigt på.
Remmene slides for meget 1. Bøjede eller ru remskiver. Reparer eller udskift efter behov.
eller springer. 2. Forkert rem. Udskift med den rigtige rem.
Klipperens drivrem glider 1. Strammerullens fjeder er knækket Reparer eller udskift efter behov.
eller trækker ikke. eller sidder ikke rigtigt.
2. Klipperbremsen er ude af justering. Efterse klipperbremsen.
3. Klipperens drivrem er sprunget. Udskift drivremmen.
4. PTO-koblingen er ude af justering. Juster PTO-koblingen.

35
Fejlfinding, justeringer og service
Figur 38. Sædejustering
A. Sædejusteringshåndtag
Figur 39. Sikring
A. Sikring, 20 A.
B. Sikringsholder
B
A
Figur 40. Sikring af blad-typen
A. God sikring med solidt smelteligt led
B. Sprunget sikring med brudt smelteligt led
Ubrudt smelteligt
led Brudt smelteligt led
B
A
Sædejusteringer
Sædet kan justeres frem og tilbage. Ved greb i
håndtaget (A, Figur 38) kan sædet indstilles efter ønske,
og håndtaget slippes, hvilket fastlåser sædet i den nye
position.
Bremsejustering
Denne maskine har ikke en manuelt justerbar bremse.
Hvis bremsen ikke fungerer rigtigt, så henvend dig til
forhandleren.
Opladning af batteriet
ADVARSEL
Hold åben ild og gnister borte fra batteriet.
Gasser fra batteriet er meget eksplosive. Batteriet
skal oplades i et godt ventileret område.
Et dødt batteri eller et, som er for svagt til at starte
motoren, kan være forårsaget af en defekt i
opladningssystemet eller andre elektriske komponenter.
Hvis der er nogen tvivl om årsagen til problemet, skal du
henvende dig til forhandleren. Følg anvisningerne under
“Rengøring af batteri og kabler” i afsnittet om Almindelig
vedligeholdelse, hvis der er grund til at udskifte batteriet.
For opladning af batteriet følges anvisningerne fra
batteriopladerens fabrikant samt de advarsler, der er
inkluderet i denne håndbogs sikkerhedsafsnit. Oplad
batteriet indtil det er fuldt opladet. Opladningen må ikke
foretages ved mere end 10 Ampere.
Udskiftning af sikring
Sikringen er en 20 A blad-type automobilsikring, placeret
bag batteriet på ratsøjlen. Må kun udskiftes med en
sikring af samme nominelle kapacitet: 20 A.
Sådan udskiftes sikringen:
1. Åbn kølerhjælmen og find sikringsholderen (B, Figur 39)
og sikringen (A) fastgjort til ratsøjlen.
2. Hold fast i sikringsholderen (B) og træk sikringen (A) ud.
3. Se efter, om sikringens smeltelige led er brudt (se Figur
40). Udskift sikringen, hvis den er sprunget. Hvis du
ikke er sikker på, hvor vidt det smeltelige led de brudt,
så udskift sikringen alligevel.
4. Hold sikringsholderen (B, Figur 39) og skub ny sikring
(A) i, indtil den sidder rigtigt.
A

36
Fejlfinding, justeringer og service
PTO-koblingsjustering
Efterse PTO-koblingens justering efter hver 250 timers
brug. Følgende procedurer følges, hvis koblingen glider,
ikke griber, eller hvis man har installeret en ny kobling.
1. Fjern altid startnøglen og kobl tændrørskablet fra for
at undgå muligheden for tilskadekomst ved tilfældig
start, mens PTO-koblingen justeres.
2. Se Figur 41. Bemærk placeringen af de tre
justeringsåbninger (A) i siden af bremseskiven og
nylock justeringsmøtrikkerne (B).
3. Sæt et 0,25-0,40 mm søgerblad (C) ind gennem hver
åbning, idet det placeres mellem rotoroverfladen og
armaturoverfladen som vist i Figur 42.
4. Stram justeringsmøtrikkerne (B, Figur 41) skiftevis,
indtil rotoroverfladen og armaturoverfladen lige netop
berører søgerbladene.
5. Efterprøv alle åbningerne for en ens stram følelse,
når søgerbladet sættes ind og tages ud, og foretag
de nødvendige justeringer ved at løsne eller stramme
justeringsmøtrikkerne.
BEMÆRK: Det faktiske gab mellem rotor og armatur
kan variere, selv efter justering. Dette skyldes
dimentionelle variationer ved komponenterne og er
acceptabelt.
6. Efterprøv klipperknivenes standsningstid.
Klipperknivene og deres drivrem skal standse helt
inden for 5 sekunder efter at den elektriske PTO-
koblingen er blevet slået fra.
7. Udfør det KNIVBREMSEEFTERSYN, som findes i
vedligeholdelsesafsnittet. Klipperens knive og
remme skal standse helt indenfor 5 sekunder efter at
den elektriske PTO-kobling er blevet slået fra.
Figur 41. PTO-koblingsjustering
A. Justeringsvindue (antal: 3, én vist)
B. Justeringsmøtrik
AB
B
B
A
C
Figur 42. Justering af PTO-koblingen
A. Vindue
B. Justeringsmøtrik (3)
C. Søgerblad
ADVARSEL
For at undgå alvorlig tilskadekomst må
justeringer kun udføres med motoren standset,
startnøglen fjernet og med rideren placeret på en
jævn, vandret overflade.
B

Fejlfinding, justeringer og service
Udskiftning af klipperens rem
1. Parker traktoren på en flad, vandret overflade som
f.eks. et betongulv. Slå PTO fra, sæt
parkeringsbremsen til, stands motoren og tag
startnøglen ud.
2. Fjern klipperen (Se Afmontering af klipper).
3. Fjern remafskærmningen fra PTO-remskiven (A,
Figur 43).
4. Fjern strammerullebeslaget (B) og knivakselremmen
(C).
5. Fjern PTO-remskiven (A) og strammerullen (D) fra
remafskærmningen.
6. Fjern remafskærmningen for at få adgang til
klipperremskiver (E) og klipperrem (F).
For at undgå beskadigelse af remme:
REMMENE MÅ IKKE VRISTES OVER
REMSKIVERNE.
Figur 43. Udskiftning af klipperrem
A. PTO-remskive
B. Strammerullebeslag
C. Knivakselrem
D. Strammerulle
E. Klipperremskive (4)
F. Klipperrem
7. Tag den gamle rem af og sæt en ny på. Sæt remmen
på som vist i Figur 43.
8. Indskrive at den klinge er placeret lodret hen til
hinanden ( se efter Tal 44). Hvis ikke , præstere den
“Check Mower Klinge Tidtagning fremgangsmåde i
den Opretholdelse afdeling.
9. Installer remafskærmningen.
10. Monter PTO-remskive, strammerulle, knivakselrem,
og strammerullebeslaget.
11. Monter afskærmningen for PTO-remskiven.
12. Monter klipperen (Se Montering af klipperen).
13. Kør klipperen uden belastning i ca. 5 minutter.
37
A
B
C
D
D
E
F

Udskiftning af knivakselrem
1. Med klipperen installeret parkeres traktoren på et
jævnt, plant underlag som f.eks. et betongulv. Slå
PTO fra, sæt parkeringsbremsen til, stands motoren
og tag startnøglen ud.
2. Fjern klipperen (Se Afmontering af klipper).
3. Fjern remafskærmningen fra PTO-remskiven (A, Figur
45).
4. Vise den ledig affjedre (B) af den hel henne ved den
indramme armen.
5. Fjern PTO-rem (C).
6. Sæt ny rem på PTO-remskiven (A) og strammerulle
(D) som vist.
7. Koble til den ledig affjedre igen oven på den
indramme armen.
BEMÆRK: Den PTO drivrem i den mower er spænding
ved hjælp af en hevet hos en affjedre. Selv om den
spænding befrier , forhøje sig af opstilling den øje i den
affjedre i den other hel i den hevet bringe i niveau , eller i
en anden hel henne ved den indramme armen.
8. Udløsning af tandremmens stramning (A, Figur 46)
som vist.
9 Sæt remafskærmningerne på igen.
38
Fejlfinding, justeringer og service
Figur 46. Udløsning af tandremmens stramning
A. 3/8” skraldenøgle og topnøgleforlænger
Figur 44. Knivenes timing
Figur 45. Klipperaggregat (med remafskærmninger
fjernet)
A. PTO-remskive
B. Maskinbolt
C. Rem
D. Strammerulle
A
AB
C
D

39
MOTOR
22 HK* Briggs & Stratton
Mærke Briggs & Stratton
Model Intek
Hestekræfter 22 ved 2800 +/- 100 o/m
Slagvolumen 724 cc
Elektrisk system 12 V, 9 A vekselstrømsgenerator, batteri:
230 koldstartampere
Oliekapacitet 1,9 l
19,5 HK* Briggs & Stratton
Mærke Briggs & Stratton
Model Intek
Hestekræfter 19,5 ved 2800 +/- 100 o/m
Slagvolumen 500 cc
Elektrisk system 12 V, 9 A vekselstrømsgenerator, batteri:
230 koldstartampere
Oliekapacitet 1,4 l
CHASSIS
Brændstoftank Kapacitet: 13,2 l
Baghjul Dækstørrelse: 22 x 10-8
Dæktryk: 0,68 bar
Forhjul Dækstørrelse: 15 x 6,0-6
Dæktryk: 0,82-0,96 bar
TRANSMISSION
K46
Type Hydrostatisk Tuff Torq K46
Hydraulisk væske 10w 30 premium motorolie
Hastigheder Fremad: 9,0 km/t
ved 3400 Bak: 4,6 km/t
Kontinuerlig kraftydelse 19,21 Nm
Trækstangskapacitet 103 kg
Maksimal vægt 306 kg
på akslen
DIMENSIONER
Største længde 262 cm
Største bredde 107 cm
Højde 125 cm
Vægt: 280 kg
19,5 HK eller 22 HK traktor
med 40” klipper
Briggs & Stratton-modeller: Den nominelle bruttokraft for individuelle benzinmotormodeller er markeret i
overensstemmelse med SAE (Society of Automotive Engineers) code J1940 (Small Emgine Power & Torque Rating
Procedure) og nominel effekt er blevet vurderet og korrigeret i overensstemmelse med SAE J1995 (revision 2002-
05). Momentværdier er opnået ved 3060 rpm, hestekraftværdien ved 3600 rpm. Den faktiske bruttomotorkraft vil
være mindre, og er blandt andet påvirket af arbejdsforholdene og variationer mellem enkelte motorer. I betragtning af
det brede anvendelsesområde for disse motorer og de miljømæssige variationer de udsættes for, vil benzinmotoren
ikke afgive den nominelle bruttokraft ved anvendelse i nogen bestemt maskine (faktisk eller netto-hestekraft). Denne
forskel forekommer på grund af forskellige faktorer, deriblandt, men ikke begrænset til tilbehør (luftfilter, udstødning,
køleudstyr, karburator, benzinpumpe, osv.) begrænsninger i anvendelsesområdet, miljømæssige faktorer
(temperatur, fugtighed, højde over havet) og variationer enkelte motorer imellem. Som følge af fabrikations- og
kapacitetsbegrænsninger er det muligt, at Briggs & Stratton vil levere en anden motor med større nominel kraft i
stedet for denne motorserie.
Specifikationer
BEMÆRK: Specifikationerne er korrekte på det tidspunkt, hvor håndbogen er blevet trykt, men kan ændres uden varsel.

40
Reservedele og
tilbehør
Reservedele
Reservedele kan fås fra din autoriserede forhandler.
Motorolie
Maling til opfriskning
Smørepistolsæt
8 oz. fedtpatron
Dækforseglingsmiddel
Affedtningsmiddel/rengørings
midler
Benzinstabilisator
Vedligeholdelsesmaterialer
Der kan fås mange vedligeholdelsesmaterialer og
reservedele fra din autoriserede forhandler til at hjælpe
dig med vedligeholdelsesarbejde. Eksempler herpå er:
Model:
Fabr. Nr.:
Dit navn:
Adresse:
Postnummer, by:
Kreditkortnummer:
Kortets udløbsdato:

Briggs & Stratton Power Products Group, L.L.C.
Copyright © 2008 Briggs & Stratton Corporation
Milwaukee, WI USA. All Rights Reserved
www.BRIGGSandSTRATTON.com
www.Snapper.com
www.SimplicityMfg.com