Simplicity 2Wd Series Parts Manual Conquest / 1700 2700 Garden Tractors & Mower Decks
2014-12-13
: Simplicity Simplicity-2Wd-Series-Parts-Manual-126431 simplicity-2wd-series-parts-manual-126431 simplicity pdf
Open the PDF directly: View PDF
.
Page Count: 72

Parts Manual
Rev. 12/2008
Conquest / 1700 / 2700
2WD Series Garden Tractors & Mower Decks
Mf
g
. No. Descri
p
tion
23HP Product
1694818 1723H, 23HP Hydro RMO
1694819 Conquest, 23HP Hydro RMO
1694820 2723H, 23HP Hydro RMO
1695153 Conquest, 23HP Kohler Hydro RMO
1695154 1723H, 23HP B&S Hydro w/PS RMO
1695155 2723H, 23HP B&S Hydro w/PS RMO
1695226 Conquest, 23HP B&S Hydro (CE/Export)
2690745 Conquest, 23HP Hydro 2WD w/PS and 50" Mower Deck
2690746 Conquest, 23HP Hydro 2WD RMO and 50" Mower Deck
2690747 Conquest, 23HP Hydro 2WD RMO and 44" Mower Deck
2690748 1723H, 23HP Hydro 2WD RMO and 50" Mower Deck
2690749 1723H, 23HP Hydro 2WD w/PS RMO and 50" Mower Deck
2690750 2723H, 23HP Hydro 2WD RMO and 50" Mower Deck
2690751 2723H, 23HP Hydro 2WD w/PS RMO and 50" Mower Deck
2690753 Conquest, 23HP 2WD RMO and 44" Mower Deck
(CE/Export)
2690799 Conquest, 23HP Hydro and 54" Mower Deck (CE/Export)
Mf
g
. No. Descri
p
tion
Mower Decks
1695399 44" Mower Deck
1695400 44" Mower Deck
1695397 50" Mower Deck
1695589 50" Mower Deck
TP 400-4803-C-CQ-SMA
1735722
Part No.:
Not for
Reproduction
Not for
Reproduction

Table Of Content
s
Torque Specification Chart ..................................................................... Inside Back Cover
PRODUCT COMPONENTS PAGES
Frame Group - Manual Steering .......................................................................................................................... 4
Frame Group - Power Steering ............................................................................................................................ 8
Power Steering & Hydraulic Lift Group ................................................................................................................ 12
Steering Group - Manual Steering ....................................................................................................................... 14
Steering Group - Tilt Steering .............................................................................................................................. 16
Engine Group - 20HP, 22HP & 23HP Briggs & Stratton, Vanguard Twin ........................................................... 18
Engine Group - 23HP Kohler, Courage Twin ...................................................................................................... 20
Transmission Group ............................................................................................................................................. 22
Controls Group ..................................................................................................................................................... 26
Cruise Control Group ........................................................................................................................................... 28
Electrical Group .................................................................................................................................................... 30
Hood, Grille & Dash Group .................................................................................................................................. 34
Seat & Seat Deck Group ...................................................................................................................................... 36
Lift Group - Manual Lift ......................................................................................................................................... 38
Wheels & Tires Group .......................................................................................................................................... 40
Decals Group - Brand & Model ............................................................................................................................ 42
Decals Group - Safety & Common ...................................................................................................................... 44
44" & 50" Mower Deck - Clutch & Support Group ............................................................................................... 46
44" Mower Deck - Height Adjustment & Roller Group ......................................................................................... 48
44" Mower Deck - Housing, Arbors & Blades Group ........................................................................................... 52
50" Mower Deck - Height Adjustment & Roller Bar Group .................................................................................. 56
50" Mower Deck - Housing, Arbors & Blades Group ........................................................................................... 58
54" Mower Deck - Height Adjustment & Roller Bar Group .................................................................................. 62
54" Mower Deck - Housing, Arbors & Blades Group ........................................................................................... 66
Not for
Reproduction

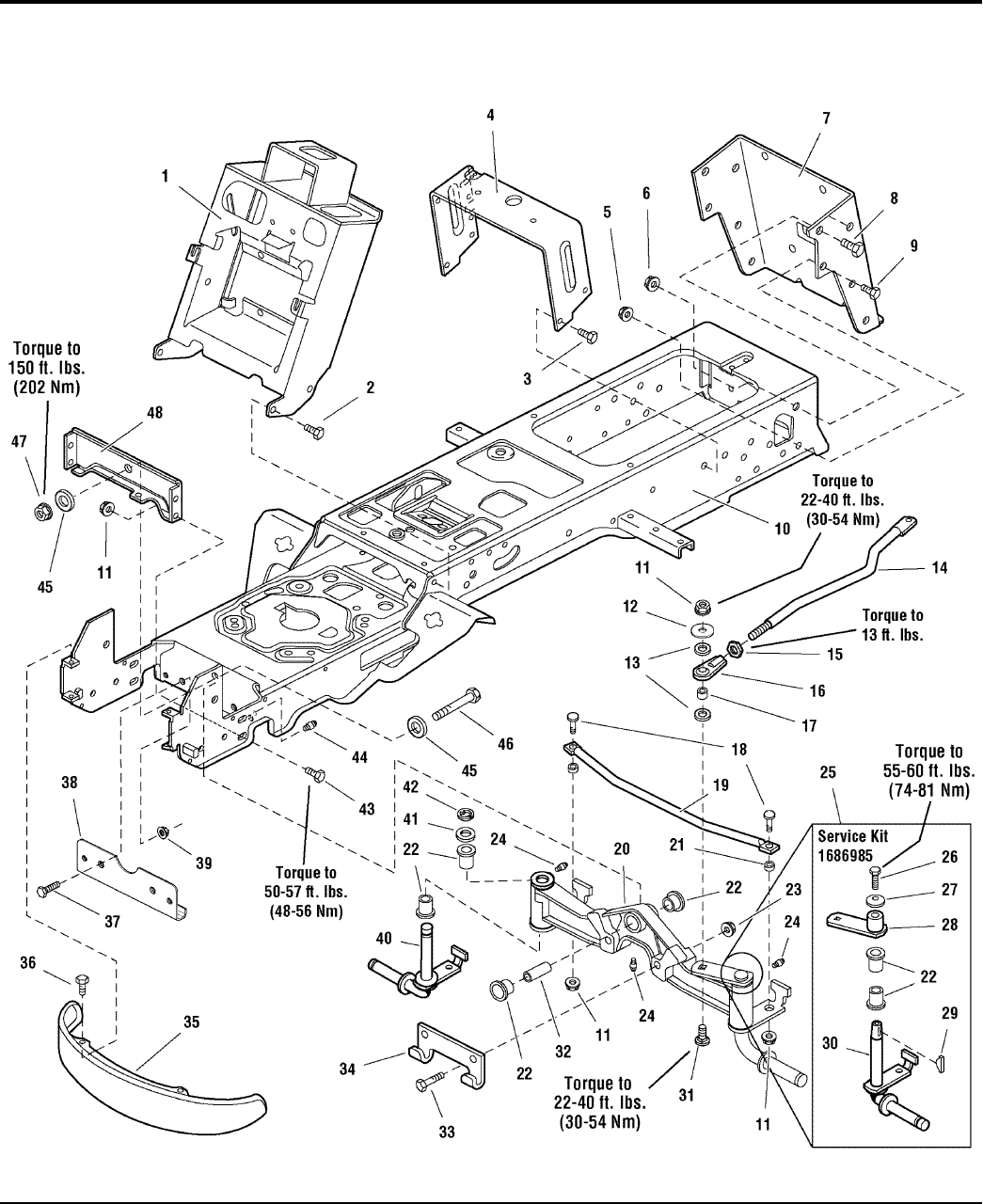
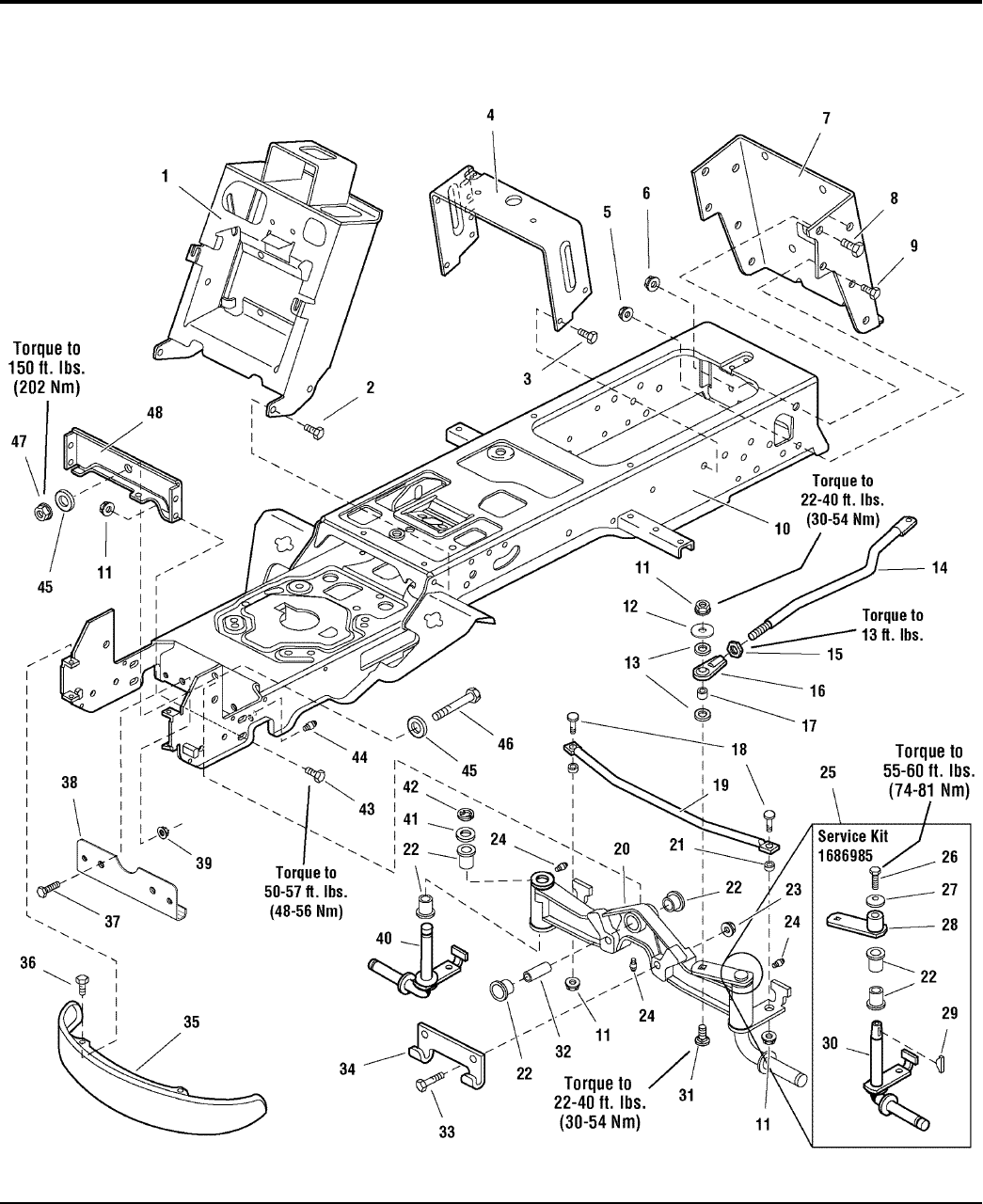
Frame Group - Manual Steering
NOTE: Unless noted otherwise,
use the standard hardware torque
specification chart.
986747
The above parts group applies to the following Mfg. Nos.:
4
2008
Milwaukee, WI, USA. All rights reserved
© Copyright by Briggs & Stratton Corporation
1694818 - 1723H
1694819 - Conquest
1694820 - 2723H
1695153 - Conquest
1695226 - Conquest
2690746 - Conquest
2690747 - Conquest
2690748 - 1723H
2690750 - 2723H
2690753 - Conquest
2690799 - Conquest
TP 400-4803-C-CQ-SMA
Not for
Reproduction

PART NO. DESCRIPTIONREF NO QTY.
Frame Group - Manual Steering
Footnotes
TOWER & SUPPORT ASSEMBLY 1 1733139ASM 1
CAPSCREW, Hex Washer Head Taptite, 3/8-16 x 3/4 2 1923683SM 4
CAPSCREW, Hex Washer Head Taptite, 5/16-18 x 3/4 3 1960541SM 4
SUPPORT, Seat Deck 4 1723528ASM 1
NUT, Hex Flange 3/8-16 Whiz Lock, Large 5 1928352SM 2
NUT, Hex Flange Two-Way Lock, 1/2-13 6 1930644SM 2
BACKPLATE 7 1722602ASM 1
CAPSCREW, Hex Head 1/2-13 x 1, Black 8 1923114SM 2
CAPSCREW, Hex Head 3/8-16 x 1, Black 9 1921210SM 2
FRAME ASSEMBLY, Front & Rear 10 1726989ASM 1
NUT, Hex Flange Two-Way Lock, 3/8-16 11 1930645SM 7
WASHER, 3/8, Black 12 1922755SM 1
WASHER, 3/8, Black 13 1960103SM 2
LINK, Drag 14 1722541SM 1
NUT, Hex Jam 1/2-20 15 1919262SM 1
JOINT, Ball 16 1702779SM 1
SPACER, 3/8 x 1/2 x 5/8 17 1708236SM 1
CARRIAGE BOLT, 3/8-16 x 1 18 1931350SM 2
ROD, Tie 19 1722626ASM 1
AXLE ASSEMBLY w/LH Spindle (Includes Ref. Nos. 22, 24, 41, 42 & 43) 20 1722200ASM 1
SPACER, 25/64 x 5/8 x 5/16, Powder Metal 21 1611705SM 2
BUSHING, 31/32 x 1-1/4 x 3/4, Powder Metal 22 1721682SM 6
NUT, Hex Flange Two-Way Lock, 7/16-14 23 1930650SM 2
FITTING, Lube 24 2821133SM 3
SPINDLE REPLACEMENT KIT, LH (Includes Ref. Nos. 22, 26, 27, 28, 29 & 30) 25 1686985SM 1
CAPSCREW, 3/8-16 x 7/8, GR8 26 2823485SM 1
WASHER, Spring, 3/8 27 1663151SM 1
HUB & ARM ASSEMBLY 28 1725112SM 1
KEY, Woodruff 29 2830671SM 1
SPINDLE, LH 30 1724264SM 1
CARRIAGE BOLT, 3/8-16 x 1-1/2 31 1931352SM 1
SPACER, 11/16 x 21/32 x 2 3/32 32 1721752SM 1
CAPSCREW, Hex Head, 7/16-14 x 2 G8 33 1927531SM 2
HOOK, "J" 34 1721918ASM 1
BUMPER, Black 35 1721805ASM 1
BUMPER, Chrome 35 1723502SM 1
SCREW, Truss Head Torque Drive, 5/16-18 x 7/8 36 1960086SM 4
CAPSCREW, Hex Whiz Lock, 5/16-18 x 3/4 37 1930591SM 2
PLATE, Axle Wear 38 1724801ASM 1
NUT, Hex Flange Whix Lick, 5/16-18 39 1931277SM 2
SPINDLE, RH 40 1722199SM 1
WASHER 41 1919394SM 1
RETAINING RING 42 2832577SM 1
The above parts group applies to the following Mfg. Nos.:
5
2008
Milwaukee, WI, USA. All rights reserved
© Copyright by Briggs & Stratton Corporation
1694818 - 1723H
1694819 - Conquest
1694820 - 2723H
1695153 - Conquest
1695226 - Conquest
2690746 - Conquest
2690747 - Conquest
2690748 - 1723H
2690750 - 2723H
2690753 - Conquest
2690799 - Conquest
TP 400-4803-C-CQ-SMA
Not for
Reproduction

Frame Group - Manual Steering
NOTE: Unless noted otherwise,
use the standard hardware torque
specification chart.
986747
The above parts group applies to the following Mfg. Nos.:
6
2008
Milwaukee, WI, USA. All rights reserved
© Copyright by Briggs & Stratton Corporation
1694818 - 1723H
1694819 - Conquest
1694820 - 2723H
1695153 - Conquest
1695226 - Conquest
2690746 - Conquest
2690747 - Conquest
2690748 - 1723H
2690750 - 2723H
2690753 - Conquest
2690799 - Conquest
TP 400-4803-C-CQ-SMA
Not for
Reproduction

PART NO. DESCRIPTIONREF NO QTY.
Frame Group - Manual Steering
Footnotes
CAPSCREW, Hex Flange Whiz Lock, 3/8-16 x 3/4 43 1933260SM 4
FITTING, Grease for Wear Plate 44 2821133SM 2
WASHER, 5/8 45 1960035SM 2
CAPSCREW, Hex Head, 5/8-11 x 3-1/2 46 2860645SM 1
NUT, Hex Flange Two-Way Lock, 5/8-11 47 2860646SM 1
PLATE, Axle 48 1722212ASM 1
The above parts group applies to the following Mfg. Nos.:
7
2008
Milwaukee, WI, USA. All rights reserved
© Copyright by Briggs & Stratton Corporation
1694818 - 1723H
1694819 - Conquest
1694820 - 2723H
1695153 - Conquest
1695226 - Conquest
2690746 - Conquest
2690747 - Conquest
2690748 - 1723H
2690750 - 2723H
2690753 - Conquest
2690799 - Conquest
TP 400-4803-C-CQ-SMA
Not for
Reproduction

Frame Group - Power Steering
NOTE: Unless noted otherwise,
use the standard hardware torque
specification chart.
987426
The above parts group applies to the following Mfg. Nos.:
8
2008
Milwaukee, WI, USA. All rights reserved
© Copyright by Briggs & Stratton Corporation
1695154 - 1723H
1695155 - 2723H
2690745 - Conquest
2690749 - 1723H
2690751 - 2723H
TP 400-4803-C-CQ-SMA
Not for
Reproduction

PART NO. DESCRIPTIONREF NO QTY.
Frame Group - Power Steering
Footnotes
FRAME ASSEMBLY, Front & Rear 1 1733765ASM 1
TOWER & SUPPORT ASSEMBLY 2 1733139ASM 1
SUPPORT, Seat Deck 3 1723528ASM 1
BACKPLATE, Hitch 4 1722602ASM 1
PLATE, Axle Support 5 1722212ASM 1
BUMPER 6 1721805ASM 1
AXLE, SPINDLES & BUSHINGS ASSEMBLY (Includes Ref. Nos. 19, 21, 44, 45, 46, 47,
48, 49 & 50)
7 1732937ASM 1
HOOK, "J" 8 1721918ASM 1
ROD, Tie, Flat Ends 9 1732759ASM 1
SUPPORT, Steering Unit 10 1733044ASM 1
SPACER, Powdered Metal 11 1721752SM 1
SPACER 12 1611705SM 2
JOINT, Ball, 1/2-20 Thread 13 1702779SM 1
SPACER 14 1719725SM 1
NUT, Hex Jam, 1/2-20 15 1919262SM 1
NUT, Hex Flange, 3/8-16 Two-Way Lock 16 1930645SM 4
CYLINDER, Hydraulic Steering 17 1732439SM 1
CARRIAGE BOLT, 3/8-16 x 1 G5 18 1931350SM 2
FITTING, Lube 1/4 Drive 19 1704314SM 3
NUT, Hex Flange 7/16-14 Two Way Lock 20 1930650SM 2
SPACER, Powdered Metal 21 1732208SM 1
CAPSCREW, Hex Head 7/16-14 x 2 G8 22 1927531SM 2
CAPSCREW, Hex Head 5/8-11 x 3-1/2 G5 23 2860645SM 1
WASHER, 5/8 24 1960035SM 2
SCREW, Hex Whiz Lock Flange 3/8-16 x 3/4 25 1933260SM 4
SCREW, Hex Washer Head Taptite 5/16-18 x 3/4 26 1664847SM 4
NUT, Hex Flange 5/8-11 Two Way Lock 27 2860646SM 1
SCREW, Hex Washer Head Taptite 3/8-16 x 3/4 28 1923683SM 4
NUT, Hex Flange 1/2-13 Whiz Lock 29 2860668SM 2
NUT, Hex Flange 3/8-16 Whiz Lock Large 30 1928352SM 2
CAPSCREW, Hex Head 1/2-13 x 1 G5 31 1923114SM 2
CAPSCREW, Hex Head 3/8-16 x 1 G5 32 1921210SM 2
SCREW, Truss Head Torx Drive 5/16-18 x 7/8 33 1960086SM 4
PLATE, Axle "U" Form 34 1724801ASM 1
SCREW, Hex Whiz Lock Flange 5/16-18 x 3/4 35 1930591SM 2
NUT, Hex Flange 5/16-18 Whiz Lock 36 1931277SM 2
FITTING, Lube 1/4 Drive 37 2821133SM 2
SCREW, Hex Washer Head Taptite 5/16-18 x 1/2 38 1924856SM 4
SPACER 39 1733912ASM 1
WASHER, 5/8 40 1924366SM 2
CAPSCREW, Hex Head 41 1960713SM 1
NUT, Hex Toplock 42 1960714SM 1
NUT, Hex Flange, Machine Lock 3/8-16 43 1960339SM 2
The above parts group applies to the following Mfg. Nos.:
9
2008
Milwaukee, WI, USA. All rights reserved
© Copyright by Briggs & Stratton Corporation
1695154 - 1723H
1695155 - 2723H
2690745 - Conquest
2690749 - 1723H
2690751 - 2723H
TP 400-4803-C-CQ-SMA
Not for
Reproduction

Frame Group - Power Steering
NOTE: Unless noted otherwise,
use the standard hardware torque
specification chart.
987426
The above parts group applies to the following Mfg. Nos.:
10
2008
Milwaukee, WI, USA. All rights reserved
© Copyright by Briggs & Stratton Corporation
1695154 - 1723H
1695155 - 2723H
2690745 - Conquest
2690749 - 1723H
2690751 - 2723H
TP 400-4803-C-CQ-SMA
Not for
Reproduction

PART NO. DESCRIPTIONREF NO QTY.
Frame Group - Power Steering
Footnotes
AXLE, Front Casting 44 1733851SM 1
NUT, Hex Lock ESNA Heavy 1/2-13 45 1960355SM 1
SPINDLE & ARM ASSEMBLY, R.H. 46 1732939SM 1
BUSHING, Axle 47 1721682SM 6
WASHER, 1 48 1919394SM 1
RING, Retaining, Extension 49 2832577SM 2
SPINDLE & ARM ASSEMBLY, L.H. 50 1734202SM 1
The above parts group applies to the following Mfg. Nos.:
11
2008
Milwaukee, WI, USA. All rights reserved
© Copyright by Briggs & Stratton Corporation
1695154 - 1723H
1695155 - 2723H
2690745 - Conquest
2690749 - 1723H
2690751 - 2723H
TP 400-4803-C-CQ-SMA
Not for
Reproduction

Power Steering & Hydraulic Lift Group
NOTE: Unless noted otherwise,
use the standard hardware torque
specification chart.
987528
The above parts group applies to the following Mfg. Nos.:
12
2008
Milwaukee, WI, USA. All rights reserved
© Copyright by Briggs & Stratton Corporation
1695154 - 1723H
1695155 - 2723H
2690745 - Conquest
2690749 - 1723H
2690751 - 2723H
TP 400-4803-C-CQ-SMA
Not for
Reproduction

PART NO. DESCRIPTIONREF NO QTY.
Power Steering & Hydraulic Lift Group
Footnotes
POWER STEERING UNIT, 32CC, 4 Ports 1 1733409SM 1
LOCKWASHER, Spring 2 1916964SM 4
CAPSCREW, Hex Head 3 2860444SM 4
TUBE, Hydraulic 4 1722138SM 1
TIE, Self Locking 5 2825094SM 2
TUBE, Hydraulic 6 1733727SM 1
SCREW, Hex Whiz Lock Flange 1/4-20 x 1/2 7 1931646SM 2
FITTING, Straight 8 1722123SM 4
FILTER, Oil 9 1719168SM 1
BASE, Oil Filter 10 1719169SM 1
TUBE, Hydraulic 11 1722297SM 1
FITTING, Hose Elbow Perma Push 9/16-18 12 1733230SM 2
HOSE ASSEMBLY, 50" Port R 25 1733413SM 1
HOSE ASSEMBLY, 18" Port T 26 1733791SM 1
HOSE ASSEMBLY, 26" Port P 27 1733780SM 1
HOSE ASSEMBLY, 46" Port L 28 1733212SM 1
POWER STEERING ASSEMBLY, 32CC, 4 Ports (Includes Ref. Nos 1, 25, 26, 27 & 28) 29 1733582SM 1
The above parts group applies to the following Mfg. Nos.:
13
2008
Milwaukee, WI, USA. All rights reserved
© Copyright by Briggs & Stratton Corporation
1695154 - 1723H
1695155 - 2723H
2690745 - Conquest
2690749 - 1723H
2690751 - 2723H
TP 400-4803-C-CQ-SMA
Not for
Reproduction

Steering Group - Manual Steering
NOTE: Unless noted otherwise,
use the standard hardware torque
specification chart.
985890
The above parts group applies to the following Mfg. Nos.:
14
2008
Milwaukee, WI, USA. All rights reserved
© Copyright by Briggs & Stratton Corporation
1694818 - 1723H
1694819 - Conquest
1694820 - 2723H
1695153 - Conquest
1695226 - Conquest
2690746 - Conquest
2690747 - Conquest
2690748 - 1723H
2690750 - 2723H
2690753 - Conquest
2690799 - Conquest
TP 400-4803-C-CQ-SMA
Not for
Reproduction

PART NO. DESCRIPTIONREF NO QTY.
Steering Group - Manual Steering
Footnotes
STEERING WHEEL, Straight, Shaft 1 1722318SM 1
CAP, Steering Wheel, SMI Logo 2 1722319SM 1
CAP, Steering Wheel, Plain 2 1725024SM 1
PIN, Spring, 5/16 x 2-1/2 3 1960540SM 1
COVER, Rubber, Upper Steering Shaft 4 1722749SM 1
WASHER, 3/4 5 1960114SM 5
BUSHING, 15/32 x 7/8 x 7/8, Nylon 6 2176440SM 2
NUT, Hex KEPS 5/6-18 7 1960636SM 2
PLATE, Mounting Steering 8 1721736ASM 1
NUT, Push 9 1933988SM 2
CARRIAGE BOLT, 5/16-18 x 1-1/4 10 1960655SM 2
GEAR & SHAFT ASSEMBLY, Steering 11 1724470ASM 1
CAPSCREW, Hex Head, 3/8-16 x 1-1/4, Black 12 1960032SM 1
NUT, Hex Flange Two-Way Lock, 3/8-16 13 1930645SM 1
CAPSCREW, Hex Washer Head Taptite, 5/16-18 x 3/4 14 1664847SM 2
SHAFT & PINION ASSEMBLY, Steering Manual 15 1721626SM 1
RING, Clipring Extension 16 1611710SM 1
BEARING, 3/4 x 1-11/16 x 13/16, 3" Long Housing 17 1722459SM 1
SPACER, 3/4 x 1-1/16 x 3/8, Powder Metal 18 1722461SM 1
NUT, Hex Flange Whiz Lock, 3/8-16, Small 19 1931211SM 2
CAPSCREW, Hex Whiz Lock Flange, 3/8-16 x 3/4, Black 20 1933260SM 2
CLIP, Hairpin 21 1960033SM 1
The above parts group applies to the following Mfg. Nos.:
15
2008
Milwaukee, WI, USA. All rights reserved
© Copyright by Briggs & Stratton Corporation
1694818 - 1723H
1694819 - Conquest
1694820 - 2723H
1695153 - Conquest
1695226 - Conquest
2690746 - Conquest
2690747 - Conquest
2690748 - 1723H
2690750 - 2723H
2690753 - Conquest
2690799 - Conquest
TP 400-4803-C-CQ-SMA
Not for
Reproduction

Steering Group - Tilt Steering
NOTE: Unless noted otherwise,
use the standard hardware torque
specification chart.
987424
The above parts group applies to the following Mfg. Nos.:
16
2008
Milwaukee, WI, USA. All rights reserved
© Copyright by Briggs & Stratton Corporation
1695154 - 1723H
1695155 - 2723H
2690745 - Conquest
2690749 - 1723H
TP 400-4803-C-CQ-SMA
Not for
Reproduction

PART NO. DESCRIPTIONREF NO QTY.
Steering Group - Tilt Steering
Footnotes
STEERING WHEEL 1 1733363SM 1
PLATE, Steering Mounting 4 1724685ASM 1
CARRIAGE BOLT, 5/16-18 x 1-1/4 G5 5 1960655SM 2
ADAPTER, Tilt 6 1725294SM 1
SPACER 7 1723898SM 2
NUT, Push Pal 8 1933988SM 2
NUT, Hex Keps 5/16-18 9 1960636SM 2
STEERING UNIT, Tilt 10 1734002SM 1
BELLOWS, Tilt Steering Unit w/Slot 11 1724368SM 1
CAP, Steering Wheel 12 1725024SM 1
DECAL, Power Steering (Not Shown) 13 1716518SM 2
NUT, Hex Lock ESNA Light 5/8-18 15 1960576SM 1
The above parts group applies to the following Mfg. Nos.:
17
2008
Milwaukee, WI, USA. All rights reserved
© Copyright by Briggs & Stratton Corporation
1695154 - 1723H
1695155 - 2723H
2690745 - Conquest
2690749 - 1723H
TP 400-4803-C-CQ-SMA
Not for
Reproduction

Engine Group - 20HP, 22HP & 23HP Briggs & Stratton, Vanguard Twin
NOTE: Unless noted otherwise,
use the standard hardware torque
specification chart.
986651
The above parts group applies to the following Mfg. Nos.:
18
2008
Milwaukee, WI, USA. All rights reserved
© Copyright by Briggs & Stratton Corporation
1694818 - 1723H
1694819 - Conquest
1694820 - 2723H
1695154 - 1723H
1695155 - 2723H
1695226 - Conquest
2690745 - Conquest
2690746 - Conquest
2690748 - 1723H
2690749 - 1723H
2690750 - 2723H
2690751 - 2723H
2690753 - Conquest
2690799 - Conquest
TP 400-4803-C-CQ-SMA
Not for
Reproduction

PART NO. DESCRIPTIONREF NO QTY.
Engine Group - 20HP, 22HP & 23HP Briggs & Stratton, Vanguard Twin
Footnotes
MUFFLER 1 1736543SM 1
MUFFLER (Only used on 20HP Models) 1 1722625SM 1
GASKET 2* 2
LOCKWASHER, 5/16 3 1917356SM 4
CAPSCREW, Socket Head, 5/16-18 x 7/8, G8 4 2860660SM 4
HOSE, Oil Drain 5 1723165SM 1
ENGINE, 22HP Briggs & Stratton VANGUARD Twin, Model 386777, Type 0111E1 6* 1
ENGINE, 23HP Briggs & Stratton VANGUARD Twin, Model 386777, Type 0111E1 6* 1
ENGINE, 21HP Briggs & Stratton VANGUARD Twin, Model 385777, Type 0119-E1 6* 1
ENGINE, 20HP Briggs & Stratton VANGUARD Twin, Model 358777, Type 0110-E1 6* 1
SEAL, Circle 7 1722949SM 1
BULKHEAD 8 1722388ASM 1
CAPSCREW, Hex Head Taptite, 1/4-20 x 1/2 9 1925003SM 2
CONTROL, Throttle Double 39" Long w/Knobs (Only used on 20HP Models) 10 1727223SM 1
CONTROL, Throttle Double 10 1734506SM 1
TIE 11 1701011SM 1
CLAMP, Hose Type E 12 2860112SM 2
HOSE, 59" Long 13 1718678SM 1
CLIP, Wire 14 2834683SM 2
SHIELD 15 1722392ASM 2
SCREW, Hex Head Taptite, 1/4-20 x 3/8 16 1927428SM 8
KEY 17 1720463SM 1
PULLEY & HUB ASSEMBLY, 4-1/2 OD 18 1722288SM 1
WASHER, Hex 19 1708264SM 1
LOCKWASHER, 7/16 20 1918199SM 1
CAPSCREW, Hex Head, 7/16-20 x 2-3/4 21 1960648SM 1
CLUTCH, Electric, OGURA 22 1686883SM 1
CLUTCH, Electric, Big Brake OGURA 22 1720532SM 1
TIE 23 2832747SM 1
CAPSCREW, Hex Head Taptite, 3/8-16 x 1-1/2 24 2830598SM 4
LOCKWASHER, External Tooth, 3/8 25 2820427SM 1
SHIELD, Muffler Bottom 26 1722414ASM 1
CAPSCREW, Hex Head Flange Lock, 1/4-20 x 5/8 27 1960295SM 8
CAPSCREW, Hex Head Taptite, 5/16-18 x 1/2 28 1924856SM 2
NUT, Speed, 1/4-20 29 1960368SM 8
NUT, Speed, 5/16-18 30 1935255SM 2
DUCT, Muffler Top 31 1722389ASM 1
DUCT, Muffler Extension 32 1722390ASM 1
Note* See your local Briggs & Stratton distributor for parts and service.
The above parts group applies to the following Mfg. Nos.:
19
2008
Milwaukee, WI, USA. All rights reserved
© Copyright by Briggs & Stratton Corporation
1694818 - 1723H
1694819 - Conquest
1694820 - 2723H
1695154 - 1723H
1695155 - 2723H
1695226 - Conquest
2690745 - Conquest
2690746 - Conquest
2690748 - 1723H
2690749 - 1723H
2690750 - 2723H
2690751 - 2723H
2690753 - Conquest
2690799 - Conquest
TP 400-4803-C-CQ-SMA
Not for
Reproduction

Engine Group - 23HP Kohler, Courage Twin
NOTE: Unless noted otherwise,
use the standard hardware torque
specification chart.
987542
The above parts group applies to the following Mfg. Nos.:
20
2008
Milwaukee, WI, USA. All rights reserved
© Copyright by Briggs & Stratton Corporation
1695153 - Conquest
2690747 - Conquest
TP 400-4803-C-CQ-SMA
Not for
Reproduction

PART NO. DESCRIPTIONREF NO QTY.
Engine Group - 23HP Kohler, Courage Twin
Footnotes
ENGINE, 23HP Kohler Courage Twin, Model SV720, Type PS-SV720-0031 1* 1
HOSE, Oil Drain 2 1723165SM 1
BULKHEAD 3 1722388ASM 1
SCREW, Hex Washer Head Taptite 5/16-18 x 1/2 4 1924856SM 2
THROTTLE, Control Double w/Knob 5 1727375SM 1
CLAMP, Hose 1/2 Diameter Wire Type-E 6 2860112SM 2
HOSE, Fuel 7 1723174SM 1
TIE, Self Locking 8 2825094SM 3
SHIELD, Side 18GA 9 1722392ASM 2
MUFFLER, Kohler Twin 10 1721705SM 1
DUCT, Muffler Extension 18GA Courage 11 1733884ASM 1
SCREW, Hex Whiz Lock Flange 1/4-20 x 5/8 12 1960295SM 8
CLIP, Speed Wire 13 2834683SM 2
DUCT, Muffler Top 14 1722389ASM 1
SCREW, Hex Washer Head Taptite 1/4-20 x 3/8 15 1929000SM 8
SHIELD, Muffler 16 1722414ASM 1
NUT, Speed 1/4-20 Lug Type 17 1960368SM 8
NUT, Speed, 5/16-18 Lug Type 18 1935255SM 2
LOCKWASHER, External Tooth 3/8 19 2820427SM 1
SCREW, Hex Washer Head Taptite 3/8-16 x 1 20 2827187SM 3
KEY, Hi-Pro 1/4 x 2-1/2 21 1720463SM 1
PULLEY & HUB ASSEMBLY 22 1722288SM 1
WASHER, Hex 23 1708264SM 1
LOCKWASHER, Spring 24 1918199SM 1
CAPSCREW, Hex Head 7/16-20 x 3-1/2 G5 25 1960649SM 1
CLUTCH, Electric 26 1718836SM 1
TIE, Self Locking 27 2832747SM 1
SCREW, Hex Washer Head Taptite 1/4-20 x 1/2 28 1925003SM 2
WASHER, 3/8 29 1924940SM 1
RETAINER, Clutch 30 1732026SM 1
SCREW, Hex Washer Head Taptite 3/8-16 x 1-1/2 31 2830598SM 1
Note* See your local Kohler distributor for parts & service.
The above parts group applies to the following Mfg. Nos.:
21
2008
Milwaukee, WI, USA. All rights reserved
© Copyright by Briggs & Stratton Corporation
1695153 - Conquest
2690747 - Conquest
TP 400-4803-C-CQ-SMA
Not for
Reproduction

Transmission Group
NOTE: Unless noted otherwise,
use the standard hardware torque
specification chart.
986602
The above parts group applies to the following Mfg. Nos.:
22
2008
Milwaukee, WI, USA. All rights reserved
© Copyright by Briggs & Stratton Corporation
1694818 - 1723H
1694819 - Conquest
1694820 - 2723H
1695153 - Conquest
1695154 - 1723H
1695155 - 2723H
1695226 - Conquest
2690745 - Conquest
2690746 - Conquest
2690747 - Conquest
2690748 - 1723H
2690749 - 1723H
2690750 - 2723H
2690751 - 2723H
2690753 - Conquest
2690799 - Conquest
TP 400-4803-C-CQ-SMA
Not for
Reproduction

PART NO. DESCRIPTIONREF NO QTY.
Transmission Group
Footnotes
SCREW, Pan Head Torx Taptite, 1/4-20 x 1-1/4 1 1960676SM 2
PAD, Footrest, LH, Differential Lock 2 1722174SM 1
PAD, Footrest, RH 3 1722173SM 1
FASTENER, 11/16" Long, Stem Plastic 5 1704351SM 15
NUT, Hex Flange Whiz Lock, 3/8-16, Large 6 1928352SM 2
NUT, Hex KEPS, 3/8-16 7 1960637SM 6
CARRIAGE BOLT, 3/8-16 x 1 8 1931350SM 6
NUT, Hex Flagne ESNA, 5/16-18 9 1960686SM 8
SUPPORT 10 1721728ASM 2
BUSHING, 5/8 x 3/4 x 13/32, Powder Metal 11 1676148SM 2
WASHER, 3/8 12 1924940SM 3
CAPSCREW, Hex Head, 3/8-16 x 2-1/4 13 1922130SM 1
PIN, Quick 14 1722460SM 7
ROD, Differential Lock, 15-3/16 Long 15 1722151SM 1
WASHER, 7/16 16 1918267SM 3
ROD & TUBE ASSEMBLY, Differential Lock Pedal 17 1721360SM 1
KNOB 18 1716289SM 1
SPACER, 25/64 x 5/8 x 1-1/2, Hardened 19 1669105SM 1
KNOB, 3 Sided Soft 20 1723126SM 1
ROD, Free Wheel, 18-3/16 Long 21 1721622SM 1
CAPSCREW, Hex Head, 3/8-16 x 1, Black 22 1921210SM 1
PIVOT ASSEMBLY, Differential Lock 23 1722903SM 1
WASHER, 5/16, Black 24 1919326SM 2
CAPSCREW, Hex Head, 5/16-18 x 3 26 1960590SM 4
ROD, Differential Latch, 2 Bends, 6-3/16 Long 27 1722152SM 1
CAPSCREW, Hex Head, 5/16-18 x 1 28 1921333SM 1
ARM, Differential Lock 29 1722383SM 1
TRANSMISSION ASSEMBLY, K66L Transmission (Used on models with tranmission
expansion tank, attached or mounted to transmission.)
30 1733941SM 1
TRANSMISSION ASSEMBLY, K66AC Transmission (Used on models with remote
expansion tank Ref. No. 51)
30 1733208SM 1
PIN, Cotter, 3/4, Black 31 1918447SM 1
ROD, Brake, 17-27/64 Long 32 1721424SM 1
SPRING, Compression 33 1722684SM 1
SPRING, Compression 34 8191045SM 1
NUT, Hex Flange ESNA, 3/8-16 35 1960687SM 2
SCREW, Whiz 5/8-18 x 1 36 1960667SM 1
SPACER 37 1732088SM 1
ARM & WELD PINS ASSEMBLY, Control K66 38 1732191SM 1
V-BELT 39 1721392SM 1
PULLEY & HUB ASSEMBLY, Transmission 40 1722194SM 1
NUT, Hex Flange, M10-1.5, Nylon Insert 41 1719968SM 1
FAN, 5 Blades, 3 Holes 42 1719233SM 1
CAPSCREW, Hex Washer Head Taptite, 1/4-20 x 1-1/8 43 1933958SM 3
The above parts group applies to the following Mfg. Nos.:
23
2008
Milwaukee, WI, USA. All rights reserved
© Copyright by Briggs & Stratton Corporation
1694818 - 1723H
1694819 - Conquest
1694820 - 2723H
1695153 - Conquest
1695154 - 1723H
1695155 - 2723H
1695226 - Conquest
2690745 - Conquest
2690746 - Conquest
2690747 - Conquest
2690748 - 1723H
2690749 - 1723H
2690750 - 2723H
2690751 - 2723H
2690753 - Conquest
2690799 - Conquest
TP 400-4803-C-CQ-SMA
Not for
Reproduction

Transmission Group
NOTE: Unless noted otherwise,
use the standard hardware torque
specification chart.
986602
The above parts group applies to the following Mfg. Nos.:
24
2008
Milwaukee, WI, USA. All rights reserved
© Copyright by Briggs & Stratton Corporation
1694818 - 1723H
1694819 - Conquest
1694820 - 2723H
1695153 - Conquest
1695154 - 1723H
1695155 - 2723H
1695226 - Conquest
2690745 - Conquest
2690746 - Conquest
2690747 - Conquest
2690748 - 1723H
2690749 - 1723H
2690750 - 2723H
2690751 - 2723H
2690753 - Conquest
2690799 - Conquest
TP 400-4803-C-CQ-SMA
Not for
Reproduction

PART NO. DESCRIPTIONREF NO QTY.
Transmission Group
Footnotes
CARRIAGE BOLT, 5/16-18 x 1 44 1931335SM 1
WASHER, 5/16 45 1960141SM 1
STRAP, 4-1/4 Long 46 1721593ASM 1
CAPSCREW, Hex Head, 5/16-18 x 2-1/2 47 1921719SM 1
ACTUATOR, Switch 48 1727215ASM 1
CAPSCREW, Hex Head Taptite, 5/16-18 x 1/2 49 1924856SM 2
CAP, Expansion Tank Plastic (Used on models with tranmission expansion tank.) 50 1722711SM 1
TANK, Oil Natural (Used on models with tranmission expansion tank.) 51 1722430SM 1
CLAMP, Hose Worm Drive #20 1-3/4" (Used on models with tranmission expansion tank.) 52 1723214SM 2
HOSE, Expansion Tank Formed (Used on models with tranmission expansion tank.) 53 1722468SM 1
BOLT, Shoulder, 3/8-16 54 1732129SM 1
The above parts group applies to the following Mfg. Nos.:
25
2008
Milwaukee, WI, USA. All rights reserved
© Copyright by Briggs & Stratton Corporation
1694818 - 1723H
1694819 - Conquest
1694820 - 2723H
1695153 - Conquest
1695154 - 1723H
1695155 - 2723H
1695226 - Conquest
2690745 - Conquest
2690746 - Conquest
2690747 - Conquest
2690748 - 1723H
2690749 - 1723H
2690750 - 2723H
2690751 - 2723H
2690753 - Conquest
2690799 - Conquest
TP 400-4803-C-CQ-SMA
Not for
Reproduction

Controls Group
NOTE: Unless noted otherwise,
use the standard hardware torque
specification chart.
986599
The above parts group applies to the following Mfg. Nos.:
26
2008
Milwaukee, WI, USA. All rights reserved
© Copyright by Briggs & Stratton Corporation
1694818 - 1723H
1694819 - Conquest
1694820 - 2723H
1695153 - Conquest
1695154 - 1723H
1695155 - 2723H
1695226 - Conquest
2690745 - Conquest
2690746 - Conquest
2690747 - Conquest
2690748 - 1723H
2690749 - 1723H
2690750 - 2723H
2690751 - 2723H
2690753 - Conquest
2690799 - Conquest
TP 400-4803-C-CQ-SMA
Not for
Reproduction

PART NO. DESCRIPTIONREF NO QTY.
Controls Group
Footnotes
ROD, Brake Lock 1 1721353SM 1
KNOB, Push On, Red Plastic "P" 2 1721891SM 1
CAPSCREW, Hex Flange Whiz Lock, 5/16-18 x 3/4 3 1930591SM 1
WASHER, 5/16, Black 4 1919326SM 2
ROD, Brake 5 1721476SM 1
CARRIAGE BOLT, 3/8-16 x 1 3/4 6 1931353SM 2
BUSHING, 5/8 x 3/4 x 3/4, Nylon 7 1663114SM 2
FITTING, Lube, 1/4 8 2821133SM 1
SPRING, Extension 9 1725250SM 1
PIN, Quick 10 1722460SM 3
ARM & HUB ASSEMBLY, Idler 11 1724917SM 1
WASHER, 5/8 12 1960020SM 1
RING, Clipring Extension 13 1704420SM 1
PULLEY, w/Bearing 14 1721134SM 1
WASHER, 3/8 15 1924940SM 1
NUT, Hex Flange ESNA, 3/8-16 16 1960687SM 2
PULLEY, Idler 17 1721133SM 1
BUSHING, 1 x 1-1/8 x 5/8, Nylon 18 1723237SM 2
ARM, Brake 19 1722513SM 1
PEDAL ASSEMBLY, Foot 20 1726763SM 1
CARRIAGE BOLT, 1/4-20 x 1-1/4 21 1931320SM 1
PIN, Cotter, Black 22 1918447SM 1
LATCH, Brake 23 1721354ASM 1
CAPSCREW, Hex Washer Head Taptite, 5/16-18 x 3/4 24 1664847SM 3
NUT, Hex Lock ESNA Light, 5/16-18 25 1919438SM 1
WASHER, 5/16, Black 26 1919381SM 1
NUT, Hex Flange Whiz Lock Large, 5/16-18 27 1927557SM 2
PEDAL, Brake 28 1722535ASM 1
PAD, Brake Pedal 29 1721577SM 1
CARRIAGE BOLT, 5/16-18 x 7/8 30 1931334SM 4
CAPSCREW, 5/16-18 x 1 31 1921333SM 2
ACTUATOR, Switch 2.53" Long 32 1722083ASM 1
CAPSCREW, Hex Washer Head Taptite, 3/8-16 x 3/4 33 1923683SM 1
PEDAL, Forward 34 1722070ASM 1
NUT, Hex KEPS, 5/16-18 35 1960636SM 4
PAD, Foot Pedal Forward 36 1721675SM 1
PEDAL, Reverse 37 1722071ASM 1
PAD, Foot Pedal Reverse 38 1721674SM 1
NUT, Hex Lock ESNA Light, 1/4-20 39 1920397SM 1
CAM, Roller 40 1686612SM 1
SPRING, Extension 41 1721995SM 1
The above parts group applies to the following Mfg. Nos.:
27
2008
Milwaukee, WI, USA. All rights reserved
© Copyright by Briggs & Stratton Corporation
1694818 - 1723H
1694819 - Conquest
1694820 - 2723H
1695153 - Conquest
1695154 - 1723H
1695155 - 2723H
1695226 - Conquest
2690745 - Conquest
2690746 - Conquest
2690747 - Conquest
2690748 - 1723H
2690749 - 1723H
2690750 - 2723H
2690751 - 2723H
2690753 - Conquest
2690799 - Conquest
TP 400-4803-C-CQ-SMA
Not for
Reproduction

Cruise Control Group
NOTE: Unless noted otherwise,
use the standard hardware torque
specification chart.
985883
The above parts group applies to the following Mfg. Nos.:
28
2008
Milwaukee, WI, USA. All rights reserved
© Copyright by Briggs & Stratton Corporation
1694818 - 1723H
1694819 - Conquest
1694820 - 2723H
1695153 - Conquest
1695154 - 1723H
1695155 - 2723H
1695226 - Conquest
2690745 - Conquest
2690746 - Conquest
2690747 - Conquest
2690748 - 1723H
2690749 - 1723H
2690750 - 2723H
2690751 - 2723H
2690753 - Conquest
2690799 - Conquest
TP 400-4803-C-CQ-SMA
Not for
Reproduction

PART NO. DESCRIPTIONREF NO QTY.
Cruise Control Group
Footnotes
COVER, w/Cruise Icon 1 1722314SM 1
SCREW, Torque Head Plus Socket Head, 1/4-20 x 7/8 2 1960666SM 1
KNOB, Cruise 3 1722303SM 1
NUT, Hex Lock ESNA Light, 1/4-20 4 1920397SM 1
LEVER & BRACKET ASSEMBLY, Cruise 5 1722003SM 1
WASHER, 3/8, Black 6 1960103SM 2
CARRIAGE BOLT, 5/16-18 x 3/4 7 1931333SM 1
WASHER, 1/2 8 1924361SM 2
SPACER, w/Flange, 11/32 x 15/32 x 3/4 9 1709043SM 1
CARRIAGE BOLT, 5/16-18 x 2-3/4 10 1931342SM 1
CARRIAGE BOLT, 5/16-18 x 2-1/4 11 1960273SM 1
PIN, Quick 12 1722460SM 2
ROD, Cruise 13 1722117SM 1
ROD, Return 14 1733719SM 1
SPRING, Cruise Return to Frame 15 2159106SM 1
NUT, Hex KEPS, 5/16-18 16 1960636SM 2
CAPSCREW, Hex Washer Head Plastite, 10-14 x 5/8 17 1960001SM 2
SWITCH, Push, Neutral Start, Gray 18 1717050SM 1
SPACER, 11/32 x 5/8 x 1-13/32 19 1722080SM 1
WASHER, 5/16, Black 20 1919326SM 1
WASHER, 5/16, Black 21 1919381SM 1
NUT, Hex Lock ESNA Light, 5/16-18 22 1919438SM 1
SPRING, Compression 23 1677746SM 1
PIN, Cotter 24 1918447SM 1
The above parts group applies to the following Mfg. Nos.:
29
2008
Milwaukee, WI, USA. All rights reserved
© Copyright by Briggs & Stratton Corporation
1694818 - 1723H
1694819 - Conquest
1694820 - 2723H
1695153 - Conquest
1695154 - 1723H
1695155 - 2723H
1695226 - Conquest
2690745 - Conquest
2690746 - Conquest
2690747 - Conquest
2690748 - 1723H
2690749 - 1723H
2690750 - 2723H
2690751 - 2723H
2690753 - Conquest
2690799 - Conquest
TP 400-4803-C-CQ-SMA
Not for
Reproduction

Electrical Group
NOTE: Unless noted otherwise,
use the standard hardware torque
specification chart.
986605
The above parts group applies to the following Mfg. Nos.:
30
2008
Milwaukee, WI, USA. All rights reserved
© Copyright by Briggs & Stratton Corporation
1694818 - 1723H
1694819 - Conquest
1694820 - 2723H
1695153 - Conquest
1695154 - 1723H
1695155 - 2723H
2690745 - Conquest
2690746 - Conquest
2690747 - Conquest
2690748 - 1723H
2690749 - 1723H
2690750 - 2723H
2690751 - 2723H
2690753 - Conquest
2690799 - Conquest
TP 400-4803-C-CQ-SMA
Not for
Reproduction

PART NO. DESCRIPTIONREF NO QTY.
Electrical Group
Footnotes
HEADLIGHT ASSEMBLY, 4 Bulb (Includes Ref. Nos. 2 & 3) 1 1721810SM 1
BULB, Headlight, 12.8V 2 1677371SM 4
SOCKET ASSEMBLY, Headlight, Sealed 3 1723451SM 4
HARNESS, Headlight 4 1722669SM 1
SWITCH, PTO Push/Pull Symbols 5 1722887SM 1
MODULE, RMO (Includes Ref. No. 7) 6 1726556SM 1
KEY, RMO Module Plastic 7 1726557SM 1
CAPSCREW, Hex Washer Head Taptite, 1/4-20 x 1/2, Black 8 1925003SM 2
BREAKER, Circuit, 12 Volt 20 Amps 9 1665238SM 1
WIRE, 12GA 5-15/16 Long, Red 10 1665237SM 1
PLUG, Hole, Square 11 1722611SM 1
PANEL, Instrument w/ Fuel Gage & Hour Meter (Includes Ref. No. 13) 12 1725074SM 1
COVER, Instrument Panel 13 1724865SM 1
NUT, Hex, 5/16-24 14 2820263SM 2
NUT, KEPS Lock 5/16-24 (CE/Export) (Used only on RMO/ACS Models) 14 2860750SM 2
LOCKWASHER, External Tooth, 5/16 15 2820426SM 3
SOLENOID 16 1722739SM 1
SOLENOID (CE/Export) (Used only on RMO/ACS Models) 16 1728963SM 1
SWITCH ASSEMBLY, Ignition, 6 Pin INDAK (Includes Ref. Nos. 18, 19, 20, 21 & 22) 17 1686734SM 1
KEYS, Set of 2 18 1717163SM 1
COVER, For Ignition Switch, Plastic 19 1717550SM 1
NUT, Hex Flange, 5/8-32, Ignition Switch 20 1717549SM 1
LOCKWASHER, Internal Tooth, 5/8, Thin 21 1960547SM 1
WASHER, Shim 22 2101025SM 1
TIE, Strap, 7-5/16 Long 23 1701011SM 3
TIE, Strap, 7-5/16 Long (CE/Export) (Used only on RMO/ACS Models) 23 2825094SM 4
SWITCH, Headlights , 2 Terminal 24 1716951SM 1
BOOT, Insulator Cable Terminal, 1-15/16 Long, Red 25 1713535SM 1
CABLE, #6 x 25" Long, Ring Terminals 26 1721830SM 1
CABLE, #6 x 8" Long, Ring Terminals 27 1603618SM 1
BOOT, Insulator Battery Terminal 28 1677296SM 1
NUT, Hex, 1/4-20 29 2816622SM 3
LOCKWASHER, 1/4 30 2816964SM 2
WASHER, 1/4 31 2821319SM 2
CAPSCREW, Hex Head, 1/4-20 x 3/4 32 2823341SM 2
CABLE, #6 x 26 Long, Ring Terminal 33 1713163SM 1
BATTERY, 12 Volt 34 1685215SM 1
STRAP, Battery, 14 Long, Rubber 35 1722009SM 1
CAPSCREW, Hex Head Taptite, 1/4-20 x 3/8 36 1929000SM 2
BRACKET, Switch Mount 37 1726810ASM 1
SWITCH, Reverse Pedal 38 1732004SM 1
SWITCH, Reverse Pedal (CE/Export) (Used only on RMO/ACS Models) 38 1704379SM 1
SWITCH, Push Button, Foot Pedal 39 1732006SM 1
The above parts group applies to the following Mfg. Nos.:
31
2008
Milwaukee, WI, USA. All rights reserved
© Copyright by Briggs & Stratton Corporation
1694818 - 1723H
1694819 - Conquest
1694820 - 2723H
1695153 - Conquest
1695154 - 1723H
1695155 - 2723H
2690745 - Conquest
2690746 - Conquest
2690747 - Conquest
2690748 - 1723H
2690749 - 1723H
2690750 - 2723H
2690751 - 2723H
2690753 - Conquest
2690799 - Conquest
TP 400-4803-C-CQ-SMA
Not for
Reproduction

Electrical Group
NOTE: Unless noted otherwise,
use the standard hardware torque
specification chart.
986605
The above parts group applies to the following Mfg. Nos.:
32
2008
Milwaukee, WI, USA. All rights reserved
© Copyright by Briggs & Stratton Corporation
1694818 - 1723H
1694819 - Conquest
1694820 - 2723H
1695153 - Conquest
1695154 - 1723H
1695155 - 2723H
2690745 - Conquest
2690746 - Conquest
2690747 - Conquest
2690748 - 1723H
2690749 - 1723H
2690750 - 2723H
2690751 - 2723H
2690753 - Conquest
2690799 - Conquest
TP 400-4803-C-CQ-SMA
Not for
Reproduction

PART NO. DESCRIPTIONREF NO QTY.
Electrical Group
Footnotes
SWITCH, Cruise Control, Grey, NO (Used on all models except CE/Export) 40 1717050SM 1
SCREW, Pan Head Torx, #10-32 x 1/2 41 2860665SM 5
LOCKWASHER, 3/16 #10 42 1917365SM 5
PLUG, Hole 3", Round 43 1722309SM 1
SENDER, Fuel Tank (Includes Ref. 45) 44 1686921SM 1
GASKET 45 1685303SM 1
CAPSCREW, Hex Washer Head Plastite, 1/4 x 1/2 46 1960536SM 2
SWITCH, Seat, Grey, NC 47 1716368SM 1
SWITCH, Seat, Grey, NC (CE/Export) (Used only on RMO/ACS Models) 47 1718981SM 1
HARNESS, Wiring 48 1730192SM 1
HARNESS, Wiring (CE/Export) (Used only on RMO/ACS Models) 48 1733220SM 1
WIRING ASSEMBLY, All Conditions Shutdown (CE/Export) (Used only on RMO/ACS
Models)
49 1734025SM 1
12-VOLT OUTLET (CE/Export) (Used only on RMO/ACS Models) 50 1725302SM 1
The above parts group applies to the following Mfg. Nos.:
33
2008
Milwaukee, WI, USA. All rights reserved
© Copyright by Briggs & Stratton Corporation
1694818 - 1723H
1694819 - Conquest
1694820 - 2723H
1695153 - Conquest
1695154 - 1723H
1695155 - 2723H
2690745 - Conquest
2690746 - Conquest
2690747 - Conquest
2690748 - 1723H
2690749 - 1723H
2690750 - 2723H
2690751 - 2723H
2690753 - Conquest
2690799 - Conquest
TP 400-4803-C-CQ-SMA
Not for
Reproduction

Hood, Grille & Dash Group
NOTE: Unless noted otherwise,
use the standard hardware torque
specification chart.
986608
The above parts group applies to the following Mfg. Nos.:
34
2008
Milwaukee, WI, USA. All rights reserved
© Copyright by Briggs & Stratton Corporation
1694818 - 1723H
1694819 - Conquest
1694820 - 2723H
1695153 - Conquest
1695154 - 1723H
1695155 - 2723H
1695226 - Conquest
2690745 - Conquest
2690746 - Conquest
2690747 - Conquest
2690748 - 1723H
2690749 - 1723H
2690750 - 2723H
2690751 - 2723H
2690753 - Conquest
2690799 - Conquest
TP 400-4803-C-CQ-SMA
Not for
Reproduction

PART NO. DESCRIPTIONREF NO QTY.
Hood, Grille & Dash Group
Footnotes
PANEL, RH Side 1 1721804CSM 1
PANEL, RH Side, Red 1 1721804DSM 1
HOOD, with Scoop, Red 2 1728031DSM 1
HOOD, with Louvers 3 1722110CSM 1
CAPSCREW, Hex Head Flange Lock,1/4-20 x 5/8 4 1960295SM 12
SCREW, Phillips Head, #10-24 x 1/2 5 1960392SM 1
DASHBOARD, RMO, Black 6 1687054SM 1
DASHBOARD, RMO with Hydra Lift Slot, Black 6 1687055SM 1
NUT, Hex Nylock,#10-24 7 1933896SM 1
ROD, Dash Support 8 1723123SM 1
NUT, Hex Flange Lock, 1/4-20 9 1930641SM 12
PANEL, LH Side 10 1721803CSM 1
PANEL, LH Side, Red 10 1721803DSM 1
HINGE, LH 11 1721808ASM 1
DUCT, Air Inlet 12 1733457ASM 1
GRILLE 13 1721802CSM 1
GRILLE, Red 13 1721802DSM 1
HEADLIGHT ASSEMBLY (Includes Ref. Nos. 15 & 16) 14 1721810SM 1
BULB, Headlight 15 1677371SM 4
SOCKET, Headlight 16 1723451SM 4
HINGE, RH 17 1721809ASM 1
The above parts group applies to the following Mfg. Nos.:
35
2008
Milwaukee, WI, USA. All rights reserved
© Copyright by Briggs & Stratton Corporation
1694818 - 1723H
1694819 - Conquest
1694820 - 2723H
1695153 - Conquest
1695154 - 1723H
1695155 - 2723H
1695226 - Conquest
2690745 - Conquest
2690746 - Conquest
2690747 - Conquest
2690748 - 1723H
2690749 - 1723H
2690750 - 2723H
2690751 - 2723H
2690753 - Conquest
2690799 - Conquest
TP 400-4803-C-CQ-SMA
Not for
Reproduction

Seat & Seat Deck Group
NOTE: Unless noted otherwise,
use the standard hardware torque
specification chart.
985909
The above parts group applies to the following Mfg. Nos.:
36
2008
Milwaukee, WI, USA. All rights reserved
© Copyright by Briggs & Stratton Corporation
1694818 - 1723H
1694819 - Conquest
1694820 - 2723H
1695153 - Conquest
1695154 - 1723H
1695155 - 2723H
1695226 - Conquest
2690745 - Conquest
2690746 - Conquest
2690747 - Conquest
2690748 - 1723H
2690749 - 1723H
2690750 - 2723H
2690751 - 2723H
2690753 - Conquest
2690799 - Conquest
TP 400-4803-C-CQ-SMA
Not for
Reproduction

PART NO. DESCRIPTIONREF NO QTY.
Seat & Seat Deck Group
Footnotes
BRACKET, 1-5/8 x 1-3/4 1 1722129ASM 1
SEAT, 18" Back 2 1687199SM 1
SUPPORT, Seat 3 1722128ASM 1
CLIP, Wire 4 2172434SM 1
WASHER, Spring, 5/16 x 1-1/4 5 1709256SM 2
SPRING, Compression 6 1714263SM 2
NUT, Hex Lock, ESNA Light, 5/16-18 7 1919438SM 10
SPRING, Compression 8 1717051SM 2
CAPSCREW, Hex Flange Whiz Lock, 5/16-18 x 3/4 9 1930591SM 8
CARRIAGE BOLT, 5/16-18 x 2 10 1931339SM 2
CARRIAGE BOLT, 3/8-16 x 1 11 1931350SM 2
SLIDE, Seat 12 1722356SM 1
NUT, Speed, 5/16-18, Lug Type 13 1935255SM 4
CAPSCREW, Hex Washer Head Taptite, 5/16-18 x 5/8 14 1930601SM 4
PLUG, Plastic 15 1722309SM 2
POD, with Cup Holder, LH 16 1729711SM 1
CAPSCREW, Hex Washer Head, 1/4-20 x 5/8 17 2860664SM 8
NUT, Hex Flange Whiz Lock, 5/16-18 18 1931277SM 4
CAP, Gas 19 1715917SM 1
TUBE & ELBOW ASSEMBLY 20 1722340SM 1
BUSHING, 3/8 x 9/16 x 5/8, Rubber 21 1654930SM 1
TANK, Fuel 22 1722432SM 1
NUT, Hex KEPS, 5/16-18 23 1960636SM 8
DECK, Seat, Orange 24 1722106CSM 1
DECK, Seat, Red 24 1722106DSM 1
POD, RH with 2 Slots 25 1722108SM 1
TUNNEL, Orange 26 1722105CSM 1
TUNNEL, Red 26 1722105DSM 1
SCREW, Hex Flange Whiz Lock, 5/16-18 x 1 27 1960667SM 4
SPACER, 25/64 x 5/8 x 3/16, Hardened 28 1663752SM 2
NUT, Hex Flange Two-Way Lock, 3/8-16 29 1930645SM 2
WASHER, 3/8 30 1924940SM 2
SCREW, Taptite 5/16-18 x 1-1/4 31 1930595SM 4
The above parts group applies to the following Mfg. Nos.:
37
2008
Milwaukee, WI, USA. All rights reserved
© Copyright by Briggs & Stratton Corporation
1694818 - 1723H
1694819 - Conquest
1694820 - 2723H
1695153 - Conquest
1695154 - 1723H
1695155 - 2723H
1695226 - Conquest
2690745 - Conquest
2690746 - Conquest
2690747 - Conquest
2690748 - 1723H
2690749 - 1723H
2690750 - 2723H
2690751 - 2723H
2690753 - Conquest
2690799 - Conquest
TP 400-4803-C-CQ-SMA
Not for
Reproduction

Lift Group - Manual Lift
NOTE: Unless noted otherwise,
use the standard hardware torque
specification chart.
985894
The above parts group applies to the following Mfg. Nos.:
38
2008
Milwaukee, WI, USA. All rights reserved
© Copyright by Briggs & Stratton Corporation
1694818 - 1723H
1694819 - Conquest
1694820 - 2723H
1695153 - Conquest
1695154 - 1723H
1695155 - 2723H
1695226 - Conquest
2690745 - Conquest
2690746 - Conquest
2690747 - Conquest
2690748 - 1723H
2690749 - 1723H
2690750 - 2723H
2690751 - 2723H
2690753 - Conquest
2690799 - Conquest
TP 400-4803-C-CQ-SMA
Not for
Reproduction

PART NO. DESCRIPTIONREF NO QTY.
Lift Group - Manual Lift
Footnotes
NUT, Hex Whiz Lock Flange, 5/16-18, Large, Black 1 1927557SM 2
CARRIAGE BOLT, 5/16-18 x 3/4 2 1931333SM 4
GRIP, Lift Lever 3 1722291SM 1
BUTTON, Red Nylon, for 1/4 Rod 4 1723124SM 1
NUT, Push 5 1960674SM 1
SPRING, Compression, Lift Lever 6 1723321SM 1
QUADRANT, Lift, Powdered Metal 7 1721581SM 1
CAPSCREW, Hex Head, 5/16-18 x 1, G8, Black 8 1926149SM 2
LEVER ASSEMBLY, Lift 9 1721712ASM 1
NUT, Hex KEPS, 5/16-18 10 1960636SM 5
ROD, Latch 11 1722482SM 1
LOCK, Lift, Powdered Metal 12 1722112SM 1
SPRING, Extension 13 2156302SM 1
SPACER, 1/2 x 3/4 x 23/32 14 1723163SM 1
BAR, Lift, 9-7/8 Long 15 1723795ASM 1
WASHER, 5/16, Black 16 1919381SM 1
CAPSCREW, Hex Head, 5/16-18 x 2-1/4 17 1921160SM 1
PIN, Flat Head Drilled, 1/2 x 2-1/8 Long 18 1722819SM 1
CLIP, Hair Pin, 2-9/16 Long 19 1960033SM 1
SHAFT ASSEMBLY, Lift 20 1727436ASM 1
NUT, Speed, 5/16-18, Lug 21 1935255SM 1
SPRING, Compression 22 1675232SM 1
RETAINER, Spring Flat 23 1723499SM 1
CAPSCREW, Hex Washer Head, 5/16-18 x 4-1/2 24 1722357SM 1
The above parts group applies to the following Mfg. Nos.:
39
2008
Milwaukee, WI, USA. All rights reserved
© Copyright by Briggs & Stratton Corporation
1694818 - 1723H
1694819 - Conquest
1694820 - 2723H
1695153 - Conquest
1695154 - 1723H
1695155 - 2723H
1695226 - Conquest
2690745 - Conquest
2690746 - Conquest
2690747 - Conquest
2690748 - 1723H
2690749 - 1723H
2690750 - 2723H
2690751 - 2723H
2690753 - Conquest
2690799 - Conquest
TP 400-4803-C-CQ-SMA
Not for
Reproduction

Wheels & Tires Group
NOTE: Unless noted otherwise,
use the standard hardware torque
specification chart.
W986613
The above parts group applies to the following Mfg. Nos.:
40
2008
Milwaukee, WI, USA. All rights reserved
© Copyright by Briggs & Stratton Corporation
1694818 - 1723H
1694819 - Conquest
1694820 - 2723H
1695153 - Conquest
1695154 - 1723H
1695155 - 2723H
1695226 - Conquest
2690745 - Conquest
2690746 - Conquest
2690747 - Conquest
2690748 - 1723H
2690749 - 1723H
2690750 - 2723H
2690751 - 2723H
2690753 - Conquest
2690799 - Conquest
TP 400-4803-C-CQ-SMA
Not for
Reproduction

PART NO. DESCRIPTIONREF NO QTY.
Wheels & Tires Group
Footnotes
WHEEL & TIRE ASSEMBLY, Front, (Includes Ref. Nos. 2, 3, 4, 5 & 6) 1 1722305SM 2
TIRE, 16 x 6-1/2 - 8 Super Turf, Front 2 1722833SM 2
TUBE, Tire 16 x 6-1/2 - 8, Front 3 2164247SM 2
BEARING, Ball 4 1717056SM 4
WHEEL, 5 3/8 x 7-15/16, Front 5 1722834SM 2
VALVE STEM & CAP ASSEMBLY 6 2172353SM 4
WASHER, Special, 1 x 2-1/2 7 1722726SM 8
WASHER 8 1919394SM 4
RING, Shaft 9 2832577SM 6
CAP, Hub Grey, 2-23/64 10 1722676SM 4
KEY, HI PRO, 1/4 x 2 11 2105337SM 2
WASHER 12 2860200SM 4
SPACER, 1-1/16 x 1-1/2 x 1-23/32, Black 13 1723112SM 2
PLATE & HUB ASSEMBLY, Rear Wheel w/Studs 14 1721400SM 2
WHEEL & TIRE ASSEMBLY, Rear 23" (Includes Ref. Nos. 6, 16, 17 & 18) 15 1722766SM 2
TIRE, 23 x 10-1/2 - 12 Super Turf, Rear 16 1722830SM 2
TUBE, Tire 23 x 10-1/2 - 12, Rear 17 2157638SM 2
WHEEL, 7 x 12, Rear 18 1722831SM 2
RING, Shaft 19 2834712SM 2
NUT, Hex 7/16-20, For Wheel Bolt 20 2177725SM 10
The above parts group applies to the following Mfg. Nos.:
41
2008
Milwaukee, WI, USA. All rights reserved
© Copyright by Briggs & Stratton Corporation
1694818 - 1723H
1694819 - Conquest
1694820 - 2723H
1695153 - Conquest
1695154 - 1723H
1695155 - 2723H
1695226 - Conquest
2690745 - Conquest
2690746 - Conquest
2690747 - Conquest
2690748 - 1723H
2690749 - 1723H
2690750 - 2723H
2690751 - 2723H
2690753 - Conquest
2690799 - Conquest
TP 400-4803-C-CQ-SMA
Not for
Reproduction

Decals Group - Brand & Model
NOTE: Unless noted otherwise,
use the standard hardware torque
specification chart.
B986613
The above parts group applies to the following Mfg. Nos.:
42
2008
Milwaukee, WI, USA. All rights reserved
© Copyright by Briggs & Stratton Corporation
1694818 - 1723H
1694819 - Conquest
1694820 - 2723H
1695153 - Conquest
1695154 - 1723H
1695155 - 2723H
1695226 - Conquest
2690745 - Conquest
2690746 - Conquest
2690747 - Conquest
2690748 - 1723H
2690749 - 1723H
2690750 - 2723H
2690751 - 2723H
2690753 - Conquest
2690799 - Conquest
TP 400-4803-C-CQ-SMA
Not for
Reproduction

PART NO. DESCRIPTIONREF NO QTY.
Decals Group - Brand & Model
Footnotes
DECAL, ICON Simplicity, Orange 1 1717692SM 2
DECAL, ICON Simplicity, Orange 1 1731418SM 1
DECAL, Simplicity, Silver & Blue w/Icon 2 1722551SM 3
DECAL, Conquest, Silver & Blue 3 1722820SM 1
DECAL, 16HP, Silver On Clear 4 1722549SM 1
DECAL, 18HP, Silver 4 1722779SM 1
DECAL, 20HP, Silver 4 1722780SM 1
DECAL, 21HP, Silver 4 1730206SM 1
DECAL, 23HP 4 1722781SM 1
DECAL, Hood Stripe, RH, Simplicity, Blue & Silver 5 1722773SM 1
DECAL, Hood Stripe, LH, Simplicity, Blue & Silver 5 1722774SM 1
DECAL, AGCO, Logo Black, Chrome, Orange 6 1708926SM 1
DECAL, 1716, Gray, AGCO 7 1722795SM 2
DECAL, 1718, Gray, AGCO 7 1722796SM 2
DECAL, 1720, Gray, AGCO 7 1722797SM 2
DECAL, 1721, AGCO 7 1730209SM 1
DECAL, Hood Stripe, LH, AGCO 8 1722817SM 1
DECAL, Hood Stripe, RH, AGCO 8 1722818SM 1
DECAL, Massey Ferguson Logo, 3 Triangles 9 1714363SM 1
DECAL, 2716, Black, Massey Ferguson 10 1722801SM 2
DECAL, 2718, Black, Massey Ferguson 10 1722802SM 2
DECAL, 2720, Black, Massey Ferguson 10 1722803SM 2
DECAL, 2721, Massey Ferguson 10 1730207SM 2
DECAL, 2723, Massey Ferguson 10 1728113SM 2
DECAL, Hood Stripe, LH, Massey Ferguson 11 1722815SM 1
DECAL, Hood Stripe, RH, Massey Ferguson 11 1722816SM 1
DECAL, Hood Stripe, LH, Massey Ferguson 11 1727783SM 1
DECAL, Hood Stripe, RH, Massey Ferguson 11 1727784SM 1
The above parts group applies to the following Mfg. Nos.:
43
2008
Milwaukee, WI, USA. All rights reserved
© Copyright by Briggs & Stratton Corporation
1694818 - 1723H
1694819 - Conquest
1694820 - 2723H
1695153 - Conquest
1695154 - 1723H
1695155 - 2723H
1695226 - Conquest
2690745 - Conquest
2690746 - Conquest
2690747 - Conquest
2690748 - 1723H
2690749 - 1723H
2690750 - 2723H
2690751 - 2723H
2690753 - Conquest
2690799 - Conquest
TP 400-4803-C-CQ-SMA
Not for
Reproduction

Decals Group - Safety & Common
NOTE: Unless noted otherwise,
use the standard hardware torque
specification chart.
C986613
The above parts group applies to the following Mfg. Nos.:
44
2008
Milwaukee, WI, USA. All rights reserved
© Copyright by Briggs & Stratton Corporation
1694818 - 1723H
1694819 - Conquest
1694820 - 2723H
1695153 - Conquest
1695154 - 1723H
1695155 - 2723H
1695226 - Conquest
2690745 - Conquest
2690746 - Conquest
2690747 - Conquest
2690748 - 1723H
2690749 - 1723H
2690750 - 2723H
2690751 - 2723H
2690753 - Conquest
2690799 - Conquest
TP 400-4803-C-CQ-SMA
Not for
Reproduction

PART NO. DESCRIPTIONREF NO QTY.
Decals Group - Safety & Common
Footnotes
DECAL, Ignition Switch Symbols, White/Black 1 1722806SM 1
DECAL, Automatic Control Traction 2 1718025SM 1
DECAL, Tunnel Cover, Danger Slopes/Blades 3 1722814SM 1
DECAL, Tunnel Cover, Danger Slopes/Blades, (Export) 3 1734027SM 1
DECAL, Tunnel Cover 3 1726923SM 1
DECAL, Lift Lever Symbols 4 1723143SM 1
DECAL, Drive Belts, Mower Blades (38 Tooth Sprocket Mower) 5 1725158SM 1
DECAL, Drive Belts, Mower Blades 5 1727014SM 1
DECAL, Touch Up Paint, Deep Orange 6 1720454SM 1
DECAL, Touch-Up Paint, Red 6 1725072SM 1
DECAL, Protective Sticker 7 1723296SM 2
LABEL, Decibel, Power Mass 8* 1
DECAL, I.D. Plate 9* 1
DECAL, Patent 10 * 1
DECAL, USA Logo Stars & Stripe 11 1708927SM 1
DECAL, Transmission Release Valve 12 1723160SM 1
DECAL, I.D. Plate 13 * 1
DECAL, Danger Do Not Put Hands/Feet in Mower 14 1704276SM 1
DECAL, Free Floating Mower, Silver 15 1722771SM 1
DECAL, OPEI Certified 16 * 1
DECAL, 44", Silver on Black with Stripe 17 1722789SM 1
DECAL, 50", Silver on Black with Stripe 17 1722790SM 1
DECAL, 54", Silver on Black with Stripe 17 1722791SM 1
DECAL, Danger Do Not Operate without Deflector 18 1704277SM 1
DECAL, Height of Cut 19 1721197SM 1
Note* Not a service part.
The above parts group applies to the following Mfg. Nos.:
45
2008
Milwaukee, WI, USA. All rights reserved
© Copyright by Briggs & Stratton Corporation
1694818 - 1723H
1694819 - Conquest
1694820 - 2723H
1695153 - Conquest
1695154 - 1723H
1695155 - 2723H
1695226 - Conquest
2690745 - Conquest
2690746 - Conquest
2690747 - Conquest
2690748 - 1723H
2690749 - 1723H
2690750 - 2723H
2690751 - 2723H
2690753 - Conquest
2690799 - Conquest
TP 400-4803-C-CQ-SMA
Not for
Reproduction

44" & 50" Mower Deck - Clutch & Support Group
NOTE: Unless noted otherwise,
use the standard hardware torque
specification chart.
987579
The above parts group applies to the following Mfg. Nos.:
46
2008
Milwaukee, WI, USA. All rights reserved
© Copyright by Briggs & Stratton Corporation
1695397 - 50" Mower
1695399 - 44" Mower
1695400 - 44" Mower
1695589 - 50" Mower
2690745 - Conquest
2690746 - Conquest
2690747 - Conquest
2690753 - Conquest
TP 400-4803-C-CQ-SMA
Not for
Reproduction

PART NO. DESCRIPTIONREF NO QTY.
44" & 50" Mower Deck - Clutch & Support Group
Footnotes
V BELT, HA 61.10 (Used only on 44" Mower) 1 1601672SM 1
SPRING, Extension 2 1656936SM 1
SPACER, Case Hard 3 1674669SM 2
GUARD, Belt 4 1677135ASM 1
V BELT, Arbor Drive 50 (Used only on 50" Mower) 5 1703836SM 1
LEVER ASSEMBLY, Idler w/Bushings & Fitting 6 1704658SM 1
V BELT, Mower Drive 50 (Used only on 50" Mower) 7 1707740SM 1
ROD 8 1713578SM 1
SPRING, Extension 9 1715435SM 1
ROD 10 1715759SM 1
LEVER ASSEMBLY, Idler w/Bushings & Fitting 11 1718561SM 1
BELT, 83.1 (Used only on 44" Mower) 12 1721532SM 1
PULLEY, Idler 13 1724387SM 2
HITCH, Mower 44, 50" 14 1733717ASM 1
NUT, Hex 3/8-16 NC-2B 15 1916950SM 2
LOCKWASHER, Spring 3/8 16 1916965SM 2
CAPSCREW, Hex Head 3/8-16 x 1-3/4 G8 17 1922606SM 2
CAPSCREW, Hex Head 3/8-16 x 3-1/2 G5 18 1923938SM 1
WASHER, 3/8 19 1924356SM 2
WASHER, 3/8 20 1924940SM 14
CARRIAGE BOLT, 3/8-16 x 1-1/2 G5 21 1931352SM 1
CARRIAGE BOLT, 3/8-16 x 2 G5 22 1960315SM 1
NUT, Hex Flange 3/8-16 Machine Lock 23 1960339SM 1
NUT, Push 24 1960519SM 1
SPRING, Extension 25 2156302SM 1
SPACER 26 1733068SM 2
NUT, Hex Toplock Spiral Lock Flange 3/8-16 27 2860681SM 2
The above parts group applies to the following Mfg. Nos.:
47
2008
Milwaukee, WI, USA. All rights reserved
© Copyright by Briggs & Stratton Corporation
1695397 - 50" Mower
1695399 - 44" Mower
1695400 - 44" Mower
1695589 - 50" Mower
2690745 - Conquest
2690746 - Conquest
2690747 - Conquest
2690753 - Conquest
TP 400-4803-C-CQ-SMA
Not for
Reproduction

44" Mower Deck - Height Adjustment & Roller Group
NOTE: Unless noted otherwise,
use the standard hardware torque
specification chart.
2987877
The above parts group applies to the following Mfg. Nos.:
48
2008
Milwaukee, WI, USA. All rights reserved
© Copyright by Briggs & Stratton Corporation
1695399 - 44" Mower
1695400 - 44" Mower
2690747 - Conquest
2690753 - Conquest
TP 400-4803-C-CQ-SMA
Not for
Reproduction

PART NO. DESCRIPTIONREF NO QTY.
44" Mower Deck - Height Adjustment & Roller Group
Footnotes
NUT, Hex Toplock Spiral Lock Flange 3/8-16 1 2860681SM 3
SPACER, 3/8 x 3/4 x 15/16 2 1706644SM 1
WASHER, 3/8 3 1924940SM 4
CAPSCREW, Hex Head 3/8-16 x 1-3/4 G8 4 1922606SM 1
ROD, Adjustment 5 1734797SM 1
SCREW, Hex Washer Head Taptite 5/16-18 x 1-1/4 6 1931202SM 2
INDICATOR, Height 7 1720643ASM 1
SCREW, Hex Whiz Lock Flange 5/16-18 x 3/4 8 1930591SM 2
NUT, Hex Flange 5/16-18 Whiz Lock Small 9 1931277SM 2
PIN, Spring 10 2816001SM 1
WASHER, Detent 11 1704097SM 1
TRUNNION 12 1733257SM 1
WASHER, 1/2 13 1960170SM 3
TRUNNION 14 1733258SM 1
CRANK, Height Adjust 15 1719901SM 1
KNOB, Spinner 16 1714084SM 1
NUT, Push Pal 3/8 Diameter Stud Capped 17 1960093SM 1
SCREW, Hex Washer Head Taptite 5/16-18 x 3/4 18 1664847SM 5
BRACKET, Up-Stop 19 1722748ASM 1
STRAP, Roller 20 1665374SM 3
NUT, Hex Jam 1/2-13 21 1913744SM 2
TRUNNION, Rod 22 1704081ASM 1
PIN, Round Head Drilled 3/8 x 2 23 2118053SM 1
CLIP, Hair Pin 24 1960074SM 3
WASHER, 3/8 25 1960103SM 1
BRACKET, Height of Cut 26 1704116ASM 1
ROD,Height Adjuster 29 1724959SM 1
NUT, Hex Jam 5/16-18 30 1920161SM 2
UP-STOP, 6-14 High 32 1722747SM 1
SHAFT ASSEMBLY, Rocker 44" 34 1733521ASM 1
CARRIAGE BOLT, 3/8-16 x 1-1/2 G5 35 1931352SM 1
SHAFT & BAR ASSEMBLY, 44" 36 1716159ASM 1
BAR, Roller 37 1704074ASM 1
NUT, Hex Flange 1/2-13 Two-Way Lock 38 1930644SM 2
NUT, Hex Adjusting 39 1704082SM 1
SLIDE 40 1677507SM 1
WASHER, 1/2 41 1924361SM 1
BOLT, Shoulder, 3/8-16 G5 42 2172622SM 1
NUT, Push for 5/8 Diameter Stud Capped 43 1960520SM 2
ROLLER, Rounded 44 1722036SM 2
SPACER, Split 45 1602946SM 2
WASHER, 5/8 46 1924366SM 10
ROLLER 47 1668513SM 7
The above parts group applies to the following Mfg. Nos.:
49
2008
Milwaukee, WI, USA. All rights reserved
© Copyright by Briggs & Stratton Corporation
1695399 - 44" Mower
1695400 - 44" Mower
2690747 - Conquest
2690753 - Conquest
TP 400-4803-C-CQ-SMA
Not for
Reproduction

44" Mower Deck - Height Adjustment & Roller Group
NOTE: Unless noted otherwise,
use the standard hardware torque
specification chart.
2987877
The above parts group applies to the following Mfg. Nos.:
50
2008
Milwaukee, WI, USA. All rights reserved
© Copyright by Briggs & Stratton Corporation
1695399 - 44" Mower
1695400 - 44" Mower
2690747 - Conquest
2690753 - Conquest
TP 400-4803-C-CQ-SMA
Not for
Reproduction

PART NO. DESCRIPTIONREF NO QTY.
44" Mower Deck - Height Adjustment & Roller Group
Footnotes
CHAIN, Link 48 1731383ASM 2
ROD, Height Adjusting, 3/8-18 49 1731384SM 2
TRUNNION 50 1731382SM 2
SPACER 51 1716953SM 1
SWIVEL, Adjustable 52 7028200SM 1
The above parts group applies to the following Mfg. Nos.:
51
2008
Milwaukee, WI, USA. All rights reserved
© Copyright by Briggs & Stratton Corporation
1695399 - 44" Mower
1695400 - 44" Mower
2690747 - Conquest
2690753 - Conquest
TP 400-4803-C-CQ-SMA
Not for
Reproduction

44" Mower Deck - Housing, Arbors & Blades Group
NOTE: Unless noted otherwise,
use the standard hardware torque
specification chart.
987515
The above parts group applies to the following Mfg. Nos.:
52
2008
Milwaukee, WI, USA. All rights reserved
© Copyright by Briggs & Stratton Corporation
1695399 - 44" Mower
1695400 - 44" Mower
2690747 - Conquest
2690753 - Conquest
TP 400-4803-C-CQ-SMA
Not for
Reproduction

PART NO. DESCRIPTIONREF NO QTY.
44" Mower Deck - Housing, Arbors & Blades Group
Footnotes
HOUSING ASSEMBLY, 44" 1 1687327SM 1
CAPSCREW, Hex Head 7/16-14 x 1-1/4 G8 2 2823471SM 3
WASHER, Spring 3 1656916SM 3
WASHER, Hex, 11/16 x 2 4 1713089SM 3
BLADE, Mower 5 1704100SM 3
SHIELD, Grass Lower Arbor Heat Treat 6 1713196SM 3
SHAFT, Arbor 7 1713612SM 1
SHAFT, Arbor 8 1713195SM 2
WASHER, Cup 9 1713619SM 3
HOUSING, Arbor Bottom w/Lube Fitting (Includes Ref. No. 45) 10 1713338ASM 3
BEARING, Ball 11/16 x 1-9/16 x 15/32 11 1705897SM 3
SPACER, Powdered Metal 12 1732544SM 3
BEARING, Ball 13 2108202SM 3
SPACER, 21/32 x 3/4 x 5/8 14 1715724SM 3
HOUSING, Arbor Top 15 1655729ASM 3
HUB, Powdered Metal 16 1713533SM 1
PULLEY 17 1713098SM 3
HUB, Hub Serated 18 1713158SM 1
PULLEY 19 1732951SM 1
PULLEY (CE/Export) 19 1713091SM 1
HUB, Pulley, Center & R.H. 20 1713197SM 2
WASHER, Bellville 21 1713675SM 6
NUT, Hex Flange 9/16-18 22 1714419SM 3
GASKET 23 1707335SM 3
COVER, Arbor 24 1720560ASM 1
COVER, Arbor (No Ribs) (CE/Export) 24 1732200ASM 1
SCREW, Hex Washer Head Taptite 5/16-18 x 3/4 25 1664847SM 27
CARRIAGE BOLT, 1/4-20 x 1-1/2 G5 26 1960633SM 2
NUT, Push for 1/4 Diameter Thread 27 1960518SM 2
ROD, Deflector 28 1706709SM 1
SPACER 29 1710703SM 2
CARRIAGE BOLT, 1/4-20 x 1-1/4 G5 30 1931320SM 2
NUT, Hex Lock ESNA Light 1/4-20 31 1920397SM 2
CLAMP, Wire, 5/16 Diameter 32 1704873SM 1
WASHER, 5/16 33 1919326SM 1
SPRING, Torsion Chute 34 7101082SM 1
DEFLECTOR 35 1705449SM 1
COVER, Arbor 36 1715673SM 1
NUT, Hex Flange 5/16-18 Whiz Lock Small 37 1931277SM 1
PLUG, Button 38 1705115SM 1
BAFFLE, Blowout 44" LH (CE/Export) 39 1716879ASM 1
BAFFLE, Blowout 44" RH (CE/Export) 40 1716878ASM 1
NUT, Hex Flange 5/16-18 Whiz Lock Large (Quantity 11 used on CE/Export Models) 41 1927557SM 2
The above parts group applies to the following Mfg. Nos.:
53
2008
Milwaukee, WI, USA. All rights reserved
© Copyright by Briggs & Stratton Corporation
1695399 - 44" Mower
1695400 - 44" Mower
2690747 - Conquest
2690753 - Conquest
TP 400-4803-C-CQ-SMA
Not for
Reproduction

44" Mower Deck - Housing, Arbors & Blades Group
NOTE: Unless noted otherwise,
use the standard hardware torque
specification chart.
987515
The above parts group applies to the following Mfg. Nos.:
54
2008
Milwaukee, WI, USA. All rights reserved
© Copyright by Briggs & Stratton Corporation
1695399 - 44" Mower
1695400 - 44" Mower
2690747 - Conquest
2690753 - Conquest
TP 400-4803-C-CQ-SMA
Not for
Reproduction

PART NO. DESCRIPTIONREF NO QTY.
44" Mower Deck - Housing, Arbors & Blades Group
Footnotes
CAPSCREW, Hex Head 5/16-18 x 1 G5 (Quantity 11 used on CE/Export Models) 42 1921333SM 2
BAFFLE, Short Blowout 43 1724538ASM 1
CARRIAGE BOLT, 1/4-20 x 1-1/2 44 1960633SM 1
FITTING, Grease 1/4 Drive 45 1704314SM 3
The above parts group applies to the following Mfg. Nos.:
55
2008
Milwaukee, WI, USA. All rights reserved
© Copyright by Briggs & Stratton Corporation
1695399 - 44" Mower
1695400 - 44" Mower
2690747 - Conquest
2690753 - Conquest
TP 400-4803-C-CQ-SMA
Not for
Reproduction

50" Mower Deck - Height Adjustment & Roller Bar Group
NOTE: Unless noted otherwise,
use the standard hardware torque
specification chart.
987883
The above parts group applies to the following Mfg. Nos.:
56
2008
Milwaukee, WI, USA. All rights reserved
© Copyright by Briggs & Stratton Corporation
1695397 - 50" Mower
1695589 - 50" Mower
2690745 - Conquest
2690746 - Conquest
TP 400-4803-C-CQ-SMA
Not for
Reproduction

PART NO. DESCRIPTIONREF NO QTY.
50" Mower Deck - Height Adjustment & Roller Bar Group
Footnotes
BAR, Roller 5/16 1 1704074ASM 1
ROD, Adjusting 2 1722995SM 1
CARRIAGE BOLT, 3/8-16 x 1-1/2 G5 3 1931352SM 1
BOLT, Shoulder, 3/8-16 G5 4 2172622SM 1
BRACKET, Height of Cut 16GA 5 1704116ASM 1
CAPSCREW, Hex Head 3/8-16 x 1-3/4 G8 6 1922606SM 1
WASHER, 5/8 7 1924366SM 8
CHAIN, Link 8 1731383ASM 2
CRANK, Height Adjusting 9 1719901SM 1
INDICATOR, Height 10 1720643ASM 1
KNOB, Spinner 11 1714084SM 1
SHAFT ASSEMBLY, Rocker 50" 13 1733522ASM 1
NUT, Hex Flange 1/2-13 Two-Way Lock 14 1930644SM 2
NUT, Hex Flange 5/16-18 Whiz Lock Small 15 1931277SM 2
NUT, Hex 5/8-11 16 1915726SM 2
NUT, Hex Jam 5/16-18 17 1920161SM 2
NUT, Hex Adjusting 18 1704082SM 1
PIN, Round Head Drilled 3/8 x 2 19 2118053SM 1
SCREW, Hex Whiz Lock Flange 5/16-18 x 3/4 20 1930591SM 2
NUT, Push Pal 3/8 Diameter Stud Capped 22 1960093SM 1
NUT, Push for 5/8 Diameter Stud Capped 23 1960520SM 2
SHAFT & BAR ASSEMBLY, Roller 24 1716155ASM 1
ROD, Height Adjust (Short) 25 1737124SM 2
ROD, Height Adjust (Long) 25 7028728SM 2
TRUNNION 26 1731382SM 2
PIN, Spring 27 2816001SM 1
ROLLER 28 1668513SM 8
ROLLER, Rounded 29 1722036SM 2
SCREW, Hex Washer Head Taptite 5/16-18 x 3/4 30 1664847SM 6
NUT, Hex Toplock Spiral lock Flange 3/8-16 31 2860681SM 3
SLIDE 32 1677507SM 1
SPACER, 3/8 x 3/4 x 15/16 33 1706644SM 1
SPACER 34 1709195SM 3
STRAP, Roller 35 1665374SM 3
CLIP, Hair Pin 36 1960074SM 3
TRUNNION 37 1733257SM 1
TRUNNION 38 1706645ASM 1
TRUNNION 39 1733258SM 1
WASHER, 3/8 40 1924940SM 3
WASHER, Detent 41 1704097SM 1
WASHER, 1/2 42 1924361SM 1
WASHER, 1/2 43 1960170SM 1
SPACER 45 1716953SM 1
The above parts group applies to the following Mfg. Nos.:
57
2008
Milwaukee, WI, USA. All rights reserved
© Copyright by Briggs & Stratton Corporation
1695397 - 50" Mower
1695589 - 50" Mower
2690745 - Conquest
2690746 - Conquest
TP 400-4803-C-CQ-SMA
Not for
Reproduction

50" Mower Deck - Housing, Arbors & Blades Group
NOTE: Unless noted otherwise,
use the standard hardware torque
specification chart.
987519
The above parts group applies to the following Mfg. Nos.:
58
2008
Milwaukee, WI, USA. All rights reserved
© Copyright by Briggs & Stratton Corporation
1695397 - 50" Mower
1695589 - 50" Mower
2690745 - Conquest
2690746 - Conquest
TP 400-4803-C-CQ-SMA
Not for
Reproduction

PART NO. DESCRIPTIONREF NO QTY.
50" Mower Deck - Housing, Arbors & Blades Group
Footnotes
HOUSING ASSEMBLY, 50" (Orange) 1 1687325SM 1
HOUSING ASSEMBLY, 50" (Red) 1 1687326SM 1
CAPSCREW, Hex Head 7/16-14 x 1-1/4 G8 2 2823471SM 3
WASHER, Spring 3 1656916SM 3
WASHER, Hex, 11/16 x 2 4 1713089SM 3
BLADE, Mower 50" 5 1708229ASM 3
SHIELD, Grass Lower Arbor Heat Treat 6 1713196SM 3
SHAFT, Arbor 7 1713612SM 1
SHAFT, Arbor 8 1713195SM 2
WASHER, Cup 9 1713619SM 3
HOUSING, Arbor Bottom w/Lube Fitting (Includes Ref. No. 48) 10 1713338ASM 3
BEARING, Ball, 11/16 x 1-9/16 x 15/32 11 1705897SM 3
SPACER, Powdered Metal 12 1732544SM 3
BEARING, Ball 13 2108202SM 3
SPACER, 21/32 x 3/4 x 5/8 14 1715724SM 3
HOUSING, Arbor Top 15 1655729ASM 3
HUB, Powdered Metal 16 1713533SM 1
PULLEY 17 1713098SM 3
HUB, Serated Powdered Metal 18 1713158SM 1
PULLEY 19 1732951SM 1
HUB, Pulley, Center & R.H. 20 1713197SM 2
WASHER, Bellville 21 1713675SM 6
NUT, Hex Flange 9/16-18 22 1714419SM 3
GASKET, Foam Poly 23 1707335SM 3
COVER, Arbor 24 1720560ASM 1
SCREW, Hex Washer Head Taptite 5/16-18 x 3/4 25 1664847SM 27
CARRIAGE BOLT, 1/4-20 x 1-1/4 G5 26 1931320SM 2
NUT, Push for 1/4 Diameter Thread 27 1960518SM 2
ROD, Deflector E-Coat 28 1706709SM 1
WASHER 29 1960353SM 1
SPACER, Powdered Metal 30 1710703SM 2
NUT, Hex Lock ESNA Light 1/4-20 31 1920397SM 2
CLAMP, Wire 32 1704873SM 1
WASHER, 5/16 33 1919326SM 1
SPRING, Torsion Chute 34 7101082SM 1
DEFLECTOR 35 1705449SM 1
COVER, Arbor 36 1715673SM 1
CAP 37 1723323SM 1
PLUG, Button 38 1705115SM 1
BAFFLE, Blowout 50" L.H. (CE/Export) 39 1716870ASM 1
BAFFLE, Blowout 50" R.H. (CE/Export) 40 1735184ASM 1
NUT, Hex Flange 5/16-18 Whiz Lock Large 41 1927557SM 2/11
BOLT, Carriage, 5/16-18 x 3/4 42 1931333SM 2/11
The above parts group applies to the following Mfg. Nos.:
59
2008
Milwaukee, WI, USA. All rights reserved
© Copyright by Briggs & Stratton Corporation
1695397 - 50" Mower
1695589 - 50" Mower
2690745 - Conquest
2690746 - Conquest
TP 400-4803-C-CQ-SMA
Not for
Reproduction

50" Mower Deck - Housing, Arbors & Blades Group
NOTE: Unless noted otherwise,
use the standard hardware torque
specification chart.
987519
The above parts group applies to the following Mfg. Nos.:
60
2008
Milwaukee, WI, USA. All rights reserved
© Copyright by Briggs & Stratton Corporation
1695397 - 50" Mower
1695589 - 50" Mower
2690745 - Conquest
2690746 - Conquest
TP 400-4803-C-CQ-SMA
Not for
Reproduction

PART NO. DESCRIPTIONREF NO QTY.
50" Mower Deck - Housing, Arbors & Blades Group
Footnotes
BAFFLE, Blowout (Domestic) 43 1724538ASM 1
UPSTOP (Only used on Broadmoor Series) 44 1704098SM 1
SPACER (Only used on Broadmoor Series) 45 1611705SM 2
SCREW, Hex Washer Taptite (Only used on Broadmoor Series) 46 1931202SM 2
CARRIAGE BOLT, 1/4-20 x 1-1/2 G5 47 1960633SM 2
FITTING, Grease, 1/4 Drive 48 1704314SM 3
The above parts group applies to the following Mfg. Nos.:
61
2008
Milwaukee, WI, USA. All rights reserved
© Copyright by Briggs & Stratton Corporation
1695397 - 50" Mower
1695589 - 50" Mower
2690745 - Conquest
2690746 - Conquest
TP 400-4803-C-CQ-SMA
Not for
Reproduction

54" Mower Deck - Height Adjustment & Roller Bar Group
NOTE: Unless noted otherwise,
use the standard hardware torque
specification chart.
985975
The above parts group applies to the following Mfg. Nos.:
62
2008
Milwaukee, WI, USA. All rights reserved
© Copyright by Briggs & Stratton Corporation
2690799 - Conquest
TP 400-4803-C-CQ-SMA
Not for
Reproduction

PART NO. DESCRIPTIONREF NO QTY.
54" Mower Deck - Height Adjustment & Roller Bar Group
Footnotes
NUT, Hex, Adjusting 1 1704082SM 1
NUT, Hex Aluminum Insert Lock, 3/8-16 2 2860681SM 2
SHAFT & BAR ASSEMBLY, Roller 3 1723008ASM 1
SLIDE 4 1677507SM 1
WASHER, 1/2 5 1924361SM 1
BOLT, Shoulder, 3/8-16 x 1-5/16 6 2172622SM 1
SPACER 7 1701873SM 6
WASHER 8 2860626SM 14
ROLLER, 1 x 2-3/4 x 2, Black 9 1720159SM 2
ROLLER, Half Rounded 10 1678043SM 2
PIN, Cotter, 1/8 x 1-1/2, Black 11 1918459SM 2
ROLLER, with Bushings, Full 12 1678043SM 8
BAR 13 1723009ASM 1
NUT, Hex Flange, 1/2-13 14 1930644SM 2
NUT, Hex, 5/8-11 19 1915726SM 4
WASHER, 5/8 20 1924366SM 4
CARRIAGE BOLT, 3/8-16 x 1-1/2 21 1931352SM 1
ASSEMBLY, Rocker Shaft 22 1733523ASM 1
PIN, Round Head, 3/8 x 2 23 2118053SM 2
TRUNNION 24 1706645ASM 2
CLIP, Hair Pin 25 1960074SM 2
CAPSCREW, Hex Washer Head, Taptite, 5/16-18 x 3/4 26 1664847SM 11
WASHER, 5/8 27 1924940SM 2
UP-STOP, Wire 28 1719929SM 1
STRAP 29 1720147ASM 4
ROD, 5/8 x 29-5/8 Long 30 1722995SM 2
PIN, Yoke, 1/2 31 1960116SM 2
PIN, Bow Tie 32 1722320SM 2
PIN, Roll 33 2816001SM 1
WASHER, Detent, 1/2 34 1704097SM 1
SUPPORT, Trunnion 35 1720142ASM 1
WASHER, 1/2 36 1960170SM 1
TRUNNION 37 1704086SM 1
INDICATOR, Height 38 1720643ASM 1
SCREW, Taptight 5/16-18 x 1 1/14 39 1931202SM 1
NUT, Hex, 5/16-18 Whiz Lock 40 1931277SM 2
TRUNNION, Threaded 42 1704087SM 1
CAPSCREW, Hex Head, 5/16-18 x 1-1/4 43 1921977SM 2
BRACKET, Height of Cut 44 1704116ASM 1
ARM 45 1720637ASM 1
CRANK, Height Adjust 46 1719901SM 1
KNOB, Spinner 47 1714084SM 1
PUSHNUT, 3/8 48 1960093SM 1
The above parts group applies to the following Mfg. Nos.:
63
2008
Milwaukee, WI, USA. All rights reserved
© Copyright by Briggs & Stratton Corporation
2690799 - Conquest
TP 400-4803-C-CQ-SMA
Not for
Reproduction

54" Mower Deck - Height Adjustment & Roller Bar Group
NOTE: Unless noted otherwise,
use the standard hardware torque
specification chart.
985975
The above parts group applies to the following Mfg. Nos.:
64
2008
Milwaukee, WI, USA. All rights reserved
© Copyright by Briggs & Stratton Corporation
2690799 - Conquest
TP 400-4803-C-CQ-SMA
Not for
Reproduction

PART NO. DESCRIPTIONREF NO QTY.
54" Mower Deck - Height Adjustment & Roller Bar Group
Footnotes
ASSEMBLY, Hitch Pin 49 1734011SM 1
PIN, Click 50 1709189SM 1
SPRING 51 2156302SM 1
ROD, Latch 52 1715759SM 1
ASSEMBLY, Hitch 53 1722997ASM 1
CHAIN 2-Link 54 1731383ASM 1
ROD, Height Adjust 55 1731384SM 1
NUT, Hex Jam 56 1920161SM 1
TRUNION 57 1731382SM 1
CLIP, Hair Pin 58 1960074SM 1
WASHER, 3/8 59 1924940SM 1
The above parts group applies to the following Mfg. Nos.:
65
2008
Milwaukee, WI, USA. All rights reserved
© Copyright by Briggs & Stratton Corporation
2690799 - Conquest
TP 400-4803-C-CQ-SMA
Not for
Reproduction

54" Mower Deck - Housing, Arbors & Blades Group
NOTE: Unless noted otherwise,
use the standard hardware torque
specification chart.
986820
The above parts group applies to the following Mfg. Nos.:
66
2008
Milwaukee, WI, USA. All rights reserved
© Copyright by Briggs & Stratton Corporation
2690799 - Conquest
TP 400-4803-C-CQ-SMA
Not for
Reproduction

PART NO. DESCRIPTIONREF NO QTY.
54" Mower Deck - Housing, Arbors & Blades Group
Footnotes
DEFLECTOR, Plastic 1 1705449SM 1
WASHER, Plain, 1/4 2 1960353SM 2
NUT, 1/4-20 4 1920397SM 2
ROD, Deflector, Front 5 1706709SM 1
COVER, Arbor, RH (Red) 6 1720184DSM 1
COVER, Arbor, RH (Orange) 6 1720184CSM 1
CLIP, Spring 7 1720623SM 4
CAPSCREW, Hex Washer Head Taptite, 1/4-20 x 3/8 8 1929000SM 4
WASHER, Lock, 7/16 11 1918199SM 2
WASHER, 7/16 12 1933263SM 2
SHIELD, Bearing Upper, Arbor 14 1657969SM 3
HOUSING, Arbor, Top 15 1655729ASM 3
ARBOR SHAFT & BEARING ASSEMBLY (Includes Ref. Nos. 17 & 18) 16 1676278SM 2
BEARING, Ball, 3/4 x 1-3/4 x 5/8 17 2108202SM 6
ARBOR SHAFT 18 1676277SM 3
CAPSCREW, Hex Head, 7/16-14 x 1-1/4, G8 19 2823471SM 5
ASSEMBLY, Arbor Shaft and Bearing (Includes Ref. Nos. 17 & 21) 20 1726825SM 1
SHAFT, Arbor 21 1725812SM 1
HOUSING ASSEMBLY, Mower Housing, 54" (Orange) 22 1687012SM 1
HOUSING ASSEMBLY, Mower Housing, 54" (Red) 22 1687311SM 1
GASKET, Foam 23 1707335SM 3
ASSEMBLY, Housing, Bottom (Includes Ref. No. 25) 24 1703273ASM 3
FITTING, Lube 25 1704314SM 3
WASHER, Shim 26 1700230SM 3
BLADE, Mower, 20-1/2 (1" Diameter Center Hole in Blade) 27 1725921SM 2
WASHER, Splined (1" Diameter Center Hole in Blade) 28 1679711SM 3
WASHER, Spring 29 1656916SM 3
RING, Self Locking 30 1657528SM 3
ADAPTER, Blade 31 1655777SM 3
SHIELD, Grass 32 1700229SM 3
CAPSCREW, Hex Washer Head Taptite, 5/16-18 x 3/4 33 1664847SM 18
NUT, Hex, Nylon Lock, 5/16-18 34 1960684SM 3
BAFFLE, Front, Anti-Blowout 35 1720962ASM 1
CARRIAGE BOLT, 5/16-18 x 3/4, (1 Needed for Rear Baffle) 36 1931333SM 3
BLADE, Mower, 16 (1" Diameter Center Hole in Blade) 37 1725922SM 1
NUT, Hex Lock, 3/8-16 38 1930645SM 2
POST, Anti Scalp 39 7035835SM 2
WHEEL, Gauge 40 1700184SM 2
BOLT, Sholder, 41 7029265SM 2
CAPSCREW, 3/8-16 x 1-1/4 42 1920415SM 2
NUT, Wing, 3/8-16 43 7091049SM 2
CARRIAGE BOLT, 1/4-20 x 1 44 1960698SM 2
The above parts group applies to the following Mfg. Nos.:
67
2008
Milwaukee, WI, USA. All rights reserved
© Copyright by Briggs & Stratton Corporation
2690799 - Conquest
TP 400-4803-C-CQ-SMA
Not for
Reproduction

54" Mower Deck - Housing, Arbors & Blades Group
NOTE: Unless noted otherwise,
use the standard hardware torque
specification chart.
986820
The above parts group applies to the following Mfg. Nos.:
68
2008
Milwaukee, WI, USA. All rights reserved
© Copyright by Briggs & Stratton Corporation
2690799 - Conquest
TP 400-4803-C-CQ-SMA
Not for
Reproduction

PART NO. DESCRIPTIONREF NO QTY.
54" Mower Deck - Housing, Arbors & Blades Group
Footnotes
NUT, Push 45 1960518SM 2
BAFFLE, Discharge 46 1724976ASM 1
CLAMP, Wire 47 1704873SM 1
WASHER, Plain, 5/16 48 1919326SM 1
SPRING 49 7101082SM 1
CAP, Spring End 50 1723323SM 2
COVER, Arbor L.H. 51 1720621DSM 1
COVER, Arbor L.H. 51 1720621CSM 1
NUT, Hex Flange 9/16-18 Yellow 52 1714419SM 1
WASHER, Belleville .56ID x 1.34 OD x .05T 53 1713675SM 2
WASHER, .050 .56ID x 1.37OD x .11T 54 1918431SM 2
The above parts group applies to the following Mfg. Nos.:
69
2008
Milwaukee, WI, USA. All rights reserved
© Copyright by Briggs & Stratton Corporation
2690799 - Conquest
TP 400-4803-C-CQ-SMA
Not for
Reproduction
Not for
Reproduction

Torque Specification Chart
FOR STANDARD MACHINE HARDWARE (Tolerance ± 20%)
Hardware
Grade
SAE Grade 2 SAE Grade 5 SAE Grade 8
Size Of
in/lbs in/lbs
in/lbs
Hardware ft/lbs Nm. ft/lbs Nm. ft/lbs Nm.
8-32
19
2.1
30
3.4
41
4.6
8-36
20
2.3
31
3.5
43
4.9
10-24
27
3.1
43
4.9
60
6.8
10-32
31
3.5
49
5.5
68
7.7
1/4-20
66
7.6 810.9 12 16.3
1/4-28
76
8.6 10 13.6 14 19.0
5/16-18 11 15.0 17 23.1 25 34.0
5/16-24 12 16.3 19 25.8 27 34.0
3/8-16 20 27.2 30 40.8 45 61.2
3/8-24 23 31.3 35 47.6 50 68.0
7/16-14 30 40.8 50 68.0 70 95.2
7/16-20 35 47.6 55 74.8 80 108.8
1/2-13 50 68.0 75 102.0 110 149.6
1/2-20 55 74.8 90 122.4 120 163.2
9/16-12 65 88.4 110 149.6 150 204.0
9/16-18 75 102.0 120 163.2 170 231.2
5/8-11 90 122.4 150 204.0 220 299.2
5/8-18 100 136 180 244.8 240 326.4
3/4-10 160 217.6 260 353.6 386 525.0
3/4-16 180 244.8 300 408.0 420 571.2
7/8-9 140 190.4 400 544.0 600 816.0
7/8-14 155 210.8 440 598.4 660 897.6
1-8 220 299.2 580 788.8 900 1,244.0
1-12 240 326.4 640 870.4 1,000 1,360.0
Hex Head Capscrew
Hex Nut
Lockwasher
Washer
Carriage Bolt
NOTES
1. These torque values are to be used for all hardware
excluding: locknuts, self-tapping screws, thread forming
screws, sheet metal screws and socket head setscrews.
2. Recommended seating torque values for locknuts:
a. for prevailing torque locknuts - use 65% of grade 5
torques.
b. for flange whizlock nuts and screws - use 135% of
grade 5 torques.
3. Unless otherwise noted on assembly drawings, all torque
values must meet this specification.
Hardware Identification & Torque Specifications
Common Hardware Types
Screw, 1/2 x 2
Body
Diameter
Body
Length
Inside
Diameter
Nut, 1/2”
No
Marks
3/8” Bolt or Nut
Wrench—9/16”
3/8
5/16” Bolt or Nut
Wrench—1/2”
5/16
1/4” Bolt or Nut
Wrench—7/16”
1/4
1/2” Bolt or Nut
Wrench—3/4”
1/2
DIA.
7/16
DIA.
7/16” Bolt or Nut
Wrench (Bolt)—5/8”
Wrench (Nut)—11/16”
Wrench & Fastener Size Guide
Standard Hardware Sizing
When a washer or nut is identified as 1/2”, this is the
Nominal size
, meaning the
inside diameter
is 1/2 inch; if a
second number is present it represent the
threads per inch
When bolt or capscrew is identified as 1/2 - 16 x 2”, this
means the
Nominal size
, or
body diameter
is 1/2 inch; the
second number represents the
threads per inch
(16 in this
example, and the final number is the
body length
of the
bolt or screw (in this example 2 inches long).
The guides and ruler furnished below are designed to
help you select the appropriate hardware and tools.
0
1/4 3/4
1/2
1
1/4 3/4
1/2
2
1/4 3/4
1/2
3
1/4 3/4
1/2
4
Not for
Reproduction

3515 N. 124 Street / PO Box 702
Wauwatosa, WI 53222 USA
www.simplicitymfg.com
2008
Milwaukee, WI, USA. All rights reserved
Briggs & Stratton Yard Power Products Group
© Copyright by Briggs & Stratton Corporation
IT IS THE POLICY OF BRIGGS & STRATTON CORP. TO IMPROVE ITS PRODUCTS
WHENEVER IT IS POSSIBLE AND PRACTICAL TO DO SO. WE RESERVE THE RIGHT TO
MAKE CHANGES OR ADD IMPROVEMENTS AT ANY TIME WITHOUT INCURRING ANY
OBLIGATION TO MAKE SUCH CHANGES ON PRODUCTS.
Not for
Reproduction