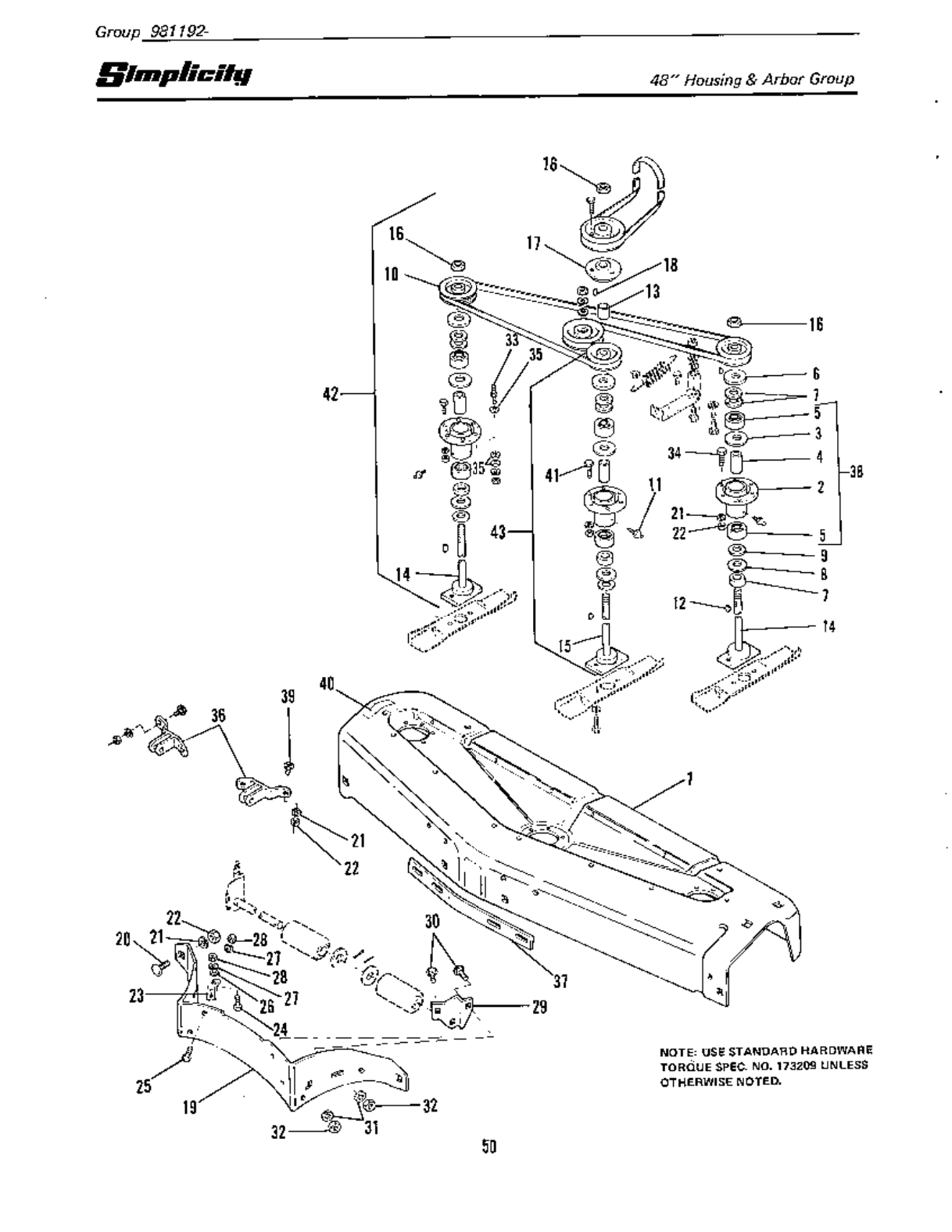
Simplicity 7016 H Parts Manual
2014-12-13
: Simplicity Simplicity-7016-H-Parts-Manual-126543 simplicity-7016-h-parts-manual-126543 simplicity pdf
Open the PDF directly: View PDF
.
Page Count: 60




























































: Simplicity Simplicity-7016-H-Parts-Manual-126543 simplicity-7016-h-parts-manual-126543 simplicity pdf
Open the PDF directly: View PDF
.
Page Count: 60