Simplicity Baron 2400 Parts Manual / Serieis
Baron 2400 to the manual 0bb92263-8824-4e0f-9ef1-06bdeda28280
2014-12-13
: Simplicity Simplicity-Baron-2400-Parts-Manual-126107 simplicity-baron-2400-parts-manual-126107 simplicity pdf
Open the PDF directly: View PDF
.
Page Count: 78

Parts Manual
Rev. 07/2004
Baron / 2400
Series Lawn Tractors & Mower Decks
TP 400-3764-02-BR-SM
Mf
g
. No. Descri
p
tion
1
6
HP Product
1694315 Baron, 16HP Hydro (CE)
1694329 Baron, 16HP Hydro (CE)
1694346 2416H, 16HP Hydro (CE)
Mf
g
. No. Descri
p
tion
17HP Product
1694482 Baron, 17HP Hydro (CE)
1694485 2417H, 17HP Hydro (CE)
Mf
g
. No. Descri
p
tion
1
8
HP Product
1694328 Baron, 18HP Hydro (CE)
1694347 2418H, 18HP Hydro (CE)
Mf
g
. No. Descri
p
tion
20HP Product
1694481 Baron, 20HP Hydro (CE)
1694483 2420H, 20HP Hydro (CE)
Mf
g
. No. Descri
p
tion
Mower Decks
1694331 40 inch Mower Deck (CE)
1694338 40 inch Mower Deck (CE)

Table Of Content
s
Torque Specification Chart ..................................................................... Inside Back Cover
PRODUCT COMPONENTS PAGES
Frame & Front Axle Group ................................................................................................................................... 4
Steering Group ..................................................................................................................................................... 6
Engine Group - 16HP & 17HP Briggs & Stratton, INTEK Single ......................................................................... 8
Engine Group - 16HP Honda ............................................................................................................................... 10
Engine Group - 18HP Briggs & Stratton, INTEK Twin ......................................................................................... 12
Engine Group - 20HP Briggs & Stratton, INTEK Twin ......................................................................................... 14
Transmission Group - Tuff Torq K-46Q ............................................................................................................... 16
Transmission SERVICE PARTS - Tuff Torq K-46Q Transaxle ........................................................................... 20
Lift Group .............................................................................................................................................................. 24
Controls Group ..................................................................................................................................................... 26
Cruise Control Group ........................................................................................................................................... 28
Electrical Group - 16HP & 17HP Briggs & Stratton, INTEK Single ..................................................................... 30
Electrical Group - 16HP Honda ........................................................................................................................... 34
Electrical Group - 18HP & 20HP Briggs & Stratton, INTEK Twin ........................................................................ 38
Hood, Grille & Dash Group .................................................................................................................................. 42
Seat Deck & Fuel Tank Group ............................................................................................................................. 44
Hopper Group - Fixed Screen .............................................................................................................................. 46
Hopper Group - Serviceable Screen ................................................................................................................... 50
Mulching Group .................................................................................................................................................... 54
Wheels & Tires Group .......................................................................................................................................... 56
Decals Group - Brand & Model ............................................................................................................................ 58
Decals Group - Safety & Common ...................................................................................................................... 60
40 inch Mower Deck - Belt, Idle Arm & Hitch ....................................................................................................... 62
40 inch Mower Deck - Height Adjustment & Roller Bar (Serial No. 1999 and Below) ........................................ 64
40 inch Mower Deck - Height Adjustment & Roller Bar (Serial No. 2000 and Above) ........................................ 68
40 inch Mower Deck - Housing, Arbors & Blade (Serial No. 1999 and Below) ................................................... 72
40 inch Mower Deck - Housing, Arbors & Blade (Serial No. 2000 and Above) .................................................. 74

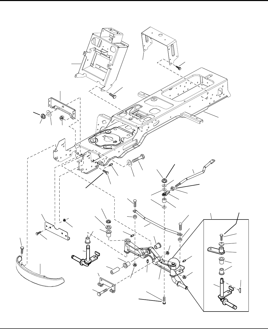
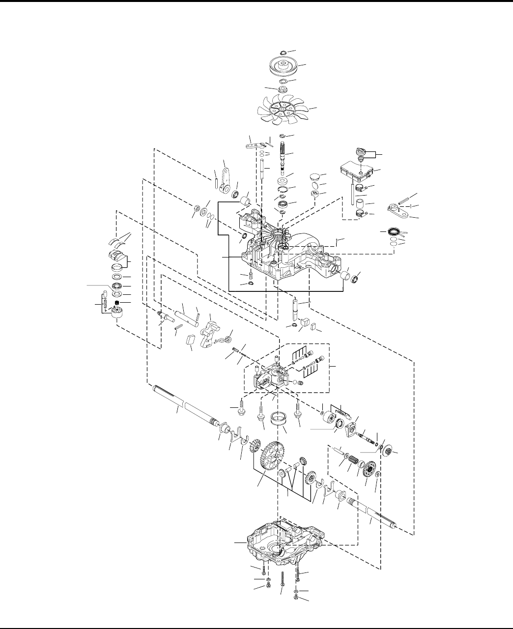
Frame & Front Axle Group
NOTE: Unless noted otherwise,
use the standard hardware torque
specification chart.
Torque to
150 ft. lbs.
(202 Nm)
Torque to
22-40 ft. lbs.
(30-54 Nm)
Torque to
13 ft. lbs.
Service Kit
1686985
Torque to
50-57 ft. lbs.
(48-56 Nm)
Torque to
22-40 ft. lbs.
(30-54 Nm)
Torque to
55-60 ft. lbs.
(74-81 Nm)
12
18
21
13
18
14
17
16
20
31
36
33
23
22
34
37
32
1
7
5
9
2
8
46
3
10
2
1515
19
20
42
1
1
1
35
22
22
22
43
41
24
33
24
26
27
28
30
29
25
11
40
38
39
985880
The above parts group applies to the following Mfg. Nos.:
2003 4
© Copyright Simplicity Manufacturing, Inc. All Rights Reserved.
1694329 - Baron
1694328 - Baron
1694315 - Baron
1694346 - 2416H
1694347 - 2418H
1694482 - Baron
1694485 - 2417H
1694481 - Baron
1694483 - 2420H
TP 400-3764-02-BR-SM

PART NO. DESCRIPTIONREF NO QTY.
Frame & Front Axle Group
Footnotes
1 1930645 7 NUT, Hex Flange Lock, 3/8-16
2 1960035 2 WASHER
3 960646 1 NUT, Hex Flange, 5/8-11
4 1722212 1 PLATE, Axle
5 1724081 1 TOWER & SUPPORT ASSEMBLY
6 1923683 4 CAPSCREW, Hex Head Taptite, 3/8-16 x 3/4
7 1723528 1 SUPPORT
8 1664847 4 CAPSCREW, Hex Head Taptite, 5/16-18 x 3/4
9 1726887 1 FRAME ASSEMBLY
10 960645 1 CAPSCREW, 5/8-11 x 3-1/2
11 1704314 2 FITTING, Grease for Wear Plate, 1/4-20, with Ball
12 1933260 4 CAPSCREW, Hex Head, Flange Lock, 3/8-16 x 3/4
13 1722541 1 LINK, Drag
14 1922755 1 WASHER
15 1960103 2 WASHER
16 1919262 1 NUT, Hex Jam, 1/2-20
17 1702779 1 JOINT, Ball
18 1708236 1 SPACER
19 1931350 2 CARRIAGE BOLT, 3/8-16 x 1
20 1611705 2 SPACER
21 1722626 1 ROD, Tie
22 1721682 6 BUSHING
23 1930650 2 NUT, Hex Flange Lock, 7/16-14
24 1704314 3 FITTING, Lube
25 1686985 1 SPINDLE REPLACEMENT KIT, LH (Includes Ref. Nos. 22, 26, 27, 28, 29 & 30)
26 923485 1 CAPSCREW, 3/8-16 x 7/8, GR8
27 1663151 1 WASHER, Spring, 3/8
28 1725112 1 HUB & ARM ASSEMBLY
29 930671 1 KEY, Woodruff
30 1724264 1 SPINDLE, LH
31 1722200 1 AXLE ASSEMBLY, w/ LH Spindle, Complete (Includes Ref. Nos. 22, 24, 41, 42 & 43)
32 1931352 1 CARRIAGE BOLT, 3/8-16 x 1-1/2
33 1927531 2 CAPSCREW, Hex Head, 7/16-14 x 2, GR8
34 1721918 1 HOOK, "J"
35 1721752 1 SPACER
36 1960086 4 SCREW, Torx Head, 5/16-18 x 7/8
37 1721805 1 BUMPER, Black, Steel, Standard
37 1723502 1 BUMPER, Chrome, Optional
38 1930591 2 CAPSCREW, Hex Whiz Lock, 5/16-18 x 3/4
39 1724801 1 PLATE, Axle Wear
40 1931277 2 NUT, Hex Falnge Whiz Lock, 5/16-18
41 1722199 1 SPINDLE, RH
42 1919394 1 WASHER
43 932577 1 RETAINING RING
The above parts group applies to the following Mfg. Nos.:
2003 5
© Copyright Simplicity Manufacturing, Inc. All Rights Reserved.
1694329 - Baron
1694328 - Baron
1694315 - Baron
1694346 - 2416H
1694347 - 2418H
1694482 - Baron
1694485 - 2417H
1694481 - Baron
1694483 - 2420H
TP 400-3764-02-BR-SM

Steering Group
NOTE: Unless noted otherwise,
use the standard hardware torque
specification chart.
Torque to
36-44 ft/lbs
(49-59 Nm.)
Bearing mounts
below frame.
Slide pinion into
gear before
tightening nuts.
Steering cap
snaps over
steering wheel.
Torque to
19.5 ft/lbs
(26 Nm.)
Torque to
11 ft/lbs
(15 Nm.)
11
17
15
19
12
18
14
16
13
1
5
9
2
8
4
6
3
10 7
5
7
7
20
22
21
986091
The above parts group applies to the following Mfg. Nos.:
2003 6
© Copyright Simplicity Manufacturing, Inc. All Rights Reserved.
1694329 - Baron
1694328 - Baron
1694315 - Baron
1694346 - 2416H
1694347 - 2418H
1694482 - Baron
1694485 - 2417H
1694481 - Baron
1694483 - 2420H
TP 400-3764-02-BR-SM

PART NO. DESCRIPTIONREF NO QTY.
Steering Group
Footnotes
1 1722318 1 STEERING WHEEL, Straight Shaft
2 1722319 1 CAP, Steering Wheel, Simplicity Logo
2 1725024 1 CAP, Steering Wheel, Plain
3 1960540 1 PIN, Spring
4 1722749 1 COVER, Black Rubber
5 176440 2 BUSHING
6 1721736 1 PLATE, Mounting Steering
7 1960114 5 WASHER
8 1933260 2 CAPSCREW, Hex Head Flange Lock, 3/8-16 x 3/4
9 1931211 2 NUT, Hex Whiz Lock, 3/8-16
10 1722459 1 BEARING, Flange
11 1722461 1 SPACER
12 1724470 1 GEAR & SHAFT ASSEMBLY
13 1960032 1 CAPSCREW, Hex Head, 3/8-16 x 1-1/4
14 1930645 1 NUT, Hex Flange Lock, 3/8-16
15 1664847 2 CAPSCREW, Hex Head Taptite, 5/16-18 x 3/4
16 1723604 1 SHAFT ASSEMBLY
17 1919314 1 PIN, Cotter
18 1931317 2 CARRIAGE BOLT, 1/4-20 x 3/4
19 928372 2 NUT, Hex,1/4-20
20 1611710 1 RING, Clipring Extension
21 1960114 2 WASHER
22 1933988 2 NUT, Push, 5/16
The above parts group applies to the following Mfg. Nos.:
2003 7
© Copyright Simplicity Manufacturing, Inc. All Rights Reserved.
1694329 - Baron
1694328 - Baron
1694315 - Baron
1694346 - 2416H
1694347 - 2418H
1694482 - Baron
1694485 - 2417H
1694481 - Baron
1694483 - 2420H
TP 400-3764-02-BR-SM

Engine Group - 16HP & 17HP Briggs & Stratton, INTEK Single
NOTE: Unless noted otherwise,
use the standard hardware torque
specification chart.
Engine Manufacturer
Gasket & Hardware,
Torque to 18 ft. lbs.
(24 Nm)
Tie clutch wire
to keep away
from pulley.
Torque to
45-50 ft/lbs
(61-68 Nm.)
Torque to
19-23 ft. lbs.
(26-31 Nm.)
Note:
Orientation
of All Keys
Do not
apply thread
sealant
Route cables under
bulkhead by fuel lines.
Install between Frame &
Ground cable on RH
rear engine capscrew.
16
19
18 17
15
21
20
26
28
22
27
24
23
4
9
14
6
8
10
7
12
13
25
29
2
1
3
30
31
11
5
25
32
33
30
34 35
986013
The above parts group applies to the following Mfg. Nos.:
2003 8
© Copyright Simplicity Manufacturing, Inc. All Rights Reserved.
1694329 - Baron
1694346 - 2416H
1694482 - Baron
1694485 - 2417H
TP 400-3764-02-BR-SM

PART NO. DESCRIPTIONREF NO QTY.
Engine Group - 16HP & 17HP Briggs & Stratton, INTEK Single
Footnotes
1 1723467 1 MUFFLER, Briggs & Statton 16HP
2 * 1 GASKET
3 1936228 2 CAPSCREW, 5/16-18 x 3/4
4 1723165 1 HOSE, Oil Drain
5 * 1 DECAL, Engine, 16HP
5 * 1 DECAL, Engine, 17HP
6 * 1 ENGINE, 16HP Briggs & Stratton INTEK, Model 31F777, Type 0111
6 * 1 ENGINE, 17HP Briggs & Stratton INTEK, Model 31F777, Type 0111
7 1722950 1 SEAL, Circle
8 1722388 1 BULKHEAD
9 1925003 2 CAPSCREW, Hex Head Taptite, 1/4-20 x 1/2
10 1721949 1 CONTROL, Throttle
11 1701011 1 TIE, Wire
12 1703956 1 SWITCH, Oil Pressure, 16HP
13 960112 2 CLAMP, Hose Type E
14 1718678 1 HOSE, Fuel, 58" Long
15 1708264 1 WASHER, Special
16 1918199 1 LOCKWASHER, 7/16
17 1960648 1 CAPSCREW, Hex Head, 7/16-20 x 2-3/4
18 1720532 1 CLUTCH, Electric, Ogura
19 1722288 1 PULLEY & HUB ASSEMBLY
20 1720463 1 KEY, Hi Pro, 1/4 x 2-1/4
21 932747 1 TIE
22 930598 4 CAPSCREW, Hex Head Taptite, 3/8-16 x 1-1/2
23 920427 1 LOCKWASHER, External Tooth 3/8
24 1722414 1 SHIELD, Muffler Bottom
25 1960368 5 NUT, Speed, 1/4-20
26 1935255 2 NUT, Speed, 5/16-18
27 1722389 1 DUCT, Muffler Top
28 1960295 6 CAPSCREW, Hex Head Flange Lock, 1/4-20 x 5/8
29 1929000 3 CAPSCREW, Hex Head Taptite, 1/4-20 x 3/8
30 1924856 2 CAPSCREW, Hex Head Taptite, 5/16-18 x 1/2
31 934683 1 CLIP, Wire
32 1723897 1 GUARD, Manifold Pipe
33 1917356 2 LOCKWASHER, 5/16
34 1726465 1 PLATE, Limiter RPM
35 1726466 1 SCREW, Torx Taptite, #8-32 x 1/2
* See your local Briggs & Stratton distributor for parts and service.
The above parts group applies to the following Mfg. Nos.:
2003 9
© Copyright Simplicity Manufacturing, Inc. All Rights Reserved.
1694329 - Baron
1694346 - 2416H
1694482 - Baron
1694485 - 2417H
TP 400-3764-02-BR-SM

Engine Group - 16HP Honda
NOTE: Unless noted otherwise,
use the standard hardware torque
specification chart.
Torque to 18 ft. lbs.
(25 Nm)
Tie clutch wire
to spring away
from pulley.
Torque to
45-50 ft. lbs.
(61-68 Nm)
Torque to
19-23 ft. lbs.
(26-31 Nm)
Note:
Orentation
of All Keys
Install between Frame &
Ground cable on RH
rear engine capscrew.
Position pulley
chamfer side up.
To like
colored wires
on engine.
To oil
pressure
switch.
To starter
solenoid.
To tractor
harness.
Torque to 18 ft. lbs.
(25 Nm)
22
19
20
23
21
29
18
26
36
16
28
24
17
3
8
12
5
7
10
4
11
13
25
27
36
31
35
32
30
25
1
34
1
2
6
9
14
15
16
33
34
35
2
986216
The above parts group applies to the following Mfg. Nos.:
2003 10
© Copyright Simplicity Manufacturing, Inc. All Rights Reserved.
1694315 - Baron
TP 400-3764-02-BR-SM

PART NO. DESCRIPTIONREF NO QTY.
Engine Group - 16HP Honda
Footnotes
1 934683 2 CLIP, Wire 1/8
2 960656 2 CAPSCREW, Hex Head, M06-1 x 12MM
3 1723526 1 SHIELD, Manifold, RH
4 1724197 1 SEAL, Foam
5 * 1 ENGINE, 16HP HONDA, Twin, Model GXV530, Type PX-A1
6 1960611 2 CAPSCREW, Hex Head, Whiz Flangelock, 1/4-20 x 1, Black
7 1722388 1 BULKHEAD
8 1925003 2 CAPSCREW, Hex Washer Head Taptite, 1/2-20 x 1/2, Black
9 1930641 2 NUT, Hex Flange Lock, 1/4-20
10 1721950 1 CONTROL, Throttle Double 39" Long w/Knobs
11 1701011 1 TIE, Wire, 7-5/16" Long
12 1718678 1 HOSE, Fuel, 59" Long
13 960112 2 CLAMP, Hose Type E
14 * 1 VOLTAGE REGULATOR
15 1723165 1 HOSE, Oil Drain, 10-1/2” Long, 3/8-18 Fittings
16 930598 4 CAPSCREW, Hex Washer Head Taptite, 3/8-16 x 1-1/2
17 920427 1 LOCKWASHER, External Tooth, 3/8
18 1720463 1 KEY, HI PRO, 1/4 x 2 1/2
19 1722288 1 PULLEY & HUB ASSEMBLY
20 1720532 1 CLUTCH, Electric, Ogura
21 1708264 1 WASHER, Hex, 7/16, Black
22 1918199 1 LOCKWASHER, 7/16
23 1960648 1 CAPSCREW, Hex Head, 7/16-20 x 3-3/4
24 1722414 1 SHIELD, Muffler Bottom
25 1960368 8 NUT, Speed, 1/4-20, Lug
26 1935255 2 NUT, Speed, 5/16-18, Lug, Black
27 1929000 8 CAPSCREW, Hex Washer Head Taptite, 1/4-20 x 3/8
28 1722389 1 DUCT, Muffler Top
29 932747 1 TIE, Self Locking, 3-5/8" Long
30 1924856 2 CAPSCREW, Hex Washer Head Taptite, 5/16-18 x 1/2 Black
31 1723973 1 DUCT, Muffler
32 1723970 1 MUFFLER, Honda
33 1723674 1 WIRE ASSEMBLY, Jumper (Earlier)
34 * 2 GASKET
35 1960525 4 NUT, Hex Flange, M06-1.0
36 1960295 8 CAPSCREW, Hex Head, 1/4-20 x 3/8
* See your local Honda Dealer for parts and service.
The above parts group applies to the following Mfg. Nos.:
2003 11
© Copyright Simplicity Manufacturing, Inc. All Rights Reserved.
1694315 - Baron
TP 400-3764-02-BR-SM

Engine Group - 18HP Briggs & Stratton, INTEK Twin
NOTE: Unless noted otherwise,
use the standard hardware torque
specification chart.
Engine Manufacturer
Gasket & Hardware,
Torque to 18 ft. lbs.
(25 Nm)
Tie clutch wire
to keep away
from pulley.
Torque to
45-50 ft. lbs.
(61 - 68 Nm)
Torque to
19-23 ft. lbs.
(26 - 31 Nm)
Note:
Orientation
of All Keys
Install between Frame &
Ground cable on RH
rear engine capscrew.
Tie cables to Left
Hand side fo shield.
18
21
20
15
19
17
16
23
22
29
30
24
28
26 25
4
9
14
6
8
10
7
13
27
16
30
32
2
1
3
15
31
12
11
5
27
986012
The above parts group applies to the following Mfg. Nos.:
2003 12
© Copyright Simplicity Manufacturing, Inc. All Rights Reserved.
1694328 - Baron
1694347 - 2418H
TP 400-3764-02-BR-SM

PART NO. DESCRIPTIONREF NO QTY.
Engine Group - 18HP Briggs & Stratton, INTEK Twin
Footnotes
1 1721706 1 MUFFLER
2 * 2 GASKET
3 960660 4 CAPSCREW, Socket Head, 5/16-18 x 7/8, G8
4 1726370 1 HOSE, Oil Drain, 6.5 inches
5 * 1 DECAL, 18HP
6 * 1 ENGINE, 18 HP Briggs & Stratton INTEK Twin, Model 406777, Type 0162E1
7 1719847 1 SEAL, Circle
8 1722388 1 BULKHEAD
9 1925003 2 CAPSCREW, Hex Head Taptite, 1/4-20 x 1/2
10 1721950 1 CONTROL, Throttle Double 39" Long w/Knobs
11 1701011 1 TIE
12 934683 2 CLIP, Wire
13 960112 2 CLAMP, Hose Type E
14 1718678 1 HOSE, 58" Long
15 1722392 2 SHIELD
16 1929000 8 SCREW, Hex Head Taptite, 1/4-20 x 3/8
17 1708264 1 WASHER, Hex
18 1918199 1 LOCKWASHER, 7/16
19 1960648 1 CAPSCREW, Hex Head, 7/16-20 x 2-3/4
20 1720532 1 CLUTCH, Electric, OGURA
21 1722288 1 PULLEY & HUB ASSEMBLY, 4-1/2 OD
22 1720463 1 KEY
23 932747 1 TIE
24 930598 4 CAPSCREW, Hex Head Taptite, 3/8-16 x 1-1/2
25 920427 1 LOCKWASHER, External Tooth, 3/8
26 1722414 1 SHIELD, Muffler Bottom
27 1960368 8 NUT, Speed,1/4-20
28 1722389 1 DUCT, Muffler Top
29 1935255 2 NUT, Speed, 5/16-18
30 1960295 8 CAPSCREW, Hex Head Flange Lock1/4-20 x 5/8
31 1924856 2 CAPSCREW, Hex Head Taptite, 5/16-18 x 1/2
32 1722390 1 DUCT, Muffler Extension
* See your local Briggs & Stratton distributor for parts and service.
The above parts group applies to the following Mfg. Nos.:
2003 13
© Copyright Simplicity Manufacturing, Inc. All Rights Reserved.
1694328 - Baron
1694347 - 2418H
TP 400-3764-02-BR-SM

Engine Group - 20HP Briggs & Stratton, INTEK Twin
NOTE: Unless noted otherwise,
use the standard hardware torque
specification chart.
Engine Manufacturer
Gasket & Hardware,
Torque to 18 ft. lbs.
(25 Nm)
Tie clutch wire
to keep away
from pulley.
Torque to
45-50 ft. lbs.
(61 - 68 Nm)
Torque to
19-23 ft. lbs.
(26 - 31 Nm)
Note:
Orientation
of All Keys
Install between Frame &
Ground cable on RH
rear engine capscrew.
Tie cables to Left
Hand side fo shield.
20
23
22
17
21
19
18
25
24
31
32
26
30
28 27
5
10
15
7
9
11
8
14
29
18
32
34
2
1
4
17
33
16
12
6
29
35
36
3
13
986067
The above parts group applies to the following Mfg. Nos.:
2003 14
© Copyright Simplicity Manufacturing, Inc. All Rights Reserved.
1694481 - Baron
1694483 - 2420H
TP 400-3764-02-BR-SM

PART NO. DESCRIPTIONREF NO QTY.
Engine Group - 20HP Briggs & Stratton, INTEK Twin
Footnotes
1 1721706 1 MUFFLER
2 * 2 GASKET
3 1917356 4 LOCKWASHER, 5/16
4 960660 4 CAPSCREW, Socket Head, 5/16-18 x 7/8, G8
5 1723165 1 HOSE, Oil Drain
6 * 1 DECAL, 20HP
7 * 1 ENGINE, 20 HP Briggs & Stratton INTEK Twin, Model 406777, Type 0162E1
8 1719847 1 SEAL, Circle
9 1722388 1 BULKHEAD
10 1925003 2 CAPSCREW, Hex Head Taptite, 1/4-20 x 1/2
11 1721950 1 CONTROL, Throttle Double 39" Long w/Knobs
12 1701011 1 TIE
13 1723894 1 EDGING, Rubber
14 960112 2 CLAMP, Hose Type E
15 1718678 1 HOSE, 58" Long
16 934683 2 CLIP, Wire
17 1722392 2 SHIELD
18 1929000 8 SCREW, Hex Head Taptite, 1/4-20 x 3/8
19 1708264 1 WASHER, Hex
20 1918199 1 LOCKWASHER, 7/16
21 1960648 1 CAPSCREW, Hex Head, 7/16-20 x 2-3/4
22 1720532 1 CLUTCH, Electric, OGURA
23 1722288 1 PULLEY & HUB ASSEMBLY, 4-1/2 OD
24 1720463 1 KEY
25 932747 1 TIE
26 930598 4 CAPSCREW, Hex Head Taptite, 3/8-16 x 1-1/2
27 920427 1 LOCKWASHER, External Tooth, 3/8
28 1722414 1 SHIELD, Muffler Bottom
29 1960368 8 NUT, Speed,1/4-20
30 1722389 1 DUCT, Muffler Top
31 1935255 2 NUT, Speed, 5/16-18
32 1960295 8 CAPSCREW, Hex Head Flange Lock1/4-20 x 5/8
33 1924856 2 CAPSCREW, Hex Head Taptite, 5/16-18 x 1/2
34 1722390 1 DUCT, Muffler Extension
35 1678419 1 SCREW, Trox Head Taptite, 1/4-20 x 1/2
36 1726464 1 PLATE, Limiter RPM
* See your local Briggs & Stratton distributor for parts and service.
The above parts group applies to the following Mfg. Nos.:
2003 15
© Copyright Simplicity Manufacturing, Inc. All Rights Reserved.
1694481 - Baron
1694483 - 2420H
TP 400-3764-02-BR-SM

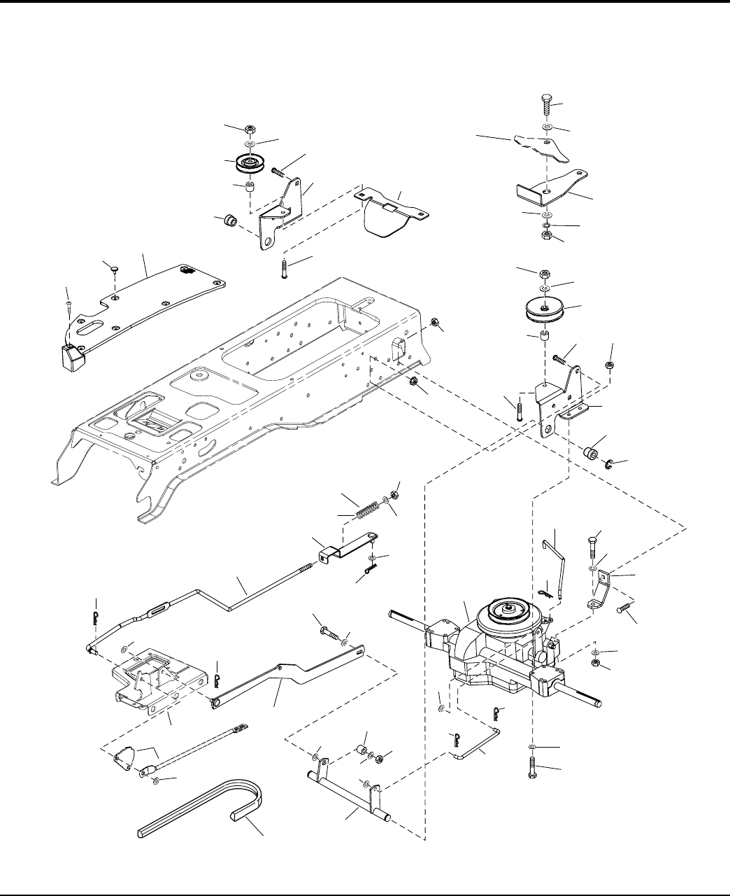
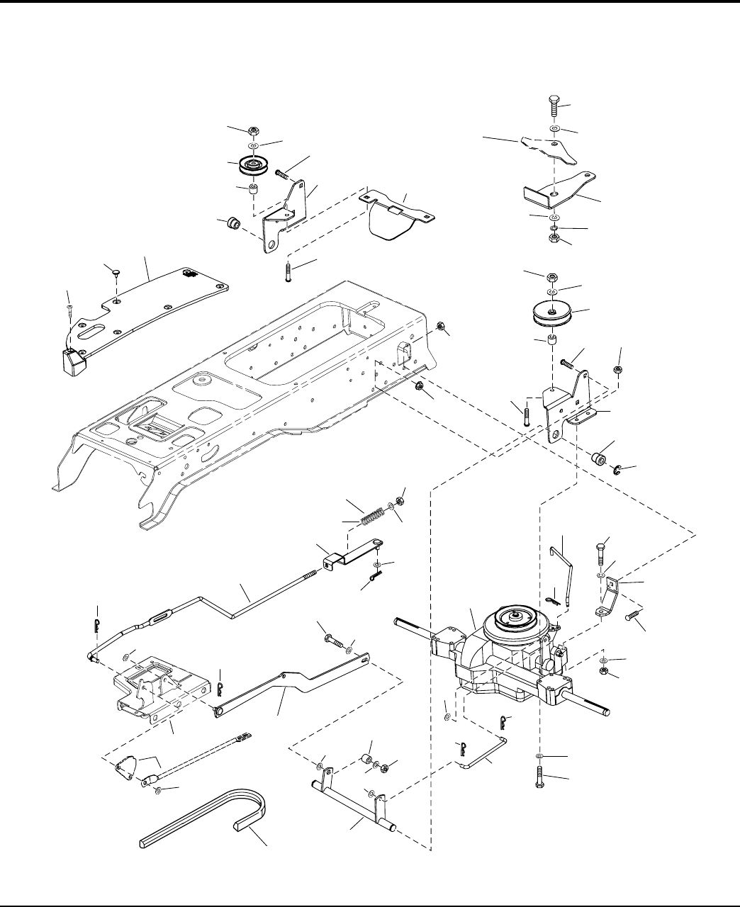
Transmission Group - Tuff Torq K-46Q
NOTE: Unless noted otherwise,
use the standard hardware torque
specification chart.
Rear frame
hitch
See Control
Group
Spring to be compressed
to 2.50" - 2.62" (6.4cm -
6.7 cm)when
brake is locked.
11
17
15
19
12
18
14
16
13
20 21
27
25
29
22
28
24
26
23
30
37
35
39
32
38
34
36
33
40
41
46
45
42
31
44
9
43
6
8
1
7
3, 4
5
2
9
32
15
9
10
7
26
26
26
26
27
21
32
32
10
10
21
32
6
13
10
986231
The above parts group applies to the following Mfg. Nos.:
2003 16
© Copyright Simplicity Manufacturing, Inc. All Rights Reserved.
1694329 - Baron
1694328 - Baron
1694315 - Baron
1694346 - 2416H
1694347 - 2418H
1694482 - Baron
1694485 - 2417H
1694481 - Baron
1694483 - 2420H
TP 400-3764-02-BR-SM

PART NO. DESCRIPTIONREF NO QTY.
Transmission Group - Tuff Torq K-46Q
Footnotes
1 1960676 2 SCREW, Pan Head Trox Taptite, 1/4-20 x 1-1/4
2 1704351 15 FASTENER, Panel
3 1722173 1 PAD, Footrest, RH
4 1722174 1 PAD, Footrest, LH
5 176440 2 BUSHING
6 1667812 2 SPACER
7 174561 1 PULLEY, 3" OD
8 1919439 3 NUT, Hex Lock ESNA, 3/8-16
9 1924940 3 WASHER
10 1960268 2 CARRIAGE BOLT, 3/8-16 x 1-1/4
11 1723035 1 SUPPORT, Transmission, RH
12 1723037 1 BRACKET, Chute
13 1931355 2 CARRIAGE BOLT, 3/8-16 x 2-1/4
14 1921176 1 CAPSCREW, Hex Head, 1/2-13 x 1-1/4
15 1960170 2 WASHER
16 1724578 1 DRAWBAR
17 1916966 1 LOCKWASHER, 1/2
18 1916951 1 NUT, Hex 1/2-13
19 1723952 1 PULLEY, 4" OD, Idler
20 1931350 2 CARRIAGE BOLT, 3/8-16 x 1
21 1919438 6 NUT, Hex Lock ESNA, 5/16-18
22 1723036 1 SUPPORT, Transmisson, LH
23 927794 2 RING, “E”
24 1723234 1 ROD, Free Wheel
25 1921978 1 CAPSCREW, Hex Head, 5/16-18 x 2
26 1722460 5 PIN, Quick
27 1960141 2 WASHER
28 1723042 1 STRAP, Torque
29 1931333 1 CARRIAGE BOLT, 5/16-18 x 3/4
30 1721022 1 TRANSMISSION ASSEMBLY, K46Q
31 1960636 1 NUT, Hex KEPS, 5/16-18
32 1919326 9 WASHER
33 1921719 4 CAPSCREW, Hex Head, 5/16-18 x 2-1/2
34 1723045 1 ROD
35 1723038 1 SHAFT ASSEMBLY
36 1666697 1 SPACER
37 1723268 1 V-BELT, Drive
38 1723043 1 ARM & PIN ASSEMBLY
39 1921333 1 CAPSCREW, Hex Head, 5/16-18 x 1
40 1723090 1 ROD, Brake
41 1918447 1 PIN, Cotter
42 1922755 1 WASHER
43 1723267 1 BRACKET & PIN ASSEMBLY
44 8191045 1 SPRING, Compression
The above parts group applies to the following Mfg. Nos.:
2003 17
© Copyright Simplicity Manufacturing, Inc. All Rights Reserved.
1694329 - Baron
1694328 - Baron
1694315 - Baron
1694346 - 2416H
1694347 - 2418H
1694482 - Baron
1694485 - 2417H
1694481 - Baron
1694483 - 2420H
TP 400-3764-02-BR-SM

Transmission Group - Tuff Torq K-46Q
NOTE: Unless noted otherwise,
use the standard hardware torque
specification chart.
Rear frame
hitch
See Control
Group
Spring to be compressed
to 2.50" - 2.62" (6.4cm -
6.7 cm)when
brake is locked.
11
17
15
19
12
18
14
16
13
20 21
27
25
29
22
28
24
26
23
30
37
35
39
32
38
34
36
33
40
41
46
45
42
31
44
9
43
6
8
1
7
3, 4
5
2
9
32
15
9
10
7
26
26
26
26
27
21
32
32
10
10
21
32
6
13
10
986231
The above parts group applies to the following Mfg. Nos.:
2003 18
© Copyright Simplicity Manufacturing, Inc. All Rights Reserved.
1694329 - Baron
1694328 - Baron
1694315 - Baron
1694346 - 2416H
1694347 - 2418H
1694482 - Baron
1694485 - 2417H
1694481 - Baron
1694483 - 2420H
TP 400-3764-02-BR-SM

PART NO. DESCRIPTIONREF NO QTY.
Transmission Group - Tuff Torq K-46Q
Footnotes
45 1960103 1 WASHER
46 1960637 4 NUT, Hex KEPS, 3/8-16
The above parts group applies to the following Mfg. Nos.:
2003 19
© Copyright Simplicity Manufacturing, Inc. All Rights Reserved.
1694329 - Baron
1694328 - Baron
1694315 - Baron
1694346 - 2416H
1694347 - 2418H
1694482 - Baron
1694485 - 2417H
1694481 - Baron
1694483 - 2420H
TP 400-3764-02-BR-SM

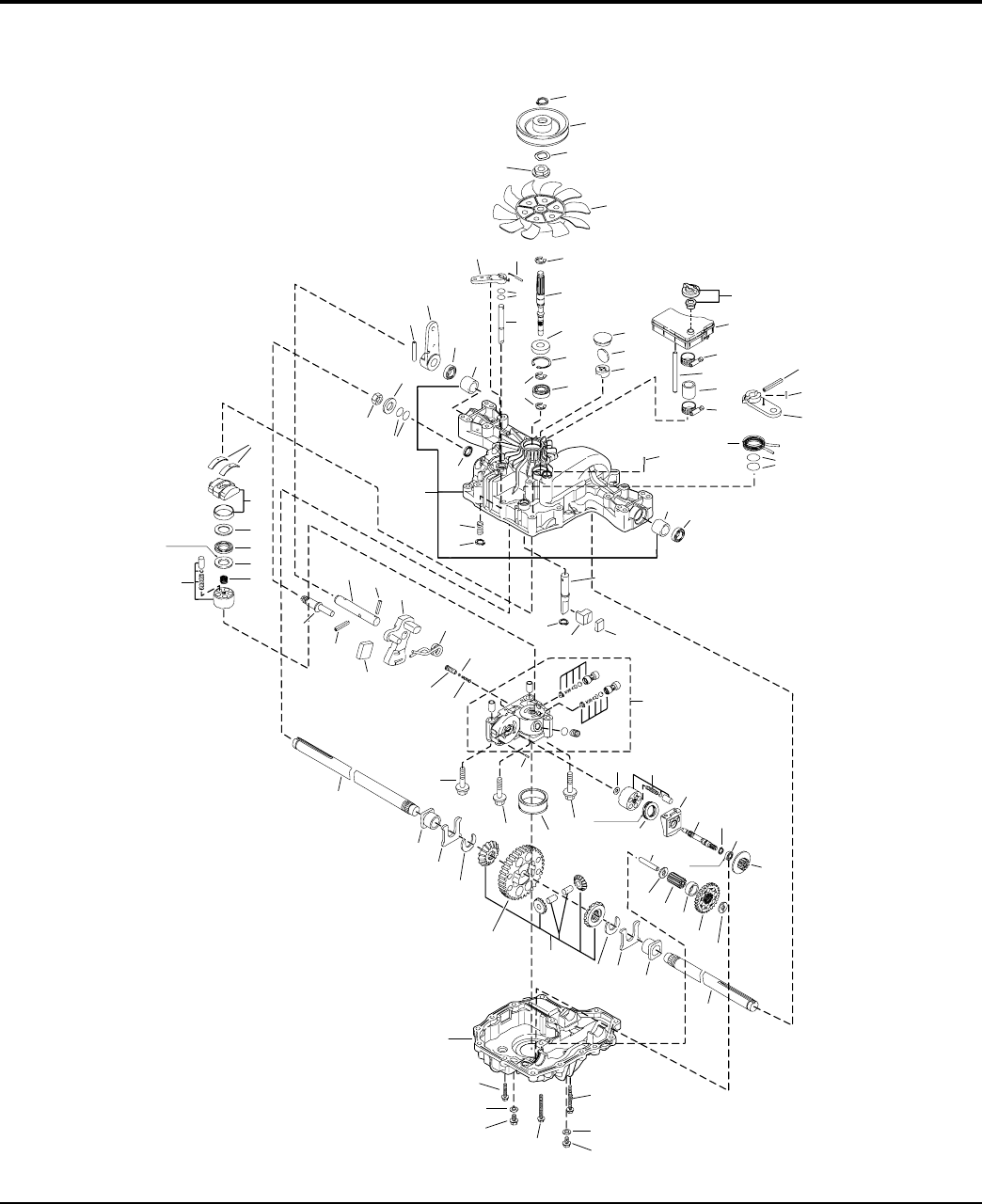
Transmission SERVICE PARTS - Tuff Torq K-46Q Transaxle
NOTE: Unless noted otherwise,
use the standard hardware torque
specification chart.
SEAL SIDE; OUTER
PLATE OF SMALLER INNER DIA.
SHOULD CONTACT PISTONS.
THICKER PLATE
11
17
15
19
12
18
14
16
13
20
21
27
25
29
22
28
24
26
30
31
37
35 39
32
38
34
36
33
40
41
47
45
49
42
48
44
46
43
50
52
57
56
59
53
58
55
56
54
60
61
67
65
70
62
68 64
66
63
69
71
77
75
79
72
78
74
76
73
80
1
7
5
2
8
4
6
3
10
9
66
16
20 23
23
1
31
31
41
47
49
48
55
54
51
81
87
85
82
84
86 83
74 79
83
25
24
1721022
The above parts group applies to the following Mfg. Nos.:
2003 20
© Copyright Simplicity Manufacturing, Inc. All Rights Reserved.
1694329 - Baron
1694328 - Baron
1694315 - Baron
1694346 - 2416H
1694347 - 2418H
1694482 - Baron
1694485 - 2417H
1694481 - Baron
1694483 - 2420H
TP 400-3764-02-BR-SM

PART NO. DESCRIPTIONREF NO QTY.
Transmission SERVICE PARTS - Tuff Torq K-46Q Transaxle
Footnotes
1 1724316 2 SNAP RING
2 1724313 1 PULLEY
3 1724315 1 LOCK WASHER
4 1724314 1 FAN
5 1724312 2 SPLINE COLLAR
6 1718076 3 RING, "E"
7 1724291 1 PUMP SHAFT
8 1724283 1 SEAL
9 1708650 1 RING, Snap
10 1718083 1 BEARING
11 1724282 1 SEALING CAP
12 1724279 2 MAGNET
13 1724337 1 HOLDER, MAGNET
14 1718052 1 VENT VALVE
15 1724334 1 RESERVOIR TANK
16 1724336 2 MINIATURE CLAMP
17 1724339 1 SUPPORT
18 1724335 1 TUBE
19 1724310 1 PIN
20 1720421 2 PIN
21 1724306 1 ARM, Brake
22 1724308 1 RETURN SPRING
23 1708690 2 "O" RING
24 1720814 2 BUSHING
25 1718111 2 SEAL
26 1724307 1 SHAFT, BRAKE
27 1724309 1 ACTUATOR, Brake
28 1724305 1 SHOE, BRAKE
29 1724340 1 CENTER CASE, Complete
30 1718070 1 PIN
31 1720805 3 BOLT
32 1724341 1 FILTER K55
33 1718084 1 WASHER
34 1718079 1 CYLINDER BLOCK
35 1718078 1 BEARING
36 1718077 1 HOUSING
37 1724293 1 SHAFT MOTOR
38 1708672 1 RING, Snap
39 1718083 1 BEARING
40 1724294 1 MOTOR GEAR
41 1720439 2 WASHER
42 1724301 1 REDUCTION GEAR
43 1724299 1 COLLAR, Final
44 1724302 1 FINAL PINION
The above parts group applies to the following Mfg. Nos.:
2003 21
© Copyright Simplicity Manufacturing, Inc. All Rights Reserved.
1694329 - Baron
1694328 - Baron
1694315 - Baron
1694346 - 2416H
1694347 - 2418H
1694482 - Baron
1694485 - 2417H
1694481 - Baron
1694483 - 2420H
TP 400-3764-02-BR-SM

Transmission SERVICE PARTS - Tuff Torq K-46Q Transaxle
NOTE: Unless noted otherwise,
use the standard hardware torque
specification chart.
SEAL SIDE; OUTER
PLATE OF SMALLER INNER DIA.
SHOULD CONTACT PISTONS.
THICKER PLATE
11
17
15
19
12
18
14
16
13
20
21
27
25
29
22
28
24
26
30
31
37
35 39
32
38
34
36
33
40
41
47
45
49
42
48
44
46
43
50
52
57
56
59
53
58
55
56
54
60
61
67
65
70
62
68 64
66
63
69
71
77
75
79
72
78
74
76
73
80
1
7
5
2
8
4
6
3
10
9
66
16
20 23
23
1
31
31
41
47
49
48
55
54
51
81
87
85
82
84
86 83
74 79
83
25
24
1721022
The above parts group applies to the following Mfg. Nos.:
2003 22
© Copyright Simplicity Manufacturing, Inc. All Rights Reserved.
1694329 - Baron
1694328 - Baron
1694315 - Baron
1694346 - 2416H
1694347 - 2418H
1694482 - Baron
1694485 - 2417H
1694481 - Baron
1694483 - 2420H
TP 400-3764-02-BR-SM

PART NO. DESCRIPTIONREF NO QTY.
Transmission SERVICE PARTS - Tuff Torq K-46Q Transaxle
Footnotes
45 1724300 1 REDUCTION SHAFT
46 1724303 1 AXLE SHAFT, LH
47 1718110 2 BUSHING
48 1718112 2 THRUST WASHER
49 1718113 2 RING
50 1724297 2 DIFF PINION, Kit
51 1724298 1 FINAL GEAR
52 1724304 1 AXLE SHAFT, RH
53 1707789 14 SCREW, Tapping
54 1724323 2 WASHER, Seal
55 1724324 2 SCREW, Cap
56 1724284 2 TAPPING SCREW
57 1724278 1 LOWER HOUSING
58 1724287 2 IDS SPRING
59 1724288 2 BALL, 3/16
60 1724286 2 IDS VALVE
61 1724345 1 SPRING, Torsion
62 1724346 1 CONTROL ARM
63 1724348 1 JERKY PLATE
64 1724349 1 COTTER PIN
65 1724311 2 PIN, SPRING
66 1724343 1 CONTROL SHAFT
67 1724344 1 FULCRUM, Eccentric
68 1725831 1 CYLINDER BLOCK
69 1724290 1 SPRING, Pump
70 1718088 1 THRUST PLATE
71 1718086 1 BEARING
72 1718087 1 THRUST PLATE
73 1720426 1 SWASH PLATE COMPLETE
74 1724342 2 THRUST METAL
75 1718061 1 RING
76 1708684 1 SPRING
77 1724350 1 UPPER HOUSING
78 1724318 1 OIL SEAL
79 1707879 2 "O" RING
80 1708689 1 WASHER
81 1708692 1 NUT
82 1724338 1 SHAFT, Bypass
83 1708691 2 "O" RING
84 1707839 1 ROLL PIN
85 1720418 1 LEVER, Bypass
86 1724347 1 CONTROL LEVER
87 1718100 1 PIN, Roll
The above parts group applies to the following Mfg. Nos.:
2003 23
© Copyright Simplicity Manufacturing, Inc. All Rights Reserved.
1694329 - Baron
1694328 - Baron
1694315 - Baron
1694346 - 2416H
1694347 - 2418H
1694482 - Baron
1694485 - 2417H
1694481 - Baron
1694483 - 2420H
TP 400-3764-02-BR-SM

Lift Group
NOTE: Unless noted otherwise,
use the standard hardware torque
specification chart.
Install into left hand
side of lower dash.
Install in lower hole
of shaft assembly.
Install nut to top capscrew
of transmission mounting
support. Leave room for
spring installation.
Note: Models
with out Cruise
4
20
5
36
1
10
9
2
8
11
14
15
12
18
17
16
5
4
13
57
3
19
986289
The above parts group applies to the following Mfg. Nos.:
2003 24
© Copyright Simplicity Manufacturing, Inc. All Rights Reserved.
1694329 - Baron
1694328 - Baron
1694315 - Baron
1694346 - 2416H
1694347 - 2418H
1694482 - Baron
1694485 - 2417H
1694481 - Baron
1694483 - 2420H
TP 400-3764-02-BR-SM

PART NO. DESCRIPTIONREF NO QTY.
Lift Group
Footnotes
1 1722302 1 GRIP, Black Vinyl
2 1722024 1 ROD, Lift Lever
3 1930645 2 NUT, Hex Flange Lock, 3/8-16
4 1924940 2 WASHER
5 1722460 2 PIN, Quick
6 162085 1 SPRING, Compression
7 1723866 1 NUT, Push, 3/8
8 1923341 2 CAPSCREW, Hex Head, 1/4-20 x 3/4
9 1722313 1 COVER, W/Lift Icon, Models with out Cruise
10 1722284 1 QUADRANT
11 1920397 2 NUT, Hex Lock ESNA, 1/4-20
12 1923701 1 CAPSCREW, Hex Head, 3/8-16 x 2
13 1960636 4 NUT, KEPS Lock, 5/16-18
14 1722607 1 SCREW, Torx Head, # 8-16 x 1/2
15 1722285 1 COVER, Dash
16 1726404 1 LIFT SHAFT ASSEMBLY
17 1931333 1 CARRIAGE BOLT, 5/16-18 x 3/4
18 1725037 1 ROD, Lift
19 156302 1 SPRING, Extension
20 1921977 1 CAPSCREW, Hex Head, 5/16-18 x 1-1/4
The above parts group applies to the following Mfg. Nos.:
2003 25
© Copyright Simplicity Manufacturing, Inc. All Rights Reserved.
1694329 - Baron
1694328 - Baron
1694315 - Baron
1694346 - 2416H
1694347 - 2418H
1694482 - Baron
1694485 - 2417H
1694481 - Baron
1694483 - 2420H
TP 400-3764-02-BR-SM

Controls Group
NOTE: Unless noted otherwise,
use the standard hardware torque
specification chart.
11
15
19
12
18
14
13
20
21
27
25
29 22
28
24
26
23
30
31
37
35
39
32
38
34
36
33
40
1
7
9
2
8
6
3
10
16
17
9
11
16
14
7
6
28
26
32
5
4
1
986014
The above parts group applies to the following Mfg. Nos.:
2003 26
© Copyright Simplicity Manufacturing, Inc. All Rights Reserved.
1694329 - Baron
1694328 - Baron
1694315 - Baron
1694346 - 2416H
1694347 - 2418H
1694482 - Baron
1694485 - 2417H
1694481 - Baron
1694483 - 2420H
TP 400-3764-02-BR-SM

PART NO. DESCRIPTIONREF NO QTY.
Controls Group
Footnotes
1 1721353 1 ROD, Brake
2 1721891 1 KNOB, Push On, Red
3 1930591 1 CAPSCREW, Hex Head Flange Lock, 5/16-18 x 3/4
4 1722084 1 PEDAL ASSEMBLY
5 1722071 1 PEDAL, Reverse
6 1723094 1 ROD, Brake (Flat Ends)
7 1919326 2 WASHER
8 1723242 1 SPACER, (Earlier Only)
9 1663114 2 BUSHING
10 1704314 1 FITTING, Lube, Ball Check
11 1931353 2 CARRIAGE BOLT, 3/8-16 x 1-3/4
12 1725250 1 SPRING, Extension
13 1724036 1 ARM & HUB ASSEMBLY, (Earlier, Requires Ref. No.8 )
13 1726882 1 ARM & HUB ASSEMBLY, (Later, Does use Ref. No. 8)
14 1722460 2 PIN, Quick
15 1721134 1 PULLEY ASSEMBLY, 3" OD, W/Bearing
16 1924940 3 WASHER
17 1919439 2 NUT, Hex Lock ESNA, 3/8-16
18 1721133 1 PULLEY,Idler, 2-3/4 OD
19 1960020 1 WASHER
20 1704420 1 RING, Clipring
21 1918447 1 PIN, Cotter
22 1721354 1 LATCH, Brake
23 1721995 1 SPRING, Extension
24 1686612 1 CAM, Roller
25 1920397 1 NUT, Hex Lock ESNA, 1/4-20
26 1960636 4 NUT, Hex KEPS, 5/16-18
27 1931320 1 CARRIAGE BOLT, 1/4-20 x 1-1/4
28 1960541 3 CAPSCREW, Hex Head Taptite, 5/16-18 x 3/4
29 1919381 1 WASHER
30 1919438 1 NUT, Hex Lock ESNA, 5/16-18
31 1927557 2 NUT, Hex Flange Lock, 5/16-18
32 1931334 4 CARRIAGE BOLT, 5/16-18 x 7/8
33 1722535 1 PEDAL, Brake
34 1721577 1 PAD, Brake Pedal
35 1923683 1 CAPSCREW, Hex Head Taptite, 3/8-16 x 3/4
36 1722083 1 ACTUATOR, Switch
37 1921333 2 CAPSCREW, Hex Head, 5/16-18 x 1
38 1722070 1 PEDAL, Forward
39 1721675 1 PAD, Foot Pedal Forward
40 1721674 1 PAD, Foot Pedal Reverse
The above parts group applies to the following Mfg. Nos.:
2003 27
© Copyright Simplicity Manufacturing, Inc. All Rights Reserved.
1694329 - Baron
1694328 - Baron
1694315 - Baron
1694346 - 2416H
1694347 - 2418H
1694482 - Baron
1694485 - 2417H
1694481 - Baron
1694483 - 2420H
TP 400-3764-02-BR-SM

Cruise Control Group
NOTE: Unless noted otherwise,
use the standard hardware torque
specification chart.
See Transmission
Group
See Transmission
Group
See Controls
Group
Lubricate both
sides of slot
with grease.
Round corner
of washer to
inside.
Round corner
of washer to
inside.
10
14
5
16
11
15
12
17
18
19 20 6
4
8
1
7
3
5
2
9
13 11
7
18
22 2121
986045
The above parts group applies to the following Mfg. Nos.:
2003 28
© Copyright Simplicity Manufacturing, Inc. All Rights Reserved.
1694328 - Baron
1694315 - Baron
1694347 - 2418H
1694481 - Baron
1694483 - 2420H
TP 400-3764-02-BR-SM

PART NO. DESCRIPTIONREF NO QTY.
Cruise Control Group
Footnotes
1 1960666 1 CAPSCREW, Torx Socket Head, 1/4-20 x 7/8
2 1722303 1 KNOB, Cruise
3 1920397 1 NUT, Hex ESNA Lock, 1/4-20
4 1723258 1 LEVER & BRACKET ASSEMBLY, Cruise
5 1924940 3 WASHER
6 1931333 1 CARRIAGE BOLT, 5/16-18 x 3/4
7 926192 2 WASHER, 9/16 x 1-1/4 x 1/8
8 1709043 1 SPACER
9 1931342 1 CARRIAGE BOLT, 5/16-18 x 2-3/4
10 1960273 1 CARRIAGE BOLT, 5/16-18 x 2-1/4
11 1918447 2 PIN, Cotter
12 1723098 1 ROD, Cruise
13 1960636 2 NUT, Hex KEPS, 5/16-18
14 1960001 2 CAPSCREW, Hex Head Plastite, 10-14 x 5/8
15 1717050 1 SWITCH, Push, Neutral Start, Gray
16 1722080 1 SPACER
17 1919326 1 WASHER
18 1919381 2 WASHER
19 1919438 1 NUT, Hex ESNA Lock, 5/16-18
20 1677746 1 SPRING, Compression
21 1722460 2 PIN, Quick
22 1723099 1 ROD, Cruise Return
The above parts group applies to the following Mfg. Nos.:
2003 29
© Copyright Simplicity Manufacturing, Inc. All Rights Reserved.
1694328 - Baron
1694315 - Baron
1694347 - 2418H
1694481 - Baron
1694483 - 2420H
TP 400-3764-02-BR-SM

Electrical Group - 16HP & 17HP Briggs & Stratton, INTEK Single
NOTE: Unless noted otherwise,
use the standard hardware torque
specification chart.
Cruise
Switch
See Controls Group for
Mounting Hardware
To Engine
Starter
Headlight
Switch
DASH MOUNTED
HOOD MOUNTED
UNDER HOOD
UNDER COLLECTOR
UNDER
FRAME
Pedal
Switch
To Electric
Clutch
To Engine
UNDER SEAT DECK
Seat
Switch
(NC)
To Engine
Ground
Under RH Foot Rest
See Hood, Grill & Dash
Group
11
16
15
18
12
17
14
10
13
19
25
27
21
29
24
26
22
28
31
32 35
37
46
36
34
33
45
38
39
43
41
42
1
7
5
20
2
4
6
3
9
25
40
44
24
30
8
19
23
33
32
986229
The above parts group applies to the following Mfg. Nos.:
2003 30
© Copyright Simplicity Manufacturing, Inc. All Rights Reserved.
1694329 - Baron
1694346 - 2416H
1694482 - Baron
1694485 - 2417H
TP 400-3764-02-BR-SM

PART NO. DESCRIPTIONREF NO QTY.
Electrical Group - 16HP & 17HP Briggs & Stratton, INTEK Single
Footnotes
1 1721810 1 HEADLIGHT ASSEMBLY
2 1722669 1 HARNESS, Headlight Assembly
3 1722887 1 SWITCH, PTO, Push/Pull
4 1722611 1 PLUG, Hole
5 1921959 2 CAPSCREW, Hex Head, 1/4 x 5/8
6 1665238 1 BREAKER, Circuit 12Volt, 20Amps
7 1665237 1 WIRE, 12GA, 5.9" Long, Red
8 1723648 1 PLUG, Dash, Early Models
8 1725698 1 PLUG, Dash, Later Models
9 1722739 1 SOLENOID
10 1686734 1 SWITCH ASMY, Ignition, 6 Pin, (Includes Ref. Nos. 11, 12, 13, 14, & 15)
11 1717163 2 KEY, Ignition
12 1717550 1 COVER
13 1717549 1 NUT, Hex Flange, 5/8-32
14 1960547 1 LOCKWASHER, Internal Tooth, 5/8
15 101025 2 WASHER
16 1722715 1 HARNESS, Wiring Upper, Early Models
16 1725682 1 HARNESS, Wiring Upper, Later Models
17 1716951 1 SWITCH, Headlights , 2 Terminal
18 1920263 2 NUT, Hex, 5/16-24
19 920426 3 LOCKWASHER, External Tooth, 5/16
20 1720117 1 BUZZER, Pulse, Bag Full
21 1713535 1 BOOT, Insulator
22 1721830 1 CABLE, # 6, 25" Long, Red
23 1723954 1 HARNESS, Rear
24 1704379 2 SWITCH, Push Button, Black
25 1723613 2 "O"- RING
26 1723612 1 PAD, Acuator
27 1925003 4 CAPSCREW, Hex Head Taptite, 1/4-20 x 1/2
28 1724548 1 BRACKET, Switch
29 1960252 2 CARRIAGE BOLT1/4-20 x 5/8
30 1725981 1 ROD & WASHER ASSEMBLY, Hopper
31 1720118 1 BRACKET, Hopper Switch
32 916964 2 LOCKWASHER
33 916622 2 NUT, Hex, 1/4-20
34 1603618 1 CABLE, # 6, 9" Long
35 1677296 1 BOOT, Insulator Battery Terminal
36 921319 2 WASHER
37 923341 2 CAPSCREW, Hex Head, 1/4-20 x 3/4
38 1713163 1 CABLE, # 6, 26" Long
39 1722009 1 STRAP, Battery
40 1685215 1 BATTERY, 12Volt
41 1960536 2 SCREW, Hex Washer Head Plastite, 1/4-20
42 1716368 1 SWITCH, Operator Present, NC, Grey
The above parts group applies to the following Mfg. Nos.:
2003 31
© Copyright Simplicity Manufacturing, Inc. All Rights Reserved.
1694329 - Baron
1694346 - 2416H
1694482 - Baron
1694485 - 2417H
TP 400-3764-02-BR-SM

Electrical Group - 16HP & 17HP Briggs & Stratton, INTEK Single
NOTE: Unless noted otherwise,
use the standard hardware torque
specification chart.
Cruise
Switch
See Controls Group for
Mounting Hardware
To Engine
Starter
Headlight
Switch
DASH MOUNTED
HOOD MOUNTED
UNDER HOOD
UNDER COLLECTOR
UNDER
FRAME
Pedal
Switch
To Electric
Clutch
To Engine
UNDER SEAT DECK
Seat
Switch
(NC)
To Engine
Ground
Under RH Foot Rest
See Hood, Grill & Dash
Group
11
16
15
18
12
17
14
10
13
19
25
27
21
29
24
26
22
28
31
32 35
37
46
36
34
33
45
38
39
43
41
42
1
7
5
20
2
4
6
3
9
25
40
44
24
30
8
19
23
33
32
986229
The above parts group applies to the following Mfg. Nos.:
2003 32
© Copyright Simplicity Manufacturing, Inc. All Rights Reserved.
1694329 - Baron
1694346 - 2416H
1694482 - Baron
1694485 - 2417H
TP 400-3764-02-BR-SM

PART NO. DESCRIPTIONREF NO QTY.
Electrical Group - 16HP & 17HP Briggs & Stratton, INTEK Single
Footnotes
43 1701011 4 TIE, Wire
44 1724904 1 HARNESS, Wiring Lower
45 1723507 1 SWITCH, Push Button Foot, Black
46 1717050 1 SWITCH, Cruise, Grey
The above parts group applies to the following Mfg. Nos.:
2003 33
© Copyright Simplicity Manufacturing, Inc. All Rights Reserved.
1694329 - Baron
1694346 - 2416H
1694482 - Baron
1694485 - 2417H
TP 400-3764-02-BR-SM

Electrical Group - 16HP Honda
NOTE: Unless noted otherwise,
use the standard hardware torque
specification chart.
Cruise
Switch
See Controls Group
for Mounting Hardware
To Engine
Starter
Headlight
Switch
DASH MOUNTEDHOOD MOUNTED
UNDER HOOD
UNDER COLLECTOR
UNDER
FRAME
Pedal
Switch
To Electric
Clutch
To Engine
UNDER SEAT DECK
Seat
Switch
(NC)
To Engine
Ground
Under RH Foot Rest
See Hood, Grill & Dash
Group
10
17
6
9
16
7
11
8
36
20
22
28
24
19
21
27 23
26
35 37
33
41
34 36
40
32
31
43
38
39
1
4
44
2
5
3
20
30
42
19 25
18
15
37
29
12
1012
14
13
986217
The above parts group applies to the following Mfg. Nos.:
2003 34
© Copyright Simplicity Manufacturing, Inc. All Rights Reserved.
1694315 - Baron
TP 400-3764-02-BR-SM

PART NO. DESCRIPTIONREF NO QTY.
Electrical Group - 16HP Honda
Footnotes
1 1721810 1 HEADLIGHT ASSEMBLY
2 1722669 1 HARNESS, Headlight Assembly
3 1722887 1 SWITCH, PTO, Push/Pull
4 1921959 2 CAPSCREW, Hex Head, 1/4 x 5/8
5 1665238 1 BREAKER, Circuit 12Volt, 20Amps
6 101025 1 WASHER
7 1960547 1 LOCKWASHER, Internal Tooth, 5/8
8 1717549 1 NUT, Hex Flange, 5/8-32
9 1717550 1 COVER
10 1717163 2 KEY, Ignition
11 1686734 1 SWITCH ASMY, Ignition, 6 Pin, (Includes Ref. Nos. 6, 7, 8, 9 & 10)
12 1722227 1 METER, Hour, Digital, Early Models
12 1687008 METER, Hour, Digital, Later Models (Includes Ref. No. 14)
13 1722418 1 PLUG, Dash with Hole, Early Models
13 1725524 1 PLUG, Dash with Hole, Later Models
14 1725835 1 CLIP, Hour Meter (Service Only)
15 1721831 1 WIRE, #12G, Red 11" Long
16 1716951 1 SWITCH, Headlights , 2 Terminal
17 1722715 1 HARNESS, Wiring Upper, Early Models (Use with Hour Meter 1722227)
17 1725682 1 HARNESS, Wiring Upper, Later Models (Use with Hour Meter Kit 1687008)
18 1723954 1 HARNESS, Wiring, Rear
19 1704379 2 SWITCH, Push, Black
20 1723613 2 "O"-RING
21 1723612 1 PAD, Acuator
22 1925003 4 CAPSCREW, Hex Head Taptite, 1/4-20 x 1/2
23 1724548 1 BRACKET, Switch
24 1960252 2 CARRIAGE BOLT, 1/4-20 x 5/8
25 1725981 1 ROD & WASHER ASSEMBLY, Hopper
26 1720118 1 BRACKET, Hopper Switch
27 1721830 1 CABLE, # 6, 25" Long, Red
28 1713535 1 BOOT, Insulator
29 960433 1 NUT, Hex Flange, M08-1-1/4, Yellow
30 1685215 1 BATTERY, 12 Volt
31 1722009 1 STRAP, Battery
32 1713163 1 CABLE, # 6, 26" Long
33 923341 2 CAPSCREW, Hex Head, 1/4-20 x 3/4
34 921319 2 WASHER
35 916964 6 LOCKWASHER
36 916622 6 NUT, Hex, 1/4-20
37 1677296 1 BOOT, Insulator Battery Terminal
38 1960536 2 SCREW, Hex Washer Head Plastite, 1/4-20
39 1716368 1 SWITCH, Operator Present, NC, Grey
40 1723507 1 SWITCH, Push Button Foot, Black
41 1717050 1 SWITCH, Cruise, Grey
The above parts group applies to the following Mfg. Nos.:
2003 35
© Copyright Simplicity Manufacturing, Inc. All Rights Reserved.
1694315 - Baron
TP 400-3764-02-BR-SM

Electrical Group - 16HP Honda
NOTE: Unless noted otherwise,
use the standard hardware torque
specification chart.
Cruise
Switch
See Controls Group
for Mounting Hardware
To Engine
Starter
Headlight
Switch
DASH MOUNTEDHOOD MOUNTED
UNDER HOOD
UNDER COLLECTOR
UNDER
FRAME
Pedal
Switch
To Electric
Clutch
To Engine
UNDER SEAT DECK
Seat
Switch
(NC)
To Engine
Ground
Under RH Foot Rest
See Hood, Grill & Dash
Group
10
17
6
9
16
7
11
8
36
20
22
28
24
19
21
27 23
26
35 37
33
41
34 36
40
32
31
43
38
39
1
4
44
2
5
3
20
30
42
19 25
18
15
37
29
12
1012
14
13
986217
The above parts group applies to the following Mfg. Nos.:
2003 36
© Copyright Simplicity Manufacturing, Inc. All Rights Reserved.
1694315 - Baron
TP 400-3764-02-BR-SM

PART NO. DESCRIPTIONREF NO QTY.
Electrical Group - 16HP Honda
Footnotes
42 1724904 1 HARNESS, Wiring Lower
43 1701011 4 TIE, Wire
44 1720117 1 BUZZER, Pulse, Bag Full
The above parts group applies to the following Mfg. Nos.:
2003 37
© Copyright Simplicity Manufacturing, Inc. All Rights Reserved.
1694315 - Baron
TP 400-3764-02-BR-SM

Electrical Group - 18HP & 20HP Briggs & Stratton, INTEK Twin
NOTE: Unless noted otherwise,
use the standard hardware torque
specification chart.
Cruise
Switch
See Controls Group for
Mounting Hardware
To Engine
Starter
Headlight
Switch
DASH MOUNTED
HOOD MOUNTED
UNDER HOOD
UNDER COLLECTOR
UNDER
FRAME
Pedal
Switch
To Electric
Clutch
To Engine
UNDER SEAT DECK
Seat
Switch
(NC)
To Engine
Ground
Under RH Foot Rest
See Hood, Grill & Dash
Group
12
17
16
19
13
18
15
11
14
20
34
26
28
22
30
25
27
23
29
32
33 36
38
47
37
35
34
46
39
40
44
42
43
1
7
5
21
2
4
6
310
26
41
45
25
31
9
20
24
108
33
9
986230
The above parts group applies to the following Mfg. Nos.:
2003 38
© Copyright Simplicity Manufacturing, Inc. All Rights Reserved.
1694328 - Baron
1694347 - 2418H
1694481 - Baron
1694483 - 2420H
TP 400-3764-02-BR-SM

PART NO. DESCRIPTIONREF NO QTY.
Electrical Group - 18HP & 20HP Briggs & Stratton, INTEK Twin
Footnotes
1 1721810 1 HEADLIGHT ASSEMBLY
2 1722669 1 HARNESS, Headlight Assembly
3 1722887 1 SWITCH, PTO, Push/Pull
4 1722611 1 PLUG, Hole
5 1921959 2 CAPSCREW, Hex Head, 1/4 x 5/8
6 1665238 1 BREAKER, Circuit 12Volt, 20Amps
7 1665237 1 WIRE, 12GA, 5.9" Long, Red
8 1722227 1 METER, Hour, Digital, Early Models
8 1687008 1 METER & CLIP, Hour, Digital, Later Models (Includes Ref. No. 48)
9 1722418 1 PLUG, Dash, Hour Meter, Early Models
9 1725524 1 PLUG, Dash, Hour Meter, Later Models
10 1722739 1 SOLENOID
11 1686734 1 SWITCH ASSEMBLY, Ignition, 6 Pin, (Includes Ref. Nos. 12, 13, 14, 15 & 16)
12 1717163 2 KEY, Ignition
13 1717550 1 COVER
14 1717549 1 NUT, Hex Flange, 5/8-32
15 1960547 1 LOCKWASHER, Internal Tooth, 5/8
16 101025 2 WASHER
17 1722715 1 HARNESS, Wiring Upper, Early Models (Use with Hour Meter 1722227)
17 1725682 1 HARNESS, Wiring Upper, Later Models (Use with Hour Meter Kit 1687008)
18 1716951 1 SWITCH, Headlights , 2 Terminal
19 1920263 2 NUT, Hex, 5/16-24
20 920426 3 LOCKWASHER, External Tooth, 5/16
21 1720117 1 BUZZER, Pulse, Bag Full
22 1713535 1 BOOT, Insulator
23 1721830 1 CABLE, # 6, 25" Long, Red
24 1723954 1 HARNESS, Wiring, Rear
25 1704379 2 SWITCH, Push Button, Black
26 1723613 2 "O" - RING
27 1723612 1 PAD, Actuator
28 1925003 4 CAPSCREW, Hex Head Taptite, 1/4-20 x 1/2
29 1724548 1 BRACKET, Switch
30 1960252 2 CARRIAGE BOLT, 1/4-20 x 5/8
31 1725981 1 ROD & WASHER ASSEMBLY, Hopper
32 1720118 1 BRACKET, Hopper Switch
33 916964 2 LOCKWASHER
34 916622 2 NUT, Hex, 1/4-20
35 1603618 1 CABLE, # 6, 9" Long
36 1677296 1 BOOT, Insulator Battery Terminal
37 921319 2 WASHER
38 923341 2 CAPSCREW, Hex Head, 1/4-20 x 3/4
39 1713163 1 CABLE, # 6, 26" Long
40 1722009 1 STRAP, Battery
41 1685215 1 BATTERY, 12 Volt
The above parts group applies to the following Mfg. Nos.:
2003 39
© Copyright Simplicity Manufacturing, Inc. All Rights Reserved.
1694328 - Baron
1694347 - 2418H
1694481 - Baron
1694483 - 2420H
TP 400-3764-02-BR-SM

Electrical Group - 18HP & 20HP Briggs & Stratton, INTEK Twin
NOTE: Unless noted otherwise,
use the standard hardware torque
specification chart.
Cruise
Switch
See Controls Group for
Mounting Hardware
To Engine
Starter
Headlight
Switch
DASH MOUNTED
HOOD MOUNTED
UNDER HOOD
UNDER COLLECTOR
UNDER
FRAME
Pedal
Switch
To Electric
Clutch
To Engine
UNDER SEAT DECK
Seat
Switch
(NC)
To Engine
Ground
Under RH Foot Rest
See Hood, Grill & Dash
Group
12
17
16
19
13
18
15
11
14
20
34
26
28
22
30
25
27
23
29
32
33 36
38
47
37
35
34
46
39
40
44
42
43
1
7
5
21
2
4
6
310
26
41
45
25
31
9
20
24
108
33
9
986230
The above parts group applies to the following Mfg. Nos.:
2003 40
© Copyright Simplicity Manufacturing, Inc. All Rights Reserved.
1694328 - Baron
1694347 - 2418H
1694481 - Baron
1694483 - 2420H
TP 400-3764-02-BR-SM

PART NO. DESCRIPTIONREF NO QTY.
Electrical Group - 18HP & 20HP Briggs & Stratton, INTEK Twin
Footnotes
42 1960536 2 SCREW, Hex Washer Head Plastite, 1/4-20
43 1716368 1 SWITCH, Operator Present, NC, Grey
44 1701011 4 TIE, Wire
45 1724904 1 HARNESS, Wiring Lower
46 1723507 1 SWITCH, Push Button Foot, Black
47 1717050 1 SWITCH, Cruise, Grey
48 1725835 1 CLIP, Hour Meter, Later Models (Service Only)
The above parts group applies to the following Mfg. Nos.:
2003 41
© Copyright Simplicity Manufacturing, Inc. All Rights Reserved.
1694328 - Baron
1694347 - 2418H
1694481 - Baron
1694483 - 2420H
TP 400-3764-02-BR-SM

Hood, Grille & Dash Group
NOTE: Unless noted otherwise,
use the standard hardware torque
specification chart.
10
12
11
13
17
9
15
7
8
4
6
3
9
4
4
2
15
16
14
986060
The above parts group applies to the following Mfg. Nos.:
2003 42
© Copyright Simplicity Manufacturing, Inc. All Rights Reserved.
1694329 - Baron
1694328 - Baron
1694315 - Baron
1694346 - 2416H
1694347 - 2418H
1694482 - Baron
1694485 - 2417H
1694481 - Baron
1694483 - 2420H
TP 400-3764-02-BR-SM

PART NO. DESCRIPTIONREF NO QTY.
Hood, Grille & Dash Group
Footnotes
1 1721804 1 PANEL, RH Side
1 41721804 1 PANEL, RH Side, Red
2 1721801 1 HOOD, no Louvers
2 41721801 1 HOOD, no Louvers, Red
3 1722110 1 HOOD, with Louvers
3 41722110 1 HOOD, with Louvers, Red
4 1960295 12 CAPSCREW, Hex Head Flange Lock,1/4-20 x 5/8
5 1960392 1 SCREW, Phillips Head, #10-24 x 1/2
6 1686910 1 DASHBOARD, With Hole, Black
7 1933896 1 NUT, Hex Nylock,#10-24
8 1723123 1 ROD, Dash Support
9 1930641 12 NUT, Hex Flange Lock, 1/4-20
10 1721803 1 PANEL, LH Side
10 41721803 1 PANEL, LH Side, Red
11 1721808 1 HINGE, LH
12 1722391 1 DUCT, Air Inlet
13 1721802 1 GRILLE
13 41721802 1 GRILLE, Red
14 1721810 1 HEADLIGHT ASSEMBLY, (Includes Ref. Nos. 15 & 16)
15 1677371 4 BULB, Headligh
16 1723451 4 SOCKET, Headlight
17 1721809 1 HINGE, RH
The above parts group applies to the following Mfg. Nos.:
2003 43
© Copyright Simplicity Manufacturing, Inc. All Rights Reserved.
1694329 - Baron
1694328 - Baron
1694315 - Baron
1694346 - 2416H
1694347 - 2418H
1694482 - Baron
1694485 - 2417H
1694481 - Baron
1694483 - 2420H
TP 400-3764-02-BR-SM

Seat Deck & Fuel Tank Group
NOTE: Unless noted otherwise,
use the standard hardware torque
specification chart.
Torque to
14 - 19 ft/lbs
(19 - 25.8 Nm.)
11
15
19
14
16
13
1
7
5
9
2
8
46
3
10
9
12
26
22
23
31
28
14
24
32
27
29
5
9
33
17
18
21
20
30
25
985932
The above parts group applies to the following Mfg. Nos.:
2003 44
© Copyright Simplicity Manufacturing, Inc. All Rights Reserved.
1694329 - Baron
1694328 - Baron
1694315 - Baron
1694346 - 2416H
1694347 - 2418H
1694482 - Baron
1694485 - 2417H
1694481 - Baron
1694483 - 2420H
TP 400-3764-02-BR-SM

PART NO. DESCRIPTIONREF NO QTY.
Seat Deck & Fuel Tank Group
Footnotes
1 1722129 1 BRACKET, Seat
2 1722306 1 SEAT, 15" Back, Simplicity Logo
3 1722128 1 SUPPORT, Seat
4 172434 1 CLIP, Wire
5 1709256 6 WASHER, Spring
6 1714263 2 SPRING, Compression
7 1919438 2 NUT, Hex Lock ESNA, 5/16-18
8 1717051 2 SPRING, Compression
9 1960667 12 CAPSCREW, Hex Head Dog Point, 5/16-18 x 3/4
10 1931339 2 CARRIAGE BOLT, 5/16-18 x 2
11 1931350 2 CARRIAGE BOLT, 3/8-16 x 1
12 1722356 1 SLIDE, Seat, (2 Piece Set)
13 1935255 4 NUT, Speed, 5/16-18
14 1930601 4 CAPSCREW, Hex Head Taptite, 5/16-18 x 5/8
15 1722309 1 PLUG, Hole Black
16 1722109 1 POD, LH, w/Cup holder
17 1924940 2 WASHER
18 1722313 1 COVER, Cruise, w/Symbols
19 1921959 8 CAPSCREW, Hex Head, 1/4-20 x 5/8
20 1722300 1 GAS GAUGE
21 1722337 1 GROMMET
22 1715917 1 CAP, Gas
23 1726902 1 TUBE & ELBOW ASSEMBLY, with Screen, Fuel
24 1654930 1 BUSHING
25 1722652 1 TANK, Fuel
26 1931277 4 NUT, Hex Whiz Lock, 5/16-18
27 1960636 4 NUT, Hex KEPS, 5/16-18
28 1722671 1 DECK, Seat
28 41722671 1 DECK, Seat, Red
29 1722108 1 POD, RH, w/2 Slots
30 1930591 1 CAPSCREW, Hex Head Flange Lock, 5/16-18 x 5/8
31 1722105 1 TUNNEL, Footrest
32 1663752 2 SPACER
33 1930645 2 NUT, Hex Flange Lock, 3/8-16
The above parts group applies to the following Mfg. Nos.:
2003 45
© Copyright Simplicity Manufacturing, Inc. All Rights Reserved.
1694329 - Baron
1694328 - Baron
1694315 - Baron
1694346 - 2416H
1694347 - 2418H
1694482 - Baron
1694485 - 2417H
1694481 - Baron
1694483 - 2420H
TP 400-3764-02-BR-SM

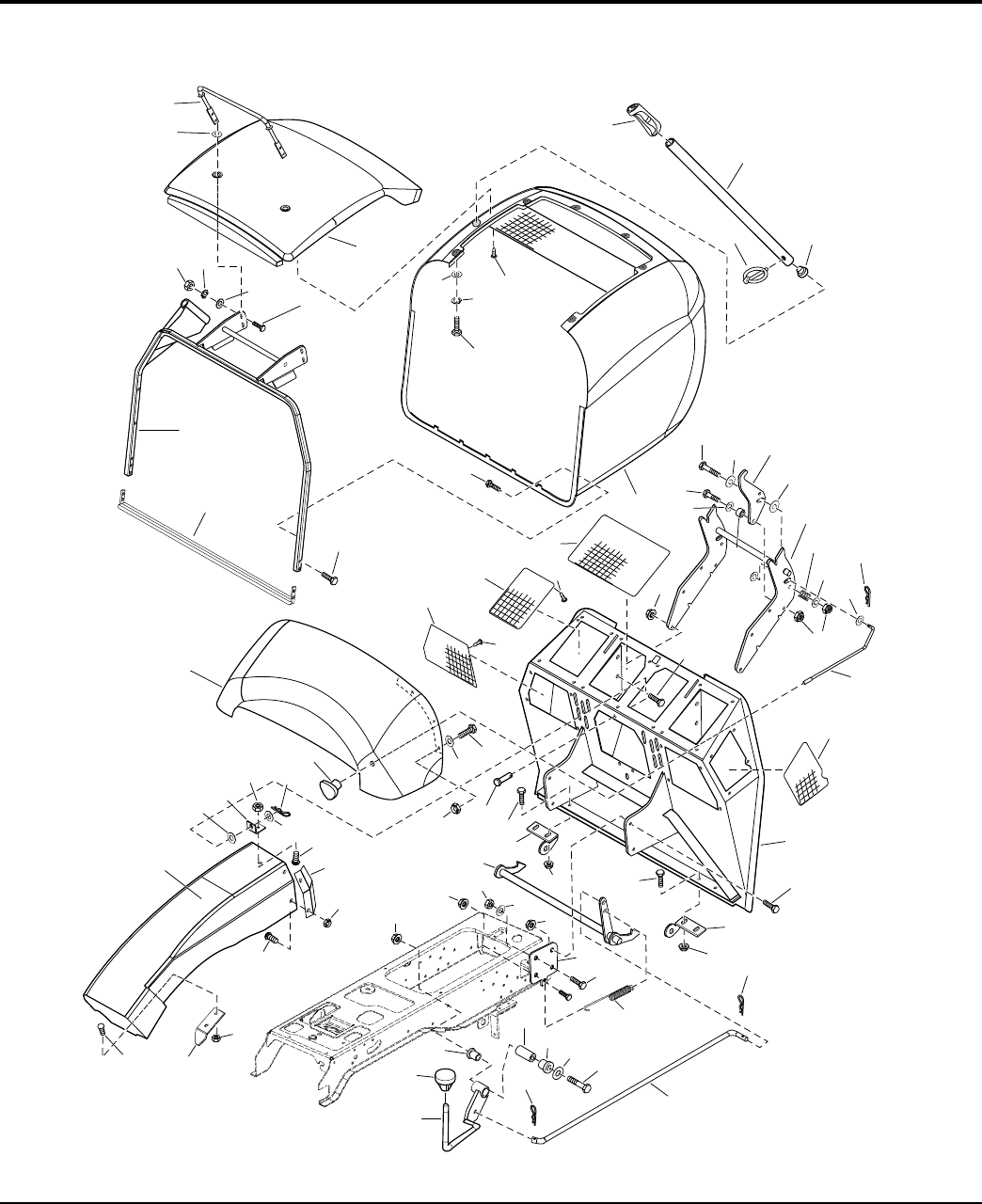
Hopper Group - Fixed Screen
NOTE: Unless noted otherwise,
use the standard hardware torque
specification chart.
11
17
15
19
12
18
14
16
13
20
21
29
22
24
30
37
35
39
32
38
18
36
33
40
41
47
45
49
42
48
44
46
43
50
51
57
55
59
52
58
54
56
53
19
26
27
25
60
1
7
5
9
2
8
4
6
3
10
623
4
5
6
28
316
19
5
18
36
24
24
24
46
49
34
55
54
55
54
54
31
4
SL986224
The above parts group applies to the following Mfg. Nos.:
2003 46
© Copyright Simplicity Manufacturing, Inc. All Rights Reserved.
1694329 - Baron
1694328 - Baron
1694315 - Baron
1694346 - 2416H
1694347 - 2418H
1694482 - Baron
1694485 - 2417H
1694481 - Baron
1694483 - 2420H
TP 400-3764-02-BR-SM

PART NO. DESCRIPTIONREF NO QTY.
Hopper Group - Fixed Screen
Footnotes
1 1722590 1 ANGLE & BAR ASSEMBLY
2 1724411 1 FRAME ASSEMBLY
3 1925003 10 CAPSCREW, Hex Head Taptite, 1/4-20 x 1/2
4 1924009 10 CAPSCREW, Hex Head, 1//4-20 x 7/8
5 1921319 12 WASHER, 1/4
6 1916964 6 LOCKWASHER, 1/4
7 1916622 4 NUT, 1/4-20
8 1726415 1 LID, Hopper, Orange
8 1726416 1 LID, Hopper, Red
9 1724684 2 WASHER, Rubber
10 1724399 1 HANDLE, Hopper
11 1723359 1 GRIP
12 1724398 1 TUBE, Handle
13 1666969 1 PIN, Click
14 1724553 1 CAP PLUG, Rubber
15 1921978 1 CAPSCREW, Hex Head, 5/16-18 x 2
16 1960044 2 WASHER, 5/16
17 1724651 1 LATCH, Pivot
18 1921333 1 CAPSCREW, Hex Head, 5/16-18 x 1
19 1919326 3 WASHER
20 1666697 1 SPACER
21 1724413 1 PIVOT ASSEMBLY
22 1714263 1 SPRING, Compression
23 1919438 3 NUT, Hex Lock, 5/16-18
24 1928352 7 NUT, Hex Flange Lock, 3/8-16
25 1723683 1 PIN
26 1722460 1 PIN, Quick
27 1713855 1 KNOB
28 1704351 4 PANEL FASTNER
29 1921965 4 CAPSCREW, Hex Head, 3/8-16 x 3/4
30 1724652 1 ROD, Latch
31 1960353 4 WASHER, 1/4
32 1725332 1 BACKPLATE ASSEMBLY
33 1934654 6 CAPSCREW, Hex Head Whiz Lock, 3/8-16 x 1
34 1724458 1 ROD LATCH
35 1723182 1 BRACKET, Latch LH
36 1931277 4 NUT, Hex Flange Lock, 5/16-18
37 1723181 1 BRACKET, Latch, RH
38 1724540 1 SHAFT & ARMS ASSEMBLY
39 1923360 1 PIN, Cotter, 5/8 x 3.4
40 1724566 2 SUPPORT, Back Plate
41 1923114 2 CAPSCREW, Hex Head, 1/2-13 x 1
42 1916951 2 NUT, Hex, 1/2-13
43 1960556 4 SCREW, Pan Head Torq Taptite, 1/4-20 x 3/4
The above parts group applies to the following Mfg. Nos.:
2003 47
© Copyright Simplicity Manufacturing, Inc. All Rights Reserved.
1694329 - Baron
1694328 - Baron
1694315 - Baron
1694346 - 2416H
1694347 - 2418H
1694482 - Baron
1694485 - 2417H
1694481 - Baron
1694483 - 2420H
TP 400-3764-02-BR-SM

Hopper Group - Fixed Screen
NOTE: Unless noted otherwise,
use the standard hardware torque
specification chart.
11
17
15
19
12
18
14
16
13
20
21
29
22
24
30
37
35
39
32
38
18
36
33
40
41
47
45
49
42
48
44
46
43
50
51
57
55
59
52
58
54
56
53
19
26
27
25
60
1
7
5
9
2
8
4
6
3
10
623
4
5
6
28
316
19
5
18
36
24
24
24
46
49
34
55
54
55
54
54
31
4
SL986224
The above parts group applies to the following Mfg. Nos.:
2003 48
© Copyright Simplicity Manufacturing, Inc. All Rights Reserved.
1694329 - Baron
1694328 - Baron
1694315 - Baron
1694346 - 2416H
1694347 - 2418H
1694482 - Baron
1694485 - 2417H
1694481 - Baron
1694483 - 2420H
TP 400-3764-02-BR-SM

PART NO. DESCRIPTIONREF NO QTY.
Hopper Group - Fixed Screen
Footnotes
44 1726414 1 HOPPER & SCREEN ASSEMBLY
45 1718016 1 SPRING, Extension
46 1960074 2 CLIP, Hair Pin
47 1922130 1 CAPSCREW, Hex Head, 3/8-16 x 2-1/2
48 1924940 1 WASHER
49 1676148 2 BUSHING
50 1669105 1 SPACER
51 1725036 1 ROD & TUBE ASSEMBLY
52 1719940 1 KNOB, Hopper
53 1722881 1 RETAINER
54 1920397 5 NUT, Hex Lock ESNA, 1/4-20
55 1718741 5 SCREW, Torx Head, 1/4-20 x 5/8
56 1723650 1 DEFLECTOR, Grass
57 1722578 1 CHUTE, Chute
58 1933988 1 NUT, Push
59 1723363 1 BRACKET, Chute
60 1724542 1 TRANSITION, Hopper
61 1931334 4 CARRIAGE BOLT, 5/16-18 x 7/8
The above parts group applies to the following Mfg. Nos.:
2003 49
© Copyright Simplicity Manufacturing, Inc. All Rights Reserved.
1694329 - Baron
1694328 - Baron
1694315 - Baron
1694346 - 2416H
1694347 - 2418H
1694482 - Baron
1694485 - 2417H
1694481 - Baron
1694483 - 2420H
TP 400-3764-02-BR-SM

Hopper Group - Serviceable Screen
NOTE: Unless noted otherwise,
use the standard hardware torque
specification chart.
11
17
15
19
12
18
14
16
13
20
21
27
25
29
22
28
24
26
30
31
37
35
39
32
38
18
36
33
40
41
47
45
49
42
48
44
46
43
50
51
57
55
59
52
58
54
56
53
19
61
62
60
63
1
7
5
9
2
8
4
6
3
10
623
4
5
6
28
316
19
5
28
18
36
24
24
24
46
49
34
55
54
55
54
54
64
4
986224
The above parts group applies to the following Mfg. Nos.:
2003 50
© Copyright Simplicity Manufacturing, Inc. All Rights Reserved.
1694329 - Baron
1694328 - Baron
1694315 - Baron
1694346 - 2416H
1694347 - 2418H
TP 400-3764-02-BR-SM

PART NO. DESCRIPTIONREF NO QTY.
Hopper Group - Serviceable Screen
Footnotes
1 1722590 1 ANGLE & BAR ASSEMBLY
2 1724411 1 FRAME ASMY-HOPPER NEW BARON
3 1925003 10 CAPSCREW, Hex Head Taptite, 1/4-20 x 1/2
4 1924009 8 CAPSCREW, Hex Head, 1//4-20 x 7/8
5 1921319 6 WASHER, 1/4
6 1916964 6 LOCKWASHER, 1/4
7 1916622 4 NUT, 1/4-20
8 1724408 1 LID, Hopper, Orange
8 1724690 1 LID, Hopper, Red
9 1724684 2 WASHER, Rubber
10 1724399 1 HANDLE, Hopper
11 1723359 1 GRIP
12 1724398 1 TUBE, Handle
13 1666969 1 PIN, Click
14 1724553 1 CAP PLUG, Rubber
15 1921978 1 CAPSCREW, Hex Head, 5/16-18 x 2
16 1960044 2 WASHER, 5/16
17 1724651 1 LATCH, Pivot
18 1921333 8 CAPSCREW, Hex Head, 5/16-18 x 1
19 1919326 3 WASHER
20 1666697 1 SPACER
21 1724413 1 PIVOT ASSEMBLY
22 1714263 1 SPRING, Compression
23 1919438 3 NUT, Hex Lock, 5/16-18
24 1928352 7 NUT, Hex Flange Lock, 3/8-16
25 1724598 1 SCREEN, 1/4 Mesh, Top
26 1723744 2 SCREEN, Top Side, 5-1/2" x 7-3/4"
27 1723642 2 SCREEN, Main, 7" x 9"
28 1704351 30 FASTNER, Panel
29 1921965 4 CAPSCREW, Hex Head, 3/8-16 x 3/4
30 1724652 1 ROD, Latch
31 1723644 2 SCREEN, Side, 5" x 6-1/4"
32 1724048 1 BACKPLATE ASSEMBLY
33 1934654 6 CAPSCREW, Hex Head Whiz Lock, 3/8-16 x 1
34 1724458 1 ROD LATCH
35 1723182 1 BRACKET, Latch, LH
36 1931277 4 NUT, Hex Flange Lock, 5/16-18
37 1723181 1 BRACKET, Latch, RH
38 1724540 1 SHAFT & ARMS ASSEMBLY
39 1923360 1 PIN, Cotter, 5/8 x 3.4
40 1724566 2 SUPPORT, Back Plate
41 1923114 2 CAPSCREW, Hex Head, 1/2-13 x 1
42 1916951 2 NUT, Hex, 1/2-13
43 1916966 2 LOCKWASHER, 1/2
The above parts group applies to the following Mfg. Nos.:
2003 51
© Copyright Simplicity Manufacturing, Inc. All Rights Reserved.
1694329 - Baron
1694328 - Baron
1694315 - Baron
1694346 - 2416H
1694347 - 2418H
TP 400-3764-02-BR-SM

Hopper Group - Serviceable Screen
NOTE: Unless noted otherwise,
use the standard hardware torque
specification chart.
11
17
15
19
12
18
14
16
13
20
21
27
25
29
22
28
24
26
30
31
37
35
39
32
38
18
36
33
40
41
47
45
49
42
48
44
46
43
50
51
57
55
59
52
58
54
56
53
19
61
62
60
63
1
7
5
9
2
8
4
6
3
10
623
4
5
6
28
316
19
5
28
18
36
24
24
24
46
49
34
55
54
55
54
54
64
4
986224
The above parts group applies to the following Mfg. Nos.:
2003 52
© Copyright Simplicity Manufacturing, Inc. All Rights Reserved.
1694329 - Baron
1694328 - Baron
1694315 - Baron
1694346 - 2416H
1694347 - 2418H
TP 400-3764-02-BR-SM

PART NO. DESCRIPTIONREF NO QTY.
Hopper Group - Serviceable Screen
Footnotes
44 1724559 1 HOPPER & SCREEN ASSEMBLY
45 1718016 1 SPRING, Extension
46 1960074 2 CLIP, Hair Pin
47 1922130 1 CAPSCREW, Hex Head, 3/8-16 x 2-1/2
48 1924940 1 WASHER
49 1676148 2 BUSHING
50 1669105 1 SPACER
51 1725036 1 ROD & TUBE ASSEMBLY
52 1719940 1 KNOB, Hopper Release
53 1722881 1 RETAINER
54 1920397 11 NUT, Hex Lock ESNA, 1/4-20
55 1718741 5 SCREW, Torx Head, 1/4-20 x 5/8
56 1723650 1 DEFLECTOR, Grass
57 1722578 1 CHUTE, Discharge
58 1933988 1 NUT, Push
59 1723363 1 BRACKET, Chute
60 1723683 1 PIN, Clevis
61 1722460 2 PIN, Quick
62 1713855 1 KNOB
63 1724542 1 TRANSITION, Hopper
64 1960353 4 WASHER, 1/4
The above parts group applies to the following Mfg. Nos.:
2003 53
© Copyright Simplicity Manufacturing, Inc. All Rights Reserved.
1694329 - Baron
1694328 - Baron
1694315 - Baron
1694346 - 2416H
1694347 - 2418H
TP 400-3764-02-BR-SM

Mulching Group
NOTE: Unless noted otherwise,
use the standard hardware torque
specification chart.
Center &
position 2"
(76 cm)
below cutout.
6
4
1
3
5
2
12
7
89
11
10
986261
The above parts group applies to the following Mfg. Nos.:
2003 54
© Copyright Simplicity Manufacturing, Inc. All Rights Reserved.
1694328 - Baron
1694315 - Baron
1694347 - 2418H
1694481 - Baron
1694483 - 2420H
TP 400-3764-02-BR-SM

PART NO. DESCRIPTIONREF NO QTY.
Mulching Group
Footnotes
1 1923341 3 CAPSCREW, Hex Head, 1/4-20 x 3/4
2 1916964 3 LOCKWASHER, 1/4
3 1723652 1 BRACKET, Mulching Plug
4 1723651 1 PLUG, Mulching
5 171600 1 STRAP, Hood, Black Rubber
6 1921319 1 WASHER, 1/4
7 1723683 2 PIN, Clevis
8 1919381 2 WASHER, 5/16
9 1960074 2 CLIP, Hair Pin
10 1724638 1 GUARD & DEFLECTOR ASSEMBLY
11 1720391 1 DECAL, Danger
The above parts group applies to the following Mfg. Nos.:
2003 55
© Copyright Simplicity Manufacturing, Inc. All Rights Reserved.
1694328 - Baron
1694315 - Baron
1694347 - 2418H
1694481 - Baron
1694483 - 2420H
TP 400-3764-02-BR-SM

Wheels & Tires Group
NOTE: Unless noted otherwise,
use the standard hardware torque
specification chart.
Front Wheels
Rear Wheels
2
3
4
64
7
8
9
55
10
1
11
12
12
13
15
16
5
18
17
19 9
20
14
W986263
The above parts group applies to the following Mfg. Nos.:
2003 56
© Copyright Simplicity Manufacturing, Inc. All Rights Reserved.
1694329 - Baron
1694328 - Baron
1694315 - Baron
1694346 - 2416H
1694347 - 2418H
1694482 - Baron
1694485 - 2417H
1694481 - Baron
1694483 - 2420H
TP 400-3764-02-BR-SM

PART NO. DESCRIPTIONREF NO QTY.
Wheels & Tires Group
Footnotes
1 1919394 2 WASHER
2 1722838 2 TIRE, 15 X 6.00 - 6, Super Turf
3 1664090 2 TUBE, 4.10/3.50 - 6
4 1717056 2 BEARING, Ball
5 172353 4 VALVE STEM & CAP ASSEMBLY
6 1722837 2 WHEEL, 4.50 X 6.00, (Includes Ref. No. 4)
7 1722726 2 WASHER, Special
8 932577 2 RING, Retaining
9 1722676 4 CAP, Hub
10 1722065 2 WHEEL & TIRE ASSEMBLY, (Includes Ref. Nos. 2, 4, 5 & 6)
11 8221042 2 KEY
12 960202 4 WASHER
13 1709527 2 SPACER
14 1722826 2 TIRE, 20 X 10.00- 8, Super Turf
15 173477 2 TUBE, 20 X 8.00 - 10
16 1722835 2 WHEEL, 7.00 x 7.96
17 1722717 2 WASHER, Special
18 1960114 2 WASHER
19 927794 2 RING, E Retaining
20 1721694 2 WHEEL & TIRE ASSEMBLY, (Includes Ref. Nos. 5, 14 & 16)
The above parts group applies to the following Mfg. Nos.:
2003 57
© Copyright Simplicity Manufacturing, Inc. All Rights Reserved.
1694329 - Baron
1694328 - Baron
1694315 - Baron
1694346 - 2416H
1694347 - 2418H
1694482 - Baron
1694485 - 2417H
1694481 - Baron
1694483 - 2420H
TP 400-3764-02-BR-SM

Decals Group - Brand & Model
NOTE: Unless noted otherwise,
use the standard hardware torque
specification chart.
6
7, 8
9
10, 11
12
1
5
3
2
4
B986263
The above parts group applies to the following Mfg. Nos.:
2003 58
© Copyright Simplicity Manufacturing, Inc. All Rights Reserved.
1694329 - Baron
1694328 - Baron
1694315 - Baron
1694346 - 2416H
1694347 - 2418H
1694482 - Baron
1694485 - 2417H
1694481 - Baron
1694483 - 2420H
TP 400-3764-02-BR-SM

PART NO. DESCRIPTIONREF NO QTY.
Decals Group - Brand & Model
Footnotes
1 1722551 2 DECAL, Simplicity, Silver & Blue
2 1720454 1 DECAL, Touch Up, Deep Orange
3 1725679 1 DECAL, Baron
4 1717692 1 DECAL, Icon, Simplicity
5 1723859 1 DECAL, Simplicity
6 1722784 1 DECAL, Baron
7 1722774 1 DECAL, Simplicity, Hood Stripe, LH
8 1722773 1 DECAL, Simplicity, Hood Stripe, RH
9 1723878 2 DECAL, 2416
9 1725667 2 DECAL, 2417
9 1723877 2 DECAL, 2418
9 1725663 2 DECAL, 2420
10 1722815 1 DECAL, Massey Ferguson, Hood Stripe, LH
11 1722816 1 DECAL, Massey Ferguson, Hood Stripe, RH
12 1720456 1 DECAL, Touch Up, Red
The above parts group applies to the following Mfg. Nos.:
2003 59
© Copyright Simplicity Manufacturing, Inc. All Rights Reserved.
1694329 - Baron
1694328 - Baron
1694315 - Baron
1694346 - 2416H
1694347 - 2418H
1694482 - Baron
1694485 - 2417H
1694481 - Baron
1694483 - 2420H
TP 400-3764-02-BR-SM

Decals Group - Safety & Common
NOTE: Unless noted otherwise,
use the standard hardware torque
specification chart.
Back plate shown
with munching kit.
18
19
20
1
12
15
3
2
10, 11
13
9
5
6
7
8
19
12
14 17
16
8
4
C986263
The above parts group applies to the following Mfg. Nos.:
2003 60
© Copyright Simplicity Manufacturing, Inc. All Rights Reserved.
1694329 - Baron
1694328 - Baron
1694315 - Baron
1694346 - 2416H
1694347 - 2418H
1694482 - Baron
1694485 - 2417H
1694481 - Baron
1694483 - 2420H
TP 400-3764-02-BR-SM

PART NO. DESCRIPTIONREF NO QTY.
Decals Group - Safety & Common
Footnotes
1 1725152 1 DECAL, Belt & Blade
2 1722806 1 DECAL, Ignition Switch
3 1723713 1 DECAL, Crusie / Lift
4 1724680 1 DECAL, Latch Release
5 1723310 1 DECAL, Hopper Lever
6 1722549 1 DECAL, 16HP
6 1722550 1 DECAL, 17HP
6 1722779 1 DECAL, 18HP
6 1722780 1 DECAL, 20HP
7 1723317 1 DECAL, Hopper Pedal
8 1723296 2 DECAL, Protective, Clear
9 * 1 DECAL, Patent
10 * 2 DECAL, Decible Power Mass, Export Only, (Not Serviced)
11 * 1 DECAL, Serial Number, Tractor, (Not Serviced)
12 1720391 2 DECAL, Danger Operating W/O Catcher
13 1721141 1 DECAL, Drawbar Max Load
14 1723470 1 DECAL, Height Of Cut
15 1723425 1 DECAL, Transmission Release Valve
16 1720390 1 DECAL, Danger Catcher Open
17 1723175 1 DECAL, Warning/Danger Icons, Tunnel, Export
18 1721107 1 DECAL, Danger, Discharge Tube
19 1720389 2 DECAL, Danger Rotating Blade, Export
20 * 1 DECAL, Serial Number, Mower Deck, (Not Serviced)
* Not a Service Part
The above parts group applies to the following Mfg. Nos.:
2003 61
© Copyright Simplicity Manufacturing, Inc. All Rights Reserved.
1694329 - Baron
1694328 - Baron
1694315 - Baron
1694346 - 2416H
1694347 - 2418H
1694482 - Baron
1694485 - 2417H
1694481 - Baron
1694483 - 2420H
TP 400-3764-02-BR-SM

40 inch Mower Deck - Belt, Idle Arm & Hitch
NOTE: Unless noted otherwise,
use the standard hardware torque
specification chart.
28
29
30
31
17
16
15
32 1
2
4
3
6
6
78
14
10
9
11
12
18
26
20 19
25
24
23
22
21
27
5
15
10
16
17
10
13
5
55
55
986251
The above parts group applies to the following Mfg. Nos.:
2003 62
© Copyright Simplicity Manufacturing, Inc. All Rights Reserved.
1694331 - 40 inch Mower
1694338 - 40 inch Mower
TP 400-3764-02-BR-SM

PART NO. DESCRIPTIONREF NO QTY.
40 inch Mower Deck - Belt, Idle Arm & Hitch
Footnotes
1 1722678 1 V-BELT
2 101096 1 PULLEY, 4-1/2 OD
3 1919439 1 NUT, Hex Lock ESNA, 3/8-16
4 1722175 1 PLATE & GUIDE ASEMBLY, Belt
5 1924940 7 WASHER
6 157081 2 SPACER
7 1719965 1 GRIP, Black
8 1720444 1 IDLER ARM ASSEMBLY, w/Bushings
9 1960614 1 CAPSCREW, Hex Head, 3/8-16 x 3, G8
10 1922755 3 WASHER
11 1960615 1 CARRIAGE BOLT, 3/8-16 x 2-1/2
12 1657242 1 SPACER
13 1933263 1 WASHER
14 1715435 1 SPRING, Extension
15 1923701 2 CAPSCREW, Hex Head, 3/8-16 x 2
16 1724802 2 PULLEY, Idler
17 1719221 2 HUB, Pulley
18 1928352 2 NUT, Hex Flange Lock, 3/8-16
19 1921968 2 CAPSCREW, Hex Head, 3/8-16 1-3/8
20 172329 2 SPACER
21 1713578 1 ROD
22 156302 1 SPRING, Extension
23 1715759 1 ROD
24 1720044 1 HITCH, Mower
25 1960519 1 NUT, Push
26 960681 2 NUT, Spiral Flange Toplock, 3/8-16
27 1721425 1 WASHER & LOCK NUT ASSEMBLY, 3/8-16
28 1674671 1 SPRING, Extension
29 1726387 1 ARM, Idler
30 1666697 1 SPACER
31 1930601 1 SCREW, Hex Head Taptite, 5/16-18 x 5/8
32 1724626 1 BELT, Timing
The above parts group applies to the following Mfg. Nos.:
2003 63
© Copyright Simplicity Manufacturing, Inc. All Rights Reserved.
1694331 - 40 inch Mower
1694338 - 40 inch Mower
TP 400-3764-02-BR-SM

40 inch Mower Deck - Height Adjustment & Roller Bar (Serial No. 1999 and Below)
NOTE: Unless noted otherwise,
use the standard hardware torque
specification chart.
Note: Apply thread
locking compound
to hole.
Insert Must
Face Out
Insert Must
Face Out
11
17
18
16
27
25
29
22
28
24
26
23
30
31
37
35
39
32
38
34
36
33
40
41
47
45
49
42
48
44
46
43
50 7
5
9
2
8
4
6
3
1
2
3
7
7
7
7
7
19 20
21
13
5
6
5
26
13
61
39
61
52
51
53
5
5
54
10 55 20
13
54
10
11
26
26
56
57
13 58
21 31
12
59
60
15
14
13
62
S0986291
The above parts group applies to the following Mfg. Nos.:
2003 64
© Copyright Simplicity Manufacturing, Inc. All Rights Reserved.
1694331 - 40 inch Mower
1694338 - 40 inch Mower
TP 400-3764-02-BR-SM

PART NO. DESCRIPTIONREF NO QTY.
40 inch Mower Deck - Height Adjustment & Roller Bar (Serial No. 1999 and Below)
Footnotes
1 1921977 2 CAPSCREW, Hex Head, 5/16-18 x 1-1/4
2 1960044 2 WASHER
3 1960236 2 SPACER
4 1723305 1 SHAFT & BAR ASSEMBLY
5 1924366 7 WASHER
6 1722036 2 ROLLER
7 1668513 6 ROLLER
8 1717675 1 ROLLER
9 1602946 1 SPACER
10 1919381 4 WASHER
11 960643 2 NUT, Hex Flange Lock, 5/16-18
12 1960170 2 WASHER, 3/8
13 1924940 8 WASHER
14 176012 1 RETAINER, Pin
15 1725043 1 LINK & PIN ASSEMBLY
16 1722460 1 PIN, Retaining
17 1931352 1 CARRIAGE BOLT, 3/8-16 x 1-1/2
18 1722663 1 SHAFT & ARM ASSEMBLY
19 1720659 1 STOP, Up
20 1931202 4 CAPSCREW, Hex Head Taptite, 5/16-18 x 1-1/4
21 1665374 3 STRAP
22 1723470 1 DECAL, Height of Cut
23 1720931 1 BRACKET, Height of Cut
24 1919438 2 NUT, Hex ESNA, 3/8-16
25 1664847 2 CAPSCREW, Hex Head Taptite, 5/16-18 x 3/4
26 960641 9 NUT, Hex Lock Aluminum Insert, 3/8-16
27 1704082 1 NUT, Hex Adjusting
28 1704073 1 BAR
29 1677507 1 SLIDE
30 1924361 1 WASHER
31 172622 3 SHOULDER BOLT, 3/8-16
32 1960520 1 NUT, Push
33 1934654 4 CAPSCREW, Hex Head Whiz Lock, 3/8-16 x 1
34 1723525 2 SUPPORT, Hitch
35 1706644 1 SPACER
36 1921332 2 CAPSCREW, Hex Head, 5/16-18 x 3/4
37 1722661 1 ROD, Adjusting
38 1922606 1 CAPSCREW,Hex Head, 3/8-16 x 1-3/4, GR8
39 1915726 2 NUT, Hex, 5/8-11
40 118053 1 PIN, Round Head Drilled, 3/8 x 2
41 1706645 1 TRUNNION
42 1920397 1 NUT, Hex Lock ESNA, 1/4-20
43 1720599 1 LATCH, "U"
44 1721257 1 ROD
The above parts group applies to the following Mfg. Nos.:
2003 65
© Copyright Simplicity Manufacturing, Inc. All Rights Reserved.
1694331 - 40 inch Mower
1694338 - 40 inch Mower
TP 400-3764-02-BR-SM

40 inch Mower Deck - Height Adjustment & Roller Bar (Serial No. 1999 and Below)
NOTE: Unless noted otherwise,
use the standard hardware torque
specification chart.
Note: Apply thread
locking compound
to hole.
Insert Must
Face Out
Insert Must
Face Out
11
17
18
16
27
25
29
22
28
24
26
23
30
31
37
35
39
32
38
34
36
33
40
41
47
45
49
42
48
44
46
43
50 7
5
9
2
8
4
6
3
1
2
3
7
7
7
7
7
19 20
21
13
5
6
5
26
13
61
39
61
52
51
53
5
5
54
10 55 20
13
54
10
11
26
26
56
57
13 58
21 31
12
59
60
15
14
13
62
S0986291
The above parts group applies to the following Mfg. Nos.:
2003 66
© Copyright Simplicity Manufacturing, Inc. All Rights Reserved.
1694331 - 40 inch Mower
1694338 - 40 inch Mower
TP 400-3764-02-BR-SM

PART NO. DESCRIPTIONREF NO QTY.
40 inch Mower Deck - Height Adjustment & Roller Bar (Serial No. 1999 and Below)
Footnotes
45 1921159 1 CAPSCREW, Hex Head 1/4-20 x 2-1/4
46 1931335 2 CARRIAGE BOLT, 5/16-18 x 1
47 1917372 2 NUT, Hex, 5/16-18
48 1917356 2 LOCKWASHER, 5/16
49 1720695 1 HANDLE ASSEMBLY, Lift
50 1723321 1 SPRING, Compression
51 1960674 1 NUT, Push
52 1713995 1 GRIP, Black
53 1723124 1 BUTTON, Red
54 1933988 4 NUT, Push
55 1719929 1 UPSTOP
56 1669585 4 SPACER
57 1714760 2 WHEEL, Gauge
58 1923903 2 CAPSCREW, Hex Head, 3/8-16 x 3
59 1916965 2 LOCKWASHER, 3/3
60 1916950 2 NUT, Hex, 3/8-16
61 1960703 2 WASHER, 21/32 x 1 x 1/64
62 1918265 1 WASHER, 11/32 x 11/16 x 1/16
The above parts group applies to the following Mfg. Nos.:
2003 67
© Copyright Simplicity Manufacturing, Inc. All Rights Reserved.
1694331 - 40 inch Mower
1694338 - 40 inch Mower
TP 400-3764-02-BR-SM

40 inch Mower Deck - Height Adjustment & Roller Bar (Serial No. 2000 and Above)
NOTE: Unless noted otherwise,
use the standard hardware torque
specification chart.
Note: Apply thread
locking compound
to hole.
Insert Must
Face Out
Insert Must
Face Out
11
17
18
16
27
25
29
22
28
33
26
23
30
31
37
35
39
32
38
40
41
47
45
49
42
48
44
46
43
50 7
5
9
2
8
4
6
3
1
2
3
7
7
7
7
7
19 20
21
13
5
6
5
26
13
34
39
34
52
51
53
5
5
54
10 55
20
13
54
10
11
26
26
56
57
13 58
21 31
12
59
60
15
14
13
61
24
1
63
2
64
65 62
70
67
66
69
13
68
S2986291
The above parts group applies to the following Mfg. Nos.:
2003 68
© Copyright Simplicity Manufacturing, Inc. All Rights Reserved.
1694331 - 40 inch Mower
1694338 - 40 inch Mower
TP 400-3764-02-BR-SM

PART NO. DESCRIPTIONREF NO QTY.
40 inch Mower Deck - Height Adjustment & Roller Bar (Serial No. 2000 and Above)
Footnotes
1 1921977 3 CAPSCREW, Hex Head, 5/16-18 x 1-1/4
2 1960044 3 WASHER
3 1960236 2 SPACER
4 1723305 1 SHAFT & BAR ASSEMBLY
5 1924366 7 WASHER
6 1722036 2 ROLLER
7 1668513 6 ROLLER
8 1717675 1 ROLLER
9 1602946 1 SPACER
10 1919381 4 WASHER
11 960643 2 NUT, Hex Flange Lock, 5/16-18
12 1960170 2 WASHER, 3/8
13 1924940 8 WASHER
14 176012 1 RETAINER, Pin
15 1725043 1 LINK & PIN ASSEMBLY
16 1722460 1 PIN, Retaining
17 1931352 1 CARRIAGE BOLT, 3/8-16 x 1-1/2
18 1722663 1 SHAFT & ARM ASSEMBLY
19 1720659 1 STOP, Up
20 1931202 4 CAPSCREW, Hex Head Taptite, 5/16-18 x 1-1/4
21 1665374 3 STRAP
22 1723470 1 DECAL, Height of Cut
23 1720931 1 BRACKET, Height of Cut
24 1919438 2 NUT, Hex ESNA, 3/8-16
25 1664847 2 CAPSCREW, Hex Head Taptite, 5/16-18 x 3/4
26 960681 5 NUT, Spiral Flange Toplock, 3/8-16
27 1704082 1 NUT, Hex Adjusting
28 1704073 1 BAR
29 1677507 1 SLIDE
30 1924361 1 WASHER
31 172622 3 SHOULDER BOLT, 3/8-16
32 1960520 1 NUT, Push
33 1930651 1 NUT, Hex Centerlock, 3/8-16
34 1960703 2 WASHER, 21/32 x 1 x 1/64
35 1706644 1 SPACER
36 1921332 2 CAPSCREW, Hex Head, 5/16-18 x 3/4
37 1722661 1 ROD, Adjusting
38 1922606 1 CAPSCREW,Hex Head, 3/8-16 x 1-3/4, GR8
39 1915726 2 NUT, Hex, 5/8-11
40 118053 1 PIN, Round Head Drilled, 3/8 x 2
41 1706645 1 TRUNNION
42 1920397 1 NUT, Hex Lock ESNA, 1/4-20
43 1720599 1 LATCH, "U"
44 1721257 1 ROD
The above parts group applies to the following Mfg. Nos.:
2003 69
© Copyright Simplicity Manufacturing, Inc. All Rights Reserved.
1694331 - 40 inch Mower
1694338 - 40 inch Mower
TP 400-3764-02-BR-SM

40 inch Mower Deck - Height Adjustment & Roller Bar (Serial No. 2000 and Above)
NOTE: Unless noted otherwise,
use the standard hardware torque
specification chart.
Note: Apply thread
locking compound
to hole.
Insert Must
Face Out
Insert Must
Face Out
11
17
18
16
27
25
29
22
28
33
26
23
30
31
37
35
39
32
38
40
41
47
45
49
42
48
44
46
43
50 7
5
9
2
8
4
6
3
1
2
3
7
7
7
7
7
19 20
21
13
5
6
5
26
13
34
39
34
52
51
53
5
5
54
10 55
20
13
54
10
11
26
26
56
57
13 58
21 31
12
59
60
15
14
13
61
24
1
63
2
64
65 62
70
67
66
69
13
68
S2986291
The above parts group applies to the following Mfg. Nos.:
2003 70
© Copyright Simplicity Manufacturing, Inc. All Rights Reserved.
1694331 - 40 inch Mower
1694338 - 40 inch Mower
TP 400-3764-02-BR-SM

PART NO. DESCRIPTIONREF NO QTY.
40 inch Mower Deck - Height Adjustment & Roller Bar (Serial No. 2000 and Above)
Footnotes
45 1921159 1 CAPSCREW, Hex Head 1/4-20 x 2-1/4
46 1931335 2 CARRIAGE BOLT, 5/16-18 x 1
47 1917372 2 NUT, Hex, 5/16-18
48 1917356 2 LOCKWASHER, 5/16
49 1720695 1 HANDLE ASSEMBLY, Lift
50 1723321 1 SPRING, Compression
51 1960674 1 NUT, Push
52 1713995 1 GRIP, Black
53 1723124 1 BUTTON, Red
54 1933988 4 NUT, Push
55 1719929 1 UPSTOP
56 1669585 4 SPACER
57 1714760 2 WHEEL, Gauge
58 1923903 2 CAPSCREW, Hex Head, 3/8-16 x 3
59 1916965 2 LOCKWASHER, 3/3
60 1916950 2 NUT, Hex, 3/8-16
61 1918265 1 WASHER, 11/32 x 11/16 x 1/16
62 1918447 1 PIN, Cotter, 15/16 x 3/4
63 1723409 1 BRACKET, Adjusting
64 1666697 1 SPACER, 21/64 x 1/2 x 7/32
65 108512 1 PIVOT, 3/4 Hex
66 1917421 1 NUT, Hex Jam, 3/8-16 NC-2B
67 1960601 1 NUT, Hex Flange, 3/8-16
68 108241 1 GUIDE ASSEMBLY, Rod
69 1720704 1 ROD & WASHER ASSEMBLY, Adjustment Handle
70 1651820 1 GRIP, Black Vinyl
The above parts group applies to the following Mfg. Nos.:
2003 71
© Copyright Simplicity Manufacturing, Inc. All Rights Reserved.
1694331 - 40 inch Mower
1694338 - 40 inch Mower
TP 400-3764-02-BR-SM

40 inch Mower Deck - Housing, Arbors & Blade (Serial No. 1999 and Below)
NOTE: Unless noted otherwise,
use the standard hardware torque
specification chart.
Torque screws to
50-70 ft/lbs
(68-95 Nm.)
Torque screws to
50-70 ft/lbs
(68-95 Nm.)
RH LH
Torque to 45-55 ft/lbs
(61-75 Nm.)
19
28 13
27
34
29
30
31
1
24
33
31
30
29
3
28
13
27
21
26
25
23
35
20
18
17
12
11
13
16
15
22
32
13
2
4
9
10
7
8
6
113
14
26
36
5
5
36
S0986247
The above parts group applies to the following Mfg. Nos.:
2003 72
© Copyright Simplicity Manufacturing, Inc. All Rights Reserved.
1694331 - 40 inch Mower
1694338 - 40 inch Mower
TP 400-3764-02-BR-SM

PART NO. DESCRIPTIONREF NO QTY.
40 inch Mower Deck - Housing, Arbors & Blade (Serial No. 1999 and Below)
Footnotes
1 1724600 1 COVER, Arbor, RH
2 1721132 1 GUARD, Extension
3 1675044 4 RIVET, Pop
4 1960096 2 WASHER
5 1703273 2 HOUSING, Arbor, Bottom w/Lube Fitting
6 1722396 2 ARBOR & BEARING ASSEMBLY
7 1707335 2 GASKET
8 1655729 2 HOUSING, Arbor, Top
9 1657969 2 SHIELD, Bearing
10 1724453 2 SPROCKET & FLANGE ASSEMBLY, 38 Tooth
11 1719862 1 HUB
12 1713091 1 PULLEY, 5" OD
13 1656916 4 WASHER, Spring
14 1933263 1 WASHER
15 1930584 1 CAPSCREW, Hex Head, 7/16-14 x 2-3/4, GR8
16 960644 1 CAPSCREW, Hex Head, 7/16-14 x 4-1/2, GR8
17 1722577 1 TUBE CONNECTOR
18 1923341 1 CAPSCREW, Hex Head Phillips, 1/4-20 x 3/4
19 171600 1 STRAP, Black Rubber
20 1920397 1 NUT, Hex Nylock, 1/4-20
21 1721258 1 GUARD & BRACKET ASSEMBLY, LH
22 1664847 6 CAPSCREW, Hex Head Taptite, 5/16-18 x 3/4
23 1724601 1 COVER, Arbor, LH
24 1686979 1 HOUSING ASSEMBLY
24 41686979 1 HOUSING ASSEMBLY, Red
25 1719736 1 BLADE, Mower, LH
26 1722258 2 PIN, Blade
27 1722257 2 WASHER, Spline
28 927120 2 CAPSCREW, Hex Head, 7/16-14 x 2-1/4, GR8
29 1655777 2 ADAPTER, Blade
30 1700229 2 SHIELD, Bearing
31 1700230 2 WASHER, Shim
32 1677274 2 ADAPTER, Arbor
33 1960373 12 CAPSCREW, Hex Head Taptite, 5/16-18 x 1
34 1719737 1 BLADE, Mower, RH
35 1921319 1 WASHER, 1/4
36 1704314 2 FITTING, Lube
The above parts group applies to the following Mfg. Nos.:
2003 73
© Copyright Simplicity Manufacturing, Inc. All Rights Reserved.
1694331 - 40 inch Mower
1694338 - 40 inch Mower
TP 400-3764-02-BR-SM

40 inch Mower Deck - Housing, Arbors & Blade (Serial No. 2000 and Above)
NOTE: Unless noted otherwise,
use the standard hardware torque
specification chart.
Torque screws to
50-70 ft/lbs
(68-95 Nm.)
Torque screws to
50-70 ft/lbs
(68-95 Nm.)
RH LH
Torque to 45-55 ft/lbs
(61-75 Nm.)
19
28 13
27
34
29
30
31
1
24
33
31
30
29
3
28
13
27
21
26
25
23
35
20
18
17
12
11
1338
16
15
22
32
13
2
4
9
10
7
8
6
113
14
26
36
5
5
36 37
S2986247
The above parts group applies to the following Mfg. Nos.:
2003 74
© Copyright Simplicity Manufacturing, Inc. All Rights Reserved.
1694331 - 40 inch Mower
1694338 - 40 inch Mower
TP 400-3764-02-BR-SM

PART NO. DESCRIPTIONREF NO QTY.
40 inch Mower Deck - Housing, Arbors & Blade (Serial No. 2000 and Above)
Footnotes
1 1724600 1 COVER, Arbor, RH
2 1721132 1 GUARD, Extension
3 1675044 4 RIVET, Pop
4 1960096 2 WASHER
5 1703273 2 HOUSING, Arbor, Bottom w/Lube Fitting
6 1722396 1 ARBOR SHAFT & BEARING ASSEMBLY
7 1707335 2 GASKET
8 1655729 2 HOUSING, Arbor, Top
9 1657969 2 SHIELD, Bearing
10 1724453 2 SPROCKET & FLANGE ASSEMBLY, 38 Tooth
11 1719862 1 HUB
12 1713091 1 PULLEY, 5" OD
13 1656916 2 WASHER, Spring
14 1933263 1 WASHER
15 1930584 1 CAPSCREW, Hex Head, 7/16-14 x 2-3/4, GR8
16 1714419 1 NUT, Hex Flange, 9/16-18
17 1722577 1 TUBE CONNECTOR
18 1923341 1 CAPSCREW, Hex Head Phillips, 1/4-20 x 3/4
19 171600 1 STRAP, Black Rubber
20 1920397 1 NUT, Hex Nylock, 1/4-20
21 1721258 1 GUARD & BRACKET ASSEMBLY, LH
22 1664847 6 CAPSCREW, Hex Head Taptite, 5/16-18 x 3/4
23 1724601 1 COVER, Arbor, LH
24 1686979 1 HOUSING ASSEMBLY
24 41686979 1 HOUSING ASSEMBLY, Red
25 1719736 1 BLADE, Mower, LH
26 1722258 2 PIN, Blade
27 1722257 2 WASHER, Spline
28 927120 2 CAPSCREW, Hex Head, 7/16-14 x 2-1/4, GR8
29 1655777 2 ADAPTER, Blade
30 1700229 2 SHIELD, Bearing
31 1700230 2 WASHER, Shim
32 1677274 2 ADAPTER, Arbor
33 1960373 12 CAPSCREW, Hex Head Taptite, 5/16-18 x 1
34 1719737 1 BLADE, Mower, RH
35 1921319 1 WASHER, 1/4
36 1704314 2 FITTING, Lube
37 1726826 1 ARBOR SHAFT & BEARING ASSEMBLY
38 1713675 2 WASHER, Belleville
The above parts group applies to the following Mfg. Nos.:
2003 75
© Copyright Simplicity Manufacturing, Inc. All Rights Reserved.
1694331 - 40 inch Mower
1694338 - 40 inch Mower
TP 400-3764-02-BR-SM

Torque Specification Chart
FOR STANDARD MACHINE HARDWARE (Tolerance ± 20%)
Hardware
Grade
SAE Grade 2 SAE Grade 5 SAE Grade 8
Size Of
in/lbs in/lbs
in/lbs
Hardware ft/lbs Nm. ft/lbs Nm. ft/lbs Nm.
8-32
19
2.1
30
3.4
41
4.6
8-36
20
2.3
31
3.5
43
4.9
10-24
27
3.1
43
4.9
60
6.8
10-32
31
3.5
49
5.5
68
7.7
1/4-20
66
7.6 810.9 12 16.3
1/4-28
76
8.6 10 13.6 14 19.0
5/16-18 11 15.0 17 23.1 25 34.0
5/16-24 12 16.3 19 25.8 27 34.0
3/8-16 20 27.2 30 40.8 45 61.2
3/8-24 23 31.3 35 47.6 50 68.0
7/16-14 30 40.8 50 68.0 70 95.2
7/16-20 35 47.6 55 74.8 80 108.8
1/2-13 50 68.0 75 102.0 110 149.6
1/2-20 55 74.8 90 122.4 120 163.2
9/16-12 65 88.4 110 149.6 150 204.0
9/16-18 75 102.0 120 163.2 170 231.2
5/8-11 90 122.4 150 204.0 220 299.2
5/8-18 100 136 180 244.8 240 326.4
3/4-10 160 217.6 260 353.6 386 525.0
3/4-16 180 244.8 300 408.0 420 571.2
7/8-9 140 190.4 400 544.0 600 816.0
7/8-14 155 210.8 440 598.4 660 897.6
1-8 220 299.2 580 788.8 900 1,244.0
1-12 240 326.4 640 870.4 1,000 1,360.0
Hex Head Capscrew
Hex Nut
Lockwasher
Washer
Carriage Bolt
NOTES
1. These torque values are to be used for all hardware
excluding: locknuts, self-tapping screws, thread forming
screws, sheet metal screws and socket head setscrews.
2. Recommended seating torque values for locknuts:
a. for prevailing torque locknuts - use 65% of grade 5
torques.
b. for flange whizlock nuts and screws - use 135% of
grade 5 torques.
3. Unless otherwise noted on assembly drawings, all torque
values must meet this specification.
Hardware Identification & Torque Specifications
Common Hardware Types
Screw, 1/2 x 2
Body
Diameter
Body
Length
Inside
Diameter
Nut, 1/2”
No
Marks
3/8” Bolt or Nut
Wrench—9/16”
3/8
5/16” Bolt or Nut
Wrench—1/2”
5/16
1/4” Bolt or Nut
Wrench—7/16”
1/4
1/2” Bolt or Nut
Wrench—3/4”
1/2
DIA.
7/16
DIA.
7/16” Bolt or Nut
Wrench (Bolt)—5/8”
Wrench (Nut)—11/16”
Wrench & Fastener Size Guide
Standard Hardware Sizing
When a washer or nut is identified as 1/2”, this is the
Nominal size
, meaning the
inside diameter
is 1/2 inch; if a
second number is present it represent the
threads per inch
When bolt or capscrew is identified as 1/2 - 16 x 2”, this
means the
Nominal size
, or
body diameter
is 1/2 inch; the
second number represents the
threads per inch
(16 in this
example, and the final number is the
body length
of the
bolt or screw (in this example 2 inches long).
The guides and ruler furnished below are designed to
help you select the appropriate hardware and tools.
0
1/4 3/4
1/2
1
1/4 3/4
1/2
2
1/4 3/4
1/2
3
1/4 3/4
1/2
4

500 N. Spring Street / PO Box 997
Port Washington, WI 53074-0997 USA
www.simplicitymfg.com
MANUFACTURING, INC.
© Copyright Simplicity Manufacturing, Inc.
All Rights Reserved. Printed In USA.
2003