Simplicity Broadmoor 1600 Users Manual TP_400_2324_01_BM_SMA
1600 to the manual e8aeb6b4-9f32-486b-8d2a-b707a15f135a
2014-12-13
: Simplicity Simplicity-Broadmoor-1600-Users-Manual-127258 simplicity-broadmoor-1600-users-manual-127258 simplicity pdf
Open the PDF directly: View PDF
.
Page Count: 48

Parts Manual
BROADMOOR / 1600 / 2600
SERIES HAND CONTROL LAWN TRACTORS
& MOWER DECKS
16HP HAND CONTROL TRACTORS
Mfg. No. Description
1693839 Broadmoor, 16 HP Hydro
1693841 Broadmoor, 16 HP Hydro (Export)
1693843 1615HC, 16 HP Hydro
1693845 2615HC, 16 HP Hydro
MOWER DECKS
Mfg. No. Description
1692684 44” Mower Deck
1692685 44” Mower Deck
1693171 44” Mower Deck (Export)
1694062 44” Mower Deck
17HP HAND CONTROL TRACTORS
Mfg. No. Description
1693694 Broadmoor, 17 HP Hydro
1693696 Broadmoor, 17 HP Hydro (Export)
1693698 1617HC, 17 HP Hydro
1693700 2617HC, 17 HP Hydro
Rev . 7/2001
TP 400-2324-01-BM-SMA

© Copyright 2000 Simplicity Manufacturing, Inc.
All Rights Reserved. Printed In USA.
MANUFACTURING, INC.
500 N Spring Street / PO Box 997
Port Washington, WI 53074-0997 USA

1
TP 400-2324-01-BM-SMA
Table of Contents
© Copyright 2001 Simplicity Manufacturing, Inc. All Rights Reserved.
This Manual Covers The Following Products:
16HP HAND CONTROL LAWN TRACTORS PAGES
1693839 16 HP Hydro 2, 4, 6, 10, 12, 14
1693841 16 HP Hydro (Export) 16, 18, 20, 22, 24
1693843 1615HC, 16 HP Hydro 26, 28, 30, 32, 34
1693845 2615HC, 16 HP Hydro
17HP HAND CONTROL LAWN TRACTORS PAGES
1693694 17 HP Hydro 2, 4, 8, 10, 12, 14
1693696 17 HP Hydro (Export) 16, 18, 20, 22, 24
1693698 1617HC, 17 HP Hydro 26, 28, 30, 32, 34
1693700 2617HC, 17 HP Hydro
44” MOWER DECKS PAGES
1692684 44” Mower Deck 36, 38, 40
1692685 44” Mower Deck
1693171 44” Mower Deck (Export)
1694062 44” Mower Deck
ANTI-BLOWOUT BAFFLES (Optional) PAGES
1696690 44” Anti-Blowout Baffles 42
LAWN TRACTOR COMPONENTS
Frame & Front Axle Group . . . . . . . . . . . . . . . . . . . . 2
Steering Group. . . . . . . . . . . . . . . . . . . . . . . . . . . . . 4
Engine & Electric Clutch Group - 17 HP B&S . . . . . . 6
Engine & Electric Clutch Group - 16 HP Kohler . . . . 8
Transmission Group . . . . . . . . . . . . . . . . . . . . . . . . 10
Transmission SERVICE PARTS –
Tuff Torq K51 Transaxle. . . . . . . . . . . . . . . . . . . . . 12
Foot Controls Group. . . . . . . . . . . . . . . . . . . . . . . . 16
Hand Controls Group . . . . . . . . . . . . . . . . . . . . . . . 18
Hood, Grille & Dash Group. . . . . . . . . . . . . . . . . . . 20
Seat, Deck & Fuel Tank Group . . . . . . . . . . . . . . . . 22
Electrical Group - Main Harness Lower . . . . . . . . . 24
Electrical Group - Main Harness Upper . . . . . . . . . 26
Front Wheels & Tires Group. . . . . . . . . . . . . . . . . . 28
Rear Wheels & Tires Group . . . . . . . . . . . . . . . . . . 30
Decal Group - Safety & Common . . . . . . . . . . . . . . 32
Decal Group - Brand & Model . . . . . . . . . . . . . . . . 34
MOWER DECK COMPONENTS
44” Mower Deck - Housing, Arbors & Blades . . . . 36
44” Mower Deck - Belt, Pulley & Hitch. . . . . . . . . . 38
44” Mower Deck - Height Adjustment & Rollers . . 40
REFERENCE INFORMATION
Part Number Index . . . . . . . . . . . . . . . . . . . . . . . . . 44
Torque Specification Chart . . . . . . . Inside Back Cover

Torque to 70 - 90 ft. lbs.
Left Hand
Rear Bolt
Only
Grease
15
14
13
12
12
11
10
9
8
8
7
6
5
5
4
3
3
2
2
1
5
16
2
TP 400-2324-01-BM-SMA
© Copyright 2001 Simplicity Manufacturing, Inc. All Rights Reserved.
Frame & Front Axle Group
NOTE: Unless noted otherwise,
use the standard hardware torque
specification chart.
985705
The above parts group applies to the following Mfg. Nos.:
1693694 Broadmoor 17HP Hydro
1693696 1617HC 17HP Hydro
1693698 2617HC 17HP Hydro
1693700 12617HC 17HP Hydro
1693839 Broadmoor 16HP Hydro
1693841 Broadmoor 16HP Hydro (Export)
1693843 1615HC, 16HP Hydro
1693845 2615HC, 16HP Hydro

3
TP 400-2324-01-BM-SMA
Frame & Front Axle Group
1 1718855 1 FRAME ASSEMBLY
2 1703968 2 SUPPORT, Seat
3 1934654 3 CAPSCREW, Hex Flange Head, Whizlock, 3/8-16 x 1
4 1919439 3 NUT, Hex Nylon Lock, 3/8-16
5 1704351 15 FASTENER, Panel
6 1720752 1 PAD, Footrest, LH
7 1960270 1 NUT, Hex, Full Lock, 3/4-16
8 176440 4 BUSHING
9 1704314 2 GREASE FITTING
10 1703475 1 AXLE ASSEMBLY, Front
11 1718856 1 AXLE PIVOT ASSEMBLY
12 960530 2 WASHER, Special
13 1720753 1 PAD, Footrest, RH
14 1720712 1 PLATE, Cover
15 1960251 1 NUT, Jam, Hex, Center Lock, 3/8-16
16 1708046 1 COVER, Rear
REF NO. PART NO. QTY. DESCRIPTION
Footnotes:
The above parts group applies to the following Mfg. Nos.:
1693694 Broadmoor 17HP Hydro
1693696 1617HC 17HP Hydro
1693698 2617HC 17HP Hydro
1693700 12617HC 17HP Hydro
1693839 Broadmoor 16HP Hydro
1693841 Broadmoor 16HP Hydro (Export)
1693843 1615HC, 16HP Hydro
1693845 2615HC, 16HP Hydro

NOTE: To index wheel,
loosen nuts {Ref 28 } and
adjust, then torque nuts
to 13 ft. lbs.
{Ref 14} Apply
Loctite #271.
Torque to
20-30 ft. lbs.
{Ref 11} Torque
to 36-44 ft. lbs.
{in two places}.
Pitman Arm shaft
{Ref 18} to protrude
9/16" above top of
steering gear hub
assembly {Ref 15}.
Coat gear teeth
with grease.
{Ref 12} Grease bushings
{three locations}.
NOTE: Adjust drag link {Ref 29}
as required so that spindle stops
contact the frame equally on LH
and RH sides. Torque nut {Ref
27} to 13 ft. lbs. after
adjustment.
Grease
before
assembly.
See Front Wheels & Tires
group for wheel assembly and
attaching parts.
Washer {Ref 34}
must be on
inside of wheel.
1
2
3
4
5
6
7
8
9
10
11
13
14
7
12
9
7
15
16
17
18
19 20
21
22
23
24
25
26
27
28
29
23
24
28
27
27
27
30
31
36
37
35
33
33
34
30
31
32
36
9
25
26
12
12
4
TP 400-2324-01-BM-SMA
© Copyright 2001 Simplicity Manufacturing, Inc. All Rights Reserved.
Steering Group
NOTE: Unless noted otherwise,
use the standard hardware torque
specification chart.
984720
The above parts group applies to the following Mfg. Nos.:
1693694 Broadmoor 17HP Hydro
1693696 1617HC 17HP Hydro
1693698 2617HC 17HP Hydro
1693700 12617HC 17HP Hydro
1693839 Broadmoor 16HP Hydro
1693841 Broadmoor 16HP Hydro (Export)
1693843 1615HC, 16HP Hydro
1693845 2615HC, 16HP Hydro

5
TP 400-2324-01-BM-SMA
Steering Group
1 1686651 1 STEERING WHEEL ASSEMBLY (Includes Ref. Nos. 2 & 3)
2 1714097 1 CAP, Steering Wheel
3 1960540 1 PIN, Spring, 5/8 x 2
4 1714400 1 TUBE, Steering
5 1720122 1 SHAFT ASSEMBLY, Steering
6 1919314 1 COTTER PIN, 3/16 x 1-1/4
7 1960114 7 WASHER, Plain, 49/64
8 1960529 1 WASHER, Plain
9 1931350 4 CARRIAGE BOLT, 3/8-16 x 1
10 1703508 1 PLATE, Mounting, Steering
11 1928352 2 NUT, Hex Flange, 3/8-16
12 176440 3 BUSHING, Nylon
13 1921221 1 CAPSCREW, Hex Head, 5/16-18 x 1-1/2
14 1928721 2 SETSCREW, Square. Head, 5/16-18 x 1/2 G8
15 1703513 1 GEAR ASSEMBLY, Steering
16 1716117 1 SECTOR MOUNTING PLATE
17 1960373 2 CAPSCREW, Taptite, 5/16-18 x 1
18 1703512 1 PITMAN ARM ASSEMBLY
19 930670 1 KEY, Hi Pro
20 1673796 1 SPACER, Stop
21 1919438 1 NUT, Hex Nylon Lock, 5/16-18
22 1685478 1 DRAG LINK KIT, (Includes Ref. Nos. 23, 24, 25, 26, 27, 28 & 29)
23 1921968 2 CAPSCREW, Hex Head, 3/8-16 x 1-3/8
24 1708236 2 SPACER
25 1702779 2 BALL JOINT, Flat
26 1922755 2 WASHER, Plain, 3/8
27 1930645 4 NUT, Hex Flange, 2-Way Lock, 3/8-16
28 1919262 2 NUT, Hex Jam, 1/2-20
29 1708084 1 DRAG LINK
30 1704420 2 KLIP RING, 5/8
31 1960020 2 WASHER, 5/8
32 1706997 1 STEERING ARM ASSEMBLY, LH, Splined
33 1715308 2 SPINDLE ASSEMBLY, Splined (with welded cup washer)
34 1960160 2 WASHER, Special
35 1706956 1 TIE ROD
36 1611705 2 SPACER
37 1706996 1 STEERING ARM ASSEMBLY, RH, Splined
REF NO. PART NO. QTY. DESCRIPTION
Footnotes:
The above parts group applies to the following Mfg. Nos.:
1693694 Broadmoor 17HP Hydro
1693696 1617HC 17HP Hydro
1693698 2617HC 17HP Hydro
1693700 12617HC 17HP Hydro
1693839 Broadmoor 16HP Hydro
1693841 Broadmoor 16HP Hydro (Export)
1693843 1615HC, 16HP Hydro
1693845 2615HC, 16HP Hydro

Rear RH
Hole
NOTE: Torque the four
engine mounting bolts
to 28 - 34 ft. lbs.
Install in dash
CHOKE hole.
Torque to
35 - 45 in. lbs.
Heat to 100˚ F
for installation.
Prevent hex washer (17) from turning
and torque capscrew (19) to 45 - 50 ft. lbs.
Coat all threads with
teflon sealant.
NOTE: Apply anti-seize
compound to crankshaft
before installing pulley.
NOTE: Torque to
9 - 13 ft. lbs.
Front RH
Hole.
Align slot in
clutch with anchor
pin on frame.
Note:
Orentation
of All Keys
Ref. No. 38 can
be used to replace
both Ref. Nos. 9.
Ref. No. 14 must be
removed to do this.
Tie clutch wire to
clutch away from
belt & pully.
37
36
35
34
33
32
29
28
27
26
25
24
23
22
21
20
19
18 17
16
15
13
12
11
10
9
8 7
6
5
4
12
13
14
31
30
6
9
29
28
32
12
29
3
38
39
985718
Engine & Electric Clutch Group - 17HP Briggs & Stratton
NOTE: Unless noted otherwise,
use the standard hardware torque
specification chart.
6
TP 400-2324-01-BM-SMA
© Copyright 2001 Simplicity Manufacturing, Inc. All Rights Reserved.
NOTE: Unless noted otherwise,
use the standard hardware torque
specification chart.
The above parts group applies to the following Mfg. Nos.:
1693694 Broadmoor 17HP Hydro
1693696 1617HC 17HP Hydro
1693698 2617HC 17HP Hydro
1693700 12617HC 7HP Hydro

Engine & Electric Clutch Group - 17HP Briggs & Stratton
7
TP 400-2324-01-BM-SMA
REF NO. PART NO. QTY. DESCRIPTION
Footnotes:
The above parts group applies to the following Mfg. Nos.:
1693694 Broadmoor 17HP Hydro
1693696 1617HC 17HP Hydro
1693698 2617HC 17HP Hydro
1693700 12617HC 7HP Hydro
1 * 1 ENGINE, 17HP Briggs & Stratton Vanguard
2 1708405 1 VALVE, Shut-off
3 1714065 1 CONTROL, Throttle, Includes Cable
4 1713846 1 KNOB
5 1960536 2 SCREW, Hex Washer Head, Plastite, 1/4-10 x 1/2
6 960112 2 CLAMP, Hose
7 1708549 1 HOSE, Fuel, 1/4 ID x 1/2 OD x 38” Long
8 173206 1 FILTER, Fuel
9 171241 2 KEY
10 1704307 1 PULLEY
11 1704419 1 BELT STOP
12 1924940 2 WASHER, 3/8
13 1930598 3 SCREW, Hex Washer Head Taptite, 3/8-16 x 1-1/2
14 1919394 1 WASHER
15 1717664 1 ELECTRIC CLUTCH
16 1705358 1 FASTENER, Panel
17 1708264 1 WASHER, Hex, Special
18 1918199 1 LOCKWASHER, 7/16
19 1960370 1 CAPSCREW, Hex Head, 7/16-20 x 2-1/2
20 930598 1 SCREW, Hex Washer Head Taptite, 3/8-16 x 1-1/2
21 920427 1 LOCKWASHER, External Tooth, 3/8
22 1704357 1 DUCT, Muffler, Bottom
23 1960368 4 NUT, Speed, Lug Type, 1/4-20
24 1703971 1 MUFFLER
25 1935255 1 NUT, Speed, Lug Type, 5/16-18
26 1931342 1 CARRIAGE BOLT, 5/16-18 x 2-3/4
27 1676183 1 CLAMP, Exhaust
28 1919326 2 WASHER, 5/16
29 1917356 4 LOCKWASHER, 5/16
30 1917372 1 NUT, Hex, 5/16-18
31 1921333 1 CAPSCREW, Hex Head, 5/16-18 x 1
32 934683 2 CLIP, Speed, 1/8
33 1960295 4 SCREW, Hex Whizlock Flange, 1/4-20 x 5/8
34 1713300 1 DUCT, Muffler, Top
35 1713302 1 PIPE, Exhaust
36 1936228 2 CAPSCREW, Hex Socket Head, 5/16-18 x 3/4, G 8
37 1650670 1 GASKET, Exhaust
38 105337 ** 1 KEY
39 932747 1 TIE, Self Locking
Footnotes:
* See your local Briggs & Stratton distributor for service parts.
** Ref. No. 38 can be used to replace both Ref. Nos. 9. Ref. 14 must be removed to do this.

8
TP 400-2324-01-BM-SMA
© Copyright 2001 Simplicity Manufacturing, Inc. All Rights Reserved.
Engine & Electric Clutch Group - 16HP Kohler
NOTE: Unless noted otherwise,
use the standard hardware torque
specification chart.
985804
The above parts group applies to the following Mfg. Nos.:
1693839 16HP Broadmoor Hydro
1693841 16HP Broadmoor Hydro (Export)
1693843 16HP 1615HC Hydro
1693845 16HP 2615HC Hydro
Note:
Orentation
of All Keys
Ref. No. 40 can
be used to replace
both Ref. Nos. 13.
Ref. No. 39 must be
removed to do this.
2
4
5
6
3
7
9
7
8
10
11
12
16
17
18
15
120
22
14
23
24
25
26
27
28
29
30 16
31
32
33
30 16 34
17 16
15
36
37
38
37
Apply anti-sieze
lubricant to crankshaft
Install into
choke hole of
dashboard.
Coat threads
with sealant.
Torque engine
mounting screws to
40 ft. lbs. (4 places).
Hold hex washer
and torque to
45-50 ft. lbs.
35
16
RH
only
39
40
13
21
19
Tie clutch wire to
clutch away from
belt & pully.
41
13

9
TP 400-2324-01-BM-SMA
Engine & Electric Clutch Group - 16HP Kohler
1 1717664 1 ELECTRIC CLUTCH
2 ** 1 SPRING & NUT KIT
3 * 1 ENGINE, 16HP Kohler CV 460
4 1713846 1 KNOB, Throttle
5 1714065 1 THROTTLE CONTROL ASSEMBLY
6 1960536 2 CAPSCREW, Hex Washer Head, Plastite, 1/4-20 x 1/2
7 960112 2 CLAMP, Hose
8 173206 1 FUEL FILTER
9 1718678 1 HOSE, Fuel, 45-1/2
10 1901491 1 PIPE NIPPLE, 3/8 x 2
11 1673453 1 STREET ELBOW, 3/8 Pipe
12 1667346 1 CAP, Pipe
13 171241 2 KEY
14 1704419 1 BELT STOP
15 1919381 4 WASHER, Flat, 5/16
16 1917356 8 LOCKWASHER, 5/16
17 1960405 4 CAPSCREW, Taptite, M8-1-1/4 x 30 mm
18 1705358 1 FASTENER, Panel
19 1708264 1 WASHER, Hex
20 1918199 1 LOCKWASHER, 7/16
21 1960370 1 CAPSCREW, 7/16-20 x 2-1/2
22 1704307 1 PULLEY ASSEMBLY
23 * 1 NUT, Exhaust
24 1704357 1 DUCT, Lower Muffler
25 1960368 4 PAL NUT, 1/4-20
26 1703971 1 MUFFLER ASSEMBLY
27 1935255 1 PAL NUT, 5/16-18
28 1931342 1 CARRIAGE BOLT, 5/16-18 x 2-3/4
29 1676183 1 CLAMP, Muffler
30 1919326 2 WASHER, 5/16
31 1917372 1 NUT, Hex, 5/16-18
32 1705347 1 PIPE, Exhaust
33 * 1 GASKET, Exhaust
34 1921333 1 CAPSCREW, Hex Head, 5/16-18 x 1
35 920426 1 LOCKWASHER, External Tooth, 5/16
36 1722104 1 DUCT, Top, Muffler
37 934683 2 CLIP
38 1960295 4 CAPSCREW, Hex Flange Head, Whizlock, 1/4-20 x 5/8
39 1919394 1 WASHER
40 105337 *** 1 KEY
41 932747 1 TIE, Self Locking
REF NO. PART NO. QTY. DESCRIPTION
Footnotes:
* See Your Local Kohler Dealer
** Not Serviced
*** Ref. No. 40 can be used to replace both Ref. Nos. 13. Ref. 39 must be removed to do this.
The above parts group applies to the following Mfg. Nos.:
1693839 16HP Broadmoor Hydro
1693841 16HP Broadmoor Hydro (Export)
1693843 16HP 1615HC Hydro
1693845 16HP 2615HC Hydro

Torque to
95 - 120 ft. lbs.
To Slot "A"
Slot "A"
Slot "B"
To Slot "B"
20
49
48
47
46
45
44
43
42
41
40
39
38
37
36
35
34
8
33
32
31
30
28
26 25
24
23
22 21 20
17
16
15
14
13
12
11
9
8
7
6
5
4
3
1
2
2
(Right Side)
(Left Side)
To Pulley (47)
10
Wheel Hub
13
19
18
23
22
21
23
22
21
10
27
26
10
2
2
39
29
29
20 1
2
See Foot
Controls Group
21
20
25
2
50
51
10
TP 400-2324-01-BM-SMA
© Copyright 2001 Simplicity Manufacturing, Inc. All Rights Reserved.
Transmission Group
NOTE: Unless noted otherwise,
use the standard hardware torque
specification chart.
985716
The above parts group applies to the following Mfg. Nos.:
1693694 Broadmoor 17HP Hydro
1693696 1617HC 17HP Hydro
1693698 2617HC 17HP Hydro
1693700 12617HC 17HP Hydro
1693839 Broadmoor 16HP Hydro
1693841 Broadmoor 16HP Hydro (Export)
1693843 1615HC, 16HP Hydro
1693845 2615HC, 16HP Hydro

11
TP 400-2324-01-BM-SMA
Transmission Group
1 1923362 5 LOCKNUT, 5/16-18
2 1931277 6 LOCKNUT, Small Flange, 5/16-18
3 1921333 1 CAPSCREW, Hex Head, 5/16-18 x 1
4 1923141 2 CAPSCREW, Hex Head, 5/16-18 x 2-3/4, RH
5 1926106 2 CAPSCREW, Hex Head, 5/16-18 x 3-1/4, LH
6 1933958 3 SCREW, Hex Washer Head, Taptite, 1/4-20 x 1-1/8
7 1707933 1 FAN, 10 Blade Nylon
8 159106 2 SPRING, Extension
9 1720218 2 SPACER, Rectangular, 1 x 3 x 1/4
10 1918447 5 PIN, Cotter
11 1720216 1 ROD, Brake Link
12 1717749 2 KEY
13 960202 8 WASHER, 3/4
14 1717451 2 SPACER
15 927794 2 RING, Retaining, External, 3/4
16 1960141 4 WASHER, 5/16, 0.13 Thick
17 1720876 1 TRANSAXLE, TuffTorq K51,
See Transmission Service Parts - Tuff Torq K51 Transaxel
18 1935048 2 LOCKNUT, Flange, 5/16-18
19 1924874 2 WASHER, 5/16, 0.06 Thick
20 1917372 4 NUT, 5/16
21 1917356 4 LOCKWASHER, 5/16
22 1919326 3 WASHER, 5/16
23 1703900 3 SPACER
24 1720220 1 ROD, 2 Bends Flat Ends, 10” Long
25 1919381 2 WASHER, 5/16
26 1960223 2 CARRIAGE BOLT, 5/16-18 x 1-1/4
27 1924361 2 WASHER, 1/2
28 1720977 1 ROD, Shift
29 1717685 2 STUD, 5/16-18 x 57/64
30 1718039 1 SHOCK ABSORBER
31 1919439 1 LOCKNUT, 3/8-16
32 1708360 1 SPRING, Compression
33 1709896 1 ROD, Brake Guide, 7” Long
34 1655811 1 BOLT, Rod
35 1720208 1 STRAP, Torque, RH
36 1921221 2 CAPSCREW, Hex Head, 5/16-18 x -1/2
37 1923141 1 CAPSCREW, Hex Head, 5/16-18 x 2-3/4
38 1676148 2 BUSHING
39 1720210 1 SHAFT & ARMS ASSEMBLY
40 1960272 1 CAPSCREW, Hex Head, 5/16-18 x 5-1/2
41 1720917 1 ROD, 5 Bends. 11.34” Long
42 1704575 1 COVER
43 1923360 1 PIN, Cotter, 5/8 x 3/4
44 1720209 1 STRAP, Torque, LH
45 1719819 1 BELT, Drive
46 1719902 1 PULLEY ASSEMBLY
47 1960353 1 WASHER, 1/4
48 1916964 1 LOCKWASHER, 1/4
49 1960613 1 CAPSCREW, Hex Head, Metric M06-1 x 20mm, 8.8
50 1722001 1 BRACKET, Limit Speed Control
51 1931332 1 CARRIAGE BOLT, 5/16-18 x 5/8
REF NO. PART NO. QTY. DESCRIPTION
Footnotes:
The above parts group applies to the following Mfg. Nos.:
1693694 Broadmoor 17HP Hydro
1693696 1617HC 17HP Hydro
1693698 2617HC 17HP Hydro
1693700 12617HC 17HP Hydro
1693839 Broadmoor 16HP Hydro
1693841 Broadmoor 16HP Hydro (Export)
1693843 1615HC, 16HP Hydro
1693845 2615HC, 16HP Hydro

62
61
60
59
58
5756
55
54
53
52
51 50
49
48
47
46
45
44
43
42
41
40
39
38
37
36
35
34
33
32
19 18 17
28
27
31
30
29
28
27
26
25
24
23
22
21
20
20
19
18
17
16
15
14
13
11
12
11
10
9
8
7
6
5
4
3
2
63
64
65
66
67
68
69
70
71
72
58
56
57
63
21
156
12
TP 400-2324-01-BM-SMA
© Copyright 2001 Simplicity Manufacturing, Inc. All Rights Reserved.
Transmission Service Parts – Tuff Torq K51 Transaxle
985716_Service_Parts
The above parts group applies to the following Mfg. Nos.:
1693694 Broadmoor 17HP Hydro
1693696 1617HC 17HP Hydro
1693698 2617HC 17HP Hydro
1693700 12617HC 17HP Hydro
1693839 Broadmoor 16HP Hydro
1693841 Broadmoor 16HP Hydro (Export)
1693843 1615HC, 16HP Hydro
1693845 2615HC, 16HP Hydro
NOTE: Unless noted otherwise,
use the standard hardware torque
specification chart.

13
TP 400-2324-01-BM-SMA
Transmission Service Parts – Tuff Torq K51 Transaxle
1 1720416 1 LOWER HOUSING
2 1720420 1 UPPER HOUSING CMP.
3 1718052 1 VENT VALVE
4 1718053 1 FILTER
5 1718054 1 SPRING, Filter
6 1718055 1 SEALING CAP
7 1708691 2 PACKING
8 1720417 1 SHAFT , Bypass
9 1720418 1 LEVER , Bypass
10 1720421 1 PIN
11 1718076 2 RING
12 1720424 1 PUMP SHAFT
13 1708651 1 SEAL, TC
14 1708650 1 RING, Snap
15 1708673 1 BEARING
16 1718109 1 AXLE SHAFT, RH
17 1718110 2 BUSHING
18 1718112 2 THRUST WASHER
19 1718113 2 RING
20 1718111 2 SEAL
21 1718102 1 FINAL GEAR
22 1720441 1 AXLE SHAFT, LH
23 1720437 1 LOCK NUT
24 1720431 1 WASHER
25 1720430 1 SPRING, Friction
26 1720429 1 COLLAR
27 1720432 2 WASHER
28 1720438 2 FRICTION PLATE CMP.
29 1720436 1 STUD
30 1720433 1 CONTROL LEVER
31 1720427 1 CAP, Sealing
32 1718100 1 PIN
33 1718120 1 SEAL,TC
34 1720434 1 CONTROL SHAFT
35 1720723 1 CONTROL ARM ASSEMBLY
36 1707840 1 PIN
37 1718089 2 THRUST METAL
38 1718103 1 DIFF. GEAR KIT
39 1720419 1 SPRING
40 1718061 1 RING, Snap
41 1720426 1 SWASH PLATE CMP.
42 1718088 1 THRUST PLATE B
43 1718086 1 BEARING
44 1718087 1 THRUST PLATE A
45 1718069 2 KNOCK PIN
46 1718084 1 WASHER
47 1718079 1 CYLINDER BLOCK CMP.
48 1718117 1 SHAFT, Brake
49 1718121 1 PACKING
50 1718120 1 SEAL, TC
REF NO. PART NO. QTY. DESCRIPTION
Footnotes:
Continued, next page
The above parts group applies to the following Mfg. Nos.:
1693694 Broadmoor 17HP Hydro
1693696 1617HC 17HP Hydro
1693698 2617HC 17HP Hydro
1693700 12617HC 17HP Hydro
1693839 Broadmoor 16HP Hydro
1693841 Broadmoor 16HP Hydro (Export)
1693843 1615HC, 16HP Hydro
1693845 2615HC, 16HP Hydro

62
61
60
59
58
5756
55
54
53
52
51 50
49
48
47
46
45
44
43
42
41
40
39
38
37
36
35
34
33
32
19 18 17
28
27
31
30
29
28
27
26
25
24
23
22
21
20
20
19
18
17
16
15
14
13
11
12
11
10
9
8
7
6
5
4
3
2
63
64
65
66
67
68
69
70
71
72
58
56
57
63
21
156
14
TP 400-2324-01-BM-SMA
© Copyright 2001 Simplicity Manufacturing, Inc. All Rights Reserved.
Transmission Service Parts – Tuff Torq K51 Transaxle (continued)
985716_Service_Parts
The above parts group applies to the following Mfg. Nos.:
1693694 Broadmoor 17HP Hydro
1693696 1617HC 17HP Hydro
1693698 2617HC 17HP Hydro
1693700 12617HC 17HP Hydro
1693839 Broadmoor 16HP Hydro
1693841 Broadmoor 16HP Hydro (Export)
1693843 1615HC, 16HP Hydro
1693845 2615HC, 16HP Hydro
NOTE: Unless noted otherwise,
use the standard hardware torque
specification chart.

15
TP 400-2324-01-BM-SMA
Transmission Service Parts – Tuff Torq K51 Transaxle (continued)
51 1720442 1 BRAKE CAM KIT (Includes Ref. Nos. 48, 49, & 50)
52 1720217 1 ARM, Brake
53 1718119 1 PLATE, Brake
54 1718122 2 BOLT
55 1718081 1 E-RING
56 1720425 2 MOTOR GEAR
57 1718083 2 BEARING
58 1718080 2 MOTOR SHAFT
59 1718077 1 HOUSING
60 1718070 1 PIN
61 1720422 3 BOLT
62 1718078 1 BEARING
63 1720439 2 WASHER
64 1720440 1 REDUCTION GEAR
65 1718107 1 FINAL PINION
66 1718104 1 REDUCTION SHAFT
67 1718071 1 FILTER
68 1718068 1 CENTER CASE B CMP.
69 1718114 1 DISK, Brake
70 1718115 1 SHOE, Brake
71 1718073 1 CYLINDER BLOCK CMP.
72 1707789 20 TAPPING SCREW
REF NO. PART NO. QTY. DESCRIPTION
Footnotes:
The above parts group applies to the following Mfg. Nos.:
1693694 Broadmoor 17HP Hydro
1693696 1617HC 17HP Hydro
1693698 2617HC 17HP Hydro
1693700 12617HC 17HP Hydro
1693839 Broadmoor 16HP Hydro
1693841 Broadmoor 16HP Hydro (Export)
1693843 1615HC, 16HP Hydro
1693845 2615HC, 16HP Hydro

35
34
19
33 32 31
30
29
28
18
15
14
12
3
13
12
13
9
Stud Welded to
Bottom of Frame
Anchor to Slot in
Frame
5
3
27
26 25
24
23 22
21 20
19
18
17
16
12
11
10
8
7
6
4
2
1
Refer to
Transmission
Group
Also Refer to
Transmission Group
Grease
Grease
8
16
TP 400-2324-01-BM-SMA
© Copyright 2001 Simplicity Manufacturing, Inc. All Rights Reserved.
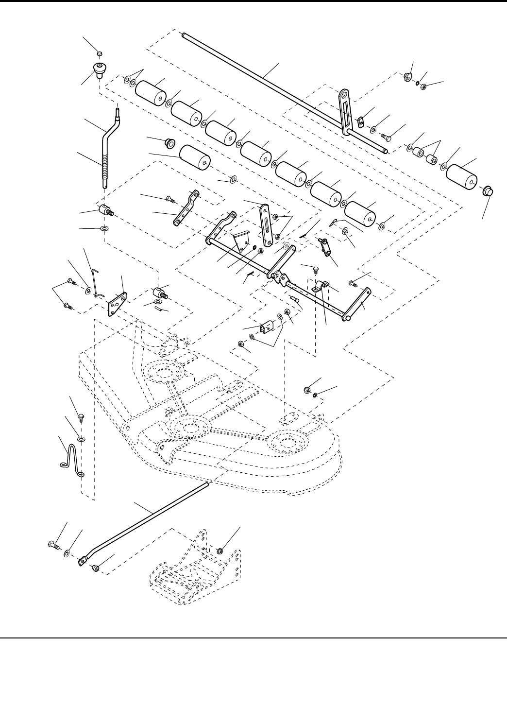
Foot Controls Group
NOTE: Unless noted otherwise,
use the standard hardware torque
specification chart.
985709_Foot
The above parts group applies to the following Mfg. Nos.:
1693694 Broadmoor 17HP Hydro
1693696 1617HC 17HP Hydro
1693698 2617HC 17HP Hydro
1693700 12617HC 17HP Hydro
1693839 Broadmoor 16HP Hydro
1693841 Broadmoor 16HP Hydro (Export)
1693843 1615HC, 16HP Hydro
1693845 2615HC, 16HP Hydro

17
TP 400-2324-01-BM-SMA
REF NO. PART NO. QTY. DESCRIPTION
Footnotes:
The above parts group applies to the following Mfg. Nos.:
1693694 Broadmoor 17HP Hydro
1693696 1617HC 17HP Hydro
1693698 2617HC 17HP Hydro
1693700 12617HC 17HP Hydro
1693839 Broadmoor 16HP Hydro
1693841 Broadmoor 16HP Hydro (Export)
1693843 1615HC, 16HP Hydro
1693845 2615HC, 16HP Hydro
Foot Controls Group
1 1718944 1 PAD, Foot Pedal
2 1717765 1 PEDAL & SHAFT ASSEMBLY, Brake
3 1663114 4 BUSHING
4 1704621 1 CAM, Lift
5 1715002 1 PIVOT ASSEMBLY, Shift Lever
6 1715262 1 LEVER, Lockout
7 1709894 1 BUSHING
8 1931353 2 CARRIAGE BOLT, 3/8-16 x 1-3/4
9 1709903 1 ARM & HUB ASSEMBLY, Idler
10 1666759 1 SPRING
11 174561 1 PULLEY, 3” OD
12 1924940 6 WASHER, 3/8
13 1928352 2 LOCKNUT, Flange, 3/8-16
14 1721133 1 PULLEY, Idler, 3-1/4 OD
15 1709863 1 STOP, Belt
16 1704420 1 KLIPRING, 5/8
17 1960020 1 WASHER, 5/8
18 1918447 2 PIN, Cotter
19 1919326 3 WASHER, 5/16
20 1923362 1 LOCKNUT, 5/16-18
21 1960185 1 WASHER, 5/16 x 2-1/8 OD
22 1720724 1 SPRING
23 1720882 1 SPACER
24 1709950 1 ACTUATOR, Switch
25 1960339 1 NUT, Hex, Large Flange, 3/8-16
26 1922611 1 WASHER, 3/8 x 1-1/4
27 1922755 1 WASHER, 3/8
28 1686823 1 ROD, Clutch
29 1721746 1 ARM, Foot Pedal
30 1931337 1 CARRIAGE BOLT, 5/16-18 x 1-1/2
31 1923360 1 PIN, Cotter
32 1921319 1 WASHER, 1/4
33 1704429 1 CAM, Parking Brake
34 1713480 1 ROD, Park Brake
35 1713855 1 KNOB

7
19
9
9
1
22
21
20
19
18
17
16
15
14
12
11
10
9
8
7
6
5
4
3
2
1
See Foot Controls Group
See Transmission Group
Grease
Grease
Grease
Grease
Side of Dash
Frame
13
18
TP 400-2324-01-BM-SMA
© Copyright 2001 Simplicity Manufacturing, Inc. All Rights Reserved.
Hand Controls Group
NOTE: Unless noted otherwise,
use the standard hardware torque
specification chart.
985709_Hand
The above parts group applies to the following Mfg. Nos.:
1693694 Broadmoor 17HP Hydro
1693696 1617HC 17HP Hydro
1693698 2617HC 17HP Hydro
1693700 12617HC 17HP Hydro
1693839 Broadmoor 16HP Hydro
1693841 Broadmoor 16HP Hydro (Export)
1693843 1615HC, 16HP Hydro
1693845 2615HC, 16HP Hydro

19
TP 400-2324-01-BM-SMA
Hand Controls Group
1 1960223 2 CARRIAGE BOLT, 5/16-18 x 1-1/4
2 1924356 1 WASHER, 3/8
3 1705590 1 SPACER
4 1717989 1 ROD, Lift Handle
5 1718219 1 KNOB, Lift Rod
6 1919381 1 WASHER, 5/16
7 1919438 2 LOCKNUT, Hex, 5/16-18
8 1704623 1 ROD, Lift, Upper
9 1918447 3 PIN, Cotter
10 1704756 1 LINK, Lift, Upper
11 1704624 1 ROD, Link, Lift
12 1704825 1 CAM & WELD PIN ASSEMBLY, Lift
13 1960044 1 WASHER, 5/16
14 1704629 1 SPACER
15 1713843 1 KNOB
16 1713851 1 ROD, Shift
17 1924361 1 WASHER, 1/2
18 1709236 1 SPRING
19 1704428 2 BUSHING
20 176440 1 BUSHING
21 1960206 1 WASHER, 1/2
22 1720975 1 LEVER, Tube & Pivot Assembly, Shift
REF NO. PART NO. QTY. DESCRIPTION
Footnotes:
The above parts group applies to the following Mfg. Nos.:
1693694 Broadmoor 17HP Hydro
1693696 1617HC 17HP Hydro
1693698 2617HC 17HP Hydro
1693700 12617HC 17HP Hydro
1693839 Broadmoor 16HP Hydro
1693841 Broadmoor 16HP Hydro (Export)
1693843 1615HC, 16HP Hydro
1693845 2615HC, 16HP Hydro

31
30
29
28
27
26
25 24
23
22
21
20 19
18
17
16
15
14
13
13
13
12
10
10
10
10
10
11
11
9
8
7
6
6
6
5
4
3
2
1
1
2
20
TP 400-2324-01-BM-SMA
© Copyright 2001 Simplicity Manufacturing, Inc. All Rights Reserved.
Hood, Grille & Dash Group
NOTE: Unless noted otherwise,
use the standard hardware torque
specification chart.
985708
The above parts group applies to the following Mfg. Nos.:
1693694 Broadmoor 17HP Hydro
1693696 1617HC 17HP Hydro
1693698 2617HC 17HP Hydro
1693700 12617HC 17HP Hydro
1693839 Broadmoor 16HP Hydro
1693841 Broadmoor 16HP Hydro (Export)
1693843 1615HC, 16HP Hydro
1693845 2615HC, 16HP Hydro

21
TP 400-2324-01-BM-SMA
REF NO. PART NO. QTY. DESCRIPTION
The above parts group applies to the following Mfg. Nos.:
1693694 Broadmoor 17HP Hydro
1693696 1617HC 17HP Hydro
1693698 2617HC 17HP Hydro
1693700 12617HC 17HP Hydro
1693839 Broadmoor 16HP Hydro
1693841 Broadmoor 16HP Hydro (Export)
1693843 1615HC, 16HP Hydro
1693845 2615HC, 16HP Hydro
Hood, Grille & Dash Group
1 1707325 1 DUCT, Air, 16 HP Kohler
1 1713301 1 DUCT, Air, 17 HP Briggs & Stratton
2 1707326 1 MOULDING, Air Duct, 16 HP Kohler
2 1713316 1 MOULDING, Air Duct, 17 HP Briggs & Stratton
3 1709188 1 PLUG, Dash Hole
4 1720914 1 DASH ASSRMBLY
5 1670675 2 PLUG, Bumper
6 1960368 10 SPEEDNUT, 1/4-20
7 1709238 1 DASH, Lower
8 176440 1 BUSHING
9 1921319 2 WASHER
10 1960295 20 SCREW, Hex Flange Whizlock, 1/4-20 x 5/8
11 1925003 8 SCREW, Hex Washer Head Taptite, 1/4-20 x 1/2
12 1719845 1 SUPPORT, Bulkhead, LH
13 1920397 10 NUT, Hex Nylon Lock, 1/4-20
14 1707580 1 BULKHEAD
15 1704927 1 GROMMET, Wire Harness
16 1704342 1 GROMMET, Bulkhead
17 1719978 1 SUPPORT, Bulkhead, RH
18 1704879 1 SIDE PANEL ASSEMBLY, LH, Orange
18 41704879 1 SIDE PANEL ASSEMBLY, LH, Red
19 171600 2 STRAP, Hood
20 1960096 2 WASHER, Special
21 1933896 2 NUT, Hex Nylon Lock, #10-24
22 1721203 1 GRILLE
23 1716128 2 HINGE, Hood
24 1705249 2 SPACER
25 1705248 2 PIVOT, Hood
26 1704626 2 SPACER, Hood
27 1960373 2 SCREW, Hex Washer Head, Taptite, 5/16-18 x 1
28 1704628 2 CLIP, Hairpin
29 1930601 2 SCREW, Hex Washer Head, Taptite, 5/16-18 x 5/8
30 1704878 1 SIDE PANEL ASSEMBLY, RH, Orange
30 41704878 1 SIDE PANEL ASSEMBLY, RH, Red
31 1703240 1 HOOD, Orange
31 41703240 1 HOOD, Red
Footnotes:

1
2
3
4
5
6
7
8
9
10
11
12
13
14
15
16
17
18
19
20
21
22
23
24
25
26
27
28
29
30
31
32
33
34
35
22
TP 400-2324-01-BM-SMA
© Copyright 2001 Simplicity Manufacturing, Inc. All Rights Reserved.
Seat, Deck & Fuel Tank Group
NOTE: Unless noted otherwise,
use the standard hardware torque
specification chart.
986505
The above parts group applies to the following Mfg. Nos.:
1693694 Broadmoor 17HP Hydro
1693696 1617HC 17HP Hydro
1693698 2617HC 17HP Hydro
1693700 12617HC 17HP Hydro
1693839 Broadmoor 16HP Hydro
1693841 Broadmoor 16HP Hydro (Export)
1693843 1615HC, 16HP Hydro
1693845 2615HC, 16HP Hydro

23
TP 400-2324-01-BM-SMA
Seat, Deck & Fuel Tank Group
1 1721702 1 SEAT, High-Back
2 1719712 1 LEVER, Seat Release
3 1709307 1 SUPPORT, Seat Pivot
4 1931339 2 CARRIAGE BOLT, 5/16-18 x 2
5 1701011 1 TIE, Self-locking, 15” long
6 172434 1 CLIP, Speed
7 1919439 2 NUT, Hex Nylon Lock, 3/8-16
8 1924940 2 WASHER, Plain, 13/32
9 1663752 2 SPACER
10 1931350 2 CARRIAGE BOLT, 3/8-16 x 1
11 1928352 2 NUT, Hex Flange, 3/8-16
12 1718858 1 BRACKET, Seat Pivot
13 1704299 2 SPACER
14 1709308 2 SPRING, Compression
15 1719809 1 PLATE, Switch
16 1704728 2 SPRING, Compression
17 1709256 2 WASHER, Plain, Cone
18 1919438 2 NUT, Hex Nylon Lock, 5/16-18
19 1704724 2 COVER, Spring
20 1704366 1 CAP, Fuel Gauge
21 1708054 1 TANK, Fuel
22 1654930 1 BUSHING
23 1704108 1 ELBOW & TUBE ASSEMBLY
24 1960459 2 CAPSCREW, Truss Head, Torx drive, 3/8-16 x 1
25 1708361 1 PLATE, Reinforcement
26 1925003 4 CAPSCREW, Taptite, 1/4-20 x 1/2
27 1720236 1 SEAT DECK, Orange
27 41720236 1 SEAT DECK, Red
28 1701229 1 BUSHING, Snap
29 1930601 2 CAPSCREW, Taptite, 5/16-18 x 5/8
30 1707137 1 SPRING, Extension
31 1931648 4 CAPSCREW, Hex, Whizlock, 5/16-18 x 5/8
32 1714441 1 BRACKET, Seat Slide
33 1704723 1 HANDLE, Grip
34 1719392 1 CUP HOLDER
35 1704379 1 SWITCH, Seat, Operator Present
REF NO. PART NO. QTY. DESCRIPTION
Footnotes:
The above parts group applies to the following Mfg. Nos.:
1693694 Broadmoor 17HP Hydro
1693696 1617HC 17HP Hydro
1693698 2617HC 17HP Hydro
1693700 12617HC 17HP Hydro
1693839 Broadmoor 16HP Hydro
1693841 Broadmoor 16HP Hydro (Export)
1693843 1615HC, 16HP Hydro
1693845 2615HC, 16HP Hydro

To Engine Ground Bolt
See Engine
Group
Grommet -
See Engine
Group
To
Electric
Clutch
To Engine Fuel
Shut-Off Solenoid
To Upper
Harness
To Engine Magneto
To
Charge
Circuit
1
23
45
6
7
8
9
10
11
12
24
TP 400-2324-01-BM-SMA
© Copyright 2001 Simplicity Manufacturing, Inc. All Rights Reserved.
Electrical Group - Main Harness Lower
NOTE: Unless noted otherwise,
use the standard hardware torque
specification chart.
985704_Lower
The above parts group applies to the following Mfg. Nos.:
1693694 Broadmoor 17HP Hydro
1693696 1617HC 17HP Hydro
1693698 2617HC 17HP Hydro
1693700 12617HC 17HP Hydro
1693839 Broadmoor 16HP Hydro
1693841 Broadmoor 16HP Hydro (Export)
1693843 1615HC, 16HP Hydro
1693845 2615HC, 16HP Hydro

25
TP 400-2324-01-BM-SMA
Electrical Group - Main Harness Lower
1 1703945 1 HEADLIGHT ASSEMBLY (Includes Ref. Nos. 2, 3, 4, 5 & 6)
2 1703248 1 LENS, Headlight
3 1677371 2 BULB, Headlight, 12.8V
4 1703249 1 BEZEL, Headlight
5 1703946 2 HEAT SHIELD
6 1677370 2 SOCKET, Bulb
7 1674358 1 WIRE ASSEMBLY, Headlight
8 1704379 1 SWITCH, Seat, Operator Present
9 1701229 2 BUSHING, Snap, Small
10 1705921 1 BUSHING, Snap, Large
11 1701011 2 CABLE TIE
12 1704877 1 WIRE ASSEMBLY, Seat Switch
REF NO. PART NO. QTY. DESCRIPTION
Footnotes:
The above parts group applies to the following Mfg. Nos.:
1693694 Broadmoor 17HP Hydro
1693696 1617HC 17HP Hydro
1693698 2617HC 17HP Hydro
1693700 12617HC 17HP Hydro
1693839 Broadmoor 16HP Hydro
1693841 Broadmoor 16HP Hydro (Export)
1693843 1615HC, 16HP Hydro
1693845 2615HC, 16HP Hydro

Note: Repalcement
Battery has no caps
and requires no drain
tube.
To Lower
Harness
1
3
2
1
4
5
6
7
8
9
10
11
12
13
14
15
16
17
18
19
20
21
22
23
24
25 37
26
27
28
29
30
31
32
33
34
35
36
35
36
38
5
1
14
5
1
1
39
26
TP 400-2324-01-BM-SMA
© Copyright 2001 Simplicity Manufacturing, Inc. All Rights Reserved.
Electrical Group - Main Harness Upper
NOTE: Unless noted otherwise,
use the standard hardware torque
specification chart.
985704_Upper
The above parts group applies to the following Mfg. Nos.:
1693694 Broadmoor 17HP Hydro
1693696 1617HC 17HP Hydro
1693698 2617HC 17HP Hydro
1693700 12617HC 17HP Hydro
1693839 Broadmoor 16HP Hydro
1693841 Broadmoor 16HP Hydro (Export)
1693843 1615HC, 16HP Hydro
1693845 2615HC, 16HP Hydro

27
TP 400-2324-01-BM-SMA
Electrical Group - Main Harness Upper
1 1960369 8 CAPSCREW, Plastite, #8-16 x 1/2
2 1715138 1 HOURMETER
3 1701521 1 SWITCH, Neutral
4 1703799 1 SWITCH, Headlight
5 1676130 4 BULB, Indicator Light
6 1704614 1 STRAP, Wire Retainer
7 1677296 1 BOOT, Insulator
8 1685215 1 BATTERY
9 1704112 1 TRAY, Battery
10 1704349 2 NUT, Plastic, 1/4-20
11 1713163 1 CABLE, Battery to Ground
12 1612103 1 HOSE, Battery, Drain
13 923341 2 CAPSCREW, Hex Head, 1/4-20 x 3/4
14 921319 4 WASHER, Plain, 1/4
15 916964 2 LOCKWASHER, 1/4
16 916622 2 NUT, Hex, 1/4-20 UNC
17 1718596 1 HOLD DOWN, Battery
18 1704632 2 ROD, Battery Hold Down
19 122023 1 COVER, Terminal
20 1668819 1 CABLE, Solenoid to Starter
21 1720899 1 WIRE HARNESS, Main
22 1716332 1 SWITCH, PTO Electric Clutch
23 1665238 1 CIRCUIT BREAKER
24 1686734 1 IGNITION SWITCH, 6-Pin, Steel Body
(Includes Ref. Nos. 25, 26, 27, 37 & 38)
25 1960547 1 LOCKWASHER, Internal
26 1717549 1 NUT, Hex, Flange
27 1717163 1 KEY, Ignition, Set of 2
28 1703972 1 MODULE
29 1720411 1 SWITCH, Clutch Brake Pedal
30 1709949 1 WIRE ASSEMBLY
31 1665237 1 WIRE ASSEMBLY
32 1685290 1 SOLENOID
33 1960536 2 CAPSCREW, Hex Washer Head, Plastite, 1/4-20 x 1/2
34 1603618 1 CABLE, Battery to Solenoid
35 920426 2 LOCKWASHER, 5/16
36 1920263 2 NUT, Hex, 5/16-24
37 101025 1 WASHER, 5/8 x 1
38 1717550 1 COVER, Ignition Switch
39 1721911 1 WIRE ASSEMBLY, Kohler to Wire Harness
REF NO. PART NO. QTY. DESCRIPTION
Footnotes:
The above parts group applies to the following Mfg. Nos.:
1693694 Broadmoor 17HP Hydro
1693696 1617HC 17HP Hydro
1693698 2617HC 17HP Hydro
1693700 12617HC 17HP Hydro
1693839 Broadmoor 16HP Hydro
1693841 Broadmoor 16HP Hydro (Export)
1693843 1615HC, 16HP Hydro
1693845 2615HC, 16HP Hydro

28
TP 400-2324-01-BM-SMA
© Copyright 2001 Simplicity Manufacturing, Inc. All Rights Reserved.
Front Wheels & Tires Group
NOTE: Unless noted otherwise,
use the standard hardware torque
specification chart.
985703_Front_Wheels
The above parts group applies to the following Mfg. Nos.:
1693694 Broadmoor 17HP Hydro
1693696 1617HC 17HP Hydro
1693698 2617HC 17HP Hydro
1693700 12617HC 17HP Hydro
1693839 Broadmoor 16HP Hydro
1693841 Broadmoor 16HP Hydro (Export)
1693843 1615HC, 16HP Hydro
1693845 2615HC, 16HP Hydro
2
3
5
1
6
4
4
7
9
8
10

29
TP 400-2324-01-BM-SMA
Front Wheels & Tires Group
1 1960160 2 WASHER, Special 3/4 (Install to the inside of wheel)
2 1713166 2 TIRE, 15 x 6.00-6 (Dico)
3 1664090 2 TUBE, 4.10/3.50-6
4 1720098 4 BALL BEARING
5 172353 2 VALVE STEM & CAP
6 1720097 2 WHEEL ASSEMBLY, Metallic Gray (Includes Ref. No. 4)
7 960202 2 RETAINER, Cap, Hub
8 1611710 2 RING, Retaining
9 1722675 2 CAP, Hub
10 1716134 2 WHEEL & TIRE ASSEMBLY 15 x 6.00-6, Metallic Gray
(Includes Ref. Nos. 2, 4, 5, & 6)
REF NO. PART NO. QTY. DESCRIPTION
Footnotes:
The above parts group applies to the following Mfg. Nos.:
1693694 Broadmoor 17HP Hydro
1693696 1617HC 17HP Hydro
1693698 2617HC 17HP Hydro
1693700 12617HC 17HP Hydro
1693839 Broadmoor 16HP Hydro
1693841 Broadmoor 16HP Hydro (Export)
1693843 1615HC, 16HP Hydro
1693845 2615HC, 16HP Hydro

30
TP 400-2324-01-BM-SMA
© Copyright 2001 Simplicity Manufacturing, Inc. All Rights Reserved.
Rear Wheels & Tires Group
NOTE: Unless noted otherwise,
use the standard hardware torque
specification chart.
985703_Rear_Wheel
The above parts group applies to the following Mfg. Nos.:
1693694 Broadmoor 17HP Hydro
1693696 1617HC 17HP Hydro
1693698 2617HC 17HP Hydro
1693700 12617HC 17HP Hydro
1693839 Broadmoor 16HP Hydro
1693841 Broadmoor 16HP Hydro (Export)
1693843 1615HC, 16HP Hydro
1693845 2615HC, 16HP Hydro
11
10
9
8
7
6
5
4
3
2
1
2
Use as required
8

31
TP 400-2324-01-BM-SMA
Rear Wheels & Tires Group
1 1711149 2 KEY
2 960202 2 WASHER
3 1717451 2 SPACER
4 1715235 2 TIRE, 20 x 10.00-8
5 173477 2 TUBE (Service only)
6 1716132 2 WHEEL ASSEMBLY, 20 x 10.00-8
7 172353 2 VALVE STEM & CAP
8 1919394 2 WASHER, Optional (Use as Required)
9 927794 2 E-Ring
10 1722675 2 CAP, Hub
11 1716134 2 WHEEL & TIRE ASSEMBLY, 20 x 10.00-8 (Includes Ref. Nos. 4, 6 & 7)
REF NO. PART NO. QTY. DESCRIPTION
Footnotes:
The above parts group applies to the following Mfg. Nos.:
1693694 Broadmoor 17HP Hydro
1693696 1617HC 17HP Hydro
1693698 2617HC 17HP Hydro
1693700 12617HC 17HP Hydro
1693839 Broadmoor 16HP Hydro
1693841 Broadmoor 16HP Hydro (Export)
1693843 1615HC, 16HP Hydro
1693845 2615HC, 16HP Hydro

32
TP 400-2324-01-BM-SMA
© Copyright 2001 Simplicity Manufacturing, Inc. All Rights Reserved.
NOTE: Unless noted otherwise,
use the standard hardware torque
specification chart.
The above parts group applies to the following Mfg. Nos.:
1693694 Broadmoor, 17 HP Hydro
1693696 Broadmoor, 17 HP Hydro (Export)
1693698 1617HC, 17 HP Hydro
1693700 2617HC, 17 HP Hydro
1693839 Broadmoor, 16 HP Hydro
1693841 Broadmoor, 16 HP Hydro (Export)
1693843 1615HC, 16 HP Hydro
1693845 2615HC, 16 HP Hydro
1692684 44” Mower Deck
1692685 44” Mower Deck
1693171 44” Mower Deck (Export)
1694062 44” Mower Deck
DANGER
ROTATING CUTTING BLADE
Do not operate mower
without deflector or entire
grass catcher in place. 1704277
DANGER
ROTATING CUTTING BLADE
Do not put hands or feet
under mower deck while
blade is rotating. 1704276
OPERATION
To Start Engine:
• Seat must be occupied, ground speed control lever in neutral,
PTO switch off, and clutch/brake pedal depressed.
When Operator Leaves Seat:
• Put ground speed control lever in neutral, turn PTO switch off,
and set parking brake.
Traction Control:
• To stop tractor motion, fully depress clutch/brake pedal.
• On hydrostatic drive tractors, movement of traction lever
from neutral, in either direction, increases ground speed.
AVOID SERIOUS INJURY OR DEATH.
• Read operator's manual(s).
• Know location and function of all controls.
• Keep safety devices (guards, shields, and switches)
in place and working.
• Remove objects that could be thrown by the blade.
• Do not mow when children or others are around.
• Never carry children.
• Look down and behind before and while backing.
• Avoid sudden turns.
• If you cannot back up a hill, do not operate on it.
• Go up and down slopes, not across.
• If machine stops going uphill, stop blade and back
down slowly.
• Be sure blade(s) and engine are stopped before
placing hands or feet near blade(s).
• When leaving machine, shut off engine, remove key,
and set the parking brake.
WARNING
To Set Parking Brake
• Pull knob OUT while clutch/brake pedal is depressed.
• Release clutch/brake pedal while holding knob.
To Release Parking Brake
• Depress clutch/brake pedal.
• Push knob IN while clutch/brake pedal is depressed.
Parking Brake:
Clutch/Brake
Pedal
Choke Ignition Switch
OFF
RUN
START
To Operate PTO Clutch:
• The operator must be in the seat.
• To engage PTO, pull PTO switch up.
• To disengage PTO, push PTO switch down.
PTO Switch
DO NOT TOW TRACTOR!
Damage may result to transmission
MOWER
DOWN
MOWER
UP
Mower
Lift
Control
Lever
1716528
ROTATING BLADES CUT
OFF ARMS AND LEGS
STOP MOWER WHEN
CHILDREN ARE NEAR.
NO RIDERS — THEY FALL OFF.
DANGER
DANGER
OPERATING ON SLOPES
CAN BE DANGEROUS
SEE OPERATOR'S MANUAL.
IF YOU CANNOT BACK-UP
A HILL —DO NOT DRIVE ON IT.
HI
•
3
•
2
•
1
LO
LAWN TRACTORS
DRIVE BELTS & MOWER BLADES
Transmission Belt
38" Mower
44" Mower
38" / 44" Snowthrower Drive Belt 1678241
Gear 1657044
Hydro 1672135
Drive Belt 1716854
Mower Blade - Left 1704856
Mower Blade - Right 1704101
Deck Drive Belt 167031
Drive Belt 1601672
Mower Belt 1704100
For safety and reliability, insist on genuine Simplicity
Manufacturing, Inc. belts and blades...our name
stamped on the part is your assurance of quality.
1720543
PULL ROD BACK TO PUSH TRACTOR
TRANSMISSION RELEASE
2
89
2
3
1
7
1
7
4
10
9
8
3
4
6
5
Decal Group - Safety & Common
BMHC_Comm_Decals

33
TP 400-2324-01-BM-SMA
REF NO. PART NO. QTY. DESCRIPTION
Footnotes:
The above parts group applies to the following Mfg. Nos.:
693694 Broadmoor, 17 HP Hydro
1693696 Broadmoor, 17 HP Hydro (Export)
1693698 1617HC, 17 HP Hydro
1693700 2617HC, 17 HP Hydro
1693839 Broadmoor, 16 HP Hydro
1693841 Broadmoor, 16 HP Hydro (Export)
1693843 1615HC, 16 HP Hydro
1693845 2615HC, 16 HP Hydro
1692684 44” Mower Deck
1692685 44” Mower Deck
1693171 44” Mower Deck (Export)
1694062 44” Mower Deck
Decal Group - Safety & Common
1 1721032 1 DECAL, Belt, Blade
2 1716528 1 DECAL, Operating Instructions, Hand Control
3 1708927 1 DECAL, USA Logo
4 * 1 DECAL, CE (Export Models Only)
5 1720543 1 DECAL, Transmission Release Valve
6 1715637 1 DECAL, Power/Mass (Export Models Only)
7 1721197 1 DECAL, Mower Height
8 1704277 1 DECAL, Danger (Chute in place)
9 1704276 1 DECAL, Danger (Hand under deck)
10 1704478 1 DECAL, Cutting Width 44”
11 * 1 DECAL, OPEI (Not serviced)
12 * 1 I.D. PLATES (Not serviced)
Footnotes:
* Not a serviceable part.

34
TP 400-2324-01-BM-SMA
© Copyright 2001 Simplicity Manufacturing, Inc. All Rights Reserved.
NOTE: Unless noted otherwise,
use the standard hardware torque
specification chart.
The above parts group applies to the following Mfg. Nos.:
1693694 Broadmoor, 17 HP Hydro
1693696 Broadmoor, 17 HP Hydro (Export)
1693698 1617HC, 17 HP Hydro
1693700 2617HC, 17 HP Hydro
1693839 Broadmoor, 16 HP Hydro
1693841 Broadmoor, 16 HP Hydro (Export)
1693843 1615HC, 16 HP Hydro
1693845 2615HC, 16 HP Hydro
1692684 44” Mower Deck
1692685 44” Mower Deck
1693171 44” Mower Deck (Export)
1694062 44” Mower Deck
1
2
3
4
5
6
7
8
9
10
11
1
3
7
9
Decal Group - Brand & Model
BMHC_Brand_Decals

35
TP 400-2324-01-BM-SMA
REF NO. PART NO. QTY. DESCRIPTION
Footnotes:
The above parts group applies to the following Mfg. Nos.:
693694 Broadmoor, 17 HP Hydro
1693696 Broadmoor, 17 HP Hydro (Export)
1693698 1617HC, 17 HP Hydro
1693700 2617HC, 17 HP Hydro
1693839 Broadmoor, 16 HP Hydro
1693841 Broadmoor, 16 HP Hydro (Export)
1693843 1615HC, 16 HP Hydro
1693845 2615HC, 16 HP Hydro
1692684 44” Mower Deck
1692685 44” Mower Deck
1693171 44” Mower Deck (Export)
1694062 44” Mower Deck
Decal Group - Brand & Model
1 1717692 2 DECAL, Simplicity Icon
2 1717699 1 DECAL, RH Hood, Simplicity
2 1717700 1 DECAL, LH Hood, Simplicity
3 1720454 1 DECAL, Paint, Simplicity & AGCO-Allis
4 1718508 1 DECAL, Simplicity Logo with Icon
5 1717701 1 DECAL, Seat Deck, Broadmoor, Simplicity
6 1719878 1 DECAL, Model, Simplicity Broadmoor - Hydro 17V-Twin
7 1708926 2 DECAL, AGCO-Allis Icon
8 1708811 1 DECAL, LH Hood - AGCO-Allis 1617HC Hydro
8 1708812 1 DECAL, RH Hood - AGCO-Allis 1617HC Hydro
8 1723121 1 DECAL, LH Hood - AGCO
8 1723122 1 DECAL, RH Hood - AGCO
9 1714363 2 DECAL, Massey Ferguson Icon
10 1719124 1 DECAL, LH Hood, Massey Ferguson 2617HC Hydro
10 1719125 1 DECAL, RH Hood, Massey Ferguson 2617HC Hydro
11 1717449 1 DECAL, Paint, Massey Ferguson

36
TP 400-2324-01-BM-SMA
© Copyright 2001 Simplicity Manufacturing, Inc. All Rights Reserved.
NOTE: Unless noted otherwise,
use the standard hardware torque
specification chart.
The above parts group applies to the following Mfg. Nos.:
1692684 44” Mower Deck
1692685 44” Mower Deck
1693171 44” Mower Deck (Export)
1694062 44” Mower Deck
Torque nuts
to 50-70 ft. lbs.
(67-95 Nm.)
Torque screws
to 45-55 ft. lbs.
(61-75 Nm.)
Apply gasket
former to this
surface if
foam gasket
is not used.
1
2
3
4
5
6
7
8
9
10
11
12
13
14
15
17
18
19
20
21
22
23
25
26 27
28
29
30
31
32
33
34
35
36
37
16
5
38
28
29
33
34
16
16
24
39
40
44” Mower Deck - Housing, Arbors & Blades
984946B

37
TP 400-2324-01-BM-SMA
REF NO. PART NO. QTY. DESCRIPTION
The above parts group applies to the following Mfg. Nos.:
1692684 44” Mower Deck
1692685 44” Mower Deck
1693171 44” Mower Deck (Export)
1694062 44” Mower Deck
Footnotes:
44” Mower Deck - Housing, Arbors & Blades
1 1714419 3 NUT, Hex Flange, 9/16-8
2 1713675 6 WASHER, Belleville
3 1713161 1 PULLEY, 4.25 OD
4 1713158 1 HUB, Double Pulley, LH Arbor
5 1713098 3 PULLEY, 4.25 OD
6 1713533 1 HUB, Double Pulley, LH Arbor
7 1655729 3 COVER, Arbor Housing
8 108202 3 BEARING
9 1715724 3 SPACER, Bearing Sleeve
10 1715723 3 SPACER
11 1705897 3 BEARING
12 1707335 3 GASKET, Foam
13 1713338 3 ARBOR HOUSING ASSEMBLY (Includes Ref. No. 14)
14 1704314 3 FITTING, Grease
15 1720560 1 COVER, Arbor
16 1664847 25 CAPSCREW, Taptite, 5/16-18 x 3/4
17 1713619 3 WASHER
18 1713612 1 SHAFT, Arbor (LH)
19 1713196 3 SHIELD, Grass, Lower
20 1704100 3 BLADE, Mower, 16-1/8”, 44” Deck
21 1713089 3 WASHER, Hex
22 1656916 3 WASHER, Spring
23 923471 3 CAPSCREW, Hex Head, 7/16-14 x 1-1/4
24 1713195 2 SHAFT, Arbor (Center & RH)
25 1685411 1 MOWER HOUSING ASSEMBLY, 44” Mower (Orange)
25 41685411 1 MOWER HOUSING ASSEMBLY, 44” Mower (Red)
25 61685411 1 MOWER HOUSING ASSEMBLY, 44” Mower (Black)
26 1703601 1 COVER, Arbor
27 1931318 2 CARRIAGE BOLT, 1/4-20 x 7/8
28 1960518 2 NUT, Push
29 1960353 2 WASHER, Plain
30 1704873 1 CLAMP
31 1919326 1 WASHER, 5/16
32 1705080 1 SPRING
33 1916964 2 LOCKWASHER, 1/4
34 1916622 2 NUT, Hex, 1/4-20 UNC
35 1706709 1 ROD, Deflector, Front
36 1705115 1 PLUG, Hole
37 1705449 1 DEFLECTOR, Plastic
38 1713197 2 HUB, Pulley, RH & Center Arbor
39 1924856 4 SCREW, Hex HeadTaptite, 5/16-18 x 1/2, as required
40 1931277 1 NUT, Hex, 5/16-18

38
TP 400-2324-01-BM-SMA
© Copyright 2001 Simplicity Manufacturing, Inc. All Rights Reserved.
NOTE: Unless noted otherwise,
use the standard hardware torque
specification chart.
The above parts group applies to the following Mfg. Nos.:
1692684 44” Mower Deck
1692685 44” Mower Deck
1693171 44” Mower Deck (Export)
1694062 44” Mower Deck
Engine
Pulley
Movable Idler
Pulley
Arbor Drive
Pulley
Arbor Drive
Pulley
Arbor Drive
Pulley
Arbor Drive
Pulley
Movable
Idler Pulley
Mount hitch
assembly to mower
deck housing using
upper holes.
Slot "A"
Slot "B"
To Slot "A"
To Slot "B"
7
1
2
34
56
7
8
9
10
11
12
13 14
15
16
17
18
19
20
21
22
23
24
25
26
27
7
13
11
11
7
18
14
7
4
5
7
8
9
11
44” Mower Deck - Belt, Pulley, & Hitch
983858B

39
TP 400-2324-01-BM-SMA
REF NO. PART NO. QTY. DESCRIPTION
The above parts group applies to the following Mfg. Nos.:
1692684 44” Mower Deck
1692685 44” Mower Deck
1693171 44” Mower Deck (Export)
1694062 44” Mower Deck
Footnotes:
44” Mower Deck - Belt, Pulley, & Hitch
1 1707432 1 HITCH ASSEMBLY
2 1715759 1 ROD, Latch
3 1665835 1 GRIP, Lever
4 1916950 2 NUT, Hex, 3/8-16
5 1916965 2 LOCKWASHER, 3/8
6 1677135 1 BELT STOP, Idler
7 1924940 14 WASHER, Plain, 13/32
8 1666294 2 SPACER
9 1685150 2 PULLEY, Idler (Includes Ref. No. 8)
10 1930645 1 NUT, Hex Flange, 2-Way Lock, 3/8-16
11 1676148 4 BUSHING
12 1715435 1 SPRING
13 1674669 2 SPACER
14 912808 2 FITTING, Grease
15 1704658 1 LEVER ASSEMBLY, Idler (Includes Ref. Nos. 11 & 14)
16 1960315 1 CARRIAGE BOLT, 3/8-16 x 2
17 1718561 1 LEVER ASSEMBLY, Idler Arm (Includes Ref. Nos. 11 & 14)
18 1924356 2 WASHER, 3/8
19 1931352 1 CARRIAGE BOLT, 3/8-16 x 1-1/2
20 1656936 1 SPRING
21 1923938 1 CAPSCREW, Hex Head, 3/8-16 x 3-1/2
22 960641 2 NUT, Hex Alm Insert, 3/8-16
23 157081 2 SPACER
24 1921969 2 CAPSCREW, Hex Head, 3/8-16 x 1-1/2
25 156302 1 SPRING
26 1721532 1 V-BELT, Arbor Drive, 44” Deck
27 1601672 1 V-BELT, Mower Drive, 44” Deck

8
13
2
1
48
47
46
13
45
43
13
44
43
42
41
40
39
38
37 36 35
34
33
32
31
30
28 29
28
27
26
25
24
23
22
21
20
19
18
17 16
15
14
13
12
11
10
12
10
12
10
12 10
12
10
12
10
12 10
12
10
12
11
10
9
8
7
6
5
43
2
1
29
Note: Attach mower levelling adjustment rod
(Ref 46) to mower hitch assembly as shown.
{See 44" Mower Deck - Belt, Pulley &
Hitch Group.}
GREASE
GREASE
40
TP 400-2324-01-BM-SMA
© Copyright 2001 Simplicity Manufacturing, Inc. All Rights Reserved.
The above parts group applies to the following Mfg. Nos.:
1692684 44” Mower Deck
1692685 44” Mower Deck
1693171 44” Mower Deck (Export)
1694062 44” Mower Deck
44” Mower Deck - Height Adjustment & Rollers
NOTE: Unless noted otherwise,
use the standard hardware torque
specification chart.
983857

41
TP 400-2324-01-BM-SMA
REF NO. PART NO. QTY. DESCRIPTION
Footnotes:
The above parts group applies to the following Mfg. Nos.:
1692684 44” Mower Deck
1692685 44” Mower Deck
1693171 44” Mower Deck (Export)
1694062 44” Mower Deck
44” Mower Deck - Height Adjustment & Rollers
1 916950 2 NUT, Hex, 3/8-16
2 916965 2 LOCKWASHER, 3/8
3 1704082 1 NUT, Adjuster
4 1685443 1 SHAFT ASSEMBLY, Roller, 44” (Includes Ref. Nos. 8, 9 & 11)
5 1677507 1 SLIDE
6 1924361 1 WASHER, Plain, 1/2
7 172622 1 BOLT, Shoulder, 3/8-16
8 1960020 2 WASHER, 5/8
9 1602946 2 SPACER
10 1668513 9 ROLLER
11 1960520 2 NUT, Push
12 1924366 12 WASHER, Plain, 1-1/4
13 1924940 9 WASHER, Plain, 13/32
14 176012 1 CLIP, Pin, Safety
15 1705049 1 LINK ASSEMBLY, Lift
16 1918448 1 COTTER PIN
17 1930644 2 NUT, Hex Flange Lock, 1/2-13
18 1704074 1 BAR, Roller
19 1704094 1 CRANK, Cutting Height
20 1714084 1 KNOB, Height Crank
21 1960093 1 PAL NUT
22 1921977 2 CAPSCREW, Hex Head, 5/16-18 x 1-1/4
23 1704083 1 ARM, Rear, Mower, RH
24 1704116 1 BRACKET, Cutting Height
25 1917356 2 LOCKWASHER, 5/16
26 1917372 2 NUT, Hex, 5/16-18
27 1918452 1 COTTER PIN
28 1913744 2 NUT, Hex Jam, 1/2-13
29 1960170 5 WASHER, 5/8
30 1704081 1 TRUNNION
31 118053 1 PIN, Clevis
32 1664847 6 CAPSCREW, Taptite, 5/16-18 x 3/4
33 1931352 1 CARRIAGE BOLT, 3/8-16 x 1-1/2
34 1665374 3 STRAP, Mower Arm Assembly
35 1704103 1 ARM ASSEMBLY, Mower
36 916001 1 PIN, Roll
37 1704097 1 WASHER, Detent
38 1704086 1 TRUNNION
39 1704087 1 TRUNNION, Threaded
40 1704080 1 PLATE, Mower Support
41 1704114 1 INDICATOR, Cutting Height, Rod
42 1919381 1 WASHER, Flat, 5/16
43 1931202 4 CAPSCREW, Taptite, 5/16-18 x 1-1/4
44 1704098 1 UP-STOP, Mower
45 1922606 1 CAPSCREW, Hex Head, 3/8-16 x 1-3/4
46 1704093 1 ROD, Adjustment
47 1706644 1 SPACER
48 1928352 1 NUT, Hex Flange, 3/8-16

42
TP 400-2324-01-BM-SMA
© Copyright 2001 Simplicity Manufacturing, Inc. All Rights Reserved.
44” Anti-Blowout Baffles
NOTE: Unless noted otherwise,
use the standard hardware torque
specification chart.
1686690
The above parts group applies to the following Mfg. Nos.:
1692684 44” Mower Deck
1692685 44” Mower Deck
1693171 44” Mower Deck (Export)
1694062 44” Mower Deck
1
2
3
4
5
6

43
TP 400-2324-01-BM-SMA
44” Anti-Blowout Baffles
1 1716879 1 BAFFLE, LH for 44” Mower
2 1716878 1 BAFFLE, RH for 44” Mower
3 1931332 8 CARRIAGE BOLT, 5/16-18 x 5/8
4 1917356 8 WASHER, Lock, 5/16
5 1917372 8 NUT, Hex, 5/16-18
6 1686690 1 ANTI BLOWOUT BAFFLE KIT, (Includes Ref. Nos. 1, 2, 3, 4 & 5)
REF NO. PART NO. QTY. DESCRIPTION
Footnotes:
The above parts group applies to the following Mfg. Nos.:
1692684 44” Mower Deck
1692685 44” Mower Deck
1693171 44” Mower Deck (Export)
1694062 44” Mower Deck

Part Number Index by Page Number
*61
** 8 2
*83
*823
*833
*324
*3211
*3212
101025 26 37
105337 ** 6 38
105337 ***8 40
108202 36 8
118053 40 31
122023 26 19
156302 38 25
157081 38 23
159106 10 8
171241 6 9
171241 8 13
171600 20 19
172353 28 5
172353 30 7
172434 22 6
172622 40 7
173206 6 8
173206 8 8
173477 30 5
174561 16 11
176012 40 14
176440 2 8
176440 4 12
176440 18 20
176440 20 8
912808 38 14
916001 40 36
916622 26 16
916950 40 1
916964 26 15
916965 40 2
920426 8 35
920426 26 35
920427 6 21
921319 26 14
923341 26 13
923471 36 23
927794 10 15
927794 30 9
930598 6 20
930670 4 19
932747 6 39
932747 8 41
934683 6 32
934683 8 37
960112 6 6
960112 8 7
960202 10 13
960202 28 7
960202 30 2
960530 2 12
960641 38 22
1601672 38 27
1602946 40 9
1603618 26 34
1611705 4 36
1611710 28 8
1612103 26 12
1650670 6 37
1654930 22 22
1655729 36 7
1655811 10 34
1656916 36 22
1656936 38 20
1663114 16 3
1663752 22 9
1664090 28 3
1664847 36 16
1664847 40 32
1665237 26 31
1665238 26 23
1665374 40 34
1665835 38 3
1666294 38 8
1666759 16 10
1667346 8 12
1668513 40 10
1668819 26 20
1670675 20 5
1673453 8 11
1673796 4 20
1674358 24 7
1674669 38 13
1676130 26 5
1676148 10 38
1676148 38 11
1676183 6 27
1676183 8 29
1677135 38 6
1677296 26 7
1677370 24 6
1677371 24 3
1677507 40 5
1685150 38 9
1685215 26 8
1685290 26 32
1685411 36 25
1685443 40 4
1685478 4 22
1686651 4 1
1686690 42 6
1686734 26 24
1686823 16 28
1701011 22 5
1701011 24 11
1701229 22 28
1701229 24 9
1701521 26 3
1702779 4 25
1703240 20 31
1703248 24 2
1703249 24 4
1703475 2 10
1703508 4 10
1703512 4 18
1703513 4 15
1703601 36 26
1703799 26 4
1703900 10 23
1703945 24 1
1703946 24 5
1703968 2 2
1703971 6 24
1703971 8 26
1703972 26 28
1704074 40 18
1704080 40 40
1704081 40 30
1704082 40 3
1704083 40 23
1704086 40 38
1704087 40 39
1704093 40 46
1704094 40 19
1704097 40 37
1704098 40 44
1704100 36 20
1704103 40 35
1704108 22 23
1704112 26 9
1704114 40 41
1704116 40 24
1704276 32 9
1704277 32 8
1704299 22 13
1704307 6 10
1704307 8 22
1704314 2 9
1704314 36 14
1704342 20 16
1704349 26 10
1704351 2 5
1704357 6 22
1704357 8 24
1704366 22 20
1704379 22 35
1704379 24 8
1704419 6 11
1704419 8 14
1704420 4 30
1704420 16 16
1704428 18 19
1704429 16 33
1704478 32 10
1704575 10 42
1704614 26 6
1704621 16 4
1704623 18 8
1704624 18 11
1704626 20 26
1704628 20 28
1704629 18 14
1704632 26 18
1704658 38 15
1704723 22 33
1704724 22 19
1704728 22 16
1704756 18 10
1704825 18 12
1704873 36 30
1704877 24 12
1704878 20 30
1704879 20 18
1704927 20 15
1705049 40 15
1705080 36 32
1705115 36 36
1705248 20 25
1705249 20 24
1705347 8 32
1705358 6 16
1705358 8 18
1705449 36 37
1705590 18 3
1705897 36 11
1705921 24 10
1706644 40 47
1706709 36 35
1706956 4 35
1706996 4 37
1706997 4 32
1707137 22 30
1707325 20 1
1707326 20 2
1707335 36 12
1707432 38 1
1707580 20 14
1707789 12 72
1707840 12 36
1707933 10 7
1708046 2 16
1708054 22 21
1708084 4 29
1708236 4 24
1708264 6 17
1708264 8 19
1708360 10 32
1708361 22 25
1708405 6 2
1708549 6 7
1708650 12 14
1708651 12 13
1708673 12 15
1708691 12 7
1708811 34 8
1708812 34 8
1708926 34 7
1708927 32 3
1709188 20 3
1709236 18 18
1709238 20 7
1709256 22 17
1709307 22 3
1709308 22 14
1709863 16 15
1709894 16 7
1709896 10 33
1709903 16 9
1709949 26 30
1709950 16 24
1711149 30 1
1713089 36 21
1713098 36 5
1713158 36 4
1713161 36 3
1713163 26 11
1713166 28 2
1713195 36 24
1713196 36 19
1713197 36 38
1713300 6 34
1713301 20 1
1713302 6 35
1713316 20 2
1713338 36 13
1713480 16 34
1713533 36 6
1713612 36 18
1713619 36 17
1713675 36 2
1713843 18 15
1713846 6 4
1713846 8 4
1713851 18 16
1713855 16 35
1714065 6 3
1714065 8 5
1714084 40 20
1714097 4 2
1714363 34 9
1714400 4 4
1714419 36 1
1714441 22 32
1715002 16 5
1715138 26 2
1715235 30 4
1715262 16 6
1715308 4 33
1715435 38 12
1715637 32 6
1715723 36 10
1715724 36 9
1715759 38 2
1716117 4 16
1716128 20 23
1716132 30 6
1716134 28 10
1716134 30 11
1716332 26 22
1716528 32 2
1716878 42 2
1716879 42 1
1717163 26 27
1717449 34 11
1717451 10 14
1717451 30 3
1717549 26 26
Part No. Page No Ref No. Part No. Page No Ref No. Part No. Page No Ref No. Part No. Page No Ref No. Part No. Page No Ref No.
TP 400-2324-01-BM-SMA
© Copyright 2001 Simplicity Manufacturing, Inc. All Rights Reserved.
44

45
TP 400-2324-01-BM-SMA
© Copyright 2001 Simplicity Manufacturing, Inc. All Rights Reserved.
Part Number Index by Page Number
1717550 26 38
1717664 6 15
1717664 8 1
1717685 10 29
1717692 34 1
1717699 34 2
1717700 34 2
1717701 34 5
1717749 10 12
1717765 16 2
1717989 18 4
1718039 10 30
1718052 12 3
1718053 12 4
1718054 12 5
1718055 12 6
1718061 12 40
1718068 12 68
1718069 12 45
1718070 12 60
1718071 12 67
1718073 12 71
1718076 12 11
1718077 12 59
1718078 12 62
1718079 12 47
1718080 12 58
1718081 12 55
1718083 12 57
1718084 12 46
1718086 12 43
1718087 12 44
1718088 12 42
1718089 12 37
1718100 12 32
1718102 12 21
1718103 12 38
1718104 12 66
1718107 12 65
1718109 12 16
1718110 12 17
1718111 12 20
1718112 12 18
1718113 12 19
1718114 12 69
1718115 12 70
1718117 12 48
1718119 12 53
1718120 12 33
1718120 12 50
1718121 12 49
1718122 12 54
1718219 18 5
1718508 34 4
1718561 38 17
1718596 26 17
1718678 8 9
1718855 2 1
1718856 2 11
1718858 22 12
1718944 16 1
1719124 34 10
1719125 34 10
1719392 22 34
1719712 22 2
1719809 22 15
1719819 10 45
1719845 20 12
1719878 34 6
1719902 10 46
1719978 20 17
1720097 28 6
1720098 28 4
1720122 4 5
1720208 10 35
1720209 10 44
1720210 10 39
1720216 10 11
1720217 12 52
1720218 10 9
1720220 10 24
1720236 22 27
1720411 26 29
1720416 12 1
1720417 12 8
1720418 12 9
1720419 12 39
1720420 12 2
1720421 12 10
1720422 12 61
1720424 12 12
1720425 12 56
1720426 12 41
1720427 12 31
1720429 12 26
1720430 12 25
1720431 12 24
1720432 12 27
1720433 12 30
1720434 12 34
1720436 12 29
1720437 12 23
1720438 12 28
1720439 12 63
1720440 12 64
1720441 12 22
1720442 12 51
1720454 34 3
1720543 32 5
1720560 36 15
1720712 2 14
1720723 12 35
1720724 16 22
1720752 2 6
1720753 2 13
1720876 10 17
1720882 16 23
1720899 26 21
1720914 20 4
1720917 10 41
1720975 18 22
1720977 10 28
1721032 32 1
1721133 16 14
1721197 32 7
1721203 20 22
1721532 38 26
1721702 22 1
1721746 16 29
1721911 26 39
1722001 10 50
1722104 8 36
1722675 28 9
1722675 30 10
1723121 34 8
1723122 34 8
1901491 8 10
1913744 40 28
1916622 36 34
1916950 38 4
1916964 10 48
1916964 36 33
1916965 38 5
1917356 6 29
1917356 8 16
1917356 10 21
1917356 40 25
1917356 42 4
1917372 6 30
1917372 8 31
1917372 10 20
1917372 40 26
1917372 42 5
1918199 6 18
1918199 8 20
1918447 10 10
1918447 16 18
1918447 18 9
1918448 40 16
1918452 40 27
1919262 4 28
1919314 4 6
1919326 6 28
1919326 8 30
1919326 10 22
1919326 16 19
1919326 36 31
1919381 8 15
1919381 10 25
1919381 18 6
1919381 40 42
1919394 6 14
1919394 8 39
1919394 30 8
1919438 4 21
1919438 18 7
1919438 22 18
1919439 2 4
1919439 10 31
1919439 22 7
1920263 26 36
1920397 20 13
1921221 4 13
1921221 10 36
1921319 16 32
1921319 20 9
1921333 6 31
1921333 8 34
1921333 10 3
1921968 4 23
1921969 38 24
1921977 40 22
1922606 40 45
1922611 16 26
1922755 4 26
1922755 16 27
1923141 10 4
1923141 10 37
1923360 10 43
1923360 16 31
1923362 10 1
1923362 16 20
1923938 38 21
1924356 18 2
1924356 38 18
1924361 10 27
1924361 18 17
1924361 40 6
1924366 40 12
1924856 36 39
1924874 10 19
1924940 6 12
1924940 16 12
1924940 22 8
1924940 38 7
1924940 40 13
1925003 20 11
1925003 22 26
1926106 10 5
1928352 4 11
1928352 16 13
1928352 22 11
1928352 40 48
1928721 4 14
1930598 6 13
1930601 20 29
1930601 22 29
1930644 40 17
1930645 4 27
1930645 38 10
1931202 40 43
1931277 10 2
1931277 36 40
1931318 36 27
1931332 10 51
1931332 42 3
1931337 16 30
1931339 22 4
1931342 6 26
1931342 8 28
1931350 4 9
1931350 22 10
1931352 38 19
1931352 40 33
1931353 16 8
1931648 22 31
1933896 20 21
1933958 10 6
1934654 2 3
1935048 10 18
1935255 6 25
1935255 8 27
1936228 6 36
1960020 4 31
1960020 16 17
1960020 40 8
1960044 18 13
1960093 40 21
1960096 20 20
1960114 4 7
1960141 10 16
1960160 4 34
1960160 28 1
1960170 40 29
1960185 16 21
1960206 18 21
1960223 10 26
1960223 18 1
1960251 2 15
1960270 2 7
1960272 10 40
1960295 6 33
1960295 8 38
1960295 20 10
1960315 38 16
1960339 16 25
1960353 10 47
1960353 36 29
1960368 6 23
1960368 8 25
1960368 20 6
1960369 26 1
1960370 6 19
1960370 8 21
1960373 4 17
1960373 20 27
1960405 8 17
1960459 22 24
1960518 36 28
1960520 40 11
1960529 4 8
1960536 6 5
1960536 8 6
1960536 26 33
1960540 4 3
1960547 26 25
1960613 10 49
41685411 36 25
41703240 20 31
41704878 20 30
41704879 20 18
41720236 22 27
61685411 36 25
Part No. Page No Ref No. Part No. Page No Ref No. Part No. Page No Ref No. Part No. Page No Ref No. Part No. Page No Ref No.

Torque Specification Chart
FOR STANDARD MACHINE HARDWARE (Tolerance ± 20%)
Hardware
Grade
SAE Grade 2 SAE Grade 5 SAE Grade 8
Size Of
in/lbs in/lbs
in/lbs
Hardware ft/lbs Nm. ft/lbs Nm. ft/lbs Nm.
8-32
19
2.1
30
3.4
41
4.6
8-36
20
2.3
31
3.5
43
4.9
10-24
27
3.1
43
4.9
60
6.8
10-32
31
3.5
49
5.5
68
7.7
1/4-20
66
7.6 810.9 12 16.3
1/4-28
76
8.6 10 13.6 14 19.0
5/16-18 11 15.0 17 23.1 25 34.0
5/16-24 12 16.3 19 25.8 27 34.0
3/8-16 20 27.2 30 40.8 45 61.2
3/8-24 23 31.3 35 47.6 50 68.0
7/16-14 30 40.8 50 68.0 70 95.2
7/16-20 35 47.6 55 74.8 80 108.8
1/2-13 50 68.0 75 102.0 110 149.6
1/2-20 55 74.8 90 122.4 120 163.2
9/16-12 65 88.4 110 149.6 150 204.0
9/16-18 75 102.0 120 163.2 170 231.2
5/8-11 90 122.4 150 204.0 220 299.2
5/8-18 100 136 180 244.8 240 326.4
3/4-10 160 217.6 260 353.6 386 525.0
3/4-16 180 244.8 300 408.0 420 571.2
7/8-9 140 190.4 400 544.0 600 816.0
7/8-14 155 210.8 440 598.4 660 897.6
1-8 220 299.2 580 788.8 900 1,244.0
1-12 240 326.4 640 870.4 1,000 1,360.0
Hex Head Capscrew
Hex Nut
Lockwasher
Washer
Carriage Bolt
NOTES
1. These torque values are to be used for all hardware
excluding: locknuts, self-tapping screws, thread forming
screws, sheet metal screws and socket head setscrews.
2. Recommended seating torque values for locknuts:
a. for prevailing torque locknuts - use 65% of grade 5
torques.
b. for flange whizlock nuts and screws - use 135% of
grade 5 torques.
3. Unless otherwise noted on assembly drawings, all torque
values must meet this specification.
Hardware Identification & Torque Specifications
Common Hardware Types
Screw, 1/2 x 2
Body
Diameter
Body
Length
Inside
Diameter
Nut, 1/2”
No
Marks
3/8” Bolt or Nut
Wrench—9/16”
3/8
5/16” Bolt or Nut
Wrench—1/2”
5/16
1/4” Bolt or Nut
Wrench—7/16”
1/4
1/2” Bolt or Nut
Wrench—3/4”
1/2
DIA.
7/16
DIA.
7/16” Bolt or Nut
Wrench (Bolt)—5/8”
Wrench (Nut)—11/16”
Wrench & Fastener Size Guide
Standard Hardware Sizing
When a washer or nut is identified as 1/2”, this is the
Nominal size
, meaning the
inside diameter
is 1/2 inch; if a
second number is present it represent the
threads per inch
When bolt or capscrew is identified as 1/2 - 16 x 2”, this
means the
Nominal size
, or
body diameter
is 1/2 inch; the
second number represents the
threads per inch
(16 in this
example, and the final number is the
body length
of the
bolt or screw (in this example 2 inches long).
The guides and ruler furnished below are designed to
help you select the appropriate hardware and tools.
01/4 3/4
1/2 11/4 3/4
1/2 21/4 3/4
1/2 31/4 3/4
1/2 4