Simplicity Conquest 2700 Parts Manual / 1700 Series Garden Tractors & Mower Decks
Conquest 2700 to the manual 4c08c6fb-9c0e-4f97-9308-147257bf828b
2014-12-13
: Simplicity Simplicity-Conquest-2700-Parts-Manual-126451 simplicity-conquest-2700-parts-manual-126451 simplicity pdf
Open the PDF directly: View PDF
.
Page Count: 72

Parts Manual
Rev. 11/2008
Conquest / 1700 / 2700
Series Garden Tractors & Mower Decks RMO
Mf
g
. No. Descri
p
tion
23HP Product
1695152 Conquest, 23HP B&S Hydro w/PS RMO
1695153 Conquest, 23HP Kohler Hydro RMO
1695154 1723H, 23HP B&S Hydro w/PS RMO
1695155 2723H, 23HP B&S Hydro w/PS RMO
1695226 Conquest, 23HP B&S Hydro (CE/Export)
2690598 Conquest, 23HP Hydro RMO and 44" Mower Deck
2690600 Conquest, 23HP Hydro w/PS RMO and 50" Mower Deck
2690603 1723H, 23HP Hydro w/PS RMO and 50" Mower Deck
2690605 2723H, 23HP Hydro w/PS RMO and 50" Mower Deck
2690656 Conquest, 23HP B&S Hydro and 44" Mower Deck
(CE/Export)
Mf
g
. No. Descri
p
tion
Mower Decks
1694038 44" Mower Deck
1695028 44" Mower Deck (CE/Export)
1695183 50" Mower Deck
1695184 50" Mower Deck
TP 400-4593-A-CQ-SMA
1734979
Part No.:
Not for
Reproduction
Not for
Reproduction

Table Of Content
s
Torque Specification Chart ..................................................................... Inside Back Cover
PRODUCT COMPONENTS PAGES
Frame Group - Manual Steering .......................................................................................................................... 4
Frame Group - Power Steering ............................................................................................................................ 8
Power Steering & Hydraulic Lift Group ................................................................................................................ 12
Steering Group - Manual Steering ....................................................................................................................... 14
Steering Group - Tilt Steering .............................................................................................................................. 16
Engine Group - 20HP, 22HP & 23HP Briggs & Stratton, Vanguard Twin ........................................................... 18
Engine Group - 23HP Kohler, Courage Twin ...................................................................................................... 20
Transmission Group ............................................................................................................................................. 22
Controls Group ..................................................................................................................................................... 26
Cruise Control Group ........................................................................................................................................... 28
Electrical Group .................................................................................................................................................... 30
Hood, Grille & Dash Group .................................................................................................................................. 34
Seat & Seat Deck Group ...................................................................................................................................... 36
Lift Group - Manual Lift ......................................................................................................................................... 38
Wheels & Tires Group .......................................................................................................................................... 40
Decals Group - Brand & Model ............................................................................................................................ 42
Decals Group - Safety & Common ...................................................................................................................... 44
44" & 50" Mower Deck - Clutch & Support Group ............................................................................................... 46
44" Mower Deck - Belt, Idler Arm & Hitch ............................................................................................................ 48
44" Mower Deck - Height Adjustment & Roller Bar ............................................................................................. 50
44" Mower Deck - Housing, Arbors & Blades ...................................................................................................... 54
50" Mower Deck - Height Adjustment & Roller Bar ............................................................................................. 58
50" Mower Deck - Housing, Arbors & Blades Group ........................................................................................... 62
Not for
Reproduction

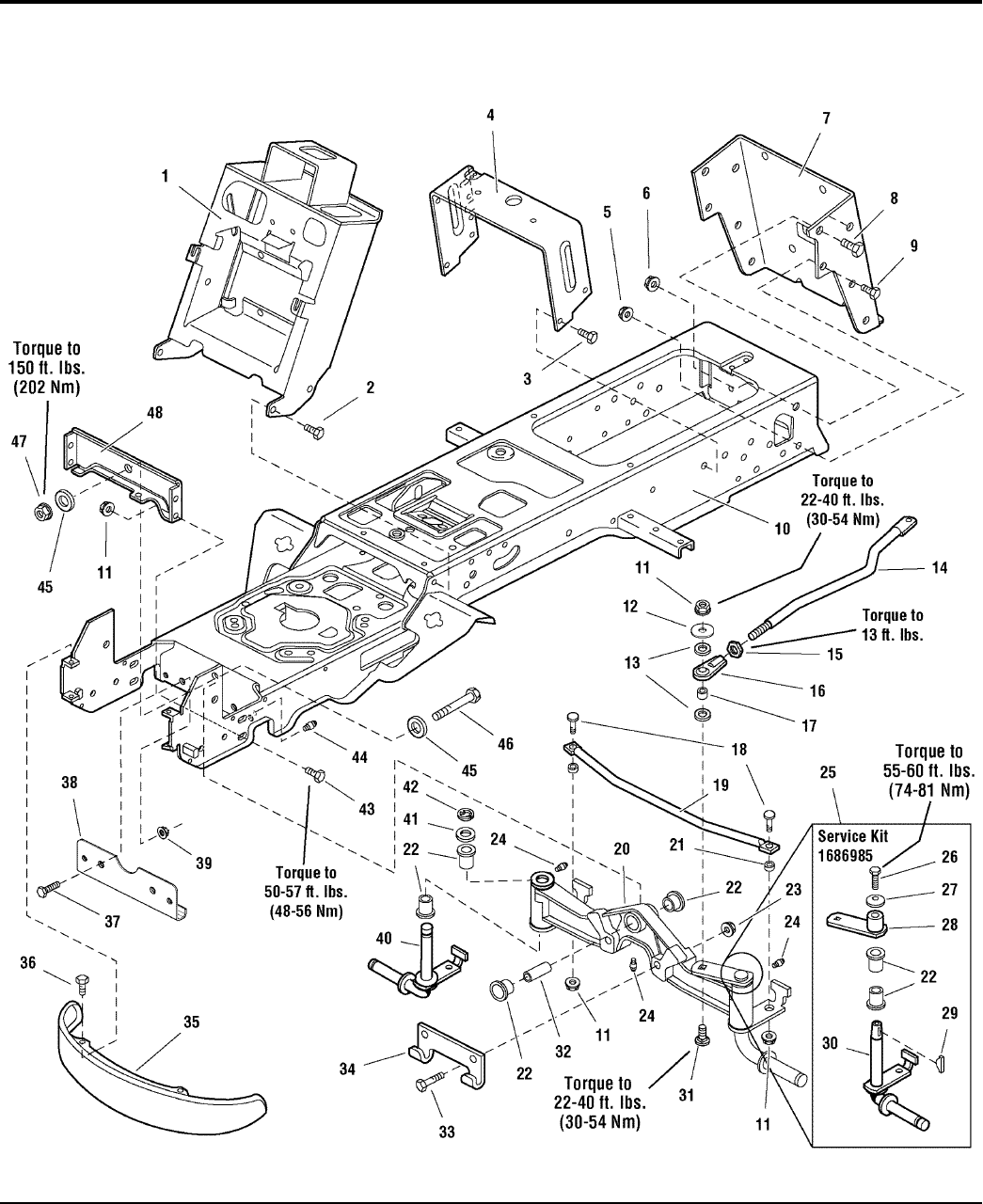
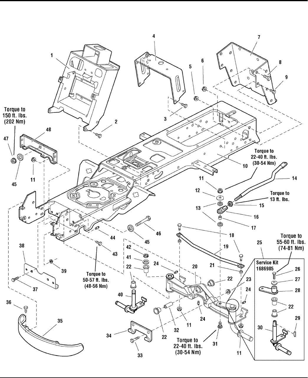
Frame Group - Manual Steering
NOTE: Unless noted otherwise,
use the standard hardware torque
specification chart.
986747
The above parts group applies to the following Mfg. Nos.:
2008 4
© Copyright Simplicity Manufacturing, Inc. All Rights Reserved.
1695153 - Conquest
1695226 - Conquest
2690598 - Conquest
2690656 - Conquest
TP 400-4593-A-CQ-SMA
Not for
Reproduction

PART NO. DESCRIPTIONREF NO QTY.
Frame Group - Manual Steering
Footnotes
TOWER & SUPPORT ASSEMBLY 1 1733139ASM 1
CAPSCREW, Hex Washer Head Taptite, 3/8-16 x 3/4 2 1923683SM 4
CAPSCREW, Hex Washer Head Taptite, 5/16-18 x 3/4 3 1960541SM 4
SUPPORT, Seat Deck 4 1723528ASM 1
NUT, Hex Flange 3/8-16 Whiz Lock, Large 5 1928352SM 2
NUT, Hex Flange Two-Way Lock, 1/2-13 6 1930644SM 2
BACKPLATE 7 1722602ASM 1
CAPSCREW, Hex Head 1/2-13 x 1, Black 8 1923114SM 2
CAPSCREW, Hex Head 3/8-16 x 1, Black 9 1921210SM 2
FRAME ASSEMBLY, Front & Rear 10 1726989ASM 1
NUT, Hex Flange Two-Way Lock, 3/8-16 11 1930645SM 7
WASHER, 3/8, Black 12 1922755SM 1
WASHER, 3/8, Black 13 1960103SM 2
LINK, Drag 14 1722541SM 1
NUT, Hex Jam 1/2-20 15 1919262SM 1
JOINT, Ball 16 1702779SM 1
SPACER, 3/8 x 1/2 x 5/8 17 1708236SM 1
CARRIAGE BOLT, 3/8-16 x 1 18 1931350SM 2
ROD, Tie 19 1722626ASM 1
AXLE ASSEMBLY w/LH Spindle (Includes Ref. Nos. 22, 24, 41, 42 & 43) 20 1722200ASM 1
SPACER, 25/64 x 5/8 x 5/16, Powder Metal 21 1611705SM 2
BUSHING, 31/32 x 1-1/4 x 3/4, Powder Metal 22 1721682SM 6
NUT, Hex Flange Two-Way Lock, 7/16-14 23 1930650SM 2
FITTING, Lube 24 2821133SM 3
SPINDLE REPLACEMENT KIT, LH (Includes Ref. Nos. 22, 26, 27, 28, 29 & 30) 25 1686985SM 1
CAPSCREW, 3/8-16 x 7/8, GR8 26 2823485SM 1
WASHER, Spring, 3/8 27 1663151SM 1
HUB & ARM ASSEMBLY 28 1725112SM 1
KEY, Woodruff 29 2830671SM 1
SPINDLE, LH 30 1724264SM 1
CARRIAGE BOLT, 3/8-16 x 1-1/2 31 1931352SM 1
SPACER, 11/16 x 21/32 x 2 3/32 32 1721752SM 1
CAPSCREW, Hex Head, 7/16-14 x 2 G8 33 1927531SM 2
HOOK, "J" 34 1721918ASM 1
BUMPER, Black 35 1721805ASM 1
BUMPER, Chrome 35 1723502SM 1
SCREW, Truss Head Torque Drive, 5/16-18 x 7/8 36 1960086SM 4
CAPSCREW, Hex Whiz Lock, 5/16-18 x 3/4 37 1930591SM 2
PLATE, Axle Wear 38 1724801ASM 1
NUT, Hex Flange Whix Lick, 5/16-18 39 1931277SM 2
SPINDLE, RH 40 1722199SM 1
WASHER 41 1919394SM 1
RETAINING RING 42 2832577SM 1
The above parts group applies to the following Mfg. Nos.:
2008 5
© Copyright Simplicity Manufacturing, Inc. All Rights Reserved.
1695153 - Conquest
1695226 - Conquest
2690598 - Conquest
2690656 - Conquest
TP 400-4593-A-CQ-SMA
Not for
Reproduction

Frame Group - Manual Steering
NOTE: Unless noted otherwise,
use the standard hardware torque
specification chart.
986747
The above parts group applies to the following Mfg. Nos.:
2008 6
© Copyright Simplicity Manufacturing, Inc. All Rights Reserved.
1695153 - Conquest
1695226 - Conquest
2690598 - Conquest
2690656 - Conquest
TP 400-4593-A-CQ-SMA
Not for
Reproduction

PART NO. DESCRIPTIONREF NO QTY.
Frame Group - Manual Steering
Footnotes
CAPSCREW, Hex Flange Whiz Lock, 3/8-16 x 3/4 43 1933260SM 4
FITTING, Grease for Wear Plate 44 2821133SM 2
WASHER, 5/8 45 1960035SM 2
CAPSCREW, Hex Head, 5/8-11 x 3-1/2 46 2860645SM 1
NUT, Hex Flange Two-Way Lock, 5/8-11 47 2860646SM 1
PLATE, Axle 48 1722212ASM 1
The above parts group applies to the following Mfg. Nos.:
2008 7
© Copyright Simplicity Manufacturing, Inc. All Rights Reserved.
1695153 - Conquest
1695226 - Conquest
2690598 - Conquest
2690656 - Conquest
TP 400-4593-A-CQ-SMA
Not for
Reproduction

Frame Group - Power Steering
NOTE: Unless noted otherwise,
use the standard hardware torque
specification chart.
987426
The above parts group applies to the following Mfg. Nos.:
2008 8
© Copyright Simplicity Manufacturing, Inc. All Rights Reserved.
1695152 - Conquest
1695154 - 1723H
1695155 - 2723H
2690600 - Conquest
2690603 - 1723H
2690605 - 2723H
TP 400-4593-A-CQ-SMA
Not for
Reproduction

PART NO. DESCRIPTIONREF NO QTY.
Frame Group - Power Steering
Footnotes
FRAME ASSEMBLY, Front & Rear 1 1733765ASM 1
TOWER & SUPPORT ASSEMBLY 2 1733139ASM 1
SUPPORT, Seat Deck 3 1723528ASM 1
BACKPLATE, Hitch 4 1722602ASM 1
PLATE, Axle Support 5 1722212ASM 1
BUMPER 6 1721805ASM 1
AXLE, SPINDLES & BUSHINGS ASSEMBLY (Includes Ref. Nos. 19, 21, 44, 45, 46, 47,
48, 49 & 50)
7 1732937ASM 1
HOOK, "J" 8 1721918ASM 1
ROD, Tie, Flat Ends 9 1732759ASM 1
SUPPORT, Steering Unit 10 1733044ASM 1
SPACER, Powdered Metal 11 1721752SM 1
SPACER 12 1611705SM 2
JOINT, Ball, 1/2-20 Thread 13 1702779SM 1
SPACER 14 1719725SM 1
NUT, Hex Jam, 1/2-20 15 1919262SM 1
NUT, Hex Flange, 3/8-16 Two-Way Lock 16 1930645SM 4
CYLINDER, Hydraulic Steering 17 1732439SM 1
CARRIAGE BOLT, 3/8-16 x 1 G5 18 1931350SM 2
FITTING, Lube 1/4 Drive 19 1704314SM 3
NUT, Hex Flange 7/16-14 Two Way Lock 20 1930650SM 2
SPACER, Powdered Metal 21 1732208SM 1
CAPSCREW, Hex Head 7/16-14 x 2 G8 22 1927531SM 2
CAPSCREW, Hex Head 5/8-11 x 3-1/2 G5 23 2860645SM 1
WASHER, 5/8 24 1960035SM 2
SCREW, Hex Whiz Lock Flange 3/8-16 x 3/4 25 1933260SM 4
SCREW, Hex Washer Head Taptite 5/16-18 x 3/4 26 1664847SM 4
NUT, Hex Flange 5/8-11 Two Way Lock 27 2860646SM 1
SCREW, Hex Washer Head Taptite 3/8-16 x 3/4 28 1923683SM 4
NUT, Hex Flange 1/2-13 Whiz Lock 29 2860668SM 2
NUT, Hex Flange 3/8-16 Whiz Lock Large 30 1928352SM 2
CAPSCREW, Hex Head 1/2-13 x 1 G5 31 1923114SM 2
CAPSCREW, Hex Head 3/8-16 x 1 G5 32 1921210SM 2
SCREW, Truss Head Torx Drive 5/16-18 x 7/8 33 1960086SM 4
PLATE, Axle "U" Form 34 1724801ASM 1
SCREW, Hex Whiz Lock Flange 5/16-18 x 3/4 35 1930591SM 2
NUT, Hex Flange 5/16-18 Whiz Lock 36 1931277SM 2
FITTING, Lube 1/4 Drive 37 2821133SM 2
SCREW, Hex Washer Head Taptite 5/16-18 x 1/2 38 1924856SM 4
SPACER 39 1733912ASM 1
WASHER, 5/8 40 1924366SM 2
CAPSCREW, Hex Head 41 1960713SM 1
NUT, Hex Toplock 42 1960714SM 1
NUT, Hex Flange, Machine Lock 3/8-16 43 1960339SM 2
The above parts group applies to the following Mfg. Nos.:
2008 9
© Copyright Simplicity Manufacturing, Inc. All Rights Reserved.
1695152 - Conquest
1695154 - 1723H
1695155 - 2723H
2690600 - Conquest
2690603 - 1723H
2690605 - 2723H
TP 400-4593-A-CQ-SMA
Not for
Reproduction

Frame Group - Power Steering
NOTE: Unless noted otherwise,
use the standard hardware torque
specification chart.
987426
The above parts group applies to the following Mfg. Nos.:
2008 10
© Copyright Simplicity Manufacturing, Inc. All Rights Reserved.
1695152 - Conquest
1695154 - 1723H
1695155 - 2723H
2690600 - Conquest
2690603 - 1723H
2690605 - 2723H
TP 400-4593-A-CQ-SMA
Not for
Reproduction

PART NO. DESCRIPTIONREF NO QTY.
Frame Group - Power Steering
Footnotes
AXLE, Front Casting 44 1733851SM 1
NUT, Hex Lock ESNA Heavy 1/2-13 45 1960355SM 1
SPINDLE & ARM ASSEMBLY, R.H. 46 1732939SM 1
BUSHING, Axle 47 1721682SM 6
WASHER, 1 48 1919394SM 1
RING, Retaining, Extension 49 2832577SM 2
SPINDLE & ARM ASSEMBLY, L.H. 50 1734202SM 1
The above parts group applies to the following Mfg. Nos.:
2008 11
© Copyright Simplicity Manufacturing, Inc. All Rights Reserved.
1695152 - Conquest
1695154 - 1723H
1695155 - 2723H
2690600 - Conquest
2690603 - 1723H
2690605 - 2723H
TP 400-4593-A-CQ-SMA
Not for
Reproduction

Power Steering & Hydraulic Lift Group
NOTE: Unless noted otherwise,
use the standard hardware torque
specification chart.
987528
The above parts group applies to the following Mfg. Nos.:
2008 12
© Copyright Simplicity Manufacturing, Inc. All Rights Reserved.
1695152 - Conquest
1695154 - 1723H
1695155 - 2723H
2690598 - Conquest
2690600 - Conquest
2690603 - 1723H
2690605 - 2723H
2690656 - Conquest
TP 400-4593-A-CQ-SMA
Not for
Reproduction

PART NO. DESCRIPTIONREF NO QTY.
Power Steering & Hydraulic Lift Group
Footnotes
POWER STEERING UNIT, 32CC, 4 Ports 1 1733409SM 1
LOCKWASHER, Spring 2 1916964SM 4
CAPSCREW, Hex Head 3 2860444SM 4
TUBE, Hydraulic 4 1722138SM 1
TIE, Self Locking 5 2825094SM 2
TUBE, Hydraulic 6 1733727SM 1
SCREW, Hex Whiz Lock Flange 1/4-20 x 1/2 7 1931646SM 2
FITTING, Straight 8 1722123SM 4
FILTER, Oil 9 1719168SM 1
BASE, Oil Filter 10 1719169SM 1
TUBE, Hydraulic 11 1722297SM 1
FITTING, Hose Elbow Perma Push 9/16-18 12 1733230SM 2
HOSE ASSEMBLY, 50" Port R 25 1733413SM 1
HOSE ASSEMBLY, 18" Port T 26 1733791SM 1
HOSE ASSEMBLY, 26" Port P 27 1733780SM 1
HOSE ASSEMBLY, 46" Port L 28 1733212SM 1
POWER STEERING ASSEMBLY, 32CC, 4 Ports (Includes Ref. Nos 1, 25, 26, 27 & 28) 29 1733582SM 1
The above parts group applies to the following Mfg. Nos.:
2008 13
© Copyright Simplicity Manufacturing, Inc. All Rights Reserved.
1695152 - Conquest
1695154 - 1723H
1695155 - 2723H
2690598 - Conquest
2690600 - Conquest
2690603 - 1723H
2690605 - 2723H
2690656 - Conquest
TP 400-4593-A-CQ-SMA
Not for
Reproduction

Steering Group - Manual Steering
NOTE: Unless noted otherwise,
use the standard hardware torque
specification chart.
985890
The above parts group applies to the following Mfg. Nos.:
2008 14
© Copyright Simplicity Manufacturing, Inc. All Rights Reserved.
1695153 - Conquest
1695226 - Conquest
2690598 - Conquest
2690656 - Conquest
TP 400-4593-A-CQ-SMA
Not for
Reproduction

PART NO. DESCRIPTIONREF NO QTY.
Steering Group - Manual Steering
Footnotes
STEERING WHEEL, Straight, Shaft 1 1722318SM 1
CAP, Steering Wheel, SMI Logo 2 1722319SM 1
CAP, Steering Wheel, Plain 2 1725024SM 1
PIN, Spring, 5/16 x 2-1/2 3 1960540SM 1
COVER, Rubber, Upper Steering Shaft 4 1722749SM 1
WASHER, 3/4 5 1960114SM 5
BUSHING, 15/32 x 7/8 x 7/8, Nylon 6 2176440SM 2
NUT, Hex KEPS 5/6-18 7 1960636SM 2
PLATE, Mounting Steering 8 1721736ASM 1
NUT, Push 9 1933988SM 2
CARRIAGE BOLT, 5/16-18 x 1-1/4 10 1960655SM 2
GEAR & SHAFT ASSEMBLY, Steering 11 1724470ASM 1
CAPSCREW, Hex Head, 3/8-16 x 1-1/4, Black 12 1960032SM 1
NUT, Hex Flange Two-Way Lock, 3/8-16 13 1930645SM 1
CAPSCREW, Hex Washer Head Taptite, 5/16-18 x 3/4 14 1664847SM 2
SHAFT & PINION ASSEMBLY, Steering Manual 15 1721626SM 1
RING, Clipring Extension 16 1611710SM 1
BEARING, 3/4 x 1-11/16 x 13/16, 3" Long Housing 17 1722459SM 1
SPACER, 3/4 x 1-1/16 x 3/8, Powder Metal 18 1722461SM 1
NUT, Hex Flange Whiz Lock, 3/8-16, Small 19 1931211SM 2
CAPSCREW, Hex Whiz Lock Flange, 3/8-16 x 3/4, Black 20 1933260SM 2
PIN, Cotter, 1-1/4, Black 21 1919314SM 1
The above parts group applies to the following Mfg. Nos.:
2008 15
© Copyright Simplicity Manufacturing, Inc. All Rights Reserved.
1695153 - Conquest
1695226 - Conquest
2690598 - Conquest
2690656 - Conquest
TP 400-4593-A-CQ-SMA
Not for
Reproduction

Steering Group - Tilt Steering
NOTE: Unless noted otherwise,
use the standard hardware torque
specification chart.
987424
The above parts group applies to the following Mfg. Nos.:
2008 16
© Copyright Simplicity Manufacturing, Inc. All Rights Reserved.
1695152 - Conquest
1695154 - 1723H
1695155 - 2723H
2690600 - Conquest
2690603 - 1723H
2690605 - 2723H
TP 400-4593-A-CQ-SMA
Not for
Reproduction

PART NO. DESCRIPTIONREF NO QTY.
Steering Group - Tilt Steering
Footnotes
STEERING WHEEL 1 1733363SM 1
PLATE, Steering Mounting 4 1724685ASM 1
CARRIAGE BOLT, 5/16-18 x 1-1/4 G5 5 1960655SM 2
ADAPTER, Tilt 6 1725294SM 1
SPACER 7 1723898SM 2
NUT, Push Pal 8 1933988SM 2
NUT, Hex Keps 5/16-18 9 1960636SM 2
STEERING UNIT, Tilt 10 1734002SM 1
BELLOWS, Tilt Steering Unit w/Slot 11 1724368SM 1
CAP, Steering Wheel 12 1725024SM 1
DECAL, Power Steering (Not Shown) 13 1716518SM 2
NUT, Hex Lock ESNA Light 5/8-18 15 1960576SM 1
The above parts group applies to the following Mfg. Nos.:
2008 17
© Copyright Simplicity Manufacturing, Inc. All Rights Reserved.
1695152 - Conquest
1695154 - 1723H
1695155 - 2723H
2690600 - Conquest
2690603 - 1723H
2690605 - 2723H
TP 400-4593-A-CQ-SMA
Not for
Reproduction

Engine Group - 20HP, 22HP & 23HP Briggs & Stratton, Vanguard Twin
NOTE: Unless noted otherwise,
use the standard hardware torque
specification chart.
986651
The above parts group applies to the following Mfg. Nos.:
2008 18
© Copyright Simplicity Manufacturing, Inc. All Rights Reserved.
1695152 - Conquest
1695154 - 1723H
1695155 - 2723H
1695226 - Conquest
2690600 - Conquest
2690603 - 1723H
2690605 - 2723H
2690656 - Conquest
TP 400-4593-A-CQ-SMA
Not for
Reproduction

PART NO. DESCRIPTIONREF NO QTY.
Engine Group - 20HP, 22HP & 23HP Briggs & Stratton, Vanguard Twin
Footnotes
MUFFLER 1 1726920SM 1
MUFFLER (Only used on 20HP Models) 1 1722625SM 1
GASKET 2* 2
LOCKWASHER, 5/16 3 1917356SM 4
CAPSCREW, Socket Head, 5/16-18 x 7/8, G8 4 2860660SM 4
HOSE, Oil Drain 5 1723165SM 1
ENGINE, 22HP Briggs & Stratton VANGUARD Twin, Model 386777, Type 0111E1 6* 1
ENGINE, 23HP Briggs & Stratton VANGUARD Twin, Model 386777, Type 0111E1 6* 1
ENGINE, 21HP Briggs & Stratton VANGUARD Twin, Model 385777, Type 0119-E1 6* 1
ENGINE, 20HP Briggs & Stratton VANGUARD Twin, Model 358777, Type 0110-E1 6* 1
SEAL, Circle 7 1722949SM 1
BULKHEAD 8 1722388ASM 1
CAPSCREW, Hex Head Taptite, 1/4-20 x 1/2 9 1925003SM 2
CONTROL, Throttle Double 39" Long w/Knobs (Only used on 20HP Models) 10 1727223SM 1
CONTROL, Throttle Double 10 1734506SM 1
TIE 11 1701011SM 1
CLAMP, Hose Type E 12 2860112SM 2
HOSE, 59" Long 13 1718678SM 1
CLIP, Wire 14 2834683SM 2
SHIELD 15 1722392ASM 2
SCREW, Hex Head Taptite, 1/4-20 x 3/8 16 1929000SM 8
KEY 17 1720463SM 1
PULLEY & HUB ASSEMBLY, 4-1/2 OD 18 1722288SM 1
WASHER, Hex 19 1708264SM 1
LOCKWASHER, 7/16 20 1918199SM 1
CAPSCREW, Hex Head, 7/16-20 x 2-3/4 21 1960648SM 1
CLUTCH, Electric, OGURA 22 1686883SM 1
CLUTCH, Electric, Big Brake OGURA 22 1720532SM 1
TIE 23 2832747SM 1
CAPSCREW, Hex Head Taptite, 3/8-16 x 1-1/2 24 2830598SM 4
LOCKWASHER, External Tooth, 3/8 25 2820427SM 1
SHIELD, Muffler Bottom 26 1722414ASM 1
CAPSCREW, Hex Head Flange Lock, 1/4-20 x 5/8 27 1960295SM 8
CAPSCREW, Hex Head Taptite, 5/16-18 x 1/2 28 1924856SM 2
NUT, Speed, 1/4-20 29 1960368SM 8
NUT, Speed, 5/16-18 30 1935255SM 2
DUCT, Muffler Top 31 1722389ASM 1
DUCT, Muffler Extension 32 1722390ASM 1
Note* See your local Briggs & Stratton distributor for parts and service.
The above parts group applies to the following Mfg. Nos.:
2008 19
© Copyright Simplicity Manufacturing, Inc. All Rights Reserved.
1695152 - Conquest
1695154 - 1723H
1695155 - 2723H
1695226 - Conquest
2690600 - Conquest
2690603 - 1723H
2690605 - 2723H
2690656 - Conquest
TP 400-4593-A-CQ-SMA
Not for
Reproduction

Engine Group - 23HP Kohler, Courage Twin
NOTE: Unless noted otherwise,
use the standard hardware torque
specification chart.
987542
The above parts group applies to the following Mfg. Nos.:
2008 20
© Copyright Simplicity Manufacturing, Inc. All Rights Reserved.
1695153 - Conquest
2690598 - Conquest
TP 400-4593-A-CQ-SMA
Not for
Reproduction

PART NO. DESCRIPTIONREF NO QTY.
Engine Group - 23HP Kohler, Courage Twin
Footnotes
ENGINE, 23HP Kohler Courage Twin, Model SV720, Type PS-SV720-0031 1* 1
HOSE, Oil Drain 2 1723165SM 1
BULKHEAD 3 1722388ASM 1
SCREW, Hex Washer Head Taptite 5/16-18 x 1/2 4 1924856SM 2
THROTTLE, Control Double w/Knob 5 1727375SM 1
CLAMP, Hose 1/2 Diameter Wire Type-E 6 2860112SM 2
HOSE, Fuel 7 1723174SM 1
TIE, Self Locking 8 2825094SM 3
SHIELD, Side 18GA 9 1722392ASM 2
MUFFLER, Kohler Twin 10 1721705SM 1
DUCT, Muffler Extension 18GA Courage 11 1733884ASM 1
SCREW, Hex Whiz Lock Flange 1/4-20 x 5/8 12 1960295SM 8
CLIP, Speed Wire 13 2834683SM 2
DUCT, Muffler Top 14 1722389ASM 1
SCREW, Hex Washer Head Taptite 1/4-20 x 3/8 15 1929000SM 8
SHIELD, Muffler 16 1722414ASM 1
NUT, Speed 1/4-20 Lug Type 17 1960368SM 8
NUT, Speed, 5/16-18 Lug Type 18 1935255SM 2
LOCKWASHER, External Tooth 3/8 19 2820427SM 1
SCREW, Hex Washer Head Taptite 3/8-16 x 1 20 2827187SM 3
KEY, Hi-Pro 1/4 x 2-1/2 21 1720463SM 1
PULLEY & HUB ASSEMBLY 22 1722288SM 1
WASHER, Hex 23 1708264SM 1
LOCKWASHER, Spring 24 1918199SM 1
CAPSCREW, Hex Head 7/16-20 x 3-1/2 G5 25 1960649SM 1
CLUTCH, Electric 26 1718836SM 1
TIE, Self Locking 27 2832747SM 1
SCREW, Hex Washer Head Taptite 1/4-20 x 1/2 28 1925003SM 2
WASHER, 3/8 29 1924940SM 1
RETAINER, Clutch 30 1732026SM 1
SCREW, Hex Washer Head Taptite 3/8-16 x 1-1/2 31 2830598SM 1
Note* See your local Kohler distributor for parts & service.
The above parts group applies to the following Mfg. Nos.:
2008 21
© Copyright Simplicity Manufacturing, Inc. All Rights Reserved.
1695153 - Conquest
2690598 - Conquest
TP 400-4593-A-CQ-SMA
Not for
Reproduction

Transmission Group
NOTE: Unless noted otherwise,
use the standard hardware torque
specification chart.
986602
The above parts group applies to the following Mfg. Nos.:
2008 22
© Copyright Simplicity Manufacturing, Inc. All Rights Reserved.
1695152 - Conquest
1695153 - Conquest
1695154 - 1723H
1695155 - 2723H
1695226 - Conquest
2690598 - Conquest
2690600 - Conquest
2690603 - 1723H
2690605 - 2723H
2690656 - Conquest
TP 400-4593-A-CQ-SMA
Not for
Reproduction

PART NO. DESCRIPTIONREF NO QTY.
Transmission Group
Footnotes
SCREW, Pan Head Torx Taptite, 1/4-20 x 1-1/4 1 1960676SM 2
PAD, Footrest, LH, Differential Lock 2 1722174SM 1
PAD, Footrest, RH 3 1722173SM 1
NUT, Hex KEPS, 5/16-18 4 1960636SM 1
FASTENER, 11/16" Long, Stem Plastic 5 1704351SM 15
NUT, Hex Flange Whiz Lock, 3/8-16, Large 6 1928352SM 2
NUT, Hex KEPS, 3/8-16 7 1960637SM 6
CARRIAGE BOLT, 3/8-16 x 1 8 1931350SM 6
NUT, Hex Flagne ESNA, 5/16-18 9 1960686SM 6
SUPPORT 10 1721728ASM 2
BUSHING, 5/8 x 3/4 x 13/32, Powder Metal 11 1676148SM 2
WASHER, 3/8 12 1924940SM 3
CAPSCREW, Hex Head, 3/8-16 x 2-1/4 13 1922130SM 1
PIN, Quick 14 1722460SM 7
ROD, Differential Lock, 15-3/16 Long 15 1722151SM 1
WASHER, 7/16 16 1918267SM 3
ROD & TUBE ASSEMBLY, Differential Lock Pedal 17 1721360SM 1
KNOB 18 1716289SM 1
SPACER, 25/64 x 5/8 x 1-1/2, Hardened 19 1669105SM 1
KNOB, 3 Sided Soft 20 1723126SM 1
ROD, Free Wheel, 18-3/16 Long 21 1721622SM 1
CAPSCREW, Hex Head, 3/8-16 x 1, Black 22 1921210SM 1
PIVOT ASSEMBLY, Differential Lock 23 1722903SM 1
WASHER, 5/16, Black 24 1919326SM 2
CAPSCREW, Hex Head, 5/16-18 x 3 26 1960590SM 4
ROD, Differential Latch, 2 Bends, 6-3/16 Long 27 1722152SM 1
CAPSCREW, Hex Head, 5/16-18 x 1 28 1921333SM 1
ARM, Differential Lock 29 1722383SM 1
TRANSMISSION ASSEMBLY, K66L Transmission (Used on models with tranmission
expansion tank, attached or mounted to transmission.)
30 1733941SM 1
TRANSMISSION ASSEMBLY, K66AC Transmission (Used on models with remote
expansion tank Ref. No. 51)
30 1733208SM 1
PIN, Cotter, 3/4, Black 31 1918447SM 1
ROD, Brake, 17-27/64 Long 32 1721424SM 1
SPRING, Compression 33 1722684SM 1
SPRING, Compression 34 8191045SM 1
NUT, Hex Flange ESNA, 3/8-16 35 1960687SM 2
SCREW, Whiz 5/8-18 x 1 36 1960667SM 1
SPACER 37 1732088SM 1
ARM & WELD PINS ASSEMBLY, Control K66 38 1732191SM 1
V-BELT 39 1721392SM 1
PULLEY & HUB ASSEMBLY, Transmission 40 1722194SM 1
NUT, Hex Flange, M10-1.5, Nylon Insert 41 1719968SM 1
FAN, 5 Blades, 3 Holes 42 1719233SM 1
CAPSCREW, Hex Washer Head Taptite, 1/4-20 x 1-1/8 43 1933958SM 3
The above parts group applies to the following Mfg. Nos.:
2008 23
© Copyright Simplicity Manufacturing, Inc. All Rights Reserved.
1695152 - Conquest
1695153 - Conquest
1695154 - 1723H
1695155 - 2723H
1695226 - Conquest
2690598 - Conquest
2690600 - Conquest
2690603 - 1723H
2690605 - 2723H
2690656 - Conquest
TP 400-4593-A-CQ-SMA
Not for
Reproduction

Transmission Group
NOTE: Unless noted otherwise,
use the standard hardware torque
specification chart.
986602
The above parts group applies to the following Mfg. Nos.:
2008 24
© Copyright Simplicity Manufacturing, Inc. All Rights Reserved.
1695152 - Conquest
1695153 - Conquest
1695154 - 1723H
1695155 - 2723H
1695226 - Conquest
2690598 - Conquest
2690600 - Conquest
2690603 - 1723H
2690605 - 2723H
2690656 - Conquest
TP 400-4593-A-CQ-SMA
Not for
Reproduction

PART NO. DESCRIPTIONREF NO QTY.
Transmission Group
Footnotes
CARRIAGE BOLT, 5/16-18 x 1 44 1931335SM 1
WASHER, 5/16 45 1960141SM 1
STRAP, 4-1/4 Long 46 1721593ASM 1
CAPSCREW, Hex Head, 5/16-18 x 2-1/2 47 1921719SM 1
ACTUATOR, Switch 48 1727215ASM 1
CAPSCREW, Hex Head Taptite, 5/16-18 x 1/2 49 1924856SM 2
CAP, Expansion Tank Plastic (Used on models with tranmission expansion tank.) 50 1722711SM 1
TANK, Oil Natural (Used on models with tranmission expansion tank.) 51 1722430SM 1
CLAMP, Hose Worm Drive #20 1-3/4" (Used on models with tranmission expansion tank.) 52 1723214SM 2
HOSE, Expansion Tank Formed (Used on models with tranmission expansion tank.) 53 1722468SM 1
BOLT, Shoulder, 3/8-16 54 1732129SM 1
The above parts group applies to the following Mfg. Nos.:
2008 25
© Copyright Simplicity Manufacturing, Inc. All Rights Reserved.
1695152 - Conquest
1695153 - Conquest
1695154 - 1723H
1695155 - 2723H
1695226 - Conquest
2690598 - Conquest
2690600 - Conquest
2690603 - 1723H
2690605 - 2723H
2690656 - Conquest
TP 400-4593-A-CQ-SMA
Not for
Reproduction

Controls Group
NOTE: Unless noted otherwise,
use the standard hardware torque
specification chart.
986599
The above parts group applies to the following Mfg. Nos.:
2008 26
© Copyright Simplicity Manufacturing, Inc. All Rights Reserved.
1695152 - Conquest
1695153 - Conquest
1695154 - 1723H
1695155 - 2723H
1695226 - Conquest
2690598 - Conquest
2690600 - Conquest
2690603 - 1723H
2690605 - 2723H
2690656 - Conquest
TP 400-4593-A-CQ-SMA
Not for
Reproduction

PART NO. DESCRIPTIONREF NO QTY.
Controls Group
Footnotes
ROD, Brake Lock 1 1721353SM 1
KNOB, Push On, Red Plastic "P" 2 1721891SM 1
CAPSCREW, Hex Flange Whiz Lock, 5/16-18 x 3/4 3 1930591SM 1
WASHER, 5/16, Black 4 1919326SM 2
ROD, Brake 5 1721476SM 1
CARRIAGE BOLT, 3/8-16 x 1 3/4 6 1931353SM 2
BUSHING, 5/8 x 3/4 x 3/4, Nylon 7 1663114SM 2
FITTING, Lube, 1/4 8 2821133SM 1
SPRING, Extension 9 1725250SM 1
PIN, Quick 10 1722460SM 3
ARM & HUB ASSEMBLY, Idler 11 1724917SM 1
WASHER, 5/8 12 1960020SM 1
RING, Clipring Extension 13 1704420SM 1
PULLEY, w/Bearing 14 1721134SM 1
WASHER, 3/8 15 1924940SM 1
NUT, Hex Flange ESNA, 3/8-16 16 1960687SM 2
PULLEY, Idler 17 1721133SM 1
BUSHING, 1 x 1-1/8 x 5/8, Nylon 18 1723237SM 2
ARM, Brake 19 1722513SM 1
PEDAL ASSEMBLY, Foot 20 1726763SM 1
CARRIAGE BOLT, 1/4-20 x 1-1/4 21 1931320SM 1
PIN, Cotter, Black 22 1918447SM 1
LATCH, Brake 23 1721354ASM 1
CAPSCREW, Hex Washer Head Taptite, 5/16-18 x 3/4 24 1664847SM 3
NUT, Hex Lock ESNA Light, 5/16-18 25 1919438SM 1
WASHER, 5/16, Black 26 1919381SM 1
NUT, Hex Flange Whiz Lock Large, 5/16-18 27 1927557SM 2
PEDAL, Brake 28 1722535ASM 1
PAD, Brake Pedal 29 1721577SM 1
CARRIAGE BOLT, 5/16-18 x 7/8 30 1931334SM 4
CAPSCREW, 5/16-18 x 1 31 1921333SM 2
ACTUATOR, Switch 2.53" Long 32 1722083ASM 1
CAPSCREW, Hex Washer Head Taptite, 3/8-16 x 3/4 33 1923683SM 1
PEDAL, Forward 34 1722070ASM 1
NUT, Hex KEPS, 5/16-18 35 1960636SM 4
PAD, Foot Pedal Forward 36 1721675SM 1
PEDAL, Reverse 37 1722071ASM 1
PAD, Foot Pedal Reverse 38 1721674SM 1
NUT, Hex Lock ESNA Light, 1/4-20 39 1920397SM 1
CAM, Roller 40 1686612SM 1
SPRING, Extension 41 1721995SM 1
The above parts group applies to the following Mfg. Nos.:
2008 27
© Copyright Simplicity Manufacturing, Inc. All Rights Reserved.
1695152 - Conquest
1695153 - Conquest
1695154 - 1723H
1695155 - 2723H
1695226 - Conquest
2690598 - Conquest
2690600 - Conquest
2690603 - 1723H
2690605 - 2723H
2690656 - Conquest
TP 400-4593-A-CQ-SMA
Not for
Reproduction

Cruise Control Group
NOTE: Unless noted otherwise,
use the standard hardware torque
specification chart.
985883
The above parts group applies to the following Mfg. Nos.:
2008 28
© Copyright Simplicity Manufacturing, Inc. All Rights Reserved.
1695152 - Conquest
1695153 - Conquest
1695154 - 1723H
1695155 - 2723H
1695226 - Conquest
2690598 - Conquest
2690600 - Conquest
2690603 - 1723H
2690605 - 2723H
2690656 - Conquest
TP 400-4593-A-CQ-SMA
Not for
Reproduction

PART NO. DESCRIPTIONREF NO QTY.
Cruise Control Group
Footnotes
COVER, w/Cruise Icon 1 1722314SM 1
SCREW, Torque Head Plus Socket Head, 1/4-20 x 7/8 2 1960666SM 1
KNOB, Cruise 3 1722303SM 1
NUT, Hex Lock ESNA Light, 1/4-20 4 1920397SM 1
LEVER & BRACKET ASSEMBLY, Cruise 5 1722003SM 1
WASHER, 3/8, Black 6 1960103SM 2
CARRIAGE BOLT, 5/16-18 x 3/4 7 1931333SM 1
WASHER, 1/2 8 1924361SM 2
SPACER, w/Flange, 11/32 x 15/32 x 3/4 9 1709043SM 1
CARRIAGE BOLT, 5/16-18 x 2-3/4 10 1931342SM 1
CARRIAGE BOLT, 5/16-18 x 2-1/4 11 1960273SM 1
PIN, Quick 12 1722460SM 2
ROD, Cruise 13 1722117SM 1
ROD, Return 14 1733719SM 1
SPRING, Cruise Return to Frame 15 2159106SM 1
NUT, Hex KEPS, 5/16-18 16 1960636SM 2
CAPSCREW, Hex Washer Head Plastite, 10-14 x 5/8 17 1960001SM 2
SWITCH, Push, Neutral Start, Gray 18 1717050SM 1
SPACER, 11/32 x 5/8 x 1-13/32 19 1722080SM 1
WASHER, 5/16, Black 20 1919326SM 1
WASHER, 5/16, Black 21 1919381SM 1
NUT, Hex Lock ESNA Light, 5/16-18 22 1919438SM 1
SPRING, Compression 23 1677746SM 1
PIN, Cotter 24 1918447SM 1
The above parts group applies to the following Mfg. Nos.:
2008 29
© Copyright Simplicity Manufacturing, Inc. All Rights Reserved.
1695152 - Conquest
1695153 - Conquest
1695154 - 1723H
1695155 - 2723H
1695226 - Conquest
2690598 - Conquest
2690600 - Conquest
2690603 - 1723H
2690605 - 2723H
2690656 - Conquest
TP 400-4593-A-CQ-SMA
Not for
Reproduction

Electrical Group
NOTE: Unless noted otherwise,
use the standard hardware torque
specification chart.
986605
The above parts group applies to the following Mfg. Nos.:
2008 30
© Copyright Simplicity Manufacturing, Inc. All Rights Reserved.
1695152 - Conquest
1695153 - Conquest
1695154 - 1723H
1695155 - 2723H
2690598 - Conquest
2690600 - Conquest
2690603 - 1723H
2690605 - 2723H
2690656 - Conquest
TP 400-4593-A-CQ-SMA
Not for
Reproduction

PART NO. DESCRIPTIONREF NO QTY.
Electrical Group
Footnotes
HEADLIGHT ASSEMBLY, 4 Bulb (Includes Ref. Nos. 2 & 3) 1 1721810SM 1
BULB, Headlight, 12.8V 2 1677371SM 4
SOCKET ASSEMBLY, Headlight, Sealed 3 1723451SM 4
HARNESS, Headlight 4 1722669SM 1
SWITCH, PTO Push/Pull Symbols 5 1722887SM 1
MODULE, RMO (Includes Ref. No. 7) 6 1726556SM 1
KEY, RMO Module Plastic 7 1726557SM 1
CAPSCREW, Hex Washer Head Taptite, 1/4-20 x 1/2, Black 8 1925003SM 2
BREAKER, Circuit, 12 Volt 20 Amps 9 1665238SM 1
WIRE, 12GA 5-15/16 Long, Red 10 1665237SM 1
PLUG, Hole, Square 11 1722611SM 1
PANEL, Instrument w/ Fuel Gage & Hour Meter (Includes Ref. No. 13) 12 1725074SM 1
COVER, Instrument Panel 13 1724865SM 1
NUT, Hex, 5/16-24 14 2820263SM 2
NUT, KEPS Lock 5/16-24 (CE/Export) (Used only on RMO/ACS Models) 14 2860750SM 2
LOCKWASHER, External Tooth, 5/16 15 2820426SM 3
SOLENOID 16 1722739SM 1
SOLENOID (CE/Export) (Used only on RMO/ACS Models) 16 1728963SM 1
SWITCH ASSEMBLY, Ignition, 6 Pin INDAK (Includes Ref. Nos. 18, 19, 20, 21 & 22) 17 1686734SM 1
KEYS, Set of 2 18 1717163SM 1
COVER, For Ignition Switch, Plastic 19 1717550SM 1
NUT, Hex Flange, 5/8-32, Ignition Switch 20 1717549SM 1
LOCKWASHER, Internal Tooth, 5/8, Thin 21 1960547SM 1
WASHER, Shim 22 2101025SM 1
TIE, Strap, 7-5/16 Long 23 1701011SM 3
TIE, Strap, 7-5/16 Long (CE/Export) (Used only on RMO/ACS Models) 23 2825094SM 4
SWITCH, Headlights , 2 Terminal 24 1716951SM 1
BOOT, Insulator Cable Terminal, 1-15/16 Long, Red 25 1713535SM 1
CABLE, #6 x 25" Long, Ring Terminals 26 1721830SM 1
CABLE, #6 x 8" Long, Ring Terminals 27 1603618SM 1
BOOT, Insulator Battery Terminal 28 1677296SM 1
NUT, Hex, 1/4-20 29 2816622SM 3
LOCKWASHER, 1/4 30 2816964SM 2
WASHER, 1/4 31 2821319SM 2
CAPSCREW, Hex Head, 1/4-20 x 3/4 32 2823341SM 2
CABLE, #6 x 26 Long, Ring Terminal 33 1713163SM 1
BATTERY, 12 Volt 34 1685215SM 1
STRAP, Battery, 14 Long, Rubber 35 1722009SM 1
CAPSCREW, Hex Head Taptite, 1/4-20 x 3/8 36 1929000SM 2
BRACKET, Switch Mount 37 1726810ASM 1
SWITCH, Reverse Pedal 38 1732004SM 1
SWITCH, Reverse Pedal (CE/Export) (Used only on RMO/ACS Models) 38 1704379SM 1
SWITCH, Push Button, Foot Pedal 39 1732006SM 1
The above parts group applies to the following Mfg. Nos.:
2008 31
© Copyright Simplicity Manufacturing, Inc. All Rights Reserved.
1695152 - Conquest
1695153 - Conquest
1695154 - 1723H
1695155 - 2723H
2690598 - Conquest
2690600 - Conquest
2690603 - 1723H
2690605 - 2723H
2690656 - Conquest
TP 400-4593-A-CQ-SMA
Not for
Reproduction

Electrical Group
NOTE: Unless noted otherwise,
use the standard hardware torque
specification chart.
986605
The above parts group applies to the following Mfg. Nos.:
2008 32
© Copyright Simplicity Manufacturing, Inc. All Rights Reserved.
1695152 - Conquest
1695153 - Conquest
1695154 - 1723H
1695155 - 2723H
2690598 - Conquest
2690600 - Conquest
2690603 - 1723H
2690605 - 2723H
2690656 - Conquest
TP 400-4593-A-CQ-SMA
Not for
Reproduction

PART NO. DESCRIPTIONREF NO QTY.
Electrical Group
Footnotes
SWITCH, Cruise Control, Grey, NO (Used on all models except CE/Export) 40 1717050SM 1
SCREW, Pan Head Torx, #10-32 x 1/2 41 2860665SM 5
LOCKWASHER, 3/16 #10 42 1917365SM 5
PLUG, Hole 3", Round 43 1722309SM 1
SENDER, Fuel Tank (Includes Ref. 45) 44 1686921SM 1
GASKET 45 1685303SM 1
CAPSCREW, Hex Washer Head Plastite, 1/4 x 1/2 46 1960536SM 2
SWITCH, Seat, Grey, NC 47 1716368SM 1
SWITCH, Seat, Grey, NC (CE/Export) (Used only on RMO/ACS Models) 47 1718981SM 1
HARNESS, Wiring 48 1730192SM 1
HARNESS, Wiring (CE/Export) (Used only on RMO/ACS Models) 48 1733220SM 1
WIRING ASSEMBLY, All Conditions Shutdown (CE/Export) (Used only on RMO/ACS
Models)
49 1734025SM 1
12-VOLT OUTLET (CE/Export) (Used only on RMO/ACS Models) 50 1725302SM 1
The above parts group applies to the following Mfg. Nos.:
2008 33
© Copyright Simplicity Manufacturing, Inc. All Rights Reserved.
1695152 - Conquest
1695153 - Conquest
1695154 - 1723H
1695155 - 2723H
2690598 - Conquest
2690600 - Conquest
2690603 - 1723H
2690605 - 2723H
2690656 - Conquest
TP 400-4593-A-CQ-SMA
Not for
Reproduction

Hood, Grille & Dash Group
NOTE: Unless noted otherwise,
use the standard hardware torque
specification chart.
986608
The above parts group applies to the following Mfg. Nos.:
2008 34
© Copyright Simplicity Manufacturing, Inc. All Rights Reserved.
1695152 - Conquest
1695153 - Conquest
1695154 - 1723H
1695155 - 2723H
1695226 - Conquest
2690598 - Conquest
2690600 - Conquest
2690603 - 1723H
2690605 - 2723H
2690656 - Conquest
TP 400-4593-A-CQ-SMA
Not for
Reproduction

PART NO. DESCRIPTIONREF NO QTY.
Hood, Grille & Dash Group
Footnotes
PANEL, RH Side 1 1721804CSM 1
PANEL, RH Side, Red 1 1721804DSM 1
HOOD, with Scoop, Red 2 1728031DSM 1
HOOD, with Louvers 3 1722110CSM 1
CAPSCREW, Hex Head Flange Lock,1/4-20 x 5/8 4 1960295SM 12
SCREW, Phillips Head, #10-24 x 1/2 5 1960392SM 1
DASHBOARD, RMO, Black 6 1687054SM 1
DASHBOARD, RMO with Hydra Lift Slot, Black 6 1687055SM 1
NUT, Hex Nylock,#10-24 7 1933896SM 1
ROD, Dash Support 8 1723123SM 1
NUT, Hex Flange Lock, 1/4-20 9 1930641SM 12
PANEL, LH Side 10 1721803CSM 1
PANEL, LH Side, Red 10 1721803DSM 1
HINGE, LH 11 1721808ASM 1
DUCT, Air Inlet 12 1733457ASM 1
GRILLE 13 1721802CSM 1
GRILLE, Red 13 1721802DSM 1
HEADLIGHT ASSEMBLY (Includes Ref. Nos. 15 & 16) 14 1721810SM 1
BULB, Headlight 15 1677371SM 4
SOCKET, Headlight 16 1723451SM 4
HINGE, RH 17 1721809ASM 1
The above parts group applies to the following Mfg. Nos.:
2008 35
© Copyright Simplicity Manufacturing, Inc. All Rights Reserved.
1695152 - Conquest
1695153 - Conquest
1695154 - 1723H
1695155 - 2723H
1695226 - Conquest
2690598 - Conquest
2690600 - Conquest
2690603 - 1723H
2690605 - 2723H
2690656 - Conquest
TP 400-4593-A-CQ-SMA
Not for
Reproduction

Seat & Seat Deck Group
NOTE: Unless noted otherwise,
use the standard hardware torque
specification chart.
985909
The above parts group applies to the following Mfg. Nos.:
2008 36
© Copyright Simplicity Manufacturing, Inc. All Rights Reserved.
1695152 - Conquest
1695153 - Conquest
1695154 - 1723H
1695155 - 2723H
1695226 - Conquest
2690598 - Conquest
2690600 - Conquest
2690603 - 1723H
2690605 - 2723H
2690656 - Conquest
TP 400-4593-A-CQ-SMA
Not for
Reproduction

PART NO. DESCRIPTIONREF NO QTY.
Seat & Seat Deck Group
Footnotes
BRACKET, 1-5/8 x 1-3/4 1 1722129ASM 1
SEAT, 18" Back 2 1687199SM 1
SUPPORT, Seat 3 1722128ASM 1
CLIP, Wire 4 2172434SM 1
WASHER, Spring, 5/16 x 1-1/4 5 1709256SM 2
SPRING, Compression 6 1714263SM 2
NUT, Hex Lock, ESNA Light, 5/16-18 7 1919438SM 10
SPRING, Compression 8 1717051SM 2
CAPSCREW, Hex Flange Whiz Lock, 5/16-18 x 3/4 9 1930591SM 8
CARRIAGE BOLT, 5/16-18 x 2 10 1931339SM 2
CARRIAGE BOLT, 3/8-16 x 1 11 1931350SM 2
SLIDE, Seat 12 1722356SM 1
NUT, Speed, 5/16-18, Lug Type 13 1935255SM 4
CAPSCREW, Hex Washer Head Taptite, 5/16-18 x 5/8 14 1930601SM 4
PLUG, Plastic 15 1722309SM 2
POD, with Cup Holder, LH 16 1729711SM 1
CAPSCREW, Hex Washer Head, 1/4-20 x 5/8 17 2860664SM 8
NUT, Hex Flange Whiz Lock, 5/16-18 18 1931277SM 4
CAP, Gas 19 1715917SM 1
TUBE & ELBOW ASSEMBLY 20 1722340SM 1
BUSHING, 3/8 x 9/16 x 5/8, Rubber 21 1654930SM 1
TANK, Fuel 22 1722432SM 1
NUT, Hex KEPS, 5/16-18 23 1960636SM 8
DECK, Seat, Orange 24 1722106CSM 1
DECK, Seat, Red 24 1722106DSM 1
POD, RH with 2 Slots 25 1722108SM 1
TUNNEL, Orange 26 1722105CSM 1
TUNNEL, Red 26 1722105DSM 1
SCREW, Hex Flange Whiz Lock, 5/16-18 x 1 27 1960667SM 4
SPACER, 25/64 x 5/8 x 3/16, Hardened 28 1663752SM 2
NUT, Hex Flange Two-Way Lock, 3/8-16 29 1930645SM 2
WASHER, 3/8 30 1924940SM 2
SCREW, Taptite 5/16-18 x 1-1/4 31 1930595SM 4
The above parts group applies to the following Mfg. Nos.:
2008 37
© Copyright Simplicity Manufacturing, Inc. All Rights Reserved.
1695152 - Conquest
1695153 - Conquest
1695154 - 1723H
1695155 - 2723H
1695226 - Conquest
2690598 - Conquest
2690600 - Conquest
2690603 - 1723H
2690605 - 2723H
2690656 - Conquest
TP 400-4593-A-CQ-SMA
Not for
Reproduction

Lift Group - Manual Lift
NOTE: Unless noted otherwise,
use the standard hardware torque
specification chart.
985894
The above parts group applies to the following Mfg. Nos.:
2008 38
© Copyright Simplicity Manufacturing, Inc. All Rights Reserved.
1695152 - Conquest
1695153 - Conquest
1695154 - 1723H
1695155 - 2723H
1695226 - Conquest
2690598 - Conquest
2690600 - Conquest
2690603 - 1723H
2690605 - 2723H
2690656 - Conquest
TP 400-4593-A-CQ-SMA
Not for
Reproduction

PART NO. DESCRIPTIONREF NO QTY.
Lift Group - Manual Lift
Footnotes
NUT, Hex Whiz Lock Flange, 5/16-18, Large, Black 1 1927557SM 2
CARRIAGE BOLT, 5/16-18 x 3/4 2 1931333SM 4
GRIP, Lift Lever 3 1722291SM 1
BUTTON, Red Nylon, for 1/4 Rod 4 1723124SM 1
NUT, Push 5 1960674SM 1
SPRING, Compression, Lift Lever 6 1723321SM 1
QUADRANT, Lift, Powdered Metal 7 1721581SM 1
CAPSCREW, Hex Head, 5/16-18 x 1, G8, Black 8 1926149SM 2
LEVER ASSEMBLY, Lift 9 1721712ASM 1
NUT, Hex KEPS, 5/16-18 10 1960636SM 5
ROD, Latch 11 1722482SM 1
LOCK, Lift, Powdered Metal 12 1722112SM 1
SPRING, Extension 13 2156302SM 1
SPACER, 1/2 x 3/4 x 23/32 14 1723163SM 1
BAR, Lift, 9-7/8 Long 15 1723795ASM 1
WASHER, 5/16, Black 16 1919381SM 1
CAPSCREW, Hex Head, 5/16-18 x 2-1/4 17 1921160SM 1
PIN, Flat Head Drilled, 1/2 x 2-1/8 Long 18 1722819SM 1
CLIP, Hair Pin, 2-9/16 Long 19 1960033SM 1
SHAFT ASSEMBLY, Lift 20 1727436ASM 1
NUT, Speed, 5/16-18, Lug 21 1935255SM 1
SPRING, Compression 22 1675232SM 1
RETAINER, Spring Flat 23 1723499SM 1
CAPSCREW, Hex Washer Head, 5/16-18 x 4-1/2 24 1722357SM 1
The above parts group applies to the following Mfg. Nos.:
2008 39
© Copyright Simplicity Manufacturing, Inc. All Rights Reserved.
1695152 - Conquest
1695153 - Conquest
1695154 - 1723H
1695155 - 2723H
1695226 - Conquest
2690598 - Conquest
2690600 - Conquest
2690603 - 1723H
2690605 - 2723H
2690656 - Conquest
TP 400-4593-A-CQ-SMA
Not for
Reproduction

Wheels & Tires Group
NOTE: Unless noted otherwise,
use the standard hardware torque
specification chart.
W986613
The above parts group applies to the following Mfg. Nos.:
2008 40
© Copyright Simplicity Manufacturing, Inc. All Rights Reserved.
1695152 - Conquest
1695153 - Conquest
1695154 - 1723H
1695155 - 2723H
1695226 - Conquest
2690598 - Conquest
2690600 - Conquest
2690603 - 1723H
2690605 - 2723H
2690656 - Conquest
TP 400-4593-A-CQ-SMA
Not for
Reproduction

PART NO. DESCRIPTIONREF NO QTY.
Wheels & Tires Group
Footnotes
WHEEL & TIRE ASSEMBLY, Front, (Includes Ref. Nos. 2, 3, 4, 5 & 6) 1 1722305SM 2
TIRE, 16 x 6-1/2 - 8 Super Turf, Front 2 1722833SM 2
TUBE, Tire 16 x 6-1/2 - 8, Front 3 2164247SM 2
BEARING, Ball 4 1717056SM 4
WHEEL, 5 3/8 x 7-15/16, Front 5 1722834SM 2
VALVE STEM & CAP ASSEMBLY 6 2172353SM 4
WASHER, Special, 1 x 2-1/2 7 1722726SM 8
WASHER 8 1919394SM 4
RING, Shaft 9 2832577SM 6
CAP, Hub Grey, 2-23/64 10 1722676SM 4
KEY, HI PRO, 1/4 x 2 11 2105337SM 2
WASHER 12 2860200SM 4
SPACER, 1-1/16 x 1-1/2 x 1-23/32, Black 13 1723112SM 2
PLATE & HUB ASSEMBLY, Rear Wheel w/Studs 14 1721400SM 2
WHEEL & TIRE ASSEMBLY, Rear 23" (Includes Ref. Nos. 6, 16, 17 & 18) 15 1722766SM 2
TIRE, 23 x 10-1/2 - 12 Super Turf, Rear 16 1722830SM 2
TUBE, Tire 23 x 10-1/2 - 12, Rear 17 2157638SM 2
WHEEL, 7 x 12, Rear 18 1722831SM 2
RING, Shaft 19 2834712SM 2
NUT, Hex 7/16-20, For Wheel Bolt 20 2177725SM 10
The above parts group applies to the following Mfg. Nos.:
2008 41
© Copyright Simplicity Manufacturing, Inc. All Rights Reserved.
1695152 - Conquest
1695153 - Conquest
1695154 - 1723H
1695155 - 2723H
1695226 - Conquest
2690598 - Conquest
2690600 - Conquest
2690603 - 1723H
2690605 - 2723H
2690656 - Conquest
TP 400-4593-A-CQ-SMA
Not for
Reproduction

Decals Group - Brand & Model
NOTE: Unless noted otherwise,
use the standard hardware torque
specification chart.
B986613
The above parts group applies to the following Mfg. Nos.:
2008 42
© Copyright Simplicity Manufacturing, Inc. All Rights Reserved.
1695152 - Conquest
1695153 - Conquest
1695154 - 1723H
1695155 - 2723H
1695226 - Conquest
2690598 - Conquest
2690600 - Conquest
2690603 - 1723H
2690605 - 2723H
2690656 - Conquest
TP 400-4593-A-CQ-SMA
Not for
Reproduction

PART NO. DESCRIPTIONREF NO QTY.
Decals Group - Brand & Model
Footnotes
DECAL, ICON Simplicity, Orange 1 1717692SM 2
DECAL, ICON Simplicity, Orange 1 1731418SM 1
DECAL, Simplicity, Silver & Blue w/Icon 2 1722551SM 3
DECAL, Conquest, Silver & Blue 3 1722820SM 1
DECAL, 16HP, Silver On Clear 4 1722549SM 1
DECAL, 18HP, Silver 4 1722779SM 1
DECAL, 20HP, Silver 4 1722780SM 1
DECAL, 21HP, Silver 4 1730206SM 1
DECAL, 23HP 4 1722781SM 1
DECAL, Hood Stripe, RH, Simplicity, Blue & Silver 5 1722773SM 1
DECAL, Hood Stripe, LH, Simplicity, Blue & Silver 5 1722774SM 1
DECAL, AGCO, Logo Black, Chrome, Orange 6 1708926SM 1
DECAL, 1716, Gray, AGCO 7 1722795SM 2
DECAL, 1718, Gray, AGCO 7 1722796SM 2
DECAL, 1720, Gray, AGCO 7 1722797SM 2
DECAL, 1721, AGCO 7 1730209SM 1
DECAL, Hood Stripe, LH, AGCO 8 1722817SM 1
DECAL, Hood Stripe, RH, AGCO 8 1722818SM 1
DECAL, Massey Ferguson Logo, 3 Triangles 9 1714363SM 1
DECAL, 2716, Black, Massey Ferguson 10 1722801SM 2
DECAL, 2718, Black, Massey Ferguson 10 1722802SM 2
DECAL, 2720, Black, Massey Ferguson 10 1722803SM 2
DECAL, 2721, Massey Ferguson 10 1730207SM 2
DECAL, 2723, Massey Ferguson 10 1728113SM 2
DECAL, Hood Stripe, LH, Massey Ferguson 11 1722815SM 1
DECAL, Hood Stripe, RH, Massey Ferguson 11 1722816SM 1
DECAL, Hood Stripe, LH, Massey Ferguson 11 1727783SM 1
DECAL, Hood Stripe, RH, Massey Ferguson 11 1727784SM 1
The above parts group applies to the following Mfg. Nos.:
2008 43
© Copyright Simplicity Manufacturing, Inc. All Rights Reserved.
1695152 - Conquest
1695153 - Conquest
1695154 - 1723H
1695155 - 2723H
1695226 - Conquest
2690598 - Conquest
2690600 - Conquest
2690603 - 1723H
2690605 - 2723H
2690656 - Conquest
TP 400-4593-A-CQ-SMA
Not for
Reproduction

Decals Group - Safety & Common
NOTE: Unless noted otherwise,
use the standard hardware torque
specification chart.
C986613
The above parts group applies to the following Mfg. Nos.:
2008 44
© Copyright Simplicity Manufacturing, Inc. All Rights Reserved.
1695152 - Conquest
1695153 - Conquest
1695154 - 1723H
1695155 - 2723H
1695226 - Conquest
2690598 - Conquest
2690600 - Conquest
2690603 - 1723H
2690605 - 2723H
2690656 - Conquest
TP 400-4593-A-CQ-SMA
Not for
Reproduction

PART NO. DESCRIPTIONREF NO QTY.
Decals Group - Safety & Common
Footnotes
DECAL, Ignition Switch Symbols, White/Black 1 1722806SM 1
DECAL, Automatic Control Traction 2 1718025SM 1
DECAL, Tunnel Cover, Danger Slopes/Blades 3 1722814SM 1
DECAL, Tunnel Cover, Danger Slopes/Blades, (Export) 3 1734027SM 1
DECAL, Tunnel Cover 3 1726923SM 1
DECAL, Lift Lever Symbols 4 1723143SM 1
DECAL, Drive Belts, Mower Blades (38 Tooth Sprocket Mower) 5 1725158SM 1
DECAL, Drive Belts, Mower Blades 5 1727014SM 1
DECAL, Touch Up Paint, Deep Orange 6 1720454SM 1
DECAL, Touch-Up Paint, Red 6 1725072SM 1
DECAL, Protective Sticker 7 1723296SM 2
LABEL, Decibel, Power Mass 8* 1
DECAL, I.D. Plate 9* 1
DECAL, Patent 10 * 1
DECAL, USA Logo Stars & Stripe 11 1708927SM 1
DECAL, Transmission Release Valve 12 1723160SM 1
DECAL, I.D. Plate 13 * 1
DECAL, Danger Do Not Put Hands/Feet in Mower 14 1704276SM 1
DECAL, Free Floating Mower, Silver 15 1722771SM 1
DECAL, OPEI Certified 16 * 1
DECAL, 44", Silver on Black with Stripe 17 1722789SM 1
DECAL, 50", Silver on Black with Stripe 17 1722790SM 1
DECAL, 54", Silver on Black with Stripe 17 1722791SM 1
DECAL, Danger Do Not Operate without Deflector 18 1704277SM 1
DECAL, Height of Cut 19 1721197SM 1
Note* Not a service part.
The above parts group applies to the following Mfg. Nos.:
2008 45
© Copyright Simplicity Manufacturing, Inc. All Rights Reserved.
1695152 - Conquest
1695153 - Conquest
1695154 - 1723H
1695155 - 2723H
1695226 - Conquest
2690598 - Conquest
2690600 - Conquest
2690603 - 1723H
2690605 - 2723H
2690656 - Conquest
TP 400-4593-A-CQ-SMA
Not for
Reproduction

44" & 50" Mower Deck - Clutch & Support Group
NOTE: Unless noted otherwise,
use the standard hardware torque
specification chart.
987579
The above parts group applies to the following Mfg. Nos.:
2008 46
© Copyright Simplicity Manufacturing, Inc. All Rights Reserved.
1695183 - 50" Mower
1695184 - 50" Mower
2690600 - Conquest
2690603 - 1723H
2690605 - 2723H
TP 400-4593-A-CQ-SMA
Not for
Reproduction

PART NO. DESCRIPTIONREF NO QTY.
44" & 50" Mower Deck - Clutch & Support Group
Footnotes
V BELT, HA 61.10 (Used only on 44" Mower) 1 1601672SM 1
SPRING, Extension 2 1656936SM 1
SPACER, Case Hard 3 1674669SM 2
GUARD, Belt 4 1677135ASM 1
V BELT, Arbor Drive 50 (Used only on 50" Mower) 5 1703836SM 1
LEVER ASSEMBLY, Idler w/Bushings & Fitting 6 1704658SM 1
V BELT, Mower Drive 50 (Used only on 50" Mower) 7 1707740SM 1
ROD 8 1713578SM 1
SPRING, Extension 9 1715435SM 1
ROD 10 1715759SM 1
LEVER ASSEMBLY, Idler w/Bushings & Fitting 11 1718561SM 1
BELT, 83.1 (Used only on 44" Mower) 12 1721532SM 1
PULLEY, Idler 13 1724387SM 2
HITCH, Mower 44, 50" 14 1733717ASM 1
NUT, Hex 3/8-16 NC-2B 15 1916950SM 2
LOCKWASHER, Spring 3/8 16 1916965SM 2
CAPSCREW, Hex Head 3/8-16 x 1-3/4 G8 17 1922606SM 2
CAPSCREW, Hex Head 3/8-16 x 3-1/2 G5 18 1923938SM 1
WASHER, 3/8 19 1924356SM 2
WASHER, 3/8 20 1924940SM 14
CARRIAGE BOLT, 3/8-16 x 1-1/2 G5 21 1931352SM 1
CARRIAGE BOLT, 3/8-16 x 2 G5 22 1960315SM 1
NUT, Hex Flange 3/8-16 Machine Lock 23 1960339SM 1
NUT, Push 24 1960519SM 1
SPRING, Extension 25 2156302SM 1
SPACER 26 1733068SM 2
NUT, Hex Toplock Spiral Lock Flange 3/8-16 27 2860681SM 2
The above parts group applies to the following Mfg. Nos.:
2008 47
© Copyright Simplicity Manufacturing, Inc. All Rights Reserved.
1695183 - 50" Mower
1695184 - 50" Mower
2690600 - Conquest
2690603 - 1723H
2690605 - 2723H
TP 400-4593-A-CQ-SMA
Not for
Reproduction

44" Mower Deck - Belt, Idler Arm & Hitch
NOTE: Unless noted otherwise,
use the standard hardware torque
specification chart.
986945
The above parts group applies to the following Mfg. Nos.:
2008 48
© Copyright Simplicity Manufacturing, Inc. All Rights Reserved.
1694038 - 44" Mower
1695028 - 44" Mower
2690598 - Conquest
2690656 - Conquest
TP 400-4593-A-CQ-SMA
Not for
Reproduction

PART NO. DESCRIPTIONREF NO QTY.
44" Mower Deck - Belt, Idler Arm & Hitch
Footnotes
V-BELT, Mower Drive 1 1601672SM 1
V-BELT, Arbor Drive 2 1721532SM 1
GRIP, Lever 3 1665835 1
NUT, Hex, 3/8-16 4 1916950SM 2
WASHER, Lock, 3/8 5 1916965SM 2
BELT STOP, Idler 6 1677135ASM 1
WASHER, 3/8 7 1924940SM 14
SPACER, 25/64 x 21/32 x 7/16, Powder Metal 8 1666294SM 2
PULLEY, Idler (Includes Ref. No. 8) 9 1685150SM 2
NUT, Hex Flange, 3/8-16, MAC Lock Large, Black 10 1960339SM 1
BUSHING, 5/8 x 3/4 x 13/32, Powder Metal 11 1676148SM 4
SPRING 12 1715435SM 1
SPACER, 25/64 x 5/8 x 1-1/8, Case Hardened 13 1674669SM 2
GREASE FITTING 14 2812808SM 2
LEVER ASSEMBLY, Idler (Includes Ref. Nos. 3, 11 & 14) 15 1704658SM 1
CARRIAGE BOLT, 3/8-16 x 2 16 1960315SM 1
LEVER ASSEMBLY, Idler Arm (Includes Ref. Nos. 11 & 14) 17 1718561SM 1
WASHER, 3/8, Black 18 1924356SM 2
CARRIAGE BOLT, 3/8-16 x 1-1/2 19 1931352SM 1
SPRING 20 1656936SM 1
CAPSCREW, Hex Head, 3/8-16 x 3-1/2 21 1923938SM 1
CAPSCREW, Hex Head, 3/8-16 x 1-3/8 22 1921968SM 2
SPACER, 3/8 x 3/4 x 1/2 23 2157081SM 2
NUT, Hex Toplock Spiralock Flange, 3/8-16 24 2860681SM 2
SPRING 25 2156302SM 1
HITCH ASSEMBLY 26 1707432ASM 1
ROD, Latch 27 1715759SM 1
The above parts group applies to the following Mfg. Nos.:
2008 49
© Copyright Simplicity Manufacturing, Inc. All Rights Reserved.
1694038 - 44" Mower
1695028 - 44" Mower
2690598 - Conquest
2690656 - Conquest
TP 400-4593-A-CQ-SMA
Not for
Reproduction

44" Mower Deck - Height Adjustment & Roller Bar
NOTE: Unless noted otherwise,
use the standard hardware torque
specification chart.
B985974
The above parts group applies to the following Mfg. Nos.:
2008 50
© Copyright Simplicity Manufacturing, Inc. All Rights Reserved.
1694038 - 44" Mower
1695028 - 44" Mower
2690598 - Conquest
2690656 - Conquest
TP 400-4593-A-CQ-SMA
Not for
Reproduction

PART NO. DESCRIPTIONREF NO QTY.
44" Mower Deck - Height Adjustment & Roller Bar
Footnotes
SHAFT ASSEMBLY, Roller, 44", (Includes Ref. Nos. 7 & 9) 1 1685443SM 1
NUT, Adjuster 2 1704082SM 1
NUT, Hex Aluminum Insert Lock, 3/8-16 3 2860681SM 3
SLIDE 4 1677507SM 1
WASHER, Plain, 1/2 5 1924361SM 1
BOLT, Shoulder, 3/8-16 6 2172622SM 1
SPACER, 25/64 x 13/16 x 13/16, Steel, Black 7 1602946SM 2
ROLLER, Rounded, 2-1/2 Long 8 1722036SM 2
NUT, Push 9 1960520SM 2
WASHER, Plain, 1-1/4 10 1924366SM 10
ROLLER 11 1668513SM 7
BAR, Roller 12 1704074ASM 1
NUT, Hex, Flange, Lock, 1/2-13 13 1930644SM 2
CAPSCREW, Hex Head Taptite, 5/16 -18 x 3/4 14 1664847SM 5
WASHER, 3/8 15 1924940SM 5
UP-STOP, 6-1/4 High, Black 16 1722747SM 1
STRAP, Mower Arm Assembly 17 1665374SM 3
CARRIAGE BOLT, 3/8-16 x 1-1/2 18 1931352SM 1
ARM ASSEMBLY, Mower 19 1733521ASM 1
WASHER, 5/16, Black 21 1919381SM 1
ROD, Adjustment 24 1704093SM 1
SPACER, 3/8 x 3/4 x 15/16 25 1706644SM 1
CAPSCREW, Hex Head, 3/8-16 x 1-3/4 26 1922606SM 1
BRACKET, Up-Stop, 6" Long 27 1722748ASM 1
CAPSCREW, Hex Washer Head Taptite, 5/16-18 x 3/4, Black 29 1664847SM 2
PLATE, Mower Support 30 1704080ASM 1
CAPSCREW, Hex Head Taptite, 5/16-18 x 1-1/4 31 1931202SM 2
INDICATOR, Cutting Height 32 1704114SM 1
WASHER, Detent 33 1704097SM 1
TRUNNION 34 1704086SM 1
PIN, Roll, 1 35 2816001SM 1
TRUNNION 36 1704081ASM 1
NUT, Hex, Jam, 1/2-13 37 1913744SM 2
WASHER, 33/64 38 1960170SM 3
PIN, Clevis 39 2118053SM 1
CLIP, Hair Pin 40 1960074SM 3
NUT, Whiz Lock 5/16-18 41 1931277SM 2
BRACKET, Cutting Height 43 1704116ASM 1
ARM, Rear, Mower, RH 44 1704083ASM 1
CAPSCREW, Hex Head, 5/16-18 x 1-1/4 45 1921977SM 2
TRUNNION, Threaded 46 1704087SM 1
CRANK, Cutting Height 47 1719901SM 1
KNOB, Height Crank 48 1714084SM 1
The above parts group applies to the following Mfg. Nos.:
2008 51
© Copyright Simplicity Manufacturing, Inc. All Rights Reserved.
1694038 - 44" Mower
1695028 - 44" Mower
2690598 - Conquest
2690656 - Conquest
TP 400-4593-A-CQ-SMA
Not for
Reproduction

44" Mower Deck - Height Adjustment & Roller Bar
NOTE: Unless noted otherwise,
use the standard hardware torque
specification chart.
B985974
The above parts group applies to the following Mfg. Nos.:
2008 52
© Copyright Simplicity Manufacturing, Inc. All Rights Reserved.
1694038 - 44" Mower
1695028 - 44" Mower
2690598 - Conquest
2690656 - Conquest
TP 400-4593-A-CQ-SMA
Not for
Reproduction

PART NO. DESCRIPTIONREF NO QTY.
44" Mower Deck - Height Adjustment & Roller Bar
Footnotes
PAL NUT 49 1960093SM 1
CHAIN, 2-Link 54 1731383ASM 1
ROD, Height Adjustment 55 1731384SM 1
NUT, Hex Jam 56 1920161SM 1
TRUNNION 57 1731382SM 1
CLIP, Hair Pin 58 1960074SM 1
WASHER, 3/8 59 1924940SM 1
The above parts group applies to the following Mfg. Nos.:
2008 53
© Copyright Simplicity Manufacturing, Inc. All Rights Reserved.
1694038 - 44" Mower
1695028 - 44" Mower
2690598 - Conquest
2690656 - Conquest
TP 400-4593-A-CQ-SMA
Not for
Reproduction

44" Mower Deck - Housing, Arbors & Blades
NOTE: Unless noted otherwise,
use the standard hardware torque
specification chart.
985971
The above parts group applies to the following Mfg. Nos.:
2008 54
© Copyright Simplicity Manufacturing, Inc. All Rights Reserved.
1694038 - 44" Mower
1695028 - 44" Mower
2690598 - Conquest
2690656 - Conquest
TP 400-4593-A-CQ-SMA
Not for
Reproduction

PART NO. DESCRIPTIONREF NO QTY.
44" Mower Deck - Housing, Arbors & Blades
Footnotes
NUT, Hex Flange, 9/16-18 1 1714419SM 3
WASHER, Bellevilled, 9/16 2 1713675SM 6
PULLEY, 4-1/2 O.D. 3 1713161SM 1
PULLEY, 5 O.D. 3 1713091SM 1
HUB, Double Pulley 4 1713158SM 1
PULLEY 5 1713098SM 3
HUB, Double Pulley 6 1713533SM 1
COVER, Arbor Housing 7 1655729ASM 3
BEARING, Ball, 3/4 x 1-3/4 x 5/8 8 2108202SM 3
SPACER, 21/32 x 3/4 x 5/8 9 1715724SM 3
SPACER, 11/16 x 5/32 x 2-11/16 10 1732544SM 3
BEARING, Ball, 11/16 x 1-9/16 x 15/32 11 1705897SM 3
GASKET, Foam 12 1707335SM 3
HOUSING ASSEMBLY, Arbor Bottom, w/Lube Fitting (Includes Ref. No. 14) 13 1713338ASM 3
FITTING, Grease 14 1704314SM 3
COVER, Arbor 15 1720560ASM 1
COVER, Arbor without Ribs 15 1732200ASM 1
CAPSCREW, Hex Head Taptite, 5/16-18 x 3/4 16 1664847SM 29
NUT, Hex Flange, 5/16, 18 1931277SM 1
WASHER, Bellevilled, 9/16, Black 19 1713619SM 3
SHAFT, Arbor (LH) 20 1713612SM 1
SHIELD, Grass, Lower 21 1713196SM 3
BLADE, Mower, 16-1/8 (For 44" Deck) 22 1704100ASM 3
WASHER, Hex, 11/16 x 2 23 1713089SM 3
WASHER, Spring 15/32, Black 24 1656916SM 3
CAPSCREW, Hex Head, 7/16-14 x 1 25 2823471SM 3
SHAFT, Arbor (Center & RH) 26 1713195SM 2
MOWER HOUSING ASSEMBLY, 44" Mower (Orange) 27 1685411SM 1
MOWER HOUSING ASSEMBLY, 44" Mower (Red) 27 1687154SM 1
COVER, Arbor 28 1715673SM 1
CARRIAGE BOLT, 1/4-20 x 7/8 29 1931318SM 2
PLUG, Hole 30 1705115SM 1
NUT, Push 31 1960518SM 2
WASHER, 1/4, Black 32 1960353SM 2
CLAMP 33 1704873SM 1
WASHER, 5/16, Black 34 1919326SM 1
SPRING 35 7101082SM 1
NUT, ESNA 1/4-20 37 1920397SM 2
ROD, Deflector, Front 38 1706709SM 1
DEFLECTOR, Plastic 39 1705449SM 1
HUB, Pulley, Center & RH 40 1713197SM 2
BAFFLE, Anti-Blowout, LH (CE/Export) 41 1716879ASM 1
CARRIAGE BOLT, 5/16-18 x 3/4, Black (CE/Export) 42 1931333SM 2/8/1
The above parts group applies to the following Mfg. Nos.:
2008 55
© Copyright Simplicity Manufacturing, Inc. All Rights Reserved.
1694038 - 44" Mower
1695028 - 44" Mower
2690598 - Conquest
2690656 - Conquest
TP 400-4593-A-CQ-SMA
Not for
Reproduction

44" Mower Deck - Housing, Arbors & Blades
NOTE: Unless noted otherwise,
use the standard hardware torque
specification chart.
985971
The above parts group applies to the following Mfg. Nos.:
2008 56
© Copyright Simplicity Manufacturing, Inc. All Rights Reserved.
1694038 - 44" Mower
1695028 - 44" Mower
2690598 - Conquest
2690656 - Conquest
TP 400-4593-A-CQ-SMA
Not for
Reproduction

PART NO. DESCRIPTIONREF NO QTY.
44" Mower Deck - Housing, Arbors & Blades
Footnotes
NUT, Hex Flange Whiz Lock, 5/16-18, Black (CE/Export) 43 1927557SM 2/8/1
BAFFLE, Anti-Blowout, RH (CE/Export) 44 1716878ASM 1
BAFFLE, Blowout, 44" & 50" 45 1724538ASM 1
The above parts group applies to the following Mfg. Nos.:
2008 57
© Copyright Simplicity Manufacturing, Inc. All Rights Reserved.
1694038 - 44" Mower
1695028 - 44" Mower
2690598 - Conquest
2690656 - Conquest
TP 400-4593-A-CQ-SMA
Not for
Reproduction

50" Mower Deck - Height Adjustment & Roller Bar
NOTE: Unless noted otherwise,
use the standard hardware torque
specification chart.
986020
The above parts group applies to the following Mfg. Nos.:
2008 58
© Copyright Simplicity Manufacturing, Inc. All Rights Reserved.
1695183 - 50" Mower
1695184 - 50" Mower
2690600 - Conquest
2690603 - 1723H
2690605 - 2723H
TP 400-4593-A-CQ-SMA
Not for
Reproduction

PART NO. DESCRIPTIONREF NO QTY.
50" Mower Deck - Height Adjustment & Roller Bar
Footnotes
SHAFT ASSEMBLY, Roller, 50", (Includes Ref. No. 10) 1 1686687SM 1
NUT, Adjuster 2 1704082SM 1
NUT, Hex Aluminum Insert Lock, 3/8-16 3 2860681SM 3
SLIDE 4 1677507SM 1
WASHER, Plain, 1/2 5 1924361SM 1
BOLT, Shoulder, 3/8-16 6 2172622SM 1
WASHER, Plain, 1 1/4 7 1924366SM 8
SPACER, 21/32 x 5/32 x 5/8 8 1709195SM 3
ROLLER, Rounded End 9 1722036SM 2
NUT, Push 10 1960520SM 2
ROLLER 11 1668513SM 8
BAR, Roller 12 1704074ASM 1
NUT, Hex Flange, 2 Way Lock, 1/2-13 13 1930644SM 2
STRAP, Mower Arm Assembly 14 1665374SM 3
CAPSCREW, Hex Head Taptite, 5/16 -18 x 3/4 15 1664847SM 6
CARRIAGE BOLT, 3/8-16 x 1-1/2 16 1931352SM 1
ARM ASSEMBLY, Mower 17 1718828ASM 1
CAPSCREW, Hex Head, 5/16-18 x 1-1/4, G8, 1/2 Thread 18 1930570SM 2
WASHER, 5/16, Black 19 1919381SM 5
CHAIN, 4 Link, 6 3/32 Long 20 1708088ASM 2
NUT, Hex Lock ESNA Light, 5/16-18, Black 21 1919438SM 2
ROD, Adjustment 22 1722995SM 1
SPACER, 3/8 x 3/4 x 15/16 23 1706644SM 1
WASHER, 3/8 24 1924940SM 1
CAPSCREW, Hex Head, 3/8-16 x 1-3/4 25 1922606SM 1
PLATE, Mower Support 26 1704080ASM 1
CAPSCREW, Hex Head Taptite, 5/16-18 x 1-1/4 27 1931202SM 2
INDICATOR, Cutting Height 28 1704114SM 1
WASHER, Detent 29 1704097SM 1
TRUNNION 30 1704086SM 1
PIN, Roll, 1 31 2816001SM 1
TRUNNION 32 1706645ASM 1
NUT, Hex, Jam, 1/2-13 33 1915726SM 2
WASHER, 11/32 34 1960170SM 1
PIN, Clevis 35 2118053SM 1
CLIP, Hair Pin 36 1960074SM 1
NUT, Whiz Lock, 5/16-18 37 1931277SM 2
BRACKET, Cutting Height 39 1704116ASM 1
ARM, Rear, Mower, RH 40 1704083ASM 1
CAPSCREW, Hex Head, 5/16-18 x 1-1/4 41 1921977SM 2
TRUNNION, Threaded 42 1704087SM 1
CRANK, Cutting Height 43 1719901SM 1
KNOB, Height Crank 44 1714084SM 1
The above parts group applies to the following Mfg. Nos.:
2008 59
© Copyright Simplicity Manufacturing, Inc. All Rights Reserved.
1695183 - 50" Mower
1695184 - 50" Mower
2690600 - Conquest
2690603 - 1723H
2690605 - 2723H
TP 400-4593-A-CQ-SMA
Not for
Reproduction

50" Mower Deck - Height Adjustment & Roller Bar
NOTE: Unless noted otherwise,
use the standard hardware torque
specification chart.
986020
The above parts group applies to the following Mfg. Nos.:
2008 60
© Copyright Simplicity Manufacturing, Inc. All Rights Reserved.
1695183 - 50" Mower
1695184 - 50" Mower
2690600 - Conquest
2690603 - 1723H
2690605 - 2723H
TP 400-4593-A-CQ-SMA
Not for
Reproduction

PART NO. DESCRIPTIONREF NO QTY.
50" Mower Deck - Height Adjustment & Roller Bar
Footnotes
PAL NUT 45 1960093SM 1
The above parts group applies to the following Mfg. Nos.:
2008 61
© Copyright Simplicity Manufacturing, Inc. All Rights Reserved.
1695183 - 50" Mower
1695184 - 50" Mower
2690600 - Conquest
2690603 - 1723H
2690605 - 2723H
TP 400-4593-A-CQ-SMA
Not for
Reproduction

50" Mower Deck - Housing, Arbors & Blades Group
NOTE: Unless noted otherwise,
use the standard hardware torque
specification chart.
985972
The above parts group applies to the following Mfg. Nos.:
2008 62
© Copyright Simplicity Manufacturing, Inc. All Rights Reserved.
1695183 - 50" Mower
1695184 - 50" Mower
2690600 - Conquest
2690603 - 1723H
2690605 - 2723H
TP 400-4593-A-CQ-SMA
Not for
Reproduction

PART NO. DESCRIPTIONREF NO QTY.
50" Mower Deck - Housing, Arbors & Blades Group
Footnotes
NUT, Hex Flange, 9/16-18 1 1714419SM 3
WASHER, Bellevilled, 9/16 2 1713675SM 6
PULLEY 3 1713161SM 1
HUB, Double Pulley 4 1713158SM 1
PULLEY 5 1713098SM 3
HUB, Double Pulley 6 1713533SM 1
COVER, Arbor Housing 7 1655729ASM 3
BEARING, Ball, 3/4 x 1-3/4 x 5/8 8 2108202SM 3
SPACER, 21/32 x 3/4 x 5/8 9 1715724SM 3
SPACER, 11/16 x 5/32 x 2-11/16 10 1732544SM 3
BEARING, Ball, 11/16 x 1-9/16 x 15/32 11 1705897SM 3
GASKET, Foam 12 1707335SM 3
HOUSING ASSEMBLY, Arbor Bottom, w/Lube Fitting (Includes Ref. No. 14) 13 1713338ASM 3
FITTING, Grease 14 1704314SM 3
COVER, Arbor 15 1720560ASM 1
CAPSCREW, Hex Head Taptite, 5/16-18 x 3/4 16 1664847SM 26
WASHER, Bellevilled, 9/16, Black 17 1713619SM 3
SHAFT, Arbor (LH) 18 1713612SM 1
SHIELD, Grass, Lower 19 1713196SM 3
BLADE, Mower, 18-1/8 20 1708229ASM 3
WASHER, Hex, 11/16 x 2 21 1713089SM 3
WASHER, Spring 15/32, Black 22 1656916SM 3
CAPSCREW, Hex Head, 7/16-14 x 1 23 2823471SM 3
SHAFT, Arbor (Center & RH) 24 1713195SM 2
MOWER HOUSING ASSEMBLY, 50" Mower (Orange) 25 1685495SM 1
MOWER HOUSING ASSEMBLY, 50" Mower (Red) 25 1687155SM 1
COVER, Arbor 26 1715673SM 1
CARRIAGE BOLT, 1/4-20 x 7/8 27 1931318SM 2
PLUG, Hole 28 1705115SM 1
BAFFLE, Anti-Blowout, LH (CE/Export) 29 1716870ASM 1
CARRIAGE BOLT, 5/16-18 x 3/4 30 1931333SM 2/11
NUT, Hex, Whizlock, 5/16-18 31 1927557SM 2/11
NUT, Push 32 1960518SM 2
WASHER, 1/4, Black 33 1960353SM 2
CLAMP 34 1704873SM 1
WASHER, 5/16, Black 35 1919326SM 1
SPRING 36 7101082SM 1
CAP, Spring End 37 1723323SM 1
NUT, Hex, 1/4-20 ESNA 39 1920397SM 2
ROD, Deflector, Front 40 1706709SM 1
DEFLECTOR, Plastic 41 1705449SM 1
HUB, Pulley, Center & RH 42 1713197SM 2
BAFFLE, Anti-Blowout, RH (CE/Export) 43 1716869ASM 1
The above parts group applies to the following Mfg. Nos.:
2008 63
© Copyright Simplicity Manufacturing, Inc. All Rights Reserved.
1695183 - 50" Mower
1695184 - 50" Mower
2690600 - Conquest
2690603 - 1723H
2690605 - 2723H
TP 400-4593-A-CQ-SMA
Not for
Reproduction

50" Mower Deck - Housing, Arbors & Blades Group
NOTE: Unless noted otherwise,
use the standard hardware torque
specification chart.
985972
The above parts group applies to the following Mfg. Nos.:
2008 64
© Copyright Simplicity Manufacturing, Inc. All Rights Reserved.
1695183 - 50" Mower
1695184 - 50" Mower
2690600 - Conquest
2690603 - 1723H
2690605 - 2723H
TP 400-4593-A-CQ-SMA
Not for
Reproduction

PART NO. DESCRIPTIONREF NO QTY.
50" Mower Deck - Housing, Arbors & Blades Group
Footnotes
UPSTOP 45 1719929SM 1
The above parts group applies to the following Mfg. Nos.:
2008 65
© Copyright Simplicity Manufacturing, Inc. All Rights Reserved.
1695183 - 50" Mower
1695184 - 50" Mower
2690600 - Conquest
2690603 - 1723H
2690605 - 2723H
TP 400-4593-A-CQ-SMA
Not for
Reproduction

50" Mower Deck - Housing, Arbors & Blades Group
NOTE: Unless noted otherwise,
use the standard hardware torque
specification chart.
985972
The above parts group applies to the following Mfg. Nos.:
2008 66
© Copyright Simplicity Manufacturing, Inc. All Rights Reserved.
1695183 - 50" Mower
1695184 - 50" Mower
2690600 - Conquest
2690603 - 1723H
2690605 - 2723H
TP 400-4593-A-CQ-SMA
Not for
Reproduction

PART NO. DESCRIPTIONREF NO QTY.
50" Mower Deck - Housing, Arbors & Blades Group
Footnotes
BAFFLE, Anit-Blowout 44 1724538ASM 1
WASHER 46 1924940SM 2
CAPSCREW, Taptite 5/16-18 x 3/4 47 1960541SM 1
The above parts group applies to the following Mfg. Nos.:
2008 67
© Copyright Simplicity Manufacturing, Inc. All Rights Reserved.
1695183 - 50" Mower
1695184 - 50" Mower
2690600 - Conquest
2690603 - 1723H
2690605 - 2723H
TP 400-4593-A-CQ-SMA
Not for
Reproduction
Not for
Reproduction
Not for
Reproduction
Not for
Reproduction

Torque Specification Chart
FOR STANDARD MACHINE HARDWARE (Tolerance ± 20%)
Hardware
Grade
SAE Grade 2 SAE Grade 5 SAE Grade 8
Size Of
in/lbs in/lbs
in/lbs
Hardware ft/lbs Nm. ft/lbs Nm. ft/lbs Nm.
8-32
19
2.1
30
3.4
41
4.6
8-36
20
2.3
31
3.5
43
4.9
10-24
27
3.1
43
4.9
60
6.8
10-32
31
3.5
49
5.5
68
7.7
1/4-20
66
7.6 810.9 12 16.3
1/4-28
76
8.6 10 13.6 14 19.0
5/16-18 11 15.0 17 23.1 25 34.0
5/16-24 12 16.3 19 25.8 27 34.0
3/8-16 20 27.2 30 40.8 45 61.2
3/8-24 23 31.3 35 47.6 50 68.0
7/16-14 30 40.8 50 68.0 70 95.2
7/16-20 35 47.6 55 74.8 80 108.8
1/2-13 50 68.0 75 102.0 110 149.6
1/2-20 55 74.8 90 122.4 120 163.2
9/16-12 65 88.4 110 149.6 150 204.0
9/16-18 75 102.0 120 163.2 170 231.2
5/8-11 90 122.4 150 204.0 220 299.2
5/8-18 100 136 180 244.8 240 326.4
3/4-10 160 217.6 260 353.6 386 525.0
3/4-16 180 244.8 300 408.0 420 571.2
7/8-9 140 190.4 400 544.0 600 816.0
7/8-14 155 210.8 440 598.4 660 897.6
1-8 220 299.2 580 788.8 900 1,244.0
1-12 240 326.4 640 870.4 1,000 1,360.0
Hex Head Capscrew
Hex Nut
Lockwasher
Washer
Carriage Bolt
NOTES
1. These torque values are to be used for all hardware
excluding: locknuts, self-tapping screws, thread forming
screws, sheet metal screws and socket head setscrews.
2. Recommended seating torque values for locknuts:
a. for prevailing torque locknuts - use 65% of grade 5
torques.
b. for flange whizlock nuts and screws - use 135% of
grade 5 torques.
3. Unless otherwise noted on assembly drawings, all torque
values must meet this specification.
Hardware Identification & Torque Specifications
Common Hardware Types
Screw, 1/2 x 2
Body
Diameter
Body
Length
Inside
Diameter
Nut, 1/2”
No
Marks
3/8” Bolt or Nut
Wrench—9/16”
3/8
5/16” Bolt or Nut
Wrench—1/2”
5/16
1/4” Bolt or Nut
Wrench—7/16”
1/4
1/2” Bolt or Nut
Wrench—3/4”
1/2
DIA.
7/16
DIA.
7/16” Bolt or Nut
Wrench (Bolt)—5/8”
Wrench (Nut)—11/16”
Wrench & Fastener Size Guide
Standard Hardware Sizing
When a washer or nut is identified as 1/2”, this is the
Nominal size
, meaning the
inside diameter
is 1/2 inch; if a
second number is present it represent the
threads per inch
When bolt or capscrew is identified as 1/2 - 16 x 2”, this
means the
Nominal size
, or
body diameter
is 1/2 inch; the
second number represents the
threads per inch
(16 in this
example, and the final number is the
body length
of the
bolt or screw (in this example 2 inches long).
The guides and ruler furnished below are designed to
help you select the appropriate hardware and tools.
0
1/4 3/4
1/2
1
1/4 3/4
1/2
2
1/4 3/4
1/2
3
1/4 3/4
1/2
4
Not for
Reproduction

500 N. Spring Street / PO Box 997
Port Washington, WI 53074-0997 USA
www.simplicitymfg.com
MANUFACTURING, INC.
2008Copyright © by Briggs and Stratton Corporation
Briggs and Stratton Yard Power Products Group
Milwaukee, WI, USA. All rights reserved
Not for
Reproduction