Simplicity Coronet 2400 Parts Manual / Series Riders & Mower Decks RMO
Coronet 2400 to the manual 1e335d5d-7235-467f-9958-a1207040d203
2014-12-13
: Simplicity Simplicity-Coronet-2400-Parts-Manual-126187 simplicity-coronet-2400-parts-manual-126187 simplicity pdf
Open the PDF directly: View PDF
.
Page Count: 56

Parts Manual
Rev. 11/2005
Coronet / 2400
Series Riders & Mower Decks RMO
TP 400-4207-00-CO-SM
Mf
g
. No. Descri
p
tion
1
3
HP Product
1694610 Coronet, 13HP Hydro RMO
1694612 Coronet, 13HP Hydro RMO (CE)
1694613 2413H, 13HP Hydro RMO
1694614 2413H, 13HP Hydro RMO (CE)
2690244 Coronet, 13HP Hydro RMO and 30" Mower Deck
2690246 Coronet, 13HP Hydro RMO and 30" Mower Deck (CE)
2690247 2413H, 13HP Hydro RMO and 30" Mower Deck
2690248 2413H, 13HP Hydro RMO and 30" Mower Deck (CE)
Mf
g
. No. Descri
p
tion
1
6
HP Product
1694611 Coronet, 16HP Hydro RMO
2690245 Coronet, 16HP Hydro RMO and 34" Mower Deck
Mf
g
. No. Descri
p
tion
Mower Decks
1692543 30" Mower Deck
1694053 30" Mower Deck
1694511 30" Mower Deck (CE)
1694537 30" Mower Deck
1692545 34" Mower Deck
1731175
Part No.:

Table Of Content
s
Torque Specification Chart ..................................................................... Inside Back Cover
PRODUCT COMPONENTS PAGES
Frame & Fuel System Group ............................................................................................................................... 4
Steering & Lift Group ............................................................................................................................................ 8
Engine & Electric Clutch Group - 13HP Briggs & Stratton Models ...................................................................... 10
Engine & Electric Clutch Group - 16HP Kohler Models ....................................................................................... 12
Transmission Group - Hydro-Gear 340-0510 ...................................................................................................... 14
Transmission SERVICE PARTS - Hydro-Gear 340-0510 ................................................................................... 18
Electrical Group .................................................................................................................................................... 24
Electrical Group .................................................................................................................................................... 26
Front Column & Dash Group ............................................................................................................................... 28
Wheels & Tires Group .......................................................................................................................................... 32
Decals Group - Brand & Model ............................................................................................................................ 34
Decals Group - Common & Safety ...................................................................................................................... 36
30" Mower Deck - Drive & Arbor .......................................................................................................................... 38
30" Mower Deck - Housing & Height Adjustment (CE) ........................................................................................ 40
30" Mower Deck - Housing, Hitch & Height Adjustment ...................................................................................... 44
34" Mower Deck - Drive & Arbor .......................................................................................................................... 48
34" Mower Deck - Height Adjustment .................................................................................................................. 50
34" Mower Deck - Housing, Hitch & Deflector ..................................................................................................... 52

Frame & Fuel System Group
NOTE: Unless noted otherwise,
use the standard hardware torque
specification chart.
986408
The above parts group applies to the following Mfg. Nos.:
2005 4
© Copyright Simplicity Manufacturing, Inc. All Rights Reserved.
1694610 - Coronet
1694611 - Coronet
1694612 - Coronet
1694613 - 2413H
1694614 - 2413H
TP 400-4207-00-CO-SM

PART NO. DESCRIPTIONREF NO QTY.
Frame & Fuel System Group
Footnotes
1 1921333 2 CAPSCREW, Hex Head, 5/16-18 x 1
2 1925003 8 CAPSCREW, Hex Head, Taptite, 1/4-20 x 1/2
3 1715962A 1 SHROUD, Rear
4 1931277 5 NUT, Hex, Flange, Whizlock, 5/16-18
5 1726558A 1 SUPPORT, Fuel Tank
6 1931333 1 CARRIAGE BOLT, 5/16-18 x 3/4
7 1708362A 1 STRAP, Fuel Tank, Brace
8 1714020 1 CAP, Fuel Tank, Vented
9 1726635 1 TANK, Fuel
10 1710437 1 SPACER, 21/64 x 1/2 x 21/64
11 1924940 1 WASHER, Plain, 13/32 x 7/8 x 5/64
12 1931202 1 CAPSCREW, Taptite, 5/16-18 x 1-1/ (16HP Models)
12 1960373 1 CAPSCREW, Hex, Taptite, 5/16-18 x 1 (13 HP Models)
13 1726400 1 BUSHING, Rubber
14 1674792 1 ELBOW
15 1960112 2 CLAMP, Hose
16 1666272 1 HOSE, Fuel Line
17 1960044 2 WASHER, Plain
18 1933988 2 PUSH NUT, 5/16
19 1930591 10 CAPSCREW, Hex Head, Whizlock, 5/16-18 x 3/4
20 1708525 1 PAD, Foot Rest, LH
21 1727222 1 FRAME ASSEMBLY
22 1708524 1 PAD, Foot Rest, RH
23 1704351 14 FASTENER
24 1727685A 1 PANEL, Front
25 1935255 4 PAL NUT, 5/16-18
26 1726566A 1 SUPPORT, "U", Seat (16 HP Models)
26 1726563A 1 SUPPORT, "U", Seat (13 HP Models)
27 1715970 2 BUMPER, Rubber
28 1924856 1 CAPSCREW, Hex Head, Taptite, 5/16 x 1/2
29 1708725A 1 DUCT, Air Inlet (13 HP Models)
29 1726971A 1 DUCT, Air Inlet (16 HP Models)
30 1704626 2 SPACER, Plastic
31 1705249 2 SPACER
32 1704628 2 PIN, Quick
33 1705248 2 PIVOT, Hood
35 1919381 4 WASHER
36 1921221 1 CAPSCREW, Hex Head, 5/16-18 x 1-1/2
37 1917372 1 NUT, Hex, 5/16-18
38 1921977 1 CAPSCREW, 5/16-18 x 1-1/4
39 1703900 1 SPACER
40 2860208 2 WASHER, 1"
41 1708881 1 CAP, Black, Vinyl
The above parts group applies to the following Mfg. Nos.:
2005 5
© Copyright Simplicity Manufacturing, Inc. All Rights Reserved.
1694610 - Coronet
1694611 - Coronet
1694612 - Coronet
1694613 - 2413H
1694614 - 2413H
TP 400-4207-00-CO-SM

Frame & Fuel System Group
NOTE: Unless noted otherwise,
use the standard hardware torque
specification chart.
986408
The above parts group applies to the following Mfg. Nos.:
2005 6
© Copyright Simplicity Manufacturing, Inc. All Rights Reserved.
1694610 - Coronet
1694611 - Coronet
1694612 - Coronet
1694613 - 2413H
1694614 - 2413H
TP 400-4207-00-CO-SM

PART NO. DESCRIPTIONREF NO QTY.
Frame & Fuel System Group
Footnotes
42 1725532A 1 ADJUSTER, Seat
43 1667286 1 SPRING, Extension
44 1725531A 1 SUPPORT, Seat
45 1708511 4 SPACER
46 1725486 1 SEAT ASSEMBLY
47 1726648 1 DECK, Seat, Orange Simplicity
47 1726649 1 DECK, Seat, Red
47 1714027 1 DECK, Seat, Orange Agco Allis
48 1673320 3 RIVET
49 1708504 1 SCREEN, Seat Deck Top
50 1960295 7 CAPSCREW, Hex Head, Whizlock, 1/4-20 x 5/8
51 1930642 7 NUT, Hex, Flange Lock, 1/4-20
52 1919381 1 WASHER, 5/16
53 1960715 4 SCREW, Truss Head, 1/4-20 x 3/4
54 1922127 1 CAPSCREW, Hex Head, 5/16-18 x 1-3/4 (16 HP Models)
55 1726836A 1 PLATE, Control
56 1724598 1 SCREEN
The above parts group applies to the following Mfg. Nos.:
2005 7
© Copyright Simplicity Manufacturing, Inc. All Rights Reserved.
1694610 - Coronet
1694611 - Coronet
1694612 - Coronet
1694613 - 2413H
1694614 - 2413H
TP 400-4207-00-CO-SM

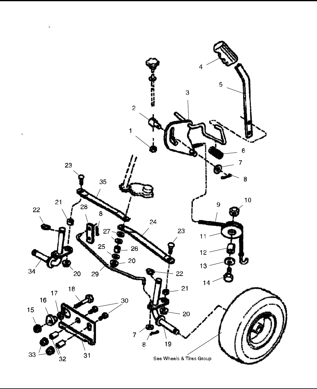
Steering & Lift Group
NOTE: Unless noted otherwise,
use the standard hardware torque
specification chart.
984685SL
The above parts group applies to the following Mfg. Nos.:
2005 8
© Copyright Simplicity Manufacturing, Inc. All Rights Reserved.
1694610 - Coronet
1694611 - Coronet
1694612 - Coronet
1694613 - 2413H
1694614 - 2413H
TP 400-4207-00-CO-SM

PART NO. DESCRIPTIONREF NO QTY.
Steering & Lift Group
Footnotes
1 1930651 1 NUT, Hex, 3/8-16
2 2108512 1 PIVOT
3 1708955A 1 ARM ASSEMBLY, Lift
4 1708966 1 GRIP, Lever
5 1708557A 1 LEVER, Lift
6 1708884 1 SPRING, Compression
7 1924940 3 WASHER, Plain, 13/32 x 7/8 x 5/64
8 1918447 3 COTTER PIN, 3/32 x 3/4
9 1708556 1 CABLE ASSEMBLY, Lift
10 1919439 1 NUT, Hex, Esna Lock, 3/8-16
11 1708559 1 PULLEY, Lift
12 1708973 1 SPACER
13 1924356 1 WASHER, Plain, 13/32 x 1-1/2 x 1/8
14 1921969 1 CAPSCREW, Hex Head, 3/8-16 x 1-1/2
15 1930645 1 NUT, Hex, Flange Lock, 3/8-16
16 1708514 1 ECCENTRIC
17 1922755 1 WASHER, 13/32 x 7/8 x 1/8
18 1921971 1 CAPSCREW, Hex Head, 3/8-16 x 1-3/4
19 1706011 1 SPINDLE ASSEMBLY, LH
20 1935048 3 NUT, Hex, Flange Lock, 5/16-18
21 1960236 2 SPACER
22 1704420 2 KLIP RING
23 1931335 2 CARRIAGE BOLT, 5/16-18 x 1
24 1708501A 1 TIE ROD, LH
25 1919381 1 WASHER
26 1710703 1 SPACER, 21/64 x 1/2 x 5/8
27 1960170 2 WASHER
28 1708516A 1 LEVER
29 1708521 1 ROD, Hitch
30 1920328 2 CAPSCREW, Hex Head, 1/2-13 x 1-1/2
31 1709237A 1 HITCH, Hook
32 1709235 2 SPACER
33 1930644 2 NUT, Hex, Flange Lock, 1/2-13
34 1706019 1 SPINDLE ASSEMBLY, RH
35 1708500A 1 TIE ROD, RH
The above parts group applies to the following Mfg. Nos.:
2005 9
© Copyright Simplicity Manufacturing, Inc. All Rights Reserved.
1694610 - Coronet
1694611 - Coronet
1694612 - Coronet
1694613 - 2413H
1694614 - 2413H
TP 400-4207-00-CO-SM

Engine & Electric Clutch Group - 13HP Briggs & Stratton Models
NOTE: Unless noted otherwise,
use the standard hardware torque
specification chart.
Single
Control
Dual
Control
35
986646
The above parts group applies to the following Mfg. Nos.:
2005 10
© Copyright Simplicity Manufacturing, Inc. All Rights Reserved.
1694610 - Coronet
1694612 - Coronet
1694613 - 2413H
1694614 - 2413H
TP 400-4207-00-CO-SM

PART NO. DESCRIPTIONREF NO QTY.
Engine & Electric Clutch Group - 13HP Briggs & Stratton Models
Footnotes
1 1960720 5 SCREW, Thread Forming, #10-16 x 1/2
2 1919326 4 WASHER, .34
3 1917356 4 LOCKWASHER, 5/16
4 1917372 2 NUT, Hex, 5/16-18
5 1924856 2 CAPSCREW, Hex Head, Taptite, 5/16-18 x 1/2
6 1708420 1 DUCT, R.H., Top
7 1960568 2 SCREW, Taptite, 1/4-20 x .88
8 1709055 1 SEAL, Air Inlet
9 1931277 1 NUT, Flange, Whizlock, 5/16-18
10 1708405 1 VALVE, Shut-Off
11 1933263 2 WASHER, Plain
12 1718648 1 EDGING, Seal
14 1922755 2 WASHER, 3/8
15 2860361 1 CAPSCREW, Taptite, 3/8-16 x 2
16 1933988 1 PUSH NUT, 5/16-18
17 1933689 1 CAPSCREW, Hex, Whizlock, Flange, 5/16-18 x 1-1/2
20 1708537 1 SLEEVE, Clutch Anchor
21 1708536 1 CLUTCH, Electric, Kit
22 1960370 1 CAPSCREW, Hex Head, 7/16-20 x 2-1/2
23 1918199 1 LOCKWASHER, 7/16
24 1930598 2 CAPSCREW, Taptite, 3/8-16 x 1-1/2
25 1650670 1 GASKET, Muffler
26 1708421 1 PIPE, Exhaust
27 1936228 2 CAPSCREW, Socket Head, 5/16-18 x 3/4
28 1960483 1 CARRIAGE BOLT, 5/16-18 x 3-1/4
29 1676183A 1 CLAMP, Muffler
31 1724428A 1 SUPPORT, Muffler
32 1935255 1 SPEED NUT, 5/16-18
33 1708416 1 MUFFLER ASSEMBLY
34 1724427A 1 DUCT, Bottom
35 1727223 1 THROTTLE CONTROL, Duel (Export Only)
35 1722955 1 THROTTLE CONTROL, Single
39 * 1 ENGINE, Briggs & Straton, 13HP, Model 21A907, Type 0131-E1
Note* See your local Briggs & Stratton distributor for parts & service.
The above parts group applies to the following Mfg. Nos.:
2005 11
© Copyright Simplicity Manufacturing, Inc. All Rights Reserved.
1694610 - Coronet
1694612 - Coronet
1694613 - 2413H
1694614 - 2413H
TP 400-4207-00-CO-SM

Engine & Electric Clutch Group - 16HP Kohler Models
NOTE: Unless noted otherwise,
use the standard hardware torque
specification chart.
35
986648
The above parts group applies to the following Mfg. Nos.:
2005 12
© Copyright Simplicity Manufacturing, Inc. All Rights Reserved.
1694611 - Coronet
TP 400-4207-00-CO-SM

PART NO. DESCRIPTIONREF NO QTY.
Engine & Electric Clutch Group - 16HP Kohler Models
Footnotes
1 1960720 5 SCREW, Thread Forming, #10-16 x 1/2
2 1919326 4 WASHER, .34
3 1917356 2 LOCKWASHER, 5/16
4 1917372 2 NUT, Hex, 5/16-18
5 1924856 3 CAPSCREW, Hex Head, Taptite, 5/16-18 x 1/2
6 1726418A 1 DUCT, R.H., Top
8 1709055 1 SEAL, Air Inlet
10 1708405 1 VALVE, Shut-Off
11 1933263 2 WASHER, Plain
15 1927187 2 CAPSCREW, Taptite, 3/8-16 x 1
17 1933689 1 CAPSCREW, Hex, Whizlock, Flange, 5/16-18 x 1-1/2
20 1708537 1 SLEEVE, Clutch Anchor
21 1708536 1 CLUTCH, Electric, Kit
22 1960370 1 CAPSCREW, Hex Head, 7/16-20 x 2-1/2
23 1918199 1 LOCKWASHER, 7/16
24 1928635 2 CAPSCREW, Taptite, 3/8-16 x 1-1/4
26 1713502 1 PIPE, Exhaust
28 1960483 1 CARRIAGE BOLT, 5/16-18 x 3-1/4
29 1676183A 1 CLAMP, Muffler
31 1713557A 1 SUPPORT, Muffler
32 1935255 1 SPEED NUT, 5/16-18
33 1708416 1 MUFFLER ASSEMBLY
34 1722621A 1 DUCT, Bottom
35 1722955 1 THROTTLE CONTROL, Single
39 * 1 ENGINE, Kohler, 16HP, Model CV460S, Type PA-26522
Note* See your local Briggs & Stratton distributor for parts & service.
The above parts group applies to the following Mfg. Nos.:
2005 13
© Copyright Simplicity Manufacturing, Inc. All Rights Reserved.
1694611 - Coronet
TP 400-4207-00-CO-SM

Transmission Group - Hydro-Gear 340-0510
NOTE: Unless noted otherwise,
use the standard hardware torque
specification chart.
986402
The above parts group applies to the following Mfg. Nos.:
2005 14
© Copyright Simplicity Manufacturing, Inc. All Rights Reserved.
1694610 - Coronet
1694611 - Coronet
1694612 - Coronet
1694613 - 2413H
1694614 - 2413H
TP 400-4207-00-CO-SM

PART NO. DESCRIPTIONREF NO QTY.
Transmission Group - Hydro-Gear 340-0510
Footnotes
1 1704849 1 PAD, Brake
2 1723348A 1 LEVER, Clutch
3 1708409 1 PIVOT, Brake
4 1708554 1 RING, Klipring Extension
5 171241 1 KEY, Hi-Pro
6 1704419 2 STOP, Belt
7 1723497 1 PULLEY & HUB ASSEMBLY, Engine
8 1707346 1 V - BELT
9 1715025 2 BUSHING
10 1924361 2 WASHER, 1/2
11 1703805 2 RING, Klipring Extension
12 1931342 1 CARRIAGE BOLT, 5/16 - 18 x 2-1/4 G5
13 1708367 2 BRACKET, Torsion Bar
14 1924856 4 SCREW, Hex, Washer Head, Taptite, 5/16 - 18 x 1/2
15 159106 1 SPRING, Extension
16 1709345 1 SPACER
17 1930641 1 NUT, Hex, Flange, 1/4 - 20, Whiz Lock LG
18 1725839A 1 PLATE, Idler 10GA
19 1709221 2 CLEVIS HALF
20 1924366 1 WASHER, 5/8
21 1919326 5 WASHER, 5/16
22 1917356 1 LOCKWASHER, Spring 5/16
23 1917372 1 NUT, Hex 5/16 - 18
24 1923341 1 CAPSCREW, Hex Head, 1/4 - 20 x 3/4 G5
25 1927429 1 SCREW, Hex, Washer Head, Taptite, 1/4 - 20 x 5/8
26 1928352 2 NUT, Hex Flange,, 3/8 - 16 Whiz Lock LG
27 1928731 1 NUT, Hex, Toplock, Jam, 3/8 - 16
28 1725250 1 SPRING, Extension
29 1922918 1 CAPSCREW, Hex Head, 3/8 - 16 x 3-1/4 G5
30 1668827 1 PULLEY
31 1708352A 1 GUARD, Spring
32 1725838 1 SPACER
33 1930644 1 NUT, Hex Flange,, 1/2 - 13, Two-Way Lock
34 1924361 1 WASHER, 1/2
35 1719683 1 SPACER
36 1719682 1 CAPSCREW, Hex Head, 1/2 - 20 x 1-3/4 G8
37 1923114 1 CAPSCREW, Hex Head, 1/2 - 13 x 1 G5
38 1719725 1 SPACER
39 1931332 1 CARRIAGE BOLT, 5/16 - 18 x 5/8 G5
40 1726591A 1 CARRIER ASSEMBLY
41 1726554A 1 BRACKET, Switch Mounting (No-Mow Models Only)
42 1960252 2 CARRIAGE BOLT, 1/4 - 20 x 5/8 G5 (No-Mow Models Only)
43 1931277 3 NUT, Hex Flange, 5/16 - 18, Whiz Lock Small
44 1726555A 1 STRAP, Torque (No-Mow Models Only)
The above parts group applies to the following Mfg. Nos.:
2005 15
© Copyright Simplicity Manufacturing, Inc. All Rights Reserved.
1694610 - Coronet
1694611 - Coronet
1694612 - Coronet
1694613 - 2413H
1694614 - 2413H
TP 400-4207-00-CO-SM

Transmission Group - Hydro-Gear 340-0510
NOTE: Unless noted otherwise,
use the standard hardware torque
specification chart.
986402
The above parts group applies to the following Mfg. Nos.:
2005 16
© Copyright Simplicity Manufacturing, Inc. All Rights Reserved.
1694610 - Coronet
1694611 - Coronet
1694612 - Coronet
1694613 - 2413H
1694614 - 2413H
TP 400-4207-00-CO-SM

PART NO. DESCRIPTIONREF NO QTY.
Transmission Group - Hydro-Gear 340-0510
Footnotes
44 1725750 1 STRAP, Torque
45 1960694 2 NUT, Hex Flange, 1/4 - 20 ESNA (No-Mow Models Only)
46 1725183 1 ROD
47 1921719 4 CAPSCREW, Hex Head, 5/16 - 18 x 2-1/2 G5
48 1725706A 2 BRACKET, Mounting
49 1664847 4 SCREW, Hex, Washer Head, Taptite, 5/16 - 18 x 3/4
50 1916621 2 NUT, Hex Machine Screw
51 1726327 1 SPRING, Extension
52 1935048 5 NUT, Hex Flange, 5/16 - 18, Two-Way Lock
53 1708360 1 SPRING
54 1725166 1 ROD, Brake
55 1921210 1 CAPSCREW, Hex Head, 3/8 - 16 x 1 G5
56 1726559 1 JOINT, Ball
57 1725736A 1 LEVER, Control
58 1930645 1 NUT, Hex Flange, 3/8 - 16, Two-Way Lock
59 1925205 1 CAPSCREW, Hex Head, 5/16 - 18 x 5/8 G5
60 1725167 1 ROD, Control
61 1722460 2 PIN, Quick
62 1918447 6 PIN, Cotter
63 960709 1 SCREW, Hex, Whiz Lock, Flange, 3/8 - 16 x 1-3/4
64 1666804 1 SPACER
65 921133 1 FITTING, Lube, 1/4 Drive
66 1725768 1 SHAFT & ARMS ASSEMBLY, Pivot
67 1709220 1 CLUTCH, Rear
68 1708366 1 BAR, Torsion
69 1709850 1 TUBE
70 1725767 1 ROD, Shift, Front
71 1924359 2 WASHER, 1/2
72 1706260 1 ROD, Clutch, Front
73 1725620 1 TRANSMISSION ASSEMBLY, Hydro Gear
The above parts group applies to the following Mfg. Nos.:
2005 17
© Copyright Simplicity Manufacturing, Inc. All Rights Reserved.
1694610 - Coronet
1694611 - Coronet
1694612 - Coronet
1694613 - 2413H
1694614 - 2413H
TP 400-4207-00-CO-SM

Transmission SERVICE PARTS - Hydro-Gear 340-0510
NOTE: Unless noted otherwise,
use the standard hardware torque
specification chart.
1725620
The above parts group applies to the following Mfg. Nos.:
2005 18
© Copyright Simplicity Manufacturing, Inc. All Rights Reserved.
1694610 - Coronet
1694611 - Coronet
1694612 - Coronet
1694613 - 2413H
1694614 - 2413H
TP 400-4207-00-CO-SM

PART NO. DESCRIPTIONREF NO QTY.
Transmission SERVICE PARTS - Hydro-Gear 340-0510
Footnotes
1 * 1 MAIN HOUSING, ASSEMBLY
2 * 1 SIDE HOUSING, ASSEMBLY
3 * 1 CENTER SECTION, ASSEMBLY
4 * 1 SWASHPLATE, TRUNNION MACHINED
5 * 2 BLOCK - ASSEMBLY
6 * 10.5 SEALANT (Not Shown)
7 1730269 14 HEX FLANGE SCREW 1/4-20 X 1.25
8 1730270 1 STUD, 5/16-24 HEX DOUBLE END
9 1730271 1 SHAFT, INPUT
10 1715270 1 RING - RETAINING
11 1730272 1 SPACER
12 1730273 1 RING - RETAINING
13 ** 1 SEAL, LIP .67 X 1.58 X .276
14 1730274 1 BALL BRG 17MM ID X 40MM OD X 12MM
16 1730275 1 HEX FLANGE HEAD SCREW 5/16-24 X 0.75
17 ** 1 LIP SEAL 18 X 32 X 7
18 1730276 1 ARM, CONTROL
19 * 1 BEARING, 30X52X13 THRUST
24 * 1 SHAFT, MOTOR
27 * 1 GEAR - PINNION, 13T
28 * 1 10T/48T GEAR
29 * 1 GEAR, 10T JACKSHAFT
30 * 1 60T BULL GEAR
31 * 2 SLEEVE BEARING .75 X 1.750 X .625
32 1730277 2 SLEEVE BEARING (OUTBOARD) .75 X 1.575 X .625
33 * 2 WASHER, 3/4 ID X 1-1/2 OD X .13 THK
34 ** 2 LIP SEAL AXLE SEAL
35 1730278 1 SHAFT, AXLE .75 x 11.39 (KEY, R.H.)
36 1730279 1 SHAFT, AXLE .75 X 16.99 (KEY, L.H.)
37 * 2 MITER GEAR (SPLINED)
38 * 2 MITER GEAR 15T (0.5 ID)
39 * 1 SHAFT
40 * 2 RING, SPIRAL RETAINING
41 * 1 PIN, JACKSHAFT
42 * 1 MAGNET, RING
43 * 1 SPRING, BYPASS
44 * 2 BOLT, HEX FLANGE 3/8-24 X 2.5
45 * 1 BOTTOM, FILTER
46 * 1 BASE, FILTER W/POPPET
47 * 1 ACTUATOR, BYPASS
48 * 1 ROD, BYPASS ACTUATOR
49 1730280 1 ARM, BYPASS
50 1730281 1 RETAINING RING .250 EXTERNAL
51 ** 1 SEAL, LIP .741 X .250 x .250 TC
Note* Not serviced seperately, order complete transmission.
Note** Not serviced seperately, order seal kit reference # 126, 127.
The above parts group applies to the following Mfg. Nos.:
2005 19
© Copyright Simplicity Manufacturing, Inc. All Rights Reserved.
1694610 - Coronet
1694611 - Coronet
1694612 - Coronet
1694613 - 2413H
1694614 - 2413H
TP 400-4207-00-CO-SM

Transmission SERVICE PARTS - Hydro-Gear 340-0510
NOTE: Unless noted otherwise,
use the standard hardware torque
specification chart.
1725620
The above parts group applies to the following Mfg. Nos.:
2005 20
© Copyright Simplicity Manufacturing, Inc. All Rights Reserved.
1694610 - Coronet
1694611 - Coronet
1694612 - Coronet
1694613 - 2413H
1694614 - 2413H
TP 400-4207-00-CO-SM

PART NO. DESCRIPTIONREF NO QTY.
Transmission SERVICE PARTS - Hydro-Gear 340-0510
Footnotes
52 * 1 FLAT WASHER, 5/8 ID X 1.0 OD X .05 THK
53 * 1 RETAINING RING
54 * 1 BEARING, CENTER BLOCK
55 1715171 1 SPRING - HELICAL COMPRESSION
56 1715172 1 WASHER
57 78.8 20W-50 OIL (Not Shown)
58 1730282 1 BRAKE YOKE
59 1730283 1 ROTOR, BRAKE
60 1706146 2 BRAKE PUCK
61 1706145 1 PUCK PLATE
62 1706141 2 BRAKE ACTUATING PIN
63 1730284 2 HFHCS 1/4-20 X 2 W/PATCH
65 1715199 2 SPACER
66 1730285 1 SPRING, BRAKE ARM BIAS
67 1706160 1 SQ.HD.BOLT 5/16-24- RIBBED
68 1730286 1 ARM, BRAKE
69 1714431 1 SLOTTED HEX NUT 5/16-24
70 1730287 1 COTTER PIN 3/32 X 3/4
71 1730288 1 SPRING, COMPRESSION
72 * 2 WASHER, HT .5 X 1 X .032
73 1730289 3 FLAT - WASHER 11/32 I.D. X 7/8 O.D
74 ** 1 OIL SEAL .625 X 1.0 X.25
75 * 2 CHECK PLUG ASSEMBLY, .027, WASHER
76 1714741 1 STUD, 5/16-24 FRICTION PACK
77 1730290 1 PUCK, .330 X 1.50 X .0975
78 1714739 1 SPRING, HELICAL COMP
79 1714740 1 SPACER
80 1715178 1 HEX LOCK NUT 5/16-24 UNJF
81 1730291 1 WEDGE, FRICTION PACK
82 1730292 1 WASHER .316 X 1.50 X .1046 (PLATED)
83 * 2 PIN, STANDARD HEADLESS
84 * 1 FITTING, 5/16 SAE 5/32 TUBE
85 1730293 1 HOSE, EXPANSION TANK
87 1730294 1 CAP, VENT
88 1714742 3 BOLT, SELF TAPPING 10-32 X 1/2
90 1730295 1 PUCK, INNER WEDGE
93 1730296 2 SPRING CLIP - HOUSING THRUST
107 * 1 DEFLECTOR
108 * 1 WASHER, .71 X 1.16 X .030 THK
109 1730297 1 PLUG, SAE #6
111 ** 1 O-RING .07 X .301 ID
113 1730298 1 BRACKET,SUPPORT EXPANSION TANK
116 1730299 1 SILICON SPONGE
119 1730300 1 FAN 6" 10 BLADE
120 1730301 1 PULLEY 3.86
Note* Not serviced seperately, order complete transmission.
Note** Not serviced seperately, order seal kit reference # 126, 127.
The above parts group applies to the following Mfg. Nos.:
2005 21
© Copyright Simplicity Manufacturing, Inc. All Rights Reserved.
1694610 - Coronet
1694611 - Coronet
1694612 - Coronet
1694613 - 2413H
1694614 - 2413H
TP 400-4207-00-CO-SM

Transmission SERVICE PARTS - Hydro-Gear 340-0510
NOTE: Unless noted otherwise,
use the standard hardware torque
specification chart.
1725620
The above parts group applies to the following Mfg. Nos.:
2005 22
© Copyright Simplicity Manufacturing, Inc. All Rights Reserved.
1694610 - Coronet
1694611 - Coronet
1694612 - Coronet
1694613 - 2413H
1694614 - 2413H
TP 400-4207-00-CO-SM

PART NO. DESCRIPTIONREF NO QTY.
Transmission SERVICE PARTS - Hydro-Gear 340-0510
Footnotes
121 1730302 1 NUT, HEX LOCK 1/2-20 (NYLON INSERT)
122 1730303 1 WASHER, OD SLOTTED .53 X 1.63 X .06
123 1730304 1 BELT KEEPER
124 * 1 CENTER SECTION - FILTER - BYPASS ASSEMBLY (Incl Ref No 3, 43, 45, 46, 47,
75 & 107)
125 * 1 FILTER ASSEMBLY (Incl Ref No 43, 45, 46, 47 & 107)
126 1730305 1 KIT, FAN/PULLEY (Incl Ref No 13, 17, 34, 51, 74 & 111)
127 1730306 1 SEAL - O-RING KIT (Incl Ref No 13, 17, 34, 51, 74 & 111)
128 1730307 1 KIT, EXPANSION TANK (Incl Ref No 87, 88, 113 & 116)
129 1730308 1 CAP, EXPANSION TANK SHIPPING
Note* Not serviced seperately, order complete transmission.
Note** Not serviced seperately, order seal kit reference # 126, 127.
The above parts group applies to the following Mfg. Nos.:
2005 23
© Copyright Simplicity Manufacturing, Inc. All Rights Reserved.
1694610 - Coronet
1694611 - Coronet
1694612 - Coronet
1694613 - 2413H
1694614 - 2413H
TP 400-4207-00-CO-SM

Electrical Group
NOTE: Unless noted otherwise,
use the standard hardware torque
specification chart.
985431
The above parts group applies to the following Mfg. Nos.:
2005 24
© Copyright Simplicity Manufacturing, Inc. All Rights Reserved.
1694611 - Coronet
TP 400-4207-00-CO-SM

PART NO. DESCRIPTIONREF NO QTY.
Electrical Group
Footnotes
1 1707056 1 CABLE, Battery to Ground
2 2816964 2 WASHER, Lock, 1/4
3 2816622 2 NUT, Hex 1/4-20
4 1709086 1 BOOT, Insulator
5 1727668 1 CABLE, Battery to Solenoid
6 1685215 1 BATTERY
7 1665872 1 STRAP, Battery
8 1726556 1 NO-MOW MODULE (RMO Models Only)
9 1667805 1 BRACE, Battery
10 2823341 2 CAPSCREW, Hex Head, 1/4-20 x 3/4
11 2821319 2 WASHER
12 1718952 1 WIRE ASSEMBLY, 16GA
13 1717050 1 SWITCH, Neutral Start
14 1722035 2 POP-RIVET
15 1704379 1 SWITCH, Push Button (N.O.) (RMO Models Only)
16 1701011 2 TIE, Self-Locking
17 1685290 1 SOLENOID
18 1925003 2 CAPSCREW, Hex Head, Taptite, 1/4-20 x 1/2
19 1665238 1 CIRCUIT BREAKER
20 1665237 1 WIRE ASSEMBLY
21 1917356 1 LOCKWASHER, 5/16
22 2122023 3 COVER, Terminal
23 1920263 2 NUT, Hex, 5/16-24
24 1709088 1 CABLE, Solenoid to Starter
25 ** 1 SWITCH, Ignition (6 pole)
26 1960547 1 WASHER, Internal Tooth, 5/8
27 1717549 1 NUT
28 1717550 1 COVER, Keyswitch
29 1717163 1 KEYS (Set of 2 Keys)
30 1718981 1 SWITCH, Seat
31 1716332 1 * SWITCH, PTO, Electric Clutch
32 1726667 1 WIRE HARNESS, Clutch (RMO Models Only)
32 1724873 1 WIRE HARNESS, Clutch
33 1726654 1 HARNESS, Wiring (RMO Models Only)
33 1718946 1 HARNESS, Wiring
34 1686734 1 IGNITION KEY SWITCH ASSEMBLY
Note* If connection blades do not line up use 1686620 Switch Kit. (Contains switch, adaptor & instruction sheet.)
Note** See reference number 41. Sold as assembly.
The above parts group applies to the following Mfg. Nos.:
2005 25
© Copyright Simplicity Manufacturing, Inc. All Rights Reserved.
1694611 - Coronet
TP 400-4207-00-CO-SM

Electrical Group
NOTE: Unless noted otherwise,
use the standard hardware torque
specification chart.
32
15
16
14
35
18
33
27
29
30
31
12
11 3
2
10
9
8
5
4
34
21
20
22
19
26
24
25
23
24
7
36
28
1
6
3
13
17
986634
The above parts group applies to the following Mfg. Nos.:
2005 26
© Copyright Simplicity Manufacturing, Inc. All Rights Reserved.
1694610 - Coronet
1694612 - Coronet
1694613 - 2413H
1694614 - 2413H
TP 400-4207-00-CO-SM

PART NO. DESCRIPTIONREF NO QTY.
Electrical Group
Footnotes
1 1713163 1 CABLE, Battery to Ground
2 2816964 2 WASHER, Lock, 1/4
3 2816622 3 NUT, Hex 1/4-20
4 1709086 1 BOOT, Insulator
5 1727668 1 CABLE, Battery to Solenoid
6 1685215 1 BATTERY
7 1665872 1 STRAP, Battery
8 1667805 1 BRACE, Battery
9 2823341 2 CAPSCREW, Hex Head, 1/4-20 x 3/4
10 2821319 2 WASHER
11 2820427 1 WASHER, Lock, External Tooth, 3/8
12 2816950 1 NUT, Hex, 3/8-16
13 1726556 1 NO-MOW MODULE
14 1718948 1 WIRE ASSEMBLY, Harness to Engine (Briggs & Stratton Only)
15 1717050 1 SWITCH, Neutral Start
16 1722035 2 POP-RIVET
17 1704379 1 SWITCH, Push Button (N.O.)
18 1701011 2 TIE, Self-Locking
19 1685290 1 SOLENOID
20 1925003 2 CAPSCREW, Hex Head, Taptite, 1/4-20 x 1/2
21 1665238 1 CIRCUIT BREAKER
22 1665237 1 WIRE ASSEMBLY
23 1917356 1 LOCKWASHER, 5/16
24 2122023 3 COVER, Terminal
25 1920263 2 NUT, Hex, 5/16-24
26 1709088 1 CABLE, Solenoid to Starter
27 ** 1 SWITCH, Ignition (6 pole)
28 1960547 1 WASHER, Internal Tooth, 5/8
29 1717549 1 NUT
30 1717550 1 COVER, Keyswitch
31 1717163 1 KEYS (Set of 2 Keys)
32 1718981 1 SWITCH, Seat
33 1716332 1 * SWITCH, PTO, Electric Clutch
34 1726667 1 WIRE HARNESS, Clutch
35 1726654 1 HARNESS, Wiring
36 1686734 1 IGNITION KEY SWITCH ASSEMBLY
Note* If connection blades do not line up use 1686620 Switch Kit. (Contains switch, adaptor & instruction sheet.)
Note** See reference number 41. Sold as assembly.
The above parts group applies to the following Mfg. Nos.:
2005 27
© Copyright Simplicity Manufacturing, Inc. All Rights Reserved.
1694610 - Coronet
1694612 - Coronet
1694613 - 2413H
1694614 - 2413H
TP 400-4207-00-CO-SM

Front Column & Dash Group
NOTE: Unless noted otherwise,
use the standard hardware torque
specification chart.
1
2
3
4
5
6
7
8
9
10
11
12
13
14
15
16
17
18
19
20
21
22
23
24
25
26
29
30
31
32
33
34
40
36
38
37 39
41
42
48
43
44
45
46
47
41
40
29
37
36
6
23
9
27, 28
35
49
984685
The above parts group applies to the following Mfg. Nos.:
2005 28
© Copyright Simplicity Manufacturing, Inc. All Rights Reserved.
1694610 - Coronet
1694611 - Coronet
1694612 - Coronet
1694613 - 2413H
1694614 - 2413H
TP 400-4207-00-CO-SM

PART NO. DESCRIPTIONREF NO QTY.
Front Column & Dash Group
Footnotes
1 1713841 1 STEERING WHEEL ASSEMBLY (Includes Ref. No. 49)
2 1960540 1 ROLL PIN
3 1678381 1 TUBE, Steering
4 2816001 1 PIN
5 1960160 3 WASHER, 49/64
6 2176440 2 BUSHING
7 1709229 1 TUBE ASSEMBLY, Shift
8 1960170 1 WASHER
9 1704428 2 BUSHING
10 1924361 1 WASHER, Plain, 17/32 x 1-1/4 x 7/64
11 1707424 1 SPRING, Torsion
12 1918447 2 COTTER PIN
13 1707375 1 ROD, Shift
14 1713843 1 KNOB, Rod, Shift
15 1960114 1 WASHER, Plain, 11/32 x 1 x 1/8
16 1706014 1 SHAFT ASSEMBLY, Steering
17 2173668 1 WASHER, Plain
18 1931350 2 CARRIAGE BOLT, 3/8-16 x 1
19 1703508A 1 PLATE, Steering Mounting
20 1928352 2 NUT, Hex, 3/8-16
21 1921221 1 CAPSCREW, Hex Head, 5/16-18 x 1-1/2
22 1960339 1 NUT, Hex, Flange Lock, 3/8-16
23 1924356 3 WASHER, 13/32 x 1-1/2 x 1/8
24 1708426 1 GEAR, Steering
25 1666332 1 SPACER
26 1923701 1 CAPSCREW, Hex Head, 3/8-16 x 2
27 1714081 1 DASH, Hydro
28 1714082 1 DASH, Gear
29 1925592 3 CAPSCREW, Hex, Flange, Taptite, 1/4-20 x 3/4
30 1713855 1 KNOB, Rod, Parking Brake
31 1707057 1 ROD, Parking Brake
32 1933988 2 PUSH NUT, 5/16
33 1931277 2 NUT, Hex, Flange, Whizlock, 5/16-18
34 1708965 1 QUADRANT, Lift
35 1925003 3 CAPSCREW, Hex Head, Taptite, 1/4-20 x 1/2
36 1709075 2 CLAMP
37 1921319 2 WASHER, Plain, 1/4
38 1924009 2 CAPSCREW, Hex Head, 1/4-20 x 7/8
39 1960608 1 NUT, Hex, Flange Centerlock, 1/4-20
40 1678392 3 SPACER, 17/64 x 3/8 x 21/64
41 1930591 6 CAPSCREW, Hex Head, Whizlock, 5/16-18 x 3/4
42 1708990A 1 SUPPORT, Steering
43 1708267C 1 SHROUD, Front (Orange)
43 1708267D 1 SHROUD, Front (Red)
The above parts group applies to the following Mfg. Nos.:
2005 29
© Copyright Simplicity Manufacturing, Inc. All Rights Reserved.
1694610 - Coronet
1694611 - Coronet
1694612 - Coronet
1694613 - 2413H
1694614 - 2413H
TP 400-4207-00-CO-SM

Front Column & Dash Group
NOTE: Unless noted otherwise,
use the standard hardware torque
specification chart.
1
2
3
4
5
6
7
8
9
10
11
12
13
14
15
16
17
18
19
20
21
22
23
24
25
26
29
30
31
32
33
34
40
36
38
37 39
41
42
48
43
44
45
46
47
41
40
29
37
36
6
23
9
27, 28
35
49
984685
The above parts group applies to the following Mfg. Nos.:
2005 30
© Copyright Simplicity Manufacturing, Inc. All Rights Reserved.
1694610 - Coronet
1694611 - Coronet
1694612 - Coronet
1694613 - 2413H
1694614 - 2413H
TP 400-4207-00-CO-SM

PART NO. DESCRIPTIONREF NO QTY.
Front Column & Dash Group
Footnotes
44 1935255 4 PAL NUT, 5/16-18
45 1708971 1 ROD, Lift Height
46 1917421 2 NUT, Hex, Jam, 1/4-20
47 1713857 1 KNOB, Rod, Lift Height
48 1930641 2 NUT, Hex, Flange, Whizlock, 1/4-20
49 1714097 1 CAP
The above parts group applies to the following Mfg. Nos.:
2005 31
© Copyright Simplicity Manufacturing, Inc. All Rights Reserved.
1694610 - Coronet
1694611 - Coronet
1694612 - Coronet
1694613 - 2413H
1694614 - 2413H
TP 400-4207-00-CO-SM

Wheels & Tires Group
NOTE: Unless noted otherwise,
use the standard hardware torque
specification chart.
1
2
6
5
4
3
7
8
12
13
14
15
5
9
16
11
179
10
11
W986637
The above parts group applies to the following Mfg. Nos.:
2005 32
© Copyright Simplicity Manufacturing, Inc. All Rights Reserved.
1694610 - Coronet
1694611 - Coronet
1694612 - Coronet
1694613 - 2413H
1694614 - 2413H
TP 400-4207-00-CO-SM

PART NO. DESCRIPTIONREF NO QTY.
Wheels & Tires Group
Footnotes
1 8221042 2 KEY, Square, 3/16 x 3/16 x 1-1/2 long
2 1723171 2 REAR WHEEL & TIRE ASSEMBLY, Hoosier, (Includes Ref. Nos. 3, 4, 7 & 8)
3 1717451 2 SPACER
4 2860202 2 WASHER, 3/4
5 2172353 4 VALVE STEM & CAP
6 1723400 2 REAR WHEEL ASSEMBLY, Metallic Gray
7 1723399 2 TIRE, Rear Wheel, 16 X 6.50-8
8 2164247 2 TUBE, Rear Wheel
9 1960160 4 WASHER, 3/4
10 2827794 2 E RING
11 1722675 4 HUB CAP, Silver
12 1723170 2 FRONT WHEEL & TIRE ASSEMBLY, Hoosier, 13 x 5.00-6, Metallic Gray (Includes
Ref. Nos. 4, 15, 18 & 19)
13 1723402 2 FRONT WHEEL ASSEMBLY 13 x 5.00-6, Metallic Gray (Includes Ref. No. 16)
14 1723401 2 TIRE, Front Wheel, 13 x 5.00-6
15 1664090 2 TUBE, Front Wheel, 4.10/3.50 x 6
16 1611710 2 KLIP RING
The above parts group applies to the following Mfg. Nos.:
2005 33
© Copyright Simplicity Manufacturing, Inc. All Rights Reserved.
1694610 - Coronet
1694611 - Coronet
1694612 - Coronet
1694613 - 2413H
1694614 - 2413H
TP 400-4207-00-CO-SM

Decals Group - Brand & Model
NOTE: Unless noted otherwise,
use the standard hardware torque
specification chart.
3, 4
2
76
13
3010
7
11, 12
301
309
18
16, 17
7
10
15
15
5
5
14
8
B986637
The above parts group applies to the following Mfg. Nos.:
2005 34
© Copyright Simplicity Manufacturing, Inc. All Rights Reserved.
1694610 - Coronet
1694611 - Coronet
1694612 - Coronet
1694613 - 2413H
1694614 - 2413H
TP 400-4207-00-CO-SM

PART NO. DESCRIPTIONREF NO QTY.
Decals Group - Brand & Model
Footnotes
1 * 1 DECAL, C E, (Export Only)
2 1717692 2 DECAL, Icon, Simplicity
3 1722768 1 DECAL, Seat Deck, LH
4 1722767 1 DECAL, Seat Deck, RH
5 1720454 1 DECAL, Touch-up Paint, Deep Orange & Charcoal Gray
6 1722769 1 DECAL, "CORONET"
7 1722778 1 DECAL, 13 HP
7 1722549 1 DECAL, 16 HP
8 1722551 2 DECAL, Simplicity
9 1724468 1 DECAL, Briggs & Stratton, 13 HP, INTEK
10 1708926 2 DECAL, Logo, AGCO
11 1722853 1 DECAL, Seat Deck AGCO, LH
12 1722854 1 DECAL, Seat Deck AGCO, RH
13 1722856 2 DECAL, Model, 413H
14 1725072 1 DECAL, Touch-up Pain, Red & Gray
15 1714363 2 DECAL, Logo, Massey Ferguson
16 1722851 1 DECAL, Seat Deck, LH
17 1722852 1 DECAL, Seat Deck, RH
18 1722859 2 DECAL, Model, 2413
Note* Not a servicable part.
The above parts group applies to the following Mfg. Nos.:
2005 35
© Copyright Simplicity Manufacturing, Inc. All Rights Reserved.
1694610 - Coronet
1694611 - Coronet
1694612 - Coronet
1694613 - 2413H
1694614 - 2413H
TP 400-4207-00-CO-SM

Decals Group - Common & Safety
NOTE: Unless noted otherwise,
use the standard hardware torque
specification chart.
3
5
1
6
7
8
10
9
6
7
9
9
5
6
7
3
2
4
1
19
8, 10
5
5
2
4
11
11
C986637
The above parts group applies to the following Mfg. Nos.:
2005 36
© Copyright Simplicity Manufacturing, Inc. All Rights Reserved.
1694610 - Coronet
1694611 - Coronet
1694612 - Coronet
1694613 - 2413H
1694614 - 2413H
TP 400-4207-00-CO-SM

PART NO. DESCRIPTIONREF NO QTY.
Decals Group - Common & Safety
Footnotes
1 1726956 1 DECAL, Operating Instructions, English
1 1726957 1 DECAL, Operating Instructions, Export
2 1708927 1 DECAL, USA (Seat Back)
3 1726341 1 DECAL, Transmission Release (Hydro models only)
4 1726335 1 DECAL, Belt & Blade Replacement
5 * 1 I.D. PLATE (Not Serviced)
6 1704276 1 DECAL, Danger, Rotating Cutting Blade
7 * 1 DECAL, OPEI, (Not Serviced)
8 1722786 1 DECAL, Cutting Width - 34", Silver on Black
9 1704277 1 DECAL, Danger, Chute In Place
10 1722785 1 DECAL, Cutting Width - 30", Silver on Black
11 1722771 1 DECAL, Free Floating Mower
Note* Not a servicable part.
The above parts group applies to the following Mfg. Nos.:
2005 37
© Copyright Simplicity Manufacturing, Inc. All Rights Reserved.
1694610 - Coronet
1694611 - Coronet
1694612 - Coronet
1694613 - 2413H
1694614 - 2413H
TP 400-4207-00-CO-SM

30" Mower Deck - Drive & Arbor
NOTE: Unless noted otherwise,
use the standard hardware torque
specification chart.
984825
The above parts group applies to the following Mfg. Nos.:
2005 38
© Copyright Simplicity Manufacturing, Inc. All Rights Reserved.
1692543 - 30" Mower
1694053 - 30" Mower
1694511 - 30" Mower
1694537 - 30" Mower
TP 400-4207-00-CO-SM

PART NO. DESCRIPTIONREF NO QTY.
30" Mower Deck - Drive & Arbor
Footnotes
1 1719746 1 V-BELT
2 1714419 1 NUT, Hex Flange, 9/16-18
3 1713675 2 WASHER, Belleville
4 1713092 1 PULLEY
5 1713613 1 HUB, Pulley, 1-3/16
6 1960373 6 CAPSCREW, Hex Head, Taptite, 5/16-18 x 1
7 1677274A 1 ADAPTER, Arbor
8 1707335 1 GASKET, Foam
9 1713338 1 ARBOR HOUSING ASSEMBLY (Incl. Ref. No. 10)
10 1704314 1 FITTING, Grease
11 1705897 2 BEARING
12 1713204 1 SPACER
13 1713199A 1 COVER, Arbor Housing
14 1713619 1 WASHER, Cupped
15 1713609 1 SHAFT, Arbor, 5-53/64"
16 1713196 1 SHIELD, Grass, Lower
17 1664019A 1 BLADE, Mower, 30"
18 1713089 1 WASHER, Hex
19 1656916 1 WASHER, Spring
20 2823471 1 CAPSCREW, Hex Head, 7/16-14 x 1, GR 8
21 1923903 1 CAPSCREW, Hex Head, 3/8-16 x 3
22 1924356 2 WASHER, Flat, 3/8 x 1-1/2 x 1/8
23 1715435 1 SPRING
24 1669105A 1 SPACER
25 1708562 1 LEVER ASSEMBLY
26 1924940 2 WASHER, Plain, 3/8
27 1707435 1 PULLEY ASSEMBLY Idler, Fixed, 6" Dia.
28 1928352 1 NUT, Hex, Whizlock, 3/8-16
29 1665835 1 GRIP, Lever
30 1923701 1 CAPSCREW, Hex Head, 3/8-16 x 2
31 1922755 3 WASHER, 13/32 x 1 x 1/8
32 1704926 1 IDLER PULLEY, Backside
33 1916965 1 LOCKWASHER, 3/8
34 1916950 1 NUT, Hex, 3/8
35 1928731 1 NUT, Hex, Lock, 3/8-16
The above parts group applies to the following Mfg. Nos.:
2005 39
© Copyright Simplicity Manufacturing, Inc. All Rights Reserved.
1692543 - 30" Mower
1694053 - 30" Mower
1694511 - 30" Mower
1694537 - 30" Mower
TP 400-4207-00-CO-SM

30" Mower Deck - Housing & Height Adjustment (CE)
NOTE: Unless noted otherwise,
use the standard hardware torque
specification chart.
Insert Away
from Capscrew
Mulcher
Only
27
5
11
12
13 14
8
20
19
18
17
15
16
45
44
43 42
3
41
40
31
30
33
34
35
36
32
3
25
25
26 37
29 28
12
4
31
2
67
9
10
49
9
24
28 29
23
25
37 30
23
46, 47
26
21
10
22
48
24
38
39
986458
The above parts group applies to the following Mfg. Nos.:
2005 40
© Copyright Simplicity Manufacturing, Inc. All Rights Reserved.
1694537 - 30" Mower
TP 400-4207-00-CO-SM

PART NO. DESCRIPTIONREF NO QTY.
30" Mower Deck - Housing & Height Adjustment (CE)
Footnotes
1 1723323 1 CAP, Spring End
2 1723938 1 SPRING
3 2860681 5 NUT, Hex, ALUM Lock, 3/8
4 1611705 1 SPACER
5 1707300 1 ROD, Adjustment
6 1917372 2 NUT, Hex, 5/16-18
7 1917356 2 LOCKWASHER, 5/16
8 1919326 2 WASHER
9 1916622 2 NUT, Hex, 1/4-20
10 1916964 2 LOCKWASHER, 1/4
11 1707540A 1 ARM ASSEMBLY, Mower
12 1913744 3 JAMNUT, Hex, 3/8-16
13 1671260 1 SPACER
14 1707280A 1 TRUNNION
15 1655651 2 PIN, Locking
16 1709209A 2 BAR, Mower Transport
17 1931352 2 CARRIAGE BOLT, 3/8-16 x 1-1/2
18 1960074 2 PIN, Retaining
19 1960223 2 CARRIAGE BOLT, 5/15-18 x 1-1/4
20 1704716 2 SPACER
21 1704873 1 CLAMP
22 1921319 3 WASHER, Plain (1 Required for Export)
23 1700692 2 SPACER (Export)
24 1960518 2 PUSHNUT, 1/4
25 1924940 6 WASHER, Flat, 3/8
26 1708250A 2 PLATE, Pivot Support
27 1685670 1 HOUSING ASSEMBLY, 30" (Orange)
27 1687157 1 HOUSING ASSEMBLY, 30" (Red)
27 1687135 1 HOUSING ASSEMBLY, 30" (Black)
28 2172622 2 BOLT, Shoulder
29 1924361 2 WASHER, Flat
30 1708519A 2 SUPPORT ASSEMBLY, Roller
31 1928352 2 NUT, Hex, Flange, Whizlock, 3/8-16
32 1704082 2 NUT, Adjustment
33 1924366 4 WASHER, Plain, 21/32 x 1-1/8 x 7/64
34 1668487 2 ROLLER
35 1960020 2 WASHER, 21/32 x 1-1/8 x 1/16
36 2153124 2 RING, Retaining
37 1664847 4 CAPSCREW, Taptite, 5/16-18 x 3/4
38 1700692 2 CARRIAGE BOLT, 5/16-18 x 3/4, G5
39 1709282A 1 PLATE, Discharge (30" Mulcher)
40 1920415 2 CAPSCREW, Hex, 3/8-16 x 1-14
41 2157081 2 SPACER
42 1715759 1 ROD, Latch, Hitch
The above parts group applies to the following Mfg. Nos.:
2005 41
© Copyright Simplicity Manufacturing, Inc. All Rights Reserved.
1694537 - 30" Mower
TP 400-4207-00-CO-SM

30" Mower Deck - Housing & Height Adjustment (CE)
NOTE: Unless noted otherwise,
use the standard hardware torque
specification chart.
Insert Away
from Capscrew
Mulcher
Only
27
5
11
12
13 14
8
20
19
18
17
15
16
45
44
43 42
3
41
40
31
30
33
34
35
36
32
3
25
25
26 37
29 28
12
4
31
2
67
9
10
49
9
24
28 29
23
25
37 30
23
46, 47
26
21
10
22
48
24
38
39
986458
The above parts group applies to the following Mfg. Nos.:
2005 42
© Copyright Simplicity Manufacturing, Inc. All Rights Reserved.
1694537 - 30" Mower
TP 400-4207-00-CO-SM

PART NO. DESCRIPTIONREF NO QTY.
30" Mower Deck - Housing & Height Adjustment (CE)
Footnotes
43 1707432A 1 HITCH ASSEMBLY
44 1921210 1 CAPSCREW, Hex Head, 3/8-16 x 1
45 2156302 1 SPRING
46 1931317 2 CARRIAGE BOLT, 1/4-20 x 3/4
47 1931320 2 CARRIAGE BOLT, 1/4-20 x 1-1/4 (Export)
48 1664947 1 ROD, Deflector
49 1705449 1 DEFLECTOR, Plastic
The above parts group applies to the following Mfg. Nos.:
2005 43
© Copyright Simplicity Manufacturing, Inc. All Rights Reserved.
1694537 - 30" Mower
TP 400-4207-00-CO-SM

30" Mower Deck - Housing, Hitch & Height Adjustment
NOTE: Unless noted otherwise,
use the standard hardware torque
specification chart.
Insert Away
from Capscrew
26
5
11
12
13 14
8
19
18
17
16
15
37
43
42
41 40
3
39
38
30
29
32
33
34
35
31
3
24
24
25 36
28 27
12
4
31
2
67
9
10
47
9
23
27 28
22
24
36 29
22
44, 45
25
21
20
10
21
46
23
984421
The above parts group applies to the following Mfg. Nos.:
2005 44
© Copyright Simplicity Manufacturing, Inc. All Rights Reserved.
1692543 - 30" Mower
1694053 - 30" Mower
TP 400-4207-00-CO-SM

PART NO. DESCRIPTIONREF NO QTY.
30" Mower Deck - Housing, Hitch & Height Adjustment
Footnotes
1 1723323 1 CAP, Spring End
2 1723938 1 SPRING
3 2860641 5 NUT, Hex, ALUM Lock, 3/8
4 1611705 1 SPACER
5 1707300 1 ROD, Adjustment
6 1917372 2 NUT, Hex, 5/16-18
7 1917356 2 LOCKWASHER, 5/16
8 1919326 2 WASHER
9 1916622 2 NUT, Hex, 1/4-20
10 1916964 2 LOCKWASHER, 1/4
11 1707540A 1 ARM ASSEMBLY, Mower
12 1913744 3 JAMNUT, Hex, 3/8-16
13 1671260 1 SPACER
14 1707280A 1 TRUNNION
15 1655651 2 PIN, Locking
16 1931352 2 CARRIAGE BOLT, 3/8-16 x 1-1/2
17 1960074 2 PIN, Retaining
18 1960223 2 CARRIAGE BOLT, 5/15-18 x 1-1/4
19 1704716 2 SPACER
20 1704873 1 CLAMP
21 1921319 3 WASHER, Plain (1 Required for Export)
22 1700692 2 SPACER (Export)
23 1960518 2 PUSHNUT, 1/4
24 1924940 6 WASHER, Flat, 3/8
25 1708250A 2 PLATE, Pivot Support
26 1685670 1 HOUSING ASSEMBLY, 30" (Orange)
26 1687157 1 HOUSING ASSEMBLY, 30" (Red)
26 1687135 1 HOUSING ASSEMBLY, 30" (Black)
27 2172622 2 BOLT, Shoulder
28 1924361 2 WASHER, Flat
29 1708519A 2 SUPPORT ASSEMBLY, Roller
30 1928352 2 NUT, Hex, Flange, Whizlock, 3/8-16
31 1704082 2 NUT, Adjustment
32 1924366 4 WASHER, Plain, 21/32 x 1-1/8 x 7/64
33 1668487 2 ROLLER
34 1960020 2 WASHER, 21/32 x 1-1/8 x 1/16
35 2153124 2 RING, Retaining
36 1664847 4 CAPSCREW, Taptite, 5/16-18 x 3/4
37 1709209A 2 BAR, Mower Transport
38 1920415 2 CAPSCREW, Hex, 3/8-16 x 1-14
39 2157081 2 SPACER
40 1715759 1 ROD, Latch, Hitch
41 1707432A 1 HITCH ASSEMBLY
42 1921210 1 CAPSCREW, Hex Head, 3/8-16 x 1
The above parts group applies to the following Mfg. Nos.:
2005 45
© Copyright Simplicity Manufacturing, Inc. All Rights Reserved.
1692543 - 30" Mower
1694053 - 30" Mower
TP 400-4207-00-CO-SM

30" Mower Deck - Housing, Hitch & Height Adjustment
NOTE: Unless noted otherwise,
use the standard hardware torque
specification chart.
Insert Away
from Capscrew
26
5
11
12
13 14
8
19
18
17
16
15
37
43
42
41 40
3
39
38
30
29
32
33
34
35
31
3
24
24
25 36
28 27
12
4
31
2
67
9
10
47
9
23
27 28
22
24
36 29
22
44, 45
25
21
20
10
21
46
23
984421
The above parts group applies to the following Mfg. Nos.:
2005 46
© Copyright Simplicity Manufacturing, Inc. All Rights Reserved.
1692543 - 30" Mower
1694053 - 30" Mower
TP 400-4207-00-CO-SM

PART NO. DESCRIPTIONREF NO QTY.
30" Mower Deck - Housing, Hitch & Height Adjustment
Footnotes
43 2156302 1 SPRING
44 1931317 2 CARRIAGE BOLT, 1/4-20 x 3/4
45 1931320 2 CARRIAGE BOLT, 1/4-20 x 1-1/4 (Export)
46 1664947 1 ROD, Deflector
47 1705449 1 DEFLECTOR, Plastic
The above parts group applies to the following Mfg. Nos.:
2005 47
© Copyright Simplicity Manufacturing, Inc. All Rights Reserved.
1692543 - 30" Mower
1694053 - 30" Mower
TP 400-4207-00-CO-SM

34" Mower Deck - Drive & Arbor
NOTE: Unless noted otherwise,
use the standard hardware torque
specification chart.
1
2
3
4
5
67
8
9
10
11
12
13
14
15
16
17
18
19
20
21 22
23
24
25
26
27
28
29 30
31
32
33
34
35
36
37
31
32
33
24
34
11
10 9
8
76
5
2
1
14
29
Torque to
50 - 70 ft/lbs
68 - 95 Nm.
Torque to
50 - 70 ft/lbs
68 - 95 Nm.
Torque to
45 - 55 ft/lbs
61- 75 Nm.
Torque to
45 - 55 ft/lbs
61- 75 Nm.
984826
The above parts group applies to the following Mfg. Nos.:
2005 48
© Copyright Simplicity Manufacturing, Inc. All Rights Reserved.
1692545 - 34" Mower
TP 400-4207-00-CO-SM

PART NO. DESCRIPTIONREF NO QTY.
34" Mower Deck - Drive & Arbor
Footnotes
1 1714419 2 NUT, Hex, Flange, 9/16-18
2 1713675 4 WASHER, Belleville
3 1713091 1 PULLEY, 5"
4 1713614 1 HUB, Pulley, 1-35/64"
5 1713199A 2 COVER, Arbor Housing ASSEMBLY
6 1705897 4 BEARING
7 1713204 2 SPACER
8 1707335 2 GASKET, Foam
9 1713338 2 ARBOR HOUSING ASSEMBLY, (Includes Ref. No. 10)
10 1704314 2 FITTING, Grease
11 1713619 2 WASHER
12 2164213 1 SPRING
13 1921972 1 CAPSCREW, 3/8-16 x 2-1/2
14 1924940 2 WASHER, Flat, 3/8
15 1704926 1 PULLEY, Idler, Backside
16 1667812 1 SPACER
17 1916965 1 LOCKWASHER, 3/8
18 1916950 1 NUT, Hex, 3/8-16
19 1930645 1 NUT, Hex, Flange, Lock, 3/8-16
20 1928957 1 CAPSCREW, Hex Head, 3/8-16 x 2-3/4
21 1657242 1 SPACER
22 1665835 1 GRIP, Lever
23 1708561 1 LEVER ASSEMBLY
24 1924356 2 WASHER, Flat, 3/8
25 1719819 1 V-BELT
26 1713090 1 PULLEY, 3-3/4"
27 1713613 1 HUB, Pulley, 1-3/16"
28 1713609 1 SHAFT, Arbor, 5-53/64"
29 1713196 2 SHIELD, Grass, Lower
30 1706737A 1 BLADE, 14-27/64"
31 1713089 2 WASHER, Hex
32 1656916 2 WASHER, Spring
33 2823471 2 CAPSCREW, Hex Head, 7/16-14 x 1-1/4, GR 8
34 1664847 12 CAPSCREW Taptite, 5/16-18 x 3/4
35 1928352 1 NUT, Hex, 3/8-16
36 1713610 1 SHAFT, Arbor, 6-33/64"
37 1706738A 1 BLADE, 19-29/32"
The above parts group applies to the following Mfg. Nos.:
2005 49
© Copyright Simplicity Manufacturing, Inc. All Rights Reserved.
1692545 - 34" Mower
TP 400-4207-00-CO-SM

34" Mower Deck - Height Adjustment
NOTE: Unless noted otherwise,
use the standard hardware torque
specification chart.
Insert Away
from Capscrew
Insert Away
from Capscrew
1
2
3
4
5
6
7
8
9
10
11
12
15 17
18
19
20
21
2223
24
16
15
17
18
19
20
13
12
22
21
12
13
12
11
13
14
J984418
The above parts group applies to the following Mfg. Nos.:
2005 50
© Copyright Simplicity Manufacturing, Inc. All Rights Reserved.
1692545 - 34" Mower
TP 400-4207-00-CO-SM

PART NO. DESCRIPTIONREF NO QTY.
34" Mower Deck - Height Adjustment
Footnotes
1 1917372 1 NUT, Hex, 5/16-18
2 1917356 2 LOCKWASHER, 5/16
3 1919326 2 WASHER
4 1704716 2 SPACER
5 1707286A 1 ARM ASSEMBLY
6 1960223 2 CARRIAGE BOLT, 5/16-18 x 1-1/4
7 1655651 2 PIN, Locking
8 1931352 2 CARRIAGE BOLT, 3/8-16 x 1-1/2
9 1960074 2 CLIP, Hair Pin
10 1709209A 2 BAR, Mower Transport
11 1602946 2 SPACER, Roller
12 1924366 5 WASHER, Flat, 5/8
13 1668513 7 ROLLER
14 1686682 1 SHAFT ASSEMBLY, Roller (Includes Ref. 20)
15 1704082 2 NUT, Adjustment
16 1708564A 1 PLATE, Support, RH
17 2860641 2 NUT, Hex Alum Lock, 3/8
18 2172622 2 BOLT, Shoulder, 3/8-16
19 1924361 2 WASHER, Flat, 1/2
20 1960520 2 NUT, Push
21 1928352 2 NUT, Flange Lock, 3/8
22 1664847 5 CAPSCREW, Taptite, 5/16-18 x 5/8
23 1707567 1 COVER, Arbor
24 1708564A 1 PLATE, Support
The above parts group applies to the following Mfg. Nos.:
2005 51
© Copyright Simplicity Manufacturing, Inc. All Rights Reserved.
1692545 - 34" Mower
TP 400-4207-00-CO-SM

34" Mower Deck - Housing, Hitch & Deflector
NOTE: Unless noted otherwise,
use the standard hardware torque
specification chart.
Insert Away
from capscrew
1
2
3
4
5
6
7
8
9
10
11
12
13
14
15
16
17
18
19
17
20
21
22
23
24
3
5
5
9
12
25
1
2
984418
The above parts group applies to the following Mfg. Nos.:
2005 52
© Copyright Simplicity Manufacturing, Inc. All Rights Reserved.
1692545 - 34" Mower
TP 400-4207-00-CO-SM

PART NO. DESCRIPTIONREF NO QTY.
34" Mower Deck - Housing, Hitch & Deflector
Footnotes
1 1916622 2 NUT, Hex, 1/4-20
2 1916964 2 LOCKWASHER, 1/4
3 1960353 2 WASHER, Flat, 17/64 x 27/32 x 1/8
4 1706709A 1 ROD, Deflector
5 1913744 3 JAMNUT, Hex, 1/2-13
6 1671260 1 SPACER
7 1707280A 1 TRUNNION
8 1707300 1 ROD, Adustment
9 1931318 2 CARRIAGE BOLT, 1/4-20 X 7/8
10 1685672 1 HOUSING ASSEMBLY, 34" (Orange)
10 1687137 1 HOUSING ASSEMBLY, 34" (Black)
11 1920415 2 CAPSCREW, Hex Head, 3/8-16 x 1-1/4
12 1924940 3 WASHER, Flat, 3/8
13 2157081 2 SPACER
14 1921210 1 CAPSCREW, Hex Head, 3/8-16 x 1
15 1715759 1 ROD, Latch, Hitch
16 1707432A 1 HITCH ASSEMBLY
17 2860641 3 NUT, Hex Lock, Alm Insert, 3/8-16
18 2156302 1 SPRING
19 1611705 1 SPACER
20 1960518 1 PUSHNUT
21 1704873 1 CLAMP
22 1919326 1 WASHER
23 1705080 1 SPRING
24 1705449 1 DEFLECTOR, Plastic
25 1723323 1 CAP, Spring End
The above parts group applies to the following Mfg. Nos.:
2005 53
© Copyright Simplicity Manufacturing, Inc. All Rights Reserved.
1692545 - 34" Mower
TP 400-4207-00-CO-SM

Torque Specification Chart
FOR STANDARD MACHINE HARDWARE (Tolerance ± 20%)
Hardware
Grade
SAE Grade 2 SAE Grade 5 SAE Grade 8
Size Of
in/lbs in/lbs
in/lbs
Hardware ft/lbs Nm. ft/lbs Nm. ft/lbs Nm.
8-32
19
2.1
30
3.4
41
4.6
8-36
20
2.3
31
3.5
43
4.9
10-24
27
3.1
43
4.9
60
6.8
10-32
31
3.5
49
5.5
68
7.7
1/4-20
66
7.6 810.9 12 16.3
1/4-28
76
8.6 10 13.6 14 19.0
5/16-18 11 15.0 17 23.1 25 34.0
5/16-24 12 16.3 19 25.8 27 34.0
3/8-16 20 27.2 30 40.8 45 61.2
3/8-24 23 31.3 35 47.6 50 68.0
7/16-14 30 40.8 50 68.0 70 95.2
7/16-20 35 47.6 55 74.8 80 108.8
1/2-13 50 68.0 75 102.0 110 149.6
1/2-20 55 74.8 90 122.4 120 163.2
9/16-12 65 88.4 110 149.6 150 204.0
9/16-18 75 102.0 120 163.2 170 231.2
5/8-11 90 122.4 150 204.0 220 299.2
5/8-18 100 136 180 244.8 240 326.4
3/4-10 160 217.6 260 353.6 386 525.0
3/4-16 180 244.8 300 408.0 420 571.2
7/8-9 140 190.4 400 544.0 600 816.0
7/8-14 155 210.8 440 598.4 660 897.6
1-8 220 299.2 580 788.8 900 1,244.0
1-12 240 326.4 640 870.4 1,000 1,360.0
Hex Head Capscrew
Hex Nut
Lockwasher
Washer
Carriage Bolt
NOTES
1. These torque values are to be used for all hardware
excluding: locknuts, self-tapping screws, thread forming
screws, sheet metal screws and socket head setscrews.
2. Recommended seating torque values for locknuts:
a. for prevailing torque locknuts - use 65% of grade 5
torques.
b. for flange whizlock nuts and screws - use 135% of
grade 5 torques.
3. Unless otherwise noted on assembly drawings, all torque
values must meet this specification.
Hardware Identification & Torque Specifications
Common Hardware Types
Screw, 1/2 x 2
Body
Diameter
Body
Length
Inside
Diameter
Nut, 1/2”
No
Marks
3/8” Bolt or Nut
Wrench—9/16”
3/8
5/16” Bolt or Nut
Wrench—1/2”
5/16
1/4” Bolt or Nut
Wrench—7/16”
1/4
1/2” Bolt or Nut
Wrench—3/4”
1/2
DIA.
7/16
DIA.
7/16” Bolt or Nut
Wrench (Bolt)—5/8”
Wrench (Nut)—11/16”
Wrench & Fastener Size Guide
Standard Hardware Sizing
When a washer or nut is identified as 1/2”, this is the
Nominal size
, meaning the
inside diameter
is 1/2 inch; if a
second number is present it represent the
threads per inch
When bolt or capscrew is identified as 1/2 - 16 x 2”, this
means the
Nominal size
, or
body diameter
is 1/2 inch; the
second number represents the
threads per inch
(16 in this
example, and the final number is the
body length
of the
bolt or screw (in this example 2 inches long).
The guides and ruler furnished below are designed to
help you select the appropriate hardware and tools.
0
1/4 3/4
1/2
1
1/4 3/4
1/2
2
1/4 3/4
1/2
3
1/4 3/4
1/2
4

500 N. Spring Street / PO Box 997
Port Washington, WI 53074-0997 USA
www.simplicitymfg.com
MANUFACTURING, INC.
© Copyright Simplicity Manufacturing, Inc.
All Rights Reserved. Printed In USA.
2005