Simplicity Coronet 2400 Users Manual TP_400_2035_00_CO_SMA
400 to the manual 13325126-e862-4fa4-a756-3ebdb3972c3f
2014-12-13
: Simplicity Simplicity-Coronet-2400-Users-Manual-126152 simplicity-coronet-2400-users-manual-126152 simplicity pdf
Open the PDF directly: View PDF
.
Page Count: 78

Parts Manual
Rev. 8/99
TP 400-2035-00-CO-SMA
SERIES RIDERS & MOWER DECKS
11HP RIDERS
Mfg. No. Description
1692748 Coronet 11HP Gear
1692819 411G, 11HP Gear
1692823 2411G, 11HP Gear
1693030 Coronet, 11HP Gear
1693032 Coronet, 11HP Gear (Export)
1693042 411G, 11HP Gear
1693048 2411G, 11HP Gear
12HP RIDERS
Mfg. No. Description
1692821 412H, 12HP Hydro
1693044 413H, 12HP Hydro
13HP RIDERS
Mfg. No. Description
1692750 Coronet, 13HP Hydo
1693034 Coronet, 13HP Hydro
1693036 Coronet, 13HP Hydro (Export)
14HP RIDERS
Mfg. No. Description
1693038 Coronet, 14HP Hydro
1693040 Coronet, 14HP Hydro (Export)
1693046 414H, 14HP Hydro
1693050 2414H, 14HP Hydro
MOWER DECKS
Mfg. No. Description
1692543 30” Mower Deck (SMI)
1692544 30” Mower Deck (AA/MF)
1692545 34” Mower Deck (SMI)
1692546 34” Mower Deck (AA/MF)
CORONET / 400 / 2400

© Copyright 1998 Simplicity Manufacturing, Inc.
All Rights Reserved. Printed In USA.
MANUFACTURING, INC.
500 N Spring Street / PO Box 997
Port Washington, WI 53074-0997 USA

1
TP 400-2035-00-CO-SMA
Table of Contents
RIDER COMPONENTS
Steering & Lift . . . . . . . . . . . . . . . . . . . . . . . . . . . . . . . . . . . . . . . .2
Frame & Fuel System
Early 11HP Gear, 12HP Hydro,
& 13HP Hydro Models . . . . . . . . . . . . . . . . . . . . . . . . . . . . . .4
Later 11HP Gear, 12HP Hydro,
& 13HP Hydro Models . . . . . . . . . . . . . . . . . . . . . . . . . . . . . .8
14HP Hydro & 14HP Gear Models . . . . . . . . . . . . . . . . . . . .12
Front Column & Dash . . . . . . . . . . . . . . . . . . . . . . . . . . . . . . . . .16
Engine Group
Briggs & Stratton Models . . . . . . . . . . . . . . . . . . . . . . . . . . .20
Kohler Models . . . . . . . . . . . . . . . . . . . . . . . . . . . . . . . . . . .22
Electrical Group
Briggs & Stratton Models . . . . . . . . . . . . . . . . . . . . . . . . . . .24
Kohler Models . . . . . . . . . . . . . . . . . . . . . . . . . . . . . . . . . . .26
Transmission
Peerless Gear Models 915-016D
Transmission & Carrier . . . . . . . . . . . . . . . . . . . . . . . . .28
Transmission Controls . . . . . . . . . . . . . . . . . . . . . . . . .30
Transmission Service Parts . . . . . . . . . . . . . . . . . . . . .32
Hydro Models 311-0500
Transmission & Carrier . . . . . . . . . . . . . . . . . . . . . . . . .36
Transmission Controls . . . . . . . . . . . . . . . . . . . . . . . . .38
Transmission Service Parts . . . . . . . . . . . . . . . . . . . . .42
Wheels & Tires . . . . . . . . . . . . . . . . . . . . . . . . . . . . . . . . . . . . . .46
Decals . . . . . . . . . . . . . . . . . . . . . . . . . . . . . . . . . . . . . . . . . . . . .48
MOWER DECK COMPONANTS
30” Mower Decks
Housing, Hitch, & Height Adjustment . . . . . . . . . . . . . . . . . .50
Drive & Arbor . . . . . . . . . . . . . . . . . . . . . . . . . . . . . . . . . . . .52
Deflector . . . . . . . . . . . . . . . . . . . . . . . . . . . . . . . . . . . . . . . .54
34” Mower Deck
Housing, Hitch, & Deflector . . . . . . . . . . . . . . . . . . . . . . . . .56
Drive & Arbor . . . . . . . . . . . . . . . . . . . . . . . . . . . . . . . . . . . .58
Height Adjustment . . . . . . . . . . . . . . . . . . . . . . . . . . . . . . . .60
Grass Mulcher Kit . . . . . . . . . . . . . . . . . . . . . . . . . . . . . . . . .62
ATTACHMENTS
Twin Bag Grass Catchers
30” Adapter & Tube . . . . . . . . . . . . . . . . . . . . . . . . . . .64
34” Adapter, Blade, & Tube . . . . . . . . . . . . . . . . . . . . .66
30” & 34” Covered Bag . . . . . . . . . . . . . . . . . . . . . . . . .68
30” & 34” Catcher Hitch . . . . . . . . . . . . . . . . . . . . . . . .70
REFERENCE INFORMATION:
Part Number Index . . . . . . . . . . . . . . . . . . . . . . . . . . . . . . . . . . .72
Torque Specification Chart . . . . . . . . . . . . . . . . .Inside Back Cover
© Copyright 1999 Simplicity Manufacturing, Inc. All Rights Reserved.
This Manual Covers The Following Products:
11HP RIDERS
1692748 Coronet, 11HP Gear
1692819 411G, 11HP Gear
1692823 2411G, 11HP Gear
1693030 Coronet, 11HP Gear
1693042 411G, 11HP Gear
1693048 2411G, 11HP Gear
12HP RIDERS
1692821 412H, 12HP Hydro
1693044 413H, 12HP Hydro
13HP RIDERS
1692750 Coronet, 13HP Hydro
1693034 Coronet, 13HP Hydro
1693036 Coronet, 13HP Hydro (Export)
14HP RIDERS
1693038 Coronet, 14HP Hydro
1693040 Coronet, 14HP Hydro (Export)
1693046 414H, 14HP Hydro
1693050 2414H, 14HP Hydro
MOWER DECKS
1692543 30” Mower Deck
1692544 30” Mower Deck
1692545 34” Mower Deck
1692546 34” Mower Deck
ATTACHMENTS
1692149 30” Twin Bag Grass Catcher
1692150 34” Twin Bag Grass Catcher
PAGES
2, 4, 16, 20, 24, 28,
30, 32, 46, 48
2, 8, 16, 20, 24, 28,
30, 32, 46, 48
PAGES
2, 4, 16, 20, 24, 36,
38, 42, 46, 48
2, 8, 16, 20, 24, 36,
38, 42, 46, 48
PAGES
2, 4, 16, 20, 24, 36,
38, 42, 46, 48
2, 8, 16, 20, 24, 36,
38, 42, 46, 48
PAGES
2, 12, 16, 22, 26,
36, 38, 42, 46, 48
2, 12, 16, 22, 26,
28, 30, 32, 46, 48
PAGES
50, 52, 54
56, 58, 60, 62
PAGES
64, 68, 70
66,68,70

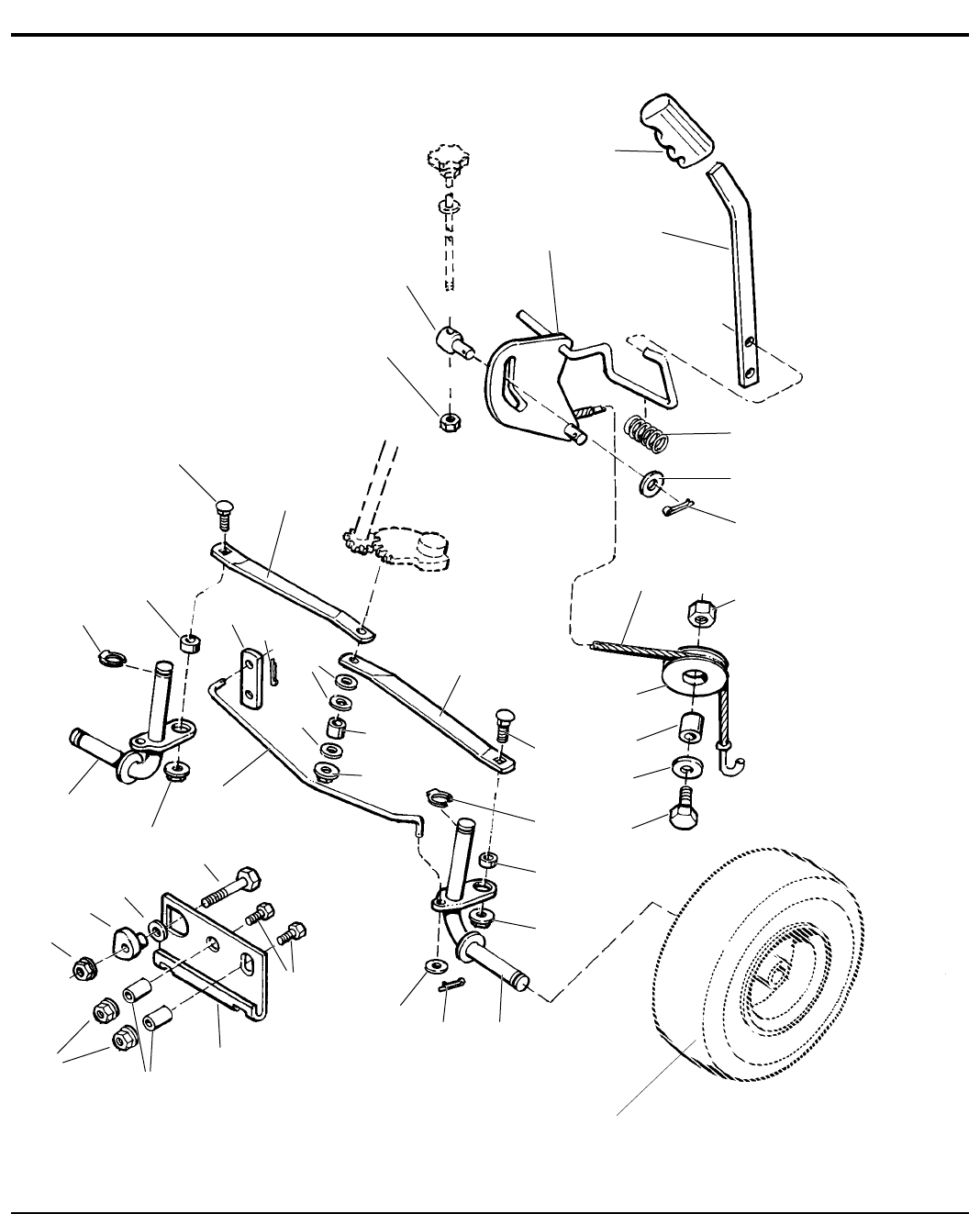
2
TP 400-2035-00-CO-SMA
© Copyright 1999 Simplicity Manufacturing, Inc. All Rights Reserved.
Steering & Lift
NOTE: Unless noted otherwise,
use the standard hardware torque
specification chart.
The above parts group applies to the following Mfg. Nos.:
1692748 Coronet, 11HP Gear
1692750 Coronet, 13HP Hydo
1692819 411G, 11HP Gear
1692821 412H, 12HP Hydro
1692823 2411G, 11HP Gear
1693030 Coronet, 11HP Gear
1693032 Coronet, 11HP Gear (Exp)
1693034 Coronet, 13HP Hydro
1693036 Coronet, 13HP Hydro (Exp)
1693038 Coronet, 14HP Hydro
1693040 Coronet, 14HP Hydro (Exp)
1693042 411G, 11HP Gear
1693044 413H, 12HP Hydro
1693046 414H, 14HP Hydro
1693048 2411H, 11HP Gear
1693050 2414H, 14HP Hydro
See Wheels & Tires Group
1
2
3
4
5
6
7
8
910
11
12
13
14
17
198
7
20
21
22
23
24
20
25 26
2727
28 8
20
30
30
31
32
3333 32
34
21
22
23
35
29
18
16
15

3
TP 400-2035-00-CO-SMA
Steering & Lift
1 1930651 1 NUT, Hex, 3/8-16
2 108512 1 PIVOT
3 1708955 1 ARM ASSY., Lift
4 1708966 1 GRIP, Lever
5 1708557 1 LEVER, Lift
6 1708884 1 SPRING, Compression
7 1924940 3 WASHER, Plain, 13/32 x 7/8 x 5/64
8 1918447 3 COTTER PIN, 3/32 x 3/4
9 1708556 1 CABLE ASSY., Lift
10 1919439 1 NUT, Hex, Esna Lock, 3/8-16
11 1708559 1 PULLEY, Lift
12 1708973 1 BUSHING
13 1924356 1 WASHER, Plain, 13/32 x 1-1/2 x 1/8
14 1921969 1 CAPSCREW, Hex Hd., 3/8-16 x 1-1/2
15 1930645 1 NUT, Hex, Flange Lock, 3/8-16
16 1708514 1 ECCENTRIC
17 1922755 1 WASHER, Plain, 13/32 x 7/8 x 1/8
18 1921971 1 CAPSCREW, Hex Hd., 3/8-16 x 1-3/4
19 1706011 1 SPINDLE ASSY., LH
20 1935048 3 NUT, Hex, Flange Lock, 5/16-18
21 1960236 2 SPACER
22 1704420 2 KLIP RING
23 1931335 2 CARRIAGE BOLT, 3/8-16 x 1
24 1708501 1 TIE ROD, LH
25 1919381 1 WASHER, Plain, 11/32 x 1 x 1/8
26 1710703 1 SPACER, 21/64 x 1/2 x 5/8
27 1960170 2 WASHER, Plain
28 1708516 1 LEVER
29 1708521 1 ROD, Hitch
30 1920328 2 CAPSCREW, Hex Hd., 1/2-13 x 1-1/2
31 1709237 1 HITCH, Hook
32 1709235 2 BUSHING
33 1930644 2 NUT, Hex, Flange Lock, 1/2-13
34 1706019 1 SPINDLE ASSY., RH
35 1708500 1 TIE ROD, RH
REF NO. PART NO. QTY. DESCRIPTION
The above parts group applies to the following Mfg. Nos.:
1692748 Coronet, 11HP Gear
1692750 Coronet, 13HP Hydo
1692819 411G, 11HP Gear
1692821 412H, 12HP Hydro
1692823 2411G, 11HP Gear
1693030 Coronet, 11HP Gear
1693032 Coronet, 11HP Gear (Exp)
1693034 Coronet, 13HP Hydro
1693036 Coronet, 13HP Hydro (Exp)
1693038 Coronet, 14HP Hydro
1693040 Coronet, 14HP Hydro (Exp)
1693042 411G, 11HP Gear
1693044 413H, 12HP Hydro
1693046 414H, 14HP Hydro
1693048 2411H, 11HP Gear
1693050 2414H, 14HP Hydro

4
TP 400-2035-00-CO-SMA
© Copyright 1999 Simplicity Manufacturing, Inc. All Rights Reserved.
Frame & Fuel System - Early 11HP Gear, 12HP Hydro, & 13HP Hydro
NOTE: Unless noted otherwise,
use the standard hardware torque
specification chart.
The above parts group applies to the following Mfg. Nos.:
1692748 Coronet, 11HP Gear
1692750 Coronet, 13HP Hydo
1692819 411G, 11HP Gear
1692821 412H, 12HP Hydro
1692823 2411G, 11HP Gear
12
3
4
5
4
78
9
10
11
12
13
14
15
16
17
16
18
19
20
21
22
19
23
24
25
26
27
4
1
4
28
29 30
6
1
31
32
33
34
12
37
36
40
42
43
37
36
44
39
38
45
4646
46
46
49 50 51
52
3741
38
39
35
47, 48

5
TP 400-2035-00-CO-SMA
Frame & Fuel System - Early 11HP Gear, 12HP Hydro, & 13HP Hydro
REF NO. PART NO. QTY. DESCRIPTION
The above parts group applies to the following Mfg. Nos.:
1692748 Coronet, 11HP Gear
1692750 Coronet, 13HP Hydo
1692819 411G, 11HP Gear
1692821 412H, 12HP Hydro
1692823 2411G, 11HP Gear
1 1921333 2 CAPSCREW, Hex Hd., 5/16-18 x 1
2 1925003 6 SCREW, Hex Hd., Taptite, 1/4-20 x 1/2
3 1715962 1 SHROUD, Rear
4 1931277 5 NUT, Hex, Flange, Whizlock, 5/16-18
5 1708363 1 SUPPORT, Fuel Tank
6 1931333 1 CARRIAGE BOLT, 5/16-18 x 3/4
7 1708362 1 STRAP, Fuel Tank, Brace
8 1714020 1 CAP, Fuel Tank, Vented
9 1685483 1 FUEL TANK (Incl. Ref. Nos. 1, 4, 6 & 30)
10 1710437 1 SPACER, 21/64 x 1/2 x 21/64
11 1924940 1 WASHER, Plain, 13/32 x 7/8 x 5/64
12 1960373 3 SCREW, Taptite, 5/16-18 x 1
13 1654930 1 BUSHING, Rubber
14 1674231 1 ELBOW
15 1960112 2 CLAMP, Hose
16 1718678 1 HOSE, Fuel Tank
17 173206 1 FUEL FILTER
18 1933988 2 PAL NUT, 5/16
19 1930591 2 CAPSCREW, Hex Hd., Whizlock, 5/16-18 x 3/4
20 1708525 1 PAD, Foot Rest, LH
21 176440 4 BUSHING
22 1660007 1 FRAME ASSY. (Incl. Ref. No. 2)
23 1708524 1 PAD, Foot Rest, RH
24 1704351 14 FASTENER
25 1708253 1 PANEL, Front
26 1935255 4 PAL NUT, 5/16-18
27 1709269 1 “U” SUPPORT, Seat Deck
28 934683 1 CLIP
29 1924856 1 SCREW, Hex Hd., Taptite, 5/16 x 1/2
30 1708725 1 DUCT, Air Inlet
31 1704626 2 SPACER, Plastic
32 1705249 2 SPACER
33 1704628 2 PIN, Quick
34 1705248 2 PIVOT, Hood
35 921133 2 FITTING, Lube
36 1919381 3 WASHER, 5/16
37 1930591 2 CAPSCREW, 5/16-18 x 3/4
38 1927557 2 NUT, Flange, 5/16-18
39 1921977 2 CAPSCREW, Hex Hd., 5/16-18
40 1703900 1 SPACER
41 1917356 1 LOCKWASHER, Spring
42 1708881 1 CAP, Black, Vinyl
43 1708509 1 ADJUSTER, Seat
44 1667286 1 SPRING, Extension
45 1713556 1 SUPPORT, Slide, Seat
46 1708511 4 SPACER
47 1713839 1 SEAT ASSY. (Includes Cover, Ref. No. 48)
48 1714482 1 COVER, Seat, Black
49 1686638 1 DECK, Seat, Orange (All Except 1692823)
49 1714625 1 DECK, Seat, Red (1692823 Only)

6
TP 400-2035-00-CO-SMA
© Copyright 1999 Simplicity Manufacturing, Inc. All Rights Reserved.
Frame & Fuel System - Early 11HP Gear, 12HP Hydro, & 13HP Hydro
NOTE: Unless noted otherwise,
use the standard hardware torque
specification chart.
The above parts group applies to the following Mfg. Nos.:
1692748 Coronet, 11HP Gear
1692750 Coronet, 13HP Hydo
1692819 411G, 11HP Gear
1692821 412H, 12HP Hydro
1692823 2411G, 11HP Gear
12
3
4
5
4
78
9
10
11
12
13
14
15
16
17
16
18
19
20
21
22
19
23
24
25
26
27
4
1
4
28
29 30
6
1
31
32
33
34
12
37
36
40
42
43
37
36
44
39
38
45
4646
46
46
49 50 51
52
3741
38
39
35
47, 48

7
TP 400-2035-00-CO-SMA
Frame & Fuel System - Early 11HP Gear, 12HP Hydro, & 13HP Hydro
50 1673320 3 RIVET
51 1708504 1 SCREEN, Seat Deck Top
52 1960295 8 SCREW, Hex Whiz Lock
REF NO. PART NO. QTY. DESCRIPTION
The above parts group applies to the following Mfg. Nos.:
1692748 Coronet, 11HP Gear
1692750 Coronet, 13HP Hydo
1692819 411G, 11HP Gear
1692821 412H, 12HP Hydro
1692823 2411G, 11HP Gear

42
3
4
5
4
78
9
10
11
12
13
14
15
16
17
16
18
19
20
21
22
19
23
24
25
26
27
54
1
4
28
29 30
6
1
31
32
33
34
12
37
36
40
42
43
37
36
44
39
45
4646
46
46
49 50 51
52
39
35
41
38
53
54
47, 48
8
TP 400-2035-00-CO-SMA
© Copyright 1999 Simplicity Manufacturing, Inc. All Rights Reserved.
Frame & Fuel System - Later 11HP Gear, 12HP Hydro, & 13HP Hydro
NOTE: Unless noted otherwise,
use the standard hardware torque
specification chart.
The above parts group applies to the following Mfg. Nos.:
1692748 Coronet, 11HP Gear
1692750 Coronet, 13HP Hydo
1692819 411G, 11HP Gear
1692821 412H, 12HP Hydro
1692823 2411G, 11HP Gear
1693030 Coronet, 11HP Gear
1693032 Coronet, 11HP Gear (Exp)
1693034 Coronet, 13HP Hydro
1693036 Coronet, 13HP Hydro (Exp)
1693042 411G, 11HP Gear
1693044 413H, 12HP Hydro
1693048 2411G, 11HP Gear

9
TP 400-2035-00-CO-SMA
Frame & Fuel System - Later 11HP Gear, 12HP Hydro, & 13HP Hydro
1 1921333 2 CAPSCREW, Hex Hd., 5/16-18 x 1
2 1925003 6 SCREW, Hex Hd., Taptite, 1/4-20 x 1/2
3 1715962 1 SHROUD, Rear (All Except 1693030, 1693032, & 1693042)
3 1718298 1 SHROUD, Rear (1693030, 1693032, & 1693042 Only)
4 1931277 7 NUT, Hex, Flange, Whizlock, 5/16-18
5 1708363 1 SUPPORT, Fuel Tank
6 1931333 1 CARRIAGE BOLT, 5/16-18 x 3/4
7 1708362 1 STRAP, Fuel Tank, Brace
8 1714020 1 CAP, Fuel Tank, Vented
9 1685483 1 TANK, Fuel
10 1710437 1 SPACER, 21/64 x 1/2 x 21/64
11 1924940 1 WASHER, Plain, 13/32 x 7/8 x 5/64
12 1960373 3 SCREW, Taptite, 5/16-18 x 1
13 1654930 1 BUSHING, Rubber
14 1674231 1 ELBOW
15 1960112 2 CLAMP, Hose
16 1718678 1 HOSE, Fuel Line
17 173206 1 FILTER, Fuel
18 1933988 2 PAL NUT, 5/16
19 1930591 8 CAPSCREW, Hex Hd., Whizlock, 5/16-18 x 3/4
20 1708525 1 PAD, Foot Rest, LH
21 176440 4 BUSHING
22 1660007 1 FRAME ASSY. (Incl. Ref. No. 2)
23 1708524 1 PAD, Foot Rest, RH
24 1704351 14 FASTENER
25 1708253 1 PANEL, Front (1693030, 1693032, 1693042 Only)
25 1718376 1 PANEL, Front (All Except 1693030, 1693032, 1693042)
26 1935255 4 PAL NUT, 5/16-18
27 1718841 1 SUPPORT, “U”, Seat
28 1715970 2 BUMPER, Rubber
29 1924856 1 SCREW, Hex Hd., Taptite, 5/16 x 1/2
30 1708725 1 DUCT, Air Inlet
31 1704626 2 SPACER, Plastic
32 1705249 2 SPACER
33 1704628 2 PIN, Quick
34 1705248 2 PIVOT, Hood
35 921133 2 FITTING, Lube
36 1919381 4 WASHER, Plain
37 1930591 2 CAPSCREW, Hex Hd., 5/16-18
38 1917372 1 NUT, 5/16-18
39 1921977 2 CAPSCREW, 5/16-18 x 1-1/4
40 1703900 1 SPACER
41 960208 2 WASHER, 1”
42 1708881 1 CAP, Black, Vinyl
43 1708509 1 ADJUSTER, Seat
REF NO. PART NO. QTY. DESCRIPTION
The above parts group applies to the following Mfg. Nos.:
1692748 Coronet, 11HP Gear
1692750 Coronet, 13HP Hydo
1692819 411G, 11HP Gear
1692821 412H, 12HP Hydro
1692823 2411G, 11HP Gear
1693030 Coronet, 11HP Gear
1693032 Coronet, 11HP Gear (Exp)
1693034 Coronet, 13HP Hydro
1693036 Coronet, 13HP Hydro (Exp)
1693042 411G, 11HP Gear
1693044 413H, 12HP Hydro
1693048 2411G, 11HP Gear

10
TP 400-2035-00-CO-SMA
© Copyright 1999 Simplicity Manufacturing, Inc. All Rights Reserved.
Frame & Fuel System - Later 11HP Gear, 12HP Hydro, & 13HP Hydro
NOTE: Unless noted otherwise,
use the standard hardware torque
specification chart.
The above parts group applies to the following Mfg. Nos.:
1692748 Coronet, 11HP Gear
1692750 Coronet, 13HP Hydo
1692819 411G, 11HP Gear
1692821 412H, 12HP Hydro
1692823 2411G, 11HP Gear
1693030 Coronet, 11HP Gear
1693032 Coronet, 11HP Gear (Exp)
1693034 Coronet, 13HP Hydro
1693036 Coronet, 13HP Hydro (Exp)
1693042 411G, 11HP Gear
1693044 413H, 12HP Hydro
1693048 2411G, 11HP Gear
42
3
4
5
4
78
9
10
11
12
13
14
15
16
17
16
18
19
20
21
22
19
23
24
25
26
27
54
1
4
28
29 30
6
1
31
32
33
34
12
37
36
40
42
43
37
36
44
39
45
4646
46
46
49 50 51
52
39
35
41
38
53
54
47, 48

11
TP 400-2035-00-CO-SMA
Frame & Fuel System - Later 11HP Gear, 12HP Hydro, & 13HP Hydro
44 1667286 1 SPRING, Extension
45 1715953 1 SUPPORT, Seat (1693030, 1693032, 1693042 Only)
45 1718945 1 SUPPORT, Seat (All Except 1693030, 1693032, 1693042)
46 1708511 4 SPACER
47 1713839 1 SEAT ASSY.
48 1714482 1 COVER, Seat, Black
49 1686638 1 DECK, Seat, Orange
49 1714625 1 DECK, Seat, Red
50 1673320 3 RIVET
51 1708504 1 SCREEN, Seat Deck Top
52 1960295 8 SCREW, Hex Whiz Lock
53 1930642 8 NUT, Flange, 1/4-20
54 1919381 5 WASHER, 5/16
REF NO. PART NO. QTY. DESCRIPTION
The above parts group applies to the following Mfg. Nos.:
1692748 Coronet, 11HP Gear
1692750 Coronet, 13HP Hydo
1692819 411G, 11HP Gear
1692821 412H, 12HP Hydro
1692823 2411G, 11HP Gear
1693030 Coronet, 11HP Gear
1693032 Coronet, 11HP Gear (Exp)
1693034 Coronet, 13HP Hydro
1693036 Coronet, 13HP Hydro (Exp)
1693042 411G, 11HP Gear
1693044 413H, 12HP Hydro
1693048 2411G, 11HP Gear

12
TP 400-2035-00-CO-SMA
© Copyright 1999 Simplicity Manufacturing, Inc. All Rights Reserved.
Frame & Fuel System - 14HP Hydro
NOTE: Unless noted otherwise,
use the standard hardware torque
specification chart.
The above parts group applies to the following Mfg. Nos.:
1693038 Coronet, 14HP Hydro
1693040 Coronet, 14HP Hydro (Exp)
1693046 414H, 14HP Hydro
1693050 2414H, 14HP Hydro
2
3
4
5
4
78
9
10
11
12
13
14
15
16
17
16
18
19
20
21
22
19
23
24
25
26
27
4
1
4
28
29 30
6
1
32
12
37
36
40
42
43
37
36
44
39
38
45
4646
46
46
49 50 51
52
3741
39
35
53
55
54
56
34
33 31
47, 48

13
TP 400-2035-00-CO-SMA
Frame & Fuel System - 14HP Hydro
1 1921333 2 CAPSCREW, Hex Hd., 5/16-18 x 1
2 1925003 6 SCREW, Hex Hd., Taptite, 1/4-20 x 1/2
3 1715962 1 SHROUD, Rear
4 1931277 7 NUT, Hex, Flange, Whizlock, 5/16-18
5 1708363 1 SUPPORT, Fuel Tank
6 1931333 1 CARRIAGE BOLT, 5/16-18 x 3/4
7 1708362 1 STRAP, Fuel Tank, Brace
8 1714020 1 CAP, Fuel Tank, Vented
9 1707950 1 TANK, Fuel
10 1710437 1 SPACER, 21/64 x 1/2 x 21/64
11 1924940 1 WASHER, Plain, 13/32 x 7/8 x 5/64
12 1931202 3 SCREW
13 1654930 1 BUSHING, Rubber
14 1674231 1 ELBOW
15 1960112 2 CLAMP, Hose
16 1718678 1 HOSE
17 173206 1 FILTER, Fuel
18 1933988 2 PAL NUT, 5/16
19 1930591 8 CAPSCREW, Hex Hd., Whizlock, 5/16-18 x 3/4
20 1708525 1 PAD, Foot Rest, LH
21 176440 4 BUSHING
22 1660007 1 FRAME ASSY. (Incl. Ref. No. 2)
23 1708524 1 PAD, Foot Rest, RH
24 1704351 14 FASTENER
25 1718376 1 PANEL, Front
26 1935255 4 PAL NUT, 5/16-18
27 1717666 1 SUPPORT, “U”, Seat
28 1715970 2 BUMPER, Rubber
29 1923341 1 CAPSCREW, 1/4-20 x 3/4
30 1714078 1 DUCT, Air Inlet
31 1704626 2 SPACER
32 1705249 2 SPACER
33 1704628 2 PIN, Quick
34 1705248 2 PIVOT, Hood
35 921133 2 FITTING, Lube
36 1919381 4 WASHER, 5/16
37 1930591 2 CAPSCREW, Hex Hd., Whizlock, 5/16-18 x 3/4
38 1917372 1 NUT, 5/16-18
39 1921977 2 CAPSCREW, Hex Hd., 5/16-18
40 1703900 1 SPACER
41 1917356 1 LOCKWASHER, Spring
42 1708881 1 CAP, Black, Vinyl
43 1708509 1 ADJUSTER, Seat
44 1667286 1 SPRING, Extension
45 1718945 1 SUPPORT, Seat
REF NO. PART NO. QTY. DESCRIPTION
The above parts group applies to the following Mfg. Nos.:
1693038 Coronet, 14HP Hydro
1693040 Coronet, 14HP Hydro (Exp)
1693046 414H, 14HP Hydro
1693050 2414H, 14HP Hydro

14
TP 400-2035-00-CO-SMA
© Copyright 1999 Simplicity Manufacturing, Inc. All Rights Reserved.
Frame & Fuel System - 14HP Hydro
NOTE: Unless noted otherwise,
use the standard hardware torque
specification chart.
The above parts group applies to the following Mfg. Nos.:
1693038 Coronet, 14HP Hydro
1693040 Coronet, 14HP Hydro (Exp)
1693046 414H, 14HP Hydro
1693050 2414H, 14HP Hydro
2
3
4
5
4
78
9
10
11
12
13
14
15
16
17
16
18
19
20
21
22
19
23
24
25
26
27
4
1
4
28
29 30
6
1
32
12
37
36
40
42
43
37
36
44
39
38
45
4646
46
46
49 50 51
52
3741
39
35
53
55
54
56
34
33 31
47, 48

15
TP 400-2035-00-CO-SMA
Frame & Fuel System - 14HP Hydro
46 1708511 4 SPACER
47 1713839 1 SEAT ASSY.
48 1714482 1 COVER, Seat, Black
49 1686638 1 DECK, Seat, Orange (ALL Except 1693050)
49 1714625 1 DECK, Seat, Red (1693050 Only)
50 1673320 3 RIVET
51 1708504 1 SCREEN, Top, Seat Deck
52 1960295 8 SCREW, Hex Whiz Lock
53 1930642 9 NUT, Flange, 1/4-20
54 1922127 1 CAPSCREW
55 1673796 1 SPACER
56 960208 2 WASHER, 1”
REF NO. PART NO. QTY. DESCRIPTION
The above parts group applies to the following Mfg. Nos.:
1693038 Coronet, 14HP Hydro
1693040 Coronet, 14HP Hydro (Exp)
1693046 414H, 14HP Hydro
1693050 2414H, 14HP Hydro

16
TP 400-2035-00-CO-SMA
© Copyright 1999 Simplicity Manufacturing, Inc. All Rights Reserved.
Front Column & Dash
NOTE: Unless noted otherwise,
use the standard hardware torque
specification chart.
The above parts group applies to the following Mfg. Nos.:
1692748 Coronet, 11HP Gear
1692750 Coronet, 13HP Hydo
1692819 411G, 11HP Gear
1692821 412H, 12HP Hydro
1692823 2411G, 11HP Gear
1693030 Coronet, 11HP Gear
1693032 Coronet, 11HP Gear (Exp)
1693034 Coronet, 13HP Hydro
1693036 Coronet, 13HP Hydro (Exp)
1693038 Coronet, 14HP Hydro
1693040 Coronet, 14HP Hydro (Exp)
1693042 411G, 11HP Gear
1693044 413H, 12HP Hydro
1693046 414H, 14HP Hydro
1693048 2411H, 11HP Gear
1693050 2414H, 14HP Hydro
1
2
3
4
5
6
7
8
9
10
11
12
13
14
15
16
17
18
19
20
21
22
23
24
25
26
29
30
31
32
33
34
40
36
38
37 39
41
42
48
43
44
45
46
47
41
40
29
37
36
6
23
9
27, 28
35

17
TP 400-2035-00-CO-SMA
Front Column & Dash
1 1713841 1 STEERING WHEEL ASSY. (Incl. Ref. Nos. 26 & 50)
2 1960540 1 ROLL PIN, .188 x 1
3 1678381 1 TUBE, Steering
4 916001 1 PIN
5 1960160 3 WASHER, Plain, 49/64 x 1-1/16 x 5/64
6 176440 2 BUSHING
7 1709229 1 TUBE ASSY., Shift
8 1960170 1 WASHER, Plain
9 1704428 2 BUSHING
10 1924361 1 WASHER, Plain, 17/32 x 1-1/4 x 7/64
11 1707424 1 SPRING, Torsion
12 1918447 2 COTTER PIN
13 1707375 1 ROD, Shift
14 1713843 1 KNOB, Rod, Shift
15 1960114 1 WASHER, Plain, 11/32 x 1 x 1/8
16 1706014 1 SHAFT ASSY., Steering
17 173668 1 WASHER, Plain
18 1931350 2 CARRIAGE BOLT, 3/8-16 x 1
19 1703508 1 PLATE, Steering Mounting
20 1928352 2 NUT, Hex, 3/8-16
21 1921221 1 CAPSCREW, Hex Hd., 5/16-18 x 1-1/2
22 1960339 1 NUT, Hex, Flange Lock, 3/8-16
23 1924356 3 WASHER, 13/32 x 1-1/2 x 1/8
24 1708426 1 GEAR, Steering
25 1666332 1 SPACER
26 1923701 1 CAPSCREW, Hex” Hd., 3/8-16 x 2
27 1714081 1 DASH, Hydro
28 1714082 1 DASH, Gear
29 1925592 3 SCREW, Hex, Flange, Taptite, 1/4-20 x 3/4
30 1713855 1 KNOB, Rod, Parking Brake
31 1707057 1 ROD, Parking Brake
32 1933988 2 PUSH NUT, 5/16
33 1931277 2 NUT, Hex, Flange, Whizlock, 5/16-18
34 1708965 1 QUADRANT, Lift
35 1925003 3 SCREW, Hex, Flange, Taptite, 1/4-20 x 1/2
36 1709075 2 CLAMP
37 1921319 2 WASHER, Plain, 1/4
38 1924009 2 CAPSCREW, Hex, 1/4-20 x 7/8
39 1930642 1 NUT, Hex, Flange, 1/4-20
40 1678392 3 SPACER, 17/64 x 3/8 x 21/64
41 1930591 6 SCREW, Hex, Whizlock, 5/16-18 x 3/4
42 1708990 1 SUPPORT, Steering
43 1708267 1 SHROUD, Front (Orange)
44 1935255 4 PAL NUT, 5/16-18
45 1708971 1 ROD, Lift Height
REF NO. PART NO. QTY. DESCRIPTION
The above parts group applies to the following Mfg. Nos.:
1692748 Coronet, 11HP Gear
1692750 Coronet, 13HP Hydo
1692819 411G, 11HP Gear
1692821 412H, 12HP Hydro
1692823 2411G, 11HP Gear
1693030 Coronet, 11HP Gear
1693032 Coronet, 11HP Gear (Exp)
1693034 Coronet, 13HP Hydro
1693036 Coronet, 13HP Hydro (Exp)
1693038 Coronet, 14HP Hydro
1693040 Coronet, 14HP Hydro (Exp)
1693042 411G, 11HP Gear
1693044 413H, 12HP Hydro
1693046 414H, 14HP Hydro
1693048 2411H, 11HP Gear
1693050 2414H, 14HP Hydro

18
TP 400-2035-00-CO-SMA
© Copyright 1999 Simplicity Manufacturing, Inc. All Rights Reserved.
Front Column & Dash
NOTE: Unless noted otherwise,
use the standard hardware torque
specification chart.
The above parts group applies to the following Mfg. Nos.:
1692748 Coronet, 11HP Gear
1692750 Coronet, 13HP Hydo
1692819 411G, 11HP Gear
1692821 412H, 12HP Hydro
1692823 2411G, 11HP Gear
1693030 Coronet, 11HP Gear
1693032 Coronet, 11HP Gear (Exp)
1693034 Coronet, 13HP Hydro
1693036 Coronet, 13HP Hydro (Exp)
1693038 Coronet, 14HP Hydro
1693040 Coronet, 14HP Hydro (Exp)
1693042 411G, 11HP Gear
1693044 413H, 12HP Hydro
1693046 414H, 14HP Hydro
1693048 2411H, 11HP Gear
1693050 2414H, 14HP Hydro
1
2
3
4
5
6
7
8
9
10
11
12
13
14
15
16
17
18
19
20
21
22
23
24
25
26
29
30
31
32
33
34
40
36
38
37 39
41
42
48
43
44
45
46
47
41
40
29
37
36
6
23
9
27, 28
35

19
TP 400-2035-00-CO-SMA
Front Column & Dash
46 1917421 2 NUT, Hex, Jam, 1/4-20
47 1713857 1 KNOB, Rod, Lift Height
48 1930641 2 NUT, Hex, Flange, Whizlock, 1/4-20
REF NO. PART NO. QTY. DESCRIPTION
The above parts group applies to the following Mfg. Nos.:
1692748 Coronet, 11HP Gear
1692750 Coronet, 13HP Hydo
1692819 411G, 11HP Gear
1692821 412H, 12HP Hydro
1692823 2411G, 11HP Gear
1693030 Coronet, 11HP Gear
1693032 Coronet, 11HP Gear (Exp)
1693034 Coronet, 13HP Hydro
1693036 Coronet, 13HP Hydro (Exp)
1693038 Coronet, 14HP Hydro
1693040 Coronet, 14HP Hydro (Exp)
1693042 411G, 11HP Gear
1693044 413H, 12HP Hydro
1693046 414H, 14HP Hydro
1693048 2411H, 11HP Gear
1693050 2414H, 14HP Hydro

20
TP 400-2035-00-CO-SMA
© Copyright 1999 Simplicity Manufacturing, Inc. All Rights Reserved.
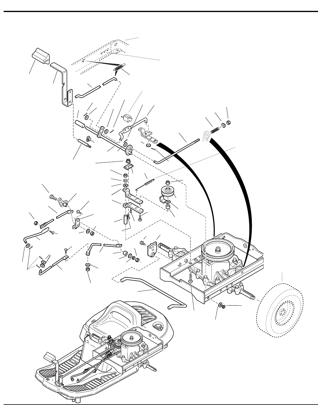
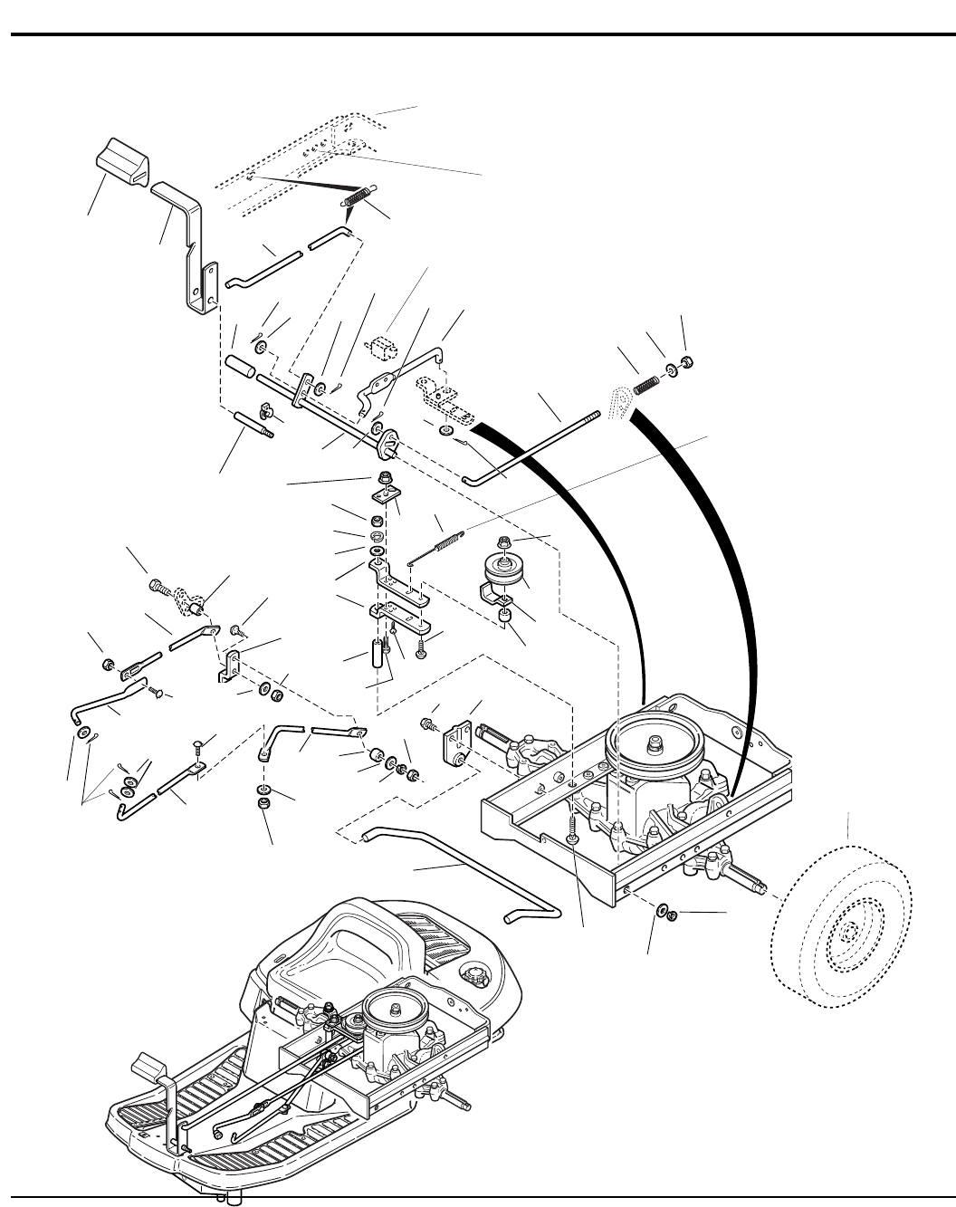
Engine Group - Briggs & Stratton Models
NOTE: Unless noted otherwise,
use the standard hardware torque
specification chart.
The above parts group applies to the following Mfg. Nos.:
1692748 Coronet, 11HP Gear
1692750 Coronet, 13HP Hydo
1692819 411G, 11HP Gear
1692821 412H, 12HP Hydro
1692823 2411G, 11HP Gear
1693030 Coronet, 11HP Gear
1693032 Coronet, 11HP Gear (Exp)
1693034 Coronet, 13HP Hydro
1693036 Coronet, 13HP Hydro (Exp)
1693042 411G, 11HP Gear
1693044 413H, 12HP Hydro
1693048 2411G, 11HP Gear
1
234
5
6
7
8
9
10
11
12
14
3
3
15
11
12
14
3
16
17
2424
20
21
23
22
27 3
25
26
28
29
3
4
2
9 31
17
3
2
30
32
33
34
5
35
36
37
2
13
18
19
Torque (4) engine
mounting bolts ref#
15, 17, & 24
to 28-34 ft. lbs.
Torque capscrew
ref# 22 to 45-50 ft. lbs.

21
TP 400-2035-00-CO-SMA
Engine Group - Briggs & Stratton Models
REF NO. PART NO. QTY. DESCRIPTION
The above parts group applies to the following Mfg. Nos.:
1692748 Coronet, 11HP Gear
1692750 Coronet, 13HP Hydo
1692819 411G, 11HP Gear
1692821 412H, 12HP Hydro
1692823 2411G, 11HP Gear
1693030 Coronet, 11HP Gear
1693032 Coronet, 11HP Gear (Exp)
1693034 Coronet, 13HP Hydro
1693036 Coronet, 13HP Hydro (Exp)
1693042 411G, 11HP Gear
1693044 413H, 12HP Hydro
1693048 2411G, 11HP Gear
1 1923735 4 SCREW, Self-Tapping, #10-16 x 3/8
2 1919326 4 WASHER, .34
3 1917356 8 LOCKWASHER, 5/16
4 1917372 2 NUT, Hex, 5/16-18
5 1924856 2 SCREW, Hex, Taptite, 5/16-18 x 1/2
6 1708420 1 DUCT, R.H., Top
7 1921332 1 CAPSCREW, 5/16-18 x 3/4
8 1709055 1 SEAL, Air Inlet
9 1931277 3 NUT, Flange, Whiz-Lock, 5/16-18
10 1708405 1 VALVE, Shut-Off
11 1933263 2 WASHER, Plain
12 1704419 2 BELT STOP, (Hydro Models)
12 1704419 1 BELT STOP, Rear (Gear Models)
13 158499 1 BELT STOP, Front (Gear Models)
14 1922755 2 WASHER, Plain, 3/8
15 960361 1 SCREW, Taptite, 3/8-16 x 2
16 1935255 1 NUT, Speed, 5/16-18
17 1933689 1 SCREW, Hex, Whiz-Lock, Flange, 5/16-18 x 1-1/2
18 171241 1 KEY (All Models)
19 1706450 1 PULLEY, Engine (Gear Models)
19 1709218 1 PULLEY, Engine (Hydro Models)
20 1708537 1 SLEEVE, Clutch Anchor
21 1708536 1 CLUTCH, Electric
22 1960370 1 CAPSCREW, 7/16-20 x 2-1/2
23 1918199 1 LOCKWASHER, 7/16
24 1930598 2 SCREW, Taptite, 3/8-16 x 1-1/2
25 1650670 1 GASKET, Muffler
26 1708421 1 PIPE, Exhaust
27 1936228 2 SCREW, Socket Hd., 5/16-18 x 3/4
28 1960483 1 CARRIAGE BOLT, 5/16-18 x 3-1/4
29 1676183 1 CLAMP, Muffler
30 157081 1 SPACER
31 1708715 1 SUPPORT, Muffler
32 1935255 1 SPEED NUT, 5/16-18
33 1708416 1 MUFFLER ASSY.
34 1708581 1 DUCT, L.H.
35 1713846 1 KNOB, Throttle
36 1714040 1 THROTTLE CONTROL ASSY.
37 1960536 2 SCREW, Plastite, 1/4-10 x 1/2
38 1708442 1 STOP, Throttle (Not Pictured, Export Models Only)

22
TP 400-2035-00-CO-SMA
© Copyright 1999 Simplicity Manufacturing, Inc. All Rights Reserved.
Engine Group - Kohler Models
NOTE: Unless noted otherwise,
use the standard hardware torque
specification chart.
The above parts group applies to the following Mfg. Nos.:
1693038 14HP Coronet Hydro 1693040 14HP Coronet Hydro (Exp) 1693046 14HP 414 Hydro 1693050 14HP 2414 Hydro
Front Engine
Bolts
Rear Engine
Bolts
1
2
3
4
5
6
7
8
9
10
11
12
13
14
15
16
17
18
19
20
21
22
23
24
25
26
27
28
29 30
31
32
33
34
35
20
9
19 24
24
19
9
10
9
8
11
30
8
9
12
Supplied with
Engine
Torque Capscrew
ref# 15 to 45-55 ft. lbs.

23
TP 400-2035-00-CO-SMA
Engine Group - Kohler Models
REF NO. PART NO. QTY. DESCRIPTION
The above parts group applies to the following Mfg. Nos.:
1693038 14HP Coronet Hydro 1693040 14HP Coronet Hydro (Exp) 1693046 14HP 414 Hydro 1693050 14HP 2414 Hydro
1 * 1 ENGINE ASSEMBLY, 14 HP Kohler
2 1714065 1 THROTTLE CONTROL ASSEMBLY
3 1713846 1 KNOB, Throttle
4 1960536 2 SCREW, Plastite, 1/4-10 x 1/2
5 1709055 1 SEAL, Air Inlet
6 1708725 1 AIR DUCT
7 1708405 1 VALVE, Shut Off
8 1919381 3 WASHER, Plain, 5/16
9 1917356 5 LOCKWASHER, 5/16
10 1960405 2 SCREW, Hex, #8 - 1.25 x 30mm
11 1933263 2 WASHER, Plain
12 1950021 2 CAPSCREW, Hex Hd., M08 - 1.25 x 40mm
13 1708536 1 CLUTCH, Electric
14 1918199 1 LOCKWASHER, 7/16
15 1960370 1 CAPSCREW, Hex, 7/16-20 x 2-1/2
16 1713502 1 PIPE, Exhaust
17 1676183 1 CLAMP, Muffler
18 1960483 1 CARRIAGE BOLT, 5/16-18 x 3-1/4
19 1919326 4 WASHER, 5/16
20 1917372 2 NUT, Hex, 5/16-18
21 1935255 1 NUT, Speed, 5/16-18
22 1708416 1 MUFFLER ASSEM.
23 1713557 1 SUPPORT, Muffler
24 1924856 3 SCREW, Hex, Taptite, 5/16-18 x 1/2
25 1716080 1 AIR DUCT, Bottom
26 1716024 1 SHIELD, Muffler
27 1923735 4 SCREW, Hex, Thd. Form, #10-16 x 3/8
28 1924874 1 WASHER, Plain, 5/16
29 1923300 1 LOCKWASHER, Internal Tooth, 5/16
30 1704419 2 BELT STOP (Hydro Models)
30 1704419 1 BELT STOP, Rear (Gear Models)
31 158499 1 BELT STOP, Front (Gear Models)
32 171241 1 KEY (All Models)
33 1706450 1 PULLEY, Engine (Gear Models)
33 1709218 1 PULLEY, Engine (Hydro Models)
34 1708537 1 SLEEVE, Clutch Anchor
35 1921333 1 CAPSCREW, Hex Hd 5/16-18 x 1

24
TP 400-2035-00-CO-SMA
© Copyright 1999 Simplicity Manufacturing, Inc. All Rights Reserved.
Electrical Group - Briggs & Stratton Models
NOTE: Unless noted otherwise,
use the standard hardware torque
specification chart.
The above parts group applies to the following Mfg. Nos.:
1692748 Coronet, 11HP Gear
1692750 Coronet, 13HP Hydo
1692819 411G, 11HP Gear
1692821 412H, 12HP Hydro
1692823 2411G, 11HP Gear
1693030 Coronet, 11HP Gear
1693032 Coronet, 11HP Gear (Exp)
1693034 Coronet, 13HP Hydro
1693036 Coronet, 13HP Hydro (Exp)
1693042 411G, 11HP Gear
1693044 413H, 12HP Hydro
1693048 2411G, 11HP Gear
1
2
3
4
5
6
7
8
9
10
11
12
13
14
15
16
17
18
19
20
21
22
23
24 25
26
27
28
29 30
31
32
33
34
35 36 37
38
39
40
41
42
43
44
45 46
47
42
40
40
40
To Fuel
Tank Strap
To Fuel
Tank Strap
To Clutch
Hydro Units Only
Gear Units Only
1692748, 1692750,
1692819, 1692821,
1692823 Only
1693030, 1693032,
1693034, 1693036,
1693042, 1693044,
1693048 Only

25
TP 400-2035-00-CO-SMA
Electrical Group - Briggs & Stratton Models
1 1715956 1 CLIP
2 1708644 1 WIRE ASSY., Neutral Switch (Gear Models)
3 1704873 2 CLAMP, Wire (1692748, 1692750, 1692819, 1692821, & 1692823 Only)
3 1704873 1 CLIP
4 1676648 1 GROMMET
5 1929477 2 SCREW, Taptite, #10-20 x 5/8 (Gear Models)
6 1708558 1 SWITCH, Neutral (Gear Models)
7 1709250 1 WIRE ASSY, Neutral Switch (Hydro Models)
8 1701580 1 SWITCH, Neutral Start (Hydro Models)
9 1713637 1 ADAPTOR PLUG, Engine (Hydro Models)
10 122023 3 COVER, Terminal
11 1920263 2 NUT, Hex, 5/16-24
12 1917356 2 LOCKWASHER, 5/16
13 1709088 1 CABLE, Solenoid to Starter
14 1685290 1 SOLENOID
15 1665237 1 WIRE ASSY.
16 1713642 1 MODULE, Interlock
17 1665238 1 CIRCUIT BREAKER
18 1925003 2 SCREW, Hex, Flange, Taptite, 1/4-20 x 1/2
19 1667805 1 BRACE, Battery
20 1665872 1 STRAP, Battery
21 1685215 1 BATTERY
22 1612103 1 TUBE, Vent
23 1704581 1 VENT CAP, Battery
24 1923341 2 CAPSCREW, Hex Hd., 1/4-20 x 3/4
25 1921319 2 WASHER, Plain
26 1920427 1 LOCKWASHER, External Tooth, 3/8
27 1916950 1 NUT, Hex, 3/8-16
28 1713163 1 CABLE, Battery, Ground
29 1916964 2 LOCKWASHER, 1/4
30 1916622 2 NUT, Hex, 1/4-20
31 1709086 1 BOOT, Insulator
32 1603618 1 CABLE, Battery to Solenoid
33 1708882 1 WIRE ASSY., PTO Clutch
34 1714054 2 KEY, Ignition
35 1714055 1 ADAPTER, Nut
36 1960547 1 WASHER, Internal Tooth, 5/8
37 1686637 1 SWITCH, Ignition (Including Ref 34 & 36)
38 1716332 1 SWITCH, PTO, Electric Clutch
39 1713499 1 WIRING HARNESS
40 1701011 4 TIE, Self-Locking
41 1919438 2 NUT, Hex, Nylon Lock, 5/16-18 (1692748, 1692750, 1692819, 1692821, &
1692823 Only)
42 1704379 1 SWITCH, Seat (1692748, 1692750, 1692819, 1692821, & 1692823 Only)
42 1714320 1 SWITCH, Seat (1693030, 1693032, 1693034, 1693036, 1693042, 1693044,
1693048 Only)
43 153010 2 SPRING
44 161176 2 SPRING
45 1924940 2 WASHER, Flat, 13/32 x 7/8 x 5/64
46 1922127 2 CAPSCREW, Hex Hd., 5/16-18 x 1-3/4
47 1708552 1 PLATE, Seat Actuator
REF NO. PART NO. QTY. DESCRIPTION
The above parts group applies to the following Mfg. Nos.:
1692748 Coronet, 11HP Gear
1692750 Coronet, 13HP Hydo
1692819 411G, 11HP Gear
1692821 412H, 12HP Hydro
1692823 2411G, 11HP Gear
1693030 Coronet, 11HP Gear
1693032 Coronet, 11HP Gear (Exp)
1693034 Coronet, 13HP Hydro
1693036 Coronet, 13HP Hydro (Exp)
1693042 411G, 11HP Gear
1693044 413H, 12HP Hydro
1693048 2411G, 11HP Gear

26
TP 400-2035-00-CO-SMA
© Copyright 1999 Simplicity Manufacturing, Inc. All Rights Reserved.
Electrical Group - Kohler Models
The above parts group applies to the following Mfg. Nos.:
1693038 14HP Coronet Hydro 1693040 14HP Coronet Hydro (Exp) 1693046 14HP 414 Hydro 1693050 14HP 2414 Hydro
NOTE: Unless noted otherwise,
use the standard hardware torque
specification chart.
12
3
4
5
6
7
8
9
10
11
12
10
13
14
15
16
17
18
19
20
21
22
23
24 25
26
27
28
29
30
31
28
33
34
35
36 37
38 39
Gear Units Only
Hydro Units Only
To ClutchTo Clutch
10
12
11
39
39
39
To Fuel
Tank Strap
To Fuel
Tank Strap
32

27
TP 400-2035-00-CO-SMA
Electrical Group - Kohler Models
1 1715955 1 HARNESS, Wiring
2 1708644 1 WIRE ASSY., Neutral Switch (Gear Models)
3 1715956 1 CLIP
4 1676648 1 GROMMET
5 1929477 2 SCREW, Taptite, #10-20 x 5/8 (Gear Models)
6 1718537 1 SWITCH, Neutral Start, N. O., (Gear Models)
7 1709250 1 WIRE ASSY, Neutral Switch (Hydro Models)
8 1701580 1 SWITCH, Neutral (Hydro Models)
9 1713637 1 ADAPTOR, Engine
10 122023 3 COVER, Terminal
11 1920263 2 NUT, Hex, 5/16-24
12 1917356 2 LOCKWASHER, 5/16
13 1709088 1 CABLE, Solenoid to Starter
14 1685290 1 SOLENOID
15 1665237 1 WIRE ASSY.
16 1713642 1 MODULE, Interlock
17 1665238 1 CIRCUIT BREAKER
18 1925003 2 SCREW, Hex, Flange, Taptite, 1/4-20 x 1/2
19 1667805 1 BRACE, Battery
20 1665872 1 STRAP, Battery
21 1685215 1 BATTERY
22 1612103 1 TUBE, Vent
23 1704581 1 VENT CAP, Battery
24 1923341 2 CAPSCREW, Hex Hd., 1/4-20 x 3/4
25 1921319 2 WASHER, Plain
26 1920427 1 LOCKWASHER, External Tooth, 3/8
27 1916950 1 NUT, Hex, 3/8-16
28 1707056 2 CABLE, Battery
29 1916964 2 LOCKWASHER, 1/4
30 1916622 2 NUT, 1/4-20
31 1709086 1 BOOT, Insulator
32 1714320 1 SWITCH, Seat
33 1708882 1 WIRE ASSY., PTO Clutch
34 1717163 2 KEY, Ignition
35 1717550 1 COVER, Key Switch
36 1717549 1 NUT, Hex, Key Switch
37 1716061 1 SWITCH, Ignition, 6-Pole
38 1716332 1 SWITCH, PTO, Electric Clutch
39 1701011 4 TIE, Self-Locking
REF NO. PART NO. QTY. DESCRIPTION
The above parts group applies to the following Mfg. Nos.:
1693038 14HP Coronet Hydro 1693040 14HP Coronet Hydro (Exp) 1693046 14HP 414 Hydro 1693050 14HP 2414 Hydro

28
TP 400-2035-00-CO-SMA
© Copyright 1999 Simplicity Manufacturing, Inc. All Rights Reserved.
Transmission & Carrier - Gear Models
NOTE: Unless noted otherwise,
use the standard hardware torque
specification chart.
The above parts group applies to the following Mfg. Nos.:
1692748 Coronet, 11HP Gear
1692819 411G, 11HP Gear
1692823 2411G, 11HP Gear
1693030 Coronet, 11HP Gear
1693032 Coronet, 11HP Gear (Exp)
1693042 411G, 11HP Gear
1693048 2411G, 11HP Gear
1
2
3
4
5
6
7
8
9
10
11
12
13
14
15
16
17
18
19
20
21
22
23
24
25
26
27
21
28
29
30
31
32
33
34
35
36
37
Hook spring here
Ref. No 18
Torque 50 - 84 ft. lbs.
33
8

29
TP 400-2035-00-CO-SMA
Transmission & Carrier - Gear Models
REF NO. PART NO. QTY. DESCRIPTION
Footnotes:
* Service Parts are listed on pages 32-35, obtain from your authorized Peerless/Tecumseh Distributer
The above parts group applies to the following Mfg. Nos.:
1692748 Coronet, 11HP Gear
1692819 411G, 11HP Gear
1692823 2411G, 11HP Gear
1693030 Coronet, 11HP Gear
1693032 Coronet, 11HP Gear (Exp)
1693042 411G, 11HP Gear
1693048 2411G, 11HP Gear
1 1707589 1 BELT STOP
2 1922755 1 WASHER, Plain, 13/32 x 1 x 1/8
3 1921971 1 CAPSCREW, Hex Hd., 3/8-16 x 1-3/4
4 1717321 1 GUIDE, Belt, Transmission
5 1935048 1 NUT, Hex FLG LK 2 -wax 5/16 x 18
6 1719725 1 BUSHING, Rear
7 1930644 2 NUT, Hex, Flange Lock, 1/2 x 13
8 1931334 2 CARRIAGE BOLT, 5/16-18 x 5/8
9 1709232 1 CARRIER ASSY
10 1713742 1 STRAP, Torque
11 1919381 1 WASHER, Plain, 5/16
12 1921333 1 SCREW, Hex, Flange, Whizlock, 5/16-18 x 3/4
13 1919384 1 WASHER, Plain, 7/16 x 1-1/4 x 1/8
14 1928635 2 SCREW, Hex Hd., Taptite, 3/8-18 x 5/8
15 1927557 3 NUT, Hex, Flange, Whizlock, 5/16-18
16 1709216 1 STRAP, Torque
17 1924940 1 WASHER, Plain, 13/32 x 7/8 x 5/64
18 159106 1 SPRING, Return
19 960478 4 SCREW, Hex Hd., 5/16-18 x 2-1/4
20 * 1 TRANSMISSION, 5-Speed (Gear - Peerless)
21 905123 1 KEY, Woodruff, #9
22 927103 1 RING, Retaining
23 1706454 1 PULLEY ASSY., Driven, Transmission
24 1676460 1 V-BELT
25 1706450 1 PULLEY ASSY., Drive, Engine
26 158499 1 BELT STOP
27 1704419 1 BELT STOP
28 1960020 1 WASHER, Plain, 21/32 x 1-1/4 x 1/16
29 1708537 1 SWITCH, Ball N.O.
30 122023 1 COVER, Terminal
31 918454 1 PIN, Cotter 1/8 x 1-1/2
32 960604 1 NUT, Hex Hd., 1/2 x 20
33 1654565 2 WASHER, Belleville 1/2
34 1719683 1 BUSHING, Front
35 1719682 1 CAPSCREW, Hex Hd., 1/2-20 x 1-3/4
36 1921176 2 CAPSCREW, Hex Hd., 1/2-13 x 1-1/4
37 1924361 1 WASHER

30
TP 400-2035-00-CO-SMA
© Copyright 1999 Simplicity Manufacturing, Inc. All Rights Reserved.
Transmission Controls - Gear Models
NOTE: Unless noted otherwise,
use the standard hardware torque
specification chart.
The above parts group applies to the following Mfg. Nos.:
1692748 Coronet, 11HP Gear
1692819 411G, 11HP Gear
1692823 2411G, 11HP Gear
1693030 Coronet, 11HP Gear
1693032 Coronet, 11HP Gear (Exp)
1693042 411G, 11HP Gear
1693048 2411G, 11HP Gear

31
TP 400-2035-00-CO-SMA
Transmission Controls - Gear Models
REF NO. PART NO. QTY. DESCRIPTION
The above parts group applies to the following Mfg. Nos.:
1692748 Coronet, 11HP Gear
1692819 411G, 11HP Gear
1692823 2411G, 11HP Gear
1693030 Coronet, 11HP Gear
1693032 Coronet, 11HP Gear (Exp)
1693042 411G, 11HP Gear
1693048 2411G, 11HP Gear
1 159106 1 SPRING, Return
2 1919326 4 WASHER, Plain
3 1918447 6 COTTER PIN, 3/32 x 3/4
4 1716035 1 ROD, Clutch, Rear
5 1706256 1 ROD, Brake
6 1709097 1 SPRING, Compression
7 1960044 1 WASHER, 5/16 x 1-1/4 x 1/16
8 1919438 2 NUT, Hex, Nylon Lock, 5/16-18
9 1924359 2 WASHER
10 1707209 1 ROD, Shift, Front
11 1960223 1 CARRIAGE BOLT, 5/16-18 X 1-1/4
12 1710437 2 SPACER
13 1919381 3 WASHER, Plain, 5/16
14 1707210 1 BAR, Shift, Rear
15 1931335 1 CARRIAGE BOLT, 5/16-18 x 1
16 1922234 1 SCREW, Hex Hd., 1/4-28 x 5/8
17 1916964 1 LOCKWASHER, 1/4
18 1921319 1 WASHER, Plain, 17/64 x 5/8 x 3/64
19 1706388 1 BRACKET, Shift
20 1917356 2 LOCKWASHER, 5/16
21 1917372 2 NUT, Hex, 5/16-18
22 1703805 1 KLIPRING, 1/2
23 1924361 2 WASHER, Plain, 1/2
24 1931342 1 CARRIAGE BOLT, 5/16-18 x 2-3/4
25 1708366 1 TORSION BAR
26 1708367 2 BRACKET, Torsion Bar
27 1924856 4 SCREW, Hex Hd., Flange, Taptite, 5/16-18 x 1/2
28 1709345 1 SPACER, Pivot
29 1709221 2 CLEVIS, Idler, Bracket
30 1714062 1 SPRING, Idler
31 1921333 1 SCREW, Hex Hd., Flange, Taptite, 1/4-20 x 5/8
32 1706252 1 LEVER, Idler, Pulley
33 1668827 1 PULLEY, Idler
34 1930645 1 NUT, Hex, Flange Lock, 3/8-16
35 1709850 1 TUBE, Plastic
36 1708554 1 KLIP RING, 3/8
37 1708409 1 PIVOT, Brake
38 1706260 1 ROD, Clutch, Front
39 1709231 1 PIVOT SHAFT ASSY.
40 1706264 1 LEVER, Clutch
41 1704849 1 PAD, Pedal

32
TP 400-2035-00-CO-SMA
© Copyright 1999 Simplicity Manufacturing, Inc. All Rights Reserved.
Transmission Service Parts - Peerless 915-016D
The above parts group applies to the following Mfg. Nos.:
1692748 Coronet, 11HP Gear
1692819 411G, 11HP Gear
1692823 2411G, 11HP Gear
1693030 Coronet, 11HP Gear
1693032 Coronet, 11HP Gear (Exp)
1693042 411G, 11HP Gear
1693048 2411G, 11HP Gear
NOTE: Unless noted otherwise,
use the standard hardware torque
specification chart.
71 27 29
29
25
1
90
150
2
66
2
32
2929
12
28
69 6
4
56 57
58
59
63
61
65
161
33
34
65A
65A
54
174
11
30B
52
30
51
30
50
30
49
18
7
76
77
76
76
67
8
10
20
22
29 9
8
23
47
31
13
262616
15 14
17
14
2626
13
31 48
23
45
42A
43
42
40
41
79
39
44
37
85
38
36
38
3
85
48
3939
46

33
TP 400-2035-00-CO-SMA
Transmission Service Parts - Peerless 915-016D
REF NO. PART NO. QTY. DESCRIPTION
Footnotes:
Obtain repair parts listed on this page from your local authorized Peerless/Tecumseh Distributer
The above parts group applies to the following Mfg. Nos.:
1692748 Coronet, 11HP Gear
1692819 411G, 11HP Gear
1692823 2411G, 11HP Gear
1693030 Coronet, 11HP Gear
1693032 Coronet, 11HP Gear (Exp)
1693042 411G, 11HP Gear
1693048 2411G, 11HP Gear
1 772117 1 COVER, Transaxle
2 780086A 2 BEARING, Needle
3 770114A 1 CASE, Transaxle
4 776300 1 COUNTERSHAFT, (4-7/8” Long)
6 778281 1 GEAR, Spur (16 Teeth)
7 778278 1 GEAR, Spur (22 Teeth)
8 792160 4 SHIFT KEY
9 784373 1 COLLAR, Shifter
10 784365 1 ROD & FORK ASSY., Shift
11 778290A 1 GEAR, Bevel (44 & 16 Teeth) (Incl. Ref. No. 174)
12 778262 1 BEVEL PINION, Input
13 778368 2 GEAR, Bevel, 13 Teeth (Includes Ref. No. 14)
14 778368 2 PINION, Bevel, (Includes Ref. No. 13)
15 778260 1 RING GEAR (43 Teeth)
16 786150 1 STRIP, Bearing
17 786139 1 PIN, Drive
18 786157 1 SPACER, Neutral
20 792139 1 BALL, Steel
22 792142 1 SPRING
23 788061 2 SEAL RING
25 792073A 17 SCREW, Hex Hd., Flange, Threadforming, 1/4-20 x 1-1/4
26 792125 4 RING, Retaining, (Pkg. of 2)
27 792035 1 RING, Retaining
28 788040 1 RING, Retaining
29 780072 5 WASHER, Thrust
30 780108 3 WASHER, Thrust
30B 780178 1 WASHER, Thrust
31 780001 2 WASHER
32 792001 1 “O” RING
33 788076 1 SEAL, Square Cut
34 780159 1 BUSHING
36 790071 1 DISK, Brake
37 790007 1 PLATE, Brake Pad
38 799021 2 PAD, Brake (Pkg. of 2)
39 786026 2 PIN, Dowel
40 792076A 1 WASHER, Flat
41 790047 1 LEVER, Brake
42 792073A 1 SCREW, Hex Hd., Flange, Threadforming,1/4-20 x 1-1/4
42A 792085A 1 SCREW, Hex Hd., Flange, Threadforming, 1/4-20 x 2-1/4
43 792075 1 NUT, Lock, 5/16-24
44 790025 1 HOLDER, Brake Pad
45 786066 1 SPACER
46 786086 1 BRACKET, Brake Lever
47 774869 1 AXLE, (16-13/16” Long)
48 774688 1 AXLE, (11-5/8” Long) (Incl. Ref. No. 26, Qty. 2)

34
TP 400-2035-00-CO-SMA
© Copyright 1999 Simplicity Manufacturing, Inc. All Rights Reserved.
Transmission Service Parts - Peerless 915-016D
NOTE: Unless noted otherwise,
use the standard hardware torque
specification chart.
The above parts group applies to the following Mfg. Nos.:
1692748 Coronet, 11HP Gear
1692819 411G, 11HP Gear
1692823 2411G, 11HP Gear
1693030 Coronet, 11HP Gear
1693032 Coronet, 11HP Gear (Exp)
1693042 411G, 11HP Gear
1693048 2411G, 11HP Gear
71 27 29
29
25
1
90
150
2
66
2
32
2929
12
28
69 6
4
56 57
58
59
63
61
65
161
33
34
65A
65A
54
174
11
30B
52
30
51
30
50
30
49
18
7
76
77
76
76
67
8
10
20
22
29 9
8
23
47
31
13
262616
15 14
17
14
2626
13
31 48
23
45
42A
43
42
40
41
79
39
44
37
85
38
36
38
3
85
48
3939
46

35
TP 400-2035-00-CO-SMA
Transmission Service Parts - Peerless 915-016D
49 778125 1 GEAR, Spur (35 Teeth)
50 778250 1 GEAR, Spur (27 Teeth)
51 778122A 1 GEAR, Spur (22 Teeth)
52 778321 1 GEAR, Spur (19 Teeth)
54 778263 1 GEAR, Spur (11 Teeth)
56 778151 1 GEAR, Spur (15 Teeth)
57 778249 1 GEAR, Spur (23 Teeth)
58 778128A 1 GEAR, Spur (28 Teeth)
59 778129A 1 GEAR, Spur (30 Teeth)
61 778265 1 GEAR, Spur (34 Teeth)
63 786155A 1 SPACER
65A 780160 2 WASHER, Thrust
65 780162 1 WASHER, Thrust
66 776299 1 SHAFT, Input (3-5/16” Long)
67 776352 1 SHAFT, Brake (4 Keyed)
69 780161 1 WASHER, Thrust
71 788069 1 SEAL, Square Cut
76 780090 3 WASHER
77 788078A 1 RING, Retaining, Inverted
79 792144 1 SPRING, Brake
85 792137 2 FITTING, Lubrication
90 788067B 1 GREASE, 32 Oz. Bottle
150 510334 1 GASKET ELIMINATOR (Loctite #515)
161 776302 1 IDLER ASSY., Reverse
174 780085 1 BEARING, Needle
REF NO. PART NO. QTY. DESCRIPTION
Footnotes:
Order parts listed on this page from your local authorized Peerless/Tecumsen Distributer
The above parts group applies to the following Mfg. Nos.:
1692748 Coronet, 11HP Gear
1692819 411G, 11HP Gear
1692823 2411G, 11HP Gear
1693030 Coronet, 11HP Gear
1693032 Coronet, 11HP Gear (Exp)
1693042 411G, 11HP Gear
1693048 2411G, 11HP Gear

36
TP 400-2035-00-CO-SMA
© Copyright 1999 Simplicity Manufacturing, Inc. All Rights Reserved.
Transmission & Carrier - Hydro-Gear 311-0500 Models
NOTE: Unless noted otherwise,
use the standard hardware torque
specification chart.
The above parts group applies to the following Mfg. Nos.:
1692750 Coronet, 13HP Hydo
1692821 412H, 12HP Hydro
1693034 Coronet, 13HP Hydro
1693036 Coronet, 13HP Hydro (Exp)
1693038 Coronet, 14HP Hydro
1693040 Coronet, 14HP Hydro (Exp)
1693044 412H, 12HP Hydro
1693046 414H, 14HP Hydro
1693050 2414H, 14HP Hydro
1
2
3 4
56
7
8
9
10
11
12
13
14
15
16
17
18
19
20
21
22
23
24
25
26
27
28
29
30
31
32
33
34
6
20
19
33
3
7
Hook Spring
ref. 23 here
Attach to Boss on
R.H. Underside of
Transmission
Torque to
80-100 in. lbs.
Under Boss of
Transmission
on R.H. Side
Torque to
50-84 ft. lbs.
Torque to
360-400 in. lbs.
26

37
TP 400-2035-00-CO-SMA
Transmission & Carrier - Hydro-Gear 311-0500 Models
1 1709232 1 CARRIER ASSY.
2 1930591 1 SCREW, Hex, Whizlock, 5/16-18 x 3/4
3 1921176 2 CAPSCREW, Hex Hd., 1/2-13 x 1-1/4
4 1924361 1 WASHER, Plain, 17/32 x 1-1/4 x 5/64
5 1719725 1 BUSHING, Rear
6 1930644 2 NUT, Hex, Flange Lock, 1/2 x 13
7 1927557 2 NUT, Hex, Flange Whiz, 5/16-18
8 1709216 1 STRAP, Torque
9 1931332 1 CARRIAGE BOLT, 5/16-18 x 5/8
10 1935159 1 CAPSCREW, Hex, 5/16-18 x 2-1/4
11 1960509 1 SCREW, Taptite, #10-24 x 1-1/4
12 1960151 1 WASHER, Plain, 1/4 x 1-1/4 x 5/64
13 157127 1 SPRING
14 960210 1 WASHER, Plain, 13/32 x 1-1/4 x 1/16
15 1709271 1 LEVER, Release
16 1709901 1 SPACER
17 1920397 1 NUT, Hex, Lock, 1/4-20
18 1713441 1 STRAP, Torque
19 1919381 2 WASHER, 5/16
20 1935048 2 NUT, Flange, 2-Way Lock, 5/16-18
21 1933689 1 SCREW, Hex, Whizlock, 5/16-18 x 1-1/2
22 1686615* 1 TRANSMISSION, Hydro (HydroGear, Mod 311-0500)
23 159106 1 SPRING, Return
24 960478 4 SCREW, Taptite, 5/16-18 x 2-1/4
25 1709323 1 V-BELT
26 1704419 2 BELT STOP
27 1709218 1 PULLEY, Engine
28 171241 1 KEY
29 1709213 1 PULLEY, Transmission
30 1916966 1 LOCKWASHER, 1/2
31 1919262 1 NUT, Hex, Jam, 1/2-20
32 918454 1 COTTER PIN, 1/8 x 1-1/2
33 1654565 2 WASHER, Belleville, 1/2
34 1719683 1 BUSHING, Front
REF NO. PART NO. QTY. DESCRIPTION
Footnotes:
* Service parts are listed on pages 42-45
The above parts group applies to the following Mfg. Nos.:
1692750 Coronet, 13HP Hydo
1692821 412H, 12HP Hydro
1693034 Coronet, 13HP Hydro
1693036 Coronet, 13HP Hydro (Exp)
1693038 Coronet, 14HP Hydro
1693040 Coronet, 14HP Hydro (Exp)
1693044 412H, 12HP Hydro
1693046 414H, 14HP Hydro
1693050 2414H, 14HP Hydro

38
TP 400-2035-00-CO-SMA
© Copyright 1999 Simplicity Manufacturing, Inc. All Rights Reserved.
Transmission Controls - Hydro-Gear 311-0500 Models
NOTE: Unless noted otherwise,
use the standard hardware torque
specification chart.
The above parts group applies to the following Mfg. Nos.:
1692750 Coronet, 13HP Hydo
1692821 412H, 12HP Hydro
1693034 Coronet, 13HP Hydro
1693036 Coronet, 13HP Hydro (Exp)
1693038 Coronet, 14HP Hydro
1693040 Coronet, 14HP Hydro (Exp)
1693044 412H, 12HP Hydro
1693046 414H, 14HP Hydro
1693050 2414H, 14HP Hydro
1
2
3
4
6
7
8
910
11
12
13 14
15
16
17
18
19
20
21
22
23
24
25
26
27
28
29
30
31
32
33
34
35
36
37
38
39
40
41
42
43
44
45
46
47
48
49
50
51
52
8
7
34
8
7
8
7
5
15
24
7
23
22
See Wheels
and Tires
Group
Transmission Carrier
See Electrical Group
Connects to
Transmission
Carrier
Spring, ref# 45
connects here on
transmission carrier

39
TP 400-2035-00-CO-SMA
Transmission Controls - Hydro-Gear 311-0500 Models
1 1704849 1 PAD, Pedal
2 1706264 1 LEVER, Clutch
3 1708409 1 PIVOT, Brake
4 1708554 1 KLIP RING, 3/4
5 1709231 1 PIVOT SHAFT ASSY.
6 1709850 1 TUBE
7 1918447 6 COTTER PIN, 7/64 x 3/4
8 1919326 3 WASHER, Plain
9 1706260 1 ROD, Clutch, Front
10 159106 1 SPRING, Return
11 1709220 1 ROD, Clutch, Rear
12 1709224 1 ROD, Brake
13 1709097 1 SPRING, Compression
14 1960044 1 WASHER, 13/32 x 1-1/4 x 5/64
15 1919438 2 NUT, Hex, Lock, 5/16-18
16 1703805 1 KLIPRING, 1/2
17 1924361 1 WASHER, Plain
18 1931342 1 CARRIAGE BOLT, 5/15-18 x 2-3/4
19 1708366 1 TORSION BAR
20 1708367 2 BRACKET, Torsion Bar
21 1924856 4 SCREW, Taptite, 5/16-18 x 1/2
22 1917372 2 NUT, Hex, 5/16-18
23 1917356 2 LOCKWASHER, 5/16
24 1919381 2 WASHER, Plain, 5/16
25 1710437 1 SPACER
26 1709223 1 ROD, Control
27 1709228 1 ROD, Shift, Front
28 1924359 2 WASHER, Plain, 1/2 x 1 x 1/32
29 1924940 1 WASHER, Plain, 13/32 x 7/8 x 5/64
30 1709217 1 ROD, Return, Front
31 1931318 1 CARRIAGE BOLT, 1/4-20 x 7/8
32 1709226 1 LEVER, Control
33 1960223 1 CARRIAGE BOLT, 5/16-18 X 1-1/4
34 1930641 3 NUT, Hex, Flange Whiz, 1/4-20
35 1709244 1 ROD, Return, Rear
36 1922127 1 CAPSCREW, 5/16-18 x 1-3/4
37 1709227 1 SPACER
38 1960223 1 CARRIAGE BOLT, 5/16-18 X 1-1/4
39 1709345 1 SPACER, Pivot
40 1709221 2 CLEVIS, Idler Bracket
41 1919326 1 WASHER, Plain
42 1917356 1 LOCKWASHER, 5/16
43 1917372 1 NUT, Hex, 5/16-18
44 1709222 1 PLATE
45 1666759 1 SPRING
REF NO. PART NO. QTY. DESCRIPTION
The above parts group applies to the following Mfg. Nos.:
1692750 Coronet, 13HP Hydo
1692821 412H, 12HP Hydro
1693034 Coronet, 13HP Hydro
1693036 Coronet, 13HP Hydro (Exp)
1693038 Coronet, 14HP Hydro
1693040 Coronet, 14HP Hydro (Exp)
1693044 412H, 12HP Hydro
1693046 414H, 14HP Hydro
1693050 2414H, 14HP Hydro

40
TP 400-2035-00-CO-SMA
© Copyright 1999 Simplicity Manufacturing, Inc. All Rights Reserved.
Transmission Controls - Hydro-Gear 311-0500 Models
NOTE: Unless noted otherwise,
use the standard hardware torque
specification chart.
The above parts group applies to the following Mfg. Nos.:
1692748 Coronet, 11HP Gear
1692750 Coronet, 13HP Hydo
1692819 411G, 11HP Gear
1692821 412H, 12HP Hydro
1692823 2411G, 11HP Gear
1693030 Coronet, 11HP Gear
1693032 Coronet, 11HP Gear (Exp)
1693034 Coronet, 13HP Hydro
1693036 Coronet, 13HP Hydro (Exp)
1693038 Coronet, 14HP Hydro
1693040 Coronet, 14HP Hydro (Exp)
1693042 411G, 11HP Gear
1693044 413H, 12HP Hydro
1693046 414H, 14HP Hydro
1693048 2411H, 11HP Gear
1693050 2414H, 14HP Hydro
1
2
3
4
6
7
8
910
11
12
13 14
15
16
17
18
19
20
21
22
23
24
25
26
27
28
29
30
31
32
33
34
35
36
37
38
39
40
41
42
43
44
45
46
47
48
49
50
51
52
8
7
34
8
7
8
7
5
15
24
7
23
22
See Wheels
and Tires
Group
Transmission Carrier
See Electrical Group
Connects to
Transmission
Carrier
Spring, ref# 45
connects here on
transmission carrier

41
TP 400-2035-00-CO-SMA
Transmission Controls - Hydro-Gear 311-0500 Models
46 1960251 1 NUT, Hex, Jam, Lock, 3/8-16
47 1668827 1 PULLEY, Idler
48 1708352 1 GUARD, Spring
49 1674440 1 SPACER, 25/64 x 5/8 x 11/16
50 1931355 1 CARRIAGE BOLT, 3/8-16 x 2-/1/4
51 1927429 1 SCREW, Taptite, 1/4-20 x 5/8
52 1923341 1 CAPSCREW, Hex, 1/4-20 x 3/4
REF NO. PART NO. QTY. DESCRIPTION
The above parts group applies to the following Mfg. Nos.:
1692748 Coronet, 11HP Gear
1692750 Coronet, 13HP Hydo
1692819 411G, 11HP Gear
1692821 412H, 12HP Hydro
1692823 2411G, 11HP Gear
1693030 Coronet, 11HP Gear
1693032 Coronet, 11HP Gear (Exp)
1693034 Coronet, 13HP Hydro
1693036 Coronet, 13HP Hydro (Exp)
1693038 Coronet, 14HP Hydro
1693040 Coronet, 14HP Hydro (Exp)
1693042 411G, 11HP Gear
1693044 413H, 12HP Hydro
1693046 414H, 14HP Hydro
1693048 2411H, 11HP Gear
1693050 2414H, 14HP Hydro

42
TP 400-2035-00-CO-SMA
© Copyright 1999 Simplicity Manufacturing, Inc. All Rights Reserved.
Transmission Service Parts - Hydro-Gear 311-0500 Models
NOTE: Unless noted otherwise,
use the standard hardware torque
specification chart.
The above parts group applies to the following Mfg. Nos.:
1692750 Coronet, 13HP Hydo
1692821 412H, 12HP Hydro
1693034 Coronet, 13HP Hydro
1693036 Coronet, 13HP Hydro (Exp)
1693038 Coronet, 14HP Hydro
1693040 Coronet, 14HP Hydro (Exp)
1693044 412H, 12HP Hydro
1693046 414H, 14HP Hydro
1693050 2414H, 14HP Hydro
12
3
5
6
7
8
9
10 11
12
13
14
15
16
17 18
20
21
22
23
24
25
26
27
28
29
30
31
32
33
34
35
36
37
38
39
40
41
43 44
45
46
47
48
49
50
51
52
54
55
56
57
53
37
16
16
25
26
27
28

43
TP 400-2035-00-CO-SMA
Transmission Service Parts - Hydro-Gear 311-0500 Models
1 1715164 21 BOLT, 1/4-20 x 1-3/8
2 1715182 1 HOUSING, Lower
3 1715157 1 OIL FILTER ELEMENT
5 1715165 2 PIN
6 1715149 1 SHAFT, Motor
7 1715156 2 WASHER
8 1715155 1 RING, Retaining
9 1715154 1 SEAL-LIP .26 x .42 x .8
10 1715159 1 BRAKE ROTOR/STATOR KIT
11 1715158 1 BOLT, 5/16-18 x 1-3/4
12 1709919 1 NUT, Hex, Lock, 5/16-24
13 1714808 1 COMPRESSION SPRING
14 1709915 2 PIN-ACTUATING
15 1709916 1 ARM-ACTUATING
16 1924874 3 WASHER, 7/16 x 7/8 x 1/16
17 1714431 1 CASTLE NUT, 5/16-24
18 1918447 1 COTTER PIN
20 1715152 1 ACTUATOR-BYPASS
21 1715233 1 BYPASS PLATE
22 1715151 1 BLOCK-CYLINDER (MOTOR) ASSY.
23 1715150 1 BEARING, Thrust .42 x .68 x .16
24 1715797 1 CENTER SECTION ASSEMBLY
25 1715170 2 SEAL, Wiper
26 1715181 2 SLEEVE BEARING
27 1715162 2 SEAL 3/4 x 1-1/4 x 1/4
28 1715180 2 WASHER-3/4 x 1.5 x .13
29 1715179 1 DIFFERENTIAL ASSEMBLY
30 1715146 1 BLOCK-CYLINDER PUMP ASSY.
31 1715171 1 SPRING, Block
32 1715172 1 WASHER, Block Thrust
33 1715163 1 SHAFT, Input
34 1715178 1 NUT-HEX LOCK 5/16-24
35 1714740 1 SPACER
36 1714739 1 SPRING
37 1714737 2 PUCK, Dampener
38 1714738 1 ARM, Control
39 1706175 1 SEAL-LIP
40 1714741 1 STUD, 5/16-24
41 1709910 1 SET SCREW
43 1715142 1 BEARING, Shaft Ball
44 1715141 1 RING-WIRE, Retaining
45 1706174 1 RING, Retaining
46 1706173 1 SEAL-LIP
47 1709921 1 SEAL-LIP 1.0 x .25 x .7
48 1709922 1 RING, Retaining
REF NO. PART NO. QTY. DESCRIPTION
The above parts group applies to the following Mfg. Nos.:
1692750 Coronet, 13HP Hydo
1692821 412H, 12HP Hydro
1693034 Coronet, 13HP Hydro
1693036 Coronet, 13HP Hydro (Exp)
1693038 Coronet, 14HP Hydro
1693040 Coronet, 14HP Hydro (Exp)
1693044 412H, 12HP Hydro
1693046 414H, 14HP Hydro
1693050 2414H, 14HP Hydro

44
TP 400-2035-00-CO-SMA
© Copyright 1999 Simplicity Manufacturing, Inc. All Rights Reserved.
Transmission Service Parts - Hydro-Gear 311-0500 Models
NOTE: Unless noted otherwise,
use the standard hardware torque
specification chart.
The above parts group applies to the following Mfg. Nos.:
1692750 Coronet, 13HP Hydo
1692821 412H, 12HP Hydro
1693034 Coronet, 13HP Hydro
1693036 Coronet, 13HP Hydro (Exp)
1693038 Coronet, 14HP Hydro
1693040 Coronet, 14HP Hydro (Exp)
1693044 412H, 12HP Hydro
1693046 414H, 14HP Hydro
1693050 2414H, 14HP Hydro
12
3
5
6
7
8
9
10 11
12
13
14
15
16
17 18
20
21
22
23
24
25
26
27
28
29
30
31
32
33
34
35
36
37
38
39
40
41
43 44
45
46
47
48
49
50
51
52
54
55
56
57
53
37
16
16
25
26
27
28

45
TP 400-2035-00-CO-SMA
Transmission Service Parts - Hydro-Gear 311-0500 Models
49 1709907 1 ARM-BYPASS
50 1709905 1 BREATHER ASSY.
51 1654930 1 BUSHING-VENT
52 1715183 1 UPPER HOUSING ASSEMBLY
53 1715143 2 BEARING, Cradle
54 1715145 1 SWASHPLATE, Variable
55 1715144 1 BEARING, Thrust .30 x .52 x .13
56 1715148 1 GUIDE-SLOT
57 1715147 1 ARM, Trunnion
REF NO. PART NO. QTY. DESCRIPTION
The above parts group applies to the following Mfg. Nos.:
1692750 Coronet, 13HP Hydo
1692821 412H, 12HP Hydro
1693034 Coronet, 13HP Hydro
1693036 Coronet, 13HP Hydro (Exp)
1693038 Coronet, 14HP Hydro
1693040 Coronet, 14HP Hydro (Exp)
1693044 412H, 12HP Hydro
1693046 414H, 14HP Hydro
1693050 2414H, 14HP Hydro

46
TP 400-2035-00-CO-SMA
© Copyright 1999 Simplicity Manufacturing, Inc. All Rights Reserved.
Wheels & Tires
NOTE: Unless noted otherwise,
use the standard hardware torque
specification chart.
The above parts group applies to the following Mfg. Nos.:
1692748 Coronet, 11HP Gear
1692750 Coronet, 13HP Hydo
1692819 411G, 11HP Gear
1692821 412H, 12HP Hydro
1692823 2411G, 11HP Gear
1693030 Coronet, 11HP Gear
1693032 Coronet, 11HP Gear (Exp)
1693034 Coronet, 13HP Hydro
1693036 Coronet, 13HP Hydro (Exp)
1693038 Coronet, 14HP Hydro
1693040 Coronet, 14HP Hydro (Exp)
1693042 411G, 11HP Gear
1693044 413H, 12HP Hydro
1693046 414H, 14HP Hydro
1693048 2411H, 11HP Gear
1693050 2414H, 14HP Hydro
1
2
3
4
5
6
7
8
910 11 12
13
14
15
16
17
18
19
20 21
5
22
520
21
16
4
10 5
911
12
5*
* Massey Ferguson Models Only

47
TP 400-2035-00-CO-SMA
Wheels & Tires
1 8221042 2 KEY, Square, 3/16 x 3/16 x 1-1/2 long
2 1709384 2 REAR WHEEL & TIRE ASSY.(Incl. Ref. Nos. 1, 2, 8 & 10)
3 1709385 2 REAR WHEEL ASSY., Metallic Gray
4 172353 4 VALVE STEM & CAP
5 960202 14 WASHER, 3/4 (Qty. 10 used on hydro models)
6 1663180 A/R SPACER (Hydro models only)
7 1709381 2 TIRE, Rear Wheel, 16 X 6.50-8
8 164247 2 TUBE, Rear Whveel
9 1701435 2 RETAINER, Cap
10 1960114 2 WASHER, 3/4 I.D. x 1-1/16 O.D. x 1/16 Thk.
11 927794 2 “E” RING
12 1676519 2 CAP, Threaded
13 1714926 2 HUB CAP, Scalloped, 8”
14 1709382 2 FRONT WHEEL & TIRE ASSY.,13 x 5.00-6, Metallic Gray (Incl. Ref. Nos. 1,
4, 6 & 8)
15 1709383 2 FRONT WHEEL ASSY.,13 x 5.00-6, Metallic Gray (Incl. Ref. No. 9)
16 1713167 4 BUSHING, Metal, 7-21/32 I.D.
17 912808 2 Grease Fitting
18 1709376 2 TIRE, Front Wheel, 13 x 5.00-6
19 1664090 2 TUBE, Front Wheel, 4.10/3.50 x 6
20 1611710 2 KLIP RING
21 1673333 2 CAP, Threaded
22 1714925 2 HUB CAP, 6”, Scalloped
REF NO. PART NO. QTY. DESCRIPTION
The above parts group applies to the following Mfg. Nos.:
1692748 Coronet, 11HP Gear
1692750 Coronet, 13HP Hydo
1692819 411G, 11HP Gear
1692821 412H, 12HP Hydro
1692823 2411G, 11HP Gear
1693030 Coronet, 11HP Gear
1693032 Coronet, 11HP Gear (Exp)
1693034 Coronet, 13HP Hydro
1693036 Coronet, 13HP Hydro (Exp)
1693038 Coronet, 14HP Hydro
1693040 Coronet, 14HP Hydro (Exp)
1693042 411G, 11HP Gear
1693044 413H, 12HP Hydro
1693046 414H, 14HP Hydro
1693048 2411H, 11HP Gear
1693050 2414H, 14HP Hydro

48
TP 400-2035-00-CO-SMA
© Copyright 1999 Simplicity Manufacturing, Inc. All Rights Reserved.
Decals
NOTE: Unless noted otherwise,
use the standard hardware torque
specification chart.
The above parts group applies to the following Mfg. Nos.:
1692748 Coronet, 11HP Gear
1692750 Coronet, 13HP Hydo
1692819 411G, 11HP Gear
1692821 412H, 12HP Hydro
1692823 2411G, 11HP Gear
1693030 Coronet, 11HP Gear
1693032 Coronet, 11HP Gear (Exp)
1693034 Coronet, 13HP Hydro
1693036 Coronet, 13HP Hydro (Exp)
1693038 Coronet, 14HP Hydro
1693040 Coronet, 14HP Hydro (Exp)
1693042 411G, 11HP Gear
1693044 413H, 12HP Hydro
1693046 414H, 14HP Hydro
1693048 2411H, 11HP Gear
1693050 2414H, 14HP Hydro
TRANSMISSION RELEASE
VALVE LEVER
PULL REARWARD
TRACTOR MAY NOW BE MOVED
BY MANUALLY PUSHING OR PULLING
AVOID SERIOUS INJURY OR DEATH
• READ OPERATOR'S MANUAL(S).
• KNOW LOCATION AND FUNCTION OF ALL CONTROLS.
• KEEP SAFETY DEVICES (GUARDS, SHIELDS, &
SWITCHES) IN PLACE AND WORKING.
• REMOVE OBJECTS THAT COULD BE THROWN BY
THE BLADE.
• DO NOT MOW WHEN CHILDREN OR OTHERS
ARE AROUND.
• NEVER CARRY CHILDREN.
• LOOK DOWN AND BEHIND—BEFORE AND WHILE
BACKING.
• AVOID SUDDEN TURNS.
• IF YOU CANNOT BACK UP A HILL
— DO NOT OPERATE ON IT.
• GO UP AND DOWN SLOPES, NOT ACROSS.
• IF MACHINE STOPS GOING UPHILL, STOP BLADE
AND BACK DOWN SLOWLY.
• BE SURE BLADE(S) AND ENGINE ARE STOPPED
BEFORE PLACING HANDS OR FEET NEAR BLADE(S).
• WHEN LEAVING MACHINE, SHUT OFF ENGINE,
REMOVE KEY, AND SET PARKING BRAKE.
WARNING
DO NOT TOW UNIT!
Damage may result to
drive mechanism.
OPERATION
To Start Engine
ï Seat must be occupied.
ï Traction Lever must be in Neutral.
ï PTO switch must be off.
Ignition Switch
OFF
RUN
START
Clutch/Brake
Pedal
Parking Brake
To Set Parking Brake
ï Pull knob up while Clutch/Brake
pedal is depressed.
ï Release Clutch/Brake pedal
while holding knob.
To Release Parking Brake
ï Depress Clutch/Brake pedal.
ï Push knob down while
Clutch/Brake pedal is depressed.
When Operator Leaves Seat
ï Engine will shut off when Traction Lever is in
Forward or Reverse, or when PTO switch is on.
Traction Control
ï To stop tractor motion, fully depress the
Clutch/Brake pedal.
Traction Lever from Neutral, in either direction,
increases ground speed.
ï On Hydrostatic drive riders, movement of
PTO Switch
To Operate PTO clutch
ï The operator must be in seat.
ï To engage PTO, pull switch out.
ï To disengage PTO, push PTO switch in.
ROTATING BLADES
CUT OFF ARMS
AND LEGS
STOP MOWER WHEN
CHILDREN ARE NEAR.
NO RIDERS
— THEY FALL OFF.
DANGER
DANGER
OPERATING ON
SLOPES CAN BE
DANGEROUS
SEE OPERATOR'S
MANUAL.
IF YOU CANNOT
BACK-UP A HILL
—DO NOT DRIVE ON IT.
1715993
Mower
Down
Mower
Up
Mower Height Adjust
ï Push lever forward to raise
mower deck up.
ï Pull lever back to lower
mower deck.
ï Fully depress Clutch/Brake pedal.
DANGER
ROTATING CUTTING BLADE
Do not operate mower
without deflector or entire
grass catcher in place. 1704277
DANGER
ROTATING CUTTING BLADE
Do not put hands or feet
under mower deck while
blade is rotating. 1704276
Simplicity Manufacturing, Inc.
Port Washington, WI 53074-0997 U.S.A.
PACKAGE #
MFG SERIAL
COVERED BY ONE OR MORE
OF THE FOLLOWING PATENTS:
5,094,326 5,085,044
5,154,043
34"
INDEPENDENT LABORATORY
SPONSORED BY
MODEL CERTIFIED BY
PROGRAM
ANSI B71. - 1996 SAFETY STANDARD
OUTDOOR POWER EQUIPMENT INSTITUTE
RIDING MOWER
DRIVE BELTS & MOWER BLADES
Transmission Belt - GEAR
Transmission Belt - HYDRO
34" Mower
Drive Belt
L.H. Blade (small)
R.H. Blade (large)
30" Mower
Drive Belt
Blade Side Discharge
Blade Mulcher
1676460
1709323
108209
1706737
1706738
1651201
1664019
1706290
TOUCH-UP PAINT PART NUMBERS
13 Oz. Spray Can Paint
Deep Orange
Solar Black
1/2 Oz. Touch-up Bottle
Deep Orange
1686779
1685615
1685611
1
2
4
6
7
8
9
10
11
12
13
14
15
16
17
18
19
20
21
17
11
18
11
21
21
11
17
18
8
3
4
9
16
1
2, 3
4, 5
9, 10
19
19, 20
EXAMPLE
EXAMPLE
EXAMPLE
EXAMPLE
(EXAMPLE)

49
TP 400-2035-00-CO-SMA
Decals
1 1717692 2 DECAL, Icon (11G, 13H, 14H)
2 * 1 DECAL, Decibel (Export Only) (Not Serviced)
3 1708880 1 DECAL,Throttle/Choke
3 1714435 1 DECAL,Throttle/Choke
4 1708927 1 DECAL, USA (Seat Back)
5 1708926 1 DECAL, Logo, AGCO Allis(411G, 412H, 413H, 414H)
6 1708904 1 DECAL, Seat Deck Stripe, RH (Early Model - 412H)
6 1713964 1 DECAL, Seat Deck Stripe, RH (Early Model - 11G, 13H)
6 1716123 1 DECAL, Seat Deck Stripe, RH (411G)
6 1716125 1 DECAL, Seat Deck Stripe, RH (2411G)
6 1716126 1 DECAL, Seat Deck Stripe, RH (2414H)
6 1717717 1 DECAL, Seat Deck Stripe, RH (Hydro 400 Series)
7 1708903 1 DECAL, Seat Deck Stripe, LH (Early Model - 412H)
7 1713965 1 DECAL, Seat Deck Stripe, LH (Early Model - 11G, 13H)
7 1716124 1 DECAL, Seat Deck Stripe, LH (411G)
7 1716126 1 DECAL, Seat Deck Stripe, LH (2411G)
7 1717718 1 DECAL, Seat Deck Stripe, LH (Hydro 400 Series)
7 1717727 1 DECAL, Seat Deck Stripe, LH (2414H)
8 1708918 1 DECAL, Transmission Release (Hydro models only)
9 1708639 1 DECAL, Belt & Blade Replacement
10 1717431 1 DECAL, Touch-up Paint (11G, 13H, 14H, 411G, 412H, 413H, 414H)
10 1717449 1 DECAL, Touch-up Paint (2411G, 2414H)
11 * 1 I.D. PLATE (Not Serviced)
12 1717687 1 DECAL, “CORONET” (Early Model - 11G, 13H, 411G, 412H)
13 1713962 1 DECAL, Model, Coronet, 12 - 5 Speed
13 1713963 1 DECAL, Model, Coronet, 12 - Hydro
13 1714448 1 DECAL, Model, Coronet, 13 - Hydro (Early Model)
13 1716120 1 DECAL, Model, Coronet, 11 - 5 Speed (Early Model)
13 1717689 1 DECAL, Model, Coronet, 11 - 5 Speed
13 1717690 1 DECAL, Model, Coronet, 13 - Hydro
13 1717691 1 DECAL, Model, Coronet, 14 - Hydro
14 1709933 1 DECAL, CE (Export Models Only)
15 1715636 1 DECAL, Power Mass (Export Models Only)
16 1713490 1 DECAL, Operating Instructions
17 1704276 1 DECAL, Danger, Rotating Cutting Blade
18 * 1 DECAL, OPEI, (Not Serviced)
19 1708877 1 DECAL, Cutting Width - 34”
20 1706037 1 DECAL, Cutting Width - 30”
21 1704277 1 DECAL, Danger, Chute In Place
REF NO. PART NO. QTY. DESCRIPTION
Footnotes:
* Item not serviced
The above parts group applies to the following Mfg. Nos.:
1692748 Coronet, 11HP Gear
1692750 Coronet, 13HP Hydo
1692819 411G, 11HP Gear
1692821 412H, 12HP Hydro
1692823 2411G, 11HP Gear
1693030 Coronet, 11HP Gear
1693032 Coronet, 11HP Gear (Exp)
1693034 Coronet, 13HP Hydro
1693036 Coronet, 13HP Hydro (Exp)
1693038 Coronet, 14HP Hydro
1693040 Coronet, 14HP Hydro (Exp)
1693042 411G, 11HP Gear
1693044 413H, 12HP Hydro
1693046 414H, 14HP Hydro
1693048 2411H, 11HP Gear
1693050 2414H, 14HP Hydro

50
TP 400-2035-00-CO-SMA
© Copyright 1999 Simplicity Manufacturing, Inc. All Rights Reserved.
30” Mower Deck - Housing, Hitch & Height Adjustment
NOTE: Unless noted otherwise,
use the standard hardware torque
specification chart.
The above parts group applies to the following Mfg. Nos.:
1692543 30” Mower Deck 1692544 30” Mower Deck
1
2
3
4
5
67
89
10 11
12
13
14
15
16
17 18
19
20
21
22
23
24
25
26
27
28
29
31
19
32
33
34
35
36
37
38
22
22
21
20
18
17
5
30

51
TP 400-2035-00-CO-SMA
30” Mower Deck - Housing, Hitch & Height Adjustment
1 1930645 1 NUT, Hex, Flange Lock, 3/8
2 1611705 1 SPACER
3 1707300 1 ROD, Adjustment
4 1707540 1 ARM ASSY., Mower
5 1913744 3 JAMNUT, Hex, 3/8-16
6 1671260 1 SPACER
7 1707280 1 TRUNNION
8 1917372 2 NUT, Hex, 5/16-18
9 1917356 2 LOCKWASHER, 5/16
10 1919326 2 WASHER, Flat, 5/16
11 1704716 2 SPACER
12 1960223 2 CARRIAGE BOLT, 5/15-18 x 1-1/4
13 1960074 2 PIN, Retaining
14 1931352 2 CARRIAGE BOLT, 3/8-16 x 1-1/2
15 1655651 2 PIN, Locking
16 1709209 2 BAR, Mower Transport
17 172622 2 BOLT, Shoulder
18 1924361 2 WASHER, Flat
19 1708519 2 SUPPORT ASSY, Roller
20 1664847 4 SCREW, Taptite, 5/16-18 x 3/4
21 1708250 2 PLATE, Pivot Support
22 1924940 4 WASHER, Flat, 3/8
23 156302 1 SPRING
24 1921210 1 CAPSCREW, Hex Hd., 3/8-16 x 1
25 1707432 1 HITCH ASSY.
26 1715759 1 ROD, Latch, Hitch
27 1919439 2 LOCKNUT, Hex, 3/8-16
28 157081 2 SPACER
29 1920415 2 CAPSCREW, Hex, 3/8-16 x 1-14
30 1685670 1 HOUSING ASSY., 30” (Orange)
30 1685670 1 HOUSING ASSY., 30” (Black)
31 1928352 2 NUT, Hex, Flange, Whizlock, 3/8-16
32 1924366 4 WASHER, Plain, 21/32 x 1-1/8 x 7/64
33 1668487 2 ROLLER
34 1960020 4 WASHER, 21/32 x 1-1/8 x 1/16
35 153124 2 RING, Retaining
36 1704082 2 NUT, Adjustment
37 1916965 2 LOCKWASHER
38 1916950 2 NUT, Hex, 3/8-16
REF NO. PART NO. QTY. DESCRIPTION
The above parts group applies to the following Mfg. Nos.:
1692543 30” Mower Deck 1692544 30” Mower Deck

52
TP 400-2035-00-CO-SMA
© Copyright 1999 Simplicity Manufacturing, Inc. All Rights Reserved.
30” Mower Deck - Drive & Arbor
NOTE: Unless noted otherwise,
use the standard hardware torque
specification chart.
The above parts group applies to the following Mfg. Nos.:
1692543 30” Mower Deck 1692544 30” Mower Deck
1
2
3
4
5
6
7
9
10
11
12
13
14
15
16 17
18
19
20
21
22
23
24
25
26
27
28
29
30
31
32
33
34
35
31
26
22
Apply adhesive to
secure grips
45 - 55 ft. lbs.
45 - 55 ft. lbs.
8
11

53
TP 400-2035-00-CO-SMA
30” Mower Deck - Drive & Arbor
1 1719746 1 V-BELT
2 1714419 1 CAPSCREW, 7/16-14 x 1-1/2 Gr. 8
3 1713675 2 WASHER, Belleville
4 1713092 1 PULLEY
5 1713613 1 HUB, Pulley, 1-3/16”
6 1960373 6 SCREW, Hex, Taptite, 5/16-18 x 1
7 1677274 1 ADAPTER, Arbor
8 1707335 1 GASKET, Foam
9 1713338 1 ARBOR HOUSING ASSY. (Incl. Ref. No. 10)
10 1704314 1 FITTING, Grease
11 1705897 2 BEARING
12 1713204 1 SPACER
13 1713199 1 COVER, Arbor Housing
14 1713619 1 WASHER, Cupped
15 1713609 1 SHAFT, Arbor, 5-53/64”
16 1713196 1 SHIELD, Grass, Lower
17 1664019 1 BLADE, Mower, 30”
18 1713089 1 WASHER, Hex
19 1656916 1 WASHER, Spring
20 923471 1 CAPSCREW, Hex, 7/16-14 x 1, Gr. 8
21 1923903 1 CAPSCREW, Hex, 3/8-16 x 3
22 1924356 2 WASHER, Flat, 3/8 x 1-1/2 x 1/8
23 1715435 1 SPRING
24 1669105 1 SPACER
25 1708562 1 LEVER ASSY.
26 1924940 2 WASHER, Plain, 3/8
27 1707435 1 PULLEY ASSY., Idler, Fixed, 6” Dia.
28 1928352 1 NUT, Hex, Whizlock, 3/8-16
29 1665835 1 GRIP, Lever
30 1923701 1 CAPSCREW, Hex, 3/8-16 x 2
31 1922755 3 WASHER, Flat, 13/32 x 1 x 1/8
32 1704926 1 IDLER PULLEY, Backside
33 1916965 1 LOCKWASHER, 3/8
34 1916950 1 NUT, Hex, 3/8
35 1928731 1 NUT, Hex, Lock, 3/8-16
REF NO. PART NO. QTY. DESCRIPTION
The above parts group applies to the following Mfg. Nos.:
1692543 30” Mower Deck 1692544 30” Mower Deck

54
TP 400-2035-00-CO-SMA
© Copyright 1999 Simplicity Manufacturing, Inc. All Rights Reserved.
30” Mower Deck - Deflector
NOTE: Unless noted otherwise,
use the standard hardware torque
specification chart.
The above parts group applies to the following Mfg. Nos.:
1692543 30” Mower Deck 1692544 30” Mower Deck
1
2
3
45
6
7
8
9
4
3
2

55
TP 400-2035-00-CO-SMA
30” Mower Deck - Deflector
1 1960518 2 PUSHNUT, 1/4
2 1921319 3 WASHER, Plain
3 1916964 2 LOCKWASHER, 1/4
4 1916622 2 NUT, Hex, 1/4-20
5 1664947 1 ROD, Deflector
6 1665036 1 DEFLECTOR, Plastic
7 1664953 1 SPRING
8 1704873 1 CLAMP
9 1931317 2 CARRIAGE BOLT, 1/4-20 x 1-1/4
REF NO. PART NO. QTY. DESCRIPTION
The above parts group applies to the following Mfg. Nos.:
1692543 30” Mower Deck 1692544 30” Mower Deck

34” Mower Deck - Housing, Hitch & Deflector
56
TP 400-2035-00-CO-SMA
© Copyright 1999 Simplicity Manufacturing, Inc. All Rights Reserved.
NOTE: Unless noted otherwise,
use the standard hardware torque
specification chart.
The above parts group applies to the following Mfg. Nos.:
1692545 34” Mower Deck 1692546 34” Mower Deck
1
2
3
4
5
6
7
8
9
10
11
12
13
14
15
16
17
18
19
20
21
22
23
24
25
3
5
5
9
12

34” Mower Deck - Housing, Hitch & Deflector
57
TP 400-2035-00-CO-SMA
REF NO. PART NO. QTY. DESCRIPTION
The above parts group applies to the following Mfg. Nos.:
1692545 34” Mower Deck 1692546 34” Mower Deck
1 1916622 2 NUT, Hex, 1/4-20
2 1916964 2 LOCKWASHER, 1/4
3 1960353 2 WASHER, Flat, 17/64 x 27/32 x 1/8
4 1706709 1 ROD, Deflector
5 1913744 3 JAMNUT, Hex, 1/2-13
6 1671260 1 SPACER
7 1707280 1 TRUNNION
8 1707300 1 ROD, Adustment
9 1931318 2 CARRIAGE BOLT, 1/4-20 X 7/8
10 1685672 1 HOUSING ASSY., 34” (Orange)
10 61685672 1 HOUSING ASSY., 34” (Black)
11 1920415 2 CAPSCREW, Hex Hd., 3/8-16 x 1-1/4
12 1924940 3 WASHER, Flat, 3/8
13 157081 2 SPACER
14 1921210 1 CAPSCREW, Hex Hd., 3/8-16 x 1
15 1715759 1 ROD, Latch, Hitch
16 1707432 1 HITCH ASSY.
17 1919439 2 LOCKNUT, Hex, 3/8-16
18 156302 1 SPRING
19 1611705 1 SPACER
20 1930645 1 NUT, Hex, Flange Lock, 3/8-16
21 1960518 1 PUSHNUT
22 1704873 1 CLAMP
23 1919326 1 WASHER, Flat, 5/16
24 1705080 1 SPRING
25 1705449 1 DEFLECTOR, Plastic

34” Mower Deck - Drive & Arbor
58
TP 400-2035-00-CO-SMA
© Copyright 1999 Simplicity Manufacturing, Inc. All Rights Reserved.
NOTE: Unless noted otherwise,
use the standard hardware torque
specification chart.
The above parts group applies to the following Mfg. Nos.:
1692545 34” Mower Deck 1692546 34” Mower Deck
1
2
3
4
5
67
8
9
10
11
12
13
14
15
16
17
18
19
20
21 22
23
24
25
26
27
28
29 30
31
32
33
34
35
36
37
31
32
33
24
34
11
10 9
8
76
5
2
1
14
Torque Nuts to
55-75 ft. lbs.
29
Torque Capscrews
ref# 33 to 45-55 ft. lbs.
or 61-75 N.M.

34” Mower Deck - Drive & Arbor
59
TP 400-2035-00-CO-SMA
REF NO. PART NO. QTY. DESCRIPTION
The above parts group applies to the following Mfg. Nos.:
1692545 34” Mower Deck 1692546 34” Mower Deck
1 1714419 2 NUT, Hex, Flange, 9/16-18
2 1713675 4 WASHER, Belleville
3 1713091 1 PULLEY, 5”
4 1713614 1 HUB, Pulley, 1-35/64”
5 1713199 2 COVER, Arbor Housing Assy.
6 1705897 4 BEARING
7 1713204 2 SPACER
8 1707335 2 GASKET, Foam
9 1713338 2 ARBOR HOUSING ASSY. (Incl. Ref. No. 10)
10 1704314 2 FITTING, Grease
11 1713619 2 WASHER
12 164213 1 SPRING
13 1921972 1 CAPSCREW, 3/8-16 x 2-1/2
14 1924940 2 WASHER, Flat, 3/8
15 1704926 1 PULLEY, Idler, Backside
16 1667812 1 SPACER
17 1916965 1 LOCKWASHER, 3/8
18 1916950 1 NUT, Hex, 3/8-16
19 1930645 1 NUT, Hex, Flange, 2-Way, 3/8-16
20 1928957 1 CAPSCREW, Hex, 3/8-16 x 2-3/4
21 1657242 1 SPACER
22 1665835 1 GRIP, Lever
23 1708561 1 LEVER ASSY.
24 1924356 2 WASHER, Flat, 3/8
25 1719819 1 V-BELT
26 1713090 1 PULLEY, 3-3/4”
27 1713613 1 HUB, Pulley, 1-3/16”
28 1713609 1 SHAFT, Arbor, 5-53/64”
29 1713196 2 SHIELD, Grass, Lower
30 1706737 1 BLADE, 14-27/64”
31 1713089 2 WASHER, Hex
32 1656916 2 WASHER, Spring
33 923471 2 CAPSCREW, Hex, 7/16-14 x 1-1/4, Gr. 8
34 1664847 12 SCREW, Taptite, 5/16-18 x 3/4
35 1928352 1 NUT, Hex, 3/8-16
36 1713610 1 SHAFT, Arbor, 6-33/64”
37 1706738 1 BLADE, 19-29/32”

34” Mower Deck - Height Adjustment
60
TP 400-2035-00-CO-SMA
© Copyright 1999 Simplicity Manufacturing, Inc. All Rights Reserved.
NOTE: Unless noted otherwise,
use the standard hardware torque
specification chart.
The above parts group applies to the following Mfg. Nos.:
1692545 34” Mower Deck 1692546 34” Mower Deck
1
2
3
4
5
6
7
8
9
10
11
12
14
15
16
17
18
19
20
21
2223
24
25
15
1617
18
19
20
13
12
22
21
12
13
12
11
13

34” Mower Deck - Height Adjustment
61
TP 400-2035-00-CO-SMA
REF NO. PART NO. QTY. DESCRIPTION
The above parts group applies to the following Mfg. Nos.:
1692545 34” Mower Deck 1692546 34” Mower Deck
1 1917372 1 NUT, Hex, 3/8
2 1917356 2 LOCKWASHER, 5/16
3 1919326 2 WASHER, Plain, 5/16
4 1704716 2 SPACER
5 1707286 1 ARM ASSY.
6 1960223 2 CARRIAGE BOLT, 5/16-18 x 1-1/4
7 1655651 2 PIN, Locking
8 1931352 2 CARRIAGE BOLT, 3/8-16 x 1-1/2
9 1960074 2 CLIP, Hair Pin
10 1709209 2 BAR, Mower Transport
11 1602946 2 SPACER, Roller
12 1924366 5 WASHER, Flat, 5/8
13 1668513 7 ROLLER
14 1686682 1 SHAFT ASSY., Roller (Including Ref. 20)
15 1704082 2 NUT, Adjustment
16 1916965 2 LOCKWASHER, 3/8
17 1916950 2 NUT, Hex, 3/8
18 172622 2 BOLT, Shoulder, 3/8-16
19 1924361 2 WASHER, Flat, 1/2
20 1960520 2 NUT, Push
21 1928352 2 NUT, Flange Lock, 3/8
22 1664847 5 SCREW, Taptite, 5/16-18-5/8
23 1707567 1 COVER, Arbor
24 1708564 1 PLATE, Support, RH
25 1708520 1 BRACKET, Roller Bar, 34”

34” Grass Mulcher kit
62
TP 400-2035-00-CO-SMA
© Copyright 1999 Simplicity Manufacturing, Inc. All Rights Reserved.
NOTE: Unless noted otherwise,
use the standard hardware torque
specification chart.
The above parts group applies to the following Mfg. Nos.:
1692470 34” Grass Mulcher Kit
1
2
3
4
5
6
7
5
4
7
7
7
4
5
5
4
5
4
5
4
Drill
Drill
Drill
Existing
Holes
Front

34” Grass Mulcher kit
63
TP 400-2035-00-CO-SMA
REF NO. PART NO. QTY. DESCRIPTION
Footnotes:
* Available as optional leaf shredder kit, Part No. 1686609 which contains 8 ea of Ref# 1 & 6. If using with-
out mulcher kit, Ref #2 needs to be ordered
The above parts group applies to the following Mfg. Nos.:
1692470 34” Grass Mulcher Kit
1 1707684* 8 SHREDDERS, Leaf (Optional)
2 1708866 1 BAFFLE, Discharge
3 1708867 1 BAFFLE, Mulching
4 1917356 7 LOCKWASHER, 5/16
5 1917372 7 NUT, Hex, 5/16-18
6 1919438* 8 NUT, Hex, Plastite, 5/16-18 (Optional)
7 1931333 4 CARRIAGE BOLT, 5/16-18 X 3/4

30” Twin Bag Catcher - Adapter & Tube
64
TP 400-2035-00-CO-SMA
© Copyright 1999 Simplicity Manufacturing, Inc. All Rights Reserved.
NOTE: Unless noted otherwise,
use the standard hardware torque
specification chart.
The above parts group applies to the following Mfg. Nos.:
1692149 30” Twin Bag Catcher
1
23
4
5
6
7
89
10
11
12
13
14
15
16
17
18
19 20
21
22
23
24
25
26
27 28
29
30
2
1
17
18
15
Install between
Items 24 & 16

30” Twin Bag Catcher - Adapter & Tube
65
TP 400-2035-00-CO-SMA
REF NO. PART NO. QTY. DESCRIPTION
The above parts group applies to the following Mfg. Nos.:
1692149 30” Twin Bag Catcher
1 1928919 4 NUT & WASHER ASSY., Hex, 10-32
2 1930531 4 SCREW, Truss Hd., #10-24
3 1713286 1 EXHAUST SHIELD, Front
4 1713287 1 EXHAUST SHIELD, Rear
5 1703769 1 TRANSFER TUBE
6 1960122 1 CAPSCREW, Hex Hd., 5/16-18 x 3/4
7 1919326 1 WASHER, Flat, 5/16
8 1704603 1 LATCH, Tube
9 1960185 1 WASHER, Flat, 3/16
10 1935048 1 NUT, Flange Lock, 5/16-18
11 1960371 1 CAPSCREW, Hex Hd., 5/16-18 x 3/4
12 1704341 1 WASHER, Special, 11/32 x 7/8 x 1-3/4
13 1919438 1 NUT, Hex, Esna Lock, 5/16-18
14 1686783 1 BAFFLE, Corner
15 1920161 2 NUT, Hex, Jam, 5/16-18
16 1709134 1 ADAPTER, 30” Mower
17 1933896 2 NUT, Hex Hd., #10-24
18 1960096 2 WASHER, Flat, 3/16
19 1928698 1 NUT, Hex, Centerlock, 5/16-18
20 1679163 1 WING NUT ASSY., 5/16
21 1927557 1 NUT, Hex, Flange, 5/16-18
22 1679164 1 CUP
23 926267 2 SCREW, Flat Hd., #10-24 x 5/8
24 1704356 1 STRAP, Reinforcement
25 1960223 1 BOLT, 5/16-18 x 1-1/4
26 1960273 1 CARRIAGE BOLT, 5/16-18 x 2-1/4
27 1935105 4 CAPSCREW, 1/4-20 x 5/8, Gr. 8
28 1665419 2 LIFT PLATE
29 1916964 4 LOCKWASHER, Spring, 1/4
30 1916622 4 NUT, Hex, Esna Lock, 5/16-18

34” Twin Bag Catcher - Adapter, Blade & Tube
66
TP 400-2035-00-CO-SMA
© Copyright 1999 Simplicity Manufacturing, Inc. All Rights Reserved.
NOTE: Unless noted otherwise,
use the standard hardware torque
specification chart.
The above parts group applies to the following Mfg. Nos.:
1692150 34” Twin Bag Catcher
1
2
3
4
5
6
7
89
10
11
12
13
14
15
16
17
18
19
20
21
22
23
24
25 26
27 28
13
11
3
1
21
20

34” Twin Bag Catcher - Adapter, Blade & Tube
67
TP 400-2035-00-CO-SMA
REF NO. PART NO. QTY. DESCRIPTION
Footnotes:
* Not used on mower 1692543 and up
The above parts group applies to the following Mfg. Nos.:
1692150 34” Twin Bag Catcher
1 1928919 4 NUT & WASHER ASSY., Hex 10-32
2 1713286 1 EXHAUST SHIELD, Front
3 1930531 4 SCREW, Truss Hd., 10-32 x 1/2
4 1713287 1 EXHAUST SHIELD, Rear
5 1703769 1 TUBE, Transfer
6 1960122 1 CAPSCREW, Hex Hd., 5/16-18 x 3/4
7 1919326 1 WASHER, Flat, 5/16
8 1704603 1 LATCH, Tube
9 1960185 1 WASHER, Flat, 5/16
10 1935048 1 NUT, Flange Lock, 5/16-18
11 1960371 3 CAPSCREW, Hex Hd., 5/16-18 x 3/4
12 1704341 1 WASHER, Special, 11/32 x 7/8 x 1-3/4
13 1919438 3 NUT, Esna Hex Lock, 5/16-18
14 1709135 1 ADAPTER, 34” Mower
15 1704355 1 BRACKET, Attachment
16 1928698 1 NUT, Centerlock, 5/16-18
17 1679163 1 WING NUT ASSEMBLY, 5/16
18 1927557 1 NUT, Hex Flange, 5/16-18
19 1679164 1 CUP
20 1917372 3 NUT, Hex, 5/16-18
21 1917356 3 LOCKWASHER, 5/16
22 1702665 2 SPACER
23 1960273 1 CARRIAGE BOLT, 5/16-18 x 2-1/4
24 1931338 2 CARRIAGE BOLT, 5/16-18 x 1-3/4
25 1709112 1 BAFFLE, 34” Mower
26 1931332 1 CARRIAGE BOLT, 5/16-18 x 5/8
27 1705010* 1 ADAPTER, Blade, High Lift
28 1706739 1 BLADE, High Lift, 34” Mower

30” & 34” Twin Bag Catchers - Covered Bag
68
TP 400-2035-00-CO-SMA
© Copyright 1999 Simplicity Manufacturing, Inc. All Rights Reserved.
NOTE: Unless noted otherwise,
use the standard hardware torque
specification chart.
The above parts group applies to the following Mfg. Nos.:
1692149 30” Twin Bag Catcher 1692150 34” Twin Bag Catcher
1
2
3
4
5
6
789
10
11
12
13
14
15
16
17
18
19
20
21
22
23
24
25 26
27
28
29
30
31
32
33
34
35
36
37
38
39
40
11
8

30” & 34” Twin Bag Catchers - Covered Bag
69
TP 400-2035-00-CO-SMA
REF NO. PART NO. QTY. DESCRIPTION
The above parts group applies to the following Mfg. Nos.:
1692149 30” Twin Bag Catcher 1692150 34” Twin Bag Catcher
1 1704615 1 TUBE ASSY., Support (Incl. Ref. Nos. 2, 3, 4, 5, 6, 8, 9 & 11)
2 1960381 7 RIVET, Pop
3 1704075 1 SUPPORT, Tube
4 1704135 1 SEAL, Cover
5 1704508 3 BRACKET, Seal
6 1960399 1 SCREW, Round Hd., #8-32 x 7/8
7 1930642 5 LOCKNUT, Flange, 1/4-20 End Lock
8 1960096 2 WASHER
9 1704507 1 STRAP, Tube Support
10 1927428 2 SCREW, Taptite, 1/4-20 x 3/8
11 1960077 2 NUT, Hex, Lock, #8-32
12 1960252 5 CARRIAGE BOLT, 1/4-20 x 5/8
13 1703822 1 CROSS ASSY.
14 1921966 4 CAPSCREW, Hex Hd., 3/8-16 x 7/8
15 1928352 4 NUT, Hex, Whizlock, 3/8-16
16 1960221 2 CLIP, Hairpin
17 1703700 1 SCREEN
18 1917372 4 NUT, Hex, 5/16-18
19 1917356 4 LOCKWASHER, 5/16
20 1672023 2 CLAMP
21 1703807 2 HANGER
22 1931333 4 CARRIAGE BOLT, 5/16-18 x 3/4
23 1703855 2 HOOP, Bag
24 1703764 2 BAG, Grass
25 1675707 2 TUBE CLIP, Grass Bag
26 1704057 1 SEAL, Clip
27 1930531 2 SCREW, Truss Hd., #10-32 x 1/2
28 1675043 4 RIVET, Pop
29 1703853 1 HANDLE, Latch
30 1928919 2 NUT, Hex, #10-32
31 960367 2 PIN, Round Head
32 1910531 4 WASHER
33 1667248 6 CLIP, Canoe
34 1704405 1 DECAL, Safety
35 1704056 1 COVER ASSY. (Incl. Ref. Nos. 17, 26, 28, 32, 37, 38, 39 & 40)
36 1704180 2 WINDOW
37 1933886 1 NUT, Speed
38 1705876 1 CABLE, Double Loop
39 1921319 1 WASHER, Plain, 1/4
40 1960400 1 SCREW, Self-tapping, #10-12 x 5/8

30” & 34” Twin Bag Grass Catchers - Hitch
70
TP 400-2035-00-CO-SMA
© Copyright 1999 Simplicity Manufacturing, Inc. All Rights Reserved.
NOTE: Unless noted otherwise,
use the standard hardware torque
specification chart.
The above parts group applies to the following Mfg. Nos.:
1692149 30” Twin Bag Catcher 1692150 34” Twin Bag Catcher
1
2
3
4
5
6
7
8
9
8

30” & 34” Twin Bag Grass Catchers - Hitch
71
TP 400-2035-00-CO-SMA
REF NO. PART NO. QTY. DESCRIPTION
The above parts group applies to the following Mfg. Nos.:
1692149 30” Twin Bag Catcher 1692150 34” Twin Bag Catcher
1 102004 1 PIN, Round
2 176012 1 CLIP PIN, Safety
3 1709022 1 SUPPORT ASSY.
4 1709026 2 ANCHOR ASSY.
5 1709111 1 SUPPORT, Catcher
6 1917356 4 LOCKWASHER, 5/16
7 1917372 4 NUT, Hex, 5/16-18
8 1919326 8 WASHER, Plain 5/16
9 1923141 4 CAPSCREW, Hex Hd., 5/16-18 x 2-1/2

72
TP 400-2035-00-CO-SMA
© Copyright 1999 Simplicity Manufacturing, Inc. All Rights Reserved.
Part Number Index by Page Number
*221
*2820
*482
*4811
*4818
102004 70 1
108512 2 2
122023 24 10
122023 26 10
122023 28 30
153010 24 43
153124 50 35
156302 50 23
156302 56 18
157081 20 30
157081 50 28
157081 56 13
157127 36 13
158499 20 13
158499 22 31
158499 28 26
159106 28 18
159106 30 1
159106 36 23
159106 38 10
161176 24 44
164213 58 12
164247 46 8
171241 20 18
171241 22 32
171241 36 28
172353 46 4
172622 50 17
172622 60 18
173206 4 17
173206 8 17
173206 12 17
173668 16 17
176012 70 2
176440 4 21
176440 8 21
176440 12 21
176440 16 6
510334 32 150
770114A 32 3
772117 32 1
774688 32 48
774869 32 47
776299 32 66
776300 32 4
776302 32 161
776352 32 67
778122A 32 51
778125 32 49
778128A 32 58
778129A 32 59
778151 32 56
778249 32 57
778250 32 50
778260 32 15
778262 32 12
778263 32 54
778265 32 61
778278 32 7
778281 32 6
778290A 32 11
778321 32 52
778368 32 13
778368 32 14
780001 32 31
780072 32 29
780085 32 174
780086A 32 2
780090 32 76
780108 32 30
780159 32 34
780160 32 65A
780161 32 69
780162 32 65
780178 32 30B
784365 32 10
784373 32 9
786026 32 39
786066 32 45
786086 32 46
786139 32 17
786150 32 16
786155A 32 63
786157 32 18
788040 32 28
788061 32 23
788067B 32 90
788069 32 71
788076 32 33
788078A 32 77
790007 32 37
790025 32 44
790047 32 41
790071 32 36
792001 32 32
792035 32 27
792073A 32 25
792073A 32 42
792075 32 43
792076A 32 40
792085A 32 42A
792125 32 26
792137 32 85
792139 32 20
792142 32 22
792144 32 79
792160 32 8
799021 32 38
905123 28 21
912808 46 17
916001 16 4
918454 28 31
918454 36 32
921133 4 35
921133 8 35
921133 12 35
923471 52 20
923471 58 33
926267 64 23
927103 28 22
927794 46 11
934683 4 28
960202 46 5
960208 8 41
960208 12 56
960210 36 14
960361 20 15
960367 68 31
960478 28 19
960478 36 24
960604 28 32
1602946 60 11
1603618 24 32
1611705 50 2
1611705 56 19
1611710 46 20
1612103 24 22
1612103 26 22
1650670 20 25
1654565 28 33
1654565 36 33
1654930 4 13
1654930 8 13
1654930 12 13
1654930 42 51
1655651 50 15
1655651 60 7
1656916 52 19
1656916 58 32
1657242 58 21
1660007 4 22
1660007 8 22
1660007 12 22
1663180 46 6
1664019 52 17
1664090 46 19
1664847 50 20
1664847 58 34
1664847 60 22
1664947 54 5
1664953 54 7
1665036 54 6
1665237 24 15
1665237 26 15
1665238 24 17
1665238 26 17
1665419 64 28
1665835 52 29
1665835 58 22
1665872 24 20
1665872 26 20
1666332 16 25
1666759 38 45
1667248 68 33
1667286 4 44
1667286 8 44
1667286 12 44
1667805 24 19
1667805 26 19
1667812 58 16
1668487 50 33
1668513 60 13
1668827 30 33
1668827 38 47
1669105 52 24
1671260 50 6
1671260 56 6
1672023 68 20
1673320 4 50
1673320 8 50
1673320 12 50
1673333 46 21
1673796 12 55
1674231 4 14
1674231 8 14
1674231 12 14
1674440 38 49
1675043 68 28
1675707 68 25
1676183 20 29
1676183 22 17
1676460 28 24
1676519 46 12
1676648 24 4
1676648 26 4
1677274 52 7
1678381 16 3
1678392 16 40
1679163 64 20
1679163 66 17
1679164 64 22
1679164 66 19
1685215 24 21
1685215 26 21
1685290 24 14
1685290 26 14
1685483 4 9
1685483 8 9
1685670 50 30
1685670 50 30
1685672 56 10
1686615* 36 22
1686637 24 37
1686638 4 49
1686638 8 49
1686638 12 49
1686682 60 14
1686783 64 14
1701011 24 40
1701011 26 39
1701435 46 9
1701580 24 8
1701580 26 8
1702665 66 22
1703508 16 19
1703700 68 17
1703764 68 24
1703769 64 5
1703769 66 5
1703805 30 22
1703805 38 16
1703807 68 21
1703822 68 13
1703853 68 29
1703855 68 23
1703900 4 40
1703900 8 40
1703900 12 40
1704056 68 35
1704057 68 26
1704075 68 3
1704082 50 36
1704082 60 15
1704135 68 4
1704180 68 36
1704276 48 17
1704277 48 21
1704314 52 10
1704314 58 10
1704341 64 12
1704341 66 12
1704351 4 24
1704351 8 24
1704351 12 24
1704355 66 15
1704356 64 24
1704379 24 42
1704405 68 34
1704419 20 12
1704419 20 12
1704419 22 30
1704419 22 30
1704419 28 27
1704419 36 26
1704420 2 22
1704428 16 9
1704507 68 9
1704508 68 5
1704581 24 23
1704581 26 23
1704603 64 8
1704603 66 8
1704615 68 1
1704626 4 31
1704626 8 31
Part No. Page No Ref No. Part No. Page No Ref No. Part No. Page No Ref No. Part No. Page No Ref No. Part No. Page No Ref No.

73
TP 400-2035-00-CO-SMA
Part Number Index by Page Number
1704626 12 31
1704628 4 33
1704628 8 33
1704628 12 33
1704716 50 11
1704716 60 4
1704849 30 41
1704849 38 1
1704873 24 3
1704873 24 3
1704873 54 8
1704873 56 22
1704926 52 32
1704926 58 15
1705010* 66 27
1705080 56 24
1705248 4 34
1705248 8 34
1705248 12 34
1705249 4 32
1705249 8 32
1705249 12 32
1705449 56 25
1705876 68 38
1705897 52 11
1705897 58 6
1706011 2 19
1706014 16 16
1706019 2 34
1706037 48 20
1706173 42 46
1706174 42 45
1706175 42 39
1706252 30 32
1706256 30 5
1706260 30 38
1706260 38 9
1706264 30 40
1706264 38 2
1706388 30 19
1706450 20 19
1706450 22 33
1706450 28 25
1706454 28 23
1706709 56 4
1706737 58 30
1706738 58 37
1706739 66 28
1707056 26 28
1707057 16 31
1707209 30 10
1707210 30 14
1707280 50 7
1707280 56 7
1707286 60 5
1707300 50 3
1707300 56 8
1707335 52 8
1707335 58 8
1707375 16 13
1707424 16 11
1707432 50 25
1707432 56 16
1707435 52 27
1707540 50 4
1707567 60 23
1707589 28 1
1707684* 62 1
1707950 12 9
1708250 50 21
1708253 4 25
1708253 8 25
1708267 16 43
1708352 38 48
1708362 4 7
1708362 8 7
1708362 12 7
1708363 4 5
1708363 8 5
1708363 12 5
1708366 30 25
1708366 38 19
1708367 30 26
1708367 38 20
1708405 20 10
1708405 22 7
1708409 30 37
1708409 38 3
1708416 20 33
1708416 22 22
1708420 20 6
1708421 20 26
1708426 16 24
1708442 20 38
1708500 2 35
1708501 2 24
1708504 4 51
1708504 8 51
1708504 12 51
1708509 4 43
1708509 8 43
1708509 12 43
1708511 4 46
1708511 8 46
1708511 12 46
1708514 2 16
1708516 2 28
1708519 50 19
1708520 60 25
1708521 2 29
1708524 4 23
1708524 8 23
1708524 12 23
1708525 4 20
1708525 8 20
1708525 12 20
1708536 20 21
1708536 22 13
1708537 20 20
1708537 22 34
1708537 28 29
1708552 24 47
1708554 30 36
1708554 38 4
1708556 2 9
1708557 2 5
1708558 24 6
1708559 2 11
1708561 58 23
1708562 52 25
1708564 60 24
1708581 20 34
1708639 48 9
1708644 24 2
1708644 26 2
1708715 20 31
1708725 4 30
1708725 8 30
1708725 22 6
1708866 62 2
1708867 62 3
1708877 48 19
1708880 48 3
1708881 4 42
1708881 8 42
1708881 12 42
1708882 24 33
1708882 26 33
1708884 2 6
1708903 48 7
1708904 48 6
1708918 48 8
1708926 48 5
1708927 48 4
1708955 2 3
1708965 16 34
1708966 2 4
1708971 16 45
1708973 2 12
1708990 16 42
1709022 70 3
1709026 70 4
1709055 20 8
1709055 22 5
1709075 16 36
1709086 24 31
1709086 26 31
1709088 24 13
1709088 26 13
1709097 30 6
1709097 38 13
1709111 70 5
1709112 66 25
1709134 64 16
1709135 66 14
1709209 50 16
1709209 60 10
1709213 36 29
1709216 28 16
1709216 36 8
1709217 38 30
1709218 20 19
1709218 22 33
1709218 36 27
1709220 38 11
1709221 30 29
1709221 38 40
1709222 38 44
1709223 38 26
1709224 38 12
1709226 38 32
1709227 38 37
1709228 38 27
1709229 16 7
1709231 30 39
1709231 38 5
1709232 28 9
1709232 36 1
1709235 2 32
1709237 2 31
1709244 38 35
1709250 24 7
1709250 26 7
1709269 4 27
1709271 36 15
1709323 36 25
1709345 30 28
1709345 38 39
1709376 46 18
1709381 46 7
1709382 46 14
1709383 46 15
1709384 46 2
1709385 46 3
1709850 30 35
1709850 38 6
1709901 36 16
1709905 42 50
1709907 42 49
1709910 42 41
1709915 42 14
1709916 42 15
1709919 42 12
1709921 42 47
1709922 42 48
1709933 48 14
1710437 4 10
1710437 8 10
1710437 12 10
1710437 30 12
1710437 38 25
1710703 2 26
1713089 52 18
1713089 58 31
1713090 58 26
1713091 58 3
1713092 52 4
1713163 24 28
1713167 46 16
1713196 52 16
1713196 58 29
1713199 52 13
1713199 58 5
1713204 52 12
1713204 58 7
1713286 64 3
1713286 66 2
1713287 64 4
1713287 66 4
1713338 52 9
1713338 58 9
1713441 36 18
1713490 48 16
1713499 24 39
1713502 22 16
1713556 4 45
1713557 22 23
1713609 52 15
1713609 58 28
1713610 58 36
1713613 52 5
1713613 58 27
1713614 58 4
1713619 52 14
1713619 58 11
1713637 24 9
1713637 26 9
1713642 24 16
1713642 26 16
1713675 52 3
1713675 58 2
1713742 28 10
1713839 4 47
1713839 8 47
1713839 12 47
1713841 16 1
1713843 16 14
1713846 20 35
1713846 22 3
1713855 16 30
1713857 16 47
1713962 48 13
1713963 48 13
1713964 48 6
1713965 48 7
1714020 4 8
1714020 8 8
1714020 12 8
1714040 20 36
1714054 24 34
Part No. Page No Ref No. Part No. Page No Ref No. Part No. Page No Ref No. Part No. Page No Ref No. Part No. Page No Ref No.

74
TP 400-2035-00-CO-SMA
© Copyright 1999 Simplicity Manufacturing, Inc. All Rights Reserved.
Part Number Index by Page Number
1714055 24 35
1714062 30 30
1714065 22 2
1714078 12 30
1714081 16 27
1714082 16 28
1714320 24 42
1714320 26 32
1714419 52 2
1714419 58 1
1714431 42 17
1714435 48 3
1714448 48 13
1714482 4 48
1714482 8 48
1714482 12 48
1714625 4 49
1714625 8 49
1714625 12 49
1714737 42 37
1714738 42 38
1714739 42 36
1714740 42 35
1714741 42 40
1714808 42 13
1714925 46 22
1714926 46 13
1715141 42 44
1715142 42 43
1715143 42 53
1715144 42 55
1715145 42 54
1715146 42 30
1715147 42 57
1715148 42 56
1715149 42 6
1715150 42 23
1715151 42 22
1715152 42 20
1715154 42 9
1715155 42 8
1715156 42 7
1715157 42 3
1715158 42 11
1715159 42 10
1715162 42 27
1715163 42 33
1715164 42 1
1715165 42 5
1715170 42 25
1715171 42 31
1715172 42 32
1715178 42 34
1715179 42 29
1715180 42 28
1715181 42 26
1715182 42 2
1715183 42 52
1715233 42 21
1715435 52 23
1715636 48 15
1715759 50 26
1715759 56 15
1715797 42 24
1715953 8 45
1715955 26 1
1715956 24 1
1715956 26 3
1715962 4 3
1715962 8 3
1715962 12 3
1715970 8 28
1715970 12 28
1716024 22 26
1716035 30 4
1716061 26 37
1716080 22 25
1716120 48 13
1716123 48 6
1716124 48 7
1716125 48 6
1716126 48 6
1716126 48 7
1716332 24 38
1716332 26 38
1717163 26 34
1717321 28 4
1717431 48 10
1717449 48 10
1717549 26 36
1717550 26 35
1717666 12 27
1717687 48 12
1717689 48 13
1717690 48 13
1717691 48 13
1717692 48 1
1717717 48 6
1717718 48 7
1717727 48 7
1718298 8 3
1718376 8 25
1718376 12 25
1718537 26 6
1718678 4 16
1718678 8 16
1718678 12 16
1718841 8 27
1718945 8 45
1718945 12 45
1719682 28 35
1719683 28 34
1719683 36 34
1719725 28 6
1719725 36 5
1719746 52 1
1719819 58 25
1910531 68 32
1913744 50 5
1913744 56 5
1916622 24 30
1916622 26 30
1916622 54 4
1916622 56 1
1916622 64 30
1916950 24 27
1916950 26 27
1916950 50 38
1916950 52 34
1916950 58 18
1916950 60 17
1916964 24 29
1916964 26 29
1916964 30 17
1916964 54 3
1916964 56 2
1916964 64 29
1916965 50 37
1916965 52 33
1916965 58 17
1916965 60 16
1916966 36 30
1917356 4 41
1917356 12 41
1917356 20 3
1917356 22 9
1917356 24 12
1917356 26 12
1917356 30 20
1917356 38 23
1917356 38 42
1917356 50 9
1917356 60 2
1917356 62 4
1917356 66 21
1917356 68 19
1917356 70 6
1917372 8 38
1917372 12 38
1917372 20 4
1917372 22 20
1917372 30 21
1917372 38 22
1917372 38 43
1917372 50 8
1917372 60 1
1917372 62 5
1917372 66 20
1917372 68 18
1917372 70 7
1917421 16 46
1918199 20 23
1918199 22 14
1918447 2 8
1918447 16 12
1918447 30 3
1918447 38 7
1918447 42 18
1919262 36 31
1919326 20 2
1919326 22 19
1919326 30 2
1919326 38 8
1919326 38 41
1919326 50 10
1919326 56 23
1919326 60 3
1919326 64 7
1919326 66 7
1919326 70 8
1919381 2 25
1919381 4 36
1919381 8 36
1919381 8 54
1919381 12 36
1919381 22 8
1919381 28 11
1919381 30 13
1919381 36 19
1919381 38 24
1919384 28 13
1919438 24 41
1919438 30 8
1919438 38 15
1919438* 62 6
1919438 64 13
1919438 66 13
1919439 2 10
1919439 50 27
1919439 56 17
1920161 64 15
1920263 24 11
1920263 26 11
1920328 2 30
1920397 36 17
1920415 50 29
1920415 56 11
1920427 24 26
1920427 26 26
1921176 28 36
1921176 36 3
1921210 50 24
1921210 56 14
1921221 16 21
1921319 16 37
1921319 24 25
1921319 26 25
1921319 30 18
1921319 54 2
1921319 68 39
1921332 20 7
1921333 4 1
1921333 8 1
1921333 12 1
1921333 22 35
1921333 28 12
1921333 30 31
1921966 68 14
1921969 2 14
1921971 2 18
1921971 28 3
1921972 58 13
1921977 4 39
1921977 8 39
1921977 12 39
1922127 12 54
1922127 24 46
1922127 38 36
1922234 30 16
1922755 2 17
1922755 20 14
1922755 28 2
1922755 52 31
1923141 70 9
1923300 22 29
1923341 12 29
1923341 24 24
1923341 26 24
1923341 38 52
1923701 16 26
1923701 52 30
1923735 20 1
1923735 22 27
1923903 52 21
1924009 16 38
1924356 2 13
1924356 16 23
1924356 52 22
1924356 58 24
1924359 30 9
1924359 38 28
1924361 16 10
1924361 28 37
1924361 30 23
1924361 36 4
1924361 38 17
1924361 50 18
1924361 60 19
1924366 50 32
1924366 60 12
1924856 4 29
1924856 8 29
1924856 20 5
1924856 22 24
1924856 30 27
1924856 38 21
1924874 22 28
1924874 42 16
1924940 2 7
1924940 4 11
Part No. Page No Ref No. Part No. Page No Ref No. Part No. Page No Ref No. Part No. Page No Ref No. Part No. Page No Ref No.

75
TP 400-2035-00-CO-SMA
Part Number Index by Page Number
Part No. Page No Ref No. Part No. Page No Ref No. Part No. Page No Ref No. Part No. Page No Ref No. Part No. Page No Ref No.
1924940 8 11
1924940 12 11
1924940 24 45
1924940 28 17
1924940 38 29
1924940 50 22
1924940 52 26
1924940 56 12
1924940 58 14
1925003 4 2
1925003 8 2
1925003 12 2
1925003 16 35
1925003 24 18
1925003 26 18
1925592 16 29
1927428 68 10
1927429 38 51
1927557 4 38
1927557 28 15
1927557 36 7
1927557 64 21
1927557 66 18
1928352 16 20
1928352 50 31
1928352 52 28
1928352 58 35
1928352 60 21
1928352 68 15
1928635 28 14
1928698 64 19
1928698 66 16
1928731 52 35
1928919 64 1
1928919 66 1
1928919 68 30
1928957 58 20
1929477 24 5
1929477 26 5
1930531 64 2
1930531 66 3
1930531 68 27
1930591 4 19
1930591 4 37
1930591 8 19
1930591 8 37
1930591 12 19
1930591 12 37
1930591 16 41
1930591 36 2
1930598 20 24
1930641 16 48
1930641 38 34
1930642 8 53
1930642 12 53
1930642 16 39
1930642 68 7
1930644 2 33
1930644 28 7
1930644 36 6
1930645 2 15
1930645 30 34
1930645 50 1
1930645 56 20
1930645 58 19
1930651 2 1
1931202 12 12
1931277 4 4
1931277 8 4
1931277 12 4
1931277 16 33
1931277 20 9
1931317 54 9
1931318 38 31
1931318 56 9
1931332 36 9
1931332 66 26
1931333 4 6
1931333 8 6
1931333 12 6
1931333 62 7
1931333 68 22
1931334 28 8
1931335 2 23
1931335 30 15
1931338 66 24
1931342 30 24
1931342 38 18
1931350 16 18
1931352 50 14
1931352 60 8
1931355 38 50
1933263 20 11
1933263 22 11
1933689 20 17
1933689 36 21
1933886 68 37
1933896 64 17
1933988 4 18
1933988 8 18
1933988 12 18
1933988 16 32
1935048 2 20
1935048 28 5
1935048 36 20
1935048 64 10
1935048 66 10
1935105 64 27
1935159 36 10
1935255 4 26
1935255 8 26
1935255 12 26
1935255 16 44
1935255 20 16
1935255 20 32
1935255 22 21
1936228 20 27
1950021 22 12
1960020 28 28
1960020 50 34
1960044 30 7
1960044 38 14
1960074 50 13
1960074 60 9
1960077 68 11
1960096 64 18
1960096 68 8
1960112 4 15
1960112 8 15
1960112 12 15
1960114 16 15
1960114 46 10
1960122 64 6
1960122 66 6
1960151 36 12
1960160 16 5
1960170 2 27
1960170 16 8
1960185 64 9
1960185 66 9
1960221 68 16
1960223 30 11
1960223 38 33
1960223 38 38
1960223 50 12
1960223 60 6
1960223 64 25
1960236 2 21
1960251 38 46
1960252 68 12
1960273 64 26
1960273 66 23
1960295 4 52
1960295 8 52
1960295 12 52
1960339 16 22
1960353 56 3
1960370 20 22
1960370 22 15
1960371 64 11
1960371 66 11
1960373 4 12
1960373 8 12
1960373 52 6
1960381 68 2
1960399 68 6
1960400 68 40
1960405 22 10
1960483 20 28
1960483 22 18
1960509 36 11
1960518 54 1
1960518 56 21
1960520 60 20
1960536 20 37
1960536 22 4
1960540 16 2
1960547 24 36
8221042 46 1
61685672 56 10

76
TP 400-2035-00-CO-SMA
© Copyright 1999 Simplicity Manufacturing, Inc. All Rights Reserved.
Torque Specification Chart
FOR STANDARD MACHINE HARDWARE (Tolerance ± 20%)
Hardware
Grade
SAE Grade 2 SAE Grade 5 SAE Grade 8
Size Of
in/lbs in/lbs
in/lbs
Hardware ft/lbs Nm. ft/lbs Nm. ft/lbs Nm.
8-32
19
2.1
30
3.4
41
4.6
8-36
20
2.3
31
3.5
43
4.9
10-24
27
3.1
43
4.9
60
6.8
10-32
31
3.5
49
5.5
68
7.7
1/4-20
66
7.6 810.9 12 16.3
1/4-28
76
8.6 10 13.6 14 19.0
5/16-18 11 15.0 17 23.1 25 34.0
5/16-24 12 16.3 19 25.8 27 34.0
3/8-16 20 27.2 30 40.8 45 61.2
3/8-24 23 31.3 35 47.6 50 68.0
7/16-14 30 40.8 50 68.0 70 95.2
7/16-20 35 47.6 55 74.8 80 108.8
1/2-13 50 68.0 75 102.0 110 149.6
1/2-20 55 74.8 90 122.4 120 163.2
9/16-12 65 88.4 110 149.6 150 204.0
9/16-18 75 102.0 120 163.2 170 231.2
5/8-11 90 122.4 150 204.0 220 299.2
5/8-18 100 136 180 244.8 240 326.4
3/4-10 160 217.6 260 353.6 386 525.0
3/4-16 180 244.8 300 408.0 420 571.2
7/8-9 140 190.4 400 544.0 600 816.0
7/8-14 155 210.8 440 598.4 660 897.6
1-8 220 299.2 580 788.8 900 1,244.0
1-12 240 326.4 640 870.4 1,000 1,360.0
Hex Head Capscrew
Hex Nut
Lockwasher
Washer
Carriage Bolt
NOTES
1. These torque values are to be used for all hardware
excluding: locknuts, self-tapping screws, thread forming
screws, sheet metal screws and socket head setscrews.
2. Recommended seating torque values for locknuts:
a. for prevailing torque locknuts - use 65% of grade 5
torques.
b. for flange whizlock nuts and screws - use 135% of
grade 5 torques.
3. Unless otherwise noted on assembly drawings, all torque
values must meet this specification.
Hardware Identification & Torque Specifications
Common Hardware Types
Screw, 1/2 x 2
Body
Diameter
Body
Length
Inside
Diameter
Nut, 1/2”
No
Marks
3/8” Bolt or Nut
Wrench—9/16”
3/8
5/16” Bolt or Nut
Wrench—1/2”
5/16
1/4” Bolt or Nut
Wrench—7/16”
1/4
1/2” Bolt or Nut
Wrench—3/4”
1/2
DIA.
7/16
DIA.
7/16” Bolt or Nut
Wrench (Bolt)—5/8”
Wrench (Nut)—11/16”
Wrench & Fastener Size Guide
Standard Hardware Sizing
When a washer or nut is identified as 1/2”, this is the
Nominal size
, meaning the
inside diameter
is 1/2 inch; if a
second number is present it represent the
threads per inch
When bolt or capscrew is identified as 1/2 - 16 x 2”, this
means the
Nominal size
, or
body diameter
is 1/2 inch; the
second number represents the
threads per inch
(16 in this
example, and the final number is the
body length
of the
bolt or screw (in this example 2 inches long).
The guides and ruler furnished below are designed to
help you select the appropriate hardware and tools.
01/4 3/4
1/2 11/4 3/4
1/2 21/4 3/4
1/2 31/4 3/4
1/2 4