Simplicity Legacy Xl 2027 Parts Manual / 2927 Series Garden Tractors & Mower Decks
2WD Series 8f7b49f3-a61a-4365-973c-0ea593dfa719
2014-12-13
: Simplicity Simplicity-Legacy-Xl-2027-Parts-Manual-126794 simplicity-legacy-xl-2027-parts-manual-126794 simplicity pdf
Open the PDF directly: View PDF
.
Page Count: 120 [warning: Documents this large are best viewed by clicking the View PDF Link!]

Parts Manual
Rev. 04/2005
Legacy XL / 2027 / 2927
Series Garden Tractors & Mower Decks
TP 400-3469-01-XL-SMA
Mf
g
. No. Descri
p
tion
27HP Product
1694413 Legacy XL, 27HP B&S Diesel 4WD 540 3-Pt
1694416 Legacy XL, 27HP KOH 4WD 540 3-Pt
1694417 Legacy XL, 27HP KOH 4WD
1694418 Legacy XL, 27HP B&S Diesel 2WD
1694420 Legacy XL, 27HP KOH 2WD
1694428 2927, 27HP KOH 2WD
1694445 Legacy XL, 27HP LC KAW 4WD 540 3-Pt
1694446 Legacy XL, 27HP LC KAW 2WD
1694447 2927, 27HP LC KAW 4WD 540 3-Pt
1694448 2927, 27HP LC KAW 4WD
1694451 Legacy XL, 27HP LC KAW 4WD
1694501 2027, 27HP KOH 2WD
1694502 2027, 27HP LC KAW 4WD
1694503 2027, 27HP LC KAW 4WD 540 3-Pt
1694505 2927, 27HP B&S Diesel 4WD 540 3-Pt (CE)
1694506 Legacy XL, 27HP B&S Diesel 4WD 540 3-Pt (CE)
1694539 2027, 27HP B&S Diesel 4WD 540 3-Pt
1694540 2927, 27HP B&S Diesel 4WD 540 3-Pt
1694541 2027, 27HP B&S Diesel 4WD 540 3-Pt (CE)
1694549 Legacy XL, 27HP B&S Diesel 2WD (CE)
1694550 2927, 27HP B&S Diesel 2WD
Mf
g
. No. Descri
p
tion
Mower Decks
1694432 48" Mower Deck
1694477 48" Mower Deck
1694397 54" Mower Deck
1694478 54" Mower Deck
1694507 54" Mower Deck (CE)
1694509 54" Mower Deck (CE)
1694398 60" Mower Deck
1694479 60" Mower Deck

Table Of Content
s
Torque Specification Chart ..................................................................... Inside Back Cover
PRODUCT COMPONENTS PAGES
Frame & Transmission Group .............................................................................................................................. 4
Steering & Front Axle Group ................................................................................................................................ 6
Engine Group - 27HP Briggs & Stratton Diesel Diagram 1 ................................................................................. 10
Engine Group - 27HP Briggs & Stratton Diesel Diagram 2 ................................................................................. 14
Engine Group - 27HP Kawasaki .......................................................................................................................... 18
Engine Group - 27HP Kohler ............................................................................................................................... 22
Transmission SERVICE PARTS - Tuff Torq K92A, 2WD .................................................................................... 26
Transmission SERVICE PARTS - Tuff Torq K92B, 4WD .................................................................................... 34
Transmission SERVICE PARTS - Tuff Torq K92C, 4WD 540 ............................................................................ 44
Transaxle SERVICE PARTS - Shibuara .............................................................................................................. 54
Hydraulic Group ................................................................................................................................................... 58
Controls Group ..................................................................................................................................................... 62
Electrical Group - 27HP Briggs & Stratton Diesel ................................................................................................ 66
Electrical Group - 27HP Kohler & Kawasaki ........................................................................................................ 70
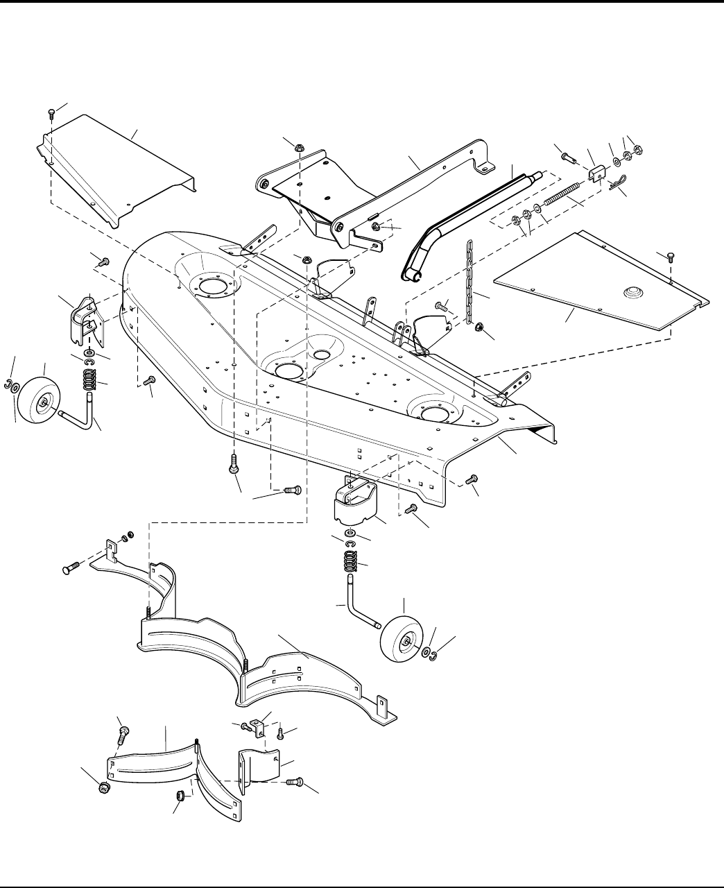
Body Group .......................................................................................................................................................... 72
Wheel & Tires Group ........................................................................................................................................... 76
Decals Group - Brand & Model ............................................................................................................................ 78
Decals Group - Safety & Common ...................................................................................................................... 80
3-Point Hitch Group ............................................................................................................................................. 82
48" Mower Deck - Arbor & Drive Group ............................................................................................................... 84
48" Mower Deck - Deflector & Hitch Group ......................................................................................................... 88
48" Mower Deck - Height Adjustment & Roller Group ......................................................................................... 90
48" Mower Deck - Housing & Cover Group ......................................................................................................... 94
54" Mower Deck - Drive Group ............................................................................................................................ 96
54" Mower Deck - Height Adjustment & Roller Group ......................................................................................... 98
54" Mower Deck - Housing & Arbor Group .......................................................................................................... 102
60" Mower Deck - Arbor & Drive Group ............................................................................................................... 106
60" Mower Deck - Deflector & Hitch Group ......................................................................................................... 110
60" Mower Deck - Height Adjustment & Roller Group ......................................................................................... 112
60" Mower Deck - Housing & Cover Group ......................................................................................................... 116

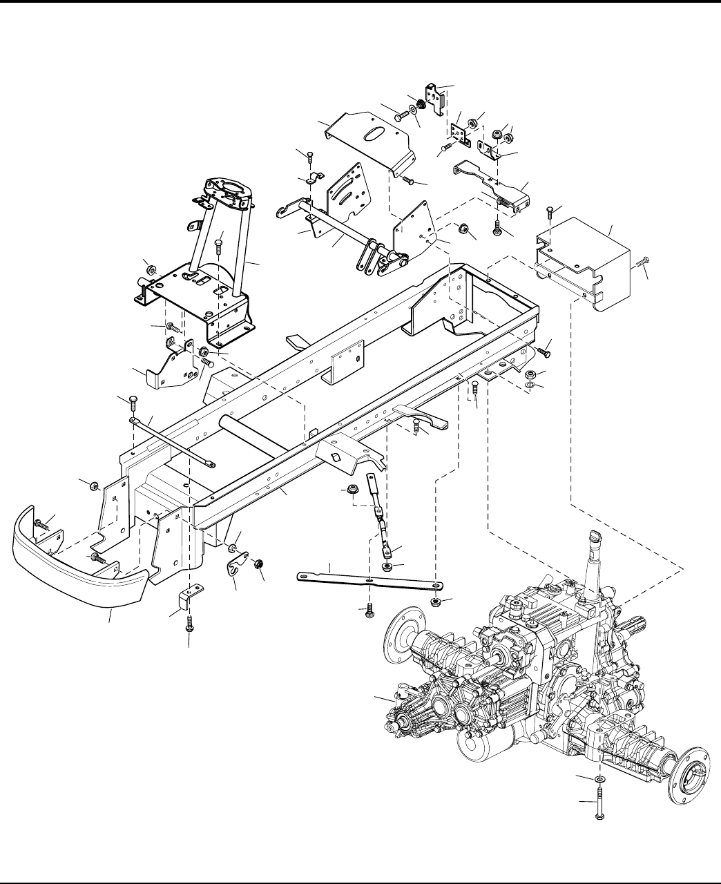
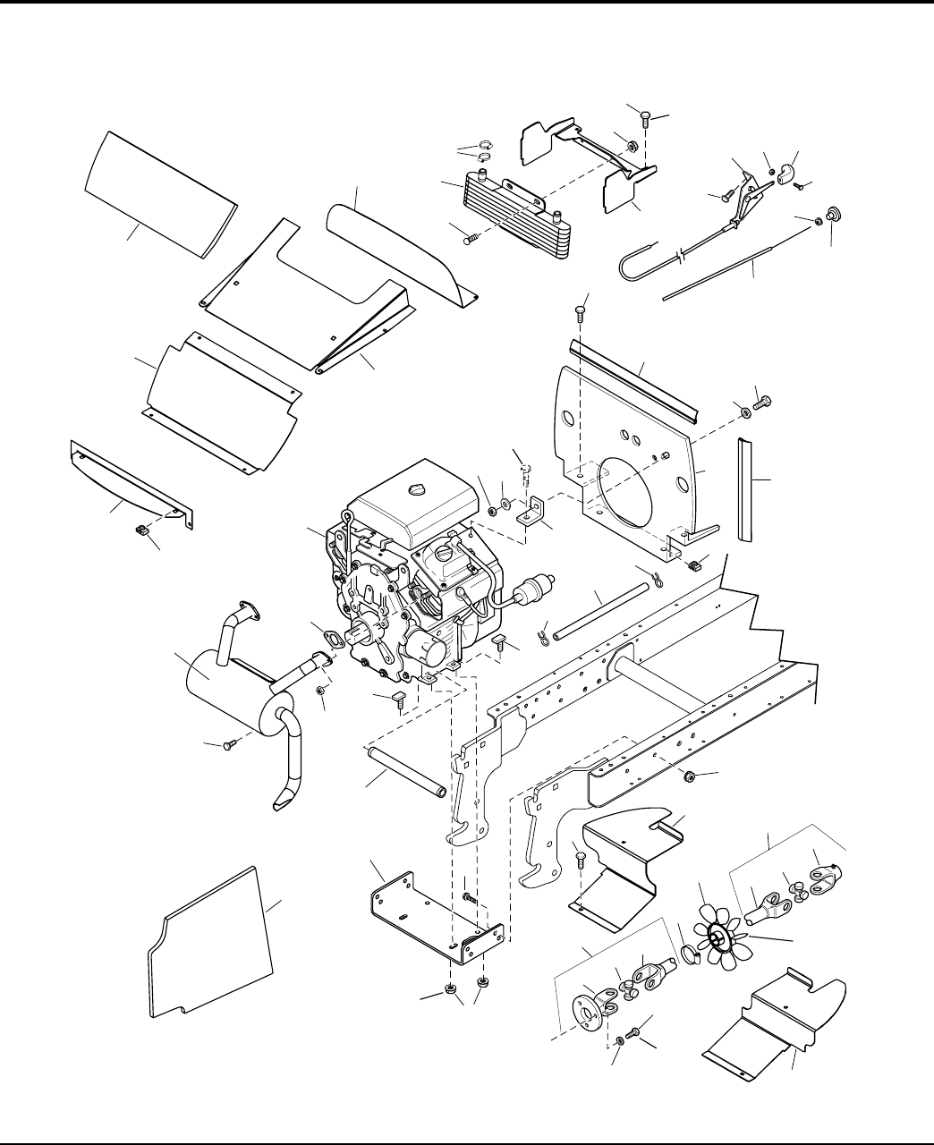
Frame & Transmission Group
NOTE: Unless noted otherwise,
use the standard hardware torque
specification chart.
11
17
15
19
12
18
14
16
13
20 21
27
25
29
22
28
24
26
23
30
31
37
35
39
32
38
34
36
33
1
7
5
9
2
8
4
6
3
10
611
6
10
11
1
1
10
1
40
10
1
1
25
25
32
32
25
986308
The above parts group applies to the following Mfg. Nos.:
2005 4
© Copyright Simplicity Manufacturing, Inc. All Rights Reserved.
1694413 - Le
g
ac
y
XL
1694416 - Legacy XL
1694417 - Le
g
ac
y
XL
1694418 - Le
g
ac
y
XL
1694420 - Le
g
ac
y
XL
1694428 - 2927
1694445 - Le
g
ac
y
XL
1694446 - Legacy XL
1694447 - 2927
1694448 - 2927
1694451 - Le
g
ac
y
XL
1694501 - 2027
1694502 - 2027
1694503 - 2027
1694505 - 2927
1694506 - Le
g
ac
y
XL
1694539 - 2027
1694540 - 2927
1694541 - 2027
1694549 - Legacy XL
1694550 - 2927
TP 400-3469-01-XL-SMA

PART NO. DESCRIPTIONREF NO QTY.
Frame & Transmission Group
Footnotes
1 1664847 22 CAPSCREW, Hex, Washer Head, Taptite, 5/16-18 x 3/4, Black
2 1725752 1 BRACKET, Upstop
3 1725171 1 BUMPER & BRACKETS ASSEMBLY
4 1960706 2 CARRIAGE BOLT-RD, 1/2-13 x 2, Black
5 1920328 2 CAPSCREW, Hex Head, 1/2-13 x 1-1/2, Black
6 1960708 4 NUT, Hex, Lock ESNA, 1/2-13
7 1923683 2 CAPSCREW, Hex Washer Head, 3/8-16 x 3/4, Black, (540 PTO Models Only)
8 1725242 1 ROD, (Gas Models Only)
9 1724838 1 SUPPORT, Control Valve
10 1931333 6 CARRIAGE BOLT, 5/16-18 x 3/4, Black
11 1960684 6 NUT, Hex, KEPS 5/16-18, Black
12 1724108 1 TOWER ASSEMBLY
13 1725095 1 SUPPORT, Seat Support, RH
14 1724765 1 SHAFT ASSEMBLY
15 1725096 1 SUPPORT, Seat Support, LH
16 1720147 2 STRAP
17 1725094 1 SUPPORT, Seat Deck
18 1921333 1 CAPSCREW, Hex Head, 5/16-18 x 1, Black
19 1919326 1 WASHER, 5/16, Black
20 153010 1 SPRING, Compresion, Conocal
21 1724248 1 BRACKET, Free Wheel
22 1725308 1 SUPPORT, Free Wheel Latch
23 1725081 1 SUPPORT, Dump Valve
24 1724244 1 BRACKET, Torque Strap
25 1931350 9 CARRIAGE BOLT, 3/8-16 x 1 Black
26 1724817 1 SHIELD & BRACKET ASSEMBLY
27 1960677 2 CAPSCREW, Hex Head, M12-1.75 x 25MM, (540 PTO Models Only)
28 1960687 4 NUT, Hex, Flange ESNA, 3/8-16, Black
29 1960423 4 NUT, Hex Flange Center Lock, M12-1.25, Black
30 1916966 4 LOCKWASHER, 1/2, Black
31 1725635 1 ROD
32 1960680 5 NUT, Hex, KEPS 3/8-16, Black
33 1724936 1 BRACE, Cross
34 1724144 1 FRAME ASSEMBLY
35 1913744 2 NUT, Hex, Jam, 1/2-13, Black
36 1726019 2 LOCK, Hood
37 1924361 4 WASHER, 1/2
38 1960482 4 CAPSCREW, Hex Head, M12-1.25 x100MM, Black
39 1724561 1 TRANSMISSION ASSEMBLY, 4WD, K92C, W/540
39 1723939 1 TRANSMISSION ASSEMBLY, 2WD, K92A
39 1723940 1 TRANSMISSION ASSEMBLY, 4WD, K92B
40 1960686 1 NUT, Hex, Flange ESNA, 5/16-18, Black
The above parts group applies to the following Mfg. Nos.:
2005 5
© Copyright Simplicity Manufacturing, Inc. All Rights Reserved.
1694413 - Le
g
ac
y
XL
1694416 - Legacy XL
1694417 - Le
g
ac
y
XL
1694418 - Le
g
ac
y
XL
1694420 - Le
g
ac
y
XL
1694428 - 2927
1694445 - Le
g
ac
y
XL
1694446 - Legacy XL
1694447 - 2927
1694448 - 2927
1694451 - Le
g
ac
y
XL
1694501 - 2027
1694502 - 2027
1694503 - 2027
1694505 - 2927
1694506 - Le
g
ac
y
XL
1694539 - 2027
1694540 - 2927
1694541 - 2027
1694549 - Legacy XL
1694550 - 2927
TP 400-3469-01-XL-SMA

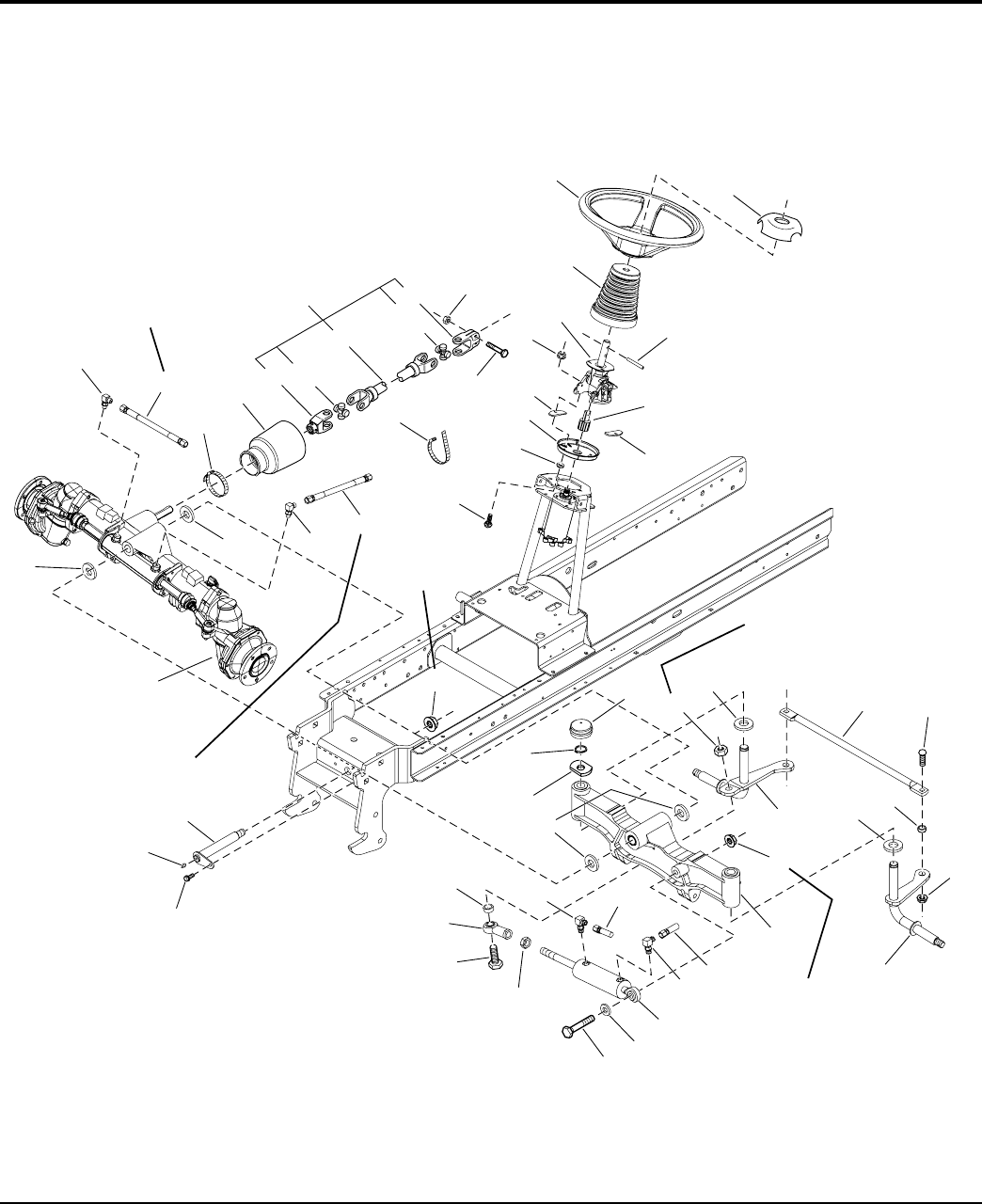
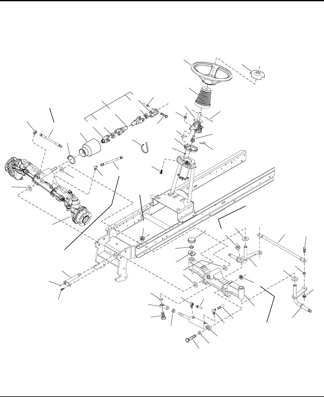
Steering & Front Axle Group
NOTE: Unless noted otherwise,
use the standard hardware torque
specification chart.
Torque to
150 ft. lbs.
204 Nm
Torque to
150 ft. lbs.
204 Nm
Hydraulic hose Ref. 4
connects to "R" port of
power steering unit.
Hydraulic hose Ref. 5
connects to "L" port of
power steering unit.
Torque to
150 ft. lbs.
204 Nm
17
15
19
12
18
14
16
13
20
21
27
25
29
22
28
24
26
23
30
1
7
5
9
2
8
4
6
3
10
62
41
47
45
49
42
48 44
46
43
50
28
31
37
35
39
32
38 34
36 33
40
23
11 10
19
29
5
4
38
986313
The above parts group applies to the following Mfg. Nos.:
2005 6
© Copyright Simplicity Manufacturing, Inc. All Rights Reserved.
1694413 - Le
g
ac
y
XL
1694416 - Legacy XL
1694417 - Le
g
ac
y
XL
1694418 - Le
g
ac
y
XL
1694420 - Le
g
ac
y
XL
1694428 - 2927
1694445 - Le
g
ac
y
XL
1694446 - Legacy XL
1694447 - 2927
1694448 - 2927
1694451 - Le
g
ac
y
XL
1694501 - 2027
1694502 - 2027
1694503 - 2027
1694505 - 2927
1694506 - Le
g
ac
y
XL
1694539 - 2027
1694540 - 2927
1694541 - 2027
1694549 - Legacy XL
1694550 - 2927
TP 400-3469-01-XL-SMA

PART NO. DESCRIPTIONREF NO QTY.
Steering & Front Axle Group
Footnotes
1 1724273 1 AXLE ASSSEMBLY
2 1960201 2 WASHER
3 1725013 2 FITTING, Elbow Hose
4 1725012 1 HOSE ASSEMBLY, Hydraulic
5 1724890 1 HOSE ASSEMBLY, Hydrualic
6 1725617 1 CLAMP, Worm Hose
7 1725581 1 COVER, Drive Shaft
8 1724562 1 SHAFT ASSEMBLY
9 * 1 YOKE & FLANGE, Drive Shaft
10 * 2 CROSS & BEARING KIT, Includes Grease Fitting
11 * 1 YOKE & TUBE ASSEMBLY
12 * 1 YOKE, Drive Shaft
13 1919439 2 NUT, Hex, Lock, 3/8-16 NC
14 1921971 2 CAPSCREW, Hex Head, 3/8-16 x 1-3/4 G5
15 925094 2 TIE, Self Locking
16 1960223 3 CARRIAGE BOLT, 5/16-16 x 1 G5
17 1933988 3 NUT, Push, 1/4
18 1724685 1 PLATE, Steering
19 1723898 2 SPACER, Flat
20 1960684 3 NUT, Hex, 5/16-18
21 1726026 1 TILT STEERING UNIT, 2 Holes, Legacy
22 1724368 1 BELLOWS, Tilt Steering Unit With Slot
23 1724576 1 STEERING WHEEL
24 1715920 1 CAP, Steering Wheel
25 1960540 1 PIN, Spring, 5/16 x 2-1/2
26 1725294 1 ADAPTER TILT, 9 Tooth With Powerdered Metal
27 1725651 2 COVER, Spindle
28 1960691 2/1 NUT, Hex, Toplock Flange 3/4-10
29 1960701 2 WASHER
30 1724923 1 ROD, Tie
31 1960135 2 CARRIAGE BOLT,7/16-14 x 1-1/4
32 1716953 2 SPACER, .390 LG With Powdered Metal
33 1960688 2 NUT, Hex, Toplock Flange, 7/16-14
34 1724574 1 SPINDLE & ARM ASSEMBLY, Left Hand
35 1724575 1 SPINDLE & ARM ASSEMBLY, Right Hand
36 1960690 1 NUT, Hex, Toplock Flange, 5/8-11
37 1725465 1 AXLE & BUSHINGS ASSEMBLY
38 1725021 2 FITTING, Elbow Hose
39 1724925 1 CYLINDER, Hydraulic Steering
40 1960020 1 WASHER, 5/8
41 1960329 1 CAPSCREW, Hexagon Head, 5/8-11 x 4 G5
42 1922015 1 NUT, Hex Jam, 3/4-16
43 1960712 1 CAPSCREW, Hex Head, 3/4-10 x 2-1/2 G5
44 1717589 1 JOINT, Ball, 3/4-16
* Part number(s) not available at this time.
The above parts group applies to the following Mfg. Nos.:
2005 7
© Copyright Simplicity Manufacturing, Inc. All Rights Reserved.
1694413 - Le
g
ac
y
XL
1694416 - Legacy XL
1694417 - Le
g
ac
y
XL
1694418 - Le
g
ac
y
XL
1694420 - Le
g
ac
y
XL
1694428 - 2927
1694445 - Le
g
ac
y
XL
1694446 - Legacy XL
1694447 - 2927
1694448 - 2927
1694451 - Le
g
ac
y
XL
1694501 - 2027
1694502 - 2027
1694503 - 2027
1694505 - 2927
1694506 - Le
g
ac
y
XL
1694539 - 2027
1694540 - 2927
1694541 - 2027
1694549 - Legacy XL
1694550 - 2927
TP 400-3469-01-XL-SMA

Steering & Front Axle Group
NOTE: Unless noted otherwise,
use the standard hardware torque
specification chart.
Torque to
150 ft. lbs.
204 Nm
Torque to
150 ft. lbs.
204 Nm
Hydraulic hose Ref. 4
connects to "R" port of
power steering unit.
Hydraulic hose Ref. 5
connects to "L" port of
power steering unit.
Torque to
150 ft. lbs.
204 Nm
17
15
19
12
18
14
16
13
20
21
27
25
29
22
28
24
26
23
30
1
7
5
9
2
8
4
6
3
10
62
41
47
45
49
42
48 44
46
43
50
28
31
37
35
39
32
38 34
36 33
40
23
11 10
19
29
5
4
38
986313
The above parts group applies to the following Mfg. Nos.:
2005 8
© Copyright Simplicity Manufacturing, Inc. All Rights Reserved.
1694413 - Le
g
ac
y
XL
1694416 - Legacy XL
1694417 - Le
g
ac
y
XL
1694418 - Le
g
ac
y
XL
1694420 - Le
g
ac
y
XL
1694428 - 2927
1694445 - Le
g
ac
y
XL
1694446 - Legacy XL
1694447 - 2927
1694448 - 2927
1694451 - Le
g
ac
y
XL
1694501 - 2027
1694502 - 2027
1694503 - 2027
1694505 - 2927
1694506 - Le
g
ac
y
XL
1694539 - 2027
1694540 - 2927
1694541 - 2027
1694549 - Legacy XL
1694550 - 2927
TP 400-3469-01-XL-SMA

PART NO. DESCRIPTIONREF NO QTY.
Steering & Front Axle Group
Footnotes
45 1722461 1 SPACER, 3/8 LG With Powdered Metal
46 1722726 2 WASHER
47 932577 2 RING, Retaining
48 1664847 1 SCREW, Hex Washer Head, Taptite, 5/16-18 x 3/4
49 1704314 1 FITTING, Lube, 1/4 Drive
50 1724841 1 SHAFT & ANCHOR ASSEMBLY, Pivot
* Part number(s) not available at this time.
The above parts group applies to the following Mfg. Nos.:
2005 9
© Copyright Simplicity Manufacturing, Inc. All Rights Reserved.
1694413 - Le
g
ac
y
XL
1694416 - Legacy XL
1694417 - Le
g
ac
y
XL
1694418 - Le
g
ac
y
XL
1694420 - Le
g
ac
y
XL
1694428 - 2927
1694445 - Le
g
ac
y
XL
1694446 - Legacy XL
1694447 - 2927
1694448 - 2927
1694451 - Le
g
ac
y
XL
1694501 - 2027
1694502 - 2027
1694503 - 2027
1694505 - 2927
1694506 - Le
g
ac
y
XL
1694539 - 2027
1694540 - 2927
1694541 - 2027
1694549 - Legacy XL
1694550 - 2927
TP 400-3469-01-XL-SMA

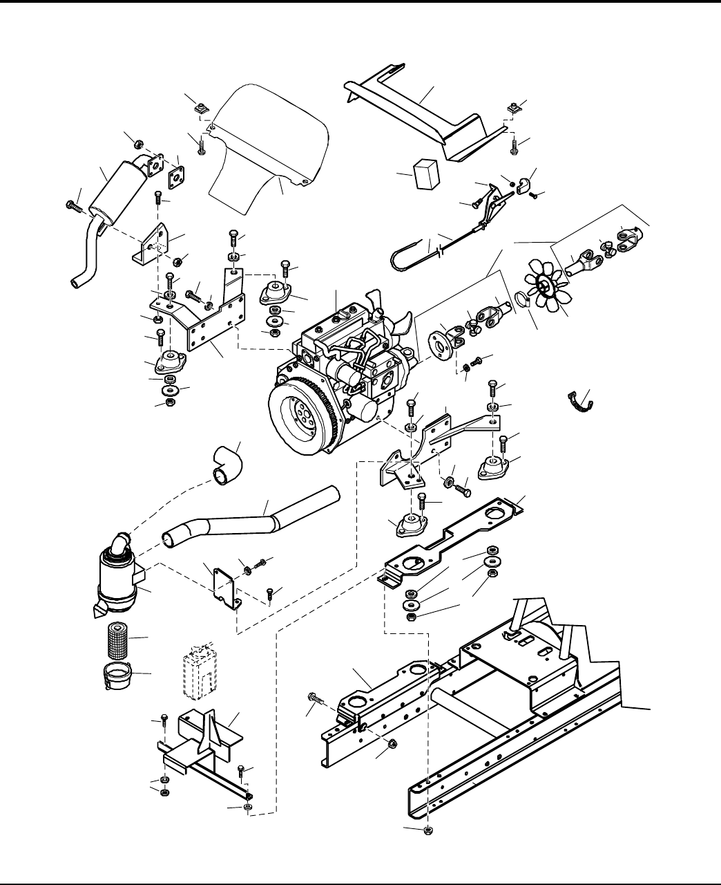
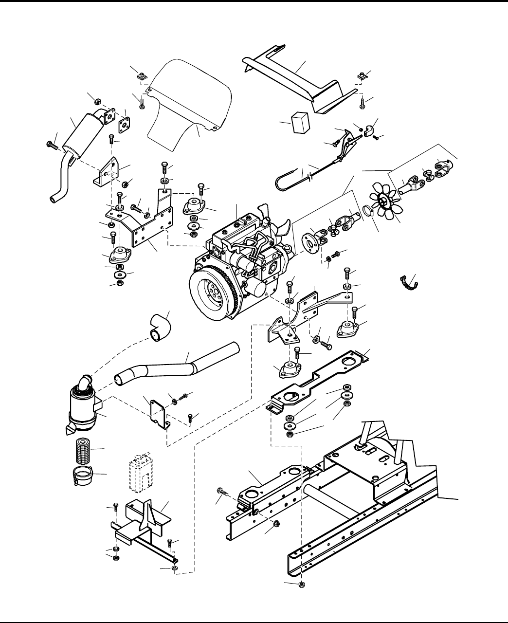
Engine Group - 27HP Briggs & Stratton Diesel Diagram 1
NOTE: Unless noted otherwise,
use the standard hardware torque
specification chart.
17
19
12
18
14
16
13
20
21 27
25
29
22
28
24
26
23
1
7
5
9
2
8
4
6
3
10
615
615
17
18
624
5
6
6
20
29
24
23
6
630
631
37
35
39
32
38
34
36
33
40
41
47
45
48
42
48
44
46
43
6
1
31
31
634
35
48
23
29
24 30
31
24
6
23
29
24
30 31
24
26 20
6
11
986320D1
The above parts group applies to the following Mfg. Nos.:
2005 10
© Copyright Simplicity Manufacturing, Inc. All Rights Reserved.
1694413 - Le
g
ac
y
XL
1694418 - Legacy XL
1694505 - 2927
1694506 - Le
g
ac
y
XL
1694539 - 2027
1694540 - 2927
1694541 - 2027
1694549 - Legacy XL
1694550 - 2927
TP 400-3469-01-XL-SMA

PART NO. DESCRIPTIONREF NO QTY.
Engine Group - 27HP Briggs & Stratton Diesel Diagram 1
Footnotes
1 1934654 13 SCREW, Hex Whiz Lock Flange, 3/8-16 x 1
2 1718628 1 MUFFLER
3 * 4 NUT
4 * 1 BRACKET
5 1926018 6 NUT, Speed, 1/4-20, U Type
6 1664847 17 SCREW, Hex, Washer, Head, Taptite, 5/16-18 x 3/4
7 1725627 1 SHIELD, Hood 18GA
8 1725590 1 BAFFLE, Hood 18GA
9 1725731 2 SEAL, Foam 1-1/2 x 1-1/2, 2.8LG
10 1960578 2 SCREW, Hex, Washer Head, Taptite, 12-24 x 5/8
11 1725328 1 CONTROL, Throttle
12 1933896 1 NUT, Hex Lock, 10-24
13 1725337 1 KNOB, Slot
14 1960393 1 SCREW, Pan Head, PHILLIPS, 10-24 x 1
15 1724571 1 SHAFT ASSEMBLY, Drive (Includes Ref. Nos. 16, 17, 18 & 19)
16 * 1 YOKE, Drive Shaft
17 * 2 CROSS & BEARING KIT, Includes Grease Fitting
18 * 1 YOKE & TUBE ASSEMBLY
19 * 1 YOKE & FLANGE, Drive Shaft
20 1960347 10 CAPSCREW, Hex Head,
21 1917356 6 LOCKWASHER, Spring, 5/16
22 ** 1 ENGINE, 26.5HP Briggs & Stratton Diesel, Model # 582447, Type # 0224, Trim # E2
23 1921972 4 CAPSCREW, Hex Head, 3/8-16 x 2-1/2, G5
24 1924940 8 WASHER, 3/8
25 1718657 1 MOUNT ASSEMBLY, Engine, L.H.
26 1917356 12 LOCKWASHER, Spring, 5/16
27 925094 3 TIE, Self Locking, 7.31LG
28 1724813 1 MOUNT, Engine, L.H.
29 1718655 4 MOUNT, Engine, Rear
30 1718640 4 WASHER, 1/2
31 1960680 17 NUT, Hex KEPS, 3/8-16 Conical Washer
32 1724812 1 MOUNT, Engine, R.H.
33 1725598 1 HOLD DOWN ASSEMBLY, Battery
34 1922755 7 WASHER, 3/8
35 1928727 2 SCREW, Hex, Whiz Lock, Flange, 3/8-16 x 1-1/4
36 * 1 CAP, Air Cleaner
37 * 1 FILTER, Air Cleaner
38 1719546 1 AIR CLEANER ASSEMBLY
39 1725588 1 BRACKET, Air Cleaner
40 1725630 1 HOSE, Air Inlet, 28LG
41 1726042 1 HOSE, Inlet
42 1725661 1 FAN
43 1725956 1 CLAMP, Hose, Worm
44 1718656 1 MOUNT ASSEMBLY, Engine R.H.
* Part number(s) not available at this time.
** See your local Briggs & Stratton distributor for parts & service.
The above parts group applies to the following Mfg. Nos.:
2005 11
© Copyright Simplicity Manufacturing, Inc. All Rights Reserved.
1694413 - Le
g
ac
y
XL
1694418 - Legacy XL
1694505 - 2927
1694506 - Le
g
ac
y
XL
1694539 - 2027
1694540 - 2927
1694541 - 2027
1694549 - Legacy XL
1694550 - 2927
TP 400-3469-01-XL-SMA

Engine Group - 27HP Briggs & Stratton Diesel Diagram 1
NOTE: Unless noted otherwise,
use the standard hardware torque
specification chart.
17
19
12
18
14
16
13
20
21 27
25
29
22
28
24
26
23
1
7
5
9
2
8
4
6
3
10
615
615
17
18
624
5
6
6
20
29
24
23
6
630
631
37
35
39
32
38
34
36
33
40
41
47
45
48
42
48
44
46
43
6
1
31
31
634
35
48
23
29
24 30
31
24
6
23
29
24
30 31
24
26 20
6
11
986320D1
The above parts group applies to the following Mfg. Nos.:
2005 12
© Copyright Simplicity Manufacturing, Inc. All Rights Reserved.
1694413 - Le
g
ac
y
XL
1694418 - Legacy XL
1694505 - 2927
1694506 - Le
g
ac
y
XL
1694539 - 2027
1694540 - 2927
1694541 - 2027
1694549 - Legacy XL
1694550 - 2927
TP 400-3469-01-XL-SMA

PART NO. DESCRIPTIONREF NO QTY.
Engine Group - 27HP Briggs & Stratton Diesel Diagram 1
Footnotes
45 1718639 1 BRACKET, Muffler
46 1960687 4 NUT, Hex, Flange, 3/8-16, ESNA
47 1930595 4 SCREW, Hex, Whiz Lock, Flange 5/16-18 x 1-1/4
48 1960686 1 NUT, Hex, Flange, 5-16-18, ESNA
* Part number(s) not available at this time.
** See your local Briggs & Stratton distributor for parts & service.
The above parts group applies to the following Mfg. Nos.:
2005 13
© Copyright Simplicity Manufacturing, Inc. All Rights Reserved.
1694413 - Le
g
ac
y
XL
1694418 - Legacy XL
1694505 - 2927
1694506 - Le
g
ac
y
XL
1694539 - 2027
1694540 - 2927
1694541 - 2027
1694549 - Legacy XL
1694550 - 2927
TP 400-3469-01-XL-SMA

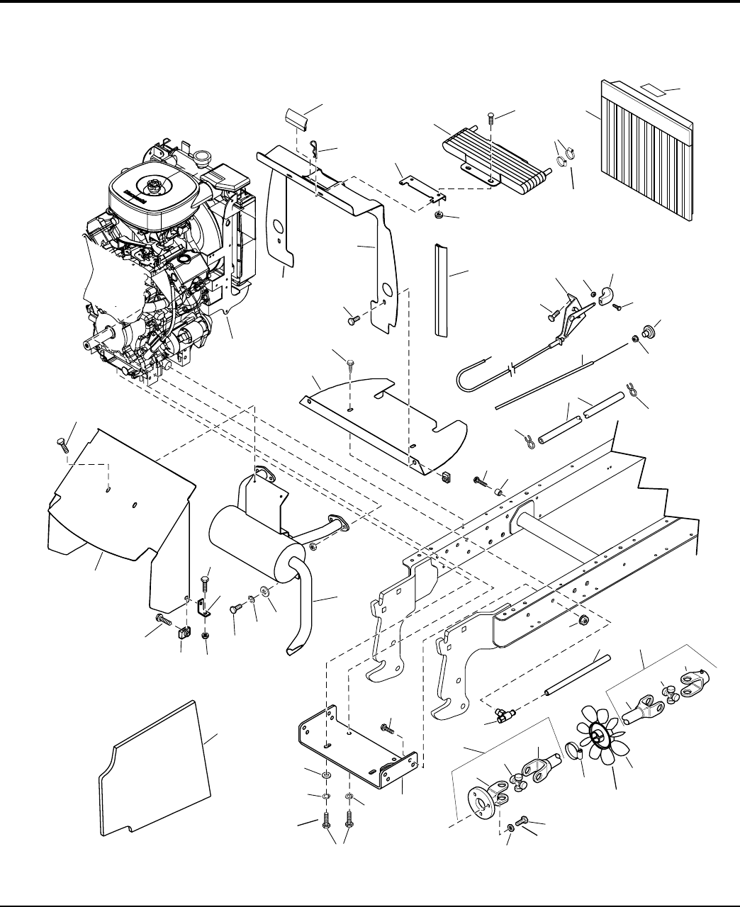
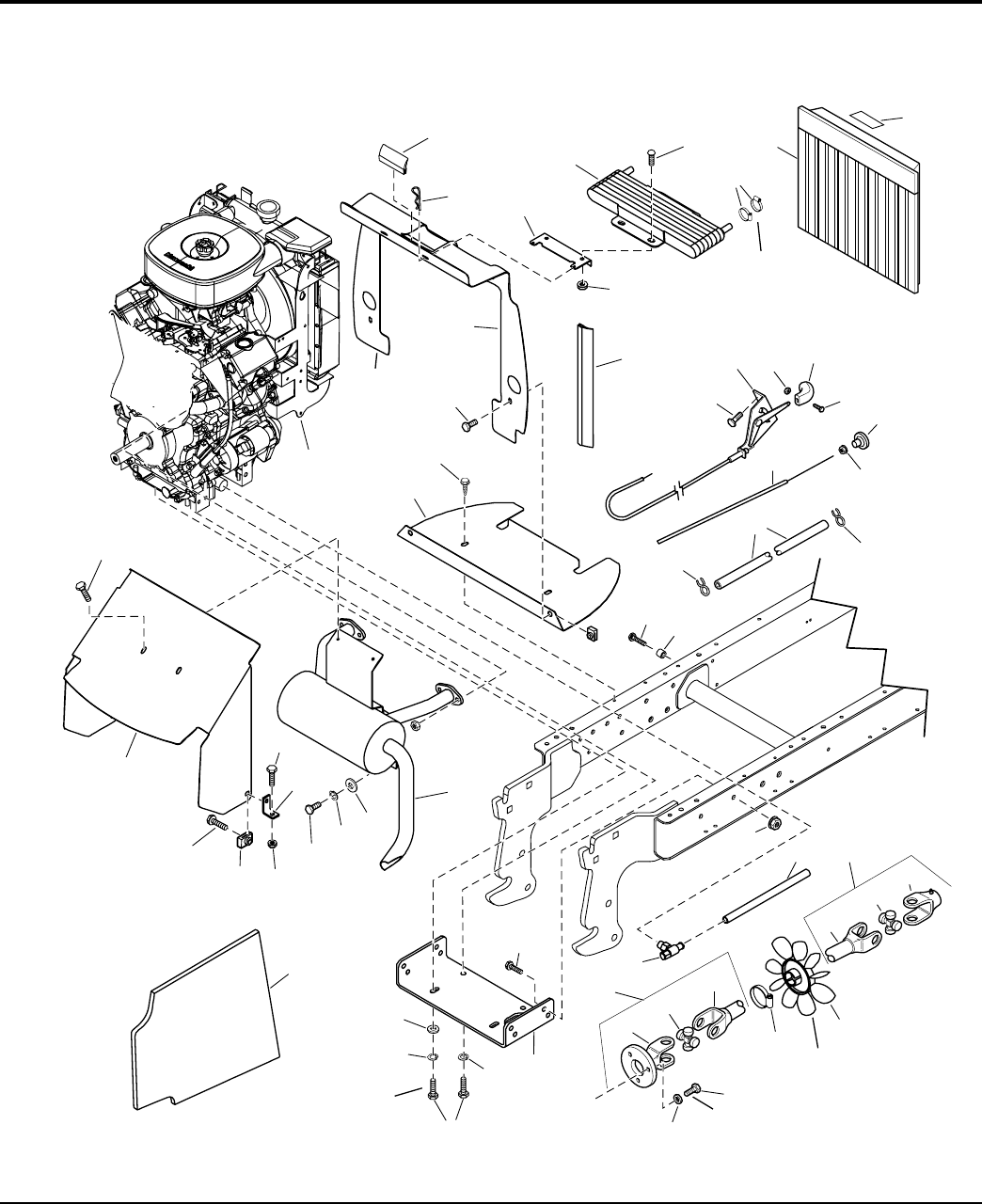
Engine Group - 27HP Briggs & Stratton Diesel Diagram 2
NOTE: Unless noted otherwise,
use the standard hardware torque
specification chart.
Rotate Clamps
90 Degrees
Yellow
Black
11
17 15
1
12
14
16
13
20
21
27
25
29
22
28
24
26
23
30
1
7
5
8
4
6
3
10
62
635
69
618
1
11
12
646
37
39
38
34
33
40
41
45
42
44
18
5
3
632
33
33
33
33
33
21
47
618
43
43
639
5
17
5
1
20
36
19
986320D2
The above parts group applies to the following Mfg. Nos.:
2005 14
© Copyright Simplicity Manufacturing, Inc. All Rights Reserved.
1694413 - Le
g
ac
y
XL
1694418 - Legacy XL
1694505 - 2927
1694506 - Le
g
ac
y
XL
1694539 - 2027
1694540 - 2927
1694541 - 2027
1694549 - Legacy XL
1694550 - 2927
TP 400-3469-01-XL-SMA

PART NO. DESCRIPTIONREF NO QTY.
Engine Group - 27HP Briggs & Stratton Diesel Diagram 2
Footnotes
1 1725746 4 CLAMP, Hose, Worm
2 1718629 1 HOSE, Radiator
3 1930595 4 SCREW, Hex, Whiz Lock, Flange, 5/16-16 x 1-1/4
4 1725033 1 SHIELD, R.H., 16GA
5 1664847 17 SCREW, Hex, Washer Head, Taptite, 5/16-18 x 3/4
6 1725559 1 COOLER ASSEMBLY, Oil
7 1925003 2 SCREW, Hex, Washer Head, Taptite, 1/4-20 x 1/2
8 1921319 2 WASHER, 1/4
9 1679214 4 CLAMP, Hose
10 1725098 1 ROD, Radiator, R.H.
11 1725363 2 SLIDE, Offset, 14GA
12 1725362 2 SLIDE, Screen Flat, 14GA
13 1725099 1 ROD, Radiator, L.H.
14 1722460 2 PIN, Quick
15 1675043 4 RIVET, Pop
16 1724906 1 RADIATOR
17 * 4 SPACER
18 1922755 7 WASHER, 3/4
19 1726813 1 SUPPORT, Radiator Shroud, 10GA
20 1718630 1 HOSE, Radiator
21 1725711 2 CLIP, 1/4 Turn Push
22 1725430 1 COVER, Bracket, Top, 12GA
23 1725034 1 SHIELD, L.H., 16GA
24 1717596 1 DECAL, Clean Radiator
25 1725116 1 SHROUD, Radiator
26 1960687 4 NUT, Hex, Flange, 3/8-16 ESNA
27 1950018 8 CAPSCREW, Hex Head
28 1917356 6 LOCKWASHER, Spring, 5/16
29 1725589 1 BRACKET, Fuel Filter
30 * 1 FUEL FILTER ASSEMBLY
31 * 1 FILTER, Fuel
32 1725260 1 HOSE, Fuel
33 960112 6 CLAMP, Hose, Type E
34 1718663 1 SENDER, Temperature
35 1718645 1 HOSE, Fuel
36 1725749 1 HOSE, Fuel (Cut to 71.5)
37 1725623 1 SCREEN, Corrugated, 20GA
38 1725026 1 BAFFLE, R.H., 16GA
39 1935255 3 NUT, Speed, 5/16-18, Lug Type
40 1725422 1 BAFFLE, L.H., 16GA
41 1725429 1 COVER, Bracket, Bottom
42 1960680 17 NUT, Hex, KEPS, 3/8-16 Conical Washer
43 1928727 2 SCREW, Hex, Whiz Lock, Flange, 3/8-16 x 1-1/4
44 1725598 1 HOLD DOWN ASSEMBLY, Battery
* Part number(s) not available at this time.
The above parts group applies to the following Mfg. Nos.:
2005 15
© Copyright Simplicity Manufacturing, Inc. All Rights Reserved.
1694413 - Le
g
ac
y
XL
1694418 - Legacy XL
1694505 - 2927
1694506 - Le
g
ac
y
XL
1694539 - 2027
1694540 - 2927
1694541 - 2027
1694549 - Legacy XL
1694550 - 2927
TP 400-3469-01-XL-SMA

Engine Group - 27HP Briggs & Stratton Diesel Diagram 2
NOTE: Unless noted otherwise,
use the standard hardware torque
specification chart.
Rotate Clamps
90 Degrees
Yellow
Black
11
17 15
1
12
14
16
13
20
21
27
25
29
22
28
24
26
23
30
1
7
5
8
4
6
3
10
62
635
69
618
1
11
12
646
37
39
38
34
33
40
41
45
42
44
18
5
3
632
33
33
33
33
33
21
47
618
43
43
639
5
17
5
1
20
36
19
986320D2
The above parts group applies to the following Mfg. Nos.:
2005 16
© Copyright Simplicity Manufacturing, Inc. All Rights Reserved.
1694413 - Le
g
ac
y
XL
1694418 - Legacy XL
1694505 - 2927
1694506 - Le
g
ac
y
XL
1694539 - 2027
1694540 - 2927
1694541 - 2027
1694549 - Legacy XL
1694550 - 2927
TP 400-3469-01-XL-SMA

PART NO. DESCRIPTIONREF NO QTY.
Engine Group - 27HP Briggs & Stratton Diesel Diagram 2
Footnotes
45 1718639 1 BRACKET, Muffler
46 * 1 HOSE, Radiator Overflow
47 1679061 1 CLAMP, Hose, Worm
* Part number(s) not available at this time.
The above parts group applies to the following Mfg. Nos.:
2005 17
© Copyright Simplicity Manufacturing, Inc. All Rights Reserved.
1694413 - Le
g
ac
y
XL
1694418 - Legacy XL
1694505 - 2927
1694506 - Le
g
ac
y
XL
1694539 - 2027
1694540 - 2927
1694541 - 2027
1694549 - Legacy XL
1694550 - 2927
TP 400-3469-01-XL-SMA

Engine Group - 27HP Kawasaki
NOTE: Unless noted otherwise,
use the standard hardware torque
specification chart.
Rotate clamps
90 Degrees from
each other.
Mount fan
one inch
from yoke.
Torque to
12-16 ft/lbs
(14-22 Nm) Torque to
15-19 ft/lbs
(19-26 Nm)
Mounts to
ratiator with
existing
hardware.
11
17
15
19
12
18
14
16
13
20
27 25
29
28
24
26 23
30
1
7
5
9
2
8
4
6
3
10
621
7
7
22
31
37
35
39
38
34
36
33
40
41
47
45
49
42
48
44
46
43
51
55
52
31
632
41
44
43
650
51
53, 54
986364
The above parts group applies to the following Mfg. Nos.:
2005 18
© Copyright Simplicity Manufacturing, Inc. All Rights Reserved.
1694445 - Le
g
ac
y
XL
1694446 - Legacy XL
1694447 - 2927
1694448 - 2927
1694451 - Le
g
ac
y
XL
1694502 - 2027
1694503 - 2027
TP 400-3469-01-XL-SMA

PART NO. DESCRIPTIONREF NO QTY.
Engine Group - 27HP Kawasaki
Footnotes
1 1725405 1 MUFFLER
2 1919326 2 WASHER, 5/16
3 1917356 2 LOCKWASHER, Spring 5/16
4 1950018 2 CAPSCREW, Hex Head
5 1960684 2 NUT, Hex KEPS 5/16-18
6 1668500 2 BRACKET, L.
7 1930591 6 SCREW, Hex Whiz Lock Flange, 5/16-18 x 3/4
8 1935255 4 NUT, Lug, 5/16-18
9 1725914 1 SHROUD, Muffler 18GA
10 1925003 2 SCREW, Hex Washer Head Taptite, 1/4-20 x 1/2
11 1725810 1 BAFFLE, Lower 18GA
12 1664847 2 SCREW, Hex Washer Head Taptite, 5/16-18 x 3/4
13 1717496 2 EDGING, 12 1/2LG
14 1725809 1 BAFFLE, Upper 18GA
15 1725912 1 EDGING, 15 1/2 LG
16 1960074 2 CLIP, Hair Pin
17 1725773 1 BRACKET, Cooler MTG 16GA
18 1960685 2 NUT, Hex KEPS, 1/4-20
19 1725559 1 COOLER ASSEMLBY, Oil
20 1931317 2 CARRIAGE BOLT, 1/4-20 x 3/4 G5
21 960112 2 CLAMP, Hose
21 1679214 4 CLAMP, Hose
22 1725592 1 SCREEN ASSEMBLY
23 1933896 1 NUT, Hex Lock, 10-24
24 1725337 1 KNOB, Slot
25 1960393 1 SCREW, Pan Head Phillips, #10-24 x 1
26 1725259 1 CONTROL, Throttle
27 1960578 2 SCREW, Hex Washer Head, #12-24 x 5/8
28 1716247 1 KNOB, Intermediate Thread, #10-24, 1-7/16LG
29 1960591 1 NUT, Hex KEPS #10-24
30 1716328 1 CONTROL, Choke
32 1725749 1 HOSE, Fuel
33 1933958 2 SCREW, Hex Washer Head Taptite, 1/4-20 x 1-1/8
34 1710703 2 SPACER
35 1717596 1 DECAL, Clean Radiator Legacy KAW & Diesel
36 1960680 4 NUT, Hex KEPS, 3/8-16
37 1716321 1 HOSE, Hydraulic
38 1715649 1 VALVE, Oil Drain
39 1725661 1 FAN
40 1725956 1 CLAMP, Hose
41 1725444 1 SHAFT ASSEMBLY, Drive
42 * 1 YOKE & FLANGE, Drive Shaft
43 * 2 CROSS & BEARING KIT, Includes Grease Fitting
44 * 1 YOKE & TUBE ASSEMBLY
* Part number(s) not available at this time.
** See your local Kawasaki distributor for parts & service.
The above parts group applies to the following Mfg. Nos.:
2005 19
© Copyright Simplicity Manufacturing, Inc. All Rights Reserved.
1694445 - Le
g
ac
y
XL
1694446 - Legacy XL
1694447 - 2927
1694448 - 2927
1694451 - Le
g
ac
y
XL
1694502 - 2027
1694503 - 2027
TP 400-3469-01-XL-SMA

Engine Group - 27HP Kawasaki
NOTE: Unless noted otherwise,
use the standard hardware torque
specification chart.
Rotate clamps
90 Degrees from
each other.
Mount fan
one inch
from yoke.
Torque to
12-16 ft/lbs
(14-22 Nm) Torque to
15-19 ft/lbs
(19-26 Nm)
Mounts to
ratiator with
existing
hardware.
11
17
15
19
12
18
14
16
13
20
27 25
29
28
24
26 23
30
1
7
5
9
2
8
4
6
3
10
621
7
7
22
31
37
35
39
38
34
36
33
40
41
47
45
49
42
48
44
46
43
51
55
52
31
632
41
44
43
650
51
53, 54
986364
The above parts group applies to the following Mfg. Nos.:
2005 20
© Copyright Simplicity Manufacturing, Inc. All Rights Reserved.
1694445 - Le
g
ac
y
XL
1694446 - Legacy XL
1694447 - 2927
1694448 - 2927
1694451 - Le
g
ac
y
XL
1694502 - 2027
1694503 - 2027
TP 400-3469-01-XL-SMA

PART NO. DESCRIPTIONREF NO QTY.
Engine Group - 27HP Kawasaki
Footnotes
45 * 1 YOKE, Drive Shaft
46 1960573 3 CAPSCREW, Hex Head
47 1917356 3 LOCKWASHER, Spring
48 1934654 4 SCREW, Hex Whiz Lock Flange, 3/8-16 x 1
49 1725436 1 BASE, Engine
50 1950036 4 CAPSCREW, Hex Head
51 1918199 4 LOCKWASHER, Spring
52 1918266 2 WASHER, 3/4
53 1717584 1 INSULATION, Foam
54 1717585 1 INSULATION, Foam
55 ** 1 ENGINE, 27HP Kawasaki Liquid Cooled Twin, Model # FD750D, Type # FD750D-
AS09
* Part number(s) not available at this time.
** See your local Kawasaki distributor for parts & service.
The above parts group applies to the following Mfg. Nos.:
2005 21
© Copyright Simplicity Manufacturing, Inc. All Rights Reserved.
1694445 - Le
g
ac
y
XL
1694446 - Legacy XL
1694447 - 2927
1694448 - 2927
1694451 - Le
g
ac
y
XL
1694502 - 2027
1694503 - 2027
TP 400-3469-01-XL-SMA

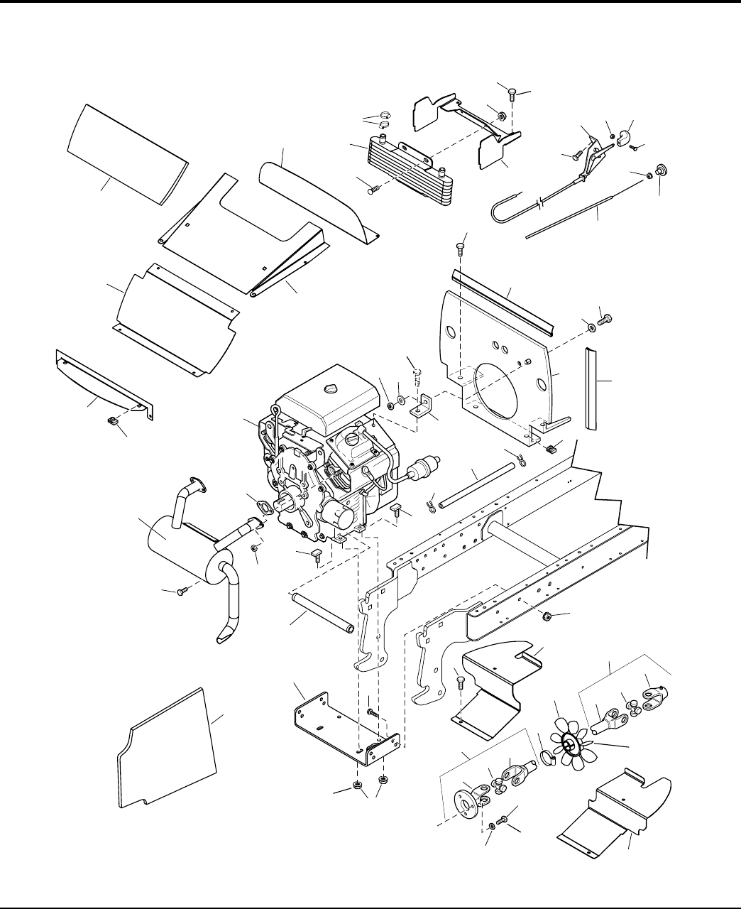
Engine Group - 27HP Kohler
NOTE: Unless noted otherwise,
use the standard hardware torque
specification chart.
Rotate clamps
90 Degrees from
each other.
Mount fan
one inch
from yoke.
Torque to
24-36 ft/lbs
(34-48 Nm)
Torque to
15-19 ft/lbs
(19-26 Nm)
Mounts to
steering tower.
Existing
hardware.
11
17
15
19
12
18
16
13
20 21
27
25
29
22
28
24
26
23
30
1
7
5
9
2
8
4
63
10
614
637
31
53
35
39, 40
32
38
34
36
33
41
47
45
49
42
48
44
46
43
50
28
35
44
46
47
54
37
31
17
51
52
986321
The above parts group applies to the following Mfg. Nos.:
2005 22
© Copyright Simplicity Manufacturing, Inc. All Rights Reserved.
1694416 - Le
g
ac
y
XL
1694417 - Legacy XL
1694420 - Le
g
ac
y
XL
1694428 - 2927
TP 400-3469-01-XL-SMA

PART NO. DESCRIPTIONREF NO QTY.
Engine Group - 27HP Kohler
Footnotes
1 1933260 2 SCREW, Hex Whiz Lock Flange, 3/8-16 X 3/4
2 1724898 1 MUFFLER, Kohler Gas
3 1935255 2 NUT, Lug, 5/16-18
4 * 4 NUT, Muffler
5 * 2 GASKET, Muffler
6 1917867 4 NUT, Retainer 1/4-20
7 1717579 1 DEFLECTOR
8 1717590 1 PLATE, Hood 20GA
9 1717586 1 INSULATION, Foam 6 1/2 x 18 1/4
10 1717498 1 SHIELD, Hood 20GA
11 1725748 1 SHIELD, Rear Hood 18GA
12 1931317 2 CARRIAGE BOLT, 1/4-20 x 3/4 G5
13 1725559 1 COOLER ASSEMBLY, Oil
14 1679214 4 CLAMP, Hose
15 1725840 1 BRACKET, Cooler 12GA
16 1960685 2 NUT, Hex KEPS, 1/4-20
17 1664847 4 SCREW, Hex Washer Head Taptite 5/16-18 x 3/4
18 1960578 2 SCREW, Hex Washer Head
19 1725259 1 CONTROL, Throttle
20 1933896 1 NUT, Hex Lock, 10-24
21 1725337 1 KNOB, Slot
22 1960393 1 SCREW, Pan Head Phillips #10-24 x 1
23 1716247 1 KNOB, Intermediate Thread #10-24 1.43LG
24 1960591 1 NUT, Hex KEPS #10-24
25 1716328 1 CONTROL, Choke
26 1717588 1 EDGING, 18.0 LG
27 1923341 1 CAPSCREW, Hex Head, 1/4-20 x 3/4 G5
28 1921319 2 WASHER, 3/4
29 1717496 2 EDGING, 12-5 LG
30 1725828 1 SHIELD, Heat 16 GA
31 960112 2 CLAMP, Hose
32 1725260 1 HOSE, Fuel
33 1920397 1 NUT, Hex Lock, ESNA 1/4-20NC-3B
34 108186 1 CLIP, "L" 1 3/8 + 7/8LEG 3/4
35 1717000 4 STUD, 3/8-16 x 1 9/10
36 1723165 1 HOSE, Oil Drain
37 1960680 8 NUT, Hex KEPS 3/8-16
38 1725436 1 BASE, Engine
39 1717584 1 INSULATION, Foam
40 1717585 1 INSULATION, Foam
41 1930591 2 SCREW, Hex Whiz Lock Flange 5/16-18 x 3/4
42 1725830 1 SHIELD, R.H. 16GA
43 1725829 1 SHIELD, L.H. 16GA
44 1724569 1 SHAFT ASSEMBLY, Drive
* Part number(s) not available at this time.
** See your local Kohler distributor for parts & service.
The above parts group applies to the following Mfg. Nos.:
2005 23
© Copyright Simplicity Manufacturing, Inc. All Rights Reserved.
1694416 - Le
g
ac
y
XL
1694417 - Legacy XL
1694420 - Le
g
ac
y
XL
1694428 - 2927
TP 400-3469-01-XL-SMA

Engine Group - 27HP Kohler
NOTE: Unless noted otherwise,
use the standard hardware torque
specification chart.
Rotate clamps
90 Degrees from
each other.
Mount fan
one inch
from yoke.
Torque to
24-36 ft/lbs
(34-48 Nm)
Torque to
15-19 ft/lbs
(19-26 Nm)
Mounts to
steering tower.
Existing
hardware.
11
17
15
19
12
18
16
13
20 21
27
25
29
22
28
24
26
23
30
1
7
5
9
2
8
4
63
10
614
637
31
53
35
39, 40
32
38
34
36
33
41
47
45
49
42
48
44
46
43
50
28
35
44
46
47
54
37
31
17
51
52
986321
The above parts group applies to the following Mfg. Nos.:
2005 24
© Copyright Simplicity Manufacturing, Inc. All Rights Reserved.
1694416 - Le
g
ac
y
XL
1694417 - Legacy XL
1694420 - Le
g
ac
y
XL
1694428 - 2927
TP 400-3469-01-XL-SMA

PART NO. DESCRIPTIONREF NO QTY.
Engine Group - 27HP Kohler
Footnotes
45 * 1 YOKE & FLANGE, Drive Shaft
46 * 2 CROSS & BEARING KIT, Includes Grease Fitting
47 * 1 YOKE & TUBE ASSEMBLY
48 * 1 YOKE, Drive Shaft
49 1950018 4 CAPSCREW, Hex Head
50 1917356 4 LOCKWASHER, Spring
51 1725661 1 FAN
52 1725956 1 CLAMP, Hose
53 ** 1 ENGINE, 27HP Kohler Gas Twin Air Cooled, Model # CH740S, Type # PS-CH740-
0040
54 1934654 4 SCREW, Hex, Whiz Lock Flange 3/8-16 x 1
* Part number(s) not available at this time.
** See your local Kohler distributor for parts & service.
The above parts group applies to the following Mfg. Nos.:
2005 25
© Copyright Simplicity Manufacturing, Inc. All Rights Reserved.
1694416 - Le
g
ac
y
XL
1694417 - Legacy XL
1694420 - Le
g
ac
y
XL
1694428 - 2927
TP 400-3469-01-XL-SMA

Transmission SERVICE PARTS - Tuff Torq K92A, 2WD
NOTE: Unless noted otherwise,
use the standard hardware torque
specification chart.
1723939
The above parts group applies to the following Mfg. Nos.:
2005 26
© Copyright Simplicity Manufacturing, Inc. All Rights Reserved.
1694418 - Le
g
ac
y
XL
1694420 - Legacy XL
1694428 - 2927
1694446 - Le
g
ac
y
XL
1694501 - 2027
1694549 - Legacy XL
1694550 - 2927
TP 400-3469-01-XL-SMA

PART NO. DESCRIPTIONREF NO QTY.
Transmission SERVICE PARTS - Tuff Torq K92A, 2WD
Footnotes
1 1720867 10 BOLT 8*25
2 1726198 1 COVER PTO BRAKE
3 1708692 1 NUT 12
4 1708689 1 WASHER 12
5 1726189 1 COVER KIT MISSION
6 1708691 1 PACKING P10A
7 1726152 1 FULCRUM
8 1726151 1 SPRING CENTERING
9 1726105 6 COLLAR 8*10*11.5
10 1726178 1 BEARING TMB305
11 1726232 1 FINAL GEAR KIT
12 1726159 1 SHAFT FINAL PINION
13 1726229 1 DIFF GEAR KIT
14 1726208 1 FINAL GEAR
15 1726269 2 BEARING 6007
16 1726180 1 SLIDER DIFF LOCK
17 1726206 1 GEAR KIT INPUT
18 1726207 1 BEARING 6005SH2
19 1726238 2 PIN SNAP
20 1726243 5 WASHER 8
21 1726100 1 ABSORBER SHOCK
22 1726296 1 BOLT 14*30
23 1726098 1 WASHER 44*14*4.5
24 1726203 1 PUSH NUT 7.8
25 1726101 1 STUD
26 1726201 1 ARM CONTROL
27 1707861 1 RING 28
28 1726153 1 WASHER 29*35*1
29 1726278 2 PACKING P26
30 1726202 1 PIN ARM CONTROL
31 1720836 2 WASHER 38*38*2
32 1726102 1 FULCRUM 10
33 1726157 1 FORK KIT DIFF LOCK
34 1726239 1 SPACER 16.5*24*1
35 1707912 2 RING 16
36 1726246 1 PIN 4.0A*25
37 1726263 3 PIN 2.0*15
38 1726158 1 FULCRUM KIT DIFF
39 1718259 1 PIN 2.0*20
40 1726244 2 WASHER 10
41 1726160 2 PLATE
42 1708711 4 BOLT 8*20
43 1726214 1 CAP 20*322
44 1707786 1 PACKING P18
The above parts group applies to the following Mfg. Nos.:
2005 27
© Copyright Simplicity Manufacturing, Inc. All Rights Reserved.
1694418 - Le
g
ac
y
XL
1694420 - Legacy XL
1694428 - 2927
1694446 - Le
g
ac
y
XL
1694501 - 2027
1694549 - Legacy XL
1694550 - 2927
TP 400-3469-01-XL-SMA

Transmission SERVICE PARTS - Tuff Torq K92A, 2WD
NOTE: Unless noted otherwise,
use the standard hardware torque
specification chart.
1723939
The above parts group applies to the following Mfg. Nos.:
2005 28
© Copyright Simplicity Manufacturing, Inc. All Rights Reserved.
1694418 - Le
g
ac
y
XL
1694420 - Legacy XL
1694428 - 2927
1694446 - Le
g
ac
y
XL
1694501 - 2027
1694549 - Legacy XL
1694550 - 2927
TP 400-3469-01-XL-SMA

PART NO. DESCRIPTIONREF NO QTY.
Transmission SERVICE PARTS - Tuff Torq K92A, 2WD
Footnotes
45 1726215 1 PIPE OIL PORT
46 1726103 1 FILLER
47 1707890 1 TAPPING SCREW 8*20
48 1726279 1 PACKING P32
49 1726168 1 SOLENOID ASSY
50 1726169 1 GASKET SOLENOID
51 1726099 1 VALVE ASSY SOLENOID
52 1707786 1 PACKING P18
53 1726194 1 FILTER OIL
54 1726179 1 BEARING TMB303C
55 1726116 3 STRAINER
56 1726245 2 RING 12*1.6
57 1726188 2 HOUSING KIT MISSION
58 1726261 1 PIN 10*20
59 1726285 1 SEAL TC253807
60 1718052 1 VENT VALVE
61 1726283 1 PACKING 19017
62 1726259 2 RING 42
63 1707823 2 BEARING 6004
64 1726241 1 WASHER
65 1726240 1 BOLT 14*10
66 1718090 1 SEAL TC162606
67 1726273 1 NEEDLE 253216 NTN
68 1726199 1 SHAFT MID PTO
69 1707901 2 BEARING 6204
70 1726172 3 WASHER
71 1726138 1 IDLE ASSY PTO
72 1726248 5 RING 20
73 1726136 2 WASHER 8.5*24*4
74 1707904 1 BEARING 6205 NTN
75 1726135 1 GEAR Z=62T MID PTO
76 1726249 1 RING 24
77 1726106 1 O-RING
78 1726265 3 PLUG
79 1726190 1 REAR COVER
80 1726266 1 RO4 PLUG
81 1726193 1 SOLENIOD SPRING
82 1726107 1 PTO RELIEF VALVE KIT
83 1718122 3 BOLT 8*30
84 1726289 3 BOLT 8*50
85 1726191 1 REAR COVER PLATE
86 1726281 1 PACKING G130
87 1726163 1 PLATE KIT BRAKE
88 1726237 1 ACTUATOR
89 1726276 3 BALL 1/2
The above parts group applies to the following Mfg. Nos.:
2005 29
© Copyright Simplicity Manufacturing, Inc. All Rights Reserved.
1694418 - Le
g
ac
y
XL
1694420 - Legacy XL
1694428 - 2927
1694446 - Le
g
ac
y
XL
1694501 - 2027
1694549 - Legacy XL
1694550 - 2927
TP 400-3469-01-XL-SMA

Transmission SERVICE PARTS - Tuff Torq K92A, 2WD
NOTE: Unless noted otherwise,
use the standard hardware torque
specification chart.
1723939
The above parts group applies to the following Mfg. Nos.:
2005 30
© Copyright Simplicity Manufacturing, Inc. All Rights Reserved.
1694418 - Le
g
ac
y
XL
1694420 - Legacy XL
1694428 - 2927
1694446 - Le
g
ac
y
XL
1694501 - 2027
1694549 - Legacy XL
1694550 - 2927
TP 400-3469-01-XL-SMA

PART NO. DESCRIPTIONREF NO QTY.
Transmission SERVICE PARTS - Tuff Torq K92A, 2WD
Footnotes
90 1726264 1 PIN 10*24
91 1707785 1 PACKING P16
92 1726164 1 CAM BRAKE KIT
93 1726262 1 PIN 10
94 1726161 1 ROD ASSY.
95 1726297 1 NUT 8
96 1726155 12 COLLAR 10*12*20
97 1726292 12 BOLT 10*35
98 1726230 1 REAR AXLE HOUSING R
99 1726162 2 CIRCLIP
100 1726186 4 COLLAR 30*42*2
101 1726268 2 BEARING 6006 NTN
102 1726174 2 SLEEVE 30*39*16
103 1726156 2 SEAL TC395511
104 1726255 2 RING 55
105 1726209 1 SHAFT REAR AXLE R
106 1726233 1 SHAFT REAR AXLE L
107 1726231 1 REAR AXLE HOUSING L
109 1707809 1 BEARING 6203
142 1726287 2 BOLT 10*45
146 1726254 1 RING 40
147 1726250 1 RING 25
148 1726294 4 BOLT 10*105
149 1726117 2 PIN KNOCK 12*22
150 1726109 1 PACKING MOTOR CASE
151 1726110 1 CASE MOTOR CMP
152 1726192 2 BEARING SET THRUST
153 1726212 1 SHAFT MOTOR
154 1726196 2 BLOCK ASSY CLYL. P
155 1726113 2 PLATE VALVE M
156 1726258 1 RING 24
157 1726211 1 CENTERCASE ASSY
158 1726187 1 BODY ASSY SUCTION
159 1726286 2 BOLT 10*65
160 1726114 2 PIN 4*13.8
161 1726137 5 PACKING KIT
162 1726104 1 CENTERCASE PACKING
163 1726210 1 RELIEF ASSY TOW 32
164 1726118 1 VALVE ASSY CHECK R
165 1726115 1 RELEASE ASSY IMPLE
166 1726112 1 PLATE VAVLE P
167 1726242 1 KEY
168 1726195 1 PUMP SHAFT
169 1726213 1 SHIFT CMP
170 1726293 2 BOLT 10*70
The above parts group applies to the following Mfg. Nos.:
2005 31
© Copyright Simplicity Manufacturing, Inc. All Rights Reserved.
1694418 - Le
g
ac
y
XL
1694420 - Legacy XL
1694428 - 2927
1694446 - Le
g
ac
y
XL
1694501 - 2027
1694549 - Legacy XL
1694550 - 2927
TP 400-3469-01-XL-SMA

Transmission SERVICE PARTS - Tuff Torq K92A, 2WD
NOTE: Unless noted otherwise,
use the standard hardware torque
specification chart.
1723939
The above parts group applies to the following Mfg. Nos.:
2005 32
© Copyright Simplicity Manufacturing, Inc. All Rights Reserved.
1694418 - Le
g
ac
y
XL
1694420 - Legacy XL
1694428 - 2927
1694446 - Le
g
ac
y
XL
1694501 - 2027
1694549 - Legacy XL
1694550 - 2927
TP 400-3469-01-XL-SMA

PART NO. DESCRIPTIONREF NO QTY.
Transmission SERVICE PARTS - Tuff Torq K92A, 2WD
Footnotes
171 1726141 1 VALVE ASSY
172 1726150 1 SHIM 7*0.2
173 1726185 1 SHIM T=0.3
174 1726139 1 PLUG 1/2-2OUNF
175 1726284 1 PACKING AS 905
176 1726200 1 BODY ASSY PUMP
177 1726140 1 VAVLE ASSY REDUCING
178 1726197 1 BRAKE KIT PTO
179 1726282 1 PACKING 2045
180 1726277 1 PACKING P10
181 1726129 1 COLLAR BRAKE PIN
182 1726130 1 SHOE PTO BRAKE
183 1726133 2 RING 12
184 1726126 1 NEEDLE 121718
185 1726127 1 WASHER 13*17*1
186 1726131 1 WASHER 25*42*2
187 1726125 1 SPRING PTO RETURN
188 1726121 1 SHAFT CLUTCH
189 1726134 1 RING SEAL 17203
190 1726123 1 PISTON
191 1726280 1 PACKING G75
192 1726124 1 GEAR CLUTCH Z=39
193 1726257 1 RING 80
194 1726132 1 WASHER 20*34*1
195 1726122 1 COLLAR SPLINE
196 1726120 1 DISC KIT FRICTION
197 1726371 1 SEAL CAP 40
198 1726119 1 WASHER 17*23*1
199 1726247 1 RING 17
The above parts group applies to the following Mfg. Nos.:
2005 33
© Copyright Simplicity Manufacturing, Inc. All Rights Reserved.
1694418 - Le
g
ac
y
XL
1694420 - Legacy XL
1694428 - 2927
1694446 - Le
g
ac
y
XL
1694501 - 2027
1694549 - Legacy XL
1694550 - 2927
TP 400-3469-01-XL-SMA

Transmission SERVICE PARTS - Tuff Torq K92B, 4WD
NOTE: Unless noted otherwise,
use the standard hardware torque
specification chart.
1723940
The above parts group applies to the following Mfg. Nos.:
2005 34
© Copyright Simplicity Manufacturing, Inc. All Rights Reserved.
1694417 - Le
g
ac
y
XL
TP 400-3469-01-XL-SMA

PART NO. DESCRIPTIONREF NO QTY.
Transmission SERVICE PARTS - Tuff Torq K92B, 4WD
Footnotes
1 1720867 9 BOLT 8*25
2 1726198 3 COVER PTO BRAKE
3 1708692 1 NUT 12
4 1708689 1 WASHER 12
5 1726189 1 COVER KIT MISSION
6 1708691 1 PACKING P10A
7 1726152 1 FULCRUM
8 1726151 1 SPRING CENTERING
9 1726105 6 COLLAR 8*10*11.5
10 1726178 1 BEARING TMB305
11 1726232 1 FINAL GEAR KIT
12 1726159 1 SHAFT FINAL PINION
13 1726229 1 DIFF GEAR KIT
14 1726208 1 FINAL GEAR
15 1726269 2 BEARING 6007
16 1726180 1 SLIDER DIFF LOCK
17 1726206 1 GEAR KIT INPUT
18 1726207 1 BEARING 6005SH2
19 1726238 2 PIN SNAP
20 1726243 5 WASHER 8
21 1726100 1 ABSORBER SHOCK
22 1726296 1 BOLT 14*30
23 1726098 1 WASHER 44*14*4.5
24 1726203 1 PUSH NUT 7.8
25 1726101 1 STUD
26 1726201 1 ARM CONTROL
27 1707861 1 RING 28
28 1726153 2 WASHER 29*35*1
29 1726278 2 PACKING P26
30 1726202 1 PIN ARM CONTROL
31 1720836 2 WASHER 38*38*2
32 1726102 1 FULCRUM 10
34 1726239 1 SPACER 16.5*24*1
35 1707912 1 RING 16
33 1726157 1 FORK KIT DIFF LOCK
36 1726246 2 PIN 4.0A*25
37 1726263 3 PIN 20.*15
38 1726158 2 FULCRUM KIT DIFF
39 1718259 1 PIN 2.0*20
40 1726244 1 WASHER 10
41 1726160 2 PLATE
42 1708711 2 BOLT 8*20
43 1726214 1 CAP 20*322
44 1707786 1 PACKING P18
The above parts group applies to the following Mfg. Nos.:
2005 35
© Copyright Simplicity Manufacturing, Inc. All Rights Reserved.
1694417 - Le
g
ac
y
XL
TP 400-3469-01-XL-SMA

Transmission SERVICE PARTS - Tuff Torq K92B, 4WD
NOTE: Unless noted otherwise,
use the standard hardware torque
specification chart.
1723940
The above parts group applies to the following Mfg. Nos.:
2005 36
© Copyright Simplicity Manufacturing, Inc. All Rights Reserved.
1694417 - Le
g
ac
y
XL
TP 400-3469-01-XL-SMA

PART NO. DESCRIPTIONREF NO QTY.
Transmission SERVICE PARTS - Tuff Torq K92B, 4WD
Footnotes
45 1726215 1 PIPE OIL PORT
46 1726103 1 FILLER
47 1707890 1 TAPPING SCREW 8*20
48 1726279 1 PACKING P32
49 1726168 1 SOLENOID ASSY
50 1726169 1 GASKET SOLENOID
51 1726099 1 VALVE ASSY SOLENOID
52 1707786 1 PACKING P18
53 1726194 1 FILTER OIL
54 1726179 1 BEARING TMB303C
55 1726116 3 STRAINER
56 1726245 2 RING 12.6
57 1726188 1 HOUSING KIT MISSION
58 1726261 1 PIN 10*20
59 1726285 1 SEAL TC253807
60 1718052 1 VENT VALVE
61 1726283 1 PACKING 19017
62 1726259 2 RING 42
63 1707823 2 BEARING 6004
64 1726241 1 WASHER
65 1726240 1 BOLT 14*10
66 1718090 1 SEAL TC162606
67 1726273 1 NEEDLE 253216 NTN
68 1726199 1 SHAFT MID PTO
69 1707901 2 BEARING 6204
70 1726172 3 WASHER
71 1726138 1 IDLE ASSY PTO
72 1726248 6 RING 20
73 1726136 2 WASHER 8.5*24*4
74 1707904 2 BEARING 6205
75 1726135 1 GEAR Z=62T MID PTO
76 1726249 1 RING 24
77 1726106 1 O-RING
78 1726265 3 PLUG
79 1726190 1 REAR COVER
80 1726266 1 RO4 PLUG
81 1726193 1 SOLENIOD SPRING
82 1726107 1 PTO RELIEF VALVE KIT
83 1718122 4 BOLT 8*30
84 1726289 3 BOLT 8*50
85 1726191 1 REAR COVER PLATE
86 1726281 1 PACKING G130
87 1726163 1 PLATE KIT BRAKE
88 1726237 1 ACTUATOR
89 1726276 3 BALL 1/2
The above parts group applies to the following Mfg. Nos.:
2005 37
© Copyright Simplicity Manufacturing, Inc. All Rights Reserved.
1694417 - Le
g
ac
y
XL
TP 400-3469-01-XL-SMA

Transmission SERVICE PARTS - Tuff Torq K92B, 4WD
NOTE: Unless noted otherwise,
use the standard hardware torque
specification chart.
1723940
The above parts group applies to the following Mfg. Nos.:
2005 38
© Copyright Simplicity Manufacturing, Inc. All Rights Reserved.
1694417 - Le
g
ac
y
XL
TP 400-3469-01-XL-SMA

PART NO. DESCRIPTIONREF NO QTY.
Transmission SERVICE PARTS - Tuff Torq K92B, 4WD
Footnotes
90 1726264 1 PIN 10*24
91 1707785 1 PACKING P16
92 1726164 1 CAM BRAKE KIT
93 1726262 1 PIN 10
94 1726161 1 ROD ASSY.
95 1726297 1 NUT 8
96 1726155 12 COLLAR 10*12*20
97 1726292 12 BOLT 10*35
98 1726230 1 REAR AXLE HOUSING R
99 1726162 2 CIRCLIP
100 1726186 4 COLLAR 30*42*2
101 1726268 3 BEARING 6006
102 1726174 2 SLEEVE 30*39*16
103 1726156 2 SEAL TC395511
104 1726255 3 RING 55
105 1726209 1 SHAFT REAR AXLE R
106 1726233 1 SHAFT REAR AXLE L
107 1726231 1 REAR AXLE HOUSING L
108 1708708 1 SEAL TC254208
109 1707862 4 BEARING 6005
110 1726182 1 BOLT M12*12
111 1707897 12 BOLT 8*40
112 1726221 1 SHAFT SHIFT 4WD
113 1707893 1 PIN 3.5A*25
114 1718097 2 PIN 6.0A*25
115 1720872 1 PACKING P12.5
116 1726204 1 ARM SHIFT 4WD
117 1726181 1 GASKET 20*12*2
118 1726288 1 BOLT 8*16
119 1707780 1 PLATE KEEP
120 1726290 1 BOLT 8*70
121 1726220 1 FRONT COVER
122 1726274 2 BALL 1/4
123 1726234 1 SHAFT FRONT DRIVE
124 1726173 1 SPRING 21.2
125 1726235 1 ARM SHIFT 4WD
126 1726236 1 BLOCK SHIFT FRONT
127 1726184 1 COLLAR FRONT SHIFT
128 1726252 1 RING 35
129 1726226 1 GEAR 26T 4WD
130 1726227 1 SHAFT 4WD
131 1726183 1 COLLAR 30*38*4
132 1726251 1 RING 29
133 1726228 1 COLLAR 30*38*9.2
134 1726218 1 CENTER PLATE
The above parts group applies to the following Mfg. Nos.:
2005 39
© Copyright Simplicity Manufacturing, Inc. All Rights Reserved.
1694417 - Le
g
ac
y
XL
TP 400-3469-01-XL-SMA

Transmission SERVICE PARTS - Tuff Torq K92B, 4WD
NOTE: Unless noted otherwise,
use the standard hardware torque
specification chart.
1723940
The above parts group applies to the following Mfg. Nos.:
2005 40
© Copyright Simplicity Manufacturing, Inc. All Rights Reserved.
1694417 - Le
g
ac
y
XL
TP 400-3469-01-XL-SMA

PART NO. DESCRIPTIONREF NO QTY.
Transmission SERVICE PARTS - Tuff Torq K92B, 4WD
Footnotes
135 1720848 4 PIN 8*16
136 1726219 1 PK 4WD GEAR BOX
137 1726224 1 SHAFT REDUCTION 4WD
138 1726267 1 BEARING 6004
139 1726222 1 GEAR 13T MOTOR
140 1726225 1 GEAR 34T 4WD
141 1726223 1 GEAR 30T 4WD
142 1726287 3 BOLT 10*145
143 1726295 2 BOLT 10*180
144 1726260 2 WASHER 10
145 1726205 1 PACKING FRONT COVER
146 1720787 1 RING 47
147 1726250 2 RING 25
148 1726294 4 BOLT 10*105
149 1726117 2 PIN KNOCK 12*22
150 1726109 1 PACKING MOTOR CASE
151 1726110 1 MOTOR CASE CMP.
152 1726192 2 BEARING SET THRUST
153 1726216 1 SHAFT MOTOR
154 1726196 2 BLOCK ASSY. CYL. P
155 1726113 1 PLATE VALVE M
156 1726258 2 RING 24
157 1726211 1 CENTERCASE ASSY.
158 1726187 1 BODY ASSY. SUCTION
159 1726286 2 BOLT 10*65
160 1726114 2 PIN 4*13.8
161 1726137 1 PACKING KIT
162 1726104 5 CENTERCASE PACKING
163 1726210 1 RELIEF ASSY. TOW 32
164 1726118 1 VALVE ASSY. CHECK R
165 1726115 1 RELEASE ASSY IMPLE
166 1726112 1 PLATE VAVLE P
167 1726242 1 KEY
168 1726195 1 PUMP SHAFT
169 1726213 1 SHIFT CMP.
170 1726293 2 BOLT 10*70
171 1726141 1 VALVE ASSY.
172 1726150 1 SHIM 7*0.2
173 1726185 1 SHIM T=0.3
174 1726139 1 PLUG 1/2OUNF
175 1726284 1 PACKING AS 905
176 1726200 1 BODY ASSY. PUMP
177 1726140 1 VALVE ASSY. REDUCING
178 1726197 1 BRAKE KIT PTO
179 1726282 1 PACKING 2045
The above parts group applies to the following Mfg. Nos.:
2005 41
© Copyright Simplicity Manufacturing, Inc. All Rights Reserved.
1694417 - Le
g
ac
y
XL
TP 400-3469-01-XL-SMA

Transmission SERVICE PARTS - Tuff Torq K92B, 4WD
NOTE: Unless noted otherwise,
use the standard hardware torque
specification chart.
1723940
The above parts group applies to the following Mfg. Nos.:
2005 42
© Copyright Simplicity Manufacturing, Inc. All Rights Reserved.
1694417 - Le
g
ac
y
XL
TP 400-3469-01-XL-SMA

PART NO. DESCRIPTIONREF NO QTY.
Transmission SERVICE PARTS - Tuff Torq K92B, 4WD
Footnotes
180 1726277 1 PACKING P10
181 1726129 1 COLLAR BRAKE PIN
182 1726130 1 SHOE PTO BRAKE
183 1726133 2 RING 12
184 1726126 1 NEEDLE 121718
185 1726127 1 WASHER 13*17*1
186 1726131 1 WASHER 25*42*2
187 1726125 1 SPRING PTO RETURN
188 1726121 1 SHAFT CLUTCH
189 1726134 1 RING SEAL 17203
190 1726123 1 PISTON
191 1726280 1 PACKING G75
192 1726124 1 GEAR CLUTCH Z=39
193 1726257 1 RING 80
194 1726132 1 WASHER 20*34*1
195 1726122 1 COLLAR SPLINE
196 1726120 1 DISC KIT FRICTION
The above parts group applies to the following Mfg. Nos.:
2005 43
© Copyright Simplicity Manufacturing, Inc. All Rights Reserved.
1694417 - Le
g
ac
y
XL
TP 400-3469-01-XL-SMA

Transmission SERVICE PARTS - Tuff Torq K92C, 4WD 540
NOTE: Unless noted otherwise,
use the standard hardware torque
specification chart.
1724561
The above parts group applies to the following Mfg. Nos.:
2005 44
© Copyright Simplicity Manufacturing, Inc. All Rights Reserved.
1694413 - Le
g
ac
y
XL
1694416 - Legacy XL
1694445 - Le
g
ac
y
XL
1694447 - 2927
1694448 - 2927
1694451 - Legacy XL
1694502 - 2027
1694503 - 2027
1694505 - 2927
1694506 - Le
g
ac
y
XL
1694539 - 2027
1694540 - 2927
1694541 - 2027
TP 400-3469-01-XL-SMA

PART NO. DESCRIPTIONREF NO QTY.
Transmission SERVICE PARTS - Tuff Torq K92C, 4WD 540
Footnotes
1 1720867 9 BOLT 8*25
2 1726198 1 COVER PTO BRAKE
3 1708692 1 NUT 12
4 1708689 1 WASHER 12
5 1726189 1 COVER KIT MISSION
6 1708691 1 PACKING P10A
7 1726152 1 FULCRUM
8 1726151 1 SPRING CENTERING
9 1726105 6 COLLAR 8*10*11.5
10 1726178 1 BEARING TMB305
11 1726232 1 FINAL GEAR KIT
12 1726159 1 SHAFT FINAL PINION
13 1726229 1 DIFF GEAR KIT
14 1726208 1 FINAL GEAR
15 1726269 2 BEARING 6007
16 1726180 1 SLIDER DIFF LOCK
17 1726206 1 GEAR KIT INPUT
18 1726207 1 BEARING 6005SH2
19 1726238 2 PIN SNAP
20 1726243 5 WASHER 8
21 1726100 1 ABSORBER SHOCK
22 1726296 1 BOLT 14*30
23 1726098 1 WASHER 44*14*4.5
24 1726203 1 PUSH NUT 7.8
25 1726101 1 STUD
26 1726201 1 ARM CONTROL
27 1707861 1 RING 28
28 1726153 2 WASHER 29*35*1
29 1726278 2 PACKING P26
30 1726202 1 PIN ARM CONTROL
31 1720836 2 WASHER 38*38*2
32 1726102 1 FULCRUM 10
33 1726157 1 FORK KIT DIFF LOCK
34 1726239 1 SPACER 16.5*24*1
35 1707912 1 RING 16
36 1726246 2 PIN 4.0A*25
37 1726263 3 PIN 2.0*15
38 1726158 5 FULCRUM KIT DIFF
39 1718259 1 PIN 2.0*20
40 1726244 1 WASHER 10
41 1726160 2 PLATE
42 1708711 2 BOLT 8*20
43 1726214 1 CAP 20*322
44 1707786 1 PACKING P18
The above parts group applies to the following Mfg. Nos.:
2005 45
© Copyright Simplicity Manufacturing, Inc. All Rights Reserved.
1694413 - Le
g
ac
y
XL
1694416 - Legacy XL
1694445 - Le
g
ac
y
XL
1694447 - 2927
1694448 - 2927
1694451 - Legacy XL
1694502 - 2027
1694503 - 2027
1694505 - 2927
1694506 - Le
g
ac
y
XL
1694539 - 2027
1694540 - 2927
1694541 - 2027
TP 400-3469-01-XL-SMA

Transmission SERVICE PARTS - Tuff Torq K92C, 4WD 540
NOTE: Unless noted otherwise,
use the standard hardware torque
specification chart.
1724561
The above parts group applies to the following Mfg. Nos.:
2005 46
© Copyright Simplicity Manufacturing, Inc. All Rights Reserved.
1694413 - Le
g
ac
y
XL
1694416 - Legacy XL
1694445 - Le
g
ac
y
XL
1694447 - 2927
1694448 - 2927
1694451 - Legacy XL
1694502 - 2027
1694503 - 2027
1694505 - 2927
1694506 - Le
g
ac
y
XL
1694539 - 2027
1694540 - 2927
1694541 - 2027
TP 400-3469-01-XL-SMA

PART NO. DESCRIPTIONREF NO QTY.
Transmission SERVICE PARTS - Tuff Torq K92C, 4WD 540
Footnotes
45 1726215 1 PIPE OIL PORT
46 1726103 1 FILLER
47 1707890 1 TAPPING SCREW 8*20
48 1726279 1 PACKING P32
49 1726168 1 SOLENOID ASSY
50 1726169 1 GASKET SOLENOID
51 1726099 1 VALVE ASSY SOLENOID
52 1707786 1 PACKING P18
53 1726194 1 FILTER OIL
54 1726179 1 BEARING TMB303C
55 1726116 2 STRAINER
56 1726245 2 RING 12.6
57 1726188 1 HOUSING KIT MISSION
58 1726261 1 PIN 10*20
59 1726285 1 SEAL TC253807
60 1718052 1 VENT VALVE
61 1726283 1 PACKING 19017
62 1726259 2 RING 42
63 1707823 2 BEARING 6004
64 1726241 1 WASHER
65 1726240 1 BOLT 14*10
66 1718090 1 SEAL TC162606
67 1726273 1 NEEDLE 253216 NTN
68 1726199 1 SHAFT MID PTO
69 1707901 2 BEARING 6204
70 1726172 3 WASHER
71 1726138 1 IDLE ASSY. PTO
72 1726248 6 RING 20
73 1726136 2 WASHER 8.5*24*4
74 1707904 2 BEARING 6205
75 1726135 1 GEAR Z=62T MID PTO
76 1726249 1 RING 24
78 1726265 2 PLUG
79 1726143 1 CASE REAR PTO
82 1726107 1 PTO RELIEF VALVE KIT
83 1718122 24 BOLT 8*30
85 1726191 1 REAR COVER PLATE
87 1726163 1 PLATE KIT BRAKE
88 1726237 1 ACTUATOR
89 1726276 3 BALL 1/2
90 1726264 1 PIN 10*24
91 1707785 1 PACKING P16
92 1726164 1 CAM BRAKE KIT
93 1726262 1 PIN 10
94 1726161 1 ROD ASSY.
The above parts group applies to the following Mfg. Nos.:
2005 47
© Copyright Simplicity Manufacturing, Inc. All Rights Reserved.
1694413 - Le
g
ac
y
XL
1694416 - Legacy XL
1694445 - Le
g
ac
y
XL
1694447 - 2927
1694448 - 2927
1694451 - Legacy XL
1694502 - 2027
1694503 - 2027
1694505 - 2927
1694506 - Le
g
ac
y
XL
1694539 - 2027
1694540 - 2927
1694541 - 2027
TP 400-3469-01-XL-SMA

Transmission SERVICE PARTS - Tuff Torq K92C, 4WD 540
NOTE: Unless noted otherwise,
use the standard hardware torque
specification chart.
1724561
The above parts group applies to the following Mfg. Nos.:
2005 48
© Copyright Simplicity Manufacturing, Inc. All Rights Reserved.
1694413 - Le
g
ac
y
XL
1694416 - Legacy XL
1694445 - Le
g
ac
y
XL
1694447 - 2927
1694448 - 2927
1694451 - Legacy XL
1694502 - 2027
1694503 - 2027
1694505 - 2927
1694506 - Le
g
ac
y
XL
1694539 - 2027
1694540 - 2927
1694541 - 2027
TP 400-3469-01-XL-SMA

PART NO. DESCRIPTIONREF NO QTY.
Transmission SERVICE PARTS - Tuff Torq K92C, 4WD 540
Footnotes
95 1726297 1 NUT 8
96 1726155 12 COLLAR 10*12*20
97 1726292 12 BOLT 10*35
98 1726230 1 REAR AXLE HOUSING R
99 1726162 2 CIRCLIP
100 1726186 4 COLLAR 30*42*2
101 1726268 3 BEARING 6006
102 1726174 2 SLEEVE 30*39*16
103 1726156 2 SEAL TC395511
104 1726255 3 RING 55
105 1726209 1 SHAFT REAR AXLE R
106 1726233 1 SHAFT REAR AXLE L
107 1726231 1 REAR AXLE HOUSING L
108 1708708 1 SEAL TC254208
109 1707862 4 BEARING 6005
110 1726182 1 BOLT M12*12
111 1707897 12 BOLT 8*40
112 1726221 1 SHAFT SHIFT 4WD
113 1707893 1 PIN 3.5A*25
114 1718097 2 PIN 6.0A*25
115 1720872 2 PACKING P12.5
116 1726204 1 ARM SHIFT 4WD
117 1726181 1 GASKET 20*12*2
118 1726288 1 BOLT 8*16
119 1707780 2 PLATE KEEP
120 1726290 1 BOLT 8*70
121 1726220 1 FRONT COVER
122 1726274 2 BALL 1/4
123 1726234 1 SHAFT FRONT DRIVE
124 1726173 1 SPRING 21.2
125 1726235 1 ARM SHIFT 4WD
126 1726236 1 BLOCK SHIFT FRONT
127 1726184 1 COLLAR FRONT SHIFT
128 1726252 1 RING 35
129 1726226 1 GEAR 26T 4WD
130 1726227 1 SHAFT 4WD
131 1726183 1 COLLAR 30*38*4
132 1726251 1 RING 29
133 1726228 2 COLLAR 30*38*9.2
134 1726218 1 CENTER PLATE
135 1720848 4 PIN 8*16
136 1726219 1 PK 4WD GEAR BOX
137 1726224 1 SHAFT REDUCTION 4WD
138 1726267 1 BEARING 6004
139 1726222 1 GEAR 13T MOTOR
The above parts group applies to the following Mfg. Nos.:
2005 49
© Copyright Simplicity Manufacturing, Inc. All Rights Reserved.
1694413 - Le
g
ac
y
XL
1694416 - Legacy XL
1694445 - Le
g
ac
y
XL
1694447 - 2927
1694448 - 2927
1694451 - Legacy XL
1694502 - 2027
1694503 - 2027
1694505 - 2927
1694506 - Le
g
ac
y
XL
1694539 - 2027
1694540 - 2927
1694541 - 2027
TP 400-3469-01-XL-SMA

Transmission SERVICE PARTS - Tuff Torq K92C, 4WD 540
NOTE: Unless noted otherwise,
use the standard hardware torque
specification chart.
1724561
The above parts group applies to the following Mfg. Nos.:
2005 50
© Copyright Simplicity Manufacturing, Inc. All Rights Reserved.
1694413 - Le
g
ac
y
XL
1694416 - Legacy XL
1694445 - Le
g
ac
y
XL
1694447 - 2927
1694448 - 2927
1694451 - Legacy XL
1694502 - 2027
1694503 - 2027
1694505 - 2927
1694506 - Le
g
ac
y
XL
1694539 - 2027
1694540 - 2927
1694541 - 2027
TP 400-3469-01-XL-SMA

PART NO. DESCRIPTIONREF NO QTY.
Transmission SERVICE PARTS - Tuff Torq K92C, 4WD 540
Footnotes
140 1726225 1 GEAR 34T 4WD
141 1726223 1 GEAR 30T 4WD
142 1726287 3 BOLT 10*145
143 1726295 2 BOLT 10*180
144 1726260 2 WASHER 10
145 1726205 1 PACKING FRONT COVER
146 1720787 1 RING 47
147 1726250 1 RING 25
148 1726294 4 BOLT 10*105
149 1726117 2 PIN KNOCK 12*22
150 1726109 1 PACKING MOTOR CASE
151 1726110 1 MOTOR CASE CMP.
152 1726192 2 BEARING SET THRUST
153 1726216 1 SHAFT MOTOR
154 1726196 2 BLOCK ASSY. CYL. P
155 1726113 1 PLATE VALVE M
156 1726258 2 RING 24
157 1726211 1 CENTERCASE ASSY.
158 1726187 1 BODY ASSY. SUCTION
159 1726286 2 BOLT 10*65
160 1726114 2 PIN 4*13.8
161 1726137 1 PACKING KIT
162 1726104 5 CENTERCASE PACKING
163 1726210 1 RELIEF ASSY. TOW 32
164 1726118 1 VALVE ASSY. CHECK R
165 1726115 1 RELEASE ASSY IMPLE
166 1726112 1 PLATE VAVLE P
167 1726242 1 KEY
168 1726195 1 PUMP SHAFT
169 1726213 1 SHIFT CMP.
170 1726293 2 BOLT 10*70
171 1726141 1 VALVE ASSY.
172 1726150 1 SHIM 7*0.2
173 1726185 1 SHIM T=0.3
174 1726139 1 PLUG 1/2OUNF
175 1726284 1 PACKING AS 905
176 1726200 1 BODY ASSY. PUMP
177 1726140 1 VALVE ASSY. REDUCING
178 1726197 1 BRAKE KIT PTO
179 1726282 1 PACKING 2045
180 1726277 1 PACKING P10
181 1726129 1 COLLAR BRAKE PIN
182 1726130 1 SHOE PTO BRAKE
183 1726133 2 RING 12
184 1726126 1 NEEDLE 121718
The above parts group applies to the following Mfg. Nos.:
2005 51
© Copyright Simplicity Manufacturing, Inc. All Rights Reserved.
1694413 - Le
g
ac
y
XL
1694416 - Legacy XL
1694445 - Le
g
ac
y
XL
1694447 - 2927
1694448 - 2927
1694451 - Legacy XL
1694502 - 2027
1694503 - 2027
1694505 - 2927
1694506 - Le
g
ac
y
XL
1694539 - 2027
1694540 - 2927
1694541 - 2027
TP 400-3469-01-XL-SMA

Transmission SERVICE PARTS - Tuff Torq K92C, 4WD 540
NOTE: Unless noted otherwise,
use the standard hardware torque
specification chart.
1724561
The above parts group applies to the following Mfg. Nos.:
2005 52
© Copyright Simplicity Manufacturing, Inc. All Rights Reserved.
1694413 - Le
g
ac
y
XL
1694416 - Legacy XL
1694445 - Le
g
ac
y
XL
1694447 - 2927
1694448 - 2927
1694451 - Legacy XL
1694502 - 2027
1694503 - 2027
1694505 - 2927
1694506 - Le
g
ac
y
XL
1694539 - 2027
1694540 - 2927
1694541 - 2027
TP 400-3469-01-XL-SMA

PART NO. DESCRIPTIONREF NO QTY.
Transmission SERVICE PARTS - Tuff Torq K92C, 4WD 540
Footnotes
185 1726127 1 WASHER 13*17*1
186 1726131 1 WASHER 25*42*2
187 1726125 1 SPRING PTO RETURN
188 1726121 1 SHAFT CLUTCH
189 1726134 1 RING SEAL 17203
190 1726123 1 PISTON
191 1726280 1 PACKING G75
192 1726124 1 GEAR CLUTCH Z=39
193 1726257 1 RING 80
194 1726132 1 WASHER 20*34*1
195 1726122 1 COLLAR SPLINE
196 1726120 1 DISC KIT FRICTION
197 1726252 1 RING 35
198 1726177 1 SPACER CLUTCH SHAFT
199 1726256 2 RING 62
200 1726175 1 BEARING 16007
201 1726272 1 NEEDLE 354017
202 1726149 1 COLLAR SPLINE
203 1726105 2 COLLAR 8*10*11.5
204 1726270 1 BEARING 6009
205 1726166 1 GEAR KIT 14-35
206 1726253 2 RING 50
207 1726176 1 BEARING 16010
208 1726217 1 REAR PTO SHAFT
209 1726148 1 SEAL TCFY557214
210 1726154 1 SHAFT MBR CHANGE
211 1726170 2 BEARING 6204RSH2
212 1726146 1 SHAFT REAR PTO IDLE
213 1726165 1 GEAR KIT 20-29
214 1726271 1 BEARING 6206
215 1726145 1 SHAFT REAR PTO
216 1726167 1 FORK KIT MBR
217 1726275 1 BALL 5/16
218 1726171 1 SPRING
219 1726291 4 BOLT 8*90
The above parts group applies to the following Mfg. Nos.:
2005 53
© Copyright Simplicity Manufacturing, Inc. All Rights Reserved.
1694413 - Le
g
ac
y
XL
1694416 - Legacy XL
1694445 - Le
g
ac
y
XL
1694447 - 2927
1694448 - 2927
1694451 - Legacy XL
1694502 - 2027
1694503 - 2027
1694505 - 2927
1694506 - Le
g
ac
y
XL
1694539 - 2027
1694540 - 2927
1694541 - 2027
TP 400-3469-01-XL-SMA

Transaxle SERVICE PARTS - Shibuara
NOTE: Unless noted otherwise,
use the standard hardware torque
specification chart.
12
18
16
20
13
19
15
17
14
21
22
28
26
30
23
29
25
27
24
31
32
32
36
40
33
39
35
37
34
44
43
50
48
52
45
51
47
49
46
53 54
71
68
73
55
72
57
69
56
74
76
77
78
1
7
5
9
2
8
4
6
3
11
35
34
36
43
45
68
28
26 25
27
20
21
22
23
24 18
19
16
13
15
17
14
1
7
5
2
8
4
6
3
12 11
10
38
41
75
65
67 66
58
64
60 61 62
63
70
59
82
83
84
79 80 81
42
1724273
The above parts group applies to the following Mfg. Nos.:
2005 54
© Copyright Simplicity Manufacturing, Inc. All Rights Reserved.
1694413 - Le
g
ac
y
XL
1694416 - Legacy XL
1694417 - Le
g
ac
y
XL
1694418 - Le
g
ac
y
XL
1694420 - Le
g
ac
y
XL
1694428 - 2927
1694445 - Le
g
ac
y
XL
1694446 - Legacy XL
1694447 - 2927
1694448 - 2927
1694451 - Le
g
ac
y
XL
1694501 - 2027
1694502 - 2027
1694503 - 2027
1694505 - 2927
1694506 - Le
g
ac
y
XL
1694539 - 2027
1694540 - 2927
1694541 - 2027
1694549 - Legacy XL
1694550 - 2927
TP 400-3469-01-XL-SMA

PART NO. DESCRIPTIONREF NO QTY.
Transaxle SERVICE PARTS - Shibuara
Footnotes
1 1725908 12 BOLT
2 1725902 2 WHEEL SHAFT
3 1725903 2 OIL SEAL
4 1725901 2 COVER
5 1725904 2 BALL BEARING
6 1725905 2 SNAP RING
7 1725906 2 FINAL GEAR
8 1725907 2 BALL BEARING
9 1725896 1 MISSION CASE, R
10 1725895 1 MISSION CASE, L
11 1725900 2 SEAL WASHER
12 1725899 2 BOLT
13 1725898 2 BALL BEARING
14 1725897 2 FINAL PINION
15 1725891 2 SNAP RING
16 1725890 2 BALL BEARING
17 1725889 2 BALL BEARING
18 1725888 2 OIL SEAL
19 1727062 2 MISSION CASE, Upper
20 1725887 2 DRIVE SHAFT
21 1725886 2 BALL BEARING
22 1725885 2 FINAL PINION
23 1725894 2 BLANK PLUG
24 1725853 2 DOWEL PIN
25 1725892 2 O-RING
26 1725882 2 FINAL PINION
27 1725883 2 BALL BEARING
28 1725884 2 SNAP RING
29 1725880 1 DIFF SHAFT, R
30 1725878 1 SHIM
31 1725877 1 SHIM
32 1725876 2 BALL BEARING
33 1725869 1 DIFF HOUSING
34 1725871 2 THRUST WASHER
35 1725870 2 DIFF GEAR
36 1725872 2 DIFF PINION
37 1725874 1 SPRING PIN
38 1725873 1 PINION SHAFT
39 1725881 1 DRIVE PINION ASSY
40 * 1 RING GEAR
41 * 1 DRIVE PINION
42 1725875 1 SNAP RING
43 1725854 2 BUSH
44 1725852 1 WHEEL SHAFT CASE
The above parts group applies to the following Mfg. Nos.:
2005 55
© Copyright Simplicity Manufacturing, Inc. All Rights Reserved.
1694413 - Le
g
ac
y
XL
1694416 - Legacy XL
1694417 - Le
g
ac
y
XL
1694418 - Le
g
ac
y
XL
1694420 - Le
g
ac
y
XL
1694428 - 2927
1694445 - Le
g
ac
y
XL
1694446 - Legacy XL
1694447 - 2927
1694448 - 2927
1694451 - Le
g
ac
y
XL
1694501 - 2027
1694502 - 2027
1694503 - 2027
1694505 - 2927
1694506 - Le
g
ac
y
XL
1694539 - 2027
1694540 - 2927
1694541 - 2027
1694549 - Legacy XL
1694550 - 2927
TP 400-3469-01-XL-SMA

Transaxle SERVICE PARTS - Shibuara
NOTE: Unless noted otherwise,
use the standard hardware torque
specification chart.
12
18
16
20
13
19
15
17
14
21
22
28
26
30
23
29
25
27
24
31
32
32
36
40
33
39
35
37
34
44
43
50
48
52
45
51
47
49
46
53 54
71
68
73
55
72
57
69
56
74
76
77
78
1
7
5
9
2
8
4
6
3
11
35
34
36
43
45
68
28
26 25
27
20
21
22
23
24 18
19
16
13
15
17
14
1
7
5
2
8
4
6
3
12 11
10
38
41
75
65
67 66
58
64
60 61 62
63
70
59
82
83
84
79 80 81
42
1724273
The above parts group applies to the following Mfg. Nos.:
2005 56
© Copyright Simplicity Manufacturing, Inc. All Rights Reserved.
1694413 - Le
g
ac
y
XL
1694416 - Legacy XL
1694417 - Le
g
ac
y
XL
1694418 - Le
g
ac
y
XL
1694420 - Le
g
ac
y
XL
1694428 - 2927
1694445 - Le
g
ac
y
XL
1694446 - Legacy XL
1694447 - 2927
1694448 - 2927
1694451 - Le
g
ac
y
XL
1694501 - 2027
1694502 - 2027
1694503 - 2027
1694505 - 2927
1694506 - Le
g
ac
y
XL
1694539 - 2027
1694540 - 2927
1694541 - 2027
1694549 - Legacy XL
1694550 - 2927
TP 400-3469-01-XL-SMA

PART NO. DESCRIPTIONREF NO QTY.
Transaxle SERVICE PARTS - Shibuara
Footnotes
45 1725859 2 BALL BEARING
46 1725860 1 COLLAR
47 1725863 1 SHIM
48 1725862 1 SHIM
49 1725865 1 O-RING
50 1725866 1 COLLAR
51 1725861 1 SPACER
52 1725864 1 SNAP RING
53 1725868 1 OIL SEAL
54 1725867 1 SNAP RING
55 1725858 1 SEAL WASHER
56 1725857 1 BOLT
57 1725841 1 CYLINDER ASSY
58 1725844 1 REPAIR, KIT
59 * 1 PISTON PACKING
60 * 2 O-RING
61 * 2 ROD PACKING
62 * 2 O-RING
63 * 2 DUST SEAL
64 1725843 2 SNAP, RING
65 * 2 GUIDE KIT
66 1725842 2 BUSHING
67 * 1 PISTON ROD KIT
68 1725850 2 BRACKET
69 1725851 4 BOLT
70 1725845 2 LINK ASSY
71 1725846 2 TIE ROD END
72 1725847 2 NUT
73 1725848 2 BALL JOINT, TIE ROD END
74 1725849 2 SPLIT PIN
75 1725893 6 BOLT
76 1725855 1 GAUGE, OIL
77 1725856 1 SEAL WASHER
78 1725879 1 DIFF SHAFT, L
79 1728039 2 RING RETAINING, LARGE, TIE ROD
80 1728037 2 BOOT RUBBER, TIE ROD
81 1728038 2 RING RETAINING, SMALL TIE ROD
82 1728041 2 RING RETAINING, BALL JOINT
83 1728040 2 BOOT RUBBER, BALL JOINT
84 1728042 2 NUT, CASTLE, BALL JOINT
The above parts group applies to the following Mfg. Nos.:
2005 57
© Copyright Simplicity Manufacturing, Inc. All Rights Reserved.
1694413 - Le
g
ac
y
XL
1694416 - Legacy XL
1694417 - Le
g
ac
y
XL
1694418 - Le
g
ac
y
XL
1694420 - Le
g
ac
y
XL
1694428 - 2927
1694445 - Le
g
ac
y
XL
1694446 - Legacy XL
1694447 - 2927
1694448 - 2927
1694451 - Le
g
ac
y
XL
1694501 - 2027
1694502 - 2027
1694503 - 2027
1694505 - 2927
1694506 - Le
g
ac
y
XL
1694539 - 2027
1694540 - 2927
1694541 - 2027
1694549 - Legacy XL
1694550 - 2927
TP 400-3469-01-XL-SMA

Hydraulic Group
NOTE: Unless noted otherwise,
use the standard hardware torque
specification chart.
"L"
"R"
"P"
"E"
"T"
Angling/
Bucket
Cylinder
Lift
Cylinder
Lift
Cylinder
Diverter
Switch
Toggled Forward
Diverter
Switch
Toggled Back
Valve
Power
Steering
Hydraulic
Control
Oil Cooler
Selector
Valve
Steering Cylinder
Transaxle
Hydro
Pump
Front of
Tractor
Outlet Inlet
Connects to
LH steering
cylinder.
Connects to
RH steering
cylinder.
Mount to
transmission.
From oil
cooler.
To oil
cooler.
Blue
(Bottom)
Red
(Top)
Yellow
(Bottom)
Green
(Top)
11
17
15
12
18
14
13
21
27
25
29
22
28
24
23
30
1
7
9
2
8
4
6
3
10
65
65
3
2
51
2
50
3
3
2
616
619 19
620
626
31
37
35
39
32
38
34
36
33
40
41
47
45
49
42
48
44
46
43
54
45
43
16
653
52
986315
The above parts group applies to the following Mfg. Nos.:
2005 58
© Copyright Simplicity Manufacturing, Inc. All Rights Reserved.
1694413 - Le
g
ac
y
XL
1694416 - Legacy XL
1694417 - Le
g
ac
y
XL
1694418 - Le
g
ac
y
XL
1694420 - Le
g
ac
y
XL
1694428 - 2927
1694445 - Le
g
ac
y
XL
1694446 - Legacy XL
1694447 - 2927
1694448 - 2927
1694451 - Le
g
ac
y
XL
1694501 - 2027
1694502 - 2027
1694503 - 2027
1694505 - 2927
1694506 - Le
g
ac
y
XL
1694539 - 2027
1694540 - 2927
1694541 - 2027
1694549 - Legacy XL
1694550 - 2927
TP 400-3469-01-XL-SMA

PART NO. DESCRIPTIONREF NO QTY.
Hydraulic Group
Footnotes
1 1726319 1 WASHER
2 173358 4 BODY ASSEMBLY, Coupler 1/4-18 Int, 1.94 LG
3 173360 4 PLUG, Plastic
4 1726321 1 WASHER
5 1725351 7 FITTING, Tube Elbow
6 1725687 1 TUBE, Hydraulic
7 1725686 1 TUBE, Hydraulic
8 1725688 1 TUBE, Hydraulic
9 1725080 1 VALVE ASSEMBLY, Control 2 Spool
10 1725690 1 TUBE, Hydraulic
11 1960700 2 CARRIAGE BOLT, 1/4-20 x 2 G5
12 1724434 1 ROD & PIN ASSEMBLY, Control
13 1724878 1 ROD & PIN ASSEMBLY, Control
14 1725012 1 HOSE ASSEMBLY, Hydraulics, R.H.
15 1724890 1 HOSE ASSEMBLY, Hydraulics, L.H.
16 1960685 4 NUT, Hex 1/4-20 Conical Washer
17 1724881 1 PAD, Hydraulic
18 960697 3 NUT, Hex, Spiralock Flange 1/4-28
19 1725117 3 JOINT, Ball, 1/4-28 Int
20 1923341 2 CAPSCREW, Hex Head, 1/4-20 x 3/4 G5
21 1725100 1 LEVER ASSEMBLY, Joystick
22 1960666 1 SCREW, TORX PLUS Socket Head, 1/4-20 x 7/8
23 1722303 1 HANDLE, Cruise 3/8 x 7/8 Slot
24 1920397 1 NUT, Hex, Lock, ESNA LIGHT, 1/4-20 NC-3B
25 1725120 1 BOOT, Hydraulic Control
26 960696 3 SCREW, Hex SEMS Square Washer, 1/4-28 x 3/4
27 960444 4 CAPSCREW, Hex Head
28 1916964 4 LOCKWASHER, Spring
29 1725288 1 POWER STEERING UNIT
30 1725485 1 O-RING
31 1724886 1 TUBE, Hydraulic
32 1725604 1 HOSE ASSEMBLY, Hydraulic Rubber, 29 LG, 1 Swivel
33 1960033 1 CLIP, Hair Pin
34 1725655 1 FITTING, Tube Elbow 9/16-18 13/16-16, 90 Degrees
35 1725689 1 TUBE, Hydraulic
36 1725361 1 FITTING, Tube Elbow, 9/16-18 11/16-16, 45 Degrees
37 1725111 1 HOSE ASSEMBLY, Hydraulic Rubber, 180 Degrees
38 8181008 1 PIN, Round Head Drilled, 1/2 x 2-1/2
39 1918452 1 PIN, Cotter, 1/4 x 1
40 1726442 1 CYLINDER ASSEMBLY, Hydraulic, ROCKLY Implement Lift
41 1725223 1 PIN, Clevis
42 1725691 1 HOSE, Hydraulic
43 919171 2 FITTING-TUBE MALE 1/8NPT+7/16-20 .250TU
44 1725110 1 HOSE ASSEMBLY, Hydraulic Rubber, 13.7 LG, 30 Degrees
The above parts group applies to the following Mfg. Nos.:
2005 59
© Copyright Simplicity Manufacturing, Inc. All Rights Reserved.
1694413 - Le
g
ac
y
XL
1694416 - Legacy XL
1694417 - Le
g
ac
y
XL
1694418 - Le
g
ac
y
XL
1694420 - Le
g
ac
y
XL
1694428 - 2927
1694445 - Le
g
ac
y
XL
1694446 - Legacy XL
1694447 - 2927
1694448 - 2927
1694451 - Le
g
ac
y
XL
1694501 - 2027
1694502 - 2027
1694503 - 2027
1694505 - 2927
1694506 - Le
g
ac
y
XL
1694539 - 2027
1694540 - 2927
1694541 - 2027
1694549 - Legacy XL
1694550 - 2927
TP 400-3469-01-XL-SMA

Hydraulic Group
NOTE: Unless noted otherwise,
use the standard hardware torque
specification chart.
"L"
"R"
"P"
"E"
"T"
Angling/
Bucket
Cylinder
Lift
Cylinder
Lift
Cylinder
Diverter
Switch
Toggled Forward
Diverter
Switch
Toggled Back
Valve
Power
Steering
Hydraulic
Control
Oil Cooler
Selector
Valve
Steering Cylinder
Transaxle
Hydro
Pump
Front of
Tractor
Outlet Inlet
Connects to
LH steering
cylinder.
Connects to
RH steering
cylinder.
Mount to
transmission.
From oil
cooler.
To oil
cooler.
Blue
(Bottom)
Red
(Top)
Yellow
(Bottom)
Green
(Top)
11
17
15
12
18
14
13
21
27
25
29
22
28
24
23
30
1
7
9
2
8
4
6
3
10
65
65
3
2
51
2
50
3
3
2
616
619 19
620
626
31
37
35
39
32
38
34
36
33
40
41
47
45
49
42
48
44
46
43
54
45
43
16
653
52
986315
The above parts group applies to the following Mfg. Nos.:
2005 60
© Copyright Simplicity Manufacturing, Inc. All Rights Reserved.
1694413 - Le
g
ac
y
XL
1694416 - Legacy XL
1694417 - Le
g
ac
y
XL
1694418 - Le
g
ac
y
XL
1694420 - Le
g
ac
y
XL
1694428 - 2927
1694445 - Le
g
ac
y
XL
1694446 - Legacy XL
1694447 - 2927
1694448 - 2927
1694451 - Le
g
ac
y
XL
1694501 - 2027
1694502 - 2027
1694503 - 2027
1694505 - 2927
1694506 - Le
g
ac
y
XL
1694539 - 2027
1694540 - 2927
1694541 - 2027
1694549 - Legacy XL
1694550 - 2927
TP 400-3469-01-XL-SMA

PART NO. DESCRIPTIONREF NO QTY.
Hydraulic Group
Footnotes
45 1960221 2 CLIP, Hair Pin
46 1960571 2 SCREW, Hex, Washer Head Taptite, 1/4-20 x 1-3/4
47 1724857 1 VALVE ASSEMBLY, Selector
48 1725684 1 TUBE, Hydraulic
49 1725685 1 TUBE, Hydraulic
50 1726320 1 WASHER
51 1726318 1 WASHER
52 1725323 1 SUPPORT, Quick Disc
53 1664847 4 SCREW, Hex, Washer Head, Taptite, 5/16-18 x 3/4
54 1725325 1 SUPPORT, Quick Disc
The above parts group applies to the following Mfg. Nos.:
2005 61
© Copyright Simplicity Manufacturing, Inc. All Rights Reserved.
1694413 - Le
g
ac
y
XL
1694416 - Legacy XL
1694417 - Le
g
ac
y
XL
1694418 - Le
g
ac
y
XL
1694420 - Le
g
ac
y
XL
1694428 - 2927
1694445 - Le
g
ac
y
XL
1694446 - Legacy XL
1694447 - 2927
1694448 - 2927
1694451 - Le
g
ac
y
XL
1694501 - 2027
1694502 - 2027
1694503 - 2027
1694505 - 2927
1694506 - Le
g
ac
y
XL
1694539 - 2027
1694540 - 2927
1694541 - 2027
1694549 - Legacy XL
1694550 - 2927
TP 400-3469-01-XL-SMA

Controls Group
NOTE: Unless noted otherwise,
use the standard hardware torque
specification chart.
Transaxle brake
arm. Secure link
to lower hole.
Part of
Frame Assembly
For seat deck
540 P.T.O. hole.
With brake in lock position
spring to be compressed to
3.62 inches.
4WD Model
ONLY
540 P.T.O. ONLY
11
17
15
19
12
18
14
16
13
20
21
27
25
29
22
28
24
2623
30
1
7
5
9
2
8
4
6
3
10
66
64
41
47
45
49
42
48
44
46
43
50
51
57
55
59
52
58
54
56
53
60
61
67
65
69
62
68
64
66
63
70
71
77
75
79
72
78
74
76
73
80
81
82
83
15
4
630
11
29
66
6
31
37
35
39
32
38
34
36
33
40
22
16
18
16
6
6
6
630
45
36
6
6
49
4
20
30
6
30
55
41
41
22
32
41
41
4
9
6
6
56
7
22
32
986329
The above parts group applies to the following Mfg. Nos.:
2005 62
© Copyright Simplicity Manufacturing, Inc. All Rights Reserved.
1694413 - Le
g
ac
y
XL
1694416 - Legacy XL
1694417 - Le
g
ac
y
XL
1694418 - Le
g
ac
y
XL
1694420 - Le
g
ac
y
XL
1694428 - 2927
1694445 - Le
g
ac
y
XL
1694446 - Legacy XL
1694447 - 2927
1694448 - 2927
1694451 - Le
g
ac
y
XL
1694501 - 2027
1694502 - 2027
1694503 - 2027
1694505 - 2927
1694506 - Le
g
ac
y
XL
1694539 - 2027
1694540 - 2927
1694541 - 2027
1694549 - Legacy XL
1694550 - 2927
TP 400-3469-01-XL-SMA

PART NO. DESCRIPTIONREF NO QTY.
Controls Group
Footnotes
1 1721577 1 PAD, Brake Pedal
2 1724676 1 ROD, Brake Pedal
3 960396 1 PIN, Spring
4 176440 6 BUSHING
5 1931317 1 CARRIAGE BOLT, 1/4-20 x 3/4 G5
6 1722460 7/9/1 PIN, Quick
7 1725276 1 ROD, 4 Bends, 13.63 LG
8 1717006 1 BRACKET, Parking Brake Pivot, BLACK ROCKY
9 1960685 2 NUT, Hex, KEPS, 1/4-20 Conical Washer
10 1717004 1 ROD, 10-24 x 31/50, 3.91 LG
11 1960591 1/3 NUT, Hex, KEPS, #10-24
12 1725277 1 KNOB, Interior Thread, Parking
13 1725550 1 CLIP, Rod End Linkage, L.H., For .188 Rod
14 1960234 1 SPACER, .320 LG
15 1960687 2 NUT, Hex, Flange, 3/8-16, ESNA
16 1922611 3 WASHER, 3/4
17 1677746 1 SPRING, Complete
18 1713791 2 SPACER, 7/16 LG Powdered Metal
19 1924356 1 WASHER, 3/8
20 1960114 2 WASHER, 3/4
21 1724850 1 ROD, 4WD Shift, 10.74 LG
22 1664847 2/6 SCREW, Hex, Washer Head, Taptite, 5/16-18 x 3/4
23 1933737 2 SCREW, Hex Washer Head, Slot #10-24 x 5/8
24 1717050 1 SWITCH, Push Button, Nuetral/Start
25 1724866 1 BRACKET, 2 Speed Pivot
26 1674631 4 BEARING HALF, Outer Nylon
27 1713843 1 KNOB, Sphere Softer
28 1724902 1 ROD, Shift 2 Speed, 19-1/4 LG
29 1930600 4 SCREW, Hex, Washer Head, Taptite, 5/16-18 x 1-1/2
30 1919326 3/5/7 WASHER
31 1716994 1 BRACKET, Mounting, 4.63 LG
32 1960684 7 NUT, Hex, KEPS 5/16-18, Conical Washer
33 1725357 1 KNOB, With Cruise Control Rod Molded In
34 1931335 2 CARRIAGE BOLT, 5/16-18 x 1 G5
35 1724669 1 LEVER ASSEMBLY, Cruise
36 1669105 1/2 SPACER, 1-1/2 LG HARDEN
37 1924940 1 WASHER, 3/8
38 1922130 1 CAPSCREW, Hex Head, 3/8-16 x 2-1/4 G5
39 1725299 1 COVER, Black Rubber, .98 x 3.88
40 1960615 1 CARRIAGE BOLT, 3/8-16 x 2-1/2
41 1922755 5 WASHER, 3/4
42 1724686 1 ARM, Cruise Return
43 1724913 1 LINK & PIN ASSEMBLY, Cruise
44 1921973 1 CAPSCREW, Hex Head 3/8-16 x 2-3/4 G5
The above parts group applies to the following Mfg. Nos.:
2005 63
© Copyright Simplicity Manufacturing, Inc. All Rights Reserved.
1694413 - Le
g
ac
y
XL
1694416 - Legacy XL
1694417 - Le
g
ac
y
XL
1694418 - Le
g
ac
y
XL
1694420 - Le
g
ac
y
XL
1694428 - 2927
1694445 - Le
g
ac
y
XL
1694446 - Legacy XL
1694447 - 2927
1694448 - 2927
1694451 - Le
g
ac
y
XL
1694501 - 2027
1694502 - 2027
1694503 - 2027
1694505 - 2927
1694506 - Le
g
ac
y
XL
1694539 - 2027
1694540 - 2927
1694541 - 2027
1694549 - Legacy XL
1694550 - 2927
TP 400-3469-01-XL-SMA

Controls Group
NOTE: Unless noted otherwise,
use the standard hardware torque
specification chart.
Transaxle brake
arm. Secure link
to lower hole.
Part of
Frame Assembly
For seat deck
540 P.T.O. hole.
With brake in lock position
spring to be compressed to
3.62 inches.
4WD Model
ONLY
540 P.T.O. ONLY
11
17
15
19
12
18
14
16
13
20
21
27
25
29
22
28
24
2623
30
1
7
5
9
2
8
4
6
3
10
66
64
41
47
45
49
42
48
44
46
43
50
51
57
55
59
52
58
54
56
53
60
61
67
65
69
62
68
64
66
63
70
71
77
75
79
72
78
74
76
73
80
81
82
83
15
4
630
11
29
66
6
31
37
35
39
32
38
34
36
33
40
22
16
18
16
6
6
6
630
45
36
6
6
49
4
20
30
6
30
55
41
41
22
32
41
41
4
9
6
6
56
7
22
32
986329
The above parts group applies to the following Mfg. Nos.:
2005 64
© Copyright Simplicity Manufacturing, Inc. All Rights Reserved.
1694413 - Le
g
ac
y
XL
1694416 - Legacy XL
1694417 - Le
g
ac
y
XL
1694418 - Le
g
ac
y
XL
1694420 - Le
g
ac
y
XL
1694428 - 2927
1694445 - Le
g
ac
y
XL
1694446 - Legacy XL
1694447 - 2927
1694448 - 2927
1694451 - Le
g
ac
y
XL
1694501 - 2027
1694502 - 2027
1694503 - 2027
1694505 - 2927
1694506 - Le
g
ac
y
XL
1694539 - 2027
1694540 - 2927
1694541 - 2027
1694549 - Legacy XL
1694550 - 2927
TP 400-3469-01-XL-SMA

PART NO. DESCRIPTIONREF NO QTY.
Controls Group
Footnotes
45 1676148 2 BUSHING, 2/5 LG Powdered Metal
46 1960106 1 SCREW, Hex, Washer Head, PLASTITE 1/4 x 1
47 1726043 1 HANDLE, 540 PTO 3/8 x 7/8 Slot
48 1724225 1 HANDLE ASSEMBLY, Control
49 1724216 1 ARM & HUB ASSEMBLY, Control
50 1725010 1 PIN, Spring
51 1724229 1 ROD, Control, 9.23 LG
52 1960680 1 NUT, Hex, KEPS 3/8-16 Conical Washer
53 1960692 1 NUT, Hex, Toplock Flange 7/16-20
54 1725278 1 SPRING, Complete
55 1725011 2 PIN, Clevis
56 1918447 3 PIN, Cotter .094 X 3/4
57 1724783 1 LINK & BRACE ASSEMBLY, Brake
58 1724200 1 ROD
59 1724858 1 ROD, Diff Lock, 20.7 LG
60 1611710 2 RING, Klipring Extension, 3/4 Shaft
61 1724859 1 PEDAL ASSEMBLY, Diff Lock
62 1716289 1 KNOB, Hole
63 1724672 1 SHAFT ASSEMBLY, Brake
64 1925125 1 WASHER, 7/16
65 1724241 1 ARM ASSEMBLY, Control
66 1931337 1 CARRIAGE BOLT, 5/16-18 x 1-1/2 G5
67 1931320 1 CARRIAGE BOLT, 1/4-20 x 1-1/4 G5
68 1724224 1 CONTROL ASSEMBLY, Foot Pedals
69 1702552 1 SPACER
70 1725275 1 ARM, Brake Lock
71 1960686 1 NUT, Hex Flange, 5/16-18, ESNA
72 1931334 4 CARRIAGE BOLT, 5/16-18 x 7.8 G5
73 1721675 1 PAD, Foot Pedal, Forward
74 1724266 1 PEDAL, Foot, Forward
75 1721674 1 PAD, Foot Pedal, Reverse
76 1722071 1 PEDAL, Reverse
77 1921332 1 CAPSCREW, Hex Head, 5/16-18 x 3/4 G5
78 1924856 2 SCREW, Hex Washer Head, Taptite, 5/16-18 x 1/2
79 1707944 1 CAM, Roller
80 1724679 1 ARM ASSEMBLY, Brake
81 1724846 1 LINK, Brake
82 1724844 1 ACTUATOR, Switch 20 GA
83 1721995 1 SPRING, Extension
The above parts group applies to the following Mfg. Nos.:
2005 65
© Copyright Simplicity Manufacturing, Inc. All Rights Reserved.
1694413 - Le
g
ac
y
XL
1694416 - Legacy XL
1694417 - Le
g
ac
y
XL
1694418 - Le
g
ac
y
XL
1694420 - Le
g
ac
y
XL
1694428 - 2927
1694445 - Le
g
ac
y
XL
1694446 - Legacy XL
1694447 - 2927
1694448 - 2927
1694451 - Le
g
ac
y
XL
1694501 - 2027
1694502 - 2027
1694503 - 2027
1694505 - 2927
1694506 - Le
g
ac
y
XL
1694539 - 2027
1694540 - 2927
1694541 - 2027
1694549 - Legacy XL
1694550 - 2927
TP 400-3469-01-XL-SMA

Electrical Group - 27HP Briggs & Stratton Diesel
NOTE: Unless noted otherwise,
use the standard hardware torque
specification chart.
To Starter
21
20
12
19
17
13
16
18
14
6
26
38
31 35
37
39
36
34
1
8
5
10
2
9
4
7
3
11
641
51
52
53
47
46
45
50
6
6
6
17
43
42 644
648
33
32
655
622
25
30
29
28
27
40
49
4
6
6
6
23
24
54
55
54
15
Cruise Switch
To Engine •
Starter
DASH MOUNTED
HOOD MOUNTED
ENGINE
RIGHT SIDE •
FRAME
UNDER HOOD
UNDER BATTERY •
HOLD DOWN ASSEMBLY
UNDER SEAT DECK
Pedal
Switch
Seat
Switch
(NC)
Fuel Guage
To Selector•
Solenoid
Electric PTO
Hydraulic •
Switch
Power Outlet •
Front Attachments
To Engine •
Block
•
Preheat Timer
To Engine
Mount •
(Frame)
To Oil •
Pressure Switch
To Fuel•
Filter Plug
To Fuel •
Shutoff Solenoid
To Temp•
Sender
To Glow•
Plug
To Alternator
To "G" Terminal
of Alternator
To Tachometer
Sender
986323
The above parts group applies to the following Mfg. Nos.:
2005 66
© Copyright Simplicity Manufacturing, Inc. All Rights Reserved.
1694413 - Le
g
ac
y
XL
1694418 - Legacy XL
1694505 - 2927
1694506 - Le
g
ac
y
XL
1694539 - 2027
1694540 - 2927
1694541 - 2027
1694549 - Legacy XL
1694550 - 2927
TP 400-3469-01-XL-SMA

PART NO. DESCRIPTIONREF NO QTY.
Electrical Group - 27HP Briggs & Stratton Diesel
Footnotes
1 1715923 1 HEADLIGHT
2 1717649 2 BULB, Headlight, Halogen
3 1716198 1 HARNESS, Headlight
4 172434 1 CLIP, Wire
5 1708007 1 CLAMP, Wire 3/8 Diameter
6 925094 12 TIE, Self Locking 7 in. Long
7 1716061 1 SWITCH ASSEMBLY, Ignition 5/8-32, 6 Pin INDAK
8 1960547 1 LOCKWASHER, Internal Tooth, 5/8, Thin
9 1717549 1 NUT, Hex Flange 5/8-32 Ignition Switch
10 1717550 1 COVER, Ignition Switch, Black
11 1717163 1 KEYS, Set of 2
12 1716329 1 SWITCH, Electric Lift, 6 Terminal
13 1724967 1 PANEL, Instrument (Includes Ref. Nos. 14 & 15)
14 1717634 10 BULB, Instrument Panel
15 1729948 10 SEAL, Lamp Socket Plug
16 1722061 10 HOLDER, Bulb, Instrument Panel (Includes Ref. No. 15)
17 1960578 4 SCREW, Hex Washer Head, Thread Cutting, #12-24 x 5/8
18 1725534 1 BREAKER, Circuit 12VOLT 10AMP
19 1665238 1 BREAKER, Circuit 12VOLT 20AMP with Tab
20 1716951 1 SWITCH, Headlights, 2 Terminal
21 1722887 1 SWITCH, PTO Push/Pull, Yellow
22 1701343 2 RELAY, 12VOLT 5 Blade
23 1933896 1 NUT, Hex Lock 10-24 with Nylock Insert, NC3B
24 1960589 1 SCREW, Round Head Phillips #10-24 x 3/4
25 1701343 1 RELAY, Glow Plug
26 1724774 1 HARNESS, Main Diesel
27 1719680 2 COVER, Wire, Black, Vynil
28 1928919 2 NUT, Hex & Washer Assembly, KEPS
29 1719311 1 BREAKER, Circuit 30AMP 12VOLT
30 122023 1 COVER, Terminal Red
31 1725263 1 CABLE, Battery, # 4 x 10 in Long, Black
32 920426 1 LOCKWASHER, External Tooth 5/16
33 1918266 1 WASHER, 3/8
34 950017 1 CAPSCREW, Hex Head M08-1.25 x 16MM
35 1713534 1 INSULATOR, Battery Terminal, Red
36 1725262 1 CABLE, Battery, # 4 x 15 in Long, Red
37 1917356 1 LOCKWASHER, Spring 5/16
38 960433 1 NUT, Hex Flange M08-1.25
39 1724588 1 BOOT, Cable Terminal
40 1722843 1 BATTERY, 12VOLT 6CELL 500AMPS CCA
41 1933737 4 SCREW, Hew Washer Head Slot, #10-24 x 5/8
42 1717050 1 SWITCH, Push Button, Cuise Control
43 1701521 1 SWITCH, Push Button, Foot Pedal
44 1960591 4 NUT, Hex KEPS #10-24
The above parts group applies to the following Mfg. Nos.:
2005 67
© Copyright Simplicity Manufacturing, Inc. All Rights Reserved.
1694413 - Le
g
ac
y
XL
1694418 - Legacy XL
1694505 - 2927
1694506 - Le
g
ac
y
XL
1694539 - 2027
1694540 - 2927
1694541 - 2027
1694549 - Legacy XL
1694550 - 2927
TP 400-3469-01-XL-SMA

Electrical Group - 27HP Briggs & Stratton Diesel
NOTE: Unless noted otherwise,
use the standard hardware torque
specification chart.
To Starter
21
20
12
19
17
13
16
18
14
6
26
38
31 35
37
39
36
34
1
8
5
10
2
9
4
7
3
11
641
51
52
53
47
46
45
50
6
6
6
17
43
42 644
648
33
32
655
622
25
30
29
28
27
40
49
4
6
6
6
23
24
54
55
54
15
Cruise Switch
To Engine •
Starter
DASH MOUNTED
HOOD MOUNTED
ENGINE
RIGHT SIDE •
FRAME
UNDER HOOD
UNDER BATTERY •
HOLD DOWN ASSEMBLY
UNDER SEAT DECK
Pedal
Switch
Seat
Switch
(NC)
Fuel Guage
To Selector•
Solenoid
Electric PTO
Hydraulic •
Switch
Power Outlet •
Front Attachments
To Engine •
Block
•
Preheat Timer
To Engine
Mount •
(Frame)
To Oil •
Pressure Switch
To Fuel•
Filter Plug
To Fuel •
Shutoff Solenoid
To Temp•
Sender
To Glow•
Plug
To Alternator
To "G" Terminal
of Alternator
To Tachometer
Sender
986323
The above parts group applies to the following Mfg. Nos.:
2005 68
© Copyright Simplicity Manufacturing, Inc. All Rights Reserved.
1694413 - Le
g
ac
y
XL
1694418 - Legacy XL
1694505 - 2927
1694506 - Le
g
ac
y
XL
1694539 - 2027
1694540 - 2927
1694541 - 2027
1694549 - Legacy XL
1694550 - 2927
TP 400-3469-01-XL-SMA

PART NO. DESCRIPTIONREF NO QTY.
Electrical Group - 27HP Briggs & Stratton Diesel
Footnotes
45 1716987 1 HARNESS ASSEMBLY, Power Outlet
46 1724777 1 HARNESS, Rear
47 1724963 1 HARNESS, Trasnmission, PTO Lights (540 PTO Only)
48 1654634 2 SWITCH, Interlock Ball Check 5/16 (540 PTO Only)
49 1715915 2 TAIL LIGHT ASSEMBLY
50 1717650 2 BULB, Tail Light
51 1704379 1 SWITCH, Push Button, Operator Present
52 1725212 1 SWITCH, Rocker, Solenoid Select
53 1725302 1 POWER OUTLET, 12VOLT with Dust Cap
54 1701011 3 TIE, Self Locking 15 in. Long
55 1704351 3 FASTENER, Panel
The above parts group applies to the following Mfg. Nos.:
2005 69
© Copyright Simplicity Manufacturing, Inc. All Rights Reserved.
1694413 - Le
g
ac
y
XL
1694418 - Legacy XL
1694505 - 2927
1694506 - Le
g
ac
y
XL
1694539 - 2027
1694540 - 2927
1694541 - 2027
1694549 - Legacy XL
1694550 - 2927
TP 400-3469-01-XL-SMA

Electrical Group - 27HP Kohler & Kawasaki
NOTE: Unless noted otherwise,
use the standard hardware torque
specification chart.
14
11
18
16
20
12
19
15
17
13
21
22
26
28
23
27
25
24
29
1
7
5
9
2
8
4
6
3
10
65
630
39
40
42
43
41
36
34
37
33
38
5
5
5
16
631 632
635
5
Cruise Switch
To Engine Starter
DASH MOUNTED
HOOD MOUNTED
ENGINE
RIGHT SIDE •
FRAME
UNDER HOOD
UNDER
DASH
UNDER SEAT DECK
Pedal
Switch
Seat
Switch
(NC)
Fuel Guage
To Engine
Mount Bolt
To Solenoid•
Selector
To •
Kawasaki •
Engine
Electric PTO
Hydraulic •
Switch
To Negative•
Battery
To Positive•
Battery
Power Outlet •
Front Attachments
To Fuel•
Pump
986325
The above parts group applies to the following Mfg. Nos.:
2005 70
© Copyright Simplicity Manufacturing, Inc. All Rights Reserved.
1694416 - Le
g
ac
y
XL
1694417 - Legacy XL
1694420 - Le
g
ac
y
XL
1694428 - 2927
1694445 - Le
g
ac
y
XL
1694446 - Legacy XL
1694447 - 2927
1694448 - 2927
1694451 - Le
g
ac
y
XL
1694501 - 2027
1694502 - 2027
1694503 - 2027
TP 400-3469-01-XL-SMA

PART NO. DESCRIPTIONREF NO QTY.
Electrical Group - 27HP Kohler & Kawasaki
Footnotes
1 1715923 1 HEADLIGHT ASSEMBLY
2 1717649 2 BULB, Headlight Halogen
3 1716198 1 HARNESS, Wiring, Headlight
4 930222 1 CLIP, Wire
5 925094 7 TIE, Self Locking
6 1716061 1 SWITCH ASSEMBLY, Ignition
7 1960547 1 LOCKWASHER, Internal Tooth
8 1717549 1 NUT, Hex, Flange, 5/8-32, Ignition Switch Die Cast
9 1717550 1 COVER, Ignition Switch
10 1717163 1 KEYS, Set of 2
11 1716329 1 SWITCH, Electrical Lift
12 1724966 1 PANEL, Instrument (Includes Ref. Nos. 13, 14 & 15)
13 1717634 10 BULB, Instrument Panel
14 1729948 10 SEAL, Lamp Socket Plug
15 1722061 10 HOLDER, Bulb (Includes Ref. No. 14)
16 1960578 4 SCREW, Hex Washer Head, 12-24 x 5/8
17 1725534 1 BREAKER, Circuit 12Volt, 10Amps
18 1665238 1 BREAKER, Circuit 12Volt, 20Amps with Tab 9/32
19 1716951 1 SWITCH, Headlights
20 1722887 1 SWITCH, PTO Push/Pull Symbols
21 172434 1 CLIP, Wire
22 1724776 1 HARNESS, Wiring
23 1716333 1 CABLE, 1 Ring, 1 Battery Terminal
24 1713534 1 INSULATOR, Battery Terminal
25 1725324 1 CABLE, 1 Ring, 1 Battery Terminal
26 1725070 2 ROD
27 1960685 2 NUT, Hex KEPS, 1/4-20 Conical Washer
28 1718596 1 BRACKET, Battery Hold Down
29 1722843 1 BATTERY, 12 Volt, 6 Cell, 500 Amps
30 1933737 4 SCREW, Hex Washer Head Slot 10-24 x 5/8
31 1717050 2 SWITCH, Push Button, Neutral, Start
32 1960591 4 NUT, Hex KEPS, 10-24
33 1716987 1 HARNESS ASSEMBLY, Power Outlet, 8" Long
34 1724777 1 HARNESS, Rear
35 1654634 2 SWITCH, Interlock Ball Check 5/16 Long Thread
36 1724963 1 HARNESS, PTO Lights
37 1715915 1 TAIL LIGHT ASSEMBLY
38 1717650 2 BULB, Tail Light
39 1714770 1 SWITCH, Push Button Foot Pedal
40 1725212 1 SWITCH, Rocker Solenoid, Select
41 1725302 1 POWER OUTLET, 12 Volt With Dust Cap
42 1724588 1 BOOT, Cable Terminal
43 1725406 1 HARNESS, Jumper
The above parts group applies to the following Mfg. Nos.:
2005 71
© Copyright Simplicity Manufacturing, Inc. All Rights Reserved.
1694416 - Le
g
ac
y
XL
1694417 - Legacy XL
1694420 - Le
g
ac
y
XL
1694428 - 2927
1694445 - Le
g
ac
y
XL
1694446 - Legacy XL
1694447 - 2927
1694448 - 2927
1694451 - Le
g
ac
y
XL
1694501 - 2027
1694502 - 2027
1694503 - 2027
TP 400-3469-01-XL-SMA

Body Group
NOTE: Unless noted otherwise,
use the standard hardware torque
specification chart.
See
Engine Group
11
17
19
12
18
13
20
21
27
25
29
22
28
24
26
23
30
1
7
5
9
28
4
6
3
10
68
9
31
37
35
39
38
34
36
33
40
47
32
49
42
44
46
43
50
51
57
55
59
52
58
54
56
53
60
61
62
65
67
41
64
66
63
15, 16
14
50
21
48
63
45
986316
The above parts group applies to the following Mfg. Nos.:
2005 72
© Copyright Simplicity Manufacturing, Inc. All Rights Reserved.
1694413 - Le
g
ac
y
XL
1694416 - Legacy XL
1694417 - Le
g
ac
y
XL
1694418 - Le
g
ac
y
XL
1694420 - Le
g
ac
y
XL
1694428 - 2927
1694445 - Le
g
ac
y
XL
1694446 - Legacy XL
1694447 - 2927
1694448 - 2927
1694451 - Le
g
ac
y
XL
1694501 - 2027
1694502 - 2027
1694503 - 2027
1694505 - 2927
1694506 - Le
g
ac
y
XL
1694539 - 2027
1694540 - 2927
1694541 - 2027
1694549 - Legacy XL
1694550 - 2927
TP 400-3469-01-XL-SMA

PART NO. DESCRIPTIONREF NO QTY.
Body Group
Footnotes
1 1663752 2 SPACER
2 1960667 9 SCREW, Hex, Flange Whiz Lock, Dog Point, 5/16-18 x 1
3 1960687 2 NUT, Hex, Flange ESNA Lock, Black 3/8-16
4 1723707 1 PAN, Seat
5 1725300 1 SEAT, Black
6 1716977 1 SUPPORT, Seat Lower
7 1931333 4 CARRIAGE BOLT, Black, 5/16-18 x 3/4
8 1960686 6 NUT, Nut, Flange Lock, ESNA, 5/16-18
9 1709256 6 LOCKWASHER, Black
10 1717051 2 SPRING, Seat
11 1931335 2 CARRIAGE BOLT, Black, 5/16-18 x 1
12 1931350 2 CARRIAGE BOLT, Black, 3/8-16 x 1
13 1717009 1 SLIDE, Seat
14 1960295 8 CAPSCREW, Hex, Head, 1/4-20x 5/8
15 1725822 1 PANEL, Side RH, Legacy XL
16 1725821 1 PANEL, Side LH, Legacy XL
17 1717008 1 SLIDE, Seat, LH
18 1716336 1 HANDLE, Grab, RH, Black
19 1724583 1 POD, Legacy XL, 2WD
20 1725289 1 POD, Legacy XL, 4WD
21 1664847 6 CAPSCREW, Hex, Washer Head, Taptite, Black, 5/16-18 x 3/4
22 1724581 1 DECK, Seat, Legacy XL
23 1725290 1 POD, Legacy XL, LH
24 1716335 1 HANDLE, Grab, LH, Black
25 1715915 2 TAIL LIGHT ASSEMBLY
26 1718048 4 CLIP, "L"
27 1933988 4 NUT, Push, Black, 5/16
28 1925205 4 CAPSCREW, Hex Head, Black, 5/16-18 x 5/8
29 1960044 4 WASHER, Black, 5/16
30 1960578 10 CAPSCREW, Hex Washer Head, #12-24 x 5/8
31 1933896 1 NUT, Nylock, # 10-24
32 1718611 1 PLUG, Dashboard, Diesel
33 1724584 1 DASH, Upper, Black, Diesel
33 1724171 1 DASH, Upper, Black, Gas
34 1960252 4 CARRIAGEBOLT, Black, 1/4-20 x 5/8
35 1725032 1 DASH, Lower, Black, Diesel
35 1725031 1 DASH, Lower, Black, Gas
36 1960685 4 NUT, Hex, KEPS, Black, 1/4-20
37 1724869 1 ROD, Dash Support
38 1960393 1 SCREW, Phillips, Pan Head, Black, #10-24 x 1
39 1960684 9 NUT, Hex, Keps, Black, 5/16-18
40 1725652 1 EDGING, Rubber, Black, 31" Long
41 1725658 1 HOOD & SCREEN ASSEMBLY
42 1725654 1 EDGING, Rubber, Black, 23" Long
* Part number(s) not available at this time.
The above parts group applies to the following Mfg. Nos.:
2005 73
© Copyright Simplicity Manufacturing, Inc. All Rights Reserved.
1694413 - Le
g
ac
y
XL
1694416 - Legacy XL
1694417 - Le
g
ac
y
XL
1694418 - Le
g
ac
y
XL
1694420 - Le
g
ac
y
XL
1694428 - 2927
1694445 - Le
g
ac
y
XL
1694446 - Legacy XL
1694447 - 2927
1694448 - 2927
1694451 - Le
g
ac
y
XL
1694501 - 2027
1694502 - 2027
1694503 - 2027
1694505 - 2927
1694506 - Le
g
ac
y
XL
1694539 - 2027
1694540 - 2927
1694541 - 2027
1694549 - Legacy XL
1694550 - 2927
TP 400-3469-01-XL-SMA

Body Group
NOTE: Unless noted otherwise,
use the standard hardware torque
specification chart.
See
Engine Group
11
17
19
12
18
13
20
21
27
25
29
22
28
24
26
23
30
1
7
5
9
28
4
6
3
10
68
9
31
37
35
39
38
34
36
33
40
47
32
49
42
44
46
43
50
51
57
55
59
52
58
54
56
53
60
61
62
65
67
41
64
66
63
15, 16
14
50
21
48
63
45
986316
The above parts group applies to the following Mfg. Nos.:
2005 74
© Copyright Simplicity Manufacturing, Inc. All Rights Reserved.
1694413 - Le
g
ac
y
XL
1694416 - Legacy XL
1694417 - Le
g
ac
y
XL
1694418 - Le
g
ac
y
XL
1694420 - Le
g
ac
y
XL
1694428 - 2927
1694445 - Le
g
ac
y
XL
1694446 - Legacy XL
1694447 - 2927
1694448 - 2927
1694451 - Le
g
ac
y
XL
1694501 - 2027
1694502 - 2027
1694503 - 2027
1694505 - 2927
1694506 - Le
g
ac
y
XL
1694539 - 2027
1694540 - 2927
1694541 - 2027
1694549 - Legacy XL
1694550 - 2927
TP 400-3469-01-XL-SMA

PART NO. DESCRIPTIONREF NO QTY.
Body Group
Footnotes
43 1725653 1 EDGING, Rubber, Black, 2-5/8" Long
44 1725028 1 COVER, Dash, Black, Diesel
45 1717523 1 CLIP, "U"
46 1724580 1 PAD, Footrest, RH
47 1724268 1 TUNNEL, Legacy XL
48 1724579 1 PAD, Footrest, LH
49 1704351 19 FASTENER, Panel
50 1925003 7 CAPSCREW, Hex, Washer Head, Taptite, Black, 1/4-20 x 1/2
51 1717076 2 ELBOW & TUBE ASSEMBLY
52 * 1 CLIP
53 1654930 2 BUSHING
54 960665 5 SCREW, Pan Head, Torx, SEMS, #10-32 x 1/2
55 1725301 1 SENDER, Fuel
56 1685303 1 GASKET
57 1718633 1 CAP, Fuel, Diesel
57 1715917 1 CAP, Fuel, Gas
58 1725269 1 TANK, Fuel, Diesel
58 1724564 1 TANK, Fuel, Gas
59 1716927 2 SUPPORT, Fuel Tank
60 1723168 2 HOOK
61 171600 2 STRAP, Hood, Black Rubber
62 1715923 1 HEADLIGHT ASSEMBLY
63 1930641 12 NUT, Hex, Flange Whiz Lock, Black, 1/4-20
64 1960611 4 CAPSCREW, Hex, Whiz Lock, Black, 1/4-20 x 1
65 1725631 1 GRILL, Legacy XL
66 1718479 1 ROD, Hood Hinge
67 1726044 4 SCREW, Binding
* Part number(s) not available at this time.
The above parts group applies to the following Mfg. Nos.:
2005 75
© Copyright Simplicity Manufacturing, Inc. All Rights Reserved.
1694413 - Le
g
ac
y
XL
1694416 - Legacy XL
1694417 - Le
g
ac
y
XL
1694418 - Le
g
ac
y
XL
1694420 - Le
g
ac
y
XL
1694428 - 2927
1694445 - Le
g
ac
y
XL
1694446 - Legacy XL
1694447 - 2927
1694448 - 2927
1694451 - Le
g
ac
y
XL
1694501 - 2027
1694502 - 2027
1694503 - 2027
1694505 - 2927
1694506 - Le
g
ac
y
XL
1694539 - 2027
1694540 - 2927
1694541 - 2027
1694549 - Legacy XL
1694550 - 2927
TP 400-3469-01-XL-SMA

Wheel & Tires Group
NOTE: Unless noted otherwise,
use the standard hardware torque
specification chart.
Rear 2 and 4 Wheel Drive
Wheels & Tires
Front 2 Wheel Drive
Wheels & Tires
Front 4 Wheel Drive
Wheels & Tires
5
8
8
14
9
12
6
15
17
4
4
1
2
3
4
5
10
11
7
13
16
986335
The above parts group applies to the following Mfg. Nos.:
2005 76
© Copyright Simplicity Manufacturing, Inc. All Rights Reserved.
1694413 - Le
g
ac
y
XL
1694416 - Legacy XL
1694417 - Le
g
ac
y
XL
1694418 - Le
g
ac
y
XL
1694420 - Le
g
ac
y
XL
1694428 - 2927
1694445 - Le
g
ac
y
XL
1694446 - Legacy XL
1694447 - 2927
1694448 - 2927
1694451 - Le
g
ac
y
XL
1694501 - 2027
1694502 - 2027
1694503 - 2027
1694505 - 2927
1694506 - Le
g
ac
y
XL
1694539 - 2027
1694540 - 2927
1694541 - 2027
1694549 - Legacy XL
1694550 - 2927
TP 400-3469-01-XL-SMA

PART NO. DESCRIPTIONREF NO QTY.
Wheel & Tires Group
Footnotes
1 1724845 2 WHEEL & TIRE ASSEMBLY, Rear, Turf Tires (Includes Reference Nos. 2, 3, & 4)
1 1726030 2 WHEEL & TIRE ASSEMBLY, Rear, HD Field Trac (Includes Reference Nos. 2, 3, & 4)
2 * 2 TIRE, Field Trac, 26 x 12-12
2 1725724 2 TIRE, Turf, 26 x 12-12
3 1725723 2 WHEEL ASSEMBLY
4 1725718 2 VALVE STEM & CAP
5 8261100 10 HUB BOLT (Quanity 20 total for 4 Wheel Drive Models)
6 1724848 2 WHEEL & TIRE ASSEMBLY, Front, 2 Wheel Drive Models, Turf Tires (Includes
Reference Nos. 4, 7, 8, & 9)
7 1725720 2 TIRE, Turf, 18 x 8.5-8
8 1725722 4 BEARING
9 1725721 2 WHEEL ASSEMBLY, Front, 2 Wheel Drive
10 960202 4 WASHER
11 918454 2 PIN, Cotter
12 1722717 2 WASHER, Special
13 1960387 2 NUT, Hex, Slotted, 3/4-16, Black
14 1722676 2 CAP, Hub, Grey
15 1724849 2 WHEEL & TIRE ASSEMBLY, Front, 4 Wheel Drive, Turf Tires, (Includes Reference
Nos. 4, 7, & 17)
15 1726032 2 WHEEL & TIRE ASSEMBLY, Front, 4 Wheel Drive, HD Field Trac, (Includes
Reference Nos. 4, 7, & 16)
16 * 2 TIRE, Field Trac, 18 x 8.5-10
17 1725719 2 WHEEL ASSEMBLY, Front, 4 Wheel Drive
* Part number(s) not available at this time.
The above parts group applies to the following Mfg. Nos.:
2005 77
© Copyright Simplicity Manufacturing, Inc. All Rights Reserved.
1694413 - Le
g
ac
y
XL
1694416 - Legacy XL
1694417 - Le
g
ac
y
XL
1694418 - Le
g
ac
y
XL
1694420 - Le
g
ac
y
XL
1694428 - 2927
1694445 - Le
g
ac
y
XL
1694446 - Legacy XL
1694447 - 2927
1694448 - 2927
1694451 - Le
g
ac
y
XL
1694501 - 2027
1694502 - 2027
1694503 - 2027
1694505 - 2927
1694506 - Le
g
ac
y
XL
1694539 - 2027
1694540 - 2927
1694541 - 2027
1694549 - Legacy XL
1694550 - 2927
TP 400-3469-01-XL-SMA

Decals Group - Brand & Model
NOTE: Unless noted otherwise,
use the standard hardware torque
specification chart.
8
8
6
1
2
3
4
5
7
4
5
9
B986332
The above parts group applies to the following Mfg. Nos.:
2005 78
© Copyright Simplicity Manufacturing, Inc. All Rights Reserved.
1694413 - Le
g
ac
y
XL
1694416 - Legacy XL
1694417 - Le
g
ac
y
XL
1694418 - Le
g
ac
y
XL
1694420 - Le
g
ac
y
XL
1694428 - 2927
1694445 - Le
g
ac
y
XL
1694446 - Legacy XL
1694447 - 2927
1694448 - 2927
1694451 - Le
g
ac
y
XL
1694501 - 2027
1694502 - 2027
1694503 - 2027
1694505 - 2927
1694506 - Le
g
ac
y
XL
1694539 - 2027
1694540 - 2927
1694541 - 2027
1694549 - Legacy XL
1694550 - 2927
TP 400-3469-01-XL-SMA

PART NO. DESCRIPTIONREF NO QTY.
Decals Group - Brand & Model
Footnotes
1 1722983 1 DECAL, Simplicity
2 1717313 1 DECAL, Automatic Traction Control, Orange
2 1718025 1 DECAL, Automatic Traction Control, Red
3 1725566 1 DECAL, Hood Stripe, LH, Simplicity
3 1717723 1 DECAL, Hood Stripe, LH, (Massey Ferguson)
3 1723119 1 DECAL, Hood Stripe, LH, (AGCO)
4 1725805 2 DECAL, 27HP LC, Black, (Massey Ferguson)
4 1725806 2 DECAL, 27HP LC, White, (AGCO)
4 1725807 2 DECAL, 27HP V-Twin, Black, (Massey Ferguson)
4 1725808 2 DECAL, 27HP V-Twin, Black, (AGCO)
5 1725777 2 DECAL, 2927, (Massey Ferguson)
5 1725778 2 DECAL, 2027, (AGCO)
6 1725568 1 DECAL, Legacy XL, 27 HP
7 1725567 1 DECAL, Hood Stripe, RH, Simplicity
7 1717722 1 DECAL, Hood Stripe, RH (Massey Ferguson)
7 1723118 1 DECAL, Hood Stripe, RH (AGCO)
8 1717692 2 DECAL, Simplicity Icon
9 1720454 1 DECAL, Touch Up, Orange
9 1725072 1 DECAL, Touch Up, Red
The above parts group applies to the following Mfg. Nos.:
2005 79
© Copyright Simplicity Manufacturing, Inc. All Rights Reserved.
1694413 - Le
g
ac
y
XL
1694416 - Legacy XL
1694417 - Le
g
ac
y
XL
1694418 - Le
g
ac
y
XL
1694420 - Le
g
ac
y
XL
1694428 - 2927
1694445 - Le
g
ac
y
XL
1694446 - Legacy XL
1694447 - 2927
1694448 - 2927
1694451 - Le
g
ac
y
XL
1694501 - 2027
1694502 - 2027
1694503 - 2027
1694505 - 2927
1694506 - Le
g
ac
y
XL
1694539 - 2027
1694540 - 2927
1694541 - 2027
1694549 - Legacy XL
1694550 - 2927
TP 400-3469-01-XL-SMA

Decals Group - Safety & Common
NOTE: Unless noted otherwise,
use the standard hardware torque
specification chart.
1
19
18
17
2
16
11
20
8
6
12
9
13
19
18
17
16
20
5
7
10
43
15
21
22
21
14
15
C986332
The above parts group applies to the following Mfg. Nos.:
2005 80
© Copyright Simplicity Manufacturing, Inc. All Rights Reserved.
1694413 - Le
g
ac
y
XL
1694416 - Legacy XL
1694417 - Le
g
ac
y
XL
1694418 - Le
g
ac
y
XL
1694420 - Le
g
ac
y
XL
1694428 - 2927
1694445 - Le
g
ac
y
XL
1694446 - Legacy XL
1694447 - 2927
1694448 - 2927
1694451 - Le
g
ac
y
XL
1694501 - 2027
1694502 - 2027
1694503 - 2027
1694505 - 2927
1694506 - Le
g
ac
y
XL
1694539 - 2027
1694540 - 2927
1694541 - 2027
1694549 - Legacy XL
1694550 - 2927
TP 400-3469-01-XL-SMA

PART NO. DESCRIPTIONREF NO QTY.
Decals Group - Safety & Common
Footnotes
1 1708927 1 DECAL, USA Logo
2 1725573 1 DECAL, Belts & Blades
3 * 1 DECAL, Serial Number
3 * 1 DECAL, Power Mass (Export)
4 1726045 1 DECAL, Rotating Fan Blades
4 1726086 1 DECAL, Rotating Fan Blades (Export)
5 1722814 1 DECAL, Operating Instructions
5 1722814 1 DECAL, Operating Instructions (Export)
6 1725571 1 DECAL, Throttle Speed
7 1726373 2 DECAL, 4 X 4, Simplicity
7 1726374 2 DECAL, 4 X 4, (Massey Ferguson & AGCO)
8 1722806 1 DECAL, Ignition Switch
9 1725603 1 DECAL, Hydraulic Lift
10 1725776 1 DECAL, Transmission Release Valve
11 1716539 1 DECAL, Warning Battery Ground
12 1725575 1 DECAL, Danger, Rotating Parts
12 1725618 1 DECAL, Danger, Rotating Parts (Export)
13 1725574 1 DECAL, PTO Selector Position (540 PTO Models Only)
14 1721197 1 DECAL, Height of Cut, 54" Deck
15 1664141 1 DECAL, Cutting Line
16 1704277 1 DECAL, Danger (Chute in Place)
17 1722791 1 DECAL, 54"
17 1722792 1 DECAL, 60"
17 1722793 DECAL, 48"
18 * 1 DECAL, OPEI Certified
19 1720911 1 DECAL, Belt Installation, 54"
19 1725707 1 DECAL, Belt Installation, 60"
19 1725710 1 DECAL, Belt Installation, 48"
20 1704276 1 DECAL, Danger, (Hands Under Deck)
21 1722771 1 DECAL, Free Floating Mower
22 1717583 1 DECAL, Height of Cut, 60" & 48" Mower Decks
* Not a Service Part.
The above parts group applies to the following Mfg. Nos.:
2005 81
© Copyright Simplicity Manufacturing, Inc. All Rights Reserved.
1694413 - Le
g
ac
y
XL
1694416 - Legacy XL
1694417 - Le
g
ac
y
XL
1694418 - Le
g
ac
y
XL
1694420 - Le
g
ac
y
XL
1694428 - 2927
1694445 - Le
g
ac
y
XL
1694446 - Legacy XL
1694447 - 2927
1694448 - 2927
1694451 - Le
g
ac
y
XL
1694501 - 2027
1694502 - 2027
1694503 - 2027
1694505 - 2927
1694506 - Le
g
ac
y
XL
1694539 - 2027
1694540 - 2927
1694541 - 2027
1694549 - Legacy XL
1694550 - 2927
TP 400-3469-01-XL-SMA

3-Point Hitch Group
NOTE: Unless noted otherwise,
use the standard hardware torque
specification chart.
Tractor Frame
11
11
11
17
15
19
12
18
14
16
13
20
21
25
22
24
23
1
7
5
5
5
5
5
9
2
8
4
6
6
6
3
9
10
10
6
986304
The above parts group applies to the following Mfg. Nos.:
2005 82
© Copyright Simplicity Manufacturing, Inc. All Rights Reserved.
1694413 - Le
g
ac
y
XL
1694416 - Legacy XL
1694417 - Le
g
ac
y
XL
1694420 - Le
g
ac
y
XL
1694428 - 2927
1694445 - Legacy XL
1694446 - Le
g
ac
y
XL
1694447 - 2927
1694448 - 2927
1694451 - Le
g
ac
y
XL
1694501 - 2027
1694502 - 2027
1694503 - 2027
1694505 - 2927
1694506 - Le
g
ac
y
XL
1694539 - 2027
1694540 - 2927
1694541 - 2027
TP 400-3469-01-XL-SMA

PART NO. DESCRIPTIONREF NO QTY.
3-Point Hitch Group
Footnotes
1 1716422 1 BALL JOINT & STUD ASSEMBLY, RH, Upper
2 1716425 1 TURNBUCKLE, 5/8-18 x 2-1/2
3 1922014 1 NUT, Hex, Jam, 5/8-18
4 1724829 1 CLEVIS ASSEMBLY
5 1725049 7 PIN, Clevis, 5/8 x 2-1/2
6 1960033 8 CLIP, Hair Pin
7 1921969 2 CAPSCREW, Hex Head, 3/8-16 x 1-1/2
8 1700312 2 CHAIN, 16 Link
9 156306 2 PIN, Round Head, 3/4 x 1-1/2
10 1724769 2 LINK & BALL JOINT ASSEMBLY
11 176012 3 PIN, Spring
12 1724763 1 ROD ASSEMBLY, Lift
13 1919439 2 LOCKNUT, Hex, Nylock, 3/8-16
14 1960355 8 LOCKNUT, Hex, 1/2-13
15 1724826 2 SUPPORT, Inner, Pin
16 1920328 8 CAPSCREW, Hex Head, 1/2-13 x 1-1/2
17 1724809 1 CLEVIS ASSEMBLY, Fixed
18 1922134 1 LOCKNUT, Center Lock, 1/2-13
19 1700419 1 STUD & BALL JOINT ASSEMBLY, RH
20 1960297 1 NUT, Jam, 3/4-10
21 1700479 1 TUBE & PIN ASSEMBLY, Upper
22 1725244 1 PIN, Clevis, Rear
23 1725235 1 BALL JOINT & STUD ASSEMBLY
24 1724758 1 HITCH ASSEMBLY
25 1725281 1 ROD, Hitch
The above parts group applies to the following Mfg. Nos.:
2005 83
© Copyright Simplicity Manufacturing, Inc. All Rights Reserved.
1694413 - Le
g
ac
y
XL
1694416 - Legacy XL
1694417 - Le
g
ac
y
XL
1694420 - Le
g
ac
y
XL
1694428 - 2927
1694445 - Legacy XL
1694446 - Le
g
ac
y
XL
1694447 - 2927
1694448 - 2927
1694451 - Le
g
ac
y
XL
1694501 - 2027
1694502 - 2027
1694503 - 2027
1694505 - 2927
1694506 - Le
g
ac
y
XL
1694539 - 2027
1694540 - 2927
1694541 - 2027
TP 400-3469-01-XL-SMA

48" Mower Deck - Arbor & Drive Group
NOTE: Unless noted otherwise,
use the standard hardware torque
specification chart.
11
17
19
12
18
14
16
13
20
27
25
29
22
28
24
26
23
30
31
37
35
39
32
38
34
36
33
40
41
47
45
49
42
44
46
43
50
1
7
59
2
8
6
3
10
621
64 7
11
12
13
14
615
61
1
1
15
619
31
12 13
1
10
7
48
9
1
2
3
8
7
27
61
51
986440
The above parts group applies to the following Mfg. Nos.:
2005 84
© Copyright Simplicity Manufacturing, Inc. All Rights Reserved.
1694432 - 48" Mower
1694477 - 48" Mower
TP 400-3469-01-XL-SMA

PART NO. DESCRIPTIONREF NO QTY.
48" Mower Deck - Arbor & Drive Group
Footnotes
1 1960680 11 NUT, Hex KEPS, 3/8-16, Black
2 1921969 2 CAPSCREW, Hex Head, 3/8-16 x 1-1/2, Black
3 1674671 2 SPRING, Extension
4 1667811 2 SPACER
5 1931353 1 CARRIAGE BOLT, 3/8-16 x 1-3/4, Black
6 1660830 1 IDLER ARM ASSEMBLY (includes Bushings & Ref. No.9)
7 1924940 4 WASHER, 3/8, Black
8 1674669 2 SPACER
9 912808 2 GREASE FITTING
10 1923701 2 CAPSCREW, Hex Head, 3/8-16 x 2, Black
11 1725516 2 PULLEY & HUB ASSEMBLY
12 1933263 3 WASHER, 7/16
13 1918199 3 LOCKWASHER, 7/16
14 1927531 2 CAPSCREW, hex Head, 7/16-14 x 2, G8, Black
15 1960695 1 CAPSCREW, Hex Washer Head, 3/8-16 x 1-1/8, Black
16 1724513 1 SUPPORT, Hieght of Cut
17 1725519 1 SUPPORT, Gearbox
18 1921159 1 CAPSCREW, Hex Head, 1/4-20 x 2-1/4, Black
19 1928721 3 SET SCREW, Square Head, Cup Point, 5/16-18 x 1/2, G8
20 1725217 1 SHAFT ASSEMBLY
21 1923358 2 NUT, Hex Center Lock, 1/4-20, Black
22 1725298 1 GEARBOX, Drive
23 922138 1 KEY, Hi Pro
24 1725210 1 PULLEY & HUB ASSEMBLY
25 1725557 1 V-BELT, Upper
26 174911 1 V-BELT, Lower
27 923471 4 CAPSCREW, Hex Head, 7/16-14 x 1-1/4
28 1657969 3 SHIELD, Bearing
29 1655729 3 HOUSING, Arbor
30 1676278 3 ARBOR SHAFT & BEARINGS ASSEMBLY (Includes Ref. Nos. 31 & 32)
31 108202 2 BEARING
32 1676277 1 SHAFT, Arbor
33 1707335 3 GASKET, Foam
34 1703273 3 HOUSING, Arbor (Includes Ref. No. 35)
35 1704314 3 GREASE FITTING
36 1725372 1 PULLEY, Idler
37 1678663 1 PULLEY & HUB ASSEMBLY
38 1664847 16 CAPSCREW, Hex Washer Head, 5/16-18 x 3/4, Black
39 1700230 3 WASHER
40 1700229 3 SHIELD, Bearing
41 1655777 3 ADAPTER, Blade
42 1657528 3 RING, Retaining, External
43 1679916 3 BLADE, Mower, 16-23/32
44 1679711 3 WASHER, Spline
The above parts group applies to the following Mfg. Nos.:
2005 85
© Copyright Simplicity Manufacturing, Inc. All Rights Reserved.
1694432 - 48" Mower
1694477 - 48" Mower
TP 400-3469-01-XL-SMA

48" Mower Deck - Arbor & Drive Group
NOTE: Unless noted otherwise,
use the standard hardware torque
specification chart.
11
17
19
12
18
14
16
13
20
27
25
29
22
28
24
26
23
30
31
37
35
39
32
38
34
36
33
40
41
47
45
49
42
44
46
43
50
1
7
59
2
8
6
3
10
621
64 7
11
12
13
14
615
61
1
1
15
619
31
12 13
1
10
7
48
9
1
2
3
8
7
27
61
51
986440
The above parts group applies to the following Mfg. Nos.:
2005 86
© Copyright Simplicity Manufacturing, Inc. All Rights Reserved.
1694432 - 48" Mower
1694477 - 48" Mower
TP 400-3469-01-XL-SMA

PART NO. DESCRIPTIONREF NO QTY.
48" Mower Deck - Arbor & Drive Group
Footnotes
45 1656916 3 WASHER
46 1931350 1 CARRIAGE BOLT, 3/8-16 x 1, Black
47 1960373 2 CAPSCREW, Hex Washer Head, 5/16-18 x 1, Black
48 1660829 1 IDLER ARM ASSEMBLY (Includes Bushings & Ref. No. 9)
49 1725408 1 PULLEY, Idler
50 1960684 2 NUT, Hex, KEPS, 5/16-18
51 1960268 1 CARRIAGE BOLT, 3/8-16 x 1-1/4, Black
The above parts group applies to the following Mfg. Nos.:
2005 87
© Copyright Simplicity Manufacturing, Inc. All Rights Reserved.
1694432 - 48" Mower
1694477 - 48" Mower
TP 400-3469-01-XL-SMA

48" Mower Deck - Deflector & Hitch Group
NOTE: Unless noted otherwise,
use the standard hardware torque
specification chart.
See
Housing &
Cover Group
See
Housing &
Cover Group
18
16
20
19
15
17
13
21
19
19
1
8
6
10
9
4
7
3
11
612
614
2
2
5
3
618
986441
The above parts group applies to the following Mfg. Nos.:
2005 88
© Copyright Simplicity Manufacturing, Inc. All Rights Reserved.
1694432 - 48" Mower
1694477 - 48" Mower
TP 400-3469-01-XL-SMA

PART NO. DESCRIPTIONREF NO QTY.
48" Mower Deck - Deflector & Hitch Group
Footnotes
1 1717075 2 PIN
2 176012 3 PIN, Retainer, Spring
3 1715872 1 ROD
3 1724528 1 HITCH
4 1724523 1 HITCH ASSEMBLY
5 960681 2 NUT, Hex Top Flange Lock, 3/8-16
6 1720309 2 SPACER
7 1924356 2 WASHER, 3/8
8 1921971 2 CAPSCREW, Hex Head, 3/8-16 x 1-3/4, Black
9 1725296 1 ARM ASSEMBLY
10 1919394 1 WASHER, 1, Black
11 1725092 1 RING, Retaining, External, 1, Black
12 1960687 6 NUT-HEX FLANGE 3/8-16 ESNA BLK
13 1676203 1 BRACKET
14 1921210 2 CAPSCREW, Hex Head, 3/8-16 x 1, Black
15 1676213 1 SPRING, Torsion
16 1925125 1 WASHER, 7/16, Black
17 1677157 1 DEFLECTOR & HING ASSEMBLY
18 1931350 4 CARRIAGE BOLT, 3/8-16 x 1, Black
20 1677261 1 STONE GUARD & BRACKET ASSEMBLY
21 1676208 1 ROD
The above parts group applies to the following Mfg. Nos.:
2005 89
© Copyright Simplicity Manufacturing, Inc. All Rights Reserved.
1694432 - 48" Mower
1694477 - 48" Mower
TP 400-3469-01-XL-SMA

48" Mower Deck - Height Adjustment & Roller Group
NOTE: Unless noted otherwise,
use the standard hardware torque
specification chart.
11
17
15
19
12
18
14
16
13
20
21
27
25
29
22 28
24 26
23
30
1
7
5
9
2
8
4
6
3
10
653
5
22
32
22
23
22
23
22
23
22
23
22
23
23
23
31
37
35
39
32
38
34
36
33
40
41
47
45
49
42
48
44
46
43
50
51
55
52
54
56
31
28
27
26 25
24
22
22
21
37
27
38
30
35
38
637
54
986439
The above parts group applies to the following Mfg. Nos.:
2005 90
© Copyright Simplicity Manufacturing, Inc. All Rights Reserved.
1694432 - 48" Mower
1694477 - 48" Mower
TP 400-3469-01-XL-SMA

PART NO. DESCRIPTIONREF NO QTY.
48" Mower Deck - Height Adjustment & Roller Group
Footnotes
1 925094 1 TIE, Self Locking
2 1716986 1 HARNESS ASSEMBLY
3 1715885 1 MOTOR, Electric
4 960664 3 CAPSCREW, Hex, SEMS Washer Head, Dog Point, 1/4-20 x 7/8
5 1960695 3 CAPSCREW, Hex Wsher Head, 3/8-16 x 1-1/8, Black
6 1725197 1 BRACE, Height of Cut
7 1715886 1 ADAPTER, Motor
8 1960685 1 NUT, Hex, KEPS, 1/4-20, Black
9 1715887 1 HUB
10 1960581 1 PIN, Spring
11 1716998 1 WASHER, Special
12 1725196 1 SUPPORT, Height of Cut
13 1715891 1 BEARING, Thrust
14 1724524 1 ROD & SPACER ASSEMBLY
15 1679166 1 SPACER
16 1715881 1 LEVER
17 1960689 1 NUT, Hex, Toplock Flange,1/2-13, Black
18 1716424 1 COVER, Rod, Black
19 1704314 1 FITTING, Grease
20 1715892 1 TRUNNION
21 1918459 2 PIN, Cotter
22 960626 10 WASHER, 1/2 x 1-1/4
23 1719748 9 ROLLER
24 172622 2 BOLT, Shoulder, Hex, 3/8-16, Black
25 1924361 2 WASHER, 1/2 x 1-1/4
26 1677507 2 SLIDE
27 960681 4 NUT, Hex Toplock, 3/8-16
28 1704082 2 NUT, Adjuster, Eccentric
29 1719651 1 BAR & SHAFT ASSEMBLY, Roller
30 1960071 2 WASHER, 3/8
31 1715882 1 BAR ASSEMBLY, Roller, LH
32 1714812 2 SPACER, Long
33 1928721 1 SET SCREW, Square Head, 5/16-18 x 1/2, G8
34 1701873 1 SPACER, Short
35 1931353 2 CARRIAGE BOLT, 3/8-16 x 1-3/4
36 1960489 1 CARRIAGE BOLT, 1/2-13 x 2-1/2, Black
37 1960680 8 NUT, Hex, KEPS, 3/8-16 , Black
38 1931350 12 CARRIAGE BOLT, 3/8-16 x 1
39 1725500 1 ROCKER SHAFT ASSEMBLY
40 1676088 2 SPACER
41 1676087 2 STRAP, "U"
42 1960615 2 CARRIAGE BOLT, 3/8-16 x 2-1/2, Black
43 1924856 1 CAPSCREW, Hex Head, Taptite, 5/16-18 x 1/2
44 1716481 1 ROD, Indicator
* Part number(s) not available at this time.
The above parts group applies to the following Mfg. Nos.:
2005 91
© Copyright Simplicity Manufacturing, Inc. All Rights Reserved.
1694432 - 48" Mower
1694477 - 48" Mower
TP 400-3469-01-XL-SMA

48" Mower Deck - Height Adjustment & Roller Group
NOTE: Unless noted otherwise,
use the standard hardware torque
specification chart.
11
17
15
19
12
18
14
16
13
20
21
27
25
29
22 28
24 26
23
30
1
7
5
9
2
8
4
6
3
10
653
5
22
32
22
23
22
23
22
23
22
23
22
23
23
23
31
37
35
39
32
38
34
36
33
40
41
47
45
49
42
48
44
46
43
50
51
55
52
54
56
31
28
27
26 25
24
22
22
21
37
27
38
30
35
38
637
54
986439
The above parts group applies to the following Mfg. Nos.:
2005 92
© Copyright Simplicity Manufacturing, Inc. All Rights Reserved.
1694432 - 48" Mower
1694477 - 48" Mower
TP 400-3469-01-XL-SMA

PART NO. DESCRIPTIONREF NO QTY.
48" Mower Deck - Height Adjustment & Roller Group
Footnotes
45 1716983 1 BRACKET, Roller, LH
46 * 1 DECAL, Height of Cut
47 1716480 1 PLATE, Height Indicator
48 1929000 1 CAPSCREW, Hex Washer Head, Taptite, 1/4-20 x 3/8
49 1960684 4 NUT, Hex,KEPS, 5/16-18, Black
50 108224 1 BRACKET, Roller, LH
51 1931333 4 CARRIAGE BOLT, 5/16-18 x 3/4, Black
52 1722036 2 ROLLER
53 1918458 2 PIN, Cotter, Black
54 1960020 2 WASHER, 5/8, Black
55 108454 1 BRACKET & SHAFT ASSEMBLY
56 1716982 1 BRACKET, Roller, RH
* Part number(s) not available at this time.
The above parts group applies to the following Mfg. Nos.:
2005 93
© Copyright Simplicity Manufacturing, Inc. All Rights Reserved.
1694432 - 48" Mower
1694477 - 48" Mower
TP 400-3469-01-XL-SMA

48" Mower Deck - Housing & Cover Group
NOTE: Unless noted otherwise,
use the standard hardware torque
specification chart.
See
Roller
Group
17
15
18
14
16
15
3
28
1
7
5
2
4
3
626
21
8
22
23
24
21
8
25
19
19
23 24
22
8
21
8
27
8
11
6
10
13
12
69
69
8
3
3
1
619
15
615
20
986438
The above parts group applies to the following Mfg. Nos.:
2005 94
© Copyright Simplicity Manufacturing, Inc. All Rights Reserved.
1694432 - 48" Mower
1694477 - 48" Mower
TP 400-3469-01-XL-SMA

PART NO. DESCRIPTIONREF NO QTY.
48" Mower Deck - Housing & Cover Group
Footnotes
1 1929000 8 CAPSCREW, Hex Head, Taptite, 1/4-20 x 3/8
2 1725522 1 COVER, Belt, RH
3 1960680 9 NUT, Hex, Washer KEPS, 3/8-16, Black
4 1725497 1 HITCH ASSEMBLY
5 1725296 1 ARM & TUBE ASSEMBLY
6 171690 1 PIN, Yoke, Drilled, Black
7 1725201 1 TRUNION
8 1924366 6 WASHER, 5/8, Black
9 1922014 4 NUT, Hex Jam, 5/8-18, Black
10 1960074 1 CLIP, Hair Pin
11 1722507 1 STUD, 5/8-18 x 8-9/16
12 1919394 1 WASHER, 1
13 1725092 1 RING, Retaining, 1
14 1725735 2 CHAIN, 9 Link
15 1931350 11 CARRIAGE BOLT, 3/8-16 1, Black
16 1960687 2 NUT, Hex, Flange Lock, ESNA, 3/8-16, Black
17 1725521 1 COVER, Belt, LH
18 1725515 1 HOUSING, 48~ Mower
19 1930601 8 CAPSCREW, Hex, Washer Head, Taptite, 5/16-18, 5/8, Black
20 1960684 2 NUT, Hex, Washer, 5/16-18, Black
21 1703805 4 KLIPRING, External, 1/2
22 1716353 2 WHEEL
23 1716345 2 SPINDLE
24 1716346 2 SPRING, Compression
25 1716347 1 BRACKET & YOKE ASSEMBLY
26 1679385 2 HOOK, "J"
27 1716942 1 BRACKET & YOKE ASSEMBLY
28 1674774 1 BAFFLE, 48~ Mower
The above parts group applies to the following Mfg. Nos.:
2005 95
© Copyright Simplicity Manufacturing, Inc. All Rights Reserved.
1694432 - 48" Mower
1694477 - 48" Mower
TP 400-3469-01-XL-SMA

54" Mower Deck - Drive Group
NOTE: Unless noted otherwise,
use the standard hardware torque
specification chart.
Spring-loaded
Idler Pulley
Outer Pulley
Outer Pulley
Drive Pulley
Center Pulley
Deck Drive
Belt Path
17
15
18
16
1
5
24
6
3
6
78
9
10
11
12
13
614
622
613
14
14
19 20 21
17
621
23
26
14
24
25
986349
The above parts group applies to the following Mfg. Nos.:
2005 96
© Copyright Simplicity Manufacturing, Inc. All Rights Reserved.
1694397 - 54" Mower
1694478 - 54" Mower
1694507 - 54" Mower
1694509 - 54" Mower
TP 400-3469-01-XL-SMA

PART NO. DESCRIPTIONREF NO QTY.
54" Mower Deck - Drive Group
Footnotes
1 1725190 1 BRACKET, Spring Mounting
2 1718016 1 SPRING, Extension
3 1923701 1 CAPSCREW, Hex Head, 3/8-16 x 2, Black
4 1924940 1 WASHER, 3/8
5 1674669 1 SPACER
6 1676148 2 BUSHING
7 1922611 1 WASHER, 3/8
8 912808 1 FITTING, Grease
9 1931352 1 CARRIAGE BOLT, 3/8-16 x 1-1/2
10 1660813 1 IDLER ARM ASSEMBLY, (Includes Ref. No. 6)
11 1667811 1 SPACER
12 1725372 1 PULLEY Idler
13 1960687 4 NUT, Hex, Flange Lock, ESNA, 3/8-16, Black
14 1960695 6 CAPSCREW, Hex Washer Head, 3/8-16 x 1-1/8, Black
15 1724513 1 SUPPORT, Height of Cut
16 1724514 1 BRACE, Height of Cut
17 1724537 1 SUPPORT, Gearbox
17 1725217 1 DRIVE SHAFT ASSEMBLY
18 1921965 2 CAPSCREW, Hex Head, 3/8-16 x 3/4, Black
19 1725298 1 GEARBOX ASSEMBLY
20 1921159 1 CAPSCREW, Hex Head, 1/4-20 x 2-1/4, Black
21 1928721 3 SCREW, Set, Square Head, Cup Point, 5/16-18 x 1/2, G8
22 1923358 2 NUT, Hex Center Lock, 1/4-20, Black
23 1725208 1 V-BELT
24 922138 1 KEY, Hi Pro, 1/4 x 7/8
25 1725492 1 PULLEY & HUB ASSEMBLY
26 1960568 2 CAPSCREW, Hex Head, 1/4-20 x 7/8, Black
The above parts group applies to the following Mfg. Nos.:
2005 97
© Copyright Simplicity Manufacturing, Inc. All Rights Reserved.
1694397 - 54" Mower
1694478 - 54" Mower
1694507 - 54" Mower
1694509 - 54" Mower
TP 400-3469-01-XL-SMA

54" Mower Deck - Height Adjustment & Roller Group
NOTE: Unless noted otherwise,
use the standard hardware torque
specification chart.
11
17
15
19
12
18
14
16
13
20 21
27 25
29
22
28
24
26
23
30
31
37
35
39
32
38
34
36
33
40
41
47
45
49
42
48
46
43
50
51
57
55
59
52
58
54
56
53
60
1
7
5
9
2
8
4
6
3
10
644
20
24
20
21
20
21
20
21
20
21
20
21
20
21
21
21
21
25
30
29
20 21
20
644
45
54
25
986348
The above parts group applies to the following Mfg. Nos.:
2005 98
© Copyright Simplicity Manufacturing, Inc. All Rights Reserved.
1694397 - 54" Mower
1694478 - 54" Mower
1694507 - 54" Mower
1694509 - 54" Mower
TP 400-3469-01-XL-SMA

PART NO. DESCRIPTIONREF NO QTY.
54" Mower Deck - Height Adjustment & Roller Group
Footnotes
1 925094 1 TIE, Self Locking, BLACK
2 1716986 1 HARNESS ASSEMBLY
3 1715885 1 MOTOR, Electric
4 1724514 1 BRACE, Height of Cut
5 960664 3 CAPSCREW, Hex Washer Head, Dog Point, 1/4-20 x7/8
6 1715886 1 ADAPTER, Motor
7 1960685 1 NUT, Hex, Washer, KEPS, 1/4-20
8 1960581 1 PIN, Sprign
9 1715887 1 HUB
10 1716998 1 WASHER, Special, Nylon
11 1724513 1 SUPPORT, Height of Cut
12 1715891 1 BEARING, Thrust
13 1724524 1 ROD & SPACER ASSEMBLY
14 1960689 1 NUT, Hex, Top Lock, 1/2-13
15 1715881 1 LEVER
16 1716424 1 COVER, Rod
17 1704314 1 FITTING, Lube
18 1715892 1 TRUNNION
19 1679166 1 SPACER
20 960626 10 WASHER, 1
21 1719748 9 ROLLER
22 1701873 1 SPACER
23 1720158 1 SHAFT & BAR ASSEMBLY
24 1918459 2 PIN, Cotter
25 960681 6 NUT, Hex Top Lock, 3/8-16
26 1704082 2 NUT, Hex Adusting
27 1715882 1 BAR & HUB ASSEMBLY
28 1931353 2 CARRIAGE BOLT, 3/8-16 x 1-3/4
29 1664847 8 CAPSCREW, Hex Washer Head, 5/16-18 x 3/4
30 1720147 4 STRAP
31 1960687 2 NUT, Hex Flange Lock, ESNA, 3/8-16
32 1725735 2 CHAIN, 9 Link, 12-1/2" Long
33 1931350 2 CARRIAGE BOLT, 3/8-16 x 1
34 1960489 1 CARRIAGE BOLT, 1/2-13 x 2-1/2
35 1724526 1 SHAFT ASSEMBLY
36 1704116 1 BRACKET, Height of Cut
37 1924856 2 CAPSCREW, Hex Wassher Head, Taptite, 5/16-18 x 1/2
38 1720643 1 INDICATOR, Heightr of Cut
39 1928721 1 SCREW, Set, Square Head, Cup Point, 5/16-18 x 1/2 G8
40 1714812 1 SPACER
41 1677507 2 SLIDE
42 1924361 2 WASHER, 1/2
43 172622 2 SHOULDER BOLT, 3/8-16 x 1-11/32
44 1922014 4 NUT, Hex, Jam, 5/8-18
The above parts group applies to the following Mfg. Nos.:
2005 99
© Copyright Simplicity Manufacturing, Inc. All Rights Reserved.
1694397 - 54" Mower
1694478 - 54" Mower
1694507 - 54" Mower
1694509 - 54" Mower
TP 400-3469-01-XL-SMA

54" Mower Deck - Height Adjustment & Roller Group
NOTE: Unless noted otherwise,
use the standard hardware torque
specification chart.
11
17
15
19
12
18
14
16
13
20 21
27 25
29
22
28
24
26
23
30
31
37
35
39
32
38
34
36
33
40
41
47
45
49
42
48
46
43
50
51
57
55
59
52
58
54
56
53
60
1
7
5
9
2
8
4
6
3
10
644
20
24
20
21
20
21
20
21
20
21
20
21
20
21
21
21
21
25
30
29
20 21
20
644
45
54
25
986348
The above parts group applies to the following Mfg. Nos.:
2005 100
© Copyright Simplicity Manufacturing, Inc. All Rights Reserved.
1694397 - 54" Mower
1694478 - 54" Mower
1694507 - 54" Mower
1694509 - 54" Mower
TP 400-3469-01-XL-SMA

PART NO. DESCRIPTIONREF NO QTY.
54" Mower Deck - Height Adjustment & Roller Group
Footnotes
45 1924366 2 WASHER, 5/8
46 1960074 1 CLIP, Hair Pin
47 1725201 1 TRUNION
48 171690 1 PIN, Yoke, Drilled, 1/2 x 2
49 1722507 1 STUD, 5/8-18 x 8-9/16
50 1725296 1 ARM & TUBE ASSEMBLY
51 1725092 1 RING, Retaining, External, 1
52 1919394 1 WASHER,1
53 1717075 2 PIN
54 176012 3 PIN, Spring
55 1715872 1 ROD
56 1724528 1 HITCH
57 1921971 2 CAPSCREW, Hex Head, 3/8-16 x 1-3/4
58 1924356 2 WASHER, 3/8
59 1720309 2 SPACER
60 1724523 1 HITCH ASSEMBLY
The above parts group applies to the following Mfg. Nos.:
2005 101
© Copyright Simplicity Manufacturing, Inc. All Rights Reserved.
1694397 - 54" Mower
1694478 - 54" Mower
1694507 - 54" Mower
1694509 - 54" Mower
TP 400-3469-01-XL-SMA

54" Mower Deck - Housing & Arbor Group
NOTE: Unless noted otherwise,
use the standard hardware torque
specification chart.
Torque to
50 - 70 ft. lbs.
(68-95 Nm)
Torque to
45 - 55 ft. lbs.
61 - 75 Nm.
11
17
15
17
12
18
14
1616
21 19
27
25
29
22
28
24
26
23
19
30
38
34
40
31
39
36
37
32
41 42
48
47
43
34
45
46
44
45
13
1
7
5
9
2
8
46
19
11
15
12
14
21
20
11
12
15
14
19
78
16
35
33
8
8
27
10
44
41
40
2
4
3
986347
The above parts group applies to the following Mfg. Nos.:
2005 102
© Copyright Simplicity Manufacturing, Inc. All Rights Reserved.
1694397 - 54" Mower
1694478 - 54" Mower
1694507 - 54" Mower
1694509 - 54" Mower
TP 400-3469-01-XL-SMA

PART NO. DESCRIPTIONREF NO QTY.
54" Mower Deck - Housing & Arbor Group
Footnotes
1 1705449 1 DEFLECTOR, Plastic
2 1960353 2 WASHER, Plain, 1/4
3 1723323 2 CAP, Spring End
4 1920397 2 NUT, Hex, Lock ESNA, 1/4-20, Black
5 1706709 1 ROD, Deflector, Front
6 1720184 1 COVER, Arbor, RH (Orange)
7 1720623 4 CLIP, Spring
8 1929000 4 SCREW Hex Head, Taptite,1/4-20 x 3/8
9 1720186 1 COVER, Arbor, LH
10 1919326 1 WASHER, Plain, 5/16
11 1918199 3 WASHER, Lock, 7/16
12 1933263 3 WASHER, 7/16
13 1723938 1 SPRING, Torsion
14 1657969 3 SHIELD
15 1655729 3 HOUSING, Arbor, Top
16 1676278 3 ARBOR SHAFT & BEARING ASSEMBLY (Includes Ref. Nos. 17 & 18)
17 108202 6 BEARING, Ball, 3/4 x 1-3/4 x 5/8
18 1676277 3 ARBOR SHAFT
19 923471 6 CAPSCREW, Hex Head, 7/16-14 x 1-1/4, G8
20 1679161 1 PULLEY, Assembly, Center
21 1720182 2 PULLEY, Assembly, Out Side
22 1724536 1 HOUSING ASSEMBLY, 54" Legacy XL
23 1707335 3 GASKET, Foam
24 1703273 3 ASSEMBLY, Housing, Bottom (Includes Ref. No. 25)
25 1704314 3 FITTING, Lube
26 1700230 3 WASHER, Shim
27 1725921 2 BLADE, Mower, 20-1/2
28 1679711 3 WASHER, Spline
29 1656916 3 WASHER, Spring
30 1657528 3 RING, Self Locking
31 1655777 3 ADAPTER, Blade
32 1700229 3 SHIELD, Grass
33 1664847 16 CAPSCREW, Hex Head, Taptite, 5/16-18x 3/4, Black
34 1960684 3 NUT, Hex, KEPS, 5/16-18, Black
35 1720962 1 BAFFLE, Front, Anti-Blowout
36 1931333 2 CARRIAGE BOLT, 5/16-18 x 3/4
37 1725922 1 BLADE, Mower, 16
38 1720497 2 SPINDLE & STOP ASSEMBLY
39 1716353 2 WHEEL, Gauge
40 1960020 4 WASHER, Plain, 5/8
41 1703805 4 RING, Clip
42 1716346 2 SPRING, Compression
43 1960033 2 CLIP, Hairpin
44 1960698 2 CARRIAGE BOLT, 1/4-20 x 1, Black
The above parts group applies to the following Mfg. Nos.:
2005 103
© Copyright Simplicity Manufacturing, Inc. All Rights Reserved.
1694397 - 54" Mower
1694478 - 54" Mower
1694507 - 54" Mower
1694509 - 54" Mower
TP 400-3469-01-XL-SMA

54" Mower Deck - Housing & Arbor Group
NOTE: Unless noted otherwise,
use the standard hardware torque
specification chart.
Torque to
50 - 70 ft. lbs.
(68-95 Nm)
Torque to
45 - 55 ft. lbs.
61 - 75 Nm.
11
17
15
17
12
18
14
1616
21 19
27
25
29
22
28
24
26
23
19
30
38
34
40
31
39
36
37
32
41 42
48
47
43
34
45
46
44
45
13
1
7
5
9
2
8
46
19
11
15
12
14
21
20
11
12
15
14
19
78
16
35
33
8
8
27
10
44
41
40
2
4
3
986347
The above parts group applies to the following Mfg. Nos.:
2005 104
© Copyright Simplicity Manufacturing, Inc. All Rights Reserved.
1694397 - 54" Mower
1694478 - 54" Mower
1694507 - 54" Mower
1694509 - 54" Mower
TP 400-3469-01-XL-SMA

PART NO. DESCRIPTIONREF NO QTY.
54" Mower Deck - Housing & Arbor Group
Footnotes
45 1960518 2 NUT, Push
46 1724976 1 BAFFLE, Discharge
47 1704873 1 CLAMP, Wire
48 1925205 1 CAPSCREW, Hex Head, 5/16-18 x 5/8, Black
The above parts group applies to the following Mfg. Nos.:
2005 105
© Copyright Simplicity Manufacturing, Inc. All Rights Reserved.
1694397 - 54" Mower
1694478 - 54" Mower
1694507 - 54" Mower
1694509 - 54" Mower
TP 400-3469-01-XL-SMA

60" Mower Deck - Arbor & Drive Group
NOTE: Unless noted otherwise,
use the standard hardware torque
specification chart.
Right Hand
Blade
Left Hand
Blade
Center
Blade
11
17
19
12
18
14
16
13
20
27
25
29
22
28
24
26
23
30
31
37
35
39
32
38
34
36
33
40
41
47
45
49
42
44
46
43
50
1
7
5
2
8
6
3
10
621
64
13
14
615
61
50
1
15
619
31
12 13
1
10
7
48
9
1
2
3
8
7
27
61
46
51
7
7
12
1
52
47
2
47
986346
The above parts group applies to the following Mfg. Nos.:
2005 106
© Copyright Simplicity Manufacturing, Inc. All Rights Reserved.
1694398 - 60" Mower
1694479 - 60" Mower
TP 400-3469-01-XL-SMA

PART NO. DESCRIPTIONREF NO QTY.
60" Mower Deck - Arbor & Drive Group
Footnotes
1 1960680 12 NUT, Hex KEPS, 3/8-16, Black
2 1921969 3 CAPSCREW, Hex Head, 3/8-16 x 1-1/2, Black
3 1725385 2 SPRING, Extension
4 1667811 3 SPACER
5 1931353 1 CARRIAGE BOLT, 3/8-16 x 1-3/4, Black
6 1660830 1 IDLER ARM ASSEMBLY (includes Bushings & Ref. No.9)
7 1924940 4 WASHER, 3/8, Black
8 1674669 2 SPACER
9 912808 2 GREASE FITTING
10 1923701 2 CAPSCREW, Hex Head, 3/8-16 x 2, Black
11 1725198 2 PULLEY & HUB ASSEMBLY
12 1933263 3 WASHER, 7/16
13 1918199 3 LOCKWASHER, 7/16
14 1927531 2 CAPSCREW, hex Head, 7/16-14 x 2, G8, Black
15 1960695 1 CAPSCREW, Hex Washer Head, 3/8-16 x 1-1/8, Black
16 1724513 1 SUPPORT, Hieght of Cut
17 1725195 1 SUPPORT, Gearbox
18 1921159 1 CAPSCREW, Hex Head, 1/4-20 x 2-1/4, Black
19 1928721 3 SET SCREW, Square Head, Cup Point, 5/16-18 x 1/2, G8
20 1725217 1 SHAFT ASSEMBLY
21 1923358 2 NUT, Hex Center Lock, 1/4-20, Black
22 1725298 1 GEARBOX, Drive
23 922138 1 KEY, Hi Pro
24 1725210 1 PULLEY & HUB ASSEMBLY
25 1725154 1 V-BELT, Upper
26 1725155 1 V-BELT, Lower
27 923471 4 CAPSCREW, Hex Head, 7/16-14 x 1-1/4
28 1657969 3 SHIELD, Bearing
29 1655729 3 HOUSING, Arbor
30 1676278 3 ARBOR SHAFT & BEARINGS ASSEMBLY (Includes Ref. Nos. 31 & 32)
31 108202 2 BEARING
32 1676277 1 SHAFT, Arbor
33 1707335 3 GASKET, Foam
34 1703273 3 HOUSING, Arbor (Includes Ref. No. 35)
35 1704314 3 GREASE FITTING
36 1725372 1 PULLEY, Idler
37 1678665 1 PULLEY & HUB ASSEMBLY
38 1664847 16 CAPSCREW, Hex Washer Head, 5/16-18 x 3/4, Black
39 1700230 3 WASHER
40 1700229 3 SHIELD, Bearing
41 1655777 3 ADAPTER, Blade
42 1657528 3 RING, Retaining, External
43 1719599 1 BLADE, Mower, LH, 20-1/2
44 1679711 3 WASHER, Spline
The above parts group applies to the following Mfg. Nos.:
2005 107
© Copyright Simplicity Manufacturing, Inc. All Rights Reserved.
1694398 - 60" Mower
1694479 - 60" Mower
TP 400-3469-01-XL-SMA

60" Mower Deck - Arbor & Drive Group
NOTE: Unless noted otherwise,
use the standard hardware torque
specification chart.
Right Hand
Blade
Left Hand
Blade
Center
Blade
11
17
19
12
18
14
16
13
20
27
25
29
22
28
24
26
23
30
31
37
35
39
32
38
34
36
33
40
41
47
45
49
42
44
46
43
50
1
7
5
2
8
6
3
10
621
64
13
14
615
61
50
1
15
619
31
12 13
1
10
7
48
9
1
2
3
8
7
27
61
46
51
7
7
12
1
52
47
2
47
986346
The above parts group applies to the following Mfg. Nos.:
2005 108
© Copyright Simplicity Manufacturing, Inc. All Rights Reserved.
1694398 - 60" Mower
1694479 - 60" Mower
TP 400-3469-01-XL-SMA

PART NO. DESCRIPTIONREF NO QTY.
60" Mower Deck - Arbor & Drive Group
Footnotes
45 1656916 3 WASHER
46 1960702 2 CARRIAGE BOLT, 3/8-16 x 1, Black
47 1719598 2 BLADE, Mower, 20-1/2, RH & Center
48 1660829 1 IDLER ARM ASSEMBLY (Includes Bushings & Ref. No. 9)
49 1725408 1 PULLEY, Idler
50 1960687 2 NUT, Hex, KEPS, 5/16-18
51 1922755 1 WASHER, 3/8, Black
52 1690268 1 CARRIAGE BOLT, 3/8-16 x 1-1/4, Black
The above parts group applies to the following Mfg. Nos.:
2005 109
© Copyright Simplicity Manufacturing, Inc. All Rights Reserved.
1694398 - 60" Mower
1694479 - 60" Mower
TP 400-3469-01-XL-SMA

60" Mower Deck - Deflector & Hitch Group
NOTE: Unless noted otherwise,
use the standard hardware torque
specification chart.
See
Housing &
Cover Group
See
Housing &
Cover Group
13
19
12
15
17
14
12
1
8
6
10
9
4
7
3
11
2
2
5
3
618
618
12
12
986345
The above parts group applies to the following Mfg. Nos.:
2005 110
© Copyright Simplicity Manufacturing, Inc. All Rights Reserved.
1694398 - 60" Mower
1694479 - 60" Mower
TP 400-3469-01-XL-SMA

PART NO. DESCRIPTIONREF NO QTY.
60" Mower Deck - Deflector & Hitch Group
Footnotes
1 1717075 2 PIN
2 176012 3 PIN, Retainer, Spring
3 1715872 1 ROD
3 1724528 1 HITCH
4 1724523 1 HITCH ASSEMBLY
5 960681 2 NUT, Hex Top Flange Lock, 3/8-16
6 1720309 2 SPACER
7 1924356 2 WASHER, 3/8
8 1921971 2 CAPSCREW, Hex Head, 3/8-16 x 1-3/4, Black
9 1725296 1 ARM ASSEMBLY
10 1919394 1 WASHER, 1, Black
11 1725092 1 RING, Retaining, External, 1, Black
12 1960687 6 NUT, Hex Flange Lock ESNA, 3/8-16, Black
13 1673655 1 BRACKET
14 1700343 1 ROD
15 1676213 1 SPRING, Torsion
17 1702451 1 DEFLECTOR & HINGE ASSEMBLY
18 1931350 4 CARRIAGE BOLT, 3/8-16 x 1, Black
19 1700186 1 STONE GUARD & BRACKET ASSEMBLY
The above parts group applies to the following Mfg. Nos.:
2005 111
© Copyright Simplicity Manufacturing, Inc. All Rights Reserved.
1694398 - 60" Mower
1694479 - 60" Mower
TP 400-3469-01-XL-SMA

60" Mower Deck - Height Adjustment & Roller Group
NOTE: Unless noted otherwise,
use the standard hardware torque
specification chart.
11
14
17
18
12
16
13
15
13
19
23
27
30
29
26 28
24
1
7
6
10
3
8
5
4
2
9
6
31 32
31
33
32
32
32
31
31
33
31
54
55
57
56
58
59
63
62
20
25
20
621
61
22
21
20
21
23
31
31
32
32
31
660
632
36
47
45
49
42
48
44
46
43
50
51
34
34
25
52
35
38
37
39
41
40
29
23
282726
32 31
24
20 21
23
21
20
53
61
660
986344
The above parts group applies to the following Mfg. Nos.:
2005 112
© Copyright Simplicity Manufacturing, Inc. All Rights Reserved.
1694398 - 60" Mower
1694479 - 60" Mower
TP 400-3469-01-XL-SMA

PART NO. DESCRIPTIONREF NO QTY.
60" Mower Deck - Height Adjustment & Roller Group
Footnotes
1 925094 1 TIE, Self Locking
2 1715885 1 MOTOR, Electric
3 1716986 1 HARNESS ASSEMBLY
4 1725197 1 BRACE, Height of Cut
5 960664 3 CAPSCREW, Hex, SEMS Washer Head, Dog Point, 1/4-20 x 7/8
6 1960695 4 CAPSCREW, Hex Wsher Head, 3/8-16 x 1-1/8, Black
7 1715886 1 ADAPTER, Motor
8 1960685 1 NUT, Hex, KEPS, 1/4-20, Black
9 1960581 1 PIN, Spring
10 1715887 1 HUB
11 1716998 1 WASHER, Special
12 1715891 1 BEARING, Thrust
13 1724524 1 ROD & SPACER ASSEMBLY
14 1960689 1 NUT, Hex, Toplock Flange,1/2-13, Black
15 1715881 1 LEVER
16 1716424 1 COVER, Rod, Black
17 1679166 1 SPACER
18 1704314 1 FITTING, Grease
19 1715892 1 TRUNNION
20 1931350 6 CARRIAGE BOLT, 3/8-16 x 1
21 1960680 8 NUT, Hex, KEPS, 3/8-16 , Black
22 1716982 1 BRACKET, Roller, RH
23 960681 4 NUT, Hex Toplock, 3/8-16
24 1960071 2 WASHER, 3/8
25 1931353 2 CARRIAGE BOLT, 3/8-16 x 1-3/4
26 172622 2 BOLT, Shoulder, Hex, 3/8-16, Black
27 1924361 2 WASHER, 1/2
28 1677507 2 SLIDE
29 1704082 2 NUT, Adjuster, Eccentric
30 1719650 1 SHAFT & BAR ASSEMBLY
31 960626 9 WASHER, 1/2
32 1719748 9 ROLLER
33 1717011 2 SPACER
34 1701873 2 SPACER, Short
35 158399 1 RING-E RET EXT # 50 .500DIA SHAFT
36 1960027 1 WASHER, 1/2, Black
37 1714760 1 WHEEL
38 1960074 1 CLIP, Hair Pin
39 1708298 1 PIN, Round Head, Drilled, 3/8 x 1, Black
40 1921210 1 CAPSCREW, Hex Head, 3/8-16 x 1, Black
41 1716343 1 BAR & SHAFT ASSEMBLY
42 1960687 1 NUT, Hex Flange Lock, 3/8-16, Black
43 1716341 1 BAR ASSEMBLY
44 1918459 1 PIN, Cotter
The above parts group applies to the following Mfg. Nos.:
2005 113
© Copyright Simplicity Manufacturing, Inc. All Rights Reserved.
1694398 - 60" Mower
1694479 - 60" Mower
TP 400-3469-01-XL-SMA

60" Mower Deck - Height Adjustment & Roller Group
NOTE: Unless noted otherwise,
use the standard hardware torque
specification chart.
11
14
17
18
12
16
13
15
13
19
23
27
30
29
26 28
24
1
7
6
10
3
8
5
4
2
9
6
31 32
31
33
32
32
32
31
31
33
31
54
55
57
56
58
59
63
62
20
25
20
621
61
22
21
20
21
23
31
31
32
32
31
660
632
36
47
45
49
42
48
44
46
43
50
51
34
34
25
52
35
38
37
39
41
40
29
23
282726
32 31
24
20 21
23
21
20
53
61
660
986344
The above parts group applies to the following Mfg. Nos.:
2005 114
© Copyright Simplicity Manufacturing, Inc. All Rights Reserved.
1694398 - 60" Mower
1694479 - 60" Mower
TP 400-3469-01-XL-SMA

PART NO. DESCRIPTIONREF NO QTY.
60" Mower Deck - Height Adjustment & Roller Group
Footnotes
45 1928721 1 SET SCREW, Square Head, 5/16-18 x 1/2, G8
46 1716983 1 BRACKET, Roller, LH
47 1717583 1 Height of Cut Decal
48 1716480 1 PLATE, Height Indicator
49 1929000 1 CAPSCREW, Hex Washer Head, Taptite, 1/4-20 x 3/8
50 1716481 1 ROD, Indicator
51 1924856 1 CAPSCREW, Hex Head, Taptite, 5/16-18 x 1/2
52 1960489 1 CARRIAGE BOLT, 1/2-13 x 2-1/2, Black
53 1724534 1 SHAFT ASSEMBLY
54 1676088 2 SPACER
55 1676087 2 STRAP, "U"
56 1960615 2 CARRIAGE BOLT, 3/8-16 x 2-1/2, Black
57 1960684 4 NUT, Hex, KEPS, 5/16-18, Black
58 173270 1 BRACKET & WASHER ASSEMBLY
59 1931333 4 CARRIAGE BOLT, 5/16-18 x 3/4, Black
60 1722036 4 ROLLER
61 1960020 2 WASHER, 5/8, Black
62 1676149 1 SPACER
63 1676404 1 SHAFT & BRACKET ASSEMBLY
64 1725196 1 SUPPORT, Height of Cut
The above parts group applies to the following Mfg. Nos.:
2005 115
© Copyright Simplicity Manufacturing, Inc. All Rights Reserved.
1694398 - 60" Mower
1694479 - 60" Mower
TP 400-3469-01-XL-SMA

60" Mower Deck - Housing & Cover Group
NOTE: Unless noted otherwise,
use the standard hardware torque
specification chart.
11
17
19
12
18
14 16
13
20
21
27 25
29
22
28
24
26
1
7
5
9
2
8
4
6
3
10 615
2
1
7
1
7
5
2
4
23
3
2
1
7
10
30
2
615
2
8
12
10
7
7
628
986343
The above parts group applies to the following Mfg. Nos.:
2005 116
© Copyright Simplicity Manufacturing, Inc. All Rights Reserved.
1694398 - 60" Mower
1694479 - 60" Mower
TP 400-3469-01-XL-SMA

PART NO. DESCRIPTIONREF NO QTY.
60" Mower Deck - Housing & Cover Group
Footnotes
1 1703805 4 RING, Kipring, External, 1/2
2 1924366 6 WASHER, 5/8, Black
3 1716353 2 WHEEL
4 1716345 2 SPINDLE
5 1716346 2 SPRING, Comppression
6 1716350 1 BRACKET & YOKE ASSEMBLY
7 1930601 10 CAPSCREW, Hex, Washer Head, Taptite, 5/16-18 x 5/8, Black
8 1929000 8 CAPSCREW, Hex, Washer Head, Taptite, 1/4-20 x 3/8
9 1725224 1 COVER, RH
10 1960680 15 NUT, Hex, KEPS, 3/8-16, Black
11 1724522 1 HITCH ASSEMBLY
12 1960684 4 NUT, Hex, KEPS, 5/16-18, Black
13 1724920 1 ARM & TUBE ASSEMBLY
14 171690 1 PIN, Yoke, Drilled, 1/2 x 2, Black
15 1922014 4 NUT, Hex Jam, 5/8-18, Black
16 1725201 1 TRUNION
17 1960074 1 CLIP, Hair Pin, Black
18 1725386 1 COVER, LH
19 1725735 2 CHAIN, 9 Link
20 1931350 2 CARRIAGE BOLT, 3/8-16 x 1, Black
21 1960687 2 NUT, Hex, Flange Lock ESNA, 3/8-16, Black
22 1725338 1 HOUSING, 60"
23 1716347 1 BRACKET & YOKE ASSEMBLY
24 1702412 1 BAFFLE & COVERS ASSEMBLY
25 1668500 1 BRACKET
26 1719600 1 BAFFLE, Discharge
27 1702410 1 BAFFLE & ROD ASSEMBLY
28 1931350 10 CARRIAGE BOLT, 3/8-16 x 1, Black
29 1931333 2 CARRIAGE BOLT-RD, 5/16-18 x 3/4, Black
30 1722507 1 STUD, 5/8-18 x 8-9/16
The above parts group applies to the following Mfg. Nos.:
2005 117
© Copyright Simplicity Manufacturing, Inc. All Rights Reserved.
1694398 - 60" Mower
1694479 - 60" Mower
TP 400-3469-01-XL-SMA

Torque Specification Chart
FOR STANDARD MACHINE HARDWARE (Tolerance ± 20%)
Hardware
Grade
SAE Grade 2 SAE Grade 5 SAE Grade 8
Size Of
in/lbs in/lbs
in/lbs
Hardware ft/lbs Nm. ft/lbs Nm. ft/lbs Nm.
8-32
19
2.1
30
3.4
41
4.6
8-36
20
2.3
31
3.5
43
4.9
10-24
27
3.1
43
4.9
60
6.8
10-32
31
3.5
49
5.5
68
7.7
1/4-20
66
7.6 810.9 12 16.3
1/4-28
76
8.6 10 13.6 14 19.0
5/16-18 11 15.0 17 23.1 25 34.0
5/16-24 12 16.3 19 25.8 27 34.0
3/8-16 20 27.2 30 40.8 45 61.2
3/8-24 23 31.3 35 47.6 50 68.0
7/16-14 30 40.8 50 68.0 70 95.2
7/16-20 35 47.6 55 74.8 80 108.8
1/2-13 50 68.0 75 102.0 110 149.6
1/2-20 55 74.8 90 122.4 120 163.2
9/16-12 65 88.4 110 149.6 150 204.0
9/16-18 75 102.0 120 163.2 170 231.2
5/8-11 90 122.4 150 204.0 220 299.2
5/8-18 100 136 180 244.8 240 326.4
3/4-10 160 217.6 260 353.6 386 525.0
3/4-16 180 244.8 300 408.0 420 571.2
7/8-9 140 190.4 400 544.0 600 816.0
7/8-14 155 210.8 440 598.4 660 897.6
1-8 220 299.2 580 788.8 900 1,244.0
1-12 240 326.4 640 870.4 1,000 1,360.0
Hex Head Capscrew
Hex Nut
Lockwasher
Washer
Carriage Bolt
NOTES
1. These torque values are to be used for all hardware
excluding: locknuts, self-tapping screws, thread forming
screws, sheet metal screws and socket head setscrews.
2. Recommended seating torque values for locknuts:
a. for prevailing torque locknuts - use 65% of grade 5
torques.
b. for flange whizlock nuts and screws - use 135% of
grade 5 torques.
3. Unless otherwise noted on assembly drawings, all torque
values must meet this specification.
Hardware Identification & Torque Specifications
Common Hardware Types
Screw, 1/2 x 2
Body
Diameter
Body
Length
Inside
Diameter
Nut, 1/2”
No
Marks
3/8” Bolt or Nut
Wrench—9/16”
3/8
5/16” Bolt or Nut
Wrench—1/2”
5/16
1/4” Bolt or Nut
Wrench—7/16”
1/4
1/2” Bolt or Nut
Wrench—3/4”
1/2
DIA.
7/16
DIA.
7/16” Bolt or Nut
Wrench (Bolt)—5/8”
Wrench (Nut)—11/16”
Wrench & Fastener Size Guide
Standard Hardware Sizing
When a washer or nut is identified as 1/2”, this is the
Nominal size
, meaning the
inside diameter
is 1/2 inch; if a
second number is present it represent the
threads per inch
When bolt or capscrew is identified as 1/2 - 16 x 2”, this
means the
Nominal size
, or
body diameter
is 1/2 inch; the
second number represents the
threads per inch
(16 in this
example, and the final number is the
body length
of the
bolt or screw (in this example 2 inches long).
The guides and ruler furnished below are designed to
help you select the appropriate hardware and tools.
0
1/4 3/4
1/2
1
1/4 3/4
1/2
2
1/4 3/4
1/2
3
1/4 3/4
1/2
4

500 N. Spring Street / PO Box 997
Port Washington, WI 53074-0997 USA
www.simplicitymfg.com
MANUFACTURING, INC.
© Copyright Simplicity Manufacturing, Inc.
All Rights Reserved. Printed In USA.
2005