Simplicity Prestige 27Hp Parts Manual Series Garden Tractors & Mower Decks
2014-12-13
: Simplicity Simplicity-Prestige-27Hp-Parts-Manual-126602 simplicity-prestige-27hp-parts-manual-126602 simplicity pdf
Open the PDF directly: View PDF
.
Page Count: 64

Parts Manual
Rev. 11/2008
Prestige
Series Garden Tractors & Mower Decks
TP 400-4579-A-PR-S
Mf
g
. No. Descri
p
tion
27HP Product
1695264 Prestige, 27HP Hydro 4WD w/PS RMO
2690680 Prestige, 27HP Hydro 4WD w/PS RMO and 50" Mower Deck
2690681 Prestige, 27HP Hydro 4WD w/PS RMO and 54" Mower Deck
Mf
g
. No. Descri
p
tion
Mower Decks
1695294 50" Mower Deck
1695266 54" Mower Deck
1734885
Part No.:
Not for
Reproduction
Not for
Reproduction

Table Of Content
s
Torque Specification Chart ..................................................................... Inside Back Cover
PRODUCT COMPONENTS PAGES
Frame & Front Axle Group - 4WD ....................................................................................................................... 4
Steering Group - Tilt Steering .............................................................................................................................. 8
Engine & Electric Clutch Group - 23HP, 25HP & 27HP Kohler ........................................................................... 10
Transmission Group ............................................................................................................................................. 12
Controls Group ..................................................................................................................................................... 16
Cruise Control Group ........................................................................................................................................... 18
Electrical Group .................................................................................................................................................... 20
Hood, Grille & Dash Group .................................................................................................................................. 22
Seat & Seat Deck Group ...................................................................................................................................... 24
Lift Group - Hydraulic Lift with Power Steering .................................................................................................... 26
Lift Group - Hydraulic Lift with Power Steering .................................................................................................... 30
Wheels & Tires Group .......................................................................................................................................... 34
Decals Group ....................................................................................................................................................... 36
44" & 50" Mower Deck - Clutch & Support Group ............................................................................................... 38
50" Mower Deck - Electric Height Adjustment & Roller Bar Group ..................................................................... 40
50" Mower Deck - Housing, Arbors & Blades Group ........................................................................................... 44
54" Mower Deck - Clutch & Support Group ......................................................................................................... 50
54" Mower Deck - Electric Height Adjustment & Roller Bar Group ..................................................................... 52
54" Mower Deck - Housing & Arbor Group .......................................................................................................... 56
Not for
Reproduction

Frame & Front Axle Group - 4WD
NOTE: Unless noted otherwise,
use the standard hardware torque
specification chart.
987590
The above parts group applies to the following Mfg. Nos.:
4
2008Copyright © by Briggs and Stratton Corporation
Briggs and Stratton Yard Power Products Group
Milwaukee, WI, USA. All rights reserved
1695264 - Presti
g
e
2690680 - Prestige
2690681 - Presti
g
e
TP 400-4579-A-PR-S
Not for
Reproduction

PART NO. DESCRIPTIONREF NO QTY.
Frame & Front Axle Group - 4WD
Footnotes
FRAME ASSEMBLY, Front & Rear 4WD 1 1734731ASM 1
TOWER & SUPPORT ASSEMBLY 2 1733139ASM 1
SUPPORT, Seat Deck 3 1723528ASM 1
BACKPLATE, Hitch 4 1722602ASM 1
BRACKET ASSEMBLY, Steering 4WD 5 1733918ASM 1
BUMPER, 4GA 6 1721805ASM 1
AXLE ASSEMBLY, Front 7 1733480SM 1
PIVOT ASSEMBLY, Axle w/Bushings 8 1734241ASM 1
CAPSCREW, Hex Head, 5/8-11 x 2-1/2 G5 9 1960755SM 1
CARRIAGE BOLT, 3/9-16 x 3/4 G5 12 1931348SM 2
JOINT, Ball 1/2-20 13 1702779SM 1
SPACER 14 1708236SM 1
NUT, Hex Jam, 1/2-20 15 1919262SM 1
NUT, Hex Flange, 3/8-16 Two-Way Lock 16 1930645SM 1
BRACKET, Cylinder Mounting 18 1733166ASM 1
SPACER 20 2172914SM 1
CYLINDER, Hydraulic Steering 21 1733759SM 1
CAPSCREW, Hex Head, M12-1-3/4 x 35 22 197487SM 3
SHAFT & BRACKET ASSEMBLY, Axle Pivot 23 1733863SM 1
WASHER, 5/8 24 1960035SM 2
STOP, "L" Steering 25 1734511ASM 1
SCREW, Hex Washer Head Taptite, 5/16-18 x 3/4 26 1664847SM 4
NUT, Hex Flange 5/8-11 Two-Way Lock 27 2860646SM 2
SCREW, Hex Washer head, Taptite, 3/8-16 x 3/4 28 1923683SM 4
NUT, Hex Flange 1/2-13 Whiz Lock 29 2860668SM 2
NUT, Hex Flange 3/8-16 Whiz Lock 30 1928352SM 4
CAPSCREW, Hex Head 1/2-13 x 1 G5 31 1923114SM 2
CAPSCREW, Hex Head 3/8-16 x 1 G5 32 1921210SM 2
SCREW, Truss Head Torx Drive 5/16-18 x 7/8 33 1960086SM 4
PIN, Dowel 34 1733581SM 2
WASHER, 1/2 35 1960170SM 3
LOCKWASHER, Spring 36 1916966SM 3
PIN, Cotter 37 1923360SM 1
LOCKWASHER, Spring 38 1960754SM 6
CAPSCREW, Hex Head 39 1950036SM 6
SPACER, Powdered Metal 40 1667812SM 1
FITTING, Hose Elbow, 45 Degrees, 13/16-16 x 3/4-16 41 1733403SM 2
HOSE ASSEMBLY, Hydraulic 42 1733400SM 1
HOSE ASSEMBLY, Hydraulic 43 1733891SM 1
BRACKET, Hose Mounting 10GA 44 1733501ASM 1
FITTING, Bulkhead Union 13/16-16 45 1733402SM 2
CARRIAGE BOLT, 5/16-18 x 3/4 G5 46 1931333SM 2
NUT, Hex KEPS, 5/16-18 47 1960636SM 2
The above parts group applies to the following Mfg. Nos.:
5
2008Copyright © by Briggs and Stratton Corporation
Briggs and Stratton Yard Power Products Group
Milwaukee, WI, USA. All rights reserved
1695264 - Presti
g
e
2690680 - Prestige
2690681 - Presti
g
e
TP 400-4579-A-PR-S
Not for
Reproduction

Frame & Front Axle Group - 4WD
NOTE: Unless noted otherwise,
use the standard hardware torque
specification chart.
987590
The above parts group applies to the following Mfg. Nos.:
6
2008Copyright © by Briggs and Stratton Corporation
Briggs and Stratton Yard Power Products Group
Milwaukee, WI, USA. All rights reserved
1695264 - Presti
g
e
2690680 - Prestige
2690681 - Presti
g
e
TP 400-4579-A-PR-S
Not for
Reproduction

PART NO. DESCRIPTIONREF NO QTY.
Frame & Front Axle Group - 4WD
Footnotes
NUT, Jam 13/16-16 48 1733947SM 2
WASHER, 3/8 49 1960103SM 1
CARRIAGE BOLT, 3/8-16 x 2-1/4 G5 50 1931355SM 1
SUPPORT, Steering Unit 7GA 51 1733044ASM 1
SCREW, Hex Washer Head Taptite 5/16-18 x 1/2 52 1924856SM 4
The above parts group applies to the following Mfg. Nos.:
7
2008Copyright © by Briggs and Stratton Corporation
Briggs and Stratton Yard Power Products Group
Milwaukee, WI, USA. All rights reserved
1695264 - Presti
g
e
2690680 - Prestige
2690681 - Presti
g
e
TP 400-4579-A-PR-S
Not for
Reproduction

Steering Group - Tilt Steering
NOTE: Unless noted otherwise,
use the standard hardware torque
specification chart.
987424
The above parts group applies to the following Mfg. Nos.:
8
2008Copyright © by Briggs and Stratton Corporation
Briggs and Stratton Yard Power Products Group
Milwaukee, WI, USA. All rights reserved
1695264 - Presti
g
e
2690680 - Prestige
2690681 - Presti
g
e
TP 400-4579-A-PR-S
Not for
Reproduction

PART NO. DESCRIPTIONREF NO QTY.
Steering Group - Tilt Steering
Footnotes
STEERING WHEEL 1 1733363SM 1
PLATE, Steering Mounting 4 1724685ASM 1
CARRIAGE BOLT, 5/16-18 x 1-1/4 G5 5 1960655SM 2
ADAPTER, Tilt 6 1725294SM 1
SPACER 7 1723898SM 2
NUT, Push Pal 8 1933988SM 2
NUT, Hex Keps 5/16-18 9 1960636SM 2
STEERING UNIT, Tilt 10 1734002SM 1
BELLOWS, Tilt Steering Unit w/Slot 11 1724368SM 1
CAP, Steering Wheel 12 1725024SM 1
DECAL, Power Steering (Not Shown) 13 1716518SM 2
NUT, Hex Lock ESNA Light 5/8-18 15 1960576SM 1
The above parts group applies to the following Mfg. Nos.:
9
2008Copyright © by Briggs and Stratton Corporation
Briggs and Stratton Yard Power Products Group
Milwaukee, WI, USA. All rights reserved
1695264 - Presti
g
e
2690680 - Prestige
2690681 - Presti
g
e
TP 400-4579-A-PR-S
Not for
Reproduction

Engine & Electric Clutch Group - 23HP, 25HP & 27HP Kohler
NOTE: Unless noted otherwise,
use the standard hardware torque
specification chart.
985906
The above parts group applies to the following Mfg. Nos.:
10
2008Copyright © by Briggs and Stratton Corporation
Briggs and Stratton Yard Power Products Group
Milwaukee, WI, USA. All rights reserved
1695264 - Presti
g
e
2690680 - Prestige
2690681 - Presti
g
e
TP 400-4579-A-PR-S
Not for
Reproduction

PART NO. DESCRIPTIONREF NO QTY.
Engine & Electric Clutch Group - 23HP, 25HP & 27HP Kohler
Footnotes
ENGINE, 23HP Kohler Command - Model CV23S Spec PS-75553 1* 1
ENGINE, 25HP Kohler Courage Twin - Model SV730S Spec PS-SV730-0020 1* 1
ENGINE, 25HP Kohler Command Twin - Model CV730S 1* 1
ENGINE, 27HP Kohler Command Twin - Model CV740S Spec PS-CV740-0040 1* 1
SEAL, Foam (Only used on 23HP Models) 2 1719847SM 1
HOSE, Oil Drain 3 1723165SM 1
BULKHEAD 4 1722388ASM 1
SCREW, Hex Washer Head Taptite 5/16-18 x 1/2 5 1924856SM 2
CONTROL, Throttle Double 39.0 LG w/Knobs (Used on all models except 25HP Kohler
Courage)
6 1727223SM 1
THROTTLE, Control Double 51.0 LG w/Knobs (Only used on 25HP Kohler Courage) 6 1727375SM 1
CLAMP, Hose 7 2860112SM 1
HOSE, Fuel 8 1718678SM 1
TIE, Self Locking 9 1701011SM 3
SHIELD, Side 10 1722392ASM 2
MUFFLER, Kohler Twin 11 1721705SM 1
DUCT, Muffler (Used on all models except 25HP Kohler Courage) 12 1722390ASM 1
DUCT, Muffler (Only used on 25HP Kohler Courage) 12 1733884ASM 1
SCREW, Hex Whiz Lock Flange 1/4-20 x 5/8 13 1960295SM 4
CLIP, Speed Wire 14 2834683SM 2
DUCT, Muffler Top 15 1722389ASM 1
SCREW, Hex Washer Head Taptite 1/4-20 x 3/8 16 1929000SM 8
SHIELD, Muffler 17 1722414ASM 1
NUT, Speed 1/4-20 Lug Type 18 1960368SM 4/8
NUT, Speed 5/16-18 Lug Type 19 1935255SM 2
LOCKWASHER, External Tooth 3/8 20 2820427SM 1
SCREW, Hex Washer Head Taptite 3/8-16 x 1 (Used only on 25HP Courage & 27HP
Command)
21 2827187SM 3/4
SCREW, Hex Washer Head Taptite 3/8-16 x 1-1/2 (Used on all models except 27HP) 22 2830598SM 1/4
KEY, Hi-Pro 23 1720463SM 1
PULLEY & HUB ASMY 24 1722288SM 1
WASHER, Hex 25 1708264SM 1
LOCKWASHER, Spring 26 1918199SM 1
CAPSCREW, Hex Head 7/16-20 x 3-1/2 G5 27 1960649SM 1
CLUTCH, Electric 28 1686883SM 1
TIE, Self Locking (Used only on 23HP models) 29 2832747SM 1
SCREW, Hex Washer Head Taptite 1/4-20 x 1/2 30 1925003SM 2
WASHER, 3/8 (Used on all models except 23HP) 31 1924940SM 1
RETAINER, Clutch (Used on all models except 23HP) 32 1732026SM 1
EDGING, Rubber (Used on all models except 23HP) 33 1731971SM 1
Note * See your local Kohler distributor for parts and service.
The above parts group applies to the following Mfg. Nos.:
11
2008Copyright © by Briggs and Stratton Corporation
Briggs and Stratton Yard Power Products Group
Milwaukee, WI, USA. All rights reserved
1695264 - Presti
g
e
2690680 - Prestige
2690681 - Presti
g
e
TP 400-4579-A-PR-S
Not for
Reproduction

Transmission Group
NOTE: Unless noted otherwise,
use the standard hardware torque
specification chart.
987547
The above parts group applies to the following Mfg. Nos.:
12
2008Copyright © by Briggs and Stratton Corporation
Briggs and Stratton Yard Power Products Group
Milwaukee, WI, USA. All rights reserved
1695264 - Presti
g
e
2690680 - Prestige
2690681 - Presti
g
e
TP 400-4579-A-PR-S
Not for
Reproduction

PART NO. DESCRIPTIONREF NO QTY.
Transmission Group
Footnotes
TRANSMISSION ASSEMBLY, K664 1 1733478SM 1
PULLEY & HUB ASSEMBLY 2 1722194SM 1
FAN 3 1719233SM 1
SCREW, Hex Washer Head, Taptite, 1/4-20 x 1-1/4 4 1933958SM 3
BELT, 94.05 5 1721392SM 1
STRAP, 4-1/4 Long 6 1721593ASM 1
ARM, Control 7GA 7 1733318ASM 1
ROD, 17-27/64 Long 8 1721424SM 1
SPRING, Compression 9 1722684SM 1
SPRING, Compression 10 1729277SM 1
CAP, Expansion 11 1722711SM 1
SCREW, Pan Head Torx, 1/4-20 x 1-1/4 Taptite 12 1960676SM 2
FASTENER, Panel 13 1704351SM 15
PAD, Footrest L.H. 14 1722174SM 1
PAD, Footrest R.H. 15 1722173SM 1
ROD, Free Wheel 16 1721622SM 1
KNOB, Interior Thread 17 1723126SM 1
SUPPORT, Transmission 18 1721728ASM 2
HOSE, Hydraulic 19 1733531SM 1
BOLT, Shoulder, 3/8-16 21 1732129SM 3
CLIP, Hair Pin 22 1960074SM 1
SPACER 23 1734337SM 1
CLAMP, Hose Worm 24 2860266SM 1
WASHER, 1/2 25 1960027SM 3
WASHER, 3/8 26 1924940SM 1
PIN, Quick 27 1722460SM 1
TANK, Oil Natural 28 1732989SM 1
CLAMP, Hose Worm 29 1723214SM 2
NUT, Hex Flange 5/16-18 ESNA 30 1960686SM 6
COTTER PIN 31 1918447SM 1
CAPSCREW, Hex Head 5/16-18 x 2-1/2 G5 32 1921719SM 1
WASHER, 5/16 33 1960141SM 1
CARRIAGE BOLT, 5/16-18 x 1 G5 34 1931335SM 1
NUT, Hex KEPS 5/16-18 35 1960636SM 2
NUT, Hex Flange 36 1719968SM 1
NUT, Hex Flange 3/8-16 ESNA 42 1960687SM 4
WASHER, 7/16 43 1918267SM 1
CARRIAGE BOLT, 3/8-16 x 1 G5 44 1931350SM 6
CAPSCREW, Hex Head 5/16-18 x 3 G5 45 1960590SM 4
WASHER, 5/16 46 1919326SM 3
NUT, Hex Keps 3/8-16 47 1960637SM 6
ACTUATOR, Switch 48 1727215ASM 1
POP RIVET 49 1960241SM 2
The above parts group applies to the following Mfg. Nos.:
13
2008Copyright © by Briggs and Stratton Corporation
Briggs and Stratton Yard Power Products Group
Milwaukee, WI, USA. All rights reserved
1695264 - Presti
g
e
2690680 - Prestige
2690681 - Presti
g
e
TP 400-4579-A-PR-S
Not for
Reproduction

Transmission Group
NOTE: Unless noted otherwise,
use the standard hardware torque
specification chart.
987547
The above parts group applies to the following Mfg. Nos.:
14
2008Copyright © by Briggs and Stratton Corporation
Briggs and Stratton Yard Power Products Group
Milwaukee, WI, USA. All rights reserved
1695264 - Presti
g
e
2690680 - Prestige
2690681 - Presti
g
e
TP 400-4579-A-PR-S
Not for
Reproduction

PART NO. DESCRIPTIONREF NO QTY.
Transmission Group
Footnotes
PIN, Clevis 50 1724107SM 1
BEARING 51 1722648SM 1
HOSE, Hydraulic 52 1722468SM 1
CAPSCREW, Hex Head, 5/16-18 x 2-1/4 G5 53 1921160SM 1
SPACER 54 1713588SM 1
PIVOT ASSEMBLY, Control 55 1733320ASM 1
ARM, Control 56 1733525ASM 1
TUBE, Hydraulic 4WD 57 1733483SM 1
TUBE, Hydraulic Rear 58 1733484SM 1
The above parts group applies to the following Mfg. Nos.:
15
2008Copyright © by Briggs and Stratton Corporation
Briggs and Stratton Yard Power Products Group
Milwaukee, WI, USA. All rights reserved
1695264 - Presti
g
e
2690680 - Prestige
2690681 - Presti
g
e
TP 400-4579-A-PR-S
Not for
Reproduction

Controls Group
NOTE: Unless noted otherwise,
use the standard hardware torque
specification chart.
986599
The above parts group applies to the following Mfg. Nos.:
16
2008Copyright © by Briggs and Stratton Corporation
Briggs and Stratton Yard Power Products Group
Milwaukee, WI, USA. All rights reserved
1695264 - Presti
g
e
2690680 - Prestige
2690681 - Presti
g
e
TP 400-4579-A-PR-S
Not for
Reproduction

PART NO. DESCRIPTIONREF NO QTY.
Controls Group
Footnotes
ROD, Brake Lock 1 1721353SM 1
KNOB, Push On, Red Plastic "P" 2 1721891SM 1
CAPSCREW, Hex Flange Whiz Lock, 5/16-18 x 3/4 3 1930591SM 1
WASHER, 5/16, Black 4 1919326SM 2
ROD, Brake 5 1721476SM 1
CARRIAGE BOLT, 3/8-16 x 1 3/4 6 1931353SM 2
BUSHING, 5/8 x 3/4 x 3/4, Nylon 7 1663114SM 2
FITTING, Lube, 1/4 8 2821133SM 1
SPRING, Extension 9 1725250SM 1
PIN, Quick 10 1722460SM 3
ARM & HUB ASSEMBLY, Idler 11 1724917SM 1
WASHER, 5/8 12 1960020SM 1
RING, Clipring Extension 13 1704420SM 1
PULLEY, w/Bearing 14 1721134SM 1
WASHER, 3/8 15 1924940SM 1
NUT, Hex Flange ESNA, 3/8-16 16 1960687SM 2
PULLEY, Idler 17 1721133SM 1
BUSHING, 1 x 1-1/8 x 5/8, Nylon 18 1723237SM 2
ARM, Brake 19 1722513SM 1
PEDAL ASSEMBLY, Foot 20 1726763SM 1
CARRIAGE BOLT, 1/4-20 x 1-1/4 21 1931320SM 1
PIN, Cotter, Black 22 1918447SM 1
LATCH, Brake 23 1721354ASM 1
CAPSCREW, Hex Washer Head Taptite, 5/16-18 x 3/4 24 1664847SM 3
NUT, Hex Lock ESNA Light, 5/16-18 25 1919438SM 1
WASHER, 5/16, Black 26 1919381SM 1
NUT, Hex Flange Whiz Lock Large, 5/16-18 27 1927557SM 2
PEDAL, Brake 28 1722535ASM 1
PAD, Brake Pedal 29 1721577SM 1
CARRIAGE BOLT, 5/16-18 x 7/8 30 1931334SM 4
CAPSCREW, 5/16-18 x 1 31 1921333SM 2
ACTUATOR, Switch 2.53" Long 32 1722083ASM 1
CAPSCREW, Hex Washer Head Taptite, 3/8-16 x 3/4 33 1923683SM 1
PEDAL, Forward 34 1722070ASM 1
NUT, Hex KEPS, 5/16-18 35 1960636SM 4
PAD, Foot Pedal Forward 36 1721675SM 1
PEDAL, Reverse 37 1722071ASM 1
PAD, Foot Pedal Reverse 38 1721674SM 1
NUT, Hex Lock ESNA Light, 1/4-20 39 1920397SM 1
CAM, Roller 40 1686612SM 1
SPRING, Extension 41 1721995SM 1
The above parts group applies to the following Mfg. Nos.:
17
2008Copyright © by Briggs and Stratton Corporation
Briggs and Stratton Yard Power Products Group
Milwaukee, WI, USA. All rights reserved
1695264 - Presti
g
e
2690680 - Prestige
2690681 - Presti
g
e
TP 400-4579-A-PR-S
Not for
Reproduction

Cruise Control Group
NOTE: Unless noted otherwise,
use the standard hardware torque
specification chart.
985883
The above parts group applies to the following Mfg. Nos.:
18
2008Copyright © by Briggs and Stratton Corporation
Briggs and Stratton Yard Power Products Group
Milwaukee, WI, USA. All rights reserved
1695264 - Presti
g
e
2690680 - Prestige
2690681 - Presti
g
e
TP 400-4579-A-PR-S
Not for
Reproduction

PART NO. DESCRIPTIONREF NO QTY.
Cruise Control Group
Footnotes
COVER, w/Cruise Icon 1 1722314SM 1
SCREW, Torque Head Plus Socket Head, 1/4-20 x 7/8 2 1960666SM 1
KNOB, Cruise 3 1722303SM 1
NUT, Hex Lock ESNA Light, 1/4-20 4 1920397SM 1
LEVER & BRACKET ASSEMBLY, Cruise 5 1722003SM 1
WASHER, 3/8, Black 6 1960103SM 2
CARRIAGE BOLT, 5/16-18 x 3/4 7 1931333SM 1
WASHER, 1/2 8 1924361SM 2
SPACER, w/Flange, 11/32 x 15/32 x 3/4 9 1709043SM 1
CARRIAGE BOLT, 5/16-18 x 2-3/4 10 1931342SM 1
CARRIAGE BOLT, 5/16-18 x 2-1/4 11 1960273SM 1
PIN, Quick 12 1722460SM 2
ROD, Cruise 13 1722117SM 1
ROD, Return 14 1733719SM 1
SPRING, Cruise Return to Frame 15 2159106SM 1
NUT, Hex KEPS, 5/16-18 16 1960636SM 2
CAPSCREW, Hex Washer Head Plastite, 10-14 x 5/8 17 1960001SM 2
SWITCH, Push, Neutral Start, Gray 18 1717050SM 1
SPACER, 11/32 x 5/8 x 1-13/32 19 1722080SM 1
WASHER, 5/16, Black 20 1919326SM 1
WASHER, 5/16, Black 21 1919381SM 1
NUT, Hex Lock ESNA Light, 5/16-18 22 1919438SM 1
SPRING, Compression 23 1677746SM 1
PIN, Cotter 24 1918447SM 1
The above parts group applies to the following Mfg. Nos.:
19
2008Copyright © by Briggs and Stratton Corporation
Briggs and Stratton Yard Power Products Group
Milwaukee, WI, USA. All rights reserved
1695264 - Presti
g
e
2690680 - Prestige
2690681 - Presti
g
e
TP 400-4579-A-PR-S
Not for
Reproduction

Electrical Group
NOTE: Unless noted otherwise,
use the standard hardware torque
specification chart.
986606
The above parts group applies to the following Mfg. Nos.:
20
2008Copyright © by Briggs and Stratton Corporation
Briggs and Stratton Yard Power Products Group
Milwaukee, WI, USA. All rights reserved
1695264 - Presti
g
e
2690680 - Prestige
2690681 - Presti
g
e
TP 400-4579-A-PR-S
Not for
Reproduction

PART NO. DESCRIPTIONREF NO QTY.
Electrical Group
Footnotes
HEADLIGHT ASSEMBLY, 4 Bulb (Includes Ref. Nos. 2 & 3) 1 1721810SM 1
BULB, Headlight, 12.8V 2 1677371SM 4
SOCKET ASSEMBLY, Headlight, Sealed 3 1723451SM 4
HARNESS, Headlight 4 1722669SM 1
SWITCH, PTO Push 5 1722887SM 1
SWITCH, Reverse Mow Option Module w/Key 6 1726556SM 1
KEY, No Mow Module 7 1726557SM 1
SCREW, Hex Washer Head Taptite 1/4-20 x 1/2 8 1925003SM 2
BREAKER, Circuit 9 1665238SM 1
SWITCH, Electric Lift Rocky (Used only on Electric HOC Models) 10 1716329SM 1
PLUG, Hole 11 1722611SM 1
PANEL, Instrument w/Fuel Gage 12 1725074SM 1
SWITCH ASSEMBLY, Ignition 13 1686734SM 1
KEY, Ignition 14 1717163SM 1
COVER, Switch 15 1717550SM 1
NUT, Hex Flange 5/8-32 Ignition Switch Die Cast 16 1717549SM 1
LOCKWASHER, Interal Tooth 5/8 17 1960547SM 1
WASHER, 5/8 18 2101025SM 1
TIE, Self Locking 19 1701011SM 5
SWITCH, Headlight 20 1716951SM 1
COVER, Terminal Red 21 1724588SM 1
NUT, Hex Flange 22 2860433SM 1
INSULATOR, Battery 23 1713534SM 1
CABLE 24 1716333SM 1
BATTERY, 12 Volt, 6 Cell, 500 Amps CCA 25 1686714SM 1
STRAP 26 1722009SM 1
CABLE 27 1717001SM 1
SCREW, Hex Washer Head Taptite, 1/4-20 x 3/8 28 1929000SM 1
BRACKET, Switch Mounting 29 1726810ASM 1
SWITCH, Push Button, Reverse Pedal 30 1732004SM 1
SWITCH, Push Button, Foot Pedal 31 1732006SM 1
SWITCH, Cruise Control 32 1717050SM 1
SCREW, Pan Head Torx #10-32 x 1/2 33 2860665SM 5
SENDER, Fuel Tank 34 1686921SM 1
PLUG, Hole 35 1722309SM 1
GASKET 36 1685303SM 1
POWER OUTLET, 12 Volt 37 1725302SM 1
SWITCH, Operator Present, Seat 38 1718981SM 1
HARNESS, Wiring w/12 Volt 39 1730192SM 1
HARNESS, Wiring w/12 Volt & Electric HOC 39 1733220SM 1
WIRING ASSEMBLY, All Conditions Shutdown (CE/Export) 40 1734025SM 1
The above parts group applies to the following Mfg. Nos.:
21
2008Copyright © by Briggs and Stratton Corporation
Briggs and Stratton Yard Power Products Group
Milwaukee, WI, USA. All rights reserved
1695264 - Presti
g
e
2690680 - Prestige
2690681 - Presti
g
e
TP 400-4579-A-PR-S
Not for
Reproduction

Hood, Grille & Dash Group
NOTE: Unless noted otherwise,
use the standard hardware torque
specification chart.
986608
The above parts group applies to the following Mfg. Nos.:
22
2008Copyright © by Briggs and Stratton Corporation
Briggs and Stratton Yard Power Products Group
Milwaukee, WI, USA. All rights reserved
1695264 - Presti
g
e
2690680 - Prestige
2690681 - Presti
g
e
TP 400-4579-A-PR-S
Not for
Reproduction

PART NO. DESCRIPTIONREF NO QTY.
Hood, Grille & Dash Group
Footnotes
PANEL, RH Side 1 1721804CSM 1
PANEL, RH Side, Red 1 1721804DSM 1
HOOD, with Scoop, Red 2 1728031DSM 1
HOOD, with Louvers 3 1722110CSM 1
CAPSCREW, Hex Head Flange Lock,1/4-20 x 5/8 4 1960295SM 12
SCREW, Phillips Head, #10-24 x 1/2 5 1960392SM 1
DASHBOARD, RMO, Black 6 1687054SM 1
DASHBOARD, RMO with Hydra Lift Slot, Black 6 1687055SM 1
NUT, Hex Nylock,#10-24 7 1933896SM 1
ROD, Dash Support 8 1723123SM 1
NUT, Hex Flange Lock, 1/4-20 9 1930641SM 12
PANEL, LH Side 10 1721803CSM 1
PANEL, LH Side, Red 10 1721803DSM 1
HINGE, LH 11 1721808ASM 1
DUCT, Air Inlet 12 1733457ASM 1
GRILLE 13 1721802CSM 1
GRILLE, Red 13 1721802DSM 1
HEADLIGHT ASSEMBLY (Includes Ref. Nos. 15 & 16) 14 1721810SM 1
BULB, Headlight 15 1677371SM 4
SOCKET, Headlight 16 1723451SM 4
HINGE, RH 17 1721809ASM 1
The above parts group applies to the following Mfg. Nos.:
23
2008Copyright © by Briggs and Stratton Corporation
Briggs and Stratton Yard Power Products Group
Milwaukee, WI, USA. All rights reserved
1695264 - Presti
g
e
2690680 - Prestige
2690681 - Presti
g
e
TP 400-4579-A-PR-S
Not for
Reproduction

Seat & Seat Deck Group
NOTE: Unless noted otherwise,
use the standard hardware torque
specification chart.
985909
The above parts group applies to the following Mfg. Nos.:
24
2008Copyright © by Briggs and Stratton Corporation
Briggs and Stratton Yard Power Products Group
Milwaukee, WI, USA. All rights reserved
1695264 - Presti
g
e
2690680 - Prestige
2690681 - Presti
g
e
TP 400-4579-A-PR-S
Not for
Reproduction

PART NO. DESCRIPTIONREF NO QTY.
Seat & Seat Deck Group
Footnotes
BRACKET, 1-5/8 x 1-3/4 1 1722129ASM 1
SEAT, 18" Back 2 1687199SM 1
SUPPORT, Seat 3 1722128ASM 1
CLIP, Wire 4 2172434SM 1
WASHER, Spring, 5/16 x 1-1/4 5 1709256SM 2
SPRING, Compression 6 1714263SM 2
NUT, Hex Lock, ESNA Light, 5/16-18 7 1919438SM 10
SPRING, Compression 8 1717051SM 2
CAPSCREW, Hex Flange Whiz Lock, 5/16-18 x 3/4 9 1930591SM 8
CARRIAGE BOLT, 5/16-18 x 2 10 1931339SM 2
CARRIAGE BOLT, 3/8-16 x 1 11 1931350SM 2
SLIDE, Seat 12 1722356SM 1
NUT, Speed, 5/16-18, Lug Type 13 1935255SM 4
CAPSCREW, Hex Washer Head Taptite, 5/16-18 x 5/8 14 1930601SM 4
PLUG, Plastic 15 1722309SM 2
POD, with Cup Holder, LH 16 1729711SM 1
CAPSCREW, Hex Washer Head, 1/4-20 x 5/8 17 2860664SM 8
NUT, Hex Flange Whiz Lock, 5/16-18 18 1931277SM 4
CAP, Gas 19 1715917SM 1
TUBE & ELBOW ASSEMBLY 20 1722340SM 1
BUSHING, 3/8 x 9/16 x 5/8, Rubber 21 1654930SM 1
TANK, Fuel 22 1722432SM 1
NUT, Hex KEPS, 5/16-18 23 1960636SM 8
DECK, Seat, Orange 24 1722106CSM 1
DECK, Seat, Red 24 1722106DSM 1
POD, RH with 2 Slots 25 1722108SM 1
TUNNEL, Orange 26 1722105CSM 1
TUNNEL, Red 26 1722105DSM 1
SCREW, Hex Flange Whiz Lock, 5/16-18 x 1 27 1960667SM 4
SPACER, 25/64 x 5/8 x 3/16, Hardened 28 1663752SM 2
NUT, Hex Flange Two-Way Lock, 3/8-16 29 1930645SM 2
WASHER, 3/8 30 1924940SM 2
SCREW, Taptite 5/16-18 x 1-1/4 31 1930595SM 4
The above parts group applies to the following Mfg. Nos.:
25
2008Copyright © by Briggs and Stratton Corporation
Briggs and Stratton Yard Power Products Group
Milwaukee, WI, USA. All rights reserved
1695264 - Presti
g
e
2690680 - Prestige
2690681 - Presti
g
e
TP 400-4579-A-PR-S
Not for
Reproduction

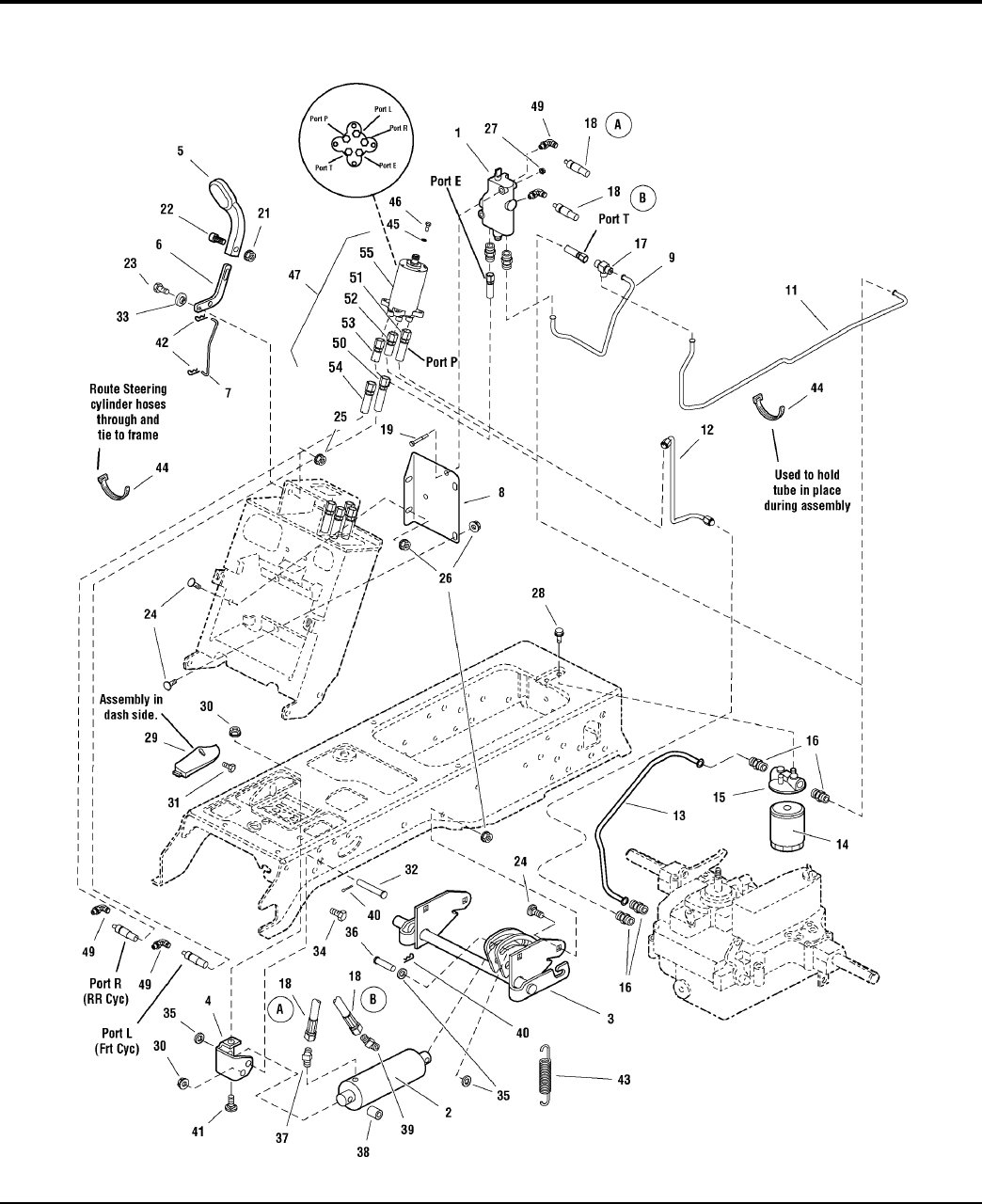
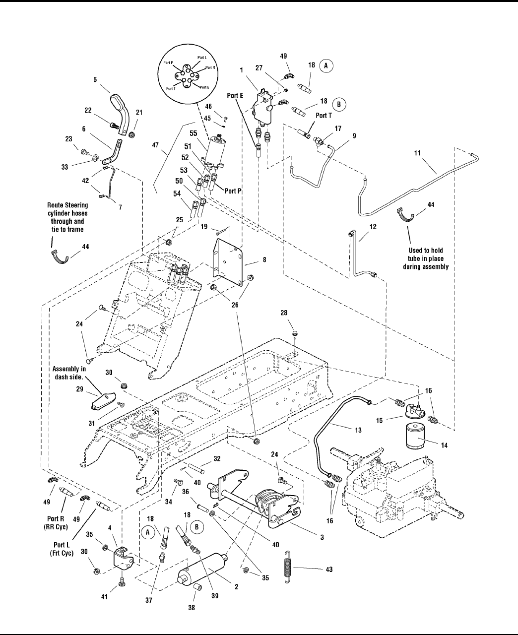
Lift Group - Hydraulic Lift with Power Steering
NOTE: Unless noted otherwise,
use the standard hardware torque
specification chart.
987668
The above parts group applies to the following Mfg. Nos.:
26
2008Copyright © by Briggs and Stratton Corporation
Briggs and Stratton Yard Power Products Group
Milwaukee, WI, USA. All rights reserved
1695264 - Presti
g
e
TP 400-4579-A-PR-S
Not for
Reproduction

PART NO. DESCRIPTIONREF NO QTY.
Lift Group - Hydraulic Lift with Power Steering
Footnotes
VALVE, Control 1 1717558SM 1
CYLINDER, Hydraulic 2 1722266SM 1
SHAFT ASSEMBLY, Lift 3 1727436ASM 1
SUPPORT, Cylinder 4 1722113ASM 1
HANDLE, Lift 5 1722146SM 1
LEVER, Hydraulic 6 1721901SM 1
ROD, Curved Link 7 1727557SM 1
SUPPORT, Control 8 1721904ASM 1
TUBE, Hydraulic 9 1722135SM 1
TUBE, Hydraulic 11 1722138SM 1
TUBE, Hydraulic 3 Bends 12 1733727SM 1
TUBE, Hydraulic (Used only on 4WD Hydro Lift units) 13 1733427SM 1
TUBE, Hydraulic 13 1722297SM 1
FILTER, Oil 14 1719168SM 1
BASE, Oil Filter 15 1719169SM 1
FITTING, Straight 16 1722123SM 4
FITTING, Tee, 3 Ports / Hydraulic Hose 17 1733211SM 1
HOSE ASSEMBLY, Hydraulic 18 1733216SM 2
CAPSCREW, Hex Head, 1/4-20 x 2 G5 19 1921963SM 2
NUT, Hex Lock ESNA Light 1/4-20 21 1920397SM 1
SCREW, Torx Plus Socket Head 1/4-20 x 7/8 22 1960666SM 1
CAPSCREW, Hex Head 5/16-18 x 1 G5 23 1921333SM 1
CARRIAGE BOLT, 5/16-18 x 3/4 G5 24 1931333SM 8
NUT, Hex Lock ESNA Light 5/16-18 25 1919438SM 1
NUT, Hex KEPS 5/16-18 26 1960636SM 8
NUT, Hex KEPS 1/4-20 27 2828372SM 2
SCREW, Hex Whiz Lock Flange, 1/4-20 x 1/2 28 1931646SM 2
COVER, Dash ABS (SEE NARRATIVE) 29 1722285SM 1
NUT, Hex KEPS 3/8-16 30 1960637SM 2
SCREW, Pan Head Torque, #8-16 x 1/2, Plastite 31 1722607SM 1
PIN, Clevis 32 1722147SM 1
SPACER, Hydraulic Lift Pivot 33 1723244SM 1
CAPSCREW, Hex Head 3/8-16 x 1 G5 34 1921210SM 1
WASHER, 1/2 35 1960027SM 3
PIN, Flat Head Drilled 36 1722819SM 1
FITTING, Elbow 1/2 37 1722122SM 1
SPACER 38 1722148SM 1
FITTING, Elbow 1/2 39 1722141SM 1
CLIP, Hair Pin 40 1960033SM 2
CARRIAGE BOLT, 3/8-16 x 1 G5 41 1931350SM 1
PIN, Cotter 5/8 x 3/4 42 1923360SM 2
SPRING, Extension 43 2156302SM 1
The above parts group applies to the following Mfg. Nos.:
27
2008Copyright © by Briggs and Stratton Corporation
Briggs and Stratton Yard Power Products Group
Milwaukee, WI, USA. All rights reserved
1695264 - Presti
g
e
TP 400-4579-A-PR-S
Not for
Reproduction

Lift Group - Hydraulic Lift with Power Steering
NOTE: Unless noted otherwise,
use the standard hardware torque
specification chart.
987668
The above parts group applies to the following Mfg. Nos.:
28
2008Copyright © by Briggs and Stratton Corporation
Briggs and Stratton Yard Power Products Group
Milwaukee, WI, USA. All rights reserved
1695264 - Presti
g
e
TP 400-4579-A-PR-S
Not for
Reproduction

PART NO. DESCRIPTIONREF NO QTY.
Lift Group - Hydraulic Lift with Power Steering
Footnotes
TIE, Self Locking 44 1701011SM 2
LOCKWASHER, Spring 1/4 45 1916964SM 4
CAPSCREW, Hex Head 46 2860444SM 4
POWER STEERING ASSEMBLY, 32CC, 5 Ports Includes Ref. Nos. 50,51,52,53,54 & 55) 47 1734134SM 1
FITTING, Hose Elbow Perma Push 9/16-18 49 1733230SM 4
HOSE ASSEMBLY, 31" Port R 50 1733595SM 1
HOSE ASSEMBLY, 27" Port P 51 1733780SM 1
HOSE ASSEMBLY, 18" Port T 52 1733214SM 1
HOSE ASSEMBLY, 20" Port E 53 1733215SM 1
HOSE ASSEMBLY, 27" Port R 54 1733893SM 1
POWER STEERING UNIT, 32CC, 5 Ports 55 1732449SM 1
The above parts group applies to the following Mfg. Nos.:
29
2008Copyright © by Briggs and Stratton Corporation
Briggs and Stratton Yard Power Products Group
Milwaukee, WI, USA. All rights reserved
1695264 - Presti
g
e
TP 400-4579-A-PR-S
Not for
Reproduction

Lift Group - Hydraulic Lift with Power Steering
NOTE: Unless noted otherwise,
use the standard hardware torque
specification chart.
987427
The above parts group applies to the following Mfg. Nos.:
30
2008Copyright © by Briggs and Stratton Corporation
Briggs and Stratton Yard Power Products Group
Milwaukee, WI, USA. All rights reserved
2690680 - Presti
g
e
2690681 - Prestige
TP 400-4579-A-PR-S
Not for
Reproduction

PART NO. DESCRIPTIONREF NO QTY.
Lift Group - Hydraulic Lift with Power Steering
Footnotes
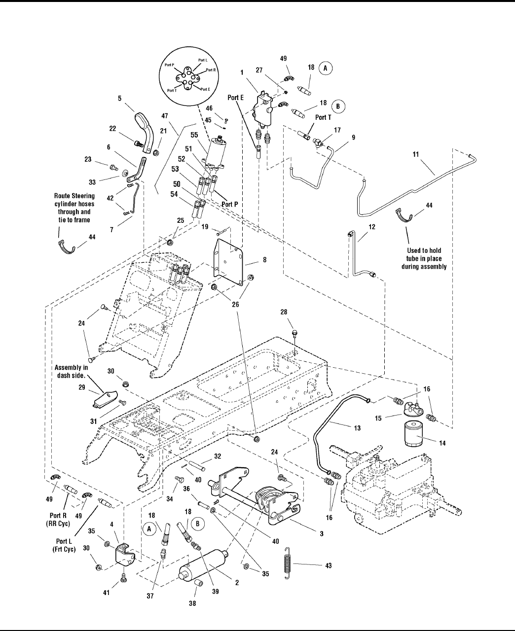
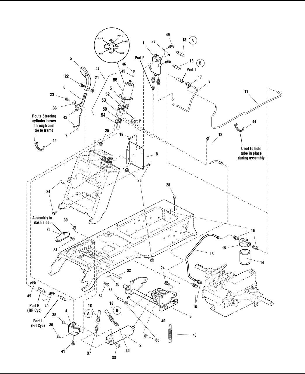
VALVE, Control 1 1717558SM 1
CYLINDER, Hydraulic 2 1722266SM 1
SHAFT ASSEMBLY, Lift 3 1727436ASM 1
SUPPORT, Cylinder 4 1722113ASM 1
HANDLE, Lift 5 1722146SM 1
LEVER, Hydraulic 6 1721901SM 1
ROD, Curved Link 7 1727557SM 1
SUPPORT, Control 8 1721904ASM 1
TUBE, Hydraulic 9 1722135SM 1
TUBE, Hydraulic 11 1722138SM 1
TUBE, Hydraulic 3 Bends 12 1733727SM 1
TUBE, Hydraulic (Used only on 4WD Hydro Lift units) 13 1733427SM 1
TUBE, Hydraulic 13 1722297SM 1
FILTER, Oil 14 1719168SM 1
BASE, Oil Filter 15 1719169SM 1
FITTING, Straight 16 1722123SM 4
FITTING, Tee, 3 Ports / Hydraulic Hose 17 1733211SM 1
HOSE ASSEMBLY, Hydraulic 18 1733216SM 2
CAPSCREW, Hex Head, 1/4-20 x 2 G5 19 1921963SM 2
NUT, Hex Lock ESNA Light 1/4-20 21 1920397SM 1
SCREW, Torx Plus Socket Head 1/4-20 x 7/8 22 1960666SM 1
CAPSCREW, Hex Head 5/16-18 x 1 G5 23 1921333SM 1
CARRIAGE BOLT, 5/16-18 x 3/4 G5 24 1931333SM 8
NUT, Hex Lock ESNA Light 5/16-18 25 1919438SM 1
NUT, Hex KEPS 5/16-18 26 1960636SM 8
NUT, Hex KEPS 1/4-20 27 2828372SM 2
SCREW, Hex Whiz Lock Flange, 1/4-20 x 1/2 28 1931646SM 2
COVER, Dash ABS (SEE NARRATIVE) 29 1722285SM 1
NUT, Hex KEPS 3/8-16 30 1960637SM 2
SCREW, Pan Head Torque, #8-16 x 1/2, Plastite 31 1722607SM 1
PIN, Clevis 32 1722147SM 1
SPACER, Hydraulic Lift Pivot 33 1723244SM 1
CAPSCREW, Hex Head 3/8-16 x 1 G5 34 1921210SM 1
WASHER, 1/2 35 1960027SM 3
PIN, Flat Head Drilled 36 1722819SM 1
FITTING, Elbow 1/2 37 1722122SM 1
SPACER 38 1722148SM 1
FITTING, Elbow 1/2 39 1722141SM 1
CLIP, Hair Pin 40 1960033SM 2
CARRIAGE BOLT, 3/8-16 x 1 G5 41 1931350SM 1
PIN, Cotter 5/8 x 3/4 42 1923360SM 2
SPRING, Extension 43 2156302SM 1
The above parts group applies to the following Mfg. Nos.:
31
2008Copyright © by Briggs and Stratton Corporation
Briggs and Stratton Yard Power Products Group
Milwaukee, WI, USA. All rights reserved
2690680 - Presti
g
e
2690681 - Prestige
TP 400-4579-A-PR-S
Not for
Reproduction

Lift Group - Hydraulic Lift with Power Steering
NOTE: Unless noted otherwise,
use the standard hardware torque
specification chart.
987427
The above parts group applies to the following Mfg. Nos.:
32
2008Copyright © by Briggs and Stratton Corporation
Briggs and Stratton Yard Power Products Group
Milwaukee, WI, USA. All rights reserved
2690680 - Presti
g
e
2690681 - Prestige
TP 400-4579-A-PR-S
Not for
Reproduction

PART NO. DESCRIPTIONREF NO QTY.
Lift Group - Hydraulic Lift with Power Steering
Footnotes
TIE, Self Locking 44 1701011SM 2
LOCKWASHER, Spring 1/4 45 1916964SM 4
CAPSCREW, Hex Head 46 2860444SM 4
POWER STEERING ASSEMBLY, 32CC, 5 Ports Includes Ref. Nos. 50,51,52,53,54 & 55) 47 1734134SM 1
FITTING, Hose Elbow Perma Push 9/16-18 49 1733230SM 4
HOSE ASSEMBLY, 46" Port L 50 1733212SM 1
HOSE ASSEMBLY, 27" Port P 51 1733780SM 1
HOSE ASSEMBLY, 18" Port T 52 1733214SM 1
HOSE ASSEMBLY, 20" Port E 53 1733215SM 1
HOSE ASSEMBLY, 50" Port R 54 1733413SM 1
POWER STEERING UNIT, 32CC, 5 Ports 55 1732449SM 1
The above parts group applies to the following Mfg. Nos.:
33
2008Copyright © by Briggs and Stratton Corporation
Briggs and Stratton Yard Power Products Group
Milwaukee, WI, USA. All rights reserved
2690680 - Presti
g
e
2690681 - Prestige
TP 400-4579-A-PR-S
Not for
Reproduction

Wheels & Tires Group
NOTE: Unless noted otherwise,
use the standard hardware torque
specification chart.
W987670
The above parts group applies to the following Mfg. Nos.:
34
2008Copyright © by Briggs and Stratton Corporation
Briggs and Stratton Yard Power Products Group
Milwaukee, WI, USA. All rights reserved
1695264 - Presti
g
e
2690680 - Prestige
2690681 - Presti
g
e
TP 400-4579-A-PR-S
Not for
Reproduction

PART NO. DESCRIPTIONREF NO QTY.
Wheels & Tires Group
Footnotes
WHEEL & TIRE ASSEMBLY 1 1733236SM 2
TIRE, 16 x 6-1/2 2 1733485SM 2
TUBE, Tire 3 2153038SM 2
WHEEL ASSEMBLY 4 1733237SM 2
VALVE STEM & CAP 5 2172353SM 4
WASHER, Flat 3/4 x 1-5/8 x 1/8 6 2860202SM 2
WASHER, Flat 7 1722717ASM 2
WASHER, 3/4 8 1960114SM 2
RING 9 2827794SM 2
CAP, Hub 10 1722676SM 4
WASHER, 1 x 2-1/4 x 1/8 11 1960701SM 4
SPACER 12 1726089SM 2
PLATE & HUB WELDMENT 13 1721400SM 2
WHEEL & TIRE ASSEMBLY 14 1733486SM 2
TIRE 15 1733487SM 2
TUBE, Tire 16 2157638SM 2
WHEEL 17 1722831SM 2
NUT, Hex 7/16-20 For Wheel Bolt 18 2177725SM 10
KEY, Hi-Pro 1/4 x 2 19 2105337SM 2
WASHER, Flat 20 1722726ASM 2
WASHER, Flat 21 1919394SM 2
RING 22 2834712SM 2
The above parts group applies to the following Mfg. Nos.:
35
2008Copyright © by Briggs and Stratton Corporation
Briggs and Stratton Yard Power Products Group
Milwaukee, WI, USA. All rights reserved
1695264 - Presti
g
e
2690680 - Prestige
2690681 - Presti
g
e
TP 400-4579-A-PR-S
Not for
Reproduction

Decals Group
NOTE: Unless noted otherwise,
use the standard hardware torque
specification chart.
D987670
The above parts group applies to the following Mfg. Nos.:
36
2008Copyright © by Briggs and Stratton Corporation
Briggs and Stratton Yard Power Products Group
Milwaukee, WI, USA. All rights reserved
1695264 - Presti
g
e
2690680 - Prestige
2690681 - Presti
g
e
TP 400-4579-A-PR-S
Not for
Reproduction

PART NO. DESCRIPTIONREF NO QTY.
Decals Group
Footnotes
DECAL, Simplicity Silver & Blue w/Icon 1 1722551SM 3
DECAL, Prestige, Silver & Blue 2 1722821SM 1
DECAL, 27HP Silver on Clear 3 1733190SM 1
DECAL, Hood Stripe R.H. SMI Blue & Silver 4 1722773SM 1
DECAL, Hood Stripe L.H. SMI Blue & Silver 4 1722774SM 1
DECAL, Ignition Switch Symbols 5 1722806SM 1
DECAL, Tunnel Cover Danger Slopes, Blades 6 1734026SM 1
DECAL, Touch Up Paint 7 1734142SM 1
STICKER, Protection 8 1723296SM 2
DECAL, I.D. Plate 9* 1
DECAL, Patent 10 * 1
DECAL, Transmission Release Valve 11 1723160SM 1
DECAL, I.D. Plate 12 * 1
DECAL, Danger Do Not Operate w/o Deflector 13 1704277SM 1
DECAL, Free Floating Mower (Used only on 54" deck) 14 1722771SM 1
DECAL, OPEI Certified 15 * 1
DECAL, 50" Silver on Black w/Stripe 16 1706640SM 1
DECAL, 54" Silver w/Black Stripe 16 1722791SM 1
DECAL, Danger Do Not Put Hand/Feet In Mower 17 1704276SM 1
DECAL, 1 2 3 4 5 6, Height of Cut White/Black 18 1721197SM 1
DECAL, 4x4 19 1726373SM 2
NOTE * Not a serviceable part.
The above parts group applies to the following Mfg. Nos.:
37
2008Copyright © by Briggs and Stratton Corporation
Briggs and Stratton Yard Power Products Group
Milwaukee, WI, USA. All rights reserved
1695264 - Presti
g
e
2690680 - Prestige
2690681 - Presti
g
e
TP 400-4579-A-PR-S
Not for
Reproduction

44" & 50" Mower Deck - Clutch & Support Group
NOTE: Unless noted otherwise,
use the standard hardware torque
specification chart.
987599
The above parts group applies to the following Mfg. Nos.:
38
2008Copyright © by Briggs and Stratton Corporation
Briggs and Stratton Yard Power Products Group
Milwaukee, WI, USA. All rights reserved
1695294 - 50" Mower
2690680 - Prestige
TP 400-4579-A-PR-S
Not for
Reproduction

PART NO. DESCRIPTIONREF NO QTY.
44" & 50" Mower Deck - Clutch & Support Group
Footnotes
HITCH & RODS ASSEMBLY, 4WD 1 1732977ASM 1
ROD 2 1715759SM 1
SPRING, Extension 3 2156302SM 1
PIN, Clevis 4 1733830SM 2
WASHER, 3/4 5 2860202SM 2
CLIP, Hair Pin 6 1960033SM 2
WASHER, 3/8 7 1924356SM 2
CAPSCREW, Hex Head 3/8-15 x 3-1/2 G5 8 1923938SM 1
V-BELT, Arbor Drive (Used only on 50" Mower) 9 1703836SM 1
V-BELT, Arbor Drive (Used only on 44" Mower) 9 1721532SM 1
V-BELT, Mower Drive 70.1 (Used only on 50" Mower) 10 1734114SM 1
V-BELT, Mower Drive 62.1 (Used only on 44" Mower) 10 1734115SM 1
PULLEY, Idler 11 1724387SM 2
WASHER, 3/8 12 1924940SM 12
LOCKWASHER, Spring 3/8 13 1916965SM 2
NUT, Hex 3/8-16 14 1916950SM 2
SPRING, Extension 15 1656936SM 1
LEVER ASSEMBLY, Idler w/Bushing & Fitting 16 1718561SM 1
CARRIAGE BOLT, 3/8-16 x 1-1/2 G5 17 1931352SM 1
SPACER 18 1674669SM 2
LEVER ASSEMBLY, Idler w/Bushings & Fitting 19 1704658SM 1
NUT, Hex Flange 3/8-16 Machine Lock 20 1960339SM 1
GUARD, Belt 21 1677135ASM 1
CARRIAGE BOLT, 3/8-16 x 2 G5 22 1960315SM 1
SPRING, Extension 23 1715435SM 1
NUT, Push Pal 3/8 Diameter Stud Capped 24 1960093SM 2
The above parts group applies to the following Mfg. Nos.:
39
2008Copyright © by Briggs and Stratton Corporation
Briggs and Stratton Yard Power Products Group
Milwaukee, WI, USA. All rights reserved
1695294 - 50" Mower
2690680 - Prestige
TP 400-4579-A-PR-S
Not for
Reproduction

50" Mower Deck - Electric Height Adjustment & Roller Bar Group
NOTE: Unless noted otherwise,
use the standard hardware torque
specification chart.
987701
The above parts group applies to the following Mfg. Nos.:
40
2008Copyright © by Briggs and Stratton Corporation
Briggs and Stratton Yard Power Products Group
Milwaukee, WI, USA. All rights reserved
1695294 - 50" Mower
2690680 - Prestige
TP 400-4579-A-PR-S
Not for
Reproduction

PART NO. DESCRIPTIONREF NO QTY.
50" Mower Deck - Electric Height Adjustment & Roller Bar Group
Footnotes
NUT, Hex Toplock Spiral lock Flange 3/8-16 1 2860681SM 2
PIN, Locking 2 1722320SM 1
WASHER, 3/8 3 1924940SM 2
PIN, Clevis 1/2 4 1960116SM 1
ROD, Adjusting 5 1722995SM 1
INDICATOR, Cutting Height 10GA 6 1733524ASM 1
SCREW, Hex Washer Head Taptite 5/16-18 x 3/4 7 1664847SM 6
STRAP, Roller 8 1665374SM 3
NUT, Hex 5/8-11 9 1915726SM 2
WASHER, 5/8 10 1924366SM 8
TRUNNION 11 1706645ASM 1
PIN, Round Head Drilled 3/8 x 2 12 2118053SM 1
CLIP, Hair Pin 13 1960074SM 3
CAPSCREW, Hex Head 5/16-18 x 7/8 G5 14 1923325SM 2
BRACKET, Height of Cut 16GA 15 1704116ASM 1
LOCKWASHER, Spring 5/16 16 1917356SM 2
NUT, Hex 5/16-18 17 1917372SM 3
ARM, Rear 18 1733386ASM 1
SHAFT ASSEMBLY, Rocker 50" 19 1733522ASM 1
CARRIAGE BOLT, 3/8-16 x 1-1/2 G5 20 1931352SM 1
SHAFT & BAR ASSEMBLY, Roller 50" Mower 21 1716155ASM 1
BAR 22 1704074ASM 1
NUT, Hex Adjusting Powdered Metal 24 1704082SM 1
SLIDE 25 1677507SM 1
WASHER, 1/2 26 1924361SM 5
BOLT, Shoulder 3/8-16 G5 27 2172622SM 3
NUT, Push for 5/8 Diameter Stud Capped 28 1960520SM 2
ROLLER, Rounded 29 1722036SM 2
SPACER 30 1709195SM 3
ROLLER 31 1668513SM 8
CHAIN, Link 32 1731383ASM 2
ROD, Height Adjusting 33 1731384SM 2
NUT, Hex Jam 5/16-18 34 1920161SM 2
TRUNNION 35 1731382SM 2
SPACER, Split 36 1602946SM 1
CARRIAGE BOLT, 1/2-13 x 2 G5 37 1960706SM 1
NUT, Hex Toplock Flange 1/2-13 38 1960689SM 1
BRACKET, Mounting 10GA 39 1733828ASM 2
SPACER, Powdered Metal 40 1673796SM 1
SCREW, Hex Washer Head Taptite 5/16-18 x 5/8 41 1930601SM 6
PIN, Shear 42 1668344SM 1
CLIP, Hairpin 43 1960221SM 1
CAPSCREW, Hex Head 5/16-18 x 1-1/2 G5 44 1921221SM 1
The above parts group applies to the following Mfg. Nos.:
41
2008Copyright © by Briggs and Stratton Corporation
Briggs and Stratton Yard Power Products Group
Milwaukee, WI, USA. All rights reserved
1695294 - 50" Mower
2690680 - Prestige
TP 400-4579-A-PR-S
Not for
Reproduction

50" Mower Deck - Electric Height Adjustment & Roller Bar Group
NOTE: Unless noted otherwise,
use the standard hardware torque
specification chart.
987701
The above parts group applies to the following Mfg. Nos.:
42
2008Copyright © by Briggs and Stratton Corporation
Briggs and Stratton Yard Power Products Group
Milwaukee, WI, USA. All rights reserved
1695294 - 50" Mower
2690680 - Prestige
TP 400-4579-A-PR-S
Not for
Reproduction

PART NO. DESCRIPTIONREF NO QTY.
50" Mower Deck - Electric Height Adjustment & Roller Bar Group
Footnotes
MOTOR, Electric Mini EHOC Peerless 45 1733513SM 1
TUBE, Flexible, Split 46 1733895SM 1
SPACER 47 1663752SM 2
NUT, Hex Flange 3/8-16, Machine Lock Large 48 1960339SM 2
The above parts group applies to the following Mfg. Nos.:
43
2008Copyright © by Briggs and Stratton Corporation
Briggs and Stratton Yard Power Products Group
Milwaukee, WI, USA. All rights reserved
1695294 - 50" Mower
2690680 - Prestige
TP 400-4579-A-PR-S
Not for
Reproduction

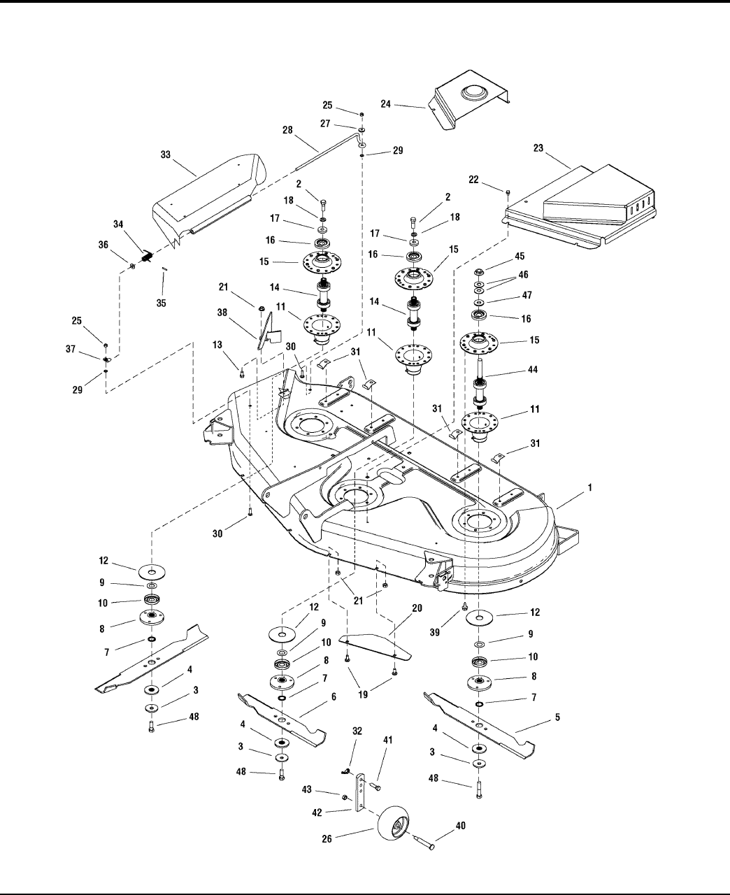
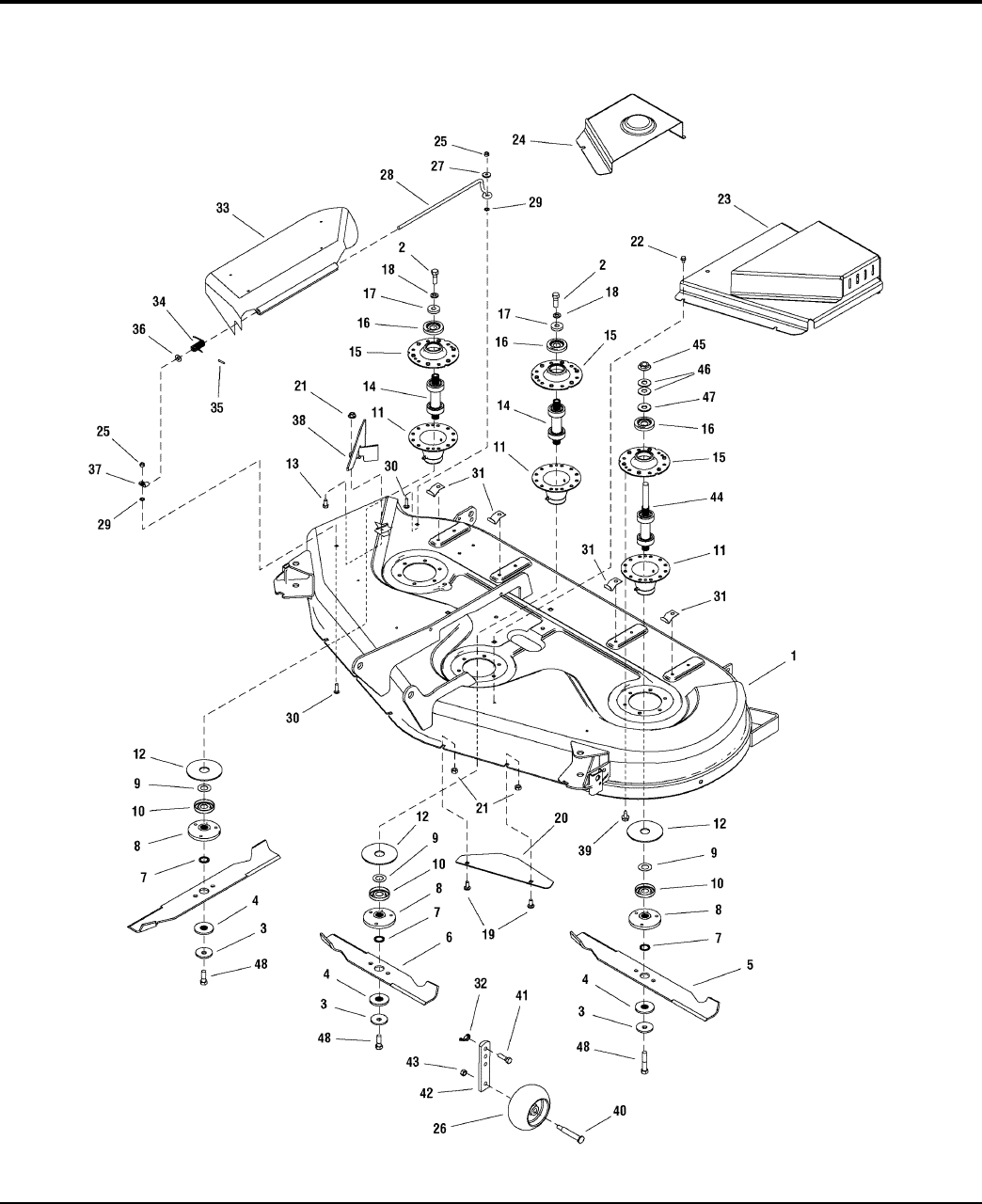
50" Mower Deck - Housing, Arbors & Blades Group
NOTE: Unless noted otherwise,
use the standard hardware torque
specification chart.
985972
The above parts group applies to the following Mfg. Nos.:
44
2008Copyright © by Briggs and Stratton Corporation
Briggs and Stratton Yard Power Products Group
Milwaukee, WI, USA. All rights reserved
1695294 - 50" Mower
2690680 - Prestige
TP 400-4579-A-PR-S
Not for
Reproduction

PART NO. DESCRIPTIONREF NO QTY.
50" Mower Deck - Housing, Arbors & Blades Group
Footnotes
NUT, Hex Flange, 9/16-18 1 1714419SM 3
WASHER, Bellevilled, 9/16 2 1713675SM 6
PULLEY 3 1713161SM 1
HUB, Double Pulley 4 1713158SM 1
PULLEY 5 1713098SM 3
HUB, Double Pulley 6 1713533SM 1
COVER, Arbor Housing 7 1655729ASM 3
BEARING, Ball, 3/4 x 1-3/4 x 5/8 8 2108202SM 3
SPACER, 21/32 x 3/4 x 5/8 9 1715724SM 3
SPACER, 11/16 x 5/32 x 2-11/16 10 1732544SM 3
BEARING, Ball, 11/16 x 1-9/16 x 15/32 11 1705897SM 3
GASKET, Foam 12 1707335SM 3
HOUSING ASSEMBLY, Arbor Bottom, w/Lube Fitting (Includes Ref. No. 14) 13 1713338ASM 3
FITTING, Grease 14 1704314SM 3
COVER, Arbor 15 1720560ASM 1
CAPSCREW, Hex Head Taptite, 5/16-18 x 3/4 16 1664847SM 26
WASHER, Bellevilled, 9/16, Black 17 1713619SM 3
SHAFT, Arbor (LH) 18 1713612SM 1
SHIELD, Grass, Lower 19 1713196SM 3
BLADE, Mower, 18-1/8 20 1708229ASM 3
WASHER, Hex, 11/16 x 2 21 1713089SM 3
WASHER, Spring 15/32, Black 22 1656916SM 3
CAPSCREW, Hex Head, 7/16-14 x 1 23 2823471SM 3
SHAFT, Arbor (Center & RH) 24 1713195SM 2
MOWER HOUSING ASSEMBLY, 50" Mower (Orange) 25 1685495SM 1
MOWER HOUSING ASSEMBLY, 50" Mower (Red) 25 1687155SM 1
COVER, Arbor 26 1715673SM 1
CARRIAGE BOLT, 1/4-20 x 7/8 27 1931318SM 2
PLUG, Hole 28 1705115SM 1
BAFFLE, Anti-Blowout, LH (CE/Export) 29 1716870ASM 1
CARRIAGE BOLT, 5/16-18 x 3/4 30 1931333SM 2/11
NUT, Hex, Whizlock, 5/16-18 31 1927557SM 2/11
NUT, Push 32 1960518SM 2
WASHER, 1/4, Black 33 1960353SM 2
CLAMP 34 1704873SM 1
WASHER, 5/16, Black 35 1919326SM 1
SPRING 36 7101082SM 1
CAP, Spring End 37 1723323SM 1
NUT, Hex, 1/4-20 ESNA 39 1920397SM 2
ROD, Deflector, Front 40 1706709SM 1
DEFLECTOR, Plastic 41 1705449SM 1
HUB, Pulley, Center & RH 42 1713197SM 2
BAFFLE, Anti-Blowout, RH (CE/Export) 43 1716869ASM 1
The above parts group applies to the following Mfg. Nos.:
45
2008Copyright © by Briggs and Stratton Corporation
Briggs and Stratton Yard Power Products Group
Milwaukee, WI, USA. All rights reserved
1695294 - 50" Mower
2690680 - Prestige
TP 400-4579-A-PR-S
Not for
Reproduction

50" Mower Deck - Housing, Arbors & Blades Group
NOTE: Unless noted otherwise,
use the standard hardware torque
specification chart.
985972
The above parts group applies to the following Mfg. Nos.:
46
2008Copyright © by Briggs and Stratton Corporation
Briggs and Stratton Yard Power Products Group
Milwaukee, WI, USA. All rights reserved
1695294 - 50" Mower
2690680 - Prestige
TP 400-4579-A-PR-S
Not for
Reproduction

PART NO. DESCRIPTIONREF NO QTY.
50" Mower Deck - Housing, Arbors & Blades Group
Footnotes
UPSTOP 45 1719929SM 1
The above parts group applies to the following Mfg. Nos.:
47
2008Copyright © by Briggs and Stratton Corporation
Briggs and Stratton Yard Power Products Group
Milwaukee, WI, USA. All rights reserved
1695294 - 50" Mower
2690680 - Prestige
TP 400-4579-A-PR-S
Not for
Reproduction

50" Mower Deck - Housing, Arbors & Blades Group
NOTE: Unless noted otherwise,
use the standard hardware torque
specification chart.
985972
The above parts group applies to the following Mfg. Nos.:
48
2008Copyright © by Briggs and Stratton Corporation
Briggs and Stratton Yard Power Products Group
Milwaukee, WI, USA. All rights reserved
1695294 - 50" Mower
2690680 - Prestige
TP 400-4579-A-PR-S
Not for
Reproduction

PART NO. DESCRIPTIONREF NO QTY.
50" Mower Deck - Housing, Arbors & Blades Group
Footnotes
BAFFLE, Anit-Blowout 44 1724538ASM 1
WASHER 46 1924940SM 2
CAPSCREW, Taptite 5/16-18 x 3/4 47 1960541SM 1
The above parts group applies to the following Mfg. Nos.:
49
2008Copyright © by Briggs and Stratton Corporation
Briggs and Stratton Yard Power Products Group
Milwaukee, WI, USA. All rights reserved
1695294 - 50" Mower
2690680 - Prestige
TP 400-4579-A-PR-S
Not for
Reproduction

54" Mower Deck - Clutch & Support Group
NOTE: Unless noted otherwise,
use the standard hardware torque
specification chart.
987666
The above parts group applies to the following Mfg. Nos.:
50
2008Copyright © by Briggs and Stratton Corporation
Briggs and Stratton Yard Power Products Group
Milwaukee, WI, USA. All rights reserved
1695266 - 54" Mower
2690681 - Prestige
TP 400-4579-A-PR-S
Not for
Reproduction

PART NO. DESCRIPTIONREF NO QTY.
54" Mower Deck - Clutch & Support Group
Footnotes
V-BELT, Engine PTO 1 1734065SM 1
NUT, Hex, 3/8-16 2 1916950SM 2
WASHER, Lock, 3/8 3 1916965SM 2
WASHER, 3/8 4 1924940SM 6
SPACER 5 1674669SM 2
PULLEY 6 1724387SM 2
SPACER 7 2157081SM 1
ASSEMBLY, Lever 8 1720379SM 1
CARRIAGE BOLT, 3/8-16 x 2 9 1960315SM 1
FITTING, Lube 10 2812808SM 1
V-BELT, 54 Mower Deck 11 1671076SM 1
NUT, Hex Flange 3/8-16 12 1960339SM 1
CARRIAGE BOLT, 3/8-16 x 1-1/2 13 1931352SM 1
WASHER, 3/8 14 1924356SM 3
SPACER 15 1674669SM 1
SPACER 16 1657242SM 1
CAPSCREW, Hex Head, 3/8-16 x 4-1/2, G 5 17 1960246SM 1
SPRING 18 1715435SM 1
CAPSCREW, Hex Head, 5/16-18 x 1-1/4, G 5 19 1921977SM 1
WASHER, Lock, 5/16 20 1917356SM 1
NUT, Hex, 5/16-18 21 1917372SM 1
NUT, Hex Center-Lock 5/16-18 22 1923362SM 1
SPRING 23 1656936SM 1
ASSEMBLY, Lever 24 1718561SM 1
PIN, Hitch 25 1720172SM 1
ASSEMBLY, Hitch 26 1686873SM 1
ROD 27 1715759SM 1
SPRING 28 2156302SM 1
PIN, Safety 29 2176012SM 1
PIN, Klik 29 1709189SM* 1
The above parts group applies to the following Mfg. Nos.:
51
2008Copyright © by Briggs and Stratton Corporation
Briggs and Stratton Yard Power Products Group
Milwaukee, WI, USA. All rights reserved
1695266 - 54" Mower
2690681 - Prestige
TP 400-4579-A-PR-S
Not for
Reproduction

54" Mower Deck - Electric Height Adjustment & Roller Bar Group
NOTE: Unless noted otherwise,
use the standard hardware torque
specification chart.
2987667
The above parts group applies to the following Mfg. Nos.:
52
2008Copyright © by Briggs and Stratton Corporation
Briggs and Stratton Yard Power Products Group
Milwaukee, WI, USA. All rights reserved
1695266 - 54" Mower
2690681 - Prestige
TP 400-4579-A-PR-S
Not for
Reproduction

PART NO. DESCRIPTIONREF NO QTY.
54" Mower Deck - Electric Height Adjustment & Roller Bar Group
Footnotes
HITCH & ROD ASSEMBLY, 54" 1 1732977ASM 1
ROD 2 1715759SM 1
SPRING, Extension 3 2156302SM 1
PIN, Cotter Locking 6 1722320SM 2
PIN, Yoke 7 1960116SM 2
ROD, Adjusting 8 1722995SM 2
WASHER, 5/8 9 1924366SM 4
NUT, Hex 5/8-11 10 1915726SM 4
TRUNNION 11 1706645ASM 2
PIN, Round Head Drilled 3/8 x 2 12 2118053SM 2
CLIP, Hair Pin 13 1960074SM 2
SHAFT ASSEMBLY, Rocker 54" 14 1733523ASM 1
BRACKET, Height of Cut 15 1704116ASM 1
CAPSCREW, Hex Head 5/16-18 x 7/8 G5 16 1923325SM 2
LOCKWASHER, Spring 5/16 17 1917356SM 2
NUT, Hex 5/16-18 18 1917372SM 3
CARRIAGE BOLT, 3/8-16 x 1-1/2 G5 19 1931352SM 1
STRAP, Rod 20 1720147ASM 3
SCREW, Hex Washer Head Taptite 5/16-18 x 3/4 21 1960541SM 7
INDICATOR, Height 22 1720643ASM 1
SCREW, Hex Washer Head Taptite 5/16-18 x 1-1/4 23 1931202SM 1
STOP, Up 24 1719929SM 1
WASHER, 3/8 25 1924940SM 4
SLIDE 26 1677507SM 1
WASHER, 1/2 27 1924361SM 4
BOLT, Shoulder, 3/8-16 G5 28 2172622SM 3
NUT, Hex Toplock Spiralock Flange 3/8-16 29 2860681SM 2
NUT, Hex Adjusting Powdered Metal 30 1704082SM 1
SPACER 31 1701873SM 6
WASHER, 1 32 2860626SM 14
ROLLER 33 1720159SM 2
ROLLER 34 1678043SM 2
PIN, Cotter 35 1918459SM 2
SHAFT & BAR ASSEMBLY 36 1723008ASM 1
BAR, Roller 37 1723009ASM 1
ROLLER W/BUSHINGS 38 1678042SM 8
CHAIN, Link 39 1731383ASM 2
BRACKET, Roller Adjust 40 1734126ASM 2
NUT, Hex Lock ESNA Light 5/16-18 41 1919438SM 4
CAPSCREW, Hex Head 5/16-18 x 1-1/4 G5 42 1921977SM 2
ARM, Rocker 43 1733520ASM 1
SPACER 44 1602946SM 1
CARRIAGE BOLT, 1/2-13 x 2 G5 45 1960706SM 1
The above parts group applies to the following Mfg. Nos.:
53
2008Copyright © by Briggs and Stratton Corporation
Briggs and Stratton Yard Power Products Group
Milwaukee, WI, USA. All rights reserved
1695266 - 54" Mower
2690681 - Prestige
TP 400-4579-A-PR-S
Not for
Reproduction

54" Mower Deck - Electric Height Adjustment & Roller Bar Group
NOTE: Unless noted otherwise,
use the standard hardware torque
specification chart.
2987667
The above parts group applies to the following Mfg. Nos.:
54
2008Copyright © by Briggs and Stratton Corporation
Briggs and Stratton Yard Power Products Group
Milwaukee, WI, USA. All rights reserved
1695266 - 54" Mower
2690681 - Prestige
TP 400-4579-A-PR-S
Not for
Reproduction

PART NO. DESCRIPTIONREF NO QTY.
54" Mower Deck - Electric Height Adjustment & Roller Bar Group
Footnotes
NUT, Hex Toplock Flange 1/2-13 46 1960689SM 1
BRACKET, Mounting 47 1733831ASM 2
WASHER, 5/16 48 1960044SM 2
SCREW, Hex Washer Head Taptite 5/16-18 x 5/8 49 1930601SM 4
PIN, Shear 50 1668344SM 1
CLIP, Hairpin 51 1960221SM 1
SPACER, Powdered Metal 52 1673796SM 1
MOTOR, Electric Mini Actuator 53 1733513SM 1
CAPSCREW, Hex Head 5/16-18 x 1-1/2 G5 54 1921221SM 1
TUBE, Flexible 57 1733895SM 1
PIN, Clevis 58 1733830SM 2
WASHER, 3/4 59 2860202SM 2
CLIP, Hair Pin 60 1960033SM 2
NUT, Hex Flange 3/8-16 Machine Lock 61 1960339SM 2
WASHER, 5/16 62 1919381SM 2
SPACER 63 1663752SM 2
The above parts group applies to the following Mfg. Nos.:
55
2008Copyright © by Briggs and Stratton Corporation
Briggs and Stratton Yard Power Products Group
Milwaukee, WI, USA. All rights reserved
1695266 - 54" Mower
2690681 - Prestige
TP 400-4579-A-PR-S
Not for
Reproduction

54" Mower Deck - Housing & Arbor Group
NOTE: Unless noted otherwise,
use the standard hardware torque
specification chart.
987553
The above parts group applies to the following Mfg. Nos.:
56
2008Copyright © by Briggs and Stratton Corporation
Briggs and Stratton Yard Power Products Group
Milwaukee, WI, USA. All rights reserved
1695266 - 54" Mower
2690681 - Prestige
TP 400-4579-A-PR-S
Not for
Reproduction

PART NO. DESCRIPTIONREF NO QTY.
54" Mower Deck - Housing & Arbor Group
Footnotes
HOUSING ASSEMBLY, 54" Mower, Orange 1 1687310SM 1
HOUSING ASSEMBLY, 54" Mower, Red 1 1687311SM 1
CAPSCREW, Hex Head 7/16-14 x 1-1/4 G8 2 2823471SM 5
WASHER, Spring 3 1656916SM 3
WASHER, Splined 4 1679711SM 3
BLADE, Mower 20.56 5 1725921SM 2
BLADE, Mower 16.00 6 1725922SM 1
RETAINING RING, Self Locking 7 1657528SM 3
ADAPTER, Blade 8 1655777SM 3
WASHER, Shim 9 1700230SM 3
SHIELD, Bearing 10 1700229SM 3
HOUSING & FITTING ASSEMBLY, Lower 11 1703273ASM 3
GASKET, Foam 12 1707335SM 3
CAPSCREW, Hex Head 5/16-18 x 5/8 G5 13 1925205SM 1
ARBOR SHAFT & BEARINGS ASSEMBLY 14 1676278SM 2
HOUSING, Arbor Top 15 1655729ASM 3
SHIELD, Bearing, Mower Arbor, Upper 16 1657969SM 3
WASHER 17 1933263SM 2
LOCKWASHER, Spring 18 1918199SM 2
CARRIAGE BOLT, 5/16-18 x 3/4 G5 19 1931333SM 2
BAFFLE, Front 20 1720962ASM 1
NUT, Hex KEPS 5/16-18 Conical Washer 21 1960684SM 3
SCREW, Hex Washer Head Taptite 1/4-20 x 3/8 22 1929000SM 4
COVER ASSEMBLY, Upper, Orange 23 1720621CSM 1
COVER ASSEMBLY, Upper, Red 23 1720621DSM 1
COVER, Arbor R.H. 54", Orange 24 1733373CSM 1
COVER, Arbor R.H. 54", Red 24 1733373DSM 1
NUT, Hex Lock ESNA Light 1/4-20 25 1920397SM 2
WHEEL 26 1700184SM 2
WASHER, 1/4 27 1960353SM 1
ROD, Deflector, Front 28 1706709SM 1
NUT, Push 29 1960518SM 2
CARRIAGE BOLT, 1/4-20 x 1 G5 30 1960698SM 2
CLIP, Spring 31 1720623SM 4
NUT, Wing 3/8-16 32 7091049SM 2
DEFLECTOR 33 1705449SM 1
SPRING, Torsion, Chute 34 7101082SM 1
CAP 35 1723323SM 1
WASHER, 5/16 36 1919326SM 1
CLAMP, Wire 37 1704873SM 1
BAFFLE, Discharge 38 1724976ASM 1
SCREW, Hex Washer Head Taptite 5/16-18 x 3/4 39 1664847SM 18
BOLT, Shoulder, 3/8-16 40 7029265SM 2
The above parts group applies to the following Mfg. Nos.:
57
2008Copyright © by Briggs and Stratton Corporation
Briggs and Stratton Yard Power Products Group
Milwaukee, WI, USA. All rights reserved
1695266 - 54" Mower
2690681 - Prestige
TP 400-4579-A-PR-S
Not for
Reproduction

54" Mower Deck - Housing & Arbor Group
NOTE: Unless noted otherwise,
use the standard hardware torque
specification chart.
987553
The above parts group applies to the following Mfg. Nos.:
58
2008Copyright © by Briggs and Stratton Corporation
Briggs and Stratton Yard Power Products Group
Milwaukee, WI, USA. All rights reserved
1695266 - 54" Mower
2690681 - Prestige
TP 400-4579-A-PR-S
Not for
Reproduction

PART NO. DESCRIPTIONREF NO QTY.
54" Mower Deck - Housing & Arbor Group
Footnotes
CAPSCREW, Hex Head 3/8-16 x 1-1/4 G5 41 1920415SM 2
POST, Anti-Scalp 42 7035835SM 2
NUT, Hex Flange 3/8-16 Two-Way Lock 43 1930645SM 2
ARBOR SHAFT & BEARINGS ASSEMBLY, 40" 44 1726825SM 1
NUT, Hex Flange 9/16-18 45 1714419SM 1
WASHER, Bellville 46 1713675SM 2
WASHER, 1/2 47 1918431SM 1
CAPSCREW, Hex Head 7/16-14 x 2-1/4 G8 48 2827120SM 1
The above parts group applies to the following Mfg. Nos.:
59
2008Copyright © by Briggs and Stratton Corporation
Briggs and Stratton Yard Power Products Group
Milwaukee, WI, USA. All rights reserved
1695266 - 54" Mower
2690681 - Prestige
TP 400-4579-A-PR-S
Not for
Reproduction
Not for
Reproduction
Not for
Reproduction
Not for
Reproduction

Torque Specification Chart
FOR STANDARD MACHINE HARDWARE (Tolerance ± 20%)
Hardware
Grade
SAE Grade 2 SAE Grade 5 SAE Grade 8
Size Of
in/lbs in/lbs
in/lbs
Hardware ft/lbs Nm. ft/lbs Nm. ft/lbs Nm.
8-32
19
2.1
30
3.4
41
4.6
8-36
20
2.3
31
3.5
43
4.9
10-24
27
3.1
43
4.9
60
6.8
10-32
31
3.5
49
5.5
68
7.7
1/4-20
66
7.6 810.9 12 16.3
1/4-28
76
8.6 10 13.6 14 19.0
5/16-18 11 15.0 17 23.1 25 34.0
5/16-24 12 16.3 19 25.8 27 34.0
3/8-16 20 27.2 30 40.8 45 61.2
3/8-24 23 31.3 35 47.6 50 68.0
7/16-14 30 40.8 50 68.0 70 95.2
7/16-20 35 47.6 55 74.8 80 108.8
1/2-13 50 68.0 75 102.0 110 149.6
1/2-20 55 74.8 90 122.4 120 163.2
9/16-12 65 88.4 110 149.6 150 204.0
9/16-18 75 102.0 120 163.2 170 231.2
5/8-11 90 122.4 150 204.0 220 299.2
5/8-18 100 136 180 244.8 240 326.4
3/4-10 160 217.6 260 353.6 386 525.0
3/4-16 180 244.8 300 408.0 420 571.2
7/8-9 140 190.4 400 544.0 600 816.0
7/8-14 155 210.8 440 598.4 660 897.6
1-8 220 299.2 580 788.8 900 1,244.0
1-12 240 326.4 640 870.4 1,000 1,360.0
Hex Head Capscrew
Hex Nut
Lockwasher
Washer
Carriage Bolt
NOTES
1. These torque values are to be used for all hardware
excluding: locknuts, self-tapping screws, thread forming
screws, sheet metal screws and socket head setscrews.
2. Recommended seating torque values for locknuts:
a. for prevailing torque locknuts - use 65% of grade 5
torques.
b. for flange whizlock nuts and screws - use 135% of
grade 5 torques.
3. Unless otherwise noted on assembly drawings, all torque
values must meet this specification.
Hardware Identification & Torque Specifications
Common Hardware Types
Screw, 1/2 x 2
Body
Diameter
Body
Length
Inside
Diameter
Nut, 1/2”
No
Marks
3/8” Bolt or Nut
Wrench—9/16”
3/8
5/16” Bolt or Nut
Wrench—1/2”
5/16
1/4” Bolt or Nut
Wrench—7/16”
1/4
1/2” Bolt or Nut
Wrench—3/4”
1/2
DIA.
7/16
DIA.
7/16” Bolt or Nut
Wrench (Bolt)—5/8”
Wrench (Nut)—11/16”
Wrench & Fastener Size Guide
Standard Hardware Sizing
When a washer or nut is identified as 1/2”, this is the
Nominal size
, meaning the
inside diameter
is 1/2 inch; if a
second number is present it represent the
threads per inch
When bolt or capscrew is identified as 1/2 - 16 x 2”, this
means the
Nominal size
, or
body diameter
is 1/2 inch; the
second number represents the
threads per inch
(16 in this
example, and the final number is the
body length
of the
bolt or screw (in this example 2 inches long).
The guides and ruler furnished below are designed to
help you select the appropriate hardware and tools.
0
1/4 3/4
1/2
1
1/4 3/4
1/2
2
1/4 3/4
1/2
3
1/4 3/4
1/2
4
Not for
Reproduction

500 N. Spring Street / PO Box 997
Port Washington, WI 53074-0997 USA
www.simplicitymfg.com
MANUFACTURING, INC.
2008Copyright © by Briggs and Stratton Corporation
Briggs and Stratton Yard Power Products Group
Milwaukee, WI, USA. All rights reserved
Not for
Reproduction