Simplicity Sovereign Tp 400 2218 00 Sv Sma Users Manual TP_400_2218_00_SV_SMA
TP 400-2218-00-SV-SMA to the manual 6f11fd7a-6047-4ddc-aa12-e10e1c45a37e
2014-12-13
: Simplicity Simplicity-Sovereign-Tp-400-2218-00-Sv-Sma-Users-Manual-126589 simplicity-sovereign-tp-400-2218-00-sv-sma-users-manual-126589 simplicity pdf
Open the PDF directly: View PDF
.
Page Count: 76

Parts Manual
Rev. 12/98
TP 400-2218-00-SV-SMA
SOVEREIGN / 900 / 2800
SERIES GARDEN TRACTORS & MOWER DECKS
18HP TRACTORS
Mfg. No. Description
1692796 Sovereign 18HP Hydro
1692845 918H, 18HP Hydro
1692849 2818H, 18HP Hydro
18HP TRACTORS W/ POWER STEER
Mfg. No. Description
1692798 Sovereign 18HP Hydro w/ PS
1692847 918H, 18HP Hydro w/PS
1692852 2818H, 18HP Hydro w/PS
18HP OHC TRACTORS
Mfg. No. Description
1692945 Sovereign 18HP OHC Hydro
1692951 918H, 18HP OHC Hydro
1692955 2818H, 18HP OHC Hydro
1693409 Sovereign 18HP OHC Hydro
1693413 918H, 18HP OHC Hydro
1693417 2818H, 18HP OHC Hydro
18HP OHC TRACTORS W/ POWER STEER
Mfg. No. Description
1692943 Sovereign 18HP OHC Hydro w/ PS
1692949 918H, 18HP OHC Hydro w/ PS
1692953 2818H, 18HP OHC Hydro w/ PS
1693407 Sovereign 18HP OHC Hydro w/ PS
1693411 918H, 18HP OHC Hydro w/ PS
1693415 2818H, 18HP OHC Hydro w PS
75TH ANNIVERSARY SOVEREIGN TRACTOR
Mfg. No. Description
1692889 Sov. 75th Anv. 18HP OHC Hydro
1693148 Sov. 75th Anv. 18HP OHC (Export)
MOWER DECKS
Mfg. No. Description
1691219 48” Mower Deck
1691221 48” Mower Deck
1693418 48” Mower Deck
1693419 48” Mower Deck

© Copyright 1998 Simplicity Manufacturing, Inc.
All Rights Reserved. Printed In USA.
MANUFACTURING, INC.
500 N Spring Street / PO Box 997
Port Washington, WI 53074-0997 USA

1
TP 400-2218-00-SV-SMA
Table of Contents
GARDEN TRACTOR COMPONENTS
Frame & Footrest . . . . . . . . . . . . . . . . . . . . . . . . . . . . .2
Front Axle . . . . . . . . . . . . . . . . . . . . . . . . . . . . . . . . . .4
Manual Steering . . . . . . . . . . . . . . . . . . . . . . . . . . . . . .6
Power Steering . . . . . . . . . . . . . . . . . . . . . . . . . . . . . .8
Engine, Exhaust & Drive Shaft - 18HP Kohler OHV . .10
Engine, Exhaust & Drive Shaft - 18HP Kohler OHC . .12
Clutch & Brake Group . . . . . . . . . . . . . . . . . . . . . . . .14
Clutch & Brake Control Group . . . . . . . . . . . . . . . . . .16
Hydrostatic Pump Group . . . . . . . . . . . . . . . . . . . . . .18
Hydrostatic Control Group . . . . . . . . . . . . . . . . . . . . .20
Transmission Group . . . . . . . . . . . . . . . . . . . . . . . . .22
PTO Control & Cone Clutch Group . . . . . . . . . . . . . . .24
Hydraulic Lift Group . . . . . . . . . . . . . . . . . . . . . . . . .26
Bevel Gear & Side Plate Group . . . . . . . . . . . . . . . . .28
Draw Bar Group . . . . . . . . . . . . . . . . . . . . . . . . . . . . .30
Rear Axle & Differential Group . . . . . . . . . . . . . . . . . .32
Electrical Group - Early Models . . . . . . . . . . . . . . . . .34
Electrical Group - Later Models . . . . . . . . . . . . . . . . .36
Dash, Hood, & Grille Group - Manual Steering . . . . .38
Dash, Hood, & Grille Group - Power Steering . . . . . .40
Seat & Deck Group - Early Models . . . . . . . . . . . . . .42
Seat & Deck Group - Later Models . . . . . . . . . . . . . .44
Tire & Wheel Group . . . . . . . . . . . . . . . . . . . . . . . . . .46
Decals — Safety & Common . . . . . . . . . . . . . . . . . . .48
Decals — Brand & Model . . . . . . . . . . . . . . . . . . . . .50
Specialty Parts - 75th Anniversary Model . . . . . . . . .52
TRACTOR COMPONENT SERVICE PARTS
Power Steering Valve - Service Parts . . . . . . . . . . . . .54
Hydrostatic Pump - Service Parts . . . . . . . . . . . . . . .56
Control Valve - Service Parts . . . . . . . . . . . . . . . . . . .60
MOWER DECK COMPONENTS
48” Mower Deck - Housing & Arbors Group . . . . . . .62
48” Mower Deck - Cover, Drive & Bail Group . . . . . .64
48” Mower Deck - Height Adjusting & Roller Group .66
48” Mower Deck - Deflector, Stone Guard, & Arm . . .68
REFERENCE INFORMATION:
Part Number Index . . . . . . . . . . . . . . . . . . . . . . . . . .70
Torque Specification Chart . . . . . . . . .Inside Back Cover
© Copyright 1998 Simplicity Manufacturing, Inc. All Rights Reserved.
This Manual Covers The Following Products:
18HP OHV Hydro Tractors
1692796 Sovereign 18HP Hydro
1692845 918H, 18HP Hydro
1692849 2818H, 18HP Hydro
18HP OHV Hydro Tractors w/ Power Steer
1692798 Sovereign 18HP Hydro w/ PS
1692847 918H, 18HP Hydro w/ PS
1692852 2818H, 18HP Hydro w/ PS
18HP OHC Hydro Tractors
1692945 Sovereign 18HP OHC Hydro
1692951 918H, 18HP OHC Hydro
1692955 2818H, 18HO OHC Hydro
1693409 Sovereign 18HP OHC Hydro
1693413 918H, 18HP OHC Hydro
1693417 2818H, 18HO OHC Hydro
18HP OHC Hydro Tractors w/ Power Steer
1692943 Sovereign 18HP OHC Hydro w/ PS
1692949 918H, 18HP OHC Hydro w/ PS
1692953 2818H, 18HO OHC Hydro w/PS
1693407 Sovereign 18HP OHC Hydro w/ PS
1693411 918H, 18HP OHC Hydro w/ PS
1693415 2818H, 18HO OHC Hydro w/PS
75th Anniversary Sovereign Tractors
1692889 Sov 75 Anv 18HP OHC Hydro
1693148 Sov 75 Anv 18HP OHC-Export
48” MOWER DECKS
1691219 48” Mower Deck
1691221 48” Mower Deck
1693418 48” Mower Deck
1693419 48” Mower Deck
PAGES
2, 4, 6, 10, 14, 16,
18, 20, 22, 24, 26,
28, 30, 32, 34, 38,
42, 46, 48, 50, 56,
60
PAGES
2, 4, 8, 10, 14, 16,
18, 20, 22, 24, 26,
28, 30, 32, 34,40,
42, 46, 48, 50, 54,
56, 60
PAGES
2, 4, 6, 12, 14, 16,
18, 20, 22, 24, 26,
28, 30, 32, 36, 40,
44, 46, 48, 50, 56,
60
PAGES
2, 4, 8, 12, 14, 16,
18, 20, 22, 24, 26,
28, 30, 32, 36, 40,
42, 44, 46, 48, 50,
54, 56, 60
PAGES
2, 4, 6, 12, 14, 16,
18, 20, 22, 24, 26,
28, 30, 32, 36, 38,
42, 46, 48, 50, 52,
56, 60
PAGES
62, 64, 66, 68

2
TP 400-2218-00-SV-SMA
© Copyright 1998 Simplicity Manufacturing, Inc. All Rights Reserved.
Frame & Footrest Group
NOTE: Unless noted otherwise,
use the standard hardware torque
specification chart.
The above parts group applies to the following Mfg. Nos.:
1692796 Sov 18HP Hydro
1692798 Sov 18HP Hydro PS
1692845 918H, 18HP Hydro
1692847 918H, 18HP Hydro PS
1692849 2818H 18HP Hydro
1692852 2818H, 18HP Hydro PS
1692889 Sov 75 Anv 18HP OHC Hydro
1692943 Sov 18HP OHC Hydro PS
1692945 Sov 18HP OHC Hydro
1692949 918H, 18HP OHC Hydro PS
1692951 918H, 18HP OHC Hydro
1692953 2818H, 18HP OHC Hydro PS
1692955 2818H, 18HP OHC Hydro
1693144 Sov 18HP OHC Hydro-Exp
1693146 Sov 18HP OHC Hydro PS-Exp
1693148 Sov 75 Anv 18HP OHC-Exp
1693407 Sov 18HP OHC Hydro PS
1693409 Sov 18HP OHC Hydro
1693411 918H, 18HP OHC Hydro PS
1693413 918H, 18HP OHC Hydro
1693415 2818H, 18HP OHC Hydro PS
1693417 2818H, 18HP OHC Hydro
A-SV43001A

3
TP 400-2218-00-SV-SMA
Frame & Footrest Group
REF NO. PART NO. QTY. DESCRIPTION
Footnotes:
The above parts group applies to the following Mfg. Nos.:
1692796 Sov 18HP Hydro
1692798 Sov 18HP Hydro PS
1692845 918H, 18HP Hydro
1692847 918H, 18HP Hydro PS
1692849 2818H 18HP Hydro
1692852 2818H, 18HP Hydro PS
1692889 Sov 75 Anv 18HP OHC Hydro
1692943 Sov 18HP OHC Hydro PS
1692945 Sov 18HP OHC Hydro
1692949 918H, 18HP OHC Hydro PS
1692951 918H, 18HP OHC Hydro
1692953 2818H, 18HP OHC Hydro PS
1692955 2818H, 18HP OHC Hydro
1693144 Sov 18HP OHC Hydro-Exp
1693146 Sov 18HP OHC Hydro PS-Exp
1693148 Sov 75 Anv 18HP OHC-Exp
1693407 Sov 18HP OHC Hydro PS
1693409 Sov 18HP OHC Hydro
1693411 918H, 18HP OHC Hydro PS
1693413 918H, 18HP OHC Hydro
1693415 2818H, 18HP OHC Hydro PS
1693417 2818H, 18HP OHC Hydro
1 1708757* 1 FRAME ASSEMBLY, w/Bushings
2 1921212 4 CAPSCREW, Hex Hd, 7/16-14 x 1-1/2
3 1918199 4 LOCKWASHER, 7/16
4 1917356 8 LOCKWASHER, 5/16
5 1921332 2 CAPSCREW, Hex Hd, 5/16-18 x 3/4
6 174662 1 BUSHING
7 1931333 4 CARRIAGE BOLT, 5/16-18 x 3/4
8 1920470 2 NUT, Speed, 5/16-18
9 1928734 2 SETSCREW, 5/16-18 x 1/4
10 1928721 1 SETSCREW, 5/16-18 x 1/2
11 1665908 1 FOOTREST, L.H.
12 1665909 1 FOOTREST, R.H.
13 1917372 6 NUT, Hex, Full, 5/16-18
14 170975 2 BEARING, Lift Lever
15 154096 2 KEY
16 1667271 1 SHAFT ASSEMBLY, Lift (Hydro Lift)
17 157624 1 COLLAR, Set
18 1928727 2 CAPSCREW, Hex Flange Hd, Whiz Lock, 3/8-16 x 1-1/4
19 1653876 1 BEARING, Pivot
20 1928352 2 LOCKNUT, Hex, Flange, 3/8-16
21 1921977 2 CAPSCREW, Hex Hd, 5/16-18 x 1-1/4
22 1916950 1 NUT, Hex, Full, 3/8-16
23 1916965 1 LOCKWASHER, 3/8
24 1924940 1 WASHER, Plain, 3/8
25 157300 1 ARM, Foot Pedal
26 1663114 2 BUSHING
27 921133 1 FITTING, Grease
28 1674137 1 PEDAL ASSEMBLY, Foot
29 157625 1 LEVER ASSEMBLY, Front Lift
30 158544 1 BEARING, Interim Pinion
Footnotes:
* Includes Ref. Nos. 6, 27, & 30.

Apply grease thru fitting
{Ref 10} to lubricate
spindle bearing {2 places}.
Torque to 13-20 ft. lbs.
{2 places}
Apply grease thru fitting
{Ref 10} to lubricate
spindle bearing {2 places}.
Torque
setscrews to
10-15 ft. lbs.
min {2 places}
Torque to
16-24 ft. lbs.
min. {2 places}
NOTE: Axle
assembly {Ref 18}
must pivot preely
after assembly.
Torquenut {Ref 26} to
80-120 ft. lbs. Lock nut
in place after torquing by
holding nut {Ref 26} and
tightening jam nut {Ref
27} to 33-50 ft. lbs. 1
2
3
4
5
6
7
8
9
10
11 12
13
14
15
16
17
12
14
8
7
18
19
20
21
22
23
24
25
26 27
21
9
8
8
7
4
TP 400-2218-00-SV-SMA
© Copyright 1998 Simplicity Manufacturing, Inc. All Rights Reserved.
NOTE: Unless noted otherwise,
use the standard hardware torque
specification chart.
The above parts group applies to the following Mfg. Nos.:
1692796 Sov 18HP Hydro
1692798 Sov 18HP Hydro PS
1692845 918H, 18HP Hydro
1692847 918H, 18HP Hydro PS
1692849 2818H 18HP Hydro
1692852 2818H, 18HP Hydro PS
1692889 Sov 75 Anv 18HP OHC Hydro
1692943 Sov 18HP OHC Hydro PS
1692945 Sov 18HP OHC Hydro
1692949 918H, 18HP OHC Hydro PS
1692951 918H, 18HP OHC Hydro
1692953 2818H, 18HP OHC Hydro PS
1692955 2818H, 18HP OHC Hydro
1693144 Sov 18HP OHC Hydro-Exp
1693146 Sov 18HP OHC Hydro PS-Exp
1693148 Sov 75 Anv 18HP OHC-Exp
1693407 Sov 18HP OHC Hydro PS
1693409 Sov 18HP OHC Hydro
1693411 918H, 18HP OHC Hydro PS
1693413 918H, 18HP OHC Hydro
1693415 2818H, 18HP OHC Hydro PS
1693417 2818H, 18HP OHC Hydro
Front Axle Group
A-SV43002A

The above parts group applies to the following Mfg. Nos.:
1692796 Sov 18HP Hydro
1692798 Sov 18HP Hydro PS
1692845 918H, 18HP Hydro
1692847 918H, 18HP Hydro PS
1692849 2818H 18HP Hydro
1692852 2818H, 18HP Hydro PS
1692889 Sov 75 Anv 18HP OHC Hydro
1692943 Sov 18HP OHC Hydro PS
1692945 Sov 18HP OHC Hydro
1692949 918H, 18HP OHC Hydro PS
1692951 918H, 18HP OHC Hydro
1692953 2818H, 18HP OHC Hydro PS
1692955 2818H, 18HP OHC Hydro
1693144 Sov 18HP OHC Hydro-Exp
1693146 Sov 18HP OHC Hydro PS-Exp
1693148 Sov 75 Anv 18HP OHC-Exp
1693407 Sov 18HP OHC Hydro PS
1693409 Sov 18HP OHC Hydro
1693411 918H, 18HP OHC Hydro PS
1693413 918H, 18HP OHC Hydro
1693415 2818H, 18HP OHC Hydro PS
1693417 2818H, 18HP OHC Hydro
5
TP 400-2218-00-SV-SMA
REF NO. PART NO. QTY. DESCRIPTION
Footnotes:
Front Axle Group
1 157499 1 ROD ASSEMBLY, Tie
2 1921210 2 CAPSCREW, Hex Hd, 3/8-16 x 1
3 1924940 2 WASHER, Plain, 3/8
4 154177 2 SPACER
5 157427 2 KEY, Square, 3/16 x 1-1/4
6 170998 1 ARM ASSEMBLY, Steering
7 1960114 3 WASHER
8 154289 4 BUSHING
9 921133 2 FITTING, Grease
10 1930651 2 LOCKNUT, Hex, 3/8-16
11 171774 1 SPINDLE ASSEMBLY, LH
12 171375 4 SPACER
13 170168 2 SEAL
14 154486 4 CONE, Bearing
15 1928691 2 SETSCREW, 5/16-18 x 5/16
16 8021010 2 COLLAR, Set
17 154487 2 CAP, Hub
18 1650553 1 AXLE ASSEMBLY, Front (Incl. Ref. No. 9)
19 1960563 2 SETSCREW, Hex Socket Hd, 3/8-16 x 1/2
20 157618 1 SPACER
21 1918431 2 WASHER, Plain, 1/2
22 1927469 1 CAPSCREW, Hex Hd, 1/2-13 x 2-1/4
23 157494 1 SPINDLE ASSEMBLY, RH
24 8061012 1 WASHER
25 927794 1 RING, Retaining
26 1930648 1 LOCKNUT, Hex, 1/2-13
27 1913744 1 LOCKNUT, Hex, Jam, 1/2-13

6
TP 400-2218-00-SV-SMA
© Copyright 1998 Simplicity Manufacturing, Inc. All Rights Reserved.
NOTE: Unless noted otherwise,
use the standard hardware torque
specification chart.
The above parts group applies to the following Mfg. Nos.:
1692796 Sov 18HP Hydro
1692845 918H, 18HP Hydro
1692849 2818H 18HP Hydro
1692889 Sov 75 Anv 18HP OHC Hydro
1692945 Sov 18HP OHC Hydro
1692951 918H, 18HP OHC Hydro
1692955 2818H, 18HP OHC Hydro
1693144 Sov 18HP OHC Hydro-Exp
1693148 Sov 75 Anv 18HP OHC-Exp
1693409 Sov 18HP OHC Hydro
1693413 918H, 18HP OHC Hydro
1693417 2818H, 18HP OHC Hydro
Manual Steering Group
A-SV43003A
Turn capscrews {Ref 13 -
two places} until minimum
backlash is obtained, then
lock by tightening the
locknut {Ref 14} against
plate {REf 12}. Torque nut
{Ref 14} to 13-19 ft. lbs.
Apply anti-sieze
compound to inside
of bushing {Ref 15}
if shaft {Ref 5} is
not plated.
Torque nut
{Ref 18} to
26-39 ft. lbs.
Timing marks on pinion
{Ref 21} and bevel gear
{Ref 17} must be in line.
Do NOT brush grease
on tooth surfaces at
gear or pinion.
Torque nut
{Ref 23} to
40-60 ft. lbs.
Torque nut
{Ref 32} to
40-60 ft. lbs.
Align length of drag link assembly
{Ref 29} by positioning end ball joint
so that front wheels will be in straight
ahead position when the timing
marks on the steering pinion and
gear are aligned.
1
2
3
4
5
6
7
8
13
12
14
15
16
11
9
10
11
17
18
19
21
22
20
23
24 25
26
27
28
29
30
31
32
10

7
TP 400-2218-00-SV-SMA
REF NO. PART NO. QTY. DESCRIPTION
Footnotes:
The above parts group applies to the following Mfg. Nos.:
1692796 Sov 18HP Hydro
1692845 918H, 18HP Hydro
1692849 2818H 18HP Hydro
1692889 Sov 75 Anv 18HP OHC Hydro
1692945 Sov 18HP OHC Hydro
1692951 918H, 18HP OHC Hydro
1692955 2818H, 18HP OHC Hydro
1693144 Sov 18HP OHC Hydro-Exp
1693148 Sov 75 Anv 18HP OHC-Exp
1693409 Sov 18HP OHC Hydro
1693413 918H, 18HP OHC Hydro
1693417 2818H, 18HP OHC Hydro
Manual Steering Group
1 1714097 1 CAP, Steering Wheel
2 1686651 1 WHEEL ASSEMBLY, Steering, 15” (Includes CAP, Ref. No. 1)
3 1960540 1 PIN, Spring, 5/16 x 2
4 154264 1 RING, Retaining
5 1714440 1 SHAFT, Steering
6 910224 1 KEY, Woodruff, #6
7 8021010 1 COLLAR, Set
8 1928734 1 SETSCREW, 5/16-18 x 1/4
9 1924940 2 WASHER, Bevel, 3/8
10 1916965 3 LOCKWASHER, 3/8
11 1921210 3 CAPSCREW, Hex Hd, 3/8-16 x 1
12 171000 1 PLATE, Steering
13 1920415 2 CAPSCREW, Hex Hd, 3/8-16 x 1-1/4
14 1928731 2 LOCKNUT, Hex, Jam, 3/8-16
15 170992 1 BUSHING
16 1668625 1 HOUSING ASSEMBLY, Steering (Incl. Ref. No. 11)
17 170987 1 GEAR, Steering
18 1930650 1 LOCKNUT, Hex, Flange, 7/16-14
19 154258 2 BEARING, Needle
20 912808 1 FITTING, Grease
21 170988 1 PINION, Bevel
22 927793 1 E-RING
23 1916951 1 NUT, Hex, Full, 1/2-13
24 1916966 1 LOCKWASHER, 1/2
25 1918431 1 WASHER, Plain, 1/2
26 1666204 1 ARM ASSEMBLY, Steering
27 105051 1 SPACER
28 1920328 1 CAPSCREW, Hex Hd., 1/2-13 x 1-1/2
29 1666648 1 LINK ASSEMBLY, Drag
30 1919262 1 LOCKNUT, Hex, Jam, 1/2-20
31 164272 1 BALLJOINT
32 1930245 1 LOCKNUT, Hex, 1/2-20
Footnotes:
* See your local Briggs & Stratton distributor for service parts.

8
TP 400-2218-00-SV-SMA
© Copyright 1998 Simplicity Manufacturing, Inc. All Rights Reserved.
Power Steering Group
NOTE: Unless noted otherwise,
use the standard hardware torque
specification chart.
A-SV43004A
The above parts group applies to the following Mfg. Nos.:
1692798 Sov 18HP Hydro PS
1692847 918H, 18HP Hydro PS
1692852 2818H, 18HP Hydro PS
1692943 Sov 18HP OHC Hydro PS
1692949 918H, 18HP OHC Hydro PS
1692953 2818H, 18HP OHC Hydro PS
1693146 Sov 18HP OHC Hydro PS-Exp
1693407 Sov 18HP OHC Hydro PS
1693411 918H, 18HP OHC Hydro PS
1693415 2818H, 18HP OHC Hydro PS
40
Torque to
16-24 ft. lbs.
Steering
Cylinder
Seal Kit
1
2
3
4
5
6
7
8
9
10
11
12
13
14
15
16
17
18
19
20
21
22
23 24
25
26
27
28
29
30 31
32
33
34
35
36
37
38
39
17

9
TP 400-2218-00-SV-SMA
Power Steering Group
1 1657017 1 CAP, Steering Wheel
2 1679046 1 NUT, Hex, 5/8-18
3 1676468 1 WHEEL ASSEMBLY, Steering
4 1676418 1 BOOT, Steering Stem
5 1716863 1 UP STOP, Axle
6 1960558 1 CAPSCREW, Hex Hd, M12 x 1.75 x 20mm
7 1909589 1 LOCKWASHER, Int. Tooth, 1/2
8 1716502 1 PLATE, Mounting Weldment
9 1673686 1 STEERING UNIT, Hydrostatic
10 1917356 4 LOCKWASHER, 5/16
11 1920263 4 NUT, Hex, 5/16-24
12 927103 1 RING, Retaining, 5/8
13 1960020 1 WASHER
14 1706655 1 CYLINDER, Power Steering
15 1715513 1 BRACKET ASSEMBLY, Cylinder
16 1923683 3 CAPSCREW, Hex. Washer Hd, Taptite 3/8-16 x 3/4
17 157427 2 KEY, Square, 3/16 x 1-1/4
18 1716859 1 ARM ASSEMBLY, Steering
19 1960563 2 SETSCREW, Hex Socket Hd, 3/8-16 x 1/2
20 1960114 2 WASHER
21 1679556 1 SPACER
22 1679538 1 BALL JOINT ASSEMBLY
23 927732 1 RING, Retaining, 3/4
24 1922015 1 NUT, Hex Jam, 3/4-16
25 922523 2 FITTING, Hydraulic, .562 x 8 x .562-18-90
26 1701011 1 TIE, Self Locking .184 x 7.31 LG.
27 172434 1 CLIP, Wire
28 1715497 1 HOSE ASSEMBLY, Hydraulic (Steering RT to Cyl.)
29 1715498 1 HOSE ASSEMBLY, Hydraulic (Steering LT to Cyl.)
30 1715496 1 HOSE ASSEMBLY, Hydraulic (Pump to Steering)
31 1715499 1 HOSE ASSEMBLY, Hydraulic(Steering Aux to Lift)
32 1719244 1 HOSE ASSEMBLY, Hydraulic (Steering Out to “T”)
33 1715500 1 HOSE ASSEMBLY, Hydraulic (Return “T” to Pump)
34 1715523 1 FITTING, Hydraulic “T”
35 1923358 1 NUT, Hex, Center-Lock, 1/4-20
36 1676527 1 CLAMP, Hose
37 1921960 1 CAPSCREW, Hex Hd, 1/4-20 x 1.00
38 1921210 1 CAPSCREW, Hex Hd, 3/8-16 x 1
39 1930645 1 NUT, Hex Flange, Whiz Lock, 3/8-16
40 1685444 1 CYLINDER SEAL REPAIR KIT
REF NO. PART NO. QTY. DESCRIPTION
Footnotes:
The above parts group applies to the following Mfg. Nos.:
1692798 Sov 18HP Hydro PS
1692847 918H, 18HP Hydro PS
1692852 2818H, 18HP Hydro PS
1692943 Sov 18HP OHC Hydro PS
1692949 918H, 18HP OHC Hydro PS
1692953 2818H, 18HP OHC Hydro PS
1693146 Sov 18HP OHC Hydro PS-Exp
1693407 Sov 18HP OHC Hydro PS
1693411 918H, 18HP OHC Hydro PS
1693415 2818H, 18HP OHC Hydro PS

10
TP 400-2218-00-SV-SMA
© Copyright 1998 Simplicity Manufacturing, Inc. All Rights Reserved.
NOTE: Unless noted otherwise,
use the standard hardware torque
specification chart.
The above parts group applies to the following Mfg. Nos.:
1692796 Sov 18HP Hydro
1692798 Sov 18HP Hydro PS
1692845 918H, 18HP Hydro
1692847 918H, 18HP Hydro PS
1692849 2818H 18HP Hydro
1692852 2818H, 18HP Hydro PS
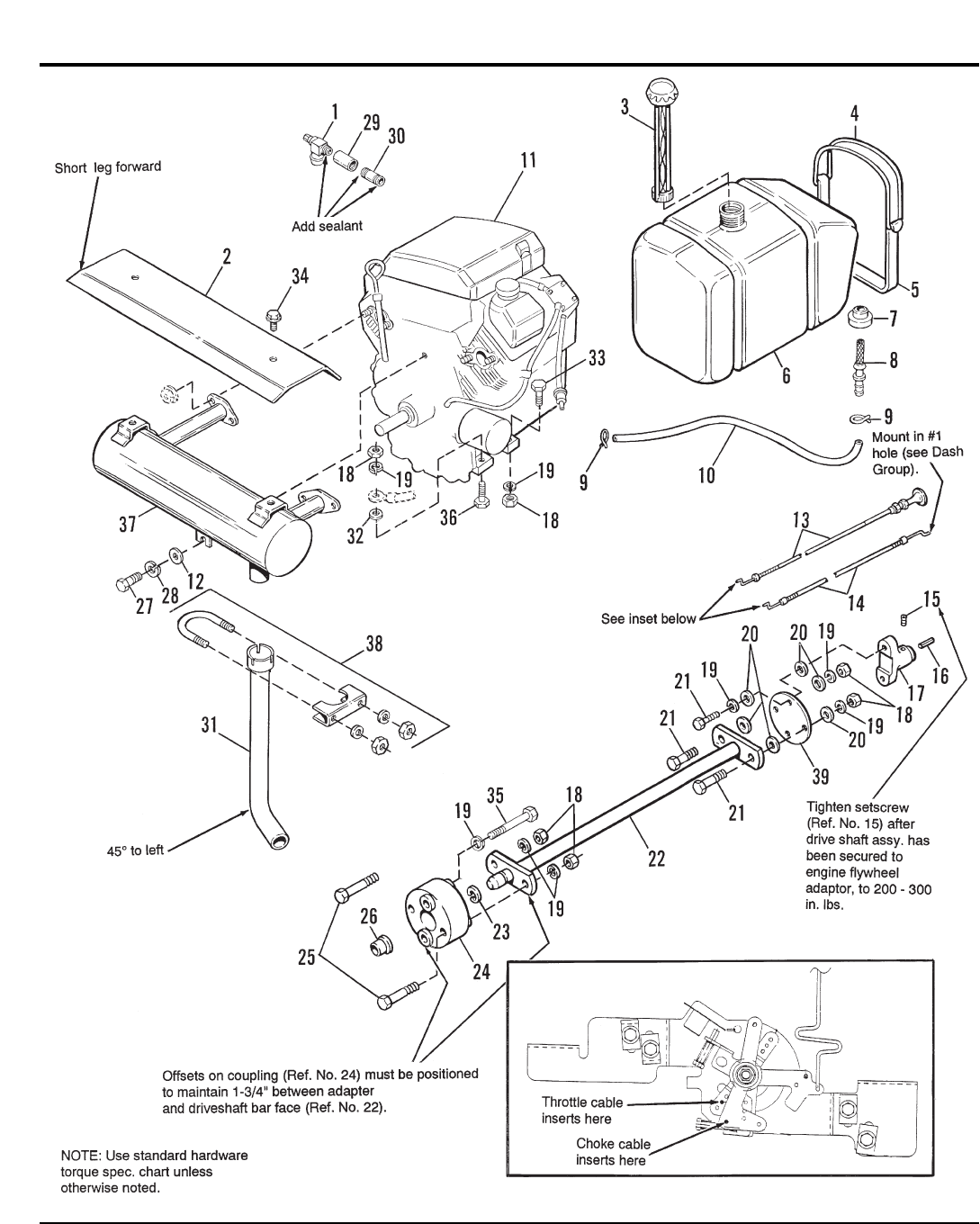
Engine, Exhaust & Drive Shaft Group — Kohler 18HP OHV
A-SV43005A

11
TP 400-2218-00-SV-SMA
REF NO. PART NO. QTY. DESCRIPTION
Footnotes:
The above parts group applies to the following Mfg. Nos.:
1692796 Sov 18HP Hydro
1692798 Sov 18HP Hydro PS
1692845 918H, 18HP Hydro
1692847 918H, 18HP Hydro PS
1692849 2818H 18HP Hydro
1692852 2818H, 18HP Hydro PS
Engine, Exhaust & Drive Shaft Group — Kohler 18HP OHV
1 1708405 1 SHUT OFF VALVE
2 1708873 1 HEAT SHIELD ASSEMBLY
3 171252 1 CAP, Fuel Tank
4 172744 2 STRAP, Fuel Tank
5 171330 2 STRAP, Tank
6 1666275 1 TANK ASSEMBLY, Fuel (Includes Ref. 6, 7, 8, 9, 10)
7 1654930 1 BUSHING
8 1664460 1 FITTING
9 1960112 2 CLAMP, Hose
10 1717557 1 HOSE, Fuel, 15”
11 * 1 ENGINE, Kohler, 18 HP
12 1925125 1 WASHER, 15/32
13 1708764 1 CHOKE CONTROL
14 1708763 1 THROTTLE CONTROL
15 1960475 1 SETSCREW, 3/8-24 x 3/8
16 157427 1 KEY, Drive Shaft, 3/16 x 1-1/4
17 172264 1 FLANGE, Drive Shaft
18 1916950 8 NUT, Hex, Full, 3/8-16
19 1916965 12 LOCKWASHER, 3/8
20 157424 8 WASHER, Special
21 1920415 4 CAPSCREW, Hex Hd, 3/8-16 x 1-1/4
22 1708729 1 SHAFT ASSEMBLY, Drive
23 927794 1 RETAINING RING
24 1668637 1 COUPLING, Compression
25 1921972 4 CAPSCREW, Hex Hd, 3/8-16 x 2-1/2
26 176440 1 BUSHING
27 1920676 1 CAPSCREW, Hex Hd, 7/16-14 x 1
28 1918199 1 LOCKWASHER, 7/16
29 960477 1 COUPLING, Pipe, Straight
30 901489 1 NIPPLE, Pipe, 3/8 x 1
31 1708761 1 PIPE, Exhaust,Elbow
32 920426 1 WASHER, External Tooth, 3/8
33 1921971 4 CAPSCREW, Hex Hd, 3/8-16 x 1-3/4
34 1924856 2 CAPSCREW, Hex Hd, Taptite, 5/16-18 x 1/2
35 1920415 2 CAPSCREW, Hex Hd, 3/8-16 x 1-1/4
36 1679588 1 CAPSCREW, Hex Head, M8-1-1/4 20mm
37 1686655 1 MUFFLER, Exhaust
38 1712286 1 CLAMP, Exhaust
39 173026 1 COUPLING
Footnotes:
* See an authorized Kohler Dealer for service parts.

12
TP 400-2218-00-SV-SMA
© Copyright 1998 Simplicity Manufacturing, Inc. All Rights Reserved.
NOTE: Unless noted otherwise,
use the standard hardware torque
specification chart.
A-SV43006A
The above parts group applies to the following Mfg. Nos.:
1692889 Sov 75 Anv 18HP OHC Hydro
1692943 Sov 18HP OHC Hydro PS
1692945 Sov 18HP OHC Hydro
1692949 918H, 18HP OHC Hydro PS
1692951 918H, 18HP OHC Hydro
1692953 2818H, 18HP OHC Hydro PS
1692955 2818H, 18HP OHC Hydro
1693144 Sov 18HP OHC Hydro-Exp
1693146 Sov 18HP OHC Hydro PS-Exp
1693148 Sov 75 Anv 18HP OHC-Exp
1693407 Sov 18HP OHC Hydro PS
1693409 Sov 18HP OHC Hydro
1693411 918H, 18HP OHC Hydro PS
1693413 918H, 18HP OHC Hydro
1693415 2818H, 18HP OHC Hydro PS
1693417 2818H, 18HP OHC Hydro
Engine, Exhaust & Drive Shaft Group — Kohler 18HP OHC
1
2
3
4
5
6
7
8
9
10
11
12
13
14 15
16
17
17
18
18
19
19
19
19
18
20
20
22
21
21
21
21
19
19
8
17
17
18
18
2222
21
21
23
17
17
25
17
26
27
28
29
30
31 33
3232
24
Throttle Control
Plate
Use this
Hole

The above parts group applies to the following Mfg. Nos.:
1692889 Sov 75 Anv 18HP OHC Hydro
1692943 Sov 18HP OHC Hydro PS
1692945 Sov 18HP OHC Hydro
1692949 918H, 18HP OHC Hydro PS
1692951 918H, 18HP OHC Hydro
1692953 2818H, 18HP OHC Hydro PS
1692955 2818H, 18HP OHC Hydro
1693144 Sov 18HP OHC Hydro-Exp
1693146 Sov 18HP OHC Hydro PS-Exp
1693148 Sov 75 Anv 18HP OHC-Exp
1693407 Sov 18HP OHC Hydro PS
1693409 Sov 18HP OHC Hydro
1693411 918H, 18HP OHC Hydro PS
1693413 918H, 18HP OHC Hydro
1693415 2818H, 18HP OHC Hydro PS
1693417 2818H, 18HP OHC Hydro
13
TP 400-2218-00-SV-SMA
REF NO. PART NO. QTY. DESCRIPTION
Footnotes:
* See an authorized Kohler Dealer for service parts.
Engine, Exhaust & Drive Shaft Group — Kohler 18HP OHC
1 172744 2 STRAP, Rubber, Fuel Tank
2 1666275 1 TANK ASSEMBLY, Fuel
3 171252 1 CAP, Fuel Tank
4 171330 2 STRAP, Tank
5 1654930 1 BUSHING
6 1664460 1 FITTING
7 1717551 1 HOSE, Fuel, 15”
8 1960112 2 CLAMP, Hose
9 1701011 1 TIE, Cable, 7.3” Lg.
10 1708405 1 VALVE, Shut Off
11 166137 1 HOSE, Hydraulic, 1/2 ID x 3/4 x 12
12 1678371 1 CONTROL, Throttle
13 1708764 1 CONTROL, Choke
14 1960475 1 SETSCREW, 3/8-24 x 3/8
15 157427 1 KEY, Drive Shaft, 3/16 x 1-1/4
16 172264 1 FLANGE, Drive Shaft
17 1916950 7 NUT, Hex, Full, 3/8-16
18 1916965 10 LOCKWASHER, 3/8
19 157424 18 WASHER, Special
20 173026 2 COUPLING
21 1920415 8 CAPSCREW, Hex Hd, 3/8-16 x 1-1/4
22 1717111 1 DRIVE SHAFT ASSEMBLY
23 1930598 3 CAPSCREW, Hex Washer Hd, Taptite, 3/8-16 x 1.5
24 1932771 1 CLIP
25 1716896 1 PLATE, Engine
26 920426 1 LOCKWASHER, Ext. Tooth, 3/8
27 1708761 1 ELBOW PIPE, Exhaust (All except 1692889 & 1693148)
28 1712286 1 CLAMP, Exhaust (Qty 2 on 1692889 & 1693148)
29 1716898 1 MUFFLER, Exhaust
30 1924856 1 CAPSCREW, Hex Hd, Taptite, 5/16-18 x 1/2
31 1708873 1 HEAT SHIELD, Muffler
32 1713337 2 PAD, Neoprene (Power Steering Models Only)
33 * 1 ENGINE, Kohler, 18HP OHC
33 * 1 ENGINE, Kohler, 18HP OHC, 75th Anniversary Model

14
TP 400-2218-00-SV-SMA
© Copyright 1998 Simplicity Manufacturing, Inc. All Rights Reserved.
NOTE: Unless noted otherwise,
use the standard hardware torque
specification chart.
A-SV43007A
The above parts group applies to the following Mfg. Nos.:
1692796 Sov 18HP Hydro
1692798 Sov 18HP Hydro PS
1692845 918H, 18HP Hydro
1692847 918H, 18HP Hydro PS
1692849 2818H 18HP Hydro
1692852 2818H, 18HP Hydro PS
1692889 Sov 75 Anv 18HP OHC Hydro
1692943 Sov 18HP OHC Hydro PS
1692945 Sov 18HP OHC Hydro
1692949 918H, 18HP OHC Hydro PS
1692951 918H, 18HP OHC Hydro
1692953 2818H, 18HP OHC Hydro PS
1692955 2818H, 18HP OHC Hydro
1693144 Sov 18HP OHC Hydro-Exp
1693146 Sov 18HP OHC Hydro PS-Exp
1693148 Sov 75 Anv 18HP OHC-Exp
1693407 Sov 18HP OHC Hydro PS
1693409 Sov 18HP OHC Hydro
1693411 918H, 18HP OHC Hydro PS
1693413 918H, 18HP OHC Hydro
1693415 2818H, 18HP OHC Hydro PS
1693417 2818H, 18HP OHC Hydro
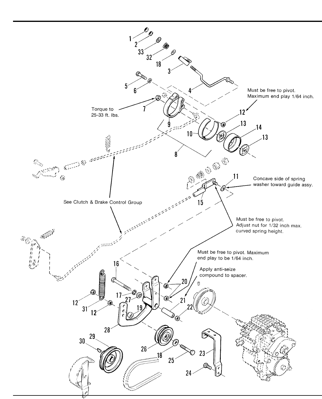
Clutch & Brake Group

The above parts group applies to the following Mfg. Nos.:
1692796 Sov 18HP Hydro
1692798 Sov 18HP Hydro PS
1692845 918H, 18HP Hydro
1692847 918H, 18HP Hydro PS
1692849 2818H 18HP Hydro
1692852 2818H, 18HP Hydro PS
1692889 Sov 75 Anv 18HP OHC Hydro
1692943 Sov 18HP OHC Hydro PS
1692945 Sov 18HP OHC Hydro
1692949 918H, 18HP OHC Hydro PS
1692951 918H, 18HP OHC Hydro
1692953 2818H, 18HP OHC Hydro PS
1692955 2818H, 18HP OHC Hydro
1693144 Sov 18HP OHC Hydro-Exp
1693146 Sov 18HP OHC Hydro PS-Exp
1693148 Sov 75 Anv 18HP OHC-Exp
1693407 Sov 18HP OHC Hydro PS
1693409 Sov 18HP OHC Hydro
1693411 918H, 18HP OHC Hydro PS
1693413 918H, 18HP OHC Hydro
1693415 2818H, 18HP OHC Hydro PS
1693417 2818H, 18HP OHC Hydro
15
TP 400-2218-00-SV-SMA
REF NO. PART NO. QTY. DESCRIPTION
Footnotes:
* Not serviced separately.
Clutch & Brake Group
1 1919439 1 LOCKNUT, Hex, Esna, 3/8-16
2 1916950 1 NUT, Hex, Full, 3/8-16
3 166119 1 GUIDE ASSEMBLY, Rod
4 1650651 1 ROD, Brake
5 1921971 1 CAPSCREW, Hex Hd, 3/8-16 x 1-3/4
6 1916965 1 LOCKWASHER, 3/8
7 1930650 1 LOCKNUT, Hex, Flange, 7/16-14
8 1679354 1 BAND ASSEMBLY, Brake (Incl. Ref. Nos. 9 & 10)
9 * 1 BAND, Brake (See Ref. No. 8)
10 * 1 LINING, Brake (See Ref. No. 8)
11 1668737 1 WASHER, Curved Spring
12 1960251 3 LOCKNUT, Hex, 3/8-16
13 158196 2 WASHER, Special
14 166176 1 DRUM, Brake
15 166157 1 GUIDE ASSEMBLY, Rod
16 1928295 1 CAPSCREW, Hex Hd, 7/16-14 x 3-3/4
17 1918199 1 LOCKWASHER, 7/16
18 1924940 2 WASHER, Plain, 3/8 std.
19 1667812 1 SPACER
20 1923362 2 LOCKNUT, Hex, 5/16-18
21 166130 1 SPACER
22 1918213 1 NUT, Hex, Full, 7/16-14
23 166156 1 BRACKET
24 1926035 2 CAPSCREW, Self-Tapping, 3/8 x 3/4
25 1922130 1 CAPSCREW, Hex Hd, 3/8-16 x 2-1/4
26 1704926 1 PULLEY ASSEMBLY, Idler (Plastic)
27 1925125 1 WASHER, 3/8
28 166126 1 LEVER ASSEMBLY, Idler
29 1657323 1 PULLEY
30 905123 1 KEY
31 154369 1 SPRING
32 157127 1 SPRING, Cone
33 1922611 1 WASHER

TP 400-2218-00-SV-SMA
© Copyright 1998 Simplicity Manufacturing, Inc. All Rights Reserved.
NOTE: Unless noted otherwise,
use the standard hardware torque
specification chart.
A-SV43008A
The above parts group applies to the following Mfg. Nos.:
1692796 Sov 18HP Hydro
1692798 Sov 18HP Hydro PS
1692845 918H, 18HP Hydro
1692847 918H, 18HP Hydro PS
1692849 2818H 18HP Hydro
1692852 2818H, 18HP Hydro PS
1692889 Sov 75 Anv 18HP OHC Hydro
1692943 Sov 18HP OHC Hydro PS
1692945 Sov 18HP OHC Hydro
1692949 918H, 18HP OHC Hydro PS
1692951 918H, 18HP OHC Hydro
1692953 2818H, 18HP OHC Hydro PS
1692955 2818H, 18HP OHC Hydro
1693144 Sov 18HP OHC Hydro-Exp
1693146 Sov 18HP OHC Hydro PS-Exp
1693148 Sov 75 Anv 18HP OHC-Exp
1693407 Sov 18HP OHC Hydro PS
1693409 Sov 18HP OHC Hydro
1693411 918H, 18HP OHC Hydro PS
1693413 918H, 18HP OHC Hydro
1693415 2818H, 18HP OHC Hydro PS
1693417 2818H, 18HP OHC Hydro
Clutch & Brake Control Group
16

The above parts group applies to the following Mfg. Nos.:
1692796 Sov 18HP Hydro
1692798 Sov 18HP Hydro PS
1692845 918H, 18HP Hydro
1692847 918H, 18HP Hydro PS
1692849 2818H 18HP Hydro
1692852 2818H, 18HP Hydro PS
1692889 Sov 75 Anv 18HP OHC Hydro
1692943 Sov 18HP OHC Hydro PS
1692945 Sov 18HP OHC Hydro
1692949 918H, 18HP OHC Hydro PS
1692951 918H, 18HP OHC Hydro
1692953 2818H, 18HP OHC Hydro PS
1692955 2818H, 18HP OHC Hydro
1693144 Sov 18HP OHC Hydro-Exp
1693146 Sov 18HP OHC Hydro PS-Exp
1693148 Sov 75 Anv 18HP OHC-Exp
1693407 Sov 18HP OHC Hydro PS
1693409 Sov 18HP OHC Hydro
1693411 918H, 18HP OHC Hydro PS
1693413 918H, 18HP OHC Hydro
1693415 2818H, 18HP OHC Hydro PS
1693417 2818H, 18HP OHC Hydro
17
TP 400-2218-00-SV-SMA
REF NO. PART NO. QTY. DESCRIPTION
Footnotes:
Clutch & Brake Control Group
1 1917372 3 NUT, Hex, Full, 5/16-18
2 1928721 1 SETSCREW, 5/16-18 x 1/2
3 166173 1 PULLEY, Drive, Transmission
4 1650502 1 V-BELT, Drive, Transmission
5 166122 1 GUARD ASSEMBLY
6 1650531 1 ROD, Clutch
7 121037 2 SPRING
8 1923362 2 LOCKNUT, Hex, 5/16-18
9 1923358 1 LOCKNUT, Hex, 1/4-20
10 171994 1 END, Rod
11 172108 1 LEVER, Parking Brake
12 1926771 1 CAPSCREW, Hex Hd, 1/4-20 x 1
13 1668419 1 ROD ASSEMBLY
14 1919381 1 WASHER, 5/16
15 157127 1 SPRING, Cone
16 1919326 1 WASHER, 5/16
17 1668737 1 WASHER, Curved, Spring

18
TP 400-2218-00-SV-SMA
© Copyright 1998 Simplicity Manufacturing, Inc. All Rights Reserved.
NOTE: Unless noted otherwise,
use the standard hardware torque
specification chart.
A-SV43009A
The above parts group applies to the following Mfg. Nos.:
1692796 Sov 18HP Hydro
1692798 Sov 18HP Hydro PS
1692845 918H, 18HP Hydro
1692847 918H, 18HP Hydro PS
1692849 2818H 18HP Hydro
1692852 2818H, 18HP Hydro PS
1692889 Sov 75 Anv 18HP OHC Hydro
1692943 Sov 18HP OHC Hydro PS
1692945 Sov 18HP OHC Hydro
1692949 918H, 18HP OHC Hydro PS
1692951 918H, 18HP OHC Hydro
1692953 2818H, 18HP OHC Hydro PS
1692955 2818H, 18HP OHC Hydro
1693144 Sov 18HP OHC Hydro-Exp
1693146 Sov 18HP OHC Hydro PS-Exp
1693148 Sov 75 Anv 18HP OHC-Exp
1693407 Sov 18HP OHC Hydro PS
1693409 Sov 18HP OHC Hydro
1693411 918H, 18HP OHC Hydro PS
1693413 918H, 18HP OHC Hydro
1693415 2818H, 18HP OHC Hydro PS
1693417 2818H, 18HP OHC Hydro
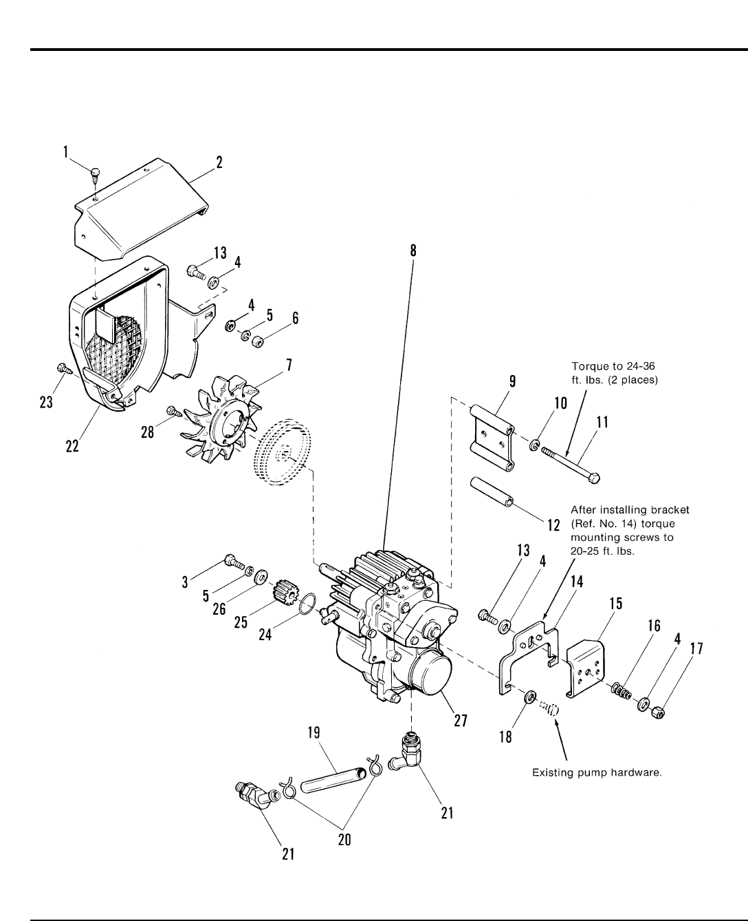
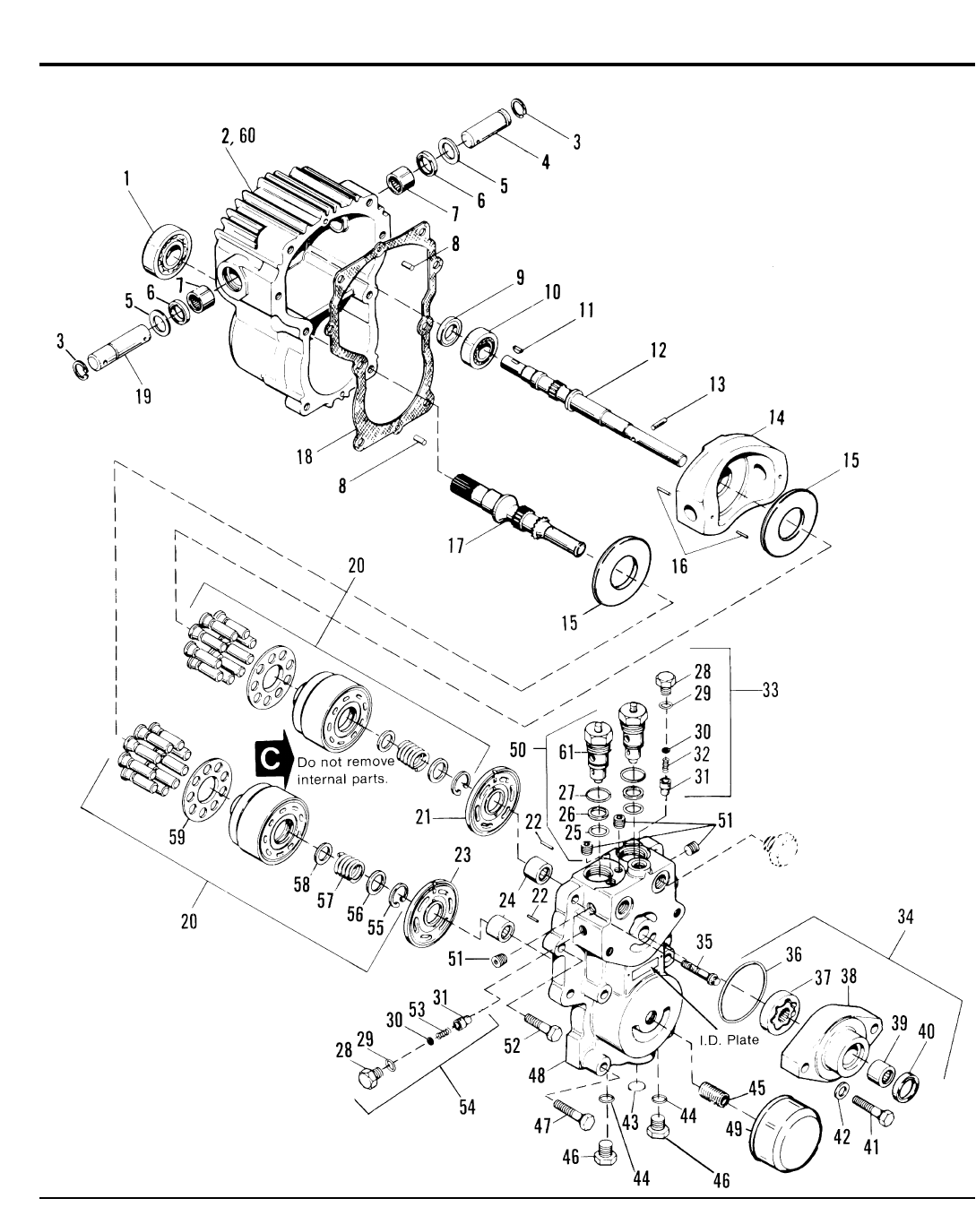
Hydrostatic Pump Group
See Pages 56-59
for Service Parts

The above parts group applies to the following Mfg. Nos.:
1692796 Sov 18HP Hydro
1692798 Sov 18HP Hydro PS
1692845 918H, 18HP Hydro
1692847 918H, 18HP Hydro PS
1692849 2818H 18HP Hydro
1692852 2818H, 18HP Hydro PS
1692889 Sov 75 Anv 18HP OHC Hydro
1692943 Sov 18HP OHC Hydro PS
1692945 Sov 18HP OHC Hydro
1692949 918H, 18HP OHC Hydro PS
1692951 918H, 18HP OHC Hydro
1692953 2818H, 18HP OHC Hydro PS
1692955 2818H, 18HP OHC Hydro
1693144 Sov 18HP OHC Hydro-Exp
1693146 Sov 18HP OHC Hydro PS-Exp
1693148 Sov 75 Anv 18HP OHC-Exp
1693407 Sov 18HP OHC Hydro PS
1693409 Sov 18HP OHC Hydro
1693411 918H, 18HP OHC Hydro PS
1693413 918H, 18HP OHC Hydro
1693415 2818H, 18HP OHC Hydro PS
1693417 2818H, 18HP OHC Hydro
19
TP 400-2218-00-SV-SMA
REF NO. PART NO. QTY. DESCRIPTION
Footnotes:
Hydrostatic Pump Group
1 1923735 4 CAPSCREW, Self-Tapping, #10-3/8
2 178779 1 DEFLECTOR, Shroud
3 1921332 1 CAPSCREW, Hex Hd, 5/16-18 x 3/4
4 1919326 4 WASHER, Plain, 5/16
5 1917356 2 LOCKWASHER, 5/16
6 1917372 1 NUT, Hex, Full, 5/16-18
7 166022 1 FAN, Pulley
8 1671582 1 HYDRO PUMP, (see pages 18 - 21 for service parts)
9 1650633 1 PLATE, Spacer
10 1916965 3 LOCKWASHER, 3/8
11 1925695 3 CAPSCREW, Hex Hd, 3/8-16 x 5
12 1650524 1 SPACER
13 1921333 2 CAPSCREW, Hex Hd, 5/16-18 x 1
14 1651089 1 BRACKET
15 1651090 1 LATCH, Release
16 153010 1 SPRING
17 1923362 1 LOCKNUT, Hex, 5/16-18
18 1960103 2 WASHER
19 1671229 1 HOSE, Inlet
20 930709 2 CLAMP, Hose
21 1671228 2 ELBOW, Hose Fitting 45°
22 1666415 1 SHROUD ASSEMBLY, w/Screen
23 1664847 1 CAPSCREW, Hex Washer Hd, Taptite, 5/16-18 x 3/4
24 1651703 1 O-RING
25 166003 1 PINION, Motor Shaft
26 1933468 1 WASHER
27 1709322 1 FILTER ASSEMBLY
28 1927428 3 CAPSCREW, Hex Hd, Taptite, 1/4-20 x 3/8

20
TP 400-2218-00-SV-SMA
© Copyright 1998 Simplicity Manufacturing, Inc. All Rights Reserved.
NOTE: Unless noted otherwise,
use the standard hardware torque
specification chart.
A-SV43010A
The above parts group applies to the following Mfg. Nos.:
1692796 Sov 18HP Hydro
1692798 Sov 18HP Hydro PS
1692845 918H, 18HP Hydro
1692847 918H, 18HP Hydro PS
1692849 2818H 18HP Hydro
1692852 2818H, 18HP Hydro PS
1692889 Sov 75 Anv 18HP OHC Hydro
1692943 Sov 18HP OHC Hydro PS
1692945 Sov 18HP OHC Hydro
1692949 918H, 18HP OHC Hydro PS
1692951 918H, 18HP OHC Hydro
1692953 2818H, 18HP OHC Hydro PS
1692955 2818H, 18HP OHC Hydro
1693144 Sov 18HP OHC Hydro-Exp
1693146 Sov 18HP OHC Hydro PS-Exp
1693148 Sov 75 Anv 18HP OHC-Exp
1693407 Sov 18HP OHC Hydro PS
1693409 Sov 18HP OHC Hydro
1693411 918H, 18HP OHC Hydro PS
1693413 918H, 18HP OHC Hydro
1693415 2818H, 18HP OHC Hydro PS
1693417 2818H, 18HP OHC Hydro
Hydrostatic Control Group

The above parts group applies to the following Mfg. Nos.:
1692796 Sov 18HP Hydro
1692798 Sov 18HP Hydro PS
1692845 918H, 18HP Hydro
1692847 918H, 18HP Hydro PS
1692849 2818H 18HP Hydro
1692852 2818H, 18HP Hydro PS
1692889 Sov 75 Anv 18HP OHC Hydro
1692943 Sov 18HP OHC Hydro PS
1692945 Sov 18HP OHC Hydro
1692949 918H, 18HP OHC Hydro PS
1692951 918H, 18HP OHC Hydro
1692953 2818H, 18HP OHC Hydro PS
1692955 2818H, 18HP OHC Hydro
1693144 Sov 18HP OHC Hydro-Exp
1693146 Sov 18HP OHC Hydro PS-Exp
1693148 Sov 75 Anv 18HP OHC-Exp
1693407 Sov 18HP OHC Hydro PS
1693409 Sov 18HP OHC Hydro
1693411 918H, 18HP OHC Hydro PS
1693413 918H, 18HP OHC Hydro
1693415 2818H, 18HP OHC Hydro PS
1693417 2818H, 18HP OHC Hydro
21
TP 400-2218-00-SV-SMA
REF NO. PART NO. QTY. DESCRIPTION
Footnotes:
Hydrostatic Control Group
1 1920415 1 CAPSCREW, Hex Hd, 3/8-16 x 1-1/4
2 1921319 1 WASHER, Plain, 1/4
3 1650506 1 SPACER
4 1650874 1 SHAFT ASSEMBLY
5 1650592 1 ROLLER, Cam
6 1650392 1 LINK ASSEMBLY, Control
7 1916964 1 LOCKWASHER, 1/4
8 174896 1 SPRING
9 1916622 1 NUT, Hex, Full, 1/4-20
10 916937 1 PIN, Roll, 1/4 x 1-1/4
11 1913744 1 LOCKNUT, Hex, Jam, 1/2-13
12 927794 1 RING, Retaining
13 1664204 2 SHIM (as required)
14 1650872 1 NUT, Adjusting
15 1650621 1 BOLT, Shoulder
16 1917372 2 NUT, Hex, Full, 5/16-18
17 1917356 2 LOCKWASHER, 5/16
18 1650401 1 BRACKET, Pivot
19 1960085 2 CAPSCREW, Special Hex Hd
20 919180 2 PIN, Roll, 1/8 x 5/8
21 1922755 4 WASHER, 13/32
22 1923358 2 LOCKNUT, Hex, 1/4-20
23 1650713 1 PLATE, Guide
24 1650347 1 SPRING
25 1922755 4 WASHER, 3/8
26 1930645 2 NUT, Hex Flange, Whiz Lock, 3/8-16
27 1921961 2 CAPSCREW, Hex Hd, 1/4-20 x 1-1/4
28 1650712 1 GUIDE, Control Rod
29 1650715 1 ROD ASSEMBLY, Control
30 1708298 1 PlN
31 1918447 1 PIN, Cotter, 3/32 x 3/4
32 1650358 1 LINK
33 1665251 1 SPACER
34 168025 2 WASHER, Spring
35 1663114 2 BUSHING
36 1665257 1 LEVER ASSEMBLY, Control
37 1650360 1 QUADRANT
38 1931648 2 CAPSCREW, Hex Flange Hd, Whiz Lock, 5/16-18 x 1/2
39 1960106 1 CAPSCREW, Hex Washer Hd, Plastite, 1/4-20 x 1
40 1713847 1 KNOB
41 1919439 1 LOCKNUT, Nylon, 3/8-16

22
TP 400-2218-00-SV-SMA
© Copyright 1998 Simplicity Manufacturing, Inc. All Rights Reserved.
NOTE: Unless noted otherwise,
use the standard hardware torque
specification chart.
A-SV43011A
The above parts group applies to the following Mfg. Nos.:
1692796 Sov 18HP Hydro
1692798 Sov 18HP Hydro PS
1692845 918H, 18HP Hydro
1692847 918H, 18HP Hydro PS
1692849 2818H 18HP Hydro
1692852 2818H, 18HP Hydro PS
1692889 Sov 75 Anv 18HP OHC Hydro
1692943 Sov 18HP OHC Hydro PS
1692945 Sov 18HP OHC Hydro
1692949 918H, 18HP OHC Hydro PS
1692951 918H, 18HP OHC Hydro
1692953 2818H, 18HP OHC Hydro PS
1692955 2818H, 18HP OHC Hydro
1693144 Sov 18HP OHC Hydro-Exp
1693146 Sov 18HP OHC Hydro PS-Exp
1693148 Sov 75 Anv 18HP OHC-Exp
1693407 Sov 18HP OHC Hydro PS
1693409 Sov 18HP OHC Hydro
1693411 918H, 18HP OHC Hydro PS
1693413 918H, 18HP OHC Hydro
1693415 2818H, 18HP OHC Hydro PS
1693417 2818H, 18HP OHC Hydro
Transmission Group

The above parts group applies to the following Mfg. Nos.:
1692796 Sov 18HP Hydro
1692798 Sov 18HP Hydro PS
1692845 918H, 18HP Hydro
1692847 918H, 18HP Hydro PS
1692849 2818H 18HP Hydro
1692852 2818H, 18HP Hydro PS
1692889 Sov 75 Anv 18HP OHC Hydro
1692943 Sov 18HP OHC Hydro PS
1692945 Sov 18HP OHC Hydro
1692949 918H, 18HP OHC Hydro PS
1692951 918H, 18HP OHC Hydro
1692953 2818H, 18HP OHC Hydro PS
1692955 2818H, 18HP OHC Hydro
1693144 Sov 18HP OHC Hydro-Exp
1693146 Sov 18HP OHC Hydro PS-Exp
1693148 Sov 75 Anv 18HP OHC-Exp
1693407 Sov 18HP OHC Hydro PS
1693409 Sov 18HP OHC Hydro
1693411 918H, 18HP OHC Hydro PS
1693413 918H, 18HP OHC Hydro
1693415 2818H, 18HP OHC Hydro PS
1693417 2818H, 18HP OHC Hydro
23
TP 400-2218-00-SV-SMA
REF NO. PART NO. QTY. DESCRIPTION
Footnotes:
A. Mask hydrostatic mounting surface and cover hole prior to painting.
B. Use gasket eliminator and place 1/8 inch bad all around. Make sure O-ring on pilot bearing stas in place unill
assy. is complete. After contact is made with gasket material, complete assy. without smearing gasket
material.
C. Clean mating surface with LocQuic primer NF by spraying & wiping with a clean cloth to remove
contamination. If part is assembled within 30 minutes no additional treatment is required. Otherwise
spray thin film onto surface. Permit to visibly dry.
Transmission Group
1 1917372 2 NUT, Hex, Full, 5/16-18
2 1917356 11 LOCKWASHER, 5/16
3 1667171 1 SUPPORT, Spring
4 1921333 7 CAPSCREW, Hex Hd, 5/16-18 x 1
5 901652 1 PLUG, Pipe
6 154269 2 SEAL
7 1650429 1 GEAR CASE ASSEMBLY, (Incl. Ref. Nos. 10, Qty 1; 28, Qty 1 & 37)
8 1932849 1 LOCKNUT, 3/8, Rigid Conduit
9 1927609 2 PIN, Roll, 3/8 x 1
10 1652469 2 BEARING
11 154097 4 WASHER
12 166041 1 SPACER, Axle, L.H.
13 1670857 1 GEAR, Drive
14 166017 1 RING, Retaining
15 1960184 2 WASHER
16 176236 1 PINION & SHAFT ASSEMBLY
17 166012 1 SHAFT, Intermediate
18 166043 1 GASKET
19 1653120 2 BUSHING
20 1673801 1 TUBE ASSEMBLY, Axle (Incl. Ref. No. 19)
21 154096 2 KEY
22 912808 1 FITTING, Grease
23 1650427 1 COVER ASSEMBLY, Grease Case (Incl. Ref. Nos. 10, Qty 1; 27 & 28,
Qty 1)
24 1673452 1 PLUG, Pipe
25 154268 2 RING, Retaining
26 166021 1 SEAL
27 166019 1 BEARING
28 166018 2 BEARING, Needle
29 960187 1 WASHER
30 1650775 1 SHAFT, Brake
31 166014 1 KEY
32 1651078 1 WASHER
33 960183 2 WASHER
34 176243 1 PINION
35 176980 2 RING, Retaining
36 166004 1 GEAR
37 154271 1 BEARING, Needle
38 1673453 1 ELBOW, Street
39 901493 1 NIPPLE, Pipe
40 1667346 1 CAP, Pipe
41 172899 1 VALVE, Relief
42 901825 1 BUSHING, Pipe
43 901677 1 ELBOW, Pipe
44 901480 1 NIPPLE, Pipe
45 1921978 4 CAPSCREW, Hex Hd, 5/16-18 x 2
46 166040 1 SPACER, Axle, R.H.

24
TP 400-2218-00-SV-SMA
© Copyright 1998 Simplicity Manufacturing, Inc. All Rights Reserved.
A-SV43012A
The above parts group applies to the following Mfg. Nos.:
1692796 Sov 18HP Hydro
1692798 Sov 18HP Hydro PS
1692845 918H, 18HP Hydro
1692847 918H, 18HP Hydro PS
1692849 2818H 18HP Hydro
1692852 2818H, 18HP Hydro PS
1692889 Sov 75 Anv 18HP OHC Hydro
1692943 Sov 18HP OHC Hydro PS
1692945 Sov 18HP OHC Hydro
1692949 918H, 18HP OHC Hydro PS
1692951 918H, 18HP OHC Hydro
1692953 2818H, 18HP OHC Hydro PS
1692955 2818H, 18HP OHC Hydro
1693144 Sov 18HP OHC Hydro-Exp
1693146 Sov 18HP OHC Hydro PS-Exp
1693148 Sov 75 Anv 18HP OHC-Exp
1693407 Sov 18HP OHC Hydro PS
1693409 Sov 18HP OHC Hydro
1693411 918H, 18HP OHC Hydro PS
1693413 918H, 18HP OHC Hydro
1693415 2818H, 18HP OHC Hydro PS
1693417 2818H, 18HP OHC Hydro
PTO Control & Cone Clutch Group
NOTE: Unless noted otherwise,
use the standard hardware torque
specification chart.

The above parts group applies to the following Mfg. Nos.:
1692796 Sov 18HP Hydro
1692798 Sov 18HP Hydro PS
1692845 918H, 18HP Hydro
1692847 918H, 18HP Hydro PS
1692849 2818H 18HP Hydro
1692852 2818H, 18HP Hydro PS
1692889 Sov 75 Anv 18HP OHC Hydro
1692943 Sov 18HP OHC Hydro PS
1692945 Sov 18HP OHC Hydro
1692949 918H, 18HP OHC Hydro PS
1692951 918H, 18HP OHC Hydro
1692953 2818H, 18HP OHC Hydro PS
1692955 2818H, 18HP OHC Hydro
1693144 Sov 18HP OHC Hydro-Exp
1693146 Sov 18HP OHC Hydro PS-Exp
1693148 Sov 75 Anv 18HP OHC-Exp
1693407 Sov 18HP OHC Hydro PS
1693409 Sov 18HP OHC Hydro
1693411 918H, 18HP OHC Hydro PS
1693413 918H, 18HP OHC Hydro
1693415 2818H, 18HP OHC Hydro PS
1693417 2818H, 18HP OHC Hydro
25
TP 400-2218-00-SV-SMA
REF NO. PART NO. QTY. DESCRIPTION
Footnotes:
PTO Control & Cone Clutch Group
1 1715435 1 SPRING, Tension
2 1923701 1 CAPSCREW, Hex Hd, 3/8-16 x 2
3 1671424 1 ROD, Tension
4 164155 1 HANDLE ASSEMBLY
5 1923362 1 LOCKNUT, Hex, 5/16-18
6 1924058 1 LOCKNUT, Hex, 7/16-14
7 1931353 1 CARRIAGE BOLT, 3/8-16 x 1-3/4
8 1667811 1 SPACER
9 1666294 1 SPACER
10 1665440 1 PULLEY ASSEMBLY, w/ Bearings
11 1924940 2 WASHER, Plain, 3/8
12 1667812 1 SPACER
13 1930647 1 NUT, Pal
14 177522 1 SWITCH, Interlock
15 1713843 1 KNOB
16 1713854 1 HANDLE, PTO, Clutch
17 173991 1 LEVER
18 1930651 1 LOCKNUT, Hex, 3/8-16
19 1671323 1 ROD ASSEMBLY, Control
20 1960072 1 CAPSCREW, Hex Hd, 5/16-18 x 7/8
21 157127 1 SPRING
22 1917372 2 NUT, Hex, Full, 5/16-18
23 1916950 2 NUT, Hex, Full, 3/8-16
24 1916965 2 LOCKWASHER, 3/8
25 1606554 1 PULLEY, Idler
26 1703805 1 KLIPRING, 1/2
27 1704505 1 BUSHING
28 157273 1 STUD
29 920036 4 CAPSCREW, Socket Hd., 1/4-20 x 5/8
30 173957 1 DISC, Brake
31 1960086 2 CAPSCREW, Thread Forming
32 1917356 2 LOCKWASHER, 5/16
33 171371 2 SPACER
34 1650906 1 PIVOT ASSEMBLY
35 172206 2 RING, Retaining
36 1671339 2 GUIDE, Spring
37 171772 1 SPRING
38 1650254 1 BEARING ASSEMBLY
39 1650304 1 PULLEY
40 174862 1 PLATE ASSEMBLY, Clutch
41 905123 1 KEY
42 1922133 1 LOCKNUT, Hex, 3/4-16
43 1666781 1 ARM ASSEMBLY, Pivot
44 1918459 1 PIN, Cotter, 3/16 x 1-1/2
45 1960020 1 WASHER

26
TP 400-2218-00-SV-SMA
© Copyright 1998 Simplicity Manufacturing, Inc. All Rights Reserved.
NOTE: Unless noted otherwise,
use the standard hardware torque
specification chart.
A-SV43013A
The above parts group applies to the following Mfg. Nos.:
1692796 Sov 18HP Hydro
1692798 Sov 18HP Hydro PS
1692845 918H, 18HP Hydro
1692847 918H, 18HP Hydro PS
1692849 2818H 18HP Hydro
1692852 2818H, 18HP Hydro PS
1692889 Sov 75 Anv 18HP OHC Hydro
1692943 Sov 18HP OHC Hydro PS
1692945 Sov 18HP OHC Hydro
1692949 918H, 18HP OHC Hydro PS
1692951 918H, 18HP OHC Hydro
1692953 2818H, 18HP OHC Hydro PS
1692955 2818H, 18HP OHC Hydro
1693144 Sov 18HP OHC Hydro-Exp
1693146 Sov 18HP OHC Hydro PS-Exp
1693148 Sov 75 Anv 18HP OHC-Exp
1693407 Sov 18HP OHC Hydro PS
1693409 Sov 18HP OHC Hydro
1693411 918H, 18HP OHC Hydro PS
1693413 918H, 18HP OHC Hydro
1693415 2818H, 18HP OHC Hydro PS
1693417 2818H, 18HP OHC Hydro
Hydraulic Lift Group
See Page 60
For Service
Parts

The above parts group applies to the following Mfg. Nos.:
1692796 Sov 18HP Hydro
1692798 Sov 18HP Hydro PS
1692845 918H, 18HP Hydro
1692847 918H, 18HP Hydro PS
1692849 2818H 18HP Hydro
1692852 2818H, 18HP Hydro PS
1692889 Sov 75 Anv 18HP OHC Hydro
1692943 Sov 18HP OHC Hydro PS
1692945 Sov 18HP OHC Hydro
1692949 918H, 18HP OHC Hydro PS
1692951 918H, 18HP OHC Hydro
1692953 2818H, 18HP OHC Hydro PS
1692955 2818H, 18HP OHC Hydro
1693144 Sov 18HP OHC Hydro-Exp
1693146 Sov 18HP OHC Hydro PS-Exp
1693148 Sov 75 Anv 18HP OHC-Exp
1693407 Sov 18HP OHC Hydro PS
1693409 Sov 18HP OHC Hydro
1693411 918H, 18HP OHC Hydro PS
1693413 918H, 18HP OHC Hydro
1693415 2818H, 18HP OHC Hydro PS
1693417 2818H, 18HP OHC Hydro
27
TP 400-2218-00-SV-SMA
REF NO. PART NO. QTY. DESCRIPTION
Hydraulic Lift Group
1 1667408 2 HOSE, Hydraulic
2 172320 1 FITTING, Elbow, 45°
3 1960033 2 CLIP, Hairpin
4 919766 1 CONNECTOR, 37° Male
5 171690 2 PIN
6 1685347 1 CYLINDER (Includes Fitting, Ref. No. 2)
7 928812 2 ELBOW, Adjustable, 37°
8 1928731 1 LOCKNUT, Hex, Jam, 3/8-16
9 174723 2 GUARD, Cable
10 157081 1 SPACER
11 172725 1 PULLEY
12 1708298 2 PIN
13 1918196 1 CLIP, Spring
14 1960106 1 CAPSCREW, Hex Washer Hd, Plastite, 1/4-20 x 1
15 1713847 1 KNOB
16 1923683 4 CAPSCREW, Hex. Washer Hd, Taptite 3/8-16 x 3/4
17 1667270 1 LEVER ASSEMBLY
18 1921963 2 CAPSCREW, Hex Hd, 1/4-20 x 2
19 1667437 1 TUBE ASSEMBLY (Manual Steer Models Only)
20 1675789 2 FITTING, Hydraulic
21 1668883 1 TUBE ASSEMBLY (Manual Steer Models Only)
22 1668882 1 TUBE ASSEMBLY (Manual Steer Models Only)
23 1916964 2 LOCKWASHER, 1/4
24 1708007 2 CLAMP
25 1921961 1 CAPSCREW, Hex Hd, 1/4-20 x 1-1/4
26 108186 1 CLIP
27 1921319 7 WASHER, Plain, 1/4
28 1916622 2 NUT, Hex, Full, 1/4-20
29 1708009 1 CONTROL VALVE ASSEMBLY (See following 2 pages for service parts)
30 1718681 1 LINK, Connecting, #50
31 1919439 1 NUT, Hex Nylon Lock, 3/8-16
32 1960294 2 NUT, Hex Flange, Whiz Lock, 1/4-20
33 1924940 1 WASHER, Plain, 3/8
34 1667269 1 SUPPORT ASSEMBLY
35 1960032 1 CAPSCREW, Hex Hd, 3/8-16 x 1-1/4
36 1673700 1 CABLE ASSEMBLY
37 1667261 1 BELLCRANK
38 1667435 1 TUBE ASSEMBLY (Manual Steer Models Only)
39 1918447 1 PIN, Cotter, 3/32 x 3/4
40 923905 2 FITTING, Hydraulic (Manual Steer Models Only)
Footnotes:
Assembly Notes: Take specail care that no dirt or foreign material is allowed to enter hydraulic circuit during
assembly of fittings.
1. To install swivel fittings (Ref. No. 20), first lubricate the O-ring with light oil. Then turn swivel nut until O-
ring is seated. Turn fitting by hand to align with tube nut.
2. To install tubes, first align threaded fitting with tube nut. Then thread nut onto fitting and tighten. Hold fit-
ting and tuirn nut with wrench to seal joint.

28
TP 400-2218-00-SV-SMA
© Copyright 1998 Simplicity Manufacturing, Inc. All Rights Reserved.
NOTE: Unless noted otherwise,
use the standard hardware torque
specification chart.
A-SV43014A
The above parts group applies to the following Mfg. Nos.:
1692796 Sov 18HP Hydro
1692798 Sov 18HP Hydro PS
1692845 918H, 18HP Hydro
1692847 918H, 18HP Hydro PS
1692849 2818H 18HP Hydro
1692852 2818H, 18HP Hydro PS
1692889 Sov 75 Anv 18HP OHC Hydro
1692943 Sov 18HP OHC Hydro PS
1692945 Sov 18HP OHC Hydro
1692949 918H, 18HP OHC Hydro PS
1692951 918H, 18HP OHC Hydro
1692953 2818H, 18HP OHC Hydro PS
1692955 2818H, 18HP OHC Hydro
1693144 Sov 18HP OHC Hydro-Exp
1693146 Sov 18HP OHC Hydro PS-Exp
1693148 Sov 75 Anv 18HP OHC-Exp
1693407 Sov 18HP OHC Hydro PS
1693409 Sov 18HP OHC Hydro
1693411 918H, 18HP OHC Hydro PS
1693413 918H, 18HP OHC Hydro
1693415 2818H, 18HP OHC Hydro PS
1693417 2818H, 18HP OHC Hydro
Bevel Gear & Side Plate Group
Coat with Locktite

The above parts group applies to the following Mfg. Nos.:
1692796 Sov 18HP Hydro
1692798 Sov 18HP Hydro PS
1692845 918H, 18HP Hydro
1692847 918H, 18HP Hydro PS
1692849 2818H 18HP Hydro
1692852 2818H, 18HP Hydro PS
1692889 Sov 75 Anv 18HP OHC Hydro
1692943 Sov 18HP OHC Hydro PS
1692945 Sov 18HP OHC Hydro
1692949 918H, 18HP OHC Hydro PS
1692951 918H, 18HP OHC Hydro
1692953 2818H, 18HP OHC Hydro PS
1692955 2818H, 18HP OHC Hydro
1693144 Sov 18HP OHC Hydro-Exp
1693146 Sov 18HP OHC Hydro PS-Exp
1693148 Sov 75 Anv 18HP OHC-Exp
1693407 Sov 18HP OHC Hydro PS
1693409 Sov 18HP OHC Hydro
1693411 918H, 18HP OHC Hydro PS
1693413 918H, 18HP OHC Hydro
1693415 2818H, 18HP OHC Hydro PS
1693417 2818H, 18HP OHC Hydro
29
TP 400-2218-00-SV-SMA
REF NO. PART NO. QTY. DESCRIPTION
Footnotes:
Bevel Gear & Side Plate Group
1 1920677 6 CAPSCREW, Hex Hd, 7/16-14 x 1-1/4
2 1918199 12 LOCKWASHER, 7/16
3 1650414 1 PLATE, Side, R.H.
4 1922133 1 LOCKNUT, Hex, Jam, 3/4-16
5 171792 1 SPACER
6 171790 5 SHIM
7 171791 1 SHIM
8 1685088 1 REPAIR KIT, Seal
9 1663111 1 SPACER, Seal, Oil
10 1685088 1 REPAIR KIT, Seal (Incl. Ref. Nos. 8 & 9)
11 172256 2 BEARING, Ball
12 154282 1 GASKET
13 178104 1 COVER
14 1922133 3 NUT, Hex, 7/16-14 x 1
15 1921959 6 CAPSCREW, Hex Hd, 1/4-20 x 5/8
16 1671667 1 PLATE ASSEMBLY, Side, L.H.
17 905123 2 KEY, Woodruff, #9
18 1685054 1 SHAFT, Driven (Incl. Ref. Nos. 4 & 17)
19 172206 2 RING, Retaining
20 171796 1 GEAR, Bevel, Driven
21 118117 2 SEAL, Oil
22 154279 2 BEARING, Needle
23 172750 1 SHAFT, Driver
24 154040 1 PLATE, Bearing, Clamp
25 1917356 1 LOCKWASHER, 5/16
26 1925205 1 CAPSCREW, Hex Hd, 5/16-18 x 5/8
27 1961022 1 CAPSCREW, Hex Hd, 5/16-18 x 3/4
28 177649 2 WASHER
29 172752 1 GEAR, Bevel, Driver
30 172753 1 WASHER
31 178105 1 PLUG ASSEMBLY
32 1656877 1 HOUSING, Bevel Gear
33 1920676 6 CAPSCREW, Hex Hd, 7/16-14 x 1
34 1916964 6 LOCKWASHER, 1/4, I.D.
35 176111 1 “O” RING

30
TP 400-2218-00-SV-SMA
© Copyright 1998 Simplicity Manufacturing, Inc. All Rights Reserved.
NOTE: Unless noted otherwise,
use the standard hardware torque
specification chart.
A-SV43015A
The above parts group applies to the following Mfg. Nos.:
1692796 Sov 18HP Hydro
1692798 Sov 18HP Hydro PS
1692845 918H, 18HP Hydro
1692847 918H, 18HP Hydro PS
1692849 2818H 18HP Hydro
1692852 2818H, 18HP Hydro PS
1692889 Sov 75 Anv 18HP OHC Hydro
1692943 Sov 18HP OHC Hydro PS
1692945 Sov 18HP OHC Hydro
1692949 918H, 18HP OHC Hydro PS
1692951 918H, 18HP OHC Hydro
1692953 2818H, 18HP OHC Hydro PS
1692955 2818H, 18HP OHC Hydro
1693144 Sov 18HP OHC Hydro-Exp
1693146 Sov 18HP OHC Hydro PS-Exp
1693148 Sov 75 Anv 18HP OHC-Exp
1693407 Sov 18HP OHC Hydro PS
1693409 Sov 18HP OHC Hydro
1693411 918H, 18HP OHC Hydro PS
1693413 918H, 18HP OHC Hydro
1693415 2818H, 18HP OHC Hydro PS
1693417 2818H, 18HP OHC Hydro
Draw Bar Group

The above parts group applies to the following Mfg. Nos.:
1692796 Sov 18HP Hydro
1692798 Sov 18HP Hydro PS
1692845 918H, 18HP Hydro
1692847 918H, 18HP Hydro PS
1692849 2818H 18HP Hydro
1692852 2818H, 18HP Hydro PS
1692889 Sov 75 Anv 18HP OHC Hydro
1692943 Sov 18HP OHC Hydro PS
1692945 Sov 18HP OHC Hydro
1692949 918H, 18HP OHC Hydro PS
1692951 918H, 18HP OHC Hydro
1692953 2818H, 18HP OHC Hydro PS
1692955 2818H, 18HP OHC Hydro
1693144 Sov 18HP OHC Hydro-Exp
1693146 Sov 18HP OHC Hydro PS-Exp
1693148 Sov 75 Anv 18HP OHC-Exp
1693407 Sov 18HP OHC Hydro PS
1693409 Sov 18HP OHC Hydro
1693411 918H, 18HP OHC Hydro PS
1693413 918H, 18HP OHC Hydro
1693415 2818H, 18HP OHC Hydro PS
1693417 2818H, 18HP OHC Hydro
31
TP 400-2218-00-SV-SMA
REF NO. PART NO. QTY. DESCRIPTION
Footnotes:
Draw Bar Group
1 1923027 1 CAPSCREW, Hex Hd, 7/16-14 x 1-3/4
2 1918199 6 LOCKWASHER, 7/16
3 166072 1 BAR ASSEMBLY, Upright
4 166110 1 SPACER
5 166206 1 BAR ASSEMBLY,Upright
6 1920677 3 CAPSCREW, Hex Hd, 7/16-14 x 1-1/4
7 1926110 2 CAPSCREW, Hex Hd, 7/16-14 x 2-3/4
8 166074 1 BAR ASSEMBLY, Draw
9 1608759 2 SPACER
10 166075 1 PLATE
11 1918213 4 NUT, Hex, Full, 7/16-14

32
TP 400-2218-00-SV-SMA
© Copyright 1998 Simplicity Manufacturing, Inc. All Rights Reserved.
NOTE: Unless noted otherwise,
use the standard hardware torque
specification chart.
A-SV43016A
The above parts group applies to the following Mfg. Nos.:
1692796 Sov 18HP Hydro
1692798 Sov 18HP Hydro PS
1692845 918H, 18HP Hydro
1692847 918H, 18HP Hydro PS
1692849 2818H 18HP Hydro
1692852 2818H, 18HP Hydro PS
1692889 Sov 75 Anv 18HP OHC Hydro
1692943 Sov 18HP OHC Hydro PS
1692945 Sov 18HP OHC Hydro
1692949 918H, 18HP OHC Hydro PS
1692951 918H, 18HP OHC Hydro
1692953 2818H, 18HP OHC Hydro PS
1692955 2818H, 18HP OHC Hydro
1693144 Sov 18HP OHC Hydro-Exp
1693146 Sov 18HP OHC Hydro PS-Exp
1693148 Sov 75 Anv 18HP OHC-Exp
1693407 Sov 18HP OHC Hydro PS
1693409 Sov 18HP OHC Hydro
1693411 918H, 18HP OHC Hydro PS
1693413 918H, 18HP OHC Hydro
1693415 2818H, 18HP OHC Hydro PS
1693417 2818H, 18HP OHC Hydro
Rear Axle & Differential Group

The above parts group applies to the following Mfg. Nos.:
1692796 Sov 18HP Hydro
1692798 Sov 18HP Hydro PS
1692845 918H, 18HP Hydro
1692847 918H, 18HP Hydro PS
1692849 2818H 18HP Hydro
1692852 2818H, 18HP Hydro PS
1692889 Sov 75 Anv 18HP OHC Hydro
1692943 Sov 18HP OHC Hydro PS
1692945 Sov 18HP OHC Hydro
1692949 918H, 18HP OHC Hydro PS
1692951 918H, 18HP OHC Hydro
1692953 2818H, 18HP OHC Hydro PS
1692955 2818H, 18HP OHC Hydro
1693144 Sov 18HP OHC Hydro-Exp
1693146 Sov 18HP OHC Hydro PS-Exp
1693148 Sov 75 Anv 18HP OHC-Exp
1693407 Sov 18HP OHC Hydro PS
1693409 Sov 18HP OHC Hydro
1693411 918H, 18HP OHC Hydro PS
1693413 918H, 18HP OHC Hydro
1693415 2818H, 18HP OHC Hydro PS
1693417 2818H, 18HP OHC Hydro
33
TP 400-2218-00-SV-SMA
REF NO. PART NO. QTY. DESCRIPTION
Footnotes:
* Differential sub-assembly 1650519 includes these parts.
Rear Axle & Differential Group
*1 162085 8 SPRING
*2 158579 8 PINION, Differential
*3 121083 8 SPINDLE, Differential
*4 121190 1 SEAL, Cover
*5 1921972 8 CAPSCREW, Hex Hd, 3/8-16 x 2-1/2
*6 171517 2 RING, Spacer
7 960169 1 WASHER
8 154291 1 RING, Retaining
9 157120 2 KEY, Drive
10 177041 1 GEAR, Differential
11 960190 2 WASHER
*12 171853 1 COVER, Differential
*13 164217 1 CARRIER, Differential
*14 1930651 8 LOCKNUT, Hex, 3/8-16
*15 1916622 6 NUT, Hex, Full, 1/4-20
*16 1916964 6 LOCKWASHER, 1/4
17 177900 1 AXLE ASSEMBLY, Rear
18 154065 2 COLLAR, Set
19 1928721 4 SETSCREW, 5/16-18 x 1/2
20 1960155 1 WASHER
21 930671 2 KEY, Hi-Pro
22 153068 2 BEARING
23 176945 1 HUB ASSEMBLY, Wheel, R.H.
24 915019 1 FITTING, Grease
*25 171854 1 COVER, Differential
*26 1921959 6 CAPSCREW, Hex Hd, 1/4-20 x 5/8
27 1650519 1 DIFFERENTIAL SUB-ASSY. (See Note Below)

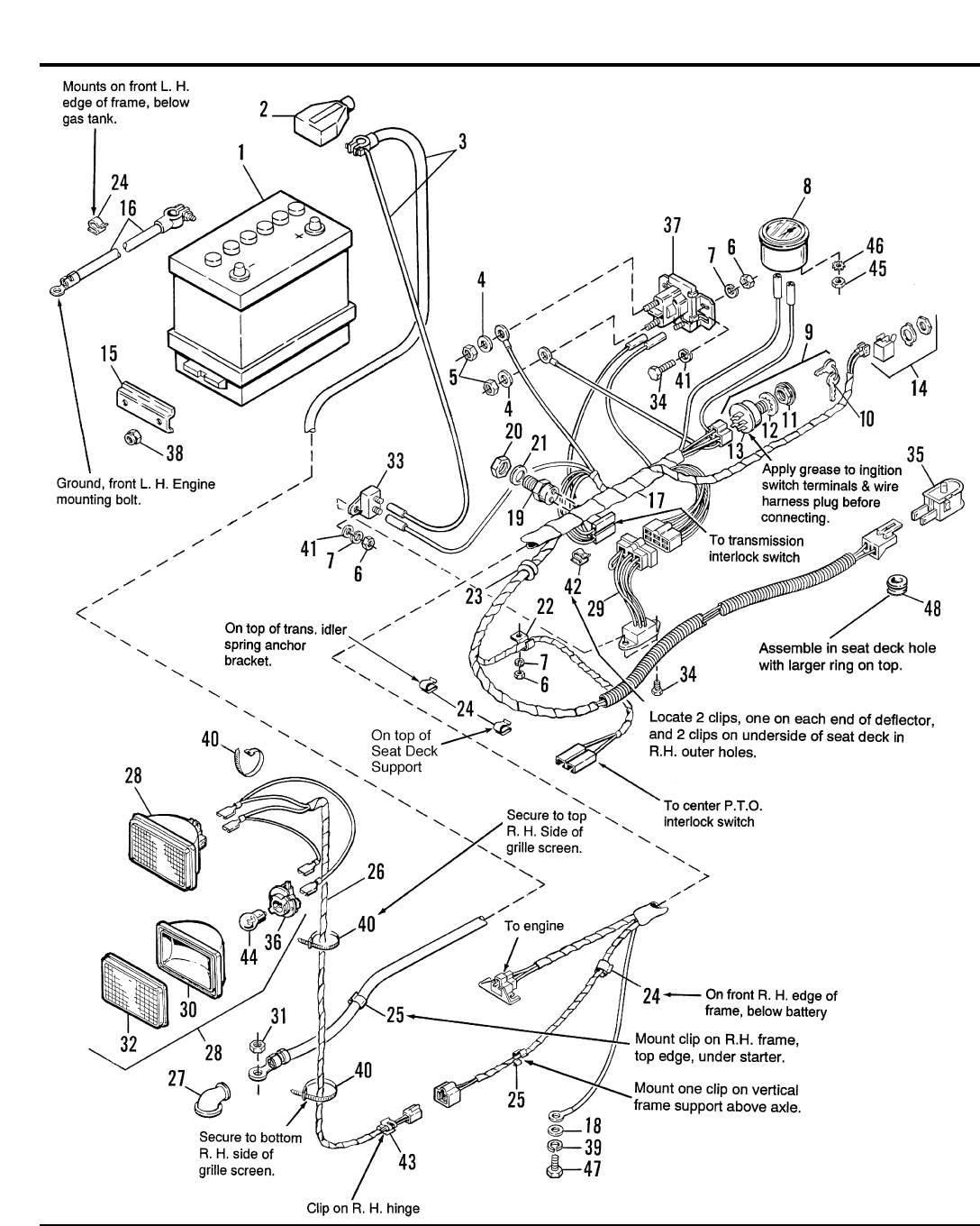
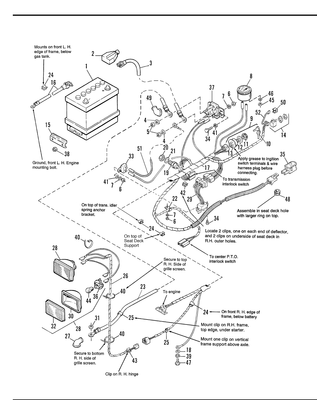
Electrical Group - Early Models
34
TP 400-2218-00-SV-SMA
© Copyright 1998 Simplicity Manufacturing, Inc. All Rights Reserved.
A-SV43017A
The above parts group applies to the following Mfg. Nos.:
1692796 Sov 18HP Hydro
1692798 Sov 18HP Hydro PS
1692845 918H, 18HP Hydro
1692847 918H, 18HP Hydro PS
1692849 2818H 18HP Hydro
1692852 2818H, 18HP Hydro PS

Electrical Group - Early Models
35
TP 400-2218-00-SV-SMA
REF NO. PART NO. QTY. DESCRIPTION
Footnotes:
* Not serviced separately.
The above parts group applies to the following Mfg. Nos.:
1692796 Sov 18HP Hydro
1692798 Sov 18HP Hydro PS
1692845 918H, 18HP Hydro
1692847 918H, 18HP Hydro PS
1692849 2818H 18HP Hydro
1692852 2818H, 18HP Hydro PS
1 1685058 1 BATTERY, Incl. decal,
2 1713534 1 INSULATOR, Battery Terminal
3 1708730 1 CABLE, Battery to Solenoid
4 1917356 2 LOCKWASHER, 5/16
5 1920263 2 NUT, Hex, 5/16-24
6 1916622 3 NUT, Hex, Full, 1/4-20
7 1916964 4 LOCKWASHER, 1/4
8 1603189 1 AMMETER
9 1686637 1 IGNITION SWITCH KIT (Incl. Ref. Nos. 10, 11, 12 & 13)
10 1714054 1 KEY
11 1714055 1 NUT, Adapter
12 1960547 1 LOCKWASHER, Int., 5/8
13 * 1 SWITCH, Ignition
14 122184 1 SWITCH, Toggle
15 171225 1 CLAMP
16 1714647 1 CABLE (Battery to Ground)
17 1708734 1 HARNESS ASSEMBLY
18 1925125 1 WASHER, 15/32
19 177522 1 SWITCH, Interlock, Ball
20 1930647 1 NUT, Pal
21 1926192 1 WASHER, 9/16
22 1932771 1 CLIP, Cable
23 1717970 1 GROMMET, Rubber
24 172434 4 CLIP, Tinnerman
25 172436 3 CLIP, Tinnerman
26 1674358 1 WIRE ASSEMBLY
27 1713535 1 INSULATOR, Terminal Boot
28 1674363 2 HEADLIGHT ASSEMBLY
29 1707755 1 MODULE, Interlock
30 * 2 REFLECTOR, Housing
31 1960433 1 NUT, Hex Flange, M8 - 125
32 1677368 2 LENS, Clear
33 1665238 1 BREAKER, Circuit
34 1923341 2 CAPSCREW, Hex Hd, 1/4-20 x 3/4
35 1704379 1 SWITCH, Interlock, Seat
36 1677370 1 SOCKET, Bulb
37 1685290 1 SOLENOID, Starter
38 1919438 2 NUT, Elastic, 5/16-18
39 1918199 1 LOCKWASHER, 7/16
40 932747 3 TIE
41 1921319 3 WASHER, Special, 1/4
42 934683 4 CLIP, Wire
43 165073 1 CLIP, Speed Cable
44 1677371 1 BULB
45 1917415 1 NUT, Hex, #10-32
46 1922711 1 LOCKWASHER, Ext. Tooth
47 1920676 1 CAPSCREW, Hex Hd, 7/16-14 x 1
48 1701229 1 BUSHING, Snap

Electrical Group - Later Models
36
TP 400-2218-00-SV-SMA
© Copyright 1998 Simplicity Manufacturing, Inc. All Rights Reserved.
NOTE: Unless noted otherwise,
use the standard hardware torque
specification chart.
A-SV43018A
The above parts group applies to the following Mfg. Nos.:
1692889 Sov 75 Anv 18HP OHC Hydro
1692943 Sov 18HP OHC Hydro PS
1692945 Sov 18HP OHC Hydro
1692949 918H, 18HP OHC Hydro PS
1692951 918H, 18HP OHC Hydro
1692953 2818H, 18HP OHC Hydro PS
1692955 2818H, 18HP OHC Hydro
1693144 Sov 18HP OHC Hydro-Exp
1693146 Sov 18HP OHC Hydro PS-Exp
1693148 Sov 75 Anv 18HP OHC-Exp
1693407 Sov 18HP OHC Hydro PS
1693409 Sov 18HP OHC Hydro
1693411 918H, 18HP OHC Hydro PS
1693413 918H, 18HP OHC Hydro
1693415 2818H, 18HP OHC Hydro PS
1693417 2818H, 18HP OHC Hydro

Electrical Group - Later Models
37
TP 400-2218-00-SV-SMA
REF NO. PART NO. QTY. DESCRIPTION
The above parts group applies to the following Mfg. Nos.:
1692889 Sov 75 Anv 18HP OHC Hydro
1692943 Sov 18HP OHC Hydro PS
1692945 Sov 18HP OHC Hydro
1692949 918H, 18HP OHC Hydro PS
1692951 918H, 18HP OHC Hydro
1692953 2818H, 18HP OHC Hydro PS
1692955 2818H, 18HP OHC Hydro
1693144 Sov 18HP OHC Hydro-Exp
1693146 Sov 18HP OHC Hydro PS-Exp
1693148 Sov 75 Anv 18HP OHC-Exp
1693407 Sov 18HP OHC Hydro PS
1693409 Sov 18HP OHC Hydro
1693411 918H, 18HP OHC Hydro PS
1693413 918H, 18HP OHC Hydro
1693415 2818H, 18HP OHC Hydro PS
1693417 2818H, 18HP OHC Hydro
1 1685058 1 BATTERY, Incl. decal,
2 1713534 1 INSULATOR, Battery Terminal
3 1665235 1 CABLE, Battery to Solenoid
4 1917356 2 LOCKWASHER, 5/16
5 1920263 2 NUT, Hex, 5/16-24
6 1916622 4 NUT, Hex, Full, 1/4-20
7 1916964 4 LOCKWASHER, 1/4
8 1603189 1 AMMETER
9 1686637 1 IGNITION SWITCH KIT (Incl. Ref. Nos. 10, 11, 12 & 13)
10 1714054 1 KEY
11 1714055 1 NUT, Adapter
12 1960547 1 LOCKWASHER, Int., 5/8
13 * 1 SWITCH, Ignition
14 122184 1 SWITCH, Toggle (All except 1692889 & 1693148)
14 1717406 1 SWITCH, Toggle (1692889 & 1693148 Only)
15 171225 1 CLAMP
16 1714647 1 CABLE (Battery to Ground)
17 1717183 1 HARNESS ASSEMBLY
18 1925125 1 WASHER, 15/32
19 177522 1 SWITCH, Interlock, Ball
20 1930647 1 NUT, Pal
21 1926192 1 WASHER, 9/16
22 1932771 4 CLIP, Cable
23 1703851 1 CABLE, Starter to Solenoid
24 172434 4 CLIP, Tinnerman
25 172436 3 CLIP, Tinnerman
26 1674358 1 WIRE ASSEMBLY (All except 1692889 & 1693148)
26 1717238 1 WIRE ASSEMBLY, Headlight (1692889 & 1693148 Only)
27 1713535 1 INSULATOR, Terminal Boot
28 1674363 2 HEADLIGHT ASSEMBLY (Incl. Ref. Nos. 30, 32, 36 & 44) (All except
1692889 & 1693148)
29 1707755 1 MODULE, Interlock
30 * 2 REFLECTOR, Housing (All except 1692889 & 1693148)
31 ** 1 NUT, Hex
32 1677368 2 LENS, Clear (All except 1692889 & 1693148)
33 1665238 1 BREAKER, Circuit
34 1923341 2 CAPSCREW, Hex Hd, 1/4-20 x 3/4
35 1704379 1 SWITCH, Interlock, Seat (All except 1692889 & 1693148)
36 1677370 1 SOCKET, Bulb (All except 1692889 & 1693148)
37 1685290 1 SOLENOID, Starter
38 1919438 2 NUT, Elastic, 5/16-18
39 1918199 1 LOCKWASHER, 7/16
40 932747 3 TIE
41 1921319 2 WASHER, Special, 1/4
42 934683 4 CLIP, Wire
43 165073 1 CLIP, Speed Cable
44 1677371 1 BULB (All except 1692889 & 1693148)
45 1917415 1 NUT, Hex, #10-32
46 1922711 1 LOCKWASHER, Ext. Tooth
47 1920676 1 CAPSCREW, Hex Hd, 7/16-14 x 1
48 1701229 1 BUSHING, Snap
49 122023 1 COVER, Terminal, Solenoid
50 172996 1 ADAPTOR, Wire Terminal
51 1665237 1 WIRE ASSEMBLY, Solenoid to Circuit Breaker
52 1717409 1 WIRE, Jumper, Headlight Switch (1692889 & 1693148 Only)
Footnotes:
* Not Serviced Separately ** Supplied by Engine Manufacturer

Dash, Hood & Grille Group - Manual Steering Models
38
TP 400-2218-00-SV-SMA
© Copyright 1998 Simplicity Manufacturing, Inc. All Rights Reserved.
NOTE: Unless noted otherwise,
use the standard hardware torque
specification chart.
A-SV43019A
The above parts group applies to the following Mfg. Nos.:
1692796 Sov 18HP Hydro
1692845 918H, 18HP Hydro
1692849 2818H 18HP Hydro
1692889 Sov 75 Anv 18HP OHC Hydro
1692945 Sov 18HP OHC Hydro
1692951 918H, 18HP OHC Hydro
1692955 2818H, 18HP OHC Hydro
1693144 Sov 18HP OHC Hydro-Exp
1693148 Sov 75 Anv 18HP OHC-Exp
1693409 Sov 18HP OHC Hydro
1693413 918H, 18HP OHC Hydro
1693417 2818H, 18HP OHC Hydro

Dash, Hood & Grille Group - Manual Steering Models
39
TP 400-2218-00-SV-SMA
REF NO. PART NO. QTY. DESCRIPTION
Footnotes:
The above parts group applies to the following Mfg. Nos.:
1692798 Sov 18HP Hydro PS
1692847 918H, 18HP Hydro PS
1692852 2818H, 18HP Hydro PS
1692943 Sov 18HP OHC Hydro PS
1692949 918H, 18HP OHC Hydro PS
1692953 2818H, 18HP OHC Hydro PS
1693146 Sov 18HP OHC Hydro PS-Exp
1693407 Sov 18HP OHC Hydro PS
1693411 918H, 18HP OHC Hydro PS
1693415 2818H, 18HP OHC Hydro PS
1 1926025 6 CAPSCREW, Machine, Round Hd, 1/4-20 x 1/2 (Manual Steering Models
Only)
2 172008 1 PLATE, Adjusting, Steering (Manual Steering Models Only)
3 157077 1 BUSHING (Manual Steering Models Only)
4 1651000 1 PANEL, Instrument (Manual Steering Models)
5 1917867 6 SPEED NUT, Tinnerman
6 1713844 1 KNOB
7 1713848 1 HANDLE, Throttle Control
8 101025 1 WASHER
9 960171 1 WASHER
10 1930531 1 CAPSCREW, Truss Hd, #10-32 x 1/2
11 1685408 1 DASH ASSEMBLY
12 1930561 9 CAPSCREW, Hex, Self-Tapping, #14AB x 3/4
13 1928703 6 NUT, Speed
14 158475 1 CLIP, Control Cable (All Except 1692796, 1692845, & 1692849)
14 1709060 1 CLIP, Control Cable (1692796, 1692845, & 1692849 Only)
15 1930665 1 LOCKWASHER, Dished Type, 3/8
16 1928919 1 NUT, Hex, Washer, #10-32
17 1666703 1 ARM, Throttle
18 103280 2 STOP, Throttle
19 159107 1 WASHER
20 1930651 1 LOCKNUT, Hex, 3/8-16 (All Except 1692889 & 1693148)
21 177447 1 PLUG, Button
22 1933988 2 PUSH NUT
23 1931333 2 CARRIAGE BOLT, 5/16-18 x 3/4
24 1708749 1 HOOD & GRILLE ASSEMBLY, Orange (All Except 1692889 & 1693148)
24 41708749 1 HOOD & GRILLE ASSEMBLY, Red (All Except 1692889 & 1693148)
25 1666163 1 MOULDING, Hood
26 1930531 2 CAPSCREW, Truss Hd, #10-32 x 1/2
27 1930627 2 LOCKNUT, Hex, #10-32
28 1960096 2 WASHER, Special
29 171600 2 STRAP, Hood
30 1666148 1 SCREEN
31 1960517 10 LOCKNUT, Pal
32 1921210 2 CAPSCREW, Hex Hd, 3/8-16 x 1 (All Except 1692889 & 1693148)
33 1930651 2 LOCKNUT, Hex, 3/8-16
34 1675932 4 CLIP, Headlight Mounting (All Except 1692889 & 1693148)

Dash, Hood & Grille Group - Power Steering Models
40
TP 400-2218-00-SV-SMA
© Copyright 1998 Simplicity Manufacturing, Inc. All Rights Reserved.
NOTE: Unless noted otherwise,
use the standard hardware torque
specification chart.
A-SV43020A
The above parts group applies to the following Mfg. Nos.:
1692798 Sov 18HP Hydro PS
1692847 918H, 18HP Hydro PS
1692852 2818H, 18HP Hydro PS
1692943 Sov 18HP OHC Hydro PS
1692949 918H, 18HP OHC Hydro PS
1692953 2818H, 18HP OHC Hydro PS
1693146 Sov 18HP OHC Hydro PS-Exp
1693407 Sov 18HP OHC Hydro PS
1693411 918H, 18HP OHC Hydro PS
1693415 2818H, 18HP OHC Hydro PS

Dash, Hood & Grille Group - Power Steering Models
41
TP 400-2218-00-SV-SMA
1 1926025 4 CAPSCREW, Machine, Round Hd, 1/4-20 x 1/2 (Manual Steering Models
Only)
2 1675932 4 CLIP, Headlight Mounting (All Except 1692889 & 1693148)
3 1930651 2 LOCKNUT, Hex, 3/8-16
4 1715547 1 PANEL, Instrument (Power Steering Models)
5 1917867 4 SPEED NUT, Tinnerman
6 1713844 1 KNOB
7 1713848 1 HANDLE, Throttle Control
8 101025 1 WASHER
9 960171 1 WASHER
10 1930531 1 CAPSCREW, Truss Hd, #10-32 x 1/2
11 1685408 1 DASH ASSEMBLY
12 1930561 9 CAPSCREW, Hex, Self-Tapping, #14AB x 3/4
13 1928703 6 NUT, Speed
14 158475 1 CLIP, Control Cable (All Except 1692798, 1692847, & 1692852 )
14 1709060 1 CLIP, Control Cable (1692798, 1692847, & 1692852 Only)
15 1930651 1 LOCKNUT, Hex, 3/8-16
16 1928919 1 NUT, Hex, Washer, #10-32
17 1666703 1 ARM, Throttle
18 103280 2 STOP, Throttle
19 159107 1 WASHER
20 1930665 1 LOCKWASHER, Dished Type, 3/8
21 1921210 2 CAPSCREW, Hex Hd, 3/8-16 x 1 (All Except 1692889 & 1693148)
22 1933988 2 PUSH NUT
23 1931333 2 CARRIAGE BOLT, 5/16-18 x 3/4
24 1708749 1 HOOD & GRILLE ASSEMBLY
25 1666163 1 MOULDING, Hood
26 1930531 2 CAPSCREW, Truss Hd, #10-32 x 1/2
27 1930627 2 LOCKNUT, Hex, #10-32
28 1960096 2 WASHER, Special
29 171600 2 STRAP, Hood
30 1666148 1 SCREEN
31 1960517 10 LOCKNUT, Pal
REF NO. PART NO. QTY. DESCRIPTION
Footnotes:
The above parts group applies to the following Mfg. Nos.:
1692798 Sov 18HP Hydro PS
1692847 918H, 18HP Hydro PS
1692852 2818H, 18HP Hydro PS
1692943 Sov 18HP OHC Hydro PS
1692949 918H, 18HP OHC Hydro PS
1692953 2818H, 18HP OHC Hydro PS
1693146 Sov 18HP OHC Hydro PS-Exp
1693407 Sov 18HP OHC Hydro PS
1693411 918H, 18HP OHC Hydro PS
1693415 2818H, 18HP OHC Hydro PS

Seat & Deck Group - Early Models
42
TP 400-2218-00-SV-SMA
© Copyright 1998 Simplicity Manufacturing, Inc. All Rights Reserved.
NOTE: Unless noted otherwise,
use the standard hardware torque
specification chart.
A-SV43021A
The above parts group applies to the following Mfg. Nos.:
1692796 Sov 18HP Hydro
1692798 Sov 18HP Hydro PS
1692845 918H, 18HP Hydro
1692847 918H, 18HP Hydro PS
1692849 2818H 18HP Hydro
1692852 2818H, 18HP Hydro PS
1692889 Sov 75 Anv 18HP OHC Hydro
1692943 Sov 18HP OHC Hydro PS
1692945 Sov 18HP OHC Hydro
1692949 918H, 18HP OHC Hydro PS
1692951 918H, 18HP OHC Hydro
1692953 2818H, 18HP OHC Hydro PS
1692955 2818H, 18HP OHC Hydro
1693144 Sov 18HP OHC Hydro-Exp
1693146 Sov 18HP OHC Hydro PS-Exp
1693148 Sov 75 Anv 18HP OHC-Exp
1, 2 38 3
4
5
6
7
8
9
10
11
12
13
14
15
16
17
18
19 20
21
22
23
24
25
26
27
23
24
28
28
24 23
29
30
31
32
33
34
35
36 37

Seat & Deck Group - Early Models
43
TP 400-2218-00-SV-SMA
REF NO. PART NO. QTY. DESCRIPTION
Footnotes:
The above parts group applies to the following Mfg. Nos.:
1692796 Sov 18HP Hydro
1692798 Sov 18HP Hydro PS
1692845 918H, 18HP Hydro
1692847 918H, 18HP Hydro PS
1692849 2818H 18HP Hydro
1692852 2818H, 18HP Hydro PS
1692889 Sov 75 Anv 18HP OHC Hydro
1692943 Sov 18HP OHC Hydro PS
1692945 Sov 18HP OHC Hydro
1692949 918H, 18HP OHC Hydro PS
1692951 918H, 18HP OHC Hydro
1692953 2818H, 18HP OHC Hydro PS
1692955 2818H, 18HP OHC Hydro
1693144 Sov 18HP OHC Hydro-Exp
1693146 Sov 18HP OHC Hydro PS-Exp
1693148 Sov 75 Anv 18HP OHC-Exp
1 1713840 1 SEAT (All Except 1692889 & 1693148)
2 1714483 1 COVER, Seat (Used with Seat 1713840 Only)
3 1931339 2 CARRIAGE BOLT, 5/16 -16 x 2” Lg
4 172434 1 CLIP, Speed
5 1663752 2 SPACER
6 1924940 2 WASHER, Plain
7 1919439 2 NUT, Hex Nylon Lock, 3/8-16
8 1931350 2 CARRIAGE BOLT, 3/8-16 x 1
9 1928352 2 NUT, Hex Flange, Whiz Lock, 3/8-16
10 1718858 1 BRACKET, Seat Pivot
11 1704299 2 SPACER
12 1709308 2 SPRING, Compression (All Except 1692889 & 1693148)
12 1719363 2 SPRING, Compression (1692889 & 1693148 Only)
13 1707101 1 PLATE, Switch
14 1704728 2 SPRING, Compression (2” OD)
15 1709256 2 WASHER, Seat Spring
16 1919438 2 NUT, Hex Nylon Lock, 5/16-18
17 1704724 2 COVER, Spring
18 1701229 1 BUSHING, Snap
19 1930651 2 NUT, Hex Lock, 3/8-16
20 1607870 1 STOP, Seat Deck
21 1920415 2 CAPSCREW, Hex Hd, 3/8-16 x 1-1/4
22 1715769 1 DECK ASSEMBLY, Seat (Orange)
22 41715769 1 DECK ASSEMBLY, Seat (Red)
23 1917372 6 NUT, Hex, Full, 5/16-18
24 1917356 6 LOCKWASHER, 5/16
25 164029 1 BRACKET, Front Seat Deck
26 1708361 1 PLATE, Reinforcement
27 1960459 2 CAPSCREW, Truss Head, Torx Drive, 3/8-16 x 1
28 1919326 4 WASHER, 11/32
29 1666744 2 CONNECTOR, Cushion
30 1606823 2 CLIP, Latch
31 1925205 2 CAPSCREW, Hex Hd, 5/16-18 x 5/8
32 1931648 4 CAPSCREW, Hex Flange Hd, Whiz Lock, 5/16-18 x 1/2
33 1707137 1 SPRING, Extension
34 1714441 1 SLIDE, Seat
35 1704723 1 GRIP, Lever
36 1707133 1 LEVER, Seat Release
37 1960020 2 WASHER, 5/8 x 1-1/4 x 1/16
38 1709307 1 SUPPORT, Seat Pivot

Seat & Deck Group - Later Models
44
TP 400-2218-00-SV-SMA
© Copyright 1998 Simplicity Manufacturing, Inc. All Rights Reserved.
NOTE: Unless noted otherwise,
use the standard hardware torque
specification chart.
A-SV43022A
The above parts group applies to the following Mfg. Nos.:
1693407 Sov 18HP OHC Hydro PS
1693409 Sov 18HP OHC Hydro
1693411 918H, 18HP OHC Hydro PS
1693413 918H, 18HP OHC Hydro
1693415 2818H, 18HP OHC Hydro PS
1693417 2818H, 18HP OHC Hydro
123
4
5
6
7
8
9
10
11
12
13
14
15
16
17
18
19 20
21
22
23
24
25
26
27
23
24
28
28
24 23
29
30
31
32
33
34
35
36 37

Seat & Deck Group - Later Models
45
TP 400-2218-00-SV-SMA
1 1718851 1 SEAT
2 1709307 1 SUPPORT, Seat Pivot
3 1931339 2 CARRIAGE BOLT, 5/16 -16 x 2” Lg
4 172434 1 CLIP, Speed
5 1663752 2 SPACER
6 1924940 2 WASHER, Plain
7 1919439 2 NUT, Hex Nylon Lock, 3/8-16
8 1931350 2 CARRIAGE BOLT, 3/8-16 x 1
9 1928352 2 NUT, Hex Flange, Whiz Lock, 3/8-16
10 1718858 1 BRACKET, Seat Pivot
11 1704299 2 SPACER
12 1709308 2 SPRING, Compression
13 1707101 1 PLATE, Switch
14 1704728 2 SPRING, Compression (2” OD)
15 1709256 2 WASHER, Seat Spring
16 1919438 2 NUT, Hex Nylon Lock, 5/16-18
17 1704724 2 COVER, Spring
18 1701229 1 BUSHING, Snap
19 1930651 2 NUT, Hex Lock, 3/8-16
20 1607870 1 STOP, Seat Deck
21 1920415 2 CAPSCREW, Hex Hd, 3/8-16 x 1-1/4
22 1715769 1 DECK ASSEMBLY, Seat (Orange)
22 41715769 1 DECK ASSEMBLY, Seat (Red)
23 1917372 8 NUT, Hex, Full, 5/16-18
24 1917356 8 LOCKWASHER, 5/16
25 164029 1 BRACKET, Front Seat Deck
26 1708361 1 PLATE, Reinforcement
27 1960459 2 CAPSCREW, Truss Head, Torx Drive, 3/8-16 x 1
28 1919326 8 WASHER, 11/32
29 1666744 2 CONNECTOR, Cushion
30 1606823 2 CLIP, Latch
31 1925205 2 CAPSCREW, Hex Hd, 5/16-18 x 5/8
32 1931648 4 CAPSCREW, Hex Flange Hd, Whiz Lock, 5/16-18 x 1/2
33 1707137 1 SPRING, Extension
34 1714441 1 SLIDE, Seat
35 1704723 1 GRIP, Lever
36 1718859 1 LEVER, Seat Release
37 1960020 2 WASHER, 5/8 x 1-1/4 x 1/16
REF NO. PART NO. QTY. DESCRIPTION
Footnotes:
The above parts group applies to the following Mfg. Nos.:
1693407 Sov 18HP OHC Hydro PS
1693409 Sov 18HP OHC Hydro
1693411 918H, 18HP OHC Hydro PS
1693413 918H, 18HP OHC Hydro
1693415 2818H, 18HP OHC Hydro PS
1693417 2818H, 18HP OHC Hydro

46
TP 400-2218-00-SV-SMA
© Copyright 1998 Simplicity Manufacturing, Inc. All Rights Reserved.
NOTE: Unless noted otherwise,
use the standard hardware torque
specification chart.
A-SV43023A
The above parts group applies to the following Mfg. Nos.:
1692796 Sov 18HP Hydro
1692798 Sov 18HP Hydro PS
1692845 918H, 18HP Hydro
1692847 918H, 18HP Hydro PS
1692849 2818H 18HP Hydro
1692852 2818H, 18HP Hydro PS
1692889 Sov 75 Anv 18HP OHC Hydro
1692943 Sov 18HP OHC Hydro PS
1692945 Sov 18HP OHC Hydro
1692949 918H, 18HP OHC Hydro PS
1692951 918H, 18HP OHC Hydro
1692953 2818H, 18HP OHC Hydro PS
1692955 2818H, 18HP OHC Hydro
1693144 Sov 18HP OHC Hydro-Exp
1693146 Sov 18HP OHC Hydro PS-Exp
1693148 Sov 75 Anv 18HP OHC-Exp
1693407 Sov 18HP OHC Hydro PS
1693409 Sov 18HP OHC Hydro
1693411 918H, 18HP OHC Hydro PS
1693413 918H, 18HP OHC Hydro
1693415 2818H, 18HP OHC Hydro PS
1693417 2818H, 18HP OHC Hydro
1
2
3
4
3
66
5
8
9
10
11
11
13
14
7
12
Tire & Wheel Group

The above parts group applies to the following Mfg. Nos.:
1692796 Sov 18HP Hydro
1692798 Sov 18HP Hydro PS
1692845 918H, 18HP Hydro
1692847 918H, 18HP Hydro PS
1692849 2818H 18HP Hydro
1692852 2818H, 18HP Hydro PS
1692889 Sov 75 Anv 18HP OHC Hydro
1692943 Sov 18HP OHC Hydro PS
1692945 Sov 18HP OHC Hydro
1692949 918H, 18HP OHC Hydro PS
1692951 918H, 18HP OHC Hydro
1692953 2818H, 18HP OHC Hydro PS
1692955 2818H, 18HP OHC Hydro
1693144 Sov 18HP OHC Hydro-Exp
1693146 Sov 18HP OHC Hydro PS-Exp
1693148 Sov 75 Anv 18HP OHC-Exp
1693407 Sov 18HP OHC Hydro PS
1693409 Sov 18HP OHC Hydro
1693411 918H, 18HP OHC Hydro PS
1693413 918H, 18HP OHC Hydro
1693415 2818H, 18HP OHC Hydro PS
1693417 2818H, 18HP OHC Hydro
47
TP 400-2218-00-SV-SMA
REF NO. PART NO. QTY. DESCRIPTION
Footnotes:
* Not serviced separately
** Optional
Tire & Wheel Group
1 1713060 2 WHEEL & TIRE ASSEMBLY, 16x6.50-8, Turf Tread (Includes Ref. Nos. 2-6)
2 1709959 2 TIRE, Turf Tread, 16x6.50-8
3 154393 4 CUP, Bearing
4 * 2 WHEEL, Metalic Gray
5 1713177 2 WHEEL & BEARING CUP ASSEMBLY, Front, Metallic Gray
6 172353 2 VALVE STEM & CAP ASSEMBLY, Front Wheel
7 164247 * INNER TUBE, 16x6.50-8
8 1709970 2 WHEEL & TIRE ASSEMBLY, 23x10.50-12, Turf Tread (Includes Ref Nos. 9-
11)
9 1709969 2 TIRE, Turf Tread, 23x10.50-12
10 1709971 2 WHEEL ASSEMBLY, Rear, Metallic Gray
11 172353 2 VALVE STEM & CAP ASSEMBLY, Rear Wheel
12 157638 ** INNER TUBE, 23x10.50-12
13 8261100 10 BOLT, Hub
14 1657694 ** TIRE, Ag-Tread, 23x10.50-12 (Optional)

Decals — Safety & Common
48
TP 400-2218-00-SV-SMA
© Copyright 1998 Simplicity Manufacturing, Inc. All Rights Reserved.
NOTE: Unless noted otherwise,
use the standard hardware torque
specification chart.
A-SV43024A
The above parts group applies to the following Mfg. Nos.:
1692796 Sov 18HP Hydro
1692798 Sov 18HP Hydro PS
1692845 918H, 18HP Hydro
1692847 918H, 18HP Hydro PS
1692849 2818H 18HP Hydro
1692852 2818H, 18HP Hydro PS
1692889 Sov 75 Anv 18HP OHC Hydro
1692943 Sov 18HP OHC Hydro PS
1692945 Sov 18HP OHC Hydro
1692949 918H, 18HP OHC Hydro PS
1692951 918H, 18HP OHC Hydro
1692953 2818H, 18HP OHC Hydro PS
1692955 2818H, 18HP OHC Hydro
1693144 Sov 18HP OHC Hydro-Exp
1693146 Sov 18HP OHC Hydro PS-Exp
1693148 Sov 75 Anv 18HP OHC-Exp
1693407 Sov 18HP OHC Hydro PS
1693409 Sov 18HP OHC Hydro
1693411 918H, 18HP OHC Hydro PS
1693413 918H, 18HP OHC Hydro
1693415 2818H, 18HP OHC Hydro PS
1693417 2818H, 18HP OHC Hydro
1691219 48” Mower Deck
1691221 48” Mower Deck
1693418 48” Mower Deck
1693419 48” Mower Deck
4
1
2
3
6
5
1716534
WARNING
TO AVOID INJURY
DO NOT RUN ENGINE WITH SEAT DECK RAISED. DISCONNECT GROUND –
TERMINAL WHEN WORKING
ON ELECTRICAL SYSTEM
TO PREVENT SHORT CIRCUIT.
1716535
CAUTION
48"
7
8
10 9

Decals — Safety & Common
49
TP 400-2218-00-SV-SMA
REF NO. PART NO. QTY. DESCRIPTION
Footnotes:
The above parts group applies to the following Mfg. Nos.:
1692796 Sov 18HP Hydro
1692798 Sov 18HP Hydro PS
1692845 918H, 18HP Hydro
1692847 918H, 18HP Hydro PS
1692849 2818H 18HP Hydro
1692852 2818H, 18HP Hydro PS
1692889 Sov 75 Anv 18HP OHC Hydro
1692943 Sov 18HP OHC Hydro PS
1692945 Sov 18HP OHC Hydro
1692949 918H, 18HP OHC Hydro PS
1692951 918H, 18HP OHC Hydro
1692953 2818H, 18HP OHC Hydro PS
1692955 2818H, 18HP OHC Hydro
1693144 Sov 18HP OHC Hydro-Exp
1693146 Sov 18HP OHC Hydro PS-Exp
1693148 Sov 75 Anv 18HP OHC-Exp
1693407 Sov 18HP OHC Hydro PS
1693409 Sov 18HP OHC Hydro
1693411 918H, 18HP OHC Hydro PS
1693413 918H, 18HP OHC Hydro
1693415 2818H, 18HP OHC Hydro PS
1693417 2818H, 18HP OHC Hydro
1691219 48” Mower Deck
1691221 48” Mower Deck
1693418 48” Mower Deck
1693419 48” Mower Deck
1 1708927 1 DECAL, USA
2 1716108 1 DECAL, Console (All Power Steering Models)
2 1716537 1 DECAL, Console (All Manual Steering Models)
3 1668328 1 DECAL, Dashboard (All Manual Steering Models)
3 1715549 1 DECAL, Dashboard (All Power Steering Models)
4 1717431 1 DECAL, Touch-Up Paint (Orange)
4 1717449 1 DECAL, Touch-Up Paint (Red)
4 1717729 1 DECAL, Touch-Up Paint (75th Anniversary)
5 1713543 1 DECAL, Belts & Blades
6 1708810 1 DECAL, Grill (All Models Except 1692889 & 1693148)
7 1716534 1 DECAL, Warning
8 1716535 1 DECAL, Caution
9 1667175 1 DECAL, Belt Adjustment
10 1704384 1 DECAL, Cutting Width

Decals — Brand & Model
50
TP 400-2218-00-SV-SMA
© Copyright 1998 Simplicity Manufacturing, Inc. All Rights Reserved.
NOTE: Unless noted otherwise,
use the standard hardware torque
specification chart.
A-SV43025A
The above parts group applies to the following Mfg. Nos.:
1692796 Sov 18HP Hydro
1692798 Sov 18HP Hydro PS
1692845 918H, 18HP Hydro
1692847 918H, 18HP Hydro PS
1692849 2818H 18HP Hydro
1692852 2818H, 18HP Hydro PS
1692889 Sov 75 Anv 18HP OHC Hydro
1692943 Sov 18HP OHC Hydro PS
1692945 Sov 18HP OHC Hydro
1692949 918H, 18HP OHC Hydro PS
1692951 918H, 18HP OHC Hydro
1692953 2818H, 18HP OHC Hydro PS
1692955 2818H, 18HP OHC Hydro
1693144 Sov 18HP OHC Hydro-Exp
1693146 Sov 18HP OHC Hydro PS-Exp
1693148 Sov 75 Anv 18HP OHC-Exp
1693407 Sov 18HP OHC Hydro PS
1693409 Sov 18HP OHC Hydro
1693411 918H, 18HP OHC Hydro PS
1693413 918H, 18HP OHC Hydro
1693415 2818H, 18HP OHC Hydro PS
1693417 2818H, 18HP OHC Hydro
1691219 48” Mower Deck
1691221 48” Mower Deck
1693418 48” Mower Deck
1693419 48” Mower Deck
56
3
2
1
4
5, 7
8

Decals — Brand & Model
51
TP 400-2218-00-SV-SMA
1 1717706 1 DECAL, 18 V-Twin (1692943, 1692945, 1693407, & 1693409 Only)
2 1717313 1 DECAL, Automatic Controlled Traction (1692943, 1692945, 1693407, &
1693409 Only)
2 1718025 1 DECAL, Automatic Controlled Traction (1692951, 1692955, 1692949, &
1692953 Only)
3 1668202 1 DECAL, Simplicity (1692796 & 1692798 Only)
3 1717686 1 DECAL, Logo, Simplicity (1692943, 1692945, 1693407, & 1693409 Only)
4 1717709 1 DECAL, Sovereign (1692943, 1692945, 1693407, & 1693409 Only)
5 1717692 1 DECAL, Icon (1692943, 1692945, 1693407, & 1693409 Only)
6 1708807 1 DECAL, Hood, LH (All AGCO-Allis Models)
6 1708808 1 DECAL, Hood, RH (All AGCO-Allis Models)
6 1713980 1 DECAL, Hood, RH Simplicity (1692796 & 1692798 Only)
6 1713981 1 DECAL, Hood, LH Simplicity (1692796 & 1692798 Only)
6 1714378 2 DECAL, Hood, LH (All Massey Ferguson Models)
6 1714379 2 DECAL, Hood, RH (All Massey Ferguson Models)
6 1717707 1 DECAL, Hood, RH Simplicity (1692943, 1692945, 1693407, & 1693409
Only)
6 1717708 1 DECAL, Hood, LH Simplicity (1692943, 1692945, 1693407, & 1693409
Only)
7 1708926 2 DECAL, Logo, (All AGCO-Allis Models)
7 1714363 2 DECAL, Massey Ferguson (All Massey Ferguson Models)
8 1713978 2 DECAL, Model (1692796 Only)
8 1716516 2 DECAL, Model with P/S (1692798 Only)
8 1716518 2 DECAL, Power Steering (All P/S Models Except 1692798)
REF NO. PART NO. QTY. DESCRIPTION
Footnotes:
The above parts group applies to the following Mfg. Nos.:
1692796 Sov 18HP Hydro
1692798 Sov 18HP Hydro PS
1692845 918H, 18HP Hydro
1692847 918H, 18HP Hydro PS
1692849 2818H 18HP Hydro
1692852 2818H, 18HP Hydro PS
1692889 Sov 75 Anv 18HP OHC Hydro
1692943 Sov 18HP OHC Hydro PS
1692945 Sov 18HP OHC Hydro
1692949 918H, 18HP OHC Hydro PS
1692951 918H, 18HP OHC Hydro
1692953 2818H, 18HP OHC Hydro PS
1692955 2818H, 18HP OHC Hydro
1693144 Sov 18HP OHC Hydro-Exp
1693146 Sov 18HP OHC Hydro PS-Exp
1693148 Sov 75 Anv 18HP OHC-Exp
1693407 Sov 18HP OHC Hydro PS
1693409 Sov 18HP OHC Hydro
1693411 918H, 18HP OHC Hydro PS
1693413 918H, 18HP OHC Hydro
1693415 2818H, 18HP OHC Hydro PS
1693417 2818H, 18HP OHC Hydro
1691219 48” Mower Deck
1691221 48” Mower Deck
1693418 48” Mower Deck
1693419 48” Mower Deck

52
TP 400-2218-00-SV-SMA
© Copyright 1998 Simplicity Manufacturing, Inc. All Rights Reserved.
75th Anniversary Specialty Parts
NOTE: Unless noted otherwise,
use the standard hardware torque
specification chart.
A-SV43026A
The above parts group applies to the following Mfg. Nos.:
1692889 Sov 75 Anv 18HP OHC Hydro
1693148 Sov 75 Anv 18HP OHC Hydro-Exp
T
H
E
D
E
A
L
E
R
L
I
N
E
SINCE
1922
Paint
3
4
5
67
4
9
5
6
7
10
11
12
13
14
15
16
17
18
19
20
21
22
23
24
25
26
27
28
29
30
31
32
33
34
1
2
3
14
21
22
23
22
21
35
37
Seat Deck
Hood
Headlight
Harness
3838
3636
8

53
TP 400-2218-00-SV-SMA
75th Anniversary Specialty Parts
1 1717234 1 HOOD ASSEMBLY.
2 1717256 1 DECAL, R.H. Hood, Flame
2 1717257 1 DECAL, L.H. Hood, Flame
2 1717258 1 DECAL, R.H. Fender (Not Shown)
2 1717259 1 DECAL, L.H. Fender (Not Shown)
2 1717260 1 DECAL, Mower
2 1717412 1 DECAL, Rear Seat Deck, “Simplicity”
3 1717233 1 VISOR SET
4 1717401 3 HEADLIGHT-REAR WORKLIGHT ASSEMBLY
5 920427 3 LOCKWASHER, External Tooth, 3/8
6 1924940 3 WASHER, 3/8
7 1916950 3 NUT, Hex, Full, 3/8-16
8 1685790 1 PAINT, Single Can, 13 oz. Spray Can, Blue
8 1685791 1 PAINT, Case of 12 Cans, 13 oz. Spray Can, Blue
9 1667812 1 SPACER
10 1717400 1 WIRE ASSEMBLY, Ground
11 1717242 1 WIRE ASSEMBLY, Work Light
12 1605751 1 CONNECTOR, Splice
13 1717246 1 SEAT ASSEMBLY, with Armrests
14 1960141 8 WASHER, 3/4 x 7/8 x 1/8
15 1927557 4 NUT, Flange, Whizlock, 5/16-18
16 1917356 4 LOCKWASHER, 5/16
17 1923325 4 CAPSCREW, Hex Hd, 5/16-18 x 7/8
18 1717114 1 PLATE, Seat Mounting
19 1925205 4 CAPSCREW, Hex Hd, 5/16-18 x 5/8
20 1712286 2 CLAMP ASSEMBLY
21 1917372 3 NUT, Hex, Full, 5/16-18
22 1917356 3 LOCKWASHER, 5/16
23 1919326 2 WASHER, 11/32
24 1717245 1 ELBOW PIPE, Exhaust
25 1717243 1 PIPE, Exhaust
26 1921333 2 CAPSCREW, Hex Hd, 5/16-18 x 1
27 1717250 1 SUPPORT, Exhaust Pipe
28 1717239 2 CARRIAGE BOLT, 3/8-16 x 3
29 1716897 1 BUMPER
30 1657242 2 SPACER
31 1916965 2 LOCKWASHER, 3/8
32 1916950 2 NUT, Hex, Full, 3/8-16
33 1717244 1 MEDALLION, “75th”
34 1933896 2 NUT, Hex Nylon Lock, 10-24
35 * 2 WHEEL ASSEMBLY, Front, Chrome
36 1717228 2 WHEEL & TIRE ASSEMBLY, 16x6.50-8, Chrome, Turf Tread (Includes Ref.
No. 35)
37 * 2 WHEEL ASSEMBLY, Rear, Chrome
38 1717229 2 WHEEL & TIRE ASSEMBLY, 23x10.50-12, Chrome, Turf Tread (Includes
Ref No. 37)
REF NO. PART NO. QTY. DESCRIPTION
Footnotes:
* Chrome Wheels not Serviced Separately. Order Wheel and Tire Assembly.
The above parts group applies to the following Mfg. Nos.:
1692889 Sov 75 Anv 18HP OHC Hydro
1693148 Sov 75 Anv 18HP OHC Hydro-Exp

54
TP 400-2218-00-SV-SMA
© Copyright 1998 Simplicity Manufacturing, Inc. All Rights Reserved.
Power Steering Valve Service Parts
NOTE: Unless noted otherwise,
use the standard hardware torque
specification chart.
A-SV43027A
The above parts group applies to the following Mfg. Nos.:
1692796 Sov 18HP Hydro
1692798 Sov 18HP Hydro PS
1692845 918H, 18HP Hydro
1692847 918H, 18HP Hydro PS
1692849 2818H 18HP Hydro
1692852 2818H, 18HP Hydro PS
1692889 Sov 75 Anv 18HP OHC Hydro
1692943 Sov 18HP OHC Hydro PS
1692945 Sov 18HP OHC Hydro
1692949 918H, 18HP OHC Hydro PS
1692951 918H, 18HP OHC Hydro
1692953 2818H, 18HP OHC Hydro PS
1692955 2818H, 18HP OHC Hydro
1693144 Sov 18HP OHC Hydro-Exp
1693146 Sov 18HP OHC Hydro PS-Exp
1693148 Sov 75 Anv 18HP OHC-Exp
1693407 Sov 18HP OHC Hydro PS
1693409 Sov 18HP OHC Hydro
1693411 918H, 18HP OHC Hydro PS
1693413 918H, 18HP OHC Hydro
1693415 2818H, 18HP OHC Hydro PS
1693417 2818H, 18HP OHC Hydro

55
TP 400-2218-00-SV-SMA
Power Steering Valve Service Parts
1 1679024 1 RING, Retaining
2 1679025 4 BOLT, Special
3 1679026 1 PLATE, Upper Cover
4 1679027 1 SPACER, Seal
5 1679028 1 SPACER
6 1679029 1 BEARING, Thrust
7 1679031 1 PLATE, Drive
8 1679032 11 CAPSCREW, Hex Head
9 1679033 1 COVER, Commutator
10 1679036 1 RING, Metering
11 1679037 1 MANIFOLD, Isolation
12 1679038 1 LINK, Drive
13 1679040 1 DRIVE ASSEMBLY, Hex
14 1679043 1 O-RING
15 1679044 4 LOCKNUT, Hex, 5/16-24
16 1679046 1 NUT, Hex, 5/8-18
17 1679054 1 BEARING
18 1679144 1 MANIFOLD, Port
19 1679145 1 SPACER
20 1679363 1 SEAL, Dust
21 1679364 1 PLUG
22 1707394 5 SEAL, (1 Each in Kit “K”)
23 1707395 2 SEAL, (1 Each in Kit “K”)
Service Kits:
A 1679023 UPPER COVER ASSEMBLY KIT
B 1679030 METERING ASSEMBLY KIT
C 1679034 COMMUTATOR & RING ASSEMBLY KIT
D 1679035 ROTOR ASSEMBLY KIT
E 1679039 VALVE & RING KIT
F 1679041 SPRING KIT
G 1679042 PORT COVER ASSEMBLY
H 1679045 INPUT SHAFT ASSEMBLY KIT
I 1679047 NEEDLE ROLLER KIT
J 1679048 SEAL KIT
K 1685448 SEAL KIT (Contains Qty. 1 of Ref. No. 22 & Qty. 1 of Ref. No. 23)
REF NO. PART NO. QTY. DESCRIPTION
Footnotes:
Seal Kit (Ref. Letter “K”) is for top seal replacement in power steering unit - DO NOT disassemble the complete
unit for this repair.
The above parts group applies to the following Mfg. Nos.:
1692796 Sov 18HP Hydro
1692798 Sov 18HP Hydro PS
1692845 918H, 18HP Hydro
1692847 918H, 18HP Hydro PS
1692849 2818H 18HP Hydro
1692852 2818H, 18HP Hydro PS
1692889 Sov 75 Anv 18HP OHC Hydro
1692943 Sov 18HP OHC Hydro PS
1692945 Sov 18HP OHC Hydro
1692949 918H, 18HP OHC Hydro PS
1692951 918H, 18HP OHC Hydro
1692953 2818H, 18HP OHC Hydro PS
1692955 2818H, 18HP OHC Hydro
1693144 Sov 18HP OHC Hydro-Exp
1693146 Sov 18HP OHC Hydro PS-Exp
1693148 Sov 75 Anv 18HP OHC-Exp
1693407 Sov 18HP OHC Hydro PS
1693409 Sov 18HP OHC Hydro
1693411 918H, 18HP OHC Hydro PS
1693413 918H, 18HP OHC Hydro
1693415 2818H, 18HP OHC Hydro PS
1693417 2818H, 18HP OHC Hydro

Hydrostatic Pump (Service Parts for 1671582 - Hydro Lift)
56
TP 400-2218-00-SV-SMA
© Copyright 1998 Simplicity Manufacturing, Inc. All Rights Reserved.
NOTE: Unless noted otherwise,
use the standard hardware torque
specification chart.
A-SV43028A
The above parts group applies to the following Mfg. Nos.:
1692796 Sov 18HP Hydro
1692798 Sov 18HP Hydro PS
1692845 918H, 18HP Hydro
1692847 918H, 18HP Hydro PS
1692849 2818H 18HP Hydro
1692852 2818H, 18HP Hydro PS
1692889 Sov 75 Anv 18HP OHC Hydro
1692943 Sov 18HP OHC Hydro PS
1692945 Sov 18HP OHC Hydro
1692949 918H, 18HP OHC Hydro PS
1692951 918H, 18HP OHC Hydro
1692953 2818H, 18HP OHC Hydro PS
1692955 2818H, 18HP OHC Hydro
1693144 Sov 18HP OHC Hydro-Exp
1693146 Sov 18HP OHC Hydro PS-Exp
1693148 Sov 75 Anv 18HP OHC-Exp
1693407 Sov 18HP OHC Hydro PS
1693409 Sov 18HP OHC Hydro
1693411 918H, 18HP OHC Hydro PS
1693413 918H, 18HP OHC Hydro
1693415 2818H, 18HP OHC Hydro PS
1693417 2818H, 18HP OHC Hydro

Hydrostatic Pump (Service Parts for 1671582 - Hydro Lift)
57
TP 400-2218-00-SV-SMA
REF NO. PART NO. QTY. DESCRIPTION
Footnotes:
The above parts group applies to the following Mfg. Nos.:
1692796 Sov 18HP Hydro
1692798 Sov 18HP Hydro PS
1692845 918H, 18HP Hydro
1692847 918H, 18HP Hydro PS
1692849 2818H 18HP Hydro
1692852 2818H, 18HP Hydro PS
1692889 Sov 75 Anv 18HP OHC Hydro
1692943 Sov 18HP OHC Hydro PS
1692945 Sov 18HP OHC Hydro
1692949 918H, 18HP OHC Hydro PS
1692951 918H, 18HP OHC Hydro
1692953 2818H, 18HP OHC Hydro PS
1692955 2818H, 18HP OHC Hydro
1693144 Sov 18HP OHC Hydro-Exp
1693146 Sov 18HP OHC Hydro PS-Exp
1693148 Sov 75 Anv 18HP OHC-Exp
1693407 Sov 18HP OHC Hydro PS
1693409 Sov 18HP OHC Hydro
1693411 918H, 18HP OHC Hydro PS
1693413 918H, 18HP OHC Hydro
1693415 2818H, 18HP OHC Hydro PS
1693417 2818H, 18HP OHC Hydro
Footnotes:
* Not serviced separately.
Note: Items 50-61 listed on following page.
1 1652181 1 BEARING, Ball
2 1673534 1 HOUSING
3 1652192 2 RING, Retainer
4 1652194 1 TRUNNION
5 1652235 2 WASHER, Special
6 1652234 2 SEAL, Lip
7 1652251 2 BEARING, Needle
8 1652185 2 PIN, Headless, Straight
9 1612093 2 SEAL, Lip
10 1652231 1 BEARING, Ball
11 905123 1 KEY, Woodruff
12 1652229 1 SHAFT, Pump
13 1652228 1 PIN, Headless
14 1673533 1 PLATE, Swash
15 1673532 2 PLATE, Thrust
16 1652226 3 PIN, Spring, Coiled
17 1652186 1 SHAFT, Motor
18 1652184 1 GASKET
19 1652183 1 TRUNNION
20 1673535 2 CYLINDER BLOCK KIT
21 1652223 1 PLATE, Valve, Pump
22 1652224 2 PIN, Straight
23 1652189 1 PLATE, Valve, Motor
24 1652222 2 BEARING, Needle
25 1652221 2 O-RING
26 1652220 2 RING, Backup
27 1652219 2 O-RING
28 1652217 2 PLUG, Hex Hd.
29 921884 2 O-RING
30 1652216 4 SHIM (Shim as required)
31 1652214 2 CONE, Relief Valve
32 1667773 1 SPRING, Relief Valve
33 1667774 1 RELIEF VALVE KIT (Incl. Ref. Nos. 28-32)
34 1685128 1 CHARGE PUMP KIT (Incl. Ref. Nos. 36-40)
35 1652212 2 CAPSCREW, 12 pt.
36 1652207 1 O-RING
37 * 1 GEROTER (See Ref. No. 34)
38 * 1 HOUSING, Charge Pump (See Ref. No. 34)
39 1652204 1 BEARING, Needle
40 1652203 1 SEAL, Lip
41 1927531 2 CAPSCREW, Hex Hd, 7/16-14 x 2
42 1918199 2 WASHER
43 1671665 1 PLUG
44 1652196 2 O-RING
45 1671699 1 UNION, Filter
46 1652197 2 PLUG, Hex Hd.
47 1923701 4 CAPSCREW, Hex Hd, 3/8-16 x 2
48 1652254 1 SECTION, Center
49 1709322 1 FILTER, 25 Micron

Hydrostatic Pump (Service Parts for 1671582 - Hydro Lift)
58
TP 400-2218-00-SV-SMA
© Copyright 1998 Simplicity Manufacturing, Inc. All Rights Reserved.
NOTE: Unless noted otherwise,
use the standard hardware torque
specification chart.
A-SV43028A
The above parts group applies to the following Mfg. Nos.:
1692796 Sov 18HP Hydro
1692798 Sov 18HP Hydro PS
1692845 918H, 18HP Hydro
1692847 918H, 18HP Hydro PS
1692849 2818H 18HP Hydro
1692852 2818H, 18HP Hydro PS
1692889 Sov 75 Anv 18HP OHC Hydro
1692943 Sov 18HP OHC Hydro PS
1692945 Sov 18HP OHC Hydro
1692949 918H, 18HP OHC Hydro PS
1692951 918H, 18HP OHC Hydro
1692953 2818H, 18HP OHC Hydro PS
1692955 2818H, 18HP OHC Hydro
1693144 Sov 18HP OHC Hydro-Exp
1693146 Sov 18HP OHC Hydro PS-Exp
1693148 Sov 75 Anv 18HP OHC-Exp
1693407 Sov 18HP OHC Hydro PS
1693409 Sov 18HP OHC Hydro
1693411 918H, 18HP OHC Hydro PS
1693413 918H, 18HP OHC Hydro
1693415 2818H, 18HP OHC Hydro PS
1693417 2818H, 18HP OHC Hydro

Hydrostatic Pump (Service Parts for 1671582 - Hydro Lift)
59
TP 400-2218-00-SV-SMA
REF NO. PART NO. QTY. DESCRIPTION
Footnotes:
The above parts group applies to the following Mfg. Nos.:
1692796 Sov 18HP Hydro
1692798 Sov 18HP Hydro PS
1692845 918H, 18HP Hydro
1692847 918H, 18HP Hydro PS
1692849 2818H 18HP Hydro
1692852 2818H, 18HP Hydro PS
1692889 Sov 75 Anv 18HP OHC Hydro
1692943 Sov 18HP OHC Hydro PS
1692945 Sov 18HP OHC Hydro
1692949 918H, 18HP OHC Hydro PS
1692951 918H, 18HP OHC Hydro
1692953 2818H, 18HP OHC Hydro PS
1692955 2818H, 18HP OHC Hydro
1693144 Sov 18HP OHC Hydro-Exp
1693146 Sov 18HP OHC Hydro PS-Exp
1693148 Sov 75 Anv 18HP OHC-Exp
1693407 Sov 18HP OHC Hydro PS
1693409 Sov 18HP OHC Hydro
1693411 918H, 18HP OHC Hydro PS
1693413 918H, 18HP OHC Hydro
1693415 2818H, 18HP OHC Hydro PS
1693417 2818H, 18HP OHC Hydro
Footnotes:
* Not serviced separately.
Note: Items 1-49 listed on previous page.
50 1673537 2 CHECK VALVE & O-RING ASSEMBLY (Incl. Ref. Nos. 25, 26, 27, & 61)
51 917673 4 PLUG, Pipe
52 1920415 2 CAPSCREW, Hex Hd, 3/8-16 x 1-1/4
53 1652253 1 SPRING, Relief
54 1673538 1 RELIEF VALVE KIT (Incl. Ref. Nos. 28-31 & 53)
55 172584 2 RING, Retaining
56 1656005 2 WASHER,Rear
57 1656006 2 SPRING
58 1656007 2 WASHER, Front
59 1656009 2 RETAINER, Hub
60 1673534 1 HOUSING ASSEMBLY (Incl. Ref. Nos. 1, 2, 6, 7 & 9)
61 * 2 CHECK VALVE

60
TP 400-2218-00-SV-SMA
© Copyright 1998 Simplicity Manufacturing, Inc. All Rights Reserved.
NOTE: Unless noted otherwise,
use the standard hardware torque
specification chart.
A-SV43029A
The above parts group applies to the following Mfg. Nos.:
1692796 Sov 18HP Hydro
1692798 Sov 18HP Hydro PS
1692845 918H, 18HP Hydro
1692847 918H, 18HP Hydro PS
1692849 2818H 18HP Hydro
1692852 2818H, 18HP Hydro PS
1692889 Sov 75 Anv 18HP OHC Hydro
1692943 Sov 18HP OHC Hydro PS
1692945 Sov 18HP OHC Hydro
1692949 918H, 18HP OHC Hydro PS
1692951 918H, 18HP OHC Hydro
1692953 2818H, 18HP OHC Hydro PS
1692955 2818H, 18HP OHC Hydro
1693144 Sov 18HP OHC Hydro-Exp
1693146 Sov 18HP OHC Hydro PS-Exp
1693148 Sov 75 Anv 18HP OHC-Exp
1693407 Sov 18HP OHC Hydro PS
1693409 Sov 18HP OHC Hydro
1693411 918H, 18HP OHC Hydro PS
1693413 918H, 18HP OHC Hydro
1693415 2818H, 18HP OHC Hydro PS
1693417 2818H, 18HP OHC Hydro
Control Valve Service Parts
15
1
234
5
6
7
8
9
10
11
12
13
14
6

The above parts group applies to the following Mfg. Nos.:
1692796 Sov 18HP Hydro
1692798 Sov 18HP Hydro PS
1692845 918H, 18HP Hydro
1692847 918H, 18HP Hydro PS
1692849 2818H 18HP Hydro
1692852 2818H, 18HP Hydro PS
1692889 Sov 75 Anv 18HP OHC Hydro
1692943 Sov 18HP OHC Hydro PS
1692945 Sov 18HP OHC Hydro
1692949 918H, 18HP OHC Hydro PS
1692951 918H, 18HP OHC Hydro
1692953 2818H, 18HP OHC Hydro PS
1692955 2818H, 18HP OHC Hydro
1693144 Sov 18HP OHC Hydro-Exp
1693146 Sov 18HP OHC Hydro PS-Exp
1693148 Sov 75 Anv 18HP OHC-Exp
1693407 Sov 18HP OHC Hydro PS
1693409 Sov 18HP OHC Hydro
1693411 918H, 18HP OHC Hydro PS
1693413 918H, 18HP OHC Hydro
1693415 2818H, 18HP OHC Hydro PS
1693417 2818H, 18HP OHC Hydro
61
TP 400-2218-00-SV-SMA
REF NO. PART NO. QTY. DESCRIPTION
Footnotes:
Control Valve Group Service Parts
1 174131 1 PLUG ASSEMBLY (Includes O-Ring, Ref. No. 2)
2* 174133 1 O-RING
3 174134 1 SPRING
4 1714130 1 PLUNGER
5* 1679138 1 WIPER PLUG
6* 1679142 1 O-RING
7* 921349 2 O-RING
8 923905 2 FITTING, 90°
9 174137 1 BUSHING
10 1673836 1 WASHER
11 1673835 1 SPRING
12* 1673833 1 SPACER
13 1673837 1 RETAINING RING
14 1673854 1 CAP ASSEMBLY
15* 1667825 2 O-RING
Footnotes:
*Included in Seal Repair Kit 1667826

48” Mower Deck - Housing & Arbor Group
62
TP 400-2218-00-SV-SMA
© Copyright 1998 Simplicity Manufacturing, Inc. All Rights Reserved.
NOTE: Unless noted otherwise,
use the standard hardware torque
specification chart.
A-SV43030A
The above parts group applies to the following Mfg. Nos.:
1691219 48” Mower Deck
1691221 48” Mower Deck
1693418 48” Mower Deck
1693419 48” Mower Deck

48” Mower Deck - Housing & Arbor Group
63
TP 400-2218-00-SV-SMA
REF NO. PART NO. QTY. DESCRIPTION
Footnotes:
The above parts group applies to the following Mfg. Nos.:
1691219 48” Mower Deck
1691221 48” Mower Deck
1693418 48” Mower Deck
1693419 48” Mower Deck
1 923471 3 CAPSCREW, Hex Hd., 7/16-14 x 1-1/4
2 1918199 3 LOCKWASHER, 7/16
3 1933263 3 WASHER, 29/64 x 1-1/4 x 1/4
4 1679157 1 PULLEY ASSEMBLY
5 1657969 3 SHIELD, Bearing, Upper
6 1655729 3 HOUSING, Arbor, Top
7 108202 6 BEARING
8 1679194 1 SHAFT.Arbor, Center
9 1703273 3 HOUSING, Arbor Bottom
10 1916964 4 LOCKWASHER, 1/4
11 1916622 4 NUT, Hex, Full, 1/4-20
12 1679161 2 PULLEY ASSEMBLY, Deck Drive
13 1676277 2 SHAFT, Arbor, Side (Incl. Ref. No. 15, Qty. 1)
14 1664847 18 CAPSCREW, Hex Washer Hd, Taptite, 5/16-18 x 3/4
15 1657528 3 RING, Self-Locking
16 1931333 4 CARRIAGE BOLT, 5/16-18 x 3/4
17 108454 1 BRACKET & SHAFT ASSEMBLY
18 1668513 2 ROLLER
19 1960020 2 WASHER, 21/32
20 1918458 2 PIN, Cotter
21 108224 1 BRACKET, Roller, L.H.
22 1916950 6 NUT, Hex, Full, 3/8-16
23 1916965 6 LOCKWASHER 3/8
24 1931350 2 CARRIAGE BOLT, 3/8-16 x 1
25 1917372 4 NUT, Hex, Full, 5/16-18
26 1917356 4 LOCKWASHER, 5/16
27 1674774 1 BAFFLE, 48” Mower
27 1675587 1 BAFFLE, 42” Mower
28 1921959 2 CAPSCREW, Hex Hd, 1/4-20 x 5/8
29 1925592 2 CAPSCREW, Thread Forming, 1/4-20 x 3/4
30 108186 2 CLIP,. Baffle
31 1921319 2 WASHER, Plain, 9/32
32 1960268 4 CARRIAGE BOLT, 3/8-16 x 1-1/4
33 108366 1 BAR, Reinforcement
34 108219 2 BRACKET ASSEMBLY, Front
35 1685281 1 HOUSING, 42” Mower (Orange)
35 1685282 1 HOUSING, 48” Mower (Orange)
35 61685281 1 HOUSING, 42” Mower (Black)
35 61685282 1 HOUSING, 48” Mower (Black)
36 1679195 1 SHAFT & BEARING ASSEMBLY, Center (Incl. Ref. Nos. 7 & 8).
37 1676278 2 SHAFT & BEARING ASSEMBLY, Side (Incl. Ref. Nos. 7 & 13)
38 1924940 4 WASHER, 13/32 I.D.
39 1707335 3 GASKET, Foam
40 1704314 3 FITTING, Grease

48” Mower Deck - Cover, Drive & Bail Group
64
TP 400-2218-00-SV-SMA
© Copyright 1998 Simplicity Manufacturing, Inc. All Rights Reserved.
NOTE: Unless noted otherwise,
use the standard hardware torque
specification chart.
A-SV43031A
The above parts group applies to the following Mfg. Nos.:
1691219 48” Mower Deck
1691221 48” Mower Deck
1693418 48” Mower Deck
1693419 48” Mower Deck

48” Mower Deck - Cover, Drive & Bail Group
65
TP 400-2218-00-SV-SMA
REF NO. PART NO. QTY. DESCRIPTION
Footnotes:
* Not sold separately.
The above parts group applies to the following Mfg. Nos.:
1691219 48” Mower Deck
1691221 48” Mower Deck
1693418 48” Mower Deck
1693419 48” Mower Deck
1 1929000 14 CAPSCREW, Hex Hd, Taptite, 1/4-20 x 3/8
2 1679957 1 COVER, R.H. (Orange)
2 61679957 1 COVER, R.H. (Black)
3 1709067 1 DECAL, Belt Installation, Adjustment
4 1676067 1 COVER. L.H. (Orange)
4 61676067 1 COVER. L.H. (Black)
5 154304 2 YOKE
6 1919262 2 NUT, Hex, Jam, 1/2-20
7 1704277 1 DECAL, Danger, Deflector in place
8 1921176 2 CAPSCREW, Hex Hd, 1/2-13 x 1-1/4
9 105051 2 SPACER
10 1924361 2 WASHER, Plain, 7/16
11 1916966 2 LOCKWASHER, 1/2
12 1916951 2 NUT, Hex, Full, 1/2-13
13 172473 1 BAIL ASSEMBLY
14 1657044 1 BELT, “V”, Arbor Drive
15 1960268 1 CARRIAGE BOLT, 3/8-16 x 1-1/4
16 1704276 1 DECAL, Danger, Rotating Blade
17 1700230 3 WASHER, Shim
18 1700229 3 SHIELD, Grass
19 1655777 3 ADAPTOR, Blade
20 1928352 1 NUT, Hex Flange, Whiz Lock, 3/8-16
21 1679916 3 BLADE, 48” Mower
22 1679711 3 WASHER, Spline
23 1656916 3 WASHER, Spring
24 923471 3 CAPSCREW, Hex Hd., 7/16-14 x 1-1/4
25 1917421 1 NUT, Hex, Jam, 3/8-16
26 1916965 1 LOCKWASHER, 3/8
27 1924940 5 WASHER, Plain, 13/32
28 912808 1 FITTING, Lube, 1/4 - 28
29 171815 1 EYEBOLT
30 1704926 1 PULLEY ASSEMBLY, Idler
31 1674669 1 SPACER
32 1676148 2 BUSHING
33 * 1 LEVER ASSEMBLY, Idler (Order Ref. No. 35)
34 1656936 1 SPRING
35 1718561 1 LEVER ASSEMBLY, Idler (Incl. Ref. Nos. 28 & 32)
36 1704384 1 DECAL, Cutting Width, 48”

48” Mower Deck - Height Adjusting & Roller Group
66
TP 400-2218-00-SV-SMA
© Copyright 1998 Simplicity Manufacturing, Inc. All Rights Reserved.
NOTE: Unless noted otherwise,
use the standard hardware torque
specification chart.
A-SV43032A
The above parts group applies to the following Mfg. Nos.:
1691219 48” Mower Deck
1691221 48” Mower Deck
1693418 48” Mower Deck
1693419 48” Mower Deck

48” Mower Deck - Height Adjusting & Roller Group
67
TP 400-2218-00-SV-SMA
REF NO. PART NO. QTY. DESCRIPTION
Footnotes:
The above parts group applies to the following Mfg. Nos.:
1691219 48” Mower Deck
1691221 48” Mower Deck
1693418 48” Mower Deck
1693419 48” Mower Deck
1 172046 1 BRACKET, Roller, L.H.
2 1960020 6 WASHER, Plain, 5/8
3 1918458 4 PIN, Cotter, 3/16 x 1
4 1668513 9 ROLLER
5 172015 1 ROCKER ARM ASSEMBLY
6 172047 1 BRACKET, Roller, R.H.
7 1668541 1 SHAFT ASSEMBLY, Roller
8 1931350 4 CARRIAGE BOLT, 3/8-16 x 1
9 1650394 2 HANDLE, Adjusting
10 1651820 2 GRIP
11 108241 2 SOCKET ASSEMBLY
12 1657891 1 BAR, Roller
13 108360 2 SPRING
14 1917421 2 NUT, Hex, Jam, 3/8-16
15 1916950 8 NUT, Hex, Full, 3/8-16
16 1916965 4 LOCKWASHER, 3/8
17 1924940 8 WASHER, 3/8
18 1918447 2 PIN, Cotter, 3/32 x 3/4
19 1921210 2 CAPSCREW, Hex Hd, 3/8-16 x 1
20 1930651 2 LOCKNUT, Hex, Full, 3/8-16
21 1920415 2 CAPSCREW, Hex Hd, 3/8-16 x 1-1/4
22 108512 2 PIVOT

48” Mower Deck - Deflector, Stone Guard & Arm Assembly Group
68
TP 400-2218-00-SV-SMA
© Copyright 1998 Simplicity Manufacturing, Inc. All Rights Reserved.
NOTE: Unless noted otherwise,
use the standard hardware torque
specification chart.
A-SV43033A
The above parts group applies to the following Mfg. Nos.:
1691219 48” Mower Deck
1691221 48” Mower Deck
1693418 48” Mower Deck
1693419 48” Mower Deck
Early Models
Later Models
2
33
2
19
19
19
16

48” Mower Deck - Deflector, Stone Guard & Arm Assembly Group
69
TP 400-2218-00-SV-SMA
REF NO. PART NO. QTY. DESCRIPTION
Footnotes:
* Not serviced.
The above parts group applies to the following Mfg. Nos.:
1691219 48” Mower Deck
1691221 48” Mower Deck
1693418 48” Mower Deck
1693419 48” Mower Deck
1 1713515 1 BELT, “V”, PTO to Mower
2 1916950 4 NUT, Hex, Full, 3/8-16
3 1916965 4 LOCKWASHER, 3/8
4 1924356 3 WASHER, Special
5 1651184 1 DEFLECTOR - (Orange)
5 61651184 1 DEFLECTOR - (Black)
6 * 1 DECAL, OPEI (Not Serviced)
7 1960268 4 CARRIAGE BOLT, 3/8-16 x 1-1/4 (All Except 1693418 & 1693419)
8 174127 1 GUARD ASSEMBLY, Stone (All Except 1693418 & 1693419)
9 156306 2 PIN
10 176012 2 PIN, Clip
11 172468 1 ROCKER ARM ASSEMBLY
12 105051 2 SPACER
13 1921176 2 CAPSCREW, Hex Hd, 1/2-13 x 1-1/4
14 1916966 2 LOCKWASHER, 1/2
15 1913744 2 NUT, Hex, Jam, 1/2-13
16 1677261 1 STONE GUARD ASSEMBLY (1693418 & 1693419 Only)
17 1918452 2 PIN, Cotter, 1/8 x 1
18 1960116 2 PIN, Yoke
19 1931350 2 CARRIAGE BOLT, 3/8-16 x 1 (1693418 & 1693419 Only)

70
TP 400-2218-00-SV-SMA
© Copyright 1998 Simplicity Manufacturing, Inc. All Rights Reserved.
Part Number Index by Page Number
*1011
*1233
*1233
*149
*1410
*3413
*3430
*3613
*3630
** 36 31
*464
*5235
*5237
*5637
*5638
*5661
*6433
*686
101025 38 8
101025 40 8
103280 38 18
103280 40 18
105051 6 27
105051 64 9
105051 68 12
108186 26 26
108186 62 30
108202 62 7
108219 62 34
108224 62 21
108241 66 11
108360 66 13
108366 62 33
108454 62 17
108512 66 22
118117 28 21
121037 16 7
121083 32 *3
121190 32 *4
122023 36 49
122184 34 14
122184 36 14
153010 18 16
153068 32 22
154040 28 24
154065 32 18
154096 2 15
154096 22 21
154097 22 11
154177 4 4
154258 6 19
154264 6 4
154268 22 25
154269 22 6
154271 22 37
154279 28 22
154282 28 12
154289 4 8
154291 32 8
154304 64 5
154369 14 31
154393 46 3
154486 4 14
154487 4 17
156306 68 9
157077 38 3
157081 26 10
157120 32 9
157127 14 32
157127 16 15
157127 24 21
157273 24 28
157300 2 25
157424 10 20
157424 12 19
157427 4 5
157427 8 17
157427 10 16
157427 12 15
157494 4 23
157499 4 1
157618 4 20
157624 2 17
157625 2 29
157638 46 12
158196 14 13
158475 38 14
158475 40 14
158544 2 30
158579 32 *2
159107 38 19
159107 40 19
162085 32 *1
164029 42 25
164029 44 25
164155 24 4
164217 32 *13
164247 46 7
164272 6 31
165073 34 43
165073 36 43
166003 18 25
166004 22 36
166012 22 17
166014 22 31
166017 22 14
166018 22 28
166019 22 27
166021 22 26
166022 18 7
166040 22 46
166041 22 12
166043 22 18
166072 30 3
166074 30 8
166075 30 10
166110 30 4
166119 14 3
166122 16 5
166126 14 28
166130 14 21
166137 12 11
166156 14 23
166157 14 15
166173 16 3
166176 14 14
166206 30 5
168025 20 34
170168 4 13
170975 2 14
170987 6 17
170988 6 21
170992 6 15
170998 4 6
171000 6 12
171225 34 15
171225 36 15
171252 10 3
171252 12 3
171330 10 5
171330 12 4
171371 24 33
171375 4 12
171517 32 *6
171600 38 29
171600 40 29
171690 26 5
171772 24 37
171774 4 11
171790 28 6
171791 28 7
171792 28 5
171796 28 20
171815 64 29
171853 32 *12
171854 32 *25
171994 16 10
172008 38 2
172015 66 5
172046 66 1
172047 66 6
172108 16 11
172206 24 35
172206 28 19
172256 28 11
172264 10 17
172264 12 16
172320 26 2
172353 46 6
172353 46 11
172434 8 27
172434 34 24
172434 36 24
172434 42 4
172434 44 4
172436 34 25
172436 36 25
172468 68 11
172473 64 13
172584 56 55
172725 26 11
172744 10 4
172744 12 1
172750 28 23
172752 28 29
172753 28 30
172899 22 41
172996 36 50
173026 10 39
173026 12 20
173957 24 30
173991 24 17
174127 68 8
174131 60 1
174133 60 2*
174134 60 3
174137 60 9
174662 2 6
174723 26 9
174862 24 40
174896 20 8
176012 68 10
176111 28 35
176236 22 16
176243 22 34
176440 10 26
176945 32 23
176980 22 35
177041 32 10
177447 38 21
177522 24 14
177522 34 19
177522 36 19
177649 28 28
177900 32 17
178104 28 13
178105 28 31
178779 18 2
901480 22 44
901489 10 30
901493 22 39
901652 22 5
901677 22 43
901825 22 42
905123 14 30
905123 24 41
905123 28 17
905123 56 11
910224 6 6
912808 6 20
912808 22 22
912808 64 28
915019 32 24
916937 20 10
917673 56 51
919180 20 20
919766 26 4
920036 24 29
920426 10 32
920426 12 26
920427 52 5
921133 2 27
921133 4 9
921349 60 7*
921884 56 29
922523 8 25
923471 62 1
923471 64 24
923905 26 40
923905 60 8
927103 8 12
927732 8 23
927793 6 22
927794 4 25
927794 10 23
927794 20 12
928812 26 7
930671 32 21
930709 18 20
932747 34 40
932747 36 40
934683 34 42
934683 36 42
960169 32 7
960171 38 9
960171 40 9
960183 22 33
960187 22 29
960190 32 11
960477 10 29
1603189 34 8
1603189 36 8
1605751 52 12
1606554 24 25
1606823 42 30
1606823 44 30
1607870 42 20
1607870 44 20
1608759 30 9
1612093 56 9
1650254 24 38
1650304 24 39
1650347 20 24
1650358 20 32
1650360 20 37
1650392 20 6
1650394 66 9
1650401 20 18
1650414 28 3
1650427 22 23
Part No. Page No Ref No. Part No. Page No Ref No. Part No. Page No Ref No. Part No. Page No Ref No. Part No. Page No Ref No.

TP 400-2218-00-SV-SMA
71
© Copyright 1997 Simplicity Manufacturing, Inc. All Rights Reserved.
Part Number Index by Page Number
1650429 22 7
1650502 16 4
1650506 20 3
1650519 32 27
1650524 18 12
1650531 16 6
1650553 4 18
1650592 20 5
1650621 20 15
1650633 18 9
1650651 14 4
1650712 20 28
1650713 20 23
1650715 20 29
1650775 22 30
1650872 20 14
1650874 20 4
1650906 24 34
1651000 38 4
1651078 22 32
1651089 18 14
1651090 18 15
1651184 68 5
1651703 18 24
1651820 66 10
1652181 56 1
1652183 56 19
1652184 56 18
1652185 56 8
1652186 56 17
1652189 56 23
1652192 56 3
1652194 56 4
1652196 56 44
1652197 56 46
1652203 56 40
1652204 56 39
1652207 56 36
1652212 56 35
1652214 56 31
1652216 56 30
1652217 56 28
1652219 56 27
1652220 56 26
1652221 56 25
1652222 56 24
1652223 56 21
1652224 56 22
1652226 56 16
1652228 56 13
1652229 56 12
1652231 56 10
1652234 56 6
1652235 56 5
1652251 56 7
1652253 56 53
1652254 56 48
1652469 22 10
1653120 22 19
1653876 2 19
1654930 10 7
1654930 12 5
1655729 62 6
1655777 64 19
1656005 56 56
1656006 56 57
1656007 56 58
1656009 56 59
1656877 28 32
1656916 64 23
1656936 64 34
1657017 8 1
1657044 64 14
1657242 52 30
1657323 14 29
1657528 62 15
1657694 46 14
1657891 66 12
1657969 62 5
1663111 28 9
1663114 2 26
1663114 20 35
1663752 42 5
1663752 44 5
1664204 20 13
1664460 10 8
1664460 12 6
1664847 18 23
1664847 62 14
1665235 36 3
1665237 36 51
1665238 34 33
1665238 36 33
1665251 20 33
1665257 20 36
1665440 24 10
1665908 2 11
1665909 2 12
1666148 38 30
1666148 40 30
1666163 38 25
1666163 40 25
1666204 6 26
1666275 10 6
1666275 12 2
1666294 24 9
1666415 18 22
1666648 6 29
1666703 38 17
1666703 40 17
1666744 42 29
1666744 44 29
1666781 24 43
1667171 22 3
1667175 48 9
1667261 26 37
1667269 26 34
1667270 26 17
1667271 2 16
1667346 22 40
1667408 26 1
1667435 26 38
1667437 26 19
1667773 56 32
1667774 56 33
1667811 24 8
1667812 14 19
1667812 24 12
1667812 52 9
1667825 60 15*
1668202 50 3
1668328 48 3
1668419 16 13
1668513 62 18
1668513 66 4
1668541 66 7
1668625 6 16
1668637 10 24
1668737 14 11
1668737 16 17
1668882 26 22
1668883 26 21
1670857 22 13
1671228 18 21
1671229 18 19
1671323 24 19
1671339 24 36
1671424 24 3
1671582 18 8
1671665 56 43
1671667 28 16
1671699 56 45
1673452 22 24
1673453 22 38
1673532 56 15
1673533 56 14
1673534 56 2
1673534 56 60
1673535 56 20
1673537 56 50
1673538 56 54
1673686 8 9
1673700 26 36
1673801 22 20
1673833 60 12*
1673835 60 11
1673836 60 10
1673837 60 13
1673854 60 14
1674137 2 28
1674358 34 26
1674358 36 26
1674363 34 28
1674363 36 28
1674669 64 31
1674774 62 27
1675587 62 27
1675789 26 20
1675932 38 34
1675932 40 2
1676067 64 4
1676148 64 32
1676277 62 13
1676278 62 37
1676418 8 4
1676468 8 3
1676527 8 36
1677261 68 16
1677368 34 32
1677368 36 32
1677370 34 36
1677370 36 36
1677371 34 44
1677371 36 44
1678371 12 12
1679023 54 A
1679024 54 1
1679025 54 2
1679026 54 3
1679027 54 4
1679028 54 5
1679029 54 6
1679030 54 B
1679031 54 7
1679032 54 8
1679033 54 9
1679034 54 C
1679035 54 D
1679036 54 10
1679037 54 11
1679038 54 12
1679039 54 E
1679040 54 13
1679041 54 F
1679042 54 G
1679043 54 14
1679044 54 15
1679045 54 H
1679046 8 2
1679046 54 16
1679047 54 I
1679048 54 J
1679054 54 17
1679138 60 5*
1679142 60 6*
1679144 54 18
1679145 54 19
1679157 62 4
1679161 62 12
1679194 62 8
1679195 62 36
1679354 14 8
1679363 54 20
1679364 54 21
1679538 8 22
1679556 8 21
1679588 10 36
1679711 64 22
1679916 64 21
1679957 64 2
1685054 28 18
1685058 34 1
1685058 36 1
1685088 28 8
1685088 28 10
1685128 56 34
1685281 62 35
1685282 62 35
1685290 34 37
1685290 36 37
1685347 26 6
1685408 38 11
1685408 40 11
1685444 8 40
1685448 54 K
1685790 52 8
1685791 52 8
1686637 34 9
1686637 36 9
1686651 6 2
1686655 10 37
1700229 64 18
1700230 64 17
1701011 8 26
1701011 12 9
1701229 34 48
1701229 36 48
1701229 42 18
1701229 44 18
1703273 62 9
1703805 24 26
1703851 36 23
1704276 64 16
1704277 64 7
1704299 42 11
1704299 44 11
1704314 62 40
1704379 34 35
1704379 36 35
1704384 48 10
1704384 64 36
1704505 24 27
1704723 42 35
1704723 44 35
1704724 42 17
1704724 44 17
1704728 42 14
1704728 44 14
1704926 14 26
1704926 64 30
Part No. Page No Ref No. Part No. Page No Ref No. Part No. Page No Ref No. Part No. Page No Ref No. Part No. Page No Ref No.

TP 400-2218-00-SV-SMA
72
© Copyright 1997 Simplicity Manufacturing, Inc. All Rights Reserved.
Part Number Index by Page Number
1706655 8 14
1707101 42 13
1707101 44 13
1707133 42 36
1707137 42 33
1707137 44 33
1707335 62 39
1707394 54 22
1707395 54 23
1707755 34 29
1707755 36 29
1708007 26 24
1708009 26 29
1708298 20 30
1708298 26 12
1708361 42 26
1708361 44 26
1708405 10 1
1708405 12 10
1708729 10 22
1708730 34 3
1708734 34 17
1708749 38 24
1708749 40 24
1708757* 2 1
1708761 10 31
1708761 12 27
1708763 10 14
1708764 10 13
1708764 12 13
1708807 50 6
1708808 50 6
1708810 48 6
1708873 10 2
1708873 12 31
1708926 50 7
1708927 48 1
1709060 38 14
1709060 40 14
1709067 64 3
1709256 42 15
1709256 44 15
1709307 42 38
1709307 44 2
1709308 42 12
1709308 44 12
1709322 18 27
1709322 56 49
1709959 46 2
1709969 46 9
1709970 46 8
1709971 46 10
1712286 10 38
1712286 12 28
1712286 52 20
1713060 46 1
1713177 46 5
1713337 12 32
1713515 68 1
1713534 34 2
1713534 36 2
1713535 34 27
1713535 36 27
1713543 48 5
1713840 42 1
1713843 24 15
1713844 38 6
1713844 40 6
1713847 20 40
1713847 26 15
1713848 38 7
1713848 40 7
1713854 24 16
1713978 50 8
1713980 50 6
1713981 50 6
1714054 34 10
1714054 36 10
1714055 34 11
1714055 36 11
1714097 6 1
1714130 60 4
1714363 50 7
1714378 50 6
1714379 50 6
1714440 6 5
1714441 42 34
1714441 44 34
1714483 42 2
1714647 34 16
1714647 36 16
1715435 24 1
1715496 8 30
1715497 8 28
1715498 8 29
1715499 8 31
1715500 8 33
1715513 8 15
1715523 8 34
1715547 40 4
1715549 48 3
1715769 42 22
1715769 44 22
1716108 48 2
1716502 8 8
1716516 50 8
1716518 50 8
1716534 48 7
1716535 48 8
1716537 48 2
1716859 8 18
1716863 8 5
1716896 12 25
1716897 52 29
1716898 12 29
1717111 12 22
1717114 52 18
1717183 36 17
1717228 52 36
1717229 52 38
1717233 52 3
1717234 52 1
1717238 36 26
1717239 52 28
1717242 52 11
1717243 52 25
1717244 52 33
1717245 52 24
1717246 52 13
1717250 52 27
1717256 52 2
1717257 52 2
1717258 52 2
1717259 52 2
1717260 52 2
1717313 50 2
1717400 52 10
1717401 52 4
1717406 36 14
1717409 36 52
1717412 52 2
1717431 48 4
1717449 48 4
1717551 12 7
1717557 10 10
1717686 50 3
1717692 50 5
1717706 50 1
1717707 50 6
1717708 50 6
1717709 50 4
1717729 48 4
1717970 34 23
1718025 50 2
1718561 64 35
1718681 26 30
1718851 44 1
1718858 42 10
1718858 44 10
1718859 44 36
1719244 8 32
1719363 42 12
1909589 8 7
1913744 4 27
1913744 20 11
1913744 68 15
1916622 20 9
1916622 26 28
1916622 32 *15
1916622 34 6
1916622 36 6
1916622 62 11
1916950 2 22
1916950 10 18
1916950 12 17
1916950 14 2
1916950 24 23
1916950 52 7
1916950 52 32
1916950 62 22
1916950 66 15
1916950 68 2
1916951 6 23
1916951 64 12
1916964 20 7
1916964 26 23
1916964 28 34
1916964 32 *16
1916964 34 7
1916964 36 7
1916964 62 10
1916965 2 23
1916965 6 10
1916965 10 19
1916965 12 18
1916965 14 6
1916965 18 10
1916965 24 24
1916965 52 31
1916965 62 23
1916965 64 26
1916965 66 16
1916965 68 3
1916966 6 24
1916966 64 11
1916966 68 14
1917356 2 4
1917356 8 10
1917356 18 5
1917356 20 17
1917356 22 2
1917356 24 32
1917356 28 25
1917356 34 4
1917356 36 4
1917356 42 24
1917356 44 24
1917356 52 16
1917356 52 22
1917356 62 26
1917372 2 13
1917372 16 1
1917372 18 6
1917372 20 16
1917372 22 1
1917372 24 22
1917372 42 23
1917372 44 23
1917372 52 21
1917372 62 25
1917415 34 45
1917415 36 45
1917421 64 25
1917421 66 14
1917867 38 5
1917867 40 5
1918196 26 13
1918199 2 3
1918199 10 28
1918199 14 17
1918199 28 2
1918199 30 2
1918199 34 39
1918199 36 39
1918199 56 42
1918199 62 2
1918213 14 22
1918213 30 11
1918431 4 21
1918431 6 25
1918447 20 31
1918447 26 39
1918447 66 18
1918452 68 17
1918458 62 20
1918458 66 3
1918459 24 44
1919262 6 30
1919262 64 6
1919326 16 16
1919326 18 4
1919326 42 28
1919326 44 28
1919326 52 23
1919381 16 14
1919438 34 38
1919438 36 38
1919438 42 16
1919438 44 16
1919439 14 1
1919439 20 41
1919439 26 31
1919439 42 7
1919439 44 7
1920263 8 11
1920263 34 5
1920263 36 5
1920328 6 28
1920415 6 13
1920415 10 21
1920415 10 35
1920415 12 21
1920415 20 1
1920415 42 21
1920415 44 21
1920415 56 52
1920415 66 21
1920470 2 8
1920676 10 27
1920676 28 33
Part No. Page No Ref No. Part No. Page No Ref No. Part No. Page No Ref No. Part No. Page No Ref No. Part No. Page No Ref No.

73
TP 400-2218-00-SV-SMA
Part Number Index by Page Number
Part No. Page No Ref No. Part No. Page No Ref No. Part No. Page No Ref No. Part No. Page No Ref No. Part No. Page No Ref No.
1920676 34 47
1920676 36 47
1920677 28 1
1920677 30 6
1921176 64 8
1921176 68 13
1921210 4 2
1921210 6 11
1921210 8 38
1921210 38 32
1921210 40 21
1921210 66 19
1921212 2 2
1921319 20 2
1921319 26 27
1921319 34 41
1921319 36 41
1921319 62 31
1921332 2 5
1921332 18 3
1921333 18 13
1921333 22 4
1921333 52 26
1921959 28 15
1921959 32 *26
1921959 62 28
1921960 8 37
1921961 20 27
1921961 26 25
1921963 26 18
1921971 10 33
1921971 14 5
1921972 10 25
1921972 32 *5
1921977 2 21
1921978 22 45
1922015 8 24
1922130 14 25
1922133 24 42
1922133 28 4
1922133 28 14
1922611 14 33
1922711 34 46
1922711 36 46
1922755 20 21
1922755 20 25
1923027 30 1
1923325 52 17
1923341 34 34
1923341 36 34
1923358 8 35
1923358 16 9
1923358 20 22
1923362 14 20
1923362 16 8
1923362 18 17
1923362 24 5
1923683 8 16
1923683 26 16
1923701 24 2
1923701 56 47
1923735 18 1
1924058 24 6
1924356 68 4
1924361 64 10
1924856 10 34
1924856 12 30
1924940 2 24
1924940 4 3
1924940 6 9
1924940 14 18
1924940 24 11
1924940 26 33
1924940 42 6
1924940 44 6
1924940 52 6
1924940 62 38
1924940 64 27
1924940 66 17
1925125 10 12
1925125 14 27
1925125 34 18
1925125 36 18
1925205 28 26
1925205 42 31
1925205 44 31
1925205 52 19
1925592 62 29
1925695 18 11
1926025 38 1
1926025 40 1
1926035 14 24
1926110 30 7
1926192 34 21
1926192 36 21
1926771 16 12
1927428 18 28
1927469 4 22
1927531 56 41
1927557 52 15
1927609 22 9
1928295 14 16
1928352 2 20
1928352 42 9
1928352 44 9
1928352 64 20
1928691 4 15
1928703 38 13
1928703 40 13
1928721 2 10
1928721 16 2
1928721 32 19
1928727 2 18
1928731 6 14
1928731 26 8
1928734 2 9
1928734 6 8
1928919 38 16
1928919 40 16
1929000 64 1
1930245 6 32
1930531 38 10
1930531 38 26
1930531 40 10
1930531 40 26
1930561 38 12
1930561 40 12
1930598 12 23
1930627 38 27
1930627 40 27
1930645 8 39
1930645 20 26
1930647 24 13
1930647 34 20
1930647 36 20
1930648 4 26
1930650 6 18
1930650 14 7
1930651 4 10
1930651 24 18
1930651 32 *14
1930651 38 20
1930651 38 33
1930651 40 3
1930651 40 15
1930651 42 19
1930651 44 19
1930651 66 20
1930665 38 15
1930665 40 20
1931333 2 7
1931333 38 23
1931333 40 23
1931333 62 16
1931339 42 3
1931339 44 3
1931350 42 8
1931350 44 8
1931350 62 24
1931350 66 8
1931350 68 19
1931353 24 7
1931648 20 38
1931648 42 32
1931648 44 32
1932771 12 24
1932771 34 22
1932771 36 22
1932849 22 8
1933263 62 3
1933468 18 26
1933896 52 34
1933988 38 22
1933988 40 22
1960020 8 13
1960020 24 45
1960020 42 37
1960020 44 37
1960020 62 19
1960020 66 2
1960032 26 35
1960033 26 3
1960072 24 20
1960085 20 19
1960086 24 31
1960096 38 28
1960096 40 28
1960103 18 18
1960106 20 39
1960106 26 14
1960112 10 9
1960112 12 8
1960114 4 7
1960114 8 20
1960116 68 18
1960141 52 14
1960155 32 20
1960184 22 15
1960251 14 12
1960268 62 32
1960268 64 15
1960268 68 7
1960294 26 32
1960433 34 31
1960459 42 27
1960459 44 27
1960475 10 15
1960475 12 14
1960517 38 31
1960517 40 31
1960540 6 3
1960547 34 12
1960547 36 12
1960558 8 6
1960563 4 19
1960563 8 19
1961022 28 27
8021010 4 16
8021010 6 7
8061012 4 24
8261100 46 13
41708749 38 24
41715769 42 22
41715769 44 22
61651184 68 5
61676067 64 4
61679957 64 2
61685281 62 35
61685282 62 35

74
TP 400-2218-00-SV-SMA
© Copyright 1998 Simplicity Manufacturing, Inc. All Rights Reserved.
Torque Specification Chart
FOR STANDARD MACHINE HARDWARE (Tolerance ± 20%)
Hardware
Grade
SAE Grade 2 SAE Grade 5 SAE Grade 8
Size Of
in/lbs in/lbs
in/lbs
Hardware ft/lbs Nm. ft/lbs Nm. ft/lbs Nm.
8-32
19
2.1
30
3.4
41
4.6
8-36
20
2.3
31
3.5
43
4.9
10-24
27
3.1
43
4.9
60
6.8
10-32
31
3.5
49
5.5
68
7.7
1/4-20
66
7.6 810.9 12 16.3
1/4-28
76
8.6 10 13.6 14 19.0
5/16-18 11 15.0 17 23.1 25 34.0
5/16-24 12 16.3 19 25.8 27 34.0
3/8-16 20 27.2 30 40.8 45 61.2
3/8-24 23 31.3 35 47.6 50 68.0
7/16-14 30 40.8 50 68.0 70 95.2
7/16-20 35 47.6 55 74.8 80 108.8
1/2-13 50 68.0 75 102.0 110 149.6
1/2-20 55 74.8 90 122.4 120 163.2
9/16-12 65 88.4 110 149.6 150 204.0
9/16-18 75 102.0 120 163.2 170 231.2
5/8-11 90 122.4 150 204.0 220 299.2
5/8-18 100 136 180 244.8 240 326.4
3/4-10 160 217.6 260 353.6 386 525.0
3/4-16 180 244.8 300 408.0 420 571.2
7/8-9 140 190.4 400 544.0 600 816.0
7/8-14 155 210.8 440 598.4 660 897.6
1-8 220 299.2 580 788.8 900 1,244.0
1-12 240 326.4 640 870.4 1,000 1,360.0
Hex Head Capscrew
Hex Nut
Lockwasher
Washer
Carriage Bolt
NOTES
1. These torque values are to be used for all hardware
excluding: locknuts, self-tapping screws, thread forming
screws, sheet metal screws and socket head setscrews.
2. Recommended seating torque values for locknuts:
a. for prevailing torque locknuts - use 65% of grade 5
torques.
b. for flange whizlock nuts and screws - use 135% of
grade 5 torques.
3. Unless otherwise noted on assembly drawings, all torque
values must meet this specification.
Hardware Identification & Torque Specifications
Common Hardware Types
Screw, 1/2 x 2
Body
Diameter
Body
Length
Inside
Diameter
Nut, 1/2”
No
Marks
3/8” Bolt or Nut
Wrench—9/16”
3/8
5/16” Bolt or Nut
Wrench—1/2”
5/16
1/4” Bolt or Nut
Wrench—7/16”
1/4
1/2” Bolt or Nut
Wrench—3/4”
1/2
DIA.
7/16
DIA.
7/16” Bolt or Nut
Wrench (Bolt)—5/8”
Wrench (Nut)—11/16”
Wrench & Fastener Size Guide
Standard Hardware Sizing
When a washer or nut is identified as 1/2”, this is the
Nominal size
, meaning the
inside diameter
is 1/2 inch; if a
second number is present it represent the
threads per inch
When bolt or capscrew is identified as 1/2 - 16 x 2”, this
means the
Nominal size
, or
body diameter
is 1/2 inch; the
second number represents the
threads per inch
(16 in this
example, and the final number is the
body length
of the
bolt or screw (in this example 2 inches long).
The guides and ruler furnished below are designed to
help you select the appropriate hardware and tools.
01/4 3/4
1/2 11/4 3/4
1/2 21/4 3/4
1/2 31/4 3/4
1/2 4