Simplicity Zt2148 Parts Manual TP_400_7034_02_CT_D
ZT2148K heCBEN8goI2rE5Cxh57bp796Dq
ZT2352B to the manual 89d5f6d8-b11d-484d-b988-b3d70576b163
2014-12-13
: Simplicity Simplicity-Zt2148-Parts-Manual-126755 simplicity-zt2148-parts-manual-126755 simplicity pdf
Open the PDF directly: View PDF
.
Page Count: 63

Print Instructions for Print Vendors (Paper Manuals)
PARTS MANUAL
TOTAL PAGE COUNT: Less than 80
Paper Size: • 11 x 17
• Body - 50 lbs brilliant white offset or equivalent.
• Cover - on 80 lbs coated, pre-printed “grid” cover stock
(NOTE: If total order quantity is less than 100 pieces, use uncoated cover stock)
Press: • Body - 1-color, 2-sided
• Cover imprint - 1-color, 2-sided
Bindery: • Fold & Staple (2X), Face Trim, 3-Hole Drill
TOTAL PAGE COUNT: 80 or greater
Paper Size: • 8-1/2 x 11
• Body - 50 lbs brilliant white offset or equivalent.
• Cover - on 80 lbs coated, pre-printed “grid” cover stock
(NOTE: If total order quantity is less than 100 pieces, use uncoated cover stock)
Press: • Body - 1-color, 2-sided
• Cover imprint - 1-color, 2-sided
Bindery: • Perfect Bind, Face Trim (3 knife), 3-Hole Drill
GENERAL
COVERS: • Covers are located at the beginning of this package.
• Back cover is the page IMMEDIATELY AFTER the front cover.
• If supplied, the “Hardware Identification & Torque Specifications” is located IMMEDIATELY AFTER
the back cover. This page MUST be printed on the INSIDE of the BACK cover.
• Check the front cover for the individual part number (typically a 2xxxx or 182xxxx number).
• Check the front cover for the document number (TP 4xx - xxxx - xx - xx - xx)
BODY: •ODD number pages are ALWAYS right hand pages, and EVEN number are ALWAYS left hand
pages.
General: • This instruction page is NOT part of the manual and must NOT be printed.
• Pages labeled with the text “THIS PAGE INTENTIONALLY BLANK” are placement pages ONLY,
and should NOT be printed.
If you have any further questions regarding this manual, please contact Ken Cehonski in
Ferris Industries Engineering Department at (315) 495-0100 ext. 249.

THIS PAGE INTENTIONALLY BLANK

22819
Rev. No. 02
Rev. Date: 10/2003
TP 400-7034-02-CT-D
Model Number: Description:
ZT2148 Colt, w/ 21 HP Briggs & Stratton & 48” Mower Deck
ZT2148B Colt, w/ 21 HP Briggs & Stratton & 48” Mower Deck
ZT2148K Colt, w/ 21 HP Kohler & 48” Mower Deck
ZT2352 Colt, w/ 23 HP Briggs & Stratton & 52” Mower Deck
ZT2352B Colt, w/ 23 HP Briggs & Stratton & 52” Mower Deck
ZT2352K Colt, w/ 23 HP Kohler & 52” Mower Deck
Colt
Zero-Turn Riding Mower
TM
mowers are built by
Ferris Industries, a
Simplicity company.
Ferris Industries
5375 North Main Street
Munnsville, NY 13409
800-933-6175
TM
PARTS
MANUAL

Ferris Industries
5375 North Main Street
Munnsville, NY 13409
800-933-6175
www.ferrisindustries.com
© Copyright 2003 Ferris Industries
All Rights Reserved. Printed in USA.

Torque Specification Chart
FOR STANDARD MACHINE HARDWARE (Tolerance ± 20%)
Hardware
Grade
SAE Grade 2 SAE Grade 5 SAE Grade 8
Size Of
in/lbs in/lbs in/lbs
Hardware ft/lbs Nm. ft/lbs Nm. ft/lbs Nm.
8-32
19
2.1
30
3.4
41
4.6
8-36
20
2.3
31
3.5
43
4.9
10-24
27
3.1
43
4.9
60
6.8
10-32
31
3.5
49
5.5
68
7.7
1/4-20
66
7.6 810.9 12 16.3
1/4-28
76
8.6 10 13.6 14 19.0
5/16-18 11 15.0 17 23.1 25 34.0
5/16-24 12 16.3 19 25.8 27 34.0
3/8-16 20 27.2 30 40.8 45 61.2
3/8-24 23 31.3 35 47.6 50 68.0
7/16-14 30 40.8 50 68.0 70 95.2
7/16-20 35 47.6 55 74.8 80 108.8
1/2-13 50 68.0 75 102.0 110 149.6
1/2-20 55 74.8 90 122.4 120 163.2
9/16-12 65 88.4 110 149.6 150 204.0
9/16-18 75 102.0 120 163.2 170 231.2
5/8-11 90 122.4 150 204.0 220 299.2
5/8-18 100 136 180 244.8 240 326.4
3/4-10 160 217.6 260 353.6 386 525.0
3/4-16 180 244.8 300 408.0 420 571.2
7/8-9 140 190.4 400 544.0 600 816.0
7/8-14 155 210.8 440 598.4 660 897.6
1-8 220 299.2 580 788.8 900 1,244.0
1-12 240 326.4 640 870.4 1,000 1,360.0
Hex Head Capscrew
Hex Nut
Lockwasher
Washer
Carriage Bolt
NOTES
1. These torque values are to be used for all hardware
excluding: locknuts, self-tapping screws, thread forming
screws, sheet metal screws and socket head setscrews.
2. Recommended seating torque values for locknuts:
a. For prevailing torque locknuts:
use 65% of Grade 5 torque.
b. For flange whizlock nuts and screws:
use 135% of Grade 5 torque.
3. Unless otherwise noted on assembly drawings,
all torque values must meet this specification.
Hardware Identification & Torque Specifications
Common Hardware Types
Screw, 1/2 x 2
Body
Diameter
Body
Length
Inside
Diameter
Nut, 1/2”
No
Marks
3/8” Bolt or Nut
Wrench—9/16”
3/8
5/16” Bolt or Nut
Wrench—1/2”
5/16
1/4” Bolt or Nut
Wrench—7/16”
1/4
1/2” Bolt or Nut
Wrench—3/4”
1/2
7/16
7/16” Bolt or Nut
Wrench (Bolt)—5/8”
Wrench (Nut)—11/16”
Wrench & Fastener Size Guide
Standard Hardware Sizing
When a washer or nut is identified as 1/2”, this is the
nominal size
, meaning the
inside diameter
is 1/2 inch; if a
second number is present it represents the
threads per inch.
When a bolt or capscrew is identified as 1/2 - 16 x 2” , this
means the
nominal size
, or
body diameter
is 1/2 inch; the
second number represents the
threads per inch
(16 in this
example), and the final number is the
body length
of the
bolt or screw (2 inches long in this example).
The guides and ruler furnished below are designed to
help you select the appropriate hardware and tools.
0
1/4 3/4
1/2
1
1/4 3/4
1/2
2
1/4 3/4
1/2
3
1/4 3/4
1/2
4

THIS PAGE INTENTIONALLY BLANK

1
TP 400-7034-01-CT-D
© Copyright 2003 Ferris Industries. All Rights Reserved.
Table of Contents
RIDER COMPONENTS
Main Frame and Front Caster Group . . . . . . . . . . . . . . . . . . . . . . . . . . . . . . . . . . . . . . . . . . . . . . . . . . .2
Floor & Brake Cover Group . . . . . . . . . . . . . . . . . . . . . . . . . . . . . . . . . . . . . . . . . . . . . . . . . . . . . . . . . . .4
Seat & Seat Mount Group . . . . . . . . . . . . . . . . . . . . . . . . . . . . . . . . . . . . . . . . . . . . . . . . . . . . . . . . . . . . .6
Control Cover, Mount & Fan Shield Group . . . . . . . . . . . . . . . . . . . . . . . . . . . . . . . . . . . . . . . . . . . . . . .8
Instrument Panel Group . . . . . . . . . . . . . . . . . . . . . . . . . . . . . . . . . . . . . . . . . . . . . . . . . . . . . . . . . . . . .10
Fuel Tank & Bumper Group . . . . . . . . . . . . . . . . . . . . . . . . . . . . . . . . . . . . . . . . . . . . . . . . . . . . . . . . . .12
Fuel Supply Hose Group . . . . . . . . . . . . . . . . . . . . . . . . . . . . . . . . . . . . . . . . . . . . . . . . . . . . . . . . . . . .14
Engine & PTO Group - Briggs & Stratton . . . . . . . . . . . . . . . . . . . . . . . . . . . . . . . . . . . . . . . . . . . . . . .16
Engine & PTO Group - Kohler . . . . . . . . . . . . . . . . . . . . . . . . . . . . . . . . . . . . . . . . . . . . . . . . . . . . . . . .18
Pump Drive Group . . . . . . . . . . . . . . . . . . . . . . . . . . . . . . . . . . . . . . . . . . . . . . . . . . . . . . . . . . . . . . . . .20
Motion Control Group . . . . . . . . . . . . . . . . . . . . . . . . . . . . . . . . . . . . . . . . . . . . . . . . . . . . . . . . . . . . . . .22
Motion Control - Neutral Return Group . . . . . . . . . . . . . . . . . . . . . . . . . . . . . . . . . . . . . . . . . . . . . . . .24
Hydraulic Group . . . . . . . . . . . . . . . . . . . . . . . . . . . . . . . . . . . . . . . . . . . . . . . . . . . . . . . . . . . . . . . . . . .26
Parking Brake Group-Upper . . . . . . . . . . . . . . . . . . . . . . . . . . . . . . . . . . . . . . . . . . . . . . . . . . . . . . . . . .28
Parking Brake Group-Lower . . . . . . . . . . . . . . . . . . . . . . . . . . . . . . . . . . . . . . . . . . . . . . . . . . . . . . . . . .30
Battery Mount, Reservoir Mount & Soleniod Mount Group . . . . . . . . . . . . . . . . . . . . . . . . . . . . . . . .32
Deck Lift Group . . . . . . . . . . . . . . . . . . . . . . . . . . . . . . . . . . . . . . . . . . . . . . . . . . . . . . . . . . . . . . . . . . . .34
Tire & Wheel Group . . . . . . . . . . . . . . . . . . . . . . . . . . . . . . . . . . . . . . . . . . . . . . . . . . . . . . . . . . . . . . . . .36
Electrical Schematics - Briggs & Stratton . . . . . . . . . . . . . . . . . . . . . . . . . . . . . . . . . . . . . . . . . . . . . .38
Electrical Schematics - Kohler . . . . . . . . . . . . . . . . . . . . . . . . . . . . . . . . . . . . . . . . . . . . . . . . . . . . . . . .42
Decals - Brand & Model . . . . . . . . . . . . . . . . . . . . . . . . . . . . . . . . . . . . . . . . . . . . . . . . . . . . . . . . . . . . .46
Decals - Safety & Operation . . . . . . . . . . . . . . . . . . . . . . . . . . . . . . . . . . . . . . . . . . . . . . . . . . . . . . . . . .48
MOWER DECK COMPONENTS
Mower Housing, Cover, Spindle and Blade Group . . . . . . . . . . . . . . . . . . . . . . . . . . . . . . . . . . . . . . .50
Mower Drive Group . . . . . . . . . . . . . . . . . . . . . . . . . . . . . . . . . . . . . . . . . . . . . . . . . . . . . . . . . . . . . . . . .52
Mower Rear Mount Group . . . . . . . . . . . . . . . . . . . . . . . . . . . . . . . . . . . . . . . . . . . . . . . . . . . . . . . . . . .54
Mower Deck Roller Group . . . . . . . . . . . . . . . . . . . . . . . . . . . . . . . . . . . . . . . . . . . . . . . . . . . . . . . . . . .56
REFERENCE INFORMATION:
Torque Specification Chart . . . . . . . . . . . . . . . . . . . . . . . . . . . . . . . . . . . . . . . . . . . . .Inside Back Cover

2
TP 400-7034-01-CT-D
© Copyright 2003 Ferris Industries. All Rights Reserved.
The above parts group applies to the following Model Nos.:
ZT2148 Colt 21 HP Briggs & Stratton Rider w/ 48” Mower
ZT2148B Colt 21 HP Briggs & Stratton Rider w/ 48” Mower
ZT2148K Colt 21 HP Kohler Rider w/ 48” Mower
ZT2352 Colt 23 HP Briggs & Stratton Rider w/ 52” Mower
ZT2352B Colt 23 HP Briggs & Stratton Rider w/ 52” Mower
ZT2352K Colt 23 HP Kohler Rider w/ 52” Mower
Main Frame & Front Caster Group
NOTE: Unless noted otherwise,
use the standard hardware torque
specification chart.
See Wheel & Tire Group
for Tires & Fasteners
1
32
5
4
8
7
6

3
TP 400-7034-01-CT-D
REF NO. PART NO. QTY. DESCRIPTION
Footnotes:
1 1847007 1 MAIN FRAME
2 21073 2 CAP
3 25203-10 2 PIN, Cotter
4 25104 2 NUT, Hex, Slotted, 3/4-16
5 25160 2 WASHER, 3/4
6 20884 4 BEARING, Tapered Roller
7 21072 2 SEAL, Grease
8 1847049 2 CASTER YOKE
The above parts group applies to the following Model Nos.:
ZT2148 Colt 21 HP Briggs & Stratton Rider w/ 48” Mower
ZT2148B Colt 21 HP Briggs & Stratton Rider w/ 48” Mower
ZT2148K Colt 21 HP Kohler Rider w/ 48” Mower
ZT2352 Colt 23 HP Briggs & Stratton Rider w/ 52” Mower
ZT2352B Colt 23 HP Briggs & Stratton Rider w/ 52” Mower
ZT2352K Colt 23 HP Kohler Rider w/ 52” Mower

4
TP 400-7034-01-CT-D
© Copyright 2003 Ferris Industries. All Rights Reserved.
The above parts group applies to the following Model Nos.:
ZT2148 Colt 21 HP Briggs & Stratton Rider w/ 48” Mower
ZT2148B Colt 21 HP Briggs & Stratton Rider w/ 48” Mower
ZT2148K Colt 21 HP Kohler Rider w/ 48” Mower
ZT2352 Colt 23 HP Briggs & Stratton Rider w/ 52” Mower
ZT2352B Colt 23 HP Briggs & Stratton Rider w/ 52” Mower
ZT2352K Colt 23 HP Kohler Rider w/ 52” Mower
Floor & Brake Cover Group
NOTE: Unless noted otherwise,
use the standard hardware torque
specification chart.
1
10
2
3
4
5
7 8
6
9
11
11
12
7

5
TP 400-7034-01-CT-D
REF NO. PART NO. QTY. DESCRIPTION
Footnotes:
1 1847069 1 BRAKE COVER PANEL
2 25013-16 2 CAPSCREW, Hex Hd, 3/8-16 x 2
3 25156 2 WASHER, 3/8
4 47125 2 SPACER, Cover Panel
5 25128 2 NUT, Hex, Serrated Flange, 3/8-16
6 22308 2 BODY CLIP, 5/16-18
7 25011-8 4 CAPSCREW, Hex Hd, 5/16-18 x 1
8 25155 2 WASHER, 5/16
9 1847113 1 FLOOR PLATE
10 44873 1 SAFETY WALK
11 47139 2 SAFETY WALK
12 25057 2 NUT, Hex, Nylon Lock, 5/16-18
The above parts group applies to the following Model Nos.:
ZT2148 Colt 21 HP Briggs & Stratton Rider w/ 48” Mower
ZT2148B Colt 21 HP Briggs & Stratton Rider w/ 48” Mower
ZT2148K Colt 21 HP Kohler Rider w/ 48” Mower
ZT2352 Colt 23 HP Briggs & Stratton Rider w/ 52” Mower
ZT2352B Colt 23 HP Briggs & Stratton Rider w/ 52” Mower
ZT2352K Colt 23 HP Kohler Rider w/ 52” Mower

6
TP 400-7034-01-CT-D
© Copyright 2003 Ferris Industries. All Rights Reserved.
The above parts group applies to the following Model Nos.:
ZT2148 Colt 21 HP Briggs & Stratton Rider w/ 48” Mower
ZT2148B Colt 21 HP Briggs & Stratton Rider w/ 48” Mower
ZT2148K Colt 21 HP Kohler Rider w/ 48” Mower
ZT2352 Colt 23 HP Briggs & Stratton Rider w/ 52” Mower
ZT2352B Colt 23 HP Briggs & Stratton Rider w/ 52” Mower
ZT2352K Colt 23 HP Kohler Rider w/ 52” Mower
Seat & Seat Mount Group
NOTE: Unless noted otherwise,
use the standard hardware torque
specification chart.
1
3
2
4
5
6
7
8
9
10
11
12
12
15
14
13
16
17

7
TP 400-7034-01-CT-D
REF NO. PART NO. QTY. DESCRIPTION
Footnotes:
1 22363 1 SEAT, Brown (complete)
* 22363-1 1 CUSHION, Seat, Brown
* 22197-2 1 CUSHION, Back, Brown
* 22440 2 ARM REST, Black
2 1847744 1 SEAT MOUNT
3 46470 1 SEAT STOP ROD
4 20047 1 COLLAR, 5/16 Set
5 25095 2 NUT, Hex, Nylon Lock, 1/4-20
6 22673 2 RUBBER BUMPER
7 25013-48 1 CAPSCREW, Hex Hd, 3/8-16 x 6
8 25156 1 WASHER, 3/8
9 46586 1 SPACER, Seat Spring
10 22798 1 SPRING, Compression
11 25326 1 WASHER, 3/8 x 2
12 25096 3 NUT, Hex, Nylon Lock, 3/8-16
13 25029 2 NUT, Hex, #10-24
14 22095 1 SWITCH, NO/NC
15 25270 2 SCREW, #10-24 x 1
16 25057 4 NUT, Hex, Nylon Lock, 5/16-18
17 25013-32 2 CAPSCREW, Hex Hd, 3/8-16 x 4
The above parts group applies to the following Model Nos.:
ZT2148 Colt 21 HP Briggs & Stratton Rider w/ 48” Mower
ZT2148B Colt 21 HP Briggs & Stratton Rider w/ 48” Mower
ZT2148K Colt 21 HP Kohler Rider w/ 48” Mower
ZT2352 Colt 23 HP Briggs & Stratton Rider w/ 52” Mower
ZT2352B Colt 23 HP Briggs & Stratton Rider w/ 52” Mower
ZT2352K Colt 23 HP Kohler Rider w/ 52” Mower

8
TP 400-7034-01-CT-D
© Copyright 2003 Ferris Industries. All Rights Reserved.
The above parts group applies to the following Model Nos.:
ZT2148 Colt 21 HP Briggs & Stratton Rider w/ 48” Mower
ZT2148B Colt 21 HP Briggs & Stratton Rider w/ 48” Mower
ZT2148K Colt 21 HP Kohler Rider w/ 48” Mower
ZT2352 Colt 23 HP Briggs & Stratton Rider w/ 52” Mower
ZT2352B Colt 23 HP Briggs & Stratton Rider w/ 52” Mower
ZT2352K Colt 23 HP Kohler Rider w/ 52” Mower
Control Cover, Mount & Fan Shield Group
See Floor & Brake Panel Group
19
5
6
1
1234
56
8
7
5
6
69
10
12
11
16
13
14
15
19 18 17
20
21
22
11
16
23
11
10
13
15
9
7
9
14
12
24 7
NOTE: Unless noted otherwise,
use the standard hardware torque
specification chart.

9
TP 400-7034-01-CT-D
REF NO. PART NO. QTY. DESCRIPTION
Control Cover, Mount & Fan Shield Group
Footnotes:
1 1719230 2 HEADLIGHT ASSEMBLY, Complete
* 1719226 2 Headlight
* 1719227 2 Bezel
2 1846780 1 CONTROL COVER-RH
3 22030 1 VALVE, Fuel Shut Off
4 1719392 1 CUP HOLDER
5 25011-6 14 CAPSCREW, Hex Hd, 5/16-18 x 3/4
6 25155 14 WASHER, 5/16
7 25127 14 NUT, Hex, Serrated Flange, 5/16-18
8 1846706 1 SUPPORT, Cover-RH
* 1846705 1 SUPPORT, Cover-LH (not shown)
9 25128 6 NUT, Hex, Serrated Flange, 3/8-16
10 1846704 2 SUPPORT, Control Cover
11 25013-6 10 CAPSCREW, Hex Hd, 3/8-16 x 3/4
12 1846887 2 SUPPORT, Control Cover
13 1845887 2 DEBRIS GUARD
14 22395 4 RUBBER ISOLATOR
15 1845890 2 TANK MOUNT BAR
16 25156 10 WASHER, 3/8
17 25154 4 WASHER, 1/4
18 25010-6 4 CAPSCREW, Hex Hd, 1/4-20 x 3/4
19 1846890 2 FAN SHIELD MOUNT
20 22649 4 BODY CLIP, 3/8-16
21 22665 4 BODY CLIP, 1/4-20
22 1846645 2 FAN SHIELD
23 1846770 1 MOUNT, Oil Filter
24 1846779 1 CONTROL COVER-LH
The above parts group applies to the following Model Nos.:
ZT2148 Colt 21 HP Briggs & Stratton Rider w/ 48” Mower
ZT2148B Colt 21 HP Briggs & Stratton Rider w/ 48” Mower
ZT2148K Colt 21 HP Kohler Rider w/ 48” Mower
ZT2352 Colt 23 HP Briggs & Stratton Rider w/ 52” Mower
ZT2352B Colt 23 HP Briggs & Stratton Rider w/ 52” Mower
ZT2352K Colt 23 HP Kohler Rider w/ 52” Mower

10
TP 400-7034-01-CT-D
© Copyright 2003 Ferris Industries. All Rights Reserved.
The above parts group applies to the following Model Nos.:
ZT2148 Colt 21 HP Briggs & Stratton Rider w/ 48” Mower
ZT2148B Colt 21 HP Briggs & Stratton Rider w/ 48” Mower
ZT2148K Colt 21 HP Kohler Rider w/ 48” Mower
ZT2352 Colt 23 HP Briggs & Stratton Rider w/ 52” Mower
ZT2352B Colt 23 HP Briggs & Stratton Rider w/ 52” Mower
ZT2352K Colt 23 HP Kohler Rider w/ 52” Mower
Instrument Panel Group
5
4
1
7
13
6
11 3
2
12
9
8
10
NOTE: Unless noted otherwise,
use the standard hardware torque
specification chart.

11
TP 400-7034-01-CT-D
REF NO. PART NO. QTY. DESCRIPTION
Instrument Panel Group
Footnotes:
1 1846758 1 INSTRUMENT PANEL
2 22180 1 SWITCH, PTO
3 1703799 1 SWITCH, Headlight
4 20060 1 HOURMETER
5 21663 1 CABLE, Choke Control (Briggs)
* 21675 1 CABLE, Choke Control (Kohler)
6 21887 1 CABLE, Throttle Control (Briggs)
* 21662 1 CABLE, Throttle Control (Kohler)
7 20927 1 SWITCH, Ignition, Complete (includes Ref No. 8-10)
8 22789 1 KEY, Ignition, Molded (Set of 2)
9 22790 1 COVER
10 22791 1 PLASTIC NUT
11 25010-6 2 CAPSCREW, Hex Hd, 1/4-20 x 3/4
12 22308 4 BODY CLIP, 5/16-18
13 25126 2 NUT, Hex, Nylon Lock, 1/4-20
The above parts group applies to the following Model Nos.:
ZT2148 Colt 21 HP Briggs & Stratton Rider w/ 48” Mower
ZT2148B Colt 21 HP Briggs & Stratton Rider w/ 48” Mower
ZT2148K Colt 21 HP Kohler Rider w/ 48” Mower
ZT2352 Colt 23 HP Briggs & Stratton Rider w/ 52” Mower
ZT2352B Colt 23 HP Briggs & Stratton Rider w/ 52” Mower
ZT2352K Colt 23 HP Kohler Rider w/ 52” Mower

12
TP 400-7034-01-CT-D
© Copyright 2003 Ferris Industries. All Rights Reserved.
The above parts group applies to the following Model Nos.:
ZT2148 Colt 21 HP Briggs & Stratton Rider w/ 48” Mower
ZT2148B Colt 21 HP Briggs & Stratton Rider w/ 48” Mower
ZT2148K Colt 21 HP Kohler Rider w/ 48” Mower
ZT2352 Colt 23 HP Briggs & Stratton Rider w/ 52” Mower
ZT2352B Colt 23 HP Briggs & Stratton Rider w/ 52” Mower
ZT2352K Colt 23 HP Kohler Rider w/ 52” Mower
Fuel Tank & Bumper Group
1
2
3
4
5
6
7
8
9
10
11
12
13
12
14
15
15
16 17
22
21
16
18
16
19
20
NOTE: Unless noted otherwise,
use the standard hardware torque
specification chart.

13
TP 400-7034-01-CT-D
REF NO. PART NO. QTY. DESCRIPTION
Fuel Tank & Bumper Group
Footnotes:
1 1846698 1 FUEL TANK TIE BAR (Briggs)
* 1847347 1 FUEL TANK TIE BAR (Kohler)
2 25299-6 4 SCREW, Allen Hd, 1/4-20 x 3/4
3 45496 2 CAP w/ Gauge
4 45494 1 FUEL TANK-RH, Complete (includes Ref 9 & 10)
5 22395 4 RUBBER ISOLATOR
6 25126 4 NUT, Hex, Nylon Lock, 1/4-20
7 1846489 1 MOUNT, Tie Bar-RH (Briggs)
* 1847348 1 MOUNT, Tie Bar-RH (Kohler)
8 25011-6 4 CAPSCREW, Hex Hd, 5/16-18 x 3/4
9 1654930 2 RUBBER BUSHING
10 1674231 2 ELBOW FITTING
11 22394 4 RUBBER BUSHING
12 25155 4 WASHER, 5/16
13 25011-10 4 CAPSCREW, Hex Hd, 5/16-18 x 1-1/4
14 1846682 1 MOUNT, Fuel Tank-RH
15 25128 6 NUT, Hex, Serrated Flange, 3/8-16
16 25156 6 WASHER, 3/8
17 25013-8 2 CAPSCREW, Hex Hd, 3/8-16 x 1
18 25013-10 4 CAPSCREW, Hex Hd, 3/8-16 x 1-1/4
19 1846703 1 BUMPER
20 1846683 1 MOUNT, Fuel Tank-LH
21 45495 1 FUEL TANK-LH, Complete (includes Ref 9 & 10)
22 1846490 1 MOUNT, Tie Bar-LH (Briggs)
* 1847349 1 MOUNT, Tie Bar-LH (Kohler)
The above parts group applies to the following Model Nos.:
ZT2148 Colt 21 HP Briggs & Stratton Rider w/ 48” Mower
ZT2148B Colt 21 HP Briggs & Stratton Rider w/ 48” Mower
ZT2148K Colt 21 HP Kohler Rider w/ 48” Mower
ZT2352 Colt 23 HP Briggs & Stratton Rider w/ 52” Mower
ZT2352B Colt 23 HP Briggs & Stratton Rider w/ 52” Mower
ZT2352K Colt 23 HP Kohler Rider w/ 52” Mower

14
TP 400-7034-01-CT-D
© Copyright 2003 Ferris Industries. All Rights Reserved.
The above parts group applies to the following Model Nos.:
ZT2148 Colt 21 HP Briggs & Stratton Rider w/ 48” Mower
ZT2148B Colt 21 HP Briggs & Stratton Rider w/ 48” Mower
ZT2148K Colt 21 HP Kohler Rider w/ 48” Mower
ZT2352 Colt 23 HP Briggs & Stratton Rider w/ 52” Mower
ZT2352B Colt 23 HP Briggs & Stratton Rider w/ 52” Mower
ZT2352K Colt 23 HP Kohler Rider w/ 52” Mower
Fuel Supply Hose Group
Connect to En
g
ine
LH Fuel Tank RH Fuel Tank
3
4
2
5
1
876
NOTE: Unless noted otherwise,
use the standard hardware torque
specification chart.

15
TP 400-7034-01-CT-D
REF NO. PART NO. QTY. DESCRIPTION
Fuel Supply Hose Group
Footnotes:
1 22030 1 VALVE, Fuel Shut Off
2 20835 6 CLAMP, Hose
3 50831-55 1 HOSE, 55”
4 50831-50 1 HOSE, 50”
5 50831-36 1 HOSE, 36”
6 50833-54 1 WIRE LOOM, 54”
7 50833-49 1 WIRE LOOM, 49”
8 50833-35 1 WIRE LOOM, 35”
The above parts group applies to the following Model Nos.:
ZT2148 Colt 21 HP Briggs & Stratton Rider w/ 48” Mower
ZT2148B Colt 21 HP Briggs & Stratton Rider w/ 48” Mower
ZT2148K Colt 21 HP Kohler Rider w/ 48” Mower
ZT2352 Colt 23 HP Briggs & Stratton Rider w/ 52” Mower
ZT2352B Colt 23 HP Briggs & Stratton Rider w/ 52” Mower
ZT2352K Colt 23 HP Kohler Rider w/ 52” Mower

16
TP 400-7034-01-CT-D
© Copyright 2003 Ferris Industries. All Rights Reserved.
The above parts group applies to the following Model Nos.:
ZT2148 Colt 21 HP Briggs & Stratton Rider w/ 48” Mower
ZT2148B Colt 21 HP Briggs & Stratton Rider w/ 48” Mower
ZT2352 Colt 23 HP Briggs & Stratton Rider w/ 52” Mower
ZT2352B Colt 23 HP Briggs & Stratton Rider w/ 52” Mower
Engine & PTO Group
10
11
4
3
1A, 1B
15
16
12
11
10
See Pump Drive Group
1718
13
14
1722
21
2
2
5
6
5
6
1920 5
9
8
7
NOTE: Unless noted otherwise,
use the standard hardware torque
specification chart.

17
TP 400-7034-01-CT-D
REF NO. PART NO. QTY. DESCRIPTION
Engine & PTO Group
Footnotes:
1A 22823 1 ENGINE, 21HP Briggs & Stratton, Model #381777
1B 22824 1 ENGINE, 23HP Briggs & Stratton, Model #380777
2 25127 2 NUT, Hex, Serrated Flange, 5/16-18
3 22837 1 MUFFLER
4 1846487 1 MUFFLER SUPPORT
5 25011-6 5 CAPSCREW, Hex Hd, 5/16-18 x 3/4
6 25155 3 WASHER, 5/16
7 25013-8 2 CAPSCREW, Hex Hd, 3/8-16 x 1
8 25096 2 NUT, Hex, Nylon Lock, 3/8-16
9 1847134 1 CLUTCH ANCHOR
10 25057 3 NUT, Hex, Nylon Lock, 5/16-18
11 25165 3 WASHER, Fender, 5/16
12 43636 1 PAD, Clutch Anchor
13 44853 1 CRANKSHAFT BOLT, 7/16 x 2
14 45475 1 RETAINER, Clutch
15 22584 1 ELECTRIC CLUTCH
16 50407-2 1 KEY, 1/4 Sq. x 3
17 21372 2 FITTING, 3/8NPT - 1/2 Str.
18 21392 2 HOSE CLAMP
19 50862-7 1 WIRE LOOM, 7”
20 50857-9 1 HOSE, 9”
21 21500 1 CLAMP, Vinyl
22 21466 1 CAP, 3/8NPT
The above parts group applies to the following Model Nos.:
ZT2148 Colt 21 HP Briggs & Stratton Rider w/ 48” Mower
ZT2148B Colt 21 HP Briggs & Stratton Rider w/ 48” Mower
ZT2352 Colt 23 HP Briggs & Stratton Rider w/ 52” Mower
ZT2352B Colt 23 HP Briggs & Stratton Rider w/ 52” Mower

9
10
11
12
13
2
3
4
5
6
7
8
36
7
15
14
16
17
18
20
21 16
22
23
17
24
25
22
21
1A, 1B
19
18
TP 400-7034-01-CT-D
© Copyright 2003 Ferris Industries. All Rights Reserved.
The above parts group applies to the following Model Nos.:
ZT2148K Colt 21 HP Kohler Rider w/ 48” Mower
ZT2352K Colt 23 HP Kohler Rider w/ 52” Mower
Engine & PTO Group
NOTE: Unless noted otherwise,
use the standard hardware torque
specification chart.

19
TP 400-7034-01-CT-D
REF NO. PART NO. QTY. DESCRIPTION
Engine & PTO Group
Footnotes:
1A 22888 1 ENGINE, 21HP Kohler
1B 22889 1 ENGINE, 23HP Kohler
* 21144-1 1 OIL FILTER
* 21178-3 1 FUEL FILTER
* * 1 PRE-CLEANER (4508301)
* * 1 AIR FILTER (4508302)
2 25011-6 2 CAPSCREW, Hex Hd, 5/16-18 x 3/4
3 25013-8 3 CAPSCREW, Hex Hd, 3/8-16 x 1
4 1847134 1 CLUTCH ANCHOR
5 25057 2 NUT, Hex, Nylon Lock, 5/16-18
6 25096 3 NUT, Hex, Nylon Lock, 3/8-16
7 25165 3 WASHER, Fender, 3/8
8 43636 1 CLUTCH ANCHOR PAD
9 25156 1 WASHER, 3/8
10 44853 1 CRANKSHAFT BOLT, 7/16 x 2
11 45475 1 RETAINER, Clutch
12 22584 1 ELECTRIC CLUTCH
13 50407-28 1 KEY, 1/4 Sq. x 3-1/2
14 47075 1 CRANKSHAFT PULLEY
15 47033 1 CRANKSHAFT SPACER
16 25126 3 NUT, Hex, Serrated Flange, 1/4-20
17 25010-6 3 CAPSCREW, Hex Hd, 1/4-20 x 3/4
18 1847346 1 MUFFLER HEAT SHIELD (for use with silver version muffler only)
19 22952 1 MUFFLER
20 21466 1 CAP, 3/8NPT
21 21372 2 FITTING, 3/8NPT - 1/2 Str.
22 21392 2 HOSE CLAMP
23 21500 1 CLAMP, Vinyl
24 50857-13 1 HOSE, 13”
25 50862-12 1 WIRE LOOM, 12”
The above parts group applies to the following Model Nos.:
ZT2148K Colt 21 HP Kohler Rider w/ 48” Mower
ZT2352K Colt 23 HP Kohler Rider w/ 52” Mower

20
TP 400-7034-01-CT-D
© Copyright 2003 Ferris Industries. All Rights Reserved.
The above parts group applies to the following Model Nos.:
ZT2148 Colt 21 HP Briggs & Stratton Rider w/ 48” Mower
ZT2148B Colt 21 HP Briggs & Stratton Rider w/ 48” Mower
ZT2148K Colt 21 HP Kohler Rider w/ 48” Mower
ZT2352 Colt 23 HP Briggs & Stratton Rider w/ 52” Mower
ZT2352B Colt 23 HP Briggs & Stratton Rider w/ 52” Mower
ZT2352K Colt 23 HP Kohler Rider w/ 52” Mower
Pump Drive Group
1
2
3
4
5
4
6
7
8
10
9
12
13
141516
17 18
23
25
11
19
9
9
26
24
20
21
10
22
NOTE: Unless noted otherwise,
use the standard hardware torque
specification chart.

21
TP 400-7034-01-CT-D
REF NO. PART NO. QTY. DESCRIPTION
Pump Drive Group
Footnotes:
1 46845 1 CRANKSHAFT SPACER
2 47075 1 CRANKSHAFT PULLEY
3 45090 1 SPACER, Idler Pivot
4 22157 2 BUSHING, Brass
5 1846430 1 PUMP DRIVE IDLER ARM
6 45135 1 SHAFT, Idler Pivot
7 45139 1 RETAINER, Idler Arm
8 25013-32 1 CAPSCREW, Hex Hd, 3/8-16 x 4
9 25096 3 NUT, Hex, Nylon Lock, 3/8-16
10 25156 2 WASHER, 3/8
11 22621 1 PULLEY, Idler (Single Flange)
12 25013-14 1 CAPSCREW, Hex Hd, 3/8-16 x 1-3/4
13 25128 1 NUT, Hex, Serrated Flange, 3/8-16
14A 21826 1 SPRING, Extension
(48” Model - SN: 101-425)
(52: Model - SN: 101-350)
14B 22847 1 SPRING, Extension
(48” Model - SN: 426 & up)
(52: Model - SN: 351 & up)
15 25100 1 NUT, Hex, Side Lock, 3/8-16
16 25013-18 1 CAPSCREW, Hex Hd, 3/8-16 x 2-1/4
17 25321 1 SCREW HOOK, 3/8-16 x 4-1/4
18 25034 2 NUT, Hex, 3/8-16
19 22314 1 BELT, Pump Drive (Set)
20 46446 1 SPACER, Idler
21 22620 1 PULLEY, Idler
22 25013-22 1 CAPSCREW, Hex Hd, 3/8-16 x 2-3/4
23 22586 2 PULLEY, Pump Drive
24 22156 2 KEY, 5mm x 25mm
25 22587 2 BUSHING, Tapered Hub
26 25010-8 4 CAPSCREW, Hex Hd, 1/4-20 x 1
The above parts group applies to the following Model Nos.:
ZT2148 Colt 21 HP Briggs & Stratton Rider w/ 48” Mower
ZT2148B Colt 21 HP Briggs & Stratton Rider w/ 48” Mower
ZT2148K Colt 21 HP Kohler Rider w/ 48” Mower
ZT2352 Colt 23 HP Briggs & Stratton Rider w/ 52” Mower
ZT2352B Colt 23 HP Briggs & Stratton Rider w/ 52” Mower
ZT2352K Colt 23 HP Kohler Rider w/ 52” Mower

22
TP 400-7034-01-CT-D
© Copyright 2003 Ferris Industries. All Rights Reserved.
The above parts group applies to the following Model Nos.:
ZT2148 Colt 21 HP Briggs & Stratton Rider w/ 48” Mower
ZT2148B Colt 21 HP Briggs & Stratton Rider w/ 48” Mower
ZT2148K Colt 21 HP Kohler Rider w/ 48” Mower
ZT2352 Colt 23 HP Briggs & Stratton Rider w/ 52” Mower
ZT2352B Colt 23 HP Briggs & Stratton Rider w/ 52” Mower
ZT2352K Colt 23 HP Kohler Rider w/ 52” Mower
Motion Control Group
7
8
9
2
345
6
1
10
11
11
10
11
11
9
12
13
14
1516
17
18
19
21
20
23
26
25
23
27
28
5
22
23
24
25
25
9
25
11
NOTE: Unless noted otherwise,
use the standard hardware torque
specification chart.
NOTE: RH side shown. Unless
otherwise noted, components
are identical for the LH side.

23
TP 400-7034-01-CT-D
REF NO. PART NO. QTY. DESCRIPTION
Motion Control Group
Footnotes:
1 22068 2 FOAM GRIP
2 1847056 1 MOTION CONTROL LEVER-RH
* 1847055 1 MOTION CONTROL LEVER-LH (not shown)
3 25011-6 4 CAPSCREW, Hex Hd, 5/16-18 x 3/4
4 25170 4 WASHER, Lock, 5/16
5 25155 8 WASHER, 5/16
6 47004 2 CONTROL LEVER BASE
7 25013-14 4 CAPSCREW, Hex Hd, 3/8-16 x 1-3/4
8 1847045 1 CONTROL SHAFT-RH
* 1847044 1 CONTROL SHAFT-LH (not shown)
9 25096 10 NUT, Hex, Nylon Lock, 3/8-16
10 25011-14 6 CAPSCREW, Hex Hd, 5/16-18 x 1-3/4
11 25127 20 NUT, Hex, Serrated Flange, 5/16-18
12 21499 2 BEARING, Flange
13 1847081 1 NEUTRAL LOCK BRACKET-RH
* 1847080 1 NEUTRAL LOCK BRACKET-LH (not shown)
14 25270 4 SCREW, #10-24 x 1
15 22095 2 SWITCH, NO/NC
16 25029 4 NUT, Hex, #10-24
17 25011-8 8 CAPSCREW, Hex Hd, 5/16-18 x 1
18 25327 4 CAPSCREW, Allen Hd, 3/8-16 x 1-1/4
19 25011-14 2 CAPSCREW, Hex Hd, 5/16-18 x 1-3/4
20 21146 2 BALL JOINT, 5/16-24
21 25033 6 NUT, Hex, 5/16-24
22 47102 2 HYDRO CONTROL ROD
23 25011-10 6 CAPSCREW, Hex Hd, 5/16-18 x 1-1/4
24 22628 2 BALL JOINT, 5/16-24 LH
25 25057 8 NUT, Hex, Nylon Lock, 5/16-18
26 22615 2 DAMPENER
27 21098 2 BEARING, Flange
28 25013-8 2 CAPSCREW, Hex Hd, 3/8-16 x 1
The above parts group applies to the following Model Nos.:
ZT2148 Colt 21 HP Briggs & Stratton Rider w/ 48” Mower
ZT2148B Colt 21 HP Briggs & Stratton Rider w/ 48” Mower
ZT2148K Colt 21 HP Kohler Rider w/ 48” Mower
ZT2352 Colt 23 HP Briggs & Stratton Rider w/ 52” Mower
ZT2352B Colt 23 HP Briggs & Stratton Rider w/ 52” Mower
ZT2352K Colt 23 HP Kohler Rider w/ 52” Mower

1
2
3
4
5
6
7
8
9
10
12
11
13
14
See Motion Control Group
24
TP 400-7034-01-CT-D
© Copyright 2003 Ferris Industries. All Rights Reserved.
The above parts group applies to the following Model Nos.:
ZT2148 Colt 21 HP Briggs & Stratton Rider w/ 48” Mower
ZT2148B Colt 21 HP Briggs & Stratton Rider w/ 48” Mower
ZT2148K Colt 21 HP Kohler Rider w/ 48” Mower
ZT2352 Colt 23 HP Briggs & Stratton Rider w/ 52” Mower
ZT2352B Colt 23 HP Briggs & Stratton Rider w/ 52” Mower
ZT2352K Colt 23 HP Kohler Rider w/ 52” Mower
Motion Control - Neutral Return Group
NOTE: Unless noted otherwise,
use the standard hardware torque
specification chart.
NOTE: RH side shown. Unless
otherwise noted, components
are identical for the LH side.

25
TP 400-7034-01-CT-D
REF NO. PART NO. QTY. DESCRIPTION
Motion Control - Neutral Return Group
Footnotes:
1 22645 2 SPRING, Reverse Return
2 25155 2 WASHER, 5/16
3 25033 4 NUT, Hex, 5/16-24
4 25201-6 2 COTTER PIN
5 20979 2 CLEVIS, 5/16-24
6 25213-8 2 PIN, Clevis, 5/16 x 1
7 47137 2 REVERSE RETURN BOLT
8 25127 2 NUT, Hex, Serrated Flange, 5/16-18
9 1846918 2 BRACKET, Neutral Adjust
10 25095 2 NUT, Hex, Nylon Lock, 1/4-20
11 25011-6 2 CAPSCREW, Hex Hd, 5/16-18 x 3/4
12 25030 2 NUT, Hex, 1/4-20
13 22205 2 EYEBOLT
14 20807 2 SPRING, Extension
The above parts group applies to the following Model Nos.:
ZT2148 Colt 21 HP Briggs & Stratton Rider w/ 48” Mower
ZT2148B Colt 21 HP Briggs & Stratton Rider w/ 48” Mower
ZT2148K Colt 21 HP Kohler Rider w/ 48” Mower
ZT2352 Colt 23 HP Briggs & Stratton Rider w/ 52” Mower
ZT2352B Colt 23 HP Briggs & Stratton Rider w/ 52” Mower
ZT2352K Colt 23 HP Kohler Rider w/ 52” Mower

26
TP 400-7034-01-CT-D
© Copyright 2003 Ferris Industries. All Rights Reserved.
The above parts group applies to the following Model Nos.:
ZT2148 Colt 21 HP Briggs & Stratton Rider w/ 48” Mower
ZT2148B Colt 21 HP Briggs & Stratton Rider w/ 48” Mower
ZT2148K Colt 21 HP Kohler Rider w/ 48” Mower
ZT2352 Colt 23 HP Briggs & Stratton Rider w/ 52” Mower
ZT2352B Colt 23 HP Briggs & Stratton Rider w/ 52” Mower
ZT2352K Colt 23 HP Kohler Rider w/ 52” Mower
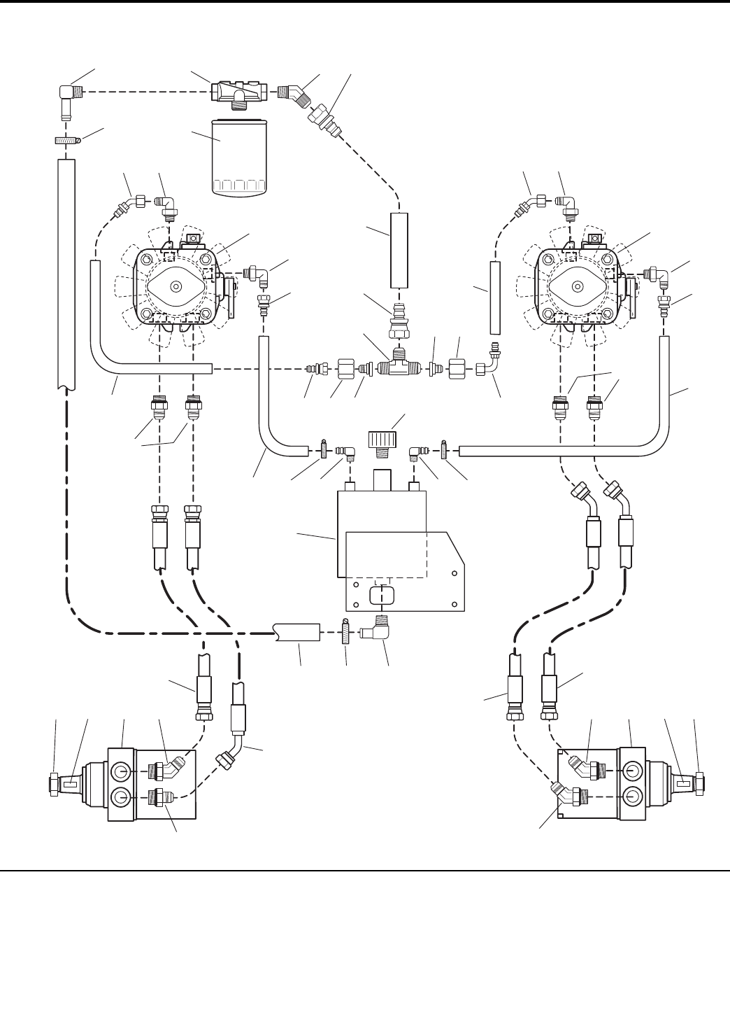
Hydraulic Group
12
3
4 5
6
5
78
8
9
9
10
10
14
15
13
12 13
12 13
10
13
16 16
23
17
11
23
1819
18 19
21
26 27 28
20
22
33 32 31 29
25
30
24
29 34 32 33
24
24
29
27
NOTE: Unless noted otherwise,
use the standard hardware torque
specification chart.

27
TP 400-7034-01-CT-D
REF NO. PART NO. QTY. DESCRIPTION
Hydraulic Group
Footnotes:
1 21233 1 FITTING, 1/2” NPT, 90 Deg.
2 21356 1 FILTER HEAD
3 21357 1 FILTER
4 22720 1 FITTING, 1/2” NPT, 45 Deg.
5 22719 2 FITTING, Hydraulic, Straight Swivel
6 50848-7.5 1 HOSE, Hydraulic, 7-1/2”
7 22718 1 FITTING, Tee
8 22716 2 ADAPTER, Tee
9 22717 2 NUT, Adapter
10 22713 3 FITTING, Hydraulic, Straight Swivel
11 50860-13.75 1 HOSE, Hydraulic, 13-3/4”
12 22714 2 FITTING, Hydraulic, 45 Deg. Swivel
13 22712 4 FITTING, Hydraulic, O-Ring, 90 Deg.
14 22715 1 FITTING, Hydraulic, 90 Deg. Swivel
15 50860-6.75 1 HOSE, Hydraulic, 6-3/4”
16 22571 2 HYDRAULIC PUMP w/ FAN
* 22571-2 2 Fan & Hub
17 50860-29 1 HOSE, Hydraulic, 29”
18 21392 2 HOSE CLAMP, #6
19 22708 2 FITTING, 1/4” NPT, 90 Deg.
20 22705 1 BREATHER
21 1847108 1 HYDRAULIC RESERVOIR
22 50860-20 1 HOSE, Hydraulic, 20”
23 22633 4 FITTING, Hydraulic, O-Ring Adapter
24 22710 3 HYDRAULIC HOSE ASSEMBLY, 25”
25 22711 1 HYDRAULIC HOSE ASSEMBLY, 21”
26 50848-16.5 1 HOSE, Hydraulic, 16-1/2”
* 50848-18.5 1 HOSE, Hydraulic, 18-1/2”
27 21164 2 HOSE CLAMP, #10
28 22707 1 FITTING, 1/2” NPT, 90 Deg.
29 22709 3 FITTING, Hydraulic, O-RIng, 45 Deg.
30 22634 1 FITTING, Hydraulic, O-Ring Adapter
31 22822L 1 HYDRAULIC WHEEL MOTOR-LEFT, Complete (includes Ref 32 & 33)
32 22042-2 2 KEY
33 22042-3 2 CASTLE NUT & COTTER PIN
34 22822R 1 HYDRAULIC WHEEL MOTOR-RIGHT, Complete (includes Ref 32 & 33)
The above parts group applies to the following Model Nos.:
ZT2148 Colt 21 HP Briggs & Stratton Rider w/ 48” Mower
ZT2148B Colt 21 HP Briggs & Stratton Rider w/ 48” Mower
ZT2148K Colt 21 HP Kohler Rider w/ 48” Mower
ZT2352 Colt 23 HP Briggs & Stratton Rider w/ 52” Mower
ZT2352B Colt 23 HP Briggs & Stratton Rider w/ 52” Mower
ZT2352K Colt 23 HP Kohler Rider w/ 52” Mower

28
TP 400-7034-02-CT-D
© Copyright 2003 Ferris Industries. All Rights Reserved.
The above parts group applies to the following Model Nos.:
ZT2148 Colt 21 HP Briggs & Stratton Rider w/ 48” Mower
ZT2148B Colt 21 HP Briggs & Stratton Rider w/ 48” Mower
ZT2148K Colt 21 HP Kohler Rider w/ 48” Mower
ZT2352 Colt 23 HP Briggs & Stratton Rider w/ 52” Mower
ZT2352B Colt 23 HP Briggs & Stratton Rider w/ 52” Mower
ZT2352K Colt 23 HP Kohler Rider w/ 52” Mower
Parking Brake Group - Upper
NOTE: Unless noted otherwise,
use the standard hardware torque
specification chart.
15
23
4
7
6
8
9
610
12
16 15
17
11
18
1920
21
22
23
24
13
14

29
TP 400-7034-02-CT-D
REF NO. PART NO. QTY. DESCRIPTION
Parking Brake Group - Upper
Footnotes:
1 1845616 1 BRAKE HANDLE MOUNT
2 1845619 1 BRAKE HANDLE
3 1722302 1 GRIP
4 25011-8 2 CAPSCREW, Hex Hd, 5/16-18 x 1
5 25127 2 NUT, Hex, Serrated Flange, 5/16-18
6 21098 2 BEARING, Flange
7 25013-6 4 CAPSCREW, Hex Hd, 3/8-16 x 3/4
8 25128 6 NUT, Hex, Serrated Flange, 3/8-16
9 1847083 1 BRAKE HANDLE SHAFT
10 25010-14 2 CAPSCREW, Hex Hd, 1/4-20 x 1-3/4
11 25095 2 NUT, Hex, Nylon Lock, 1/4-20
12 1847146 1 BRAKE LINKAGE PIVOT
13 47119 1 BRAKE CONNECTING ROD
14 25035 1 NUT, Hex, 3/8-24
15 25013-16 1 CAPSCREW, Hex Hd, 3/8-16 x 2
16 21171 1 CLEVIS, 3/8-24
17 25034 1 NUT, Hex, 3/8-16
18 25096 1 NUT, Hex, Nylon Lock, 3/8-16
19 25010-6 2 CAPSCREW, Hex Hd, 1/4-20 x 3/4
20 25154 2 WASHER, 1/4
21 1845621 1 SWITCH MOUNT BRACKET
22 22182 2 SWITCH, NO/NC
23 25126 2 NUT, Hex, Serrated Flange, 1/4-20
24 25058-14 1 CAPSCREW, Hex Hd, TFL, 3/8-16 x 1-3/4
The above parts group applies to the following Model Nos.:
ZT2148 Colt 21 HP Briggs & Stratton Rider w/ 48” Mower
ZT2148B Colt 21 HP Briggs & Stratton Rider w/ 48” Mower
ZT2148K Colt 21 HP Kohler Rider w/ 48” Mower
ZT2352 Colt 23 HP Briggs & Stratton Rider w/ 52” Mower
ZT2352B Colt 23 HP Briggs & Stratton Rider w/ 52” Mower
ZT2352K Colt 23 HP Kohler Rider w/ 52” Mower

30
TP 400-7034-01-CT-D
© Copyright 2003 Ferris Industries. All Rights Reserved.
The above parts group applies to the following Model Nos.:
ZT2148 Colt 21 HP Briggs & Stratton Rider w/ 48” Mower
ZT2148B Colt 21 HP Briggs & Stratton Rider w/ 48” Mower
ZT2148K Colt 21 HP Kohler Rider w/ 48” Mower
ZT2352 Colt 23 HP Briggs & Stratton Rider w/ 52” Mower
ZT2352B Colt 23 HP Briggs & Stratton Rider w/ 52” Mower
ZT2352K Colt 23 HP Kohler Rider w/ 52” Mower
Parking Brake Group - Lower
NOTE: Unless noted otherwise,
use the standard hardware torque
specification chart.
1
2
3
4
5
6
7
5
8
910
11
12
13
14
15
16 17
18
19
17
20
24
23
26
25
21
22
27
21
28
29
32
30
31
33
34
30 35
NOTE: LH side shown. Unless otherwise noted,
components are identical for the RH side.

31
TP 400-7034-01-CT-D
REF NO. PART NO. QTY. DESCRIPTION
Parking Brake Group - Lower
Footnotes:
1 1847128 1 BRAKE CROSS SHAFT
2 25303 2 SCREW, Flat Head, Socket, 5/16-18 x 1
3 45990 1 FRICTION PLATE
4 1847153 1 SUPPORT, Brake Shaft
5 25127 4 NUT, Hex, Serrated Flange, 5/16-18
6 25011-8 2 CAPSCREW, Hex Hd, 5/16-18 x 1
7 25155 2 WASHER, 5/16
8 25201-6 1 COTTER PIN
9 21171 1 CLEVIS, 3/8-24
10 25214-8 1 PIN, Clevis, 3/8 x 1
11 25035 1 NUT, Hex, 3/8-24
12 47119 1 BRAKE CONNECTING ROD
13 25100 2 NUT, Hex, Side Lock, 3/8-16
14 25034 2 NUT, Hex, 3/8-16
15 41930-009 2 PIVOT SLEEVE
16 1847084 2 BRAKE LINK
17 25156 4 WASHER, 3/8
18 25013-12 2 CAPSCREW, Hex Hd, 3/8-16 x 1-1/2
19 25046 2 NUT, Hex, Top Lock, 3/8-16
20 22361 2 BRAKE SPRING
21 10546 4 COLLAR, Set, 3/8
22 47091 2 ROD, Brake Adjustment
23 25013-6 4 CAPSCREW, Hex Hd, 3/8-16 x 3/4
24 21098 2 BEARING, Flange
25 25128 4 NUT, Hex, Serrated Flange, 3/8-16
26 25330 8 NUT, Square, 1/2-13
27 47027 8 SPACER, Wheel Motor
28 25056 2 NUT, Hex, Nylon Lock, 1/2-13
29 1847089 1 BRAKE BAND SHAFT-LH
* 1847090 1 BRAKE BAND SHAFT-RH (not shown)
30 25017-24 6 CAPSCREW, Hex Hd, 1/2-13 x 3
31 25017-28 4 CAPSCREW, Hex Hd, 1/2-13 x 3-1/2
32 25202-10 2 COTTER PIN
33 22607 2 BRAKE BAND
34 25328-16 2 PIN, Clevis, 1/2 x 2
35 47052 2 BRAKE HUB
The above parts group applies to the following Model Nos.:
ZT2148 Colt 21 HP Briggs & Stratton Rider w/ 48” Mower
ZT2148B Colt 21 HP Briggs & Stratton Rider w/ 48” Mower
ZT2148K Colt 21 HP Kohler Rider w/ 48” Mower
ZT2352 Colt 23 HP Briggs & Stratton Rider w/ 52” Mower
ZT2352B Colt 23 HP Briggs & Stratton Rider w/ 52” Mower
ZT2352K Colt 23 HP Kohler Rider w/ 52” Mower

32
TP 400-7034-01-CT-D
© Copyright 2003 Ferris Industries. All Rights Reserved.
The above parts group applies to the following Model Nos.:
ZT2148 Colt 21 HP Briggs & Stratton Rider w/ 48” Mower
ZT2148B Colt 21 HP Briggs & Stratton Rider w/ 48” Mower
ZT2148K Colt 21 HP Kohler Rider w/ 48” Mower
ZT2352 Colt 23 HP Briggs & Stratton Rider w/ 52” Mower
ZT2352B Colt 23 HP Briggs & Stratton Rider w/ 52” Mower
ZT2352K Colt 23 HP Kohler Rider w/ 52” Mower
Battery Mount, Reservoir Mount & Solenoid Mount Group
NOTE: Unless noted otherwise,
use the standard hardware torque
specification chart.
See Electrical Schematic
See Hydraulic Group
1
2
3
4
6
5
7

33
TP 400-7034-01-CT-D
REF NO. PART NO. QTY. DESCRIPTION
Battery Mount, Reservoir Mount & Solenoid Mount Group
Footnotes:
1 22595 1 BATTERY HOLDDOWN
2 22596 2 BATTERY HOLDDOWN BOLT
3 50831-3 2 HOSE, 3”
4 25279-6 2 CAPSCREW, Hex Hd, Self-Tap, 1/4-20-3/4
5 25011-8 4 CAPSCREW, Hex Hd, 5/16-18 x 1
6 25155 4 WASHER, 5/16
7 25127 4 NUT, Hex, Serrated Flange, 5/16-18
The above parts group applies to the following Model Nos.:
ZT2148 Colt 21 HP Briggs & Stratton Rider w/ 48” Mower
ZT2148B Colt 21 HP Briggs & Stratton Rider w/ 48” Mower
ZT2148K Colt 21 HP Kohler Rider w/ 48” Mower
ZT2352 Colt 23 HP Briggs & Stratton Rider w/ 52” Mower
ZT2352B Colt 23 HP Briggs & Stratton Rider w/ 52” Mower
ZT2352K Colt 23 HP Kohler Rider w/ 52” Mower

34
TP 400-7034-01-CT-D
© Copyright 2003 Ferris Industries. All Rights Reserved.
The above parts group applies to the following Model Nos.:
ZT2148 Colt 21 HP Briggs & Stratton Rider w/ 48” Mower
ZT2148B Colt 21 HP Briggs & Stratton Rider w/ 48” Mower
ZT2148K Colt 21 HP Kohler Rider w/ 48” Mower
ZT2352 Colt 23 HP Briggs & Stratton Rider w/ 52” Mower
ZT2352B Colt 23 HP Briggs & Stratton Rider w/ 52” Mower
ZT2352K Colt 23 HP Kohler Rider w/ 52” Mower
Deck Lift Group
NOTE: Unless noted otherwise,
use the standard hardware torque
specification chart.
1 2
3
4
5
6
7
8
9
10
11
12
13
14
16
17
18
21
15
19
20
22
24
25
23
27
28
23
22
29
22
23
28
30
31
24
25
33
32
26
7
26 7
721
34 35 36
35
37
38
39
36
35
7

35
TP 400-7034-01-CT-D
REF NO. PART NO. QTY. DESCRIPTION
Deck Lift Group
Footnotes:
1 1844999 1 DECK LIFT LOCK
2 25210 1 HAIRPIN CLIP
3 1845058 1 DECK LIFT PEDAL
* 44875 1 SAFETY WALK, Deck Lift Pedal (not shown)
4 22044 1 PIN, Clevis, 1/2 x 2-1/2
5 25158 2 WASHER, 1/2
6 10580 1 COLLAR, Set, 1/2
7 25096 16 NUT, Hex, Nylon Lock, 3/8-16
8 22097 1 CAP
9 1844987 1 ARM, Deck Lift Pivot
10 44992-009 4 SPACER, Lift Plate
11 1847043 1 DECK HEIGHT PLATE
12 25013-22 4 CAPSCREW, Hex Hd, 3/8-16 x 2-3/4
13 22045 1 PIN, 1/2 x 3
14 44993 1 LIFT PIVOT BOLT
15 25018-24 1 CAPSCREW, Hex Hd, 1/2-20 x 3
16 1847105 2 LINK, Deck Lift
17 25098 2 NUT, Hex, Nylon Lock, 1/2-20
18 25282 1 NUT, Hex Jam, Nylon Lock, 5/8-11
19 25516 2 PIN, Roll, 3/16 x 1-1/2
20 21253 2 SHIM
21 20095 4 GREASE FITTING
22 25013-14 6 CAPSCREW, Hex Hd, 3/8-16 x 1-3/4
23 25156 12 WASHER, 3/8
24 22366 4 PIN, Spring, 3/16 x 1-1/4
25 25281 4 WASHER, 5/8
26 25084 2 NUT, Hex Jam, 3/8-16
27 1845449 1 DECK LIFT PIVOT-LH
* 1845450 1 DECK LIFT PIVOT-RH (not shown)
28 50878-3 4 CHAIN, 3 Links
29 25128 4 NUT, Hex, Serrated Flange, 3/8-16
30 25325 2 U-Bolt
31 25034 4 NUT, Hex, 3/8-16
32 25013-10 2 CAPSCREW, Hex Hd, 3/8-16 x 1-1/4
33 1845451 1 DECK LIFT SHAFT & MOUNT ASSEMBLY
34 45446 2 SPRING ROD
35 25040 12 NUT, Hex, 5/8-11
36 45447 4 SPRING ROD PIVOT
37 41477 2 SPACER
38 22668 2 SPRING, Deck Lift
39 25159 2 WASHER, USS, 5/8
The above parts group applies to the following Model Nos.:
ZT2148 Colt 21 HP Briggs & Stratton Rider w/ 48” Mower
ZT2148B Colt 21 HP Briggs & Stratton Rider w/ 48” Mower
ZT2148K Colt 21 HP Kohler Rider w/ 48” Mower
ZT2352 Colt 23 HP Briggs & Stratton Rider w/ 52” Mower
ZT2352B Colt 23 HP Briggs & Stratton Rider w/ 52” Mower
ZT2352K Colt 23 HP Kohler Rider w/ 52” Mower

36
TP 400-7034-01-CT-D
© Copyright 2003 Ferris Industries. All Rights Reserved.
The above parts group applies to the following Model Nos.:
ZT2148 Colt 21 HP Briggs & Stratton Rider w/ 48” Mower
ZT2148B Colt 21 HP Briggs & Stratton Rider w/ 48” Mower
ZT2148K Colt 21 HP Kohler Rider w/ 48” Mower
ZT2352 Colt 23 HP Briggs & Stratton Rider w/ 52” Mower
ZT2352B Colt 23 HP Briggs & Stratton Rider w/ 52” Mower
ZT2352K Colt 23 HP Kohler Rider w/ 52” Mower
Tire & Wheel Group
1
2
4
3
5
6
7
8
9
10
11
12
NOTE: Unless noted otherwise,
use the standard hardware torque
specification chart.
Front Wheels & Tires
Rear Wheels & Tires

37
TP 400-7034-01-CT-D
REF NO. PART NO. QTY. DESCRIPTION
Tire & Wheel Group
1 22631S 2 WHEEL & TIRE ASSEMBLY, Front, 13 x 5.0 x 6, Complete (includes Ref 2-5)
2 22029-1 2 TIRE, Front, 13 x 5.0 x 6
3 22631S-1 2 WHEEL ASSEMBLY, Front, for 13 x 5.0 x 6 Tires, Complete (includes Ref 4 & 5)
4 22631S-2 4 BEARING, Taper Roller (2 per tire)
5 22631S-3 4 GREASE SEAL (2 per tire)
6 47103 4 ADAPTER, Caster Wheel (2 per tire)
7 25017-60 2 CAPSCREW, Hex Hd, 1-2/13 x 7-1/2
8 25056 2 NUT, Hex, Nylon Lock, 1-2/13
9 22646S 2 WHEEL & TIRE ASSEMBLY, Rear, 23 x 9.5 x 12, Complete (Includes Ref 10 & 11)
10 22646S-1 2 TIRE, Rear, 23 x 9.5 x 12
11 22646S-2 2 WHEEL ASSEMBLY, Rear, for 23 x 9.5 x 12 Tires
12 22215 10 WHEEL LUG, 1/2 x 1-5/8
The above parts group applies to the following Model Nos.:
ZT2148 Colt 21 HP Briggs & Stratton Rider w/ 48” Mower
ZT2148B Colt 21 HP Briggs & Stratton Rider w/ 48” Mower
ZT2148K Colt 21 HP Kohler Rider w/ 48” Mower
ZT2352 Colt 23 HP Briggs & Stratton Rider w/ 52” Mower
ZT2352B Colt 23 HP Briggs & Stratton Rider w/ 52” Mower
ZT2352K Colt 23 HP Kohler Rider w/ 52” Mower

38
TP 400-7034-01-CT-D
© Copyright 2003 Ferris Industries. All Rights Reserved.
The above parts group applies to the following Model Nos.:
ZT2148 Colt 21 HP Briggs & Stratton Rider w/ 48” Mower
ZT2148B Colt 21 HP Briggs & Stratton Rider w/ 48” Mower
ZT2352 Colt 23 HP Briggs & Stratton Rider w/ 52” Mower
ZT2352B Colt 23 HP Briggs & Stratton Rider w/ 52” Mower
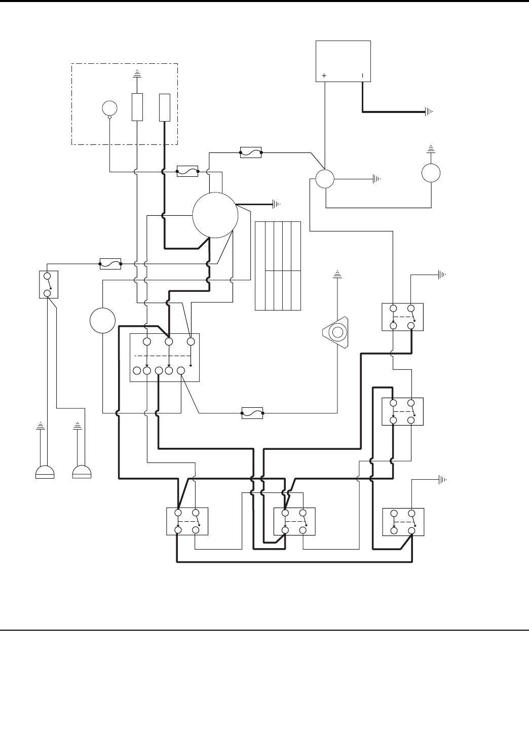
Ignition Grounding Circuit/Operator Presence
LH NEUTRAL
SWITCH
22095
STARTER
MOTOR
ENGINE MAGNETO
ALTERNATOR
FUEL SOLENOID
BATTERY
PTO
SWITCH
22180
M
LG
B
S
IGNITION
SWITCH
20927 A
STARTER
SOLENOID
20801
PARKING BRAKE
SWITCH
22182
PARKING BRAKE
SWITCH
22182
RH NEUTRAL
SWITCH
22095
SEAT
SWITCH
22095
HOURMETER
20060
PTO CLUTCH
22584
20A FUSE
21603
20A FUSE
21603
20A FUSE
21603
ENGINE HARNESS
WHITE
WHITE/GREEN
WHITE
WHITE/GREEN
WHITE/RED
WHITE/RED WHITE/RED
WHITE
WHITE
WHITE
WHITE
WHITE
WHITE
WHITE
WHITE
WHITE
WHITE
WHITE
WHITE
WHITE/RED
YELLOW
YELLOW
YELLOW
YELLOW
YELLOW
YELLOW
YELLOW
YELLOW
YELLOW
YELLOW
YELLOW
YELLOW
GRAY
GRAY
RED
RED
BLUE
BLUE
BLUE
BLACK
BLACK
BLACK GREEN
GREEN
GREEN
GREEN
GREEN
GREEN
GREEN
RED
RED
RED
WHITE
WHITE
YELLOW
VIOLET
VIOLET
VIOLET
RED
IGNITION SWITCH
POSITION CIRCUIT MAKE
1. OFF G & M & A
2. RUN B & L & A
3. START B & L & S
NEGATIVE BATTERY CABLE
21406
POSITIVE BATTERY CABLE
47136
STARTER CABLE
44471
GROUND CABLE
44014
NC
NO
NC
NO
NC
NO
NC
NO
NC
NO
COLT WIRE HARNESS
46846
NO
HEADLIGHT
SWITCH
1703799
GREEN
GREEN
ORANGE
ORANGE ORANGE
ORANGE
ORANGE
ORANGE
20A FUSE
21603
HEADLIGHT
1719230
HEADLIGHT
1719230

The above parts group applies to the following Model Nos.:
ZT2148 Colt 21 HP Briggs & Stratton Rider w/ 48” Mower
ZT2148B Colt 21 HP Briggs & Stratton Rider w/ 48” Mower
ZT2352 Colt 23 HP Briggs & Stratton Rider w/ 52” Mower
ZT2352B Colt 23 HP Briggs & Stratton Rider w/ 52” Mower
39
TP 400-7034-01-CT-D
Charging Circuit
LH NEUTRAL
SWITCH
22095
STARTER
MOTOR
ENGINE MAGNETO
ALTERNATOR
FUEL SOLENOID
BATTERY
PTO
SWITCH
22180
M
LG
B
S
IGNITION
SWITCH
20927 A
STARTER
SOLENOID
20801
PARKING BRAKE
SWITCH
22182
PARKING BRAKE
SWITCH
22182
RH NEUTRAL
SWITCH
22095
SEAT
SWITCH
22095
HOURMETER
20060
PTO CLUTCH
22584
20A FUSE
21603
20A FUSE
21603
20A FUSE
21603
ENGINE HARNESS
WHITE
WHITE/GREEN
WHITE
WHITE/GREEN
WHITE/RED
WHITE/RED WHITE/RED
WHITE
WHITE
WHITE
WHITE
WHITE
WHITE
WHITE
WHITE
WHITE
WHITE
WHITE
WHITE
WHITE/RED
YELLOW
YELLOW
YELLOW
YELLOW
YELLOW
YELLOW
YELLOW
YELLOW
YELLOW
YELLOW
YELLOW
YELLOW
GRAY
GRAY
RED
RED
BLUE
BLUE
BLUE
BLACK
BLACK
BLACK GREEN
GREEN
GREEN
GREEN
GREEN
GREEN
GREEN
RED
RED
RED
WHITE
WHITE
YELLOW
VIOLET
VIOLET
VIOLET
RED
IGNITION SWITCH
POSITION CIRCUIT MAKE
1. OFF G & M & A
2. RUN B & L & A
3. START B & L & S
NEGATIVE BATTERY CABLE
21406
POSITIVE BATTERY CABLE
47136
STARTER CABLE
44471
GROUND CABLE
44014
NC
NO
NC
NO
NC
NO
NC
NO
NC
NO
COLT WIRE HARNESS
46846
NO
HEADLIGHT
SWITCH
1703799
GREEN
GREEN
ORANGE
ORANGE ORANGE
ORANGE
ORANGE
ORANGE
20A FUSE
21603
HEADLIGHT
1719230
HEADLIGHT
1719230

40
TP 400-7034-01-CT-D
© Copyright 2003 Ferris Industries. All Rights Reserved.
The above parts group applies to the following Model Nos.:
ZT2148 Colt 21 HP Briggs & Stratton Rider w/ 48” Mower
ZT2148B Colt 21 HP Briggs & Stratton Rider w/ 48” Mower
ZT2352 Colt 23 HP Briggs & Stratton Rider w/ 52” Mower
ZT2352B Colt 23 HP Briggs & Stratton Rider w/ 52” Mower
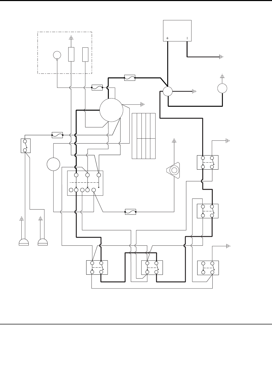
Cranking Circuit
LH NEUTRAL
SWITCH
22095
STARTER
MOTOR
ENGINE MAGNETO
ALTERNATOR
FUEL SOLENOID
BATTERY
PTO
SWITCH
22180
M
LG
B
S
IGNITION
SWITCH
20927 A
STARTER
SOLENOID
20801
PARKING BRAKE
SWITCH
22182
PARKING BRAKE
SWITCH
22182
RH NEUTRAL
SWITCH
22095
SEAT
SWITCH
22095
HOURMETER
20060
PTO CLUTCH
22584
20A FUSE
21603
20A FUSE
21603
20A FUSE
21603
ENGINE HARNESS
WHITE
WHITE/GREEN
WHITE
WHITE/GREEN
WHITE/RED
WHITE/RED WHITE/RED
WHITE
WHITE
WHITE
WHITE
WHITE
WHITE
WHITE
WHITE
WHITE
WHITE
WHITE
WHITE
WHITE/RED
YELLOW
YELLOW
YELLOW
YELLOW
YELLOW
YELLOW
YELLOW
YELLOW
YELLOW
YELLOW
YELLOW
YELLOW
GRAY
GRAY
RED
RED
BLUE
BLUE
BLUE
BLACK
BLACK
BLACK GREEN
GREEN
GREEN
GREEN
GREEN
GREEN
GREEN
RED
RED
RED
WHITE
WHITE
YELLOW
VIOLET
VIOLET
VIOLET
RED
IGNITION SWITCH
POSITION CIRCUIT MAKE
1. OFF G & M & A
2. RUN B & L & A
3. START B & L & S
NEGATIVE BATTERY CABLE
21406
POSITIVE BATTERY CABLE
47136
STARTER CABLE
44471
GROUND CABLE
44014
NC
NO
NC
NO
NC
NO
NC
NO
NC
NO
COLT WIRE HARNESS
46846
NO
HEADLIGHT
SWITCH
1703799
GREEN
GREEN
ORANGE
ORANGE ORANGE
ORANGE
ORANGE
ORANGE
20A FUSE
21603
HEADLIGHT
1719230
HEADLIGHT
1719230

The above parts group applies to the following Model Nos.:
ZT2148 Colt 21 HP Briggs & Stratton Rider w/ 48” Mower
ZT2148B Colt 21 HP Briggs & Stratton Rider w/ 48” Mower
ZT2352 Colt 23 HP Briggs & Stratton Rider w/ 52” Mower
ZT2352B Colt 23 HP Briggs & Stratton Rider w/ 52” Mower
41
TP 400-7034-01-CT-D
PTO Clutch Circuit
LH NEUTRAL
SWITCH
22095
STARTER
MOTOR
ENGINE MAGNETO
ALTERNATOR
FUEL SOLENOID
BATTERY
PTO
SWITCH
22180
M
LG
B
S
IGNITION
SWITCH
20927 A
STARTER
SOLENOID
20801
PARKING BRAKE
SWITCH
22182
PARKING BRAKE
SWITCH
22182
RH NEUTRAL
SWITCH
22095
SEAT
SWITCH
22095
HOURMETER
20060
PTO CLUTCH
22584
20A FUSE
21603
20A FUSE
21603
20A FUSE
21603
ENGINE HARNESS
WHITE
WHITE/GREEN
WHITE
WHITE/GREEN
WHITE/RED
WHITE/RED WHITE/RED
WHITE
WHITE
WHITE
WHITE
WHITE
WHITE
WHITE
WHITE
WHITE
WHITE
WHITE
WHITE
WHITE/RED
YELLOW
YELLOW
YELLOW
YELLOW
YELLOW
YELLOW
YELLOW
YELLOW
YELLOW
YELLOW
YELLOW
YELLOW
GRAY
GRAY
RED
RED
BLUE
BLUE
BLUE
BLACK
BLACK
BLACK GREEN
GREEN
GREEN
GREEN
GREEN
GREEN
GREEN
RED
RED
RED
WHITE
WHITE
YELLOW
VIOLET
VIOLET
VIOLET
RED
IGNITION SWITCH
POSITION CIRCUIT MAKE
1. OFF G & M & A
2. RUN B & L & A
3. START B & L & S
NEGATIVE BATTERY CABLE
21406
POSITIVE BATTERY CABLE
47136
STARTER CABLE
44471
GROUND CABLE
44014
NC
NO
NC
NO
NC
NO
NC
NO
NC
NO
COLT WIRE HARNESS
46846
NO
HEADLIGHT
SWITCH
1703799
GREEN
GREEN
ORANGE
ORANGE ORANGE
ORANGE
ORANGE
ORANGE
20A FUSE
21603
HEADLIGHT
1719230
HEADLIGHT
1719230

42
TP 400-7034-01-CT-D
© Copyright 2003 Ferris Industries. All Rights Reserved.
The above parts group applies to the following Model Nos.:
ZT2148K Colt 21 HP Kohler Rider w/ 48” Mower
ZT2352K Colt 23 HP Kohler Rider w/ 52” Mower
Ignition Grounding Circuit/Operator Presence
LH NEUTRAL
SWITCH
22095
STARTER
MOTOR BATTERY
PTO
SWITCH
22180
PARKING BRAKE
SWITCH
22182
PARKING BRAKE
SWITCH
22182
RH NEUTRAL
SWITCH
22095
SEAT
SWITCH
22095
HOURMETER
20060
PTO CLUTCH
22584
20A FUSE
21603
20A FUSE
21603
20A FUSE
21603
WHITE
WHITE/GREEN
WHITE
WHITE/GREEN
WHITE/RED
WHITE/RED WHITE/RED
WHITE
WHITE
WHITE
WHITE
WHITE WHITE
WHITE
WHITE
WHITE
WHITE
WHITE/RED
YELLOW
YELLOW
YELLOW
YELLOW
YELLOW
YELLOW
YELLOW
YELLOW
YELLOW
YELLOW
GRAY
GRAY
BLUE
BLUE
BLUE
BLACK BLACK
BLACK GREEN
GREEN
GREEN
GREEN
GREEN
GREEN
GREEN
RED
RED RED
WHITE
WHITE
YELLOW
VIOLET
IGNITION SWITCH
POSITION CIRCUIT MAKE
1. OFF G & M & A
2. RUN B & L & A
3. START B & L & S
NEGATIVE BATTERY CABLE
21406
POSITIVE BATTERY CABLE
21542
GROUND CABLE
44014
NC
NO
NC
NO
NC
NO
NC
NO
NC
NO
NO
HEADLIGHT
SWITCH
1703799
GREEN
GREEN
ORANGE
ORANGE
ORANGE
ORANGE
ORANGE ORANGE
20A FUSE
21603
HEADLIGHT
1719230
HEADLIGHT
1719230
ENGINE
BLOCK
WHITE
WHITE
RED
RED FUEL SOLENOID
VOLTAGE REGULATOR
STARTER SOLENOID
RED
VIOLET
BLUE
21HP & 23HP KOHLER ENGINE HARNESS
IGNITION MODULE
IGNITION MODULE
1
32
54
23
45
COLT WIRE HARNESS
47316
M
LG
B
S
IGNITION
SWITCH
20927 A
1

43
TP 400-7034-01-CT-D
The above parts group applies to the following Model Nos.:
ZT2148K Colt 21 HP Kohler Rider w/ 48” Mower
ZT2352K Colt 23 HP Kohler Rider w/ 52” Mower
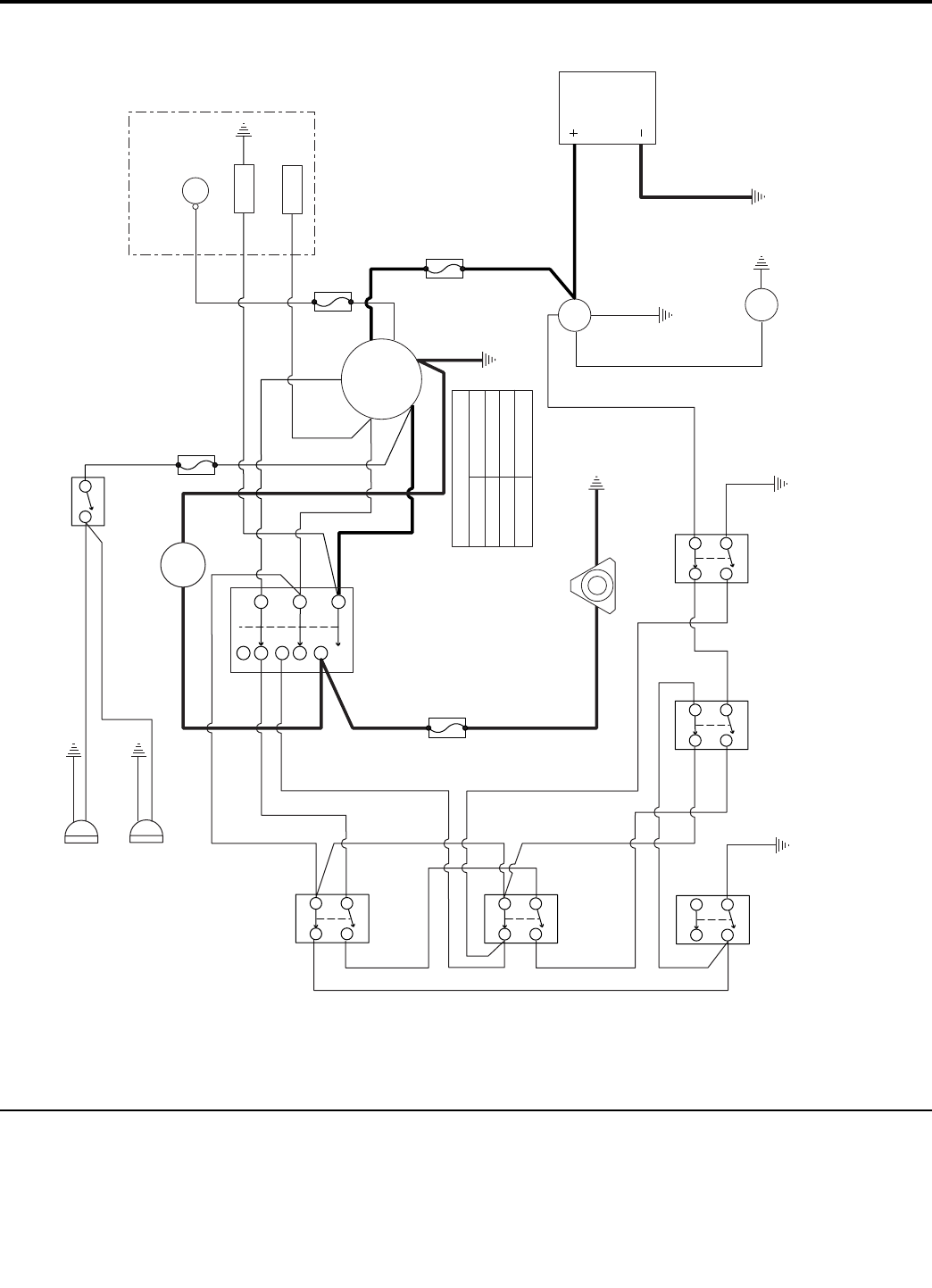
Charging Circuit
LH NEUTRAL
SWITCH
22095
STARTER
MOTOR BATTERY
PTO
SWITCH
22180
PARKING BRAKE
SWITCH
22182
PARKING BRAKE
SWITCH
22182
RH NEUTRAL
SWITCH
22095
SEAT
SWITCH
22095
HOURMETER
20060
PTO CLUTCH
22584
20A FUSE
21603
20A FUSE
21603
20A FUSE
21603
WHITE
WHITE/GREEN
WHITE
WHITE/GREEN
WHITE/RED
WHITE/RED WHITE/RED
WHITE
WHITE
WHITE
WHITE
WHITE WHITE
WHITE
WHITE
WHITE
WHITE
WHITE/RED
YELLOW
YELLOW
YELLOW
YELLOW
YELLOW
YELLOW
YELLOW
YELLOW
YELLOW
YELLOW
GRAY
GRAY
BLUE
BLUE
BLUE
BLACK BLACK
BLACK GREEN
GREEN
GREEN
GREEN
GREEN
GREEN
GREEN
RED
RED RED
WHITE
WHITE
YELLOW
VIOLET
IGNITION SWITCH
POSITION CIRCUIT MAKE
1. OFF G & M & A
2. RUN B & L & A
3. START B & L & S
NEGATIVE BATTERY CABLE
21406
POSITIVE BATTERY CABLE
21542
GROUND CABLE
44014
NC
NO
NC
NO
NC
NO
NC
NO
NC
NO
NO
HEADLIGHT
SWITCH
1703799
GREEN
GREEN
ORANGE
ORANGE
ORANGE
ORANGE
ORANGE ORANGE
20A FUSE
21603
HEADLIGHT
1719230
HEADLIGHT
1719230
ENGINE
BLOCK
WHITE
WHITE
RED
RED FUEL SOLENOID
VOLTAGE REGULATOR
STARTER SOLENOID
RED
VIOLET
BLUE
21HP & 23HP KOHLER ENGINE HARNESS
IGNITION MODULE
IGNITION MODULE
1
32
54
23
45
COLT WIRE HARNESS
47316
M
LG
B
S
IGNITION
SWITCH
20927 A
1

44
TP 400-7034-01-CT-D
© Copyright 2003 Ferris Industries. All Rights Reserved.
The above parts group applies to the following Model Nos.:
ZT2148K Colt 21 HP Kohler Rider w/ 48” Mower
ZT2352K Colt 23 HP Kohler Rider w/ 52” Mower
Cranking Circuit
LH NEUTRAL
SWITCH
22095
STARTER
MOTOR BATTERY
PTO
SWITCH
22180
PARKING BRAKE
SWITCH
22182
PARKING BRAKE
SWITCH
22182
RH NEUTRAL
SWITCH
22095
SEAT
SWITCH
22095
HOURMETER
20060
PTO CLUTCH
22584
20A FUSE
21603
20A FUSE
21603
20A FUSE
21603
WHITE
WHITE/GREEN
WHITE
WHITE/GREEN
WHITE/RED
WHITE/RED WHITE/RED
WHITE
WHITE
WHITE
WHITE
WHITE WHITE
WHITE
WHITE
WHITE
WHITE
WHITE/RED
YELLOW
YELLOW
YELLOW
YELLOW
YELLOW
YELLOW
YELLOW
YELLOW
YELLOW
YELLOW
GRAY
GRAY
BLUE
BLUE
BLUE
BLACK BLACK
BLACK GREEN
GREEN
GREEN
GREEN
GREEN
GREEN
GREEN
RED
RED RED
WHITE
WHITE
YELLOW
VIOLET
IGNITION SWITCH
POSITION CIRCUIT MAKE
1. OFF G & M & A
2. RUN B & L & A
3. START B & L & S
NEGATIVE BATTERY CABLE
21406
POSITIVE BATTERY CABLE
21542
GROUND CABLE
44014
NC
NO
NC
NO
NC
NO
NC
NO
NC
NO
NO
HEADLIGHT
SWITCH
1703799
GREEN
GREEN
ORANGE
ORANGE
ORANGE
ORANGE
ORANGE ORANGE
20A FUSE
21603
HEADLIGHT
1719230
HEADLIGHT
1719230
ENGINE
BLOCK
WHITE
WHITE
RED
RED FUEL SOLENOID
VOLTAGE REGULATOR
STARTER SOLENOID
RED
VIOLET
BLUE
21HP & 23HP KOHLER ENGINE HARNESS
IGNITION MODULE
IGNITION MODULE
1
32
54
23
45
COLT WIRE HARNESS
47316
M
LG
B
S
IGNITION
SWITCH
20927 A
1

45
TP 400-7034-01-CT-D
The above parts group applies to the following Model Nos.:
ZT2148K Colt 21 HP Kohler Rider w/ 48” Mower
ZT2352K Colt 23 HP Kohler Rider w/ 52” Mower
PTO Clutch Circuit
LH NEUTRAL
SWITCH
22095
STARTER
MOTOR BATTERY
PTO
SWITCH
22180
PARKING BRAKE
SWITCH
22182
PARKING BRAKE
SWITCH
22182
RH NEUTRAL
SWITCH
22095
SEAT
SWITCH
22095
HOURMETER
20060
PTO CLUTCH
22584
20A FUSE
21603
20A FUSE
21603
20A FUSE
21603
WHITE
WHITE/GREEN
WHITE
WHITE/GREEN
WHITE/RED
WHITE/RED WHITE/RED
WHITE
WHITE
WHITE
WHITE
WHITE WHITE
WHITE
WHITE
WHITE
WHITE
WHITE/RED
YELLOW
YELLOW
YELLOW
YELLOW
YELLOW
YELLOW
YELLOW
YELLOW
YELLOW
YELLOW
GRAY
GRAY
BLUE
BLUE
BLUE
BLACK BLACK
BLACK GREEN
GREEN
GREEN
GREEN
GREEN
GREEN
GREEN
RED
RED RED
WHITE
WHITE
YELLOW
VIOLET
IGNITION SWITCH
POSITION CIRCUIT MAKE
1. OFF G & M & A
2. RUN B & L & A
3. START B & L & S
NEGATIVE BATTERY CABLE
21406
POSITIVE BATTERY CABLE
21542
GROUND CABLE
44014
NC
NO
NC
NO
NC
NO
NC
NO
NC
NO
NO
HEADLIGHT
SWITCH
1703799
GREEN
GREEN
ORANGE
ORANGE
ORANGE
ORANGE
ORANGE ORANGE
20A FUSE
21603
HEADLIGHT
1719230
HEADLIGHT
1719230
ENGINE
BLOCK
WHITE
WHITE
RED
RED FUEL SOLENOID
VOLTAGE REGULATOR
STARTER SOLENOID
RED
VIOLET
BLUE
21HP & 23HP KOHLER ENGINE HARNESS
IGNITION MODULE
IGNITION MODULE
1
32
54
23
45
COLT WIRE HARNESS
47316
M
LG
B
S
IGNITION
SWITCH
20927 A
1

46
TP 400-7034-01-CT-D
© Copyright 2003 Ferris Industries. All Rights Reserved.
The above parts group applies to the following Model Nos.:
ZT2148 Colt 21 HP Briggs & Stratton Rider w/ 48” Mower
ZT2148B Colt 21 HP Briggs & Stratton Rider w/ 48” Mower
ZT2148K Colt 21 HP Kohler Rider w/ 48” Mower
ZT2352 Colt 23 HP Briggs & Stratton Rider w/ 52” Mower
ZT2352B Colt 23 HP Briggs & Stratton Rider w/ 52” Mower
ZT2352K Colt 23 HP Kohler Rider w/ 52” Mower
Decals - Brand & Model
NOTE: Unless noted otherwise,
use the standard hardware torque
specification chart.
1
2
3
1
2
3
4
1
NOTE: Decals are NOTshown to scale.

47
TP 400-7034-01-CT-D
REF NO. PART NO. QTY. DESCRIPTION
Decals - Brand & Model
Footnotes:
1 1722551 3 DECAL, Simplicity Logo
2 45512 1 DECAL, Derby Built By
3 46729 1 DECAL, Colt ZT2148
4 46786 1 DECAL, Colt ZT2352
The above parts group applies to the following Model Nos.:
ZT2148 Colt 21 HP Briggs & Stratton Rider w/ 48” Mower
ZT2148B Colt 21 HP Briggs & Stratton Rider w/ 48” Mower
ZT2148K Colt 21 HP Kohler Rider w/ 48” Mower
ZT2352 Colt 23 HP Briggs & Stratton Rider w/ 52” Mower
ZT2352B Colt 23 HP Briggs & Stratton Rider w/ 52” Mower
ZT2352K Colt 23 HP Kohler Rider w/ 52” Mower

10
48
TP 400-7034-01-CT-D
© Copyright 2003 Ferris Industries. All Rights Reserved.
The above parts group applies to the following Model Nos.:
ZT2148 Colt 21 HP Briggs & Stratton Rider w/ 48” Mower
ZT2148B Colt 21 HP Briggs & Stratton Rider w/ 48” Mower
ZT2148K Colt 21 HP Kohler Rider w/ 48” Mower
ZT2352 Colt 23 HP Briggs & Stratton Rider w/ 52” Mower
ZT2352B Colt 23 HP Briggs & Stratton Rider w/ 52” Mower
ZT2352K Colt 23 HP Kohler Rider w/ 52” Mower
Decals - Safety & Operation
NOTE: Unless noted otherwise,
use the standard hardware torque
specification chart.
OPERATION
To Start Engine:
To Stop Engine:
Seat must be occupied, PTO
Switch OFF, Parking Brake ON
and both control handles are
locked in Neutral.
Engage Parking Brake, Throttle at
half to full, turn Ignition Switch Off.
Before Leaving Machine:
Turn PTO switch off, shut off engine,
remove key, and set Parking
Brake
To Operate PTO Clutch:
Operator must be in seat.
Pull up to Engage.
Push down to Disengage.
When Operator Leaves Seat:
Engine will shut off if PTO is on.
Engine will shut off of Parking Brake
is off.
Engine will shut off if both control
levers are not locked in neutral.
GROUND SPEED AND
STEERING LEVERS
Right lever controls speed
and direction of right drive
wheel. Notch is neutral
lock.
Left lever controls speed and
direction of left drive wheel.
Notch is neutral lock.
Steer by slowing the lever in
the direction of the turn.
PARKING BRAKE
LEVER
Pull to set Parking Brake.
Push to release Parking
Brake.
DECK LIFT PEDAL
Push to raise deck.
CUTTING HEIGHT
ADJUSTMENT PIN
DO NOT TOW!
Damage may result to
Hydrostatic Transmission.
WARNING
BEWARE OF
POWER DRIVEN PARTS
Key
Switch
20A
Charge
Circuit
20A
PTO
Clutch
20A
Auxiliary
20A
46503
47138
1
2
3
4
5
6
7
8
9
11
12
13
1
2
3
14
67
14
8
4
8
48"
52"
15
16
15, 16
15, 16
NOTE: Decals are NOTshown to scale.

49
TP 400-7034-01-CT-D
REF NO. PART NO. QTY. DESCRIPTION
Decals - Safety & Operation
Footnotes:
1 46884 1 DECAL, Warning
2 46885 1 DECAL, Danger
3 1704277 1 DECAL, Danger (Chute In Place)
4 1704276 1 DECAL, Danger (Hand Under Deck)
5 45559 1 DECAL, Operation
6 47138 1 DECAL, Lift Plate
7 45566 1 DECAL, Instrument Panel
8 45561 2 DECAL, Direction
9 45562 2 DECAL, Hydro Release Valve
10 20337 1 DECAL, Warning (on top of mower deck)
11 47175 1 DECAL, Oil Reservoir
12 46481 2 DECAL, Caution Fan
13 46503 1 DECAL, Fuse Location
14 22402 1 DECAL, Fuel Valve
15 22811 2 DECAL, 48”
16 22812 2 DECAL, 52”
The above parts group applies to the following Model Nos.:
ZT2148 Colt 21 HP Briggs & Stratton Rider w/ 48” Mower
ZT2148B Colt 21 HP Briggs & Stratton Rider w/ 48” Mower
ZT2148K Colt 21 HP Kohler Rider w/ 48” Mower
ZT2352 Colt 23 HP Briggs & Stratton Rider w/ 52” Mower
ZT2352B Colt 23 HP Briggs & Stratton Rider w/ 52” Mower
ZT2352K Colt 23 HP Kohler Rider w/ 52” Mower

50
TP 400-7034-01-CT-D
© Copyright 2003 Ferris Industries. All Rights Reserved.
The above parts group applies to the following Model Nos.:
ZT2148 Colt 21 HP Briggs & Stratton Rider w/ 48” Mower
ZT2148B Colt 21 HP Briggs & Stratton Rider w/ 48” Mower
ZT2148K Colt 21 HP Kohler Rider w/ 48” Mower
ZT2352 Colt 23 HP Briggs & Stratton Rider w/ 52” Mower
ZT2352B Colt 23 HP Briggs & Stratton Rider w/ 52” Mower
ZT2352K Colt 23 HP Kohler Rider w/ 52” Mower
Mower Housing, Cover, Spindle & Blade Group
See Mower Drive Group
for Drive Components
See Deck Roller Group
for Roller Components
Torque Item #21
to 70 Ft. Lbs.
11
19
20
21
17
12
13
14
12
15
16
8 9 10
18
3
4
2
1A, 1B
11
19
20
21
11
19
20
21 Torque Item #21
to 70 Ft. Lbs. Torque Item #21
to 70 Ft. Lbs.
5
6
5
7
4
NOTE: Unless noted otherwise,
use the standard hardware torque
specification chart.

51
TP 400-7034-01-CT-D
REF NO. PART NO. QTY. DESCRIPTION
The above parts group applies to the following Model Nos.:
ZT2148 Colt 21 HP Briggs & Stratton Rider w/ 48” Mower
ZT2148B Colt 21 HP Briggs & Stratton Rider w/ 48” Mower
ZT2148K Colt 21 HP Kohler Rider w/ 48” Mower
ZT2352 Colt 23 HP Briggs & Stratton Rider w/ 52” Mower
ZT2352B Colt 23 HP Briggs & Stratton Rider w/ 52” Mower
ZT2352K Colt 23 HP Kohler Rider w/ 52” Mower
Mower Housing, Cover, Spindle & Blade Group
1 1846896 1 48” MOWER DECK
* 1846897 1 52” MOWER DECK
2 1847129 2 MOWER DECK GUARD
3 1846445 1 DISCHARGE CHUTE
4 25057 2 NUT, Hex, Nylon Lock, 5/16-18
5 1705080 2 SPRING, Torsion
6 45637 1 SPRING SPACER
7 42555-009 1 ROD
8 22308 6 BODY CLIP, 5/16-18
9 25155 6 WASHER, 5/16
10 25011-6 6 CAPSCREW, Hex Hd, 5/16-18 x 3/4
11 46363 3 SPINDLE ASSEMBLY, Complete (includes Ref 10-14)
12 46363-5 6 BEARING, Roller
13 46363-4 3 SPACER, Bearing
14 46363-1 3 SPINDLE HOUSING
15 46363-3 3 TRASH SHIELD
16 46363-2 3 SPINDLE SHAFT
17 25011-9 12 CAPSCREW, Hex Hd, 5/16-18 x 1-1/8
18 25139 12 NUT, Hex, Serrated Flange, 5/16-18
19 20843 3 MOWER BLADE (48” Deck)
* 21227 3 MOWER BLADE (52” Deck)
20 25159 3 WASHER, USS, 5/8
21 25320-14 3 CAPSCREW, Hex Hd, 5/8-11 x 1-3/4-

52
TP 400-7034-01-CT-D
© Copyright 2003 Ferris Industries. All Rights Reserved.
The above parts group applies to the following Model Nos.:
ZT2148 Colt 21 HP Briggs & Stratton Rider w/ 48” Mower
ZT2148B Colt 21 HP Briggs & Stratton Rider w/ 48” Mower
ZT2148K Colt 21 HP Kohler Rider w/ 48” Mower
ZT2352 Colt 23 HP Briggs & Stratton Rider w/ 52” Mower
ZT2352B Colt 23 HP Briggs & Stratton Rider w/ 52” Mower
ZT2352K Colt 23 HP Kohler Rider w/ 52” Mower
Mower Drive Group
NOTE: Unless noted otherwise,
use the standard hardware torque
specification chart.
3
4
5
3
4
5
3
4
5
6
8
7
9
10
10
11
12
13
14
15
16
14
19
7
8
17
18
12
17
20
21
22
23
24
25 6
6
2A, 2B
2A, 2B
2A, 2B
1A, 1B

53
TP 400-7034-01-CT-D
REF NO. PART NO. QTY. DESCRIPTION
Mower Drive Group
Footnotes:
1A 22667 1 BELT (48” Deck)
1B 22148 1 BELT (52” Deck)
2A 22622 3 PULLEY, Spindle (48” Deck)
2B 22721 3 PULLEY, Spindle (52” Deck)
3 50407-5 3 KEY, 1/4” x 1-1/4”
4 25318 3 WASHER, Spring
5 25319 3 NUT, Hex, Nylon Lock, 5/8-18
6 25056 4 NUT, Hex, Nylon Lock, 1/2-13
7 25158 3 WASHER, 1/2
8 21976 3 PULLEY, Idler
9 47142 2 SPACER, Idler Pulley
10 25017-24 2 CAPSCREW, Hex Hd, 1/2-13 x 3
11 25017-36 1 CAPSCREW, Hex Hd, 1/2-13 x 4-1/2
12 25150 2 WASHER, USS, 1/2
13 45022 1 IDLER ARM PIVOT SHAFT
14 21541 2 BUSHING, Flange
15 1845106 1 IDLER ARM
16 20095 1 GREASE FITTING
17 45023-009 3 SPACER, Idler
18 21811 1 EYEBOLT
19 25017-28 1 CAPSCREW, Hex Hd, 1/2-13 x 3-1/2
20 1845200 1 SPRING ANCHOR
21 25013-8 1 CAPSCREW, Hex Hd, 3/8-16 x 1
22 22788 1 SPRING, Compression, 2”
23 25156 1 WASHER, 3/8
24 25096 1 NUT, Hex, Nylon Lock, 3/8-16
25 25128 1 NUT, Hex, Serrated Flange, 3/8-16
The above parts group applies to the following Model Nos.:
ZT2148 Colt 21 HP Briggs & Stratton Rider w/ 48” Mower
ZT2148B Colt 21 HP Briggs & Stratton Rider w/ 48” Mower
ZT2148K Colt 21 HP Kohler Rider w/ 48” Mower
ZT2352 Colt 23 HP Briggs & Stratton Rider w/ 52” Mower
ZT2352B Colt 23 HP Briggs & Stratton Rider w/ 52” Mower
ZT2352K Colt 23 HP Kohler Rider w/ 52” Mower

54
TP 400-7034-01-CT-D
© Copyright 2003 Ferris Industries. All Rights Reserved.
The above parts group applies to the following Model Nos.:
ZT2148 Colt 21 HP Briggs & Stratton Rider w/ 48” Mower
ZT2148B Colt 21 HP Briggs & Stratton Rider w/ 48” Mower
ZT2148K Colt 21 HP Kohler Rider w/ 48” Mower
ZT2352 Colt 23 HP Briggs & Stratton Rider w/ 52” Mower
ZT2352B Colt 23 HP Briggs & Stratton Rider w/ 52” Mower
ZT2352K Colt 23 HP Kohler Rider w/ 52” Mower
Mower Rear Mount Group
NOTE: Unless noted otherwise,
use the standard hardware torque
specification chart.
10
11
12
1
2
3
4
5
6
7
6
8
9
NOTE: LH side shown. Components are
identical for the RH side.

55
TP 400-7034-01-CT-D
REF NO. PART NO. QTY. DESCRIPTION
Mower Rear Mount Group
Footnotes:
1 1845009 2 DECK PUSHER BAR
2 20095 2 GREASE FITTING
3 25093 2 NUT, Hex, Jam, 3/4-16
4 25265-32 2 CAPSCREW, Hex Hd, 3/4-16 x 4
5 25160 2 WASHER, 3/4
6 22111 4 ROD END SEAL
7 22039 2 BALL JOINT, 3/4-16
8 45093 2 SPACER
9 25284 2 NUT, Hex, Nylon Lock, 3/4-16
10 1845037 2 PUSHER BAR MOUNT PIN
11 25011-8 2 CAPSCREW, Hex Hd, 5/16-18 x 1
12 25139 2 NUT, Hex, Serrated Flange, 5/16-18
The above parts group applies to the following Model Nos.:
ZT2148 Colt 21 HP Briggs & Stratton Rider w/ 48” Mower
ZT2148B Colt 21 HP Briggs & Stratton Rider w/ 48” Mower
ZT2148K Colt 21 HP Kohler Rider w/ 48” Mower
ZT2352 Colt 23 HP Briggs & Stratton Rider w/ 52” Mower
ZT2352B Colt 23 HP Briggs & Stratton Rider w/ 52” Mower
ZT2352K Colt 23 HP Kohler Rider w/ 52” Mower

56
TP 400-7034-01-CT-D
© Copyright 2003 Ferris Industries. All Rights Reserved.
The above parts group applies to the following Model Nos.:
ZT2148 Colt 21 HP Briggs & Stratton Rider w/ 48” Mower
ZT2148B Colt 21 HP Briggs & Stratton Rider w/ 48” Mower
ZT2148K Colt 21 HP Kohler Rider w/ 48” Mower
ZT2352 Colt 23 HP Briggs & Stratton Rider w/ 52” Mower
ZT2352B Colt 23 HP Briggs & Stratton Rider w/ 52” Mower
ZT2352K Colt 23 HP Kohler Rider w/ 52” Mower
Mower Deck Roller Group
NOTE: Unless noted otherwise,
use the standard hardware torque
specification chart.
1
3
2
4
5
4
5
6
7
89
9
9
11
11
10
12
15
10
13
5
15
87
3
1
4
14
16
17
18
19
20
21
11
22
23
24

57
TP 400-7034-01-CT-D
REF NO. PART NO. QTY. DESCRIPTION
Mower Deck Roller Group
Footnotes: Ref No. 16-21 apply to the 52” mower only
1 22845 2 SPRING, Compression
2 1846892 1 MOUNT, Striper-RH
3 20594 2 COLLAR, Double Split, 3/4
4 25011-10 4 CAPSCREW, Hex Hd, 5/16-18 x 1-1/4
5 25155 4 WASHER, 5/16
6 1846901 1 SHAFT, Striper Guide-RH
7 25095 4 NUT, Hex, Nylon Lock, 1/4-20
8 25846 2 BEARING, Flange, 5/8
9 20441 3 COLLAR, Split, 5/8
10 25010-10 4 CAPSCREW, Hex Hd, 1/4-20 x 1-1/4
11 20785 3 ROLLER
12 46903 1 SHAFT, Roller Mount
13 1846893 1 MOUNT, Striper-LH
14 1846900 1 SHAFT, Striper Guide-LH
15 25139 4 NUT, Hex, Serrated Flange, 5/16-18
16 25013-28 1 CAPSCREW, Hex Hd, 3/8-16 x 3-1/2
17 25156 1 WASHER, 3/8
18 1716353 1 WHEEL
19 45992 1 WHEEL AXLE
20 25305 1 WASHER, Heavy, 3/8
21 25096 1 NUT, Hex, Nylon Lock, 3/8-16
22 25013-8 1 CAPSCREW, Hex Hd, 3/8-16 x 1
23 1841655 1 ROLLER PIN
24 25128 1 NUT, Hex, Serrated Flange, 3.8-16
The above parts group applies to the following Model Nos.:
ZT2148 Colt 21 HP Briggs & Stratton Rider w/ 48” Mower
ZT2148B Colt 21 HP Briggs & Stratton Rider w/ 48” Mower
ZT2148K Colt 21 HP Kohler Rider w/ 48” Mower
ZT2352 Colt 23 HP Briggs & Stratton Rider w/ 52” Mower
ZT2352B Colt 23 HP Briggs & Stratton Rider w/ 52” Mower
ZT2352K Colt 23 HP Kohler Rider w/ 52” Mower