Simrad Autopilot System Ap50 Users Manual INSTRUCTION
AP50 to the manual dbe25e70-181d-4944-be7e-8795fed78604
2015-02-02
: Simrad Simrad-Autopilot-System-Ap50-Users-Manual-491958 simrad-autopilot-system-ap50-users-manual-491958 simrad pdf
Open the PDF directly: View PDF
.
Page Count: 188 [warning: Documents this large are best viewed by clicking the View PDF Link!]
- AP50 AUTOPILOT INSTRUCTION MANUAL
- FRONT MATTER
- GENERAL INFORMATION
- OPERATION OF THE AUTOPILOT
- TECHNICAL SPECIFICATIONS
- AP50 Autopilot System
- AP50 Control Unit
- AP51 Remote Control
- Junction Units
- RC25/RFC35R Rate Compass
- CDI35 Course Detector Interface
- CD100A Course Detector
- CD109 Course Detector
- RI35 Mk2 Rudder Angle Indicator
- RF300S Rudder Feedback Unit
- RF45X Rudder Feedback Unit
- RF14XU Rudder Feedback Unit
- GI50 Gyro Interface
- CI300X Compass Interface
- NI300X NMEA Interface
- TI50 Thruster Interface
- AD50 Analog Drive
- R3000X Remote Control
- S100 NFU Steering Lever
- S35 NFU Steering Lever
- F1/2 Remote Control
- FU50 Steering Lever
- Environmental Protection
- NMEA Sentences
- INSTALLATION
- General
- Unpacking and Handling
- Installation Index
- Determining System Configuration
- AP50 System Layout
- RF300S Rudder Feedback Unit
- RF45X Rudder Feedback Unit
- RF14XU Rudder Feedback Unit
- J50 Junction Unit
- Drive Unit Installation
- Control Unit
- RC25/RFC35R Rate Compass
- FU50 Steering Lever
- TI50 Thruster Interface
- AD50 Analog Drive
- R3000X Remote Control
- S100 NFU Lever Installation
- S35 NFU Steering Lever
- F1/2 Remote Control
- Interfacing to Optional Equipment (THD, Navigation Receiver, etc.)
- SOFTWARE SET-UP PROCEDURE
- ADVANCED SETTINGS
- MAINTENANCE
- TROUBLESHOOTING
- SPARE PARTS LIST
- GLOSSARY
- INDEX

INSTRUCTION MANUA
L
Simrad AP50
Autopilot

Note!
Simrad AS makes every effort to ensure that the information contained within this
document is correct. However, our equipment is continuously being improved and
updated, so we cannot assume liability for any errors which may occur.
Warning!
The equipment to which this manual applies must only be used for the purpose for
which it was designed. Improper use or maintenance may cause damage to the
equipment or injury to personnel. The user must be familiar with the contents of the
appropriate manuals before attempting to operate or work on the equipment.
Simrad AS disclaims any responsibility for damage or injury caused by improper
installation, use or maintenance of the equipment.
Copyright
© 2003 Simrad AS
The information contained within this document remains the sole property of
Simrad AS.
No part of this document may be copied or reproduced in any form or by any
means, and the information contained within is not to be communicated to a third
party, without the prior written consent of Simrad AS.

General Information
20221032B 1
Instruction Manual
This manual is intended as a reference guide for the correct
installation and operation of the Simrad AP50 autopilot.
Great care has been taken to simplify the set-up and
operation of the AP50; however, an autopilot is a complex
electronic system. It is affected by sea conditions, speed of
the vessel, and vessel hull shape and size.
Please take the time to read this manual to gain a thorough
understanding of the Simrad AP50 autopilot’s system
components and operation, as well as their relationship to a
complete AP50 autopilot system.
Other documentation included in this manual is a warranty
card. This card must be completed by the authorized dealer
that performed the installation and mailed-in to activate the
warranty.
Caution ! An autopilot is a very useful navigational aid, but it DOES
NOT under any circumstance replace a human navigator.
Do not use automatic steering when:
• In heavy traffic areas or in narrow waters
• In poor visibility or extreme sea conditions
• When in areas where use of autopilot is prohibited by law
When using an autopilot:
• Do not leave the helm unattended
• Do not place any magnetic material or equipment near any
magnetic or fluxgate compass used in the autopilot system
• Verify the course and position of the vessel at regular
intervals
• Always switch to Standby mode and reduce speed in
sufficient time to avoid hazardous situations

Simrad AP50 Autopilot
2 20221032B
Document revisions
Rev Date Written by Checked by Approved by
A 03.06.02 NG GK GHR
B 18.06.03
Document history
Rev. A Original Issue
Rev. B Updated according to software revision V1R2.
Minor corrections in text. RF14XU added.

General Information
20221032B 3
Contents
1 GENERAL INFORMATION .............................................................................11
1.1 Introduction ..................................................................................................11
1.2 How to Use This Manual..............................................................................12
1.3 System Components .....................................................................................13
1.4 AP50 Control Unit........................................................................................14
1.5 Junction Units ...............................................................................................14
1.6 Rudder Feedback Units ................................................................................14
RF300S Rudder Feedback Unit....................................................................14
RF45X Rudder Feedback Unit .....................................................................15
RF14XU Rudder Feedback Unit ..................................................................15
1.7 Heading Sensors ...........................................................................................15
RC25/RFC35R Rate Compass......................................................................15
CD100A Course Detector and CDI35 Course Detector Interface................15
General NMEA Compasses..........................................................................15
HS50 GPS Heading Sensor ..........................................................................15
Other Compass Models ................................................................................16
CI300X Compass Interface......................................................................16
GI50 Gyro Interface.................................................................................16
1.8 Optional Equipment......................................................................................16
AP51 Remote Control ..................................................................................16
R3000X Remote Control ..............................................................................16
S100 NFU Steering Lever ............................................................................17
S35 NFU Steering Lever ..............................................................................17
FU50 Follow-Up Steering Lever..................................................................17
F1/2 NFU Remote ........................................................................................17
TI50 Thruster Interface.................................................................................17
AD50 Analog Drive......................................................................................18
RI35 Mk2 Rudder Angle Indicator...............................................................18
NI300X NMEA Interface Unit .....................................................................18
2 OPERATION OF THE AUTOPILOT ..............................................................19
2.1 Overview ......................................................................................................19
2.2 ON/OFF - Standby Mode (STBY) ...............................................................22
2.3 AP50 with MSD50 Stern Drive unit.............................................................24
Zero point setting..........................................................................................24
Operation ......................................................................................................24
2.4 Follow-Up (FU) Steering..............................................................................25
2.5 Non-Follow-Up (NFU) Steering ..................................................................25
S100 (NFU) Steering Lever..........................................................................25

Simrad AP50 Autopilot
4 20221032B
F1/2 (NFU) Push Button Remote Control....................................................25
R3000X Remote Control (NFU) ..................................................................26
S35 NFU Steering Lever ..............................................................................26
2.6 Automatic Steering .......................................................................................27
AUTO Mode.................................................................................................27
AUTO-WORK Mode ...................................................................................28
2.7 Thruster Steering ..........................................................................................29
2.8 Navigating with the AP50 ............................................................................30
Route Navigation..........................................................................................31
Electronic Chart System (ECS) ....................................................................32
Selecting a Different Navigator....................................................................33
NAV-WORK Mode......................................................................................33
2.9 Dodging ........................................................................................................34
Dodging in AUTO Mode..............................................................................34
Dodging in NAV Mode ................................................................................35
2.10 TURN Mode .................................................................................................36
U-turn............................................................................................................36
C-turn............................................................................................................36
2.11 Multiple Station System ...............................................................................37
2.12 Lock Function...............................................................................................37
Standard Operation .......................................................................................37
Master Operation ..........................................................................................38
2.13 External system selection .............................................................................39
2.14 User Set-up Menu.........................................................................................39
Alternating Course Knob Icon......................................................................39
STANDBY Mode .........................................................................................39
AUTO Mode.................................................................................................41
AUTO-WORK Mode ...................................................................................43
NAV Mode ...................................................................................................44
NAV-WORK Mode......................................................................................45
2.15 Instrument Screens and Menu ......................................................................46
Screen Selection ...........................................................................................48
Instrument Set-up. ........................................................................................48
3 TECHNICAL SPECIFICATIONS ....................................................................49
3.1 AP50 Autopilot System ................................................................................49
3.2 AP50 Control Unit........................................................................................50
3.3 AP51 Remote Control ..................................................................................51
3.4 Junction Units ...............................................................................................52
3.5 RC25/RFC35R Rate Compass......................................................................53
3.6 CDI35 Course Detector Interface .................................................................54

General Information
20221032B 5
3.7 CD100A Course Detector.............................................................................55
3.8 CD109 Course Detector................................................................................55
3.9 RI35 Mk2 Rudder Angle Indicator...............................................................56
3.10 RF300S Rudder Feedback Unit....................................................................57
3.11 RF45X Rudder Feedback Unit .....................................................................58
3.12 RF14XU Rudder Feedback Unit ..................................................................59
3.13 GI50 Gyro Interface......................................................................................60
3.14 CI300X Compass Interface ..........................................................................61
3.15 NI300X NMEA Interface .............................................................................62
3.16 TI50 Thruster Interface.................................................................................63
3.17 AD50 Analog Drive......................................................................................63
3.18 R3000X Remote Control ..............................................................................64
3.19 S100 NFU Steering Lever ............................................................................65
3.20 S35 NFU Steering Lever ..............................................................................65
3.21 F1/2 Remote Control ....................................................................................66
3.22 FU50 Steering Lever ....................................................................................67
3.23 Environmental Protection .............................................................................68
3.24 NMEA Sentences .........................................................................................68
4 INSTALLATION .................................................................................................71
4.1 General..........................................................................................................71
4.2 Unpacking and Handling ..............................................................................71
4.3 Installation Index ..........................................................................................71
4.4 Determining System Configuration..............................................................73
4.5 AP50 System Layout ....................................................................................73
4.6 RF300S Rudder Feedback Unit....................................................................74
4.7 RF45X Rudder Feedback Unit .....................................................................76
Electrical Connection ...................................................................................77
Mechanical Alignment .................................................................................79
4.8 RF14XU Rudder Feedback Unit ..................................................................80
Mechanical mounting ...................................................................................80
Electrical installation ....................................................................................80
Final check....................................................................................................84
4.9 J50 Junction Unit ..........................................................................................85
Cable Connections........................................................................................85
Grounding and Radio Frequency Interface (RFI).........................................86
Junction Unit Terminals ...............................................................................86
System Select................................................................................................87
AUTO/STANDBY Toggling .......................................................................87
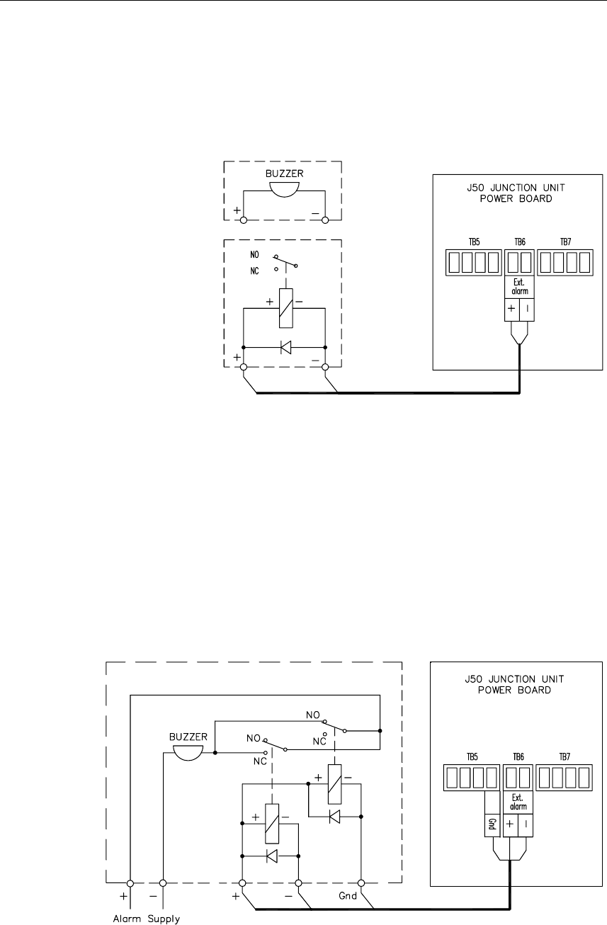
External Alarm (Non Wheelmark System)...................................................88
External Alarm (Wheelmark System) ..........................................................88

Simrad AP50 Autopilot
6 20221032B
4.10 Drive Unit Installation ..................................................................................89
Connecting a Reversible Pump.....................................................................91
Connecting a Hydraulic Linear Drive...........................................................92
Solenoids (externally powered, common positive)..................................92
Solenoids (externally powered, common negative).................................93
Connecting Solenoid Valves ........................................................................92
Solenoids (not externally powered) .........................................................93
4.11 Control Unit..................................................................................................94
Panel-mounting.............................................................................................94
Optional Bracket mounting ..........................................................................94
RobNet Network Cables...............................................................................95
AP51 Remote Control Connection ...............................................................98
AP51 in a Wheelmark System .................................................................98
JP21 Jack Point Installation..........................................................................98
4.12 RC25/RFC35R Rate Compass......................................................................99
RFC35 Fluxgate Compass ..........................................................................102
4.13 FU50 Steering Lever ..................................................................................102
4.14 TI50 Thruster Interface...............................................................................102
4.15 AD50 Analog Drive....................................................................................102
4.16 R3000X Remote Control ............................................................................103
4.17 S100 NFU Lever Installation......................................................................103
4.18 S35 NFU Steering Lever ............................................................................104
4.19 F1/2 Remote Control ..................................................................................104
4.20 Interfacing to Optional Equipment (THD, Navigation Receiver, etc.).......105
Single NMEA input/output.........................................................................105
Double NMEA input/output .......................................................................106
NMEA Compass In ....................................................................................106
Radar Clock/Data .......................................................................................107
Analog Heading Repeater...........................................................................107
Digital Heading Repeater ...........................................................................108
GI50 Gyro Interface....................................................................................109
NI300X NMEA Interface Unit ...................................................................111
CI300X Compass Interface Unit ................................................................112
CD100A Course Detector...........................................................................114
CDI35 Interface ..........................................................................................115
5 SOFTWARE SET-UP PROCEDURE .............................................................117
5.1 Description of Installation Set-up...............................................................117
5.2 Installation Menu........................................................................................118
Language selection .....................................................................................119
Dockside .....................................................................................................119

General Information
20221032B 7
Master Operation ...................................................................................121
Boat Type...............................................................................................121
Boat Length............................................................................................121
Drive Unit Voltage.................................................................................121
Rudder Feedback Calibration ................................................................122
Rudder Calibration.................................................................................123
Rudder Test............................................................................................124
Set Rudder Zero .....................................................................................125
Rudder Limit..........................................................................................125
Rudder Deadband...................................................................................125
Thruster..................................................................................................126
Interface Set-up...........................................................................................126
Sea Trial......................................................................................................132
Compass Calibration..............................................................................133
Compass Offset......................................................................................134
Set Thrust Direction, On/Off Thruster...................................................135
Thruster Calibration, Analog Thruster...................................................135
Thruster zero ..........................................................................................135
Direction and Maximum Thrust STBD, Analog Thruster.....................136
Direction and Maximum Thrust PORT, Analog Thruster.....................136
Minimum Thrust, Analog Thruster........................................................137
Speed source ..........................................................................................137
Set Cruising Speed.................................................................................138
Set Rudder Zero .....................................................................................138
Set Rate of Turn.....................................................................................138
Adjust rudder angle/Set rate of turn.......................................................139
Manual Tuning.......................................................................................140
Automatic tuning ...................................................................................141
Speed Response .....................................................................................143
5.3 Final Test ....................................................................................................143
5.4 Providing User Training .............................................................................144
6 ADVANCED SETTINGS..................................................................................145
6.1 Service Menu..............................................................................................145
System Data................................................................................................145
NMEA Data................................................................................................146
NMEA Port Test (J50 hardware)................................................................147
Master Reset ...............................................................................................147
6.2 Settings Menu .............................................................................................148
Steering.......................................................................................................148
W Init rudder..........................................................................................148

Simrad AP50 Autopilot
8 20221032B
W Autotrim ............................................................................................148
Autotrim.................................................................................................148
Course Adjust.........................................................................................149
Compass difference................................................................................149
Off Heading lim .....................................................................................149
Drive engage ..........................................................................................150
Drive type...............................................................................................151
Drive out ................................................................................................151
Prop. gain ...............................................................................................151
Seastate ..................................................................................................151
Rudder....................................................................................................151
Counter rudder .......................................................................................152
W Seastate ..................................................................................................152
W Rudder....................................................................................................152
W Count rudder ..........................................................................................152
W Rudder limit ......................................................................................152
Cruising speed........................................................................................152
Speed response.......................................................................................152
Transition Speed ....................................................................................153
Nav Gain ................................................................................................153
Minimum rudder ....................................................................................153
Turn mode..............................................................................................154
Rate of Turn ...........................................................................................154
W Rate of Turn ......................................................................................154
Radius ....................................................................................................154
W Radius................................................................................................154
Added stop time .....................................................................................154
Init NAV ................................................................................................155
Turn Gain...............................................................................................155
W Turn Gain ..........................................................................................155
Rate Sensitivity ......................................................................................155
Thruster.......................................................................................................156
Thruster inhibit.......................................................................................156
Thruster sensitivity.................................................................................156
Thruster gain ..........................................................................................156
Minimum thrust .....................................................................................157
Thruster hyst ..........................................................................................158
Thruster Drive........................................................................................158
Response delay.......................................................................................158
7 MAINTENANCE ...............................................................................................161

General Information
20221032B 9
7.1 Control unit.................................................................................................161
7.2 Junction Unit...............................................................................................161
7.3 Rudder Feedback ........................................................................................161
7.4 Compass (RC25/RFC35R) .........................................................................161
7.5 Drive unit....................................................................................................161
7.6 Exchange of software program...................................................................162
8 TROUBLESHOOTING ....................................................................................165
8.1 Warnings.....................................................................................................165
9 SPARE PARTS LIST ........................................................................................171
10 GLOSSARY........................................................................................................177
11 INDEX.................................................................................................................181

Simrad AP50 Autopilot
10 20221032B
This page is intentionally left blank

General Information
20221032B 11
1 GENERAL INFORMATION
1.1 Introduction
Congratulations on the purchase of your new Simrad AP50
autopilot system and thank you for selecting what we feel is one
of the most advanced autopilot systems available on the market
today.
Today, Simrad manufactures a complete range of autopilots for
all types of vessels, from leisure boats to advanced steering
systems for merchant marine vessels. Our factory for these
products Simrad Egersund AS, is located in Egersund on the
southwest coast of Norway. The company's involvement in
autopilots began in 1953 with equipment for the North Sea
fishing fleet under the brand name Robertson. Professional
mariners around the world acknowledge that the Robertson and
Simrad brand names are synonymous with the absolute best in
autopilot technology.
The AP50 autopilot from Simrad represents yet another step
forward in autopilot technology with the intent of providing
small fishing boats and work boats up to 200 feet with a host of
new features. The system can be expanded and enhanced with a
selection of options and accessories.
The brain in the AP50 autopilot system is the single "intelligent"
junction unit that communicates with all other system modules
on a RobNet network. The RobNet has been developed to
establish a reliable digital communication and power
distribution network between the units in the system. The
RobNet simplifies installation and enables the AP50 system to
be easily expanded at any time. Any unit that is connected to the
autopilot system via RobNet is called a RobNet Unit (See
Junction Unit Comparison table on page 14).
The AP50 system is produced and tested in accordance with the
European Marine Equipment Directive 96/98. This means that
the AP50 complies with the highest level of tests for non-
military marine electronic navigation equipment existing today.
The Marine Equipment Directive 96/98/EC (MED), as amended
by 98/95/EC for ships flying EU or EFTA flags, applies to all
new ships, to existing ships not previously carrying such
equipment, and to ships having their equipment replaced.
This means that all system components covered by annex A1
must be type-approved accordingly and must carry the
Wheelmark, which is a symbol of conformity with the Marine
Equipment Directive.

Simrad AP50 Autopilot
12 20221032B
While the AP50 may be installed on vessels not needing to
comply with the Marine Equipment Directive, those requiring
compliance must have one AP50 Control Unit set-up as a
“master unit” in order for the installation to be approved. Simrad
has no responsibility for the incorrect installation or use of the
AP50 autopilot, so it is essential for the person in charge of the
installation to be familiar with the relevant requirements as well
as with the contents of this manual, which covers correct
installation and use.
The purpose of the Marine Equipment Directive is to enhance
safety at sea and to prevent marine pollution through the
uniform application of the relevant international instruments
relating to equipment listed in Annex A1.
As there are many interfacing requirements in the
standards/codes, integrated systems and integrated certification
lead to more efficient and effective management of safety,
environmental, issues and quality.
The Marine Equipment Directive also constitutes a part of the
International Safety Management (ISM) Code. The ISM Code
was included as a new chapter (IX) of SOLAS in 1994, and is
mandatory for: passenger ships not later than 1st of July, 1998;
oil tankers; chemical tankers; gas carriers; bulk carriers and
cargo high speed craft of 500 gross tonnage and upwards not
later than 1st of July, 1998; and other cargo ships and mobile
offshore drilling units of 500 gross tonnage and upwards not
later than 1st of July, 2002.
It is required that both the shipping company and ships shall be
certified by the Administration (the government of the state
whose flag the ship is entitled to fly), by an organization
recognized by the Administration or by the government of the
country acting on behalf of the Administration.
1.2 How to Use This Manual
This manual is intended as a reference guide for installing,
operating and maintaining the Simrad AP50 autopilot. Great
care has been taken to simplify the set-up and operation and of
the AP50; however, an autopilot is a complex electronic system.
It is affected by sea conditions, speed of the vessel, and vessel
hull shape and size.
Please take the time to read this manual to get a thorough
understanding of the Simrad AP50 autopilot’s system
components and operation, as well as their relationship to a
complete AP50 autopilot system.

General Information
20221032B 13
At the end of this manual, you will find an index and a glossary,
which will help you when studying the manual.
Other documentation provided with your system includes a
warranty card.
Note ! The Warranty Card must be completed by the authorized dealer
that performed the installation and mailed-in to activate the
warranty.
1.3 System Components
A basic AP50 system may consist of the following units (refer to
Figure 1-1):
• AP50 Control Unit with accessories
• Heading Sensor
• Rudder Feedback Unit with transmission link
• Junction Unit
• Drive Unit
The basic system can be expanded with remote control unit,
hand held remote and steering lever.
Figure 1-1 AP50 Basic system

Simrad AP50 Autopilot
14 20221032B
1.4 AP50 Control Unit
This compact autopilot control for panel, bulkhead- or bracket-
mounting has a rotary course knob and a large LCD for readout
of autopilot data. It also has two RobNet connectors for system
interconnection and expansion.
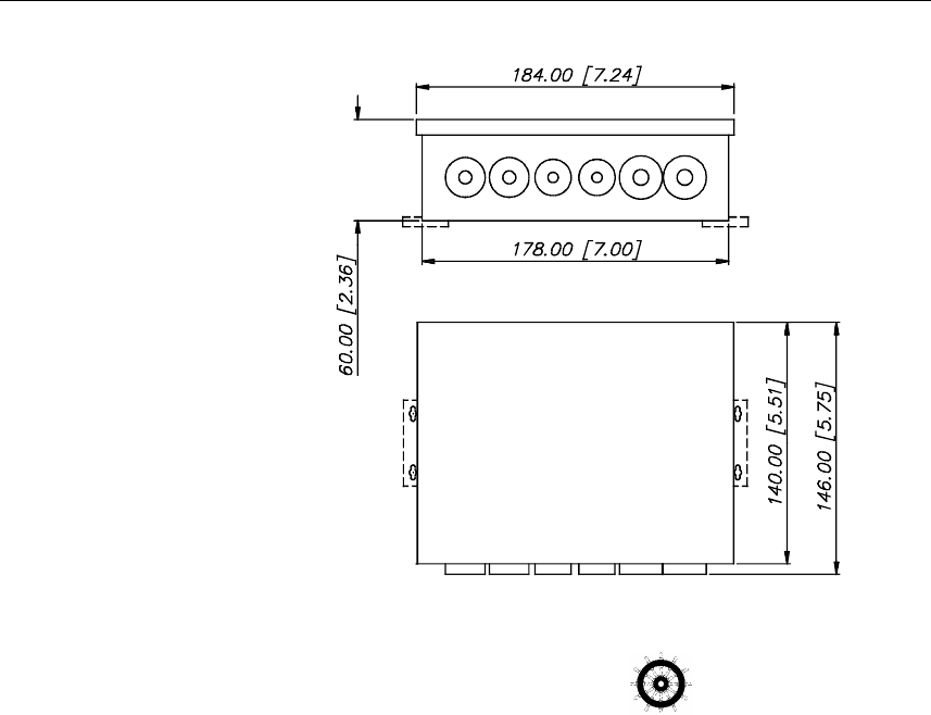
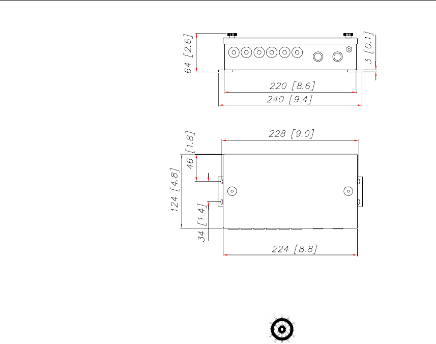
1.5 Junction Units
The junction unit in the AP50 autopilot system contains the
steering computer, interface circuits to all system components,
and drive circuits for the drive unit motor and clutch. Two
models, J50 and J50-40, are available.
J50 J50-40
Supply voltage 10-40 V 10-40 V
Motor current (continuous/peak) 10/20A 20/40A
Number of RobNet units* (+J50) 15 15
NMEA ports (input/output) 2 2
Solenoid output Yes Yes
Galvanic insulated solenoids Yes No
Input for NFU control Yes Yes
External alarm Yes Yes
Radar clock/data interface Yes Yes
* AP50 Control Unit, AP51 Remote Control, RFC35R Rate
Compass, FU50 Follow-up lever, CI300X Compass Interface,
NI300X NMEA Interface, TI50 Thruster Interface, AD50
Analog Drive.
Table 1-1 Junction Unit Model Comparison
1.6 Rudder Feedback Units
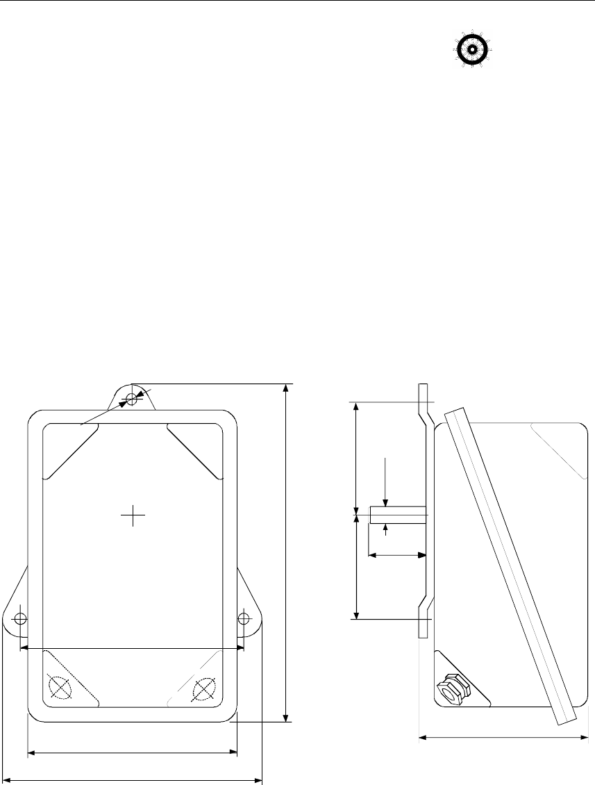
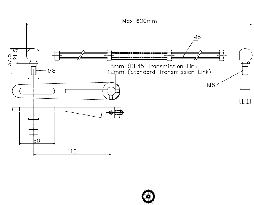
RF300S Rudder Feedback Unit
This rudder feedback unit with transmission link and 10 m (30
feet) of cable transforms the angular travel of the rudder to a
digital signal read by the autopilot steering computer. It is to be
used on small to medium size vessels.

General Information
20221032B 15
RF45X Rudder Feedback Unit
This rudder feedback unit with T45 transmission link and 2 m (6
feet) of cable transforms the angular travel of the rudder to a
digital signal read by the autopilot steering computer. It is to be
used on medium to large size vessels.
RF14XU Rudder Feedback Unit
This unit can replace the RF45X Rudder Feedback Unit in
installations where a more rugged construction of the feedback
unit is preferred. Besides electronic circuitry to generate
feedback signals for the autopilot and rudder angle indicators it
has been provided with 2 sets of limit switches.
1.7 Heading Sensors
The AP50 autopilot system can be used with the following
combinations of heading sensors:
RC25/RFC35R Rate Compass
The fluxgate compass with an integrated rate of turn sensor
provides a dramatic improvement to the dynamic performance of
both the autopilot and any stabilized radar display.
CD100A Course Detector and CDI35
Course Detector Interface
The sensor and interface unit connects the AP50 system to a
magnetic compass. The AP50 provides excitation current for
CD100A and converts the analog sine/cosine signal to digital
two-wire format for the autopilot steering computer.
General NMEA Compasses
Any compass outputting a NMEA 0183 message with either
HDT, HDG, or HDM sentence can be connected directly to the
J50/J50-40 junction units or to the NI300X NMEA Interface. An
output of 10 Hz is recommended.
HS50 GPS Heading Sensor
The Simrad HS50 is a GPS compass that displays true heading
output with position, velocity, and rate-of-turn information. This
product replaces several vessel instruments in one compact
package (gyrocompass, GPS system, and speed input).
The HS50 comprises three components: the sensor unit, the
interface unit, and the display unit.

Simrad AP50 Autopilot
16 20221032B
The sensor unit contains two GPS sensors and an inertial
element. This unit is to be mounted on the vessel mast. The
interface unit contains the main CPU and serial interface with
high-speed communication. The display unit contains a LCD for
navigation information and buttons for user control and
command. The interface unit and the display unit may be
mounted on the bridge. Refer to the HS50 manual.
Other Compass Models
CI300X Compass Interface
The optional CI300X Compass Interface can interface the AP50
with a magnetic compass via CD100A or CD109, a fluxgate
compass with heading signal on a sine/cosine format, and a
gyrocompass with 1:1 synchro.
GI50 Gyro Interface
This interface unit connects the geared synchro and stepper
gyrocompass and the 200P/NM speed log to the AP50 system.
Utilize the repeater signal output from the gyrocompass and the
pulse output from the speed log to generate a speed and heading
signal on NMEA format.
Note ! Supply a voltage of only 12 volts to the GI50.
1.8 Optional Equipment
A series of options are available for the AP50 system.
AP51 Remote Control
This portable remote control unit for AP50 with 7 m (23 ft.) of
cable can be used as a hand-held remote control or can be
mounted in a fixed bracket-mount.
The JP21 Jack Point can be used for simple connection/
disconnection of the AP51 at different locations on the vessel.
Refer to the AP51 manual.
R3000X Remote Control
This small hand-held remote control has two buttons for power
steering and course selection (port and starboard) and one button
with a built-in lighted indicator for (limited) mode selection.

General Information
20221032B 17
S100 NFU Steering Lever
The S100 Non-follow-up steering lever is designed for indoor
console mounting and it has a spring-loaded return-to-
mid-position feature.
S35 NFU Steering Lever
The S35 is designed for indoor and outdoor bulkhead-mounting
and is made of shock resistant polyxymethylene. The lever has a
spring loaded return-to-mid-position feature. Its push button
with light indicator is used for (limited) mode selection when
connected to an autopilot junction unit.
FU50 Follow-Up Steering Lever
The FU50 Follow-up steering lever features a dial (scale) with
5° rudder angle markings. The rudder will move and stop at the
angle selected on the dial. The FU50 has a mid-position indent,
buttons for (limited) mode selection, and mode indicators
(STBY, FU, AUTO, NAV, WORK, and THRUSTER). It is
designed for indoor and outdoor bulkhead- or panel-mounting.
Refer to the FU50 manual.
F1/2 NFU Remote
This handheld control for push-button steering is fitted with a
rubber grip and is made of cast seawater-resistant aluminum. It
is fitted with a 10 meter (33 ft.) cable.
TI50 Thruster Interface
The TI50 Thruster Interface is designed to provide a control
signal for operating a thruster in an AP50 system by either
on/off solenoids, analog ±10V control, or Danfoss PVEM valve.
The thruster output signal is calculated in the TI50 based on
operational mode and heading information received over
RobNet from other system units. Set-up from the control unit
and errors in the thruster interface are to be communicated via
RobNet. All settings are stored in the thruster interface unit.
Refer to the TI50 manual.

Simrad AP50 Autopilot
18 20221032B
AD50 Analog Drive
The AD50 Analog Drive is designed to provide a control signal
for operating an analog rudder in an AP50 system by either
analog or proportional ±10V control, or Danfoss PVEM valve.
The analog rudder output signal is calculated in the AD50 based
on operational mode and heading information received over
RobNet from other system units. Set-up from the control unit
and errors in the analog rudder interface are to be communicated
via RobNet. All settings are stored in the analog rudder interface
unit.
Refer to the AD50 manual.
RI35 Mk2 Rudder Angle Indicator
The RI35 Mk2 is manufactured in non-corrosive aluminum with a
non-reflective black finish.
The instrument gives a continuous reading of the rudder position
up to 45 degrees to each side of midship position. A front panel
key is used for rudder zero-adjustment, deflection reversal, and
illumination adjustment.
The splash-proof construction allows panel-, bulkhead-, or
bracket-mounting in exposed locations, such as the bridge wings,
the wheel house, and the engine room.
Refer to the RI35 Mk2 manual.
NI300X NMEA Interface Unit
This interface unit with 4 NMEA In/Out ports for
communication with other systems and a selectable heading
output for radars (Anritsu or Furuno), includes two RobNet
connectors for the AP50 system.

Operation
20221032B 19
2 OPERATION OF THE AUTOPILOT
Caution ! An autopilot is a very useful navigational aid, but it DOES
NOT under any circumstance replace a human navigator.
Do not use automatic steering when:
• In heavy traffic areas or in narrow waters
• In poor visibility or extreme sea conditions
• When in areas where use of autopilot is prohibited by law
When using an autopilot:
• Do not leave the helm unattended
• Do not place any magnetic material or equipment near the
magnetic or fluxgate compass used in the autopilot system
• Verify the course and position of the vessel at regular
intervals
• Always switch to Standby mode, and reduce speed in
sufficient time to avoid hazardous situations
2.1 Overview
SIMRAD
WORK
SIMRAD AP50
AUTO
INFO
STBY
DODGE
TURN
NAV
SETUP
04
RUDDER
340.7
Gyro1
AUTO
Inactive
329
CTS
Figure 2-1 AP50 Front Panel
Buttons Action Function
Short press: Switches the system on. Selects STANDBY mode.
Long press (3 sec.): Switches the system off.
STBY Quick double press: Locks or unlocks other control units and levers in
the system.

Simrad AP50 Autopilot
20 20221032B
Buttons Action Function
Single short press: Selects AUTO mode and sets the heading
reference.
AUTO
Second short press Sets new heading reference.
Short press: Selects NAV mode prompt screen from AUTO
mode.
Verifies new course to steer when alert screen is
shown (can also use the course knob, see below).
Quick double press: Selects User Set-up menu for selected mode.
NAV
SETUP
Long press (5 sec.): Selects Installation menu.
WORK Short press: Selects AUTO-WORK mode when in STANDBY
mode.
Selects/deselects AUTO-WORK mode when in
AUTO mode.
Selects/deselects NAV-WORK mode when in
NAV mode.
Short press: Selects Instrument screens.
Long press (5 sec.): Selects units to be displayed.
INFO
Quick double press: Selects Instrument screens to be shown.
Short press: Activates Dodging.
Long press (3 sec.): Activates U-turn.
DODGE
TURN
Second long press: Activates C-turn.
Press in STANDBY
mode:
Rudder moves to port while button is pressed.
Press in AUTO
mode:
Adjusts course to port (1°, 5°, or 10°).
Press in User Set-up
or Installation
menus:
Reverts to previous menu item.
Press in STANDBY
mode:
Rudder moves to stbd. while button is pressed.
Press in AUTO
mode:
Adjusts course to starboard (1°, 5°, or 10°).
Press in User Set-up
or Installation
menus:
Proceeds to next menu item.

Operation
20221032B 21
Buttons Action Function
Press simultaneously Activates Follow-up steering mode.
Rotate in Follow-up
steering mode:
Sets commanded rudder angle.
Rotate in AUTO
mode:
Counter clock-wise = Port course change
Clock-wise = Starboard course change
Rotate in NAV
mode:
Verifies new course to steer when alert screen is
shown.
Course
knob
Rotate in User Set-up
or Installation
menus:
Adjusts or confirms reading.
Screen Symbol Description
Rotate course knob
Press (PORT) or (STBD) button
04
Rudder angle 4° to starboard
(Rudder command when analog rudder)
02
Rudder angle 2° to port
(Rudder command when analog rudder)
Rudder command to starboard
Rudder command to port
Thruster connected to autopilot system
Control unit inactive or disengaged
Control unit locked
Key symbol alternates with mode index on
unlocked master unit
No course changes can be made unless you
press the AUTO (AUTO) button
Cross track error to starboard
Boat turning to starboard

Simrad AP50 Autopilot
22 20221032B
The control unit shown in Figure 2-1 on page 19 can operate as
a stand-alone unit in an autopilot system or it can be combined
in a multistation system. In a multistation system, command can
easily be transferred from one unit to another and units not in
control will display "Inactive".
The autopilot system may also be disabled from the ships’
steering system with an external switch. This will totally
disengage the autopilot system from the ships’ main/emergency
steering system and the units will display “DISENGAGED”.
The AP50 system is capable of the following primary steering
modes with each mode having a dedicated push button:
STANDBY (Follow-up and Non-Follow-up), AUTO, NAV and
DODGE. AUTO and NAV modes also have a sub-mode that is
accessed by pressing the WORK button. The AUTO-WORK
and NAV-WORK sub-modes are used under operational
conditions different from those normally found when a vessel is
in transit on a preset course (e.g. trawling, towing, trolling on
one engine, slow speed, using a thruster, etc.).
Each of the mode buttons is clearly identified with the primary
function in large text and a secondary function listed in smaller
text. Each button provides you with the ability to access a
primary display, a secondary display, and/or multiple function
displays.
A group of user-adjustable settings belonging to the selected
mode are provided in the AP50 User Set-up Menu (see page 38).
The settings allow adjustment of display visibility, selection of
heading sensor, navigation and position sources, and the ability
to select between automatically or manually adjustable sea state
filter.
Alarms are presented in plain text to alert you to both system
and external data failure conditions. Alarms include both audible
and visual presentations. The alarms are listed on page 165.
2.2 ON/OFF - Standby Mode (STBY)
A single press on the STBY (STBY) button switches the system
ON and the following status displays are shown:
HW rev. 0
SW V1R2
AP50
Simrad
Autopilot model
Software V(ersion) and R(elease)
Hardware revision

Operation
20221032B 23
P05 M00 S000
SW V1R2
J50
Simrad
Junction unit model
Software V(ersion) and R(elease)
Power board revision, Main board revision and Self check
(SW and HW revisions shown are examples only)
After approximately 5 seconds, the system is operative and the
unit that was turned on will show the STANDBY mode
display. Other units in a multistation system will display
"Inactive". Control can be transferred to any single unit by
pressing any of its’ mode buttons (except in a Wheelmark
system; see the Introduction on page 11).
A long press (3 sec.) on the STBY (STBY) button switches the
system off and during this time, the alarm will sound.
Note ! In an emergency, it is possible, on a multistation system, to turn
OFF the system at any control unit by pressing the STBY (STBY)
button for 3 seconds (except in a Wheelmark system).
RUDDER
02
340.7
Gyro1
STBY
STANDBY mode is used when steering the boat at the helm.
Display information:
• Standby mode
• Current heading from gyro 1: 340.7°
• Rudder angle: 2° to starboard. When there is no rudder
feedback signal (analog rudder drive) the rudder readout
shows – –).
RUDDER
02
ADJUST COMPASS INPUT?
Adjust:
OK? Press or
Gyro2
Heading 018°
Offset +018°
Stepper or Synchro
gyro
RUDDER
- -
340.7
Gyro1
STBY
Analog rudder
If a stepper or synchro gyro is connected to the autopilot system
via the GI50 Gyro Interface, a display for the heading
adjustment is presented at Power On or at change of compass in
the User Set-up menu. Use the course knob to align the autopilot
read-out to correspond with the gyro heading. Check the
alignment every time the autopilot/gyro is switched on. If two
stepper gyros are connected, both will simultaneously be
aligned. A stepper gyro used as monitor compass will
automatically be aligned to the steering compass.
Press the (PORT) or (STBD) button to proceed to
Standby mode.
If the inactive symbol is shown (when powered up from
FU50 or while Disengaged) the Control unit must be activated
before alignment by pressing the STBY button.

Simrad AP50 Autopilot
24 20221032B
2.3 AP50 with MSD50 Stern Drive unit
Note ! The information in section 2.3 only applies if your autopilot is
driving a Simrad MSD50 Stern Drive.
The MSD50 Stern drive unit has a relative feedback signal which
needs a zero point setting after the autopilot has been turned on.
Refer to the MSD50 manual for further information.
Zero point setting
Note ! If you do not need a rudder angle display when leaving the dock,
just steer the boat manually on a straight course and press the
AUTO button. The zero point is then set automatically.
RUDDER
10
340.7
Gyro1
STBY
If you prefer to use the rudder angle display when leaving the
dock, proceed as follows:
After turn on the rudder angle display will alternate between 10
degrees port and starboard to indicate that the "rudder" zero point
need be set.
Use the wheel to bring the "rudder" to midship position. Turn the
wheel from lock to lock (H.O. to H.O.) and count the exact
number of turns. Then start from one lock position and turn the
half number of turns.
RUDDER
00
340.7
Gyro1
STBY
Press the AUTO button and then the STBY button. The zero point
is now set and the following display is shown.
Operation
Follow the operating instructions on the following pages. There is
no further need for zero point settings until next time you turn the
autopilot on.

Operation
20221032B 25
2.4 Follow-Up (FU) Steering
When both the (PORT) and (STBD) buttons are pressed
simultaneously, the AP50 will enter Follow-Up steering mode
and the course knob may be used to set rudder commands. One
revolution of the knob equals a 45° rudder change. The rudder
will move to the selected angle and stop.
02
03
PS
RUDDER
340.7
Gyro1
FU
Display information:
• Follow-Up mode
• Commanded rudder angle: 3° to starboard
• Rudder angle: 2°
• The small starboard arrow shows that the rudder is moving.
PS
Use the course knob to select the rudder angle.
STBY
Return to manual control in Standby mode by pressing the STBY
(STBY) button.
While in Follow-Up mode, you cannot take manual control
of the vessel unless you use the External Mode Selector.
2.5 Non-Follow-Up (NFU) Steering
02
NFU
RUDDER
340.7
Gyro1
In STANDBY mode, the NFU display is presented when either
the (PORT) or (STBD) button is pressed. The rudder
will move as long as the button is pressed and the actual rudder
angle is shown on the display. The small arrow shows that the
rudder is moving.
Note ! When a NFU steering lever or remote control is operated, the
control unit(s) become "Inactive".
For safety reasons NFU steering is not possible when an analog
rudder is controlled from AD50 Analog Drive
S100 (NFU) Steering Lever
In STANDBY mode, the rudder will move as long as the lever is
offset to Port or Starboard.
F1/2 (NFU) Push Button Remote Control
In STANDBY mode, the rudder will move as long as the Port or
Stbd button is pressed.

Simrad AP50 Autopilot
26 20221032B
R3000X Remote Control (NFU)
STBY-AUTO
Simrad R3000X
STBY/AUTO mode button.
AUTO or NAV mode is
when lamp is lit
Push buttons for Port and
Stbd NFU commands
SIMRAD
In STANDBY mode, the rudder will
move as long as the Port or Stbd button
is pressed.
In AUTO mode the set course will
change 1° each time the button is
pressed.
Note!
If you keep the button pressed, it will
automatically change the course in
increments of 3° per second.
Pressing the mode button returns the
autopilot to the initial mode, except
when in NAV mode:
AUTO → STBY → AUTO
AUTO-WORK → STBY → AUTO-WORK
NAV → STBY →AUTO
NAV-WORK → STBY → AUTO-WORK
Note ! NAV mode can only be entered from a control unit or AP51
Remote Control Unit.
S35 NFU Steering Lever
STANDBY: The rudder will move as long as the lever is offset to Port or
Starboard (Non-follow-up steering).
AUTO/AUTO-WORK: The set course will be changed by 3° per second when the lever
is offset to Port or Starboard or 1° for single activation.
The mode button remains lit as long as the autopilot is in AUTO
or AUTO-WORK mode (and NAV mode).
The mode change sequence is as follows:
AUTO-WORK STBY
AUTO STBY
AUTO-WORK
AUTO
Pressing the mode button returns the autopilot to the initial
mode at the present course.
NAV/NAV-WORK: It is not possible to change the set course by the lever. Pressing
the mode button brings the autopilot to STANDBY mode, but
the next press brings it to AUTO mode, not back to NAV mode.

Operation
20221032B 27
NAV-WORK STBY AUTO-WORK
NAV STBY AUTO
Note ! NAV-WORK mode can only be entered from a control unit or
AP51 Remote Control Unit.
2.6 Automatic Steering
AUTO Mode
AUTO
AUTO mode is used to make the AP50 steer the vessel
automatically on a set heading. AUTO mode is always available
from any mode or function within the AP50 by a single push of
the AUTO button. When AUTO mode is selected, the AP50
automatically selects the current vessel heading as the set
heading and the rudder will move to midship position.
The W Init rudder setting has no effect.
In AUTO, the AP50 issues rudder commands to keep the boat
on the set heading. The boat heading is provided by the steering
compass.
The AP50 will keep the boat on the set heading until a new
mode is selected or a new heading is set with either the course
knob, the (PORT) or (STBD) buttons, or by pushing the
AUTO button again. One revolution of the knob equals a 45°
course change.
Once the course is changed to a new set heading, the boat will
automatically turn to the new heading and continue to steer
straight.
A329
02
RUDDER
340.7
Gyro1
Display information:
• Automatic steering mode
• Set heading: 329°
• Boat heading from gyro compass: 340.7°
• Rudder angle: 2° to port and still moving
Rotate the course knob to change the course:
Clock-wise = Starboard course change
Counter Clock-wise = Port course change
Press the PORT or STBD button to adjust the course by 1°. It is
possible to set the buttons to adjust the course by 5° or 10° per
press in the Installation menu (see page 148).
AUTO
Press the AUTO button to select current vessel heading as set
heading.

Simrad AP50 Autopilot
28 20221032B
STBY
Press the STBY button to regain manual steering
AUTO-WORK Mode
The AUTO-WORK mode is an automatic steering mode to be
used under operational conditions different from those normally
found when a vessel is in transit on a pre-set course. Examples
are trawling, towing, trolling on one engine, slow speed etc.
WORK
In such situations, some boats may need different settings. By
pressing the WORK button, a separate set of steering and turning
values will be used. It can also be set how the rudder should
move when entering AUTO-WORK from STANDBY or
DODGE.
If W Init Rudder “Actual” is selected (see settings on page
148), the rudder offset is maintained and becomes the Trim
value (bumpless transfer).
If W Init Rudder “Midship” is selected, the rudder will move to
midship (0°)
When selecting WORK from any automatic mode and when
changing between heading and route steering, the rudder offset is
always maintained.
To manually change the Trim or other WORK settings, quickly
double press the NAV
SETUP (NAV/SETUP) button (see AUTO-WORK
mode in the User Set-up menu on page 43).
If Thruster is selected under the Steering function in the User
Set-up Menu, the thruster will be used when selecting WORK
mode.
S345
04
RUDDER
Aw
340.7
Gyro1
Display information:
• AUTO-WORK mode
• Set heading: 329°
• Boat heading from gyro compass: 340.7°
• Rudder offset of 4° to port becomes the Trim value
If you prefer to have complete manual control of the rudder trim
in AUTO-WORK mode, the Autotrim can be permanently
disabled in the Installation Settings menu (see page 148).
Caution ! The Off Heading alarm is permanently disabled in AUTO-
WORK mode.
Note ! Pair-trawling requires manual trim only, and the autotrim
should be permanently disabled at the Installation Settings
menu.

Operation
20221032B 29
2.7 Thruster Steering
If the vessel is equipped with a thruster, it can be connected to
the AP50 system and the vessel can then be controlled by
rudder, thruster, or both rudder and thruster.
After connecting a thruster to the autopilot system (see the TI50
manual) the thruster type must be selected under the Installation
Dockside menu (see page 126).
A thruster icon below the mode index indicates that a thruster is
connected to the system.
Now you can select one of three control functions from the User
Set-up Menu:
• Rudder: The rudder is used to maintain the heading (always
in AUTO mode and NAV mode).
• Thruster: The thruster is used to maintain the heading (only
in AUTO-WORK, NAV-WORK, Follow-up, and Non-
Follow-up steering modes).
• Rudder and Thruster: Both rudder and thruster are used to
maintain the heading (only in AUTO-WORK mode, NAV-
WORK mode, Follow-up and Non-Follow-up steering
modes).
Examples of display pictures:
STANDBY
mode
(Follow-up
and Non-
follow up
steering
modes)
02
340.7
Gyro1
STBY
RUDDER
Heading to be
maintained by rudder
02
340.7
Gyro1
STBY
Heading to be maintained
by thruster
02
340.7
Gyro1
STBY
Heading to be maintained
by rudder and thruster
AUTO-
WORK
mode 271
02
RUDDER
Aw
263.7
Gyro1
271
Aw
263.7
Gyro1
02
271
Aw
263.7
Gyro1
02
Heading maintained
by rudder
Heading maintained by
thruster
Heading maintained by
rudder and thruster

Simrad AP50 Autopilot
30 20221032B
Caution ! When operating an On/Off thruster it is important to note that
most electrical thrusters have a built in thermal cut-off switch
that will shut off the electromotor if it is overheating and re-
engage it when it has cooled down. The water temperature also
affects the running time. The On/Off thruster may only run for
a few minutes, and its total running time for a longer period
should be limited by increasing the thruster sensitivity value
(see page 156).
2.8 Navigating with the AP50
The AP50 has the capability to use steering information from an
external navigator (GPS/Chart plotter or ECS) to direct the boat
to one specific waypoint location or through a series of
waypoints. In the NAV mode, the AP50 uses the heading sensor
as its heading source for course keeping. The steering and speed
information received from the external navigator alters the set
course to direct the AP50 to the destination waypoint.
Note ! Navigational steering must only be used in open waters. By
selecting the NAV mode, the AP50 is set for automatic steering
on the current set course to a destination waypoint.
To obtain satisfactory navigation steering, the following
conditions must be fulfilled prior to entering the NAV mode:
• The AP50 autosteering must be tested and determined
satisfactory
• The navigation receiver must be operating and the navigation
system (GPS/Chart plotter or ECS) must be in full operating
mode with adequate signal characteristics for valid position
and steering data
• At least one waypoint must be entered and selected as the
current waypoint in the navigation receiver
• The navigation source in the AP50 User Set-up menu must be
set for the navigator that contains the current waypoint
The AP50 is designed to steer in mixed mode operation. This
combines the straight steering capability of Cross Track Error
(XTE) steering in conjunction with the turning capability of
bearing mode steering (Course To Steer [CTS]).
NAV
SETUP Press the NAV button to activate the NAV prompt display.

Operation
20221032B 31
270°
OK? Press NAV
340.7
Gyro1
70°
01
RUDDER
WP: SIMRAD
BWW :
Chg :
The upper half of the prompt display shows the name of the next
waypoint (WP), the bearing to the waypoint (BWW), and the
required course change (Chg) with the direction in which the
vessel will turn.
The lower left portion shows the compass heading and the lower
right portion shows the rudder angle and port direction.
NAV
SETUP
Press NAV to accept the first waypoint as the location to steer
towards. The autopilot turns the boat onto the new course.
NEXT WP
SIMRAD
340.7
Gyro1
340°
GPS1
CTS
XTE.000 NM
BPW
DST
340
25 NM
°T
Display information:
• NAV mode
• Course To Steer (CTS): 340° is set internally in the autopilot
to steer the boat along the track
• Nav source: GPS1. The boat is located on the track
• Cross Track Error (XTE): 0.000 nautical mile
Note ! For Cross Track Error, the number of decimals shown
depends on the output from the chart plotter. Three decimals
give a more precise steering.
• Compass heading from Gyro1: 340.7°
• Next waypoint: Simrad
• Bearing from the current position to the next waypoint
(BPW): 340°
• Distance to this waypoint: 25 nautical miles
Route Navigation
When operating the AP50 in NAV mode to automatically steer
through a route of waypoints, the AP50 will steer to the first
waypoint in the route after you accept the first waypoint as the
location to steer towards.
NEXT WP
WP2
OK? press NAV
Gyro1
035°
BWW
WP: WP2
100°
Chg.
135.7BPW
DST
102
02.2 NM
°T
If you use a GPS/Chart plotter, the AP50 will, when you arrive
at the waypoint, output an audible alarm and display an alert
screen with the proposed new course information. If the required
course change is more than 10°, you will need to verify that the
upcoming course change is acceptable.
NAV
SETUP
Verification is performed by pressing the NAV button or turning
the course knob after the alert screen is displayed. If an external
alarm unit (optional) is connected to the AP50 system, an alarm
is given after 5 seconds. If no verification is received, the AP50
will continue on the current set course in NAV mode.

Simrad AP50 Autopilot
32 20221032B
Origin
WP2
The new heading is accepted
automatically after the
NAV/SETUP button is pressed
Waypoint arrival zone
(determined by the navigator)
WP1
BWW
BPW
Regain manual steering at any time by pressing the STBY (STBY)
button.
Note ! If the AP50 is connected to a navigation receiver that does not
transmit a message with the bearing to the next waypoint, it will
pick a Cross Track Error message and steer on Cross Track
Error only. In that case you have to revert to AUTO mode at
each waypoint and manually change the set course to equal the
bearing to the next waypoint and then select NAV mode again.
Electronic Chart System (ECS)
NAV
SETUP An ECS has to be selected as NAV source.
Press the NAV button to activate the NAV prompt display.
270°
Auto WP shift OK? Press NAV
340.7
Gyro1
70°
01
RUDDER
WP: SIMRAD
BWW :
Chg :
The upper half of the prompt display shows the name of the next
waypoint (WP), the bearing to the waypoint (BWW), and the
required course change (Chg) with the direction in which the
vessel will turn.
The lower left portion shows the compass heading and the lower
right portion shows the rudder angle and direction.
NAV
SETUP
N
340.7
Gyro1
020°
Chg
ECS1
TURNING
NEXT WP
SIMRAD
BPW
DST
270
25 NM
°T
Press NAV to accept the first waypoint as the location to steer
towards. The autopilot turns the boat onto the new course while
the display flashes “TURNING”.
Accepting the first waypoint as the location to steer towards you
also accept the autopilot to automatically steer the boat through
the route of waypoints. When the autopilot changes the course at
each waypoint, the display flashes “TURNING”.
If you wish to confirm the new heading at each waypoint, GPS
has to be selected as NAV source.
A route consists of a series of waypoints joined together with
straight legs. Each waypoint in a route, except the first and the
last, has an associated turn radius defined. This turn radius will
allow the ship to turn before the waypoint is reached.

Operation
20221032B 33
Caution ! If an ECS is selected as a navigator, the course change
verification is waved. This is done so the AP50 is capable of
following a route in which the radius of the course change is
pre-set in the chart system. Users navigating in this mode must
use extra caution.
Selecting a Different Navigator
If you have more than one navigation source connected to the
AP50, you may choose any for navigation. Refer to the User Set-
up menu in Standby mode for details on selecting a different
navigator (see page 39).
NAV-WORK Mode
The NAV-WORK mode is an automatic steering mode to be
used under operational conditions different from those normally
found when a vessel is in transit on a pre-set course. Examples
are trawling, towing, trolling on one engine, slow speed, etc.
WORK
In such circumstances, some boats may need a rudder offset
when steered manually. By pressing the WORK button directly
from NAV mode the rudder offset is maintained and becomes
the trim value. A corresponding display is shown:
Nw
340.7
Gyro1
280°
GPS1
CTS
XTE.023 NM
NEXT WP
SIMRAD
BPW
DST
280
25 NM
°T
Display information:
• NAV-WORK mode
• Course to steer (CTS): 280° is set internally in the autopilot
to steer the boat on to the track. This course is calculated by
the autopilot to provide a suitable approach to the track. This
is also based upon the Firm or Soft selection of the Initial
Navigation setting (see Init NAV under Settings Menu page
155)

Simrad AP50 Autopilot
34 20221032B
• Navigation source: GPS1. The boat is located on the
starboard side of the track
• Cross track error (XTE): 0.023 nautical mile
• Compass heading from Gyro1: 340.7°
• Next waypoint (Next WP): Simrad
• Bearing from current position to next waypoint (BPW): 280°
(True)
• Distance to waypoint (DST): 25 nautical miles
If you prefer to have complete manual control of the rudder trim
in NAV-WORK mode, the autotrim can be permanently
disabled in the Installation Settings menu (see page 148).
Caution ! The Off Heading alarm is permanently disabled in NAV-
WORK mode.
2.9 Dodging
Dodging in AUTO Mode
The AP50 provides the capability for dodging.
DODGE
TURN
Dodging is useful in situations when you need to quickly take
control of the helm to steer around an obstruction and then wish
to return on the previous set heading after performing the
evasive maneuver. A quick press on the DODGE
TURN (DODGE/TURN)
button activates dodging.
DODGE
340.7
Gyro1
02
RUDDER
A329
When in DODGE mode, the set course is displayed (for
example, as A329 degrees) and this set course is remembered by
the AP50. When DODGE is flashing on the display, the AP50 is
no longer in control of the steering and you must either steer the
boat manually or take control using Non-Follow-Up steering or
Follow-Up steering. The current heading will be shown in the
lower left part of the display (for example, as 340.7 from
Gyro1). On manual steering, the clutch (or bypass valve) in the
drive unit will be disengaged when dodging. The AP50 will
remain in the DODGE mode until you exit DODGE by a second
press on the DODGE
TURN (DODGE/TURN) button or until you select
another mode.
Perform dodging as follows:
1. Press DODGE
TURN (DODGE/TURN) button quickly

Operation
20221032B 35
2. Manually steer the
vessel by wheel:
or
Non-Follow-Up:
or or or NFU steering lever.
Follow Up: Both and course knob.
To return from DODGE mode, press one of the following:
DODGE
TURN Selects AUTO mode with the last set course.
AUTO Selects AUTO mode with the current heading as the set course.
Note ! If using Non-Follow-up or Follow-up steering modes while
dodging, “NFU” or “FU” flash.
Dodging in NAV Mode
DODGE
TURN
A quick press on the DODGE
TURN (DODGE/TURN) button activates
dodging.
DODGE
340.7
Gyro1
N
NEXT WP
SIMRAD
350°
GPS1
CTS
XTE.023 NM
BPW
DST
225
NM
°M
25
When in DODGE mode, the course displayed as Course To
Steer (CTS) is the boat’s recommended heading. However, the
previous set course is stored by the AP50. When DODGE is
flashing on the display, the AP50 is no longer in control of the
steering and you must either steer the boat manually or take
control using either Non-Follow-up steering or Follow-up
steering. On manual steering, the clutch (or bypass valve) in the
drive unit will be disengaged when dodging. The AP50 will
remain in the DODGE mode until you exit DODGE by a second
press on the DODGE
TURN (DODGE/TURN) button or until you select
another mode.
Perform dodging as follows:
1. Press DODGE
TURN (DODGE/TURN) button quickly
2. Manually steer the
vessel by wheel:
or
Non-Follow-up:
or or or NFU steering lever.
Follow-up: Both and course knob.
To return from DODGE mode press one of the following:

Simrad AP50 Autopilot
36 20221032B
DODGE
TURN
Returns to NAV mode at the current track.
(May result in a drastic course change).
AUTO Selects AUTO mode with the current heading as the set course.
NAV
SETUP Selects NAV mode at present position with new bearing to
waypoint prompt.
Note ! If using Non-Follow-up or Follow-up steering modes while
dodging, “NFU” or “FU” flash.
2.10 TURN Mode
U-turn
The AP50 provides a special U-turn feature when in AUTO or
AUTO-WORK modes.
U-turn changes the current set course 180° in the opposite
direction. The user must decide whether the U-turn should be
made to Port or Starboard when bringing the boat on the new
course.
DODGE
TURN A long press of the DODGE
TURN (DODGE/TURN) button activates U-
Turn.
00
RUDDER
U TURN
Press
PORT STBD
340.7
Gyro1
The AP50 will continue on the set course until you press either
the (PORT) or (STBD) button to select the direction in
which to make the U-turn. If you do not press (PORT) or
(STBD) within 1 minute, the AP50 will return to the AUTO
mode and stay on course.
C-turn
The AP50 also provides a continuous turn feature when in
AUTO or AUTO-WORK modes. This may be used for circling
fish, purse seining, etc.
C-turn makes the vessel turn with a constant rate of turn in a
circle. The user must decide whether the C-turn should be made
to Port or Starboard.
To enter C-turn mode:
DODGE
TURN First select U-turn with a long press of the DODGE/TURN
button.
DODGE
TURN Then activate C-turn by another long press of the
DODGE/TURN button.

Operation
20221032B 37
C TURN
PORT STBD
Press
90 °/min
340.7
Gyro1
RUDDER
02
C TURN
STBD
90 °/min
340.7
Gyro1
RUDDER
05
Vessel turning
starboard
The AP50 will continue on the set course until you press either
the PORT or STBD button to select the direction in which to
make the C-turn. If you do not press PORT or STBD within 1
minute, the AP50 will return to AUTO mode and stay on course.
The turn rate can be adjusted either before the turn is initiated or
during the turn. Increasing the turn rate yields a smaller circle
and vice versa.
To exit C-turn mode, press any of the mode buttons. When
pressing the AUTO button, the new set course is shown in the
upper portion of the display.
2.11 Multiple Station System
02
RUDDER
340.7
Gyro1
AUTO
Inactive
329
CTS
Inactive control
unit
In the normal operation of multiple control units, control is
accessible from every control unit and steering handle connected
to the AP50 system. However, only one control unit is "active"
at a time providing the user with access to all functions and
enabling the user to change modes and to set the course for
automatic course keeping. All remaining control units are
"inactive" and have no effect on course selection. A single push
on either the STBY, AUTO, or NAV buttons on an "inactive"
control unit will allow the transfer of command to make it
"active". To remain in the mode, press the current mode button.
Note ! On an inactive control unit, backlight and contrast can be
directly adjusted through the course knob.
In Master Operation (Wheelmark) of multiple control units, one
control unit must be set up for master operation. “Power on”
capability is possible from any unit, but “power off” capability
is only possible from the master unit (the unit on which Master
Operation is set to “yes” in the Installation Dockside menu, see
page 121). In Master Operation, the remote control units and
handles are locked.
2.12 Lock Function
Standard Operation
The "LOCK" function is a safety feature included in the AP50
system to lock-out all control units except for a single, user-
selected “active” control unit.

Simrad AP50 Autopilot
38 20221032B
When the "LOCK" function is in use, no transfer of command
may take place; only the "active" control unit stays in command.
Note ! On a locked control unit, backlight and contrast can be directly
adjusted through the course knob.
STBY
STBY
To enable the "LOCK" function, quickly double-press the STBY
(STBY) button on the “active” unit.
RUDDER
02
340.7
Gyro1
Active control unit
The display on the "active" control unit will first show a single
key icon followed by the primary display on which the key icon
will alternate with the mode index (not when selected as Master
station).
RUDDER
02
340.7
Gyro1
STBY
Inactive
Inactive control
unit
The “LOCK” function is unlocked by double-pressing the STBY
button on the “active” control unit.
After having "unlocked" the “active” control unit, it will show
this symbol before the display returns to normal. All other
control units remain "inactive".
Master Operation
RUDDER
02
340.7
Gyro1
STBY
Inactive
Remote units
locked
RUDDER
02
340.7
Gyro1
STBY
In Master operation (Wheelmark), all remote units are locked at
“power on”. The key icon is shown on all remote units with
LCD displays.
A quick double press on the master unit’s STBY (STBY) button
enables the remote units. This is indicated on the master unit by
a flashing crossed key, while on the remote units, the key icon
disappears.
The first remote unit that is activated takes control of the system.
If the activated remote unit has a display, all other remote units
are locked and units with a display will show the key icon. If the
activated remote unit does not have a display (R3000X, FU50,
S35, S100, F1/2), all remote units can be operated until a unit
with a display is operated. Then, all other remotes are locked.

Operation
20221032B 39
To unlock the locked remote units, you have to take control from
the master unit by quickly double-pressing its STBY (STBY)
button.
2.13 External system selection
RUDDER
02
340.7
Gyro1
Disengaged
An external system selector can be used to change from
automatic to manual steering and vice versa (refer to IMO
resolution MSC.64 sec.4). The selector switch must adequately
indicate which method of steering is in operation at any given
moment. When manual steering is selected, the AP50 will be
disconnected from the vessel’s steering system and show
“Disengaged” on the display (no mode indicators are lit on the
FU50). When automatic steering is selected, the AP50 will go to
AUTO mode (or AUTO-WORK mode). For connection of an
external system selector switch, refer to “System Select”, on
page 87.
2.14 User Set-up Menu
NAV
SETUP
NAV
SETUP
In the AP50, the STANDBY, AUTO, and NAV modes have a
User Set-up menu with adjustable settings. You can easily reach
the set-up menus by a quick double press on the NAV
SETUP (NAV)
button from the mode you are currently in. Move through the
menu items by pressing the Port and Starboard buttons. Use the
course knob to change a value.
Alternating Course Knob Icon
When the course knob is used for settings in the User Set-up
menu, an icon will alternate on the screen to tell that no course
changes can be made unless you press the AUTO (AUTO) button.
STANDBY Mode
340.7
Gyro1
SETUP
Move : ,
Adjust :
Backlight
Contrast
Steering function
Rudder
Speed Log 04.9kt
Speed source Log
Steer compass Gyro1
Monitor comp. Flux1
Nav source GPS1
Backlight
The brightness of the backlight of the display and buttons may
be adjusted (10 grades, 10 = brightest). The setting is stored
when the system is turned off and resets to the stored level when
turned on. Adjustment is local to the control unit you adjust.
Contrast
The contrast of the display may be adjusted (10 grades, 10 =
highest contrast). The setting is stored when the system is turned
off and resets to the stored level when turned on.

Simrad AP50 Autopilot
40 20221032B
Adjustment is local to the control unit you adjust. At high
temperatures, not all steps are available due to automatic
temperature compensation.
Steering function
(only available if Thruster is selected in the Installation
Dockside Menu, see page 126).
Select between the following steering functions: The boat is
steered by the rudder; by the thruster; or by a combination of the
rudder and the thruster, dependent on the selected mode. In
AUTO mode and NAV mode the rudder is always selected.
Speed (Man, Log, SOG)
The AP50 adapts to the speed of the vessel and this setting
should be adjusted accordingly.
If a speed log or other speed source is not connected, the speed
input can be set manually by the course knob with range from 1
to 70 Knots.
If an external speed source is selected, the current speed and
source will be shown.
If an external speed source is selected but lost, an alarm will be
given after 15 seconds and the manual speed will automatically
be set to the last reading. If the external source speed again
becomes available, the AP50 will again automatically use the
external source speed.
Speed Source
Select the Speed source. Refer to Interface Set-up table on page
131. If no speed source is available, set the speed source to Man
(manual) and adjust for manual speed under Speed above.
Steering Compass
Select the compass to be used for steering. Refer to the Interface
Set-up table on page 129.
Monitor Compass
Select the compass to be used as the monitor compass if more
than one compass is connected. Refer to the Interface Set-up
table on page 129.
Nav Source
Select the source for navigational data. Refer to the Interface
Set-up table on page 129.

Operation
20221032B 41
AUTO Mode
341°
CTS
340.7
Gyro1
SETUP
Move : ,
Adjust :
Backlight
Contrast
Steering function
Rudder
Seastate AUTO
Rudder 0.50
Count rudder 1.40
More
A
Backlight
Same procedure as in STANDBY mode.
Contrast
Same procedure as in STANDBY mode.
Steering Function
(only available if Thruster is selected in the Installation
Dockside Menu, see page 126).
Same procedure as in STANDBY mode.
Seastate
Seastate determines the number of degrees the vessel may fall
off the set course before any response is given to the rudder.
Select the value for the Seastate filter:
OFF: Provides precise steering but increases rudder
activity.
AUTO: Automatically reduces the rudder activity and
sensitivity of the autopilot in rough weather.
MANUAL: Sets yaw band manually (MAN 1 - MAN 10, 10 ≈
±6°).
This setting determines the number of degrees the vessel may
deviate from the set course before any command is given to the
rudder. In calm weather, it should be set to “OFF”, which means
that theoretically, the autopilot allows no deviation from the set
course. The Seastate filter value should be increased with
increasing sea turbulence. This will cause the sensitivity of the
rudder to be decreased such that the vessel has to deviate from
the set course by the number of degrees selected in the Seastate
filter setting before a rudder command is given. The amount of
rudder is calculated by the heading error exceeding the set limit,
multiplied by the p-factor. This will prevent excessive rudder
movement and reduce rudder activity.
Note ! In conditions where active steering is required, the Seastate
filter value should be reduced.

Simrad AP50 Autopilot
42 20221032B
Rudder
Rudder sets the rudder gain, which is the ratio between the
commanded angle and the heading error (p-factor). The default
value depends on the boat length. The value (ranging between
0.05 and 4.00) is determined during Sea trial (see page 140), but
can easily be adjusted in the User Set-up menu.
Counter Rudder
Counter Rudder is the parameter that counteracts the effect of
the boat’s turn rate and inertia. The default value depends on the
boat length. The value (ranging between 0.05 and 8.00) is
determined during Sea trial (see page 141) but can easily be
adjusted in the User Set-up menu.
341°
CTS
340.7
Gyro1
SETUP
Move : ,
Adjust :
Speed Log 04.9kt
Off heading lim 03°
Turn mode ROT
RateOfTurn
240°/min
Thruster sens 01°
A
More
Speed (Man, Log, SOG)
Same procedure as in STANDBY mode.
Off Heading Lim
Off Heading Lim sets the limit for the Off Heading Alarm. An
alarm occurs when the actual heading deviates from the set
heading more than the selected limit. The default setting is 10°
and the range is 3 to 35°.
Turn Mode
Select either Rate of Turn (ROT) steering or Radius (RAD)
steering. ROT is the default setting.
ROT/RAD
ROT/RAD sets the turn value for the selected turn mode.
The rate of turn range is from 5°/minute to 720°/minute and the
radius range is 0.01 to 0.99 nautical mile.
The minimum radius can however, never be less than the value
corresponding to a Rate of Turn = 720°/minute at the set
Cruising speed.
The initial value is determined during Sea trial (see page 138),
but can easily be adjusted in the User Set-up menu.

Operation
20221032B 43
Thruster Sens
(only available if Thruster is selected in the Installation
Dockside Menu, see page 126).
The Thruster sensitivity determines how many degrees the
vessel must deviate from the set course before a thruster
command is given. As the vessel deviates from its heading, the
thruster will push the vessel back. A higher value will reduce the
thruster activity and extend the lifetime, especially for on/off
thrusters.
If the thruster commands are hunting from side to side, the set
value for Thruster sens may be too low.
If a low value for Thruster sens is needed, consider reducing
Thruster gain (ref. page 156) to avoid hunting.
Range: Continuous thrusters 0° to 30° in 1° increments
On/off thrusters 3° to 30° in 1° increments.
Default: 1° for continuous thrusters, 5° for On/Off thrusters.
AUTO-WORK Mode
NAV
SETUP
NAV
SETUP
To enter the User Set-up menu when in AUTO-WORK mode,
quickly double press the NAV button.
341°
CTS
Aw
340.7
Gyro1
SETUP
Move : ,
Adjust :
Backlight
Contrast
Steering function
Rudder
W Seastate AUTO
W Rudder 0.50
W Count rudder 1.40
More
The User Set-up menu for the AUTO-WORK is identical to the
AUTO mode User Set-up menu, except that you have the option
to select separate AUTO-WORK values for Seastate filter,
Rudder, Counter Rudder and RateOfTurn/Radius. Move
through the menu item by pressing the Port and Stbd buttons.
Use the course knob to change value.
These values are stored in the AP50 memory and are
automatically recalled when returning to AUTO-WORK mode.
341°
CTS
Aw
340.7
Gyro1
SETUP
Move : ,
Adjust :
Trim P01°
Speed Log 00.0kt
Turn mode ROT
W RateOfTurn
240°/min
Thruster sens 01°
More
Use the course knob to adjust the trim value, if needed. The
manual trim setting compensates for the Autotrim, which takes
time to execute the appropriate rudder offset.
Note that the Trim setting is not stored.
The Off Heading Limit setting is not available in Auto-Work
mode.
Note ! The values for Rudder and Counter Rudder will have an effect
on the vessel’s steering characteristics independent of which
steering function is selected (rudder, thruster, or rudder and
thruster).

Simrad AP50 Autopilot
44 20221032B
NAV Mode
.12NM
340.7
Gyro1
SETUP
Move : ,
Adjust :
Backlight
Contrast
Steering function
Rudder
Seastate AUTO
Rudder 0.50
Count Rudder 1.40
N
More
The NAV mode will not work satisfactorily before AUTO mode
is set-up and working properly.
Backlight
Same procedure as in STANDBY mode.
Contrast
Same procedure as in STANDBY mode.
Steering Function
Same procedure as in STANDBY mode.
Seastate Filter
Same procedure as in AUTO mode.
Rudder
Same procedure as in AUTO mode.
Counter Rudder
Same procedure as in AUTO mode.
340.7
Gyro1
SETUP
Move : ,
Adjust :
Speed Log 04.9kt
Off heading lim 10°
Nav Gain 3.5
Turn mode ROT
RateOfTurn
240°/min
Thruster sens 01°
N
.12NM
More
Speed Log
Same procedure as in STANDBY mode.
Off Heading Lim
Same procedure as in AUTO mode.
Nav Gain
The Navigation Gain determines how many degrees the
autopilot must change the vessel’s heading in order to bring the
vessel back on track using the Cross Track Error and the
vessel’s speed.
The higher the value of the Nav Gain, the greater the correction.
If the value is set too low, the vessel may use a long time to
reach the track. It can also drift away at strong side current.
Too high value will cause the vessel to overshoot or oscillate
around the track.
The default setting depends on the boat length and the range is
0.5 to 7.0.
Turn Mode
Same procedure as in AUTO mode.
ROT/RAD
Same procedure as in AUTO mode.

Operation
20221032B 45
Thruster Sens
Same procedure as in AUTO mode.
NAV-WORK Mode
NAV
SETUP
NAV
SETUP
To enter the User Set-up menu when in NAV-WORK mode,
quickly double press the NAV-button.
Nw
340.7
Gyro1
SETUP
Move : ,
Adjust :
Backlight
Contrast
Steering function
Rudder
W Seastate AUTO
W Rudder 0.50
W Count Rudder 1.40
.12NM
More
The User Set-up menu for the NAV-WORK mode is identical to
the NAV mode User Set-up menu, except that you have the
option to select separate NAV-WORK values for Seastate filter,
Rudder, Counter Rudder and RateOfTurn. Move through the
menu item by pressing the Port and Stbd buttons. Use the course
knob to change value.
Selected values for Seastate filter, Rudder, and Counter
Rudder are stored in the AP50 memory and are automatically
recalled when returning to NAV-WORK mode.
Nw
340.7
Gyro1
SETUP
Move : ,
Adjust :
Trim P01°
Speed Log 04.9kt
Nav Gain 3.5
Turn mode ROT
W RateOfTurn
240°/min
Thruster sens 01°
.12NM
More
Use the course knob to adjust the trim value, if needed. The
manual trim setting compensates for the Autotrim, which takes
time to execute the appropriate rudder offset.
Note that the trim setting is not stored.
The Off Heading Limit setting is not available in Auto-Work
mode.
Note ! The values for Rudder and Counter Rudder will have an effect
on the vessel’s steering characteristics independent of which
steering function is selected (rudder, thruster, or rudder and
thruster).

Simrad AP50 Autopilot
46 20221032B
2.15 Instrument Screens and Menu
A number of instrument screens are available under each mode
screen if the required NMEA 0183 sentences are provided (see
page 68). Activate the instrument screen by pressing the INFO
(INFO) button.
Note ! The Instrument screens are also available on locked units.
The left-hand side of the display will show the following
information, depending on the mode:
340.7
Gyro1
341°
340.7
Gyro1
CTS
341°
Aw
340.7
Gyro1
CTS
341°
Aw
340.7
Gyro1
CTS
.02NM
340.7
Gyro1
Nw
.02NM
340.7
Gyro1
.02NM
Nw
340.7
Gyro1
STANDBY.
Heading.
Heading input
source.
AUTO AUTO-WORK AUTO-WORK
w/thruster
Set course
Heading/Heading input source.
NAV NAV-WORK NAV-WORK
w/thruster
Cross Track error
Heading/Heading input source.
Move through the available instrument screens by repeatedly
pressing the INFO (INFO) button. The right-hand side of the
display will show the following instrument screens:
02
RUDDER
090
270
000
340
SP
Gyro1
LOG
COG
DEPTH 199.5m
04.9
274°
kt
COG 274°T SOG 2.40kt
BPW 272°T
SIMRAD
WP
XTE DST
GPS1
32.2NM0.023NM
Main Speed/Course/Depth* Motorway
(Speed from LOG,
SOG or MAN)
* The depth reading is referenced to the transducer, not the keel.

Operation
20221032B 47
N 58° 27.209
E 005° 58.322
COG 274°T
SOG 12.40kt
GPS1 POSITION
WP SIMRAD
BPW 272 °T
DST 32.2 NM
XTE 0.012 NM
090
270
000
046°
8
m/s
180
WIND DIRECTION
S
P
Bow
Stern
WIND
TRUE
046°
8
m/s
Nav Data Wind direction True wind
S
P
Bow
Stern
WIND
APPARENT
046°
8
m/s
02
RUDDER SP
80%
THRUSTER
02
RUDDER
Apparent wind Thruster
(80% of maximum thrust
to port)
A
pparent Wind Angle
True Wind Angle
Apparent Wind Speed
True Wind Speed
Boat Speed
Wind Direction
N
Figure 2-2 Definition of Apparent Wind/ True Wind, and
Wind Direction

Simrad AP50 Autopilot
48 20221032B
Screen Selection
If you do not need all of the instrument screens to be present in
the screen menu, you may temporarily remove screens by
quickly double-pressing the INFO (INFO) button. Move through
the screens by pressing the (PORT) and (STBD)
buttons. Each screen can be removed or selected by rotating the
course knob.
A329
INSTRUMENT SELECT
MAIN
SPEED/DEPTH
MOTORWAY
NAV DATA
A329
INSTRUMENT SELECT
WIND DIRECTION
TRUE WIND
APPARENT WIND
THRUSTER
Return to last instrument screen by a simple press on the INFO
(INFO) button.
Instrument Set-up.
A329
Display units
WIND speed kt
DEPTH m
POS FORMAT 000
This screen gives access to the display unit set-up of the wind
speed, depth, and position format. Press and hold the INFO (INFO)
button to activate the screen.
Use the Stbd button to select an item and the course knob to
select the unit.
Note ! The depth reading is referenced to the transducer, not the keel.

Technical Specifications
20221032B 49
3 TECHNICAL SPECIFICATIONS
3.1 AP50 Autopilot System
Boat size and type:............................................................................Up to 200 feet, power
Steering system types: ................................................... Hydraulic, mechanical, solenoids
Inter-unit connection: ........................................RobNet network or two-wire supply/data
System ON/OFF: ................................................................From control units/master unit
Supply voltage:............................................................................12-32 VDC –10%/+30%
Power consumption: .............Dependent on system configuration (See 3.4 Junction Unit)
EMC protection: ...................................................................................EN60945: 1996-11
Performance:...IMO A.822(19), ISO/CD16329.2, IMO MSC(64)67, ISO 11674:2000(E)
Rate of turn: ..... Within ±10% of preset value or 3°/min. (Ref. ISO 11674: 4.3.7)
Heading indication error:.........................................<0.5° (Ref. ISO 11674: 4.3.5)
Heading stability:......................................... Within ±1° (Ref. ISO 11674: 4.3.13)
Automatic Steering control:
Rudder Drive: ..... Proportional pump, solenoid on/off, proportional valve, analog
Parameter selection:.............................................Automatic with manual override
Sea state control:................................................................Adaptive sea state filter
Language selection: English, German, French, Spanish, Italian, Dutch, Swedish, Norwegian.
Electronic Interface:
Navigation interface: ........................................................Standard (NMEA 0183)
NMEA input/output ports:Max. 6 (see Junction units and NI300X specifications)
Refer to NMEA Sentences table page 69 for data.
Heading output: ............................ Anritsu and Furuno radar display (clock/data)
Heading sensors:.............................Gyrocompass, Fluxgate compass, Magnetic compass
NMEA Compasses, Transmitting Heading Device (THD)
Course selection:...............................................................Rotary course knob and buttons
Alarms: .................................................................... Audible and visual, external optional
Alarm modes: ....................... Compass difference, off heading, system failures, overload
Steering modes: .......... STANDBY, Non-follow-up, Follow-up, AUTO, AUTO-WORK,
NAV, NAV-WORK
Special turn modes: ............................................DODGE, U-Turn, C-Turn (5-720°/min.)
System selector autopilot/main steering system:...............................Potential free contact

Simrad AP50 Autopilot
50 20221032B
3.2 AP50 Control Unit
Dimensions:................................................................................................. See Figure 3-1
Weight: ...................................................................................................... 0.9 kg (2.0 lbs.)
Material:........................................................................................Epoxy coated aluminum
Supply:..................................................................... 12-32 VDC –10%/+30% via RobNet
Power consumption: .....................................................................................................3 W
Environmental Protection:......................................................IP56 (when panel-mounted)
Safe distance to compass:........................................................................... 0.35 m (1.0 ft.)
Color:......................................................................................................................... Black
Temperature:
Operating: ............................................................... –25 to +55°C (–13 to +130°F)
Storage: ................................................................... –30 to +80°C (–22 to +176°F)
Display:
Type: ........................................................................................Backlit LCD matrix
Resolution:.................................................................................... 160 x 128 pixels
Illumination: ..................................................................................Adjustable in 10 grades
Mounting: .......................................................... Panel mount or bracket mount (optional)
Cable:............................................... RobNet cable 15 m (49 ft.) with one male connector
Figure 3-1 AP50 Control Unit Dimensions

Technical Specifications
20221032B 51
3.3 AP51 Remote Control
Dimensions:................................................................................................. See Figure 3-2
Weight: .................................................................................................. 0.57 kg (1.25 lbs.)
Material:.................................................................................................................PC-ABS
Supply...................................................................... 12-32 VDC –10%/+30% via RobNet
Power consumption ......................................................................................................3 W
Environmental Protection:........................................................................................... IP56
Safe distance to compass:........................................................................... 0.35 m (1.0 ft.)
Color:......................................................................................................................... Black
Temperature:
Operating:.................................................................. –25 to +55°C (–13 to +130°F)
Storage: ..................................................................... –30 to +80°C (–22 to +176°F)
Display:
Type: ..........................................................................................Backlit LCD matrix
Resolution: .......................................................................................... 80 x 32 pixels
Illumination: ..................................................................................Adjustable in 10 grades
Mounting: ...................................................Handheld or placed in a fixed, bracket-mount
Cable:.............................. 7m (23 ft.) RobNet cable with air tube and one male connector
Figure 3-2 AP51 Remote Control Dimensions

Simrad AP50 Autopilot
52 20221032B
3.4 Junction Units
Dimensions:........................................................................ See Figure 3-3 and Figure 3-4
Weight:
J50.................................................................................................. 1.6 kg (3.5 lbs.)
J50-40 ............................................................................................ 2.8 kg (6.2 lbs.)
Material:...........................................................Anodized aluminum and black ABS cover
Supply voltage:............................................................................12-32 VDC –10%/+30%
Reverse voltage protection .......................................................................Yes (not J50-40)
Environmental Protection:........................................................................................... IP22
Power consumption: ....................................................................5 Watt (electronics only)
Robnet Supply: ...............................................................................2.5A (automatic fused)
Drive engage (Bypass/Clutch, Auto, Handshake):............................................ Max 1.5 A
Solenoids, externally supplied............................................................ J50: Maximum 3 A
Motor/solenoid drive: ....................................... J50: 10 A continuous, 20 A for 5 seconds
J50-40: 20 A continuous, 40 A for 5 seconds
Vbat output: ...................................................................................2.5 A (automatic fused)
Safe distance to compass:............................................................................. 0.5 m (1.6 ft.)
Temperature range:
Operation: .............................................................. –25 to +55°C (–13 to +130°F)
Storage: ................................................................... –30 to +80°C (–22 to +176°F)
Heading Sensor input: ..................................................Composite pulse width modulated
Rudder feedback input:..................................... Frequency signal, 3400 Hz, 20 Hz/degree
Rudder feedback units: ......................................................................... RF300S or RF45X
NMEA input/output ports:........................................................................................... Two
External Alarm: ................................................... Open collector 0.75A (automatic fused)
Mounting: .................................................................................................Bulkhead-mount
System selector Autopilot/Main steering system ..............................Potential free contact
Heading output: .. Simrad and Furuno radar display (clock/data; 0-5V, 10mA, 50 msec.)

Technical Specifications
20221032B 53
Figure 3-3 J50 Junction Unit - Dimensions
Figure 3-4 J50-40 Junction Unit Dimensions
3.5 RC25/RFC35R Rate Compass
Dimensions:................................................................................................. See Figure 3-5
Weight: ...................................................................................................... 0.9 kg (2.0 lbs.)
Power consumption: ............................................................................................. 0.9 watts
Supply and interface:.............................................................................................. RobNet
Environmental Protection:........................................................................................... IP56
Material:.................................................................................................. White/black ABS
Temperature range:
Operation: ..................................................................0 to +55°C (+32 to + 130°F)
Storage: ................................................................... –30 to +80°C (–22 to +176°F)

Simrad AP50 Autopilot
54 20221032B
Mounting: ........................................................................ Deck-mount or bulkhead-mount
Cable:...............................................................15 m (49 ft.) RobNet cable with connector
Automatic Performance:
Calibration: ............................................. Automatically activated by control head
Rate sensor stabilized heading output
Accuracy:..................................................................<1.25° rms (after calibration)
Repeatability:...........................................................................................<0.2° rms
Roll/Pitch: .......................................................................................................± 35°
Figure 3-5 RC25/RFC35 Rate Compass and CDI35 Course
Detector Interface Dimensions
3.6 CDI35 Course Detector Interface
Dimensions:................................................................................................. See Figure 3-5
Weight: .............................................................................0.9 kg including cable (2.0 lbs.)
Power consumption: ..................................................................................................0.9 W
Supply and output:..............................................Polarity-independent 2-wire supply with
superimposed pulse width modulation
Environmental Protection:........................................................................................... IP56
Safe distance to compass:............................................................................. 0.1 m (0.3 ft.)
Material:.............................................................................................................Black ABS
Temperature range:
Operation: .............................................................. –25 to +55°C (–13 to + 130°F)
Storage: ................................................................... –30 to +80°C (–22 to +176°F)
Mounting: ........................................................................ Deck-mount or bulkhead-mount

Technical Specifications
20221032B 55
Cable:.................................................................15 m (49 ft.) single twisted pair, shielded
Automatic Performance:
Calibration: ............................................. Automatically activated by control head
Repeatability:.................................................................................................± 0.5°
Accuracy:....... ± 1,0° after calibration (not including errors from course detector)
3.7 CD100A Course Detector
Dimensions:................................................................................................. See Figure 3-6
Weight: .............................................................................0.3 kg (0.7 lbs.) including cable
Environmental Protection:........................................................................................... IP56
Temperature range:
Operation: .............................................................. –25 to +55°C (–13 to + 130°F)
Storage: ................................................................... –30 to +80°C (–22 to +176°F)
Mounting: ............................................Attached to compass by screw or by tripod holder
Cable length:.........................................................................7 m (23 ft.), no plug included
3.8 CD109 Course Detector
Dimensions:................................................................................................. See Figure 3-6
Weight: .............................................................................0.3 kg (0.7 lbs.) including cable
Environmental Protection:........................................................................................... IP56
Temperature range:
Operation: .............................................................. –25 to +55°C (–13 to + 130°F)
Storage: ................................................................... –30 to +80°C (–22 to +176°F)
Mounting: ............................................Attached to compass by screw or by tripod holder
Cable length:..............................................................................1 m (3 ft.) with AMP plug
120°
120°
120°
min/max. 80-100mm (3.2-4.3")
Ø60 (2.4")
35 (1.4")
Figure 3-6 CD100A/CD109 Course Detector Dimensions

Simrad AP50 Autopilot
56 20221032B
3.9 RI35 Mk2 Rudder Angle Indicator
Dimensions:................................................................................................. See Figure 3-7
Weight: ...................................................................................................... 1.0 kg (2.2 lbs.)
Material:........................................................................................Epoxy coated aluminum
Supply voltage:.........................................12-24 VDC –10%/+30%, polarity independent
Power consumption: .............................................................................................Max 3 W
Environmental Protection:........................................................................................... IP56
Safe distance to magnetic compass: ................................................................ 0.3 m (1 ft.)
Temperature range:
Operation: ........................................................ –25 to +55°C (–13 to +130°F)
Storage: ........................................................... –30 to +70°C (–22 to +158°F)
Input signal:
Frequency: 3400 Hz (midship reference), ±20Hz/degree, polarity independent
Current: 0.1 - 1.1mA (midship 0,6mA), polarity independent
NMEA 0183: RSA (min. 10 Hz) $--RSA,x.x,A,x.x,A*hh<cr><lf>
Output signal: ............................. NMEA 0183 RSA 20Hz: $--RSA,xx.x,A,,*hh<cr><lf>
Accuracy:........................................................................................ ±0.5° (Indicator alone)
Cable:.................................... 20 m (65 ft.), single twisted-pair, shielded (not connected).
Figure 3-7 RI35 Mk2 Rudder Angle Indicator Dimensions

Technical Specifications
20221032B 57
3.10 RF300S Rudder Feedback Unit
Dimensions:........................................................................ See Figure 3-8 and Figure 4-2
Weight: ...................................................................................................... 0.5 kg (1.1 lbs.)
Material: .............................................................................................Arnite T06 200 PBT
Environmental Protection:........................................................................................... IP56
Temperature range:
Operation: ............................................................... –25 to +55°C (–13 to +130°F)
Storage: .................................................................. –30 to +80°C (–22 to + 176°F)
Mounting: .................................................................Horizontal, vertical, or upside down
Cable:................................................................ 10 m (33 ft.) single twisted-pair, shielded
Rudder angle:..............................................................................................................± 90°
Supply and output:...................................Polarity independent two wire frequency signal
Frequency resolution: ........................... Center: 3400 Hz, 20 Hz/degree of change
Linearity:........................................................................... ± 3° up to 45° of rudder
Transmission link: ...................................... Stainless 350mm (13.8 in.) with 2 ball joints.
Ball joint stud for rudder arm requires 4.2mm diameter hole and 5mm tap.
Figure 3-8 RF300S Rudder Feedback Unit Dimensions

Simrad AP50 Autopilot
58 20221032B
3.11 RF45X Rudder Feedback Unit
Dimensions:...................................................See Figure 3-9, Figure 3-11 and Figure 4-4
Weight: ...................................................................................................... 1,0 kg (2,2 lbs.)
Material: .................................................................................................Polyacetal (POM)
Supply voltage:................................................ 12-24 VDC –10%/+30%, system supplied
Environmental Protection:........................................................................................... IP56
Temperature range:
Operation: ............................................................... –25 to +55°C (–13 to +130°F)
Storage: .................................................................. –30 to +80°C (–22 to + 176°F)
Cable:.................................................................................................................. 2 m (6 ft.)
Rudder angle:..............................................................................................................± 45°
Output signal: .........................................................Polarity-independent frequency signal
Frequency resolution: ........................... Center: 3400 Hz, 20 Hz/degree of change
Linearity:........................................................................... ± 3° up to 45° of rudder
Current output for rudder angle indicator (only for stand-alone system).. 0.1mA - 1.1mA
Number of indicators (only for stand-alone system):......................................... 5 in series
Figure 3-9 RF45X Rudder Feedback Unit Dimensions

Technical Specifications
20221032B 59
3.12 RF14XU Rudder Feedback Unit
Dimensions: .............................................................................................. See Figure 3-10
Weight: ...................................................................................................... 2,8 kg (4,9 lbs.)
Material:............................................................................Reinforced glass fibre polyester
Environmental Protection: .......................................................................................... IP56
Ambient temperature: .....................................................................................–10 - +55°C
Supply voltage: ................................................................................. 24VDC –10%/+20%
Voltage output: ............................................................................Operating voltage/2 ±9V
Frequency output:.................................................................3400Hz (midships reference)
Port: +20Hz/degree, Stbd: –20Hz/degree
Capacity: .........................................................................................5 indicators in parallel
Rudder angle: ............................................................ ±45 ° (Changeable to 60, 70 or 90°)
Limit switches: .....................................Two sets, individual adjustable from ±5 to ±160°
120 (4.8")
40 (1.6")
75 (3") 80 (3.15")
Ø12 (0.47")
185 (7.3")
150 (5.9")
240 (9.5")
160 (6.3")
Ø8 (0.3")
Figure 3-10 RF14XU Rudder Feedback Unit
Dimensions

Simrad AP50 Autopilot
60 20221032B
Figure 3-11
RF Standard Transmission Link - dimensions
3.13 GI50 Gyro Interface
Dimensions:............................................................................................... See Figure 3-12
Weight: ...................................................................................................... 0.7 kg (1.5 lbs.)
Material:........................................................................................Epoxy coated aluminum
Environmental Protection:........................................................................................... IP44
Supply voltage:...................................................................................................... 12 VDC
Power consumption: ..................................................................................................2.4 W
Load:....................................................................................................... Maximum 20 mA
Safe distance to magnetic compass: ........................................................... 0.15 m (0.5 ft.)
Temperature range:
Operation: ............................................................ –25 to +55 °C (–13 to +130 °F)
Storage: ................................................................. –30 to +80 °C (–22 to +176 °F)
Mounting: ................................................................................................. Bulkhead mount
Signals in: .................................. 6 step/degree, 20-70V DC positive or negative common
Synchro signal, 90:1 or 360:1, gyro excited, 40-115V, 50-400Hz
Speed log potential free relay contact (200 pulses/NM)
Speed log signal:....................................Relay contact normally closed or normally open.
Output signal: ..............................................NMEA 183, 10 Hz, $PSVHW,x.x,T,,,y.y,N,,
x.x = heading, y.y = speed.

Technical Specifications
20221032B 61
Figure 3-12 GI50 Gyro Interface Dimensions
3.14 CI300X Compass Interface
Dimensions:............................................................................................... See Figure 3-13
Weight: ...................................................................................................... 0.9 kg (2.0 lbs.)
Material:....................................................................................... Epoxy-coated aluminum
Environmental Protection:........................................................................................... IP44
Supply and interface .........................................................................RobNet, 2 connectors
Power consumption: .....................................................................................................2 W
Safe distance to magnetic compass: ................................................................ 0.3 m (1 ft.)
Temperature range:
Operation: .............................................................. –25 to +55°C (–13 to +130°F)
Storage: ................................................................... –30 to +80°C (–22 to +176°F)
Mounting: .................................................................................................Bulkhead-mount
Cable inlets: ..................................................Rubber glands for cable diameter 10-14 mm
Gyro compass input:.................... Synchro 1:1 (RGC10/RGC11/RGC50 gyrocompasses)
Heading:.............................................................................Sine/cosine maximum 10 VDC
Magnetic compass ...................................................................................CD100A, CD109
NFU steering lever input: .......................................... Port/starboard potential free contact
External alarm: ..................................................................................Potential free contact

Simrad AP50 Autopilot
62 20221032B
Figure 3-13 CI300X Compass Interface and NI300X NMEA
Interface Dimensions
3.15 NI300X NMEA Interface
Dimensions:............................................................................................... See Figure 3-13
Weight: ...................................................................................................... 0.9 kg (2.0 lbs.)
Material:...................................................................................... Epoxy coated aluminium
Environmental Protection:........................................................................................... IP44
Supply and interface:........................................................................RobNet, 2 connectors
Power consumption: .....................................................................................................3 W
Safe distance to magnetic compass: ................................................................ 0.3 m (1 ft.)
Temperature range:
Operation: .............................................................. –25 to +55°C (–13 to +130°F)
Storage: ................................................................... –30 to +80°C (–22 to +176°F)
Mounting: ................................................................................................. Bulkhead mount
Cable inlets: ..................................................Rubber glands for cable diameter 10-14 mm
NMEA183 input/output:..................................................4 ports, max. output load 20 mA
Heading output: .... Simrad (Anritsu) and Furuno radar display (clock/data; 0-5V, 10mA,
50 msec.)
NMEA instrument supply:................................................................. 12 VDC, max 0.25A
External alarm: ..................................................................................Potential free contact

Technical Specifications
20221032B 63
3.16 TI50 Thruster Interface
Dimensions:............................................................................................... See Figure 3-13
Weight: ....................................................................................................... 0,8 kg (1.8 lbs)
Material:...................................................................................... Epoxy coated aluminium
Environmental Protection: .......................................................................................... IP44
Supply and interface:........................................................................RobNet, 2 connectors
Cable inlets: .......................................................Rubber glands for cable diam. 10-14 mm
Mounting: ................................................................................................. Bulkhead mount
Compass safe distance: ................................................................................. 0.2 m (0.7 ft)
Temperature range:
Operation: .................................................................... –25 to +55°C (–13 to +130°F)
Storage:........................................................................ –30 to +80°C (–22 to +176°F)
Thruster drive interface:
Danfoss PVEM:................... Nominal UDC=12/24V, I=0.25/0.5mA, neutral 0.5*Un,
control range 0.25*UDC to 0.75*UDC,
valve saturated for<0.25*UDC or >0.75*UDC.
Analog control, internal supply: ...Control range±10V, max. 5 mA, galvanic isolated
Analog control, external supply: ............... UDC 12-24VDC, control range 0- UDC or
±UDC/2, max. 5 mA
ON/Off valve:...............................Port/stbd on/off, open collector, galvanic isolated,
external common plus or minus, 3A max.
Thruster enable output: ................... Open collector, external or internal +, max 500 mA.
The internal +12V output is limited to 100mA
and may be used for an external relay operated by Hi/Lo output
to switch thruster control signal between autopilot
and external manual control.
3.17 AD50 Analog Drive
Dimensions:............................................................................................... See Figure 3-13
Weight: ....................................................................................................... 0,8 kg (1.8 lbs)
Material:...................................................................................... Epoxy coated aluminium
Environmental Protection: .......................................................................................... IP44
Supply and interface:........................................................................RobNet, 2 connectors
Cable inlets: .......................................................Rubber glands for cable diam. 10-14 mm
Mounting: ................................................................................................. Bulkhead mount
Compass safe distance: ................................................................................. 0.2 m (0.7 ft)
Temperature range:
Operation: .................................................................... –25 to +55°C (–13 to +130°F)
Storage:........................................................................ –30 to +80°C (–22 to +176°F)

Simrad AP50 Autopilot
64 20221032B
Rudder drive interface:
Danfoss PVEM:................... Nominal UDC=12/24V, I=0.25/0.5mA, neutral 0.5*Un,
control range 0.25*UDC to 0.75*UDC,
valve saturated for<0.25*UDC or >0.75*UDC.
Analog control, internal supply: ...Control range±10V, max. 5 mA, galvanic isolated
Analog control, external supply: ............... UDC 12-24VDC, control range 0- UDC or
±UDC/2, max. 5 mA
ON/Off valve:...............................Port/stbd on/off, open collector, galvanic isolated,
external common plus or minus, 3A max.
Rudder enable output: .............. Open collector, external or internal +, max 500 mA.
The internal +12V output is limited to 100mA
and may be used for an external relay operated by Hi/Lo output
to switch rudder control signal between autopilot
and external manual control.
3.18 R3000X Remote Control
pfjo^a=oPMMMu
STBY AUTO
Dimensions:.................................See Figure 3-14
Weight: ......................................... 0.4 kg (0.9 lbs.)
Material: .........................Epoxy-coated aluminum
Environmental Protection...............................IP56
Safe distance to compass:.............. 0.15 m (0.5 ft.)
Temperature range:
Operating: ...........–25 to +55°C (–13 to +130°F)
Storage:...............–30 to +80°C (–22 to +176°F)
Cable:....................................7 m (23 ft.), shielded
Mounting bracket: ................................... Supplied
Figure 3-14 R3000X Remote Dimensions

Technical Specifications
20221032B 65
3.19 S100 NFU Steering Lever
40 (1,45")
120 (4,75")
Dimensions: ....................................... See Figure 3-15
Weight:.................................................0.5 kg (1.1 lbs.)
Environmental Protection: ............ Not for outdoor use
Safe distance to compass: .....................0.15 m (0.5 ft.)
Temperature range:
Operation:................ –25 to +55°C (–13 to +130°F)
Storage: ................... –30 to +80°C (–22 to +176°F)
Mounting:................................................. Panel-mount
Cable: ................................................ 10 meters (33 ft.)
Figure 3-15 S100 NFU Steering Lever Dimensions
3.20 S35 NFU Steering Lever
Dimensions: .............................................................................................. See Figure 3-16
Weight: ............................................................................1.4 kg (3.1 lbs.) including cable
Material:..................................................................................................Polyacetal (POM)
Environmental Protection:........................................................................................... IP56
Power consumption (light): .......................................................................................6 mA
Safe distance to compass:........................................................................... 0.15 m (0.5 ft.)
Temperature:
Operating:................................................................ –25 to +55 °C (–13 to +130 °F)
Storage: ................................................................... –30 to +80 °C (–22 to +176 °F)
Cable:.........................10 m (33 ft.) cable with six wires connected through bottom gland
(cable gland can alternatively be mounted on back cover; see Figure 3-16)
Max. inductive load:............................... 4A/24 VDC, 60mA/110 VAC, 25mA/220 VAC

Simrad AP50 Autopilot
66 20221032B
Figure 3-16 S35 NFU Steering Lever Dimensions
3.21 F1/2 Remote Control
65 (2.6")
210 (8.3")
76 (3.0")
Dimensions:...................... See Figure 3-17
Weight: ............1.2 kg (2.6 lbs.) incl. cable
Material: ....................... Painted aluminum
Environmental Protection:.................. IP56
Safe distance to compass:.... 0.1 m (0.3 ft.)
Max. inductive load: ............. 4A/24 VDC,
60mA/110 VAC,
25mA/220 VAC.
Temperature range:
Operating: .......................... –25 to +55°C
(–13 to +130°F)
Storage:.............................. –30 to +80°C
(–22 to +176°F)
Cable: .................................... 10 m (33 ft.)
Figure 3-17 F1/2 Remote Control Dimensions

Technical Specifications
20221032B 67
3.22 FU50 Steering Lever
Dimensions:............................................................................................... See Figure 3-18
Handle can be mounted pointing upwards or downwards.
Weight: .............................................................................1.2 kg (2.6 lbs.) including cable
Material:..................................................................................................Polyacetal (POM)
Environmental Protection:........................................................................................... IP56
Power consumption: .....................................................................................................3W
Safe distance to compass:........................................................................... 0.15 m (0.5 ft.)
Temperature:
Operating: ............................................................... –25 to +55°C (–13 to +130°F)
Storage: ................................................................... –30 to +80°C (–22 to +176°F)
Cable:....... 10 m (33 ft.) cable with three twisted pairs of wire run through a cable gland.
(cable gland can alternatively be mounted on back cover; see Figure 3-18)
Max. rudder command angle:...........................................Equal to physical stop minus 2°
Autopilot interface:............................................................. Via proprietary RobNet™ bus
Accuracy:............................................................±1° within ±40° of mid-position at 25°C
Figure 3-18 FU50 Steering Lever Dimensions

Simrad AP50 Autopilot
68 20221032B
3.23 Environmental Protection
Each part of a Simrad autopilot system has a two-digit IP
protection code.
The IP rating is a method to classify the degree of protection
against solid objects, water ingress, and impact afforded by
electrical equipment and enclosures. The system is recognized in
most European countries and is set out in a number of British
and European standards.
The first code number describes the protection against solid
objects and the second number describes the protection against
liquids.
FIRST NUMBER
Protection against solid objects
SECOND NUMBER
Protection against liquids
IP TESTS IP TESTS
0 No protection 0 No protection
1 Protection against solid objects
up to 50 mm, e.g. accidental
touch by hands.
1 Protected against vertically falling
drops of water (e.g.
condensation).
2 Protection against solid objects
up to 12 mm, e.g. fingers.
2 Protected against direct sprays of
water up to 15° from the vertical.
3 Protection against solid objects
over 2.5 mm (tools + wires)
3 Protected against sprays to 60°
from the vertical.
4 Protection against solid objects
over 1 mm (tools + wires +
small wires)
4 Protected against water sprayed
from any direction - limited
ingress permitted.
5 Protection against dust - limited
ingress (no harmful deposit)
5 Protected against low-pressure
jets of water from all directions -
limited ingress permitted.
6 Totally protected against dust 6 Protected against strong jets of
water, e.g. for use on ship decks -
limited ingress permitted.
7 Protected against the effects of
immersion between 15 cm and 1
m.
8 Protected against long periods of
immersion under pressure.
3.24 NMEA Sentences
See table next page.

(APA)
APB
BOD
BWW
BWC
BWR
RMB
XTE
XTR
GGA
GLL
RMA
RMC
VTG
*VBW
VHW
(DBK)
DBT
*DPT
MWV
(VWR)
*HDT
*HDG
(HDM)
*RSA
HSC
*HTD
Remarks:
NNNNNNNNNNNNNN I I I IIIICCCAAA
nnnnnnnnnppppp
Status fla
g
n/p= nav/pos data warning n n n n n p* p p p * DGPS if flag=2 10
Nav Data Destination wp position 2 1 3 10 45
Destination wp ident. 6 7 5 1 3 2 4 10 45
Origin wp ident. 3 1 2 10 45
Bearing wp-wp, T 3 4 2 1 10 45
Bearing wp-wp, M 3 4 2 1 10 45
Bearing pos-wp, T 4 2 1 3 10 45
Bearing pos-wp, M 3 2 1 10 45
Distance pos-wp 2 1 3 10 45
XTE 4 5 2 3 1 10-20 620
Position Data Present position Lat, Long 4 1 2 3 20 60
COG, T 123 20 45
COG, M 120 45
Magnetic variation 3 2 5 6 4 1* *Only applicable if received on set nav. source ch. 10 70
Speed Data Speed over ground (SOG) 1 2 3 21545
Speed through water (LOG) 2 1 na 15 45
Depth Data Depth relative to transducer 123 na 45
Wind Dat a Apparent wind angle 21 na 45
Apparent wind speed 21 na 45
Heading Data Compass heading, T 1** 3 2* TX 242
Compass heading, M 132TX 242
Rudder Data Rudder angle TX 10
Rudder command TX
8
Rudder angle limit TX
8
Rudder status TX
8
Steering control Commanded heading T/M TX TX
8
Commanded ROT/radius TX
8
Selected steering mode TX
8
Off heading limit TX
8
Off heading status TX
8
RX: J50-1, NI300X xxxxxxxxxxxxxxxx*xxxxx
J50-2 xxxxxxxxxxxxxxx x xxxxx x x x
GI51 x* x*
x
x
x
.1 .1 .5 .2 .5 .5 .5 1* 1* 1 1 .1
5* 5* 1 5
55
10* 10* 1 1 .1
.1 .1 .5 .2 .5 .5 .5 1* 1* 1 1 .1
1** 10* 10*
10*
480 10
7
11 11
6
6
6
1
7
21
6
10
7
7
11 10 1
2
1
3
1
3
1
7
1
6
12 2
5
1
5
2
5
1
8
1
8
6
GI50
TX rate in Hz
* PS talker identifier (relative. heading)
* Calculated as magn. heading + magvar.
** Relative (geared synch./step) if PSIM identifier
* J50-1 will only read speed, not heading
New mess. priorit y
No data action
delay (sec)
* HDT if true, HDG if magn. steering compass
* Either true or magn. is calc. value if magvar is available
AP50 system, NMEA 183 messages (applies for J50 and NI300X sw release V1R2 onwards)
NI300X
Sentence Formatter mnemonic code
Bold = recommended navigator/instr. output for autopilot
* = IMO designated ( ) = not for new designs
Data source: (A=autop., C=comp., I=instr. system, N=navigator)
Accept. condition: No nav/pos (n/p) flag warning
Number gives RX priority (1 is lowest); TX if transmitt only; For * ref. column "Remarks"
* Option switch setting dependent
x = input messages accepted
TX stop
Alarm
Rev B
TX: J50-1, 1Hz Installation setup
J50-1, 5Hz Installation setup
J50-1, VDR Installation setup
Max sentence transmission rate (Hz)
*Abs. head. only.; **For rel. head: PSIM talker id. and 10Hz
GI51
* Either true or magn. is calc. value if magvar is available
J50-2

Simrad AP50 Autopilot
70 20221032B
This page is intentionally left blank

Installation
20221032B 71
4 INSTALLATION
4.1 General
This section provides detailed information required to properly
install the AP50 Autopilot system.
The AP50 system includes several modules that need to be
mounted in different locations on the vessel and that need to
interface with at least three different systems on the boat:
• The boat's steering system
• The boat’s electrical system (input power)
• Other equipment onboard (NMEA interfacing)
In addition, the advanced capabilities of the AP50 require the
installer to perform a series of settings and tests to verify proper
operation of the system (refer to the Installation Index below).
4.2 Unpacking and Handling
Care should be taken when unpacking and handling the
equipment. A visual inspection should be made to ensure that
the equipment has not been damaged during shipment and that
all parts are present according to the packing list.
A standard scope of supply for a basic AP50 system may
include:
• A control unit with standard installation accessories
• A junction unit (J50, J50-40) and one 15 m (49 ft.) RobNet
cable
• An RFC35R Rate Compass with one 15 m (49 ft.) cable
attached
• An RF300S Feedback unit with one 10 m (33 ft.) cable
attached and a transmission rod
• An appropriate drive unit for the installation (unless the AP50
is going to operate an existing drive unit)
• Any optional equipment that may have been ordered for the
installation
4.3 Installation Index
1. Determine the system configuration to be installed (see page
73)
2. Perform the hardware installation (see page 74)
3. Connect the external NMEA devices (inputs and outputs; see
page 105)

Simrad AP50 Autopilot
72 20221032B
4. Set the language (see page 120)
5. Select the dockside settings and perform tests (see page 119)
a) Master operation
b) Boat type selection
c) Boat length selection
d) Drive unit voltage selection.
e) Rudder calibration
f) Automatic rudder test
g) Rudder limit
h) Rudder deadband
i) Thruster type (optional)
6. Interface set-up for Junction Unit, GI50, NI300X and
CI300X (if installed; see page 126)
7. Select the settings in the User Set-up Menu page 38, for
Speed source, Compass source, and Nav. source.
8. Perform the autopilot pre-tests at the dock (refer to Operation
Instructions, page 19)
a) Test all units (if applicable) - lock/unlock - active/inactive
b) Test the Non-Follow-up mode
c) Test the Follow-up mode
d) Test the AUTO mode
e) Test the AUTO-WORK mode
f) Test the NAV mode and input the interfaces (if
connected), including optional heading sensors
g) Test NAV-WORK mode
h) Test the interface outputs to the external equipment (if
connected)
9. Select the Sea trial settings (see page 132)
a) Compass calibration
b) Compass offset adjustment
c) Thruster adjustment (if connected)
d) Speed source
e) Set cruising speed
f) Set rudder zero
g) Set rate of turn (important)
h) Manual tuning
i) Automatic tuning
j) Speed response
10.Testing the autopilot operation at sea (refer to Final Test on
page 143)
11.Provide the user with training (see page 144)

Installation
20221032B 73
4.4 Determining System Configuration
It is important to become familiar with the configuration of the
system prior to beginning the installation. The AP50 Basic
system is shown in Figure 1-1 on page 13 and an extended
system is shown in Figure 4-1 on page 73.
Pay particular attention to the junction unit/drive unit
combinations on page 89 and the junction units chart on page
14.
As many of the units are communicating on a common network
(RobNet) with identical connectors, the installation is simplified.
Mount the units within the standard cable length supplied with
each unit, if possible (refer to Technical Specifications, section
3, beginning on page 49. RobNet Extension Cable (10m) is
available from your Simrad distributor. Refer to the Spare Parts
List on page 170 for part numbers.
4.5 AP50 System Layout
AD50
SOLENOID
VALVE
RF45X
S100
AP51
AP50
CDI35
NMEA DATA
EXT. ALARM
CD100A
AP50
S35
ELECTRONIC
CHART
SYSTEM
WINDVANE
HS50
RF300S
R3000X
GI UNIT
(future option)
GI50
2-WIRE FREQ.
MAINS
3- or 4-WIRE
CI300X
** STEPPER GYRO, GEARED SYNCHRO GYRO, PULSE-LOG
* SYNCHRO 1:1, CD100A, SINE/COSINE MAGNETIC COMPASS
FU50
F1/2 NFU
RFC35R
(Alternative
connection)
BOAT'S
MAGNETIC
COMPASS
NI300X
GPS/
CHART
PLOTTER
NON
SIMRAD
COMPASS
RC25/RFC35R
RADAR CLK/DATA
2-WIRE FREQ.
ROBNET
TI50
J50/
J50-40
RI35 MK2
GYROCOMPASS
REVERSIBLE
PUMP
RF14XU
Figure 4-1 AP50 Extended system with options
Note ! The extended system layout does not show all possible layouts.

Simrad AP50 Autopilot
74 20221032B
4.6 RF300S Rudder Feedback Unit
(For small to medium size vessels)
The RF300S Rudder feedback unit mounts close to the rudders,
and is mechanically linked to the rudder tiller arm or rudder
quadrant (refer to Figure 4-2 on page 75 for the recommended
mounting arrangement). Note that the RF300S transmitter arm
has two slots for the transmission link. The slots enable
maximum flexibility to provide the 1:1 mechanical linkage
relationship.
Note ! Do not try to remove the transmitter arm from the feedback unit.
The unit is factory-adjusted and needs no further adjustment at
installation than that described below.
As a starting point, it is desirable to set the transmitter rod to the
inner limit of the outer slot if possible (refer to Figure 4-2). Drill
and tap the rudder tiller arm so that the Y1 dimension is equal to
the Y2 dimension (Use 4.2 mm drill and 5 mm tap). Attach the
ball joint to the tiller arm and connect the transmitter rod to the
ball joint at the rudder tiller arm.
Turn the helm to set the rudder tiller arm to the approximate
center position.
Rotate the RF300S transmitter lever until it is set to center
position (use the alignment mark to line-up the transmitter lever
to be opposite the cable entry into the feedback unit).
Note ! Carefully observe the alignment marks. A rudder feedback
alarm may result if the alignment instructions (as per Figure
4-2) are neglected.
Attach the transmitter rod to the RF300S. Mount the RF300S
Rudder Feedback Unit in accordance with Figure 4-2. The
center of the RF300S should be in line with the center of the
rudderpost. Mount the RF300S to a suitable platform using the
screws provided. If necessary, add blocking material under the
RF300S to adjust the height of the transmission arm to be level
with the rudder tiller arm.

Installation
20221032B 75
Figure 4-2 RF300S Rudder Feedback Unit Mounting
(019356)
Note ! Due to space limitations, it may be necessary to cut the length of
the transmitter rod to move the RF300S closer to the rudderpost.
Tighten the mounting screws for both the RF300S Rudder
Feedback Unit and the transmitter rod ball joint.
In order to verify that the mechanical linkage to the RF300S is
not obstructed, have someone observe the RF300S unit while
someone else turns the helm wheel through the complete range
of travel from full port to full starboard rudder. Connect the
RF300S to the J50 Junction Unit as shown in Figure 4-3
JUNCTION UNIT
MAIN PCB
Rudder
Feedb.
** NON POLARIZED
(COLOR INDEPENDENT)
RF +
RF
Figure 4-3 RF300S Rudder Feedback Unit Connection

Simrad AP50 Autopilot
76 20221032B
4.7 RF45X Rudder Feedback Unit
(For medium to large size vessels)
The RF45X Rudder Feedback Unit is normally installed with the
shaft pointing upwards. However, it can be mounted with the
shaft pointing downwards for increased convenience. The
deflection can then be inverted in the AP50 software or as
illustrated in Figure 4-5 on page 77. An “upside-down”
installation will make access to the unit more efficient as it can be
opened without moving it from the mounting base. To open the
unit, unscrew the two screws of the unit and remove the cover.
Be careful not to damage the wires when you replace the cover.
Max 600mm (23,5")
Figure 4-4 RF45X Rudder Feedback Unit Mounting
Use the enclosed template (Drawing 22011225) to drill the
required mounting holes. The unit is fastened to the mounting
base by the two Allen screws enclosed (other types of screws may
be used if it is to be fastened to another type of base, i.e. a
wooden base).
Make the parallelogram configuration of the transmission link
(see Figure 4-4) and temporarily fasten the link to the RF45X
shaft. The transmission rod can be shortened by cutting off a
piece using a hacksaw. Move the rudder manually hard over to
hard over and make sure the transmission link is moving freely in
both directions.

Installation
20221032B 77
Electrical Connection
Use a twisted-pair shielded cable, 0.5 mm2 (AWG20), between
the breakout box and the J50 Junction Unit. The cable length is
not critical but should be kept to a minimum.
The cable should be connected to the junction unit according to
Figure 4-5. When splicing the cables in the breakout box, crimp
the enclosed pins on each wire of the extension cable to avoid
cutting off the wires at the terminal point when the screws are
tightened.
The screen must be connected in the junction unit.
Note ! The green and yellow wires are not used and must be isolated!
For final alignment, see page 79.
Figure 4-5 RF45X Rudder Feedback Unit Connection

Simrad AP50 Autopilot
78 20221032B
Figure 4-6 RF45X Connection to RI9 Rudder Angle
Indicators and RI35 Mk2 (optional)
The above connection diagram shows how to connect an RI9
Rudder Angle Indicator to a system with RF45X Rudder
Feedback Unit. For connection of RI35 Mk2 Rudder Angle
Indicators only, refer to the RI35 Mk2 manual.
This connection gives full functioning indicator(s) also with the
autopilot switched off. To have the indicator(s) switched off
with the autopilot, connect indicator(s) and rudder feedback
supply+ to J50 Vbat+ instead of J50 Supply+.
Note ! The resistor R (0.5-1K, 0.5W) has to be mounted. The resistor is
not supplied by Simrad.

Installation
20221032B 79
Mechanical Alignment
The purpose of this procedure
is to find the zero point and to
allow the feedback unit to
operate within its active
segment. If the unit operates
outside this segment, there will
be a feedback failure alarm.
1. Position the rudder
amidships.
2. Loosen the two screws that
secure the transmission
lever to the RF45X shaft.
F
e
e
d
b
a
c
k
f
a
i
l
u
r
e
z
o
n
e
A
c
t
i
v
e
s
e
g
m
e
n
t
Slot
3. Turn on the autopilot by pressing the STBY (STBY) button and
wait until the start-up sequence is finished.
4. Press the STB Y (STBY) button again, if necessary, to read the
rudder angle display. You may also read the rudder angle by
accessing the User Set-up menu (page 39) and the SYSTEM
DATA menu (page 145).
5. Use a flat screwdriver in the slot and adjust the rudder angle
to zero degrees on the display.
6. Secure the transmission lever to the shaft. Return to the
Dockside settings and proceed to ‘Rudder Feedback
Calibration’.
Note ! If the autopilot presents a Rudder Feedback Alarm after “turn
on”, proceed as follows:
• Turn the autopilot off. Use a flat screwdriver in the slot and
turn the shaft 180°.
• Proceed from item 3 above.

Simrad AP50 Autopilot
80 20221032B
4.8 RF14XU Rudder Feedback Unit
Mechanical mounting
Before installation check that the alignment mark on the
mounting plate agrees with the mark on the shaft. Bring the
rudder to Midships position. The feedback unit should be
mounted on a plane surface and secured by bolts through the
three holes in the mounting plate. It should be linked to the
rudder in accordance with Figure 4-7. It is important that the
linkage is linear, i.e. the A-a and D-d are pairs of equal length.
This will give a ratio 1:1 between the rudder angle and that of
the feedback unit shaft. Final adjustment is made by loosen the
fixing screws for the potentiometer, and carefully turn the
potentiometer for correct positioning.
Note ! If the RF14XU is mounted with the shaft pointing upwards, the
yellow and the blue lead to the potentiometer inside must be
interchanged (See Figure 4-9).
Figure 4-7 RF14XU - Mounting
Electrical installation
The cables are carried through cable glands. If required, to avoid
any mechanical damage, the cables should be run in a conduit
between the rudder feedback unit and the junction unit or rudder
angle indicator. Electrical connection is shown in the cabling
diagram. The cable screen must be connected to the internal
ground terminal. Ref. Figure 4-8.

Installation
20221032B 81
The feedback unit has an external ground terminal an must have
a proper ground connection to the hull. The grounding wire
should be as short as possible and at least 10 mm wide.
The RF14XU can be powered either from the rudder angle
indicator supply (19-40V DC) or directly from the autopilot
junction unit. If a rudder angle indicator is connected, the
RF14XU is powered from the rudder angle indicator supply. If
the rudder angle indicator voltage disappears, or rudder angle
indicator is not connected to the RF14XU, the feedback unit is
powered directly from the autopilot. The change over is done
automatically.
Note ! If RF14XU is connected to rudder angle indicators, and the
indicators are powered from an unfiltered 24V supply, the
enclosed 470uF capacitor should be connected across the
supply. Without the capacitor, a deviation may occur between
the autopilot feedback midposition reference and that of the
rudder angle indicator(s). Scaling of rudder angle of indicators
may be required. Refer to Figure 4-9, note 2.
Cable screen
Figure 4-8
Screen termination

Simrad AP50 Autopilot
82 20221032B
VIOLET
BROWN
PINK
BLACK
RED
WHITE
WHITE
BLACK
RED
BLUE (GND)
YELLOW (+5V)
GREEN (WIPER)
NOTE 1
NOTE 2
9810
7
6
5
RF14XU ELECTRONIC MODULE
(VIEWED FROM BACK SIDE)
NOTE 1: Brown lead normally connected to .
Move to to invert the rudder indicator deflection.
NOTE 2: Normally connected for +/-45˚ rudder angle (violet, brown and pink leads are
not connected). For +/-60˚ connect brown lead to terminal 10, for +/-70˚ connect
pink lead to terminal 10, for +/-90˚ connect violet lead to terminal 10.
White lead must remain connected.
BROWN
8
9
8
9
TO
POT.
METER
Figure 4-9
RF14XU Internal wiring
Figure 4-10 shows how to connect the RF14XU Rudder
Feedback Unit to an AP50 system with 24V autopilot supply.

Installation
20221032B 83
The RI9 Rudder Angle Indicator is connected to the U-terminal
on RF14XU, while RI35 Mk2 Rudder Angle Indicator is
connected in parallel with the feedback signal for the junction
unit. Use the same supply for RI35 Mk2 as for the autopilot.
The connection shown below gives full functioning indicator(s)
also with the autopilot switched off. To have the indicator(s)
switched off with the autopilot, connect indicator(s) and rudder
feedback supply+ to J50 Vbat+ instead of J50 Supply+.
Note ! This configuration is only for 24VDC.
Figure 4-10 RF14XU connected to an AP50 system and
optional rudder angle indicators
Note ! The resistor R (0.5-1K, 0.5W) has to be mounted. The resistor is
not supplied by Simrad.

Simrad AP50 Autopilot
84 20221032B
Final check
After installation, the cable glands must be sealed with silicon to
prevent water from seeping in. Also apply silicon grease to the
gasket between the bottom and top cover.
On the inside of the feedback unit cover, a piece of moisture
protecting sponge is attached. The sponge produces a corrosion
preventive gas, and to increase the efficiency of the gas the
cover must be kept tight.

Installation
20221032B 85
4.9 J50 Junction Unit
The J50 Junction Unit is designed to operate in a location that
provides ambient temperatures below +55°C (+130°F).
Note ! The junction units (J50 and J50-40) are not waterproof and
should be mounted vertically, as shown in Figure 4-11, in a dry
place between the control unit and the drive unit.
Figure 4-11 J50 Junction Unit Mounting
Cable Connections
Use only shielded cables. This includes Mains input, drive units,
and, if necessary, for the extension of the RF300S Rudder
Feedback Unit cable. The clutch/bypass cable and the solenoid
cable should be 1.5 mm2 (AWG14). Signal cables should be 0.5
mm2 (AWG20) twisted-pairs.
The Mains supply cable and the drive unit motor cable should
have sufficient wire gauge. This will minimize voltage drop and
allow the drive unit to operate at full power.
Refer to the table below for recommended cable sizes.
Cable length Drive Unit Voltage
1. Distribution Board to Junction Unit. 12 V 24 V
2. Junction Unit to Drive Unit motor
(Length refers to each of the two cables) mm2 AWG mm2 AWG
Up to 3 m (10 ft.) 2,5 12 2,5 12
Up to 6 m (20 ft.) 4 10 2,5 10
Up to 10 m (32 ft.) 6 8 4 10
Up to 16 m (52 ft.) 10 6 6 8
Table 4-1 Recommended Cable Sizes

Simrad AP50 Autopilot
86 20221032B
Grounding and Radio Frequency Interface
(RFI)
The AP50 system has excellent radio frequency interference
protection and all units use the junction unit as a common
ground/shield connection. The junction unit must therefore have
a proper ground connection to the hull.
RobNet cables and other signal cables (i.e. compass, feedback,
NMEA) should not be run in parallel with other cables carrying
radio frequency or high current, such as VHF and SSB
transmitters, battery chargers/generators, and winches.
Figure 4-12 J50 Junction Unit Screen Termination
Remove the bottom cover to get access to the plug-in terminals.
Strip about 1 cm (0.4 in.) of the cable's insulation and pull the
screen backwards to cover the insulation. Position the straps as
shown and tighten well to make sure the screen makes good
contact.
Provide sufficient wire length so that the plug-in terminals can
be easily connected and disconnected.
Pull out each terminal before connecting the wires. Remove all
the strands before putting on the terminal cover.
Junction Unit Terminals
J50 Power Board Terminals
Ground terminal
Note!
The Mains input
is not polarity
protected on the
J50-40.

Installation
20221032B 87
J50-40 Power Board Terminals
Main Board Terminals
System Select
The “System select” (Sys. Sel.) input signal of the J50 can be used
to alternate between the boat’s own steering and the autopilot
system from an external system selector (refer to IMO resolution
MSC. 64 sec. 4). A ground on TB14 Sys. Sel. will force the
system into Disengage mode. The autopilot will be disconnected
from the vessel’s steering system and show “Disengaged” on the
display (on the FU50, no mode indicators will be lit). When the
“Sys. Sel.” input line is re-opened, the autopilot will go to AUTO
mode. For wheelmark installation (Master operation = Yes, ref.
page 121) the master control unit will be active.
For non-wheelmark installations the autopilot will continue on the
present heading, but no course change can be made before a
control unit is activated again by pressing the AUTO button.
AUTO/STANDBY Toggling
The Port/stbd lines of the J50 Remote terminal can be used to
alternate between automatic and electric hand-steering from the
autopilot. This may be used for armrest operation, etc. When in
AUTO mode or NAV mode, a simultaneous pulse from the Port
and Stbd terminals to the ground terminal on the remote
connection will revert the autopilot to STANDBY mode. The
next pulse will bring the autopilot to AUTO mode.

Simrad AP50 Autopilot
88 20221032B
External Alarm (Non Wheelmark System)
The external alarm circuit has an open collector output for an
external alarm relay or buzzer. The alarm voltage is the same as
the main supply voltage. The maximum load on the external
alarm output is 0.75 ampere.
Figure 4-13 External Alarm Connections (Non Wheelmark System)
External Alarm (Wheelmark System)
Note ! Wheelmark installation requires separate monitoring of power
failure.
Note that Simrad does not supply an external alarm unit,
required for a Wheelmark system. The diagram below shows
how an arrangement can be made. The buzzer shall provide
between 75 and 85 dB of power.
The relay voltages are determined by the autopilot Mains supply
and the alarm voltage supply.
Figure 4-14 External Alarm Connections (Wheelmark System)

Installation
20221032B 89
4.10 Drive Unit Installation
The relation between drive units, drive unit voltage, input
voltage, drive output, and interfacing to steering gear are shown
in Table 4-2 and Table 4-3. The AP50 system detects whether a
reversible motor or a solenoid is connected and outputs the
correct drive signal automatically.
Refer to the connecting diagrams for the different drive units on
pages 91 through 93.
Installation instructions for the drive units are found in the
manuals for the individual units.
The maximum drive current capabilities of the J50 and J50-40
Junction Units are different. Use the table below as a reference
and observe the notes.
HYDRAULIC PUMPS
RAM CAPACITY
MODEL MOTOR
VOLTS
JUNCTION
UNIT
MIN.
cm3
(cu. in.)
MAX.
cm3
(cu. in.)
FLOW
RATE AT 10
bar
cm3/min.
(cu. in./min.)
MAX.
PRES-
SURE
bar
PWR.
CONSUMP-
TION
RPU80 12 J50 80 (4.9) 250 (15.2) 800 (49) 50 2,5-6 A
RPU160 12 J50 160 (9.8) 550 (33.5) 1600 (98) 60 3-10 A
RPU200 24 J50 190 (11.6) 670 (40.8) 2000 (122) 80 3-10 A
RPU300 12 J50-40 290 (17.7) 960 (58.5) 3000 (183) 60 5-25 A
RPU300 24 J50 290 (17.7) 960 (58.5) 3000 (183) 60 2,5-12 A
RPU3 24 J50 370 (22.4) 1700 (103) 3800/5000
(232/305)
40 7-22 A
RPU1 12 J50 140 (8.5) 600 (36.6) 1400/2000
(120/185)
40 7-22 A
Steering Gear Interface: Hydraulic Plumbing
Table 4-2 Hydraulic Pumps

Simrad AP50 Autopilot
90 20221032B
LINEAR DRIVE UNITS
MODEL MOTOR
VOLTS
JUNCTION
UNIT
MAX.
STROKE
mm (in.)
PEAK
THRUST
kg (lb.)
MAX.
RUDDER
TORQUE
Nm
(lb./in.)
HARD-
OVER
TIME
sec.
(30% load)
PWR.
CON-
SUMP.
TILLER
ARM
mm
(in.)
MLD200 12 J50 300 (11.8) 200
(440)
490
(4350)
15 1.5-6 A 263
(10.4)
HLD350 12 J50 200 (7.9) 350
(770)
610
(5400)
12 2.5-8 A 175
(6.9)
HLD2000L 12 J50 340 (13.4) 500
(1100)
1460
(12850)
19 3-10 A 298
(11.7)
HLD2000D 24 J50 200 (7.9) 1050
(2310)
1800
(15900)
11 3-10 A 175
(6.9)
HLD2000LD 24 J50 340 (13.4) 1050
(2310)
3180
(28000)
19 3-10 A 298
(11.7)
MSD50 12 J50 190 (17.5) 60
(132)
- 15 0.8-2 A -
Steering Gear Interface: Connects to Quadrant or Tiller.
Table 4-3 Linear Drive Units
Note !
1. The motor voltage is stepped down by the junction unit when
operating from 24 V or 32 V Mains (except for RPU1 and RPU3).
2. The specified junction unit is necessary to achieve maximum drive
unit capacity.
3. Recommended operational thrust or torque is 70% of the listed
value.
4. Typical average power consumption is 40% of the listed maximum
value.

Installation
20221032B 91
PREVIOUS MODELS
Simrad
Drive Unit type
Drive
unit
voltage
Input
voltage
(Mains)
Drive output Interface to
steering gear
RPU100,
RPU150,
(Reversible
hydraulic pump)
12 12, 24,32 Proportional
rate
Hydraulic
plumbing
MRD100
(Reversible
mechanical drive)
12
24
12, 24, 32
24, 32
12V to clutch
24V to clutch
Proportional
rate to motor
Chain/
sprockets
MRD150 12
32
12, 24
32
12V to clutch
32V to clutch
Proportional
rate to motor
Chain/
sprocket
Table 4-4 Previous Models Drive Units
Note ! When selecting Drive Unit Voltage in the Installation Dockside
menu (see page 121), the clutch/bypass voltage must always be
set equal to the motor voltage. In a retrofit installation where,
for example a HLD2000 has a 12V motor and a 24V bypass
valve, the bypass valve solenoid has to be changed back to
standard 12V version since the drive engage output voltage
follows the motor voltage setting.
Connecting a Reversible Pump
Simrad
reversible
pump
JUNCTION UNIT
POWER PCB
TB1 TB2
TB3
Sol. -Motor
Sol. -Motor
Figure 4-15 Connecting a Reversible Pump

Simrad AP50 Autopilot
92 20221032B
Connecting a Hydraulic Linear Drive
JUNCTION UNIT
POWER PCB
TB1 TB2 TB3 TB4
Drive
engage
Sol. -Motor
Sol. -Motor
HYDRAULIC
LINEAR DRIVE
Single pole
clutch/bypass
switch
Figure 4-16 Connecting a Hydraulic Linear Drive
Connecting Solenoid Valves
Solenoids (externally powered, common
positive)
JUNCTION UNIT
POWER PCB
TB1 TB2
TB3 TB4
Solenoid
isolated
Lo1
Hi1
Lo2
Hi2
1
2
3S1
+
SOLENOID
VALVE
Figure 4-17 Connecting Externally-powered Solenoids with
a Common Positive
Caution ! To prevent damage of the J50 Power PCB, ensure that the S1
jumper switch on the Power PCB is set to position 2-3.

Installation
20221032B 93
Solenoids (externally powered, common
negative)
JUNCTION UNIT
POWER PCB
TB1 TB2
TB3 TB4
Solenoid
isolated
Lo1
Hi1
Lo2
Hi2
1
2
3S1
+
SOLENOID
VALVE
Figure 4-18 Connecting Externally-powered Solenoids with
a Common Negative
Caution ! To prevent damage of the J50 Power PCB, ensure that the S1
jumper switch on the Power PCB is set to position 2-3.
Solenoids (not externally powered)
JUNCTION UNIT
POWER PCB
Sol. Sol.Lo1
SOLENOID
VALVE
TB1 TB2 TB3 TB4
Sol. -Motor
Sol. -Motor
Solenoid
isolated
Lo1
Hi1
Lo2
Hi2
1
2
3S1
Figure 4-19 Connecting Non-powered Solenoids
Note ! The jumper switch S1 on the J50 Power PCB must be set to
position 1-2.

Simrad AP50 Autopilot
94 20221032B
4.11 Control Unit
Avoid mounting the control unit(s) where it is easily exposed to
sunlight, as this will shorten the lifetime of the display. If this is
not possible, make sure the units are always covered with the
protective cover when not in use.
Panel-mounting
The mounting surface must be flat and even to within 0.5 mm.
• Drill the 4 mounting holes and
make a panel cutout according to
the supplied template.
• Use the supplied gasket between
the panel and the unit.
• Use the supplied 19 mm screws to
fasten the control unit to the panel.
• Apply the front panel corners.
• Connect the RobNet cable(s) to the
control unit connector(s) (see
“Note!” on page 97).
Gasket
Optional Bracket mounting
(This may be ordered separately from Simrad, part no.
20212130).
Note ! When the control unit is bracket-mounted, it is not weatherproof
from the back due to a breathing hole in the back cabinet. When
bracket-mounted, the exposed parts of the plugs should be
protected against salt corrosion.
• Locate the cradle on the mounting site and mark the 4 holes
for the screws on the mounting surface.
• Drill the 4 holes and screw the cradle to the mounting
surface.
• Use the supplied screws to fasten the control unit to the left
and right brackets.
• Apply the front panel corners.
• Use the two locking knobs to assemble the cradle with the
left and right brackets and adjust the control head for the best
viewing angle.
• Connect the RobNet cable(s) to the control unit connector(s)
(see “Note!” on page 97).

Installation
20221032B 95
Figure 4-20 AP50 Bracket mounting
RobNet Network Cables
As most RobNet units have 2 RobNet connectors, they can be
used for further expansion of the system. There are no dedicated
"in" or "out" connectors. You may connect the cables to any
available RobNet connector on the specific unit.
The RobNet cables are available in 7 and 15 m lengths and they
contain a 6-pin male connector at one or both ends. The 15 m
cable to the junction unit has a connector only at the control unit
end.
Additional extension cable (10 m) with a male and a female
connector, is available from Simrad (part no. 22192266).
When installing a system, try to minimize the total RobNet cable
length by connecting all RobNet units to the nearest available
RobNet connector.
The total length of RobNet cables depends on the number of
RobNet units and the voltage drop across the connected units.

Simrad AP50 Autopilot
96 20221032B
Use the following table as a guideline.
Number of RobNet units Maximum cable length in m (feet)
1 390 (1270’)
2 195 (640’)
3 130 (425’)
4 95 (310’)
5 75 (245’)
6 65 (210’)
7 55 (180’)
8 50 (165’)
9 45 (150’)
10 40 (130’)
If the total length exceeds the recommended length, please
contact your Simrad distributor on how to arrange the system to
minimize the voltage drop.
Examples of interconnecting RobNet units:
CONTROL
UNIT
JUNCTION
UNIT NI300X
CONTROL
UNIT
CONTROL
UNIT
JUNCTION
UNIT NI300X
CONTROL
UNIT
Figure 4-21 Interconnecting RobNet Units
All connectors are crimp-type and can be easily disassembled if
desired for ease of installation (see Figure 4-22).
HOW TO REMOVE PINS:
Extraction tool
Pull the wire
Insert tool in slot
Figure 4-22 Removing Pin

Installation
20221032B 97
See Table 4-5 for pin configuration and color code of the
network cable. DO NOT MIX THE PINS AND THE CABLE
COLORS!
Note ! Apply a thin layer of pure Vaseline (petroleum jelly) on the
connector threads and make sure the connectors are properly
secured to the receptacle by the coupling ring. When properly
installed, the connectors are weatherproof according to IP56.
All unused RobNet plugs must be fitted with plastic caps to keep
the connectors free of dirt and moisture. A separate screw cap
for the control unit is included in the installation kit.
Cable
pairs
Color
code
Pin Signal
1st pair Pink 5 V SYSTEM+
Grey 4 V SYSTEM–
2nd pair Brown 1 Bus–
White 2 Bus+
3rd pair Yellow 3 On - Off
5
42
1
6
FRONT VIEW
3
Green 6 ALARM
Table 4-5 RobNet Plug Pin Configuration
On-Off
Vsys+
JUNCTION UNIT
MAIN PCB
ROBNET
Bus+
Vsys
Alarm
Wh
Bn Gn
Bus
Pnk Gry Yel
AP50
CONTROL
UNIT
Figure 4-23 Control Unit Connection
Note ! For installations that require special cable lengths, contact your
Simrad distributor for information.

Simrad AP50 Autopilot
98 20221032B
AP51 Remote Control Connection
If the AP51 Remote Control is part of the system, use the
RobNet connector in a free receptacle (see Figure 4-21).
Alternatively, cut the connector from the cable and connect the
wires in parallel with the cable shown on Figure 4-23 using the
same color code.
Note ! The AP51 cable contains a ventilation tube. Check that the tube
is open after you have cut the cable.
AP51 in a Wheelmark System
In a Wheelmark system, only the Master Unit may turn the
system off. To ensure that the system cannot be switched on or
off from the AP51 Remote Control Unit, the yellow wire in the
AP51 cable must be cut or not connected. Open the RobNet
connector (see Figure 4-22). Remove pin 3 (yellow wire) and cut
it off at the end of the wire. Insulate the wire and push it back in
the pin 3 slot. Reassemble the RobNet connector.
JP21 Jack Point Installation
The JP21 Jack Point can be used in conjunction with the AP51
Remote Control Unit.
It provides a quick and simple means of connection and
disconnection of the AP51 at different locations on the boat.
The JP21 includes a watertight connector cover that must be
installed as shown below. A 32 mm (1.26 inch diameter) hole
must be drilled for flush installation, along with 3 small screw
holes. As indicated, a watertight sealant must be applied to the
mating surfaces of the JP21 and the mounting panel. Apply a
thin layer of Vaseline to the O-ring seal.

Installation
20221032B 99
On-Off
Vsys+
JUNCTION UNIT
MAIN PCB
ROBNET
Bus+
Vsys
Alarm
Wh
Bn Gn
Bus
Pnk Gry Yel
AP51
CONTROL UNIT
JP21
JACKPOINT
7m cable7m cable
Figure 4-24 JP21 Jack Point Mounting
4.12 RC25/RFC35R Rate Compass
Figure 4-25 RC25/RFC35R Rate Compass Mounting
The heading sensor is the most important part of the AP50
system and great care must be taken in choosing the mounting
location. The heading sensor can be mounted at any location
where there is a minimum of magnetic interference and
minimum movements. It is not recommended to use the
RC25/RFC35R on steel vessels. However, if this is done, it
should be installed 1 meter above the steel deck to obtain
optimum performance.
Note ! In order to prevent excessive movements, an autopilot heading
sensor should not be installed on the fly bridge or on the mast.
The rate compass can be deck-mounted or on the bulkhead,
athwartship or alongship. The heading offset feature of the
AP50 will compensate for the mechanical offsets that may be a
result of the selected location and orientation of the RFC35R.

Simrad AP50 Autopilot
100 20221032B
If the compass is deck-mounted or bulkhead-mounted
athwartship with the cable gland pointing aft, little if any offset
correction is required. When the cable gland points forward, a
180° correction is required.
When mounting the compass on a bulkhead alongship, a +90° or
-90° correction is needed, dependent on whether it is a port or
starboard bulkhead.
Select a location that provides a solid mounting place free from
vibration as close to the vessel's center of roll and pitch as
possible (i.e. close to the water line). It should be as far as
possible from disturbing magnetic influences, such as the
engines (minimum of 2 m), the engine ignition cables, the air-
conditioning, any refrigerators, other large metal objects, and
particularly the drive unit.
Use the supplied mounting kit and drill the holes through the
center of the slots in the sensor or the mounting brackets.
Note ! The compass faceplate on the rate compass is the TOP. NEVER
mount it upside down! Level the sensor as close to horizontal as
possible.
AP50
CONTROL
UNIT
RATE
COMPASS
Figure 4-26 RC25/RFC35R Connection to AP50 Control
Unit
• Connect the RobNet connector to the AP50 Control Unit (or
CI300X or NI300X if installed).
• Alternatively, if there is no free receptacle, cut the connector
from the cable and connect the wires in parallel with the
wires going from the junction unit to the control unit. Do not
connect the yellow and the green wires and ensure that they
do not connect with the terminal or chassis.

Installation
20221032B 101
JUNCTION UNIT
RATE
COMPASS
JUNCTION UNIT
MAIN PCB
Robnet
Vsys+
Vsys
GryPnk
J1
NMEA
J2
ROBNET
J3
EXT.COMP
PINK
GREY
PINK
GREY
WHITE
BROWN
Bus+
Bus
Bn Wht
WHITE
BROWN
RATE PCB
TB15
RFC35R
RATE
COMPASS
JUNCTION UNIT
MAIN PCB
Robnet
Vsys+
Vsys
Gry
Pnk
PINK
GREY
PINK
GREY
WHITE
BROWN
Bus+
Bus
Bn Wht
WHITE
BROWN
TB15
RC25
RATE
COMPASS
Figure 4-27 Alternative Connection to J50 Junction Unit RobNet Terminal
• Change in the Installation Interface menu: Select FLUX =
ROBNET.
• Select FLUX as compass in the User Set-up Menu to activate
the RC25/RFC35R as the steering compass.
• Perform the compass calibration as described on page 133.
Note ! After turning on, the compass will stabilize in less than 30
seconds, but it will need another 10 minutes to fully utilize
information from the rate sensor.
Refer to Compass Offset on page 134 to compensate for any
permanent offset after the calibration is completed.
Calibration data is stored in the compass and will not be deleted
by a Master Reset in the autopilot. However, offset
compensation must be reset.

Simrad AP50 Autopilot
102 20221032B
RFC35 Fluxgate Compass
The RFC35 Fluxgate Compass can be connected to the J50
Junction Unit, but the compass is not recommended for
commercial use.
RFC35
FLUXGATE
COMPASS JUNCTION UNIT
MAIN PCB
Heading
Sensor
** NON POLARIZED
(COLOR INDEPENDENT)
HS+
HS-
Figure 4-28 RFC35 connection
• Change in the Installation Interface menu: Select FLUX =
J50-HS.
4.13 FU50 Steering Lever
For connection of the FU50 Steering Lever, see the FU50
manual.
4.14 TI50 Thruster Interface
The TI50 Thruster Interface is designed to provide control signal
for operating one thruster in an AP50 system by either on/off
solenoid, continuous control, or Danfoss PVEM valve.
Refer to separate manual for the TI50 Thruster Interface.
4.15 AD50 Analog Drive
The AD50 Analog Drive is designed to provide analog or
proportional control of a rudder in an AP50 system by either
continuous voltage, or Danfoss PVEM valve signal.
Refer to separate manual for the AD50 Analog Drive.

Installation
20221032B 103
4.16 R3000X Remote Control
The R3000X Remote Control is weather proof and can be
mounted outdoors in the supplied bracket that is fixed by four
mounting screws.
Gn Red Blu
REMOTE
R3000X
REMOTE CONTROL
Yel
JUNCTION UNIT
POWER PCB
TB1 TB2
TB3 TB5
Lamp
Stbd
Port
Gnd
REMOTE
TB4
Figure 4-29 R3000X Remote Control Connection
4.17 S100 NFU Lever Installation
The S100 Steering Lever is for indoor mounting in panels up to 8
mm (5/16 in.) thick. The handle must be removed from the unit
before mounting. A 22 mm (7/8 in.) hole should be cut in the
panel. The S100 is supplied with 10 m (33 ft.) of cable. Connect
the wires to the junction unit power PCB as shown. If the
direction of rudder movement (Port/Stbd) is in the wrong
direction when operating the steering lever, rotate the unit 180°.
For cable extension, a suitable extension cable and junction box
or terminal should be provided locally.
Gn Red Blu
REMOTE
Yel
JUNCTION UNIT
POWER PCB
TB1 TB2
TB3 TB5
Stbd
Port
Gnd
REMOTE
TB4
S100
NFU
STEERING LEVER
Figure 4-30 S100 NFU Lever Connection

Simrad AP50 Autopilot
104 20221032B
4.18 S35 NFU Steering Lever
The S35 NFU Steering Lever may be mounted to the bulkhead
or to a panel by two screws from the front. The cable is
connected to the junction unit according to Figure 4-31. If
necessary, interchange the Port and Stbd wires to the screw
terminals in the junction unit to make the direction of the lever
movement coincide with the direction of the rudder movement.
S35
STEERING LEVER
NOTE!
Disregard the color code
on the terminal label.
REMOTE
JUNCTION UNIT
POWER PCB
TB1 TB2
TB3 TB5
Brn/Wh
Pnk/Gry
Grn
REMOTE
TB4
Yel
Stbd
Port
Gnd
Lamp
Figure 4-31 S35 NFU Steering Lever Connection to Junction Unit
The steering lever is opened by removing the three screws on
the back cover. Inside are two sets of micro-switches, a printed
circuit board with a plug-in terminal, and a jumper strap.
4.19 F1/2 Remote Control
The F1/2 Remote Control comes with 10 m (33 ft.) of cable and
is connected to the junction unit as shown in Figure 4-32.
F1/2
REMOTE CONTROL
NOTE!
Disregard the color code
on the terminal label.
REMOTE
JUNCTION UNIT
POWER PCB
TB1 TB2
TB3 TB5
Violet
Brown
Beige
REMOTE
TB4
Stbd
Port
Gnd
Figure 4-32 F1/2 Remote Control Connection

Installation
20221032B 105
4.20 Interfacing to Optional Equipment (THD,
Navigation Receiver, etc.)
With the AP50 autopilot system, there are several options for
connection to other equipment for data exchange:
1. The J50 Junction Unit includes two NMEA input/output ports
and a Clock Data heading interface to Simrad and Furuno
radars. Only the J50-2 port (NMEA input 2) accepts NMEA
heading sentences.
2. The optional NI300X NMEA Interface (expansion) Unit
includes 4 additional NMEA input/output ports.
The following connecting diagrams illustrate the interfacing
possibilities.
Note ! See also “Interface Set-up” page 126 and the NMEA sentence
table page 68.
Single NMEA input/output
RX1
RX1+
MAIN PCB
NMEA Input 1
Vbat+
Sys. sel.
Gnd
TX1
TX1+
NMEA
Output1
NMEA listener
NAV RECEIVER
OR PLOTTER
(NMEA talker)
JUNCTION UNIT
RUDDER instr.
COMPASS instr.
RADAR
TB13 TB14
Figure 4-33 Single NMEA Connection

Simrad AP50 Autopilot
106 20221032B
Double NMEA input/output
RX1
RX1+
MAIN PCB
NMEA Input 1
Vbat+
Sys. sel.
Gnd
TX1
TX1+
NMEA
Output1
POWER PCB
TB6 TB7 TB8
RX2
RX2+
GPS/PLOTTER NMEA
Input2
TX2
TX2+
NMEA
Output2
GPS or ECS
JUNCTION UNIT
TB13 TB14
NMEA
COMPASS
Figure 4-34 Double NMEA Connection
Output signal Output terminal Output sentence
Continuous output of 10
Hz NMEA compass
heading
Junction unit, Power PCB,
NMEA2, TX2+, TX2–
HDT or HDG
(steering compass
dependent; ref. to
the NMEA table)
Table 4-6 Permanent NMEA Output on Port 2
NMEA Compass In
POWER PCB
TB6 TB7 TB8
RX2
RX2+
NMEA
Input2
JUNCTION UNIT
NMEA
COMPASS
Figure 4-35 NMEA compass Connection
Note ! An output of 10 Hz or faster is recommended.

Installation
20221032B 107
Radar Clock/Data
JUNCTION UNIT
POWER PCB
Radar
TB6 TB7 TB8
Data_h
Data_c
Clk_h
Clk_c
RADAR
Figure 4-36 Radar Clock/Data Connections
Analog Heading Repeater
Figure 4-37 AR77 and AR68 Analog Heading Repeater Connections

Simrad AP50 Autopilot
108 20221032B
Digital Heading Repeater
Figure 4-38 DR75 Digital Heading Repeater Connections

Installation
20221032B 109
GI50 Gyro Interface
The GI50 Gyro Interface is required when a gyrocompass with
geared synchro or stepper signal output is connected to the
AP50.
The GI50 is also required when a speed log signal with 200
pulses/NM is connected to the system.
All cable conductors are terminated in screw terminals on the
GI50 PCB. For cabling and connections, see Figure 4-39.
Figure 4-39 GI50 Gyro Interface Connections
There are also three plug-in jumpers on the PCB, one for each
phase. The position of the jumpers allows the GI50 to operate
from either positive or negative step-signals. For setting of the
jumpers, refer to Figure 4-40. The shown jumper position
enables step-signals with positive common. For negative
common, insert jumpers vertically, A1-A3, A2-A4 and so on.
In addition, a DIP switch is included. Switch number 1 sets the
gear ratio: 360:1 + stepper = switch to 0 (OFF), 90:1 = switch to
1 (ON)
The remaining switches 2, 3, and 4 are for test purpose only and
should be 0 (OFF) for normal use. Figure 4-40 shows the
location of the switches and the LED's.

Simrad AP50 Autopilot
110 20221032B
The potentiometer VR1 is factory set to a reference voltage of
2.5V, and should not be readjusted.
Power Turn-on
After power turn-on, verify that the LED D8 is lit. This indicates
that the regulated 5V is OK.
If step-signals are connected, observe if the LED’s D1, D2 and
D3 are lit. If so, pull out the plug-in jumpers and insert them in
the vertical direction. The LEDs D5, D6 and D7 shall turn on
and off in a Gray-code sequence when changing the gyro
heading.
Note ! If synchro signals are connected, the position of the plug-in
straps is irrelevant. However, if the NMEA read-out does not
follow the gyro, phase S1 and S3 may have to be interchanged.
The LED D4 shows the presence of the synchro reference
voltage, and the LEDs D1, D2 and D3 will turn on with variable
intensity, depending on the phase voltage.
If the heading read-out has an offset, this is compensated by the
“Compass Offset” in the “Installation Seatrial Menu”. See page
134 for details.
Select interface port in the Installation Interface Menu.
Figure 4-40 GI50 PCB - Switch location
+ stepper

Installation
20221032B 111
NI300X NMEA Interface Unit
The NI300X NMEA Interface Unit is normally installed inside
of a console or locker close to navigation receivers, radar, and
instruments to keep the cables short. The unit does not have
controls that need to be operated during installation or use, but
you should be able to take the lid off for inspections and to view
LED indication of received signals. It should be installed with
the cable inlet and the RobNet connectors facing down. The
NI300X is designed to operate in locations with temperatures
below +55°C (+130°F). It is fastened to the panel/bulkhead by
the external mounting brackets.
Note ! The NI300X is not weatherproof and must be installed in a dry
location!
TB11
TB11
Furuno
SIMRAD
FURUNO
RADAR
DISPLAY
+12V
EXTERNAL
STAND ALONE
IS15 INSTRUMENT
RX+
RX-
TX+
TX-
DataH
DataC
N.C.
Clk H
Clk C
RX+
RX-
TX+
TX-
IS15 INSTRUMENTS
LORAN C
OUTPUT FOR RADAR,
INSTRUMENTS ETC.
MAX 250 mA
BLACK
GPS
NMEA2 NMEA3 NMEA4
NMEA1
TB7-A
TB7-B
GPS OR
PLOTTER
RED
+
_
12V DC
OUT
RED
BLACK
SIMR AD
IS15 EXPANDER
SI MRAD SIMRAD SIMRAD
Alarm
RX+
RX-
TX+
TX-
RX+
RX-
TX+
TX-
TB6
TB5
TB4
TB3
TB2
TB1
TB8
ALARM
OUTPUT
(Normally open)
Figure 4-41 NI300X NMEA Interface Unit Connections

Simrad AP50 Autopilot
112 20221032B
The NI300X NMEA Interface (expansion) Unit is designed for
installations in which more NMEA lines have to be tied into the
system. Four NMEA ports, which are identical in hardware and
software, are available and can be connected as desired. An
additional output data-port with a DATA/CLOCK signal is
capable of generating heading data in the format used by some
radar displays made by Simrad and Furuno.
The 12V output is designed for driving instruments with a total
maximum load of 250 mA.
Configuration for Simrad or Furuno is selected in the
Installation Interface Menu (see page 132).
CI300X Compass Interface Unit
The CI300X Compass Interface Unit is an optional module
designed to enable a variety of different equipment to connect
into AP50 systems. The CI300X converts the analog inputs into
RobNet compatible signals for use by AP50 system components.
The CI300X adds the following capabilities to the AP50 system
and allows connection of each of the following simultaneously:
• Magnetic compass connection with CD100/CD100A course
detector
• Gyrocompass connection for Simrad RGC50, RGC10,
RGC11 (1:1 synchro)
• Analog input of sine/cosine for a fluxgate compass
connection (including other manufacturers’ sine/cosine
fluxgate compasses)
For detailed information, see the CI300X manual.

Installation
20221032B 113
COM
STBD
PORT
ENAB
SIN
COS
GND
Vref
SIN
HI
LO
NFU
COS
MAGN. COMP ANALOG GYRO
MAGNETIC COMPASS
WITH CD100A COURSE
DETECTOR
FLUXGATE COMPASS
WITH SINE/COSINE
OUTPUT
DC SUPPLY
RGC10/RGC50
GYRO COMPASS
R1
R2
S1
S2
S3
CI300X COMPASS INTERFACE
ROBNET
CONNECTIONS
TB1
TB2
TB3
TB4
TB5 ALARM
OUTPUT
(Normally open)
1
4
5
3
2
CD100 CONNECTIONS:
NON FOLLOW UP
STEERING
LEVER
ALARM
WHITE
GREY
YELLOW
GREEN
BROWN
ALT. 1
MAGN. COMP
Vref
SIN
HI
LO
COS
To identify the black wires,
measure 8-12 ohm between
orange and black* and 6-10
ohm between green and
black**.
Third black wire not in use.
ORANGE
BLUE
BLACK**
GREEN
BLACK*
ALT. 2
MAGN. COMP
Vref
SIN
HI
LO
COS
Figure 4-42 CI300X Compass Interface Unit Connections
Note ! The CD100 is a previous model and its cable has a connector
that must be cut off for connection in the AP50 system (e.g. to
the CI300X or the CDI35).

Simrad AP50 Autopilot
114 20221032B
CD109 Course Detector
For retrofit installations a CD109 Course detector may be
connected to the CI300X according to Figure 4-43:
Vref
SIN
HI
LO
COS
MAGN. COMP
MAGNETIC COMPASS
WITH CD109 COURSE
DETECTOR
TB1
10
13
12
11
9
SIN
COS
Vref
HI
LO
9
10
11
12
13
9
10
11
12
13
PLUG
Figure 4-43 CD109 connections to CI300X
CD100A Course Detector
The owner may prefer to use the boat’s own compass. The
compass must be fully gimbaled and have a flat surface
underneath to fit the CD100A. Make a hole for a 6 mm screw in
the bottom of the compass and mount the CD100A as shown in
Figure 4-44. Secure the 6 mm screw through the center hole of
the CD100A. Make sure the cable does not prevent the compass
from moving freely in the gimbals.
1 Screw M6x25mm, non
magnetic
2 Washer, non magnetic
3 Course detector
4 Cable clamp, nylon
5 Washer, non magnetic
6 Screw M3x10mm, non
magnetic
3
2
1
4
5
6
Note!
Lock nut on mounting screw (pos.
1) for transportation only. To be
removed before mounting.
When the course detector is
mounted on a reflector compass,
use the tripod holder (ref. to
Figure 3-6 on page 55).
Figure 4-44 CD100A Course Detector Mounting

Installation
20221032B 115
CDI35 Interface
Install the CDI35 Interface as close to the compass as possible
so that it will be easy to find in the event of servicing.
Put the two fixing screws in the slots and secure the unit to the
bulkhead. Open the unit to access the screw terminals.
Connect the cables as shown in Figure 4-45.
Figure 4-45 CDI35 Interface Connections
Note ! The CD100 is a previous model and its cable has a connector
that must be cut off for connection in the AP50 system (e.g. to
the CI300X or the CDI35).
CD109 Course Detector
For retrofit installations, a CD109 Course detector may be
connected to the CDI35 according to Figure 4-46.
Figure 4-46 CD109 Course detector connections to CDI35 Interface

Simrad AP50 Autopilot
116 20221032B
This page is intentionally left blank

Software Set-up Procedure
20221032B 117
5 SOFTWARE SET-UP PROCEDURE
5.1 Description of Installation Set-up
The design of the AP50 includes advanced features that have
simplified the installation and set-up of an autopilot. The
principle advantage is that the manual adjustments that needed
to be made on previous models are no longer necessary with the
AP50.
Note ! The Installation Set-up must be performed as part of the
installation of the AP50 system. Failure to correctly set the
values in the Installation Set-up menu may prohibit the AP50
from functioning properly!
The Installation Set-up is grouped into the following functional
categories:
• Language: Selects the language used for display
information.
• Dockside
Settings:
Sets the values for items to be set prior
to sea trials.
• Interface Set-up: Sets the identification of navigation
equipment and optional equipment
connected to the AP50 system.
• Sea-trial Settings: Determines the automatic calibrations
and the steering parameters and sets the
compass offset.
• Service: Used to view system parameters,
perform NMEA tests, and Master reset
system memories.
• Settings: Setting or changing steering and
thruster parameters.
Each category is designed to focus on specific functions related
to an installation activity and to enable quick access when
changes need to be made.
Some important points regarding the Installation Set-up
values:
RUDDER
02
SETUP
REQUIRED
• When the AP50 is delivered new from the factory, (AND
ANY TIME AFTER A MASTER RESET OF MEMORIES
HAS BEEN PERFORMED), the Installation Set-up values
are all reset to preset (default) values. The warning message
"Setup Required" will appear at “turn on” and if an attempt
to access the AUTO or NAV modes is made.
• The Dockside and Interface settings can only be accessed
when the system is in Standby mode.
• The values that are selected in the Installation Menu are

Simrad AP50 Autopilot
118 20221032B
stored in the memory of the AP50 system. No specific action
is required to save the selected values to memory. Once the
value is changed, it is stored until the next time the menu
item is selected and changed.
• The Installation Set-up is considered global (except
language), which enables the values to be available to all
control units in the system.
• The values in the Seatrial Settings are dependent on the
successful completion of the Dockside Settings.
• In the table on page 159 the range of each setting is listed.
Note the final value selected during the Installation Set-up,
and also note any changes of values.
Before attempting to turn on the AP50 and perform an
Installation Set-up, the hardware installation and electrical
installation must be completed and performed in accordance
with the installation instructions.
5.2 Installation Menu
RUDDER
02
SETUP
REQUIRED
LANGUAGE
DOCKSIDE
INTERFACE
SEATRIAL
SERVICE
SETTINGS
SW V1R2
June 26 2003 No
Yes
A single press on the STBY (STBY) button switches the system on.
After approximately 5 seconds, the unit that was turned on will
show the Standby mode display. When the AP50 is delivered
new from the factory (and any time after a master reset of
memories has been performed), the Installation Set-up values are
all reset to preset (default) values. The warning message "Setup
Required" will appear at “turn on” and if an attempt to access the
AUTO or NAV modes is made.
The Installation Menu is presented on the autopilot display by
pressing and holding the NAV
SETUP (NAV/SETUP) button for 5
seconds.
Note ! The Installation Menu is different from the User Set-up Menu.
Refer to the flow diagram on page 120 for a pictorial view of the
Installation Menu.
Navigate through the Installation Menu as follows:
• Answer “Yes” to a question by rotating the course knob
clockwise.
• Answer “No” to a question by pressing the (STBD)
button. This will allow you proceed to the next menu item.
• Return to the previous menu item by pressing the (PORT)
button.
• Change the selected item shown rotating the course knob in
either direction.

Software Set-up Procedure
20221032B 119
• Exit the Installation Menu by pressing STBY, AUTO or
NAV buttons.
On new installations, and whenever a junction unit or software
is replaced in an AP50 system, it is recommended that a Master
Reset be performed as described under SERVICE in the
Installation Menu (see page 147) prior to proceeding with the
set-up procedure.
Note ! If a “System Select” switch is installed (page 87) it must be set
to the autopilot system, otherwise the rudder can not be
calibrated for direction and feedback signal in the Dockside
menu.
When using the Installation Menu refer to Figure 5-1
"Installation Menu Flow Chart" on page 120.
Language selection
The AP50 can present the display in eight different languages:
• English, Deutsch, Francais, Español, Italiano, Nederlands,
Svenska and Norsk.
LANGUAGE
English
Deutsch
Francais
Espanol
Italiano
Nederlands
Svenska
Norsk
To access the language selection in the Installation Menu:
1. Answer “Yes” by turning the course knob clockwise.
2. Turn the course knob to select the language you wish to use.
3. Continue to next item in the Installation Menu by pressing the
(STBD) button or leave the Installation Menu by pressing
the STBY (STBY) button.
Dockside
The following menu items are accessible and can be set up in
the Dockside Set-up Menu:
• Master operation
• Boat type
• Boat length
• Drive unit voltage
• Rudder / Feedback calibration
• Rudder test
• Rudder limit
• Rudder deadband
• Thruster type
Select STANDBY mode and enter the Installation Menu as
previously described. Select "Dockside" by pressing (STBD)
button and confirm by rotating the course knob clockwise.

Simrad AP50 Autopilot
120 20221032B
DOCKSIDE
SEATRIAL
INSTALLATION
MENU
SEA-TRIAL MENU
DOCKSIDE MENU
ENGLISH
DEUTSCH
FRANCAIS
ESPANOL
ITALIANO
NEDERLANDS
SVENSKA
NORSK
LANGUAGE MENU
SERVICE SYSTEM DATA
INTERFACE
Mode i n
STBY ?
Yes
No
GPS 1
GPS 2
ECS1
ECS2
GYRO1
GYRO2
THD1
THD2
MAGN1
MAGN2
FLUX1
FLUX2
INTERFACE MENU
SETTINGS
LANGUAGE
Input:
Output:
SELECT OR CONFIRM BY
ROTARY COURSE SELECTOR
PROCEED TO NEXT MENU ITEM
BY PRESSING STBD BUTTON
REVERT TO PREVIOUS
MENU ITEM
SYMBOLS
NMEA DATA
XTE
BWW
BRG POS-WP
POS/LAT
POS/LON
MASTER OPERATION
BOAT TYPE
BOAT LENGTH
DRIVE UNIT VOLTAGE
RUDDER CAL STBD
RUDDER CAL PORT
RUDDER TEST?
RUDDER LIMIT
RUDDER DEADBAND
THRUSTER
ENTER INSTALLATION MENU
BY PRESSING AND HOLDING THE
NAV BUTTON FOR 5 SECONDS
COMPASS
THRUSTER CAL
SPEED SOURCE
SET CRUISING SPEED
SET RUDDER ZERO
SET RATE OF TURN
MANUAL TUNING
AUTOMATIC TUNING
LOW SPEED RESPONSE
MINIMUM RUDDER
Note!
Dockside and Interface
Menus accessible
only in STBY mode.
TURN CCW CONFIRMED
STEERING COMPASS
MONITOR COMPASS
RUDDER
STEER COURSE
SYSTEM FILTER VALUES
INPUT VOLTAGE
DRIVE OUT
CLUTCH/BYPASS
WIND
DEPTH
LOG
INSTR
RADAR
Input:
LOOPBACK NMEA1
LOOPBACK NMEA2
NMEA TEST
COG
SOG
WIND
SPEED
DEPTH
SETTINGS
STEERING
THRUSTER
SOFTWARE
PROGRAM
DATE
SYSTEM DATA
NMEA DATA
NMEA PORT TEST
Master reset?
Figure 5-1 Installation Menu Flow Chart

Software Set-up Procedure
20221032B 121
Master Operation
DOCKSIDE
Master operation Yes
Boat type Displacement
Boat length ---
Drive unit voltage ---
Rudd feedb cal STBD ---
Rudd feedb cal PORT ---
For vessel that comply with the European Marine Equipment
directive, one control unit must be set for Master operation, if
more than one control unit is connected. The other unit(s) is then
automatically set as a “slave”. The system can only be switched
off from the master unit (see also page 37).
If your system is to be wheelmarked you have to answer yes for
Master operation on one of the control units by rotating its
course knob. This applies only to commercial vessels classed to
follow the Marine Directive.
Press the (STBD) button to proceed to the next menu item.
Note ! Whenever boat type or boat length is changed, all steering
parameters will be reset to default values.
Boat Type
DOCKSIDE
Master operation Yes
Boat type Displacement
Boat length ---
Drive unit voltage ---
Rudd feedb cal STBD ---
Rudd feedb cal PORT ---
Displacement
Planing
Waterjet
The actual Boat type is selected by turning the course knob. The
options are: Displacement hull, Planing hull, and Waterjet
propelled.
The type of boat selected will affect the steering parameters and
the functions available in the autopilot system. Select the
appropriate Boat type and press the (STBD) button.
Boat Length
DOCKSIDE
Master operation Yes
Boat type Displacement
Boat length 0-50 FEET
Drive unit voltage ---
Rudd feedb cal STBD ---
Rudd feedb cal PORT ---
0-50 FEET
40-70 FEET
60-100 FEET
90-130 FEET
120- FEET
The actual boat length is selected by turning the course knob.
The options are: 0-50 feet, 40-70 feet, 60-100 feet, 90-130 feet,
and 120- feet. For those boats that may qualify for two
categories (e.g. 45 ft.) it is recommended that faster/lighter boats
be placed in the shorter category.
The Boat length will affect the steering parameters. Select the
appropriate boat length and press the (STBD) button.
Drive Unit Voltage
DOCKSIDE
Master operation Yes
Boat type Displacement
Boat length 0-50 FEET
Drive unit voltage 12V
Rudd feedb cal STBD ---
Rudd feedb cal PORT ---
12V
24V
32V
This menu option requires the installer to set the Drive unit
voltage to the correct level. The selections are 12V, 24V, or 32V
and should be set to the voltage specified for your drive unit.
Drive engage/bypass clutch output follows the same voltage as
set for the drive unit. This also applies if Drive engage is set to
Auto or Handshake 1 (ref. page 150). It is not possible to select a
higher voltage than the input voltage.
Note ! Selection of an improper voltage level for your drive unit may
damage both the drive unit and junction unit, even if the
protection circuits in the junction unit are activated.

Simrad AP50 Autopilot
122 20221032B
Refer to the drive unit tables on pages 89 and 90 for
information. The clutch/bypass voltage is automatically set to
coincide with the drive unit voltage. During the rudder test, the
AP50 system will also automatically detect whether the drive
unit is a reversible motor or whether it is solenoid operated.
To change the voltage selection, rotate the course knob.
Note ! The Drive unit voltage setting does not apply when operating
solenoids on a continuous running pump/steering gear. Hence,
the output voltage to the solenoids will be the same as the input
voltage.
Proceed to the next menu item by pressing the (STBD)
button.
Rudder Feedback Calibration
(Not applicable for analog drives).
DOCKSIDE
Master operation Yes
Boat type Displacement
Boat length 0-50 FEET
Drive unit voltage 12V
Rudd feedb cal STBD ---
Rudd feedb cal PORT ---
No
Yes
For systems using an RF45X Rudder Feedback Unit, be sure that
the unit has been mechanically aligned (see page 79) before
attempting Rudder feedback calibration.
This function enables you to compensate for non-linearity in the
mechanical transmission between the rudder and the rudder
feedback unit.
DOCKSIDE
Turn Rudder max. STBD
00
P S
00
Adjust?
Select Rudder feedback calibration STBD by turning the
course knob clockwise. “Turn Rudder max STBD” will be
displayed on the screen.
Manually turn the helm wheel to starboard until the rudder stops
at maximum starboard rudder.
DOCKSIDE
Turn Rudder max STBD
25
P S
25
Adjust?
The value shown on the display is the value read by the feedback
unit before any adjustment is made. The bargraph indicates to
which side the rudder is positioned. Be sure to set the correct
rudder angle and direction by turning the course knob. The
autopilot uses this value as physical stop. Physical stop minus 2°
will be used as “max. rudder limit” and determines how far the
autopilot can under any circumstance, drive the rudder.
Note ! If the rudder feedback unit is mounted upside down, the
displayed rudder angle may be to the opposite side before you
start the adjustment (arrow pointing to Port). In this case, turn
the course knob starboard until the rudder angle indicator
displays the correct starboard value.
Advance to the next step by pressing the (STBD) button.
Manually turn the helm wheel to port until the rudder stops at
maximum port rudder.

Software Set-up Procedure
20221032B 123
Adjust the displayed angle the same way as for starboard
adjustment (if the rudder feedback unit is upside down, you need
not correct for the opposite side this time).
Note ! If no adjustment has been made to the display readout (i.e. not
turning the course knob), the AP50 will set the physical stop to
45°. “Max. rudder limit” will be set to 2° less.
Note ! Rudder-zero may still be inaccurate and should be adjusted
later during sea trial.
Proceed to the next menu item (Rudder Test) by pressing the
(STBD) button.
Rudder Calibration
(Only applicable for analog drive).
DOCKSIDE
Master operation Yes
Boat type Displacement
Boat length 0-50 FEET
Drive unit voltage 12V
Rudder cal STBD ---
Rudder cal PORT ---
No
Yes
This setting is used for calibration of analog rudders. ‘Rudder
cal’ is displayed instead of ‘Rudder feedback cal’ when an AD50
Analog Drive is connected via the RobNet and a rudder feedback
unit is not connected to the system. Select Rudder cal STBD by
turning the course knob clockwise.
DOCKSIDE
Set max Rudder STBD
VOLTAGE
output
P S
Adjust
‘Set max Rudder STBD’ will be displayed on the screen.
While viewing the vessel main rudder angle indicators, adjust
the voltage output by turning the course knob until the desired
maximum rudder deflection to starboard is obtained.
Then press the (STBD) button.
DOCKSIDE
Adjust max angle STBD
P S
Adjust
40
Turn the course knob until the bargraph indicates the maximum
rudder angle to starboard as set by the voltage output.
Be sure to set the correct rudder angle and direction by turning
the course knob. The autopilot uses this value minus two degrees
as “max. rudder limit”. This determines how far the autopilot can
under any circumstance, drive the rudder.
Advance to the next step by pressing the (STBD) button.
Adjust the voltage output by turning the course knob until the
desired maximum rudder deflection to port is obtained.
Adjust the displayed angle the same way as for starboard
adjustment.
Note ! If you are not making any adjustment to maximum rudder angle
readout (i.e. not turning the course knob), the AP50 will set the
physical stop to 45°. “Max. rudder limit” will be set to 2° less.
Proceed to the next menu item (Set rudder zero) by pressing the
(STBD) button.

Simrad AP50 Autopilot
124 20221032B
Rudder Test
(Not applicable for analog drives)
Note ! Bring the rudder manually to midship position before starting
the test. If the boat uses power-assist steering, it is important
that the engine or electric motor used to enable the power-assist
steering is turned on prior to this test. Stand CLEAR of the
wheel and do not attempt to take manual control of the wheel
during this test!
DOCKSIDE
Rudder test ----
--------- drive
Clutch --- --------
Rudder limit
Rudder deadband
Thruster ----
No
Yes
DOCKSIDE
Automatic rudder test
Testing Rudder
00
P S
Activate the automatic Rudder test by turning the course knob
clockwise.
The AP50 will, after a few seconds, issue a series of PORT and
STBD rudder commands, automatically verify correct rudder
direction, detects minimum voltage for running, and reduce the
rudder speed (reversing pumpset or proportional valves) if it
exceeds the maximum acceptable speed for autopilot operation.
The Rudder test is verified by the display showing ‘Motor OK’,
‘Proportional OK’, ‘Solenoids OK’, or ‘Failed’. If ‘Failed’ is
given, check for correct electrical connection and also make sure
that the steering engine is selected for autopilot control (ref. to
‘System select’ on page 87).
When test is finished the display will read:
DOCKSIDE
Rudder test Done
Drive out xx%
Clutch NOT installed
Rudder limit 10°
Rudder deadband 0.2°
Thruster ----
No
Yes or
DOCKSIDE
Rudder test Done
Solenoid drive
Clutch NOT installed
Rudder limit 10°
Rudder deadband 0.2°
Thruster ----
No
Yes
The Drive out (displayed in percentage) is the amount of
maximum available voltage needed to achieve correct rudder
speed when automatic steering (Maximum speed is used in NFU
steering).
It will be indicated on the screen whether a clutch is installed or
not.
If the Automatic rudder test fails, refer to ”Warnings” beginning
on page 165
Proceed to the next menu item by pressing the (STBD)
button.

Software Set-up Procedure
20221032B 125
Set Rudder Zero
DOCKSIDE
Set rudder zero
---
Rudder limit 10°
Thruster ----
This setting is only shown when analog rudder is used for
steering. No value is shown before you start turning the course
knob. When activated, the AD50 will take control over the
rudder. Adjust the rudder to mid-position.
Rudder Limit
DOCKSIDE
Rudder test Done
Solenoid drive
Clutch NOT installed
Rudder limit 10°
Rudder deadband 0.2°
Thruster ----
Rudder Limit determines the maximum rudder movement in
degrees from the “used” midship position that the autopilot can
command the rudder in the automatic modes.
“Used” midship position is the rudder angle required to maintain
a straight course.
The Rudder limit setting is only active during autosteering on
straight courses, NOT during course changes. This Rudder limit
does not affect WORK, Non-Follow-up or Follow Up steering.
In WORK, Non-Follow-up or Follow Up steering, only the max.
rudder limit applies.
Note ! The max. rudder limit was set automatically to physical stop
minus 2° when the rudder feedback calibration was performed.
Range: 5° to max. rudder limit in 1° steps.
Default: 10°
Proceed to the next menu item by pressing the (STBD)
button.
Rudder Deadband
(Not applicable for analog drives)
DOCKSIDE
Rudder test Done
Solenoid drive
Clutch NOT installed
Rudder limit 10°
Rudder deadband 0.2°
Thruster ----
Necessary deadband to avoid the rudder from hunting is
calculated and set automatically during the rudder test. Therefore
this parameter should normally not be adjusted. If the auto-
setting does not perform properly (rudder commands due to
vibration of the rudder when under way), it can be adjusted
manually. A narrow deadband may cause the rudder to hunt and
a wide deadband will create inaccurate steering.
Adjust the Rudder deadband by rotating the course knob. Find
the lowest possible value that will prevent the rudder from
hunting. It is recommended to check rudder stability and
accuracy in FU-mode.
Range: Auto, 0.1° to 4.0° in 0.1° increments.
Default: Auto.
Proceed to the next menu item by pressing the (STBD)
button.

Simrad AP50 Autopilot
126 20221032B
Thruster
DOCKSIDE
Rudder test Done
Solenoid drive
Clutch NOT installed
Rudder limit 10°
Rudder deadband 0.2°
Thruster ----
----
Danfoss
Continuous
On/Off
Select the type of thruster connected to the autopilot system.
Select between: – –- – – (no thruster connected), Danfoss
(Danfoss PVEM valve), Continuous (analog ±10V internal or
±12-24V external), or On/Off (On/Off solenoid). Note that for
full range of analog control, “Continuous” must be selected.
“Continuous” must be selected for Proportional Directional
control (ref. TI50 Instruction Manual).
Proceed to the next menu item by pressing the (STBD)
button.
Note ! Before use of the thruster, the Thruster sea-trial set-up has to be
performed to set the Thruster direction and the Maximum
thrust.
Interface Set-up
The AP50 system provides a flexible approach to the input of
data from heading sensors and other external equipment.
Identification of the type of equipment connected to the AP50
system is performed in the Interface Menu.
To be able to display all the information on the instrument
screens (see section 2.15 on page 46), refer to the table in
section 3.24 on page 69 for the required NMEA sentences.
When your system includes connection of external equipment to
the NMEA0183 data ports in the junction unit or the NI300X
NMEA Interface, or if the CI300X Compass Interface is
installed with optional compass units, they must be configured
in the Interface Menu. This procedure allows you to assign an
abbreviated name to identify the type of equipment that is
connected to each of the available hardware ports in the AP50
system.
Caution ! The ECS1 and ECS2 set-up items are intended for connection
to professional navigators where the radius for the course
change is preset in the chart system. This turn radius will
allow the ship to turn before the waypoint is reached and
enables the AP50 to follow a route seamlessly.
Note ! Confirmation for course change by the user will not be required.
Users navigating in this mode must show extra caution!
When connecting a GPS or a Chartplotter, use the GPS1 or
GPS2 set-up item.

Software Set-up Procedure
20221032B 127
Abbreviated
name
Equipment / Usage NOTES
GPS1 Primary GPS/Chart Plotter
GPS2 Backup GPS/Chart Plotter
ECS1 * Primary Electronic Chart
System
ECS2 * Backup Electronic Chart
System
Can be used as either Nav. source
or Speed source
GYRO1 Any primary gyro
GYRO2 Backup gyro for GYRO1
NMEA, syncho or step signal input
THD1 Transmitting Heading Device
THD2 Transmitting Heading Device NMEA input
MAGN1 Magnetic compass with
course detector (CD100A)
MAGN2 Magnetic compass with
course detector (CD100A)
1) CD100A + CDI35 connected to
J50
2) CD100A directly connected to
CI300X
FLUX1 For use with fluxgate
compasses
FLUX2 For use with fluxgate
compasses
RobNet, NMEA, sine/cosine or J50
Heading Sensor (HS) input
WIND For wind sensor
DEPTH For depth sensor NMEA input
LOG For speed sensor NMEA or pulse log
Output INSTR NMEA output of compass
heading
or VDR data
HDG or HDT output increased
from 1 to 5 times/sec. on TX1 port.
HDT and RSA 5x/sec.
Output RADAR Clock/data heading output to
radars
May select Simrad, Furuno, or
Special** (for both J50 and
NI300X)
* Automatic course change at waypoint will now occur during navigation in NAV
mode.
** For future use.
Table 5-1 Interface Menu
Output signal Output terminal Output sentence
Continuous output of 10 Hz
NMEA compass heading
Junction unit, Power PCB,
NMEA2, TX2+, TX2–
HDT or HDG
(input dependent)
Table 5-2 Permanent NMEA Output on Port 2

Simrad AP50 Autopilot
128 20221032B
The Interface Set-up Menu presents names so that they can be
assigned to the hardware input or output port (see Table 5-1 on
page 127. Each abbreviated name is then presented in the
appropriate locations of the User Set-up Menu (see page 39) to
provide the user with choices of data sources.
Upon completion of the Interface Set-up, it is recommended that
the configuration be recorded in the Interface Set-up Table on
page 129.
LANGUAGE
DOCKSIDE
INTERFACE
SEATRIAL
SERVICE
SETTINGS
SW V1R2
June 26 2003 No
Yes
To begin Interface set-up, proceed to the Interface Set-up menu
under the Installation Menu.
To access the Interface Set-up items, turn the course knob
clockwise.
GPS1 J50-1
GPS2 -----
ECS1 -----
ECS2 -----
GYRO1 -----
GYRO2 -----
THD1 -----
THD2 -----
MAGN1 -----
MAGN2 -----
FLUX1 ROBNET
FLUX2 J50
-----
J50-1
J50-2
NI300-1
NI300-2
NI300-3
NI300-4
Input:
WIND J50-1
DEPTH J50-1
LOG J50-1
INSTR J50-1
RADAR SIMRAD -----
J50-1
J50-2
NI300-1
NI300-2
NI300-3
NI300-4
Input:
The display now shows the first name on the list. Select the
hardware port where that device is connected by turning the
course knob until the appropriate hardware port is displayed.
Proceed to the names on the list that should be assigned by
pressing the (STBD) button. Assign the appropriate hardware
ports by turning the course knob, or exit from the menu by
progressing through the list of names by pushing the (STBD)
button.
Note ! Upon completion of the Interface Set-up, the names of items to
which you have assigned hardware ports will be available as
sources of data for compass, navigation, and speed in the User
Set-up Menu. It is recommended that you access the User Set-up
Menu directly after completing the Interface Set-up to select the
desired data. Refer to page 38 for details on changing the items
in the User Set-up Menu.
WIND J50-1
DEPTH J50-1
LOG J50-1
INSTR J50-1
RADAR SIMRAD
Output
1 Hz
5 Hz
VDR
1 Hz
The standard NMEA output rate is 1 Hz. If INSTR J50-1, is set
to 5 Hz, the output port, TX1, will have an output rate of 5 Hz
for HDG or HDT (heading) messages. NMEA OUTPUT 2 on
the J50 has a constant output rate of 10 Hz for HDG or HDT (see
Table 5-2 on page 127. Both port 1 and 2 are still sending HDM
at 1 Hz. HDM is an obsolete sentence, but some older equipment
may still use it (see table on page 69).
If INSTR is set to VDR, rudder command, response and heading
data as defined in IEC61996, is provided at 5 Hz in the HTD and
RSA sentences.

Software Set-up Procedure
20221032B 129
Interface Set-up - Input Signal
Set-up item
(abbrev. name)
Equipment
connected (name)
Connected to terminal
(use one available from list)
Assign hardware
port to set-up item
(* = default setting)
GPS1 Not connected – – – –
J50, Main PCB NMEA I/P RX1+,RX1– J50-1*
J50, Power PCB NMEA I/P RX2+,RX2– J50-2
NI300X, NMEA port #1 NI300-1
NI300X, NMEA port #2 NI300-2
NI300X, NMEA port #3 NI300-3
NI300X, NMEA port #4 NI300-4
GPS2 Not connected –- – – – *
J50, Main PCB NMEA I/P RX1+,RX1– J50-1
J50, Power PCB NMEA I/P RX2+,RX2– J50-2
NI300X, NMEA port #1 NI300-1
NI300X, NMEA port #2 NI300-2
NI300X, NMEA port #3 NI300-3
NI300X, NMEA port #4 NI300-4
ECS1 Not connected – – – – *
J50, Main PCB NMEA I/P RX1+,RX1– J50-1
J50, Power PCB NMEA I/P RX2+,RX2– J50-2
NI300X, NMEA port #1 NI300-1
NI300X, NMEA port #2 NI300-2
NI300X, NMEA port #3 NI300-3
NI300X, NMEA port #4 NI300-4
ECS2 Not connected – – – – *
J50, Main PCB NMEA I/P RX1+,RX1– J50-1
J50, Power PCB NMEA I/P RX2+,RX2– J50-2
NI300X, NMEA port #1 NI300-1
NI300X, NMEA port #2 NI300-2
NI300X, NMEA port #3 NI300-3
NI300X, NMEA port #4 NI300-4
GYRO1 Not connected – – – – *
Connection to RobNet ROBNET **
J50, Power PCB NMEA I/P RX2+,RX2– J50-2
NI300X, NMEA port #1 NI300-1
NI300X, NMEA port #2 NI300-2
NI300X, NMEA port #3 NI300-3
NI300X, NMEA port #4 NI300-4
GI51/CI300X, Gyro terminal GI-sync
GI51/CI300X, Gyro terminal GI-step
GI51/CI300X, Gyro terminal GI-0183
GI51/CI300X, Gyro terminal GI-prop

Simrad AP50 Autopilot
130 20221032B
Set-up item
(abbrev. name)
Equipment
connected
(name)
Connected to terminal
(use one available from list)
Assign hardware
port to set-up item
(* = default setting)
GYRO2 Not connected – – – – *
Connection to RobNet ROBNET **
J50, Power PCB NMEA I/P RX2+,RX2– J50-2
NI300X, NMEA port #1 NI300-1
NI300X, NMEA port #2 NI300-2
NI300X, NMEA port #3 NI300-3
NI300X, NMEA port #4 NI300-4
GI51/CI300X, Gyro terminal GI-sync
GI51/CI300X, Gyro terminal GI-step
GI51/CI300X, Gyro terminal GI-0183
GI51/CI300X, Gyro terminal GI-prop
THD1 Not connected – – – – *
Connection to RobNet ROBNET **
J50, Power PCB NMEA I/P RX2+,RX2– J50-2
NI300X, NMEA port #1 NI300-1
NI300X, NMEA port #2 NI300-2
NI300X, NMEA port #3 NI300-3
NI300X, NMEA port #4 NI300-4
THD2 Not connected – – – – *
Connection to RobNet ROBNET**
J50, Power PCB NMEA I/P RX2+,RX2– J50-2
NI300X, NMEA port #1 NI300-1
NI300X, NMEA port #2 NI300-2
NI300X, NMEA port #3 NI300-3
NI300X, NMEA port #4 NI300-4
MAGN1 Not connected – – – – *
CD100A + CDI35 Junction unit: HS+, HS– J50-HS
J50, Power PCB NMEA I/P RX2+,RX2– J50-2
NI300X, NMEA port #1 NI300-1
NI300X, NMEA port #2 NI300-2
NI300X, NMEA port #3 NI300-3
NI300X, NMEA port #4 NI300-4
CD100A CI300X Magnetic Compass terminal CI300X
MAGN2 Not connected – – – – *
CD100A + CDI35 Junction unit: HS+, HS– J50-HS
J50, Power PCB NMEA I/P RX2+,RX2– J50-2
NI300X, NMEA port #1 NI300-1
NI300X, NMEA port #2 NI300-2
NI300X, NMEA port #3 NI300-3
NI300X, NMEA port #4 NI300-4
CD100A CI300X Magnetic Compass terminal CI300X

Software Set-up Procedure
20221032B 131
Set-up item
(abbrev. name)
Equipment
connected
(name)
Connected to terminal
(use one available from list)
Assign hardware
port to set-up item
(* = default setting)
FLUX1 Not connected – – – –
RFC35R Connection to RobNet ROBNET*
Junction unit: HS+, HS– J50-HS
J50, Power PCB NMEA I/P RX2+,RX2– J50-2
NI300X, NMEA port #1 NI300-1
NI300X, NMEA port #2 NI300-2
NI300X, NMEA port #3 NI300-3
NI300X, NMEA port #4 NI300-4
CI300X, Analog terminal CI300X
FLUX2 Not connected – – – – *
RFC35R Connection to RobNet ROBNET
Junction unit: HS+, HS– J50-HS
J50, Power PCB NMEA I/P RX2+,RX2– J50-2
NI300X, NMEA port #1 NI300-1
NI300X, NMEA port #2 NI300-2
NI300X, NMEA port #3 NI300-3
NI300X, NMEA port #4 NI300-4
CI300X, Analog terminal CI300X
WIND Not connected – – – – *
J50, Main PCB NMEA I/P RX1+,RX1– J50-1
J50, Power PCB NMEA I/P RX2+,RX2– J50-2
NI300X, NMEA port #1 NI300-1
NI300X, NMEA port #2 NI300-2
NI300X, NMEA port #3 NI300-3
NI300X, NMEA port #4 NI300-4
DEPTH Not connected – – – – *
J50, Main PCB NMEA I/P RX1+,RX1– J50-1
J50, Power PCB NMEA I/P RX2+,RX2– J50-2
NI300X, NMEA port #1 NI300-1
NI300X, NMEA port #2 NI300-2
NI300X, NMEA port #3 NI300-3
NI300X, NMEA port #4 NI300-4
LOG Not connected – – – – *
J50, Main PCB NMEA I/P RX1+,RX1– J50-1
J50, Power PCB NMEA I/P RX2+,RX2– J50-2
NI300X, NMEA port #1 NI300-1
NI300X, NMEA port #2 NI300-2
NI300X, NMEA port #3 NI300-3
NI300X, NMEA port #4 NI300-4
GI51 Pulse log terminal GI-LOG
J50 = All junction unit models

Simrad AP50 Autopilot
132 20221032B
Set-up item Equipment connected Connected to terminal Assignment
INSTR Instrument system
Instrument system
Voyage Data Recorder
J50, Main PCB
1 Hz*
5 Hz
VDR
RADAR Radar
Radar
Future option
J50, Power PCB, TB9
Simrad*
Furuno
Special **
* Default setting
** For future use.
Table 5-3 Interface Set-up - Output Signal Port 1
Sea Trial
Caution ! The Sea Trial must always be performed in open waters at a
safe distance from other traffic.
A sea-trial can only be performed if the Dockside Settings are
completed and confirmed. It is also important that the Interface
Set-up be performed prior to adjusting sea trial settings.
The following sea trial settings must be set:
• Compass calibration (to automatically compensate for
onboard magnetic deviation)
• Compass Offset (to offset the final compass heading readout)
• Max/Minimum thrust, thrust direction and levels (only if
thruster is selected)
• Set cruising speed (in the AP50)
• Set rudder zero (to indicate the precise midships position of
the rudder)
• Set rate of turn at cruising speed (to select your preferred turn
rate). It is essential that this setting is carried out.
If the boat steers satisfactorily, there is no need to perform the
Manual or Automatic tuning.
The following sea trial settings may be used as optional settings:
• Manual tuning (Steering parameters: Rudder, Counter
Rudder)
• Automatic tuning (an optional method of determining the
steering parameters)
• Speed response (to tell how the rudder gain shall be adjusted
automatically by vessel speed)

Software Set-up Procedure
20221032B 133
LANGUAGE
DOCKSIDE
INTERFACE
SEATRIAL
SERVICE
SETTINGS
SW V1R2
June 26 2003 No
Yes
The Sea Trial menu is selected by rotating the course knob
clockwise.
Compass Calibration
This function will activate the automatic compass calibration
procedure (for Simrad compasses connected through RobNet
and through J50 Junction Unit Heading Sensor (HS) terminal,
and compasses connected through CI300X).
Note ! If an optional magnetic compass is installed and connected to
J50 or CI300X, or if a gyrocompass, or other manufacturer’s
fluxgate is connected to a CI300X, it is still required to perform
the automatic compass calibration in order to calibrate the
heading/input signal. Not applicable for stepper and geared
synchro signals.
SEATRIAL
Compass Flux1
Calibration
Offset +000°
Heading 283°
Speed source Man
Set cruising speed --kt
SEATRIAL
Compass Flux1
Calibration
Offset +000°
Heading 283°
Speed source Man
Set cruising speed --kt
No
Yes
Select the compass to be calibrated.
Before you begin the compass calibration procedure, make sure
you have enough open water around you to make a full turn with
the boat.
The calibration should be done in calm sea conditions with
minimal wind to obtain good results.
Press the (STBD) button to select the Calibration function.
SEATRIAL
Compass Flux1
Calibrating
Offset +000°
Heading 283°
Speed source Man
Set cruising speed --kt
1. Begin turning the boat (port or starboard) and establish your
turning rate.
2. Start compass calibration by turning the course knob
clockwise. The display will flash “Calibrating”.
When calibration is completed (after having completed
approximately 1 1/4 turns), it will be verified by the display
reading “Confirmed”.
SEATRIAL
Compass Flux1
Failed
Offset +000°
Heading 283°
Speed source Man
Set cruising speed --kt
If the compass is too close to magnetic objects, the compass
calibration may fail and the display will show “Failed”.
In that case, move the compass to a more suitable location and
re-calibrate.

Simrad AP50 Autopilot
134 20221032B
After calibration, check the compass readout against a known
reference, compensated compass, or leading line. If the reading
is correct (±3° for magnetic compass, ±0.5° for gyrocompass)
except for a fixed offset, proceed to the next menu item by
pressing the (STBD) button or return to STANDBY mode by
pressing the STBY (STBY) button.
Note ! If an optional NMEA compass from Simrad or another
manufacturer is installed, refer to the optional compass’ manual
regarding calibration.
Compass Offset
The compass Offset feature allows you to correct for a constant
compass heading offset. This offset may be present as a result of
the compass being installed with a lubber line offset or if a fixed
offset remains after the calibration procedure has been
completed. The value of compass offset is specific to the
heading sensor that is selected at the time the offset is entered.
This means that you can have individual offsets for each
compass installed.
SEATRIAL
Compass NMEA1
Calibration
Offset +005°
Heading 288°
Speed source Man
Set cruising speed --kt
Select the amount of correction by turning the course knob to
offset the heading to agree with the known, accurate heading.
The Offset value can be either positive or negative.
Note ! If an Offset still exists after having accounted for it, one of the
following problems may still exist:
• The heading reference to which you are comparing the
compass is not accurate.
• The automatic calibration obtained by the compass is not
correct. This may be due to a large magnetic influence near
the compass (relocation may be required) or to excessive
wave condition during calibration.
Note ! Do not compare with GPS’ COG, since your GPS is showing
course, rather than heading.
Proceed to the next menu item by pressing the (STBD)
button or return to Standby mode by pressing the STBY (STBY)
button.

Software Set-up Procedure
20221032B 135
Set Thrust Direction, On/Off Thruster
(ONLY IF ON/OFF THRUSTER IS SELECTED, proceed to
page 136 if continuous thruster or Danfoss thruster is selected)
No
Yes
SEATRIAL
Compass Flux1
Calibration
Offset +005°
Heading 288°
Set thrust direction
Speed source Man
Set cruising speed 15kt
P S
Adjust?
SEATRIAL
Set thrust direction
STBD
Rotate the course knob clockwise to activate the Set thrust
direction setting.
Rotate the course knob to starboard and verify that the vessel
turns to starboard. The thruster stops after 10 seconds, or when
the (STBD) button is pressed.
If the boat turns to port when the course knob is turned to
starboard, rotate the knob to port to ensure a starboard turn.
This tells the autopilot which direction to turn the thruster.
For ON/OFF thrusters, a change in direction command will
always be delayed 1 second to prevent thruster breakage.
Note ! If advanced set-up of the thruster is required, refer to the
SETTINGS menu on page 156.
Proceed to the “Speed source” item on page 137 by pressing the
(STBD) button or return to STANDBY mode by pressing the
STBY (STBY) button.
Thruster Calibration, Analog Thruster
SEATRIAL
Compass Flux1
Calibration
Offset +005°
Heading 288°
Thruster CAL
Speed source Man
Set cruising speed --kt
No
Yes
SEATRIAL
Thruster zero 00%
Maximum thrust STBD ---%
Maximum thrust PORT ---%
Minimum thrust 00%
(ONLY IF CONTINUOUS THRUSTER OR DANFOSS
THRUSTER IS SELECTED)
Rotate the course knob clockwise to select the Thruster CAL
display.
Thruster zero
Rotate the course knob until you have no output effect from the
thruster. The Thruster zero offset is now set.
Range: -50% to +50% in step of 1%.
Default: 0%.
Proceed to the Maximum thrust STBD item by pressing the
(STBD) button.

Simrad AP50 Autopilot
136 20221032B
Direction and Maximum Thrust STBD, Analog
Thruster
SEATRIAL
Thruster zero 00%
Maximum thrust STBD ---%
Maximum thrust PORT ---%
Minimum thrust 00%
No
Yes
SEATRIAL
Maximum thrust STBD
P S
Adjust?
P S
Adjust?
SEATRIAL
Maximum thrust STBD
(ONLY IF CONTINUOUS THRUSTER OR DANFOSS
THRUSTER IS SELECTED)
Rotate the course knob clockwise to activate the Maximum
thrust STBD setting.
Rotate the course knob to starboard and verify that the boat turns
to starboard. Adjust the bargraph until maximum thrust is
obtained. The thruster will run for 10 seconds after last
adjustment has been carried out.
If the boat turns to port when the course knob is turned to
starboard, rotate the knob to port to ensure a starboard turn.
Adjust the bargraph until maximum thrust is obtained.
This tells the autopilot which direction to turn the thruster.
Proceed to the Maximum thrust PORT item by pressing the
(STBD) button.
Direction and Maximum Thrust PORT, Analog
Thruster
(ONLY IF CONTINUOUS THRUSTER OR DANFOSS
THRUSTER IS SELECTED)
Rotate the course knob clockwise to activate the Maximum
thrust PORT setting. Adjust the baragraph until you get
maximum thrust in port direction.
This tells the autopilot which direction to turn the thruster.
Proceed to the Minimum thrust item by pressing the
(STBD) button.

Software Set-up Procedure
20221032B 137
Minimum Thrust, Analog Thruster
(ONLY IF CONTINUOUS THRUSTER OR DANFOSS
THRUSTER IS SELECTED)
No
Yes
SEATRIAL
Thruster zero 00%
Maximum thrust STBD 080%
Maximum thrust PORT 079%
Minimum thrust 00%
The Minimum thrust determines the amount of power (in % of
the maximum control signal) that is applied as the "first
command signal".
U
+10V
(100%)
30%
Minimum
thrust OFF
Heading error
The example shows 30% of the control signal
applied as Minimum thrust.
The dotted line shows the output signal for
Minimum thrust set to 0.
Range: 0-50% in step of 1%.
Default: 0%.
SEATRIAL
Minimum thrust
P S
Adjust?
00
P S
Adjust?
SEATRIAL
Minimum thrust
25
25
Rotate the course knob clockwise to activate the Minimum
thrust setting.
Rotate the course knob to port or starboard to find the minimum
amount of thrust you must apply as “first command signal”.
Proceed to the Speed source item by pressing the (STBD)
button or return to STANDBY mode by pressing the STBY (STBY)
button.
Speed source
SEATRIAL
Compass Flux1
Calibration
Offset +005°
Heading 288°
Speed source Man
Set cruising speed --kt
Select the Speed source setting. Refer to Interface Set-up table
on page 129. If no speed source is available, set the Speed
source to Man and proceed to the Set cruising speed item by
pressing the (STBD) button or return to STANDBY mode by
pressing the STBY (STBY) button.

Simrad AP50 Autopilot
138 20221032B
Set Cruising Speed
SEATRIAL
Compass Flux1
Calibration
Offset +005°
Heading 288°
Speed source Man
Set cruising speed 15kt
Steer the boat at cruising speed. The speed is shown at the Set
cruising speed line. Rotate the course knob clockwise to
confirm the cruising speed.
If Speed source is set to Man, adjust for actual cruising speed
by the course knob.
Proceed to the Set rudder zero item by pressing the (STBD)
button or return to STANDBY mode by pressing the STBY (STBY)
button.
Set Rudder Zero
(Not applicable for analog drive)
This adjustment should be made in calm sea with little side
forces from wind or current.
SEATRIAL
Set rudder zero
Not done S01
Set rate of turn
240 Not done 000°/min
Manual tuning
Automatic tuning
Speed response
No
Yes
• Bring the boat up to cruising speed and head directly into the
wind.
• If the boat has twin engines, synchronize the engines’ RPM's.
• Set the trim tabs and stabilizers to have no effect on the boat’s
heading.
• Steer the boat manually on a steady course.
• Confirm the rudder zero position by rotating the course knob
clockwise.
Proceed to the Set rate of turn function by pressing the
(STBD) button or return to STANDBY mode by pressing the
STBY button.
Set Rate of Turn
(Not applicable for analog drives)
The setting determines both the Rate of turn and the Turn gain
(ref. Settings Menu, page 155) used for course changes in
automatic steering modes. It is essential that this setting is
carried out at sea when the boat is turning. To avoid setting at
dockside it is blocked for rate of turn less than 5°/min.
Before this setting, the display shows ‘Not done’ with default
rate of turn to the left. Afterwards the display reads ‘Done’ with
set value to the left. The present rate of turn is always shown to
the right.
SEATRIAL
Set rudder zero
Done 00
Set rate of turn
240 Not done 000°/min
Manual tuning
Automatic tuning
Speed response
No
Yes
At cruising speed, make a manual, constant turn. When you have
an acceptable turn and the Rate of turn reading is stable, rotate
the course knob clockwise to confirm the setting. Verify that the
rate value and ‘Confirmed’ is displayed.
The Rate of turn may be readjusted at any time while in

Software Set-up Procedure
20221032B 139
automatic modes (Ref. User Set-up, page 39). The Turn gain
may also be readjusted (Refer to Turn Gain on page 155).
Note ! The Set rate of turn function is only activated when using the
course knob, NOT the Port and STBD buttons.
Proceed to the next function by pressing the (STBD) button.
Adjust rudder angle/Set rate of turn
SEATRIAL
Adjust rudder angle
Manual tuning
Automatic tuning
Speed response
SEATRIAL
Adjust rudder angle
S10
Set rate of turn
240 Not done 180°/min
Manual tuning
Automatic tuning
Speed response
(For analog drives only)
The Adjust rudder angle adjustment is part of the Set rate of
turn setting when analog rudders are used for steering.
The setting determines both the Rate of turn and the Turn gain
command when turning. It is used at course changes in
automatic steering modes. It is essential that this setting is
carried out.
At cruising speed, make a constant turn by turning the course
knob. When you have an acceptable turn and the rate of turn
reading is stable, press the (STBD) button to select Set rate
of turn. Rotate the course knob clockwise to confirm the setting.
Verify that the rate value and ‘Confirmed’ is displayed.
Proceed to the next function by pressing the (STBD) button.

Simrad AP50 Autopilot
140 20221032B
Manual Tuning
02
340.7
Gyro1
340
SEATRIAL
RUDDER
Next
CTS
ADJUST
If the boat steers satisfactorily, there is no need to perform the
Manual or Automatic tuning.
The two most important parameters that determine the
performance of the automatic steering are Rudder and Counter
Rudder.
These parameters have already been automatically set in the
Installation Dockside menu as scaling factors of the boat type
and boat length.
These settings may also be accessed at any time in the User Set-
up menu (see section 2.14 on page 39) under the automatic
modes.
Run the boat at cruising speed. Rotate the course knob clockwise
to activate the Manual Tuning. The AP50 will now control the
steering of the boat. If another course is desired, rotate the
course knob until the desired course is obtained. After the course
has stabilized, observe the steering performance.
If you need to change the steering parameters to improve the
performance and are familiar with manual adjustment, press the
(STBD) button and adjust the values according to the
description below. Otherwise proceed to Automatic tuning by
pressing the (STBD) button several times.
02
340.7
Gyro1
SEATRIAL
ADJUST
RUDDER? 0.50
340
RUDDER
Back Next
Rudder
Rudder sets the rudder gain, which is the ratio between the
commanded angle and the heading error (p-factor).
Range: 0.05 to 4.00.
• Too little Rudder and the autopilot fails to keep a steady
course.
• Too much Rudder gives unstable steering (hunting) and
reduces speed.
Low speed requires more rudder than high speed (see Speed
Response, page 143).
Too little rudde
r
Too much rudder
Course to steer
Course to steer

Software Set-up Procedure
20221032B 141
While at cruising speed, adjust the Rudder value by turning the
course knob until the autopilot keeps the boat on a steady
course.
Counter Rudder
02
340.7
Gyro1
340
SEATRIAL
RUDDER
Next
CTS
ADJUST
Press the (STBD) button to display the set course. Make a 90°
course change (CTS) by rotating the course knob and observe
the transition to the new set course.
Press the (STBD) button again to adjust the Counter rudder
value, if necessary, according to the following:
02
340.7
Gyro1
SEATRIAL
ADJUST
COUNT RUDDER? 1.00
340
RUDDER
Back
Counter rudder is the parameter that counteracts the effect of
the boat’s turn rate and inertia. It is superimposed on the normal
rudder response as provided by the rudder parameter. It may
sometimes appear as if the autopilot tends to make the rudder
move in the opposite direction of the turn (counter rudder).
The figures illustrate the effects of various Counter rudder
settings.
Range: 0.05 to 8.00.
Go back to previous screen by pressing the (PORT) button,
make a new 90° course change by rotating the course knob and
observe the transition to the new set course. Press (STBD)
button again to adjust the Counter rudder value if necessary
Proceed to Speed Response by pressing the (STBD) button
or return to STANDBY mode by pressing the STBY (STBY)
button.
Automatic tuning
If the boat steers satisfactorily, there is no need to perform the
Automatic tuning.
Automatic tuning is a feature that automatically sets the two
main steering parameters (Rudder and Counter Rudder) by
taking the boat through a number of S-turns.
New course
New course
New course
Counter rudder setting too
low = overshoot response
Counter rudder setting too high =
sluggish and creeping response
Correct setting of counter
rudder = ideal response

Simrad AP50 Autopilot
142 20221032B
Selecting the boat type and length has set default values for
these parameters (Installation Dockside menu). Before doing
any parameter tuning, check if the boat steers satisfactory with
the default setting (can be checked as described under Manual
Tuning or by normal Auto steering).
Recommended speed during Automatic tuning varies with the
type of boat, but it should not exceed 10 knots.
Note ! Automatic tuning should not be performed at planing speed!
For displacement boats, use a speed that is approximately half
the normal cruising speed (i.e. if cruising speed is 10 knots, do
the Automatic tuning at about 5 knots).
If possible, perform the Automatic tuning steering East or
West, as this will yield the best-balanced parameters.
WARNING ! The Automatic tuning function will take control of the boat
and perform a number of S-turns. It must always be
performed in open waters at a safe distance from other
traffic. The Automatic tuning function may take from 1 to 2
minutes to complete. To stop the Automatic tuning, press the
STBY (STBY) button.
SEATRIAL
Set rudder zero
Done 00
Set rate of turn
210 Done 000°/min
Manual tuning
Automatic tuning
Speed response
No
Yes
Activate Automatic tuning by rotating the course knob
clockwise.
After the Automatic tuning has been completed, the autopilot
will return to STANDBY mode and the rudder must be
controlled manually.
When the Automatic tuning has been completed, there should
be no need for further adjustments to the Rudder and Counter
Rudder, but the speed response must be set. However, on
certain installations, you may want to "fine tune" the parameters
after the Automatic tuning due to special steering
characteristics of the specific boat. One may view or change the
Automatic tuning parameters in the User Set-up menu (see
page 39).

Software Set-up Procedure
20221032B 143
Speed Response
SEATRIAL
Set rudder zero
Done 00
Set rate of turn
210 Done 000°/min
Manual tuning
Automatic tuning
Speed response
No
Yes
02
340.7
Gyro1
340
SEATRIAL
RUDDER
Next
CTS
ADJUST
02
RUDDER
340.7
Gyro1
SEATRIAL
Back
ADJUST
SPD RESP? 0.00
340
To make this adjustment you need speed input from either SOG
or Log.
The Speed response adjusts the relationship between speed and
amount of rudder, with lower speed requiring more rudder.
This adjustment should be done at slow speed as follows:
For displacement and planing boats, steer at minimum operating
speed.
If there is a big difference in steering performance for a planing
boat before and after planing, refer to Transition speed on page
153.
For water jet, steer at a speed that begins giving reasonable
response from the main steering.
From the Sea trial menu, select Speed response by rotating the
course knob clockwise. The AP50 will now take control over the
steering of the boat.
If another course is desired (CTS), rotate the course knob until
the desired course is obtained.
Proceed to the Speed response adjust screen by pressing the
(STBD) button. Rotate the course knob to set the Speed
response parameter to the level at which the vessel steers
satisfactorily at slow speed. Change of speed will now
automatically adjust the rudder gain in an adaptive manner
between slow speed and cruising speed.
Range: 0.00 – 2.00
Exit the Seatrial Settings menu by pushing the (STBD)
button to proceed to the System Data menu, or press the STBY
(STBY) to return to normal AP50 operation.
5.3 Final Test
After having completed all the settings in the Installation Menu,
take the boat out and perform a final sea trial in open waters at a
safe distance from other traffic.
• Steer the boat on all cardinal headings in AUTO mode.
• Start with low and medium speeds to get familiar with the
response from the AP50.
• Try the DODGE, U-turn, and C-turn functions.

Simrad AP50 Autopilot
144 20221032B
• If a Non-Follow Up lever (or handheld remote) is connected,
test change of modes and verify port and starboard steering
commands of the lever.
• Set waypoints into each navigator connected to the system,
and verify that the AP50 steers in NAV mode for each Nav.
source.
• Provide user training.
5.4 Providing User Training
The user should be instructed in the "basic" operational
functions, such as:
• Turning the system on and off.
• Changing modes. Explain briefly what takes place in the
different modes.
• Regaining manual control from any mode. Point out in what
modes the helm is engaged by the autopilot.
• Taking command at an "inactive" station, if applicable.
• Using the lock mode, how to lock/unlock, and how to shut
the system down from a locked control unit, if applicable.
• Use of the Non-Follow-up and Follow-up steering modes and
learning the difference between the two.
• Use of a Non-Follow-up and Follow-up controller, if
connected.
• Changing course by rotary knob and buttons.
• Moving through the User Set-up Menu in STANDBY,
AUTO, NAV, and WORK modes learning how to (and why
to) change the settings.
• Knowing the difference between normal parameters and
WORK parameters also including Nav. source and Compass
sensor selection, if applicable.
• Locating any compasses and knowing to keep all magnetic
items away.
• Locating the Mains circuit breaker.
• Knowing the different uses of thruster (Follow-up, Non-
Follow-up, and WORK modes).

Advanced Settings
20221032B 145
6 ADVANCED SETTINGS
6.1 Service Menu
Select STANDBY mode and then enter the Installation Menu by
pressing and holding the NAV/SETUP button for 5 seconds.
Select "SERVICE" by pressing the (STBD) button and
confirm by rotating the course knob clockwise.
SYSTEM DATA
NMEA DATA
NMEA PORT TEST
Master reset?
No
Yes
“SYSTEM DATA” and “NMEA DATA” are test functions to
analyze data processed by the AP50.
To exit the menu, press any mode key (STBY, AUTO or NAV).
System Data
SYSTEM DATA
Steer compass 220.0°M
Monitor comp. 225.2°
Rudder P 03.07
Steer Course 240°
System Filter Values
WAVES Fc: 05s Db:04°
Input voltage 11V
Drive out 100%
Clutch/bypass
installed
FUV1R2
Select "SYSTEM DATA” by rotating the course knob
clockwise. This menu provides you with additional system data
that can be useful when testing or trouble shooting the system.
Steer compass
Steering Compass readout, M=Magnetic, T = True.
Monitor comp.
Monitor Compass readout.
Rudder
Rudder angle. Normally between 0 and 45°.
Steer Course
Current steered course in AUTO and NAV modes.
System Filter Values
Values set by the automatic sea state filter (in AUTO and NAV
modes).
Fc = Wave filter time constant in seconds.
Db = Deadband in degrees to each side of the set course. The
boat has to be outside the deadband before the autopilot
responds.
Input voltage
Mains voltage on input terminals.
Drive out
Power needed to drive the unit (in percent of full [100%]) to get
satisfactory rudder speed. (Refer to page 151 for adjustment).

Simrad AP50 Autopilot
146 20221032B
Clutch/bypass
Verifies if a clutch or bypass valve has been activated when
performing the rudder test.
FUV1R2
Shows the software version for a connected FU50 Steering
Lever
NMEA Data
--- XTE ---NM
OK BWW 270°
INV BRG POS-WP ---°
OK POS/LAT N 58°33.222'
OK POS/LON E 10°50.013'
NMEA DATA
OK COG 270°
INV SOG ---kt
OK WIND R 45.3°
FRM SPEED ---kt
INV DEPTH ---m
Select the "NMEA DATA" by pressing the (STBD) button
and confirm this by rotating the course knob clockwise.
The menu provides you with status information about the
different NMEA messages used by the system.
Decoding
The incoming signals are decoded according to a built-in
priority table in the AP50. Cross Track Error and bearing
information is taken from the NMEA messages with highest
priority.
For all data items, one of the following codes will be displayed:
--- No data or no NMEA sentence containing the data
needed at the input port.
OK Valid data found
INV A message with invalid information.
FRM Message has a format failure such as:
a) Incorrect check sum
b) Wrong contents in the datafield(s)
If data are missing or invalid, perform the following:
• Check the NMEA signal monitor (see below).
• Check the interface setup in the Installation Menu (see page
126).
• Check the navigator set-up and make sure it is transmitting
appropriate NMEA data.
• Perform a NMEA Port Test (hardware) (see below).
Note ! The “WIND” reading is the apparent wind from the left (L) or
right (R). The “SPEED” reading is the speed through water.

Advanced Settings
20221032B 147
NMEA Signal Monitor
Near the NMEA terminals in the junction unit you will find a
green monitor LED (Refer to Junction Unit Terminals, page 86).
A flickering LED indicates that a NMEA signal is received. It
does not, however, qualify the contents of the message.
Note ! Do not confuse this “RX” LED with the LED marked “TX”. The
“TX” LED will always be lit/flickering when the autopilot is on.
NMEA Port Test (J50 hardware)
Disconnect the cables on the Main PCB in the junction unit and
connect TX1+ to RX1+ and TX1– to RX1–. Similarly, on the
Power PCB, connect the NMEA ports the same way: TX2+ to
RX2+ and TX2– to RX2–.
Loopback NMEA1 OK
Loopback NMEA2 FAIL
NMEA PORT TEST
Under SERVICE in the Installation Menu, select "NMEA PORT
TEST" by pressing the (STBD) button and confirm this by
rotating the course knob clockwise.
Verify that the hardware is OK. If not, replace the corresponding
PCB(‘s).
Master Reset
Note !
SYSTEM DATA
NMEA DATA
NMEA PORT TEST
Master reset?
Warning:
Will restore factory
settings. New setup
will be required
No
Yes
A Master Reset is part of the final test at the factory, which will
reset the memories to factory settings. Unless you need to clear
all stored values during the installation set-up procedure, you
should not perform a Master Reset. A Master reset will also
clear the stored compass calibration values, except for RFC35R
Rate Compass values, which are stored in the compass.
SYSTEM DATA
NMEA DATA
NMEA PORT TEST
Turn CCW
Warning:
Will restore factory
settings. New setup
will be required
No
Yes
The Master Reset needs a double confirmation to prevent an
accidental reset. To perform a Master Reset, rotate the course
knob clockwise and then rotate the course knob counter-
clockwise.
Exit the Installation Menu by pressing the STBY (STBY) button to
return to normal AP50 operation.

Simrad AP50 Autopilot
148 20221032B
6.2 Settings Menu
SETTINGS
STEERING
THRUSTER
No
Yes
Note !
Select SETTINGS in the Installation Menu by pressing the
(STBD) button and confirm this by rotating the course knob
clockwise.
Two groups of settings are available; Steering and Thruster
(only when thruster is installed).
If a thruster is not installed, the Steering menu appears when
entering the Settings menu.
Use the (PORT) or (STBD) buttons to move through the
menu items. Turn the course knob clockwise or counter
clockwise to adjust the values.
Steering
Select STEERING by pressing the (STBD) button and
confirm this by rotating the course knob.
W Init rudder
SETTINGS
W Init rudder Midship
W Autotrim Yes
Autotrim 48sec
Course adj. 1°
Compass diff. 10°
Off heading lim 10°
Drive engage Byp/clutch
Drive type Motor
Drive out 62%
Select between Midship or Actual rudder position in Work
mode.
When “Midship” is selected, the autopilot will use zero degrees
as the midship reference. Hence, the rudder will always move
to midship when switching from STANDBY or DODGE mode
to AUTO-WORK or NAV-WORK mode.
When “Actual” is selected, the autopilot will use the current
rudder position as the midship reference (bumpless transfer)
when switching from STANDBY or DODGE mode to AUTO-
WORK, or NAV-WORK.
Note ! “Midship” will always be used when switching to AUTO or
NAV from STBY/NFU/FU.
W Autotrim
Rotate the course knob to turn the Autotrim function off or on
in the AUTO-WORK and NAV-WORK modes.
Autotrim
When the vessel has a constant heading error due to external
forces such as wind and current, the Autotrim function corrects
for this by building up a constant rudder offset.
The value for the Autotrim parameter is the time it is allowed to
calculate the rudder offset.
The Autotrim value can be adjusted from 10 seconds to 400
seconds with the course knob. The default value depends on the
boat length.

Advanced Settings
20221032B 149
The Autotrim parameter is reset every time the AUTO mode is
entered or when a course change greater than approximately 20°
is made by the course knob.
Autotrim is automatically disabled during a turn.
Course Adjust
When using the (PORT) or (STBD) buttons in AUTO
mode, you are changing the set course in 1° increments. If you
prefer the increments to be 5° or 10° each press, proceed as
follows:
Select Course adjust using the (PORT) or (STBD) button.
Turn the rotary knob to display the setting. The default value is
1°, which is the preferred setting. Select 5° or 10° if you want to
make major course changes in 5° or 10° increments with the
buttons and fine-tune the set course with the course knob.
Compass difference
When two compasses are used (main compass and monitor
compass), there is virtually always a difference between the
readings of the two. If the difference in reading exceeds the set
limit for Compass diff., an alarm is given.
Range: 5 to 35°.
Default: 10°.
Note ! The difference between the two compass readings may vary with
the vessel’s heading and from one area to another where a
vessel is in transit. The difference between the two compass
readings is automatically reset when the Compass diff. alarm is
given and then reset.
Off Heading lim
This sets the limit for the ‘Vessel off course’ alarm. This alarm
occurs when the actual heading deviates from the set heading by
more than the selected limit.
Range: 3 to 35°.
Default: 10°.

Simrad AP50 Autopilot
150 20221032B
Drive engage
This determines the use of the J50 Drive Engage port. The port
voltage is the same as the selected Drive Unit voltage. Drive
engage has the following different settings:
Bypass/clutch:
This port will activate (go high), in all modes except for
STANDBY and DODGE hand-steering.
It is typically used to engage a bypass valve for a hydraulic
linear drive. It may be used to start a hydraulic pump when
entering Follow-up, Non-Follow-up, AUTO and NAV. modes.
Auto:
The port will activate (go high) in AUTO and NAV modes.
"Auto On" is typically used to switch the pump speed when
different rudder speeds are needed in automatic and Follow-
up/Non-Follow-up steering. The switch is normally off.
Handshake 1:
This setting is specially made for interfacing with KaMeWa's
CanMan standardized system but can also be used for similar
installations. Manual steering is performed from a joystick. On
top of the joystick, there is an override button for manual
takeover from the autopilot. The Drive Engage and Remote port
(regardless which one) of J50 is used as handshake signals
between autopilot and manual steering system as follows:
If AUTO, NAV or FU is selected, the Drive Engage port will go
high causing the autopilot to take control. When STBY is
pushed on the autopilot, Drive Engage will go low and the
manual steering system will take control. If the override button
is activated in AUTO or NAV, the pilot will go into STBY but
Drive Engage remains high, and the boat can be steered
manually by the joystick. When the override button is released,
the autopilot will take control again under new current heading
(AUTO) or ongoing track (NAV). Pushing the override button
in FU-mode will be identical to pushing the STBY button, i.e.
Drive Engage goes low and pilot remains in STBY.
NFU and Dodge from autopilot will not be possible when
Handshake 1 is set.

Advanced Settings
20221032B 151
Drive type
This indicates the type of drive installed. The display will show
“Motor”, “Solenoid”, “Proportional” or “Analog”, respectively.
The reading is obtained from the Automatic rudder test under
the Dockside menu. The set value may be changed here.
Drive out
Not applicable for “Analog” drives.
Shows the amount of power needed to achieve the correct
rudder speed. The reading is obtained from the Automatic
rudder test under the Dockside menu. The set value may be
increased or decreased here.
Prop. gain
Applicable only for “Proportional” drive.
This parameter is set automatically when the Rudder Test is
done in the Dockside menu. It influences the start/stop slope of
the rudder. The value could be increased if rudder response to a
start/stop command feels too slow. The value could be
decreased if start/stop feels too quick and causes rudder angle
overshoot when stopping.
Range: 1-25
Default: 18, updated during Rudder Test.
Seastate
SETTINGS
Seastate AUTO
Rudder 0.50
Count rudder 1.40
W Seastate AUTO
W Rudder 0.50
W Count Rudder 1.40
W Rudder limit 10°
Cruising speed 15kt
Speed response 0.00
Transition speed OFF
Seastate determines the number of degrees the vessel may fall
off the set course before any response is given to the rudder.
OFF: Provides precise steering but increases rudder
activity.
AUTO: Automatically reduces the rudder activity and
sensitivity of the autopilot in rough weather.
MANUAL: Sets yaw band manually (MAN 1-MAN 10, 10 ≈
±6°).
Default: AUTO
See also page 41.
Rudder
Rudder sets the rudder gain, which is the ratio between the
commanded angle and the heading error. Default value depends
on boat length.
Range: 0.05 to 4.00.

Simrad AP50 Autopilot
152 20221032B
Counter rudder
Counter Rudder is the parameter that counteracts for the effect
of the boats turn rate and inertia. The default value depends on
boat length.
Range: 0.05 to 8.00.
W Seastate
As for Seastate above but applies for the Work-modes.
W Rudder
As for Rudder above but applies for the Work-modes.
W Count rudder
As for Counter rudder above but applies for the Work-modes.
W Rudder limit
This determines the maximum rudder movement, in degrees
from the “used” midship position, that the autopilot can
command the rudder in the WORK modes.
Default: 10°.
The W Rudder limit setting is only active during AUTO-
WORK and NAV-WORK steering on straight courses, NOT
on course changes, but a Rudder Limit warning will be
shown during course changes.
Cruising speed
If the Cruising speed was not set during sea trial or needs to be
changed, it can be set manually here. Refer to page 138.
Range: 3 – 70 knots
Default: 15 knots
Speed response
This adjusts the value for the Speed response (see page 143).
Range: 0.00 – 2.00
Default: 0.00

Advanced Settings
20221032B 153
Transition Speed
(Only appears in the Settings menu when “Planing” or
“Waterjet” is selected as the “Boat type”.
To make this adjustment you need speed input from either SOG
or Log.
Planing boats may often have very different steering
characteristics before and after planing. The same may apply for
water jet driven boats at low and high speed. AP50 offers the
possibility of using the Auto-Work mode values for Rudder and
Counter Rudder at low speed. By setting the Transition Speed
to a value different from the default = 0, the Work parameters
for Rudder and Counter Rudder will automatically be used for
speed below the set value.
Note ! Other special work functions (thruster control, disabling of
special alarms etc.) do not apply without the Work mode being
manually selected.
For a planing boat it is recommended to set the Transition
Speed to the value that represents the speed where the hull
begins to plane. For a water jet boat it should be set to a value
that represents the speed where it begins giving good response
from the main steering.
Range: OFF - 40
Default: OFF
Nav Gain
SETTINGS
Nav gain 3.5
Minimum rudder 0.0°
Turn mode ROT
RateOfTurn 240°/min
W RateOfTurn 033°/min
Added stop time 0s
Init NAV Firm
Turn Gain 1.0
W Turn Gain 10.0
Rate sensitivity 15
The Nav Gain determines how many degrees the autopilot must
change the vessel’s heading in order to bring the vessel back on
track, using the Cross Track Error and the vessel’s speed (see
page 44).
Range: 0.5 to 7.
Default: Depends on the boat length.
Minimum rudder
Some vessels may have a tendency of not responding to small
rudder deflection around “used” midship position because of a
possible rudder deadband or whirls/disturbance of the water-
stream passing the rudder. The Minimum Rudder may be
useful on water jet boats.
By setting the Minimum Rudder to a certain value, the autopilot
will add this value to any given rudder command.
The amount of rudder command is determined by adding the
minimum rudder value and the rudder deadband value to the p-
factor value.

Simrad AP50 Autopilot
154 20221032B
Minimum Rudder 4.0°
Rudder deadband 0.3°
P-factor/Counter Rudder 1.0°
Total rudder amount 5.3°
Range: 0 to 10° in 0.1° increments
Default: 0°
Turn mode
This allows for the selection of Rate of Turn (ROT) steering or
Radius (RAD) steering.
When ROT steering is selected, Rate of Turn and W Rate of
Turn are shown in the Settings menu.
If RAD steering is selected, Radius and W Radius are shown.
Default: ROT
Rate of Turn
The Rate of Turn sets the turning speed of the vessel used by
the autopilot during large turns.
Range: 5°/minute to 720°/minute.
Default: Dependent on boat length.
W Rate of Turn
As for Rate of Turn above but applies for the Work-modes.
Radius
SETTINGS
Nav gain 3.5
Minimum rudder 0.0°
Turn mode RAD
Radius 0.06NM
W Radius 0.28NM
Added stop time 0s
Init NAV Firm
Turn Gain 1.0
W Turn Gain 10.0
Rate sensitivity 15
This sets the size of the turning circle for the vessel used by the
autopilot during large turns.
Range: 0.01 to 0.99 nautical mile.
Default: Calculated from default Rate of Turn
W Radius
As for Radius above but applies for the Work-modes.
Added stop time
On larger vessels (typically above 300’) or quickly turning small
boats, the counter rudder may be insufficient to avoid
overshooting large turns. The Added stop time parameter is
used to stop a turn earlier to avoid overshoot.
Range: 0 to 60 seconds

Advanced Settings
20221032B 155
Default: 0 seconds.
Init NAV
Sets a firm or soft approach to the rhumb line when entering the
NAV mode at the first leg. The approach angle is dependant
(adaptive) on the distance (XTE) from the rhumb line and the
boat speed.
Range: Soft - Firm
Default: Firm
Turn Gain
Turn gain determines the initial rudder command when turning
in AUTO and NAV modes.
Increase this value if the amount of rudder is too small when
starting a turn.
Range: 1-320
Default value is set according to Boat length and Set rate of
turn in the Installation Seatrial Menu.
W Turn Gain
W Turn gain determines the initial rudder command when
turning in WORK modes.
Increase this value if the amount of rudder is too small when
starting a turn.
Range: 1-320
Default value is set according to Boat length and Set Rate of
Turn in the Installation Seatrial Menu.
Rate Sensitivity
This parameter determines how sensitive the Rate of turn
calculation is for changes in the heading signal. The default
setting will fit most vessels. For vessels that can turn quickly
and have a stable heading compass (high performance compass),
the setting should be reduced if the vessel tends to overshoot,
even with a high setting of counter rudder. For a slowly turning
vessel with noisy compass and unstable Rate of turn, the value
could be increased.
Range: 5 - 25.
Default: 15.

Simrad AP50 Autopilot
156 20221032B
Thruster
SETTINGS
STEERING
THRUSTER
No
Yes
SETTINGS
Thruster inhibit 10kt
Thruster sens 01°
Thruster gain 1.00
Minimum thrust 00%
Thruster hyst 00%
Thruster drive
Continuous
Response delay 0.1s
Select Thruster in the Settings menu by pressing the (STBD)
button and confirm this by rotating the course knob clockwise
(only available when Thruster is selected for steering).
Thruster inhibit
Thruster inhibit is a feature that will block the thruster from
running above a set inhibit speed of the boat. It is a safety feature
to prevent, especially electrical on/off thrusters, from
overheating if out of water on for instance a planning boat or in
rough weather. “No thruster response” alarm will be given
when passing the set limit.
Thruster inhibit will not apply when Man speed source is
selected, only Log or SOG.
Range: 1 – 99 knots.
Default: 10 knots.
Thruster sensitivity
The Thruster sens determines how many degrees the vessel
must deviate from the set course before a thruster command is
given. As the vessel deviates from its heading, the thruster will
push the vessel back. A higher value will reduce the thruster
activity and extend the lifetime, especially for on/off thrusters.
If the thruster commands are hunting from side to side, the set
value for Thruster sens may be too low.
If a low value for Thruster sens is needed, consider reducing
Thruster gain (ref. page 156) to avoid hunting.
Range: Continuous thrusters 0° to 30° in 1° increments
On/off thrusters 3° to 30° in 1° increments.
Default: 1° for continuous thrusters, 5° for on/off thrusters.
Thruster gain
(Only applicable for Continuous and Danfoss thrusters)
Since a continuous type thruster can be operated both in
“Continuous” and “Adaptive on/off” mode (ref. Thruster
Drive setting, page 158) the Thruster gain parameter is dual.
The parameter associated to the thruster drive mode setting will
be the one displayed and adjusted.

Advanced Settings
20221032B 157
When operating in “Continuous” mode, the thruster gain
setting determines the power from the thruster versus heading
error. For higher values, the power increases with the same error
signal. If the vessel tends to oscillate around set heading, the
value should be decreased. If the vessel has a slow approach to
set heading, the value should be increased.
When operating in “Adaptive on/off” mode, the setting
determines the fixed power from the thruster. Higher value gives
more power. Some thrusters may be so powerful that even the
shortest command makes the vessel to overshoot, especially at
low setting of Thruster sens. If so the Thruster gain must be
reduced. If the power is too low for the vessel to regain heading
within reasonable time, the setting should be increased.
Range: 0.05 to 2.00
Default: 1 for Continuous thrusters
2 for Adaptive on/off operation
(Ref. Thruster Drive Setting, page 158)
Minimum thrust
(Only applicable for Continuous and Danfoss thrusters)
The Minimum thrust determines the amount of power (in % of
maximum control signal) that is applied as "first command
signal". (Refer to page 137)
Range: 0 to 50% in 1% increments.
Default: 0%.

Simrad AP50 Autopilot
158 20221032B
Thruster hyst
(Only applicable for Continuous and Danfoss thrusters)
When applying a command signal to a proportional valve, a
certain amount of deadband may occur, dependant on the
directional change of the command. Therefore, a certain “extra”
menu-adjustable command signal is generated and either added
or subtracted to the command signal in order to compensate for
the deadband. Hence the command signal gives the required
power without the “loss of deadband signal”.
Range: 0 to 10% in 1% increments.
Default: 0%.
Thruster Drive
(Only applicable for Continuous and Danfoss thrusters)
For On/Off thrusters, it is important to keep thruster activity to a
minimum. TI50 therefore has a feature that adaptively adjusts
the length of each thruster command to bring the vessel back on
heading without over- or undershoot.
When setting Thruster drive to “Adaptive on/off”, this feature
will also apply for continuously type thrusters in all Work
modes (not Follow Up). For operations where the Thruster sens
can be of some degrees, on/off adaptively will reduce activity
also for continuous type thrusters.
Refer also to the Thruster gain setting for optional
performance.
Default: Continuous
Response delay
(Only applicable for Continuous and Danfoss thrusters)
This parameter determines the slope-time of the start/stop signal
to the thruster. Increased value will give softer start/stop and less
wear of the thruster. Big powerful thrusters normally need a
longer start time than small rapid thrusters.
Range: 0-2 seconds
Default: 1 second

Advanced Settings
20221032B 159
SETTINGS
Displayed parameter Boat type (Default settings) Own boat
Dockside Menu Displacement Planing Waterjet Autotune Manual
Master Operation No No No
Boat length 0-50 feet 0-50 feet 0-50 feet
Drive unit voltage 12V 12V 12V
Rudder limit 10° 10° 10°
Rudder deadband AUTO AUTO AUTO
Thruster - - - - - - - - - - - -
Settings Menu
W Init rudder Actual Actual Actual
W Autotrim Yes Yes Yes
Autotrim 48 sec 40 sec 40 sec
Course adj. 1° 1° 1°
Compass diff. 10° 10° 10°
Off heading lim 10° 10° 10°
Drive engage Bypass/clutch
Drive type - - - - - - - - - - - -
Drive out 50% 50% 50%
Prop. gain 18 18 18
Seastate AUTO AUTO AUTO
Rudder 0.50 0.30 0.30
Counter rudder 0.90 0.90 0.90
W Seastate AUTO AUTO AUTO
W Rudder 0.75 0.45 0.45
W Count Rudder 1.40 1.40 1.40
W Rudder limit 10° 10° 10°
Cruising speed 15kt 15kt 15kt
Speed response 0.00 0.00 0.00
Transition speed OFF OFF OFF
Nav gain 3.5 3.5 3.5
Minimum rudder 0.0° 0.0° 0.0°
Turn mode ROT ROT ROT
Rate Of Turn 240°/min 240°/min 240°/min
W Rate Of Turn 240°/min 240°/min 240°/min
Added stop time 0s 0s 0s
Init NAV Firm Firm Firm
Turn gain 38 38 38
W Turn gain 38 38 38
Rate sensitivity 15 15 15
Thruster inhibit 10 kt 10 kt 10 kt
Thruster sens 1°/5° 1°/5° 1°/5°
Continuous 1.0 1.0 1.0 Thruster
gain Adaptive on/ off 2.0 2.0 2.0
Minimum thrust 00 00 00
Thruster hyst 00 00 00
Thruster drive Continuous Continuous Continuous
Response delay 1.0 sec 1.0 sec 1.0 sec

Simrad AP50 Autopilot
160 20221032B
This page is intentionally left blank

Maintenance
20221032B 161
7 MAINTENANCE
7.1 Control unit
Under normal use, the AP50 Control Unit will require little
maintenance. The case is made from seawater resistant
aluminum and it has a polyester coating to withstand the
rigorous conditions of an exposed cockpit. It is recommended
that units kept clean of salt, since salt will corrode metal over
time.
If the unit requires any form of cleaning, use fresh water and a
mild soap solution (not a detergent). It is important to avoid
using chemical cleaners and hydrocarbons such as diesel, petrol
etc.
Make sure that all open RobNet connectors are fitted with a
protection cap at all times.
It is advisable at the start of each season to check all connections
to the control unit head and to cover them with Vaseline or
WD40 as needed.
7.2 Junction Unit
No special maintenance is required. However, it is advisable, to
make a yearly check of all connections and visually inspect the
inside of the unit.
7.3 Rudder Feedback
Make a visual inspection at 2 to 3 month intervals and at the
start of each season. Apply grease to the ball joints when
required.
7.4 Compass (RC25/RFC35R)
If the compass is exposed to outdor conditions, make a visual
inspection at 2 to 3 months intervals and at the start of each
season.
7.5 Drive unit
Refer to the drive unit manual for maintenance instructions.

Simrad AP50 Autopilot
162 20221032B
7.6 Exchange of software program
Figure 7-1 J50/J50-40 Main PCB, Component Layout
Figure 7-2 AP50 PCB, Component Layout
Junction Unit PROM
AP50 Control Unit PROM

Maintenance
20221032B 163
PROM extraction
tool
• Remove the Programmable Read-Only Memory (PROM)
from the socket with the PROM extraction tool (part number
44139806).
• Insert the tool by pressing the two grip pins down into the two
slots in the corners of the socket.
• Squeeze the tool and pull out the PROM.
• When inserting new PROMS, make sure its cut-off corner
matches with the corner in the socket. Press the PROM gently
into the socket.
• The identification tag on the PROM indicates:
- the name of the unit
- the Simrad part number
- the software version
Caution ! Make sure that the correct PROM is mounted in each unit:
PROM for the AP50 Control Unit: P/N 20212189
PROM for the J50 and J50-40
Junction units: P/N 20211934
• After changing a PROM, perform a master reset as described
on page 147.
Cut-off
corne
r
Identification tag
Slots

Simrad AP50 Autopilot
164 20221032B
This page is intentionally left blank.

Troubleshooting
20221032B 165
8 TROUBLESHOOTING
An autopilot is a complex system. Its performance dependents
on a proper installation and a successful sea trial.
In the event of an autopilot failure, the AP50’s numerous test
features that will assist you in isolating a probable fault.
Audible and visual alarm is provided for every fault being
detected.
The audible alarm is reset by pressing any button (e.g. by
changing mode from AUTO to STANDBY). All visual alarms
will remain and alternate with the operating display until the
fault has been rectified. If an external alarm buzzer is installed
(ref. page 88) the external alarm will be given 5 sec. after the
internal. Refer to the table below for hints to try to solve the
problem yourself. You may also consult your nearest Simrad
dealer for assistance, if required.
Perform any repair actions in the listed sequence.
Note ! ‘Compass difference’, ‘Vessel off course’, and ‘Rudder limit’
warnings are automatically reset when the error is rectified.
8.1 Warnings
Display readout Probable fault Recommended action
P00 M00 S000
SW V1R1
J300X
Simrad
If the J300X/J3000X
status display is shown
at switch on, the start-
up sequence will stop to
indicate that an invalid
junction unit is installed
Install the J50 Junction Unit.
System failure alarms:
Rudder feedback
failure (autopilot
operates on
simulated feedback
and the simulated
feedback angle is
shown in the
display)
Rudder feedback signal
is missing or erratic.
Analog rudder not
installed.
1. Check all connections.
2. Check the alignment as per the
installation instructions.
3. Replace rudder feedback unit.
4. Install analog rudder.
Flashing rudder
angle indicator
Rudder not selected
under the Steering
function.
Select Rudder under Steering
function in the User Set-up menu.

Simrad AP50 Autopilot
166 20221032B
Display readout Probable fault Recommended action
No rudder response
(Remains in actual
mode without any
rudder command)
− Steering gear not
operative
− Broken connection
− Missing power
− Defective electronics
1. Check all connections.
2. Check Rudder FB transmission
link, steering gear, and change
over switches.
3. Check the drive unit motor/
brushes and bypass
valve/clutch.
For solenoid drive:
4. Check LEDs for command from
galvanic isolated solenoid
electronics (ref. page 86).
5. Replace the junction unit Power
PCB.
6. Check the jumper switch (S1)
setting on J50 Power PCB.
For Analog or Proportional drive:
7. Check that the AD50 is
operative (ref. separate manual
for AD50).
Rudder too slow Excessive load on
steering gear, air in the
hydraulic system or
insufficient drive unit
capacity.
1. Look for mechanical
obstructions at the
rudder/tiller/quadrant. Check
the back drive force.
2. Bleed the hydraulic system.
3. Replace with a bigger pump
unit.
Rudder test failed The following conditions
may exist:
a) Rudder feedback
failure.
b) J50 current overload.
c) Bypass/clutch
overload.
Refer to the recommended actions
for the specific probable faults.
Rudder moves in only
one direction
a) Poor connection to
one of the solenoids
(continuously
running pump).
b) Faulty Power PCB
in junction unit.
a) Check the connections
b) Replace the junction unit Power
PCB

Troubleshooting
20221032B 167
Display readout Probable fault Recommended action
Rudder test failed
(continued)
Rudder test not
completed within 2 min.
a) Poor connections to
the drive unit.
b) Faulty Main PCB in
the junction unit.
c) Faulty Power PCB in
junction unit.
a) Check the connections.
b) Replace the Main PCB
c) Check the Power PCB for traces
of burned transistors. – Change
Power PCB.
Rudder moves at full
speed to one side.
a) Faulty Power PCB in
junction unit.
Replace the junction unit Power
PCB
Steering compass
missing
Monitor compass
missing
No data from the selected
compass.
1. If more that one compass is
connected to the system, refer to
the User Set-up menu to select a
different compass.
2. Check the connections and the
Interface menu for proper set-up.
3. Service appropriate compass.
Failure active
Control Unit
Active control unit goes
silent.
1. Press the STBY button on an
"Inactive" unit to reset.
2. Check/repair the RobNet cable.
3. Replace the control unit PCB.
J50 current
overload
(Remains in actual
mode without any
rudder command)
The drive unit shut down
due to an excessive load
or a short circuit.
1. Check the drive unit and drive
unit installation.
2. Disconnect the drive unit. If the
fault is still present, replace the
junction unit Power PCB.
J50 Internal
Voltage
Internal 15 V supply in
junction unit is below the
limit.
1. Replace the junction unit Main
PCB.
2. Replace the junction unit Power
PCB if Mains voltage is 12V.
J50 high temp. Excessive temperature in
the junction unit
(>75°C), possible long
term overload.
1. Switch off the autopilot.
2. Check for backload in the drive
unit/steering system.
3. Check that the junction unit
specifications match those of
the drive unit.

Simrad AP50 Autopilot
168 20221032B
Display readout Probable fault Recommended action
Memory failure J50 Wrong checksum on
memory parameters or
variables.
Perform a "Master reset" and make
a new "Dockside set-up". Switch
off and on again. If the alarm is
repeated, replace Junction unit
Main PCB.
Com. failure with
J50
Faulty junction unit or
poor RobNet cable
connections from the
junction unit.
1. Check the RobNet connectors
and cable.
2. Replace the junction unit Main
PCB.
Low supply voltage Mains voltage less than 9
V.
1. Verify in the System Data menu
2. Switch autopilot off and charge
batteries.
3. Check/repair battery charger.
High supply
voltage
J50, J50-40 Mains
exceeds 44 V.
1. Verify in the System Data menu
2. Switch the autopilot off.
3. Check/repair battery charger.
Compass
difference
The difference in
readings between the
main compass and the
monitor compass exceeds
the limit set for
“Compass difference”.
Check the operation of both
compasses (see ‘System Data’,
page 145. If one compass is
magnetic, the error may be caused
by deviation change or heavy sea
disturbances. See page 149.
Speed missing
(Automatic reset
when available, see
page 39)
The speed signal from
the GPS or the log is
missing (15 sec. delay).
Check the GPS, log, and cable
connections.
Rudder limit The set rudder limit has
been reached or
exceeded.
This is a warning only and may be
caused by disturbance to compass
(waves), speed log, sharp turn or
improper parameter setting.
No thruster valve
voltage
There is no voltage from
the Danfoss valve to
TI50.
Check that the Danfoss thruster is
switched on. Check the cable
connections.
No thruster
response
1. Speed to high for
thruster operation
2. J50 has lost
communication with
the TI50 Thruster
Interface.
3. Broken connection or
defective electronics.
1. Refer to set limit for Thruster
Inhibit, page 156.
2. Check cabling or operation of
the TI50 Thruster Interface.
Refer to separate TI50 Manual.
3. Try to switch system off and on
4. Check thruster installation.
5. Replace unit.

Troubleshooting
20221032B 169
Display readout Probable fault Recommended action
Vessel off course Extreme weather
conditions, very slow
speed, or boats heading is
outside the fixed Off
heading limit of 20°
(automatic reset when
inside the limit).
1. Check the steering parameters
(Rudder, Autotrim, Seastate
filter).
2. Increase the Rudder value
3. Increase the boat speed, if
possible, or steer manually.
4. Check the steering gear and
autopilot interface.
NAV. data failure
(---).
Refer to page 145.
Missing or invalid Nav.
data.
1. Use NMEA Test menu.
2. Check the Nav. receiver set-up.

Simrad AP50 Autopilot
170 20221032B
This page is intentionally left blank

Spare Parts List
20221032B 171
9 SPARE PARTS LIST
AP50 Control Unit
20212221 AP50 Control Unit
20212247 Installation Accessories
20212130 Bracket
20211819 Protection Cover
20212213 AP50 Front Housing Ass’y
20211728 Back Cabinet
44169662 Gasket
20211868 AP50 Board Ass'y
44162840 Cover for Plug
20212189 PROM (programmed) V..R..
AP51 Remote Control
20211975 AP51 Remote Control
22086276 Mounting Kit
20212015 AP51 Front Housing Ass’y
22086193 Back Cover
22086383 Cable with Gasket
20212031 AP51 Board Ass'y
20212007 AP51 PROM (programmed) V..R..
JP21 Jack Point
22086433 J21 Jack Point
22886441 Connector Cover
Junction Units
20211926 J50 Junction Unit
20212817 J50-40 Junction Unit
22081707 J50 Installation Accessories
22081962 J50-40 Installation Accessories
20212528 J50 Power PCB Ass'y
20212916 J50-40 Power PCB Ass'y
20211918 J50 Main PCB Ass'y (Both models)
20212544 J50 Filter PCB Ass’y
20211934 PROM for all junction units
20212734 J50 Base Plate
22082036 J50-40 Base Plate
22081350 Main Cover

Simrad AP50 Autopilot
172 20221032B
22081368 Terminal Cover
RF300S Rudder Feedback Unit
20193645 RF300S Rudder Feedback
20193470 RF300 Transmission Lever
20193454 RF300 Transmission Link
44133122 Transmission Rod M5x325mm
20193624 RF300 Ball Joint Ass'y (2)
RF45X Rudder Feedback Unit
22011290 RF45X Rudder Feedback Unit
22011217 Mounting Kit
22011266 RF45X PCB Ass’y with Potentiometer
22011183 RF45 Transmission Link
44132322 Transmission Rod M8x30 (2)
22504054 Joint Nut M8
44157097 Ball Joint Socket
22011209 Ball Joint Pin
22504039 Transmission Lever
RF14XU Rudder Feedback Unit
22501654 RF14XU Rudder Feedback Unit
22500300 Shaft Coupling
22500458 Gasket
22501605 Electronic XU Drive Module
44105120 Actuator
44105146 Limit Switch
44118388 Potentiometer 5 Kohm
44132033 Corrosion Inhibitor Sponge
22500284 Activator Block
22500276 Activator Disc
RF Standard Transmission Link
22504005 RF Standard Transmission Link complete
44132322 Transmission Rod M8x30 (2)
22504021 Transmission Lever (Ø12mm)
44132306 Ball Joint 8mm, Stainless Steel
22504054 Joint Nut M8
RFC35 Electronic Fluxgate Compass
22081459 RFC35 Fluxgate Compass

Spare Parts List
20221032B 173
22081442 Installation Accessories Consisting of:
20104972 Mounting Plate (2)
44140762 Screw 3.5x25 (2)
44140770 Screw 30x9 (4)
22081376 Plug (2)
22081178 RFC35 PCB Ass'y
RC25 Rate compass
22084438 RFC35R Rate Compass
22081442 Installation Accessories Consisting of:
20104972 Mounting plate (2)
44140762 Screw 3.5x25 (2)
44140770 Screw 30x9 (4)
22081376 Plug (2)
22084370 RC25 PCB Ass'y
22082440 Cable, 15 m with Plug
RFC35R Rate compass
22082382 RFC35R Rate Compass
22081442 Installation Accessories Consisting of:
20104972 Mounting plate (2)
44140762 Screw 3.5x25 (2)
44140770 Screw 30x9 (4)
22081376 Plug (2)
22081178 RFC35 PCB Ass'y
22082374 RFC35R PCB Ass’y
22082440 Cable, 15 m with Plug
CD100A Course Detector
20106688 CD100A Course Detector
20106696 Cable, 7m
CD109 Course Detector
20120861 CD109 Course Detector with Tripod Holder
20120721 CD109 Course Detector
22331997 Tripod Holder
CDI35 Course Detector Interface
22081871 CDI35 Course Detector Interface
20187316 Mounting Accessories
22081152 CDI35 PCB Ass’y

Simrad AP50 Autopilot
174 20221032B
22081319 Bottom Housing
22081327 Top Housing
22081483 Cable 15 m
22081335 Gasket for Housing
22081384 Gasket for Screws
44140788 Screw 3x20
44140796 Cable Gland PG7
44140804 Nut GL7
44141174 O-ring 10x1.5
44135333 Plug-in Terminal 2-way
44133601 Plug-in Terminal 5-way
CI300X Compass Interface
22081137 CI300X Compass Interface
22082044 CI300X PCB Ass'y
20193256 Box
20193264 Cover
44138816 Cover Nutknobs
20191607 RobNet Cable 7m
NI300X NMEA Interface
22081129 NI300X NMEA Interface
20191607 RobNet Cable 7m
22081913 NI300X PCB Ass'y
20193256 Box
20193264 Cover
44138816 Cover Nutknobs
GI50 Gyro Interface
20212361 GI50 Gyro Interface
21102892 Installation Accessories
21102694 Box
21100425 Cover
20212395 GI50 PCB Ass’y
20212387 PROM (programmed) V..R..
S35 NFU Steering Lever
23241102 S35 NFU Steering Lever
23241144 S35 PCB Ass’y
44125599 Micro Switch

Spare Parts List
20221032B 175
23240096 Spring
44190114 Gasket
44140796 Cable Gland
S100 NFU Steering Lever
20104923 S100 NFU Steering Lever with Cable
44117646 S100 only
20105839 Cable, 10 m
R3000X Remote Control
22022289 R3000X Remote Control
20184552 Mounting Kit
20184545 PCB Ass’y
20184578 Cable
20184586 Front Housing
44190114 Gasket
20184594 Back Plate
44114145 Screw M4x8
22022396 Front Panel
44149680 Cable Gland
44193422 Diode 1N4148
44158186 Switch (S1, S2, S3)
F1/2 Remote Control
23099021 F1/2 Remote Control
44105146 Micro Switch V3
23020142 Gasket
23020233 Spring Leaf Kit
23010028 Push Button, Red
23010036 Push Button, Green
44112738 Cable 10m x 0.34mm2
RobNet cables and connectors
22081145 RobNet Cable 15 m (49’) with one male
connector
20191607 RobNet Cable 7m (23') with Male Connectors
20191615 RobNet Cable 15m (49') with Male Connectors
20192266 RobNet Extension Cable 10m (33') with Male
and Female Connector
44138048 RobNet Cable (bulk)
44160844 Male Connector - crimp type

Simrad AP50 Autopilot
176 20221032B
44160851 Female connector - Crimp Type (for extension
cable only)
Tools
44139707 Key for Lock Ring on RobNet Receptacles
44139806 PROM Extraction Tool
44161792 RobNet Pin Extraction Tool (for crimp type
connectors)

Glossary
20221032B 177
10 GLOSSARY
Apparent wind – see relative wind
Arrival alarm – An alarm signal issued by a voyage-tracking
unit that indicates arrival at or at a predetermined distance from
a waypoint. (see arrival circle).
Arrival circle – An artificial boundary placed around the
destination waypoint of the present navigation leg, the entering
of which will signal an arrival alarm.
Arrival perpendicular – Crossing of the line which is
perpendicular to the course line and which passes through the
destination waypoint.
Bearing – The horizontal direction of one terrestrial point from
another, expressed as the angular distance from a reference
direction, usually measured from 000° at the reference direction
clockwise through 359°.
BPW – Bearing position to waypoint – Bearing to a specified
waypoint from present position.
BWW – Bearing waypoint to waypoint - Bearing angle of the
line between the “TO” and the “FROM” waypoint, calculated at
the “FROM” waypoint for any two arbitrary waypoints.
COG - Course Over Ground - The actual direction of progress
of a vessel with respect to the surface of the earth. The vessels
heading may differ from the course over ground due to the
effects of wind, tide, currents.
ECS – Electronic Chart System
For advanced navigation steering with preset radius in routes of
waypoints.
ECDIS – Electronic Chart Display Information System.
Type approved ECS system according to the ECDIS regulations.
GPS - Global Positioning System - This system consists of 18
satellites plus 3 spares in fixed orbits, circling the earth at an
altitude of approximately 20,200 km. The system will provide
the user with 24 hour a day all weather position coverage, with
an accuracy of 15 to 100 meters.
Great circle route – A course that is the shortest distance
between two points, following a great circle

Simrad AP50 Autopilot
178 20221032B
Heading – The horizontal direction in which a ship actually
points or heads at any instant, expressed in angular units from a
reference direction, usually from 000° at the reference direction
clockwise through 359°.
IMO MSC(64)67 – (International Maritime Organization)
Performance standards for heading control system.
ISO 11674:2000(E) – (International Organization for
Standardization) Specifies the structure, performance, inspection
and testing of heading control systems.
Loran C - A complex radio navigation network developed by
the US coast guard, to assist a navigator in determining his
precise location. The acronym, Loran C, stands for Long Range
Navigation. It is an all weather 24 hour a day electronic system
of shore based radio transmitters.
Magnetic bearing – Bearing relative to magnetic north;
compass bearing corrected for deviation.
Magnetic deviation – Compass error; the difference between
the reading of a compass and the actual magnetic course or
bearing due to errors in the compass reading.
Magnetic heading – heading relative to magnetic north.
Magnetic variation - A magnetic compass points to the
magnetic north pole. The difference between this direction and
true north is the magnetic variation. The amount and direction of
this variation is dependent upon where on the earth you are
located.
NMEA 0183 - A format (language) designed to permit
communication between various types of marine electronic
equipment. In essence, this is a two-wire shielded, serial data
link, permitting one device to talk while other devices listen.
Numerous different sentences are available, permitting
communication between various different devices.
Relative wind – The speed and relative direction from which
the wind appears to blow with reference to a moving point (also
called apparent wind).
Rhumb line – A line that passes through all meridians at the
same angle. When drawn on a Mercator chart, the rhumb line is
a straight line. However, the Mercator chart is a distortion of a
round globe on a flat surface, so the rhumb line will be a longer
course than a great circle route.
Route - A stored sequence of waypoints. These waypoints will
be listed in the order in which you desire to follow them.

Glossary
20221032B 179
SOG - Speed over ground is the actual speed of the vessel
relative to the ocean floor.
True bearing – Bearing relative to true north; compass bearing
corrected for compass error.
True heading – Heading relative to true north.
VDR – Voyage Data Recorder. Recording and storing all
information that can be relevant for reconstructing accidents,
such as time, date, position, speed, heading, depth, video,
communication, etc. Performance requirements are specified in
the IMO A.861(20), the EU directive 1999/35/EC and
IEC61996.
Waypoint - A discrete point, stored in a navigator, located on
the surface of the earth. Normally this point will be identified by
Lat/Lon coordinates although in some systems it may be shown
by T.D.'s.
XTE - Cross Track Error - Used to identify a vessels position
relative to a straight line drawn between two waypoints. The
amount the vessel is off to the left or to the right of this line is
known as the track.

Simrad AP50 Autopilot
180 20221032B
This page is intentionally left blank

Index
20221032B 181
11 INDEX
A
Actual rudder, 148
Added stop time, 155
Adjust rudder angle, 139
Alarm
external, 88, 165
internal, 165
Analog drive, 18, 25, 166
Analog Heading Repeater,
107
Analog rudder, 18, 21, 23,
123, 125, 139, 165
Analog thruster, 135, 136
Apparent wind, 47, 177
AUTO button, 20
AUTO Mode, 27
AUTO/STANDBY
Toggling, 87
Autotrim, 28, 43, 45, 148
Autotrim in work modes,
148
AUTO-WORK Mode, 28
B
Backlight, 38, 39
Boat length, 121
Boat type, 121
BPW, 31, 177
Buttons, 19
BWW, 31, 32, 177
C
COG, 46, 134, 177
Compass
Calibration, 133
difference, 149
monitor, 40
Offset, 134
selection, 40
steering, 40
Compass interface
installation, 112
Configuration, 73
Continuous thrusters, 43,
136, 157
Contrast, 39
Control unit
Bracket mounting, 94
Installation, 94
Panel mounting, 94
Control Unit
Specifications, 50
Counter Rudder, 42, 141,
152, 154
Course adjust, 149
Course detector
Installation, 114
Specifications, 55
Course detector interface
Installation, 115
Specifications, 54
Course knob, 21
Course knob icon, 39
Course To Steer, 30
Cross Track Error, 30, 31,
179
Cruising speed, 138, 152
C-turn, 36
D
Digital Heading Repeater,
108
Disengage, 22, 39

Simrad AP50 Autopilot
182 20221032B
Dockside settings, 119
DODGE button, 20
Dodging
In Auto, 34
In Nav, 35
Drive engage, 150
Drive out, 124, 145, 151
Drive type, 151
drive unit
stern drive, 24
Drive unit
Installation, 89
Voltage selection, 121
E
Electronic Chart System,
32, 127
Environmental Protection,
68
External alarm, 88
External system selection,
39
Extraction tool, 163
F
Feedback unit
Installation, 74
Specifications, 57
Follow-up steering, 25
G
GPS, 30, 134, 177
Gyro interface
Installation, 109
H
Handshake 1, 150
Heading, 178
Heading alarm, 42
Hydraulic Linear Drive, 92
Hydraulic pumps, 89
I
Illumination. See Backlight
IMO MSC(64)67, 49, 178
Inactive, 22
INFO button, 20, 46
Init NAV, 155
Input voltage, 145
Installation
Index, 71
Menu, 118
Set-up, 117
Instrument
Screen, 46
Selection, 48
Set-up, 48
Interface Menu, 127
Interface Set-up, 126
IP Protection Code, 68
ISM Code, 12
ISO 11674, 49, 178
J
Jack point, 98
Junction unit
Installation, 85
Specifications, 52
L
Language selection, 119
Lock function, 37
M
Manual tuning, 140
Marine Equipment
Directive, 11
Master operation, 38, 121
Master Reset, 147

Index
20221032B 183
Maximum rudder limit, 123,
125
Maximum thrust, 136
Midship rudder, 125, 148
Minimum rudder, 153
Minimum thrust, 137, 157
Mixed mode, 30
Monitor compass, 40, 145
Multiple Station System, 37
N
NAV button, 20
Nav gain, 44, 153
Nav source, 40
Navigating, 30
NAV-WORK Mode, 33
NFU steering lever
Installation, 103
NFU Steering lever, 17
NMEA 0183, 178
NMEA Compass in, 106
NMEA data, 146
NMEA input/output
Double, 106
Single, 105
NMEA interface
installation, 111
NMEA PORT test, 147
NMEA sentences, 68
NMEA Signal Monitor, 147
Non-follow-up steering, 25
O
Off heading limit, 42, 149
On/off thrusters, 43, 135,
156
P
P-factor, 41, 42, 140, 151,
154
Physical stop, 122, 123, 125
PROM, 163
Prop. gain, 151
Proportional drive, 122,
124, 151, 166
Proportional valve, 124, 158
R
RAD, 42, 154
Radar Clock/Data, 107
Radio Frequency Interface,
86
Radius steering, 42, 154
Rate Compass
Installation, 99
Specifications, 53
Rate of turn, 42, 138, 154
Rate sensitivity, 156
Relative wind, 178
Remote Control
Connection, 98
Specifications, 51
Response delay, 158
Reversible Pump, 91
Rhumb line, 155, 178
RobNet, 11, 14, 86, 95, 161,
168, 175
RobNet units, 14
ROT, 42, 154
Route Navigation, 31
Rudder, 42, 140, 145, 151
Rudder Angle Indicator
Specifications, 56
rudder angle scaling, 81

Simrad AP50 Autopilot
184 20221032B
Rudder cal, 123
Rudder calibration, 123
Rudder deadband, 125, 154
rudder feedback
installation, 80
specifications, 59
Rudder feedback
Calibration, 122
Rudder limit, 125
Rudder test, 124, 151
Rudder zero, 125, 138
S
Sea Trial, 132
Seastate, 151
Seastate filter, 41
Service Menu, 145
Settings, 159
Simulated feedback, 165
Software, 22, 162
SOG, 46, 179
Solenoid Valves, 93
Solenoids
Externally powered, 92
Not externally powered,
93
Speed manual, 40
Speed response, 143, 152
Speed source, 40, 137
STANDBY button, 19
Steered course, 145
Steering compass, 40, 145
Steering function, 28, 40,
41, 43
Stepper gyro, 23
Connection, 109
Synchro gyro
Connection, 109
System data, 145
System Filter Values, 145
System select, 39, 87
System Select, 119
T
Thrust direction, 135
Thruster calibration, 135
Thruster drive, 158
Thruster gain, 157
Thruster hyst, 158
Thruster inhibit, 156
Thruster sensitivity, 43, 156
Thruster settings, 156
Thruster steering, 29
Thruster type, 126
Thruster zero, 135
Transducer, 48
Transition speed, 153
Transmitted Heading
Device, 127
Trim, 43, 45
True bearing, 179
True heading, 179
True wind, 47
Turn gain, 138
Turn Gain, 155
Turn mode, 36, 42, 154
U
Used midship position, 125,
152
User Set-up Menu, 39
AUTO Mode, 41
AUTO-WORK Mode, 43
NAV Mode, 44
NAV-WORK Mode, 45

Index
20221032B 185
STANDBY Mode, 39
U-turn, 36
V
VDR, 127, 179
W
W Autotrim, 148
W Count rudder, 152
W Initial rudder, 27, 148
W Radius, 154
W Rate of Turn, 154
W Rudder, 152
W Rudder limit, 152
W Seastate, 152
W Turn Gain, 155
Warnings
listing, 165
Waterjet, 153
Waypoint, 179
Wheelmark, 11, 23, 37, 38,
88, 98, 121
WORK button, 20
Work Turn Gain, 155
X
XTE, 30, 179

Simrad AP50 Autopilot
186 20221032B